Разработка проекта комплексной системы безопасности кассы пересчета коммерческого банка
Министерство образования и науки
Украины
Харьковский национальный университет
радиоэлектроники
Факультет АКТ
Кафедра ТАПР
Курсовой проект
на тему "Разработка проекта
комплексной системы безопасности кассы пересчета коммерческого банка"
Харьков 2013
Реферат
Пояснительная записка к курсовому проекту: с, рис., табл., Приложения,
источников по перечню ссылок.
Целью работы является разработка комплексной системы безопасности кассы
пересчета.
Использованные технические и программные средства - для создания
изображений программа Visio.
В процессе выполнения курсового проекта разработана: система охранной
сигнализации, система контроля и управления доступом, система охранного
телевиденья. Все это вмести взятое является: комплексной системой безопасности
отделения банка. Оценили эффективность комплексной системы безопасности.
СИСТЕМА ФИЗИЕСКОЙ ЗАЩИТЫ, СИСТЕМА ОХРАННОЙ СИГНАЛИЗАЦИИ, ОЦЕНКА
ЭФФЕКТИВНОСТИ, ШЛЕЙФ СИГНАЛИЗАЦИИ, ОТДЕЛЕИЕ БАНКА, ПУЛЬТ ЦЕНТРАЛЬНОЙ ОХРАНЫ.
Содержание
Перечень условных обозначений, символов, единиц, сокращений и
терминов
Введение
. Описание объекта, который защищается
. Система охранной сигнализации
.1 Состав и размещение оборудования системы охранной
сигнализации
.2 Система пожарной сигнализации
3. Система контролю та управления доступом
. Система охранного телевидения
. Монтаж и подключение оборудования системы
.1 Электропроводной сети комплексной системы безопасности
.2 Электропитание и заземление комплексной системы
безопасности
.3 Организации производства и ведении монтажных работ
. Оценка эффективности разработанной системы
.1 Оценка вероятности несанкционированного доступа на
конкретный участок объекта
Выводы
Перечень ссылок
Перечень условных обозначений, символов, единиц, сокращений и терминов
КСБ - комплексна система безпеки;
СКУД - система контролю та управління доступом;
СОС - система охранной сигнализации;
СОВ - система охранного видеонаблюдения;
ШС - шлейф сигналищации;
ПЦО - пульт центральной охраны;
СОТС - система охранной и тревожной сигнализации;
Введение
Охрана банков представляет собой комплекс организационных и специальных
мероприятий, направленных на ограничение доступа, защита территории, помещений
и объектов банка от противоправных посягательств. Реализация мер охраны
обеспечивает достижение банком определенной степени его безопасности.
Охрана банков имеет комплексный характер и обеспечивается как
специальными мерами, так и соответствующим оборудованием сооружений банковских
учреждений.
В связи с этим важным условием эффективной охраны банков является
соответствие банковских сооружений и помещений требованиям и нормам инженерного
и охранного оборудования, их технической укрепленности.
Учитывая специфику деятельности банковских учреждений, первой и основным
требованием с точки зрения безопасности является регулирование доступа в
помещение банка. Для этого выделяются три зоны доступности (территория банка,
сооружения банка, помещения банка), каждая из которых должна быть определенным
образом оборудована.
Естественные и искусственные барьеры используются для противодействия
несанкционированному проникновению на территорию банка.
Важнейшее средство физической защиты банка - распределение его сооружений
и помещений по зонам безопасности, которые учитывают важность различных
элементов сооружения банка с точки зрения причинения им вреда от различных
видов угроз.
Последнее время широко применяют автоматизированные системы контроля
доступа. Принцип функционирования такой системы заключается в том, что каждый
работник получает индивидуальную карточку с нанесенным на нее личным кодом, на
входе устанавливают специальные устройства, которые считывают информацию с
таких карт. Информация попадает в систему, на основе анализа данных о владельце
карты реагирует соответствующим образом:
открывает двери и регистрирует присутствие владельца на рабочем месте;
включает сигнал тревоги.
Такая система позволяет одновременно контролировать сотни объектов,
запоминать информацию обо всех лицах, входящих или выходящих из банка,
ограничивать доступ (в выходные дни, в определенное время, определенных лиц),
контролировать несколько зон, несколько групп посетителей, блокировать двери и
др.
В последнее время большое предпочтение отдается охранном телевидении. Оно
дает возможность не только устанавливать факт нарушения режима охраны, но и
контролировать ситуацию в динамике развития, определять опасность действий и
вести скрытое наблюдение и осуществлять видеозапись.
Для охраны банка может быть создана одна или несколько сетей телевидения.
Они обеспечивают наблюдение за внешней (вокруг банка) и внутренней (в отдельных
помещениях - кассовых и операционных залах, приемных руководящего состава
банка, хранилищах и т.д.) ситуацией.
1. Описание объекта охраны, который защищается
Объектом исследования данного курсового проекта для разработки комплексной
системы безопасности был избрано стандартное помещение отделения банка.
Помещения отделения банка представляют собой две переоборудованные
квартиры размещенные на первом этаже 5-ти этажного жилого дома с подземным
гаражом. На террасе расположенной с фасадной стороны здания дополнительно
возведены строительные конструкции для размещения офисных помещений. Высота
помещений составляет 2,4-2,8 м. Основные несущие конструкции здания: стены
кирпичные, перекрытия внутренних помещений - железобетонные, а помещений
оборудованных над террасой - металлические. Вход в ФБ осуществляется через
крыльцо расположенное с тыльной стороны здания. Запасной выход организуется
через дверь, выходящую в подъезд общего пользования.
В отделении банка имеются такие помещения:
помещение банкомата;
операционный зал;
операционные кассы;
касса пересчета;
сейфовая комната;
предкладовая;
депозитарий;
кабинеты;
холлы;
коммутационный центр;
электрощитовая;
газовая котельная;
санузел.
На рисунке 1.1 изображен план помещения.

На рисунке цифрами обозначено:
- банкоматная;
- операционный зал;
- кабинет;
- тамбур;
- касса пересчета;
- сейфовая;
- коридор;
- операционная касса 1;
- операционная касса 2;
- кабинет заместителя деректора;
- газовая котельная;
- кабинет деректора;
- приемная;
-предкладовая;
- депозитарий;
- коридор;
- коммутационный центр;
- електрощитовая;
- санузел;
- кабинет;
- хол;
- коридор;
Количество постов охраны - 1 (помещение 2).
Все помещения здания банка в зависимости от значения и характера,
совершаемых в них действий разделяются на 3 основных зоны доступности:
Первая зона (помещения, доступ в которые сотрудником и клиентам не
ограничен: операционный зал, клиентская кабина, часть офисных помещений,
холлы).
Вторая зона (помещения, доступ в которые разрешен ограниченному кругу
сотрудников: кассовый узел, офисные помещения, служебные помещения, санузел).
Третья зона (помещения, доступ в которые имеют лишь строго определенные
должностные лица банка): операционные кассы, сейфовая комната, коммутационный
центр, касса пересчета).
Физическая охрана объекта, контроль ситуации на объекте осуществляется
сотрудниками службы безопасности, которые находятся на посту охраны в помещении
2.
Постановка/снятие с охраны помещения объекта, контроль (мониторинг)
состояния помещений (снято с охраны/находится под охраной) осуществляется с
поста охраны при помощи кнопок управления на приемно-контрольных приборах,
пульта управления, а также ответственным персоналом банка с пультов управления
локальных.
2. Система охранной сигнализации
Система охранной сигнализации предназначена для обеспечения
централизованной или автономной охраны учреждений, банков, офисов, частных
владений. Она позволяет круглосуточно контролировать состояние охраняемой
территории и организовать взаимодействие между сотрудниками службы
безопасности.
Система охранной сигнализации обеспечивает:
Контроль обстановки для предотвращения несанкционированного проникновения
в охраняемые помещения объекта;
Постановку на охрану и снятия с охраны помещений (зон, разделов);
Выдачу сигналов «тревога» при срабатывании средств системы, выдачу
сигналов на выносное оборудование световой и звуковой индикации системы;
Ведение протокола событий в памяти приемно-контрольных приборов.
2.1 Состав и размещение оборудования системы охранной
сигнализации
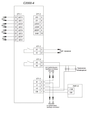
Система охранно-тревожной сигнализации построена на базе пульта контроля
и управления «С2000М», приборов приемно-контрольных охранно-пожарных ППКОП
«Сигнал-20», ППКОП «С2000-4» и пультов «С2000-КС» соединенных адресной
интерфейсной линией связи (конструкция приведена на рисунках 2.1,2.2).
Приборы ППКОП «Сигнал-20» серия 02 и ППКОП «С2000-4» обеспечивают:
централизованную и автономную охрану объектов от несанкционированных
проникновений и пожаров путем контроля состояния двадцати и четырех шлейфов
сигнализации (ШС) соответственно, с включенными в них охранными, пожарными и
тревожными извещателями;
Рисунок 2.1- Схема «Сигнал-20»
выдачу тревожных извещений о нарушении ШС и срабатывании извещателей на
индикаторы и сигнализатор прибора, а также через релейные выходы - на
аппаратуру пульт центральной охраны (ПЦО).
включение на объекте цепей управления внешними звуковыми и световыми
оповещателями, сигнализаторами и указателями.
Прибор ППКОП «Сигнал-20» обеспечивает управление взятием/снятием ШС с
помощью переключателей, а также отображение состояние ШС на встроенных
индикаторах.
Прибор ППКОП «С2000-4» обеспечивает управление взятием/снятием ШС с
помощью пультов «С2000М» и «С2000-КС», а также отображение состояние ШС на
встроенных индикаторах.
Пульт контроля и управления «С2000М» позволяет программировать параметры
подключенных приборов «Сигнал-20» и «С2000-4», управлять состояниями и режимами
их ШС и релейных выходов, а также отображать на дисплее тревожные и служебные
сообщения о происходящих событиях.
Рисунок 2.2 - Схема «С2000-4»
События протоколируются в памяти пульта «С2000М».
В состав система охранной и тревожной сигнализации (СОТС) входят средства
обнаружения и сигнализации различных принципов действия.
В качестве охранных извещателей используются:
извещатели магнитоконтактные ИО 102-5, ИО 102-18, ИО 102-10;
извещатели инфракрасные объемные «Астра-5», поверхностные «Фотон-Ш»;
извещатели радиоволновые объемные «Аргус-3»;
извещатели пьезоэлектрические на разрушение «Шорох-2»;
извещатели акустические «Астра-С».
Схемы подключения извещателей приведены на рисунках 2.3-2.8.
Рисунок 2.3 - Схема подключения извещателя магнитоконтактные ИО
На рисунке 2.4 представлена схема подключения извещателя акустические
«Астра-С».
Рисунок 2.4 - Схема подключения извещателя акустические «Астра-С»
На рисунке 2.5 представлена схема подключения извещатели инфракрасные
объемные «Астра-5».
Рисунок 2.5 - Схема подключения извещатели инфракрасные объемные
«Астра-5»
На рисунке 2.6 представлена схема подключения «Фотон-Ш».
Рисунок 2.6 - Схема подключения «Фотон-Ш»
Схема подключения извещателя пьезоэлектрические на разрушение «Шорох-2»
представлена на рисунке 2.7.
Рисунок 2.7 - Схема подключения «Шорох-2»
Схема подключения извещатели радиоволновые объемные «Аргус-3»
представлена на рисунке 2.8.
Рисунок 2.8 - Схема подключения «Аргус-3»
Датчики ИО 102-16 устанавливают на открывающиеся части окон, ИО 102-5 и
ИО 102-22 устанавливают на дверях, извещатели акустические разбития стекла
«Астра-С» устанавливают в оконных проемах или на потолке помещений.
Внутренний объем помещений защищается с помощью ИК-извещателей типа
«Астра-5» и извещателей объемных «Аргус-3».
Для охраны сейфовой комнаты и депозитария организуются следующие рубежи
охраны:
первый рубеж: магнитоконтактный датчик ИО-102-26, ИК-извещатель Фотон-Ш в
режиме «вертикальный занавес»;
второй рубеж: извещатель пьезоэлектрический на разрушение Шорох-2;
третий рубеж: извещатель охранный объемный «Аргус-3».
Эти рубежи образуют соответствующие ШС, которые объединяются в один
раздел. Постановка на охрану данного раздела осуществляется с помощью пульта
«С2000-КС» работающего в режиме управляемой клавиатуры.
Остальные помещения блокируются одним или двумя рубежами охраны.
Особенностями охраны некоторых помещений являются:
помещение 21 блокируются ИК-извещателем объемными «Астра-5» совместно с
ИК-извещателем Фотон-Ш (ввиду отсутствия дверей);
запасной выход блокируется магитоконтактными извещателями ИО-102-22
совместно с ИК-извещателем Фотон-Ш;
помещение газовой котельной блокируется извещателм магнитоконтактным ИО
102-11 и извещателем охранным объемный «Аргус-3».
В качестве тревожных извещателей применяются извещатели охранные ручные
кнопочные «Астра-321», беспроводные «ACS-101» и магнитоконтактные извещатели в
виде банковской упаковки «Кукла-Л».
Тревожные извещатели «Астра-321» устанавливаются в операционных кассах, в
кассе пересчета, в сейфовой комнате, в тамбуре, в предкладовой, в депозитарии,
на посту охраны. Беспроводные извещатели (2 шт) находятся у старшего кассира и
охранника. Извещатели «Кукла-Л» устанавливаются в операционных кассах.
Перечисленные извещатели объединяются в шлейфы тревожной сигнализации, которые
программируются с функцией - «Без права отключения».
Схема размещения охранной сигнализации 2.9, а условные обозначения
представлены в Приложении А.
Рисунок 2.9 - Схема размещения охранной сигнализации
Для оповещения работников банка (в случае нападения) на рабочих местах
предусмотрена установка световых оповещателей «Маяк» («тихая тревога»).
Система охранно-тревожной сигнализации обеспечивает вывод сигналов на ПЦО
по следующим разделам:
-й раздел - сейфовая комната и депозитарий;
-й раздел - периметр;
-й раздел - тревожные кнопки;
.2 Система пожарной сигнализации
Система пожарной сигнализации обеспечивает:
круглосуточный контроль обстановки на объекте;
ведение протокола событий в памяти пульта управления;
периодическую диагностику исправности технических средств системы;
выдачу управляющих сигналов на включение систем речевого, звукового и
светового оповещения о пожаре;
выдачу управляющих сигналов на выключение системы вентиляции;
контроль состояния системы на пульте управления.
Помещения банка оборудуются пожарной сигнализацией с обеспечением
круглосуточной работы пожарных извещателей.
Защищаемые помещения относятся к категории пожароопасных помещений.
Защищаемые помещения относятся к категории «В» по пожарной опасности.
Защите системой пожарной сигнализации подлежат все помещения за
исключением санузла.
Пожарная нагрузка: горючие покрытия полов, мебель, одежда персонала,
технологическое электрооборудование, облегченные перегородки помещений, горючие
отделочные материалы, горючая изоляция проводов и кабелей и др.
Помещения отапливаемые, имеют приточно-вытяжную вентиляцию с механическим
побуждением. Относительная влажность воздуха до 75% при 20°С. В помещениях
отсутствуют агрессивная среда и взрывоопасные зоны.
Система автоматической пожарной сигнализации построена на базе пульта
контроля и управления (ПКУ) «С2000М», прибора приемно-контрольного
охранно-пожарного (ППКОП) «Сигнал-20».
Контроль состояния шлейфов пожарной сигнализации осуществляется прибором
«Сигнал-20». Обмен информацией между приборами и пультом «С2000М» происходит по
адресной интерфейсной линии связи.
Шлейфы пожарной сигнализации программируются с функцией -«Без права
отключения».
В качестве пожарных извещателей используются:
извещатели пожарные дымовые ИП 212-71/1;
извещатели пожарные ручные ИР-1.
Дымовые пожарные извещатели ИП 212-71/1 устанавливаются на потолках и
размещаются по площади потолка равномерно с таким расчетом, чтобы:
расстояния между дымовыми извещателями не превышали 9,0 м, а от
извещателя до стены были не более 4,5м.
расстояние извещателей до вентиляционного отверстия приточной или
вытяжной вентиляции должно быть не менее 1,0 м.
Ручные пожарные извещатели ИР-1 устанавливаются в коридорах, холлах, у
выходов помещения банка на высоте 1,5 м от уровня пола. На расстоянии 0,75 м от
ручных пожарных извещателей не должно быть различных органов управления и
предметов, препятствующих доступу к извещателю. Спуск к ИР-1 защищается
пластмассовым профилем.
Дымовые и ручные пожарные извещатели включаются в шлейфы прибора
«Сигнал-20П».
ППКОП «Сигнал-20» формирует команды на управление средствами оповещения о
пожаре после срабатывания двух извещателей в шлейфе, т. е. реализуется
двухпороговая схема формирования извещения «Пожар». В связи с этим в каждом
защищаемом помещении установлено не менее двух пожарных извещателей.
Система пожарной сигнализации обеспечивает вывод сигнала «Пожар» на ПЦО
отдельным разделом.
Проверка работоспособности дымовых извещателей ИП 212-71/1 осуществляется
использованием лазерного тестера «Астра-941».
Для отключения системы вентиляции при формировании сигнала «Пожар»
используется один из релейных выходов блока «Сигнал-20».