Разработка программной модели памяти FIFO, LIFO

  • Вид работы:
    Дипломная (ВКР)
  • Предмет:
    Информатика, ВТ, телекоммуникации
  • Язык:
    Русский
    ,
    Формат файла:
    MS Word
    85,07 Кб
  • Опубликовано:
    2015-03-08
Вы можете узнать стоимость помощи в написании студенческой работы.
Помощь в написании работы, которую точно примут!

Разработка программной модели памяти FIFO, LIFO

Введение

Темой данной дипломной работы является создание программной модели памяти типа FIFO, LIFO. В настоящее время существует большое количество всевозможных программ, с помощью которых можно моделировать различные устройства. До появления данных программ, создание схем происходило с помощью макетов, но этот процесс был довольно трудоемкий и занимал большое количество времени и затрат, чем при моделировании с помощью программ.

В настоящее же время программы моделирования электронных схем общепризнанны в качестве важного элемента при проектировании сложных электронных схем. Их создание выполняется с помощью различных элементов, которые содержатся в библиотеках этих программ.

Проектирование схем с помощью компьютеров в данный момент является одним из наиболее перспективных способов повышения производительности и качества инженерного труда и получает все более широкое распространение в радиоэлектронике и вычислительной технике.

1. Сравнительный анализ программных средств схемотехнического моделирования цифровых устройств

Разработка любого радиоэлектронного устройства сопровождается физическим или математическим моделированием. Физическое моделирование связано с большими материальными затратами, поскольку требуется изготовление макетов и их трудоемкое исследование. Часто физическое моделирование просто невозможно из-за чрезвычайной сложности устройства, например, при разработке больших и сверхбольших интегральных микросхем. В этом случае прибегают к математическому моделированию с использованием средств и методов вычислительной техники. Например, известный пакет P-CAD содержит блок логического моделирования цифровых устройств, однако для начинающих, в том числе и для студентов, он представляет значительные трудности в освоении. Не меньшие трудности встречаются и при использовании системы Design Lab. На этапе начального освоения методов автоматизированного проектирования и на этапах проведения поисково-исследовательских работ целесообразно рассмотреть возможность использования следующих программ:

Micro-Cap 7 - позволяет моделировать и аналоговые, и цифровые устройства и более того, смешанные аналого-цифровые устройства. Однако при этом нужно учитывать, что программа Micro-Cap 7 поддерживает формат PSpice старых версий пакета Design Center/Or CAD. В последних же версиях ряд ключевых слов текстовых описаний PSpice претерпел незначительные изменения и появились новые возможности. Поэтому перед загрузкой в современные версии PSpice текстовых описаний схем, полученных с помощью программы, может потребоваться их коррекция.

Micro-Cap 7 - Введена параметрическая оптимизация во всех основных видах анализа и сделаны другие нововведения:

1введены S-параметры линейных 4-полюсников и круговые диаграммы (диаграммы Смита) для моделирования высокочастотных устройств;

2в файл схем включена вся информация, необходимая для переноса моделируемого проекта на другой ПК;

3обеспечено размещение файлов схем и библиотек математических моделей компонентов в разные каталоги;

4введен редактор воздействий Stimulus Editor;

5усовершенствован редактор компонентов Component Editor;

6в схемотехническом редакторе введен откат назад и вперед на один или несколько шагов;

7предусмотрено составление списков соединений схемы в форматах программ Cadence Or CAD, PADS, Protel, P-CAD и др. для разработки печатных плат.

Из других достоинств Micro-Cap 7 отметим исчерпывающую встроенную помощь и возможность задания функциональных зависимостей параметров схемы (как функций времени, токов ветвей и узловых потенциалов), причем эти возможности даже несколько шире, чем в последних версиях Or CAD 9.2 - в них можно сделать параметры пассивных компонентов зависящими только от токов или напряжений других ветвей схемы, в этих целях не нужно больше применять управляемые источники токов или напряжений.

Перечень основных характеристик Micro-Cap 7:

8многостраничный графический редактор принципиальных схем, поддерживающий иерархические структуры;

9поведенческое моделирование аналоговых и цифровых компонентов, возможность описания цифровых компонентов с помощью логических выражений. В сочетании с библиотекой графических символов типовых операций (суммирование, вычитание, умножение, интегрирование, применение преобразования Лапласа, Z - преобразования и т.п.). Это позволяет моделировать динамические системы, заданные не только принципиальными, но и функциональными схемами;

10большая библиотека компонентов, включающая в себя наиболее популярные цифровые интегральные схемы дискретной логики и PLD и аналоговые компоненты типа диодов, биполярных, полевых и МОП-транзисторов, магнитных сердечников, линий передачи с потерями, макромодели операционных усилителей, кварцевых резонаторов, датчиков Холла и т.п. Все эти модели написаны в стандартном формате SPICE и могут быть использованы с программами моделирования фирм Altium, Cadence, Into Soft и др.;

11макромодели компонентов могут быть представлены в виде принципиальных электрических схем или в текстовом виде;

12графики результатов выводятся в процессе моделирования или после его окончания по выбору пользователя, имеются сервисные возможности обработки графиков;

13многовариантный анализ при вариации параметров и статистический анализ по методу Монте-Карло;

14имеется специальная программа MODEL для расчета параметров математических моделей аналоговых компонентов по справочным или экспериментальным данным;

15при наличии ошибок информация о них мгновенно появляется на экране (в PSpice большинство ошибок нужно отыскивать в текстовом файле); имеются встроенные средства помощи;

16имеется электронная документация и контекстно-ориентированные средства помощи.

APLAC - предназначена для проектирования и моделирования электрических схем и систем во временной и частотной областях. В ее состав могут входить как цифровые, так и аналоговые компоненты, в том числе устройства диапазона СВЧ. Выполняются следующие виды расчетов: режим по постоянному току, частотные характеристики, спектральная плотность и коэффициент шума, чувствительность и параметрическая оптимизация, переходные процессы, спектры сигналов, анализ периодических режимов, статистический анализ по методу Монте-Карло. В основном этот набор довольно стандартен. Однако аналогичные расчеты проводятся, с помощью нескольких разных программ, а здесь они доступны в одной. Другая важная особенность APLAC - наличие большого набора библиотек элементов принципиальных схем и отдельных блоков, применяемых в аналоговых и цифровых системах связи. По своему функциональному составу эти библиотеки превосходят библиотеки других систем. Кроме того, в состав APLAC входит подпрограмма расчета трехмерных электромагнитных полей микрополосковых конструкций и других устройств диапазона СВЧ. Последнее, на что следует обратить внимание, это возможность ввода результатов измерений и вывода управляющих сигналов с помощью интерфейсных плат стандарта IEEE-488.

Circuit Maker 6.0 - фирмы MicroCode Engineering, содержащую обширную библиотеку моделей, промышленных изделий электронных компонентов с возможностью оперативного просмотра их основных характеристик (например, для транзистора - это тип корпуса, максимальное напряжение, ток, частота, фирма-изготовитель и др.). Программа позволяет достаточно оперативно подготавливать электрические схемы аналоговых, цифровых или смешанных аналого-цифровых устройств и проводить их моделирование с получением результатов в виде осциллограмм сигналов и графиков частотных характеристик; возможно получение точных отсчетов с помощью вертикальных и горизонтальных визирных линий; позволяет контролировать режим по постоянному току в выбранных точках схемы. Отличительной особенностью программы является наличие анимационных компонентов (запуск ракеты, старт автомобилей), призванных имитировать конечный результат работы схемы, а также наличие учебного пособия в демонстрационном режиме. Она интегрируется с программой разработки печатных плат TraxMaker.

Design Lab 8.0 - интегрированный пакет корпорации MicroSim, в состав которого входит известная программа моделирования PSpice. Этот пакет позволяет проводить сквозное проектирование радиоэлектронных устройств: от ввода принципиальной схемы, ее моделирования до создания управляющих файлов для программаторов, разработки печатных плат и управляющих программ для сверлильных станков и вывода данных на графопостроитель.

Electronics Workbench 5 - в отличие от других программ схемотехнического моделирования на экране изображаются измерительные приборы с органами управления, максимально приближенными к реальности. Пользователь освобождается от изучения довольно абстрактных (хотя и не очень сложных) правил составления заданий на моделирование. Достаточно на схему поместить двухканальный осциллограф и генератор сигналов - и программа сама сообразит, что нужно анализировать переходные процессы. Если же на схеме разместить анализатор частотных характеристик, то будет рассчитан режим по постоянному току, выполнена линеаризация нелинейных компонентов и затем проведен расчет характеристик схемы в частотной области. Диапазон анализируемых частот, коэффициент усиления и характер оцифровки данных (в линейном или логарифмическом масштабе) устанавливается на лицевой панели, манипулируя мышкой. Чтобы начать моделирование, достаточно щелкнуть выключателем. После этого на устройствах индикации цифровых вольтметров и амперметров будет зафиксирован режим по постоянному току, на экране измерителя нарисованы частотные характеристики (амплитудно или фазочастотные), а на экране осциллографа будут непрерывно изображаться эпюры напряжений до тех пор, пока не заполнится буферная память, а затем можно прекратить моделирование или обнулить память и продолжить наблюдения. В конце 1998 г. программа Electronics Workbench 5.3 дополнена простейшей программой разработки печатных плат EWB Layout (Multiboard) (причем в отличие от Micro-Cap 7 интерфейс с другими известными САПР печатных плат не предусмотрен), и затем серий программ multisim 2001, ultiboard 2001, ultiroute и commsim 2001.

Or CAD 9.2 - интегрированный программный комплекс корпорации Cadence Design Systems (бывш. Design Lab) для сквозного проектирования аналоговых, цифровых и смешанных аналого-цифровых устройств, синтеза устройств программируемой логики и аналоговых фильтров. Проектирование начинается с ввода принципиальной схемы, ее моделирования и оптимизации и заканчивается созданием управляющих файлов в формате JEDEC для программаторов, разработкой печатной платы и выводом управляющих файлов для фотоплоттеров и сверлильных станков.

System View 5.0 - программа System View представляет собой конструктор, с помощью которого из стандартных «кубиков» строится функциональная схема исследуемой электронной системы. Из каталога библиотек выбирается нужный функциональный модуль, который переносится на схему, и затем производится синтез его параметров или задание их значений вручную. После соединения всех функциональных модулей и подключения измерительных устройств задаются системные параметры (длительность интервала наблюдения, частота дискретизации, параметры быстрого преобразования Фурье) и выполняется моделирование. В отдельном окне просматриваются и обрабатываются результаты анализа. Рассчитываются преобразования Фурье графиков, корреляционные и взаимно корреляционные функции, выполняются арифметические и тригонометрические операции, статистическая обработка данных и многое другое.

Microwave Office 2002. - программы Microwave Office (MCO) и VSS (Visual System Simulator) фирмы Applied' Wave Research (AWR) позволяют моделировать принципиальные СВЧ устройства, заданные как: в виде принципиальных, так и функциональных схем.

2. Анализ функциональной памяти типа FIFO, LIFO в современных микропроцессорах

В вычислительных системах используются подсистемы с различным быстродействием, и, в частности, с различной скоростью передачи данных (рисунок 2.1). Обычно обмен данными между такими подсистемами реализуется с использованием прерываний или канала прямого доступа к памяти. В первую очередь подсистема 1 формирует запрос на обслуживание по мере готовности данных к обмену. Однако обслуживание прерываний связано с непроизводительными потерями времени и при пакетном обмене производительность подсистемы 2 заметно уменьшается. При обмене данными с использованием канала прямого доступа к памяти подсистема 1 передает данные в память подсистемы 2. Данный способ обмена достаточно эффективен с точки зрения быстродействия, но для его реализации необходим довольно сложный контроллер прямого доступа к памяти.

Наиболее эффективно обмен данными между подсистемами с различным быстродействием реализуется при наличии между ними специальной буферной памяти. Данные от подсистемы 1 временно запоминаются в буферной памяти до готовности подсистемы 2 принять их. Емкость буферной памяти должна быть достаточной для хранения тех блоков данных, которые подсистема 1 формирует между считываниями их подсистемой 2. Отличительной особенностью буферной памяти является запись данных с быстродействием и под управлением подсистемы 1, а считывание - с быстродействием и под управлением подсистемы 2 («эластичная память»). В общем случае память должна выполнять операции записи и считывания совершенно независимо и даже одновременно, что устраняет необходимость синхронизации подсистем. Буферная память должна сохранять порядок поступления данных от подсистемы 1, т.е. работать по принципу «первое записанное слово считывается первым» (First Input First Output - FIFO). Таким образом, под буферной памятью типа FIFO понимается запоминающее устройство (ЗУ), которое автоматически следит за порядком поступления данных и выдает их в том же порядке, допуская выполнение независимых и одновременных операций записи и считывания.

Рассмотрим применение буферной памяти типа FIFO на примере микропроцессора КР1810ВМ86. На рисунке 2.2 приведена структурная схема микропроцессора КР1810ВМ86. В этом микропроцессоре буферная память типа FIFO организовывается в виде блока регистров очереди команд.

Блок регистров очереди команд обеспечивает возможность накопления команд объемом до 6 байт. Это позволяет подавать команды из блока регистров в операционное устройство, где происходит их исполнение, без задержки и, кроме того, достигается возможность совместить во времени процессы, связанные с выборкой команд из памяти, и процессы, связанные с их выполнением.

Рисунок 2.1. Применение буферной памяти

Рисунок 2.2 Принцип работы стековой памяти LIFO

Так же в микропроцессорах используется стековая память - это память доступ к которой организован по принципу: «последним записан - первым считан» (Last Input First Output - LIFO). Использование принципа доступа к памяти на основе механизма LIFO началось с больших ЭВМ. Применение стековой памяти оказалось очень эффективным при построении компилирующих и интерпретирующих программ, при вычислении арифметических выражений с использованием польской инверсной записи. В малых ЭВМ она стала широко использоваться в связи с удобствами реализации процедур вызова подпрограмм и при обработке прерываний.

Принцип работы стековой памяти состоит в следующем (см. рисунок 2.3.). Когда слово А помещается в стек, оно располагается в первой свободной ячейке памяти. Следующее записываемое слово перемещает предыдущее на одну ячейку вверх и занимает его место и т.д. Запись 8-го кода, после H, приводит к переполнению стека и потере кода A. Считывание слов из стека осуществляется в обратном порядке, начиная с кода H, который был записан последним. Заметим, что выборка, например, кода E невозможна до выборки кода F, что определяется механизмом обращения при записи и чтении типа LIFO.

Для фиксации переполнения стека желательно формировать признак переполнения.

Перемещение данных при записи и считывании информации в стековой памяти подобно тому, как это имеет место в сдвигающих регистрах. С точки зрения реализации механизма доступа к стековой памяти выделяют аппаратный и аппаратно-программный (внешний) стеки.

Аппаратный стек представляет собой совокупность регистров, связи между которыми организованы таким образом, что при записи и считывании данных содержимое стека автоматически сдвигается. Обычно емкость аппаратного стека ограничена диапазоном от нескольких регистров до нескольких десятков регистров, поэтому в большинстве МП такой стек используется для хранения содержимого программного счетчика и его называют стеком команд. Основное достоинство аппаратного стека - высокое быстродействие, а недостаток - ограниченная емкость.

Наиболее распространенным и возможно лучшим в настоящее время организации стека в ЭВМ является использование области памяти. Для адресации стека используется указатель стека, который предварительно загружается в регистр и определяет адрес последней занятой ячейки. Помимо команд CALL и RET, по которым записывается в стек и восстанавливается содержимое программного счетчика, имеются команды PUSH и POP. Команда PUCH - это процесс прохождения информационного слова через стек, а команда POP - это операция чтения информационного слова из стека. В некоторых МП содержимое основных регистров запоминается в стеке автоматически при прерывании программ. Содержимое регистра указателя стека при записи уменьшается, а при считывании увеличивается на 1 при выполнении команд PUSH и POP, соответственно.

Рассмотрим применение памяти LIFO в микропроцессоре К1804ВУ4. На рисунке 2.4 приведена его структурная схема.

Основными частями стека являются указатель стека (реверсивный счетчик со специальными цепями установки) и накопитель стека. Накопитель стека представляет собой ОЗУ емкостью пять 12-разрядных слов. Запись и считывание информации осуществляются для той ячейки накопителя, которую адресует указатель стека. Эта ячейка называется вершиной стека. Информация может считываться из вершины стека на вход мультиплексора адреса как без изменения содержимого стека, так и с изменением. Информация записывается в стек при выполнении операции PUSH; при этом сначала содержимое указателя стека увеличивается на 1, а затем происходит собственно запись. Таким образом, указатель стека всегда указывает на последнее записанное слово. В стек может записываться только содержимое счетчика микрокоманд.

При выполнении над стеком операции POP содержимое указателя уменьшается на единицу после чтения вершины стека. Логически это означает заполнение вершины стека другой, ранее записанной при операции PUSH информацией. Операция POP над пустым стеком не изменяет его состояния. Заполнение всех пяти уровней стека вызывает появление осведомительного сигнала FL - 0. При выполнении очередной операции PUSH указатель стека остается без изменения, а в вершину стека записывается новая информация. Старая информация при этом теряется. Такая потеря является очень нежелательной, и рекомендуется тщательно продумать микропрограммы, чтобы ее не допустить. В этом микропроцессоре реализуется аппаратно - программный стек.

Теперь рассмотрим реализацию аппаратного стека на примере сигнального микропроцессора TSM32010. На рисунке 2.5 приведена его структурная схема.

В микропроцессоре TMS32010 реализован аппаратный 4-х уровневый стек в виде оперативной памяти с организацией 4x12. Запись осуществляется в верхний уровень стека из программного счетчика. Предыдущее значение верхнего уровня стека записывается во второй уровень и т.д. Содержимое последнего (4-го) уровня при записи в стек теряется. При чтении из стека содержимое верхнего уровня переписывается в программный счетчик, а на его место записывается содержимое второго уровня и т.д. Содержимое нижнего 4-го уровня стека копируется в третий уровень, а также сохраняется в четвертом уровне. Основное назначение стека заключается в хранении точек возврата (адресов возврата) команд, которые будут выполняться после подпрограмм и прерываний. Т.е. допускается 4-х уровневая степень вложенности подпрограмм и прерываний для TMS32010. Кроме того стек используется при выполнении некоторых команд ввода-вывода. Поэтому степень вложенности для подпрограмм, использующих такие команды, равна 3. В микропроцессоре TMS32010 имеется программная возможность наращивать стек отводя под него ячейки ОЗУ данных.

Рисунок 2.3 Структурная схема микропроцессора КР1810ВМ86

Рисунок 2.4 Структурная схема TSM32010

Рисунок 2.5. Структурная схема микропроцессора К1804ВУ4

3. Разработка укрупненной структуры памяти FIFO, LIFO

На рисунке 3.1 показана структурная схема РЗУ типа очередь (РЗУ типа FIFO). В ее состав входят следующие блоки:

блок управления;

комбинационная схема;

блок регистров; состоящий из двух регистров в которых хранится записываемая информация,

последовательный порт ввода 1DI, последовательный порт вывода 1DO и параллельный порт ввода - вывода 2DIO.

Блок управления содержит:

-      счетчик;

-         триггер флага;

С помощью счетчика происходит управление портами регистров.

Триггер флага предназначен для инициализации сигнала флага AN говорящий о том, что регистр полный и можно считывать информацию хранящуюся в регистре.

Комбинационная схема предназначена для управления режимами работы регистров.

Блок регистров состоит из двух регистров предназначенных для временного хранения 8 - битного слова поступающего на шину 1DI.

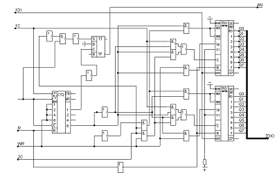
Запись 8 - битового слова через последовательную шину ввода 1DI производится сначала в первый регистр при подачи на него сигнала записи и по положительному фронту синхросигнала С. В то время как происходит запись 8 - битного слова в первый регистр, второй регистр находится в режиме ожидания. После записи восьмого бита информации на выходе триггера флага устанавливается сигнал флага готовности AN. Одновременно с этим на выходе счетчика появляется комбинация которая подключает последовательную шину ввода 1DI ко второму регистру, а параллельную шину ввода - вывода 2DIO к первому регистру и следующее 8 - битное слово вводится во второй регистр при подачи на него сигнала записи и по положительному фронту синхросигнала С.

Установка сигнала флага готовности AN, может быть использована для инициализации чтения байта данных через параллельный порт ввода - вывода регистра. Устройство, принимающее считываемый параллельный код, подает стробирующий сигнал 2С, который открывает параллельный порт ввода - вывода DIO регистра для вывода из регистра готового байта данных в шину 2DIO.

На рисунке 3.2 показана структурная схема стекового РЗУ (РЗУ типа LIFO). В ее состав входит:

блок управления;

блок регистров;

счетчик.

Блок управления - формирует управляющие сигналы такие как:

-      сигнал записи;

-         сигнал чтения;

          синхросигнал С;

          сигнал сброса в состояние логического нуля.

Блок регистров - содержит 4 регистра образующих стек. Стек служит для временного хранения восьми четырех разрядных слова поступающих на шина DI. Запись четырех разрядных слов осуществляется по положительному фронту синхросигнала С и сигнала чтения.

Считывание выполняется через порт вывода DO из вершины стека при подачи сигнала чтения и синхросигнала С из блока управления.

Счетчик - предназначен для инициализации сигнала флага AN говорящий о том, что стек полный или пустой, в зависимости от этого блоком управления формируются сигналы считывания или записи.







Рисунок 3.1 Структурная схема РЗУ типа очередь (РЗУ типа FIFO)









Рисунок 3.2 Структурная схема стекового РЗУ (РЗУ типа LIFO)

4. Разработка принципиальной схемы памяти FIFO, LIFO

Целью данного дипломного проекта является разработка РЗУ типа очередь (РЗУ типа FIFO) и стекового РЗУ (РЗУ типа LIFO)

Разработка принципиальная схема памяти типа FIFO.

Исходя из структурной схемы памяти типа FIFO представленной на рисунке 3.1, принципиальная схема должна состоять из следующих элементов:

двух восьми разрядных универсальных регистра сдвига с последовательном портом ввода и параллельным портом ввода - вывода. Для данной схемы подходит регистр на микросхеме КР1533ИР24, режимы работы регистра приведены в таблице 4.1

четырех разрядного двоичный счетчика. Для данной схемы подходит четырех разрядный двоичный реверсивный счетчик, на микросхеме КР1533ИЕ7 режим работы счетчика приведен в таблице 4.2,

синхронный D - триггер. Для данной схемы подходит D - триггер на микросхеме КР1533ТМ2.

Таблица 4.1 Режимы работы регистра К1533ИР24

 

Режим

Вход

Вход/выход

Выход

 


R

S0

S1

EZ1

EZ2

C

DS7

DS0

ZD1

ZD2

ZD3

ZD4

ZD5

ZD6

ZD7

ZD8

D1

D8

 

Установка «Логический 0»

L

L

X

L

L

X

X

X

L

L

L

L

L

L

L

L

L

L

 


L

X

L

L

L

X

X

X

L

L

L

L

L

L

L

L

L

L


L

H

H

X

X

X

X

X

X

X

X

X

X

X

X

X

L

L

 

Удержание

H

L

L

L

L

X

X

X

D10

D20

D30

D40

D50

D60

D70

D80

D10

D80

 


H

X

X

L

L

L

X

X

D10

D20

D30

D40

D50

D60

D70

D80

D10

D80

 

Сдвиг вправо

H

H

L

L

L


X

H

H

D1n

D2n

D3n

D4n

D5n

D6n

D7n

H

D7n

 


H

H

L

L

L


X

L

L

D1n

D2n

D3n

D4n

D5n

D6n

D7n

L

D7n

 

Сдвиг влево

H

L

H

L

L


H

X

D2n

D3n

D4n

D5n

D6n

D7n

D8n

H

D2n

H

 


H

L

H

L

L


L

X

D2n

D3n

D4n

D5n

D6n

D7n

D8n

L

D2n

L

 

Загрузка

H

H

H

X

X


X

X

d1

d2

d3

d4

d5

d6

d7

d8

d1

d8



Таблица 4.2 Режим работы счетчика КР1533ИЕ7

Режим работы

Вход


R

C

«+1»

«-1»

Установка в состояние «логический 0» Запись информации Неактивное состояние Счет прямой Счет обратный

 H L L L L

 X L H H H

 X X H  H

 X X H H

Динамические и статические характеристики регистра КР1533ИР24 и счетчика КР1533ИЕ7 приведены в Приложении А.

Синтез комбинационной схемы.

Принимая во внимание то, что режимами работы регистров будет управлять комбинационная схем необходимо произвести ее синтез в следующем порядке:

). Составление таблицы истинности, которые будут отражать зависимость выходных сигналов подаваемых на входы регистров (Е01, Е02 - входы разрешения состояния высокого импеданса, S0 - вход выбора режима, С - тактовый вход) от входных сигналов (сигнала записи WR, синхросигнала 1С, стробирующего сигнала 2С и сигнала с выхода счетчика Q8 - выход четвертого разряда).

Таблица 4.3 Таблица истинности выходных сигналов Е01, Е02 первого регистра от входных 2C, Q8 и WR

E01

E02

2C

Q8

WR

0

0

0

0

1

1

1

1

1

1

1

1

0

1

1



Таблица 4.4 Таблица истинности выходных сигналов Е01, Е02 второго регистра от входных 2C, Q8 и RD

E01

E02

2C

Q8

WR

0

0

1

1

1

1

1

0

1

1

1

1

0

1


Таблица 4.5 Таблица истинности выходного сигнал С первого регистра от входных 2C, Q8, WR и 1С

С

2C

Q8

WR

1

1

0

1 0

0

0

0

0

1 0

0

0

1

1

0 1

0


Таблица 4.6 Таблица истинности выходного сигнал С второго регистра от входных 2C, Q8, WR и 1С

С

2C

Q8

WR

1

1

0

0 1

0

0

0

0

0 1

0

0

1

1

1 0

0


Таблица 4.7 Таблица истинности выходного сигнал S0 первого регистра от входных Q8, WR

S0

Q8

WR

0

1

0

0

0

0


Таблица истинности выходного сигнал S0 второго регистра от входных Q8, WR точно такая же как и для первого.

). Составление функциональных зависимостей исходя из таблиц.

Исходя из таблицы истинности 4.3 составляются функциональные зависимости:


Исходя из таблицы истинности 4.4 составляются функциональные зависимости:


Исходя из таблицы истинности 4.5 составляются функциональные зависимости:


Исходя из таблицы истинности 4.6 составляются функциональные зависимости:


Исходя из таблицы истинности 4.7 составляются функциональные зависимости:


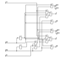
На основе записанных выражений составим комбинационную схему (рисунок 4.1).

Полная принципиальная схема РЗУ типа FIFO показана на рисунке 4.2.

Данная схема работает в режиме последовательного ввода и параллельного вывода информации и хранит одно 8 - битное слово.

Разработка принципиальная схема памяти типа LIFO.

Схема стекового РЗУ (РЗУ типа LIFO) должна содержать следующие элементы:

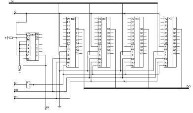
четыре восьми - разрядных регистра сдвига, которые должны выполнять алгоритм LIFO. Для данной схемы подходит регистр на микросхеме КР1533ИР13, режимы работы регистра приведены в таблице 4.8.

Таблица 4.8 Режимы работы регистра К1533ИР13

Входы

Выходы Q0 Q1…Q6 Q7

Сброс R

Выбор режима

Такто-вый С

Сдвиг

Данных А0-А7



М1

М0


влево

вправо



L H H H H H H H

X X H L L H H L

X X H H H L L L

X L

X X X X X H L X

X X X H L X X X

X X a…h X X X X X

L L L L Q00 Q10 Q60 Q70 a b g h H Q0n Q5n Q6n L Q0n Q5n Q6n Q1n Q2n Q7n H Q1n Q2n Q7n L Q00 Q10 Q60 Q70



- счетчика для установки флага. Для данной схемы подходит четырех разрядный двоичный реверсивный счетчик, на микросхеме КР1533ИЕ7 режим работы счетчика приведен в таблице 4.2.

На рисунке 4.3 показана принципиальная схема стекового РЗУ (РЗУ типа LIFO).

Данная схема может хранить восемь, четырех разрядных слова. Запись четырех разрядных слов через шину ввода DI производится при наличии сигнала на входах регистров М0 = 1 и М1 = 0 и при подачи синхросигнала С. После ввода восьмого слова на выходе Q4 счетчика появляется сигнал флага AN, который служит сигналом для передатчика свидетельствующего о том что стек заполнен и необходимо прекратить подачу четырех разрядных слов и сигналов записи, для того чтобы избежать переполнения стека и соответственно потере ранее записанных данных. После этого на входы М0 и М1 регистров подается сигнал низкого уровня по которому в регистрах хранится записанная информация до тех пор пока приемник принимающий записанную в стеке информацию не подаст сигнал чтения. При подачи сигнала чтения на входы М0 = 0 М1 = 1 регистров и по положительному фронту синхросигнала С приемник считывает информацию в порядке обратном записи. После того как приемник считал последнее слово на выходе Q4 счетчика формируется сигнал флага AN, которая служит сигналом для передатчика о том что регистры пустые и можно вводить следующие восемь четырех разрядные слова.

Рисунок 4.1 Комбинационная схема

Рисунок 4.3 Принципиальная схема стекового РЗУ (РЗУ типа LIFO)

Рисунок 4.2 Полная принципиальная схема РЗУ типа FIFO показана на рисунке 4.2

5. Разработка моделей памяти FIFO, LIFO

Так как целью данного дипломного проекта является разработка модели памяти FIFO, LIFO в программе SPECTRUM MICRO-CAP V7.08 необходимо собрать эти модели.CAP 7 - является новой версией популярной системы схемотехнического моделирования Micro-Cap (Microcomputer Circuit Analysis Program) фирмы Spectrum Software. МС7 позволяет моделировать аналоговые, цифровые и аналого-цифровые устройства на постоянном токе, во временной и частотных областях. Она имеет многостраничный графический редактор принципиальных схем, исчерпывающую встроенную помощь, интуитивно понятный интерфейс и другие средства взаимодействия с программой, что особенно важно для использования в учебных учреждениях.

Используя MICRO-CAP 7 возможно:

создание схем, текстовых файлов и библиотеки моделей;

выполнение моделирования:

а) анализ переходных процессов (Transient Analysis);

б) расчёт частотных характеристик (AC Analysis);

в) расчёт передаточных функций по постоянному току (DC Analysis);

г) расчёт режима по постоянному току (Dynamic DC);

вывод на принтеры и плоттеры.

Запуск программы производится двойным щелчком мыши на значок МС7 в каталоге программы или на рабочем столе. В системе MICRO-CAP 7 используется многооконный интерфейс с ниспадающими и разворачивающимися меню, который уже стал стандартным, окно программы изображено на рисунке 5.1, и оно состоит из следующих компонентов:

. Строка заголовка;

. Меню команд;

. Строка инструментов;

. описание текущей команды;

. Просмотр окна;

. Рабочее окно;

Создание моделей памяти типа FIFO, LIFO.

На рисунках 4.1 и 4.2 приведены принципиальные схемы РЗУ типа «очередь» (РЗУ типа FIFO) и стековое РЗУ (РЗУ типа LIFO).

Схема РЗУ типа FIFO состоит из двух восьми разрядных универсальных регистров сдвига на микросхемах КР1533ИР24, четырех разрядного двоичного реверсивного счетчика на микросхеме КР1533ИЕ7, синхронного D - триггер на микросхеме КР1533ТМ2 и логических элементов - 2И - НЕ на микросхеме КР1533ЛА3, ИЛИ - НЕ на микросхеме К155ЛН1, 2ИЛИ - НЕ на микросхеме КР1533ЛЕ1, 2И на микросхеме КР1533ЛИ1.

Схема LIFO состоит из четырех восьми разрядных универсальных регистров сдвига на микросхемах КР1533ИР13, четырех разрядного двоичного реверсивного счетчика на микросхеме КР1533ИЕ7.

В программе MICRO-CAP 7 существует большой каталог библиотек аналоговых и цифровых компонентов. Так как в каталоге библиотек программы нет отечественных элементов, а присутствуют только зарубежные, то моделирование схем будет производиться зарубежными элементами серии SN74 выпускаемой зарубежной фирмой Texas Instruments Inc.

Для того чтобы приступить к моделированию, необходимо для микросхем используемых в схемах РЗУ типа FIFO, LIFO подобрать зарубежные аналоги.

Таблица 5.1 Аналоги отечественных микросхем

Отечественная серия КР1533

Аналог SN74

К1533ИР24

SN74ALS299

К1533ИЕ7

SN74ALS193

К1533ТМ2

SN74ALS74

К1533ИР13

SN74198

КР1533ЛА3

SN74ALS00

К155ЛН1

SN74ALS04

КР1533ЛЕ1

SN74ALS02

КР1533ЛИ1

SN74ALS08


Серия SN74 выпускается зарубежной фирмой Texas Instruments Inc.

Выбранные аналоги микросхем находятся в библиотеке Digital Library, которая располагается в меню Component в библиотеке Digital Primitives размещаются стандартные вентили, вентили с тремя состояниями генераторы цифровых сигналов и др.

Зарубежные микросхемы сильно отличаются графическим оформлением и не подходят под отечественный формат. Для этого в программе MICRO-CAP 7 предусмотрен редактор графических символов. Редактор графических символов загружается выбором в меню Windows команды Shape Editor. С помощью этого редактора можно перерисовывать зарубежные микросхемы под отечественный стандарт.

Создание модели схемы РЗУ типа FIFP производится следующим образом:

Микросхема регистра SN74ALS299 выбирается из библиотеке Digital Library как показано на рисунке 5.3.

После выбора микросхемы программа переходит в режим Component.

Похожие работы на - Разработка программной модели памяти FIFO, LIFO

 

Не нашли материал для своей работы?
Поможем написать уникальную работу
Без плагиата!
Без нейросетей!