Работа и техническое обслуживания сцепления 'КамАЗ'

  • Вид работы:
    Курсовая работа (т)
  • Предмет:
    Транспорт, грузоперевозки
  • Язык:
    Русский
    ,
    Формат файла:
    MS Word
    225,42 Кб
  • Опубликовано:
    2015-07-06
Вы можете узнать стоимость помощи в написании студенческой работы.
Помощь в написании работы, которую точно примут!

Работа и техническое обслуживания сцепления 'КамАЗ'

Содержание

Введение

. Устройство сцепления

.1 Механизм сцепления

.2 Привод управления механизмом сцепления

. Работа и техническое обслуживание сцепления

.1 Работа сцепления

.2 Техническое обслуживание сцепления

. Возможные неисправности в сцеплении и методы их устранения

. Требования безопасности к слесарю перед началом работы

Список литературы

Введение

Автомобили КамАЗ выпускает Камский автомобильный завод, одно из крупнейших предприятий страны.

Конструкторскую документацию на эти автомобили разработал Московский автомобильный завод им. И.А. Лихачева совместно с КамАЗ.

Высокий уровень конструктивных и технических решений обеспечил создание современного высокоэффективного, экономичного семейства автомобилей, открывших новую страницу в истории отечественного автомобилестроения (Приложение 1).

Однако достижение высоких эксплуатационно-технических свойств автомобилей связано с некоторым общим усложнением их конструкции, что предъявляет более высокие требования к организации и уровню эксплуатации. Именно этим обусловлена перестройка системы технического обслуживания автомобилей КамАЗ, развитие сети фирменного обслуживания и централизованного ремонта наиболее сложных агрегатов на заводах Минавтосельхозмаша Российской Федерации.

Грузовые автомобили КамАЗ по мере развития их выпуска играют все более важную роль в народном хозяйстве нашей страны. Знание их характеристик, устройства и работы основных агрегатов и систем, содержания технического обслуживания позволит водителям, работникам автомобильного транспорта более полно использовать технические возможности машин в процессе их эксплуатации.

1. Устройство сцепления

Трансмиссия

Трансмиссия автомобиля - это совокупность агрегатов и механизмов, предназначенных для передачи крутящего момента от двигателя к ведущим колесам и изменения его по величине и направлению.

Трансмиссия (рис. 1.1) автомобиля КамАЗ механическая и состоит из сцепления, коробки передач, раздаточной коробки, карданной передачи, главных передач, дифференциалов, полуосей.

Рис. 1.1. Компоновочная схема трансмиссии:

-сцепление; 2-коробка передач; 3-раздаточная коробка; 4-карданная передача; 5- главная передача и дифференциал; 6-полуоси

Сцепление

Сцепление предназначено для:

отсоединения двигателя от трансмиссии при переключении передач, резком торможении;

плавного соединения двигателя с трансмиссией при трогании с места;

предохранения двигателя и трансмиссии от перегрузок;

передачи крутящего момента от двигателя на коробку передач.

По типу сцепление сухое, двухдисковое, постоянно включенное, с периферийным расположением нажимных пружин.

Расположено оно в картере, закрепленном на двигателе, и состоит из механизма сцепления и привода управления.

1.1 Механизм сцепления

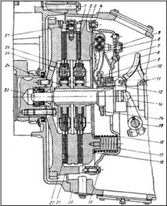
Он состоит (рис. 1.2) из ведущих деталей, ведомых деталей, нажимного устройства, механизма выключения.

Принцип действия сцепления основан на использовании сил трения, возникающих между дисками. Ведущие диски сцепления воспринимают от маховика крутящий момент двигателя, а ведомые диски передают этот момент двигателя первичному валу коробки передач. Нажимное устройство (12 нажимных пружин) обеспечивает плотное прижатие ведущих и ведомых деталей сцепления для создания необходимого момента трения. Крутящий момент от ведущих деталей передается на ведомые за счет сил трения.

Рис. 1.2. Механизм сцепления: 1 - ведомый диск; 2 - ведущий диск; 3 - установочная втулка; 4 - нажимной диск; 5 - вилка оттяжного рычага; 6 - оттяжной рычаг: 7 - пружина упорного кольца; 8 - шланг смазывания муфты; 9 - петля пружины; 10 -выжимной подшипник; 11 - оттяжная пружина; 12 - муфта выключения сцепления; 13 - вилка выключения сцепления; 14 - упорное кольцо; 15 - вал вилки; 16 - нажимная пружина; 17 - кожух; 18-теплоизолирующая шайба; 19 - болт крепления кожуха; 20 - картер сцепления; 21 - маховик; 22 - фрикционная закладка; 23 - первичный вал; 24 - диск гасителя крутильных колебаний; 25 - пружина гасителя крутильных колебаний; 26 - кольцо ведомого диска; 27 - механизм автоматической регулировки положения среднего ведущего диска

К ведущим деталям относятся средний ведущий диск, нажимной диск, кожух сцепления.

Средний ведущий диск (рис. 1.3, а) отлит из чугуна и установлен в пазах маховика на четырех шипах, равномерно расположенных по окружности диска. Для обеспечения вентиляции сцепления, лучшего отвода тепла и снижения веса в теле диска выполнены окна, разделенные между собой внутренними ребрами. В шипах размещен рычажный механизм, который механически регулирует положение среднего диска при выключении сцепления с целью обеспечения чистоты выключения.

Нажимной диск (рис. 1.3, б) отлит из серого чугуна, как и средний ведущий диск, установлен в пазах маховика на четырех шипах. С одной стороны диск имеет шлифованную поверхность, с другой - 12 бобышек для установки нажимных пружин.

Рис. 1.3. Диски сцепления:

а - средний ведущий диск; б - нажимной диск; в - ведомый диск с демпфером в сборе:

- ступица; 2 - заклепка; 3 - обойма демпфера; 4 - ведомый диск; 5 - фрикционная накладка; 6 - пружина демпфера

Каждый шип со стороны кожуха имеет прилив, в котором профрезерован паз и расточены два отверстия для установки оси рычага выключения сцепления.

Кожух сцепления стальной, штампованный, устанавливается на картере маховика на двух установочных втулках и крепится 12 болтами.

В кожухе имеются 12 углублений для установки пружин и отверстия для установки вилок рычагов.

К ведомым деталям относятся два ведомых диска с демпфером, ведомый вал сцепления (он же первичный вал коробки передач).

Ведомый диск (рис. 1.3, в) состоит из диска с фрикционными накладками, ступицы диска, демпфера (гасителя крутильных колебаний).

Ведомый диск изготовлен из стали. В центре диска имеется отверстие для установки ступицы. В диске выполнены восемь окон для пружин демпфера. По периферии диска с обеих сторон приклепаны заклепками фрикционные накладки, изготовленные из асбестовой композиции.

Ступица имеет внутренние шлицы, которыми устанавливается на шлицах первичного вала коробки передач. В ступице также выполнены восемь окон для пружин демпфера.

Демпфер служит для гашения крутильных колебаний, которые возникают в двигателе и трансмиссии.

Из-за неравномерности работы двигателя и упругости коленчатого вала происходит постоянное закручивание и раскручивание вала, т.е. возникают собственные крутильные колебания.

В трансмиссии имеются валы коробки передач, раздаточной коробки, карданной передачи, полуосей. При резком включении сцепления, торможении автомобиля без выключения сцепления, при наезде колес на препятствие в валах трансмиссии возникают вынужденные колебания.

При неравномерной работе двигателя крутильные колебания от двигателя могут передаваться в трансмиссию. Это особенно опасно, когда частота собственных угловых колебаний трансмиссии совпадает с частотой крутильных колебаний. В этом случае наступает резонанс и нагрузка на детали трансмиссии резко увеличивается, что может привести к поломке их. Вынужденные крутильные колебания в трансмиссии, в свою очередь, могут передаваться в двигатель, что резко увеличивает нагрузку на его детали. Поэтому для предохранения от резонансных крутильных колебаний валов в ведомых дисках сцепления устанавливаются демпферы (гасители крутильных колебаний).

Демпфер имеет упругий и фрикционный элементы.

Упругий элемент служит для изменения частоты колебаний валов и предотвращения явления резонанса, т.е. совпадения частот собственных угловых колебаний и крутильных колебаний, и состоит из восьми цилиндрических пружин.

Фрикционный элемент уменьшает амплитуды вынужденных колебаний, преобразуя энергию колебаний в тепло, и состоит из двух обойм, двух дисков, двух фрикционных колец.

К фланцу ступицы с обеих сторон приклепаны диски демпфера и обоймы.

К ведомому диску с обеих сторон приклепаны фрикционные кольца. Фрикционные кольца и диски демпфера также имеют по восемь окон, окна для пружин совпадают с окнами в ведомом диске и фланце ступицы. В окнах устанавливаются восемь цилиндрических пружин.

Таким образом, между ведомым диском и его ступицей нет жесткой связи - они связаны только через восемь пружин. Диски демпфера выполнены в виде тарельчатых пружин и постоянно прижимаются к фрикционным кольцам.

При возникновении крутильных колебаний ступица ведомого диска проворачивается относительно самого диска; пружины демпфера, сжимаясь, изменяют частоту колебаний, обеспечивая несовпадение частот собственных колебаний трансмиссии и вынужденных крутильных колебаний, т.е. предотвращают явление резонанса.

При повороте ступицы диски демпфера скользят по фрикционным кольцам, и за счет трения энергия колебаний превращается в тепло.

Нажимное устройство (см. рис. 1.2) состоит из двенадцати пружин. Пружины опираются на бобышки нажимного диска через шайбы из термоизоляционного материала. Суммарное усилие пружин равно 10500-12200 Н (1050-1220 кгс).

Механизм выключения состоит из четырех оттяжных рычагов, упорного кольца, муфты выключения сцепления с выжимным подшипником, вилки выключения сцепления с валом, двух оттяжных пружин.

Четыре оттяжных рычага устанавливаются на нажимном диске и соединяются с кожухом с помощью вилок. Оттяжные рычаги соединяются с нажимным диском и вилками-пальцами. Пальцы установлены в диске и вилках на игольчатых подшипниках.

На оси рычага в вилке устанавливается пружина упорного кольца, которая одним усиком упирается в кожух, а другим через петлю постоянно прижимает упорное кольцо к оттяжным рычагам. Упорное кольцо предохраняет оттяжные рычаги от износа.

Для выключения сцепления на крышку первичного вала коробки передач установлена муфта выключения сцепления с подшипником в сборе. Муфта под действием пружин постоянно прижимается запрессованными в нее сухарями к лапкам вилки выключения сцепления.

Для смазки муфты и подшипника установлены шланг подачи смазки и масленка на картере сцепления.

Вилка выключения сцепления установлена на валу привода, который, в свою очередь, установлен на втулках в расточках картера сцепления. На наружный конец вала установлен рычаг вала вилки.


Привод дистанционный, гидравлический, с пневмоусилителем, предназначен для выключения сцепления.

Емкость его гидросистемы 0,38 л.

Применяемая жидкость ГТЖ-22М или "Нева", "Томь".

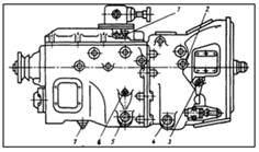
Он состоит (рис. 1.4) из педали сцепления с оттяжной пружиной, главного цилиндра, пневмогидравлического усилителя, рычага вала вилки выключения сцепления с оттяжной пружиной, толкателя, трубопроводов.

Рис. 1.4. Привод механизма сцепления:

- педаль; 2 - упор нижний; 3 - кронштейн; 4 - упор верхний; 5 - рычаг; 6 - палец эксцентриковый; 7 - толкатель поршня; 8 - пружина оттяжная; 9 - цилиндр главный; 10 - трубопровод гидравлический; 11 - усилитель пневмогидравлический; 12 - пробка; 13 - клапан перепускной; 14 - трубопровод пневматический; 15 - чехол защитный; 16 - толкатель поршня; 17 - гайка сферическая регулировочная; 18 - бачок компенсационный; а - сжатый воздух

При нажатии на педаль при выключении сцепления усилие от ноги водителя через рычаг и шток передается к главному цилиндру, откуда жидкость под давлением по трубопроводу поступает в корпус следящего устройства, которое при этом обеспечивает пропуск сжатого воздуха, поступающего по воздухопроводу через редукционный клапан от воздушного баллона.

Одновременно от главного цилиндра жидкость под давлением поступает в гидравлический цилиндр усилителя. Суммарное усилие давления воздуха в цилиндре пневмоусилителя и давление жидкости в гидравлическом цилиндре передается на шток пневмоусилителя. Шток перемещает рычаг вала вилки выключения сцепления, которая, поворачиваясь, выключает сцепление.

Педаль сцепления установлена на оси кронштейна. Она передает усилие на толкатель поршня главного цилиндра с помощью рычага и эксцентрикового пальца.

Главный цилиндр (рис. 1.5) установлен на кронштейне педали сцепления.

Рис. 1.5. Главный цилиндр:

- толкатель (шток) поршня; 2 - корпус; 3 - поршень; 4 - корпус бачка; 5 - зазор свободного хода главного цилиндра; А - зазор свободного хода главного цилиндра

Состоит из корпуса цилиндра, защитного чехла, штока, поршня, торцевой уплотнительной манжеты, пружины, пробки цилиндра, корпуса бачка.

В корпусе главного цилиндра образованы две полости, разделенные перегородкой. Верхняя полость совместно с бачком предназначена для заправки гидропривода рабочей жидкостью и хранения необходимого запаса рабочей жидкости.

Нижняя полость выполняет функции рабочей полости главного цилиндра, в которой устанавливается поршень с манжетой и пружиной.

Пневмогидравлический усилитель привода сцепления служит для создания дополнительного усилия с целью облегчения управления сцеплением. Он крепится двумя болтами к фланцу картера сцепления с правой стороны.

Усилитель (рис. 1.6) состоит из переднего 35 и заднего 44 корпусов, поршня выключения сцепления 43 с толкателем 3, пневматического поршня 31, следящего устройства.

Рис. 1.6. Пневмогидравлический усилитель привода сцепления:

А - подвод тормозной жидкости; б - подвод воздуха; 1 - сферическая гайка; 2 - контргайка; 3 - толкатель поршня выключения сцепления; 4 - защитный чехол; 5 - стопорное кольцо; 6 - корпус уплотнения поршня; 7 - уплотнительное кольцо; 8 - манжет следящего поршня; 9 - следящий поршень; 10 - корпус следящего поршня; 11 - перепускной клапан; 12 - колпачок; 13 - уплотнитель выпускного отверстия;14 - крышка выпускного отверстия; 15 - винт крепления крышки; 16 - диафрагма следящего устройства; 17 - седло диафрагмы; 18 - уплотнительное кольцо; 19 - пружина диафрагмы; 20 - пробка; 21 - пружина возвратная; 22 - седло впускного клапана; 23 - впускной клапан; 24 - стержень клапанов; 25 - крышка подвода воздуха; 26 - выпускной клапан; 27 - регулировочные прокладки; 28 - гайка; 29-шайба диафрагмы; 30 - кольцо упорное; 31 - пневматический поршень; 32 - прокладка; 33 - пробка; 34 - манжета поршня; 35 - передний корпус; 36 - пружина поршня; 37 - шайба; 38 - манжета уплотнителя; 39 - распорная втулка; 40 - распорная пружина; 41 - упорная втулка; 42 - манжета поршня; 43 - поршень выключения сцепления; 44 - задний корпус

Передний корпус отлит из алюминиевого сплава. В нем расточены отверстие (вверху) и сверление (внизу). Сверление предназначено для установки пневматического поршня.

Верхнее ступенчатое отверстие предназначено для установки впускного клапана с седлом следящего устройства.

Полости клапана в верхнем отверстии и надпоршневом пространстве нижнего сверления соединены между собой каналом. В стенке корпуса имеется пробка 33 для удаления конденсата.

В цилиндре переднего корпуса расположен пневматический поршень 31 с манжетой и возвратной пружиной. Поршень напрессован на толкатель, выполненный как одно целое с гидравлическим поршнем. Толкатель гидравлического поршня имеет сферическую гайку 1 и контргайку 2 . Усилия от пневматического и гидравлического рабочих поршней суммируются и передаются через толкатель и его сферическую гайку на рычаг вала вилки выключения сцепления.

В заднем чугунном корпусе 44 расточены отверстие (внизу) и сверление (вверху). Отверстие выполняет роль цилиндра гидравлического поршня выключения сцепления.

Со стороны переднего корпуса в отверстие установлено и зафиксировано уплотнение поршня.

Верхнее сверление предназначено для установки корпуса поршня следящего устройства.

Рабочая жидкость из главного цилиндра поступает в полость гидравлического поршня через отверстие а в корпусе.

Сжатый воздух в верхнюю полость переднего корпуса подводится через отверстие в крышке корпуса.

Следящее устройство предназначено для автоматического изменения давления воздуха в силовом пневмоцилиндре за поршнем пропорционально усилию на педали сцепления. Оносостоит из следящего поршня с манжетой 8, корпуса следящего поршня 10, диафрагмы с седлом выпускного клапана и пружиной, выпускного и впускного клапанов с возвратной пружиной.

В корпусе установлен следящий поршень с манжетой. Ход поршня ограничивается упорным кольцом.

Диафрагма зажата между корпусами; в ней при помощи гайки закрепляются седло выпускного клапана и две тарелки пружины диафрагмы.

Конические выпускной и впускной клапаны собраны на общем стержне. Пружина клапанов прижимает впускной клапан к седлу, закрепленному в корпусе при помощи крышки подвода воздуха.

Канал б для подвода сжатого воздуха в цилиндр пневматического поршня соединяется с полостью перед диафрагмой калиброванным отверстием.

Воздух из цилиндра пневматического поршня выпускается через выпускной клапан, внутреннюю полость седла выпускного клапана и отверстие, закрытое уплотнителем с крышкой.

2. Работа и техническое обслуживание сцепления

.1 Работа сцепления

Исходное положение. Педаль привода сцепления находится в исходном положении, шток главного цилиндра - в верхнем положении. Поршень под действием пружины прижат к перегородке корпуса. Между штоком и поршнем имеется зазор, полости главного цилиндра сообщаются между собой. В трубопроводе, соединяющем главный цилиндр с гидроусилителем, давление отсутствует.

Толкатель гидравлического поршня гидроусилителя под действием возвратной пружины рычага вала вилки прижимается к гидравлическому поршню, который через другой толкатель удерживает пневматический поршень в исходном положении.

Нажимной диск 4 (см. рис. 1.2) сцепления под действием нажимных пружин 16 прижимает ведомые диски к среднему ведущему диску 2 и маховику 21. Муфта выключения сцепления под действием пружин отведена от упорного кольца 14 на 3,2-4 мм, обеспечивая тем самым полноту включения сцепления.

Крутящий момент, развиваемый двигателем, от коленчатого вала передается на маховик, средний ведущий и нажимной диски и далее за счет трения на ведомые диски. От ведомых дисков крутящий момент через демпфер передается на ступицы ведомых дисков и далее на первичный вал 23 коробки передач.

Выключение сцепления. При нажатой педали привода сцепления толкатель 1 главного цилиндра (см. рис. 1.5) закрывает отверстие в поршне 3, предотвращая перетекание жидкости из нижней полости в верхнюю, и перемещает поршень, сжимая пружину. При перемещении поршня в цилиндре повышается давление, которое передается по шлангам и трубопроводам к входному отверстию пневмогидроусилителя.

Рабочая жидкость под давлением поступает в полость цилиндра гидравлического поршня усилителя (рис. 1.6) и далее по каналу в заднем корпусе подводится к следящему поршню 9 .

Следящий поршень начинает перемещаться, сжимая при этом пружину диафрагмы и перемещая седло выпускного клапана. Седло, перемещаясь, закрывает выпускной клапан, сжимая при этом пружину клапанов, и открывает впускной клапан. Сжатый воздух поступает в надпоршневое пространство пневматического поршня 31. Поршень начинает перемещаться, сжимая пружину, и перемещает через толкатель гидравлический поршень, а он через свой толкатель 3 поворачивает рычаг вала 15 вилки 13 (см. рис. 1.2), который, в свою очередь, поворачивает вал и связанную с ним вилку выключения сцепления. Вилка своими лапками нажимает на сухари муфты выключения сцепления, перемещает ее, выбирая зазор, до упора в упорное кольцо 14 рычагов. При дальнейшем перемещении муфты упорное кольцо нажимает на оттяжные рычаги 6 , поворачивает их на осях вилок и отжимает нажимной диск 4 от ведомого диска, сжимая при этом нажимные пружины 16. Рычаги среднего ведущего диска 27 под действием своих пружин поворачиваются и перемещают диск в среднее положение.

Крутящий момент, развиваемый двигателем, на ведомые диски и далее на трансмиссию не передается.

Часть сжатого воздуха через калиброванные отверстия в переднем корпусе подводится в полость диафрагмы. Следящий поршень оказывается под действием двух направленных навстречу друг другу усилий. При полностью выжатой педали сцепления давление жидкости на следящий поршень максимально, поэтому впускной клапан полностью открыт и пневматический поршень под давлением сжатого воздуха занимает левое положение, обеспечивая полное выключение сцепления.

Включение сцепления. При отпускании педаль сцепления под действием оттяжной пружины возвращается в исходное положение, поршень главного цилиндра под действием давления жидкости также возвращается в исходное положение.

Давление жидкости на следящий поршень пневмоусилителя уменьшается, следящий поршень перемещается в левое положение, диафрагма под действием пружины и давления сжатого воздуха прогибается, перемещая седло выпускного клапана. Впускной клапан под действием пружины садится на седло, прекращая подачу сжатого воздуха. Выпускной клапан при дальнейшем перемещении седла отрывается от него и сообщает надпоршневое пространство цилиндра пневматического поршня с атмосферой. Поршень под действием пружины перемещается в правое положение. Гидравлический поршень сначала под действием нажимных пружин сцепления, а затем под действием возвратной пружины рычага вала вилки выключения сцепления занимает исходное положение. Муфта выключения сцепления с подшипником перестает воздействовать на упорное кольцо оттяжных рычагов. При этом нажимной диск под действием нажимных пружин прижимает ведомые диски к маховику и среднему ведущему диску, усилие прижатия увеличивается постепенно, благодаря следящему действию пневмоусилителя. Крутящий момент, передаваемый на первичный вал коробки передач от двигателя, постепенно увеличивается и достигает максимальной величины.

Для полного выключения сцепления водитель должен приложить усилие к педали 150 Н (15 кгс).

При отсутствии сжатого воздуха в пневматической системе автомобиля сцепление можно выключить за счет давления только в гидравлической части усилителя. При этом для создания необходимого давления водитель должен увеличить усилие на педаль сцепления до 600 Н (60 кгс).

На следящий поршень усилителя действуют два усилия. Одно усилие от давления жидкости на поршень, которое стремится переместить поршень и открыть впускной клапан. Другое - от действия пружины диафрагмы и давления сжатого воздуха на диафрагму; оно стремится закрыть впускной клапан.

Если водитель нажмет на педаль сцепления не до упора и остановит ее в промежуточном положении, то при повышении давления в диафрагменной полости наступает момент, когда усилие сжатого воздуха и пружины на диафрагму станет больше, чем усилие давления жидкости на следящий поршень. При этом диафрагма переместится влево настолько, что возвратная пружина закроет впускной клапан. При перемещении следящего поршня давление жидкости увеличивается и усилия с обеих сторон следящего поршня уравновешиваются. В этом случае оба клапана (впускной и выпускной) закрыты и следящий поршень занимает промежуточное положение.

При увеличении давления рабочей жидкости (т.е. при дальнейшем перемещении педали сцепления) впускной клапан откроется и новая порция воздуха поступит в цилиндр пневмопоршня, что обеспечит перемещение поршня и дальнейшее выключение сцепления. Следящее действие пневмоусилителя обеспечивает плавное включение сцепления.

.2 Техническое обслуживание сцепления

В процессе работы сцепления происходит износ фрикционных поверхностей, сопряжении привода управления, потеря герметичности усилителя, что ведет к нарушению регулировочных параметров. Расходуется также смазочный материал.

Интенсивность перечисленных процессов зависит, главным образом, от дорожных условий, величины нагрузки в кузове на крюке, количества транспортных средств на дорогах, а также от практических навыков водителей. Поэтому при эксплуатации автомобилей предусматривается обслуживание сцепления.

При техническом обслуживании:

проверить герметичность привода, целостность оттяжных пружин педали сцепления и рычага вала вилки выключения сцепления;

отрегулировать свободный ход толкателя поршня главного цилиндра привода и свободный ход рычага вала вилки выключения сцепления;

смазать подшипники муфты выключения сцепления и вала вилки выключения сцепления;

проверить уровень жидкости в бачке главного цилиндра привода сцепления, при необходимости долить жидкость;

затянуть болты крепления пневмоусилителя;

сменить жидкость в системе гидропривода сцепления (один раз в год осенью).

При эксплуатации, по мере износа накладок ведомых дисков, необходимо регулировать привод сцепления для обеспечения свободного хода муфты выключения сцепления.

Регулирование привода сцепления заключается в проверке и регулировке свободного хода педали сцепления, свободного хода муфты выключения сцепления и полного хода толкателя пневмоусилителя.

Свободный ход муфты выключения сцепления проверять перемещением вручную рычага вала вилки. При этом отсоединить пружину от рычага. Если свободный ход рычага, измеренный на радиусе 90 мм, окажется менее 3мм, отрегулировать его сферической гайкой толкателя до величины 3,7-4,6 мм, что соответствует свободному ходу муфты выключения сцепления 3,2-4 мм.

Полный ход толкателя пневмоусилителя должен быть не менее 25 мм. Проверить полный ход толкателя пневмоусилителя нажатием педали сцепления до упора. При меньшей величине хода не обеспечивается полное выключение сцепления. В случае недостаточного хода толкателя пневмоусилителя проверить свободный ход педали сцепления, количество жидкости в бачке главного цилиндра привода сцепления, а при необходимости прокачать гидросистему привода сцепления.

Свободный ход педали, соответствующий началу работы главного цилиндра, должен составлять 6-15 мм. Измерять его надо в средней части площадки педали сцепления. Если свободный ход выходит за пределы, указанные выше, отрегулировать зазор А (см. рис. 1.5) между поршнем и толкателем поршня главного цилиндра эксцентриковым пальцем 6 (см. рис. 1.4), который соединяет верхнюю проушину толкателя 7 с рычагом 5 педали. Регулировать зазор при положении, когда оттяжная пружина 8 прижимает педаль сцепления к верхнему упору 4. Повернуть эксцентриковый палец так, чтобы перемещение педали от верхнего упора до момента касания толкателем поршня составило 6-15 мм, затем затянуть и зашплинтовать корончатую гайку. Полный ход педали сцепления должен составлять 185-195 мм.

снять с бачка 4 (см. рис. 1.5) главного цилиндра пробку 5 и заполнить бачок рабочей жидкостью до уровня не менее 15-20 мм от верхней кромки заливной горловины бачка. Заполнить систему рабочей жидкостью, применяя сетчатый фильтр во избежание попадания в систему посторонних примесей;

снять с перепускного клапана на пневмоусилителе колпачок 12 (см. рис. 1.6) и надеть на головку клапана шланг для прокачки гидропривода. Свободный конец шланга опустить в стеклянный сосуд вместимостью 0,5 л, наполненный рабочей жидкостью на 1/4-1/3 высоты сосуда;

отвернуть на 1/2-1 оборот перепускной клапан и последовательно резко нажать на педаль сцепления до упора в ограничитель хода с интервалами между нажатиями 0,5-1 с до прекращения выделения пузырьков воздуха из рабочей жидкости, поступающей по шлангу в стеклянный сосуд;

при прокачке добавлять рабочую жидкость в систему, не допуская снижения ее уровня в бачке ниже 40 мм от верхней кромки заливной горловины бачка во избежание попадания в систему воздуха;

по окончании прокачки при нажатой до упора педали сцепления завернуть до отказа перепускной клапан, снять с головки клапана шланг, надеть колпачок;

после прокачки системы долить свежую рабочую жидкость в бачок до нормального уровня (15-20 мм от верхней кромки заливной горловины бачка).

Качество прокачки определяется величиной полного хода толкателя пневмоусилителя.

Для проверки уровня жидкости в процессе эксплуатации открыть пробку заливной горловины бачка. При этом уровень жидкости должен быть не ниже 15-20 мм от верхней кромки заливной горловины.

3. Возможные неисправности в сцеплении и методы их устранения

В сцеплении могут быть следующие основные неисправности: нарушение регулировки привода, вызывающее неполное выключение и неплавное включение сцепления, пробуксовку дисков; износ фрикционных накладок ведомого диска, подшипника муфты выключения сцепления, манжеты рабочего цилиндра привода сцепления.

Пробуксовка дисков сцепления возникает при ослаблении или поломке нажимных пружин, износе или короблении поверхностей трения маховика и нажимного диска, замасливании фрикционных накладок ведомого диска. Неисправные нажимные пружины и замасленные фрикционные накладки заменяют на новые. Поверхности трения маховика и нажимного диска обрабатывают шлифованием.

Неполное выключение сцепления появляется в результате увеличенного свободного хода педали (при механическом приводе) или уменьшении хода поршня рабочего цилиндра (при гидравлическом приводе), а также вследствие деформации ведомого диска. Свободный ход педали устанавливают при регулировании, а дефектный ведомый диск заменяют на новый.

Неплавное включение сцепления обусловливается износом накладок ведомого диска, затрудненным перемещением ступицы ведомого диска, неодновременным нажатием подшипника выключения, заеданием педали сцепления на оси. Затрудненное перемещение ступицы ведомого диска на шлицах первичного вала коробки передач возникает из-за наличия забоин или заусенцев на шлицах. Последние зачищают и смазывают тонким слоем графитовой смазки. Неодновременность нажатия подшипника выключения сцепления на рычаги выключения устраняют регулировкой. При заедании педали сцепления зачищают торцы втулок от забоин и заусенцев и смазывают их.

При ремонте изношенные подшипники выключения сцепления заменяют на новые. Ведомый и нажимный диски, а также нажимные пружины в зависимости от состояния подвергают восстановлению или замене. Для выполнения ремонтных работ сцепление разбирают, применяя приспособления, одно из которых представлено на рис. 3.1.

Рис. 3.1. Приспособление для разборки и сборки сцепления:

- опорная плита, 2 - прижимный корпус, 3 - контрольное кольцо, 4 - установочные шпильки, 5 - основание

Картер сцепления и блок цилиндров при ремонте не обезличивают. Их маркируют, чтобы предотвратить разукомплектование и обеспечить соосность коленчатого вала двигателя и ведущего вала коробки передач. Если эти детали обезличены, то после сборки центрирующее отверстие картера сцепления растачивают в приспособлении.

Основными дефектами картеров сцепления являются трещины, сколы, срыв или износ резьбы, износы отверстий и опорных плоскостей лап крепления к раме. Картеры бракуют, если трещины захватывают более половины периметра или проходят более чем через одно отверстие под болты крепления. Трещины на картере сцепления заваривают. Сколы, захватывающие отверстие, наплавляют или приваривают отколотую часть детали. При срыве резьбы до двух ниток ее восстанавливают прогонкой метчиком. Если резьба имеет срыв более двух ниток или изношена, то ее восстанавливают путем нарезания резьбы увеличенного ремонтного размера, постановкой ввертыша или заваркой с последующим нарезанием резьбы номинального размера.

Изношенные более предельного размера отверстия под направляющий штифт крепления стартера, крепления двигателя к раме восстанавливают постановкой дополнительной детали - втулки. После запрессовки отверстие втулок обрабатывают под номинальный размер.

Изношенные опорные плоскости лап крепления картера сцепления к раме обрабатывают на фрезерном станке до устранения следов износа. При значительном износе осуществляют приварку шайб. Перед приваркой поверхность лапы фрезеруют, а отверстия зенкуют для установки шайб. Затем шайбы приваривают к картеру сцепления сплошным швом электродуговой сваркой. Завершают обработку зенковкой торцов лап заподлицо с основным металлом.

Основными дефектами нажимного и ведомого дисков сцепления являются трещины на поверхности нажимного диска или фрикционных накладок ведомого диска, износ фрикционных накладок, коробление или погнутость диска, ослабление заклепок крепления накладок или ступицы, износ и задиры рабочих поверхностей нажимного и среднего дисков. Диски и фрикционные накладки с трещинами бракуют. Изношенные фрикционные накладки заменяют новыми. Для этого удаляют старые заклепки. Правят ведомый диск, предварительно зачистив забоины и заусенцы на ступице. Коробление устанавливают на поверочной плите с помощью щупа. Щуп толщиной 0,3 мм не должен проходить между торцовой поверхностью диска и плитой. Приклепывание фрикционных накладок производят под прессом, применяя штамп. Вместо заклепок для соединения фрикционных накладок с диском применяют также клей.

Коробление плоскости касания нажимного диска с ведомым диском не более 0,15 мм или погнутость ведомого диска больше указанной в технических условиях величины устраняют правкой. Нажимный диск правят на прессе, устанавливая на кольцо, расположенное на столе пресса, плоскостью касания к ведомому диску вниз. Правку ведомого диска осуществляют на плите или в приспособлении с помощью специальной оправки. Накладки бракуют, если ослаблены заклепки крепления их к ведомым дискам. При ослаблении более четырех заклепок крепления ступицы ведомого диска производят замену заклепок. Для этого изношенные отверстия в ступице и диске рассверливают под увеличенный ремонтный размер или сверлят новые отверстия между имеющимися. Отремонтированный ведомый диск в сборке с накладками должен быть отбалансирован. Допустимый дисбаланс устанавливается техническими условиями. Износ и задиры рабочей поверхности нажимного и среднего дисков устраняют обработкой на шлифовальном или токарном станке. При этом минимальная толщина диска должна быть не менее указанной в технических условиях величины.

После сборки сцепления устанавливают на двигатель и проверяют его работу в выключенном и включенном положениях.

Для обеспечения свободного хода муфты выключения сцепления по мере изнашивания накладок ведомых дисков возникает необходимость в регулировке привода сцепления. Привод включения сцепления у автомобилей КамАЗ - гидравлический. Регулировка привода механизма выключения сцепления КамАЗа заключается в проверке и регулировке свободного хода педали сцепления, свободного хода муфты выключения сцепления и полного хода толкателя пневмоусилителя.

Для определения свободного хода муфты сцепления перемещают рычаг вала вилки выключения сцепления от сферической поверхности гайки 18 толкателя 17 (см. рис. 3.2, а) пневмоусилителя при отсоединенном положении оттяжной пружины сцепления от рычага. Если свободный ход оттяжного рычага сцепления, измеренный на радиусе 90 мм, окажется меньше 3 мм, то его регулируют гайкой 18 до значения 3,7-4,6 мм. Это соответствует свободному ходу муфты выключения сцепления 3,2-4 м.

Свободный ход педали сцепления автомобилей КамАЗ измеряют в средней части площадки педали сцепления 1 (рис. 3.2, а). Он должен составлять 6-12 мм. Свободный ход регулируют изменением зазора между поршнем и толкателем поршня главного цилиндра 9 эксцентриковым пальцем 6, соединяющим верхнюю проушину толкателя 7 с рычагом 5 педали. Операцию выполняют при прижатой педали сцепления к верхнему упору 4 оттяжной пружиной 8. Вращением эксцентрикового пальца добиваются требуемого перемещения педали от верхнего упора до момента касания толкателем поршня. Затем затягивают и зашплинтовывают гайку.

Рис. 3.2. Привод механизма выключения сцепления:

а - гидравлический автомобилей КамАЗ; б - механический автомобилей ЗИЛ:

- педаль сцепления; 2 - нижний упор: 3 - кронштейн; 4 - верхний упор; 5-рычаг; 6 - эксцентриковый палец; 7 - толкатель поршня; 8 и 23 - оттяжные пружины; 9 - главный цилиндр; 10 - гидролиния (шланг); 11 - передний корпус пневмоусилителя; 12 - задний корпус пневмоусилителя; 13 - пробка; 14 - перепускной клапан; 15 - пневмолиния; 16 - защитный чехол; 17 - толкатель поршня пневмоусилителя; 18-сферическая регулировочная гайка; 19 - редукционный клапан; 20 - тяга вилки с пружиной; 21 - регулировочная гайка; 22 - рычаг вилки; 24 - вилка выключения сцепления; 25 - муфта выключения сцепления с выжимным подшипником; 26-возвратная пружина

автомобиль сцепление привод слесарь

При регулировке свободного хода педали сцепления с механическим приводом (рис. 3.2, б) отворачивают на несколько оборотов контргайку гайки 21, вращают гайку 21, изменяя длину тяги 20. Для увеличения свободного хода гайки 21 отвертывают, а для уменьшения - завертывают. После регулировки, удерживая гайку 21 неподвижной, затягивают до отказа контргайку.

Полный ход толкателя пневмоусилителя проверяют после нажатия на педаль сцепления до упора. Для автомобилей КамАЗ он должен быть не менее 25 мм. При меньшем ходе не обеспечивается полное выключение сцепления. При недостаточном перемещении толкателя пневмоусилителя проверяют свободный ход педали сцепления, объем жидкости в главном цилиндре привода сцепления и при необходимости прокачивают гидросистему привода сцепления.

Уровень жидкости "Нева" в бачке главного цилиндра привода механизма выключения сцепления автомобилей КамАЗ проверяют с помощью щупа из комплекта инструмента водителя. Нормальный уровень жидкости в гидроцилиндре соответствует 40 мм длины смоченной поверхности щупа, допустимый - 10 мм. Полный объем жидкости в гидроприводе сцепления составляет 280 см3. Один раз в три года осенью заменяют жидкость в системе гидропривода сцепления.

Прокачку гидросистемы привода сцепления автомобилей КамАЗ выполняют после устранения негерметичности гидропривода в такой последовательности:

) очищают от пыли и грязи резиновый защитный колпачок перепускного клапана 14 (см. рис. 3.2, а) и снимают его. Надевают на головку клапана резиновый шланг, прилагаемый к автомобилю. Свободный конец шланга помещают в стеклянный сосуд с тормозной жидкостью;

) резко нажимают на педаль сцепления 3-4 раза. При нажатой педали отвертывают на 0,5-1 оборот клапан выпуска воздуха. Через шланг выйдет часть жидкости и содержащийся в ней в виде пузырьков воздух;

) после прекращения выхода жидкости при нажатой педали сцепления заворачивают перепускной клапан;

) операции 2 и 3 повторяют до тех пор, пока полностью не прекратится выделение воздуха из гидросистемы через шланг. Во избежание попадания в систему воздуха в процессе ее прокачки в систему периодически добавляют жидкость. Ее уровень в компенсационной полости главного цилиндра не должен снизиться более чем на 2/3 высоты от отметки нормального уровня;

) по окончании прокачки при нажатой педали полностью заворачивают перепускной клапан, снимают с его головки шланг и устанавливают защитный колпачок на головку клапана;

) доливают жидкость в главный цилиндр до нормального уровня.

Качество прокачки определяют по полному ходу толкателя пневмоусилителя привода сцепления.

Контроль и слив конденсата в гидроцилиндре пневмоусилителя автомобилей КамАЗ осуществляют после отвертывания пробки 13 (см. рис. 3.2, а) в переднем корпусе пневмоусилителя. Для полного удаления конденсата цилиндр продувают легким нажатием на педаль сцепления.

Смазывание сцепления и промывку гидросистемы привода рассмотрим на примере сцепления автомобилей КамАЗ. Втулки вала выключения сцепления смазывают через две пресс-масленки 3 (рис. 3.3), а подшипник муфты выключения сцепления - через пресс-масленку 2 шприцем. Во избежание попадания смазочного материала в картер сцепления число качков шприцем не должно превышать трех.

Рис. 3.3. Точки смазывания сцепления и коробки передач с делителем автомобилей КамАЗ:

 сапун; 2 - пресс-масленка выжимного подшипника; 3 - пресс-масленка опоры; 4 и 5 - сливные пробки с магнитом; 6 - пробка заливного отверстия с указателем уровня; 7 - пробка сливного отверстия

Промывают гидросистему привода сцепления техническим спиртом или чистой тормозной жидкостью с периодичностью не реже одного раза в три года. При этом полностью разбирают главный цилиндр и пневмоусилитель. Трубопроводы после промывки продувают сжатым воздухом, предварительно отсоединив их с обоих концов. Затвердевшие, изношенные или с повреждениями рабочих кромок манжеты заменяют новыми. Перед сборкой поршни и манжеты смазывают тормозной жидкостью. После заполнения гидросистемы привода сцепления свежей тормозной жидкостью ее прокачивают для удаления появившегося воздуха.

Для замены пневмоусилителя гидропривода сцепления автомобилей КамАЗ необходимо выполнить следующее: выпустить воздух из пневмопривода тормозной системы через клапан на воздушном баллоне; снять оттяжную пружину 8 (см. рис. 3.2) рычага 5 вала вилки выключения сцепления; отсоединить пневмолинию 15 пневмоусилителя и гидролинию 10; слить жидкость из системы гидропривода; отвернуть два болта крепления пневмоусилителя и снять его вместе с толкателем 17.

Устанавливают пневмоусилитель в такой последовательности: закрепляют усилитель на картере сцепления (делителя) двумя болтами с пружинными шайбами; присоединяют гидролинию 10 пневмоусилителя и пневмолинию 15; устанавливают оттяжную пружину 8 вала вилки выключения сцепления; наливают тормозную жидкость в компенсационную полость главного цилиндра через верхнее отверстие при снятом защитном чехле; прокачивают систему гидропривода; проверяют герметичность соединении трубопроводов; устраняют подтекание тормозной жидкости подтяжкой или заменой отдельных деталей; проверяют и при необходимости регулируют зазор между торцом крышки и ограничителем хода штока включения делителя передач.

4. Требования безопасности к слесарю перед началом работы

Наденьте и приведите в порядок рабочую одежду:

• застегните обшлага рукавов рубашки и штанины брюк;

• надежно зашнуруйте обувь;

• уберите волосы под плотно облегающий головной убор, ношение которого обязательно при работе на металлорежущем, электро-пневмо и другом механизированном инструменте.

Внимательно осмотрите рабочее место, проверьте достаточность освещения, уберите все мешающие работе посторонние предметы и детали.

При необходимости закройте открытые канавы, траншеи, проверьте, надежно ли уложены переходные трапики через канавы.

Подготовьте необходимое количество переходных трапиков, лестниц-стремянок и т.д.

Проверьте исправность и комплектность для работы инструмента, приспособлений и средств индивидуальной защиты.

Неисправные инструменты, приспособления и средства защиты - замените.

Инструмент, приспособления, средства защиты расположите так, чтобы избежать лишних движений и обеспечить безопасность работы.

Перед началом технического обслуживания или ремонта автомашины или механизма вывесите на рулевое колесо табличку с надписью: "Двигатель не пускать - работают люди".

При обслуживании автомобиля на гидроподъемнике вывесите табличку на механизм управления подъемником с надписью: "Не трогать - под автомобилем работают люди".

Проверьте, достаточно ли чисто вымыты, очищены от грязи, мусора и снега автомобили и дорожно-строительная техника, поставленная на ремонт. Запрещается принимать на ремонт и техническое обслуживание не очищенные от грязи, мусора и снега транспортные средства.

Установленный на ремонт автомобиль или дорожно-строительную машину затормозите ручным тормозом (если он предусмотрен заводом-изготовителем), включите низшую передачу, выключите зажигание, закройте подачу топлива, подложите под колеса упоры (башмаки).

При работах, связанных с провертыванием коленчатого и карданного валов, дополнительно проверьте выключено ли зажигание, перекрыта ли подача топлива (для дизельных двигателей), поставьте рычаг перемены передач в нейтральное положение, освободите рычаг ручного тормоза. После выполнения необходимых работ затяните ручной тормоз и вновь включите низшую передачу.

Во время работы

При пользовании ручным слесарным инструментом:

Пользуйтесь только исправным инструментом и приспособлениями. Применяйте их только по назначению.

Не работайте напильником без ручек или треснутыми, расколотыми ручками.

Инструмент в инструментальный ящик укладывайте так, чтобы концы его были направлены в сторону внутренней стенки ящика, а в сумку - ручкой наружу.

При работе ключами с тарированным усилием следите, чтобы усилие при затяжке гаек, болтов (винтов) на превышало величин, указанных в требованиях чертежей, технических условий, техпроцессов.

Соблюдайте осторожность, не допускайте срыва ключа с гайки, головки болта.

При работе съемника соблюдайте осторожность, поддерживайте снимаемую деталь, чтобы не допустить ее падения.

При правке, (рихтовке) деталей предохраняете руки от ударов молотка, кувалды и заусенцев. Работаете в рукавицах.

Отвертывать или завертывать болты, гайки путем удлинения гаечных ключей вторыми ключами или трубами удлинителями - запрещается.

Класть инструмент на оборудование (агрегаты транспортных средств), коммуникации, перила ограждений или не огражденный край площадки, траншеи, лесов и подмостей, распорки и откосы траншей, краев люков, камер и колодцев - запрещается.

Список литературы

1. Машков Е.А. Техническое обслуживание и ремонт автомобилей КамАЗ-5320, 53211, 53212, 53213, 5410, 54112, 55111, 55102/Иллюстрированное издание-Издательство "Третий Рим", 1997 - 88 с.

. Осыко В.В. и др. Устройство и эксплуатация автомобиля КамАЗ-4310: Учебное пособие / Осыков В.В., Петриченко И.Я., Алленов Ю.А., Цветков В.Н., Лысов М.А. - М.: Патриот, 1991. - 351 с.: ил.

. Роговцев В.Л. и др. Устройство и эксплуатация автотранспортных средств: Учебник водителя / Роговцев В.Л., Пузанков А.Г., Олдфильд В.Д.-М.: Транспорт, 1989. - 432 с.: ил.

. Румянцев С.И. и др. Техническое обслуживание и ремонт автомобилей: Учебник для ПТУ / С.И. Румянцев, А.Ф. Синельников, Ю.Л. Штоль.-М.: Машиностроение, 1989. - 272 с.: ил.

. Устройство, техническое обслуживание и ремонт автомобилей: Учеб. / Ю.И. Боровских, Ю.В. Буралев, К.А. Морозов, В.М. Никифоров, А.И. Фешенко - М.: Высшая школа; Издательский центр "Академия", 1997. - 528 с.: ил.

. Инструкция по безопасности труда для персонала, занятого на ремонте и техническом обслуживании автомашин и дорожно-стоительной техники ИБТ-К-97-85.

. КамАЗ: что ожидает автогигант в будущем? // Бизнес. - 1999. - с. 29

Похожие работы на - Работа и техническое обслуживания сцепления 'КамАЗ'

 

Не нашли материал для своей работы?
Поможем написать уникальную работу
Без плагиата!
Без нейросетей!