Исследование линейного стабилизатора напряжения на транзисторах
Федеральное
агентство железнодорожного транспорта
Уральский
государственный университет путей сообщения
Кафедра
«Автоматика телемеханика и связь на железнодорожном транспорте»
Лабораторная
работа № 5
по
дисциплине «Источники электрического питания»
на
тему: «Исследование линейного стабилизатора напряжения на транзисторах»
Проверил преподаватель Сисин. В.А.
Выполнил студент гр. СОа 421 Калугин С.Ю.
Екатеринбург
Цель работы: Изучить принцип действия и
исследовать основные характеристики линейного транзисторного стабилизатора
напряжения.
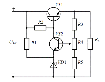
Порядок выполнения работы: Изобразим схему
компенсационного стабилизатора напряжения на транзисторах (рис.1).
Рисунок 1. ЛСН на транзисторах
стабилизатор
напряжение транзистор
Снимем зависимость напряжения тока на нагрузке
от величины входного напряжения для постоянного сопротивления нагрузки. Тумблер
Б10S установлен в
положение 2 (Rн =510 Ом).
Установим напряжение на нагрузке равное 10 В. Полученные данные занесём в таблицу
1.
Таблица 1
|
U0вх
|
20
|
18
|
16
|
14
|
12
|
10
|
8
|
6
|
4
|
2
|
0
|
|
U0вых
|
10
|
10
|
10
|
10
|
9
|
6,8
|
5
|
3
|
1,1
|
0,2
|
0
|
|
Io
вых mA
|
0,0025
|
0,0025
|
0,0025
|
0,0025
|
0,0023
|
0,0019
|
0,0015
|
0,001
|
0
|
0
|
0
|
По полученным данным построим зависимости Uo=f(Uoвх)
и Io=f(Uoвх)
при Rн=const.
Рисунок 1. Зависимости Uo=f(Uoвх)
Рисунок 2. Зависимость Io=f(Uoвх)
Подсчитаем коэффициент пульсации, фильтрации и
стабилизации.





Снимем внешнюю характеристику
стабилитрона при изменении сопротивления нагрузки. Полученные значения занесём
в таблицу 2.
Таблица 2
|
положение
Б10S
|
1
|
3
|
4
|
6
|
7
|
8
|
10
|
11
|
12
|
|
величина
Rн
|
1000
|
330
|
270
|
180
|
150
|
130
|
100
|
51
|
37
|
25
|
|
Uo
вых
|
10
|
10
|
9,8
|
9,8
|
9,7
|
9,5
|
9,1
|
9
|
7
|
4
|
|
Io
вых mA
|
0,0019
|
0,0031
|
0,0041
|
0,007
|
0,0095
|
0,0135
|
0,028
|
0,078
|
0,15
|
0,205
|
По полученным данным построим характеристики.
Рисунок 3. Зависимость выходного напряжения от
сопротивления нагрузки
Рисунок 4. Зависимость выходного тока от
сопротивления нагрузки
Осциллограмма напряжений на входе и выходе стабилизатора.
Рисунок 5. напряжение на входе стабилитрона
Рисунок 6. напряжение на выходе стабилитрона
Рисунок 7. напряжение в момент срыва при 15 В на
входе
Вывод: стабилитрон стабилизирует напряжение в
заданных параметрах при изменении входного напряжения. Но при уменьшении
входного напряжения стабилизации уже не наблюдается. Срыв наблюдается при
входном напряжении равным 13 В.