Разработка комплекта конструкторской документации на кодовый замок

  • Вид работы:
    Курсовая работа (т)
  • Предмет:
    Информатика, ВТ, телекоммуникации
  • Язык:
    Русский
    ,
    Формат файла:
    MS Word
    132,78 Кб
  • Опубликовано:
    2014-12-13
Вы можете узнать стоимость помощи в написании студенческой работы.
Помощь в написании работы, которую точно примут!

Разработка комплекта конструкторской документации на кодовый замок

МИНОБРНАУКИ РОССИИ

Сарапульский политехнический институт (филиал)

федерального государственного бюджетного образовательного учреждения

высшего профессионального образования

«Ижевский государственный технический университет имени М.Т. Калашникова»

(СПИ (филиал) ФГБОУ ВПО «ИжГТУ имени М.Т. Калашникова»)

Кафедра конструирования и производства радиоаппаратуры



Курсовая работа

на тему «Разработка комплекта конструкторской документации на кодовый замок»

По дисциплине: «Электронные устройства»

Выполнил студент гр. Б07-781-1

Втюрин М.В.

Проверил ст. преподаватель

Кузнецов П.Л.






г.

Задание

1. НИОКР «Кодовый замок»

.1      Наименование: «Кодовый замок»

.2      Шифр: КодЗ

.3      Основание для выполнения проекта: учебный план

.4      Разработчик: Кафедра КиПР СПИ (филиал) ИжГТУ

.5      Исполнитель: Студент группы Б07-781-1 Втюрин М.В

.6      Заказчик: Кафедра КиПР СПИ (филиал) ИжГТУ

.        Исходные данные к проекту

.1      Устройство представляет собой электронный кодовый замок, предназначенный для запирания дверей с возможностью ввода кодовой комбинации

.2      Реализуемые функции

§  Ограничение доступа в помещение

§  Ввод четырехзначной кодовой комбинации

§  Подача сигнала на исполнительное устройство

.3      Область применения: ограничение доступа посторонним лицам в помещение

.4      Условия эксплуатации: устройство эксплуатируется при нормальных условиях, согласно ГОСТ 15150-69

.5      Основные технические характеристики:

§  Напряжение питания, В                                    от 9 до 12

§  Нормальные условия применения:)        Температура окружающей среды, °C             от 15 до 30)        Относительная влажность воздуха, %             от 20 до 85)         Атмосферное давление, кПа                             от 84 до 106

.        Перечень вопросов, подлежащих разработке

.1      Анализ научной, технической, патентной литературы, электронных источников

.2      Выбор принципа реализации

.3      Разработка функциональной схемы

.4      Разработка принципиальной схемы

.5      Разработка конструкторской документации

.6      Расчет надежности

.        На защиту выносятся

.1      Выбранные или разработанные теоретические решения кодового замка

.2      Выбранные или разработанные технические решения кодового замка: функциональная и принципиальная схемы

.3      Графические материалы проекта

.        Краткое содержание пояснительной записки

.1      Аннотация

.2      Введение

.3      Теоретический блок, включающий анализ литературы

.4      Системотехническое проектирование кодового замка

.5      Схемотехническое проектирование кодового замка

.6      Конструкторское проектирование кодового замка

.7      Заключение

.8      Список используемых источников

.9      Приложения

Содержание

Введение

.     Системотехническое проектирование

2.      Схемотехническое проектирование

.        Расчет условных размеров печатной платы

.        Выбор и определение типа платы

.        Надежность и определение среднего времени безотказной работы

.        Расчет виброустойчивости

.        Тепловой расчет

.        Расчет параметров электрических соединений

.        Определение комплексного показателя технологичности

Заключение

Список используемых источников

Приложение

Введение


В последнее время все большую популярность набирают электронные замки. На их основе делаются полноценные системы контроля доступа, при этом практически без применения дополнительного оборудования. Причем распространение они приобретают не только в сложных системах, но и просто в качестве дверных замков, устанавливающихся на входных дверях в подъезд или квартиру.

Наиболее интересными для обывателя являются, правда, другие замки, устанавливающиеся прямо в дверное полотно. Они имеют огромный плюс - им не нужна замочная скважина, а значит, сторонний наблюдатель просто не будет знать о его присутствии, что серьезно повышает устойчивость двери к взлому. Естественно, у таких замков есть свои типы и подтипы, они не одинаковы по принципу действия и по используемым носителям ключевой информации. Но суть в том, что они являются хорошей дополнительной защитой от злоумышленников.

Эта работа посвящена разработке простого кодового замка.

1.     
Системотехническое проектирование


Выделим функции, которые должен выполнять кодовый замок:

§  Ограничение доступа в помещение;

§  Ввод четырехзначной кодовой комбинации;

§  Подача сигнала на исполнительное устройство;

§  Индикация при вводе правильной кодовой комбинации.

Рис. 1. Функциональная структурная схема

При вводе правильного последовательного четырехзначного кода, сигнал включает реле, подающее напряжение на исполнительное устройство, которое в свою очередь открывает дверь.

Питание электронного кодового замка и исполнительного устройства осуществляется за счет бесперебойного блока, имеющего аккумулятор на 12В/7А и трансформатор с мощностью 20-40 Ватт, выходным напряжением 15-18 В.

 

.       
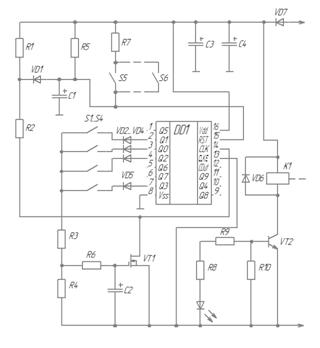
Схемотехническое проектирование


В данном кодовом замке используется микросхема CD4017 (счетчик Джонсона), она представляет собой десятичный счетчик/делитель. Я выбрал именно эту модель, так как она довольно популярна.

Рис. 2 CD4017

Микросхема имеет 10 выходов DECODED OUTPUT, выводы питания и выводы CLOCK, CLOCK ENABLE, RESET и CARRY-OUT. При подаче импульсов на вывод тактирования CLOCKмикросхема выполняет свои функции, опираясь на эти импульсы. Первый импульс создает логическую единицу на выводе DECODED OUTPUT «0», до тех пор, пока не появится фронт второго импульса. Второй импульс обнуляет состояние первого выхода и создает единицу на втором выходе. И так далее.

Вводится последовательный четырехзначный код. Если код верен, то на выходе Q4 появляется логическая единица, что приводит к открыванию замка. Если же код не верен, схема переходит в исходное состояние, обнуляясь через RESET (пятнадцатый вывод микросхемы).

Рис. 3. Электрическая принципиальная схема устройства

Электрическая принципиальная схема устройства показана на рис.3.

При нажатии кнопки S1 единичное состояние на третьем выводе Q0 микросхемы поступает на вход полевого транзистора VT1. Открываясь, транзистор подает напряжение на четырнадцатый вывод (CLOCK) который переключает единичное состояние на второй вывод Q1, потом при последовательном нажатии кнопок S2, S3, S4, сигнал переходит на Q2, Q3, и в конечном итоге при вводе правильного кода с выхода Q4 сигнал открывает транзистор VT2 на короткое время, определяемое емкостью конденсатора C1, включая реле К1, которое своими контактами подает напряжение на исполнительное устройство. Исполнительным устройством может являться защелка, электро-замок, автомобильный актуатор и др.

3.      Расчет условных размеров печатной платы


Определение площади, которую занимают элементы на плате. Данный расчет сводится к определению габаритных размеров элементов. Не важно, какой вариант установки имеет тот или иной элемент, важны его установочные и габаритные размеры. Зная длину и ширину элемента определим площадь, которую он занимает, или площадь, занимаемую элементами с одинаковыми габаритными размерами.

Таблица 1 Площадь занимаемая элементами

№ п/п

Элементы

Номинал

Кол-во, шт.

L

B

Площадь

1

Микросхема

CD4017

1

19,3

6,35

122,555

2

Резистор

0,25 Вт

10

7

3

210

3

Конденсатор

22 мкФ

1

5,6

5

25

4

Конденсатор

47 мкФ

1

7

7

49

5

Конденсатор

10 мкФ

2

5

5

56

6

Диод

КД522Б

1

3,8

1,9

7

Диод

КД503Б

4

7,5

3

90

8

Диод

1N4007

1

5,2

2,7

14,04

9

Светодиод

АЛ307Б

1

5

5

25

10

Транзистор

КП501Б

1

5,2

4,1

21,32

11

Транзистор

КТ815

1

11

7,8

85,8

12

Реле

ACJ1112P

1

13,7

12,5

171,25

Общая площадь

877,185


Коэффициент заполнения выберем равным 2,8. Тогда площадь, занимаемая элементной базой, равна:

                                 (3.1)

з - коэффициент заполнения;

Выбираем площадь платы равной 2456,118 мм2.

4.      Выбор и определение типа платы


Печатная плата устройства является основным элементом при проектировании РЭА. Она объединяет печатные узлы и другие элементы. Разработку конструкции печатной платы можно производить исходя из базовых несущих конструкций, то есть исходя из размеров корпуса. Это позволяет повысить коэффициент заполнения объема, уменьшить массу и габаритные размеры устройства.

Для пайки применяют припой ПОС - 61.

Габаритные размеры печатной платы в длину и ширину соответственно: 50 мм и 45 мм.

Высота определяется высотой установки применяемых радиоэлементов на печатной плате и составляет 14 мм.

По конструкции печатные платы с жестким и гибким основанием делятся на типы:

-       односторонние;

-       двусторонние;

-       многослойные.

Для данного изделия достаточно использовать одностороннюю печатную плату без металлизированных монтажных отверстий. ОПП характеризуется высокими коммутационными свойствами и повышенной прочностью соединения вывода навесного элемента с проводящим рисунком платы.

Для изготовления печатной платы в соответствии с ОСТ 4.010.022 и, исходя из особенностей производства, выбираем комбинированный позитивный метод. В соответствии с ГОСТ 2.3751-86 для данного изделия необходимо выбрать третий класс точности печатной платы.

Габаритные размеры печатных плат должны соответствовать ГОСТ 10317-79. Для ОПП максимальные размеры могут быть

Габаритные размеры данной платы удовлетворяют требованиям данного ГОСТ.

В соответствии с требованиями ОСТ 4.077.000 выбираем материал для платы на основании стеклоткани - стеклотекстолит СФ-1-50-1,5 ГОСТ 10316-78. Толщина 1,5 мм.

В соответствии с ГОСТ 24140-78 и, исходя из особенностей схемы, выбираем шаг координатной сетки 1,25 мм.

Способ получения рисунка - фотохимический.

электронный кодовый замок

5.      Надежность и определение среднего времени безотказной работы


Расчет количественных характеристик надежности схемы при непрерывной работе. Расчет среднего времени безотказной работы. Для каждого типа элементов по табл.1 определим интенсивности отказов в номинальном режиме λ0i и поместим их в шестой столбец таблицы.

Таблица 2 Количественные характеристики надежности схемы

п/п

Наименование

Тип элемента

Коэффициент нагрузки Кн

λ0i·10-6, ч-1

αi

α λ0i·10-6, 1/ч

λi·10-6, 1/ч

λi·mi·10-6, 1/ч

1

2

3

4

5

6

7

8

9

10

1

Светодиоды

АЛ307

1

0.5

0.5

0.88

0.44

0.47

0.47

2

Диоды

КД

7

0.5

0.2

0.88

0.176

0.1883

1.318

3

Конденсаторы

К50

4

0.5

0.5

0.25

0.125

0.133

1.07

4

Резисторы

МЛТ

10

0.5

0.02

0.51

0.01

0.0107

0.109

5

Транзисторы

КТ

2

0.5

0.5

0.37

0.185

0.197

0.395

6

Переключатели

KFC-012-H

6

0.05

1

0.05

0.053

0.321

7

Микросхемы

EL4017AE

1

0.5

0.5

0.71

0.355

0.38

0.38

8

Реле

ACJ1112P

1

0.5

0.25

1

0.25

0.267

0.267


Интенсивности отказов элементов с учетом условий их эксплуатации определяется по формуле:

        (5.1)

где:

λ0i - интенсивность отказов данного типа элементов при номинальной электрической нагрузке и нормальных условиях эксплуатации;

αi - коэффициент учитывающий влияние температуры окружающей среды и электрической нагрузки элемента;1 - коэффициент, учитывающий влияние механических факторов;2 - коэффициент, учитывающий влияние климатических факторов;3 - коэффициент, учитывающий влияние пониженного атмосферного давления.

Для нашего устройства выберем коэффициент k1 равным 1,07 (наземная стационарная аппаратура). Коэффициенты k2 и k3 равны 1.

Определим интенсивности отказов элементов с учетом условий их эксплуатации и поместим их в девятый столбец таблицы.

Интенсивность отказов устройства в целом, определяется как:

(5.2)

где mi - число элементов i-го типа;- число типов элементов.

Промежуточные вычисления поместим в десятый столбец таблицы, затем суммированием значений в данном столбце получим интенсивность отказов устройства в целом:


Среднее время безотказной работы системы определяется из соотношения:

         (5.3)

Что составляет 9622 дня или 316 месяцев или 26 лет, без учета цикличности работы.

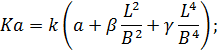
6.      Расчет виброустойчивости


Для аппаратуры группы 1 механические вибрации частотой до 120 Гц оказывают разрушительное воздействие. Рассчитаем резонансную частоту механических колебаний собранного охранного устройства.

Размеры печатной платы:

длина (L) - 50 мм = 0,05;

ширина (B) - 45 мм = 0,045;

высота (h) - мм =;

Масса изделия (m): 124 г.

Определяем цилиндрическую жесткость:

  (6.1)

Где, Е - модуль упругости, Е = 3,02·106 Н/м;- толщина платы, h = 1,5·10-3 м.

ε - коэффициент Пуассона, ε = 0,22;

Коэффициент, зависящий от способа крепления платы к корпусу:

                                 (6.2)

где k = 9,87; α = 1; β = 2,57; γ = 5,14.

Резонансная частота механических колебаний:

                                           (6.3)

Расчет показал, что полученное значение не входит в диапазон опасных частот для данного устройства.

7.      Тепловой расчет


Расчет поверхности корпуса

Размеры печатной платы(условная длина) - 50 мм = 0,05 м;(условная ширина) - 45 мм = 0,045 м;(условная высота) - 15 мм = 0,015 м.

(7.1)

Определим условную поверхность нагретой зоны:

(7.2)

Где Kз - коэффициент заполнения.

Определим удельную мощность блока:

                       (7.3)

Где Q - потребляемая мощность, 0,25 Вт

По графику зависимости температуры внутри блока от удельной мощности блока определим температуру перегрева внутри блока T=5ºC, что допустимо для данного устройства и не нарушит ритм его работы.

8. Расчет параметров электрических соединений


Элементы конструкции размещены на печатных платах из фольгированного стеклотекстолита СФ-1-50. Монтаж на печатных платах осуществляется согласно СПТИ.230100.001.

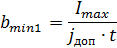
Определяется минимальная ширина, мм, печатного проводника по постоянному току для цепей питания и заземления:

                                          (8.1)

Где, Imax - максимальный постоянный ток в проводниках,доп - допустимая плотность тока, выбирается в зависимости от метода изготовления (jдоп=20А/мм2), - толщина проводника (t = 0,05 мм).

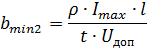
Определяется минимальная ширина проводника, исходя из допустимого падения напряжения на нем:

                                          (8.2)

где:

ρ - удельное объемное сопротивление; ρ = 0,0175 Ом·мм2/м,- длина проводника, м,доп - допустимое падение напряжения, не превышающее 5% от питающего напряжения для микросхем.

Для сигнальных цепей микросхем:

Полученные минимально допустимые значения параметров печатных проводников удовлетворяют требованиям для выбранного метода изготовления и класса точности ПП.

9. Определение комплексного показателя технологичности


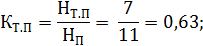
Коэффициент повторяемости ЭРЭ:

                      (9.1)

где, НТ.ЭРЭ - общее количество типоразмеров ЭРЭ, НТ.ЭРЭ = 7;

НЭРЭ - общее количество ЭРЭ, НЭРЭ = 12;

Коэффициент использования микросхем:

                       (9.2)

где, Нмс - количество микросхем, Нмс = 1.

Коэффициент применяемости ЭРЭ:

                 (9.3)

где, НТ.ОР.ЭРЭ - количество типоразмеров оригинальных ЭРЭ, НТ.ОР.ЭРЭ =1.

Коэффициент автоматизации и механизации подготовки ЭРЭ к монтажу:

                                  (9.4)

где, НМ.П.ЭРЭ - количество ЭРЭ, подготовка которых к монтажу осуществляется механическим или автоматическим способом, НМ.П.ЭРЭ = 9

Коэффициент механизации и автоматизации монтажа:

                                        (9.5)

где, НА.М - количество монтажных соединений, пайка которых осуществляется автоматическим способом, НА.М = 85;

НМ = общее количество монтажных соединений, НМ = 99

Коэффициент применяемости типовых технологических процессов:

                                    (9.6)

где, НТ.П - количество наименований типовых технологических процессов всех уровней, применяемых для изготовления изделия, НТ.П =7;

НП - общее количество наименований технологических процессов, применяемых для изготовления изделия, Нп = 11.

Коэффициент параллельности сборки:

                                (9.7)

где, НП.ЭРЭ - количество параллельно расположенных ЭРЭ, НП.ЭРЭ = 7;

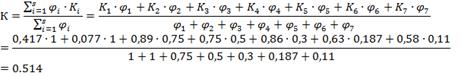
Суммарный коэффициент технологичности конструкции определяется на основе базовых показателей и коэффициентов весомости:

(9.8)

Расчетное значение К сравнивается с нормативным Кн, который для серийного производства электронных узлов изменяется в рамках 0,5 - 0,8, для установочной серии - 0,45 - 0,75 и для опытного образца - 0,4 - 0,7. Из этого можно сделать вывод, суммарный коэффициент технологичности конструкции РЭС удовлетворяет требованиям ОСТ. Для повышения коэффициента технологичности конструкции РЭС необходимо: использовать больше микросхем, повышать автоматизацию и механизацию подготовки ЭРЭ к монтажу, а так же параллельность сборки.

Заключение


При проектировании кодового замка была разработана оптимальная схема, которая соответствует требованиям технического задания. Печатная плата размерами 50x45 мм крепится в пластмассовый корпус, что обеспечивает защиту от неблагоприятных внешних воздействий. Проведены необходимые расчеты и разработан комплект конструкторской документации.

Список используемых источников


1.      Шахнов В.А. «Конструкторско-технологическое проектирование электронной аппаратуры».

.        Павловский В.В., Васильев В.И., Гутман Т.Н. «Проектирование технологических процессов изготовления РЭА».

.        Медведев А.М. «Печатные платы, конструкции и материалы».

.        Белоусов О.А., Кольтюков Н.А., Грибков А.Н. «Основные конструкторские расчеты в РЭС».

Похожие работы на - Разработка комплекта конструкторской документации на кодовый замок

 

Не нашли материал для своей работы?
Поможем написать уникальную работу
Без плагиата!
Без нейросетей!