Разработка и определение экономической эффективности внедрения системы оповещения о пожаре на зерновом элеваторе

  • Вид работы:
    Курсовая работа (т)
  • Предмет:
    Информатика, ВТ, телекоммуникации
  • Язык:
    Русский
    ,
    Формат файла:
    MS Word
    155,17 Кб
  • Опубликовано:
    2015-01-14
Вы можете узнать стоимость помощи в написании студенческой работы.
Помощь в написании работы, которую точно примут!

Разработка и определение экономической эффективности внедрения системы оповещения о пожаре на зерновом элеваторе











Курсовая работа

на тему: "Разработка и определение экономической эффективности внедрения системы оповещения о пожаре на зерновом элеваторе".

Содержание

 

Введение

1. Основные сведения об ОАО "Элеватор"

1.1 Общая характеристика предприятия и его деятельности

1.2 Организационная структура и функции подразделений

1.3 Анализ хозяйственной деятельности организации

2. Возможные чрезвычайные ситуации

3. Разработка контроллерного управления зерносушилкой

3.1 Автоматизация процесса сушки зерна

3.2 Конструкция и электрооборудование зерносушилки А1-ДСП-50

3.3 Постановка задачи контроллерного управления

3.4 Выбор промышленного контроллера для зерносушильной установки

3.5 Организация вывода информации технологического процесса с использованием промышленного контроллера УПУ-ТП-2М

3.6 О возможности применения ЭВМ высшего уровня

4. Обоснование экономической эффективности

4.1 Расчет капитальных вложений

4.2 Расчёт годовых эксплуатационных издержек

4.3 Определение экономической эффективности автоматизации

4.4 Определение количества пострадавших

4.5 Социально-экономические потери

Заключение

Список использованных источников

Приложение

Введение

Во многих регионах нашей страны период уборки зерна совпадает с выпадением осенних осадков, вследствие чего убранное зерно имеет повышенную влажность. К таким регионам следует отнести Северный Казахстан, Западную и Восточную Сибирь, Нечерноземную зону. Поэтому сушка зерна - одна из главных технологических операций его послеуборочной обработки. Своевременно проведённая сушка - это важное средство обеспечения сохранности убранного зерна.

В нашей стране создана мощная зерносушильная техника, способная просушить около 200 тыс. т зерна в час. Основное внимание при разработке новой зерносушильной техники уделяется рециркуляционным зерносушилкам. Большой вклад в создание рециркуляционной зерносушильной техники внесли Г.С. Зелинский, А.Е. Юкиш, Л.Д. Комышник. Важное значение для совершенствования технологии и техники сушки зерна имеют научные работы, выполненные под руководством А.С. Гинзбурга и его учеников.

Рециркуляционные зерносушилки нашли широкое распространение на хлебоприёмных предприятиях нашей страны. Ежегодно их парк расширяется. Так в северных областях Казахстана, в Красноярском крае, на Алтае рециркуляционные сушилки составляют 70…90% всей зерносушильной мощности. Эти сушилки ускоренными темпами внедряют в Башкирии, Западной и Восточной Сибири. В настоящее время эксплуатируют более 1000 рециркуляционных зерносушилок производительностью от 25 до 75 т/ч.

В настоящее время требования, предъявляемые к просушенному зерну, намного увеличились, что бы повысить всхожесть зерновых культур после длительного хранения, а так же сохранить длительное время пищевое зерно, что повлекло за собой внедрения новейшего оборудования. Хотя существующее оборудование так же достаточно надёжное и вполне соответствует требованиям ведения технологического процесса работы зерносушилки, бывают нередкие случаи отказа или неправильного показания контрольно измерительных приборов из за многих факторов (большая сорность, большие перепады температур и т.д.), что приводит к порче просушенного зерна и даже к возникновению пожаров на зерносушилке и только профессионализм работников и человеческий фактор позволяет избежать серьёзных последствий в случае внезапного нарушения работы зерносушилки.

Целью данной курсовой работы является разработка контроллерного управления зерносушилкой А1 - ДСП - 50 для более точного соблюдения технологического процесса работы зерносушилки, повышения её безопасности, надёжности и уменьшения обслуживающего персонала и обоснование экономической эффективности ее внедрения.

1. Основные сведения об ОАО "Элеватор"


1.1 Общая характеристика предприятия и его деятельности


Акционерное общество "Элеватор" является открытым акционерным обществом, действующим на основании устава и законодательства Российской Федерации. ОАО "Элеватор" создано без ограничения срока деятельности, путем преобразования государственного предприятия "Элеватор" и является его правоприемлеком.

ОАО "Элеватор" является юридическим лицом и имеет в собственности обособленное имущество, учитываемое на его самостоятельном балансе. Общество может от своего имени приобретать и осуществлять имущественные и личные неимущественные права, нести обязанности, быть истцом и ответчиком в суде.

Основной целью ОАО "Элеватор" является получение прибыли. Общество имеет гражданские права и несет гражданские обязанности, необходимые для осуществления любых видов деятельности, не запрещенных федеральным законом.

ОАО "Элеватор" осуществляет следующие основные виды деятельности:

-       закупка и реализация зерновых и масличных культур;

-       комплекс работ с зерновыми и масличными культурами: хранение, сушка, подработка;

-       заготовка и реализация семян;

-       платные услуги производственного характера;

-       коммерческая деятельность;

-       торговая деятельность;

-       транспортные перевозки;

-       хранение продовольственного зерна;

-       доведение семян до ограничительных базисных кондиций;

-       производство муки и побочных продуктов переработки зерна;

-       переработка давальческой пшеницы в муку;

-       реализация зерна и продуктов его переработки;

-       отгрузка зерна, взвешивание, оформление транспортных документов;

В соответствии с федеральным законом Российской Федерации "О государственном контроле за качеством и рациональным использованием зерна и продуктов его переработки" от 5 декабря 1998 предприятие, как лицо, осуществляющее деятельность по закупке, хранению и реализации зерна и продуктов его переработки, а также деятельность по производству продуктов переработки зерна, обязано:

-       разрабатывать и осуществлять мероприятия по предупреждению порчи, снижения качества зерна и продуктов его переработки и по обеспечению их рационального использования;

-       обеспечивать соблюдение санитарных, технических и противопожарных требований;

-       обеспечивать контроль за качеством зерна и продуктов его переработки посредством использования производственных аккредитованных лабораторий или иных аккредитованных лабораторий;

-       соблюдать научно обоснованные нормы выхода продуктов переработки зерна с обеспечением производства продуктов переработки зерна в ассортименте, предусмотренном технологическим процессом;

-       нести другие обязанности, предусмотренные законодательством Российской Федерации.

ОАО " Элеватор " занимает площадь 10,4 га на территории которого располагаются:

сам элеватор, мельница, газовая котельная, склад ГСМ, гараж, столярный цех, РММ, подсобное хозяйство, лаборатория, столовая, колбасный цех, административное здание.

Вокруг территории элеватора расположены:

С южной стороны - озеро;

С юго-восточной стороны - жилые дома поселка;

С восточной - автодорога, жилые дома;

С северной - склад ядохимикатов Оренбургской экспедиции по защите хлебопродуктов;

С западной стороны - лесопосадка, полоса отвода железной дороги, станция 20-й разъезд.

Элеватор типа ЛС-5-175 емкостью 142,8 тыс. тонн расположен на 20-м разъезде Оренбургского района, Оренбургской области.

Проектная организация - институт " Куйбышевский Промзернопроект". Строительство осуществлял генеральный подрядчик - трест " Оренбургэлеваторстрой".

В строительстве принимали участие субподрядные организации:

управление механизации треста " Оренбургэлеваторстрой", монтажно наладочное управление треста "Спецэлеватормельмонтаж".

Государственной комиссией был принят 1-й пусковой комплекс емкостью 89 тыс. тонн 14 мая 1980 года в составе рабочего здания 3-х силкорпусов по 27 тыс. тонн каждый, 2-х зерносушильных агрегатов РД-2х25-70. 30 сентября 1982 года была пущена 2-я очередь в составе 2-х силкорпусов емкостью 53,8 тыс. тонн.

С целью совершенствования технологического процесса, а также повышения уровня индустриализации строительства и надежности эксплуатации вместо автомобилеразгрузчиков ГУАР-30 установлены У15-УРВС, выполнена закольцовка 2-х трансформаторных подстанций со стороны низкого напряжения, торцевые стены подсилосных этажей выполнены на сборных железобетонных панелей вместо кирпичной кладки.

Для обеспечения влагонепроницаемости стен силосов и рабочего здания выполнена гидроизоляция швов герленом - Д с последующей окраской кремней органической мастикой. Испытания подтвердили положительный эффект применения упорных герметиков.

Для защиты окружающей среды от загрязнений построек комплекс сооружений на 100 куб м. сточных вод в сутки.

Оборудование установленное в рабочем здании Элеватора отечественное: Нории П-175/60 в количестве 5 шт, скребковый цепковый транспортер ЦТЗО - 1 шт, поворотные трубы ВШ8, сепараторы ВЦС - 100-3 агрегата, зерносушильные аппараты РД-2х25 с нориями II-350 т/ч - 2 шт нории II-175 т\ч.

Загрузка и разгрузка силосов предусмотрена ленточными конвейерами производительностью 175 т/ч. Надсилосные ленточные конвейера производят загрузку с помощью управляемых дистанционно разгрузочных тележек ТР 65М. Для более производительной работы элеватора при приемке и перемещении зерна в силоса на автоприем № 9, 10 установлены импортные Чешские нории Е 350 производительностью 350 т/час с приводом до 30 м в количестве 2-х штук и Чешские скребковые конвейера Р - 350 также производительностью 350 т/час - 2 шт.

Общее количество установленных и работающих Чешских норий Е 350 - 9 шт, скребковых конвейеров Р 350 - 12 шт.

Для поддержания нормальной работы оборудования на предприятии имеются ремонтно-механические мастерские куда входят: участок токарной обработки, где выполняются токарные, сверлильные и фрезерные работы. Установлены действующие токарный станок 1А12, сверлильный станок 2Н125 и фрезерно-консольный 6П32, заточной, стороны с ручной подачей на инструмент.

Для сварки металлоконструкций имеются сварочные передвижные трансформаторы в количестве 6 шт. резку металла производили кислородно-пропановскими резаками.

Cлесари по ремонту и обслуживанию обеспечены всем необходимым (ключи гаечные, напильники, отвертки, ножовки по металлу и др.). Для выполнения токарных, сверлильных и фрезерных работ также имеется в наличии весь инструмент (резцы, сверла, фрезы, метчики и др.).

Предприятие располагает достаточным количеством материальных ресурсов: металлом листовой 2,5 мм, 4 мм, 6 мм, угловой сталью 35, 40, 63 мм, швеллер, пиломатериал, стекло, кабельной продукцией, РКС, датчики подпора, электродами МРЧ-6, а также спецодеждой для производственного персонала.

Плановая численность основного производственного персонала составляет 164, фактическая 144.

В 1985 году были построены два автоприема № 9, 10 со спаренными автомобилеразгрузчиками АВС 50 для разгрузки двух большегрузных автомобилей на одном автоприеме одновременно. По технологическим линиям установлены Чехословацкие скребковые конвейера и нории производительностью 350 т/час. Автоприемы технологически привязаны с силкорпусами 2 и 4.

В 1986 году проведена реконструкция 5-6 автоприема с целью увеличения приема зерна с автотранспорта. Конвейера переведены с ленты 650 мм по 800 мм, на нориях установлены ковши без дна. В силкорпусах 1, 3, 5 установлены Чехословацкие скребковые конвейера и нории, все производительностью 350 т/час. Вновь построенные автоприемы 7-8 технологически привязаны к коммуникациям 5-6 автоприема.

Для увеличения приема зерна с автотранспорта в 1987 году 1-2-3 перевели конвейера с ленты 650 мм на 800 мм и установили скребковые Чехословацкого производства, в нижней галереи - два конвейера, и два конвейера на 6 этаже, две нории Чехословацкого производства в рабочей башне, все производительностью 350 т/час.

В 1989 году с целью сушки ржи была построена сушилка ДСП-50, расположена в торце 4-го силкорпуса.

В зерноочистительном отделении рабочей башни Элеватора произведена замена сепараторов ЗСМ-100 на сепараторы БЦС-100 с реконструкцией управления процесса сепарирования зерна.

зерносушилка безопасность контроллерное управление

В августе 1996 года была пущена мельница АIАВМ-I, производительностью 1 т/час, мельница смонтирована в существующим здании локомотивного депо.

 

1.2 Организационная структура и функции подразделений

 

Предприятие имеет в своей структуре следующие подразделения:

-       администрация;

-       бухгалтерия;

-       элеватор;

-       мельница;

-       производственно-технологическая лаборатория (ПТЛ);

-       строительный цех;

-       электроцех;

-       транспортный цех;

-       ВОХР;

-       котельная;

-       магазин;

-       столовая;

Администрация включает в свой состав генерального директора, главного инженера предприятия и начальников подразделений.

Генеральный директор организации выполняет общее руководство работой предприятия, а также реализует стратегические функции управления, принимает решения на основе анализа полученной из подчиненных ему подразделений информации, издает приказы и распоряжения на уровне всей организации, подписывает в установленном порядке документы.

Главный инженер определяет техническую политику и перспективы технического развития предприятия, в том числе направление реконструкции и технического перевооружения предприятия в целях обеспечения: механизированной выгрузки зерна из автомашин любой марки отечественного производства и железнодорожных вагонов, погрузки зерна в автомашины и железнодорожные вагоны с учетом установленных норм простоя транспортных средств под грузовыми операциями и недопущения потерь зерна при их выполнении; качественной и экономически эффективной работы средств первичной обработки зерна (сушка, очистка в потоке) и средств активного вентилирования; сокращение затрат труда на все виды работ с зерном, ускорение темпов роста производительности труда и создание наиболее благоприятных условий работы. Обеспечивает своевременную и качественную подготовку материально-технической базы к приему зерна нового урожая, его первичной обработке в потоке приемки и погрузки в железнодорожные вагоны.

Руководители структурных подразделений принимают решения и издают приказы и распоряжения, обеспечивающие деятельность своих подразделений.

Бухгалтерия является самостоятельным структурным подразделением предприятия, подчиняется главному бухгалтеру и выполняет комплекс функций по решению следующих задач:

-       обеспечение администрации достоверной и полной информацией о хозяйственных процессах и финансовых результатах деятельности организации, необходимой для оперативного руководства и управления, а также для ее использования инвесторами, поставщиками, покупателями, кредиторами, налоговыми и финансовыми органами, банками и иными заинтересованными организациями и лицами;

-       обеспечение контроля наличия и движения имущества, использования материальных, трудовых и финансовых ресурсов в соответствии с утвержденными нормами, нормативами и сметами;

-       своевременное предупреждение негативных явлений в хозяйственно-финансовой деятельности, выявлению и мобилизации внутрихозяйственных резервов;

-       обеспечение соответствия методик учета наличия и движения зерна, состава первичных и отчетных документов инструкциям, утвержденным специально уполномоченным государственным органом в области государственного контроля за качеством и рациональным использованием зерна и продуктов его переработки.

1.3 Анализ хозяйственной деятельности организации


Анализ хозяйственной деятельность организации целесообразно начать с анализа основных экономических показателей деятельности за период с 2006 года по 2008 год. Основные показатели деятельности ОАО "Элеватор"" представлены в таблице 1.

За анализируемый период выручка в текущих ценах уменьшилась на 26 %; выручка в ценах отчетного года также уменьшилась на 33,8%. В 2008 году по сравнению с 2006 годом эффективность использования основных средств снизилась на 27,9%, это произошло за счет уменьшения выручки на 33,8% и уменьшения средней стоимости основных средств на 8%. В отчетном году на 100 рублей стоимости основных фондов было получено выручки от продажи в размере 105,3 рублей. Производительность труда уменьшилась на 35%, в 2008 году выручки в расчете на 1 работника было получено в размере 453 рублей. Прибыль от продаж за анализируемый период увеличилась в 1,5 раза. Уровень рентабельности повысился в 2008 году по сравнению с 2006 годом на 37,5%.

Таблица 1 - Динамика основных экономических показателей деятельности ОАО "Элеватор"

Показатели

2006 г.

2007 г.

2008 г.

2008 г. в % к 2006 г.






Выручка от продажи товаров, услуг в текущих ценах, тыс. руб.

62997

46375

46673

74,0

Средняя стоимость основных производственных фондов, тыс. руб.

48225

46012

44322

92,0

Среднесписочная численность работников, чел.

101

100

103

102,0

Себестоимость проданных товаров, услуг, работ, тыс. руб.

62368

36639

36889

59,1

Прибыль от продажи, тыс. руб.

629

9716

9784

155,5

Выручка от продажи товаров, услуг: в ценах отчетного периода, тыс. руб.

70430

52311

46673

66,2

 - в расчете на 100 руб. стоимости основных фондов, руб.

146,0

113,7

105,3

72,1

-в расчете на одного среднесписочного работника, тыс. руб.

697

523

453

65

Рентабельность основной деятельности, %

-1,6

1,9

2,2

137,5


Показатели рентабельности характеризуют эффективность работы организации в целом, доходность различных направлений деятельности, окупаемость затрат, являются обязательными элементами сравнительного анализа и оценки финансового состояния организации.

Проанализируем данные таблицы 2.

Таблица 2. - Анализ показателей рентабельности ОАО "Элеватор"

Наименование показателя

2006 г.

2007 г.

2008 г.

Изменение 2008 г. к 2006 г. (+,-)

1

2

3

4

5

Прибыль от продаж, тыс. руб.

629

9716

9784

+9155

Чистая прибыль, тыс. руб.

692

5912

7432

+8124

Выручка от продажи товаров, работ, услуг, тыс. руб.

62997

46375

46673

-16324

Себестоимость проданных товаров, работ, услуг, тыс. руб.

62368

36659

36889

-25479

Средняя сумма собственного капитала, тыс. руб.

55337

57947

64617,5

+9280,5

Средняя сумма долгосрочных заемных средств (за минусом отложенных налоговых обязательств), тыс. руб.

21181

32800

29000

+7819

Средняя сумма основных средств, тыс. руб.

48224,5

46012

44322

-3902,5

Средняя сумма стоимости имущества, тыс. руб.

49110,5

6147,5

83484

+34373,5

Рентабельность (+), убыточность (-) продаж, %

1,0

2,1

2,1

+1,1

Рентабельность (+), убыточность (-) собственного капитала, %

-0,01

1,0

1,1

-

Рентабельность (+), убыточность (-) перманентного капитала, %

-0,9

6,51

7,93

-

Фондорентабельность, %

-1,43

12,8

16,7

-

Рентабельность (+), убыточность (-) основной деятельности, %

-1,62

1, 19

2,02

-

Экономическая рентабельность (+), убыточность (-), %

-1,40

9,65

8,90

-


Исходя из данных представленных в таблице 2, можно сделать вывод, что в 2006 году рентабельность продаж составляла 1,0 %, в отчетном году - 2,1%, т.е. повысилась на 1,1%. Это значит, что предприятие в отчетном году получало 1 рубль 10 копеек прибыли с каждых 100 рублей реализации.

Рентабельность собственного капитала в 2008 году составила 1,1%, т.е. с каждых 100 рублей собственного капитала было получено около 1 рубля чистой прибыли, эффективность использования перманентного капитала составляет 7 руб. 93 коп. на 100 руб. средств, вложенных на длительный срок. За 2006 г. деятельность организации была убыточна, но наблюдается положительная тенденция, так например, рентабельность основных средств в 2008 году составила 16,7%, т.е. на 100 рублей прибыли приходится 16 рублей.

2. Возможные чрезвычайные ситуации


Под чрезвычайной ситуацией понимается неожиданно возникшая обстановка на определённой территории, в результате аварии, катастрофы, массового природного или стихийного бедствия. По природе происхождения чрезвычайные ситуации могут быть техногенными, антропогенными, природными, экологическими и смешанными. Возможными чрезвычайными техногенными ситуациями на территории предприятия могут быть выбросы вредных веществ перевозимых по железной дороге или с заводов, пожары и взрывы; к возможным чрезвычайным антропогенным ситуациям можно отнести взрывы в результате террористических актов.

При возникновении чрезвычайной ситуации решается комплекс специальных задач по ликвидации их последствий, важнейшей из которых является проведение спасательных и неотложных аварийно-восстановительных работ. Эти работы выполняются в определенной последовательности и в максимально короткие сроки. На 1 этапе решают вопросы по экстренной защите людей, предотвращению развития или уменьшению воздействий чрезвычайной ситуации и подготовке к развертыванию (выполнению) спасательных и неотложных работ. На 2 этапе выполняются аварийно-спасательные работы, а также работы, начатые на 1 этапе. На 3 этапе решаются вопросы по обеспечению жизнедеятельности населения в районах, пострадавших в результате чрезвычайной ситуации. Одновременно начинают работы по восстановлению функционирования объектов экономики. Исходя из конкретных условий чрезвычайной ситуации, поступившей информации о ее характере, масштабах и развитии последствий, определяют конкретный перечень и объем выбранных мер и способов борьбы со стихией и защиты людей, последовательность их проведения, привлечения необходимых сил и средств. Спасательные и неотложные аварийно восстановительные работы должны выполняться непрерывно днем и ночью, в любую погоду, в условиях разрушения, пожаров, заражения атмосферы и местности, затопления территории и воздействия других неблагоприятных условий до полного завершения всех работ.

Методика расчёта социально-экономических потерь связанных с гибелью человека по "Ход страхования ответственности организаций, эксплуатирующих опасные производственные объекты. Анализ результатов оценки ущерба, представленных в декларациях промышленной безопасности" И.А. Кручинина, к. т. н., ГУП "НТЦ "Промышленная безопасность"

Затраты Пг следует вычислять, исходя из расходов на выплату пособий на погребение погибших и в случае потери кормильца соответственно:

Пr=Sпor+12x3cЧи (18 - Вс. и.) / (1+Чи)

где:

Sпог - средние расходы на выплату пособий на погребение погибших в регионе, до 4000 руб.

c - размер пособия в случае утраты кормильца в регионе, 2638 руб.

Чи - число иждивенцев на одного занятого в экономике, 1ч.

Вси - средний возраст иждивенцев в данном регионе, 9 лет.

Значения соответствуют официальной статистике Госкомстата России.

Подставляя значения в формулу получаем:

Пr = 4000 + 12*2638*1 (18-9) / (1+1) = 145452 руб.

Рассчитано в соответствии с методическими рекомендациями "Ход страхования ответственности организаций, эксплуатирующих опасные производственные объекты. Анализ результатов оценки ущерба, представленных в декларациях промышленной безопасности" И.А. Кручинина, к. т. н., ГУП "НТЦ "Промышленная безопасность".

Среди всех чрезвычайных ситуаций наиболее вероятной является возникновение пожара. Пожароопасность хранения зерна обусловлена тем, что пыль, образующаяся при передвижении зерна, является взрывоопасной. Поэтому правилами пожарной безопасности установлены специальные требования, касающиеся хранения зерна; в частности запрещается:

хранить совместно с зерном другие материалы и оборудование;

применять внутри складских помещений зерноочистительные и другие машины с двигателями внутреннего сгорания;

работать на передвижных механизмах при закрытых воротах с двух сторон склада;

розжиг сушилок, работающих на жидком топливе с помощью факелов;

работать на сушилках с неисправными приборами контроля температуры и автоматики отключения подачи топлива при затухании факела в топке, системой электрозажигания или без них;

засыпать зерно выше уровня транспортерной ленты и допускать трение ленты о конструкции транспортера.

На месте пользования дистанционным пультом пожар может возникнуть, вероятнее всего, по причинам электрического характера:

короткие замыкания, перегрузки, искрения от нарушения изоляции, что приводит к нагреванию проводников до температуры воспламенения изоляции;

электрическая дуга, возникающая между контактами коммутационных аппаратов (разъединителей, рубильников), не предназначенных для отключения больших токов нагрузки;

неудовлетворительные контакты в местах соединения проводов и их сильный нагрев вследствие большого переходного сопротивления при протекании электрического тока;

искрение в электрических аппаратах и машинах, а также искрение в результате электростатических разрядов и ударов молнии.

В качестве профилактических мер предупреждения пожаров предлагается следующее:

использование устройств защитного отключения, обеспечивающих автоматическое отключение тока в сети в случае перегрузки или короткого замыкания;

строгий запрет на применение плавких нестандартных предохранителей и других самодельных аппаратов для защиты от перегрузки и короткого замыкания;

запрет на использование в работе неисправных или нестандартных электрических устройств;

использование кабельных линий с огнезащитным покрытием;

регулярная влажная уборка с целью удаления пыли;

установка заземления и молниеотвода.

Однако, несмотря на все меры противопожарной безопасности, пожары все-таки случаются, и тогда особую важность приобретают действия администрации и персонала в этих условиях. В общем случае принимаются следующие меры:

эвакуация людей;

локализация очага возгорания;

тушение пожара.

При поступлении сигнала пожарной тревоги персонал предприятия организованно покидает здание согласно схеме эвакуации при пожаре. Необходимость эвакуации людей при пожарной тревоге в случае любого, даже самого незначительного возгорания, вызвана тем, что для человека опасен не только сам огонь, но и побочные факторы пожара. Опасными факторами пожара, воздействующими на человека, являются:

открытый огонь и искры;

повышенная температура окружающей среды;

дым и токсичные продукты горения;

пониженная концентрация кислорода;

падающие части строительных конструкций, агрегатов, установок и т.д. Кроме того, посторонние люди, находящиеся в здании или в непосредственной близости от него во время пожара, не только подвергаются опасности, но и мешают действиям пожарных команд. Поэтому главное при возникновении пожара - обеспечить своевременную эвакуацию людей, которые должны покинуть здание раньше, чем возникнет опасность для их жизни.

Утверждается план действий персонала при возникновении пожара, с которым в обязательном порядке должны быть ознакомлены все сотрудники предприятия, предусматривающий следующие действия:

отключить электроэнергию в помещении;

задействовать имеющиеся системы противопожарной защиты;

вызвать пожарную бригаду;

при обширном возгорании необходимо предотвратить дальнейшее распространение огня до прибытия пожарной бригады.

Для ликвидации начинающихся очагов пожара силами персонала помещения должны быть обеспечены первичными средствами пожаротушения, пожарным ручным инструментом и пожарным инвентарем. Для тушения электроустановок под напряжением до 10 кВ необходимо применять углекислотные (ОУ-2, СУ-5, ОУ-8) или углекислотно-бромэтиловые (ОУБ-3, ОУБ-7) огнетушители, так как их струя не электропроводна.

В целях предотвращения пожароопасных ситуаций должны соблюдаться правила техники безопасности при работе с электроустановками. Необходимо оборудовать помещение пожарно-охранной сигнализацией, извещающей органы пожарной охраны города о пожаре и месте его возникновения - обеспечивается автоматической (при помощи датчиков-извещателей) или неавтоматической (нажатием кнопки) пожарной сигнализацией. Имеющиеся средства пожаротушения следует содержать в надлежащем порядке, следить за их техническим состоянием, обновлять и пополнять по мере необходимости. Периодически проводить с персоналом инструктаж по технике безопасности.

3. Разработка контроллерного управления зерносушилкой

3.1 Автоматизация процесса сушки зерна


Автоматизация работы зерносушилок позволяет обеспечивать высокую производительность их и сохранять требуемые качественные показатели зерна. В результате автоматизации увеличивается коэффициент использования зерносушилок, повышается надежность их работы, уменьшаются расход топлива и электроэнергии, численность обслуживающего персонала. Основными требованиями, предъявляемыми к автоматизации процесса сушки, являются:

возможность автоматического поддержания температуры агента сушки на необходимом уровне;

регулирование продолжительности сушки в зависимости от исходной влажности поступающего зерна и заданной его влажности после сушки;

аварийная остановка механизмов зерносушилки.

При установке зерносушилки в элеваторе может быть включена в систему управления технологическим процессом предприятия. Однако обычно в общую систему автоматизированного управления процессом на хлебоприемных предприятиях включают только транспортирующие устройства, подающие на сушку и убирающие после сушки зерно, а зерносушилку выделяют в самостоятельный объект автоматизации.

Принципы автоматизации процессов сушки во многом общие как для шахтных, так и для рециркуляционных сушилок. Такие узлы, как топка на жидком или газообразном топливе, подача и уборка зерна, не зависят от типа сушилки, и схему их автоматизации только уточняют в процессе проектирования и привязки сушилок к конкретным объектам. Перевод топок сушилок на жидкое или газообразное топливо в значительной степени способствовал автоматизации их работы. Существующие схемы автоматизации включают контроль и автоматическое регулирование температуры агента сушки, обеспечение заданной продолжительности сушки зерна, сигнализацию о степени заполнения зерном надсушильных и подсушильных бункеров, автоматизацию управления транспортирующими механизмами, клапанами и задвижками.

Шахтные зерносушилки имеют ряд конструктивных особенностей, затрудняющих процесс автоматизации. В первую очередь это относится к неравномерности нагрева и сушки зерна в различных точках одного и того же поперечного сечения шахты. Обеспечение равномерности нагрева зерна связано с постоянством расхода количества агента сушки и стабилизацией температуры. В первой сушильной зоне температуру агента сушки регулируют, изменяя количество подсасываемого атмосферного воздуха непосредственно к вентиляторам сушильных шахт. Во второй сушильной зоне температура агента сушки автоматически поддерживается регулированием количества подаваемого в форсунку топлива и атмосферного воздуха.

После пуска электродвигателей в начале работы шахтной сушилки, а также вентилятора топки и достижения требуемого давления воздуха, распиливающего топливо, замыкается контакт сигнализатора падения давления СПДМ-З00 и открывается электромагнитный вентиль топливной магистрали. После нажатия оператором кнопки пуска от искры на электродах зажигания происходит воспламенение факела. Если в течение 45.60 с факел не воспламеняется, тепловое реле времени отключает систему автоматического розжига и подачи топлива.

После розжига факела отключается трансформатор, падающий импульсы высокого напряжения на электроды зажигания. Схема предусматривает автоматическое восстановление факела при его обрыве. Температуру агента сушки в первой зоне сушки контролируют логометром ЛПр-53 или ЛР-64 и терморезистором, а поддерживают температурными реле, реостатом дистанционного управления и исполнительным механизмом. Величину подсоса воздуха поддерживают исполнительным механизмом, изменяя положение дроссельной заслонки. Во второй сушильной зоне температуру агента сушки регулируют и контролируют автоматическим самопишущим электронным мостом (типа ЭДМ). Терморезистор служит в качестве измерительного преобразователя температуры. Заданная температура агента сушки выдерживается, с точностью +5оС.

Для автоматического контроля за наличием факела в топке используют фотореле ФРС-58. При повышении температуры агента сушки второй зоны свыше допустимой (175.180°C) срабатывает температурное реле ТР-200, которое прекращает подачу топлива, а при повышении температуры агента сушки свыше 200°С оборудование автоматически отключается специальным температурным реле.

3.2 Конструкция и электрооборудование зерносушилки А1-ДСП-50


Предназначена для сушки различных зерновых культур, обеспечивая высокий съем влаги и очистку отработавшего агента сушки и воздуха от легких примесей и пыли.

Сушильная шахта сушилки работает на нагнетание, охладительная - на всасывание. Зерносушилку А1-ДСП-50 (смотри первый лист графического материала) открытого типа изготавливают взамен зерносушилок ДСП-32-ОТ. Она может быть установлена на ее фундамент с использованием топочного агрегата. Зерносушилка работает на смеси топочных газов с воздухом и может быть снабжена топкой, работающей на газообразном топливе.

Зерносушилка А1-ДСП-50 состоит из двух вертикальных сушильных шахт 7,10 и составляет единую конструкцию из металлических секций, тепловлагообменника, тепловлагообменника с регулируемым охлаждением, охладительной шахты 13, выпускных механизмов 3, надсушильных бункеров 8, 9, вентиляторов 11, норий 2, топки 1 и шкафа управления.

Сырое зерно подают из оперативного бункера 6 и смешивают его с сухим нагретым зерном, которое поступает из второй сушильной шахты 10. Смесь зерна подают норией в надсушильный бункер (он же служит тепловлагообменником) и далее в первую сушильную шахту и тепловлагообменник с регулируемым охлаждением.

Затем зерно поступает во вторую рециркуляционную норию, которая подает его в надсушильный бункер, вторую сушильную шахту и далее в охладительную шахту. Кроме того, часть зерна после второй сушильной шахты отбирают на смешивание с сырым зерном. Просушенное и охлажденное зерно выпускают выпускным механизмом.

Агент сушки из топки и отработавший воздух из охладительной шахты засасывается вентиляторами ВНСН - 12,5 первой и второй сушильной зон. Затем его смешивают и подают через диффузор и напорно-распределительную камеру в подводящие короба сушильных шахт, далее он проходит через слой зерна и выходит из отводящих коробов в осадочную камеру 12 и в атмосферу.

Конструкция зерносушилки А1 ДСП-50 изображена в приложение.

3.3 Постановка задачи контроллерного управления


Разрабатываемый автоматизированный процесс сушки зерна на зерносушилке А1 - ДСП - 50 в данной курсовой работе на основе программируемого контроллера сводится к решению следующего типа задач:

автоматический розжиг топки, контроль и регулирование температуры выходящего из топки агента сушки, согласно технологическому процессу, при помощи изменения количества подачи газообразного топлива, а также аварийная остановка подачи газа при критических нарушениях технологического процесса или возникновение аварийных ситуаций (возгорание зерна, обрыв транспортёрных и норийных лент, и т.п.);

автоматическая загрузка бункеров зерносушилки влажным зерном до необходимого уровня и поддержание его по мере расхода зерна в процессе сушки;

в процессе загрузки и пополнения бункеров влажным зерном систематический контроль влажности зерна перед поступлением его в шахту нагрева и фиксирование этих параметров для дальнейшего использования в процессе сушки и отображения в учётной документации;

автоматический контроль за температурой агента сушки в сушильных шахтах на разных её уровнях путём изменения её на выходе из топки;

контроль влажности зерна в шахтах и в оперативном бункере и регулирование его поступления из оперативного бункера (рециркуляция) по мере достижения влажности согласно заданным параметрам;

контроль и фиксирование температуры и влажности зерна на выходе из зерносушилки в силос элеватора для учётной документации и необходимой коррекции микроконтроллера;

контроль и аварийная остановка зерносушилки в случае отказа контролирующих датчиков температуры и влажности, отказа или заклинивание электрических задвижек, обрыва ленты транспортёров или норий, отказа приводных двигателей или недостаточная их производительность;

в случае отказа работы контроллера должна быть возможность перевода работы зерносушилки в ручном режиме без нарушения технологического процесса.

3.4 Выбор промышленного контроллера для зерносушильной установки


Мировая промышленность выпускает огромное количество контроллеров и микроконтроллеров различных назначений и типов как Российского, так и зарубежного производства. При выборе контроллера для управления зерносушилкой мы исходили из его цены, функциональных возможностей, количества и типов управляющих сигналов, скорости обработки информации, размеров, возможности дальнейшего (при необходимости) недорогого расширения и оптимального его использования. Так, к примеру, многие зарубежные имеют большое число (100 и более) входных и выходных сигналов, высокие скоростные параметры, маленькие размеры, высокую цену, что нецелесообразно в использовании для управления зерносушилкой, т.к. число входных и выходных сигналов не превышает 100, высокая скорость контроллера необязательна (управление производится магнитными пускателями, время срабатывания которых на несколько порядков больше времени срабатывания даже самого "тихоходного" контроллера), размеры контроллера также не играют роли (чем компактнее контроллер, тем он дороже).

Исходя из вышеперечисленных соображений, выбираем промышленный контроллер общего назначения Российского производства, типа УПУ-ТП-2М, так как этот контроллер предназначен для использования его в автоматизации любых технологических процессов, имеет гибкую систему настройки программного обеспечения и большой выбор модулей ввода-вывода в зависимости от количества входных и выходных сигналов, что позволяет быстро и недорого производить его ремонт (заменой модулей), а так же возможность, при необходимости, его расширения, путём добавления блоков или их изменение на более эффективные.

Модуль центрального процессора выбираем CPU-166C/M (внешний вид показан на рисунке 2 см. приложение), предназначен для использования в качестве центрального процессора в системах автоматизированного управления на базе контроллера УПУ-ТП-2М.

Применение модуля обеспечивает:

повышение надежности контроллеров (за счет сокращения количества модулей в контроллере и применения высоко надежной современной элементной базы);

повышение скорости обработки прикладных программ;

расширение функциональных возможностей;

снижение затрат на оборудование как в новых проектах, так и в системах, находящихся в эксплуатации.

Все модули ввода-вывода и прикладные программы, разработанные для контроллеров серии УПУ-ТП, могут быть использованы в контроллере с модулем без изменения.

Модуль представляет собой печатную плату формата Е2 с установленными на ней дискретными элементами и лицевой панелью. На лицевой панели модуля расположены элементы индикации и разъемы для подключения интерфейсных кабелей.

3.5 Организация вывода информации технологического процесса с использованием промышленного контроллера УПУ-ТП-2М


Модуль дискретного вывода МДВ-02, внешний вид модуля показан на (рисунке 3. см. приложение), предназначен для приема сигналов воздействия на управляемый объект в виде дискретной информации, хранения ее, выдачи управляющих воздействий на управляемый объект в виде напряжения переменного тока, а также для гальванической развязки управляемого объекта с УПУ-ТП.

Модуль имеет 16 каналов вывода дискретной информации. Каналы разделены на 2 группы по 8 каналов с независимым питанием выходных элементов. Согласно количеству выходных сигналов берём два идентичных модуля вывода МДВ - 02.

3.6 О возможности применения ЭВМ высшего уровня


Реализованная в данной курсовой работе автоматизация зерносушилки А1-ДСП-50 на базе промышленного контроллера УПУ-ТП-2М имеет одну особенность: отсутствие визуальной информации о ходе работы зерносушилки, т.е. пуск сушилки, осуществляется одной кнопкой и весь процесс начинает выполняться автоматически до выключения зерносушилки (оператором, при отсутствии зерна или наличия неисправности оборудования). Хотя первичная индикация имеется на самих модулях ввода-вывода и центральном процессоре, которую можно вывести на пульт управления и по ним контролировать работу зерносушилки, но для более удобного восприятия можно применить ЭВМ высшего уровня (персональный компьютер).

Соединение ЭВМ с контроллером осуществляется по двунаправленной шине СОМ1 или СОМ2, что позволяет при помощи прикладных программ визуально наблюдать за технологическим процессом работы зерносушилки, а так же показывать неисправности оборудования зерносушилки, модулей ввода-вывода и модуля центрального процессора УПУ-ТП-2М.

Так же при помощи ЭВМ можно, при необходимости, внести изменения в ход технологического процесса или даже полностью сменить прошивку ПЗУ контроллера (в случае изменения технологического процесса, замены центрального процессора или использование контроллера в других целях). Для этого выпускают специальные программы для ПК, позволяющие программировать и управлять контроллером УПУ-ТП-2М.

4. Обоснование экономической эффективности


Главной задачей экономической части проекта является экономическое обоснование технических решений, принимаемых в проекте.

В данном экономическом расчёте проводится обоснование автоматизации зерносушилки А1-ДСП-50. При расчёте экономической эффективности сравниваются два варианта: базовый и новый.

К достоинствам автоматизации зерносушилки можно отнести следующее:

точное соблюдение ведения технологического процесса сушки зерна;

полный контроль работы всего оборудования

К недостаткам базового варианта можно отнести повышенную пожароопасность из-за отсутствия полной информации о работе зерносушилки.

Для определения величины годового экономического эффекта автоматизации зерносушилки необходимо рассчитать дополнительные капитальные вложения на автоматизацию и экономию текущих эксплуатационных издержек за год.

 

4.1 Расчет капитальных вложений


Дополнительные капитальные вложения на автоматизацию включают следующие затраты:

-       стоимость основного комплектующего электрооборудования с учётом транспортных расходов;

-       расходы на проектирование и монтаж нового оборудование;

-       накладные расходы;

Расчёт дополнительных капитальных вложений производится по формуле:

,

где - стоимость устанавливаемого электрооборудования с учётом транспортных расходов, руб.;

 - дополнительная заработная плата, руб.;

 - отчисления на социальные нужды, руб.;

 - прочие прямые расходы, руб.;

 - накладные расходы, руб.

Цены на устанавливаемое электрооборудование указаны согласно прайс-листам торговых организаций: контроллер УПУ-ТП2М - 39800 руб.

Транспортные расходы составляют 3% от цены оборудования. Таким образом, стоимость устанавливаемого электрооборудования составит:

 руб.

Основная заработная плата работников определяется по формуле:

,

гдеn - число категорий работников;

ti - трудоёмкость работ для каждой i-той категории работников, час.;

ЧТСi - часовая тарифная ставка работника i-категории, руб/час;

КПР - процент премии, %, КПР=100%;

КР - районный (уральский) коэффициент, %, КР=15%.

В проведении автоматизации зерносушилки принимают участие два работника: инженер-электронщик (месячный оклад 3650 руб); наладчик КИПиА 5-го разряда (ЧТСКИПиА 5=15,36 руб/час). Весь комплекс работ по автоматизации разделяется на отдельные этапы и закрепляется за конкретными исполнителями. Перечень работ и их трудоёмкость для каждого исполнителя представлены в таблице:

Таблица 4.1 - Перечень работ и трудоёмкость исполнителей

Содержание работы

Исполнитель

Трудоёмкость работы, час

1

2

3

1. Разработка технического задания

Инженер-электронщик

1

2. Разработка процесса автоматизации

Инженер-электронщик

30

3. Инженерное сопровождение и настройка электроприборов

Инженер-электронщик

60

4. Монтаж приборов автоматики

Наладчик КИПиА

60

Итого трудоёмкость работ: Для электромонтёра

Для инженера - электронщика

 91 60


Часовая тарифная ставка инженера-электронщика определяется по формуле:

,

где ОМ - месячный оклад, руб;

ФР - количество рабочих часов в месяц (принимается равным 176 ч).

Таким образом:

 руб.

Основная заработная плата работников составит:

руб.

К дополнительной заработной плате относятся выплаты, предусмотренные законодательством о труде и коллективными договорами за непроработанное время: очередные и дополнительные отпуска, оплата льготных часов и т.д.:

,

где КДОП - процент дополнительной зарплаты, %, КДОП=10%

Таким образом, дополнительная зарплата составит:

 руб.

Отчисления на социальные нужды составляют 26,9 % от суммы основной и дополнительной зарплаты, и направляются в пенсионный фонд (20%), в фонд социального страхования (3,2%), в фонд обязательного медицинского страхования (2%), а также на социальное страхование от несчастных случаев на производстве и профессиональных заболеваний (0.9%):

,

где КСН - процент отчисления на социальные нужды, КСН=26,9%

 руб.

К прочим прямым расходам относятся расходы на приобретение и подготовку материалов специальной научно-технической информации, за использование средств телефонной и радиосвязи, и другие расходы, которые в целом составят 1% от основной зарплаты. Прочие прямые расходы равны:

,

где КПР - процент прочих прямых расходов; КПР=1

 руб.

К накладным относят расходы на управление и хозяйственное обслуживание и принимают в размере 30 % от основной зарплаты, т.е.:

 руб.

где КН - процент расходов на управление и хозяйственное обслуживание, КН=30%

 руб.

В результате общая сумма дополнительных капитальных вложений на автоматизацию составит:

руб.

Результаты расчёта сведём в таблицу 4.2

Таблица 4.2 - Сумма капитальных дополнительных вложений

Статьи затрат

Сумма, руб

Стоимость нового электрооборудования

40994

Основная заработная плата

6460,56

Дополнительная заработная плата

646,06

Отчисления на социальные нужды

1911,68

Прочие прямые расходы

64,61

Накладные расходы

1938,17

Итого капитальные вложения на автоматизацию

52015,08


4.2 Расчёт годовых эксплуатационных издержек

Ежегодные текущие затраты на эксплуатацию зерносушилки складываются из следующих составляющих:

годовые амортизационные отчисления;

годовые затраты на обслуживание зерносушилки и текущий ремонт;

стоимость потребляемой электроприводом электроэнергии за год;

издержки на зарплату обслуживающего персонала.

Амортизационные отчисления за год определяется по следующей формуле:

,

где

НАМ - годовая норма амортизации, %, НАМ=5%.

амортизационные отчисления по базовому варианту не рассчитываются, т.к. оборудование выработало весь ресурс:

.

Амортизационные отчисления по новому варианту равны:

 руб.

Издержки на заработную плату обслуживающего персонала составят:

,

,

где ФРАБi - эффективный годовой фонд времени i-рабочего, ч/год;

Чi - численность i-категории рабочих, чел.

,

где ДК - количество календарных дней, ДК=365

ДВП - количество праздничных и выходных дней, ДВП=117

ДОТП - количество дней отпуска, ДОТП=35

tРД - время рабочего дня (смены), ч, tРД=8

В результате автоматизации зерносушилки произошли изменения в штатном расписании, данные которого приведены в таблице 4.3:

Таблица 4.3 - Штатное расписание обслуживающего персонала и часовая тарифная ставка

Категория работников

ЧТС, руб

Штатное расписание на одну смену



Базовый

Новый

Зерносушильщик

15,47

1

1

Помощник зерносушильщика

13,27

2

0

Лаборант

10,18

1

0


 ч/год.

 ч/год.

,

 

руб.

 руб.

,

где КДОП - процент дополнительной зарплаты, %, КДОП=10%

 руб.

 руб.

,

где КСН - процент отчисления на социальные нужды, КСН=26,9%

 руб.

 руб.

 руб.

 руб.

Затраты на ремонт и обслуживание системы электропривода включают в себя затраты на заработную плату ремонтного и обслуживающего персонала () и затраты на комплектующие изделия, запасные части и материалы, используемые при ремонтах и обслуживании (ИЗЧ), т.е.:

,

В таблице 4.4 приведены быстроизнашивающиеся детали и годовое их потребление по базовому варианту:

Таблица 4.4 - Быстроизнашивающиеся узлы и приборы автоматики

Наименование

Потребляемое кол-во в год, шт

Цена за единицу, руб

Сумма, руб

Реле контроля скорости

0,5

2400

1200

Измеритель влажности

0,1

5000

500

Датчик уровня зерна

1

1000

1000

Подшипники разные

25

150

3750

Магнитный пускатель АП-50

1

400

400

Магнитный пускатель ПАЕ

1

700

700

Термодатчик ТСП-50

1

600

600

Электродвигатель

1

2500

2500

Звонок громкого боя

1

300

300

Итого

 

 

10950


В таблице 4.5 приведены быстроизнашивающиеся детали и годовое их

потребление по новому варианту:

Таблица 4.5 - Быстроизнашивающиеся узлы и приборы автоматики

Наименование

Потребляемое кол-во в год, шт

Цена за еденицу, руб

Сумма, руб

1

2

3

4

Реле контроля скорости

0,5

2400

1200

Измеритель влажности

0,1

5000

500

Датчик уровня зерна

1

1000

1000

Подшипники разные

25

150

3750

Магнитный пускатель АП-50

1

400

400

Магнитный пускатель ПАЕ

1

700

700

Термодатчик ТСП-50

1

600

600

Электродвигатель

1

2500

2500

Звонок громкого боя

1

300

300

 Вставной блок контроллёра

0,1

6000

600

 Итого:

 


11550


Все цены указаны в соответствии с прайсами-цен торговых организаций

руб.

руб.

Затраты на заработную плату ремонтного и обслуживающего персонала определяются исходя из трудоёмкости этих работ и рассчитывается по формуле:

,

где m - число категорий персонала;

tpi - трудоёмкость обслуживания и ремонта для i-категории персонала, ч/год.

Трудоёмкость технического обслуживания и текущего ремонта электроприводов и электрооборудования по каждому варианту приведена в таблице 4.6:

Таблица 4.6 - Трудоёмкость работ на текущий ремонт и обслуживание

Категория персонала

Трудоёмкость, ч/год


Базовый вариант

Новый вариант

Наладчик КИПиА

230

270


Таким образом, общая зарплата с отчислениями для ремонтного персонала и обслуживающего персонала по каждому варианту составляет:

,руб.

,руб.

Общие затраты на ремонт и обслуживание системы электропривода и автоматизации составляет по каждому варианту:

 руб.

 руб.

Стоимость потребляемой электроприводом электроэнергии за год определяется по формуле:

 руб.

где ФОБ - эффективный годовой фонд времени работы оборудования, ч;

Му - установленная мощность электропривода, кВт;

ЦЭЛ - тариф на электроэнергию, руб/кВтч, ЦЭЛ = 1,11 руб/кВтч;

КМ - коэффициент использования по мощности, КМ = 0,9;

КПС - коэффициент, учитывающий потери в сети, КПС = 1,04;

η - коэффициент полезного действия электропривода.

,

где ДРАБ - количество рабочих дней в году, ДРАБ=248

tСМ - длительность смены, tСМ=8ч

h - количество смен, h=2

α - процент потерь на регламентированные ремонтные работы и осмотры, %

,

 %.

%.

Без системы автоматизации α=5,8%, в новом варианте α=6,8%

 ч.

 ч.

Установленная мощность электропривода для базового варианта составляет: кВт

Так как потребляемая мощность микроконтроллерного управления несоизмерима мала с установленной мощностью самой зерносушилки, то установленную мощность нового варианта можно приравнять к установленной мощности базового варианта:  кВт

КПД электропривода базового варианта также не отличается от нового варианта, т.к. часовая производительность зерносушилки не изменилась:

ηБАЗ=0,9

ηНОВ=0,9

Таким образом, стоимость потребляемой электроприводом электроэнергии за год для каждого варианта составит:

 руб.

 руб.

В результате годовые эксплуатационные издержки составят:

,

Для базового варианта:

 руб.

Для нового варианта:

руб.

4.3 Определение экономической эффективности автоматизации


Оценка общей и сравнительной экономической эффективности позволяет решить вопрос о целесообразности проведения автоматизации зерносушилки А1-ДСП-50. В результате проведения процесса автоматизации, повлёк за собой уменьшения обслуживающего персонала.

Таким образом, коэффициент роста производительности труда составит:

,

где  - производительность зерносушилки при новом варианте, т/час

 - производительность зерносушилки при базовом варианте, т/час

Часовая производительность зерносушилки не изменилась, т.е.

==50 т/ч.

.

Условно - годовая экономия эксплуатационных издержек определяется следующим образом:

,

руб.

Срок окупаемости дополнительных капиталовложений:

,

 лет.

Коэффициент сравнительной экономической эффективности капитальных вложений:

,

Сравнивая полученные значения ,  с нормативными значениями , , по условиям  и  ≥ , где =6,6 года, =0,15, можно сделать вывод об экономической целесообразности модернизации.

.

Годовой экономический эффект можно определить по следующей формуле:

,

руб.

Таким образом, проведение автоматизации зерносушилки А1-ДСП-50 является экономически обоснованным. Результаты расчёта сведены в таблицу 4.7

Таблица 4.7 - Технико-экономические показатели проекта

Наименование показателя

Единица измерения

Значение



базовый вариант

новый вариант

Дополнительные капитальные вложения, всего в том числе: стоимость оборудования заработная плата исполнителей с отчислениями

 руб руб руб

 ― ― ―

 52015,08 40994 9018,3

Годовые эксплуатационные издержки, всего в том числе: - амортизационные отчисления затраты заработную плату обслуживающего персонала затраты на текущий ремонт и обслуживание стоимость потребляемой электроэнергии

 руб руб руб руб руб

 1480455,2 0 285521,65 22292,3 1172641,25

 1272191,99 2600,75 84633,44 24864,88 1160092,92

Ччисленность обслуживающего персонала

чел

4

1

Трудоёмкость текущего ремонта и обслуживания за год

чел/ч

230

270

5. Коэффициент роста производительности

0,99

6. Условно-годовая экономия издержек

руб

193458,97

7. Годовой экономический эффект

руб

185656,61

год

0,27


Расчет капитальных вложений был произведен на основании "Методических рекомендаций по оценке ущерба от аварий на олпасных производственных объектах (РД 03-496-02)", утвержденных постановлением Госгортехнадзора России от 29.10.02 № 63. и балансовой стоимости а также паспорта безопасности.

4.4 Определение количества пострадавших


Данный расчет произведен в соответствии с "Методика прогнозирования и оценки медицинских последствий аварий на взрыво- и пожароопасных объектах." Москва, ВНИИ ГОЧС, 1993. В данном случае рассматривается наиболее опасный сценарий развития чрезвычайной ситуации. Он заключается в следующем: произойдет разгерметизация газового оборудования, загазованность помещений, взрыв газовоздушной смеси, который ведет к количеству пострадавших - до 10 человек, в т. ч. с летальным исходом до 3 человек работников предприятия.

Количество людей, имеющих поражения различных степеней тяжести, вычисляется по формуле:

Nnop = Рч х Snop, чел., где:

рч - плотность людей в зоне поражения, чел/м2 (с учетом НРС и фактического места постоянного нахождения работников);

Snop - площадь действия фактора поражения определенной тяжести. Площади зон поражения определенной тяжести вычисляется по формуле:

Sпор = 3,14 x R 2пор, м, где

Rnop - радиус зоны поражения определенной тяжести.

В соответствии с паспортом безопасности распределение работников по предприятию рч =0,051 чел/м2

Результаты расчетов количества пострадавших различных степеней тяжести, в результате ЧС на опасных объектах предприятия сведены в таблицы № 4.8; 4.9; 4.10.

Таблица № 4.8 - Количество пострадавших от ударного воздействия работников предприятия

поо

Максимальное количество пострадавших, чел


наиболее опасный сценарий


Всего

в т. ч с летальным исходом

Элеватор

До10

До3


Таблица № 4.9 - Количество пострадавшего от ударного воздействия население на прилегающей территории.

поо

Максимальное количество пострадавших, чел


наиболее опасный сценарий


Всего

в т. ч с летальным исходом

Элеватор

-

-


Таблица № 4.10 - Количество пострадавших от теплового воздействия работников предприятия.

поо

Максимальное количество пострадавших, чел


наиболее опасный сценарий


Всего

в т. ч с летальным исходом

Элеватор

До10

До3


4.5 Социально-экономические потери


Социально-экономические потери при возникновении аварийных ситуаций на территории Общества, в которых могут пострадать люди (затраты на компенсации и мероприятия вследствие гибели и (или) травмирования персонала будут определяться количеством пострадавших и степенью их поражения.

Лимит ответственности, за вред причиненный жизни и здоровью одного человека составляет 100000 руб.

Стоимость лечения одного пострадавшего с клиническими симптомами поражения за весь период нетрудоспособности, по данным страховых компаний не превышает 15000 руб.

Выплата пособий по временной нетрудоспособности пострадавшему (при средней месячной зарплате работников предприятия ~ 9000 руб.; период нетрудоспособности принят 10 рабочих дней от дня аварии).

Sb = (15000 * 10) + (9000 * 10) * 0,3 = 177000 руб.

Принято, что исков о возмещении морального вреда со стороны потерпевших или их родственников не поступит.

Связанные с гибелью человека по "Ход страхования ответственности организаций, эксплуатирующих опасные производственные объекты. Анализ результатов оценки ущерба, представленных в декларациях промышленной безопасности" И.А. Кручинина, к. т. н., ГУП "НТЦ "Промышленная безопасность" затраты Пг можно вычислить, исходя из расходов на выплату пособий на погребение погибших и в случае потери кормильца соответственно:

Пг = Sпor + 12x3cЧи (18 - Вс. и.) / (1+Чи), где

Snor - средние расходы на выплату пособий на погребение погибших в регионе;

Чи - число иждивенцев на одного занятого в экономике;

Всс. и _ средний возраст иждивенцев в данном регионе.

Подставляя в формулы значения, приводимые в официальной статистике Госкомстата России, получаем, что в среднем по России в 2005 году затраты, связанные с гибелью человека, составляли 145000 руб., что соответствует на данный период. Общие социально-экономические потери составят 322000 руб. Рассчитано в соответствии с методическими рекомендациями "Ход страхования ответственности организаций, эксплуатирующих опасные производственные объекты. Анализ результатов оценки ущерба, представленных в декларациях промышленной безопасности" И.А. Кручинина, к. т. н., ГУП "НТЦ "Промышленная безопасность".

Заключение


В ходе выполнения курсовой работы было произведено ознакомление с общими теоретическими сведениями о процессе сушке зерна.

Была изучена конструкция и устройство зерносушилки А1-ДСП-50 на ОАО "Элеваторе", работа её механических узлов и электроприводов. Разработана система автоматизации работы зерносушилки посредством управления ей промышленным контроллером УПУ-ТП-2М, а так же работа зерносушилки в обычном ручном режиме в случае выхода из строя контроллера.

Автоматизация зерносушилки А1-ДСП-50 позволила:

-       сократить число обслуживающего персонала;

-       повысить качество технологического процесса сушки зерна, за счёт увеличения точностных показателей датчиков;

-       уменьшить время нерегламентированных простоев за счёт полного контроля над работой оборудования, таких как своевременная остановка зерносушилки и недопускание засыпи зерна в случае поломки узлов и агрегатов зерносушилки;

-       повысить пожарную безопасность зерносушилки;

-       упростить сбор информации о просушенных партиях зерна, за счёт формирования базы данных с использованием ЭВМ высокого уровня.

Исследование автоматизации зерносушилки с экономической стороны позволяет сделать вывод о целесообразности внедрения данного проекта.

Рассмотрены вопросы безопасности труда при работе с механизмами и электрооборудованием зерносушилки, а так же разработан план по улучшению условий труда оператора - зерносушильщика.

Приведенный пример экономической оценки эффективности процесса автоматизации по приведенным методикам показывает, что для данного оборудования здания экономический эффект при использовании разработанного метода обеспечения взрывобезопасности здания со взрывоопасным производством составляет 185656,61 рублей. Необходимо учесть, что данная экономическая эффективность от внедрения системы оповещения рассчитывалась для одной потенциальной аварии, в дальнейшем для расчёта экономической эффективности дополнительные капитальные вложения можно не учитывать.

Таким образом, с учетом того, что срок эксплуатации данных систем оповещения составляет 40 лет, то экономический эффект может составить не менее 7967664 рублей.

Список использованных источников


1 Куликов В.Н., Миловидов М.Е. Оборудование предприятий элеваторной и зерноперерабатывающей промышленности: Учеб. для вузов. - М.: Агропромиздат, 2011. - 383 с.

Морозов Э.В., Новицкий О.А., Сегеда Д.Г. Справочник электрика предприятий по хранению и переработке зерна: М.: Агропромиздат, 1989. - 272 с.

Комышник Л.Д., Журавлёв А.П., Ревера Н.Г. Эксплуатация рециркуляционных зерносушилок: М.: Агропромиздат, 1986. - 232 с.

Белов С.В. Безопасность жизнедеятельности проекта: Учеб. для вузов. - М.: Высшая школа, 2009. - 485 с.

Тартаковский М.А., Царёв А.Г. Справочник работника элеваторной промышленности: М.: Колос, 2008.468 с.

Справочник по электроснабжению и электрооборудованию.: Под ред. : Фёдорова А.А., Энергоатомиздат, 2010 г. - 367 с.

Приложение


Прайс-лист цен устанавливаемого электрооборудования

Общество с ограниченной ответственностью "ПРОМРАДАР"

, Московская область, Истринский район, станция Холщевики.

Тел. /факс (49631) 2-28-74, 5-71-26

E-mail: sensors@istra.ru. #"804348.files/image042.gif">руб.

руб.

Итого: 10950 + 11550 = 22500 руб.

- топка; 2 - нория; 3 - выпускные механизмы; 4 - тепловлагообменник; 5, 12 - осадочные камеры; 6 - оперативный бункер; 7 - первая сушильная шахта; 8 - надсушильный бункер первой сушильной шахты; 9 - надсушильный бункер второй сушильной шахты; 10 - вторая сушильная шахта; 11 - вентилятор; 13 - охладительная шахта; I - сырое зерно; II - сухое зерно

Рисунок 1. - Схема зерносушилки А1-ДСП-50

Рисунок 2. - Внешний вид модуля центрального процессора

Рисунок 3. - Внешний вид модуля дискретного вывода МДВ-02

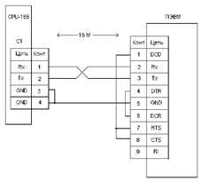
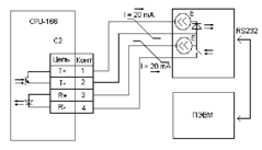
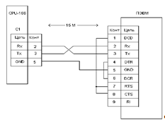
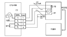
Рисунок 4. Пример подключения модуля по интерфейсу TTY (питание от внутреннего источника тока)

Рисунок 5. Пример подключения модуля по интерфейсу TTY (питание от внешнего источника тока)

Рисунок 6. Пример подключения модуля по интерфейсу RS232 через "С1" 

Рисунок 7. Пример подключения модуля по интерфейсу RS232 через "С2"

Похожие работы на - Разработка и определение экономической эффективности внедрения системы оповещения о пожаре на зерновом элеваторе

 

Не нашли материал для своей работы?
Поможем написать уникальную работу
Без плагиата!
Без нейросетей!