Разработка гибридной интегральной схемы усилителя электрических сигналов низкой частоты
СОДЕРЖАНИЕ
Техническое задание
Введение
. Разработка структурной схемы
. Разработка принципиальной схемы
. Разработка интегральной микросхемы
3.1 Выбор
навесных элементов и расчет конфигурации пленочных элементов
.2 Расчет
амплитудно-частотной характеристики
Список литературы
ТЕХНИЧЕСКОЕ ЗАДАНИЕ
Разработать принципиальную схему и выполнить расчет двухкаскадной схемы
усилителя низкой частоты с использованием полевого и биполярного транзисторов.
1. Напряжение
источника питания
.
. Коэффициент
усиления по напряжению
.
. Входное
сопротивление
.
. Сопротивление
нагрузки
.
. Номинальное
выходное напряжение
.
. Нижняя
рабочая частота
.
. Верхняя
рабочая частота
.
. Коэффициент
частотных искажений на нижней рабочей частоте
.
. Коэффициент
частотных искажений на верхней рабочей частоте
.
. Тип
входа - несимметричный.
. Тип
выхода - несимметричный.
Исходные данные для варианта 10 сведены в таблицу 1.
Таблица 1
|
№ вар.
|
, В , МОм , кОм , В , Гц , кГц , дБ , дБТип
входаТип выхода
|
|
|
|
|
|
|
|
|
|
|
|
10
|
-12
|
8
|
0.33
|
2
|
2
|
50
|
10
|
1
|
1
|
Н
|
Н
|
ВВЕДЕНИЕ
усилитель
частота транзистор пленочный
Курсовое проектирование является важным этапом в освоении изучаемого
предмета, позволяющим применить на практике знания, полученные в процессе
проработки лекционного курса.
Проектирование заключается в разработке и полном расчете электрической
схемы гибридной интегральной схемы (ГИС) - усилителя электрических сигналов
низкой частоты (УНЧ).
Особенностью проектирования ГИС-УНЧ является то, что невозможно получить
единственное однозначное решение, необходимо достичь определенного компромисса
между выдвигаемыми требованиями, зачастую достаточно противоречивыми.
Сферы использования ГИС очень разнообразны, широко применяются подобные
микросхемы в системах автоматического управления, в вычислительной технике,
измерительных приборах, устройствах голосовой связи. Применение ГИС позволяет
снизить массо-габаритные показатели аппаратуры, повысить энергоэффективность, надежность,
снизить эксплуатационные расходы.
1. РАЗРАБОТКА СТРУКТУРНОЙ СХЕМЫ
Рис.1. Структурная схема разрабатываемого устройства
В общем случае техническому заданию соответствует двухкаскадная схема
усилителя с использованием полевого и биполярного транзисторов.
Обобщенная структурная схема разрабатываемого устройства состоит из
следующих блоков:
Входной узел. Служит для согласования между источником сигнала и первым
каскадом усилителя.
-
Первый каскад. Служит для основного усиления и должен обладать большим входным
сопротивлением. Напряжение источника питания, в соответствии с заданием
. Следовательно, выбираем транзистор с каналом
типа. Коэффициент передачи рассчитывается исходя из
коэффициентов передачи всех остальных каскадов.
Второй
каскад. Должен обеспечить малое выходное сопротивление разрабатываемого
устройства и достаточную амплитуду выходного сигнала. Исходя из напряжения
питания, биполярный транзистор должен быть структуры
.
Выходной
узел. Служит для согласования второго каскада с нагрузкой. В разрабатываемом
устройстве для этого служат разделительные конденсаторы, которые не дают пройти
постоянной составляющей в нагрузку. Т.к. это разделительные конденсаторы, то
они определяют АЧХ в области нижних частот.
Коэффициент частотных искажений многокаскадного усилителя равен
произведению коэффициентов частотных искажений отдельных каскадов:
(1)
Обычно
коэффициент частотных искажений выражают в децибелах
(2)
Согласно
заданию коэффициент частотных искажений на нижней и верхней граничных частотах
усилителя
и в данном случае определяется выражением
. Распределим искажения поровну между двумя каскадами:
.
2.
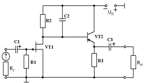
РАЗРАБОТКА ПРИНЦИПИАЛЬНОЙ СХЕМЫ
Принципиальная
схема усилителя представлена на рис. 2.
Рис. 2. Принципиальная схема усилителя с несимметричным входом и
несимметричным выходом
С учетом комплекса требований ТЗ к разрабатываемому устройству выберем
двухкаскадную схему с непосредственной связью между каскадами. Это позволит
уменьшить количество элементов и расширить полосу пропускания в области нижних
частот.
Первый каскад предлагается выполнить на полевом транзисторе включенном в
схему с общим истоком (ОИ), такое включение позволит выполнить требования ТЗ по
входному сопротивлению, получить в первом каскаде достаточное усиление и низкий
коэффициент шума всего усилителя.
Второй каскад выполняется на биполярном транзисторе по схеме эмиттерного
повторителя (схема с общим коллектором) (ОК).
В нашем случае коэффициент усиления устройства равен произведению
коэффициентов усиления входящих в него каскадов:
(3)
где
- коэффициент передачи входного узла;
- коэффициент
передачи первого каскада;
-
коэффициент передачи второго каскада;
-
коэффициент передачи выходного узла.
Ориентировочно
определим коэффициент усиления первого каскада:
(4)
После
распределения частотных искажений и усиления между каскадами произведем расчет
транзисторных каскадов. Будем использовать графоаналитический метод.
Расчет
первого каскада:
На
рис. 3 приведены семейство выходных характеристик ПТ 2П201А с
переходом и каналом
типа.
Рис. 3. Семейство выходных характеристик ПТ 2П201А
Определим минимальное напряжение сток -исток в точке покоя:
(5)
где
=1,5 В - напряжение отсечки выбранного транзистора ;
=2 В -
номинальное выходное напряжение;
- 0,5 В -
напряжение запаса, обеспечивающее роботу транзистора в рабочей области стоковых
характеристик.
В
Выбираем
рабочую точку
при нулевом смещении на затворе.
. Такой выбор упрощает принципиальную схему и
топологию, так как нет необходимости в сопротивлении в цепи стока
, и конденсаторе большей емкости
, шунтирующего это сопротивление для устранения
отрицательной обратной связи.
Определим
динамическое внутреннее сопротивление в рабочей точке:
(6)
Определяем сопротивление резистора в цепи стока R2:
, (7)
где
ток стока в рабочей точке
В
нашем случае
, коэффициент усиления каскада в большей степени
определяется величиной
и для расчета коэффициента усиления воспользуемся
формулой:
, (8)
где
- крутизна
в рабочей точке.
(9)
Подставив значения в формулу (8) получим коэффициент усиления напряжения
первого каскада:
Расчет второго каскада: Основная задача второго каскада -
согласование сопротивления нагрузки с высоким выходным сопротивлением предшествующего
каскада и обеспечение необходимой мощности.
Определим минимальную постоянную составляющую коллекторного напряжения:
В (10)
Определяем
амплитуду тока нагрузки:
(11)
Ток
покоя транзистора выходного каскада
должен в
2-3 раза превышать амплитуду тока нагрузки. Выбираем :
Напряжение
на базе транзистора выходного каскада равно напряжению сток- исток транзистора
первого каскада:
В (12)
Падение
напряжения на сопротивлении в цепи эмиттера:
В (13)
Постоянная
составляющая коллекторного напряжения:
В (14)
что
не меньше определенного ранее по формуле (10).
Так
как по ТЗ задана отрицательная полярность питающего напряжения, выбираем транзистор
структуры n-p-n, у которого максимально допустимое напряжение коллектор-эмиттер
должно быть не менее 12 В (напряжение питания) и ток коллектора не менее 5 мА.
Выбираем
транзистор 2Т370А-1 с параметрами: 
На
выходных статических характеристиках транзистора (рис. 4) выбираем рабочую
точку А, с координатами:
.
.
В
Рис.
4. Семейство входных и выходных характеристик транзистора 2Т370А-1
Входное
сопротивление транзистора в рабочей точке:
Ом (15)
Коэффициент
передачи тока:
(16)
Величина
сопротивления в цепи эмиттера:
(17)
Коэффициент
передачи выходного каскада:
(18)
где
(19)
Подставив
рассчитанные значения в формулу (18) получим :
Входное
сопротивление второго каскада:
(20)
Общий
коэффициент усиления по напряжению:
Коэффициент
усиления получился выше требуемого, поэтому уменьшим коэффициент передачи
входного устройства до значения - 0,968.
Сопротивление
источника сигнала при этом составит:
(21)
Общий
коэффициент усиления:
Требования
ТЗ выполнены.
Рассчитаем величины емкостей разделительных конденсаторов, переведя
заданные коэффициенты частотных искажений по каскадам в разы.
(22)

(23)
Определим
величину корректирующего конденсатора:
(24)
3. РАЗРАБОТКА ИНТЕГРАЛЬНОЙ МИКРОСХЕМЫ
.1 Выбор навесных элементов и расчет конфигурации пленочных элементов
Выбор навесных элементов:
В разрабатываемой интегральной микросхеме навесными элементами являются
транзисторы VТ1 и VT2 с размерами:
2П201А-1:
Т370А-1:
Резистор
R1, который определяет входное сопротивления устройства выбираем из
стандартного ряда ряд Е24, R3 =330 кОм с размерами: L=6мм, В=2,2 мм
Навесные элементы необходимо устанавливают не ближе 500мкм от пленочных
элементов и не ближе 600мм от контактных площадок; минимально допустимое
расстояние между навесными элементами 300 мкм. Длина проволочных выводов
навесных элементов допускается от 600 мкм до 5 мм. Расчет пленочных резисторов:
Расчет максимальной рассеиваемой мощность каждого резистора и выбор конфигурации
и размера.
, (25)
где
Ii - ток, протекающий через резистор.
.
Далее определим коэффициент формы:
, (26)
где
величина сопротивления;
-
удельное поверхностное сопротивление.
Для
изготовления резисторов выбираем сплав РС3001 с высоким удельным поверхностным
сопротивлением. Удельное сопротивление сплава
,
удельная мощность рассеяния
.
Подставив
в (29) числовые значения, получим:
Так
как
, то резистор будет прямоугольной формы
Так
как
то резистор будет прямоугольником, у которого длина
чуть меньше ширины.
Расчёт
длины резистора:
, (27)
где
расчетная мощность резистора;
удельная
мощность материала.
*
*Округление производится до
десятых долей в большую сторону.
Ширина
резисторов определяется из формулы:
(28)
*Округление производится до
десятых долей в большую сторону.
Полученные
значения длины и ширины резисторов больше минимальных:
,
.
Расчёт
плёночных конденсаторов:
Для
плёночных конденсаторов в качестве диэлектрика выбираем окись тантала, как
имеющую большую удельную ёмкость
, в
качестве материала обкладок - алюминий.
Рассчитаем
площади конденсаторов:
(29)
Ввиду
большой площади элементов
и
, более
целесообразным представляется применение навесных элементов с номиналами из
стандартного ряда Е24:
-
К10-17, номинал 27 нФ, размеры:
,
.
-
К53-26, номинал 4,7 мкФ, размеры:
,
.
Для
проводников и контактных площадок выбираем медь с подслоем ванадия для
улучшения адгезии к подложке. Толщину проводников и контактных площадок примем
0,5 - 1 мкм. Размеры контактных площадок 200х250 мкм и более.
Тонкопленочные
элементы ГИС выполним путем термического, катодного или ионо-плазменного
напыления на диэлектрическую подложку соответствующего материала через
диэлектрические маски.
Формирование
конфигурации тонкопленочных элементов выполним с применением метода
фотолитографии .
.2
Расчет амплитудно-частотной характеристики
АЧХ в области нижних частот:
Расчет относительного коэффициента усиления в области нижних частот
проведем по формуле:
(30)
В
качестве
в формулу (30) будем подставлять величины
,
,
,
,
,
,
.
Результаты
расчетов сведены в таблицу 2.
Таблица
2
|
 
|
|
|
|
0,076-22,38
|
|
|
|
0,248-12,12
|
|
|
|
0,673-3,44
|
|
|
|
0,801-1,92
|
|
|
|
0,892-1,00
|
|
|
|
0,971-0,26
|
|
|
АЧХ
в области верхних частот: Определим относительный коэффициент усиления на
частотах:
,
,
,
,
(31)
Для
частоты
:
Результаты
дальнейших расчетов сведены в таблицу 3.
Таблица
3.
|
 
|
|
|
|
0,969-0,28
|
|
|
|
0,890-1,01
|
|
|
|
0,699-3,11
|
|
|
|
0,364-8,77
|
|
|
|
0,192-14,34
|
|
|
Проверка
соответствия расчетных и заданных значений
и
:
(32)
Сквозная
АЧХ устройства изображена рис.5.
Рис.
5. Амплитудно-частотная характеристика
СПИСОК ЛИТЕРАТУРЫ
1. Методические
указания. Новосибирск. 2006.
. Ефимов
И.Е., Горбунов Ю.И., Козырь И.Я. Микроэлектроника. Проектирование, виды
микросхем, новые направления. -М.: Высшая школа, 1978.
. Степаненко
И. П. Основы микроэлектроники: учебное пособие для вузов. - М.: сов. Радио,
1980.
. Справочник
под редакцией Перельмана Б. Л. «Транзисторы для аппаратуры широкого применения»
- М: «Радио и связь» 1981
. Игнатов
А. Н., Калинин С. В., Савиных В. Л. Основы электроники. Учебное пособие.
Новосибирск 2005.