Разработка автоматизированного зарядного устройства для автомобильных аккумуляторных батарей

  • Вид работы:
    Дипломная (ВКР)
  • Предмет:
    Информатика, ВТ, телекоммуникации
  • Язык:
    Русский
    ,
    Формат файла:
    MS Word
    769,22 Кб
  • Опубликовано:
    2014-08-19
Вы можете узнать стоимость помощи в написании студенческой работы.
Помощь в написании работы, которую точно примут!

Разработка автоматизированного зарядного устройства для автомобильных аккумуляторных батарей

Введение

автоматизированный зарядный аккумуляторный батарея

На данном этапе развития нашего общества, когда постоянно увеличивается количество транспортных средств и самоходных машин оснащенных аккумуляторными батареями, большая часть потребителей столкнется с необходимостью обслуживания и зарядки аккумуляторной батареи. Казалось бы, в настоящее время зарядные устройства достаточно распространены и не ощущается необходимость в разработке данного устройства. Однако при эксплуатации зарядного устройства в промышленных масштабах и необходимости производить зарядку аккумуляторов каждый день, использование простого бюджетного варианта не представляется возможным. Более того, современный мир и современная жизнь требуют автоматизации привычных нам процессов.

Под автоматизацией технологического процесса следует понимать некую совокупность средств и методов, позволяющих осуществлять контроль и выполнение технологического процесса без непосредственного участия человека.

Актуальность использования автоматизированных зарядных устройств в промышленных масштабах уже не вызывает сомнений.

Применение автоматизированных зарядных устройств дает целый ряд преимуществ, к которым можем отнести следующее:

снижение трудоёмкости процессов;

повышение производительности;

обеспечение промышленной безопасности при проведении работ;

эффективное использование рабочего времени.

Таким образом, объектом исследования можно обозначить технологии и средства разработки автоматизированных устройств. Предметом исследования является автоматизированное зарядное устройство. Исходя из этого, целью квалификационной работы является разработка автоматизированного зарядного устройства для автомобильных аккумуляторных батарей соответствующее требованиям промышленной безопасности и эксплуатации в промышленных масштабах.

Для достижения поставленной цели были поставлены и решены следующие задачи:

Углубленно изучить методы разработки устройств на микроконтроллерах PIC;

Разработать функциональную и электрическую принципиальную схему устройства;

Произвести тестирование разработанного устройства;

Произвести расчет экономических затрат на разработку устройства;

Методы исследования и разработки проекта - сопоставительный и системный анализ данных, обобщение, разработка, тестирование устройства.

Практическая значимость проекта - разработанное автоматизированное зарядное устройство позволит Цеху эксплуатации и ремонта транспорта ОАО «ЧЭМК» значительно сократить затраты на обслуживание АКБ и более эффективно использовать рабочее время сотрудников автоматизировав операции по обслуживанию аккумуляторных батарей, а так же обезопасить их в связи с отсутствием необходимости в контроле за протеканием технологического процесса.

1. Автоматизированные зарядные устройства

.1 Описание предметной области

Свинцово-кислотный аккумулятор - наиболее распространённый на сегодняшний день тип аккумуляторов, изобретён в 1859 году французским физиком Гастоном Планте.

Свинцово-кислотный аккумулятор - это электрохимический прибор, запасающий химическую энергию, которая преобразуется в электрическую, при подключении к его полюсам внешней нагрузки. Химическая энергия образуется при взаимодействии материалов, из которых изготовлены положительные и отрицательные пластины аккумулятора и электролит:

Губчатый свинец (Pb) - отрицательная пластина;

Двуокись свинца (PbO2) - положительная пластина;

Серная кислота (H2SO4) - электролит;

Химические реакции в свинцовом аккумуляторе описываются уравнением:


В токообразующих процессах участвуют двуокись свинца (диоксид свинца), PbO2 (окислитель) положительного электрода, губчатый свинец Pb (восстановитель) отрицательного электрода и электролит (водный раствор серной кислоты H2SO4). Активные вещества электродов представляют собой жесткую пористую электроно проводящую массу с диаметром пор 1,5 мкм у PbO2 и 5-10 мкм у губчатого свинца. Объемная пористость активных веществ в заряженном состоянии - около 50%.

Часть серной кислоты в электролите диссоциирована на положительные ионы водорода H+ и отрицательные ионы кислотного остатка SO42-. При разряде аккумулятора губчатым свинцом в электролит выделяются положительные ионы двухвалентного свинца Pb2+. По внешнему участку замкнутой электрической цепи избыточные электроны отрицательного электрода перемещаются к положительному электроду, гда восстанавливают четырехвалентные ионы свинца Pb4+ до двухвалентного свинца Pb2+. Положительные ионы свинца Pb2+ соединяются с отрицательными ионами кислотного остатка SO42-, образуя на обоих электродах сернокислый свинец PbSO4 (сульфат свинца).

При подключении аккумулятора к зарядному устройству электроны движутся к отрицательному электроду, нейтралезуя двухвалентные ионы свинца Pb2+. На электроде выделяется губчатый свинец Pb. Отдавая под влиянием напряжения внешнего источника тока по два электрона, двухвалентные ионы свинца Pb2+ у положительного электрода окисляются в четырехвалентные ионы Pb4+. Через промежуточные реакции ионы Pb4+ соединяются с двумя ионами кислорода и образуют двуокись свинца PbO2.

При подключении аккумуляторной батареи к зарядному устройству электроны движутся к отрицательному электроду, нейтрализуя двухвалентные ионы свинца Pb2+ у положительного электрода окисляются в четырехвалентные электроды Pb4+. Через промежуточные реакции ионы Рb4+ соединяются с двумя ионами кислорода и образуют двуокись свинца PbO2.

Плотность электролита измеряется количеством серной кислоты в электролите. Плотность полностью заряженной аккумуляторной батареи составляет 1.300 при температуре 26.7 градусов Цельсия. Это означает, что электролит полностью заряженной батареи в 1.3 раза тяжелее воды. Степень заряженности батареи в зависимости от плотности электролита:

Таблица 1 - относительная плотность электролита

Степень заряженности

Плотность электролита

Напряжение на полюсах

100%

1.300

12,84

75%

1.250

12,50

50%

1.200

12,20

25%

1.155

11,90

Полностью разряжена

1.120

11,00


По мере разрядки батареи плотность электролита уменьшается, так как его сульфатная часть уходит из электролита, образуя сульфат свинца, который осаждается на пластинах.

Итак, к моменту полной разрядки батареи электролит оказывается очень сильно разбавленным, т. к. кислота оседает на пластины в виде кристаллов сульфата свинца. Во время же зарядки батареи химическая реакция идет в обратном направлении. Большая часть серной кислоты восстанавливается из кристаллов сульфата свинца и возвращается в электролит. Однако некоторое количество сульфата свинца все же остается на пластинах, и оно постоянно растет с каждым циклом заряда-разряда батареи. С течением времени пластины оказываются покрытыми слоем неэлектропроводного сульфата свинца, а плотность электролита пониженной из-за потери кислоты оставшейся в этом сульфате свинца. Это препятствует движению зарядов в аккумуляторе и образованию электрического тока.

С течением времени отложения сульфата свинца на пластинах упрочняются и кристаллизуются. Пластины теряют способность к накоплению заряда при зарядке аккумулятора, а отложения сульфата свинца могут привести к короткому замыканию или другим механическим повреждениям пластин. Часто на пластинах появляются трещины, что вызывает внутренний обрыв цепи.

Во время разрядки или простоя аккумулятора на его пластинах формируется сульфат свинца. В течение короткого промежутка времени кристаллы сульфата свинца постепенно засоряют поверхность пластин до тех пор, пока батарея не потеряет способность заряжаться и удерживать заряд. Этот процесс, называемый сульфатацией, происходит во всех свинцово-кислотных аккумуляторных батареях, не зависимо от способа их применения. Это основная причина отказа аккумуляторов.

Батарея должна иметь чистые пластины и сильный электролит, чтобы принимать зарядный ток и выдавать разрядный. Батарея с чистыми пластинами имеет большую емкость, заряжается быстрее и имеет более длительный срок эксплуатации.[33]

В соответствии с данными теоретическими знаниями было разработано зарядное устройство, работающее по алгоритму, который обеспечивает максимальный срок службы аккумулятора и правильную эксплуатацию.

В настоящее на рынке имеется огромное количество зарядных устройств для автомобильных аккумуляторов с огромным множеством функций и различной ценовой категорией от 1000 (Электроприбор ЗУ-55А) до 75000 рублей (Telwin Energy 1500 start). Автоматизация устройств для выполнения задач возможна при использовании микроконтроллеров.

Микроконтроллер - это микросхема, предназначенная для управления электронными устройствами. Обычный микроконтроллер сочетает на одном кристалле функции периферийных устройств, процессора и содержит ОЗУ и (или) ПЗУ. По сути микроконтроллер, это однокристальный компьютер направленный на выполнение простых задач. На сегодняшний день существует более 200 модификаций микроконтроллеров, выпускаемых двумя десятками компаний. Наибольшей популярностью пользуются 8-битные микроконтроллеры PIC фирмы Microchip Technology и AVR фирмы Atmel. При проектировании микроконтроллеров приходится соблюдать баланс между размером и стоимостью с одной стороны и гибкостью и производительностью с другой. Для различных приложений оптимальное соотношение параметров может значительно отличаться. В микроконтроллерах часто используется гарвардская архитектура памяти, это значит в ОЗУ и ПЗУ данные и команды хранятся раздельно.[39]

В настоящий момент 8-разрядные процессоры были вытеснены более производительными моделями, 8-разрядные микроконтроллеры широко используются в промышленности. Данный факт объясняется тем, что есть много направлений в которых не требуется высокая производительность, но важна низкая стоимость.

Программирование микроконтроллеров в основном осуществляется на языке Assembler и С++. [2]

На рынке представлено много микроконтроллеров, отличительной особенностью PIC-контроллеров является хорошая преемственность различных семейств. 8-битные микроконтроллеры PIC представлены двумя базовыми архитектурами ядра: BASELINE и MID-RANGE.

Базовая архитектура (BASELINE) основываются на 12-и разрядной архитектуре слова программ и представлены контроллерами в корпусах от 6 до 28 выводов. Упрощение архитектуры базового семейства представляет наиболее дешевое решение из ныне предлагаемых на рынке. Широкий диапазон напряжений питания и возможность работы при низких напряжениях предоставляет возможность применения данных микроконтроллеров в батарейных устройствах.

Архитектура среднего семейства нашла своё применение в микроконтроллерах PIC12 и PIC16, и имеет ширину слова памяти программ 14 бит. Эти микроконтроллеры выпускаются в корпусах от 8 до 64 выводов. Эти микроконтроллеры с Flash памятью могут работать в диапазоне напряжений питания от 2.0 до 5.5В, имеют аппаратный стек, систему прерываний и энергозависимую память данных EEPROM, а так же богатый набор периферии.[36]

В более новых микроконтроллерах Microchip применяется улучшенная архитектура 8-битных PIC микроконтроллеров среднего семейства PIC12 и PIC16.[39]

При разработке автоматизированного зарядного устройства в качестве управляющего и контролирующего элемента был выбран 8-битный микроконтроллер базового семейства гарвардской архитектуры PIC16 с 20 выводами. В соответствии необходимыми теоретическими знаниями было разработано зарядное устройство, работающее по алгоритму, который обеспечивает максимальный срок службы аккумулятора и правильную эксплуатацию.

1.2 Этапы разработки автоматизированного зарядного устройства

На начальной стадии разработки формируется структура устройства в соответствии с требованиями технического задания, требований пользователя и правилами техники безопасности. Определяется перечень деталей необходимых для сборки и осуществления мероприятий необходимых для работоспособности устройства. Так как необходимо автоматизировать процесс зарядки аккумуляторных батарей, в зарядном устройстве использован микроконтроллер PIC16. В дальнейшем разрабатывается принципиальная электрическая схема, учитывающая все элементы схемы и их расположение, функциональные узлы и требования технического задания.

Создание хорошо спланированного и продуманного зарядного устройства, которое отвечало бы всем требованиям, невозможно без учета этих принципов.

Одним из важнейших этапов разработки любого устройства является планирование его возможностей, тех, которые будут реально доступны по окончанию разработки, и тех, которые не получат реального воплощения. Для последних всегда должна существовать возможность их реализации в последующем. Такие возможности получили название потенциальных - их, по разным причинам, нет в подготовленной редакции продукта, но они могут появиться в будущем.[3]

1.3 Обзор устройств аналогичного направления

В настоящее время существует множество зарядных устройств с самым различными характеристиками и многообразным ценовым диапазоном. Рассмотрим примеры и основные характеристики устройств, которые сейчас представлены на рынке.

1.3.1 Электроприбор «ЗУ-55А»

Данная разработка представляет собой зарядное устройство, которое предназначено для зарядки автомобильных кислотных аккумуляторных батарей с номинальным напряжением 12В и емкостью от 40 до 60 А/ч.

В корпусе данного зарядного устройства смонтированы: блок диодов, плата автомата отключения батареи, амперметр и трансформатор. На лицевой панели зарядного устройства размещен светодиод, сигнализирующий об отключении батареи. С заряжаемой аккумуляторной батареей устройство соединяется двумя многожильными проводами с наконечниками черного(-) и красного(+) цветов и зажимами типа «крокодил». К сети в 220В зарядное устройство подключается с помощью сетевого шнура с двойной изоляцией и формованной вилкой.

Данный прибор является трансформаторным зарядным устройством с потребляемой мощностью 75Вт и стрелочным индикатором тока заряда.

Достоинством устройства является низкая стоимость.

К недостаткам данного устройства можно отнести относительно не большой максимальный ток заряда, который составляет 4А и отсутствие регулировки тока заряда.

Рисунок 1 - Электроприбор «ЗУ-55А»

1.3.2 Wester CH15

Данный продукт в отличие от Электроприбор «ЗУ-55А» имеет возможность зарядки аккумуляторных батарей с номинальным напряжением 24В.

Так же к достоинствам этого прибора можно отнести повышенный максимальный ток заряда в 11А. Имеется возможность выбора режима зарядки, защита от перегрева и амперметр, позволяющий контролировать фактическую величину зарядного тока.

Устройство Wester CH15 имеет возможность проведения зарядки аккумуляторных батарей емкостью от 25 до 105 А/ч, что мало для использования в промышленных масштабах.

Рисунок 2- Wester CH15

1.3.3 Ergus i-Charge 20

Ergus i-Charge 20 представляет собой полностью интеллектуальное, автоматическое, управляемое микропроцессором зарядное устройство. При потребляемой мощности в 300Вт и повышенном токе зарядки до 20А, данное устройство может производить зарядку аккумуляторных батарей емкостью от 20 до 140А/ч. Выбор тока заряда, индикация заряда батареи и сенсорное управление делают данный прибор интуитивно понятным и простым в использовании. Минусом устройство можно считать ток зарядки не соответствующий требованиям предприятия. Ergus i-Charge 20 способен заряжать АКБ только легковых автомобилей.

Рисунок 3 - Ergus i-Charge 20

1.3.4 BestWeld Autostar 1500

Данный прибор является пуско-зарядочным устройством служащим для помощи в запуске двигателей в разряженным аккумулятором, а так же для быстрой и нормальной зарядки батарей. Заряжает аккумуляторы с напряжение 12 или 24 вольт. Благодаря повышенному току зарядки в 1000А имеет возможность зарядки сразу нескольких АКБ. Устройство идеально подходит для использования в авторемонтных мастерских, постоянного обслуживания большого количества аккумуляторных батарей емкостью от 20 до 250 А/ч. Минусом зарядного устройства является большие габаритные размеры, вес, требования к напряжению сети и стоимость.

Рисунок 4 - BestWeld Autostar 1500

1.4 Выбор микроконтроллера

Выбран микроконтроллер PIC 16 фирмы Microchip. Это 8-разрядный микроконтроллер выпускающийся в корпусах от 8 до 28 выводов.

Название PIC является сокращением Peripheral Interface Controller, что означает «контроллер интерфейса периферии». Особенностью PIC-контроллеров является хорошая преемственность различных семейств. Это касается и программной совместимости и по периферии, по напряжениям питания, по средствам разработки, по библиотекам и стекам наиболее популярных коммуникационных протоколов. Данная номенклатура насчитывает более 500 различных модификаций микроконтроллеров со всевозможными вариациями периферии, памяти, производительностью, количеством выводов, диапазонами питания и температуры.[8]

Также этот микроконтроллер широко распространен за счёт низкой цены и высокой производительности, а так же его легко найти в продаже.

1.5 Выбор среды разработки программы-прошивки

Наиболее популярными 8-битными микроконтроллерами являются PIC-контроллеры и AVR-контроллеры. Язык написания программы - прошивки для них разный. Для PIC-контроллера это будет Assembler (MPLab, IcProg).

Assembler - язык низкого уровня, с командами, соответствующими командам машины, который может обеспечить дополнительные возможности вроде макрокоманд. Язык ассемблера - система обозначений, необходимая для представления в удобной для чтения форме программ, записанных в машинном коде. Язык ассемблера позволяет пользоваться алфавитными кодами операций, по своему усмотрению присваивать символические имена регистрации ЭВМ, а также задавать удобные для себя схемы адресации.[15]

Достоинства:

)        Данный язык позволяет написать самый быстрый и компактный код, какой вообще возможен для данного процессора

)        Язык ассемблера часто применяется для создания драйверов оборудования и ядра операционной системы

)        Ассемблер используется для создания «прошивок» BIOS

Недостатки:

)        В силу машинной ориентации языка ассемблера человеку сложнее читать и понимать программу на нем по сравнению с языками высокого уровня, усложняются отладка и программирование, растет вероятность внесения ошибок и трудоемкость написания программы

)        Требуется повышенная квалификация программиста для получения качественного кода

Выбран PIC-контроллер, следовательно язык программирования - Assembler. Средой разработки была выбрана MPLab , в связи с удобством использования данной среды разработки для разработки программы-прошивки.

Проанализировав устройства для зарядки аккумуляторных батарей, можно выделить основные достоинства и недостатки таких устройств. К достоинствам относится то, что среди представленных устройств есть автоматизированные зарядные устройства, которые могут производить зарядку без участия и контроля человека.

Так же хотелось бы выделить устройства, которые благодаря повышенному току заряда позволяют производить зарядку аккумуляторных батарей большей емкости.

В некоторых устройствах процесс зарядки аккумуляторных батарей и организованы не достаточно надежно, что является существенным минусом. Большинство устройств поддерживают возможность зарядки аккумуляторов малой емкости.

В первой главе дано описание свинцово-кислотных аккумуляторных батарей и о процессе преобразования химической энергии в электрическую. Описаны основные принципы построения автоматизированного зарядного устройства, а так же проведен анализ достоинств и недостатков устройств аналогичного направления. Обоснован выбор используемого микроконтроллера, языка написания программы прошивки и среды разработки. На основании полученных данных и сведений было разработано техническое задание и подготовлен план создания автоматизированного зарядного устройства для цеха эксплуатации и ремонта транспорта ОАО «ЧЭМК».

2. Разработка автоматизированного зарядного устройства

.1 Техническое задание на разработку автоматизированного зарядного устройства для автомобильных аккумуляторов

Наименование работ: «Разработка автоматизированного зарядного устройства на микроконтроллере PIC16»

Заказчик: ОАО «ЧЭМК»

Исполнитель: Бычков Александр Сергеевич

Требования по составу изделия.

Опытный образец изделия состоит из:

Платы, на которой установлены программируемый контроллер (PIC 16);

программного обеспечения (ПО): Программы работы контроллера PIC 16;

Технические характеристики устройства.

Напряжение питания - 220В;

Физическая среда реализации -микроконтроллер PIC 16.

Требования по назначению.

Устройство предназначено для зарядки свинцово-кислотных аккумуляторных батарей.

Требования эксплуатации.

Устройство не должно требовать при эксплуатации, работ по настройке и регулировке.

Организовать защиту от неправильного подключения к АКБ.

Устройство должно иметь возможность зарядки АКБ разных емкостей с номинальным напряжением до 24 В.

Требования по транспортабельности не предъявляются.

Требования по безопасности и экологической защите не предъявляются.

Требования по стандартизации и унификации.

Доработка, изготовление и испытания должны осуществляться на основе действующей нормативно-технической документации, государственных стандартов ЕСКД, ЕСПД.

Требования по проверке патентной чистоты не предъявляются.

Доработка устройства должна проводиться с учетом руководящих указаний Заказчика по конструированию.

Требования по технологичности.

Конструкция устройства должна быть технологически пригодной для мелкосерийного производства.

Требования к сырью, материалам и комплектующим изделиям межотраслевого применения.

Проект должен быть построен на базе микроконтроллера PIC 16.

2.2 Разработка функциональной схемы

Рисунок 5 - Функциональная схема зарядного устройства:

ИП - Импульсный преобразователь

БУ - Блок управления (микроконтроллер PIC 16)

С - Стабилизатор напряжения

Принцип работы по функциональной схеме.

Входное напряжение поступает на импульсный преобразователь, а затем на стабилизатор напряжения, где напряжение становится постоянным. Со стабилизатора напряжения поступает сигнал на блок управления с данными о выходном напряжении. В зависимости от выходного напряжения блок управления (микроконтроллер) задает режим работы импульсного преобразователя.

2.3 Разработка схемы электрической - принципиальной

Разработка схемы произведена в программе Microsoft Office Word. Благодаря дополнениям, данная программа содержит весь необходимый функционал для выпуска документации на проектируемое электрооборудование. Разработка документов проекта осуществляется с помощью панели инструментов для рисования электрических схем.

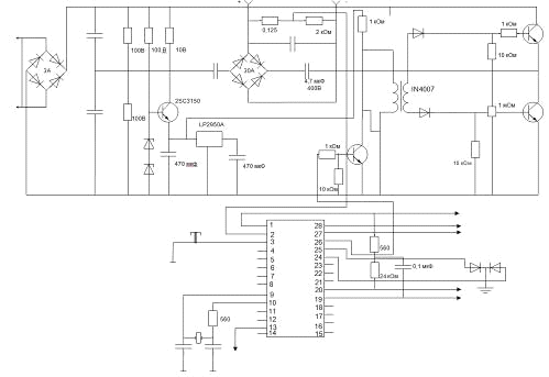
Рисунок 6 - Электрическая - принципиальная схема зарядного устройства

2.4 Описание работы устройства по схеме электрической - принципиальной

При включении в сеть сетевое напряжение поступает на выпрямитель диодный мост (представленный четырьмя диодами S3M)

Выпрямленное напряжение поступает на стабилизатор, который состоит из конденсаторов 470мкФ 200В и становиться постоянным напряжением приблизительно 308В (зависит от напряжения в сети), оно поступает на транзисторы MJE13009, которые являются силовыми ключами генератора импульсов.

Транзистор 2SC3150, резисторы 10кОм 10Вт; 100кОм 2Вт и стабилитроны BZX 85 5V1 представляют собой простейший параметрический стабилизатор напряжения на одном транзисторе его задача понизить напряжение 308В до 10,1В чтобы запитать высоко точный стабилизатор напряжения LP2950A-5.0 с входным напряжением не более 12В и выходным 5В которое необходимо для питания контролера PIC-16.

Резисторы 15кОм 0,125ВТ и 2кОм 0,125Вт представляют собой делитель напряжения сигнал с которого поступает на контроллер.

При включении устройства в сеть, на контроллер поступает сигнал о начале работы и загорается красный светодиод «Включен». Если АКБ подключен не правильно загорается красный светодиод «Переполюсовка». Контроллер замеряет напряжение на делителе и проверяет его, если на делитель поступает напряжение выше 12,8В контролер подаёт сигнал на зеленый светодиод «АКБ заряжен», что указывает на то что подключенный аккумулятор полностью заряжен, если же напряжение поступающее на делитель находиться в пределах от 11,8 до 12,8 вольт контролер подаёт сигнал на красный светодиод «5» и начинает выдавать меандр (последовательность импульсов амплитудой 5В и скважностью 50% и переменной частотой). Меандр необходим для задания режима работы генератора импульсов построенного на транзисторе КТ-503Е, микро-трансформаторе и диодах 1N4007 которые непосредственно и задают частоту переключения силовых транзисторов MJE13009. Чем выше частота создаваемых импульсов тем больше энергии передаётся через конденсаторы 4,7мкФ 400В на выходной диодный мост(состоящий из диодов IN4007) и поступает на аккумулятор. Конденсатор 1000икФ 50В необходим для сглаживания высокочастотных пульсаций на выходе.

2.5 Разработка программы прошивки микроконтроллера.

Прошивка была разработана в программе MPLab. MPLab - представляет собой единую бесплатную интегрированную среду разработки для контроллеров производства Microchip, работающая в операционных системах Windows NT/2000/XP/Vista/7. MPLab содержит в себе менеджер проектов, редактор исходного кода, инструменты виртуальной симуляции и внутрисхемной отладки, позволяет писать программы на ассемблере или на C/C++.

#include <htc.h>

//#include <pic.h>

//#include <pic1687x.h>

__CONFIG (0x3D72);

#define _XTAL_FREQ 16000000

// настройка модуля АЦП

// 1 канал - AN0

// Опорное напряжение подключено к Vdd , GND = 5V

// до 5 МГц - Fosc/8

// правое выравнивание - 6 старших бит ADRESH = 0

// резервируем переменные в памятиvolatile unsigned int adcP0 @ 0x20; // результат АЦП0

static volatile unsigned char adcP0L @ 0x20; // результат АЦП0 младшийvolatile unsigned char adcP0H @ 0x21; // результат АЦП0 старшийvolatile unsigned int imp @ 0x22; // (22,23)длительность импульсаvolatile unsigned char impL @ 0x22; // длительность импульсаvolatile unsigned char impH @ 0x23; // длительность импульса

void main(void)

{

// временные переменные= 0b00000000; // состояние контроллера

OPTION = 0b00000011; // TMR0/WDT,RB0/INT,RportB

INTCON = 0b00000000; // прерывания= 0b00000000; // переферийные прерывания (устройства)= 0b00000000; // периферийные прерывания (модули)= 0b00000000;= 0b00000000;= 0b00000011; // источник сброса контроллера

TRISA = 0b00000001; // 1-Input 0-Output= 0b00000000;

TRISC = 0b00000000;= 0b00000000;= 0b00000000;

PORTC = 0b00001001;

// модуль EEPROM= 0b00000000;= 0b00000000;= 0b00000000;= 0b00000000;= 0b00000000;

// таймер 0= 0;

// таймер 1H = 0b00000000;L = 0b00000000;CON = 0b00000000;

// таймер 2 -= 0;= 0xFF;CON = 0b00000000;

// CCPH = 0b00000000;L = 0b00000000;H = 0b00000000;L = 0b00000000;CON= 0b00000000;CON= 0b00000000;

// MSSP - I2C - i2c_std.c

// USART - далее= 12;= 0b00000110; // настройка передатчика= 0b00000000; // настройка приемника

// АЦП= 0b01000000;

ADCON1 = 0b00001110;= 0b00000000;= 0b00000000;

GIE = 0; // глобальное разрешение прерываний

PR2 = 255;

CCPR1L = 0b10000000;CON = 0b00001100;CON = 0b00000100;

while(1)

{

// Измерение напряжения= 0b10000001; // Канал 0, Включить модуль АЦП - ADCON0[0]

__delay_us(25); // Пауза для зарядки конд-ра АЦП (~25uSec)= 0b10000101; // запуск преобразования АЦП(ADGO == 1) { } // ожидание завершения преобразованияH = ADRESH; // считываем количество шагов АЦП

//adcP0L = ADRESL; // считываем количество шагов АЦП= 0;= 0b10000000; // Выключить модуль АЦП - ADCON0[0]

// делим на 2 - 128 шаговH >>= 1;H += 79;

// частота

// PR2 = adcP0H; // ниже

// длительность импульса - меандр= 0;= adcP0H + 1; // (PR2+1)<<= 1; // длительность импульса

// заполняем младшие биты

#asm

// CCP1CON.50x17,5; // сбросить бит0x22,1; // если бит 1 =0, - пропускаем0x17,5; // если бит 1 =1, - устанавливаем бит CCP1CON.5

// кратность 2 - убираем

// CCP1CON.4

//BCF 0x17,4; // сбросить бит

//BTFSC 0x22,0; // если бит 0 =0, - пропускаем

//BSF 0x17,4; // если бит 0 =1, - устанавливаем бит CCP1CON.4

#endasm>>= 2;L = impL; // обновляем частоту= adcP0H; // пауза 1/4 сек

__delay_ms(100);

} // while(1)

}

2.6 Описание разработанного устройства

Данная разработка представляет собой автоматизированное зарядное устройство, которое предназначено для зарядки свинцово-кислотных аккумуляторных батарей с номинальным напряжением от 12 до 24 В и емкостью от 50 до 225А/ч.

В корпусе данного зарядного устройства смонтированы: два блока диодов, стабилизатор, делитель напряжения, плата автомата отключения батареи, микроконтроллер. На лицевой панели зарядного устройства размещены элементы индикации, сигнализирующие о полной зарядке батареи, о не правильном подключении и процессе зарядки. С заряжаемой аккумуляторной батареей устройство соединяется двумя многожильными проводами с наконечниками черного(-) и красного(+) цветов и зажимами типа «крокодил». К сети в 220 В зарядное устройство подключается с помощью сетевого шнура с двойной изоляцией и формованной вилкой. Печатная плата с расположенными на ней элементами помещена в металлический корпус с габаритными размерами 200 x 120 x 30 мм.

Устройство выполнено в соответствии с требованиями технического задания, а так же с соблюдением правил охраны труда и промышленной безопасности.

Рисунок 5 - Общий вид разработанного устройства

Во второй главе выпускной квалификационной работы представлено техническое задание на разработку зарядного устройства. Показана функциональная схема зарядного устройства и описана структура работы.

В дальнейшем описывается разработка принципиальной электрической схемы устройства, необходимой для дальнейшей разработки устройства.

Так же излагается принцип работы устройства и каждого компонента в отдельности, определяется среда разработки программы прошивки, обосновывается сделанный выбор и приводится готовый текст написанной программы прошивки. Далее приводится полное описание устройства.

3. Экономическая часть

Целью дипломного проекта является разработка автоматизированного зарядного устройства для автомобильных аккумуляторов.

Таблица 3.1 Расчет затрат на оплату труда

Показатель

Ед. измерения

Величина затрат

1

Затраты времени на разработку исполнителя

дней (часов)

7 (56)

2

Затраты времени на разработку исполнителя

дней (часов)

14 (112)

3

Ставка дневной (часовой) заработной платы исполнителя (программист)

руб.

909 (114)

4

Ставка дневной (часовой) заработной платы исполнителя (радиомонтажник)

руб.

815 (102)

5

Величина заработной платы работника (программист) за выполнение разработки

руб.

6363

6

Величина заработной платы работника (радиомонтажник) за выполнение разработки

руб.

11410

7

Суммарная величина заработной платы испол.

руб.

17773

8

Ставка страх. взноса в Пенсионный фонд (ПФ)

%

22

9

Ставка страх. взносов в Фонд соц. страх.

%

2,9

10

Тариф страховых взносов в Федеральный фонд обязательного медиц. страхования (ФФОМС)

%

5,1


Таблица

11

Совокупный процент ставки страховых взносов

%

30

12

Величина страховых взносов

руб.

5332

13

Страховые тарифы на обязательное социальное страхование от несчастных случаев на производстве и профессиональных заболеваний

%

0,2

14

Отчисления на обязательное социальное страхование от несчастных случаев на производстве и профессиональных заболеваний

руб.

35

15

Общая сумма страховых взносов

руб.

5367

16

Суммарные затраты на оплату труда с учетом страховых взносов

руб.

23140


После формирования требований к устройству и оценки сложности создания проекта, общий срок на выполнение работы был определен как 14 дней.

Также было принято решение о том, что в разработке устройства будет участвовать два человека: программист и радиомонтажник. Расчет зарплат на оплату труда предоставлен в таблице 3.1. Один рабочий день равен восьми часам. В качестве среды разработки программы-прошивки разработчик выбрал MPLab. MPLab - это единая бесплатная интегрированная среда разработки для контроллеров производства Microchip.Программная оболочка MPLab обладает широкими возможностями для написания исходного кода программы, дальнейшей отладки теста с исправлением ошибок и предупреждений и финальной оптимизации проекта.

Таблица 3.2 Расчет затрат на приобретение материалов

Наименование материала

Ед. измерения

Колич.

Цена за ед., руб.

Сумма затрат, руб.

1

Паяльная станция SV-55331

шт.

1

741

741

2

Стеклотекстолит СТЭФ 0,5-0,8мм

кг

1

160

160

3

Резистор CF-100

шт.

2

1,2

2,4

4

Резистор С1-4

шт.

1

0,9

0,9

5

Резистор SQP

шт.

1

8,7

8,7

6

Резистор СПЗ-38а

шт.

3

3,7

11,1

7

Резистор СП5-3

шт.

1

26

26

8

Резистор С2-29В

шт.

3

7,5

9

Резистор SMD

шт.

2

0,9

1,8

10

Резистор С2-29

шт.

1

1,6

1,6

11

Резистор 0805

шт.

1

2

2

12

Резистор С2-33Н

шт.

1

3,4

3,4

13

Транзистор KT503E

шт.

1

12

12

14

Транзистор 2SC3150

шт.

1

32

32

15

Транзистор MJE13009

шт.

2

60

120

16

Диод IN4007

шт.

4

1,5

6

17

Диод S3M

шт.

4

9,9

39,6

18

Стабилитрон B2X855V1

шт.

2

17

34

19

Конденсатор К50-35 200В

шт.

2

32

64

20

Конденсатор К50-35 50В

шт.

1

12

12

21

Конденсатор К50-35 16В

шт.

1

4,1

4,1

22

Хлорное железо

кг.

1

25

25

Итого

1315,1

В расчет затрат, также определяющих цену договора, были включены амортизационные отчисления на используемую технику.

При разработке системы использовался один компьютер. Согласно «Общероссийскому классификатору основных фондов», электронно-вычислительная техника относится к имуществу со сроком полезного использование свыше 2 лет до 3 лет включительно.

Срок полезного использования компьютера составляет 3 года. Годовая амортизация при этом будет равна:

Ha =  x 100% = 33, 33%,

месячная норма амортизации:

=  x 100% = 2, 78%,

Стоимость компьютера составляет 22000 руб. Сумма амортизационных отчислений составляет при этом в год:

Аотч. =  = 7332 руб.,

в месяц:

Аотч. =  = 611,60 руб.,

Время использования компьютера при разработке составило 7 дней. Размер амортизационных отчислений составил:

Аотч. =  = 142,7 руб.

К статье косвенных расходов можно отнести:

) Оплата коммунальных услуг. Составляет 4050 руб. в месяц. При длительности на разработки 14 дней, эта сумма составит 1890 руб.

) Оплата Интернета. Составляет 600 руб. в месяц. При затрате на разработку 14 дней, эта сумма составит 600 руб.

Общая сумма косвенных расходов составляет 2490 руб.

В таблице 3.3 представлен расчет полной себестоимости.

Таблица 3.3 Полная себестоимость разработки

Наименование показателя

Условное обозначение

Единица измерения

Значение показателя

1

Заработная плата исполнителей проекта с учетом страховых взносов

ЗПисп.

Руб.

23140

2

Затраты на материалы

Змат.

Руб.

1315,1

3

Амортизационные отчисления

Аотч.

Руб.

142,7

4

Прочие прямые затраты

Зпр.

руб.

-

5

Управленческие и общехозяйственные расходы

Зн.

руб.

2490

6

Полная себестоимость проекта

Спр.

руб.

27087,8

7

Средний уровень прибыльности проектов разработки устройства

Р

%

25


Экономический эффект при разработке устройства составляет:

Э = 33859,75 - 27087,8 = 6771,95 руб.

Рентабельность проекта составляет:

Р =  = 0,25 = 25%

Реализация: в Челябинской области имеется более 40 транспортных компаний и автомобильных мастерских, если продать им устройство стоимостью 2750 руб., то планируемая выручка составляет 110000 руб.

Применение устройства заказчиком позволяет получить следующие показатели экономической эффективности:

Кэф =  = 3,24 руб.

То есть каждый рубль, вложенный в покупку разработанного устройства приносит выручку в размере 3,24 руб.

В таблице 3.4 приведены результаты расчета экономического эффекта и экономической эффективности разработки и применения устройства.

Таблица 3.4 Экономические эффекты и эффективность при разработке и использовании устройства

Наименование показателя

Условное обоз.

Единица измерения

Значение показателя

Разработчик программного продукта

Показатели эффекта




1

Прибыль

Э

руб.

6771,95

Показатели эффективности




1

Рентабельность

Р

%

25

Пользователь программного продукта

Показатели эффекта




1

Планируемая выручка

Впл

руб.

110000

Показатели эффективности




1

Коэффициент эффективности

Кэф

руб./руб.

3,24


Из приведенных в данной главе расчетов можно сделать вывод о целесообразности разработки и внедрения данного автоматизированного устройства. Внедрение устройства позволит значительно сократить расходы на техническое обслуживание и продлит срок полезной работы аккумуляторной батареи. Согласно расчёту видно, что данное устройство экономически эффективно и налаживание производства в больших масштабах рентабельно. Окупаемость разработки не превышает 1 года.

4. Охрана труда и техника безопасности

Охрана труда - это система обеспечения здоровья и безопасности жизни человека в промежуток времени применения его труда, выступает одной из условий хорошей жизни и обеспечения человека.

Охрана труда рабочих в различных учреждениях - это сфера государственного управления, цель которой заключается в реализации права человека на жизнь и здоровье непосредственно в процессе его трудовой деятельности. Охрана труда в России обеспечивается за счёт разработанных нормативно-правовых актов, главным из которых является Трудовой кодекс РФ, и организованных согласно им органов управления, которые осуществляют соответствующие надзорные и контрольные функции. Нормы права направлены также на регулирование отношений в сфере охраны труда между работодателем и работником. Все законодательные и правовые нормы подразделяются на три части: общая, особенная и специальная. Общая часть регламентирует все виды деятельности целиком, особенная часть устанавливает требования для отдельных видов деятельности, а специальная часть касается каждой организации индивидуально.[26]

Управление охраной труда рабочих в учреждениях - это неразрывная многоуровневая система, направленная на сохранение жизни и здоровья работника на рабочем месте. Она включает в себя ряд мероприятий призванных обезопасить жизнь и здоровье человека в трудовом процессе. Так можно выделить: правовые, организационные, социально-экономические, технические, профилактические, санитарно-гигиенические и другие мероприятия. Проверка по вопросам охраны труда осуществляется специальной комиссией и отвечает за условия труда инженер по охране труда. Журналы по охране труда хранятся у инженера по охране труда. При начале нового вида работ или прибытии новых сотрудников проводится вводный инструктаж по охране труда. Полное соблюдение всех требований системы охраны труда может в известной мере гарантировать безопасность всех работников на предприятии. Проверка знаний по охране труда должно войти в трудовое расписание каждого предприятия - когда все работники ответственно подходят к технике безопасности, на предприятии уровень безопасности на рабочем месте всегда будет на высоте. Охрана труда по профессиям прописана в инструкциям по технике безопасности почти для каждой профессии.

Первоначально охрана труда была далеко не приоритетным направлением развития как государственных, так и частных структур. Однако, радует тот факт, что сегодня охрана труда постепенно занимает надлежащее ей место в системе управления производством, ведь большинство руководителей всех форм собственности понимают, что охрана труда - это основное направление развития трудовых отношений в цивилизованном обществе.

Согласно Трудовому Кодексу сегодня стало необходимостью создавать службы или вводить должность специалиста по охране труда на предприятия, чья численность превышает пятьдесят человек. Современные требования охраны труда не ограничиваются банальной каской для строителя или резиновыми сапогами для электрика - разработаны инструкции практически для каждой профессии. В некоторых случаях руководитель лично принимает решение об организации такой службы и издает приказы по охране труда. Законодательно также допускается привлечение сторонних организаций, специализирующихся на услугах в области охраны труда. Нужно заметить, что приглашение сторонней организации сегодня начинает занимать лидирующие позиции, так как именно грамотный специалист с высоким уровнем подготовки и большим опытом работы в этом направлении способен разобраться во всех нюансах ведения охраны труда на предприятии.

Таким образом, охрана труда стала одной из молодых, развивающейся в сфере бизнеса. Не каждый предприниматель имеет возможность держать в своём штате сотрудника, занимающегося проблемами охраны труда, а несоблюдение установленных законом правил может привести к административной, а в некоторых случаях и уголовной ответственности. Программа по охране труда на предприятии позволяет в короткие сроки провести проверку всех нюансов конкретного вида работ, устранить нарушения и создать безопасную обстановку для сотрудников предприятия. Предприятия, оказывающие услуги по регулированию вопросов охраны труда рабочих подлежат обязательной аккредитации. Любая организация может заключить с ними договор обслуживания, и охрана труда будет полностью под их контролем. Им можно будет поручить ведение всей необходимой документации, разработку регламентов и положений, проведение инструктажа с работниками.

Дни, когда охрана труда бесплатно прилагалась в обязанности прораба закончились. Современный темп производства должен гарантировать безопасность труда не только с позиции гражданской ответственности, но и с точки зрения рационализации труда. На предприятии, где сотрудникам ничто не угрожает и их условия труда защищены сотрудники не получают травм, а следовательно общая производительность предприятия возрастает. Отпадает необходимость оплачивать больничные и другие издержки, которые могут быть связаны с травматизмом на предприятии, как частный случай.

Охрана труда - это огромный по масштабам и значению комплекс, который обеспечивает и контролирует уровень безопасности рабочего места каждого работника. Согласно действующему законодательству, мероприятия по охране туда не должны отличаются на крупных, средних и малых предприятиях. В практике же охрана труда имеет некоторую специфику в каждой компании, в зависимости от условий работы, занятости на вредных производствах и количества штатных работников.

Охрана труда, в соответствии с законодательными нормами, на предприятиях с численностью до 100 человек (малое предприятие), от 101 до 250 человек (среднее предприятие) и свыше 250 человек (крупное предприятие) отличаться не должна.

При этом охрана труда, согласно законодательству, на предприятиях с численностью сотрудников более 50 человек, должна осуществляться квалифицированным сотрудником. Если такая должность отсутствует, собственник предприятия, на которого возложена обязанность обеспечивать безопасные условия и охрану труда, должен заключить договор с предприятием или отдельным специалистом, для которых охрана труда - специализация и они оказывают услуги по ведению, контролю и обучению сотрудников нормам безопасности (аутсорцинг охраны труда).

В первую очередь при обеспечении гарантии надежных и безопасных условий трудовой деятельности охрана труда должна проводиться работодателем независимо от типа предприятия и количества работников.

При этом необходимо:

охрана труда должна сопровождаться, согласно трудовому законодательству, изучением и сдачей экзаменов по технике безопасности работы на производстве рабочими;

в зависимости от специфики деятельности компании, охрана труда должна соответствовать организационной форме предприятия с целью обеспечения безопасных условий работы;

охрана труда обеспечивается специалистом, обучение которого должна проводиться в специализированных учебных центрах, в которых обучают основам безопасности трудовой деятельности. Кроме того, руководство должно удостовериться в прохождении проверки знаний в этой области.

Охрана труда требует отдельного внимания и именно поэтому специальным приказом руководителя предприятия должен быть назначен человек, ответственный за пожарную безопасность, электрохозяйство, безопасность работы объектов с повышенной опасностью для здоровья. Работодатель должен определять работников, которые должны проходить медицинские осмотры и которым необходимо выдавать средства индивидуальной защиты. Таким сотрудникам законодательством гарантированы компенсации и дополнительные льготы.

Организация охраны труда на предприятиях включает в себя проведение обязательного социального страхования работников от несчастных случаев во время трудовой деятельности и профессиональных заболеваний.

Охрана жизни и здоровья работников во время их трудовой деятельности - одна из основных задач государства и первостепенная задача работодателя. Этот, в первую очередь, общечеловеческий принцип отвечает конвенциям Международной организации труда, Всеобщей декларации прав и свобод человека, а также Конституции Российской Федерации. Согласно последней право человека на труд в условиях, соответствующих требованиям безопасности, прописано как одно из основных прав гражданина. А охрана труда и здоровья людей является одним из приоритетных направлений социальной политики России.

Трудовой кодекс РФ, закрепляя эти конституционные принципы, обязывает обеспечить управление охраной труда в организации для создания безопасных условий независимо от её формы собственности и отрасли производства. Существующая система стандартов, межотраслевые и отраслевые правила, множественные нормативно-правовые акты регулируют вопросы, которые связанны с охраной труда.

На федеральном и региональном уровнях административный контроль в сфере охраны труда осуществляют Министерство труда и социального развития, Федеральная инспекция труда, Госэнергонадзор, Государственный пожарный надзор, а также другие надзорные органы и их подведомства. Управление охраной труда в организации и на предприятии осуществляются за счёт служб по охране труда, которые взаимодействуют с работодателями, профсоюзами и инспекциями по труду.

Законом закреплена обязанность предприятий, с численностью более пятидесяти сотрудников, создавать на предприятии службу охраны труда или утверждать единичную должность специалиста по охране труда. При численности, не превышающей пятьдесят работников, руководитель самостоятельно принимает решение о создании подобной структуры. Если же конкретная служба или специалист отсутствуют, то управление охраной труда в организации выполняет сам работодатель, в лице индивидуального предпринимателя или директора предприятия. Он должен пройти необходимую подготовку, сдать квалификационный экзамен и в дальнейшем, будет нести ответственность за возможные нарушения.

Структура службы охраны труда формируется в соответствии с Рекомендациями по организации работы службы охраны труда, принятыми постановлением №14 Министерства труда и социального развития РФ 8 февраля 2000 года. Рекомендации чётко прописывают задачи, функции службы, затрагивают особенности формирования и права её работников. В них содержится двадцать пунктов, что упрощает возможность ознакомления с ними заинтересованными лицами. Окончательное решение о численности, конкретной структуры и способах обеспечения должных условий для полноценного функционирования службы принимается руководителем с учётом разработанного Постановления.

Управление охраной труда в организации может быть оптимизировано за счёт разработки Системы управления охраной труда на конкретном предприятии. Основные требования к подобным системам управления закреплены ГОСТом Р 12.0.006-2002. Более того, система управления может оформляться в виде Стандарта предприятия. Как и любая другая система, Система управления охраной труда включает в себя ряд подсистем, уточнённый перечень которых формируется в процессе трудовой деятельности.

Как единая система, управление охраной труда в организации, призвана осуществлять следующие функции: организация работ по охране труда с их последующей координацией; планирование работ; контроль текущего состояния охраны труда, а также функционирования всей системы; учёт показателей состояния охраны труда, их анализ и оценка; разработка системы поощрений за работу по охране труда.

Создание Системы процесс сложный и трудоёмкий, не менее трудно заставить всю систему функционировать в бесперебойном режиме. Для этого службе охраны труда понадобится дополнительное обучение с последующим повышением квалификации, что для предприятия может означать серьёзные материальные затраты.

Трудовым кодексом предусматривается вариант, когда управление охраной труда в организации доверяется сторонней фирме, прошедшей обязательную аккредитацию. Она возьмёт на себя, все функции по охране труда на вашем предприятии, позволив вам, тем самым, полностью сосредоточиться на основной деятельности.

Влияние на человека, как правило, оказывают следующие факторы:

Физические

Химические

Генетические

Здравоохранение

Химические факторы: Факторы воздействия на здоровье человека данного вида воздействия, как правило, имеют сильное влияние на дальнейшее существование человека. Загрязнение нашей атмосферы напрямую взаимосвязано с ухудшением состояния здоровья, а, следовательно, и продолжительности жизни. Это всегда оставалось, и будет оставаться актуальным вопросом.

Наиболее вероятными факторами, которые сопутствуют химическому отравлению или заражению являются производственные предприятия, которые выбрасывают отходы в атмосферу, грунт и воду. В атмосферу, как правило, попадают вредные вещества - газы, которые могут оказывать как прямое воздействие на человека, то есть человек вдыхает вредные испарения вместе с воздухом, как и двоякое, то есть через воду или сушу. Так, при попадании в почву, вредные вещества могут впитываться растениями, которые затем человек употребляет в пищу. То же касается и воды. Человек использует воду в личных целях, даже не зная того, какие вредные вещества содержатся в ней, и чем они грозят. Так как большинство выбрасываемых в атмосферу газов, легко могут соединяться с водой, то районы с активной промышленностью имеют не только загрязненную атмосферу, но и загрязненную воду и грунт.

Так, факторы, формирующие здоровье человека, в данном случае не могут превосходить факторы загрязнения, и поэтому в промышленных районах чаще болеют дети и жители чаще страдают от онкологических заболеваний, что существенно сокращает их жизнь.

Стоит отметить, что воздействие загрязненного атмосферного воздуха на население, обусловлено такими объективными принципами:

Разнообразие загрязнения - полагается, что на человека, который обитает в промышленном районе, может воздействовать примерно несколько сотен тысяч химических и отравляющих веществ. В определенном районе, может присутствовать ограниченное количество вредных веществ, но в большей концентрации, притом, что комбинация неких веществ, может вызвать усиление негативного их влияния на человека.

Массированное воздействие - человек вдыхает примерно 20000 литров воздуха в день, и даже незначительные концентрации отравляющего вещества, которые содержаться в воздухе, сравнимо таким вдыхаемым объемам могут вызвать значительное поступление токсинов в организм.

Доступ токсинов во внутреннюю среду организма. Как известно, легкие имеют поверхность примерно 100 м квадратных, что позволяет им впитать вредные вещества и рассеять их по большой поверхности органа. Токсины имеют прямой контакт с кровью, поскольку из легких, они сразу попадают в большой круг кровообращения, миновав на своем пути токсикологический барьер - печень.

Трудность защиты. Отказавшись принимать в пищу загрязненные продукты или воду, человек все равно продолжает впитывать в себя токсины через атмосферу и воздух.

Загрязнение атмосферы, как правило, негативно сказывается на сопротивляемости организма, последствием которой становится повышенная заболеваемость и ряд физиологических изменений организма. Факторы, влияющие на здоровье человека в данном случае, снижают среднюю продолжительность жизни.

Если сравнивать атмосферное загрязнение, то оно в десятки раз опаснее загрязнения воды или грунта, поскольку через легкие токсины напрямую попадают в кровь.

Основными загрязнителями почвы служат утечки химических отходов, неправильно захороненных или неправильно сохраняемых, оседание на почву вредных веществ с атмосферы, а также обильное применение химикатов в сельском хозяйстве.

По России, почва загрязнена пестицидами практически на 8 %. В данный момент, наиболее вероятно, что почти все водные объекты поддаются антропогенному загрязнению.

Факторы влияния на здоровье человека в химическом плане настолько разнообразны, что справиться с ними всеми невозможно. Поскольку масштабы производства с каждым днем растут в геометрической последовательности, а для восстановления ресурсов природы требуются целые десятки, а то и сотни лет.

Физические факторы: Основные физические факторы, негативно сказывающиеся на человеке, это - шум, электромагнитные излучения, вибрации, электрический ток.

Разберем каждый из видов негативного влияния отдельно.

Шум - комплекс звучаний и звуков, которые могут вызвать нарушения или неприятные ощущения в организме, а в некоторых случаях даже разрушение органов слуха. Так шум в 35 дБ может вызвать бессонницу, шум в 60 дБ может раздражать нервную систему, шум в 90 дБ вызывает ослабевание слуха, угнетенность состояния, или, напротив, приводит к возбуждению нервной системы. Шум больше чем 110 дБ может приводить к шумовому опьянению, которое выражается, как и алкогольное опьянение, а также к возбуждению и неврастении. Основные источники шума - это транспорт, как автомобильный, так и железнодорожный, и авиационный, а также предприятия.

Вибрация - это колебательные процессы, которые могут иметь широкий диапазон частот, получаемых в результате действия, какого-либо механизма, передаваемого колебательную энергию. Это может быть как транспорт, так и предприятия.

Электромагнитное излучение, как правило, передают радио или телевизионные станции, радиолокационные установки, разного рода промышленные приборы. Постоянное воздействие электромагнитного поля или радиоволн могут привести к изменениям в нервной или эндокринной системе.

Во многом все зависит от развитости инфраструктуры здравоохранения в определенной стране. Поскольку от этого напрямую зависит состояние здоровья населения и продолжительность его жизни. Факторы, определяющие здоровье человека, в данном случае существенны. Берется во внимание общая осведомленность населения, финансирование структур медицины, развитие инновационных технологий и методов лечения, а также своевременная диагностика, которая может быть успешной только при наличии дорогостоящего оборудования для проведения манипуляций.

Кроме того, санитарные правила содержат также требования к организации медицинского обслуживания пользователей ПЭВМ и требования к проведению государственного надзора и производственного контроля.

При работе за компьютерной техникой следует следить за конструкцией всех элементов рабочего места и их взаимное расположение эргономическим требованиям.

Рабочее место должно позволить размещение используемое оборудование с учетом его количества и конструктивных особенностей характера выполняемой работы. На производстве можно использовать столы различной конструкции, которые отвечают современным требованиям эргономики. При всем этом нужно учитывать конструкцию тела пользователя, расположение оборудования с учетом зоны наблюдения и досягаемости рук.

Высота стола для взрослого человека должна составлять 680-800мм; при отсутствии такой возможности, можно использовать стол высотой 720мм.

Размерами рабочего стола, на основании которых должны рассчитываться конструктивные размеры, следует считать: ширину 800, 1000, 1200 и 1400 мм, глубину 800 и 1000 мм при нерегулируемой его высоте, равной 725 мм.

Пространство для ног должно составлять высотой не менее 600мм, шириной - не менее 500 мм, глубиной - не менее 450-650 мм. Поверхность стола не должна иметь острых углов и краев. Чтобы ограничить попадание света в глаза необходимо использовать столы с матовым или полуматовым покрытием. Рабочий стул или кресло должно обеспечить нормальную рабочую позу пользователя при работе за компьютером, позволять менять позу с целью снижения усталости мышц шейно-плечевой области и спины для предупреждения развития утомления. Рабочий стул должен выбираться в зависимости от характера и продолжительности работы пользователя за компьютерной техникой с учетом его роста.

При работе за компьютерной техникой санитарно-гигиенические условия труда могут иметь вредный характер. Это может привести из-за наличия вредных веществ, избыточное тепло - газовыделение, пыль, вибрации, шумы, плохое освещение помещения. Из-за всего это происходит снижение работоспособности пользователя, а при длительной работе может привести к профессиональным заболеваниям. Метеорологические условия производственных помещений складываются из температуры воздуха в помещении, инфракрасного и ультрафиолетового излучения от нагретого оборудования, влажности воздуха и его подвижности. Все эти факторы в определенном месте на предприятии можно назвать микроклиматом.

Рабочее место пользователя должно соответствовать оптимальным параметрам в соответствии с СанПин 2.2.2.542-96.

Под оптимальными параметрами микроклимата можно понимать такие, которые при длительном воздействии на организм человека различных воздействий, без напряжения терморегуляции и являются предпосылкой высокого уровня работоспособности.

Работы на ВДТ и ПЭВМ по тяжести и энергозатратам относятся к категории легких физических работ (Iа, Iб).. При выполнении таких работ температура воздуха должна быть: в холодный период года не более 22 - 240С, в теплый период года - 23 - 250С.

Влажность на рабочем месте не должна превышать 40 - 60%, а скорость движения - не более 0,1 - 0,2 м/с. Чтобы повысить влажность в помещении часто используют увлажнители воздуха, заправляемые дистиллированной или прокипяченной питьевой водой. Вибрация, шум и звук складываются из элементарных движений, называемых гармоническими колебаниями. Разница состоит в психофизиологическом их восприятии. Вибрация воспринимается осязанием, шум - слухом. Уровни шума на рабочих местах пользователей ПК не должны превышать значений, установленных ГОСТ Р50923-96 и СанПин 2.2.2.542-96[6].

Основными источниками шума на рабочем месте являются шумные приборы вычислительных машин, такие как принтеры, АЦПУ и т.п, установленные кондиционеры, преобразователи напряжения и другое оборудование. Уровень шума на основных рабочих местах не должен превышать 50 дБА. На рабочих местах в помещениях для размещения шумных агрегатов вычислительных машин (принтеры и т.п.) уровень шума не должен превышать 75 дБА.

Оборудование, которое превышает нормированный уровень шума, должны находиться вне помещения с компьютерной техникой. Печатающее оборудование нужно ставить на звукопоглощающие поверхности, для предотвращения лишнего шума. Если уровень шума печатающего оборудования превышают нормируемые, оно должно быть расположено вне помещения с ПК.

Основная информация об окружающем нас мире (до 90%) поступает через зрительный анализатор (чувствительный аппарат), состоящий из глаз, зрительных нервов, зрительного центра, расположенного в затылочной доле коры головного мозга. Прием и анализ информации происходит в световом диапазоне 380-7 60 нм длин электромагнитных волн.

Для зрительного анализатора многообразие окружающего мира представлено различными предметами, объектами, характеризующимися размером, светлотой, контрастом объекта с фоном и удаленностью от глаз. Поэтому налицо зависимость между освещенностью объекта, характером зрительной работы (размер объекта различения, контраст объекта различения с фоном, характеристика фона) и функциональным состоянием зрительного анализатора.

Выполнение зрительной работы при недостаточной освещенности рабочего места может привести к развитию некоторых дефектов глаз: близорукость ложная и истинная; дальнозоркость истинная и старческая.

К производственному освещению независимо от источника света предъявляются следующие требования:

достаточная освещенность, т. е. освещенность объекта должна обеспечить комфортные условия для общей работоспособности;

равномерность освещения, т. е. освещенность должна быть равномерной во времени и пространстве;

отсутствие блескости в поле зрения работающих.

Рассмотрим характеристики освещения.

Световой поток - мощность световой энергии, оцениваемой по световому ощущению, которое испытывает глаз. Единица измерения светового потока - люмен (лм). Величина светового потока является не только физической, но и физиологической.

Освещенность - поверхностная плотность светового потока; единица освещенности - люкс (лк). Это освещенность одного квадратного метра поверхности при падении на него светового потока в один люмен.

Сила света - пространственная плотность светового потока в пределах телесного угла, стерадиан. Единица силы света - кандела (кд).

Яркость - поверхностная плотность силы света в данном направлении, которая определяется из отношения силы света излучаемой поверхности в этом направлении к проекции светящейся поверхности на плоскость, перпендикулярную данному направлению. Единица яркости - кандела на квадратный метр (кд/м2).

Коэффициент отражения р характеризует способность поверхности отражать падающий на нее световой поток. Если р < 0,2 - фон считается темным; если 0,2 < р < 0,4 - средним; при р > 0,4 - светлым.

Контраст объекта с фоном К определяется из соотношения яркостей рассматриваемого объекта и фона.

Контраст объекта с фоном считается малым, если К < 0,2, средним - при 0,2 < К < 0,5 и большим при К > 0,5.

Видимость - способность глаза человека различать предмет. Зависит от освещенности, размера объекта, его яркости, контраста объекта с фоном, подвижности, расстояния до объекта. Оценивается видимость числом пороговых контрастов, содержащихся в действительном контрасте.

Блескостъ - это свойство световых приборов или светящих поверхностей при неблагоприятном соотношении между их яркостью, силой света и яркостью окружающего пространства нарушать условия комфортного зрения, или ухудшать контрастную чувствительность, или оказывать одновременно оба этих действия. Если участки повышенной яркости излучают свет, они обладают прямой блескостью, если они создаются отражением излучающих свет элементов от других поверхностей поля зрения, они обладают отраженной блескостью.

Показатель ослепленности - это критерий оценки слепящего действия источника света.

Коэффициент пульсации освещенности - критерий оценки изменения освещенности поверхности вследствие периодического изменения во времени светового потока источника света. Необходимость в показателе «коэффициент пульсации» вызвана широким применением газоразрядных ламп. При питании их переменным током наблюдается пульсация во времени величины светового потока этих источников с частотой, вдвое большей частоты тока в сети.

Отопление производственных помещений имеет свою специфику, главное их которых - эффективность применения отопительных оборудований, способность поддержания необходимой температуры на относительно большой площади предприятия, при этом воздухонагреватели должны обеспечивать тепло, как в помещении, так и за его пределами, независимо от их расположения.

К системам отопления предъявляются разнообразные требования. Все требования можно разделить на следующие группы:

Санитарно-гигиенические требования к системам отопления: Поддержание заданной температуры воздуха и внутренних поверхностей ограждений помещения во времени, в плане и по высоте при допустимой подвижности воздуха, ограничение температуры на поверхности отопительных приборов;

Эксплуатационные требования к системам отопления: Эффективность действия в течение всего периода работы, надежность и техническое совершенство, безопасность и бесшумность действия;

Экономические требования к системам отопления: Оптимальные капитальные вложения, экономичный расход тепловой энергии при эксплуатации;

Архитектурно-строительные требования к системам отопления: Соответствие интерьеру помещения, компактность, увязка со строительными конструкциями и сроком строительства здания;

Производственно-монтажные требования к системам отопления: Минимальное число унифицированных узлов и деталей, механизация их изготовления, сокращение трудовых затрат и ручного труда при монтаже.

Для отопления помещений, где располагаются компьютерные оборудования, используются водяные, воздушные и напольно-лучистые системы центрального отопления.

Местное отопление в помещениях с компьютерным оборудованием не применяют.

Нагревательные поверхности отопительных приборов должны быть равными и гладкими, что бы на них не задерживалась пыль, и можно было легко очищать от загрязнений. Радиаторы лучше всего устанавливать в подставках, которые прикрываются деревянной решеткой, подходящей под оформление помещения. С помощью таких решеток можно утверждать, что в помещении повышена электробезопасность.[29]

Для чистоты воздуха в помещении с компьютерной техникой чаще всего используется системы вентиляции и кондиционирование воздуха.

Вентиляция - это система устройств, мероприятий, которые используются для организации воздухообмена на рабочих местах или в других помещениях, с целью обеспечения состояния воздушной среды, которое требуется согласно Строительным нормам (СниП). Системы вентиляции устанавливаются для поддержания ряда метеорологических параметров в зависимости от потребностей объекта.

Системы вентиляции могут быть с естественным или искусственным созданием давления воздуха. В искусственных системах (так называемых механических) главным элементом есть специальные приборы и оборудование, которое создает давление, в результате которого воздух перемещается (это вентиляторы, воздухонагреватели, электродвигатели, пылеуловители). Такие системы позволяют перемещать воздух на большие расстояния, удалять воздух в необходимом количестве с территории объекта, очищать, нагревать или увлажнят его вовремя обработки, независимо от метеорологических параметров. Однако, недостатком этих систем есть существенные затраты электроэнергии, а также необходимость их постоянного обслуживания. В системах с естественным созданием давления, не используются такие механизмы, что дает возможность экономить на энергии, но ставит систему вентиляции в зависимость от погодных условий. Довольно часто, на предприятиях, используют смешанную систему, которая комбинирует механизмы искусственной и естественной системы вентиляции.

По назначению системы вентиляции могут быть приточными и вытяжными. Приточные системы используются для закачки чистого воздуха на объект. В зависимости от системы и назначения, воздух может подвергаться специальной обработке. Вытяжные системы наоборот, удаляют загрязненный воздух или отработанный из помещения. На производстве комбинируют эти два типа системы, с соблюдением сбалансированности. Но также может использоваться только один тип системы. В этом случае воздух удаляется или поступает через специальные проемы.

Естественный неорганизованный воздухообмен в помещении обусловлен действием двух факторов: теплового движения воздуха и ветрового давления.

Тепловое давление создается разностью весов столбов воздуха вне и внутри помещения. Таким образом, возникает перепад давления, способствующий воздухообмену. Ветровое давление обусловлено действием ветра, из-за которого с наветренной стороны здания возникает избыточное давление, а с подветренной стороны - разряжение.

Возникающий перепад давлений способствует входу воздуха с наветренной стороны и выхода его через отверстия на противоположной - подветренной стороне.

Самый простой тип общеобменной вытяжной вентиляции - это отдельный вентилятор с электродвигателем (зачастую осевого типа, на одной оси), который располагается в отверстии стены или в окне. Такая установка может удалять воздух из зоны помещения близкой к вентилятору и осуществляет общий воздухообмен.

Иногда установка оснащена протяженным вытяжным воздуховодом. И если длина такого воздуховода превышает 35 - 40 метров и соответственно потеря давления в сети составляет 35 - 40 кг/м2, то осевой вентилятор заменяется вентилятором центробежного типа.

Если в цехе выделяются газы или пыль а тепловыделений от оборудования нет, тогда по полу цеха прокладывают вытяжные воздуховоды или выполняют их в виде каналов под полом.

Встречаются промышленные здания, в которых вредные выделения носят разнородный характер - это и газ, и пыль, и пары, теплота, влага и пр. и при этом эти вредные выделения поступают в помещение в различных условиях (на различных уровнях, сосредоточенно, рассосредоточенно и т. п. ) тогда какой-либо одной системой вентиляции (например местной или общеобменной) обойтись невозможно.

В таких помещениях, для того чтобы удалить вредные выделения, которые поступают в воздух и не могут быть локализованы, используют общеобменные вытяжные системы.

Местную вытяжную вентиляцию используют в случаях, когда места образования вредных выделений заранее известны и требуется предотвратить их дальнейшее распространение по остальному помещению.

Местная вытяжная вентиляция в промышленных помещениях улавливает и отводит вредные выделения в виде газов, пыли дыма. Она также частично устраняет выделяемое оборудованием тепло. Для удаления вредных летучих веществ используют местные отсосы (локализующие укрытия в виде вытяжных шкафов, зонтов, изолирующих кожухов и др. ).

В отдельных случаях в помещениях на производстве, наравне с механическими системами вентиляции могут использовать и системы с естественным пробуждением где воздух перемещается по воздуховодам из-за разности объема холодного(наружного) и теплого(внутреннего) воздуха.

Системы вентиляции делятся на те которые оснащены сетью воздуховодов предназначенной для смешивания воздуха ( канальная) и те в которых воздуховоды отсутствуют (безканальная), например, при естественной вентиляции или когда вентилятор устанавливается в окне, стене и т. д.

Помещения для работы с ВДТ и ПК должны оборудоваться эффективной приточно-вытяжной вентиляцией.

С целью поддержания параметров микроклимата в допустимых пределах, обеспечивающих надежную работу ВДТ и ПЭВМ, а так же комфортные условия работы обслуживающего персонала и пользователей применяется кондиционирование воздуха.

Кондиционер - это прибор для охлаждения или обогрева воздуха в помещении. В зависимости от исполнения, применения и функциональности, различают множество типов кондиционеров. При выборе типа кондиционера необходимо учитывать тип помещения, где он устанавливается , его площадь и высоту потолков, количество человек, постоянно находящихся в данном помещении, наличие тепловыделяющего оборудования, размеры окон, их ориентацию по сторонам света и многое-многое другое.

Рассмотрим основные типы кондиционеров:

Сплит-системы - это кондиционеры, которые состоят из одного наружного и одного внутреннего блоков. Эти кондиционеры обладают целым рядом достоинств, среди которых высокая эффективность, низкий уровень шума, свобода выбора места расположения кондиционера и типа внутреннего блока. Последние бывают мобильными, колонными, настенными, потолочными, напольными, консольными, кассетными и канальными.

Инверторные сплит-системы автоматически регулируют мощность охлаждения в помещении (обычные сплит-системы работают лишь на включение-выключение), при этом, точнее поддерживается заданная температура, наводится меньший уровень шума, экономится до 30% электроэнергии, обеспечивается большая охлаждающая способность и больший срок службы. Это возможно потому, что потребляемая мощность снижается, когда температура в помещении приближается к желаемой. Инвертор в этом случае переключается в режим работы на низкой мощности, чтобы поддерживать оптимальную температуру без потери электроэнергии.

Канальные кондиционеры предназначены для кондиционирования нескольких помещений одновременно. Канальный кондиционер, прежде всего, рассчитан на работу в режиме рециркуляции, внутренние блоки канальных кондиционеров устанавливаются за подвесным потолком, в гардеробных и т.д., а воздух забирается и раздается воздуховодами по кондиционируемым помещениям. Воздух забирается из помещения через заборную решетку, проходит внутренний блок и системой воздуховодов снова подается в помещения через распределительные решетки. Блок имеет более мощный вентилятор, позволяющий преодолеть сопротивление распределительных воздуховодов и решеток.

В центральных системах кондиционирования снабжение нескольких, иногда многих, помещений приготовленным воздухом производится из одного центрального узла, внешнего по отношению к обслуживаемым помещениям. Для того чтобы иметь возможность осуществлять различные процессы обработки воздуха, зависящие от времени года и условий использования помещений, к центральному узлу приготовления воздуха подается тепло и холодоноситель. Последним чаще всего является холодная вода. К этому же узлу подводится электроэнергия.[14]

Итак, центральные системы кондиционирования воздуха могут быть подразделены на следующие разновидности: без дополнительной обработки воздуха для отдельных помещений и групп помещений и с дополнительной обработкой в зональных кондиционерах-доводчиках и в местных доводчиках (зональные системы); одноканальные и двухканальные системы; низконапорные и высоконапорные системы.

Системы с кондиционерами, установленными внутри обслуживаемых помещений, называются местными. К ним относятся системы, использующие местные кондиционеры. Местные СКВ могут быть выполнены по любой из описанных выше схем центральных систем, но на практике в большинстве случаев эти схемы упрощаются и применяются те из них, в которых заложены местные кондиционеры, выпускаемые промышленностью кондиционеростроения. Автоматическое регулирование местных систем часто сводится к двухпозиционному включению или отключению кондиционера либо его теплообменников. Достоинствами местных СКВ являются: приспособляемость к изменению планировки и назначения помещения; возможность быстрой установки и ввода в эксплуатацию без производства большого объема строительно-монтажных работ; возможность индивидуального регулирования температуры воздуха в помещении; автоматическое прекращение работы холодильной машины при падении тепловой нагрузки. Недостатками местных СКВ являются: повышенный шум, связанный с работой вентиляторов и холодильных машин внутри помещений; сравнительно короткий срок службы местных кондиционеров, равный в среднем 10 годам. Средний срок службы центральных систем - 20 лет.

В помещениях, где производят работы с ВДТ и ПЭВМ, выделяется большое количество теплоты. Поэтому кондиционеры, обслуживающие помещения с ВДТ и ПК, работают постоянно только на охлаждение.

При организации кондиционирования воздуха в помещениях с ВДТ и ПК ставятся более жесткие ограничения в отношении температуры, относительной влажности и содержания пыли в воздухе.

Наибольшее распространение получили два типа систем охлаждения и кондиционирования воздуха в помещениях с ВДТ и ПК: раздельный и совмещенный, в которых используются автономные и неавтономные кондиционеры.

Система раздельного типа представляет собой устройство кондиционирования воздуха (УКВ) с двумя зонами регулирования, предназначенными соответственно для обеспечения охлажденным воздухом технических средств ПК и свежим кондиционированным воздухом машинного зала. Такие системы целесообразно использовать в ВУ большой мощности. В системах раздельного типа воздух для охлаждения технических средств ПЭВМ поступает независимо и раздельно от воздуха, подаваемого в машинный зал.

В системе совмещенного типа воздух одновременно подается в машинный зал и для охлаждения ПЭВМ от одной УКВ.

июля 2001 г. Приказом Министерства связи и информатизации РФ № 162 была утверждена Типовая инструкция по охране труда при работе на персональном компьютере ТОИ Р-45-084-01.

Работа с персональным компьютером связана с большим числом опасных и вредных факторов.

Электромагнитное излучение является наиболее вредным фактором, так как распространяется во всех направлениях и оказывает воздействие не только на работающего, но и на окружающих. В связи с этим замеры излучений на соответствие стандартам проводятся от центра экрана, боковых и задних стенок монитора. Стандарты нормируют излучение в двух поддиапазонах 20 Гц - 2 кГц и 2-400 кГц. Причем подавляющее большинство случаев превышения допустимых уровней приходится на поддиапазон 2-400 кГц.

Очень часто производители компьютеров указывают, что их техника соответствует международным стандартам. Однако во время экспертизы выясняется, что компьютер соответствует этим стандартам только по одному направлению - от центра экрана. А со стороны стенок излучение превышает норму в несколько раз. Поэтому замеры должны производиться на расстоянии 50 см от центра экрана и стенок компьютера. Наиболее жесткие требования предъявляет стандарт ТСО 92 (Шведская конференция профессиональных служащих). Наименее жесткие - стандарты России.

Что касается непосредственного воздействия электрического тока, то кроме провода, включенного в розетку, опасность может представлять лишь внутренность монитора, где создается высокое напряжение (десятки тысяч вольт). Поэтому перед тем как начать работать с прибором, нужно ознакомиться с правилами техники безопасности. Об электрической безопасности экрана монитора свидетельствует наличие маркировки «Б».

Изображение, которое мы видим на экране монитора, возникает в результате свечения люминофора на внутренней поверхности экрана под воздействием электронного пучка. Сталкиваясь с поверхностью, электроны создают тормозное, в т.ч. и рентгеновское излучение. В то же время стекло монитора практически непрозрачно для фотонов с энергией 15-25 КэВ. Поэтому дозы облучения, которые может получить пользователь компьютера, сравнимы с фоном, создаваемым излучением естественных радионуклидов и космических лучей.

Серьезную нагрузку для глаз и психики пользователя создает невысокая резкость символов, наличие бликов и отражений, проблемы с оптимальным соотношением яркости и контрастности и многое другое. Частично эти проблемы помогают решать высокотехнологические защитные экраны.

Длительные статические нагрузки на организм могут вызывать костно-мышечные заболевания, стрессы, легкую возбудимость и депрессии, нарушение сна. Могут возникать воспалительные процессы в сухожилиях и мышечных тканях в результате частого нажатия на клавиши и манипулирования с «мышью». Всему этому способствует длительное пребывание в сидячем положении в одной и той же позе. В нерасслабляющихся мышцах ухудшается кровообращение, накапливаются продукты распада (главным образом молочная кислота), в результате чего возникают болевые ощущения.

Напряжение глаз, вызванное работой на компьютере, не имеет серьезных последствий, но снижает работоспособность и приносит неудобства; Хотя вы, наверное, не сможете снять действие всех факторов, вызывающих усталость глаз, попробуйте следующие меры:

Измените своим рабочим привычкам.

Делайте перерывы, чтобы дать глазам отдых. Отводите взгляд от экрана и смотрите вдаль в течение 10 секунд каждые 10 минут.

Смените ритм. Отвлекайтесь от работы на компьютере, по крайней мере, каждые два часа, давая глазам и телу необходимый отдых. В эти перерывы займитесь другим делом, не связанным с компьютером. Лучше делайте это стоя.

Мигайте, моргайте. Длительное сидение за компьютером может стать причиной сухости глаз, особенно у людей, носящих контактные линзы. Некоторые люди во время работы за компьютером моргают лишь один раз в минуту (норма - один раз каждые пять секунд). Редкое моргание означает плохое увлажнение слезами, а результат - сухость, зуд и жжение глаз. Поэтому моргайте чаще. Если это не помогает, вам могут подойти капли для глаз, имитирующие настоящие слезы, которые продаются в аптеках без рецепта.

Закройте глаза. Если есть такая возможность, откиньтесь в кресле назад и закройте глаза на некоторое время. Вы можете не захотеть делать это за рабочим столом из страха, что вас могут обвинить в том, то вы спите на работе.

Все компьютерное оборудование должно быть на своем месте:

Монитор. Монитор должен стоять на расстоянии 45 - 75 см от глаз. Большинство людей считают что лучше ставить монитор на расстоянии вытянутой руки. Если вам приходится подвигаться слишком близко, чтобы читать мелкий текст, поменяйте размер шрифта. Это обычно самый легкий способ приспособить изображение к глазам, доступный в текстовом редакторе или программах для просмотра документов в интернете.

Верхняя часть экрана должна быть на одном уровне с глазами, или чуть ниже, так, чтобы во время работы вы смотрели чуть вниз, а не вверх. Если вы поставите монитор слишком высоко, вам придется запрокидывать голову назад, чтобы все видеть, а это прямой путь к болям в шее и сухости глаз, потому что вы можете не полностью закрывать глаза, когда моргаете. Если монитор стоит на системном блоке, то лучше исправить ситуацию и поставить системный блок вниз, справа или слева на пол.

Пыль на экране снижает контрастность и может вызвать блеск и искажение изображения. Регулярно протирайте монитор.

Клавиатура. Положите клавиатуру прямо перед монитором. Если положить ее под углом по отношению к монитору, то глазам придется концентрироваться отдельно на клавиатуре, отдельно на мониторе, они не будут на одной линии.

Источник или документ. Поместите источник или материал для набора на стенд рядом с монитором, на том же уровне, под тем же углом, на том же расстоянии. Это облегчит работу глазам. Им не придется фокусироваться сначала вдали на мониторе, а потом вблизи на источнике.

Окружающий свет. Чтобы проверить, есть ли ненужное отражение, сядьте напротив выключенного монитора и посмотрите в него. Вы увидите отражение многих предметов, включая себя. Отметьте особенно сильное отражение и блеск. Хуже всего обстоит дело с предметами за вашей спиной, источниками электрического света и солнечным светом.

Если есть такая возможность, поместите монитор так, чтобы источники света были параллельны линии отражения монитора. Если вам не удается добиться этого, наклоните монитор немного вперед. Защитный экран может помочь решить проблему, но убедитесь в том, что изображение при этом не страдает. Уменьшить усталость глаз может правильное размещение освещения, так, чтобы оно не светило вам в глаза. Более того, окружающий свет должен быть темнее, чем самый светлый тон на экране монитора.

Очки. Избежать многих проблем может помочь правильная коррекция зрения. Если вы носите очки или контактные линзы, убедитесь, что они подходят для работы на компьютере. Основная часть контактных линз предназначены для чтения и могут не подходить для экрана. Например, людям с бифокальными линзами приходится постоянно немного наклонять вниз голову, чтобы смотреть через нижнюю часть линзы. А это мо^ жет привести к болям в шее или головным болям. Очки и контактные линзы, созданные специально для работы на компьютере, могут быть неплохим приобретением.

Работающий компьютер (как и телевизор) генерирует положительно зараженные ионы кислорода, которые вызывают повышенную утомляемость, беспокойство или состояние депрессии, снижение иммунитета. Большую опасность для здоровья представляют не имеющие запаха диоксины и фуран (относятся к полибромидным противопожарным средствам). Оба этих вещества медленно испаряются из корпуса монитора и плат, повышая риск возникновения онкологических заболеваний. Для снижения концентрации этих веществ в рабочем помещении его необходимо регулярно проветривать.

Работодатель должен обеспечить правильное и безопасное расположение рабочих мест работников, а именно: рабочие места с компьютерами должны размещаться таким образом, чтобы расстояние от экрана одного видеомонитора до тыла другого было не менее 2 м, а расстояние между боковыми поверхностями видеомониторов - не менее 1,2 м. При этом естественный свет должен падать сбоку, преимущественно слева, а оконные проемы необходимо оборудовать регулируемыми устройствами (жалюзи, занавеси, внешние козырьки и т.п.). Также на работодателя возлагается обязанность по обеспечению работников надлежащей рабочей мебелью для пользователей компьютерной техникой, в частности, отвечающей следующим требованиям:

) высота рабочей поверхности стола должна регулироваться в пределах 680 - 800 мм (если нет такой возможности, то высота рабочей поверхности стола должна составлять 725 мм);

) рабочий стол должен иметь пространство для ног высотой не менее 600 мм, глубиной на уровне колен - не менее 450 мм и на уровне вытянутых ног - не менее 650 мм;

) рабочий стул должен быть подъемно-поворотным и регулируемым по высоте и углам наклона сиденья и спинки и по расстоянию спинки от переднего края сиденья;

) рабочее место следует оборудовать специальной подставкой для ног, имеющей ширину не менее 300 мм, глубину не менее 400 мм, регулировку по высоте в пределах до 150 мм и по углу наклона опорной поверхности подставки до 20°. При этом поверхность подставки должна быть рифленой и иметь по переднему краю бортик высотой 10 мм;

) на рабочем месте с персональным компьютером должен быть легко перемещаемый пюпитр для документов. Запрещается допускать к работе с использованием персонального компьютера женщин со времени установления беременности и в период кормления грудью.

В данной были рассмотрены основные проблемы охраны труда, техники безопасности, санитарных норм и правил производственной деятельности, связанной с компьютерной техникой. Были четко установлены основные требования, необходимые для безопасного взаимодействия с ЭВМ.

Заключение

При выполнении дипломного проекта была поставлена задача: разработать автоматизированное зарядное устройство для автомобильных аккумуляторов.

В ходе выполнения работы были спроектированы основные пути решения поставленной задачи:

Разработать функциональную и электрическую принципиальную схему устройства;

Запрограммировать микроконтроллер в соответствии с требованиями заказчика;

Произвести сборку автоматизированного зарядного устройства на базе микроконтроллера;

Произвести тестирование разработанного устройства;

Произвести расчет экономических затрат на разработку устройства;

Запрограммированы функции устройства и алгоритмы работы.

В дальнейшем возможна модернизация устройства предусмотренная при разработке, а также возможно повышение ёмкости заряжаемых АКБ и мощности заряда.

Вышесказанное позволяет утверждать, что все поставленные задачи были выполнены в полном объеме.

Список используемых источников

1.      Аверченков В.И., Лозбинев Ф.Ю., Тищенко А.А., Информационные системы в производстве и экономике: учебное пособие, 2011 г.

.        Бидайбеков Е.Ы., Применение микроконтроллеров PIC16. Архитектура, программирование и построение интерфейсов с применением Си и ассемблера. - Корона-Век, МК-Пресс: 2008, 576 с.

.        Билибин К.И., Шахнов В.А. Конструкторско-технологическое проектирование электронной аппаратуры: Учеб. Для техн. Вузов: 2009г.

.        Иванов В.Б. Программирование микроконтроллеров для начинающих. - Корона-Век, МК-Пресс: 2010г.-176 с.

.        Исаев Г.Н., Информационные технологии, Издательство: Омега-Л, 2012 г.

.        Информационные системы: Учебник для вузов. 2-е изд. СПб: "Питер", 2005 г - 656 стр.

.        Лопаткин А.В. Проектирование печатных плат. Учебное пособие для практических занятий / А.В. Лопаткин. - Нижний Новгород: НГТУ, 2002. - 190 с.

.        Мухаммед Али Мазиди, Ролин Д. МакКинли, Кусэй Дэнни. Микроконтроллеры PIC и встроенные системы. Применение ассемблера и С для PIC - Корона-Принт, МК-Пресс: 2009, 784 с.

.        Провалов В.С. Информационные технологии управления, Издательство: ФЛИНТА; МПСИ, 2009 г.

.        Разработка программного обеспечения - СПб : "Питер", 2004 г - 592 стр.

.        Угрюмов Е.П. Цифровая схемотехника.-СПб.: БХВ-Петербург, 2002г.

.        Фокс Дж. Программное обеспечение и его разработка / Пер. с англ. - М.: Мир, 1985. - 368 с., ил.

.        Финогенов К.Г. Основы языка Ассемблера. - М.: Радио и связь, 2000.

.        Холостовой Е.И., Прохорова О.Г.; Безопасность жизнедеятельности: Учебник для бакалавров - М.: Дашков и К, 2013 г. 453 с.

.        Юров В., Хорошенко В. Assembler - Учебный курс.- СПб.: Питер, 2000.

.        Юров В. Assembler. Специальный справочник. - СПб.: Питер, 2001.

.        Язык компьютера. Пер. с англ, под ред. и с предисл. В. М. Курочкина. - М.: Мир, 1989. - 240 с., ил. Глушаков С.В., Ломотько Д.В. Базы данных, 2000.

.        Трудовой Кодекс Российской Федерации от 30 декабря 2001 года N 197-ФЗ (принят ГД ФС РФ 21.12.2001).

.        Методические указания для расчета экономической части дипломного проекта / Сост. Неживенко Е.А. - Челябинск: Южно-Уральский профессиональный институт, 2012. - 14 с

.        Методические рекомендации по выполнению и защите выпускной квалификационной работы / Сост. Кондаков С.А. - Челябинск: Южно-Уральский профессиональный институт, 2013. - 48 с.

.        СанПиН 2.2.2/2.4.1340-03 Гигиенические требования к персональным электронно-вычислительным машинам и организации работы».

22.   

Похожие работы на - Разработка автоматизированного зарядного устройства для автомобильных аккумуляторных батарей

 

Не нашли материал для своей работы?
Поможем написать уникальную работу
Без плагиата!
Без нейросетей!