Електроустаткування верстата 2М112
Вступ
Зараз, як ніколи раніш, гостро
постало питання: що чекає на людство - енергетичне голодування чи енергетичний
достаток? Очевидно, що зараз людство переживає енергетичну кризу: бажані
потреби людства у електричній енергії у декілька разів перевищують
виготовлення! І це при тому, що остання цифра є майже фантастичною - 27-30
трлд. кіловат-годин щороку. Рівень матеріальної, а відповідно і духовної
культури людства прямо залежить від кількості енергії, що воно має. Для того
щоб виготовити будь-яку річ нам потрібна енергія. Матеріальні потреби людства
як і популяція людей постійно збільшуються, тому потреба у енергії збільшується
геометрично. Засоби масової інформації постійно інформують нас про винайдення
різноманітних нових, більш екологічно чистих способів добути енергію. Але ж в
чому тоді причина повільного зростання частки таких джерел у загальному
видобутку енергії. Справа у тому, що досі не знайдено джерела енергії, більш
рентабельного за найдавніший спосіб видобутку енергії - спалення. І зараз 80% всієї
енергії людство отримує спалюючи вугілля,нафту та нафтопродукти, приролній газ,
торф тощо. Але тих запасів енергії, що природа накопичувала сотні мільйонів
років, вистачить лише на декількасот рокіів. Отже єдиний спосіб змусити людину
перейти на більш екологічно чисті джерела енергії - це прийняття на державному
рівні та на рівні світової спільноти низки регулюючих актів, котрі б обмежили
видобуток паливних ресурсів. Але ряд держав (перш за все це держави Перської
затоки) і не збираються обмежувати таким способом свої прибутки. Отже основний
тягар по збереженню енергії лягає на розвинені держави Північної Америки та
Європи. Все більше і більше вчених шукають якомога рентабельніші джерела, котрі
б використовували відновлювані ресурси і котрі б змогли хоча б частково
замінити паливні. Найбільш підходять такі джерела як використання енергії
текучої води та вітру, океанських припливів та відпливів, тепла земних надр та,
звичайно, енергії Сонця. Також багатообіцяючими є дослідження, метою яких є
спроба повторити термоядерні процеси, що відбуваються на зірках. Вчені можуть
сказати, що енергія - це здатність до виконання роботи, а робота здійснюється,
коли на об'єкт діє фізична сила. Чітке визначеня енергії передбачає, що енергія
- це різниця потенціалів у різних точках поля. Але нам достатьно визначити у
цьому рефераті енергію, як джерело, з якого людина може добути електричний
струм, тепло, тощо.
1. Альтернативні джерела енергії
Використання будь-якого виду енергії
і виробництво електроенергії супроводжується утворенням багатьох забруднювачів
води і повітря. Перелік таких забруднювачів на диво довгий, а їхні кількості
надзвичайно величезні.
Цілком природно виникає питання, чи
завжди використання енергії і виробництво електроенергії повинне
супроводжуватися руйнуванням навколишнього середовища. І якщо правда, що
будь-який вид людської діяльності неминуче впливає на природу, то ступінь цієї
шкоди різний. Ми не можемо не впливати на середовище, у якій живемо, оскільки
для підтримки життєвих процесів як таких необхідно поглинати і використовувати
енергію.
Людина, безумовно, впливає на
навколишню його середовище, однак у природі існують природні механізми, що
врівноважують, що підтримують середовище і спільноти, що живуть у ній, у стані
рівноваги, коли всі зміни відбуваються досить повільно. Проте в багатьох
випадках господарська діяльність людини порушує рівновагу, підтримувану цими
механізмами, що призводить до швидких змін умов навколишнього середовища, з
якими ні людина, ні природа не можуть успішно справитися. Традиційне
виробництво енергії, що дає величезні кількості забруднювачів води і повітря, -
один з видів такої діяльності людини.
Дивно, що всього двісті років тому
людство, крім енергії самої людини і тварин, володіло тільки трьома видами
енергії. І джерелом цих усіх трьох видів енергії було Сонце. Енергія вітру
обертала крила вітряних млинів, на яких мололи зерно чи ткали. Для того щоб
можна було скористатися енергією води, необхідно, щоб вода бігла вниз до моря
від вище розташованого джерела, де річка наповняється за рахунок дощів, що
випадають.
За останнє десятиліття інтерес до
цих джерел енергії постійно зростає, оскільки в багатьох відносинах вони
необмежені. У міру того як постачання палива стає менш надійним і більш
дорогим, ці джерела стають усе більш привабливими і більш економічними.
Підвищення цін на нафту і газ послужило головною причиною того, що ми знову
звернули свою увагу на воду, вітер і Сонце.
Енергія води. Гідроенергія
Оскільки сонячне випромінювання -
рушійна сила кругообігу води в природі, енергія води, або гідроенергія, також
відноситься до перетвореної енергії Сонця. Вода, що ще в стародавності
використовували для здійснення
механічної роботи, дотепер
залишається добрим джерелом енергії - тепер вже електричної - для нашої
промислової цивілізації. Енергія падаючої води, що обертає водяне колесо,
служила безпосередньо для розмелу зерна, розпилювання деревини і виробництва
тканин. Однак млини і лісопилки на наших річках стали зникати, коли у
вісімдесятих роках позаминулого століття почалося виробництво електроенергії з
водоспадів.
Енергія припливів
У припливах і відпливах, що змінюють
один одного двічі на день, також зосереджена величезна енергія. Припливи - це
результат гравітаційного притягання великих мас води океанів з боку Місяця і, у
меншому ступені, Сонця. При обертанні Землі частина води океану піднімається і
якийсь час утримується в цьому положенні гравітаційним притяганням. Коли «горб»
підйому води досягає суші, як це повинно відбуватися внаслідок обертання Землі,
настає приплив. Подальше обертання Землі послабляє вплив Місяця на цю частину
океану, і приплив спадає. Припливи і відпливи повторюються двічі на добу, хоча
їхній точний час змінюється в залежності від сезону і положення Місяця.
Середня висота припливу складає
усього лише 0,5 м, за винятком тих випадків, коли водяні маси переміщаються у
відносно вузьких межах. У таких випадках виникає хвиля, висота якої може в
10-20 разів перевищувати нормальну висоту припливного підйому. Щороку найбільш
високі припливи бувають тоді, коли Місяць і Сонце знаходяться майже на одній
лінії, так що сумарний гравітаційний вплив збільшує обсяг переміщуваної
океанської води.Біологічні і фізичні наслідки будівництва приливних
електростанцій.
Фізичні наслідки. Коли ми дивимося
на припливи з їх загрозливою енергією, нам варто подумати про вплив на
навколишнє середовище припливних басейнів. Зосередимося на фізичних змінах, що
можуть відбутися з морської сторони припливної електростанції.Амплітуда
припливу може збільшуватися усього лише на 30 см, але навіть така невелика
зміна загрожує серйозними наслідками. Припливні води, що надходять, можуть
піднятися на 15 см, а це здатне привести до вторгнення морської води в
прибережні колодязі і створити загрозу для будівель, розташованих поблизу
верхньої відмітки припливу. Можливе прискорення берегової ерозії, а низинні
ділянки, включаючи дороги, будуть затоплятися, коли шторми і припливи, що
збільшилися, об'єднають зусилля. Берегова смуга буде практично непридатна для
використання через більш високі припливи. Оцінки площі берегової смуги, що може
бути загублена через приливне затоплення, коливаються від 17 до 40 квадратних
кілометрів. Звичайно, місцеві втрати залежать від крутизни схилу і характеру
берега. Відплив, що може виявитися нижче на 15 см, здатний утруднити доступ до
човнів і до води з причалів. Збільшена висота припливу може викликати
надходження більш солоної води в устя річок і цим змінити співвідношення водних
організмів, що живуть там. Зі збільшенням амплітуди припливів виникнуть
посилені припливні плини, на 5-10% більш швидкі, що може привести до розмивання
і переносу піщаних відмілин і до заповнення піском існуючих судноплавних
рукавів, а в результаті до необхідності складання нових навігаційних карт. Але
в цьому випадку судна незабаром почнуть застрявати, у міру того як проходи
будуть змінюватися через переміщення піску.
АЛЬТЕРНАТИВНІ ДЖЕРЕЛА ЕНЕРГІЇ: ВІТЕР
Використання будь-якого виду енергії
і виробництво електроенергії супроводжується утворенням багатьох забруднювачів
води і повітря. Перелік таких забруднювачів на диво довгий, а їхні кількості
надзвичайно величезні.
Цілком природно виникає питання, чи
завжди використання енергії і виробництво електроенергії повинне
супроводжуватися руйнуванням навколишнього середовища. І якщо правда, що
будь-який вид людської діяльності неминуче впливає на природу, то ступінь цієї
шкоди різний. Ми не можемо не впливати на середовище, у якій живемо, оскільки
для підтримки життєвих процесів як таких необхідно поглинати і використовувати
енергію.
Людина, безумовно, впливає на
навколишню його середовище, однак у природі існують природні механізми, що
врівноважують, що підтримують середовище і спільноти, що живуть у ній, у стані
рівноваги, коли всі зміни відбуваються досить повільно. Проте в багатьох
випадках господарська діяльність людини порушує рівновагу, підтримувану цими
механізмами, що призводить до швидких змін умов навколишнього середовища, з
якими ні людина, ні природа не можуть успішно справитися. Традиційне
виробництво енергії, що дає величезні кількості забруднювачів води і повітря, -
один з видів такої діяльності людини.
Дивно, що всього двісті років тому
людство, крім енергії самої людини і тварин, володіло тільки трьома видами
енергії. І джерелом цих усіх трьох видів енергії було Сонце. Енергія вітру
обертала крила вітряних млинів, на яких мололи зерно чи ткали. Для того щоб
можна було скористатися енергією води, необхідно, щоб вода бігла вниз до моря
від вище розташованого джерела, де річка наповняється за рахунок дощів, що
випадають.
За останнє десятиліття інтерес до
цих джерел енергії постійно зростає, оскільки в багатьох відносинах вони
необмежені. У міру того як постачання палива стає менш надійним і більш
дорогим, ці джерела стають усе більш привабливими і більш економічними.
Підвищення цін на нафту і газ послужило головною причиною того, що ми знову
звернули свою увагу на воду, вітер і Сонце.
У пошуках альтернативних джерел
енергії в багатьох країнах чимало уваги приділяють вітроенергетиці. Вітер
служив людству протягом тисячоліть, забезпечуючи енергію для вітрильних суден,
для розмелу зерна і перекачування води. В даний час головне місце займає
виробництво електроенергії. Уже сьогодні в Данії вітроенергетика покриває
близько 2% потреб країни в електроенергії. У США на декількох станціях працює
близько 17 тисяч вітроагрегатів загальною потужністю до 1500 Мвт.
Вітроенергетичні пристрої випускаються не тільки в США і Данії, але і Великій
Британії, Канаді, Японії і деяких інших країнах.
Для того, щоб будівництво
вітроелектростанції виявилося економічно виправданим, необхідно, щоб
середньорічна швидкість вітру в даному районі складала не менш 6 метрів за
секунду. У нашій країні вітряки можна будувати на узбережжях Чорного і
Азовського морів, у степових районах, а також у горах Криму і Карпат. У нинішню
епоху високих цін на паливо можна вважати, що вітродвигуни виявляться
конкурентноздатними по вартості і зможуть брати участь у задоволенні
енергетичних потреб країни.Треба звернути увагу на те, що при швидкості вітру
33 км/год. подовження крила пропелера в 4 рази (з 15 до 60 м) збільшує
виробництво енергії в 16 разів. Відмітимо також, що при довжині крила 30 м
вітер зі швидкістю 50 кілометрів за годину забезпечує виробництво
електроенергії у 26 разів більше, ніж вітер зі швидкістю 17 кілометрів за
годину. Саме тому інженери схиляються на користь великих вітродвигунів і
прагнуть перехопити вітер на великій висоті.
Більшість великих вітродвигунів, що
споруджуються зараз чи уже діючих, розраховано на роботу при швидкостях вітру
17-58 кілометрів за годину. Вітер зі швидкістю менше 17 кілометрів за годину
дає мало корисної енергії, а при швидкостях більш 58 кілометрів за годину
можливе пошкодження двигуна.Вітродвигуни не слід розраховувати на перехоплення
штормових вітрів. Навіть якщо такий вітер забезпечує одержання набагато більше
енергії, ніж слабкі вітри, він робить настільки сильний тиск на крила, що вся
машина може бути зруйнована. Крім того, тривалість часу, коли дмуть штормові
вітри, настільки мала, що внесок штормових вітрів у сумарне виробництво енергії
незначний, і це робить подібний ризик безглуздим. Щоб усунути проблему
штормових вітрів, крила вітродвигунів згинають так, щоб вони були злегка
повернені в одну сторону для зменшення напору вітру; завдяки цьому повні удари
сильних поривів не ушкоджують пропелер. Ця стара практика відома як «оперення».
Щоб запобігти поломці крил, застосовують також нові матеріали, здатні
протистояти великим навантаженням.
Інші проблеми в конструкції
вітродвигунів обумовлені просто природою системи, необхідної для перехоплення
енергії вітру. Двигуни звичайно встановлюють на високих вежах, щоб пропелери
були відкриті більш сильним вітрам, що дмуть на великій висоті. Ближче до
поверхні землі будинки, дерева, невеликі пагорби і т.п. стримують і послабляють
вітер. Тому потрібні високі щогли. Однак важке устаткування - пропелер, коробка
передач і генератор - повинні розміщатися на верхівці щогли, і це вимагає
міцної конструкції.
Ще одну проблему використання
енергії від вітродвигуна створює природа самого вітру. Швидкість вітру варіює в
широких межах - від легкого подиху до могутніх поривів; у зв'язку з цим
міняється і число обертів генератора за секунду. Для усунення цього перемінний
струм, що виробляється при обертанні осі генератора, випрямляють, тобто
перетворюють у постійний, що йде в одному напрямку. При великих розмірах
вітродвигуна цей постійний струм надходить в електронний перетворювач, що
робить стабільний перемінний струм, придатний для подачі в енергетичну систему.
Невеликі вітродвигуни на кшталт тих, що використовують на ізольованих фермах чи
на морських островах, подають випрямлений струм у великі акумуляторні батареї
замість перетворювача. Акумуляторні батареї необхідні для запасання
електроенергії на періоди, коли вітер занадто слабшає для виробництва енергії.
Більш важка проблема регулювання
всієї системи електростанцій. Тут бувають періоди, коли генератори виробляють
мало енергії чи зовсім її не виробляють. У такий час необхідно десь збільшити
вироблення струму звичайною електростанцією, щоб покрити потреби в ньому.
АЛЬТЕРНАТИВНІ ДЖЕРЕЛА ЕНЕРГІЇ: СОНЦЕ
Використання будь-якого виду енергії
і виробництво електроенергії супроводжується утворенням багатьох забруднювачів
води і повітря. Перелік таких забруднювачів на диво довгий, а їхні кількості
надзвичайно величезні. Цілком природно виникає питання, чи завжди використання
енергії і виробництво електроенергії повинне супроводжуватися руйнуванням
навколишнього середовища. І якщо правда, що будь-який вид людської діяльності
неминуче впливає на природу, то ступінь цієї шкоди різний. Ми не можемо не
впливати на середовище, у якій живемо, оскільки для підтримки життєвих процесів
як таких необхідно поглинати і використовувати енергію.
Людина, безумовно, впливає на
навколишню його середовище, однак у природі існують природні механізми, що
врівноважують, що підтримують середовище і спільноти, що живуть у ній, у стані
рівноваги, коли всі зміни відбуваються досить повільно. Проте в багатьох
випадках господарська діяльність людини порушує рівновагу, підтримувану цими
механізмами, що призводить до швидких змін умов навколишнього середовища, з
якими ні людина, ні природа не можуть успішно справитися. Традиційне
виробництво енергії, що дає величезні кількості забруднювачів води і повітря, -
один з видів такої діяльності людини.
Дивно, що всього двісті років тому
людство, крім енергії самої людини і тварин, володіло тільки трьома видами
енергії. І джерелом цих усіх трьох видів енергії було Сонце. Енергія вітру
обертала крила вітряних млинів, на яких мололи зерно чи ткали. Для того щоб
можна було скористатися енергією води, необхідно, щоб вода бігла вниз до моря
від вище розташованого джерела, де річка наповняється за рахунок дощів, що
випадають.
За останнє десятиліття інтерес до
цих джерел енергії постійно зростає, оскільки в багатьох відносинах вони необмежені.
У міру того як постачання палива стає менш надійним і більш дорогим, ці джерела
стають усе більш привабливими і більш економічними. Підвищення цін на нафту і
газ послужило головною причиною того, що ми знову звернули свою увагу на воду,
вітер і Сонце.
СОНЯЧНА ЕНЕРГІЯ
Сонячна енергія - це кінетична
енергія випромінювання (в основному світла), що утворюється в результаті
реакцій у надрах Сонця. Оскільки її запаси практично невичерпні (астрономи
підрахували, що Сонце буде «горіти» ще кілька мільйонів років), її відносять до
поновлюваних енергоресурсів. У природних екосистемах лише невелика частина
сонячної енергії поглинається хлорофілом, що міститься в листах рослин, і
використовується для фотосинтезу, тобто утворення органічної речовини з
вуглекислого газу і води. Таким чином, вона вловлюється і запасається у вигляді
потенційної енергії органічних речовин. За рахунок їхнього розкладання
задовольняються енергетичні потреби всіх інших компонентів
екосистем.Підраховано, що приблизно такого ж відсотка сонячної енергії цілком
достатньо для забезпечення потреб транспорту, промисловості і нашого побуту не
тільки зараз, але й у доступному для огляду майбутньому. Більш того, незалежно
від того, будемо ми нею користуватися чи ні, на енергетичному балансі Землі і стані
біосфери це ніяк не позначиться. Однак сонячна енергія падає на всю поверхню
Землі, ніде не досягаючи особливої інтенсивності. Тому її потрібно вловити на
порівняно великій площі, сконцентрувати і перетворити в таку форму, яку можна
використовувати для промислових, побутових і транспортних потреб. Крім того,
треба вміти запасати сонячну енергію, щоб підтримувати енергопостачання і
вночі, і в похмурі дні. Перераховані труднощі і витрати, необхідні для
подолання, наводять на думку про непрактичність цього енергоресурсу, принаймні
сьогодні. Однак у багатьох випадках проблема перебільшується.
Головне - використовувати сонячну
енергію так, щоб її вартість була мінімальна або взагалі дорівнювала нулю. В
міру вдосконалювання технологій і подорожчання традиційних енергоресурсів ця
енергія буде знаходити все нові і нові області застосування.
Світлове випромінювання можна
вловлювати безпосередньо, коли воно досягає Землі. Це називається прямим
використанням сонячної енергії. Крім того, вона забезпечує кругообіг води,
циркуляцію повітря і нагромадження органічної речовини в біосфері. Виходить,
звертаючи до цих енергоресурсів, ми по суті справи займаємося непрямим
використанням сонячної енергії.
ПЕРСПЕКТИВИ СОНЯЧНОЇ ЕНЕРГЕТИКИ
Використання сонячної енергії може
бути корисно в декількох аспектах. По-перше, при заміні нею викопного палива
зменшується забруднення повітря і води. По-друге, заміна викопного палива
означає скорочення імпорту палива, особливо нафти. По-третє, заміняючи атомне
паливо, ми знижуємо погрозу поширення атомної зброї. Нарешті, сонячні джерела
можуть забезпечити нам деякий захист, зменшуючи нашу залежність від
безперебійного постачання паливом.
З погляду навколишнього середовища і
стійкого розвитку ці альтернативні джерела електрики цілком надійні. На жаль,
вони ніяк не вирішують проблему скорочення запасів сирої нафти, що, як і
раніше, необхідна для транспорту.
Пасивні сонячні нагрівальні системи
дуже рентабельні, і має сенс включати їх у проекти всіх нових будинків. Однак,
поки ще існуючі і використовувані будинки не зміняться, споживання традиційних
енергоресурсів не знизиться; у кращому випадку сповільниться його ріст. Дійсно
скоротити їхнє використання могло б повсюдне поліпшення теплоізоляції будинків
і установка в них «заднім числом» сонячних систем опалення і водонагрівання. У
такому випадку з'явиться можливість перекинути частину мазуту, споживаного в
побутових цілях, на потреби транспорту. Однак у самій добрій нагоді було б
вирішення проблеми майбутнього дефіциту сирої нафти, необхідної для виробництва
автомобільного пального.Тому потрібно зосередити основну увагу на транспортному
секторі.
СИТУАЦІЯ В УКРАЇНІ
Розвиток альтернативних джерел
енергії в Україні находиться у зародковому стані, однак, як і в ситуації з
вітроенергетикою, ми маємо непоганий потенціал для розвитку сонячної
енергетики. Сьогодні в країні налагоджене власне виробництво високоефективних
кремнієвих сонячних батарей із ККД до 20%. А необхідні для комплектації систем
електропостачання системи керування, акумуляторні батареї й інвертори, що
перетворюють постійний електричний струм у змінний, виробляються в сусідній
Росії. Хоча 90% комплектуючих до сонячних батарей сьогодні експортується за
кордон, наявність високотехнологічного виробництва дозволяє говорити про
можливість виробництва сонячних батарей власного виробництва, що значно
здешевить їх кінцеву вартість. Тим більше, що своєрідний «фундамент» у розвиток
альтернативних джерел енергії вже закладений Верховною Радою. На початку цього
року президентом України Віктором Ющенко був підписаний Закон про стимулювання
використання альтернативних джерел енергії. Закон встановлює спеціальний
коефіцієнт «зеленого» тарифу для електроенергії з використанням різних
альтернативних джерел енергії, на який множиться звичайний тариф для споживачів
другого класу напруги на січень 2009 року. У випадку енергії сонячного
випромінювання, відповідно до закону, коефіцієнт має три можливих значення: для
наземних об’єктів електроенергетики - 4,8, установлених на дахах будинків,
будинків і споруд із величиною встановленої потужності понад 100 кВт - 4,6, а
менш 100 кВт, а також установлених на фасадах будь-якої потужності - 4,4. Закон
установлює «зелений» тариф на строк до 1 січня 2030 року.
2. Основна частина
.1 Призначення верстата та загальна
характеристика його електро - устаткування
вертикальний свердлильний верстат
електроустаткування
Настільний вертикально-свердлильний
верстат 2М112 служить для свердління в дрібних виробах отворів діаметром від
0,25 до 12 мм. Встановлюють його на дерев'яному або металевому верстаку і
кріплять до нього болтами.
Технічна характеристика верстата
мод. 2М112
Найбільший розмір свердління і
резьбонарезанія, мм 12
Виліт шпинделя (відстань від осі
шпинделя до утворюючої колони), мм 190
Розмір конуса шпинделя зовнішній по
ГОСТ 9953-82 B18
Найбільша відстань від торця
шпинделя до робочої поверхні стола, min-max, мм 50-400
Найбільше переміщення шпинделя, мм
100
Ціна поділки лімба, мм 1
Подача при свердлінні ручна
Кількість швидкостей шпинделя 5
Межі частоти обертання шпинделя,
min-max, об / хв 450-4500
Потужність електродвигуна, кВт 0,55
Частота обертання електродвигуна, об
/ хв 1500
Напруга трифазного ел.пітанія, В.
380
Розміри робочої поверхні столу, мм
200 х 250
Кількість Т-образних пазів 3
Відстань між пазами, мм 50
Ширина пазів, мм 14
Габаритні розміри, мм 770x370x950
Маса, не більше, кг 120
Основні вузли верстата: 1 - колона,
2 - привід, 3 - механізм підйому 4 - кронштейн, 5 - стіл, 6 - шпиндель, 7 -
рукоятка ручного подавання, 8 - шпиндельної бабки.
Головним рухом у верстаті є
обертання шпинделя із закріпленим у ньому інструментом. Шпиндельний вузол
змонтований в корпусі шпиндельної бабки. Обертання шпинделя передається від
електродвигуна за допомогою клинопасової передачі, ведений шків якої з'єднаний
зі шпинделем на шліцах Ручна подача шпінделя здійснюється обертанням рукоятки
ручної подачі за допомогою валика-шестерні і гільзи рейки. Свердла з конічним
хвостовиком закріплюють у шпинделі безпосередньо або за допомогою перехідних
втулок, і для закріплення свердел із циліндричним хвостовиком (звичайно
діаметром до 10 мм) у шпинделі попередньо закріплюють свердлильний патрон.
На верстаті встановлений асинхронний
електродвигун трифазного змінного струму, який управляється барабанним
перемикачем. На перемикачі є написи «Вліво», «О», «Вправо». Для здійснення
правого і лівого обертання важіль барабанного перемикача повертають у
відповідне положення
Вімкнувши автоматичний вимикач QF
напруга подається на силове коло та коло управління, для запуску двигуна М
необхідно натиснути на кнопку SB2,1 (пуск) при цьому коло котушки кускача КМ 1
замкнеться по катушці потече ток, пускач за працює у силовому колі замкнуться
блок контактів КМ 1,1 та поставлять катушку магнітного пускача на саможивлення.
Двигун М запуститься. Для
відімкнення двигуна необхідно натиснути кнопку SB1 (стоп) коло котушки пускача
КМ 1 розімкнеться котушка знеструмиться і відімкнеться.Блок контакт КМ 1,1
розімкнеться силового кола головні контакти розімкнуться двигун М відключеться.
Для запуску двигуна М в протилежну
сторону (реверс) необхідно натиснути на кнопку SB3,1 (пуск), при цьому коло
котушки КМ2 замкнеться по котушці потече струм, пускач замкнеться, в силовому
колі замкнуться блок контакти КМ 2,1 котрі поставлять котушку магнітного
пускача КМ 2 на саможивлення.Двигун М запуститься.
Загальний захист силового кола та
кола управління здійснюють автоматичні вимикачі (QF), від струмів перегрузки та
короткого замикання.
Захист двигуна здійснюють теплові
реле (КК), від струмів перегрузки та короткого замикання.
.3 Характеристика апаратури
керування та захисту
Електричними апаратами називають
електротехнічні пристрої для керування, контролю, регулювання та захисту
електричних машин, а також для встановлення різних режимів роботи
технологічного устаткування.
За призначенням електричні апарати
поділяються:
пускорегулюючі - для пуску,
реверсування, регулювання частоти обертання, регулювання струму, напруги
двигунів та ін.;
контролюючі - для нагляду за
параметрами електричних кіл, які залежно від порушення технологічного процесу
подають імпульс на спеціальні прилади або вимикають устаткування.
За способом дії електричні апарати
поділяються на контактні і безконтактні.
Апаратура, що застосовується для
керування електроустановками, має назву комутаційної апаратури. До неї належать
вимикачі, рубильники, перемикачі, контактори, магнітні пускачі, автоматичні
вимикачі.
Апаратуру для вимикання електроустановок
при струмових перевантаженнях і коротких замиканнях називають захисною
апаратурою. До неї належать, наприклад, автоматичні вимикачі, магнітні пускачі,
одночасно комутаційні і захисні.
Розрізняють неавтоматичні і
автоматичні комутаційні апарати.
Неавтоматичні комутаційні апарати
(апарати ручного керування): кнопкові, важільні, поворотні, пакетні вимикачі,
рубильники, перемикачі, реостати, контролери, пульти.
До автоматичних комутаційних
апаратів належить реле, контактори, магнітні пускачі.
До апаратури керування
електроустановками становлять такі загальні вимоги: надійність дії, безпека
обслуговування, тривалий строк служби, простота виготовлення, монтажу та
експлуатації, невеликі габарити, мале споживання електричної енергії самими
апаратами, невисока вартість.
2.3.1 Автоматичні вимикачі
Призначення: Автоматичні вимикачі
призначені для захисту електричних кіл від струмів короткого замикання,
перевантаження або недопустимого зниження напруги, а також для нечастого
оперативного вмикання та вимикання електричних кіл постійного та змінного
струмів.
Автоматичні вимикачі розрізняють за:
номінальним струмом,
номінальним струмом розчиплювача,
видом струму (постійного або змінного), кількістю полюсів.
Будова: автоматичні вимикачі
складаються з таких основних елементів: контактної системи(3), механізмів
вільного розчеплення, дугогасильного пристрою(2),
максимальних і допоміжних
розчиплювачів струму, мінімальних розчиплювачів напруги та ін.
Основним елементом автоматичного
вимикача є розчиплювач(1,5), який забезпечує вмикання та вимикання контактів.
Він може бути
електромагнітним(1), тепловим(5) і
напівпровідниковим.
Електромагнітний розчиплювач - це
електромагнітне реле максимального струму з механізмом вимикання.
Якщо струм в електричному колі, яке
захищається автоматичним вимикачем, перевищує визначену величину, то реле
максимального струму спрацьовує і через механізм вимикання розімкне головні
контакти автомата.
Тепловий розчиплювач(5) - це
біметалева пластина(6), яка є механізмом вимикання автомата. Вона складається з
двох різнорідних металів із різними коефіцієнтами лінійного розчеплення.
Принцип дії: при нагріванні пластина
буде вигинатись в бік металу з меншим коефіцієнтом лінійного розширення і таким
чином подіє на механізм вимикання автомата. Нагрівання може здійснюватися
внаслідок безпосереднього проходження електричного струму, що перевищує
мінімальний, через біметалеву пластину або від нагрівача, розташованого поряд з
пластиною.
Під час розмикання автоматичного
вимикача між його контактами виникає електрична дуга. Якщо автоматичний вимикач
спрацьовує при великих струмах перевантаження, це може призвести до замикання
дуги між контактами різних фаз і виходу автоматичного вимикача з ладу. Щоб
запобігти цьому в автоматичних вимикачах застосовують дугогасильні пристрої,
які розділяють контакти різних фаз. Під дією електромагнітних сил електрична
дуга розтягується вздовж пластин дугогасильного пристрою, стикаючись з їхньою
холодною поверхнею, охолоджується і гасне. Розглянемо будову і принцип дії
автоматичних вимикачів серії ПАР. Їх випускають на номінальний струм 6,3 А та
10 А. Встановлюють в основу різьбового запобіжника замість пробкового. У цих
вимикачах використано комбінований розчиплювач (електричний і тепловий). Шлях
проходження електричного струму від електричної мережі до електроспоживача
такий: Центральний контакт, нерухомі контакти, рухомі контакти, тепловий
розчиплювача (біметалева пластина і гнучкий провідник), електромагнітний
розчиплювач (обмотка реле максимального струму), різьбова частина цоколя. При
довготривалому перевантаженні в електропроводці (декілька секунд) струм
проходить через біметалеву пластину, нагріває її, і пластина вигинаючись,
зміщується вліво, при цьому двоплечовий важіль зіскакує зі шплінта,
переміщується по похилому отвору, внаслідок чого автомат вимикається.
При коротких замиканнях сила струму
різко підвищується і стає достатньою для спрацювання реле максимального струму.
Осердя електромагніта вимикається, важіль відсічки повертається і вивільняє
двоплечовий важіль, внаслідок чого автомат миттєво вимикається відсічкою.
Вмикається автоматний вимикач вручну
натискуванням на кнопку. Вимикається кнопкою. При натискуванні цієї кнопки на
важіль відсічки вивільняється двоплечовий важіль, внаслідок чого контакти
автомата розмикаються.
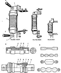
.3.2 Запобіжники
Призначення: Запобіжники - це
комутаційний електричний апарат, призначений для автоматичного вимикання
електричного кола, і що захищається. У запобіжнику спеціально передбачено для
цього струмоведуча частина, яка руйнується при проходженні по ній струму
визначеної величини. Запобіжник - це апарат захисту електричних установок при
аварійних режимах.
Основний елемент запобіжника -
плавка вставка, яку виготовляють з каліброваного дроту або пластини. Пластина
має звуження, розраховані на номінальний струм запобіжника.

Запобіжники - це комутаційний
електричний апарат, призначений для автоматичного вимикання електричного кола, і
що захищається. У запобіжнику спеціально передбачено для цього струмоведуча
частина, яка руйнується при проходженні по ній струму визначеної величини.
Запобіжник - це апарат захисту електричних установок при аварійних режимах.
Основний елемент запобіжника -
плавка вставка, яку виготовляють з каліброваного дроту або пластини. Пластина
має звуження, розраховані на номінальний струм запобіжника. При струмах
перевантаження у місцях звуження плавка вставка нагрівається до температури
плавлення і перегорає.
Матеріалом для плавкої вставки
служить цинк, мідь, сплави свинцю з оловом.
Принцип дії: При струмах
перевантаження у місцях звуження плавка вставка нагрівається до температури
плавлення і перегорає.
Для зменшення часу горіння
електричної дуги при перегоранні плавкої вставки корпус запобіжника
виготовляється із газогенеруючого матеріалу - фібри. Гасіння дуги здійснюється
газами, що виділяються з фібри. Особливо поширені запобіжники, в яких для
швидкого гасіння дуги вільний простір у корпусі заповнюють кварцовим піском.
Розрізняють плавкі запобіжники з
великою тепловою інерцією та без інерційні. Інерційні запобіжники витримують
значні короткочасні перевантаження струму, що забезпечуються свинцевим
струмопровідним мостиком, мають значну обмежену здатність до перевантаження, що
є результатом використання в них мідних струмопровідних мостиків.
.3.3 Магнітні пускачі
Призначення: Магнітні пускачі
призначені для дистанційного керування захисту від перевантажень трифазних
асинхронних двигунів з коротко замкнутим ротором. Потужністю до 2000 кВт. Частота
вмикання магнітного пускача складається із двох основних вузлів: електромагніта
та контактної групи. Електромагніт зроблений у вигляді сердечника, що
складається з двох частин та котушки, яка розрахована на деяку напруженість.
Найбільше використання отримав магнітний пускач серії ПМЕ; ПМА; ПА. Усі
магнітні пускачі діляться на 7 величин від 0 до 5. Під величиною магнітного
пускача розуміють найбільше значення струму, який проходить через головні
пакети пускача.
Маркіровка магнітного пускача - це
літерно-цифровий код. Після літер, які вказують на серію пускача, йдуть 3
цифри: 1 цифра - величина пускача;
цифра - виповнення пускача за
ступінню захисту від навколишнього середовища (1 - відкрите; 2 - захищене; 3 -
пилеводозахищене).
цифра - електричне виконання (1 -
нереверсивний пускач без теплових реле; 2 - нереверсивний пускач з тепловим
реле; 3 - реверсивний пускач без теплового реле; 4 - реверсивний пускач з
тепловим реле).
Будова: Магнітний пускач серії ПМЕ -
складається з пластмасового корпусу дві частини якого з'єднуються чотирма
гвинтами. В середині корпусу розміщена електромагнітна система складена з
нерухомого сердечника і рухомого якоря і обмотки розміщеної на пластмасовому
корпусі.
Рухомий якір з'єднується з
пластмасовою траверсою за допомогою шпонки. На траверсі зроблені контактні
мостики з рухомими контактами. Контакти для підвищення стійкості проти
спрацьовування роблять сферичної форми. У ряді випадків поверхності контактів
покриваються сріблом. Плавність замикання контактів і необхідні зусилля
забезпечують пружинним амортизатором.
Принцип дії: при проходженні через
обмотку пускача струму рухомий якір пересовується до основного сердечника, а
разом з ним замикаються контакти. Як тільки струм закінчує поступати на
котушку, якір. повертається в початкове положення під дією пружини. Для
усунення вібрації контактів використовують демпфер.
.3.4 Теплове реле
Призначення: Теплові реле
використовуються для захисту електродвигунів від струму перевантаження.
Будова: Головним елементом реле є
біметалева пластина яка при нагріванні вигинається та переводить контактну
систему в виключене або включене положення. Біметалевий елемент - це двошарова
пластина зроблена з металів, які мають різні температурні коефіцієнти лінійного
розширення. При нагріванні шар термоактивного металу інтенсивно збільшується у
ширині, в той же час шар термоінертного металу майже не деформується. Шари
біметалевої пластини дуже добре зв'язані між собою. У самій пластині один край
дуже міцно закріплений, а інший край вільний.
В якості термоінертного металу
використовують сплав нікелю зі сталлю. В якості термоактивного - латунь та інші
сорти сталі.
Принцип дії: При проходженні струму
через нагрівальний елемент, значення якого вище номінального струму
електродвигуна, виробляється така кількість теплоти при якій незакріплений край
біметалевої пластини вигинається у сторону металу з меншим коефіцієнтом
лінійного розширення. При цьому натискає на регулюючий гвинт та виводить з
зціплення защіпку. У цей час під дією пружини верхній край важеля піднімається
та розмикає контакти, таким чином розмикається коло котушки магнітного пускача.
Кнопка служить для ручного встановлення важеля в початкове положення після
спрацювання реле.
.4 Основні пошкодження апаратів
керування, та захисту, та їх усунення
Серед різних електрообладнань
промислових підприємств, найбільш широке поширені комутаційні апарати й апарати
захисту. До апаратури керування та захисту електроустановок ставлять такі
загальні вимоги: надійність дії, безпека обслуговування.
Таблиця 2.1 Несправності контакторів
і магнітних пускачів і способи їхнього усунення
|
Несправність
|
Можлива причина
|
Спосіб усунення
|
|
Підгоряння, глибока корозія контактів по лінії їх первісного
торкання
|
Недостатнє натискання контактів, їхня вібрація в момент
замикання
|
Збільшення початкового натискання контактів (установкою нової
контактної чи пружини регулюванням старої)
|
|
Затяжне гасіння дуги
|
Перевірка відповідності контактів навантаженню і правильності
включення дугогасительной котушки
|
|
Підвищене нагрівання контактів
|
Невідповідність контактів режиму роботи при виборі по повторно
короткочасному режимі; недостатнє кінцеве натискання, унаслідок чого
збільшується перехідний опір контактів; погіршення контактної поверхні
|
Зачищення оплавлення контактної поверхні надфілем; збільшення
кінцевого натискання контактів; заміна контактів відповідно до характеру
навантаження
|
|
Вібрація магнитопровода комутаційних апаратів перемінного струму
|
Несправність магнітної системи
|
Перевірка наявності і цілості короткозамкнутого витка; зачищення
площини прилегания якоря до сердечника електромагніта; перевірка щільності
прилегания поверхні електромагнітів прокладкою з тонкого чистого
копіювального папера. Поверхня зіткнення при замиканні контактів повинна бути
не менше 60-75 %, у противному випадку потрібно перешихтовка магнитопровода
|
|
Неодночасне включення контактів у багатополюсних апаратах
|
-
|
Регулювання контактів
|
|
Нечітке включення і мимовільне відпадання якоря
|
Невідповідність напруги котушки робочій напрузі
|
Зміна котушки
|
|
Підвищене нагрівання котушок апаратів великих габаритів
|
Невідповідність опору додаткового резистора
|
Вибір опору
|
Таблиця 2.2 Несправності
електро-теплових реле
|
НесправністьМожлива причинаСпосіб усунення
|
|
|
|
Немає напруги на виході апарату
|
1. Рухливі контакти неторкаються нерухомих через сміття, бруд
або несправності. 2. Сильне окислювання контактів
|
Розібрати апарат, перевірити стан контактів та усунути
несправність. Почистити напильником, надфілем, розчинником в залежності від
величини і стану контактів.
|
|
Апарат не спрацьовує
|
Заклинений механізм через поломку або сміття
|
Перевірити й усунути причину
|
|
Обгоріння одного або більше затискачів приєднання проводів
|
Слабо закріплений нерухомий контакт і не можна досягти щільного
прилягання до нього рухомого
|
Замінити реле, знімну частину, у нових апаратів перевіряти
кріплення контактів
|
|
Перегрів і окислення затискачів приєднання проводів
|
1. Слабке затягування затискачів 2. Малий переріз проводів
|
Розібрати кріплення затискачів, зачистити і зібрати знову,
застосувавши пружинні шайби, контргайки Замінити проводи
|
|
На виході апарата немає однієї або більше фаз
|
Згоряння теплових елементів захисту
|
Регулювання контактів
|
Ремонт апаратури захисту
Запобіжники.
Найбільш частішими пошкодженнями
пластичного запобіжника являються: оплавлення гвинтів та зажимів внаслідок їх
перегріву, розрухи, тріщини або появи нагару ізоляційної плити і перегорання
плавких вставок. Контактну частину запобіжника, при появі слідів копоті,
ремонтують зачисткою, стальною щіткою та шліфовкою абразивної шкурки до повного
знищення слідів.
В трубчатих запобіжниках типу СПО
перевіряють стан фарфорового патрону, на якому недопустимо з’явлення тріщин.
Патрон в цьому випадку замінюють новим. Потрібно слідкувати, щоб ніж зажимався
на трубці по полосці азбесту. А для трубчатих запобіжників типа ПР-1 та ПР-2
після з’явлення тріщин на фібровому патроні запобіжник замінюють новим. В
запобіжниках з заповненням типу ПН-2 фарфоровий патрон, маючий сколи або
тріщини, також замінюють новим.
Ремонт більш складних пошкоджень не
економічний. Запобіжники в цьому випадку замінюють новими
.5 Монтаж апартів керування та
захисту
Автоматичні вимикачі
Монтаж:. Сучасні автоматичні
вимикачі з номінальними струмами від 6 до 63 А, як вітчизняні, так і імпортні
мають такі форму і розмір, які дозволяють компактно встановлювати їх в
електрошафу рядами один біля іншого.Причому, оскільки вимикачі бувають
однополюсні, двополюсні і триполюсні, то їх ширина виконується кратній ширині
однополюсного вимикача. Наприклад, триполюсний прилад в три рази ширше
однополюсного. Це дозволяє для підключення всіх вимикачів на фазні дроти
використовувати спільну шину (гребінку). Монтаж в цьому випадку виявляється
надійнішим. Завдяки уніфікованому механізму кріплення вимикачів на так звану
DIN-рейку шириною 35 мм, збірка цих пристроїв на панелі електрощита або в
електрошафі значно полегшується і не вимагає вживання гвинтів, саморезів і
спеціальних інструментів.
Запобіжники
Монтаж. Запобіжники розташовують на
стіні, сталевій рамі, а також на цоколі з швелера або двох косинців, дотримуючи
наступні вимоги: патрони повинні входити в губки встановлених запобіжників
м'яко і без перекосів (відхилення подовжньої осі кожної пари контактних губок
уздовж патрона не повинне перевищувати ±0,5 мм); покажчики спрацьовування
патронів запобіжників мають бути обернені вниз і добре видні обслуговуючому персоналу;
патрони повинні вкладатися в тримачі і витягуватися з них з чималим зусиллям;
замки запобіжників повинні міцно утримувати патрон від випадання його при
електродинамічних зусиллях, що створюються струмами короткого замикання.
Запобіжники заземляють, приєднуючи заземляючу шину до фланців опорних
ізоляторів, рами або металевої конструкції, на яких вони встановлені.
Магнітні вимикачі
Монтаж. Перед монтажем пускозахисну
апаратуру (до 1000 В) піддають ревізії, яка полягає в очищенні апаратів від
пакувального матеріалу, продуванню стислим повітрям і усунення дрібних
дефектів, виявлених при огляді. Якщо електродвигуни встановлюють в
безпосередній близькості один від одного, їх пускозахисну апаратуру в МЕЗ
збирають у вузли і блоки, регулюють, випробовують і доставляють до місця
установки. Такий метод монтажу прискорює і здешевлює роботи на об'єкті.
Пускозахисну апаратуру вмонтовують на стінах, колонах, стійках, а також на
станинах верстатів і агрегатів. Кріпильні конструкції вмазують, пристрілюють
або встановлюють на хомутах, а потім до них кріплять апарати. Перед
закріпленням магнітних пускачів потрібно переконатися в правильності їх
установки (відхилення корпусу пускача від вертикалі допускається не більш 5°).
Рухливі і поворотні частини апаратів повинні переміщатися без заїдання, а
сердечники електромагнітів щільно прилягати один до одного. Закріплюють пускач
гвинтами до монтажної плити або кожуха. Проводять монтаж дротів ланцюгів
управління відповідно до необхідної схеми.
У період між ремонтами проводиться
технічне обслуговування електропристроїв, яке є комплексом операцій або
операцією по підтримці працездатності або справності пристрою при користуванні
за призначенням, чеканні, зберіганні і транспортуванні. Пристрій при цьому не
розбирається.
Теплове реле
Монтаж. Реле РТМ можуть
вбудовуватися в магнітний пускач безпосередньо в затиски
пускача, або приєднаються гнучким
дротом. Реле Рт2м служать для роботи на висоті над рівнем моря - не більше 2000
м, при температурі навколишнього повітря від - 40°С до + 40°С. Робоче положення
теплового реле - горизонтальне або вертикальне (±5°). Перетин зовнішніх дротів
і кабелів, що приєднуються до виводів теплового реле повинні відповідати струму
навантаження. Опір ізоляції теплового реле Рт2м >10 мОм
3. Розрахункова частина
.1 Розрахунок та вибір дротів
верстату по довготривалому струму навантаження та падінню напруги
Вихідними данними для розрахунку є:
Двигун М:
Серія двигуна А(х)71А4У,номінальна
потужність Рн = 0,75 кВт, тривалість процесу пуску tп< 10с, коефіцієнт потужності
cosφ = 0,87, довжина лінії в
один кінець l =4.3м, номінальна напруга Uн = 380 В, лінія трифазного струму.
Ін = Рн • 1000 / √3 • Uн • cosφ,
Де Рн - номінальна потужність
двигуна, кВт; Uн - номінальна напруга, В;
- превідний коефіцієнт; cosφ - коефіцієнт потужності.
Розрахуємо номінальний струм для
двигуна М:
Ін1 = Рн1 • 1000 / √3 • Uн •
cosφ = 0,75 • 1000 / √3
• 380 • 0,87 = 1,31 А
Вибираэмо переріз дротів S (мм2).
Для двигуна при Ін = 1,31 А по
таблиці 184 (7) вибираємо переріз дротів: S = 1 мм2
Коло першого двигуна виконане з
трьох одножильних дротів марки ПВ з мідними жилами та поліхлорвініловою
ізоляцією. Довготривале струмове навантаження дорівнює 15 А.
Перевіряємо коло двигуна на
допустиме падіння напруги ΔU за формулами:
В вольтах:
ΔU = Pн • l • 1000 / Uн • γ • S
• cosφ;
В процентах:
ΔU% = (Pн • l • 1000 / Uн2 • γ • S
• cosφ) • 100%
або
ΔU% = (ΔU / Uн) • 100%.
Для двигуна:
ΔU = Pн • l • 1000 / Uн • γ • S
• cosφ = 0,75 • 4,3 • 1000 / 380 • 57 • 1 • 0,87 = 0,17 В
В процентах
ΔU% = (Pн • l • 1000 / Uн2 • γ • S
• cosφ) • 100% = (0,75 • 4,3 • 1000 / 3802 •
57 • 1 • 0,87) • 100% = 0,04%
або
ΔU% = (ΔU / Uн) • 100% = (0,17 / 380) • 100% = 0,04
Переріз дроту S1 = 1,00 мм2 для
двигуна М1 вибраний вірно тому, що падіння напруги ΔU% = 0,04% а це задовольняє
умови падіння напруги ΔU% ≤ 5%.
.2 Розрахунок та вибір апаратів
керування та захисту верстата (запобіжників, автоматичних вимикачів,
електротеплових реле та магнітних пускачів)
Вибір плавких вставок запобіжників
Струм плавкої вставки запобіжника Ів
(А) визначаємо враховуючи: початкові дані; номінальний струм Ін (А), який
довготривалий час проходить по захищеній ділянці кола; пусковий струм Іп (А) -
максимальний, що проходить по цій ділянці при пуску електродвигуна; вимоги до
сили струму плавкої вставки.
Проводимо розрахунок номінальної
сили струму Ін (А) за формулою
Ін = Рн • 1000 / √3 • Uн • cosφ
Розрахуємо номінальний струм для
двигуна М:
Ін1 = Рн1 • 1000 / √3 • Uн •
cosφ = 0,75 • 1000 / √3
• 380 • 0,87 = 1,31 А
Розрахуємо пусковий струм Іп (А) за
формолую:
Іп = Ін • 5
де 5 - це коефіцієнт кратності для
легкого пуску.
Для двигуна М Ів (А):
Іп = Ін • 5 = 1,31 • 5 = 6,55 А
Струм плавкої вставки Ів (А)
розраховуємо враховуючи тривалість процесу пуску tп < 10 с, тому
користуємося формулою:
в = Іп / 2,5
де 2,5 - це коефіцієнт для легких
нечастих пусків.
Для двигуна М Ів (А):
Ів = Іп / 2,5 = 6,55 / 2,5 = 2,62
Виходячи з результатів розрахунків
по таблиці 52 (6) (Справочник Львова) вибираємо запобіжники по струму плавкої
вставки Ів (А):
для двигуна М при Ів = 2,62 А
запобіжник типу ПРС - 6П;
де 4 А - струм запобіжника Ів
(А)(табличні дані).
Проведемо перевірку згідно вимог:
Ів ≥ Ін
Ів ≥ Іп / 2,5
Для двигуна М:
А ≥ 1,31 А
А ≥ 6,55 / 2,5 = 2,62 А
Вимоги виконуються. Це значить, що запобіжники
вибрані правильно.
Вибір автоматичного вимикача.
Номінальний струм Ін (А)
двигуном М:
двигун М Ін = 1,31 А,
Пусковий струм Іп (А):
двигун М Іп = Ін • 5 = 1,31 • 5 =
6,55 А
Розраховуємо силу струму
електромагнітного розчіплювача Іе.м.р. (А). Вона повинна бути не меншою 125%
пускового струму Іп (А) двигуна Іе.м.р. > Іп:
Іе.м.р. = (125% / 100%) • Іп.
Для двигуна М:
Іе.м.р. = (125% / 100%) • Іп = (125%
/ 100%) • 6,55 = 8,18 А
,18 А > 6,55 А - умова
виконується
Сила струму теплового розчіплювача Іт.р.
(А) повинна бути приблизно рівною номінальній силі струму двигуна Ін (А) і бути
не меншою:
Іт.р. ≥ Ін.
По таблиці 50 (6) (Справочник
Львова) вибираємо силу струму теплового розчіплювача Іт.р. (А):
для двигунів М: Іт.р. = 1,6 А> Ін
= 1,31
Тип автоматичного вимикача вибираємо
враховуючи умову Іавт.вим. ≥ Ін.
По таблиці 51 (6) (Справочник
Львова) проводимо вибір для двигуна М:
автоматичний вимикач типу АК50-2МГ.
Проведемо перевірку виконання умов:
Іавт.вим. = 2 А ≥ Ін = 1,31А
Умови виконуються. Автоматичний
вимикач вибраний правильно.
Вибір електротеплових реле.
Знаходимо струм нагрівального
елементу електротеплового реле Іт (А) для кожного двигуна за формулою:
Іт = Іп • (1,2 ÷ 1,3)
де Іп - пусковий струм (А).
для двигуна М Іт = Іп • 1,25 = 6,55
• 1,25 = 8,18 А
По таблиці 23 (7) робимо вибір
теплового реле:
Для двигуна М тип реле ТРН-10.
Вибір магнітних пускачів.
Вибір будемо робити знаючи
номінальні струми двигунів Ін (А). Користуємось таблицями 38, 23 (6)
(Справочник Львова):
Для двигуна М при Ін = 1,31 А тип
пускача ПМЕ-022.
При виборі магнітних пускачів треба
враховувати такі умови:
) Номінальна напруга устаткування Uн
(В) повинна бути у відповідності з номінальною напругою пускача Uн.пус (В):н ≥
Uн.пус
) Номінальний струм апарату Ін.пус
(А) повинен бути більшм або рівним номінальному струму установки Ін (А).
Висновок
Відновлювальні (в аварійних
випадках), а також короткочасні, не терплять зволікання, з усунення
несправностей, які можуть призвести до аварії (наприклад, нагрів контактів,
забруднення ізоляції та ін.), виконує або оперативний персонал (при напрузі
више1000В-не менше двох осіб), або ремонтний персонал під наглядом оперативного
або адміністративного електротехнічного персоналу з кваліфікаційною групою V
(в установках до 1000В-з IV) у випадку
зайнятості оперативного. Роботи проводяться без наряду, але у всіх випадках з
дотриманням всіх технічних заходів, що забезпечують безпеку людей. Оперативний
персонал бере участь у ліквідації наслідків аварій з дозволу вищого чергового;
при відсутності зв'язку такого дозволу не потрібно. Якщо в електроустановці
підприємства аварійні роботи проводить чергова бригада електромереж, то
необхідний наряд і допуск до роботи. При відсутності на місті осіб, які мають
право видавати наряд, його може видати черговий чи оперативно-ремонтний
персонал підприємства.
1. Електротехнічний довідник вид. Москва Енергоіздат, 2006.
. Атабеков В.Б. Ремонт електрообладнання промислових
підприємств. Москва, „Вища школа”, 2009.
. Китаєв В.Є. Електротехніка з основами промислової
електроніки. Москва, „Вища школа”, 1980.
. Алукер Ш.М. Електричні вимірювання. Москва, „Вища школа”,
1972.
. Трунковський Л.Є. Обслуговування електрообладнання
промислових підприємств. Москва, „Вища школа”, 2007.
. Львов А.П. Довідник електромонтера. Київ, Головне
видавництво видавничого об’єднання, „Вища школа”, 2010.
. Круглянський М.С. Довідник молодого електромонтажника.
Москва, „Вища школа”, 2009.
. Д’яков В.І. Типові розрахунки по електрообладнанню.
Москва, „Вища школа”, 1985.
. Вороніна А.А. Техніка безпеки при роботі в
електроустановках. Москва, „Вища школа”, 2009.