Проектирования радиоэлектронных устройств при помощи системы MicroCap
Оглавление
Введение
Постановка задачи
Средства решения поставленной задачи
Описание работы микросхемы
Описание разработки модели микросхемы
Моделирование работы микросхемы
Анализ временных диаграмм
Заключение
Список литературы
Введение
Цель данной курсовой работы - закрепление и демонстрация знаний,
при изучении курса «Основы компьютерного программирования и моделирования».
Приобретение навыков работы с системами автоматического проектирования
радиоэлектронных устройств на примере работы с системой Micro-Cap. В ходе
выполнения данной курсовой работы необходимо смоделировать микросхему К531КП2 и
получить результаты в виде временных диаграмм. Выполнение работы требует
глубокого освоения системы Micro-Cap и творческого подхода к выполнению
поставленной задачи.
Постановка задачи
Основные этапы выполнения работы:
Оформление и анализ задания на курсовую работу.
Описание работы микросхемы.
Разработка модели микросхемы.
Создание и отладка микросхемы в среде Micro-Cap.
Моделирование работы микросхемы.
Оформление пояснительной записки.
Защита курсовой работы.
В данной курсовой работе перед нами стоит задача смоделировать
микросхему К531КП2 в среде Micro-Cap. Результатами проделанной работы будут
являться временные диаграммы. Полученные диаграммы должны будут совпадать с
таблице истинности представленной в [1].
Исходные данные: мультиплексор - К531КП2
Результат: Файл с расширением.cir содержащий в себе модель
микросхемы К531КП2 для системы Временные диаграммы совпадающие с таблицей
истинности.
Средства решения поставленной задачи
Средствами решения задачи является программная среда Micro-Cap.
Изучение схемотехнического моделирования электронных устройств
рекомендуется начинать с освоения одной из программ семейства Micro-Cap
(Microcomputer Circuit Analysis Program) фирмы Spectrum Software
(#"803984.files/image001.gif">
= 16) двоичный код
адреса. Так, для передачи на выход данных от канала номер 9 следует установить
код адреса 1001. Мультиплексоры способны выбирать, селектировать определенный
канал. Поэтому их иногда называют селекторами. Используется и двойное название:
селекторы-мультиплексоры.
Мультиплексоры ТТЛ различаются по числу входов, по способам
адресации, наличием входов разрешения и инверсных выходов.
Схематически мультиплексор можно изобразить в виде коммутатора,
обеспечивающего подключение одного из нескольких входов (их называют
информационными) к одному выходу устройства. Коммутатор обслуживает управляющая
схема, в которой имеются адресные входы и, как правило, разрешающие
(стробирующие).
Сигналы на адресных входах определяют, какой конкретно
информационный канал подключен к выходу. Если между числом информационных
входов n и числом адресных входов m действует соотношение 
, то такой мультиплексор
называют полным. Если 
,, то мультиплексор
называют неполным.
Разрешающие входы используют для расширения функциональных
возможностей мультиплексора. Они используются для наращивания разрядности
мультиплексора, синхронизации его работы с работой других узлов. Сигналы на
разрешающих входах могут разрешать, а могут и запрещать подключение
определенного входа к выходу, то есть могут блокировать действие всего
устройства.
В качестве управляющей схемы обычно используется дешифратор. В
цифровых мультиплексорах логические элементы коммутатора и дешифратора обычно
объединяются.
Рисунок - 1 Обобщённая схема мультиплексора
проектирование радиоэлектронный микросхема microcap
На рисунке 1 входные логические сигналы Xi поступают на входы
коммутатора и через коммутатор передаются на выход Y. На вход управляющей схемы
подаются адресные сигналы Ak (от англ. Address). Мультиплексор также может
иметь дополнительный управляющий вход E (от англ. Enable), который разрешает
или запрещает прохождение входного сигнала на выход Y.
Кроме этого, некоторые мультиплексоры могут иметь выход с тремя
состояниями: два логических состояния 0 и 1, и третье состояние - отключённый
выход (выходное сопротивление равно бесконечности, высокоимпедансное
Z-состояние). Перевод мультиплексора в третье состояние производится снятием
управляющего сигнала OE (от англ. Output Enable).
Мультиплексоры могут использоваться в делителях частоты,
триггерных устройствах, сдвигающих устройствах и др. Мультиплексоры часто
используют для преобразования параллельного двоичного кода в последовательный.
Для такого преобразования достаточно подать на информационные входы
мультиплексора параллельный двоичный код, а сигналы на адресные входы подавать
в такой последовательности, чтобы к выходу поочередно подключались входы,
начиная с первого и заканчивая последним.
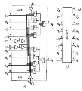
Микросхема К531КП2
Микросхема К531КП2(рис.2)−два четырехвходовых
мультиплексора, имеющих общие входы выбора S0 и S1. Имеет зарубежный аналог
74S153N. У мультиплексоров MS A и MS В есть собственные входы разрешения
и
(активный
уровень низкий). От выхода каждого мультиплексора получаем код в неинверсной
форме. Входы разрешения можно независимо использовать для стробирования выходов
Y: если на вход
дать
напряжение высокого уровня, логический уровень на выходе Y станет низким
независимо от сигнальных и адресных входов.
Если вход
активный
(присутствует напряжение низкого уровня), на выходе Y отображается тот уровень,
который присутствует на выбираемом входе (см. табл. 1). Эквивалент микросхемы
КП2 − четырехпозиционный переключатель на два направления, управляемый по
двум входам выбора. Для такого переключателя-мультиплескора выполняется
логическое уравнение:
=
(I1
+I2
S0+I3S1
+I4S1S0).
Рисунок - 2 Мультиплексор:
а - Мультиплексор К531КП2; б - нумерация входов и выходов;
Кроме обычных применений (например, для коммутации кодов от группы
регистров на общую шину данных), мультиплексор КП2 может служить функциональным
генератором от трех переменных I, A, B. Микросхема К531КП2 потребляет ток 70мА,
в варианте LS 10мА.
Таблица - 1 Состояния мультиплексора К531КП2
|
Выбор входа
|
Вход данных
|
Выход Y
|
|
S0
|
S1
|
I1I2I3I4
|
|
|
|
|
|
|
х
|
х
|
В
|
х
|
х
|
х
|
х
|
Н
|
|
Н
|
Н
|
Н
|
Н
|
х
|
х
|
х
|
Н
|
|
Н
|
Н
|
В
|
х
|
х
|
х
|
В
|
|
В
|
Н
|
Н
|
х
|
Н
|
х
|
х
|
Н
|
|
В
|
Н
|
Н
|
х
|
В
|
х
|
х
|
В
|
|
Н
|
В
|
Н
|
х
|
х
|
Н
|
х
|
Н
|
|
Н
|
В
|
Н
|
х
|
х
|
В
|
х
|
В
|
|
В
|
В
|
Н
|
х
|
х
|
х
|
Н
|
Н
|
|
В
|
В
|
Н
|
х
|
х
|
х
|
В
|
В
|
Расшифровка обозначений:
В - высокий уровень (логическая 1);
Н - низкий уровень (логический 0);
х - безразличное состояние.
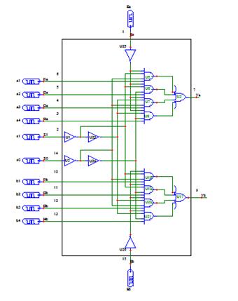
Описание разработки модели
микросхемы
В ходе работы была создана модель
мультиплексора К531КП2 в программе Macro-Cap (Рис.3). Создание модели проходило
в несколько этапов:
Выбор необходимых логических
элементов НЕ, И, ИЛИ.
Расположение их на рабочем поле.
Соединение элементов схемы в
соответствии с рисунком 2, а.
Рисунок - 3 Модель мультиплексора
К531КП2 в программе Micro-Cap
Моделирование работы микросхемы
Для проверки
работоспособности модели имитируем подачу сигналов на входы
и
,
I1а-I4а, I1b-I4b, S0-S2. К данным входам присоединяем генераторы прямоугольных
импульсов.
:.define EA
+0ns 1
+100ns 0
:.define
EA
|
+100ns 0
|
|
|
|
|
|
|
|
|
|
|
|
|
I1a:.define I1A +0ns 0 +label=start +900ns 1 +1700ns 0 +2500ns
goto start -1 times
|
|
I1b:.define I1b +0ns 0 +label=start +900ns 1 +1700ns 0 +2500ns
goto start -1 times
|
|
|
|
|
I2a:.define I2A +0ns 0 +label=start +500ns 1 +900ns 0 +1300ns
goto start -1 times
|
|
I2b:.define I2b +0ns 0 +label=start +500ns 1 +900ns 0 +1300ns
goto start -1 times
|
|
|
|
|
I3a:.define I3A +0ns 0 +label=start +300ns 1 +500ns 0 +700ns
goto start -1 times
|
|
I3b:.define I3b +0ns 0 +label=start +300ns 1 +500ns 0 +700ns
goto start -1 times
|
|
|
|
|
I4a:.define I4A +0ns 0 +label=start +200ns 1 +300ns 0 +400ns
goto start -1 times
|
|
I4b:.define I4b +0ns 0 +label=start +200ns 1 +300ns 0 +400ns
goto start -1 times
|
|
S0:.define S0 +0ns 1 +500ns 0 +1000ns 0 +1700n 1 +3300ns 0
+4900ns 1
|
|
S1:.define S1 +0ns 0 +3300ns 1
|
Для моделирования используем функцию
анализа - «Анализ переходных процессов (Transient)…»
Для этого в таблицу «Установки
анализа переходных процессов» вводим данные о времени анализа и названия входов
и выходов микросхемы, с которых будут сниматься данные.
Рисунок - 4 Установка анализа
переходных процессов
При нажатии кнопки «Запустить» будут
получены временные диаграммы.
Рисунок - 5 Временные диаграммы
Анализ временных диаграмм
Временная диаграмма полностью
отражает таблицу истинности представленную выше (Таб.1).
Диаграмма разбита на 4 периода по
1600нс каждый и на 1 период длительностью 100нс. Общая временная длина
диаграммы 6500нс.
период (0-100нс):
На 
и
подается
логическая единица в течение 100нс, что соответствует низкому состоянию на
выходе. На другие входы подается безразличное состояние. Изменение сигналов
происходит с задержкой 36 нс.
период (100-1700нс):
На входе: S0,S1 - 0
-900нс I1b
,
I1а
-
0
-1700нс
I1b
,
I1а
- 1b - I4b, I2а - I4a − х
На выходе:136-936нс Ya -
0, Yb 
- 0
936-1736нс Ya
-
1,
Yb
- 1
период (1700-3300нс):
На входе: S0 - 1, S1
- 0
-2100нс, 2500-2900нс
I2b
,
I2а
- 0
-2500нс, 2900-3300нс
I2b
, I2a − 1
I1b , I3b, I4b, I1а,
I3а, I4a −х
На выходе: 1700-1736нс
Ya - 1, Yb 
- 1
1736-2136нс, 2536-2936нс
Ya
- 0,
Yb
- 0
-2536нс, 2936-3336нс
Ya
- 1,
Yb
- 1
период (3300-4900нс):
На входе: S0 - 0, S1 -
1
-3500нс, 3700-3900нс,
4100-4300нс, 4500-4700нс
I3b,
I3а - 0
-3700нс, 3900-4100нс,
4300-4500нс, 4700-4900нс, I3и,
I3а - 1
I1b , I2b, I4b
,
I1f, I2b,I4a
-
x
На выходе: 3300-3336нс
Yb - 1,
Yb
- 1
-3536нс, 3736-3936нс,
4136-4336нс, 4536-4736нс
Ya
- 0,
Yb
- 0
-3736нс, 3936-4136нс,
4336-4536нс, 4736-4936нс
Ya
- 1,
Yb
- 1
период (4900-6500нс):
На входе: S0 - 1, S1 -
1
-5000нс, 5100-5200нс,
5300-5400нс, 5500-5600нс, 5700-5800нс, 5900-6000нс, 6100-6200нс, 6300-6400yc
I4a
?
I4b
- 0
-5100нс, 5200-5300нс,
5400-5500нс, 5600-5700нс, 5800-5900нс, 6000-6100нс, 6200-6300нс, 6400-6500нс
I4a
,
I4b - 1а- I3ф, I1и- I3и - х
На выходе: 4900-4936нс
Ya
- 1б
Yb
- 1
-5036нс, 5136-5236нс,
5336-5436нс, 5536-5636нс, 5736-5836нс, 5936-6036нс, 6136-6236нс, 6336-6436нс
Ya
- 0,
Yb
- 0
-5136нс, 5236-5336нс,
5436-5536нс, 5636-5736нс, 5836-5936нс, 6036-6136нс, 6236-6336нс, 6436-6500нс
Ya
- 1,
Yb
- 1
Временная диаграмма
совпала с таблицей истинности, отсюда делаем вывод о правильности собранной
модели.
Заключение
В ходе выполнения данной
курсовой работы были проведены анализ задания и постановки задачи, была смоделирована
микросхема К531КП2. В ходе выполнения работы были отработаны навыки выполнения.
Было исследовано
множество справочной и учебной литературы. Была развита творческая составляющая
конструкторской деятельности, такая как подбор различных вариантов решения
одного задания с выявлением наиболее оптимального. Все это в совокупности
привело к закреплению и углублению знаний в изучаемой дисциплине.
Был разработан алгоритм
создания микросхемы.
Согласно разработанному
алгоритму микросхема была составлена и отлажена в среде Micro-Cap. В ходе
разработки проводилось ее тестирование и отладка.
Результаты работы
оформлены в виде пояснительной записки.
В ходе разработки были
закреплены знания, полученные при изучении курса «Основы компьютерного
проектирования и моделирования». Приобретены навыки работы с системами
автоматического проектирования радиоэлектронных устройств на примере работы с
системой Micro-Cap.
Список литературы
1. Популярные цифровые микросхемы: Справочник/ В. Л. Шило. -
М.: Радио и связь, 1989. - 352 с.
. Справочник радиолюбителя: Справочник / Горшков А.П. -
Радиоиздат, 1938.-78с.
. Схемотехническое моделирование с помощью MICRO-CAP 7. /
Разевиг В.Д. - М.: Горячая линия - Телеком, 2003. - 368.
. Цифровые микросхемы URL:http://www.microshemca.ru
(свободный доступ, дата обращения: 18.05.2014)
. ГОСТ 7.32-2001 Система стандартов по информатике,
библиотечному и издательскому делу. Отчет о научной - исследовательской работе.
Структура и правила оформления.
. ГОСТ 2.105-95 Единая система конструкторской
документации. Общие требования к текстовым документам.