Проектирование цифрового универсального триггера
Содержание
Введение
1.
Общая часть
1.1
Общие сведения об устройстве
1.2
Структура универсального триггера
1.3
Принцип действия устройства
2.
Основная часть
2.1
Выбор и обоснование типов элементов
2.2
Корпусы микросхем, выбор в библиотеках DT
2.3
Проектирование триггера в САПР DipTrace
3.
Технологический процесc
3.1
Проектирование технологического процесса
3.2
Документы технологического процесса
3.3
Маршрутная карта
Заключение
Список
литературы
Приложение
А.
Электрическая принципиальная схема универсального триггера
Приложение
Б.
Проектирование универсального триггера в САПР DipTrace
Приложение
В. Глоссарий
Введение
триггер микросхема цифровой
Внедрение микропроцессорной, и вообще цифровой,
техники в устройства управления промышленными объектами требует от специалистов
самого различного профиля быстрого освоения этой области знания.
Поэтому для результативного проектирования
цифровых устройств разработчик должен уметь: выбрать наиболее приемлемый
вариант решения поставленной задачи, работать с алгеброй логики, знать основные
цифровые элементы и уметь их применять, по возможности знать наиболее простые и
распространенные алгоритмы решения основных задач.
Целью курсовой работы является приобретение
практических навыков по проектированию простейших цифровых устройств.
Для достижения цели необходимо решить следующие
задачи:
Систематизация и закрепление полученных
теоретических знаний и практических умений по общепрофессиональным и
специальным дисциплинам;
Углубление теоретических знаний в соответствии с
заданной темой;
Формирование умений применять теоретические
знания при решении поставленных вопросов;
Формирование умений использовать справочную,
нормативную и правовую документацию;
Развитие творческой инициативы,
самостоятельности, ответственности и организованности.
Необходимо выделить следующие методы, которые
применены при выполнении КП:
изучение научной литературы;
анализ логики работы схемы;
составление пакета технологических документов;
выполнение работ в ПО DipTrace.
1. Общая часть
.1 Общие
сведения об устройстве
Триггер представляет собой устройство с двумя
устойчивыми состояниями. Устойчивым называется состояние, в котором устройство
в отсутствии внешних воздействий может прибывать сколько угодно долго. В общем
случае триггер имеет два выхода: прямой и инверсный. Состояние триггера принято
определять по значению потенциала на прямом выходе. Если на прямом выходе
имеется потенциал равный логической единице, то триггер находится в единичном
состоянии (при этом потенциал инверсного выхода равен логическому нулю). В
противном случае триггер находится в нулевом состоянии. В основу классификации
потенциальных триггеров, в которых имеется связь по постоянному току между
входами и выходами, положены два основных признака: функциональный и способ
записи информации в триггер.
.2 Структура
универсального триггера
JK-триггеры являются самыми сложными из двоичных
триггеров. Но они являются и универсальными. С помощью JK-триггера можно
получить все другие типы триггеров. Но универсальность JK-триггеров ограничена.
Так как JK-триггеры существуют только двухступенчатые, то, например, D-триггеры
на JK-триггерах можно реализовать только непрозрачные. JK-триггер аналогичен
RS-триггеру, но отличие от последнего, не имеет запрещенных состояний. Так,
вход J JK-триггера соответствует входу S RS-триггера, а вход K - входу R. Но,
если в RS-триггере одновременная подача логической единицы на оба входа (R и S)
была запрещена, то в JK-триггере при подаче на оба входа единиц, триггер меняет
свое состояние на противоположное. При подаче на вход J логической единицы на
выходу устанавливается единица, при подаче на вход K логической единицы на
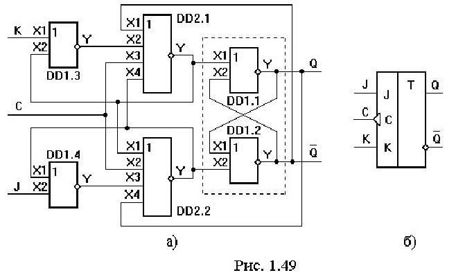
выходе получаем ноль. Логическая схема JK-триггера изображена на рисунке 1.
Рисунок 1 -Логическая схема JK-триггера
.3 Принцип
действия устройства
JK-триггер работает так же как RS-триггер, с
одним лишь исключением: при подаче логической единицы на оба входа J и K
состояние выхода триггера изменяется на противоположное. Вход J (от англ. Jump
- прыжок) аналогичен входу S у RS-триггера. Вход K (от англ. Kill - отключение)
аналогичен входу R у RS-триггера. При подаче единицы на вход J и нуля на вход K
выходное состояние триггера становится равным логической единице. А при подаче
единицы на вход K и нуля на вход J выходное состояние триггера становится
равным логическому нулю. JK-триггер в отличие от RS-триггера не имеет
запрещённых состояний на основных входах, однако это никак не помогает при нарушении
правил разработки логических схем. На практике применяются только синхронные
JK-триггеры, то есть состояния основных входов J и K учитываются только в
момент тактирования, например по положительному фронту импульса на входе
синхронизации.
На базе JK-триггера возможно построить D-триггер
или Т-триггер. Как можно видеть в таблице истинности JK-триггера, он переходит
в инверсное состояние каждый раз при одновременной подаче на входы J и K
логической 1. Это свойство позволяет создать на базе JK-триггера Т-триггер,
объединив входы J и К.
Рисунок 2 - Таблица истинности JK триггера
2. Основная
часть
.1 Выбор и
обоснование типов элементов
Важнейших этапом разработки печатных плат
является выбор элементов, так как от правильного выбора зависит будет ли в
конечном итоге устройство отвечать всем предъявленным к нему требованиям.
Выбираем элементы в зависимости от эксплуатационных требований.
В схеме цифрового дешифратора используются такие
типы элементов, как резисторы, конденсаторы, диоды и микросхемы. Резисторы
имеют наиболее широкое применение в вычислительно аппаратуре их доля составляет
от 16 до 50 процентов общего числа использования в вычислительной аппаратуре
элементов. Все используемые резисторы подразделяются на следующие группы:
а) постоянные и переменные;
б) в зависимости от материала, применяемого в
качестве резистивного элемента:
) проволочные с резистивным элементом,
выполненным из литой проволоки с высоким удельным сопротивлением;
) непроволочные;
в) металлофольгированные с резистивным
элементом, выполненным из фольги определённой конфигурации, нанесённой на
изоляционное основание;
г) в зависимости от способа монтажа:
) Монтаж может быть навесным, печатным, и
микромодульным.
) По конструктивному исполнению в зависимости от
климатических факторов, воздействующих при эксплуатации в нормальном или
тропическом варианте.
В схеме цифрового генератора используются
резисторы С2-44.
Используемые в вычислительной аппаратуре
конденсаторы разделяются на следующие группы:
а) по назначению конденсаторы могут быть общего
и специального назначения;
б) по характеру изменения ёмкости постоянные
конденсаторы, переменные и построчные;
в) по типу используемого диэлектрика могут быть
органическими, не органическими, газообразными или оксидными;
г) по способу монтажа конденсаторы могут
изготавливаться для навесного, печатного или микромодульного монтажа;
д) по степени защищенности от внешних
воздействий конденсаторы бывают защищённые и не защищённые, изолированные и не
изолированные, уплотнённые или герметизированные.
В устройстве используются конденсаторы типа
К50-6, КМ5, КЛС, КТ4. Также в часах используются следующие элементы кварцевый
резонатор используется цифровой дешифратор на частоту 32768 Гц, трансформатор
типа ТН32. В качестве переключателей применяются кнопочный переключатель П2К и
микрокнопка типа МПК.
В качестве транзисторов VII, УТ2 используются
КТ315Г, их можно заменить на любые маломощные структуры с рабочим напряжением
не менее ЗОВ. Транзисторы УТЗ и УТЗ должны быть составными структуры п-р-п
серий КТ827, КТ829, КТ834, КТ972 с любыми буквенными индексами. В схеме взяты
транзисторы КТ829Г. Транзисторы УТ4, УТ6 должны быть структуры р-п-р типа
большой или средней мощности с коэффициентом передачи тока не менее пятидесяти это
серии КТ814, КТ816, КТ818, КТ837 с индексами В, Е, К, Н, С, Ф. В устройстве
взяты транзисторы КТ837Ф. Микросхема КР1157ЕН902А заменена на 78Ь09, а также на
любой стабилизатор с напряжением 9В или на резистор сопротивлением 2,2 кОм и
стабилизатором на напряжение 8-10В.
При замене двух цветных светодиодов на обычные
для исключения пробоя в обратном направлении последовательно с каждым из них
следует включить по кремневому диоду на напряжение не менее 50В.
В качестве цифровых микросхем применяются
микросхемы серии К561 и К176 КМОП - логики, работающие на напряжении от пяти
вольт до пятнадцати вольт.
.2 Корпусы
микросхем, выбор в библиотеках DT
Корпус - это часть конструкции микросхемы,
предназначенная для защиты от внешних воздействий и для соединения с внешними
электрическими цепями посредством выводов. Корпуса стандартизованы для
упрощения технологического процесса изготовления изделий из разных микросхем.
Число стандартных корпусов исчисляется сотнями.(Dual In-line Package, также
DIL) - тип корпуса микросхем, микросборок и некоторых других электронных
компонентов для монтажа в отверстия печатной платы. Имеет прямоугольную форму с
двумя рядами выводов по длинным сторонам. Может быть выполнен из пластика
(PDIP) или керамики (CDIP). Обычно в обозначении также указывается число
выводов. Изображение корпуса представлено на рисунке 2.
Рисунок 3 - Тип корпуса DIPили просто SO
(small-outline integrated circuit), а также SOP (Small-Outline Package) корпус
микросхем , предназначенный для поверхностного монтажа, занимающий на печатной
плате на 30-50% меньше площади чем аналогичный корпус DIP, а также имеющий на
50-70% меньшую толщину. Обычно в обозначении также указывается число выводов.
Изображение корпуса представлено на рисунке 3.
Рисунок 4 - Тип корпуса SOIC
SIP (Single In-line Package) - плоский корпус
для вертикального монтажа в отверстия печатной платы, с одним рядом выводов по
длинной стороне. Обычно в обозначении также указывается число выводов.
Изображение корпуса представлено на рисунке 4.
Рисунок 5 - Тип корпуса SIP
2.3 Проектирование
универсального триггера в САПР DipTrace
Смоделируем принципиальную электрическую схему
на базе рассмотренных в теоретической части микросхем. Основной критерий
синтеза электрических схем аппаратуры на интегральных микросхемах - минимизация
числа микросхем и их внешних соединений. Другой критерий - функциональная
однородность, т.е. максимальное использование элементов с одинаковыми
функциями. Это обуславливает унификацию схемы, что в свою очередь, ведет к
снижению ее стоимости.
Для построения принципиальной электрической
схемы воспользуемся пакетом прикладных программ Novarm DipTrace, приложением
Schematic.
Программа DipTrace имеет свои билиотеки, в
которых находятся более 40 тысяч микросхем и элементов от различных зарубежных
производителей. Так как данная схема состоит только из отечественных микросхем,
то для построения соответствующей печатной платы нам необходимо найти
зарубежные аналоги отечественных микросхем. Также, нам необходимо будет
разобраться с соответствием выводов зарубежных микросхем выводам отечественных.
Программный пакет DipTrace представляет собой
полнофункциональную систему для разработки принципиальных схем и печатных плат.
Включает в себя четыре программы:- проектирование плат с удобной интерактивной
и автоматической трассировкой.- создание принципиальных схем с последующей
возможностью перевода их в платы.- редактор корпусов для печатной платы.-
редактор компонентов. Рисование символов схемотехники и связка их с корпусами.
Основой печатной платы, далее (ПП), является
подложка из стеклотекстолита - диэлектрика, представляющего собой спрессованные
листы стеклоткани, пропитанной эпоксидным компаундом (смолой). На поверхности
стеклотекстолита находится токопроводящий слой медной фольги (проводник).
Типовая толщина проводника - 0,035 и 0,018мм. Этот слой является обязательным
для всех классов ПП. После проведения определенных технологических операций,
остаются только нужные элементы этого проводника (токопроводящие
"дорожки", контактные площадки).
В зависимости от того, сколько таких слоев имеет
ПП, она может попадать в один из трех нижеприведенных классов:
односторонние (однослойные). Проводник
присутствует только на одной стороне ПП.
двухсторонние (двухслойные). Проводник
присутствует на обеих сторонах ПП.
многослойные. Они представляют собой как бы
слоеный пирог из двухсторонних плат, между которыми проложены прокладки из
стеклоткани, пропитанной в эпоксидной смоле.
Как правило, на ПП наносится паяльная маска (она
же "зеленка") - слой прочного материала, предназначенного для защиты
проводников от попадания припоя и флюса при пайке, а также от перегрева. Маска
закрывает основную часть поверхности ПП и оставляет открытыми только контактные
площадки, которые будут использоваться в дальнейшем при монтаже (пайке),
радиоэлектронных компонентов на эту ПП. Кроме паяльной маски на ПП наносят
маркировку.
Маркировка наносится краской на поверхность ПП,
специализированным методом, называемым сеткография или фотопроявление.
Применяется для удобства монтажа (пайки)
радиоэлектронных компонентов на ПП. Она может нести в себе следующую
информацию: контур компонента, его сокращенное название и позиционное
расположение на ПП, а также другую техническую информацию.
Большую часть элементов современных электронных
устройств размещают на печатных платах, представляющих собой диэлектрическое
основание с отверстиями и проводящим рисунком. Это не относится к
крупногабаритным элементам (силовым трансформаторам, радиаторам мощных транзисторов,
электронно-лучевым трубкам), а также к элементам, которые требуется
устанавливать на передней панели аппаратуры (цифровые и сигнальные индикаторы,
органы регулирования, электромеханические стрелочные приборы).
Печатные платы выполняют обычно из фольгированного
стеклотекстолита - пластика на основе стекловолоконной ткани, покрытого с одной
или двух сторон медной фольгой. Толщина диэлектрика составляет 0,8-3 мм, а
толщина фольги 0,02 - 0,1 мм. Рисунок печатной платы, определяющий конфигурацию
проводникового и диэлектрического материалов и подготовленный конструктором,
переносят на поверхность печатной платы методом фотолитографии. Для этого
поверхность платы покрывают светочувствительным слоем (фоторезистом), который
засвечивают через фотошаблон, полученный при фотографировании рисунка печатной
платы. Затем фоторезист проявляют, его незасвеченные участки удаляют и фольгу,
находящуюся под этими участками, стравливают специальным раствором. Засвеченные
участки, соответствующие проводящему рисунку, защищены слоем фоторезиста и
поэтому не стравливаются. Затем в печатной плате просверливают отверстия
диаметром 0,6 - 1,5 мм для установки навесных элементов (интегральных схем,
транзисторов, резисторов, конденсаторов) механического крепления печатной
платы, а также электрического соединения элементов печатной платы, нанесенных
на ее противоположных сторонах. Стенки отверстий металлизируют сначала
химическим, а затем электрохимическим способом. Таким образом, получают
проводящий рисунок с одной (односторонняя печатная плата) или двух
(двусторонняя печатная плата) сторон. Гибкие выводы навесных элементов
запаивают в монтажных отверстиях, к которым подходят печатные проводники, и
получают печатный узел.
Для уменьшения площади печатных плат применяют
многослойные печатные платы (МПП), состоящие из чередующихся слоев диэлектрика
с проводящими рисунками, между которыми выполнены требуемые соединения.
Соединения между проводящими рисунками слоев МПП могут быть осуществлены через
металлизированные отверстия. Распределение печатных проводников в слоях МПП
позволяет значительно сократить размеры печатных плат, что особенно важно при
использовании микросхем, содержащих множество выводов.
В устройствах малой сложности и в аппаратуре, к
которой не предъявляются очень высокие требования к плотности монтажа,
применяют однослойные и двухслойные платы. В аппаратуре средней и большой
сложности часто используют многослойные печатные платы.
Однослойные и двухслойные платы состоят из
основания, на которое с одной или двух сторон наносятся печатные проводники.
Основания плат должны обладать достаточной механической прочностью, малыми
диэлектрическими потерями, высокой нагревостойкостью и хорошей адгезией
(сцепляемостью) материалов платы и печатных проводников. При изготовлении
печатных плат широко используют стеклотекстолит, стеклоткань, гетинакс,
фторопласт-4 и некоторые другие диэлектрики. Толщина плат 0,8-3 мм, а их
типовые габаритные размеры 135X110; 135X246; 140X130; 140X150; 140X240;
150X200; 170X75; 170X110; 170X120; 170Х130; 170X150; 170X160; 170X200. Печатные
проводники выполняют чаще всего из меди, алюминия, никеля или золота толщиной
20 - 70 мкм.
При выборе сечения, конфигурации и расстояния
между проводниками исходя из допустимой плотности тока (менее 20 А/мм2),
рабочего напряжения, условий теплоотвода и прочности сцепления проводников с
основанием. Ширина проводников печатных плат обычно составляет 1,5 - 2,5 мм, а
расстояние между ними 0,3 - 1 мм. Для плат с повышенной плотностью монтажа
ширину проводников и зазоры между ними уменьшают до 0,15 - 0,5 мм.
Печатные платы с установленными на них
элементами закрепляют с помощью крепежных отверстий на элементах конструкций
электронной аппаратуры, к которым относят субблоки, блоки, каркасы, контейнеры,
стойки, пульты. В современной электронной аппаратуре, построенной на базе
микросхем, в качестве субблоков обычно применяют печатные узлы, которые
вставляют по направляющим в блоки. Электрические соединения субблоков с блоками
и блоков между собой осуществляют через контактные разъемы. Таким образом, из
субблоков и блоков, как из отдельных «кирпичей», создают сложные приборы и
устройства. Блочный принцип конструирования электронной аппаратуры облегчает
поиск и устранение неисправностей, а также повышает технологичность аппаратуры.
Для построения печатной платы прибора
воспользуемся приложением PCB Layout. Приложение автоматически переводит
спроектированную электрическую схему в печатную плату, проводит трассировку,
оптимизацию и коррекцию печатной платы.
3.Технологический
процесс
.1 Проектирование
технологического процесса
Для изложения технологических процессов в МК
используют способ заполнения, при котором информацию вносят построчно
несколькими типами строк. Каждому типу строки соответствует свой служебный
символ.
Служебные символы условно выражают состав
информации, размещаемой в графах данного типа строки формы документа, и
предназначены для обработки содержащейся информации средствами механизации и
автоматизации.
Простановка служебных символов является
обязательной и не зависит от применяемого метода проектирования документов.
Допускается не проставлять служебный символ на
последующих строках, несущих ту же информацию, при описании одной и той же
операции, на данном листе документа, для документов, заполняемых рукописным
способом или с помощью печатающей машинки и не подлежащих обработке средствами
механизации и автоматизации.
В качестве обозначения служебных символов
приняты буквы русского алфавита, проставляемые перед номером соответствующей
строки, и выполняемые прописной буквой, например, М01, А12 и т.д.
Для изложения технологических процессов в МК
используют способ заполнения, при котором информацию вносят построчно
несколькими типами строк. Каждому типу строки соответствует свой служебный
символ.
Служебные символы условно выражают состав
информации, размещаемой в графах данного типа строки формы документа, и
предназначены для обработки содержащейся информации средствами механизации и
автоматизации.
Простановка служебных символов является
обязательной и не зависит от применяемого метода проектирования документов.
Допускается не проставлять служебный символ на
последующих строках, несущих ту же информацию, при описании одной и той же
операции, на данном листе документа, для документов, заполняемых рукописным
способом или с помощью печатающей машинки и не подлежащих обработке средствами
механизации и автоматизации.
В качестве обозначения служебных символов
приняты буквы русского алфавита, проставляемые перед номером соответствующей
строки, и выполняемые прописной буквой, например, М01, А12 и другие.
.2 Документы
технологического процесса
Проектируемый технологический процесс оформляют
соответствующей технологической документацией из числа стандартов ЕСТД.
Комплектность, виды и формы технологических документов выбирает разработчик.
Полный состав технологических документов,
правила и положения по порядку их разработки и оформления определяет Единая
система технологической документации (ЕСТД).
К технологическим документам относятся
графические и текстовые документы, которые в совокупности или в отдельности
определяют технологический процесс изготовления или ремонта изделия и содержат
необходимые данные для его организации.
Технологические документы подразделяют на
документы общего назначения и документы специального назначения (на
технологические процессы, специализированные по технологическим методам
выполнения).
К документам общего назначения относятся:
титульный лист (ТЛ);
карта эскизов (КЭ);
технологическая инструкция (ТИ).
К специальным документам относятся:
маршрутная карта (МК) - для маршрутного или
маршрутно-операционного описания технологического процесса или указания полного
состава технологических операций при операционном описании изготовления или
ремонта изделия (составных частей изделия), включая контроль и перемещения по
всем операциям различных технологических методов в технологической
последовательности с указанием данных об оборудовании, технологической
оснастке, материальных нормативах и трудовых затратах;
карта технологического процесса (КТП)-для
операционного описания технологического процесса изготовления или ремонта
изделия (составных частей изделия) в технологической последовательности по всем
операциям одного вида формообразования, обработки, сборки или ремонта с
указанием переходов, технологических режимов и данных о средствах
технологического оснащения, материальных и трудовых затратах;
карта типового (группового) технологического
процесса (КТТП). Применяется вместе с ведомостью деталей (сборочных единиц) к
типовому (групповому) технологическому процессу (ВТП);
карта технологического процесса ремонта (КТПР) -
для разработки технологического процесса ремонта изделия, сборочной единицы и
детали по операциям с привязкой к имеющимся дефектам;
операционная карта (ОК) -для описания
технологической операции с указанием последовательного выполнения переходов,
данных о средствах технологического оснащения, режимах и трудовых затратах.
Разработка технологических процессов
производится для изделий, конструкция которых отработана на технологичность и
включает комплекс взаимосвязанных работ. К ним относятся:
выбор заготовок;
выбор технологических баз;
подбор типового технологического процесса;
определение последовательности и содержания
технологических операций;
определение, выбор и заказ новых средств
технологического оснащения (в том числе средств контроля и испытания);
назначение и расчет режимов обработки;
нормирование процесса;
выбор средств механизации и автоматизации
элементов технологических процессов и внутрицеховых средств транспортирования и
другие.
При разработке технологических процессов
используются классификаторы технологических операций, системы обозначения,
типовые технологические процессы, стандарты, каталоги, справочники и
"Единая система технологической документации (ЕСТД)".
При разработке типовых технологических процессов
необходимо учитывать конкретные производственные условия типового представителя
группы изделий, обладающих общими конструктивно-технологическими признаками.
К типовому представителю группы изделия обычно
относится такое изделие, изготовление которого требует наибольшего количества
основных и вспомогательных операций, характерных для изделий, входящих в эту
группу.
Необходимость разработки типовых технологических
процессов определяется экономической целесообразностью, связанной с частотой
применения изделия группы. Типизация осуществляется в двух направлениях:
типизация и стандартизация отдельных операций
обработки различных изделий.
Типовые технологические процессы могут быть
оперативными и перспективными.
Типовые технологические процессы и стандарты на
технологические операции являются информационной основой при разработке
рабочего технологического процесса.
Разработанные технологические процессы
оформляются в виде технологических документов следующих видов, предусмотренных
Государственным стандартом ЕСТД (ГОСТ 3.1001-74 и 3.1106-74.).
.3 Маршрутная
карта
Маршрутная карта (МК) - технологический
документ, содержащий описание технологического процесса изготовления или
ремонта изделия (включая контроль и перемещения) по всем операциям различных
видов и технологической последовательности с указанием данных об оборудовании,
оснастке, материальных и трудовых нормативах в соответствии с установленными
формами. Маршрутная карта является обязательным документом. Эту карту
допускается разрабатывать на отдельные виды работ.
Маршрутная карта (МК) является составной и
неотъемлемой частью комплектов ТД, разрабатываемых на ТП изготовления или
ремонта изделий и их составных частей. Формы МК, установленные ГОСТ 3.1118 -
82, являются унифицированными и их следует применять независимо от типа и
характера производства и степени детализации описания ТП.
Для изложения технологических процессов в МК
используют способ заполнения, при котором информацию вносят построчно
несколькими типами строк. Каждому типу строки соответствует свой служебный
символ. Служебные символы условно выражают состав информации, размещаемой в
графах данного типа строки формы документа и предназначены для обработки
содержащейся информации средствами механизации и автоматизации. Простановка
служебных символов является обязательной.
В качестве обозначения служебных символов
приняты буквы русского алфавита, проставляемые перед номером соответствующей
строки и выполняемые прописной буквой, например, M01, A12 и т.д.
Служебные символы условно выражают состав
информации и их следует проставлять перед номером соответствующей строки:
А - Номер цеха, участка, рабочего места, где
выполняется операция, номер операции, код и наименование операции, обозначение
документов, применяемых при выполнении операции.
Б - Код, наименование оборудования и информация
по трудозатратам.
К - Информация по комплектации изделия
(сборочной единицы) составными частями с указанием наименования детали,
сборочных единиц, их обозначение, обозначение подразделений, откуда поступают
комплектующие составные части, кода единицы величины, единицы нормирования,
количества на изделие и нормы расхода.
М - Информация о применяемом основном материале
и исходной заготовке, информация о применяемых вспомогательных и комплектующих
материалах с указанием наименования и кода материала, обозначения
подразделения, откуда поступает материал, кода единицы величины, единицы
нормирования, количества на изделие и нормы расхода.
О - Содержание операции (перехода).
Т - Информация о применяемой при выполнении
операции технологической оснастке.
Р - Переменные данные по режимам резания,
расчётные данные по основному и вспомогательному времени.
Заключение
В ходе написания данного курсового проекта на
тему «Проектирование цифрового универсального триггера» было изучено:
устройство и принцип действия универсального
триггера.;
проведен сравнительный анализ разновидностей
устройства.
Были приобретены навыки по проектированию
цифрового устройства.
В процессе работы изучалась научная литература,
выполнялось составление пакета технологических документов, таких как:
электрическая принципиальная схема, расположение элементов на печатной плате и
сборочная схема.
Приобретены навыки по проектированию цифрового
устройства.
Выполнена работа с программой Dip Trace, в
которой в результате были разработаны чертежи: чертеж печатной платы, схема
электрическая принципиальная. Все чертежи прилагаются. На примере
проектирование универсального триггера, были проработаны стадии проектирования,
которые регламентированы стандартами ГОСТ 2.103-68 и ГОСТ Р 15.201-2000.
Это удобная программа,
которая призвана создавать конструкторскую и технологическую документацию,3D
модели и чертежи, что позволило справиться с задачами курсового проекта.
Список литературы
В.
Амосов Схемотехника и средства проектирования цифровых устройств - М.:2007;
И.П.
Норенкова Системы автоматизированного проектирования - М.: 1986;Ltd DipTrace.
Руководство пользователя - М.:2012;
ГОСТ
2.105-95 - Единая система конструкторской документации. Общие требования к
текстовым документам / Автор: Царева Н.А.
Приложение А
(обязательное)
Электрическая принципиальная схема
универсального триггера

Приложение Б
(обязательное)
Проектирование универсального триггера в САПР
DipTrace
Приложение В
(справочное)
Глоссарий
Глосса́рий - словарь
<https://ru.wikipedia.org/wiki/%D0%A1%D0%BB%D0%BE%D0%B2%D0%B0%D1%80%D1%8C>
узкоспециализированных терминов
<https://ru.wikipedia.org/wiki/%D0%A2%D0%B5%D1%80%D0%BC%D0%B8%D0%BD>
в какой-либо отрасли знаний с толкованием, иногда переводом
<https://ru.wikipedia.org/wiki/%D0%9F%D0%B5%D1%80%D0%B5%D0%B2%D0%BE%D0%B4>
на другой язык, комментариями и примерами. Собрание глосс
<https://ru.wikipedia.org/wiki/%D0%93%D0%BB%D0%BE%D1%81%D1%81%D0%B0>
(иноязычных или непонятных слов в тексте книги с толкованием) и собственно
глоссарии стали предшественниками словаря
<https://ru.wikipedia.org/wiki/%D0%A1%D0%BB%D0%BE%D0%B2%D0%B0%D1%80%D1%8C>.
Триггер
- класс электронных устройств, обладающих способностью длительно находиться в
одном из двух устойчивых состояний и чередовать их под воздействием внешних
сигналов. Каждое состояние триггера легко распознаётся по значению выходного
напряжения. По характеру действия триггеры относятся к импульсным устройствам -
их активные элементы (транзисторы, лампы) работают в ключевом режиме, а смена
состояний длится очень короткое время.
Коммутатор
локальной сети (local area network switch) - устройство, обеспечивающее
взаимодействие сегментов одной либо группы локальных сетей.
Унификация
- установление оптимального числа размеров или видов продукции, процессов или
услуг, необходимых для удовлетворения основных потребностей.
Стандартизация
- это деятельность, направленная на разработку и установление требований, норм,
правил, характеристик как обязательных для выполнения, так и рекомендуемых,
обеспечивающая право потребителя на приобретение товаров надлежащего качества
за приемлемую цену, а также право на безопасность и комфортность труда.
Проектирование
- это процесс составления описания, необходимого для создания в заданных
условиях еще не существующего объекта по первичному описанию этого объекта
путем его детализации, дополнения, расчетов и оптимизации.
САПР-
программный пакет, который призван создавать конструкторскую и технологическую
документацию,3D модели и чертежи.
Технологический
процесс (сокращенно ТП) - это упорядоченная последовательность взаимосвязанных
действий, выполняющихся с момента возникновения исходных данных до получения
требуемого результата.
Маршрутная
карта - то перечень технологических операций с указанием модели оборудования по
операциям в порядке их выполнения. Способствует сотрудничеству всех
подразделений завода.
Компас
- семейство систем автоматизированного проектирования
<https://ru.wikipedia.org/wiki/%D0%A1%D0%B8%D1%81%D1%82%D0%B5%D0%BC%D0%B0_%D0%B0%D0%B2%D1%82%D0%BE%D0%BC%D0%B0%D1%82%D0%B8%D0%B7%D0%B8%D1%80%D0%BE%D0%B2%D0%B0%D0%BD%D0%BD%D0%BE%D0%B3%D0%BE_%D0%BF%D1%80%D0%BE%D0%B5%D0%BA%D1%82%D0%B8%D1%80%D0%BE%D0%B2%D0%B0%D0%BD%D0%B8%D1%8F>
с возможностями оформления проектной и конструкторской документации согласно
стандартам серии ЕСКД
<https://ru.wikipedia.org/wiki/%D0%95%D0%B4%D0%B8%D0%BD%D0%B0%D1%8F_%D1%81%D0%B8%D1%81%D1%82%D0%B5%D0%BC%D0%B0_%D0%BA%D0%BE%D0%BD%D1%81%D1%82%D1%80%D1%83%D0%BA%D1%82%D0%BE%D1%80%D1%81%D0%BA%D0%BE%D0%B9_%D0%B4%D0%BE%D0%BA%D1%83%D0%BC%D0%B5%D0%BD%D1%82%D0%B0%D1%86%D0%B8%D0%B8>
и СПДС <https://ru.wikipedia.org/wiki/%D0%A1%D0%B8%D1%81%D1%82%D0%B5%D0%BC%D0%B0_%D0%BF%D1%80%D0%BE%D0%B5%D0%BA%D1%82%D0%BD%D0%BE%D0%B9_%D0%B4%D0%BE%D0%BA%D1%83%D0%BC%D0%B5%D0%BD%D1%82%D0%B0%D1%86%D0%B8%D0%B8_%D0%B4%D0%BB%D1%8F_%D1%81%D1%82%D1%80%D0%BE%D0%B8%D1%82%D0%B5%D0%BB%D1%8C%D1%81%D1%82%D0%B2%D0%B0>.-
это многофункциональная САПР по разработке электронных печатных плат и
схемотехнической документации для проектов любой сложности, от идеи до готового
устройства.
Микроконтроллер
- микросхема, предназначенная для управления электронными устройствами.
Микросхема
- электронная схема на полупроводниковом кристалле или пленке, заключенная в
корпус.
Печатная
плата - вид конструкторской документации, документ, содержащий изображение
сборочной единицы и другие данные, необходимые для её сборки и контроля.
Конструкция
- строение, устройство, взаимное расположение частей какого-либо предмета.
Чертеж
- условное графическое изображение какого-либо (обычно материального) объекта,
выполненное по установленным правилам, часто - с указанием технических данных
(размеров, масштаба, технических требований и т. п.). необходимых для
изготовления данного объекта.
Принципиальная
электрическая схема - графическое изображение (модель) с помощью условных
графических и буквенно-цифровых обозначений (пиктограмм) связей между
элементами электрического устройства.
Сборочный
чертеж - вид конструкторской документации, документ, содержащий изображение
сборочной единицы и другие данные, необходимые для её сборки и контроля.
Единая
Система Технологической Документации (ЕСТД) - комплекс <https://ru.wikipedia.org/wiki/%D0%9A%D0%BE%D0%BC%D0%BF%D0%BB%D0%B5%D0%BA%D1%81>
стандартов
<https://ru.wikipedia.org/wiki/%D0%A1%D1%82%D0%B0%D0%BD%D0%B4%D0%B0%D1%80%D1%82>
и руководящих нормативных документов
<https://ru.wikipedia.org/wiki/%D0%94%D0%BE%D0%BA%D1%83%D0%BC%D0%B5%D0%BD%D1%82>,
устанавливающих взаимосвязанные правила
<https://ru.wikipedia.org/wiki/%D0%9F%D1%80%D0%B0%D0%B2%D0%B8%D0%BB%D0%BE>
и положения по порядку разработки, комплектации, оформлению и обращению
<https://ru.wikipedia.org/wiki/%D0%9E%D0%B1%D1%80%D0%B0%D1%89%D0%B5%D0%BD%D0%B8%D0%B5>
технологической документации
<https://ru.wikipedia.org/wiki/%D0%A2%D0%B5%D1%85%D0%BD%D0%BE%D0%BB%D0%BE%D0%B3%D0%B8%D1%87%D0%B5%D1%81%D0%BA%D0%B0%D1%8F_%D0%B4%D0%BE%D0%BA%D1%83%D0%BC%D0%B5%D0%BD%D1%82%D0%B0%D1%86%D0%B8%D1%8F>,
применяемой при изготовлении и ремонте изделий.
Программатор
- аппаратно-программное устройство
<https://ru.wikipedia.org/wiki/%D0%90%D0%BF%D0%BF%D0%B0%D1%80%D0%B0%D1%82%D0%BD%D0%BE-%D0%BF%D1%80%D0%BE%D0%B3%D1%80%D0%B0%D0%BC%D0%BC%D0%BD%D0%BE%D0%B5_%D1%83%D1%81%D1%82%D1%80%D0%BE%D0%B9%D1%81%D1%82%D0%B2%D0%BE>,
предназначенное для записи/считывания информации в постоянное запоминающее
устройство
<https://ru.wikipedia.org/wiki/%D0%9F%D0%BE%D1%81%D1%82%D0%BE%D1%8F%D0%BD%D0%BD%D0%BE%D0%B5_%D0%B7%D0%B0%D0%BF%D0%BE%D0%BC%D0%B8%D0%BD%D0%B0%D1%8E%D1%89%D0%B5%D0%B5_%D1%83%D1%81%D1%82%D1%80%D0%BE%D0%B9%D1%81%D1%82%D0%B2%D0%BE>
(однократно записываемое <https://ru.wikipedia.org/wiki/PROM>, флэш-память
<https://ru.wikipedia.org/wiki/%D0%A4%D0%BB%D0%B5%D1%88-%D0%BF%D0%B0%D0%BC%D1%8F%D1%82%D1%8C>,
ПЗУ <https://ru.wikipedia.org/wiki/%D0%9F%D0%97%D0%A3>, внутреннюю
память микроконтроллеров
<https://ru.wikipedia.org/wiki/%D0%9C%D0%B8%D0%BA%D1%80%D0%BE%D0%BA%D0%BE%D0%BD%D1%82%D1%80%D0%BE%D0%BB%D0%BB%D0%B5%D1%80>
и ПЛК
<https://ru.wikipedia.org/wiki/%D0%9F%D1%80%D0%BE%D0%B3%D1%80%D0%B0%D0%BC%D0%BC%D0%B8%D1%80%D1%83%D0%B5%D0%BC%D1%8B%D0%B9_%D0%BB%D0%BE%D0%B3%D0%B8%D1%87%D0%B5%D1%81%D0%BA%D0%B8%D0%B9_%D0%BA%D0%BE%D0%BD%D1%82%D1%80%D0%BE%D0%BB%D0%BB%D0%B5%D1%80>.
Тактовый
сигнал или синхросигнал - сигнал
<https://ru.wikipedia.org/wiki/%D0%A1%D0%B8%D0%B3%D0%BD%D0%B0%D0%BB>,
использующийся для согласования операций
<https://ru.wikipedia.org/wiki/%D0%9E%D0%BF%D0%B5%D1%80%D0%B0%D1%86%D0%B8%D1%8F_(%D0%BF%D1%80%D0%BE%D0%B3%D1%80%D0%B0%D0%BC%D0%BC%D0%B8%D1%80%D0%BE%D0%B2%D0%B0%D0%BD%D0%B8%D0%B5)>
одной или более цифровых схем
<https://ru.wikipedia.org/wiki/%D0%9B%D0%BE%D0%B3%D0%B8%D1%87%D0%B5%D1%81%D0%BA%D0%B8%D0%B5_%D1%8D%D0%BB%D0%B5%D0%BC%D0%B5%D0%BD%D1%82%D1%8B>.
Центральный
процессор - это главный обработчик поступающей в компьютер информации.
Флэш-память
(англ.
<https://ru.wikipedia.org/wiki/%D0%90%D0%BD%D0%B3%D0%BB%D0%B8%D0%B9%D1%81%D0%BA%D0%B8%D0%B9_%D1%8F%D0%B7%D1%8B%D0%BA>
flash memory) - разновидность полупроводниковой
<https://ru.wikipedia.org/wiki/%D0%9F%D0%BE%D0%BB%D1%83%D0%BF%D1%80%D0%BE%D0%B2%D0%BE%D0%B4%D0%BD%D0%B8%D0%BA>
технологии электрически перепрограммируемой памяти (EEPROM
<https://ru.wikipedia.org/wiki/EEPROM>).
Анализ
- метод исследования, характеризующийся выделением и изучением отдельных частей
объектов исследования (например, анализ крови, функциональный анализ, анализ
требований).
Безотказность
- свойство элемента или системы непрерывно сохранять работоспособность при
определённых условиях эксплуатации
<https://ru.wikipedia.org/w/index.php?title=%D0%AD%D0%BA%D1%81%D0%BF%D0%BB%D1%83%D0%B0%D1%82%D0%B0%D1%86%D0%B8%D1%8F_%28%D1%82%D0%B5%D1%85%D0%BD%D0%B8%D0%BA%D0%B0%29&action=edit&redlink=1>
(до первого отказа) называется безотказностью. Свойство объекта непрерывно
сохранять работоспособное состояние в течение некоторого времени или наработки.
Долговечность
- свойство ЭВМ, сохранять работоспособность до предельного состояния с
необходимыми перерывами для технического обслуживания и ремонта.
Компетенция
- способность применять знания, умения, успешно действовать на основе
практического опыта при решении задач общего рода, также в определенной широкой
области.
Конденсатор
- двухполюсник с определённым или переменным значением ёмкости и малой
проводимостью; устройство для накопления заряда и энергии электрического поля.
Пайка
- технологическая операция
<https://ru.wikipedia.org/wiki/%D0%A2%D0%B5%D1%85%D0%BD%D0%BE%D0%BB%D0%BE%D0%B3%D0%B8%D1%87%D0%B5%D1%81%D0%BA%D0%B0%D1%8F_%D0%BE%D0%BF%D0%B5%D1%80%D0%B0%D1%86%D0%B8%D1%8F>,
применяемая для получения неразъёмного соединения
<https://ru.wikipedia.org/wiki/%D0%A1%D0%BE%D0%B5%D0%B4%D0%B8%D0%BD%D0%B5%D0%BD%D0%B8%D0%B5>
деталей из различных материалов путём введения между этими деталями
расплавленного материала (припоя), имеющего более низкую температуру
плавления, чем материал (материалы) соединяемых деталей.
Печатный
узел - печатная плата с подсоединенными к ней электрическими и механическими
элементами и (или) другими печатными платами.
Производственный
процесс - представляет собой совокупность целенаправленных действий персонала
предприятия по переработке сырья и материала в готовую продукцию.
Оперативное
запоминающее устройство (ОЗУ) - техническое устройство
<https://ru.wikipedia.org/wiki/%D0%A3%D1%81%D1%82%D1%80%D0%BE%D0%B9%D1%81%D1%82%D0%B2%D0%BE>,
реализующее функции оперативной памяти.
Локальная
вычислительная сеть (ЛВС, локальная сеть; англ. <https://ru.wikipedia.org/wiki/%D0%90%D0%BD%D0%B3%D0%BB%D0%B8%D0%B9%D1%81%D0%BA%D0%B8%D0%B9_%D1%8F%D0%B7%D1%8B%D0%BA>
Local Area Network, LAN) - компьютерная сеть
<https://ru.wikipedia.org/wiki/%D0%9A%D0%BE%D0%BC%D0%BF%D1%8C%D1%8E%D1%82%D0%B5%D1%80%D0%BD%D0%B0%D1%8F_%D1%81%D0%B5%D1%82%D1%8C>,
покрывающая обычно относительно небольшую территорию или небольшую группу
зданий (дом, офис, фирму, институт). Также существуют локальные сети, узлы
которых разнесены географически на расстояния более 12 500 км (космические
станции и орбитальные центры). Несмотря на такие расстояния, подобные сети всё
равно относят к локальным.
Порт
- цифровой номер, который является программным адресом, используемым для
взаимодействия различных конечных точек (сетевых устройств, хостов
<https://ru.wikipedia.org/wiki/%D0%A5%D0%BE%D1%81%D1%82>) в
современных компьютерных сетях
<https://ru.wikipedia.org/wiki/%D0%9A%D0%BE%D0%BC%D0%BF%D1%8C%D1%8E%D1%82%D0%B5%D1%80%D0%BD%D0%B0%D1%8F_%D1%81%D0%B5%D1%82%D1%8C>
на транспортном уровне <https://ru.wikipedia.org/wiki/%D0%A2%D1%80%D0%B0%D0%BD%D1%81%D0%BF%D0%BE%D1%80%D1%82%D0%BD%D1%8B%D0%B9_%D1%83%D1%80%D0%BE%D0%B2%D0%B5%D0%BD%D1%8C>
модели OSI
<https://ru.wikipedia.org/wiki/%D0%9C%D0%BE%D0%B4%D0%B5%D0%BB%D1%8C_OSI>.
Хост
или узел - любое устройство <https://ru.wikipedia.org/wiki/%D0%A3%D1%81%D1%82%D1%80%D0%BE%D0%B9%D1%81%D1%82%D0%B2%D0%BE>,
предоставляющее сервисы формата «клиент-сервер
<https://ru.wikipedia.org/wiki/%D0%9A%D0%BB%D0%B8%D0%B5%D0%BD%D1%82-%D1%81%D0%B5%D1%80%D0%B2%D0%B5%D1%80>»
в режиме сервера по каким-либо интерфейсам
<https://ru.wikipedia.org/wiki/%D0%98%D0%BD%D1%82%D0%B5%D1%80%D1%84%D0%B5%D0%B9%D1%81>
и уникально определённое на этих интерфейсах. В более частном случае под хостом
могут понимать любой компьютер <https://ru.wikipedia.org/wiki/%D0%9A%D0%BE%D0%BC%D0%BF%D1%8C%D1%8E%D1%82%D0%B5%D1%80>,
сервер
<https://ru.wikipedia.org/wiki/%D0%A1%D0%B5%D1%80%D0%B2%D0%B5%D1%80_(%D0%B0%D0%BF%D0%BF%D0%B0%D1%80%D0%B0%D1%82%D0%BD%D0%BE%D0%B5_%D0%BE%D0%B1%D0%B5%D1%81%D0%BF%D0%B5%D1%87%D0%B5%D0%BD%D0%B8%D0%B5)>,
подключённый к локальной
<https://ru.wikipedia.org/wiki/%D0%9B%D0%BE%D0%BA%D0%B0%D0%BB%D1%8C%D0%BD%D0%B0%D1%8F_%D1%81%D0%B5%D1%82%D1%8C>
или глобальной
<https://ru.wikipedia.org/wiki/%D0%93%D0%BB%D0%BE%D0%B1%D0%B0%D0%BB%D1%8C%D0%BD%D0%B0%D1%8F_%D1%81%D0%B5%D1%82%D1%8C>
сети
<https://ru.wikipedia.org/wiki/%D0%9A%D0%BE%D0%BC%D0%BF%D1%8C%D1%8E%D1%82%D0%B5%D1%80%D0%BD%D0%B0%D1%8F_%D1%81%D0%B5%D1%82%D1%8C>.
Компьютерная
сеть - система связи компьютеров
<https://ru.wikipedia.org/wiki/%D0%9A%D0%BE%D0%BC%D0%BF%D1%8C%D1%8E%D1%82%D0%B5%D1%80>
или вычислительного оборудования. Для передачи данных
<https://ru.wikipedia.org/wiki/%D0%94%D0%B0%D0%BD%D0%BD%D1%8B%D0%B5_(%D0%B2%D1%8B%D1%87%D0%B8%D1%81%D0%BB%D0%B8%D1%82%D0%B5%D0%BB%D1%8C%D0%BD%D0%B0%D1%8F_%D1%82%D0%B5%D1%85%D0%BD%D0%B8%D0%BA%D0%B0)>
могут быть использованы различные физические явления
<https://ru.wikipedia.org/wiki/%D0%A4%D0%B8%D0%B7%D0%B8%D0%BA%D0%B0>
как правило - различные виды электрических сигналов
<https://ru.wikipedia.org/wiki/%D0%AD%D0%BB%D0%B5%D0%BA%D1%82%D1%80%D0%B8%D1%87%D0%B5%D1%81%D0%BA%D0%B8%D0%B9_%D1%81%D0%B8%D0%B3%D0%BD%D0%B0%D0%BB>,
световых сигналов или электромагнитного излучения
<https://ru.wikipedia.org/wiki/%D0%AD%D0%BB%D0%B5%D0%BA%D1%82%D1%80%D0%BE%D0%BC%D0%B0%D0%B3%D0%BD%D0%B8%D1%82%D0%BD%D0%BE%D0%B5_%D0%B8%D0%B7%D0%BB%D1%83%D1%87%D0%B5%D0%BD%D0%B8%D0%B5>.
Протокол
сетевого уровня- протокол 3-го уровня сетевой модели OSI
<https://ru.wikipedia.org/wiki/%D0%A1%D0%B5%D1%82%D0%B5%D0%B2%D0%B0%D1%8F_%D0%BC%D0%BE%D0%B4%D0%B5%D0%BB%D1%8C_OSI>,
предназначается для определения пути передачи данных. Отвечает за трансляцию логических
адресов и имён в физические
<https://ru.wikipedia.org/wiki/MAC-%D0%B0%D0%B4%D1%80%D0%B5%D1%81>,
определение кратчайших маршрутов, коммутации маршрутизацию
<https://ru.wikipedia.org/wiki/%D0%9C%D0%B0%D1%80%D1%88%D1%80%D1%83%D1%82%D0%B8%D0%B7%D0%B0%D1%86%D0%B8%D1%8F>,
отслеживание неполадок и заторов в сети. На этом уровне работает такое сетевое
устройство, как маршрутизатор
<https://ru.wikipedia.org/wiki/%D0%9C%D0%B0%D1%80%D1%88%D1%80%D1%83%D1%82%D0%B8%D0%B7%D0%B0%D1%82%D0%BE%D1%80>.
Маршрутизатор
специализированный сетевой
<https://ru.wikipedia.org/wiki/%D0%9A%D0%BE%D0%BC%D0%BF%D1%8C%D1%8E%D1%82%D0%B5%D1%80%D0%BD%D0%B0%D1%8F_%D1%81%D0%B5%D1%82%D1%8C>
компьютер <https://ru.wikipedia.org/wiki/%D0%9A%D0%BE%D0%BC%D0%BF%D1%8C%D1%8E%D1%82%D0%B5%D1%80>,
имеющий как минимум один сетевой интерфейс
<https://ru.wikipedia.org/wiki/%D0%A1%D0%B5%D1%82%D0%B5%D0%B2%D0%BE%D0%B9_%D0%B8%D0%BD%D1%82%D0%B5%D1%80%D1%84%D0%B5%D0%B9%D1%81>
и пересылающий пакеты данных между различными сегментами сети
<https://ru.wikipedia.org/wiki/%D0%A1%D0%B5%D0%B3%D0%BC%D0%B5%D0%BD%D1%82_%D1%81%D0%B5%D1%82%D0%B8>,
связывающий разнородные сети различных архитектур, принимающий решения о
пересылке на основании информации о топологии сети
<https://ru.wikipedia.org/wiki/%D0%A1%D0%B5%D1%82%D0%B5%D0%B2%D0%B0%D1%8F_%D1%82%D0%BE%D0%BF%D0%BE%D0%BB%D0%BE%D0%B3%D0%B8%D1%8F>
и определённых правил, заданных администратором
<https://ru.wikipedia.org/wiki/%D0%90%D0%B4%D0%BC%D0%B8%D0%BD%D0%B8%D1%81%D1%82%D1%80%D0%B0%D1%82%D0%BE%D1%80_%D0%B2%D1%8B%D1%87%D0%B8%D1%81%D0%BB%D0%B8%D1%82%D0%B5%D0%BB%D1%8C%D0%BD%D0%BE%D0%B9_%D1%81%D0%B5%D1%82%D0%B8>.(компьютер
с сокращённым набором команд
<https://ru.wikipedia.org/wiki/%D0%A1%D0%B8%D1%81%D1%82%D0%B5%D0%BC%D0%B0_%D0%BA%D0%BE%D0%BC%D0%B0%D0%BD%D0%B4>)-
архитектура процессора
<https://ru.wikipedia.org/wiki/%D0%90%D1%80%D1%85%D0%B8%D1%82%D0%B5%D0%BA%D1%82%D1%83%D1%80%D0%B0_%D0%BF%D1%80%D0%BE%D1%86%D0%B5%D1%81%D1%81%D0%BE%D1%80%D0%B0>,
в котором быстродействие увеличивается за счёт упрощения инструкций
<https://ru.wikipedia.org/wiki/%D0%98%D0%BD%D1%81%D1%82%D1%80%D1%83%D0%BA%D1%86%D0%B8%D1%8F_(%D0%B8%D0%BD%D1%84%D0%BE%D1%80%D0%BC%D0%B0%D1%82%D0%B8%D0%BA%D0%B0)>,
чтобы их декодирование было более простым, а время выполнения - меньшим. Первые
RISC-процессоры даже не имели инструкций умножения и деления. Это также
облегчает повышение тактовой частоты
<https://ru.wikipedia.org/wiki/%D0%A2%D0%B0%D0%BA%D1%82%D0%BE%D0%B2%D0%B0%D1%8F_%D1%87%D0%B0%D1%81%D1%82%D0%BE%D1%82%D0%B0>.-
интегральная схема
<https://ru.wikipedia.org/wiki/%D0%98%D0%BD%D1%82%D0%B5%D0%B3%D1%80%D0%B0%D0%BB%D1%8C%D0%BD%D0%B0%D1%8F_%D1%81%D1%85%D0%B5%D0%BC%D0%B0>,
специализированная для решения конкретной задачи. В отличие от интегральных схем
общего назначения, специализированные интегральные схемы применяются в
конкретном устройстве и выполняют строго ограниченные функции, характерные
только для данного устройства; вследствие этого выполнение функций происходит
быстрее и, в конечном счёте, дешевле. Примером ASIC может являться микросхема,
разработанная исключительно для управления мобильным телефоном
<https://ru.wikipedia.org/wiki/%D0%9C%D0%BE%D0%B1%D0%B8%D0%BB%D1%8C%D0%BD%D1%8B%D0%B9_%D1%82%D0%B5%D0%BB%D0%B5%D1%84%D0%BE%D0%BD>,
микросхемы аппаратного кодирования/декодирования аудио- и видеосигналов (сигнальные
процессоры
<https://ru.wikipedia.org/wiki/%D0%A6%D0%B8%D1%84%D1%80%D0%BE%D0%B2%D0%BE%D0%B9_%D1%81%D0%B8%D0%B3%D0%BD%D0%B0%D0%BB%D1%8C%D0%BD%D1%8B%D0%B9_%D0%BF%D1%80%D0%BE%D1%86%D0%B5%D1%81%D1%81%D0%BE%D1%80>)