Проектирование СВ-радиостанции
Министерство
образования и науки Российской Федерации
Федеральное
государственное бюджетное образовательное учреждение высшего профессионального
образования
Владимирский
государственный университет имени Александра Григорьевича и Николая
Григорьевича Столетовых (ВлГУ)
Кафедра РТ и
РС
Курсовая
работа по теме:
“Проектирование
CB-радиостанции”
Выполнил
ст. гр. Рсп-111
Жуков
Е.В.
Проверил:
Левин
Е.К.
Владимир
2014г.
Задание на курсовую работу (Вариант CB26)
Частотный диапазон - 26,97МГц-27,91МГц
Тип радиостанции - мобильная
Вид модуляции - амплитудная
Девиация частоты -
Коэффициент амплитудной модуляции - 0,9
Чувствительность - 1мкВ
Отношение с/ш - 10dБ
Избирательность - 60dБ
Нестабильность частоты принимаемого сигнала -
5*10-5
Максимальная частотf
модуляциb - 2,7кГц
Сопротивление антенны - 50Ом
Отстройка по соседнему каналу - 10кГц
Введение
В данной курсовой работе будет рассчитана схема
приемника мобильной СВ радиостанции. Радиостанции СВ (Си Би рации) диапазона 27
МГц. наиболее популярны, как недорогие и доступные средства радиосвязи. При
невысокой стоимости эти радиостанции Си Би (рации) позволяют получить дальность
связи до 50 км.(Си Би) - это сокращение от Citizen's Band (англ: гражданский
диапазон). Это значит, что любой человек может использовать радиосвязь в
диапазоне 27 МГц. Средства радиосвязи этого диапазона, представляют собой СВ
рации носимые, мобильные (автомобильные) или стационарные радиостанции.
Вы можете связываться с аналогичными
радиостанциями Си Би в пределах их радиуса действия. Если установить одну
радиостанцию в квартире, а вторую в автомобиле, то можно иметь постоянную связь
"дом - автомобиль". Установив стационарные радиостанции в городской
квартире и на загородной даче, можно иметь постоянную связь между ними.
Возможности применения Си Би раций
(радиостанций) связи весьма широки. Это достаточно надёжное и доступное
средство связи, позволяющее связать, например, магазин со складом, склад с
автотранспортом и т.д. Можно использовать СВ рации и на маломерном флоте - на катерах
и яхтах. При этом дальность связи на воде значительно возрастает.
Наиболее массовое применение Си Би радиосвязь
нашла в качестве мобильной связи. Рации в машинах позволяют поддерживать
постоянный контакт между собой, получать оперативную дорожную информацию
(пробки, засады, аварии), помощь при выборе маршрута, помощь при авариях и
технических неполадок в пути.
Портативная гражданская радиостанция - это
полноценное радиопередающее устройство, собранное в очень маленьком корпусе.
Водители-дальнобойщики - самая большая группа пользователей CB диапазона в
России. Но не только водители пользуются рациями, как наиболее удобным и
эффективным видом связи. Радиосвязь в «Гражданском диапазоне» СВ, имеет большое
распространение вследствие упрощенного получения разрешения на эксплуатацию.
Портативные или переносные радиостанции 27 МГц - это небольшие габариты и малый
вес. К ним относятся отечественные радии «БЕРКУТ», «ПИЛОТ», «КОРНЕТ», а также
импортные, такие, как Alan, KENWOOD, Motorola, Yaesu, Midland, MAYCOM.
Главные требования, предъявляемые к гражданским
рациям рыбаками, охотниками и туристами - это дальность связи, максимально
длительное время работы от батарей, надежность и удобство эксплуатации. Для
охоты многие выбирают радиостанции до 27 МГц, имеющие длину волны 11 метров,
которая легко проходит деревья и способна обогнуть небольшой холм. К основным
требованиям в данном случае относятся простота, легкость эксплуатации и
небольшой вес, а также ударопрочный корпус, защищенный от попадания пыли и
влаги.
Автомобильные радиостанции 27 МГц работают от
напряжения 12В. Станции СВ-диапазона 27 МГц имеют до 400 каналов. Средняя
СВ-радиостанция по внешнему виду, габаритам и массе напоминает автомагнитолу,
однако встречаются и более крупные, и совсем компактные модели.
В малонаселенных местах автомобильная рация
порой единственный способ попросить о помощи. В случае чрезвычайного
происшествия практически в любой точке мира у Вас есть дополнительная
возможность получить помощь, т.к. во всех странах с развитой автомобильной
инфраструктурой 9 канал СВ диапазона прослушивается операторами спасательных
служб.
СВ развивается, оставаясь незаменимым средством
связи для профессиональных водителей, путешественников и организаций,
нуждающихся в дешевой оперативной радиосвязи.
Технические характеристики мобильной CB-радиостанции
Температура эксплуатации: -30° - +40°
Мощность УНЧ (громкость) - 5 Вт
Расчет структурной схемы линейного тракта
Пс=2Fmax
- ширина спектра
mм=
∆fm/Fmax
∆fm-макс
отклонение частоты сигнала от центрального значения
Fmax - частота
модуляции
Fпч1=10,7МГц
Так как частота сигнала и гетеродина нестабильно
то приходится увеличить полосу пропускания у приемника чтобы сигнал прошел
через линейный тракт с учетом нестабильности частот сигнала и гетеродина.
Пнс=
∆fc
и ∆fr -
абсолютная нестабильность частоты сигнала и гетеродина
∆fc
= fc max
* ∂fc
∆fr
= fг max
* ∂tr
fc
max и fr
max - макс значения
частоты гетеродина и сигнала.
∂tc
и ∂tr -
относительная нестабильность частот сигнала и гетеродина.
∂tс
= 5*10-5
∂tг
= 10-5…10-6
Определим полосу пропускания приемника CB
радиостанции
Fc
max = 27,91МГц
Fmax = 2,7кГц
Пс=2*2,7кГц=5,4кГц
Пнс=2
∆fc
= 27,91*106*5*10-5=1395,5 Гц
∆fr
= 16,3*106*10-6=16,3 Гц
fr = fcmax-Fпч1=27,91МГц-10,7МГц=16,3МГц
Пнс=2
= 2791.2 Гц
П=5400+2791,2=8,1 кГц
Расчет преселектора
Преселектор состоит из входной цепи и УВЧ. В
составе ВЦ и УВЧ есть фильтры, которые обеспечивают подавление зеркальной
помехи.
При расчете необходимо определить тип фильтров,
которые находятся в ВЦ и УВЧ.
Определяем эквивалентную добротность
колебательных контуров, которые входят в состав фильтров
Первая зеркальная помеха
Исходные данные:
∂зп=60dБ
fпч=10,7МГц
fc
max = 27,91 МГц
По графику исходя из заданных подавлений
зеркальной помехи, определяется обобщенная расстройка помехи и тип фильтров.
По графику выбираем двухконтурный
полосовой фильтр (ДПФ) (график №2). Значению
соответствует обобщенная расстройка
;
Определяем значение промежуточной
частоты
fпч=0,25*
зп*fc
max*dэр=0,25*45*27,91*106*0,02=6,2МГц
где
- эквивалентное затухание контуров
радиочастотного тракта.
Если выбрать fпч=6,2МГц,
то данный полосовой фильтр обеспечит требуемое затухание зеркальной помехи.
Однако найденное значение промежуточной частоты
не является стандартным, его надо заменить.
Т.к. стандартное значение fпч=10,7МГц
больше найденного, то замена на стандартное обеспечит подавление помехи больше
чем требуется.
Для решения этой проблемы увеличим dэр
в 10,7/6,2=1,7 раза
dэр=0,02*1,7=0,034
fпч=0,25*
зп*fc
max*dэр=0,25*45*27,91*106*0,034=10,6МГц
Выбранные структура преселектора и
значение эквивалентного затухания обеспечивают подавление зеркальной помехи
более, чем на 60дБ - требование задания на проектирование по подавлению
зеркальной помехи выполнено с некоторым запасом.
Соседняя помеха
fпч2=455кГц
∆fсосед=10кгц
∂=60dБ
Пф>Прасч
Прасч=8,1 кГц
∂=60dБ
Для обеспечения заданной
избирательности подключим 2 фильтра LTM455GW подряд.
|
Part
Number
|
Center
Frequency (kHz)
|
Insert
Loss (dB) max
|
Pass Band Ripple (dB)max
|
6dB Band Width (kHz) min
|
40dB Band Width (kHz) max (LT455 W)
|
50dB BandWidth (kHz) max (LT455 W)
|
Stop Band Attenuation fo±100kHz(dB)min
|
Input/Ouput
Impedance (Ω)
|
|
|
|
|
|
|
|
(LT455
U)
|
(LT455
W)
|
|
|
|
|
|
|
|
|
|
|
|
|
LTM455GU
|
LTM455GW
|
455±1.5
|
6
|
2
|
±4.5
|
±10
|
±10
|
28
|
40
|
2000
|
dБ+40dБ=80dБ>60dБ
Пф=2*4,5=9>8,1 кГц
зеркальная помеха
∂=60dБ
∆зп2=2fпч2=2*455=910кГц
fзп2=10,8+0,91=11,61
МГц
Для обеспечения заданной избирательности
подключим 2 фильтра подряд CFECS10.8MK1
Уровень затухания у этого фильтра ≈ 38dБ
Общее затухание ≈ 38dБ+38dБ≈76
dБ > 60dБ
Чувствительность приемника
По заданной чувствительности определяем
максимально допустимый коэффициент шума линейного тракта приемника, затем
задаются структуры линейного тракта типами транзисторов и микросхем и
определяется коэффициент шума этой структуры. Если найденное значение
коэффициента шума окажется меньше максимально допустимого, то выбранная
структура обеспечивает заданную чувствительность, в противном случае меняют тип
транзисторов или микросхемы.
Допустимый коэффициент шума
,
где g - требуемое отношение (в «разах»)
среднеквадратического напряжения сигнала к среднеквадратическому напряжению
шума на выходе линейного тракта (на входе демодулятора), RA - полное
сопротивление антенны, k=1,38*10-23дж/градK -
постоянная Больцмана, T0 =293°K -
абсолютная температура в нормальных условиях, Пш ≈ 1,1П -
шумовая полоса линейного тракта.
gвых=10dБ
ЕА=1мкВ
Rа=50 Ом
Fmax=2,7кГц
mа=0,9
g=
gвых
Пвых=1,1*2,7кГц=2970 Гц
Пш=1,1*8,1кГц=8910 Гц
gвых=10^
= 3,1 раз
g=3,1
= 3,33
Nдоп=
= 12,5
Задаемся структурой линейного тракта
и определяем коэффициент шума
Кф=1
вц=1/Крвц
вц - коэффициент шума
Крвц - коэффициент шума по модуляции = 0,5
урч=2Nтранзпрч
упч=4Nтранз
транз - коэффициент шума
транзистора, который используется в составе УВЧ и ПрЧ
Y21 - прямая
проводимость транзистора
Y12 - обратная
проводимость транзистора
Обе проводимости зависят от частоты
на которой работает приемник.
Возьмем транзистор 2sc2786
N2sc2786 = 3dБ
N(dБ)=10lgN
N(раз)=103/10=2
На частоте 100МГц для 2sc2786
Y21
= 200мСм;
Y12 =
1,414*10-5См
Крвц=0,5
Nвц=1/0,5=2
Nурч=2Nтранз=4
Nпрч упч=4Nтранз=4*2=8
Вывод: Т.к Nлт<Nдоп
выбранная структура линейного тракта с 2sc2786
обеспечивает заданную чувствительность 1мкВ.
Рассчитаем коэффициент шума без УВЧ:
лт=Nвц+
=2+7/0,5=16>12,5
Из этого делаем вывод, что УВЧ
исключать нельзя.
Расчет и моделирование двухконтурной
входной цепи
Двухконтурные ВЦ обеспечивают избирательность
большую, чем одноконтурные ВЦ.
Схема двухконтурной ВЦ
Степень связи h может быть
критической (h=1), больше критической, (h>1)
меньше критической (h<1).
Ссх=Сэк=Сп+С2+Сmin+m22*(Cн+См)
- емкость контура
Коэф.
Включения фидера и антенны
- сопротивление контура
Kсв=
/ Qэкв - коэф.
Связи контуров
- коэф
передачи ВЦ по напряжению
Qэкв=1/dэр
Ссвi=Ссх/m - емкость
связи
Cki=(Ссх*Ссвi)/(Ссвi*Ссх) -
емкость контуров
Исходный данные
Сп - подстроечная емкость
СL
- паразитная емкость катушки
Сmin
- минимальная емкость конденсатора контура
Сн - емкость нагрузки
См - паразитная монтажная емкость
dэр - эквивалентное
затухание контура
d - собственное
затухание контура
w0
- круговая частота = 2πf0
Lк - индуктивность
контура
ma
-
коэффициент включения антенны в контур
m2
- коэффициент включения нагрузки в контур
Ко - коэффициент передачи ВЦ на резонансной
частоте
∂зк - подавление зеркальной
помехи в dБ
- обобщенная расстройка
fз - частота
зеркальной помехи - f0-2fпч1
Rк = w0LкQк -
сопротивление потерь контура
Qк=1/d -
собственное добротность контура
- 1.5 степень связи
Согласно нижеприведенной таблице,
выбираем значение емкостей исходя из заданного диапазона частот (верхняя
граница диапазона коротких волн)
|
Диапазон
частот
|
ДВ
|
СВ
|
КВ
|
УКВ
|
|
Емкости
(пФ)
|
CП
|
15..25
|
15..20
|
10..15
|
5..10
|
|
CL
|
10..25
|
5..15
|
2..3
|
0,5..1
|
|
Cmin
|
10..12
|
10..12
|
7..9
|
4..6
|
|
CM
|
10..20
|
10..20
|
8..15
|
5..10
|
|
Индукт.
(мкГн)
|
Lmin
|
5..10
|
3..5
|
0,2..0,3
|
0,05..0,2
|
Lсв опт -
индуктивность катушки связи опт.
Ксв - коэффициент связи между катушками
Сп - 10пФ
СL
- 2пФ
Сmin
- 7пФ
См - 8пФ
Сн - 7,2пФ
Rн - 690 Ом
Fпч1 = 10,7МГц
d=0,008
f0=27,91МГц
Rа=50 Ом
dэр=0,034
Берем m2=1
Ссх=10+2+7+1*(7,2+8)=34,2 пФ
= 0,05
=0,95мкГн
= 7,1*10-2
Qк=1/0.008=125эк=1/0,034=29,41
=
1.5/29.41=0.051
контур
Ссв1=34,2/7,1*10-2= 489,7
пФ
Ск1=(34,2*489,7)/(489,7-34,2)=36,8
пФ
контур
Ссв2=34,2/0,05=684пФ
Ск2=(34,2*684)/(684-34,2)=36пФ
двухконтурный сигнал
колебательный частота
Моделирование ВЦ
Потери мощности сигнала в
колебательном контуре учитываются включением в эквивалентную схему контура
сопротивления
Схема моделирования
Параметры трансформатора
1. Резонансная частота f0=28,184
МГц
Для получения правильной характеристики
необходимо установить количество точек на экране боде плоттера равное 1000,
иначе можно не увидеть двугорбость характеристики.
2. Коэффициент передачи ВЦ на резонансной
частоте K0
K0
= 10
= 10
= 0.136
3. Сравниваем: f0
с fрасч
f0
с fрасч
∂f0
=
=
=
-0.0098 = 0.96%
К0 с К0расч
∂К0 =
=
=
0,213 = 21,3%
4. Определяем подавление зеркальной помехи
с отстройкой от сигнала на
σ = К0 - Кз
= -17,31 -(-78,286) = 60,976 > 60 dБ
Рассчитанная ВЦ обеспечивает требуемую
избирательность.
Расчет и моделирование УРЧ
Усилителем определяются такие параметры приёмника,
как ограниченная шумами чувствительность, верность воспроизведения принимаемых
программ в условиях воздействия мешающих и полезных сигналов большой
интенсивности. Исходя из этого, к УРЧ предъявляются следующие требования:
достижение максимального динамического
диапазона, определяемого отношением предельного напряжения полезного сигнала в
антенне, при котором искажения огибающей не превосходят допустимой величины, к
напряжению сигнала, соответствующему ограниченной шумами чувствительности;
обеспечение необходимого усиления во всём
диапазоне перестраиваемых частот, при котором шумы преобразователя и
последующих за ним каскадов не сказываются существенно на коэффициенте шума
приёмника;
в заданном интервале изменения входных сигналов
амплитудная характеристика УРЧ должна быть достаточно линейной, чтобы побочные
продукты, порождаемые сигналами соседних каналов, не превышали допустимого
уровня;
система селекции УРЧ совместно с входной цепью
должна обеспечить подавление интермодуляционных и зеркальных помех.
Целью моделирования является проверка
правильности расчетов, оценка работоспособности схемы при использовании в ней
радиоэлементов с номиналами, которые соответствуют реальным радиоэлементам,
выпускаемым промышленностью, а также уменьшение погрешностей за счет перехода
от формул к графикам. При моделировании решаются две главные задачи:
преобразование принципиальной схемы в эквивалентную, а также замена
радиоэлементов принципиальной схемы на их библиотечные модели пакета программ,
используемого для моделирования.
При расчете и моделировании используется
транзистор, модель которого имеется в библиотеке моделей пакета Multisim.
В дальнейшем рассматривается биполярный N-P-N
транзистор 2sc2786,
работающий в диапазоне частот от 100кГц до 200 МГц, Необходимые для расчета УРЧ
параметры транзистора определяются по его характеристикам. Далее
рассматриваются примеры расчета и моделирования УРЧ.
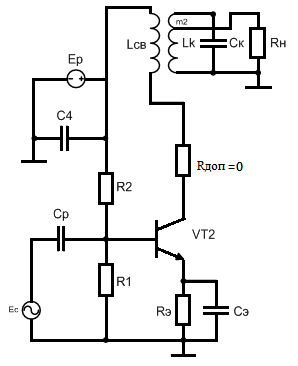
Принципиальная схема УРЧ
R2-R1
- делитель напряжения, которые задает напряжение смещения на базу транзистора.
Чем оно больше, тем больше открыт транзистор и
больше ток коллектора
Rэ - сопротивление
термостабилизации, обеспечивает стабилизацию коллекторного тока при нагреве
транзистора
Сэ - емкость обеспечивает шунтирование
сопротивления Rэ по переменному
току, при этом Ku
по переменному току становится большим
Исходные данные для расчёта усилителя
-напряжение питания
- заданная частота
входного сигнала УРЧ (резонансная частота).
-ток коллектора в
отсутствии сигнала
-сопротивление
нагрузки (сопротивление следующего каскада)
-сопротивление
источника сигнала
-эквивалентное
затухание контура УРЧ (задается на этапе структурного расчета).
собственное
затухание контура УРЧ (задается на этапе структурного расчета).
По справочным данным определяются следующие параметры
транзистора:
-граничная частота
транзистора
-емкость
коллектор-база
-обратный ток
коллектора
По графикам, приведенным в Приложении,
определяются активная и реактивная проводимости транзистора в зависимости от
значений f и
.
Рассчитываем значения модулей проводимостей.
-входная
проводимость
- обратная
проводимость
- прямая
проводимость
-выходная
проводимость
Расчет по постоянному току
Определяем изменение обратного тока коллектора
под воздействием температуры
∆Iкб0=Iкб020,2(Tmax-T0)=
100*10-3 ∙20,2(333-293) = 2,56∙10-3
А,
- абсолютная температура при эксплуатации
транзистора
=tmax+273=60+273=333
K
Т0 - комнатная температура=20+273=293 К
Определяем тепловое смещение напряжения базы
∆Uбэ
= g(Tmax-Tmin)=1,8∙(333-233)=180мВ,
где
g=1,8*10-3
Tmax=333 K
Tmin=-40+273=233
K
Нестабильность коллекторного тока
ΔIк=
Iк
(Тmax
- Тmin)
/ T0=5(333-233)/293=1,7мА
Величина эмиттерного сопротивления
э=[ΔUЭб+(10…20)
ΔIкб0
/g11]/ ΔIк
=[180∙10-3 +
10*2,56∙10-3 /1∙10-3]/1∙10-3 =
256Ом
Сопротивление базового делителя
= (10*12)/(256*5*10-3*1*10-3)=93,7
кОм
= (10*12)/(1*10-3*(12-256*5*10-3))=
10,9 кОм
Расчет по переменному току
Определяем емкости конденсаторов.
С4=Сэ
Ф
Где Rвх=1/g11=1/1*10^-3=1000
Определяем значение индуктивности контура.
Гн
=1/dэр=1/0.034=29,41-эквивалентная
добротность контура
=1/
=1/
=125- собственная добротность контура
Определим проводимость нагрузки:
Gн=1/Rn=1/2000=5*10-4См
Определяем допустимую степень увеличения
затухания контура (расширения полосы пропускания) при подключении к нему
внешних цепей.
Определим собственную проводимость контура:
См
Определим оптимальные значения коэффициентов
включения:
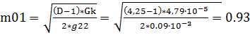
Найдем взаимную индуктивность:
M1=m01*Lk=
=0,885*10-6
Определим индуктивность связи трансформатора,
принимая
Коэффициент связи следует выбирать из условия
Найдем сопротивление потерь контура:
Определим вносимое в контур эквивалентное
сопротивление нагрузки
Rn’=Rn/m022=2000/0.39
2=13,1 к
Определим коэффициент усиления усилителя:
Определим максимально допустимый коэффициент
усиления по условиям устойчивости:
Для обеспечения устойчивости системы, должно
выполняться неравенство:
. Для данного
примера указанное условие не выполняется.
Если условие устойчивости не выполняется, то
принимают меры по повышению устойчивости. При пассивном методе повышения
устойчивости снижают коэффициент усиления УВЧ, а при активном - переходят к схеме
каскодного УВЧ, который обеспечивает высокий коэффициент усиления при
сохранении устойчивости.
Рассмотрим пассивный метод. Изменяем расчет
коэффициента включения
Rэк=
=4907,4
Gэк=1/4907,4=0,0002
m1=0,45*0,0002
=0,054
m2=
=0,551
Вновь определяем коэффициент усиления и
проверяем условие обеспечения устойчивости.
=
=200*10-3*0.054*0,551*6,28*27,91*106*(0,952*10-6/0,034)=29,2
29,2<64
условие выполняется
Проводим повторные расчеты:
М1= m1*Lk=
=
0,051*
Моделирование УРЧ
Параметр I(dc)
на эммитере транзистора выше 5mA,
для этого изменим параметр резистора R2
до 5 кОм
Параметры трансформатора
Проводим анализ схемы АЧХ
Наблюдаем резонанс на частоте 27,925 МГц и
коэффициент усиления 39,771 dБ,
Сначала определяем коэффициент усиления УРЧ ,
без учета m02.
раза.
Умножим
на
коэффициент включения m02
97,4*0,35=34,01
Определим погрешность резонансной частоты:
Определим коэффициент усиления теоретический:
=
=200*10-3*0.054*0,551*6,28*27,91*106*(0,952*10-6/0,034)=29,2
Определим погрешность коэффициента усиления:
=16,5%
Определим полосу пропускания:
Для этого на Боде плоттере опустимся на 3дб
вниз, определяем, какие частоты соответствуют этим значениям.
Частота 28,107
МГц, 36,985 dБ (верхняя)
Частота 27,723 МГц, 36,771 dБ
(нижняя)
Определим погрешность полосы пропускания
Заключение
В ходе проделанной работы была спроектирована
мобильная CB-радиостанция,
которая так же была смоделирована в пакете Multisim.
В результате этого, были получены результаты сравнения между расчетными данными
и данными полученными в ходе моделирования:
1. Сравнение по ВЦ
Коэффициент передачи ВЦ на резонансной частоте K0
Сравниваем: f0
с fрасч
f0
= 27,91 Мгц
fрасч = 28,184
∂f0
=
=
=
-0.0098 = 0.96%
К0 с К0расч
К0 = 0,136
К0расч = 0,173
∂К0 =
=
=
0,213 = 21,3%
. Сравнение
по УРЧ
Сравниваем резонансную частоту
f0 = 27,91 МГц
Сравнение коэффициента усиления:
К0(расч) = 29,2
Кms
= 34,01
Сравнение полосы пропускания
П0 (расч) =
Пms
=
Из этого делаем вывод, что параметры приемника
удовлетворяют всем требованиям.
Приложение 1
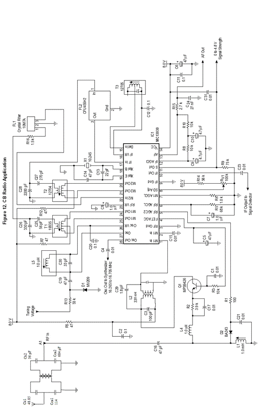
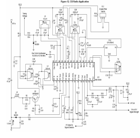
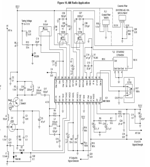
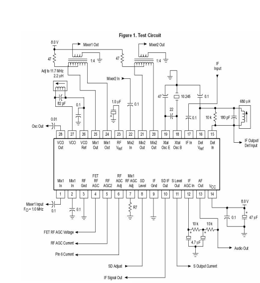
Микросхема MC13030 фирмы Motorola разработана
для применения в автомобильных радиоприемниках. Микросхема включает в себя два
смесителя, два гетеродина, систему АРУ и детектор. Частотный диапазон первого
преобразователя частоты по входу составляет 100 кГц…50 МГц.
На Рис.П1… П4 приведены функциональная схема
микросхемы, схема ее включения для определения основных характеристик, а также
схемы включения в состав АМ - радиовещательного и CB - приемника. Основные
электрические характеристики приведенные в Табл.П1
Рис. П2
Рис. П3
Рис. П4
Основные электрические характеристики микросхемы
( при 25̊ С и напряжения питания VCC=8V)
Табл. П1
Приложение 2
Справочные данные по фильтрам
В данном разделе приведены данные по
керамическим фильтрам для УПЧ фирмы Murata,
предназначенные для использования при стандартных значениях промежуточной
частоты 10,7 МГц (Табл.П2) и 455кГц (Табл.П3). На рисунках приведены схемы
включения и частотные характеристики фильтров.
Табл.П2
Табл.П3
|
Part
Number
|
Center
Frequency (kHz)
|
Insert
Loss (dB) max
|
Pass Band Ripple (dB)max
|
6dB Band Width (kHz) min
|
40dB Band Width (kHz) max (LT455 W)
|
50dB BandWidth (kHz) max (LT455 W)
|
Stop Band Attenuation fo±100kHz(dB)min
|
Input/Ouput
Impedance (Ω)
|
|
|
|
|
|
|
|
|
(LT455
U)
|
(LT455
W)
|
|
|
|
LTM455BU
|
LTM455BW
|
455±2.0
|
4
|
2
|
±15
|
±30
|
±30
|
28
|
40
|
1500
|
|
|
LTM455CU
|
LTM455CW
|
455±2.0
|
4
|
2
|
±12.5
|
±24
|
±24
|
28
|
40
|
1500
|
|
|
LTM455DU
|
LTM455DW
|
455±1.5
|
4
|
2
|
±10
|
±20
|
±20
|
28
|
40
|
1500
|
|
|
LTM455EU
|
LTM455EW
|
455±1.5
|
6
|
2
|
±7.5
|
±15
|
±15
|
28
|
40
|
1500
|
|
|
LTM455FU
|
LTM455FW
|
455±1.5
|
6
|
2
|
±6
|
±12.5
|
±12.5
|
28
|
40
|
2000
|
|
|
LTM455GU
|
LTM455GW
|
455±1.5
|
6
|
2
|
±4.5
|
±10
|
±10
|
28
|
40
|
2000
|
|
|
LTM455HU
|
LTM455HW
|
455±1.0
|
6
|
2
|
±3
|
±9
|
±9
|
28
|
40
|
2000
|
|
|
LTM455IU
|
LTM455IW
|
455±1.0
|
6
|
2
|
±2
|
±7.5
|
±7.5
|
28
|
40
|
2000
|
|
|
LTM455HTU
|
LTM455HTW
|
455±1.0
|
6
|
2
|
±3
|
±9
|
±9
|
35
|
60
|
2000
|
|
|
Note:Center frequency 450kHz is also
available.
|
|
|
LTM 455/450 U/W SERIES TEST CIRCUIT
|
|
|
|
LTM 455/450 U/W SERIES CHARACTERISTICS
|
|

|
Частотная характеристика фильтра CFECS10.8MK1
Приложение 3
При проектировании радиостанции использовался
транзистор 2sc2786, снизу
будет приведена таблица П4 с электрическими характеристиками
Табл. П4
Приложение 4
Структура СВ радиостанции (Рис П5) и принцип ее
работы:
Приемная часть:
Сигнал с приемной антенны поступает на УВЧ,
далее сигнал испытывает двукратное преобразование частоты.
На смеситель 1 поступают колебания от
синтезатора частоты, который выполняет роль гетеродина, формируется частота
10,625 МГц (f1), потом после
смесителя 2 455 кГц (f2)
УПЧ2 усиливает сигнал и направляет его на
амплитудный детектор и на частотный детектор. В зависимости от режима работы
радиостанции ключ подключается либо к выходу АД или ЧД.
Сигнал усиливается УНЧ и поступает в динамик.
Передающая часть:
С помощью клавиатуры на синтезаторе частоты
устанавливается частота работы передатчика, которая на дисплее отражается в
виде номера канала связи, синтезатор формирует заданную частоту с помощью УПТ,
ГУН и буферного усилителя. После БУ через ФНЧ идет на передающую антенну.
Рис. П5
Приложение 5
Принципиальная схема СВ радиостанции
с АМ