Проектирование радиорелейной трассы Лида – Березовка – Новогрудок

  • Вид работы:
    Курсовая работа (т)
  • Предмет:
    Информатика, ВТ, телекоммуникации
  • Язык:
    Русский
    ,
    Формат файла:
    MS Word
    756,58 Кб
  • Опубликовано:
    2015-04-13
Вы можете узнать стоимость помощи в написании студенческой работы.
Помощь в написании работы, которую точно примут!

Проектирование радиорелейной трассы Лида – Березовка – Новогрудок

Содержание

радиорелейный станция антенна подвес

Введение

. Анализ задания на курсовое проектирование

. Построение продольного профиля интервала

. Определение высот подвеса антенн и их диаметр

. Определение величины потерь на интервале и расчет запаса на замирание

. Построение диаграммы уровней

. Описание структурных схем внутреннего и внешнего блоков

. Основные параметры приемопередающей аппаратуры и план распределения частот

. Расчет устойчивости связи в дожде и при интерференции

Заключение

Список литературы

 

Введение


Цель данной курсовой работы - научиться проектировать радиорелейные линии прямой передачи.

Такая необходимость обоснована широкой потребностью в качественных, надежных и емких каналах связи. Этим требованиям соответствуют волоконно-оптические линии связи, однако прокладка кабельных линий связи не всегда возможна по ряду объективных причин, главной из которых обычно является стоимость и целесообразность такого решения. В таком случае использование радиорелейных линий является, пожалуй, самым оправданным.

Особые свойства, которые отличают радиорелейную связь от традиционной проводной, делают ее все более привлекательной для использования в глобальных, региональных и местных сетях передачи данных. Основные достоинства радиорелейных линий:

) быстрота развертывания;

) экономичность организации;

) возможность использования для экстренной замены поврежденного участка кабельной линии связи;

) высокое качество связи.

Радиорелейной связи нет альтернативы, когда требуется осуществить быстрое развертывание сети передачи данных в районах с неразвитой связной инфраструктурой или при создании сетей, обслуживающих подвижных абонентов. Использование радиорелейных линий целесообразно и в условиях густонаселенных городских районов, в которых прокладка оптического кабеля не представляется возможной или сильно затруднена.

Тем не менее, радиорелейные линии имеют и свои недостатки:

) замирание сигнала в гидрометеорах;

) вредное воздействие на окружающую среду, здоровье людей и животных.

Основными потребителями РРЛ в мире являются зоновые и местные операторы связи. Для зоновых сетей передачи данных используются высокоскоростные радиорелейные линии большой емкости. Малоканальные линии широко используются для организации связи на железнодорожном транспорте, газопроводах, нефтепроводах, линиях электропередачи и т. п.

Во время решения задачи проектирования радиорелейной линии необходимо выполнить следующее:

) выбрать места расположения радиорелейных станций исходя из рельефа и особенностей местности;

) построить продольный профиль интервала:

) определить высоты подвеса антенн;

) определение величины потерь на интервале и расчет запаса на замирание;

) разработать структурную схему узловой станции;

) привести план распределения частот;

) сделать проверочные расчеты устойчивости связи на интервале.

1. Анализ задания на курсовое проектирование

В ходе курсовой работы необходимо разработать радиорелейную трассу Лида - Березовка - Новогрудок со скоростью передачи 34 Мбит/с. Значение минимально допустимого расстояния между радиорелейными станциями равно 16 км. Расстояния между этими городами составляет 20-23 км. Выберем ориентировочную длину интервала 20-23 км. На таких расстояниях целесообразно работать на частоте в 15 ГГц. В данной курсовой работе была выбрана аппаратура Mini-Link 15-E. Результаты расчетов показали, что выбранная аппаратура полностью удовлетворяет необходимым требованиям.

Таким образом, количество станций проектируемой радиорелейной линии (далее РРЛ) будет равно 3. Количество интервалов равно 2.

Из нескольких вариантов трассы был выбран наиболее оптимальный. В первую очередь выбор осуществлялся из условия соблюдения зигзагообразности проектируемой линии. Также необходимо было, по возможности, расположить станции на возвышенностях, с целью уменьшения стоимости антенно-мачтовых устройств. Старались избегать участков больших водных пространств, а также равнинных участков. Общая протяженность трассы - 43 км. У нас получилось 2 оконечные станции и 1 промежуточная.

Схематично проектируемая трасса РРЛ представлена на рисунке 1.

Рисунок 1. Структурная схема трассы проектируемой РРЛ

2. Построение продольного профиля интервала

Профиль трассы отображает вертикальный разрез местности между соседними радиорелейными станциями со всеми высотными отметками, включая строения, лес, реки, озера и т.д. Построение продольных профилей осуществляется с помощью топографических карт.

Для удобства при построении профилей используется параболический масштаб. Профили строят в прямоугольных координатах, откладывая расстояния не по окружности, как в действительности, а по оси абсцисс, а высоты - не по радиусам, а по оси ординат. В этом случае линия, изображающая на профиле условный нулевой уровень, от которого отсчитываются все высоты, имеет вид параболы.

Построение профиля производят в следующей последовательности:

. На топографической карте соединяем прямой линией пункты установки соседних радиорелейных станций.

. Определяем длину интервала R0.

. Наносим линию, изображающую условный нулевой уровень.

. Наносим высотные отметки точек профиля относительно условного нулевого уровня и соединяем их линией.

. На профиле наносят местные объекты.

Строим линию условного нулевого уровня при нулевой рефракции (Кэ=1), нормальной рефракции (Кэ=1.3) и субрефракции (Кэ=0.7):

 (1)

 (2)

 - эквивалентный радиус Земли, м

Y - высота параболы(м) на относительной координате k,

R0 - протяженность пролета, м,

R - радиус Земли, равный 6370000 м,

При нормальной рефракции  м,

При субрефракции  м.

Данные для построения профиля интервала снимем с карты и запишем в таблицу1:

Таблица1

№ точки

k

h,м

1

0

140

2

0.074

138

3

140

4

0.262

130

5

0.3

131

6

0.41

133

7

0.46

130

8

0.52

138

9

0.6

131

10

0.67

130

11

0.76

127

12

0.8

130

13

0.83

125

14

0.91

130

15

0.93

127

16

0.97

130

17

1

130


Местные предметы профиля:

Таблица 2

k1

k2

h,м

Вид МП

1

0.114

0.131

10

лес

2

0.67

0.7

8

дачи

3

0.7

0.8

12

лес

4

0.83

0.85

8

дачи

0.87

0.93

12

лес


В таблице 1 содержатся семнадцать высотных отметок (h), расположенных на относительных координатах k.

В таблице 2 приведены параметры лесов и жилых построек, расположенных на поверхности Земли вдоль линии распространения радиосигнала.

По данным таблиц 1 и 2 построим профиль интервала, который отражает вертикальный разрез местности между соседними станциями.

Используя данные, снятые с карты местности, нанесем отметки точек профиля относительно нулевого уровня и соединим их линиями. Данные операции выполним с помощью средств Mathcad. Полученный профиль изображен на рисунке 2.

Рисунок 2. Продольный профиль интервала

После построения продольного профиля интервала получаем, что уровень расположения радиорелейных станций над условным нулевым уровнем равен: для станции А - 140 м, для станции Б - 131 м. Уровень наивысшей точки на интервале (с учетом высоты леса) - 156 м.

3. Определение высот подвеса антенн и их диаметра

Выбирая высоты подвеса антенн, мы будем руководствоваться величиной просвета между линией прямой видимости и профилем трассы. Ориентировочное значение просвета должно быть численно равно радиусу минимальной зоны, которая определяется по формуле:

 (3)

где R0 - протяженность пролета, м,- рабочая частота, ГГц,- относительная координата наивысшей точки на трассе. Для нашего случая k=0.131.

Для интервала Лида-Березовка Rmin=6.76 м. В этом случае высота подвеса составит 23 и 33 метра относительно площадки для установки вышек соответственно для первой и второй антенн.

В нашем случае характерно пренебрежимо малое отражение от поверхности земли (Ф»0), тогда изменение просвета учитывается следующим образом:

 (4)

где H0 - значение просвета при отсутствии рефракции, определяемое из профиля трассы. В нашем случае H0= Rmin.

- приращение просвета при наличии рефракции.

 (5)

g = -9*10-8 м-1 - средний градиент диэлектрической проницаемости воздуха для РБ;

σ = 7*10-8 м-1 - стандартное отклонение статистического распределения значений g;

Рассчитаем значение ΔH(g)

ΔH(g) =1 м

Исходя из величины значения ΔH(g) можно опустить наши антенны на 1 метр. И т.о. конечное значение высоты подвеса антенн составит:= 22 м - высота подвеса антенны в Лиде;=32 м - высота подвеса антенны в Березовке.

Рассчитаем высоты подвеса антенн для интервала (Березовка-Новогрудок):

Длина интервала составляет 23 км, высота над уровнем моря площадки (Новогрудок) для установки радиорелейной станции равна 300 м. По топографической карте определим относительную координату наивысшей точки рельефа местности на данном интервале: k = 0,95. Откладывая от условного нулевого уровня Земли высоту, равную наивысшей точке на интервале, получим высоту объекта, определяющую высоты подвеса антенн на интервале. Высота объекта над уровнем моря равна 312 м. Определим величину минимальной зоны Френеля по формуле (3):

 м

Т.к. высоты местности в местах установки наших антенн сильно отличаются друг от друга, то нецелесообразно делать одинаковые высоты подвеса антенн над уровнем моря. Для того чтобы интервал был открытым, величина просвета Нфиз должна быть больше или равна минимальной зоны Френеля . При высотах подвеса антенн 61.6 и 41.6 метра для площадок Березовка и Новогрудок соответственно выполняется условие Нфиз>, поэтому определим приращение просвета при условии рефракции по формуле (5):

∆H=0.5 м

Исходя из величины значения ΔH(g) можно опустить наши антенны на 0.5 метра. И т.о. конечное значение высоты подвеса антенн составит:= 61 - высота подвеса антенны в Березовке;=41 м - высота подвеса антенны в Новогрудке.

Диаграмма высот подвеса антенн представлена на рисунке 3:

Рисунок 3. Диаграмма высота подвеса антенн.

Антенна является связующим звеном любого радиорелейного оборудования. Она играет немаловажную роль по обеспечению качественной работы радиорелейного интервала в целом. Рекомендации по выбору того или иного типа параболических антенн дают производители РРЛ станций. Правильно подобранные антенны способствуют получению отличных показателей радиоканала с требуемыми характеристиками. Для нашего диапазона частот типовые параболические антенны имеют диаметры 0.6, 1.2 или 1.8 м. С экономической точки зрения для всех интервалов мы выбрали антенну диаметром D=0.6 м, её технические характеристики приведены в таблице 3:

Таблица 3

Диаметр (м)

Рабочий диапазон (ГГц)

Коэф. усил. (дБ)

Ветровая нагрузка (км/ч) а)рабочая б)предельная

Кроссполяризационное подавление (дБ)

Угол апертуры (град)

КСВН

Масса (кг)

0.6

14.5-15.35

36,6

 а) 80 б) 200

30

2.2

1.30

8, 4



G=20lg(0.6)+20lg(15)+17.5 = -4.437+23.464+17.5=36.6, дБ (6)

В настоящее время потери в фидере удалось минимизировать, используя конструктивную особенность цифровых радиорелейных систем: разделением оборудования РСП на два блока ODU и IDU.

Благодаря объединению внешнего блока с антенной практически полностью исключаются потери в СВЧ тракте и уменьшается коэффициент шума приемника на величину потерь в фидере. Поэтому в дальнейшем при расчетах, величину потерь в АФТ будем считать равной нулю.

Для достижения максимальной чувствительности приемника необходимо исключать любые потери в фидерном тракте.

. Определение величины потерь на интервале и расчет запаса на замирание

Исходя из параметров аппаратуры Mini-Link 15-E, рассчитаем какие потери она может перекрыть. Данный показатель характеризуется величиной коэффициента системы:

Kc=Рпд - Рпор=25-(-82)=107, дБ (7)

Теперь рассчитаем сумму всех усилений и затуханий, которые претерпевает наш сигнал:

*=L0+Lрф-Gпд-Gпр+Lатм+Lдоп (8)

где L0 - потери в свободном пространстве.

L0=92.45+20lg(f)+20lg(R0)=92.45+20lg15+20lg20= 141.934, дБ (9)

Lрф - потери в разделительных фильтрах. Lрф≈4..5, дБпд, Gпр - соответственно коэффициенты усиления передающей и приемной антенны.

=20lg0.6+20lg(15)+17.5=-4.437+23.464+17.5=36.527, дБ

атм - потери, обусловленные влиянием атмосферы. Т.е потери в кислороде атмосферы и потери в водяных парах атмосферы.

атм=(αкислород+ αпары)*L, дБ (10)

Для нашего случая αкислород=0.0075, а αпары=0.0085 и т.о.

атм=(0.0075+0.0085)*24=0.4, дБ

Теперь рассчитаем сумму всех усилений и затуханий, которые претерпевает наш сигнал:

*=141.934+4-36.527-36.527+0.4=73.201, дБ

Теперь вычислим запас на замирание:

М=Kc- Kc*=34, дБ (11)

5. Построение диаграммы уровней

Исходя из выполненных расчетов, построим диаграмму уровней:

Рисунок 4. Диаграмма уровней

6. Описание структурных схем внутреннего и внешнего блоков

Несмотря на большую номенклатуру цифровых радиорелейных станций их концепция построения на уровнях внешнего и внутреннего блоков во многом схожа.

На рисунке 5 приведена типовая структурная схема внутреннего блока цифровой радиорелейной станции.

Рисунок 5. Типовая структурная схема IDU ЦРРСП.

Внутренний блок IDU состоит из передающего и приемного трактов. Установленные на входе и выходе этих трактов устройства сопряжения (УС) служат для согласования параметров IDU с транспортными линиями в рамках протокола G.-703 МСЭ-Т. Устройства сопряжения в зависимости от назначения могут быть электрическими или оптическими (G.-957). Принятые цифровые потоки данных преобразуются из квазитроичного кода HDB-3 в двоичный код NRZ и проходят устройства регенерации цифровых сигналов. Регенераторы исключают линейные искажения, внесенные кабелем. Они выделяют тактовую частоту цифровых потоков с помощью выделителя тактовой частоты (ВТЧ) и восстанавливают амплитуду, длительность и фронт импульсной последовательности с помощью решающего (РУ) и формирующего устройств (ФУ).

После регенерации цифровые потоки объединяются в мультиплексоре (MUX), который представляет собой программируемый процессор. Объединению в MUX подлежат также сигналы синхронизации и телеуправления.

Скремблер выполняет функцию формирования из исходного сигнала псевдослучайной последовательности, у которой количество нулей и единиц в потоке примерно равное. Благодаря скремблированию упрощается процедура выделения тактовой частоты на приемной стороне и обеспечивается на выходе передатчика равномерный спектр радиосигнала. Последнее обстоятельство позволяет улучшить электромагнитную совместимость радиосредств.

Канальный кодер служит для повышения помехоустойчивости системы. Кодирование может быть одноступенчатым (с использованием кода Рида-Соломона) и двухступенчатым (сверточное и блочное). За счет внесенной избыточности осуществляется прямое исправление ошибок и, следовательно, улучшается достоверность приема. При наличии кодирования требуемое значение ОСШ, при котором достигается заданная вероятность ошибки на бит, снижается. После кодирования цифровой поток поступает на модулятор (М), который формирует радиопосылки на несущей fн=310 МГц с длительностью Tc. Каждая радиопосылка имеет определенное значение начальной фазы (при М-ФМ или М-КАМ). Если используется QPSK (4-ФМ) или DQPSK модуляция амплитуда радиопосылок не меняется, т.е. передается радиосигнал с постоянной огибающей. При М-КАМ в зависимости от сочетания бит в символе изменяется как фаза, так и амплитуда радиопосылок. Таким образом, различными признаками состава бит в символе являются значения фаз и амплитуд радиопосылок модулированного сигнала. На выходе модулятора обычно содержатся две боковые полосы, спектр которых ограничивают полосовым фильтром ПФ1. Далее радиосигнал на частоте несущей через устройство разделения и объединения сигналов (РОС), и соединительный кабель поступает на внешний блок. На РОС также поступают команды для управления режимами блока ODU.

В приемном тракте IDU происходит выделение радиосигнала с промежуточной частотой 70 МГц, который поступил по соединительному кабелю из внешнего блока. Этот сигнал через электронный ключ (ЭК) проходит устройства фильтрации (ПФ2), усиления (УПЧ) и демодуляции (ДМ). ЭК служит для организации перехода на режим контроля работоспособности блока IDU. В режиме контроля включается смеситель сдвига и генератор, которые формируют сигнал частоты 70 МГц из сигнала 310 МГц. Если в режиме шлейфа выходной уровень соответствует норме, то устройства блока IDU исправны.

После демодулятора (Дм) выделенная цифровая последовательность проходит регенератор, в котором восстанавливается форма двоичных импульсов. Далее цифровой сигнал поступает на бок исправления ошибок. В частности, при использовании сверточного кодирования сигнал поступает на декодер максимального правдоподобия Витерби. Этот декодер начинает исправлять ошибки с 7*10-2 и обеспечивает на своем выходе Pош=2*10-4. Последующие устройства тракта приема IDU выполняют задачи обратные задачам тракта передачи.

Центральное место в блоке IDU занимает микропроцессор (МП). Он управляет работой всех основных устройств блока, позволяет вести контроль параметров и отображать на ПК конфигурацию РРЛ.представляет собой приемопередающий модуль с низким коэффициентом шума и с электрическим управлением с IDU выходной мощностью передатчика и частотой настройки (рис. 6). Диапазон изменения выходной мощности равен 20 дБ, шаг изменения 1 дБ. Максимальные значения выходной мощности различных моделей ЦРРСП составляет 0,1-1,0 Вт (20-30 дБм).

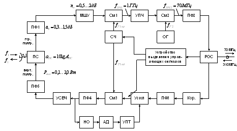
Приемный тракт ODU строится по супергетеродинной схеме с двойным преобразованием частоты и малошумящим усилителем (МШУ) на его входе. МШУ выполняется на малошумящих транзисторах, имеет усиление 30-35 дБ и коэффициент шума 0,5-2 дБ. Для снижения уровня мощности передатчика попадающего на вход приемника и ослабления помех по комбинационным каналам приема перед МШУ устанавливают полосовой фильтр ПФ1. Частотный разнос между несущими передачи и приема соответствует плану распределения частот. Смеситель частоты (См1) является балансным или двойным балансным с компенсацией шумов гетеродина и нежелательных компонент преобразования. Первая промежуточная частота выбирается высокой fпч1=0.5-1 ГГц, что позволяет простыми средствами обеспечить высокий уровень подавления помех по зеркальному каналу. Требуемая частота гетеродина формируется в синтезаторе частоты (СЧ) под действием команд с устройства выделения управляющих сигналов.

Рисунок 6. Типовая структурная схема ODU ЦРРСП

. Основные параметры приемопередающей аппаратуры и план распределения частот

Оборудование Мини-Линк Е работает практически во всех частотных полосах (от 7 до 38 ГГц, кроме 11 ГГц), предусмотренных рекомендациями МСЭ-Р для радиорелейного оборудования. Благодаря разработанной компанией Эрикссон очень эффективной C-QPSK модуляции и высокочувствительным приемопередатчикам с возможностью программного (в том числе и удаленного) управления выходной мощностью Мини-Линк Е, при прочих равных условиях, может работать на пролетах большей длины, чем конкурентное оборудование других производителей. Или создавать более низкий уровень помех для других типов находящегося рядом радиоэлектронного оборудования. Это позволяет применять Мини-Линк Е в самых сложных, с точки зрения электромагнитной совместимости, условиях.

Используемый в целях контроля Netman - программный администратор терминалов MINI-LINK Е как элементов сети, представляет собой мощное средство, предназначенное для централизованного сетевого управления. Он может применяться в качестве автономной системы или работать совместно с системой управления сетью (NMS). При этом обеспечиваются все необходимые функции управления.

Технические характеристики:

Радиорелейная платформа интегрирует PDH и SDH, имеет широкие возможности мультиплексирования и коммутации трафика, подготовлена к передаче пакетного трафика:

Интерфейсы трафика Е1, Е2, Е3, STM-1, Ethernet;

Каждая плата имеет встроенный мультиплексор до уровня Е1;

Неблокируемая емкость матрицы коммутации - 400Е1

Данная система обеспечивает передачу радиосигналов со скоростью от 2х2 Мбит/с до 155 (STM-1)

Емкость коммутации: 400xE1, планируется коммутация на уровне Е3

Управление коммутацией возможно через DXX Manager

Модуляция: C-QPSK, 16QAM, планируется 128QAM

Интерфейсы трафика: Е1, Е2, Е3, STM-1 10/100 BaseT - LAN интерфейс 2-34 Мбит/с

Варианты конфигурации: 1+0 and 1+1 (radio) 1+1 E1 SNCP, MSP 1+1 (line)

Основные характеристики системы Ericsson MINI-LINK 15-E приведены в таблице 4:

Таблица 4

Параметры

Значение

Диапазон рабочих частот, МГц

14,4-15,35 ГГц

Стабильность частоты

± 10 ppm

Мощность передатчика

 25 dBm

Интерфейс трафика

ITU-T Rec G.703, симметричный или несимметричный

Код канала

Скремблирование и упреждающее исправление ошибок (FEC)

Шаг сетки частот

28МГц

Разнос частот передачи и приема

322МГц

Относительная влажность

8-100% (внешний модуль); 5-95% (внутренний модуль)

Вид модуляции

С-QPSK

Диаметры антенн

0.6 - 3.0 м

Диапазон рабочих температур IDU: ODU:

 от -20 °С до + 60 °С от -50 °С до + 60 °С

Пороговый уровень принимаемого сигнала в цифровом стволе, по BER10-3

- 82dBm

Размеры радиоустройства

4,5 кг, 321х260х97 мм

Напряжение питания, пост. тока

24-60 B, номин.


Прием и передача СВЧ сигналов на радиорелейной станции производится на различных частотах во избежание возникновения паразитных связей между входом приемника и выходом передатчика и между приемными и передающими антеннами. Следовательно, для передачи сигналов по одному радиостволу в одном направлении связи необходимо использовать две частоты. Для передачи сигналов в обратном направлении могут быть использованы либо те же две частоты (двухчастотная система), либо две другие частоты (четырехчастотная система).

Номинальные значения частот стволов (в МГц) определяются по формулам:

В нижней половине диапазона:

=f0-310+28n (12)

в верхней половине диапазона:

’n=f0+12+28n (13)

где n=1,2,3,4,5,6; fo = 15000 МГц.

Определимся с назначением и частотами стволов:

1-й ствол отведем для передачи каналов ТЧ. Его частоты согласно (12) и (13) будут:

= 15000 - 310 + 28 · 1 = 14662 МГц

f1΄ = 15000 + 12 + 28 · 1 = 15040 МГц

-й ствол отведем для передачи канала телевидения (ТВ). Его частота равна:

= 15000 - 310 + 28 · 2= 14690 МГц

f2΄ = 15000 + 12+ 28 · 2= 15068 МГц

-й ствол будет резервным. Для его:

f3 = 15000 - 310 + 28 ·3= 14718 МГц

f3΄ = 15000 +12 + 28 · 3= 15096 МГц

Рисунок 7. План распределения частот рассчитанной линии РРЛ.

. Расчет устойчивости связи в дожде и при интерференции

Расчет величины Тд(Vmin):

Тд(Vmin) - процент времени, при котором ослабление опускается ниже минимально допустимого значения множителя ослабления. Тд(Vmin) определяется с помощью номограммы [1, c. 287].

Потери в гидрометеорах рассчитываются по следующей формуле:

гид=γд*Rэф, дБ (14)

где, γд - коэффициент ослабления сигнала в дожде.

, дБ/км. (15)

интенсивность дождя;

Для частоты f=15 ГГц, β= 0.037 и α= 1.154. Эти коэффициенты для горизонтальной поляризации. Мы выбрали коэффициенты для горизонтальной поляризации, т.к. они больше, чем при вертикальной, поэтому мы будем лучше знать надежность нашей РРЛ.эф - эффективная протяженность дождевой области.

, км (16)

Где R0 - длина пролета, в нашем случае R0 = 20 км..01 - интенсивность дождя, который идет в данной местности в течение 0.01% времени. Для Беларуси J0.01=60, мм/час

Построим зависимость Lгид(J):

 =8.681, км

Рисунок 8. Зависимость потерь в дожде от интенсивности дождя.

Затем по интегральным кривым (для Беларуси кривая 4) определяем процент времени, в течение которого J ≥ Jдоп , т.е. величину Тд(Vmin) в процентах.

Рисунок 9. Статистические распределения среднеминутных значений интенсивности дождя.

Для нашей допустимой интенсивности дождя:

Тд(Vmin) = 0,007%.

Анализируя полученную величину Тд(Vmin), и принимая во внимание, что у нас линия связи среднего качества 1-го класса, то можно сделать вывод, что наша система будет работать устойчиво, т.к. Тд(Vmin) = 0,007% < ПНГ=0.033/2=0.017%.

Рассчитаем показатель качества по ошибкам:

Показатели качества по ошибкам (ПКО) связаны с быстрыми замираниями на интервалах линии радиосвязи.      Вероятность появления гладких интерференционных замираний определяется в соответствии с рекомендациями МСЭ-Т 338-4

Ринт = Ккл*Q* f ВR0dС % (17)

где Ккл=4.1*10-4 - климатический коэффициент;=1.5 - фактор земной поверхности при слабопересеченной местности;

В,С,в - коэффициенты, которые равны В=1.5, С=1, d=2.

Ринт=4.1*10-4*1.5*151.5*202=14.149%

Зная Ринт можно рассчитать процент времени появления сильно пораженных секунд СПС:

СПС= Ринт *10-0.1Lз.зам (18)

СПСрасч= 14.149*10-0.1*34=0.0029, %

В соответствии с рекомендациями МСЭ-Т 338-4 для линий связи среднего качества 1-го класса СПС равно:

СПС≤0.006,%

Сравним нашу расчетную величину СПСрасч с допустимой величиной СПС:

СПСрасч= 0.0029, % < СПС=0.006,%

Т.к. расчетная величина значительно меньше нормы можно сделать вывод о том, что система будет стабильно работать с заданным для нее показателем неготовности, а это уже свидетельствует о правильности выбора аппаратуры и расчета параметров.

Заключение

В ходе курсовой работы была построена радиорелейная линия в заданном направлении. Выбранная аппаратура позволила организовать связь между требуемыми пунктами, которая удовлетворяет всем поставленным требованиям. При выборе месторасположения станций были учтены все необходимые требования, описанные в анализе задания на курсовое проектирование. Разница между коэффициентом системы и величиной потерь на интервале составила запас на замирание, который полностью удовлетворил заданным качествам проектируемой РРЛ системы. Для экономии денежных средств на возведение высоких мачтовых опор на площадках, антенны были расположены на разных высотах с учетом рассчитанной величины просвета. Построенная линия является надежной и экономически выгодной.

Подобная аппаратура может применяться для организации:

линий связи между населенными пунктами;  - телекоммуникационных сетей связи;

технологических линий и сетей связи для железнодорожного транспорта, энергосистем, газо- и нефтепроводов;

связи между компьютерными и офисными центрами;

соединительных линий между базовыми станциями сотовой и подвижной связи;

микроволновых систем распределения информации;

временных линий и сетей связи для проведения массовых мероприятий или аварийно-спасательных работ.

Список литературы

1. Липкович Э.Б. Проектирование радиорелейных линий прямой видимости. Методические указания по курсовому проектированию по курсу "Радиорелейные и спутниковые системы передачи"/ Э.Б. Липкович - Минск: МРТИ, 1987 - 135 с.

. Справочник по радиорелейной связи / С.В. Бородич [и др.]; под. ред. С.В. Бородича. - 2-е изд., перераб. и доп. - М.: Радио и связь, 1981. - 198 с.

. Немировский А.С. Системы связи и радиорелейной линии / А.С. Немировский, Е.В. Рыжков; под. ред. А.С. Немировского - М.: Радио и связь, 1986 - 432 с.

. Мир связи. Connect!!! [Электронный ресурс]. - 2004. - Режим доступа: http://www.connect.ru/.

Похожие работы на - Проектирование радиорелейной трассы Лида – Березовка – Новогрудок

 

Не нашли материал для своей работы?
Поможем написать уникальную работу
Без плагиата!
Без нейросетей!