Проектирование подсистемы АСУ сушильной частью БДМ №1 ОАО 'ПЗБФ'

  • Вид работы:
    Курсовая работа (т)
  • Предмет:
    Информатика, ВТ, телекоммуникации
  • Язык:
    Русский
    ,
    Формат файла:
    MS Word
    693,69 Кб
  • Опубликовано:
    2015-03-31
Вы можете узнать стоимость помощи в написании студенческой работы.
Помощь в написании работы, которую точно примут!

Проектирование подсистемы АСУ сушильной частью БДМ №1 ОАО 'ПЗБФ'















Проектирование подсистемы АСУ сушильной частью БДМ №1 ОАО «ПЗБФ»

ВЕДОМОСТЬ ПРОЕКТА

Формат

Обозначение

Наименование

Кол-во листов

Кол-во Экз.

Примечание.

1

А4

ПАС Кп-220700-115025

Автоматизация  Ведомость проекта.

1

1



А4

ПАС  Кп-220700-115025

Автоматизация Реферат.

1

1



А4

ПАС Кп-220700-115025

Автоматизация  Пояснительная записка.

34

1



А3

ПАС Кп-220700-115025

Функциональная  Схема автоматизации.

1

1



А3

ПАС Кп-220700-115025

Структурная схема КТС.

1

1



РЕФЕРАТ

Проект с. рис. табл. источников.

Объектом автоматизации является сушильная часть БДМ №1

Цель работы: - Модернизация АСУТП сушильной частью БДМ№1 заменой старых приборов новыми и внедрение ПЛК.

Была предложена структура АСУ выбраны технические средства входящие в систему. Разработана структура и состав ПЛК АСУТП.

В качестве технических средств автоматизации выбран ПТК MITSUBISHI FX-3U.

Внедрение предполагается на сушильной части БДМ №1 ОАО «ПЗБФ».

ВВЕДЕНИЕ

Бумага является упругопластическим, капиллярно-пористым листовым материалом, состоящим главным образом из мелких растительных волокон, соответствующим образом обработанных и соединенных в тонкий лист, в котором волокна связаны между собой поверхностными силами сцепления.

Процесс изготовления бумаги очень сложен. Чтобы реализовать строгое подчинение требуемым стандартам, на предприятие внедряется автоматизированная система управления. Она помогает снизить затраты на производство бумаги, а также получить высококачественный, экологически безопасный для потребителей продукт. Однако чтобы автоматизированная система работала надлежащим образом, ее следует грамотно установить и постоянно обслуживать.

1.ОПИСАНИЕ И АНАЛИЗ ОБЪЕКТА УПРАВЛЕНИЯ

.1      Техническая характеристика ОУ

Сушильная часть БДМ предназначена для достижения бумажного полотна конечной сухости, которая составляет 91-94%.

Основными факторами процесса сушки бумаги являются:

температура и давление поступающего пара;

температура поверхности сушильных цилиндров;

скорость бумажной машины;

свойства окружающего воздуха и система вентиляции;

чистота стенок сушильного цилиндра снаружи и изнутри;

наличие в цилиндре воздуха и конденсата;

натяжение сушильных сеток и их состояние;

композиция бумаги и степень помола бумажной массы;

сухость бумажного полотна после прессов;

После выхода бумажного полотна из сушильной части и обработке на продольно резательном станке бумага должна отвечать следующим свойствам: Бумага для гофрирования по ТУ 5441-019-00278965-2010, извещение об изменении №56, №60, №61а, №071.

Бумага должна изготавливаться в рулонах. Размеры рулонов указаны в Таблице 1. По согласованию с потребителем допускается изменять ширину и диаметр рулона.

Таблица 1.

Наименование размера

Размер, мм

Допустимое отклонение, мм

Ширина рулона

550 - 2450

+/-5

Наружный диаметр рулона

1150

+/-50

Внутренний диаметр гильзы

100

+3


В зависимости от показателей качества бумага должна изготавливаться следующих марок: Б-0, Б-1, Б-2, Б-3.

Физико-механические показатели качества бумаги должны соответствовать нормам, указанным в Таблицах 2 и 3.

Таблица 3

Наимен показат

Марка Б - 0

Марка Б - 1

Методы испыт

Масса 1 м 2, г

100±5

112±6

125±6

140±8

175±10

100±5

112±6

125±6

140±8

150±9

175±10

ГОСТ 13199

Абсолют сопротив продавлив, кПа, не менее

300

340

380

420

450

270

320

350

380

400

410

ГОСТ 13525.8

Прочность при растяж в машин направл, кН/м, не менее

6,5

7,5

8,5

9,5

11,0

6,0

7,0

8,0

9,0

9,5

10,0

ГОСТ ИСО 1924-1

Сопротивлторцевому сжатию гофриров образца бумаги, (ССТ) кН/м, не менее

1,30

1,50

1,60

1,75

1,90

1,20

1,30

1,35

1,45

1,5

1,55

ГОСТ 28686

Сопротивлплоскост сжатию гофриров образца бумаги, (СМТ 0)Н, не менее: при ширине полоски 15 мм

215

260

310

350

400

210

240

280

330

335

340

ISO 9895

Сопротивлторцевому сжатию короткого образца SCTCD, кН/м

2,2

2,3

2,5

2,6

2,8

1,8

1,9

2,1

2,2

2,2

2,3


Поверхн впитываем воды, г/м2, Кобб-30 в среднем по двум сторонам: клеёной неклеёной, не менее

30 - 70 70

ГОСТ 12605

Влажность, %

6,0 - 9,0

7+2-1

6,0-9,0

ГОСТ 13525.19


Таблица 2

Наимен показателей

Марка Б - 2

Марка Б - 3

Методы испыт

Масса 1 м 2, г

90±5

100±5

112±6

125±6

140±8

150±9

90+4

100±5

112±6

125±6

140±8

175±10

ГОСТ 13199

Абсолют сопротивл продавлив, кПа, не менее

210

250

280

310

310

330

200

220

250

260

270

300

ГОСТ 13525.8

Прочность при растяжении в машинном направлении, кН/м, не менее

5,0

5,5

6,0

7,0

7,5

8,0

4,0

4,5

5,0

5,5

6,0

6,5

ГОСТ ИСО 1924-1

Сопротивлторцевому сжатию гофрирован образца бумаги, (ССТ) кН/м, не менее

0,90

1,10

1,15

1,20

1,30

1,35

0,8

0,90

0,95

1,10

1,15

1,20

ГОСТ 28686

Сопротивл плоскостн сжатию гофрирован образца бумаги, (СМТ 0)Н, не менее: при ширине полоски 15 мм

140

180

190

230

250

255

110

140

150

170

190

210

ГОСТ 2068

Сопротивление торцевому сжатию короткого образца SCTCD, кН/м

1,6

1,7

1,8

2,0

2,1

2,1

1,5

1,6

1,7

1,8

2,0

2,1

ISO 9895

Наименован показателей

Марка Б - 2

Марка Б - 3

Методы испытаний

Поверхноствпитываем воды, г/м2, Кобб-30 в среднем по двум сторонам: клеёной неклееной, не менее

30 - 70 70

ГОСТ 12605

Влажность, %

6,0 - 9,0

от 5-10

6,0 - 9,0

ГОСТ 13525.19


В бумаге допускается изменение физико-механических показателей:

·   снижение нормы показателя абсолютного сопротивления продавливанию для всех марок на 10%;

·   снижение нормы показателя сопротивление плоскостному сжатию гофрированного образца для всех марок на 10%;

·   снижение нормы показателя прочности при растяжении для всех марок на 10%;

·   снижение нормы показателя сопротивление торцевому сжатию короткого образца для всех марок на 10%;

·   снижение нормы показателя сопротивления торцевому сжатию гофрированного образца на 5%;

·   снижение влажности до 5% или увеличение влажности до 10%.

Бумага не должна иметь складок, морщин, задиров, разрывов и посторонних включений, видимых невооруженным глазом. Допускаются малозаметные перечисленные внутрирулонные дефекты, которые не могут быть обнаружены в процессе изготовления бумаги, если показатель этих дефектов, определенный по ГОСТ 13525.5, не превышает 5 %.

Бумага для гофрирования на основе макулатуры должны иметь цвет естественного волокна.

.2     
Описание схемы технологического процесса

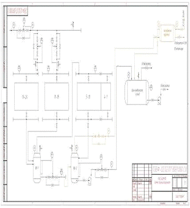
Рисунок 1технологическая схема ПКС.

Пароконденсатная система, подразделяется на следующие позиции по подаче пара: Представлена в таблице 4.

Таблица 4

1 - 10 сушильные цилиндры

10 цилиндров Ǿ 1500 на вторичном паре

11-18 сушильные цилиндры

8 цилиндров Ǿ 1500 на остром паре

19 - 24 сушильные цилиндры (досушивающая группа)

6 цилиндров Ǿ 1500 на остром паре


На рисунке 1 представлена технологическая схема пароконденсатной системы. Пар по главному трубопроводу (Dу=150 мм) подается из котельной с давлением 13 кгс/см2 и температурой 194 0С.

На главном паропроводе перед БДМ установлены регулирующие клапана для подачи пара на БДМ давлением до 5,0 кгс/см2. На регулирующих клапанах установлены байпасные линии с ручными клапанами для подачи пара на БДМ при поломке регулирующих клапанов.

После регулирующих клапанов по трубопроводу пар поступает в коллектор сушильных цилиндров 11-18 и в коллектор сушильных цилиндров 19-24; затем из указанных выше цилиндров паро-конденсатная смесь поступает во влагоотделитель ВО-1 Во влагоотделителе ВО-1 происходит процесс снижения давления паро-конденсатной смеси за счет резкого увеличения объема, в результате чего происходит вскипание смеси и образуется вторичный пар.

Вторичный пар из влагоотделителя ВО-1 по трубопроводу поступает в сушильные цилиндры 1-10, а оставшийся конденсат за счет разницы давлений из влагоотделителя ВО-1 поступает во влагоотделитель ВО-2. Уровень конденсата во влагоотделителе ВО-1 поддерживается автоматически регулирующим клапаном.

Образовавшийся вторичный пар во ВО-2 по трубопроводу поступает через теплообменник в бак сбора конденсата. На теплообменнике запорная арматура на входе и выходе должна быть открыта.

Из ВО-2 конденсат конденсатными насосами м-1 или м-2 подается в бак сбора конденсата, а уровень в нем поддерживается в автоматическом режиме регулирующим клапаном.

Конденсат из бака сбора конденсата насосами подается в деаэратор котельной. Уровень конденсата в баке сбора конденсата поддерживается путем пуска/останова насосов м - 3 или м - 4.

Автоматизированная система контроля параметров бумажного полотна

представляет собой комплекс технических и программно-алгоритмических средств для автоматического контроля влажности и массы 1 м2. Состоит из: операторской системы (компьютер, монитор, принтер, стойка операторской станции); сканирующего устройства; датчика влажности и массы 1 м2; датчика скорости бумажного полотна; датчика смены тамбура; подсистемы управления массой 1 м2.

.3 Описание основного оборудования

Сушильная часть состоит из 24 сушильных цилиндров, которые делятся

на 3 приводные группы, включающие цилиндры в обоих рядах в следующем количестве:

1 группа - с 1 по 6 с.ц. (1,3,5 нижние сушильные цилиндры, 2,4,6 верхние сушильные цилиндры).

2 группа - с 7 по 14 с.ц. (7,9,11,13 нижние сушильные цилиндры, 8,10,12,14 верхние сушильные цилиндры).

3 группа - с 15 по 22 с.ц. (15,17, 19, 21, 23 нижние сушильные цилиндры, 16,18, 20, 22, 24 верхние сушильные цилиндры).

На каждую группу цилиндров приходится две сушильные сетки типа АД-57 (или АД-80), одна из которых охватывает все цилиндры верхнего ряда, вторая - все цилиндры нижнего ряда (см. Таблицу5 ).

Таблица 5

Наименование

Группы  цилиндров


1

2

3

4

5

6

Бумагосушильные цилиндры

3

3

4

4

5

5

Сукноведущие валики

8

8

8

8

11

12

Правильные валики

1

1

1

1

1

1

Натяжные валики

1

1

1

1

1

1


Диаметр сушильного цилиндра 1500 мм, длина сушильного цилиндра 2400 мм.

На каждой сушильной группе (верх, низ) установлены сеткоправки, управление которыми может осуществляться как в ручном, так и в автоматическом режиме. Всего 6 сеткоправок. Количество сетковедущих валиков (с учетом сеткоправок, сетконатяжек) 67 шт. Диаметр сетковедущих валиков 167 мм, длина 2720 (2500) мм. Сушильные цилиндры 16 шт. - Ижтяжбуммаш, 8 шт. - Завод им. Артема. Сушка проводится контактным методом. Бумажное полотно при прохождении по бумагосушильным цилиндрам плотно прижимается к ним сушильными сетками, в процессе чего улучшаются такие свойства как механическая прочность, гладкость, объемный вес, впитывающая способность, влагопрочность, степень проклейки.

Натяжка сушильных сеток осуществляется в ручном режиме.

Сушильные сетки изготавливаются с использованием 100 % гидролизостойких полиэфирных мононитей.

Основные требования, предъявляемые к сеткам: прочность, гибкость, стабильность размеров, воздухопроницаемость, пористость.

Сушильная сетка облегчает заправку и транспортировку бумаги по сушильной части, а также предотвращает коробления и образование морщин.

.4 Параметры процесса и способы их регулирования

Позиция

Контролируемый параметр

Средство (метод) и частота контроля

1

Давление пара перед регулирующими клапанами (поз.1-2)

до (13 кгс/см2) 1,3 МРа

Манометр 0 - 1,6 МРа

Сушильщик 4 разряда

2

Давление пара после регулирующих клапанов

не более 5,0 кгс/см2

Регулятор давления пара поз.8. на панели оператора (рис.1)

Сушильщик 4 разряда

3

Давление пара: - сушильные цилиндры   (11-18 с.ц.)  (19 - 24 с.ц.) - во влагоотделителях ВО-1 (5-10 с.ц.) - во влагоотделителях ВО-2  (1-4 с.ц.)

 не более 5,0 кгс/см2 не более 5,0 кгс/см2   не более 4,0 кгс/см2  не более 1,5 кгс/см2

 Манометр 0 - 16 кгс/см2 Манометр 0 - 16 кгс/см2 и пульт управления (рис.1-2) Манометр 0 - 6 кгс/см2  Манометр 0 - 6 кгс/см2

Сушильщик 4 разряда

4

Температура пара, 0С:  - после регулирующего клапана

 180 - 184

На панели оператора (микровычислительное устройство МЕТРАН 334)

Сушильщик 4 разряда


 - 1 - 10 суш. цилиндры  - 11 - 18 суш. цилиндры  - 19 - 24 суш. цилиндры

130 - 145 150 - 158 150 - 158

На панели оператора (рис. 1)


5

Давление в баке сбора конденсата

не более 0,5 кгс/см2

Манометр 0 - 6 кгс/см2

Сушильщик 4 разряда

6

Уровень конденсата во ВО-1, ВО-2

до ~ 300 мм

Визуально на панели оператора (программный регулятор ВО-1, ВО-2) постоянно в течение всей смены (рис.1)

Сушильщик 4 разряда

7

Уровень в конденсатном баке

300 - 1000 мм водоизмерительного стекла

Визуально Через каждые 30 минут в течение всей смены

Сушильщик 4 разряда

8

Работа насосов конденсата

(поз.22, поз.26)

Визуально Через каждый час в течение всей смены

Сушильщик 4 разряда

9

Температурный график сушильных цилиндров.

Приложение 2 и таблицы 6-9

По данным лаборатории (ОТК) и самостоятельно контактным термометром цифровым ТК-5-01-20-+200 Ос

Сушильщик 4 разряда




1 раз в смену и по необходимости Пирометром оптическим цифровым С-7-10-+200А

Контролер ЦБП 3 разр.

10

Влажность бумаги (картона)

6,0 - 9,0 %

Постоянно в течение всей смены Монитор ТFT 19 автоматизир. системы контроля качества «АКВАР-СИСТЕМ»

Сушильщик 4 разряда

11

Состояние трубопроводов, коллекторов, сушильных цилиндров, паровпускных головок,

Визуально постоянно в течение всей смены

3-4 раза в смену и согласно техкарте 5Б Сушильный шкаф СНОЛ 3,5.3,5.3,5/3,5И1. Эксикатор - ГОСТ 25366

Контролер ЦБП 3 разряда


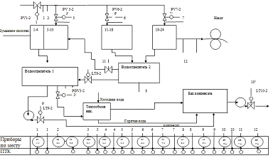
Рисунок 2. Схема управления приборам.

На рисунке 2 изображена схема управления регулятором давления. Регулятор давления пара показывает три параметра:

·   Заданное давление W;

·   Величина открытия клапана Y;

·   Ошибка регуляции, разница между значениями заданной и текущей концентрацией.

Просмотр данных производится нажатием кнопки:

Кнопка  используется для изменения режима работы регулятора - О автоматическое и  - ручное.

Изменение параметров давления пара производится кнопками  и .

Кнопки и применяются для программирования параметров регулятора и во время эксплуатации запрещается их использовать.

В таблице 7 представлены температурные режимы сушки бумажного полотна разного грамможа.

Таблица 7 Зависимость температуры цилиндров от граммажа бумажного полотна.

Продукция

Масса 1 м2, г/м2

Порядковый номер сушильного цилиндра

Температура поверхности суш. цил., 0С

Давление пара в сушильных цилиндрах, кгс/см2

Бумага и картон

80 - 100

1

80 - 100

 3,0 - 4,0



2

90 - 110




3

100 - 120




4

110 - 130




5

105 - 115




6

115 - 143




7

115 - 143




8

115 - 143




9

115 - 143




10

115 - 143




11

125 - 153

 4,0 - 5,0



12

125 - 153




13

125 - 153




14

125 - 153




15

125 - 153




16

125 - 153




17

125 - 153




18

125 - 153




19

123 - 151

  4,0 - 5,0



20

123 - 151




21

123 - 151




22

123 - 151




23

123 - 151




24

123 - 151


Продукция

Масса 1 м2, г/м2

Порядковый номер сушильного цилиндра

Температура поверхности суш. цил., 0С

Давление пара в сушильных цилиндрах, кгс/см2

Бумага и картон

112 - 125

1

80 -100

3,0 - 4,0



2

90 - 110




3

100 - 120




4

110 - 130




5

120 - 140




6

120 - 153




7

120 - 153




8

120 - 153




9

120 - 153




10

120 - 153




11

125 - 158

 4,0 - 5,0



12

125 - 158




13

125 - 158




14

125 - 158




15

125 - 158




16

125 - 158




17

125 - 158




18

125 - 158




19

120 - 155

 4,0 - 5,0



20

120 - 155




21

120 - 155




22

120 - 155




23

120 - 155




24

120 - 155


Продукция

Масса 1 м2, г/м2

Порядковый номер сушильного цилиндра

Температура поверхности суш. цил., 0С

Давление пара в сушильных цилиндрах, кгс/см2

Бумага и картон

175-200

1

90 - 110

  3,5 - 4,5



2

100 - 120




3

110 - 130




4

120 - 140




5

120 - 153




6

120 - 153




7

120 - 153




8

120 - 153




9

120 - 153




10

120 - 153




11

125 - 158

 4,5 - 5,0



12

125 - 158




13

125 - 158




14

125 - 158




15

125 - 158




16

125 - 158




17

125 - 158




18

125 - 158




19

120 - 155

4,5 - 5,0



20

120 - 155




21

120 - 155




22

120 - 155




23

120 - 155




24

120 - 155



2.ТЕХНИКО-ЭКОНОМИЧЕСКОЕ ОБОСНОВАНИЕ АВТОМАТИЗАЦИИ

.1 Описание и анализ существующей системы автоматизации

На предприятии пока нет централизованной системы управления автоматизации сушильной части на БДМ. Оно носит пока локальный характер.

Существующая система автоматизации включает следующие системы автоматики;

-САУ управления подачи пара на сушильную часть

САУ управления уровнем во влагоотделителях.

САУ сбора и откачки конденсата в деаэратор.

Процесс управления сушкой осуществляется сушильщиком в полуручном режиме, с помощью простых регуляторов ТРМ210 .Система автоматизации имеет очень низкое быстродействие, не обеспечивающая хороший динамический процесс. Данная система не дает ни малейшего представления о характеристики изменения динамического процесса сушки. Требуется постоянный контроль работы регуляторов обслуживающим персоналом. Система не имеет возможности информировать оператора о состоянии работы исполнительных механизмов. Не имеется возможности оператору оперативно влиять на процессы сушки при переходе на различные виды продукции.

.2 Выбор и обоснование предлагаемой системы автоматизации

Производство бумаги на бумагоделательной машине (БДМ) состоит из нескольких технологических стадий, наиболее важным из которых является процесс сушки полотна. Режим сушки бумажного полотна определяет один из основных параметров качества готовой продукции - влажность бумаги, и, кроме того, процесс сушки является наиболее энергоемкой стадией производства бумаги. Производство бумаги характеризуется высоким уровнем автоматизации. Регулирование параметров технологического режима и качества готовой бумаги в режиме нормальной эксплуатации осуществляется автоматически, а при обрывах полотна - оперативным персоналом (сушильщиком) в режиме ручного управления процессом сушки.   Требования к эффективности работы БДМ, а также к качеству продукции непрерывно возрастают. Наиболее эффективными в настоящее время оказались решения по автоматическому управлению качеством готовой бумаги в режиме нормальной эксплуатации. Значительно меньший прогресс достигнут в создании систем автоматического управления качеством в переходных режимах: при смене производительности, вида продукции, обрывах бумажного полотна.

При выборе комплекса технических средств учитываются следующие факторы:

·    Технические характеристики

·        Надежность

·        Экологические показатели при использовании

·        Цена

Перед автоматизированной системой управления ставятся следующие задачи:

¾  Автоматическое поддержание заданных параметров (давление, температура)

¾      Измерение контроль и регистрация параметров.

¾      Диагностика системы управления.

¾      Архивирование и просмотр архивных данных за указанный промежуток времени.

¾      Печать рапортов и отсчетов.

Это объясняет необходимость и эффективность применения средств информационной измерительной техники. Система автоматического управления принципиально может быть реализована на базе КТС различных фирм. Таких как системы автоматики фирмы MITSUBISHI, контроллеров фирмы SIEMENS, системы управления фирмы YOKAGAWA.

Система управления фирмы YOKAGAWA.

Фирма YOKAGAWA разработала систему управления на базе программируемых контроллеров CENTUM CS 3000. Эта система является интегрированной системой управления, осуществляющей комплексное управление технологическим процессом.

Система управления CENTUM CS 3000 решает следующие основные задачи.

•    Повышение надежности и безопасности оборудования

•        Автоматический пуск и останов оборудования

•        Защиты и блокировки

•        Комплексная диагностика технологического оборудования и системы управления.

•        Оперативный контроль и отображение технологического процесса

•        Отображение и распечатка текущих и аварийных трендов

Система управления фирмы SIEMENS

ПЛК фирмы SIEMENS модели Simatic S7-200 построены по принципу распределенной иерархической системы, в составе которой выделяются:

•    Нижний (технологический) уровень

•        Верхний (операторский) уровень

Модульное построение АСУ позволяет наращивать количество локальных комплексов управления технологического уровня при реконструкции существующей автоматики.

Данная система реализует следующие функции:

•        Собирает и обрабатывает измерительную информацию, получаемую от контролируемого процесса.

•        Собирает и обрабатывает данные о состоянии исполнительных механизмов.

•        Выполняет логические операции

•        Аварийная обработка данных

•        Накапливает статические данные и представляет их как в электронном виде, так и в виде отсчетов на бумаге.

Системы автоматики фирмы MITSUBISHI

ПЛК семейства FX -это программируемые контроллеры универсального назначения. Компактные контроллеры объединяют в одном корпусе дискретный ввод/вывод, центральный процессор, память и электропитание. Возможности их применения можно расширить, благодаря различным опциям, например дополнительным входам и выходам, аналоговому вводу/выводу. Контроллеры семейства FX можно подключить ко всем наиболее распространенным сетям, например, Ethernet, CC-Link, Profibus и т.д. Основные функции и решаемые задачи ПТК на базе контроллера серии  FX3U.

.Реализация всех систем автоматического контроля и управления, указанных в схеме автоматизации.

.Адаптивная настройка САУ без вмешательства оператора.

.Управление с пульта исполнительными механизмами.

. Плавный переход системы из автоматического режима в ручной.

.Програмирование и отладка программного обеспечения с помощью инструментов программирования (например, GX Developer).

Все вышеперечисленные системы имеют ряд равноценных преимуществ.

Недостатками внедрения импортной техники является ее относительная дороговизна по сравнению с отечественной, ограничение по электромагнитным помехам (эфирные помехи, помехи в питании, напряжении) квалификация обслуживающего персонала.

В данном случае предпочтительным является использование техники фирмы MITSUBISHI. Во-первых, продукция этой компании не уступает по своим техническим показателям аналогам других фирм.

Второй причиной является то, что КТС этой фирмы имеет меньшую стоимость, чем КТС других фирм.

Также немаловажной причиной является то, что работа КТС возможна и в тяжелых условиях.

Из всех вышеперечисленных фирм мы выбираем КТС фирмы MITSUBISHI. Предлагаемый контроллер выполняет все функции релейной автоматики, позволяет принимать унифицированные сигналы, сигналы с термопар и термосопротивлений, осуществлять ручное управление технологическим процессом, отказаться от большого количества сигнальных ламп и кнопок управления, так как весь технологический процесс отображается на панели управления.

3.РАЗРАБОТКА И ОПИСАНИЕ ПРЕДЛАГАЕМОЙ СИСТЕМЫ АВТОМАТИЗАЦИИ

.1 Разработка предлагаемой функциональной схемы автоматизации

Рисунок 3

.2 Описание предлагаемой схемы автоматизации

Функциональная схема автоматизации объекта на базе программно-технического комплекса ПТК ( рисунок 3).

Давление пара в коллекторе каждой сушильной группы и в главном коллекторе управляется с помощью САУ (1, 5, 6, 7). Перепад давления между паровым коллектором и коллектором конденсата сушильной группы управляется изменением расхода вторичного пара, перепускаемого из водоотделителей (САУ3,4). В водоотделителях уровень управляется выходом конденсата (САУ8,9).

Системы автоматического управления давлением пара в каждой сушильной

группе обеспечивают температурный график сушки. В случае трех сушильных групп температурный график должен быть следующим:

группа - подъем температуры с 60-65 °C до 110 °С;

группа - температура 110-120 °С;

группа - снижение температуры до 90-95 °С.

Следовательно, давление пара снижается от первой к последующим группам, например, от 300 кПа до 70 кПа.

Соблюдение таких перепадов давления необходимо для более полного использования тепла греющего пара и для удаления воздуха из сушильных цилиндров, что в свою очередь повышает коэффициент теплопередачи от пара к бумажному или картонному полотну.

Управление влажностью бумажного полотна реализуется по каскадной схеме: выходной сигнал САУ влажностью (11) является заданием САУ(7) давлением пара в досушивающей группе. Поверхностная плотность бумажного полотна (12) управляется изменением расхода бумажной массы, поступающей в напускное устройство БДМ. (2) - АСК расхода пара на сушильную часть БДМ.

Функциональная схема системы автоматизации приведена на рис 3.

В дополнение к существующим подсистемам включены следующие:

- САУ давления пара в группах.

САУ поддержания уровня бака конденсата.

4. ВЫБОР И ОБОСНОВАНИЕ КОМПЛЕКСА ТЕХНИЧЕСКИХ СРЕДСТВ

автоматизация программный прибор

4.1 Выбор локальных приборов и средств автоматизации, составление заказной спецификации

При выборе средств автоматизации необходимо учитывать такие факторы как вид используемой энергии наличие унифицированных сигналов, область применения, климатическое исполнение, доступность, цена и др.

При автоматизации тепловых процессов, таких как процесс сушки бумажного полотна необходимо использовать приборы, имеющие стандартные унифицированные сигналы. Система автоматизации должна строиться на однотипных приборах одной серии или фирмы.

Заказная спецификация представлена в таблице 8.

Таблица 8


.2 Выбор и описание устройств управления

Автоматизированная система управления сушильной частью БДМ №1 строится на контроллерах фирмы MITSUBISHI серии FX которые выполняют следующие функции.

•        Собирает и обрабатывает измерительную информацию, получаемую от контролируемого процесса.

•        Собирает и обрабатывает данные о состоянии исполнительных механизмов.

•        Выполняет логические операции

•    Аварийная обработка данных

•        Отображение и распечатка текущих и аварийных трендов

•        Повышение надежности и безопасности оборудования

•        Автоматический пуск и останов оборудования

•        Защиты и блокировки.

•        Комплексная диагностика технологического оборудования и системы управления.

•        Оперативный контроль и отображение технологического процесса.

ПЛК семейства FX -это программируемые контроллеры универсального назначения. Компактные контроллеры объединяют в одном корпусе дискретный ввод/вывод, центральный процессор, память и электропитание. Возможности их применения можно расширить, благодаря различным опциям, например дополнительным входам и выходам, аналоговому вводу/выводу. Контроллеры семейства FX можно подключить ко всем наиболее распространенным сетям, например, Ethernet.CC-Link, Profibus и т.д.

Модуль центрального процессора (CPU): для решения задач различного уровня сложности может использоваться разных типов производительности.

Используя дополнительные опции аналоговых или дискретных входов /выходов, модули позиционирования, модули интерфейсов можно создать

гибкую систему управления для любой задачи автоматизации.

Центральный процессор CPU FX3U предназначен для построения относительно простых систем так и сложных процессов с высоким требованием к скорости обработки информации и малым временем реакции.

Вход дискретных сигналов встроенный в модуле предназначен для преобразования входных дискретных сигналов в его внутренние логические сигналы, а выходные дискретные сигналы это преобразованные внутренние логические сигналы контроллера. Дискретные входа могут работать с контактными датчиками, кнопками, а выхода способны управлять релейной схемой, магнитными пускателями, сигнальными лампами.

Модуль ввода аналоговых сигналов FX2N-8AD выполняет аналого-цифровое преобразование входного аналогового сигнала и формирует цифровые значения мгновенных значения аналоговых величин. Эти значения используются центральным процессором в ходе выполнения программы.

Модуль вывода аналогового сигналаFX2N4DA предназначен для цифро-аналогового преобразования внутренних цифровых величин контроллера в выходные аналоговые сигналы.

Аналоговый модульFX2N-8AD c 8 каналами способны определять напряжение, токи, температуру (в том числе одновременно). Разрешающая способность аналогового модуля семейства FX составляет от 8до 16 бит.

Имея встроенный интерфейс для программирования и связи между контроллером и панелью оператора, дает возможность создать небольшую автоматизированную систему, а встроив дополнительный интерфейсный адаптер можно использовать его в качестве второго коммуникационного интерфейса RS485/RS422/RS232/USB для программирования или для построения коммуникационной сети.

Применение модуля интерфейса FX3U-ENET позволяет расширить функции связи ПЛК с другими ПЛК и построить систему АСУТП верхнего уровня для решения более глобальных задач автоматизации производства.

Панель оператора, обеспечивающая человеко-машинный интерфейс, облегчает диалог между оператором и машиной. Панель серии G1000 -это сенсорный экран, с высоким разрешением от256 до 65536 цветов с возможностью отображать сложные графические элементы. Мультимедийные возможности позволяют использовать видеоролики в качестве подсказок для оператора (например, при неполадках). Быстрый USB-порт с прозрачным режимом передачи данных в контроллер. Кодировка Unicjdt позволяет отображать информацию на большинстве языках.

Дополнительные интерфейсы для Ethernet. Melsecnet/10/H, CC-LinkIE, а также дополнительный портRS232,RS422.Для программирования семейства GOT имеется среда программирования GT Designer2., которую можно установить на любом компьютере с операционной системой Windows.

Основные функции и решаемые задачи ПТК на базе контроллера серии  FX3U.

.Реализация всех систем автоматического контроля и управления, указанных в схеме автоматизации.

.Адаптивная настройка САУ без вмешательства оператора.

.Управление с пульта исполнительными механизмами.

. Плавный переход системы из автоматического режима в ручной.

.Програмирование и отладка программного обеспечения с помощью инструментов программирования (например, GX Developer).

Рис. 4 Блок- схема связи ПТК на базе контроллера серии FX Mitsubishi Electric .

5. ЭФФЕКТИВНОСТЬ СИСТЕМЫ АВТОМАТИЗАЦИИ

.1 Экономическая, экологическая и социальная эффективность автоматизации

Экономическая эффективность автоматизации заключается в уменьшении потребления пара и его потери при транспортировке за счет плавности протекания процесса:

·        нагрева сушильных цилиндров.

·        Сбор и удаление конденсата для вторичного использования.

К социальной эффективности можно отнести облегчение и улучшение условий труда. Облегчение труда рабочих в автоматизированном производстве обеспечивается освобождением их от непосредственного участия в производстве.

Так же можно отнести снижение травматизма на рабочем месте - работник, который наблюдает за технологическим процессом находиться на удаленном расстоянии от рабочих частей машины.

ЗАКЛЮЧЕНИЕ

В данной работе представлен проект автоматизации сушильной части БДМ, как объект автоматизации. Обоснована необходимость модернизации существующей системы автоматизации. Разработана новая система автоматизации сушки на базе контроллера FX 3U.

СПИСОК ИСПОЛЬЗОВАННЫХ ИСТОЧНИКОВ

1. Серебряков Н.П., Буйлов Г.П. Основы автоматизированного проектирования систем автоматизации в ЦБП/ ЛТИЦБП.- Л., 1990.- 35 с.

. Буйлов Т.П., Доронин В.А., Серебряков Н.П. Автоматика и автоматизация производственных процессов ЦБП: учебное пособие. - М.: Экология, 1995.- 320 с.

. Суриков В.Н., Малютин И.Б., Серебряков Н.П. Автоматизация технологических процессов и производств: учебно-методическое пособие/ СПбГТУРП.- СПб., 2011.- 62 с.

.Буйлов Г.П. Автоматизация оборудования ЦБП: учебное пособие/ СПбГТУРП.- СПб., 2009.- 167 с.

.Плетнёв Г.П. Автоматизация технологических процессов и производств в теплоэнергетике: учебник для студентов вузов.- М.: МЭИ.- 2007.- 352 с.

6.Кугушев И.Д. Терентьев О.А. Бумагоделательные и картоноделательные машины / СПб. 2008.

7. Иванов С.Н. Технология бумаги. 2-е изд. перераб. - М.: Лесная промышленность,2007.-696с.   8. Технологический регламент ОАО «ПЗБФ» 2013год.

. Проспект фирмы  Mitsubishi Electric. М 2009.

10. www.mitsubishi-automation.ru.

Похожие работы на - Проектирование подсистемы АСУ сушильной частью БДМ №1 ОАО 'ПЗБФ'

 

Не нашли материал для своей работы?
Поможем написать уникальную работу
Без плагиата!
Без нейросетей!