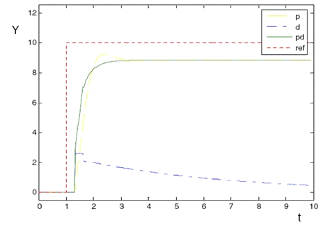
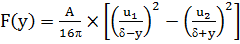
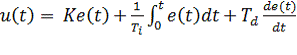
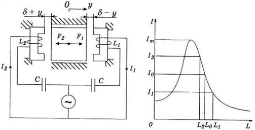
|
14 (6 из которых могут
использоваться как выходы ШИМ <#"803510.files/image093.gif">
Рисунок 4.2.1‒ микроконтроллер ATmega 328
Характеристики микроконтроллера:
Тактовая частота 0-20 МГц
Объем Flash-памяти 32кб
Объем SRAM-памяти 2кб
Объем EEPROM-памяти 1кб
Напряжение питания 1.8 - 5.5 В
Потребляемый ток в режиме
работы 0.2 мА (1 МГц, 1.8 В)
Потребляемый ток в режиме сна 0.75 мкА (1 МГц, 1.8 В)
Количество таймеров /
счетчиков 2 восьмибитных, 1шестнадцатибитный
Общее количество портов 23
Количество ШИМ(PWM)
выходов 6
Количество каналов АЦП
(аналоговые входы) 6
Количество аппаратных USART
(Serial) 1
Количество аппаратных SPI 1Master/Slave
Количество
аппаратных  C/SPI 1
Разрешение
АЦП 10 бит
4.3 Стабилизатор напряжения
Стабилизаторы
напряжения ‒ преобразователь электрической энергии
<#"803510.files/image095.gif">
Рисунок
4.3.1 ‒Назначение контактов и простая схема
В
электронной схеме лабораторного стенда будет использоваться стабилизаторы
напряжения 7805.
Таблица
4.3.1 ‒ Техническая характеристика7805
|
Наименование
|
Единицы измерения
|
Параметры
|
|
Lead Free Status
/ RoHS Status
|
|
Leadfree / RoHSCompliant
|
|
Тип регулятора
|
|
PositiveFixed
|
|
Корпус
|
|
TO‒220AB
|
|
Корпус (размер)
|
|
TO ‒220 ‒ 3
|
|
Тип монтажа
|
|
Выводной
|
|
Рабочая температура
|
°C
|
0‒ 125
|
|
Ток выходной
|
A
|
1,5
|
|
Напряжение ‒ падение
(Typ.)
|
В
|
2
|
|
Напряжение входное
|
В
|
35
|
В
|
5
|
|
Рабочая температура
|
°C
|
0 ‒ 70
|
7805 ‒ стабилизатор, выполненный в корпусе, похожем на транзистор и
имеет три вывода (плюс 5В стабилизированного напряжения и ток 1 А). Так же в
корпусе имеется отверстие для крепления стабилизатора к радиатору охлаждения.
Стабилизатор напряжения 7805, является стабилизатором положительного
напряжения.
Для нормальной работы стабилизатору необходимо подавать напряжение около 10В.
Стабилизатор напряжения необходим для регулирования большого входного
напряжения в сторону уменьшения, то есть на выходе создается более низкое
напряжение.
На рисунке также показана упрощенная схема. Стабилизатор напряжения
имеет: вход, земля, выход. Для безопасной эксплуатации регулятора напряжения
дополнительно ставятся конденсаторы на входе и выходе (рисунок 4.3.1),
необходимые для предотвращения колебаний в схеме.
.4 Силовой транзистор
В качестве силового транзистора используется IRFZ48N
показанный на рисунке 4.4.1. Это N - канальный МОП - транзистор (MOSFET) с
обратным диодом.
Рисунок 4.4.1‒ Силовой транзистор IRFZ48N с
внутренней схемой
В силовом транзисторе IRFZ48N есть полупроводниковый канал который
служит первой обкладкой конденсатора а второй обкладкой - металлический
электрод, расположенный через тонкий слой оксида кремния, который является
диэлектриком. Когда на затвор подают напряжение, то конденсатор заряжается, а
электрическое поле затвора подтягивает к каналу заряды, в результате чего в
канале возникают подвижные заряды, способные образовать электрический ток и
сопротивление сток - исток резко падает. Чем выше напряжение, тем больше
зарядов и ниже сопротивление, в итоге, сопротивление может снизиться до очень
малых значений - сотые доли Ома, а если поднимать напряжение дальше, то
произойдет пробой слоя оксида и транзистор выйдет из строя.
Достоинство такого транзистора, по сравнению с биполярным очевидно - на
затвор надо подавать напряжение, но так как там диэлектрик, то ток будет
нулевым, а значит, требуемая мощность на управление этим транзистором будет
очень мала, по факту он потребляет только в момент переключения, когда идет
заряд и разряд конденсатора.
Недостаток же вытекает из его емкостного свойства - наличие емкости на
затворе требует большого зарядного тока при открытии. В теории, равного
бесконечности на бесконечно малом промежутки времени. А если ток ограничить
резистором, то конденсатор будет заряжаться медленно.
.4 Диоды
Диод
‒ электронный
<#"803510.files/image097.gif">
Рисунок
4.4.1‒ Диод 1N4007
Характеристики
1N4007:
Обратное напряжение постоянное (Uобр.max.) 1000В
Обратное напряжение импульсное (Uобр.имп.max.) 1000В
Прямой ток постоянный (Imax.) 1000mA
Прямой ток импульсный (Iимп.max.) 30A
Напряжение прямое (Uпрям.max.) 1.1В
Обратный ток (Iобр.max.) 5mA
Емкость перехода (С) 15pF
Вес 0.4g
Диапазон температур -55 .. +150C
.5 Другие компоненты
На большинстве устройств, их характеристики обозначены на корпусе. Это -
в частности, большие конструктивные элементы (электролитические конденсаторы,
большие биполярные конденсаторы).
У небольших компонентов, значения будут зашифрованные:
на сопротивления нанесен цветной код в соответствии с ГОСТ 28883-90 (DIN
IEC 62). В данной работе используются сопротивления с четырьмя и с пятью
цветными кольцами;
‒ маленькие конденсаторы обычно носят трехзначный номер. В условном
обозначении номинальная емкость может указываться в виде конкретного цифрового
значения номинала, выраженного в пФ, нФ, мкФ. Номинальная емкость до 999 пФ‒
кодируется буквой "р", до 999 нФ‒ кодируется буквой
"n", до 999 мкФ ‒ кодируется буквой "m(u)". Буква
ставится вместо десятичной запятой. Однако номинальная емкость конденсатора
менее 10 пФ кодируется двумя цифрами и буквой "R".
Таблица 4.5.1 ‒ Номинальная емкость конденсатора
|
Емкость
|
Код
|
Емкость
|
Код
|
Емкость
|
Код
|
Емкость
|
Код
|
|
0,1 пФ
|
р10
|
33,2 пФ
|
33р2
|
10 нФ
|
10п
|
3,32 мкФ
|
3μ32
|
|
0,15 пФ
|
р15
|
59 пФ
|
59р
|
15 нФ
|
15п
|
5,9 мкФ
|
5μ9
|
|
0,332 пФ
|
р332
|
100 пФ
|
100р
|
33,2 нФ
|
33п2
|
10 мкФ
|
10μ
|
|
0,59 пФ
|
р59
|
150 пФ
|
150р
|
59 нФ
|
59п
|
15 мкФ
|
15μ
|
|
1 пФ
|
1р0
|
332 пФ
|
332р
|
100 нФ
|
100п
|
33,2 мкФ
|
33μ2
|
|
1,5 пФ
|
1р5
|
590 пФ
|
590р
|
150 нФ
|
150п
|
59 мкФ
|
59μ
|
|
3,32 пФ
|
Зр32
|
1 нФ
|
1п0
|
332 нФ
|
332п
|
100 мкФ
|
100μ
|
|
5,9 пФ
|
5р9
|
1,5 нФ
|
1п5
|
590 нФ
|
590п
|
150 мкФ
|
150μ
|
|
10 пФ
|
10р
|
3,32 нФ
|
3п32
|
1 мкФ
|
1m0
|
332 мкФ
|
332μ
|
|
15 пФ
|
15р
|
5,9 нФ
|
5п9
|
1,5 мкФ
|
1μ5
|
590 мкФ
|
590μ
|
По стандарту MIL‒ C‒ 39008 номинальная емкость указывается в
виде конкретного значения, выраженного в пикофарадах в виде кода из трех
(четырех) цифр. В трехзначном коде ‒ первые две цифры значащие, третья
цифра обозначает число последующих нулей: 102 = 1 000 пФ, 150 = 15 пФ. В
четырехзначном коде ‒ первые три цифры значащие, четвертая цифра
обозначает число последующих нулей [18]:
= 33 200 пФ =33,2 нФ.
5 Аппаратная схема
.1 Источник питания
Источником напряжения «Многоосевого магнитного подвеса» являются два 12В
аккумулятора, постоянное напряжение которых подводятся к печатной плате.
Диод D1 предотвращает повреждение схемы при неправильной полярности
напряжения питания.
Конденсаторы C1 сглаживает напряжение, при колебаниях нагрузки.
Собственно, операционные усилители нуждаются в положительном и в отрицательном
рабочем напряжении. По этой причине отрицательное рабочее напряжение создается
стабилизатором напряжения 7805, которое независимо от входного напряжения
сохраняет свое выходное напряжение 5 В.
Ик - диод питается напряжением, причем добавочное сопротивление R3
приспосабливает (регулирует) 5 В на напряжение.
В качестве потенциала «земли» (т. е. опорный потенциал) используется
выход стабилизатора напряжения. Таким образом, мы располагаем напряжением 0В,
минус 5В и плюс 7В.
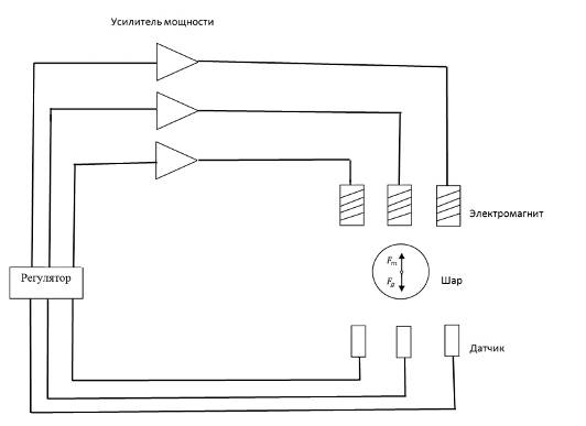
.2 Сенсор
Сенсор, который измеряет расстояние между шаром и электромагнитом,
состоит из ИК - светодиода и ИК - фотоприемника. Принцип измерения этого
сенсора основан на отражении от шара ИК - излучения. С уменьшением зазора между
шаром и магнитом, увеличивается количество отражаемого от шара света.
На рисунке 6.2.1 показана схема подключение датчиков.
Рисунок 5.2.1 Подключение ИК - светодиода и ИК - фоторанзистора к плате Arduino
На рисунке обозначены: LED 1
- ИК - светодиод (L-53F3C), Q 1 -
транзистор, Q 2 - ИК - фототранзистор (L-32P3C), R1,R2,R3,R4,R5 - резисторы .
.3 Установка заданного значения
Заданное значение, которое определяет величину воздушного зазора между
шаром и электромагнитом, устанавливается потенциометром RP.
Потенциометр
- регулируемый делитель электрического напряжения
<#"803510.files/image099.gif">
Рисунок 5.3.1‒ Потенциометр
6 Сборка и ввод в эксплуатацию
.1 Объект управления
.1.1 Проектирование катушки
При выборе электромагнитной катушки необходимо учитывать следующее:
‒ короткие и тонкие катушки лучше, чем длинные и тонкие. Они
уменьшают потери;
‒ шайбы, расположенные по краям катушки помогают удерживать
обмотку, должны быть выполнены из диэлектрического материала;
‒ ферромагнитный сердечник катушки увеличивает силу катушки;
‒ необходимо сделать так, чтобы можно было регулировать положение
катушки (или сенсора);
‒ сопротивление катушки должно находиться в диапазоне от 5 до50 Ом
с током до 2 А, данные катушки хорошо себя зарекомендовали в других опытах;
‒ вокруг сердечника перед намоткой провода необходимо сделать
изоляцию.
Катушку можно получить путем намотки провода на болт. В качестве
сердечника катушки выступает болт. Размер болта не является критическим, для
катушки лабораторного стенда выбирается болт величиной M8 х 80 с двумя шайбами
и гайкой.
На рисунке 6.1.1 показана часть катушки, она прикручивается к деревянной
раме. Можно вирировать положение катушки опуская выше или ниже.
Рисунок 6.1.1 ‒ Сердечник катушки
Для катушки использовался обмоточный провод ПЭТВ ‒ 2, 900 витков,
который наматывался на болт.
Параметры катушки:
‒ 8 мм ‒ внутренний диаметр катушки (диаметр сердечника);
‒ 20 мм ‒ наружный диаметр катушки;
‒ 50 мм ‒ длина намотки вдоль болта;
‒ 0,45 мм ‒ диаметр провода.
Необходимо использовать мультиметр, чтобы проверить сопротивление
подъемной катушки.
‒ если сопротивление очень большое (порядка 20 кОм), то вероятен
обрыв провода, следует немедленно устранить неполадку;
‒ если сопротивление более 100 Ом, то оно слишком большое и не
сможет обеспечить необходимое значение тока;
‒ если сопротивление находится в диапазоне от 5 до 10 Ом, которые
проводят ток 1 - 2 А ,то в данном эксперименте они будут работать оптимально.
Сопротивление катушка 5 Ом. Источник питания 24 В, 1,5 А.
Проверка работы катушки:
‒ подайте напряжение на катушку. Катушка должна твердо держать
железные предметы, которые к ней поднесли. Это может быть отвертка, болт и.т.д;
‒ если этого не происходит, замерьте напряжение;
‒ если напряжение больше 1В и меньше 0,65 В, то это ошибка и она
должна быть исправлена;
‒ необходимо обратить внимание как быстро нагревается катушка, это
необходимо для того, чтобы знать, сколько времени можно работать на
лабораторном стенде, прежде чем его выключить и дать катушке остыть;
‒ если все выше перечисленные условия выполнены, то ваша катушка
работает хорошо.
К сожалению, при непрерывном использовании в течении 10 ‒ 15минут
катушка нагревается. Тем не менее, эксперименты показали, что катушка способна
удерживать маленький болт в течении длительного времени.
Катушка подключена к транзистору, транзистор должен быть закреплен на
радиаторе, т.к. происходит его нагрев.
Деревянная рама для «Многоосевого магнитного подвеса» включает в себя
основание, две боковые и поперечную балки, на которой укрепляется
электромагнит. Сенсор закреплен с левой стороны 1 см ниже магнита.
Электромагнит, ИК - светодиод и ИК - фоторезистор подключены к плате.
Полярности магнита; при установке датчика и приемника нужно обращать внимание
на правильную полярность, так как при неправильной полярности контур
регулирования нестабилен. Полярность, поэтому проверяется во время ввода в
эксплуатацию сенсора.
.2 Оснащение платы
При соборе платы, нужно разместить компоненты на верхней стороне, будет
лучше начать с небольших компонентов (резисторов).
При установлении электрических конденсатора C1, а также диода D1 нужно
обращать внимание на правильную полярность. Контактная площадка обозначает
положительный полюс (C1), или отмеченный чертой катод (D1). Потенциометр RP расположен на отдельной макетной
плате.
7 Экономическая часть
.1 Расчет себестоимости производства лабораторного стенда «Многоосевой
магнитный подвес»
Изготовление проектируемого лабораторного стенда планируется произвести в
специализированных лабораториях Иркутского государственного университета путей
сообщения, в которых имеется все необходимое оборудование для изготовления
проектируемого стенда, а так же высококвалифицированные кадры, которые способны
выполнить работу по изготовлению и сборки стенда.
Выражение
для расчета затрат на изготовление ( )
 . (7.1.1)
Расчет
затрат на изготовление ( )
производится на основании плановой калькуляции и включает следующие элементы:
а)
основные материалы (М), необходимые для производства стенда (по фактическим
ценам);
б)
основная зарплата производственных рабочих (ЗП);
в)
социальные отчисления (30% от фонда заработной платы) (СО);
г)
непредвиденные расходы (30% от всего вышеперечисленного) (НР).
Расходы
на транспортировку принимаются в размере 1% от стоимости материалов.
В
таблице 7.1.1 представлена смета стоимость всех комплектующих и расходным
материалов, использованных при производстве лабораторного стенда.
Таблица
7.1.1 ‒ Сметная ведомость расхода материалов и комплектующих
лабораторного стенда
|
Обозначение на плате
|
Наименование / параметр
|
Единицы измерения
|
Количество
|
Цена за 1шт, руб.
|
Затраты, руб.
|
|
C1
|
Электролитический
конденсатор 1000μF/16V
|
шт
|
1
|
5,5
|
5,5
|
|
D1
|
Универсальный диод 1N4007
|
шт
|
3
|
1
|
3
|
|
Q2
|
Транзистор IRFZ48N
|
шт
|
3
|
40
|
120
|
|
LED 1
|
ИК - светодиод L-53F3C
|
шт
|
1
|
15
|
15
|
|
R1
|
Сопротивление 1kΩ
|
шт
|
1
|
1
|
1
|
|
R2
|
Сопротивление 100kΩ
|
шт
|
1
|
1,5
|
1,5
|
|
R3
|
Сопротивление 470kΩ
|
шт
|
1
|
1
|
1
|
|
R4
|
Сопротивление 1kΩ
|
шт
|
1
|
1
|
1
|
|
R5
|
Сопротивление 1kΩ
|
шт
|
1
|
1
|
1
|
|
RP
|
Регулируемый резистор 500kΩ
|
шт
|
1
|
15
|
15
|
|
Q2
|
ИК - фототранзистор L-53P3C
|
шт
|
1
|
15
|
15
|
|
SW1
|
Кнопка
|
шт
|
2
|
12
|
24
|
|
Макетная Плата
|
шт
|
1
|
100
|
100
|
|
Болт M8x80
|
шт
|
3
|
7,5
|
22,5
|
|
Гайка M8
|
шт
|
6
|
0,5
|
3
|
|
Шайба M8
|
шт
|
6
|
0,5
|
3
|
|
Болт M3x10
|
шт
|
2
|
0,5
|
1
|
|
Гайка M3
|
шт
|
2
|
0,5
|
1
|
|
Медная проволока 0,45mm
|
шт
|
3
|
400
|
1200
|
|
Источник питания
аккумулятор 12В
|
шт
|
2
|
1500
|
3000
|
|
Алюминиевый лист
100mmx70mm
|
шт
|
1
|
100
|
100
|
|
Изоляционная втулка
|
шт
|
4
|
10
|
40
|
|
Деревянный каркас
|
шт
|
1
|
100
|
100
|
|
Флюс паяльный
|
шт
|
1
|
30
|
30
|
|
Припой
|
шт
|
1
|
10
|
10
|
|
Плата Arduino
|
шт
|
1
|
790
|
790
|
|
Шар из ферромагнитного
материала
|
шт
|
1
|
200
|
200
|
|
Деревянный каркас
|
шт
|
1
|
100
|
|
Итого
|
|
5881
|
|
|
|
|
|
|
|
Процессом изготовления лабораторного стенда руководит инженер ‒
электронщик, осуществляющий сбор и отладку устройства.
Заработная плата рассчитывается для инженера ‒ электронщика по
стоимости человек ‒ час в таблице 7.1.2.
Заработная плата (3П) рассчитывается по выражению (7.1.2)
 , (7.1.2)
Где
 ‒
стоимость часа работы;
 ‒
время работы;
 ‒
коэффициент, примем равным 1,5 (районный и северный).
Стоимость
часа работы определяется выражением (7.1.3)
 (8.1.3)
Стоимость
часа работа слесаря:
 15000 (8 22) 1,5 =
127,84 руб.
Таблица
7.1.2 ‒ Расчет основной заработной платы
|
Наименование работ
|
Исполнитель
|
Трудоемкость, чел.‒час
|
Заработная плата, руб.
|
|
Заготовительные работы
|
Слесарь
|
3
|
383,52
|
|
Сверлильные работы
|
Слесарь
|
1
|
127,84
|
|
Сборочные работы
|
Слесарь
|
10
|
1278,4
|
|
Итого
|
|
|
1789,76
|
Социальные отчисления составляют 30 % от заработной платы в соответствии
с формулой (7.1.4)
 ,
(7.1.4)
 1789,76  0,3,
 536,93
руб.
Непредвиденные
расходы составляют 30%, в связи с тем, что со стендом работают студенты, и
возможен вывод из строя большого количества элементов.
 ,
(7.1.5)
 (1789,76
+ 536,93 + 5881) 0,3 =
2462,30руб.
Исходя из данных таблиц 7.1.1, 7.1.2 капитальные вложения равны согласно
формуле (7.1.1):
 ,
 1789,76
+ 536,93 + 5881 + 2462,30 = 10669,99 руб.
7.2
Расчет затрат на эксплуатацию лабораторного стенда
электромагнитный подвес
микроконтроллер стенд
Затраты на эксплуатацию состоят из проверки технического состояния, 2
раза в течении учебного года ( июль , январь) .
Выражение (7.2.1) для определения эксплуатационных затрат (ЭЗ)
 (7.2.1)
Заработная
плата на проверку технического состояния системы отражена в таблице 7.2.1
Таблица
7.2.1 - Расчет заработной платы при обслуживании
|
Наименование работ
|
Исполнитель
|
Трудоемкость, чел.‒час
|
Заработная плата, руб.
|
|
Проверка технического
состояния
|
Техник
|
1
|
130
|
|
Замена деталей
|
Техник
|
1
|
130
|
|
Итого
|
|
|
260
|
Таким образом, затраты на эксплуатацию согласно формуле (7.2.1)
 (260 +
78) 2 = 676
руб.
Большинство элементов для электронной платы приобретались в магазине
«Электроника» по адресу г.Иркутск, ул. Фурье 8, цокольный этаж. Также
приобретались элементы в магазине «ООО Элтек» г. Иркутск, ул. Байкальская 149.
Сравнивая ценовые категории в магазинах «радиоэлектроники», пришел к
выводу, что самым доступным по цене, а также обладающим большим выбором
электронных компонентов, является магазин «Электроника».
8 Безопасность и экологичность проекта
В данном
дипломном проекте осуществляется разработка учебно ‒ лабораторного стенда
«многоосевого магнитного подвеса», при помощи специального технического
оборудования.
Все требования по электромонтажным работам выполнены согласно ГОСТ
12.3.032‒84 [21].
.1 Анализ опасных и вредных производственных факторов
Работа является неотъемлемой частью нашей жизни, почти треть дня мы
проводим на рабочем месте, следовательно, нужно определить, от каких опасных и
вредных производственных факторов должен быть защищен работник при проведении
электромонтажных работ на рабочем месте.
Лабораторный стенд состоит из электромагнита, фото ‒ сенсора,
лампы, электронной платы, источник питания, соединительные провода.
При сборке лабораторного стенда необходимо изготовить электронную плату
при помощи электрических компонентов и электрооборудования.
Согласно ГОСТ 12.0.003‒74 [22] опасные и вредные производственные
факторы подразделяются по природе действия на следующие группы:
‒ физические;
‒ химические;
‒ психофизиологические.
К физическим факторам при работе и изготовлении рабочего стенда можно
отнести:
а) повышенная напряженность электрического поля;
б) повышенная напряженность магнитного поля;
в) отсутствие или недостаток естественного света;
г) недостаточная освещенность рабочей зоны;
д) повышенное значение напряжения в электрической цепи, замыкание которой
может произойти через тело человека;
е) электрический ток ‒ источником поражения могут быть незащищенные
и неизолированные электропровода, поврежденные источники питания, не
заземленное оборудование и др.
К химическим факторам относятся:
а) токсические;
б) раздражающие;
в) мутагенные;
г) влияющие на репродуктивную функцию.
Влияют на организм человека через органы дыхания, желудочно-кишечный
тракт, кожные покровы и слизистые оболочки.
Психофизиологические факторы делятся на:
а) физические перегрузки;
б) нервно-психические перегрузки (умственное перенапряжение, перенапряжение
анализаторов, монотонность труда, эмоциональные перегрузки).
Так же есть возможность возникновения аварийных ситуаций в случае пожара
(незащищенные и неизолированные электропровода).
8.2
Требования к персоналу
Персонал, проводящий электромонтажные работы, не должен выполнять работы,
относящиеся к эксплуатации электроустановок.
Лица, допускаемые к электромонтажным работам, должны проходить
предварительный и периодические медицинские осмотры в сроки, установленные
Минздравом.
Лица, допускаемые к работам на оборудовании с электроприводом, должны
иметь квалификационную группу по технике безопасности (электробезопасности) по
правилам технической эксплуатации электроустановок потребителей и правилам
техники безопасности при эксплуатации электроустановок потребителей,
утвержденным Главгосэнергонадзором.
Лица, участвующие в электромонтажных работах, должны пройти инструктаж по
безопасности труда согласно ГОСТ 12.0.004‒90 [23], при этом ‒
повторный инструктаж не реже одного раза в три месяца.
.3 Техника
безопасности. Общие требования безопасности при работе с электроустановками
Все требования по электромонтажным работам выполнены согласно ГОСТ
12.3.032‒84[21].
Настоящий стандарт распространяется на электромонтажные работы при
монтаже электроустановок.
Инструкция содержит общие указания по безопасному применению и
изготовлению электрооборудования в учреждении. Требования настоящей инструкции
являются обязательными, отступления от нее не допускаются. К самостоятельной
эксплуатации электроаппаратуры допускается только специально обученный персонал
не моложе 18 лет, пригодный по состоянию здоровья и квалификации к выполнению
указанных работ.
.3.1 Требования безопасности перед началом работы
Перед началом работы следует убедиться в исправности электропроводки,
выключателей, штепсельных розеток, при помощи которых оборудование включается в
сеть, наличии заземления у оборудования, его работоспособности.
8.3.2 Требования безопасности во время работы
Для снижения или предотвращения влияния опасных и вредных факторов необходимо
соблюдать санитарные правила и нормы (СанПиН 2.4.2.2883‒11) [26].
Во избежание повреждения изоляции проводов и возникновения коротких
замыканий не разрешается: вешать что ‒ либо на провода, выдергивать
штепсельную вилку из розетки за шнур, усилие должно быть приложено к корпусу
вилки.
Для исключения поражения электрическим током запрещается: часто включать
и выключать устройство без необходимости, работать на оборудовании с мокрыми
руками, работать с электрическими устройствами, имеющих нарушения целостности
корпуса, нарушения изоляции проводов, неисправную индикацию включения питания,
с признаками электрического напряжения на корпусе, класть электрические
устройства посторонние предметы.
Запрещается под напряжением очищать от пыли и загрязнения электрооборудование.
Запрещается проверять работоспособность электрооборудования в
неприспособленных для эксплуатации помещениях с токопроводящими полами, сырых,
не позволяющих заземлить доступные металлические части.
Недопустимо под напряжением проводить ремонт электрооборудования. Ремонт
электроаппаратуры производится только специалистами ‒ техниками с
соблюдением необходимых технических требований.
Во избежание поражения электрическим током, при пользовании
электроприборами нельзя касаться одновременно каких-либо трубопроводов, батарей
отопления, металлических конструкций, соединенных с землей.
При пользовании электроэнергией в сырых помещениях соблюдать особую
осторожность.
8.3.3 Требования безопасности в аварийных ситуациях
При обнаружении неисправности немедленно обесточить электрооборудование,
оповестить администрацию. Продолжение работы возможно только после устранения
неисправности.
При обнаружении оборвавшегося провода необходимо немедленно сообщить об
этом администрации, принять меры по исключению контакта с ним людей.
Прикосновение к проводу опасно для жизни.
Во всех случаях поражения человека электрическим током немедленно
вызывают врача. До прибытия врача нужно, не теряя времени, приступить к
оказанию первой помощи пострадавшему.
Необходимо немедленно начать производить искусственное дыхание, наиболее
эффективным из которых является метод рот в рот или рот в нос, а также наружный
массаж сердца.
Искусственное дыхание пораженному электрическим током производится вплоть
до прибытия врача.
На рабочем месте запрещается иметь огнеопасные вещества.
В помещениях запрещается:
а) зажигать огонь;
б) включать электрооборудование, если в помещении пахнет газом;
в) курить;
г) сушить что-либо на отопительных приборах;
д) закрывать вентиляционные отверстия в электроаппаратуре.
Источниками воспламенения являются:
а) искра при разряде статического электричества;
б) искры от электрооборудования;
в) искры от удара и трения;
г) открытое пламя.
При возникновении пожароопасной ситуации или пожара персонал должен
немедленно принять необходимые меры для его ликвидации, одновременно оповестить
о пожаре администрацию.
Помещения с электрооборудованием должны быть оснащены огнетушителями типа
ОУ ‒ 2 или ОУБ ‒ 3.
.3.4 Требования безопасности по окончании работы
После окончания работы необходимо обесточить все электрооборудование.
.4 Средства защиты при работе с электрооборудованием
Средства защиты, применяемые для предотвращения или уменьшения
воздействия опасных и вредных производственных факторов, возникающих при
электромонтажных работах, должны соответствовать ГОСТ 12.4.011‒89 [27] и
стандартам ССБТ на конкретные средства защиты.
Лица, занятые в электромонтажном производстве, должны быть обеспечены
средствами индивидуальной защиты в соответствии с отраслевыми нормами,
утвержденными в установленном порядке.
Согласно ГОСТ 12.4.011‒89 [27] о средствах защиты работающих в
зависимости от характера их применения подразделяют на две категории:
‒ средства коллективной защиты;
‒ средства индивидуальной защиты.
Средства коллективной защиты в зависимости от назначения подразделяют на
классы:
а) средства нормализации воздушной среды производственных помещений и
рабочих мест (поддержания нормируемой величины барометрического давления,
вентиляции и очистки воздуха, кондиционирования воздуха, локализации вредных
факторов, отопления, автоматического контроля и сигнализации, дезодорации
воздуха);
б) средства нормализации освещения производственных помещений и рабочих
мест (пониженной яркости, отсутствия или недостатка естественного света,
пониженной видимости) ‒ (источники света, осветительные приборы, световые
проемы, светозащитные устройства, светофильтры);
в) средства защиты от повышенного уровня электромагнитных излучений
(оградительные устройства, защитные покрытия, герметизирующие устройства,
устройства автоматического контроля и сигнализации, устройства дистанционного
управления);
г) средства защиты от повышенной напряженности магнитных и электрических
полей (оградительные устройства, защитные заземления, изолирующие устройства и
покрытия);
д) средства защиты от поражения электрическим током (оградительные
устройства, устройства автоматического контроля и сигнализации, изолирующие
устройства и покрытия, устройства защитного заземления и зануления, устройства
автоматического отключения, устройства выравнивания потенциалов и понижения
напряжения, устройства дистанционного управления, предохранительные устройства,
молниеотводы и разрядники).
Средства индивидуальной защиты в зависимости от назначения подразделяют
на классы:
а) средства защиты органов дыхания (противогазы, респираторы,
самоспасатели, пневмошлемы, пневмомаски, пневмокуртки);
б) одежда специальная защитная (пневмокостюмы, гидроизолирующие костюмы,
скафандры);
в) средства защиты рук (рукавицы, перчатки, полуперчатки);
г) средства защиты глаз (очки защитные);
д) средства защиты комплексные.
.5 Освещение
Главной проблемой при работе в помещениях является освещение, потому что
оно влияет на зрение, при низкой освещенности повышается утомляемость.
Следовательно, надо обратить особое внимание на правильное проектирование
освещения. При должном освещении повышается производительность труда, снижается
травматизм и повышается безопасность труда.
Недостаточность освещения приводит к напряжению зрения, ослабляет
внимание, приводит к наступлению преждевременной утомленности. Чрезмерно яркое
освещение вызывает ослепление, раздражение и резь в глазах. Все эти причины
могут привести к несчастному случаю или профзаболеваниям, поэтому столь важен
правильный расчет освещенности.
Существует три вида освещения ‒ естественное, искусственное и
совмещенное (естественное и искусственное вместе).
Естественное освещение ‒ освещение помещений дневным светом,
проникающим через световые проемы в наружных ограждающих конструкциях
помещений. Естественное освещение характеризуется тем, что меняется в широких
пределах в зависимости от времени дня, времени года, характера области и ряда
других факторов.
Искусственное освещение применяется при работе в темное время суток и
днем, когда не удается обеспечить нормированные значения коэффициента
естественного освещения (пасмурная погода, короткий световой день). Освещение,
при котором недостаточное по нормам естественное освещение дополняется
искусственным, называется совмещенным освещением.
Согласно СНиП 23‒05‒95 в помещениях с использованием
электрооборудования необходимо применить систему комбинированного освещения. В
качестве источников искусственного освещения обычно используются люминесцентные
лампы типа Т5 и Т8 ‒ ЭПРА и ПРА, которые должны располагаться над
рабочими поверхностями равномерно.
Кроме того все полезрения должно быть освещено достаточно равномерно -
это основное гигиеническое требование.
8.5.1 Расчет
освещенности
Расчет освещенности рабочего места сводится к подбору необходимого числа
светильников и их размещения. Исходя из этого, рассчитаем параметры
искусственного освещения.
Для искусственного освещения будем использовать люминесцентные лампы,
которые имеют ряд преимуществ:
‒ по спектральному составу света они близки к дневному,
естественному свету;
‒ обладают повышенной светоотдачей (в 3 ‒ 4 раза выше, чем у
ламп накаливания);
‒ более длительный срок службы.
Расчет освещения производится для комнаты площадью 35 м2, ширина которой
5,8 м, высота - 3,3 м, длинна ‒ 6 м. Воспользуемся методом светового
потока.
Для определения количества светильников определим световой поток,
падающий на поверхность по формуле (8.5.1):
 (8.5.1)
где F ‒ рассчитываемый световой поток, лм;
Е ‒ нормированная минимальная освещенность, лк (определяется по
таблице). Работу с электрооборудованием, в соответствии с этой таблицей, можно
отнести к разряду точных работ, следовательно, минимальная освещенность будет Е
= 300 лк;‒ площадь освещаемого помещения (в нашем случае S = 35 м2);‒
отношение средней освещенности к минимальной (обычнопринимается равным 1,1…1,2
, пусть Z = 1,1);
К ‒ коэффициент запаса, учитывающий уменьшение светового потока
лампы в результате загрязнения светильников в процессе эксплуатации (его
значение зависит от типа помещения и характера, проводимых в нем работ и в
нашем случае К = 1,5);‒ коэффициент использования, (выражается отношением
светового потока, падающего на расчетную поверхность, к суммарному потоку всех
ламп и исчисляется в долях единицы; зависит от характеристик светильника,
размеров помещения, окраски стен и потолка, характеризуемых коэффициентами
отражения от стен (РС) и потолка (РП)), значение коэффициентов РС и РП были
указаны выше: РС = 40 %, РП = 60 %. Значение n определим по таблице коэффициентов
использования различных светильников. Для этого вычислим индекс помещения по
формуле (8.5.2):
 (8.5.2)
где
S ‒ площадь помещения, S = 35 м2;‒ расчетная высота подвеса, h = 3
м;‒ ширина помещения, А = 5,83 м;
В
‒ длина помещения, В = 6 м.
Подставив
значения получим в формулу (9.5.2):
 35/(3 (5,83 +
6)) = 35/35,49 = 0,986 ,
зная
индекс помещения I, находим n = 0,37.
Подставим
все значения в формулу (9.5.1) для определения светового потока F:
 ( 300  1,5  35  1,1)
/0,37  46824 лм
Для
освещения выбираем люминесцентные лампы типа T8, световой
поток которых  = 2850
лм.
Рассчитаем
необходимое количество ламп по формуле (9.5.3):
 (9.5.3)
где
N ‒ определяемое число ламп;‒ световой поток, F = 46824 лм;
 ‒
световой поток лампы,  2850 лм.
 46824/2850
= 16 шт.
При
выборе осветительных приборов используем растровые светильники типа ОДО. Каждый
светильник комплектуется четырьмя лампами.
.6
Параметры микроклимата
Для
оптимальной работы человека, необходимо создать комфортные условия
(микроклимат).
Необходимым
условием жизнедеятельности человека является поддержание постоянной температуры
тела, в то время, как параметры микроклимата постоянно изменяются в большом
диапазоне, следовательно, необходимо для обеспечения комфортных условий для
работы использовать как организационные методы (рациональная организация
проведения работ в зависимости от времени года и суток, чередование труда и
отдыха), таки технические средства (вентиляция, кондиционирование воздуха,
отопительная система).
Электрооборудование
является источником существенных тепловыделений, что может привести к повышению
температуры и снижению относительной влажности в помещении.
Таблица 8.6.1 ‒ Параметры микроклимата для помещений, где
установлено электрооборудование
|
Период года
|
Параметр микроклимата
|
Единицы измерения
|
Величина
|
|
Холодный
|
Температура воздуха в
помещении Относительная влажность Скорость движения воздуха
|
°С % м/с
|
22 ‒ 24 40 ‒ 60
до 0,1
|
|
Теплый
|
Температура воздуха в
помещении Относительная влажность Скорость движения воздуха
|
°С % м/с
|
23 ‒ 25 40 ‒ 60
0,1 ‒ 0,2
|
В помещениях, где установлено электрооборудование, должны соблюдаться
определенные параметры микроклимата. В санитарных нормах СанПиН 2.2.4.548‒96[31]
«Санитарные правила и нормы. Гигиенические требования к микроклимату производственных
помещений» установлены величины параметров микроклимата, создающие комфортные
условия. Эти нормы устанавливаются в зависимости от времени года, характера
трудового процесса и характера производственного помещения (таблица 9.6.1).
.7
Безопасность труда при обслуживании стенда
При проведении лабораторных работ необходимо знать и строго выполнять
следующие основные правила техники безопасности:
‒ к работе на стенде допускаются лица, знающие его устройство и
работу, а также прошедшие инструктаж по технике безопасности;
‒ лабораторную работу можно выполнять только на исправном стенде.
Об обнаруженных неисправностях необходимо сообщить персоналу лаборатории;
‒ перед началом работы на стенде необходимо убедиться, что все
выключатели стенда находятся в положении "Выключено";
‒ категорически запрещается включать стенд без разрешения
преподавателя;
‒ при обнаружении каких-либо повреждений или неисправностей, а так
же при появлении дыма, искрения или запаха перегретой изоляции необходимо
обесточить лабораторный стенд и сообщить об этом преподавателю.
.8 Пожарная
безопасность при работе со стендом
Радиомонтажные участки пожароопасны. Технологические операции, например,
пайка, облуживание горячим припоем, обжигание концов монтажного провода
проводятся с использованием легко воспламеняющихся жидкостей (этилового спирта,
ацетона и тому подобных) и при повышенной температуре.
Во избежание пожара электрические паяльники должны обеспечиваться
специальными термостойкими диэлектрическими подставками.
Обжигание изоляции концов проводов (монтажных) должно проводиться в
несгораемом вытяжном шкафу, а легко воспламеняющиеся жидкости следует хранить в
посуде с герметичными крышками (пробками). Посуду следует открывать только в
момент пользования, легко воспламеняющиеся жидкости.
На случай пожара система вентиляции должна быть оборудована устройством,
отключающим ее при возникновении возгорания.
После работы необходимо отключить все коммуникации, кроме системы
противопожарной сигнализации.
Необходимо проверить все контакты и зажимы в электрических цепях на
отсутствие искрения, электрической дуги, которые могут быть причиной возгорания
электропроводки. В электрических цепях должны использоваться только штатные
предохранители, во избежание короткого замыкания и пожара. Во избежание
появления зарядов статического электричества все корпуса оборудования должны
иметь надежное и исправное заземление. Воздух в помещении необходимо
периодически увлажнять.
Необходимо периодически производить уборку пыли в труднодоступных местах
коммуникаций и скрытой электропроводки.
Все средства пожаротушения находиться в легкодоступных местах, а именно
датчики дыма, которые оповещают, в коридоре пожарный рукав и огнетушитель.
Заключение
В дипломном проекте была выполнена разработка учебно‒ лабораторного
стенда «Многоосевой магнитный подвес», который поясняет алгоритм
функционирования и основы проектирования управляемых электромагнитных подвесов.
В данном проекте реализованы основные этапы проектирования системы,
моделирования и практическая реализация в виде изготовления макета.
Система управления была реализована на базе микроконтроллера ATmega328 с расчетом и подбором всех
элементов.
В ходе создания дипломного проекта был реализован лабораторный стенд и
написана к нему лабораторная работа для студентов.
Данная лабораторная работа предназначена для студентов технических
специальностей, с целью улучшения практических и теоретических знаний в области
мехатроники и электроники, а так же для улучшения учебно ‒ материальной
базы кафедры УТС. Данные учебно-методические разработки могут быть использована
не только для подготовки по специальности мехатроника, но и для других
специальностей по учебным дисциплинам электроника, электромеханические системы,
и др.
Достоверность полученных в дипломном проектировании результатов, в виде
математических моделей подтверждена экспериментально при проведении численного
и натурного экспериментов.
Дипломный проект является законченной работой и соответствует
требованиям, предъявляемым к выпускным квалификационным работам инженеров по
специальности мехатроника.
Список использованных источников
1. Егоров О. Д., Подураев Ю. В. Конструирование мехатронных
модулей. - М.: Издательство МГТУ «Станкин», 2004. - 368 с.
. Герман-Галкин С.Г. Matlab&Simulink. Проектирование
мехатронных систем на ПК. - СПб.: КОРОНА-Век, 2008 - 368 с.
. Ким К.К., Системы электродвижения с использованием
магнитного подвеса и сверхпроводимости: Монография. - М.: ГОУ
«Учебно-методический центр по образованию на железнодорожном транспорте», 2007.
- 360 с.
. Цыган А.Б., Цыган Б.Г., Мокроусов С.Д. Современное
вагоностроение: Монография: в 4-х т. - Том I.:Железнодорожный подвижной состав.
- Харьков: Корпорация «Техностандарт», 2008. - 432 с.
. Журавлев Ю.Н. Активные магнитные подшипники: Теория,
расчет, применение. - СПб.: Политехника, 2003. - 206 с., ил.
. Вышков Ю. Д., Иванов В. И. Магнитные опоры в автоматике. -
М.: Энергия, 1978. - 160 с., ил.
. Осокин Ю. А., Герди В. Н., Майков К. А., Станкевич Н. Н.
Теория и применение электромагнитных подвесов. - М.: Машиностроение, 1980. -
284 с.
. Буль Б. К., Буль О. Б., Азанов В. А., Шоффа В. Н.
Электромеханические аппараты автоматики: Учеб. для вузов по спец. «Электрич.
аппараты». - М.: Высш. шк., 1988. - 303 с., ил.
. Пассивные магнитные подшипники (подвесы) на постоянных
магнитах URL: http://imlab.narod.ru/M_Fields/PM_Bearings/PM_Bearings.htm (дата
обращения: 13.02.13).
. Мартыненко Ю. Г. О проблемах левитации тел в силовых полях
1996. URL: http://www.valtar.ru/Magnets3/magnets7.htm (дата обращения:
13.02.13).
. Обратная связь и операционные усилители 2013. URL:
http://icmicro.narod.ru/info_ru/opamp/opamp.htm (дата обращения: 25.03.13).
. Отрицательная обратная связь в усилителе 2013. URL:
http://www.electroclub.info/article/oos1.htm (дата обращения: 25.03.13).13.
Основные схемы включения операционных усилителей 2013. URL:
http://pagiocxema.narod.ru/theory_4.html (дата обращения: 25.03.13).14. Тогатов
В. В. Операционные усилители 2013. URL: http://de.ifmo.ru/bk_netra/select.php
(дата обращения: 25.03.13).15. Операционный усилитель LM324. Особенности
применения 2013. URL:://www.chipdip.ru/video/id000299401/ (дата обращения:
28.03.13).16. 7805 - cтабилизатор электрического напряжения URL:
http://katod-anod.ru/articles/29 (дата обращения: 28.03.13).17. Составной
транзистор (схема Дарлингтона) 2013. URL:
http://www.alnam.ru/book_shem1.php?id=61 (дата обращения: 30.03.13).
. Конденсаторы 2013. URL: http://www.roman.by/r-18081.html
(дата обращения: 2.04.13).
. Инструкция по технике безопасности URL:
http://galina-bogomazova.narod.ru/20050316.htm (дата обращения: 5.04.13).20.
ГОСТ 28883-90 Коды для маркировки резисторов и конденсаторов. - Москва:
Издательство стандартов, 1990. - 14 с.
. ГОСТ 12.3.032-84 Система стандартов безопасности труда.
Работы электромонтажные. Общие требования безопасности - Москва: Издательство
стандартов, 1985. - 3 с.
. ГОСТ 12.0.003-74 Система стандартов безопасности труда.
Опасные и вредные производственные факторы. Классификация - Москва:
Издательство стандартов, 1976. - 3 с.
. ГОСТ 12.0.004-90 Система стандартов безопасности труда.
Организация обучения безопасности труда. Общие положения - Москва: Издательство
стандартов, 1991. - 16 с.
. ГОСТ 12.2.007.0-75. Система стандартов безопасности труда.
Изделия электротехнические. Общие требования безопасности. - Москва:
Издательство стандартов, 1978. - 12 с.
. ГОСТ 12.4.115-82. Система стандартов безопасности труда.
Средства индивидуальной защиты работающих. Общие требования к маркировке. -
Москва: Издательство стандартов, 1982. - 3 с.
. СанПиН 2.4.2.2883-11 Санитарно-эпидемиологические
требования к условиям и организации обучения в общеобразовательных учреждениях.
- Москва: 2011.
. ГОСТ 12.4.011-89 Средства защиты работающих. Классификация.
- Москва: Издательство стандартов, 1990. - 6 с.
. ГОСТ 12.1.004-91. Пожарная безопасность. Общие требования.
- Москва: Издательство стандартов, 1991. - 6 с.
. ГОСТ 2.702-75 Единая система конструкторской документации.
Правила выполнения электрических схем. - Москва: Издательство стандартов, 2012.
- 28 с.
. ГОСТ 2.004-88 Единая система конструкторской документации.
Общие требования к выполнению конструкторских и технологических документов на
печатающих и графических устройствах вывода ЭВМ. - Москва: Издательство
стандартов, 1990. - 23 с.
. СанПиН 2.2.4.548-96 Санитарные правила и нормы.
Гигиенические требования к микроклимату производственных помещений, 1997. - 9
с.
Похожие работы на - Проектирование лабораторного стенда по изучению принципа действия и структуры активных электромагнитных подвесов
|