Проектирование и расчет волоконно-оптической линии связи на участке Тараз–Алматы

  • Вид работы:
    Дипломная (ВКР)
  • Предмет:
    Информатика, ВТ, телекоммуникации
  • Язык:
    Русский
    ,
    Формат файла:
    MS Word
    655,87 Кб
  • Опубликовано:
    2014-07-09
Вы можете узнать стоимость помощи в написании студенческой работы.
Помощь в написании работы, которую точно примут!

Проектирование и расчет волоконно-оптической линии связи на участке Тараз–Алматы

Введение

Современные первичные сети должны обеспечивать передачу и переключение потоков информации, ввод и выделение этих потоков в произвольных пунктах, глубокий контроль качества и тарификацию в соответствии с действительным временем пользования связью и её качеством. Перечисленные выше требования можно выполнить при синхронной системе группообразования. В 1998 году МККТТ принял технологию СЦИ, разработанную с учётом мирового опыта создания цифровых сетей. Аппаратура СЦИ является программно управляемой и интегрирует в себе средства преобразования, передачи, переключения, контроля управления.

В соответствии с этим, в настоящее время в Республике Казахстан активно ведутся работы по строительству национальной сети на основе технологии СЦИ с использованием волоконно-оптических кабелей. Оптическое волокно в настоящее время считается самой совершенной средой передачи информации, оптический световод позволяет передавать большие потоки информации на значительные расстояния.

Тема дипломной работы актуальна, так как сегодня волоконная оптика находит применение практически во всех задачах, связанных с передачей информации. Если на уровне настольного ПК волоконно-оптический интерфейс только начинает единоборство с проводным, то при построении магистральных сетей давно стало фактом безусловное господство оптического волокна. Коммерческие аспекты оптического волокна также говорят в его пользу - волокно изготавливается из кварца, то есть на основе песка, запасы которого очень велики.

Целью данного дипломного проекта является проектирование линии связи на основе волоконно-оптических кабелей. В связи с чем особое внимание уделено строительству волоконно-оптической линии связи. Проект состоит из пяти глав. В первой главе рассмотрены краткие характеристики и принцип организации связи на основе оптических систем передачи с использованием технологии СЦИ. Трасса прохождения проектируемой линии также описывается в этой главе. Даны сведения о наличии рек шоссейных дорог.

Глава 2 посвящена расчёту необходимого числа каналов для двух областей, а также выбору системы передачи. Также приводится предполагаемая схема организации связи. Приведены принципы выбора типа оптического кабеля, который предполагается использовать на магистрали.

В третьей главе рассматривается методы проектирования и строительства волоконно-оптической линии связи. В этой главе приводится расчет длин участков регенерации ирассмотрены современные методы проведения геодезических работ, а также особенности прокладки оптического кабеля. Также рассмотрены способы организации речных переходов, переходы через железные дороги и автодороги на проектируемой магистрали. В данную главу включены подразделы посвящённые маркировке трассы, метрологическому контролю, расчёту оптической длины линии связи и расположения муфт.

Расчёту основных параметров электропитающей установки посвящена глава 4, также приведён расчёт токораспедилительной сети на минимум проводникового материала.

В главе 5 рассматриваются меры повышения надёжности системы связи и расчёт основных показателей надёжности.

Создание высоконадежных оптических кабельных систем связи стало возможным в результате разработки в начале 70-х годов оптических волвкон с малыми потерями сигнала. Такие волокна в значительной мере стимулировали разработку специализированного оборудования и элементов линейного тракта оптических кабельных систем передачи (генераторов, фотоприемников, разъемных и неразъемных соединителей, ответвителей и других элементов).

Оптические волокна послужили основой разработки и создания оптических систем связи высокой эффективности, обеспечивающих возможность передачи большого потока информации на любые расстояния. Технико-экономическое сравнение показало, что в перспективе при массовом производстве оптических кабелей они будут конкурентоспособными с электрическими при потребностях в больших пучках связи(свыше 500…1000 цифровых каналов).

1. Разработка аппаратуры синхронной цифровой иерархии

.1 Обзор волоконно-оптических систем

При разработке аппаратуры СЦИ была предусмотрена обязательная совместимость не только скоростей, но также стыков, что отсутствует в аппаратуре плезеохронной цифровой иерархии. Для этого все разработчики аппаратуры СЦИ руководствуются соответствующими рекомендациями ITU-T, в частности для СЦИ такими рекомендациями являются G.957 и G.691, которые регламентируют оптические и электрические интерфейсы систем СЦИ всех уровней. В частности, к стандартным оптическим интерфейсам, определённым рекомендациями G.95, относятся следующие параметры: длина волны оптического излучения, диапозон длин волн, ширина спектральной линии излучения, уровень оптической мощности на передаче, уровень чувствительности приёмного устройства при заданном коэффициенте ошибки для данной скорости передачи. Выбор значений этих параметров определяется скоростью передачи информации и максимальной длинной линии. Аппаратура СЦИ всех уровней иерархии предназначена для работы на оптическое волокно, параметры которого также регламентированы рекомендациями G.652, G.653, G.655.

В тех случаях, когда расстояние между пунктами, которые необходимо соединить при помощи ВОЛС с аппаратурой СЦИ, превышает ту длину, которая позволяет перекрыть энергетический потенциал системы, либо на передающей стороне, либо на обоих концах линии применяется соответственно оптический усилитель мощности на передаче и на приёме. Выбор этих вариантов регламентируется рекомендацией G.691.

Структурно аппаратура СЦИ состоит из следующих блоков:

оборудование внешнего доступа;

синхронный линейный регенератор;

синхронные разветвительные мультиплексоры;

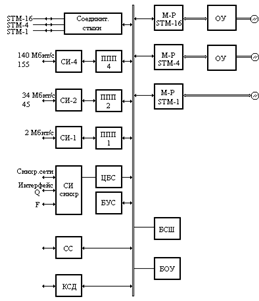
Таким образом, системы СЦИ любого производителя строятся по обобщённой схеме, представленной на рисунке-1.

Кроме упомянутых выше основных узлов и блоков в состав аппаратуры СЦИ входят:

система контроля и управления;

блоки аварийной и предварительной сигнализации;

блоки питания и защиты от перегрузок и внешних воздействий, в том числе электромагнитных полей.

Система контроля и управления представляет собой совокупность датчиков различных параметров и цепей, соединяющих точки контроля и управления с персональным компьютером. На дисплее компьютера отображаются значения всех необходимых параметров, как оптических, так и электрических. Эта система позволяет осуществлять диагностирование состояния всего участка сети связи, в котором задействована данная аппаратура СЦИ. Предусмотрена также возможность управления и конфигурирования участков сети.

В случаях повреждения сети, например обрыва оптического кабеля, в аппаратуре СЦИ всех уровней для предоставления возможности проведения восстановительных работ и обеспечения безопасности персонала предусмотрено устройство автоматического отключения лазера. Это устройство периодически включает лазер со следующим временным интервалом: 70..90 секунд лазер выключен, от 1 до 5с - включён. При восстановлении линии система автоматически восстанавливает свои функции.

Рисунок 1 Общая структурная схема системы ВОСП с СЦИ.

М-Р - мультиплексор;

ОУ - оптический усилитель;

СИ - соединительный интерфейс;

ППП - порт первичных потоков;

ЦБС - центральный блок синхронизации;

БУС - блок управления и связи;

СС - служебная связь;

КПД - канал передачи данных;

БОУ - блок обработки указателей;

Основным Функциональным модулем сетей СЦИ является мультиплексор. Термин Мультиплексор используется как собственно для мультиплексоров, служащих для сборки (мультиплексирования) высокоскоростного потока из низкоскоростных, так и для разборки (демультиплексирования) высокоскоростного потока с целью выделения низкоскоростных потоков Мультиплексоры СЦИ в отличие от обычных мультиплексоров, используемых, например, в сетях ПЦИ, выполняют как функции собственно мультиплексора, так и функции устройств терминального доступа, позволяя подключить низкоскоростные каналы ПЦИ непосредственно к своим входным портам. Они являются более универсальными и гибкими устройствами, кроме задачи мультиплексирования выполняют ещё и задачи коммутации, концентрации и регенерации. Это оказывается возможным в силу модульной конструкции СЦИ мультиплексоров - SMUX, при которой выполняемые функции определяются лишь возможностями системы управления и составом модулей, включённых в спецификацию мультиплексора. Принято, однако, выделять два основных типа мультиплексора: терминальный мультиплексор и мультиплексор ввода - вывода.

Терминальный мультиплексор (ТМ) является мультиплексором и оконечным устройством СЦИ сети с каналами доступа, соответствующими трибами ПЦИ и СЦИ. ТМ может или вводить каналы, то есть коммутировать их со входа трибного интерфейса на линейный вход, или выводить каналы, то есть коммутировать их с линейного входа на выход трибного интерфейса.

Как правило, эта коммутация ограничена трибами 1,5 и 2Мбит/с. для мультиплексора максимального на данный момент действующего уровня СЦИ (STM-64), имеющего скорость выходного потока 10 Гбит/с, максимально полный набор каналов доступа может включать ПЦИ трибы 1,5, 2, 6, 34, 45, 140 Мбит/с, и СЦИ трибы 155, 622 и 2500 Мбит/с соответствующие STM - 1, 4, 16.

Другой важной особенностью мультиплексора является наличие двух оптических линейных выходов (каналов приёма/передачи), называемых агрегатными выходами и используемых для создания режима стопроцентного резервирования, или защиты по схеме 1+1 с целью повышения надёжности.

Мультиплексор ввода/вывода (ADM) иметь на входе тот же набор трибов, что и терминальный мультиплексор. Он позволяет вводить и выводить соответствующие им каналы. Дополнительно к возможностям коммутации, обеспечиваемым ТМ, ADM позволяет осуществлять сквозную коммутацию выходных потоков в обоих направлениях, а также осуществлять замыкание канала приёма на канал передачи на обоих сторонах в случае выхода из строя одного из направлений. Наконец он позволяет (в случае аварийного выхода из строя мультиплексора) пропускать основной оптический поток мимо него в обходном режиме. Всё это даёт возможность использования ADM в топологиях типа кольцо.

Таблица 1 Основные параметры оптических интерфейсов

Наименование показателя

Данные для планирования

Длина волны в световоде, нм Скорость передачи, Кбит/с


1530..1560  2488320

Сторона передачи Тип лазера    Ширина спектра,нм Подавление боковой моды,дБ Уровень передачи, дБм (S в соответ. с ITU-TG.957)

DFB     0,6 30   -1...2

DFB     0,6 30   2,5…5

DFB со встроенным внешним модулятором вместе с:




Станд бустер   0,1 30   11...13

Высоко-мощ. Бустер  0,1 30   13…16

Станд. Бустер   0,1 30   10…13

Высоко-мощ. бустер  0,1 30   13…16

Сторона приёма Диод приёма Уровень приёма при BER£10-10 ,дБм (R в соответ. с ITU-TG.957)

 APD Станд  -28..-6

 APD Вы-соко- чувствит. -30..-9

 APD Стандарт.   -28...-6

 APD Стандарт. Вместе с оптическим усилителем -40...-15

Секция регенератора Одномодовый световод Допусимая дисперсия, пс/км Потери из-за дисперсии, дБ Допуст. Затухание секции, дБ

  1800  2  8…26

  2400  2  14...31

  4500  2 19...36

  4500  2 22...39

  4500  2 28...48

  4500  2 31…51


1.2 Основные особенности трассы ВОЛС

В настоящее время в соответствии с генеральным планом развития телекоммуникаций Республики Казахстан ведутся работы по строительству новой информационной супермагистрали (НИСМ), протяжённость которой составит около 10000 км и обеспечит цифровой связью все областные центры республики. Строительство НИСМ "Казахтелеком" планирует завершить к 2015году.

Рассматриваемая в данном дипломном проекте магистраль на участке Тараз-Алматы является лишь дополнением к НИСМ, и будет обеспечивать телекоммуникационными услугами два областных центра, а также прилегающие к трассе ВОЛС районные центры.

Между городами Тараз и Алматы существует крупная автомобильная дорога республиканского значения, проходящая через множество райцентров. Как правило, одним из важнейших критериев выбора трассы ВОЛС является прохождение её вдоль автомобильной дорогой. Этим обеспечиваются подъездные пути техническому персоналу к местам прокладки кабеля и НРП, а в случае повреждения оперативное устранение неисправности на линии. Наличие населённых пунктов на пути прохождения трассы даёт возможность размещения в необслуживаемых регенерационных пунктов (ОРП) и использование уже существующих сооружений районных узлов телекоммуникаций (РУТ), что значительно уменьшает объём строительных работ и способствует снижению затрат на строительство магистрали в целом.

Обращаясь к карте местности (рисунок.2) видим, что очевиден единственный целесообразный вариант трассы. Это вариант прокладки кабеля вдоль автодороги, соединяющей г.Тараз, с. Михайловка, с. Луговое, с.Мерке, г.Чу и г. Алматы. Общая длина магистрали составляет 553 км. Трасса магистрали прокладывается на расстоянии 30 - 60м. (в зависимости от конкретных условий местности) от оси автомобильной дороги.

Речные переходы организуются на реке Меркенка и Талас. В местах организаций перехода ширина реки Меркенка достигает до 50м., а в половодье порядка 80м., глубина - до2м. Ширина реки Талас - 40м., глубина - до 1,7 м. Для проезда автотранспорта через эти реки построены мосты, что также имеет немаловажное значение, при прокладке кабеля через реку, так как резервные створы можно проложить через мост , которые имеют равнинный рельеф, это позволяет прокладывать кабель в основном механизированным способом. Более подробно организация речных переходов, железнодорожных переходов, а также механизированные способы прокладки кабеля рассмотрены в соответствующей главе настоящего дипломного проекта.

Рисунок 2 Карта местности

2. Расчёт необходимого числа каналов и выбор системы передачи

Создание высоконадежных оптических кабельных систем связи стало возможным в результате разработки в начале 70-х годов оптических волвкон с малыми потерями сигнала. Такие волокна в значительной мере стимулировали разработку специализированного оборудования и элементов линейного тракта оптических кабельных систем передачи (генераторов, фотоприемников, разъемных и неразъемных соединителей, ответвителей и других элементов).

Оптические волокна послужили основой разработки и создания оптических систем связи высокой эффективности, обеспечивающих возможность передачи большого потока информации на любые расстояния. Технико-экономическое сравнение показало, что в перспективе при массовом производстве оптических кабелей они будут конкурентоспособными с электрическими при потребностях в больших пучках связи(свыше 500…1000 цифровых каналов).

Численность населения в любом областном центре и области в целом может быть определена на основании статистических данных переписи населения. Согласно этим данным численность населения в Жамбылской области на 2011 год составила 410,6 тыс. чел, а в Алматинской области 1946,6 тыс. чел. В расчётах будем учитывать не численность населения областных центров, а областей в целом.

Численность населения с учётом прироста определяется по формуле:

 (1)

где НТ - количество населения, тыс. человек;

H0 - население в период проведения переписи, тыс. человек;

Р- среднегодовой прирост населения в данной местности

(принимается равным 2-3%);

Т - период, определяемый, как разность между назначенным годом перспективного проектирования и годом проведения переписи населения;

Год перспективного проектирования принимается на 5-10 лет вперёд. В настоящем проекте год перспективного проектирования принимаем на 10 лет вперёд. В соответствии с этим параметр Т определяем по формуле:

T=10+(Tm-T0) (2)

где Tm - год составления проекта;

T0 - год к которому относятся данные H0;

Среднегодовой прирост населения в Жамбылской и Алматинской областях принимаем равным 3%. Пользуясь формулой (2) определим параметр Т:

T=10+(2013-2011)=12 лет

Численность населения в Алматинской области согласно формуле (1) составит:

HTC-K=1946,6×(1+)12=1,78058 млн. человек;

Численность населения в Жамбылской области согласно формуле (1) составит:

HTА=410,6×(1+)12=0,871105 млн. человек;

Учитывая то, что телефонные каналы междугородней и международной связи имеют превалирующее значение необходимо сначала определить количество телефонных каналов между заданными областями. Для этого воспользуемся следующей формулой

nТФ=L×KT×y×; (3)

где L и b - постоянные коэффициенты, соответствующие фиксированной доступности к заданным потерям, обычно потери принимаются равными 5%, тогда L=1,3, а b=5,6;

KT - коэффициент тяготения;

y - удельная нагрузка, то есть средняя нагрузка, создаваемая одним абонентом, y=0,05Эрл;

ma, mв - количество абонентов обслуживаемое оконечными АМТС, соответственно в пунктах А и Б.

Взаимосвязь между выбранными оконечными и промежуточными пунктами определяется на основе статистических данных, полученных предприятиями связи за предшествующие проектированию годы. Практически эти взаимосвязи выражают через коэффициент тяготения КТ, который, как показывают исследования, колеблется в широких пределах, от 0,1-12%. В проекте коэффициент тяготения КТ принимаем равным 10%, т.е. KT=0,1.

В перспективе количество абонентов, обслуживаемых оконечными АМТС, определяется в зависимости от численности населения, проживающего в зоне обслуживания. Принимая средний коэффициент оснащённости населения телефонными аппаратами равным 0,7, количество абонентов в зоне АМТС можно определить по формулам:

maA=0.7×HТA (4)

mвC-K=0.7×HТС-К 5)

Подставляя данные в формулы (4) и (5) определим количество абонентов, обслуживаемых оконечными АМТС:

maA=877,5×0,7=614,25 тыс. чел.

mвС-К=1114,7×0,7=780,29 тыс. чел.

Пользуясь формулой (3) определим количество телефонных каналов:

nТФ=1,3×0,1×0,05×+5,6=+5,6=2240 кан.

По кабельной линии передачи выделяют каналы и для других видов связи: телеграфные данные, радиовещание и.т.д., а так же учитывают транзитные каналы. Так как проектируемая линия связи относится к магистральной сети транзитные потоки будут иметь большую скорость передачи информации. В данном случае число транзитных каналов учитывать не будем, они будут браться в расчёт при выборе системы передачи.

Поскольку число каналов для организации связи различного назначения может быть выражено через число телефонных каналов, т.е. каналов ТЧ, целесообразно общее число каналов между пунктами выразить через каналы ТЧ.

В соответствии с вышесказанным общее число телефонных каналов вычислим по формуле:

n= nТФ+ nТГ+ nПД+ nТВ (6)

где nТГ - число каналов ТЧ для телеграфной связи;

nПД - число каналов ТЧ для передачи данных;

nТВ- число каналов ТЧ для теле - и радиовещания;

Обычно общее число каналов рассчитывают по упрощённой формуле:

n=2×nТФ (7)=2240×2=4480

Данный расчёт был произведён без учёта количества транзитных каналов. Так если учитывать транзитные потоки, а также перспективу дальнейшего развития сети и кроме того возможность повреждения, при котором может возникнуть необходимость организации обходного пути через данную магистраль, то на проектируемой магистрали требуемая скорость передачи составит 2,5 Гбит/с. В соответствии с этим на проектируемой магистрали предполагается установка синхронного оборудования производства фирмы "Siemens" SMA-16.

Схема организации связи представлена на рисунке 3. Данная схема составлена в соответствии с заданием на дипломный проект. На схеме показаны требуемое количество 2Мбит потоков, которые необходимо выделить в соответствующих пунктах, так же указаны расстояния между населёнными пунктами, где необходимо устанавливать оборудование.


.1 Выбор типа оптического кабеля

В магистральных ВОЛС расходы на приобретение и прокладку оптического кабеля является основной частью стоимости всей системы. Поэтому целесообразно проложить кабель с возможно низким затуханием и широкой полосой частот в расчёте на возможность его использования при развитии системы.

Для магистральных сетей представляет интерес кабели с длиной волны 1,55 мкм, позволяющие реализовать регенерационные участки длинной до 170 км. Учитывая то что, максимальное расстояние между населёнными пунктами составляет 125 км, необходимо выбрать кабель с такими параметрами, при которых можно было бы обойтись без дорогостоящих необслуживаемых регенерационных пунктов.

Выбираем кабель производства фирмы "Siemens" следующего типа:

A D F (ZN) 2Y 2×6 E 9/125 0,36 F 3,5+0,22 H 180LG. Дадим расшифровку буквенных и цифровых обозначений:

А - линейный кабель;

D - модуль многоволоконный, заполненный;

F - гидрофобное заполнение;

ZN - неметаллический усилительный элемент;

Y - полиэтиленовая оболочка;

- количество модулей;

- количество волокон в модуле;

E - одномодовое волокно;

- диаметр сердечника, мкм;

-диаметр оболочки, мкм;

,36 - коэффициент затухания на длине волны 1,55 мкм, дБ/км;

F - длина волны 1,3 мкм;

,5 - удельный коэффициент хроматической дисперсии, пс/нм*км,при длине волны 1,3 мкм;

0,22 - коэффициент затухания, дБ/ км, на длине волны 1,55 мкм;

H - длина волны 1,55 мкм;

- удельная хроматическая дисперсия, на длине волны 1,55 мкм;

LG - повивная скрутка;

Строительную длину кабеля выбираем равной 6км, для обеспечения минимального затухания на линии.

Рисунок 4 Поперечный разрез используемого кабеля.

- центральный стеклопластиковый силовой элемент;

- пространство, заполненное компаундом (гель);

- модуль, заполненный шестью одномодовыми волокнами;

- диэлектрические силовые армирующие нити;

- внешняя полиэтиленовая оболочка.

Цветовые коды модулей стекловолокна:

Волокно №1 - голубой Волокно №7 - красный

Волокно №2 - оранжевый Волокно №8 - чёрный

Волокно №3 - зелёный Волокно №9 - жёлтый

Волокно №4 - коричневый Волокно №10 - фиолетовый

Волокно №5 - синевато- серый Волокно №11 - розовый

Волокно №6 - белый Волокно №12 - цвет морской волны

Погрешность концентрического пятна модового поля, мкм…….....1

Некруглость покрытия, %……………………2

Эффективный групповой коэффициент преломления (для1310нм)…...1,4675

Эффективный групповой коэффициент преломления (для 1550нм)……1,4681

Числовая апертура…………….………13

Критическая длина волны ,нм…………………..….1250

Конструктивные характеристики кабеля:

Вес,кг/км……………………………101

Минимальный радиус изгиба, мм - во время монтажа………..300

·   в установленном виде……..200

Прочность на растяжение, Н, - короткий срок…………………..………..2700

- длительный срок………………………..….1300

Напряжение при сжатии/при раздавливающем напряжении, Н/10см……2000

Диапазон рабочей температуры,°С………………....-30..70

Диапазон температуры при монтаже,°С……………….-5..50

2.2 Расчёт длины участка регенерации

При проектировании стремятся получить возможно большую длину регенерационного участка (РУ), что приводит к уменьшению необслуживаемых регенерационных пунктов на ВОКМ и как следствие способствует уменьшению капитальных затрат на строительство и эксплуатации магистрали.

Согласно схеме организации связи представленной на рисунке 3 длину РУ будем рассчитывать на участках: Тараз -Михайловка, Михайловка - Луговое, Луговое - Мерке, Мерке - Чу, Чу - Алматы.

Требуемая длина участка регенерации на участке Тараз - Михайловка составляет 125 км. При расчёте длины РУ будем пользоваться данными для планирования взятых из технического описания синхронного оборудования SMA - 16. Эти данные приведены в таблице 1, из этих данных выбираем следующие параметры приёмного и передающего модуля:

Длинна волны в световоде, нм…………1510…1560

Скорость передачи, Кбит/с………2488320

Сторона передачи:

Тип лазера……………..DFB

Ширина спектра, нм……………...0,6

Подавление боковой моды, дБ…………30

Уровень передачи, дБ………………….-1…2

Сторона приёма:

Диод приёма……………...APD стандарт

Уровень приёма, дБ (при BER £ 10)………….…-28…-6

Секция регенератора:

Тип ………………………………………………одномодовый

Допустимая дисперсия,пс/км………………………………………….1800

Потери из за дисперсии, дБ…………………………………………..……1

Допустимое затухание секции,дБ……………………………………8…26

Длина РУ определяется двумя осноновными параметрами передачи: затуханием и дисперсией информационных сигналов. Произведём расчёт длины РУ по затуханию, для этого определим суммарные потери мощности излучения Р,дБ, в линии связи по формуле:

Р=a×L+a×N+a×N (8)

где L- длина линии связи, км;

a- километрическое затухание кабеля, дБ/км;

N- количество неразъёмных соединителей;

a- потери в неразъёмных соединителях, дБ;

a- потери в разъёмных соединителях, дБ;

N - количество разъёмных соединителей.

Рассчитаем количество строительных длин кабеля на РУ q, из соотношения:

q=Ц() (9)

где L- требуемая длина РУ, км;

l- строительная длина кабеля, км;

Ц - символ озночающий округление в сторону большего числа.

q=Ц()=21 (10)

Число неразъёмных соединителей определим по формуле:

N= q-1=21-1=20

Тогда полные потери на РУ:

Р=0,22×125+0,1×20+0,5×2=30,5 Дб

Устойчивая работа волоконно-оптической системы связи возможна только при выполнении условия:

РЭ (11)

где РЭ- энергетический потенциал системы.

Рассчитаем значение энергетического потенциала системы из выражения:

РЭперпр (12)

где Рпер -уровень передачи, дБ;

Рпр - уровень приёма, дБ.

РЭ=-1+28=27 дБ

Из выше приведённых расчётов видно, что условие РЭ не выполняется, следовательно, выбранные параметры ПРОМ и ПОМ не приемлемы. Поэтому необходимо выбрать ПОМ и ПРОМ с такими параметрами, при которых выполнялось бы условие (11).

Вновь обращаясь к таблице 1 из данных для проектирования планирования выбираем:

Длинна волны в световоде, нм…………1510…1560

Скорость передачи, Кбит/с……………2488320

Сторона передачи:

Тип лазера…………………………..DFB

Ширина спектра, нм…………………0,6

Подавление боковой моды, дБ……………………30

Уровень передачи, дБ………………2,5…5

Сторона приёма:

Диод приёма………….APD высокочувствительный

Уровень приёма, дБ (при BER £ 10)…………….…-30,5…-9

Секция регенератора:

Тип ……………………………………………………………одномодовый

Потери из за дисперсии, дБ…………………………………………..…..2

Допустимое затухание секции,дБ…………………………………..14…31

Значение энергетического потенциала рассчитывается по формуле (12):

РЭ=2,5- (-30,5)=33 дБ

В этом случае условие (11) выполняется, следовательно, с точки зрения затухания, длина РУ =125 км допустима. Однако при проектировании ВОЛС всегда необходимо предусматривать запас, который учитывает процесс деградации всех компонентов при различных воздействиях во время эксплуатации. Этот запас обычно составляет 2¸4 дБ. Необходимо так же учитывать допуски на температурную зависимость. Из таблицы 1 видно, что существуют потери из-за дисперсии которые так же необходимо учесть.

В соответствии с вышесказанным формула (8) принимает вид:

Р= а× L× N× N+at+aB+aq (13)

Где at - допуск на температурную зависимость параметров ВОСП, дБ;

aB - допуск на ухудшение паораметров вовремени

Р=0,22×125+0,1×20+0,5×2+0,3+3+2=35,8 дБ

В этом случае условие (11) так же не выполняется, поэтому, вновь обращаясь к таблице 1 выбираем:

Длинна волны в световоде, нм………1510…1560

Скорость передачи, Кбит/с……………2488320

Сторона передачи:

Тип лазера………………………………..DFB

Ширина спектра, нм…………0,1

Подавление боковой моды, дБ…………….30

Уровень передачи, дБ……………10…13

Сторона приёма:

Диод приёма…………………APD стандартный

Уровень приёма, дБ (при BER £ 10)………………-28…-6

Секция регенератора:

Тип ……………………………………………………………одномодовый

Потери из за дисперсии, дБ…………………………………………..….<2

Допустимое затухание секции, дБ…………….19…36

Пользуясь выражением (12) определяем:

РЭ=10+28=38дБ

Из расчётов видно что условие (11) вполняется, определим запас по мощности PЗ, дБ, по формуле:

PЗЭК (13)

PЗ=38-35,8=2,2дБ

Запас по мощности составляет 2,2 дБ, следовательно, делаем вывод, что с точки зрения затухания протяжённость РУ на участке Петропавловск - Келлеровка 125 км., допустима.

Рассчитаем длину РУ на участке Михайловка-Луговое. Так как требуемая длина РУ на этом участке 68 км, существует возможность ослабить требования к параметрам ПОМ и ПРОМ, что будет способствовать удешевлению оборудования. В соответствии с этим выбираем следующие параметры ПОМ и ПРОМ.

Длинна волны в световоде, нм…………………1510…1560

Скорость передачи, Кбит/с……………………2488320

Сторона передачи:

Тип лазера………………………………………..DFB

Ширина спектра, нм………………………………...0,6

Подавление боковой моды, дБ………………………30

Уровень передачи, дБ……………………….-1…2

Сторона приёма:

Диод приёма………………………………...APD стандарт

Уровень приёма, дБ (при BER £ 10)……………….…-28…-6

Секция регенератора:

Тип ……………………………………………………………одномодовый

Допустимая дисперсия,пс/км………………………………………….1800

Потери из за дисперсии, дБ…………………………………………..……1

Допустимое затухание секции,дБ……………………………………8…26

Рассчитаем энергетический потенциал системы по формуле (12):

РЭ=-1+28=27дБ

Определим число строительных длин на РУ из выражения (9):

q=Ц() =12

Число неразъёмных соединителей определим из формулы (10):

Nн.с=12-1=11

Полные потери на РУ согласно формуле (13):

PK=0,22×68+0,1×11+0,5×2+0,3+3+2=22,9 дБ

Условие (11) выполняется, энергетический запас, согласно формуле (13):

PЗ=27-22,9=4,1 дБ

Рассчитаем длину РУ исходя из дисперсионных характеристик волокна. Импульсы света, последовательность которых определяет информационный поток, в процессе распространения расплываются. При достаточно большом уширении импульсы начинают перекрываться, так что становится невозможным их выделение при приёме.

Дисперсия - уширение импульсов - имеет размерность времени и определяется как квадратичная разность длительностей импульсов на входе и выходе кабеля длины L по формуле:

tвых= (14)

Дисперсия нормируется в расчёте на один километр и измеряется в пс/км. Результирующая дисперсия t, пс, определяется из формулы:

t2=t2мод+t2хр (15)

где tмод - межмодовая дисперсия;

tхр - хроматическая дисперсия;

Хроматическая дисперсия, в свою очередь состоит из материальной и волноводной, тогда формула (13) приобретает вид:

t2=t2мод+t2мат+t2вв (16)

Межмодовая дисперсия возникает вследствии различной скорости распостранения у мод, и имеет место только в многомодовом волокне.

Материальная дисперсия обусловлена зависимостью показателя преломления волокна от длины волны и определяется из выражения:

tмат( (17)

где М()- удельная материальная дисперсия;

Волноводная дисперсия обусловлена зависимостью коэффициента распостранения моды от длины волны и определяется из выражения:

= (18)

где N() - удельная волноводная дисперсия;

Результирующее значение коэффициента удельной хроматической дисперсии D(l),  определяется как:

D(l)=M(l)+N(l) (19)

Хроматическая дисперсия связана с удельной хроматической дисперсией следующим соотношением:

tхр(l)= D(l)× (20)

Полоса частот Вх, и дальность передачи Lх - связаны следующим соотношением:

Вх= (21)

В длинных линиях (свыше 10 км), в которых процесс распостранения волны уже установился, действует квадратичный закон изменения ширины спектра сигналов:

Вх= (22)

где значения с индексом х - искомые, а без х - задаваемые;

Lc - длина линии установившегося режима, км;

В - широкополсность ОВ, Гц*км.

Из паспортных данных выбранного нами кабеля известно что коэффициент удельной хроматической дисперсии равен 18 пс/нм×км. Тогда в соответствии с формулой (18) определяем хроматическую дисперсию:

tхр=18×0,1=1,8 пс/км

Определим широкополосность кабеля, В, Гц*км, из выражения:

В= (23)

В==2,4×1011 Гц×км;

Пользуясь соотношением (20) проверим, ограничивает ли дисперсия световода требуемую длину РУ на участке Петропавлвск-Келлеровка, которая составляет 125 км:

Bx==6,9 ГГц;

Требуемая полоса пропускания кабеля на длине 125 км составляет 2,5Ггц.

Полученное нами значение значительно превышает требуемую полосу пропускания, следовательно, дисперсионные характеристики волокна позволяют организовать РУ протяжённостью 125 км.

Рассчитаем, позволяет ли дисперсия световода организовать РУ протяжённостью 68 км на участке Михайловка-Луговое.

Хроматическая дисперсия согласно формуле (20) на этом участке составляет:

tхр=18×0,6=10,8 пс/км;

С помощью отношения (22) определяем широкополосность:

В==40,1×109 Гц×км;

Из формулы (20) определяем полосу пропускания на длине 68 км:

Bx==1.5×109 Гц;

Требуемая полоса пропускания составляет 2,5 ГГц, полученное значение меньше требуемого, следовательно, протяжённость РУ 68 км не допустима.

Из формулы (20) видно, что дисперсия увеличивается с увеличением ширины спектра излучения источника. Поэтому необходимо выбрать ПОМ с источником излучения, у которого ширина спектра излучения более узкая.

В этом случае параметры ПОМ и ПРОМ совпадают с параметрами ПОМ и ПРОМ на участке Петропавловск-Келеровка, где мы получили значение полосы пропускания 6,9 ГГц на РУ протяжённость 125 км. Поэтому для участка Келлеровка- Кокшетау повторных расчётов делать нет необходимости.

Длина участка регенерации ограничивается затуханием и хроматической дисперсией, но при передачи цифрового сигнала большой полосы (более 2,4 Гбит/с) начинает проявляться еще один вид дисперсии, который носит название поляризационной модовой дисперсии .

Поляризационная модовая дисперсия возникает вследствие различной скорости распространения двух взаимно перпендикулярных поляризационных составляющих моды. Коэффициент удельной дисперсии, Т, нормируется в расчете на один километр и имеет размерность (пс /), а поляризационная модовая дисперсия растет с ростом расстояния по закону:

 (24)

Для учета вклада в результирующую дисперсию следует добавить слагаемое  в правую часть выражения (13).

Поляризационная модовая дисперсия может проявляться исключительно в одномодовом волокне, причем, когда используется передача широкополосного сигнала (более 2,5Гбит/с) с очень узкой спектральной полосой излучения 0,1 нм и меньше.

В одномодовом волокне действительности может распространяться ни одна мода, а две фундаментальные моды - две перпендикулярные поляризации исходного сигнала. В идеальном волокне, в котором отсутствуют не однородности по геометрии, две моды распространялись бы с одной и той же скоростью. Однако на практике волокна имеют неидеальную геометрию, что приводит различной скорости распространения двух поляризационных составляющих мод.

Главное причина возникновения поляризационной дисперсии является нециркулярность (овальность) профиля сердцевины одномодового волокна, возникающая в процессе изготовления или эксплуатация волокна.

Ведущие фирмы - производители обеспечивают выходной параметр поляризационной модовой дисперсии не выше 0,5пс. Однако, следует учитывать, что после инсталляции кабельной системы значении этого параметра возрастает.

Рассчитаем длину участка регенерации с учетом ПМД, тогда результирующая дисперсия:

 (25)

Хроматическая дисперсия при длине линии 125 км определяется по формуле:

 (26)

пс


пс

 

Результирующая дисперсия:

пс

Из расчетов видно, что из за малой величины, ПМД практически не ограничивает требуемую длину РУ.


Проблема поляризационной модовой дисперсии остро встает при обсуждении супермагистралей со скоростью передачи более 10 Гбит/с.

3. Современные методы проектирования и строительства волоконно-оптических линий связи

3.1 Трассировка волоконно-оптической линий связи

Известно, что требования к качеству строительной продукции быстро растут, возрастает и необходимость постоянного повышения общего технического уровня строительных работ, надёжности, долговечности, эстетичности, технологичности строительного производства. Инженерно-геодезические измерения и инженерно-геодезические построения занимают особое место в общей схеме строительных работ. Вопросы точности проведения геодезических работ имеют принципиальное значение, ибо они, в конечном счёте, определяют уровень качества и надёжность объектов строительства.

При оценке надёжности и точности измерений главным является выбор совершенной методики геодезических работ и соответствующих приборов и оборудования, исходя из заданных технологических требований проекта и допусков.

Наиболее важным при строительстве ВОЛС является правильный выбор трассы. Трассировочным работам, прежде всего, предшествует изучение топографических условий и инженерно-геологических изысканий местности, определение протяжённости, направления, геологического строения и состава грунтов района изысканий, в пределах расположения вариантов направления линий и анализ исходных материалов с точки зрения возможности выполнения схематического, а затем более подробного камерального трассирование.

Современные методы трассировки заключается в том, что на практически всех этапах разработки рабочего проекта, топографическая съемка местности, обработка инженерно-геологических материалов и камеральная обработка данных, происходит в цифровом режиме.

Для эффективного принятие проектных и организационных решений по строительству объектов необходимо обладать качественной и объективной информацией о местности. Одним из самых современных методов производство съемочных является спутниковый метод, сутью, которой является определение место положение с высокой точностью по данным спутниковых наблюдений вне зависимости от места, времени суток и погоды.

В настоящее время широко применяются автоматизированные системы проектирования и управления, информационную основу которых составляют цифровые модели местности. Цифровая модель местности содержит метрическую (номера, координаты точек местности), синтаксическую (коды топографических объектов, сведения о порядке и виде соединение точек в контуры), симантическую (технические и кадастровые характеристики объектов), а также служебные информации о местности. Цифровая модель местности может быть представлена графический цифровой карты на магнитных и бумажных носителях ,базой данных или сочетаниях, например в составе ГИС-приложения.* В связи с этим всё большую актуальность и популярность приобретают так называемые цифровые съёмки, результатом которых и является цифровая модель местности. При этом очевидно, преимущество имеют технологии, дающие возможность фиксировать непосредственно в поле метрическую и атрибутивную информацию для цифровой модели местности. Новая технология производства цифровых съёмок, основана на использовании спутниковых геодезических систем реального времени и электронного тахеометра в дополнение к ним. В поле спутниковыми методами в реальном масштабе времени (PMB) определяются с точностью 2-3 см плановые и высотные координаты точек снимаемых объектов. При сборе данных спутниковым методом и электронным тахеометром помимо координат точек фиксируются такие их атрибуты, как код снимаемого объекта, его характеристики комментарии. Эта информация записывается в накопителе в цифровом виде и используется для автоматической рисовки топографического плана и составления связанной с ним базы данных.

Рисунок 5 Цифровая модель местности. Развязка дорог.

Перенеся результаты съёмки на компьютер, исполнитель получает цифровой план снятого участка и при необходимости, дополнив или откорректировав его, использует этот план в специализированных программных приложениях.

Полевое спутниковое оборудование для съёмки состоит из комплекта опорной станции и минимум одного подвижного комплекта, поддерживающих режим PMB.

Базовый комплект состоит из спутниковой антенны, приёмника и передающего радиомодема с радиоантенной. Спутниковая антенна, принимающая сигнал от спутников системы NAVSTAR, устанавливается на обычном штативе над точкой с известными координатами. Это может быть геодезический пункт или произвольно расположенная точка, координаты которой определены из высоко точных статических спутниковых наблюдений. Спутниковый приёмник обрабатывает принятый антенной сигнал и генерирует поправки к данным. Передающий радиомодем транслирует эти поправки в эфир на выбранном частотном радиоканале. При передаче поправок на большие расстояния или работе в сложных условиях, радиомодем, работая автономно, может служить ретранслятором радиосигнала.

Аппаратура подвижного комплекта располагается в специальном чемодане или рюкзаке и переносится исполнителем по определённым точкам. Комплект состоит из спутниковой антенны, приёмника, принимающего радиомодема и управляется многофункциональным контроллером накопителем. Спутниковая антенна закрепляется на вехе с круглым уровнем и устанавливается на точке снимаемых объектов. Приёмник вычисляет местоположение точки, используя данные, принятые по радиоканалу с базовой станции. Исполнитель, таким образом, практически немедленно получает координаты точки нахождения вехи и может сохранить их вместе с атрибутивными данными в контроллере.

Спутниковые приёмники GPS, применяемые для РМВ, могут быть одно- или двухчастотные. Использование двухчастотных приёмников позволяет получить более качественные результаты. Инициализация съёмки двухчастотным приёмником существенно короче - достаточно считанных минут, необязательно в статичном положении.

С приёмником, использующим технологию шумоподавления можно проходить через заросли небольших деревьев без прерывания приёма сигналов.

Таким образом, с помощью комплекта спутникового оборудования для съёмки в реальном масштабе времени и электронного тахеометра в дополнение к нему быстро и эффективно реализуется полевая часть цифровой технологии производства топографических съёмок различного назначения.

Несомненным преимуществами данной технологии перед традиционными способами производства геодезических работ проектировании являются высокое качество результатов (точность, оперативность, цифровой вид) и сокращение времени и стоимости работ. Особо следует отметить, что все собранные в поле данные (как пространственные, так и атрибутивные) имеют окончательный вид, не на одном из последующих этапов использования не изменяются, что обеспечивает их высокую надёжность и достоверность.

Цифровой вид результатов позволяет использовать их в различных форматах для работы в других специализированных программных приложениях.

Примечание- ГИС - Геоинформационная система. Под словом ГИС понимают как конкретное приложение для конечного пользователя, так и инструменты для создания таких приложений, и даже целую область информационных технологий. ГИС- это электронная карта города, электронная схема метро, железных и автомобильных дорог и т.д, с базой данных об объектах, изображённых на картах (схемах). ГИС-карта плюс база данных и анализ.

Рисунок 6 Фрагмент готового рабочего проекта

.2 Прокладка оптического кабеля

Различают следующие методы прокладки волоконно-оптического кабеля в грунте:

·   траншейный или бестраншейный метод при прокладке непосредственно в грунте;

·   протяжка тяжением при прокладке в предварительно проложенную в грунте пластмассовую гибкую трубу.

Так как используемый нами кабель будет иметь большую строительную длину L=6 км. Традиционные методы прокладки, когда всё тяговое усилие воспринимается начальным участком кабеля, оказываются неприемлемыми, что вызывает необходимость применения новой технологий и специальных технических средств. Необходимость прокладки больших строительных при малом допустимом усилий является принципиальным отличием, требующим нового подхода к технологии прокладки кабеля.

При прокладке следует соблюдать особую осторожность, так как мощное кабелеукладочное оборудование в процессе движения может повредить стекловолокно. Особенно вредно сказываются динамические нагрузки при резкой остановке кабелеукладочной машины, крутых поворотов, нарушение синхронности движения машин колонны и т.д.

Руководством по строительству ВОЛС предусмотрен 100%-ный контроль кабеля на кабельной площадке, это позволяет определить соответствие параметров кабеля его паспортным данным.

При пересечении трассы кабеля с другими подземными сооружениями должны соблюдаться следующие габариты по вертикали: от трамвайных и железнодорожных путей - не менее 1 метра от подошвы рельсов; от шоссейных дорог - не менее 0,8м ниже дна кювета, от силовых кабелей выше или ниже 0,5м, от водопровода и канализации - выше на 0,25м; от нефте и газопровода - выше или ниже на 0,5м.

В странах Западной Европы применяется технология прокладки волоконно-оптического кабеля в защитной трубе, что позволяет облегчить силовую конструкцию кабеля и уменьшить силу тяжения кабеля. Эта технология позволяет разделить строительные работы на земляные по прокладке трубы и чисто кабельные - протяжка кабеля, монтаж муфт, измерения. Данный метод позволяет до 100% использовать длину кабеля, что уменьшает количество муфт, затухание в кабеле. Прокладка кабеля в защитную трубу создаёт дополнительную механическую защиту кабеля, защиту от грызунов и от влияющих напряжений. Технология прокладки кабеля в трубе позволяет уменьшить эксплуатационные расходы на весь период эксплуатации кабеля. Замена кабеля позволяет свести к минимуму земляные работы. Прокладка трубы при механизированном способе не требует тщательного контроля за силой тяжения. На пересечениях с автомобильными, железнодорожными путями, водными преградами используется та же самая защитная труба, что позволяет не резать кабель на пересечения.

Рассмотрим подробную особенность прокладки трубы в готовую траншею, а также механизированный способ прокладки.

Прокладка трубы в готовую траншею.Основным требованием к траншее является отсутствие перепадов по глубине, для этого необходимо делать планировку дна траншеи. Одним из главных требований к прокладке трубы является, как можно большая прямолинейность по горизонтали и вертикали, это условие обеспечивает меньшее трение кабеля и большую длину затяжки.

Размотка трубы, как правило, должна производиться с барабана, установленного на кабельной тележке или домкратах. При размотке с барабана строительную длину трубы в начале укладывают на бровку траншеи, а потом постепенно опускают на дно траншеи.

При укладке трубы в траншею необходимо следить за тем, чтобы она лежала свободно, плотнее прилегала ко дну, а радиусы изгибов на поворотах трассы соответствовали требованиям по изгибу трубы.

В грунтах категории скальный грунт траншея копается на 15см глубже поверхности. Дно траншеи на глубину 15см засыпается песком с последующей планировкой. Затем укладывается защитная полиэтиленовая труба, с последующей засыпкой песком на 10-15см. Эта работа предохраняет тубу от повреждения острыми концами скального грунта. Рассмотрим механизированную прокладку трубы.

Прокладка трубы производится с применением тяжёлого кабелеукладчика типа КУ-120.

До начала работы кабелеукладочной колонны трасса в необходимых случаях должна быть спланирована бульдозером (срезка бугров, засыпка выемок, образование плавных спусков при пересечении оврагов и водоёмов) для обеспечения равномерной глубины заложения трубы. Пропорка производится специальными пропорщиками, кожевым кабелеукладчиком или другими пригодными механизмами. В плотных грунтах необходима многократная пропорка на проектную глубину. Перед началом работ необходимо с особой тщательностью проверить: исправность узлов кабелеукладчика, соответствие типа ножа проектной глубине прокладки и радиусу изгиба трубы, отсутствие задиров и острых сварных швов на кассете.

Сцепка тракторов, как правило, осуществляется стальным канатом диаметром 36-40 мм. Расстояние между тракторами должно быть не менее 5м.

При организации железнодорожного перехода используется метод "прокалывания" с помощью гидравлического пресса. Для этого разрабатывают два котлована рабочий "A" и приёмный "Б ". В рабочий котлован устанавливается гидравлический пресс, который продавливая грунт образует отверстие под железной дорогой. В отверстия проталкивают две асбестоцементные трубы (основная и резервная ) диаметром 100мм, затем в основную трубу протягивают защитную полиэтиленовую трубу.

Переход через автомобильные дороги может осуществлятся открытым способом, т. е. разрабатывается непосредственно сама дорога, с последующим восстановлением раскопанного участка дороги, если на это мероприятие даётся специальное разрешение властей. В противном случае переход осуществляется также как и при организаций железнодорожного перехода методом прокалывания. Профиль перехода показан на рис

При организации речного перехода также будем использовать защитную полиэтиленовую трубу. Прокладка через водные преграды производится с учётом Руководства по строительству линейных сооружений магистральных и зоновых кабельных линий связи.

Особенностью прокладки трубы в отличии от кабеля является то, что существует необходимость создания балласта, доля того чтобы труба легла на дно следа ножа кабелеукладчика. Для этого перед началом работ на барабан наматывается труба с подвешенным грузом длинной больше чем поверхность водной глади препятствия.

Длина определяется с учётом состояния берегов (срезка берегов, заболоченность и.т.д.). В качестве груза используются подручные материалы: трос, бросовый кабель и др. На один погонный метр трубы должно приходится 1-2кг балласта. Наиболее часто используют в качестве груза тросс диаметром 10мм.

Полиэтиленовую трубу прокладывают на глубине 2м от неподвижных грунтов. Работы по осуществлению перехода ведутся в период, когда уровень воды в реке минимальный. При этом организуют отвод воды на одну половину реки путём сооружения насыпей с помощью бульдозеров вдоль реки. После окончания работ на одной половине, переводят поток воды на другую половину реки.

Река Меркенка имеет небольшую ширину до 50 м. Поэтому такой способ организации перехода является наиболее целесообразным. В случае, когда трасса пересекает широкие реки, (таких на проектируемой магистрали не существует) кабель опускают непосредственно на дно реки.

При организации переходов через водные преграды кабель в обязательном порядке должен быть зарезирвирован. На месте организации перехода на проектируемой магистрали существует мост, обеспечивающий проезд автотранспорта через реку. Резервный створ целесообразно будет организовать через этот мост в этом случае также будем применять защитную полиэтиленовую трубу, которая прикрепляется к мосту с помощью специальных скоб. Рассмотрим организацию перехода через препятствие с использованием машины горизонтально- направленного бурения.

Наиболее трудоёмким при проведении работ по прокладке полиэтиленовой трубы считается прохождение рек, автомобильных и железных дорог. Особенно это касается организации речных переходов. Так как прокладка трубы ведётся открытым способом, это нарушает гидрологические и биологические процессы при прохождении рек.

В отличие от традиционного способа строительства с углублением дна, разработкой и последующей засыпкой траншеи, метод горизонтально- направленного бурения является бес траншейным. Он практически не влияет на естественное состояние участка производства работ.

Машина горизонтально-направленного бурения чаще представлена в виде самоходной машины с буровой установкой, набором бурильных штанг и операторским местом с электронным пультом управления. С помощью бурильной системы VERMER можно производить различные подземные прокладки труб диаметром до 500мм и длиной до 400 м (в зависимости от качества грунта). Строительство бестраншейного перехода трубопровода под реками, дорогами включает в себя несколько основных этапов:

Наклонно направленное бурение под дном, например водной преграды с началом на одном из берегов и выходом на противоположном берегу в заранее намеченную точку. В начале бурится направляющая скважина небольшого диаметра, траектория бурения контролируется по радиосигналу датчика, встроенного в бурильную колонну. В процессе бурения происходит уплотнение стенок скважины при помощи вращающейся головки. Из вращающегося наконечника спереди выдавливается биологически безопасная жидкость (бентонит), которая взрыхляет грунт и одновременно укрепляет стенки пробурённой скважины. Давление жидкости регулируется с буровой машины.

·   расширение скважины. После окончания первоначального пробуривания бурильные наконечники заменяются более широкими насадками разного размера. Таким образом, осуществляется последовательное расширение канала до нужного размера. Число расширений зависит от местного ландшафта, профиля рек, ширины, почвенных условий.

·   Протяжка в скважину полиэтиленовой трубы. При вытягивании бура диаметр скважины расширяется более широкими буровыми насадками и одновременно в скважину втягивается полиэтиленовая труба.

Метод горизонтально- направленного бурения даёт следующие преимущества:

1)   Прокладка трубы под дном рек, под железным полотном или автомобильной дорогой, методом наклонно-направленного бурения в три раза дешевле по сравнению с традиционным методами.

2)   Ненарушаются гидрологические процессы, работы проводятся на расстоянии свыше 100 метров от береговых урезов.

3)   Не требуется проведение берегоукрепительных работ.

4)   Метод горизонтально - направленного бурения является экологически безопасным. В частности при бурении и укреплении стенок скважины применяются специально разработанные буровые растворы на основе не токсичных бентонитовых глин.

Трубки соединяются специальными пластмассовыми муфтами,

компенсирующими увеличение и уменьшения их длины при изменении температуры.Для соединения трубок используются также пластмассовые резьбовые и электросварные муфты. При соединении концы трубок плотно подгоняют друг к другу, а с их внутренних и наружных поверхностей удаляют заусенцы.

Пластмассовая резьбовая муфта представляет собой трубку с правосторонней наружной резьбой на одном конце и левосторонней - на другом. Муфта имеет две гайки, навертываемые с концов трубы и две внутренние фиксирующие шайбы. Различают муфты соединительные - для трубок одинакового диаметра, переходные - для соединения трубок разных диаметров. При монтаже резьбовой муфты на один из соединяемых концов трубок одевается гайка и внутренняя фиксирующая шайба, после чего трубка вставляется до упора на центральную перегородку. Гайка навинчивается на среднюю часть, затем - фиксирующая шайба с гайкой. Вторая трубка вставляется в муфту также до упора и затягивается вторая гайка.

Электросварная муфта представляет собой полиэтиленовую трубку, на внутреннюю поверхность которой нанесён слой высокоомного проводника. Концы проводника выведены на поверхность муфты в специальные клеммы. Рядом с клеммами расположены отверстия для контроля качества сплавления. Сварочное напряжение составляет 39,5 В, максимальная сила тока - 99 А. Сварка муфты с трубками выполняется в течение времени, указанного на муфте или в её паспорте. Время сварки задаётся автоматическим или ручным регулятором. При нормальной сварке появляется расплавленный полиэтилен в контрольных отверстиях муфты. После окончания сварки клеммы на поверхности муфты срезаются.

Компенсирующая муфта содержит поливинилхлоридную трубку с внутренней поверхностью из полиэтилена с рифлёным профилем. В трубке на расстоянии 40см от одного конца и 19,5 см от другого имеется перегородка. Захватывающий наконечник, плотно обхватывающий трубку и гладкий наконечник, позволяющий концу трубки свободно перемещаться, расположенные с разных сторон муфты, обеспечивают герметичность.

Компенсирующую муфту монтируют так, чтобы в гладкий её захват вводился конец трубки, подвергающийся большому температурному влиянию (конец трубки, проложенный по мосту).

Муфта надевается на трубу со специальной смазкой (нанесённой для облегчения установки) со стороны захватывающего наконечника и перемещается до упора трубки в перегородку. Затем в гладкий захват муфты вводится вторая трубка.

Все проложенные трубы проверяются на герметичность на участке между двумя смежными вводами в служебно-технические здания, но на участке не короче, чем между двумя смежными соединительными муфтами на ВОК.

Непосредственно перед прокладкой проверяются на герметичность и проходимость с помощью губчатого цилиндра (из поролона), перемещаемого потоком воздуха.

Песок, земля и небольшие камни удаляются с помощью цилиндра, задуваемого в трубку сжатым воздухом. Очистку трубы от слежавшегося песка, грязи при наличии сквозного канала для прохода воздуха проводят сжатым воздухом с последующей продувкой губчатого цилиндра.

При проверке герметичности оба конца смонтированных на участке проверки трубок заделываются специальными пластмассовыми заглушками, а в трубку закачивается избыточный воздух. В герметичной трубе давление долгое время не уменьшается.

Место непроходимости или нарушения целостности трубки можно определить по скорости цилиндра с радиопередатчиком: непроходимость вызывает останов, а негерметичность - останов или резкое снижение скорости.

В последнем случае место негерметичности определяется повторной продувкой цилиндра с датчиком через трубку под меньшим давлением. Результаты тестирования трубок на проходимость и герметичность оформляются протоколом.

Если полностью смонтировать трубу на участке прокладки ОК временно не удаётся, то уложенные трубы содержатся под избыточным давлением воздуха 0,5-1,0кГс/см2 с проверкой давления в них один раз в две недели.

Камеры устанавливаются для размещения соединительных муфт ВОК, а также для размещения запасов этих кабеле. Место установки каждой камеры определяется представителями организации, выполняющей прокладку трассы, совместно с представителями заказчика с учётом длинны кабеля на каждом конкретном барабане, условий трассы.

Камеры устанавливаются в непосредственной близости от места перехода трубок на мост с одной или двух его сторон. Выбор места для установки камеры зависит от длины прокладываемого кабеля. Следует учитывать необходимость укладки в камеру с соединительной муфтой запаса ВОК с длиной колец каждого конца не менее 8 м для монтажа муфты. В случае сухих грунтов при уровне грунтовых вод ниже глубины промерзания камера устанавливается в котловане на выровненное и уплотнённое песчаное основание и засыпается дренирующим грунтом. В глинистых и мокрых грунтах при выходе грунтовых вод на поверхность, камеры обваловывают. При нахождении подземных вод ниже поверхности грунта, но выше глубины промерзания камеры устанавливаются в котловане выше уровня подземных вод на 20 см. На заболоченных сооружаются специальные основания или устраиваются насыпи.

В месте установки камеры трубы вырезаются так, чтобы можно было соединить их с патрубками камеры. После прокладки кабелей в трубопроводе, трубы с патрубками камеры соединяются резьбовыми пластмассовыми переходными муфтами.

Все работы по подготовке концов труб и патрубков камеры к соединению выполняются до прокладки ВОК. После ввода концов ОК в камеру (при монтаже соединительной муфты) или укладке колец кабеля (при установке камеры под мостом) и соединения трубок в патрубок камеры вставляется проходная заглушка: изнутри камеры (если ОК проложен после соединения с камерой) или снаружи камеры (если ОК проложен в трубке до её соединения с камерой).

Впервые метод и устройство задувки кабеля были запатентованы в Швейцарии. Устройство представляет собой компрессор и имеет три различных модификации: Minijet - для задувки кабелей диаметром до 6 мм, Cablejet-для задувки кабелей диаметром от16 до 18 мм, Superjet- для кабеля диаметром от 15 до 35 мм. Привод подачи кабеля Cadlejiet работает от встроенного пневмодвигателя по такому же принципу работает Minijet, но с пневмодвигателем менее мощным. Привод Superjet работает от двух гидромоторов, которые запитываются от агрегата с бензиновым или электрическим приводом. Поэтому устройство Superjet предназначено для тяжёлых и жёстких кабелей имея повышенное усилие подачи кабеля.

Все устройства имеют измерительные приборы, которые показывают длину проложенного кабеля и скорость прокладки в трубе. Прокладка производится потоком воздуха, который с высокой скоростью прокачивается через трубу и поддерживает кабель в подвешенном состоянии, таким образом, сила трения между оболочкой кабеля и внутренней поверхностью трубы почти отсутствует на всём её протяжении. Таким образом, кабель может свободно двигаться в трубе и легко проходить через все изгибы, даже если они частые и крутые. Компрессор должен обеспечивать рабочее давление 8-12бар с подачей воздуха 10м3/мин. Температура воздуха не должна превышать +50 С. Устройство для задувки ОК в трубу устанавливается около соединительных муфт.

Вдувание кабеля может производится с использованием одновременно двух или более комплектов. В последнем случае один комплект размещается в начале трубки, а другой - на расстоянии 700-3000м. При использовании одного комплекта оборудования барабан с ВОК размещают у начала уложенной в землю трубки. Кабель длиной, необходимой для прокладки на всём участке смонтированного трубопровода (например, между камерами), вдувается в трубу первого участка прокладки, принимается на её конце и укладывается вручную восьмёрками. После прокладки ОК на первом участке механизм для вдувания кабеля и компрессор перемещают от первого котлована ко второму.

При наличии двух комплектов оборудования конец ОК, подаваемого в трубку первого участка с кабельного транспортера, после выхода у второго котлована вдувается в трубку второго участка трассы до камеры. При этом комплект оборудования у первого и второго котлована работают синхронно.

При наличии на трассе уклонов и подъёмов прокладку ВОК начинают, по возможности, вниз по уклону. Подъёмы в начале трассы сокращают длину подлежащего прокладке отрезка ОК (растяжение ОК на седловине), чем подъёмы в конце.

Разработан так же метод протяжки гибких ОК диаметром 2мм с одним или несколькими пучками ОВ (в каждом до 7 ОВ) потоком сжатого воздуха. За один цикл затягивается более 500м ОК. Используется трубка диаметром 28мм из термостойкого материала, содержащая 7 трубок диаметром 6мм каждая. Используемые пластмассовые трубки допускают их прокладку, как бестраншейным способом, так и прокладку в открытую траншею. Трубки диаметром 25-63мм поставляются изготовителем на барабанах с длиной 600-4000м. Внутренняя поверхность трубок имеет покрытие, снижающее коэффициент трения.основные технические характеристики применяемой защитной полиэтиленовой трубы приводятся в приложении 1.

Защитная полиэтиленовая труба поставляется заводом на металлических барабанах высотой 2,8м, шириной 1,6м. Длина трубы на барабане 2,5-2,7км, концы трубы закрыты.

Все работы по прокладке трубы следует производить при температуре не ниже 0ºС.

Одним из наиболее важных моментов при строительстве ВОЛС является маркировка трассы. К маркировке трассы относятся сигнальные столбики, сигнальная лента и электронные маркеры. Они необходимы для предупреждения и облегчения поиска проложенного кабеля. Наиболее подробно рассмотрим новые технологии при маркировки трассы: сигнальные ленты и электронные маркеры.

.12.1Сигнальная лента (лента индикатор).Локационные ленты во многих случаях неудобны для мерометрического волнового определения, так как для защиты от коррозии все они имеют нержавеющие локационные провода, которые являются плохими проводниками. При использовании обычного инструмента для детекции, лента обнаруживается с трудом, или в зависимости от грунта не определяется вовсе. В результате о направлении неметаллических линий остаётся только догадываться. Результат экскаваторных и подземных работ в таких случаях очевидны. Эти проблемы ушли в прошлое благодаря сигнальным индикаторным лентам.

Сигнальная лента представляет собой полиэтиленовою ленту толщиной абсолютно нейтральна к окружающей среде, устойчива к нагреву, к холоду и 0,15мм и шириной 40мм с тремя впаянными медными проводниками. Лента влаге даже в агрессивных контурах. Прозрачная, устойчивая против царапин ламинация обеспечивает длительную защиту маркировки, что делает возможной немедленную идентификацию типа линии. Два изолированных медных провода для активной индикации являются цельными на всю длину кабеля. Один медный провод для локации манометрическими волнами делает эту ленту универсальным изделием для всех традиционных методов локации. Сигнальная лента повышает эффективность не только при мерометрической волновой, но и при гальванической и индуктивной локации, при этом укладка ленты так же проста, как и система её создания.

4.12.2 Электронные маркеры. Данное изделие так же обеспечивает бес проблемное определение неметаллических линий. В основную задачу электронных маркеров входит маркировка ВОК и трубопроводов, отметка подземных муфт, мест ответвления, мест пересечения кабелей и дорог и т.п.

Электронные маркеры представляют собой шаровидные, либо изготавливаемые в виде дисков, из пластика с вмонтированными долговечными пассивными индикаторными катушками.

В процессе строительно-монтажных работ маркеры закапываются над кабелем на определённую глубину, в зависимости от назначения электронного маркера. Поиск маркеров осуществляется с помощью компактного устройства - локатора. Локатор посылает высокочастотный сигнал в размещённый под землёй маркер, маркер передаёт этот сигнал обратно в локатор, при этом раздаётся сигнал и на экране локатора появляется цифровое показание.

Места расположения маркеров можно определить с точностью до 10см, даже спустя годы после его размещения под землёй. При этом для сетей связи маркеры имеют определённую окраску и настроены на определённую частоту, что сводит к минимуму случайное использование маркеров, используемых на сетях газопровода, водопровода и т.д.

Система состоит из активной части - локатора и пассивной части - маркеров, локатор (приёмник, передатчик и антенный зонд) отличается небольшим весом и компактной конструкцией.

Маркер состоит из пассивных электронных колебательных контуров fср=100кГц. Их кислостойкий пластмассовый корпус обеспечивает практически неограниченное по длительности функционирование прибора. Могут поставляться 4 различных вида маркера: маркер, минимаркер, шарообразный маркер и штыреобразный маркер. Данные виды подразделяются между собой по глубине установки. Система работает по 4 различным частотам, и каждый пользователь, таким образом, может промаркировать индивидуально.

Маркеры нельзя подносить к металлическим предметам или устанавливать под кабелем. Между маркером и металлом должно быть расстояние минимум 10см.

При проведении работ по прокладке полиэтиленовой трубы в движущихся песках остро встаёт вопрос по защите ВОЛС от выветривания.

Одним из наиболее эффективных способов защиты от выветривания ВОЛС является применение камышовых матов. Применение камышовых матов несёт в себе большое количество достоинств, таких, как лёгкость, долговечность и простота в использовании. Камышовые маты представляют собой плотно связанные суровой ниткой или проволокой камышовый тростник, размеры матов составляют 800х500х80мм.

Маты укладывают вертикально прохождению ВОЛС, над кабелем при прямой прокладке в грунт. Маты выставляются квадратами с размером 2х2м и выстраиваются в шахматном порядке по одному, два и местами три квадрата. Укладывание матов в квадрат в шахматном порядке, надёжно защищает кабель от выветривания при любом направлении. Таким образом, движение песков перекрывается по исполнению и практичным по применению барьеров из камышовых матов.

Таблица 2 Технические параметры маркеров связи

 Наименование параметров

Тип маркеров

 

 


Маркер

Мини-маркер

Шарообраз-ный маркер

Штыре- образный маркер

 

Диаметр,см

38,1

21,3

12

1,7

 

Толщина,см

2,5

3

 -

7,9

 

Вес,гр

800

130

350

25

 

Макс.рабочая температура,С

от -30 до +66

 

Температура хранения,С

от -40 до +75

 

Макс.глубина установки,не менее

От 0,71 до 1,8

от 0,7 до 1,2

от 0,6 до 0,8

0,3

 

Чувствитель-ность при приближении

2

1,5

0,8

0,6

 

Метод установки

горизан- тально

Горизонта-льно

Любое

Перпендику- лярно

 

Применение на ВОЛС

У берегов рек

Муфта

Трасса

на дорогах под асфальтом


Примечание - В скальных грунтах маркеры устанавливаются на глубине прокладки кабеля, но не более 0,6м.

Для достижения необходимых параметров передачи ВОЛС и высоких эксплуатационных характеристик ВОСП метрологическое обеспечение строительства и технической эксплуатации должно предусматривать возможность контроля практически всех операций монтажа оптического кабеля, измерения основных параметров ВОЛС. Основные задачи метрологического обеспечения заключаются в измерении:

1. Величин затухания и дисперсии ОВ на строительных длинах ВОК до и после прокладки с целью проверки их соответствия паспортным значениям.

2. Дисперсии и затухания в муфте после монтажа ОВ с целью контроля качества соединения волокон.

3. Величин затухания и дисперсии на всех РУ.

Приёмосдаточные испытания производятся представителями строительной организации и организации планируемой, планируемой для эксплуатации построенной ВОЛС. Суть приёмки заключается в соответствующих измерении параметров передачи ОВ на полностью готовых регенерационных участках между оконечными разъемами ОК. На ВОЛС с высокой пропускной способностью, организованной на ОК с одномодовыми ОВ, измеряются затухание и дисперсия всех волокон на регенерационном участке. Измерения должны производиться при условиях, максимально приближенных к рабочим (спектр излучения, методы ввода и вывода излучения). Величины затухания, группового времени прохождения, дисперсии ОВ измеряются в обоих направлениях передачи, что позволяет учитывать неоднородность ВОЛС и выбрать оптимальный вариант использования каждого ОВ.

Данные измерении в обоих направлениях передачи заносятся в паспорт ВОЛС, по которым определяют статистические характеристики ОК на измеряемом РУсредние значения ослабления, группового времени прохождения , дисперсии).

Особенностью паспорта ВОЛС является повышенное требования к точности выполнения схемы прокладки ВОЛС. Трасса прохождения ОК и сведения о местоположении необслуживаемых регенерационных пунктов, определённые с помощью рефлектометра, а также привязка трассы к ориентирам на местности должны быть нанесены на схему трассы ВОЛС с точностью не хуже 0,4м.

Рефлектометр, как измерительный прибор реализует метод обратного рассеяния, в основу которого положено явление обратного рэлеевского рассеяния. В процессе проведения измерений контролируемое волокно зондируют через разветвитель мощными оптическими импульсами небольшой длительности. Из-за отражений от распределённых или локальных неоднородностей возникает поток обратного рассеяния. В процессе регистрации этого потока определяется затухание кабеля, как функция его длины, анализ которой позволяет выявить местонахождение, характер неоднородностей и величину вносимых локальных и распределённых потерь. Полученные результаты представляются в визуальной форме, что обеспечивает гораздо более точные определения характеристик неоднородностей и причины их возникновения.Упрощённая структурная схема рефлектометра изображена на рисунке 7.

Управляющий процессор обеспечивает согласованную работу полупроводникового лазера и электронного осциллографа. Для ввода оптических импульсов в волокно используется направленный ответвитель с оптическим соединителем. Поток обратного рассеяния через ответвитель поступает на фотоприёмник, где преобразуется в электрическое напряжение, подаваемое в свою очередь, на вход вертикальной развёртки Y-осциллографа. На экране последнего происходит формирование кривой обратного рассеяния.

При проведении измерений оптическим рефлектометром значение расстояния, которое показывает прибор, например до муфты не соответствует реальному расстоянию. Это связано с тем что, рефлектометр показывает оптическую длину линии связи, которая всегда больше физической. Так, например, при обрыве к волокна необходимо знать точное расстояние от источника до места повреждения.

Рисунок 7 Структурная схема оптического рефлектометра

Не соответствие значений объясняется тем что, при прокладке линии на каждой муфте оставляют эксплуатационный запас кабеля lз=8 м, а также при вводе в станцию предусматривается запас lз.с=50 м.

Таким образом, расстояние от станции до первой муфты составит:

L1м=lстр.-lз.с-lз

L1м=6000-50-8=5942 м

Расстояние между последующими муфтами:

LNм=lстр.-2lз

L1м= 6000-

Оптическая длина линии связи определяется из формулы:


В реальных условиях станционный запас, а также запас на муфте может по каким либо причинам колебаться в некоторых пределах. Поэтому необходимо учесть возможные отклонения, путём введения коэффициентов. Тогда формула приобретает вид:


где КЗС и КЗ -- коэффициенты, учитывающие отклонение от нормы.

Например, если на станции оставили запас 40 м то коэффициент КЗС=0,8.

Рассчитаем оптическую протяжённость линий связи на регенерационных участках. Для участка протяжённостью 125 км:

 м

 

Для участка протяжённостью 68 км:

 м

Для участка протяжённостью 65 км:

 м

 

Для участка протяжённостью 105 км:

 м

Рисунок 8 Оптическая протяжённость линий связи

4. Расчёт параметров основного электрооборудования электропитания

.1 Электропитающие установки

Предполагается использование кислотных аккумуляторов. Ёмкость аккумуляторных батарей зависит от тока нагрузки во время разряда, Iав, А, в условиях отсутствия напряжения во внешней цепи переменного тока или отключённых буферных выпрямительных устройствах.

Номинальная ёмкость каждой группы аккумуляторной батареи из аккумуляторов типа С и СК, приведённая к режиму десятичасового разряда, может быть определена по формуле:

 (31)

где tp - расчётное время разряда батареи;

hq - коэффициент отбора ёмкости, зависящий от интенсивности разряда аккумуляторов;

t - наинизшая температура электролита аккумуляторов, которую принимают равной наинизшей расчётной температуре аккумуляторного помещения.

Для вновь строящихся зданий, а также зданий старой постройки с центральным отоплением эта температура принимается равной +150 С, а для существующих зданий с печным отоплением +100 С.

Таким образом, коэффициент 1+0,008(t-25)=0,92 - 0,88. В практических расчётах часто усредняют этот коэффициент, принимая его равным 0,9. Тогда:

 (32)

 (33)

Для определённых режимов разряда формула может быть ёщё упрощена. Принимаем трёхчасовой разряд тогда:

 (34)

Для электропитания аварийного освещения ЛАЦ и АДЭС общей площадью 100м2 по норме 2Вт на 1м2, при напряжении 48 - 53,5 В потребуется ток:

 (35)


Таким образом от аккумуляторной батареи батареи во время разряда потребуется ток:

IАВ=I+Iао (36)Ав=3+4,2=7,2 А

Ёмкость аккумуляторной батареи:

 

Ток резервного или зарядного выпрямительного устройства для свинцокислотных аккумуляторных батарей может быть определён из формулы:

Ioзап=iзNnб (37)

Где iз - зарядный ток на один индексный номер батареи, А, для батареи разряжающейся в трёхчасовом режиме 2 А;

N - индексный номер принятых аккумуляторовl;

Nб - число групп аккумуляторной батареи.

Индексный номер определим по формуле:

 (38)

где - удельная ёмкость одного номенклатурного номера аккумуляторов, для свинцокислотных =36.

Ioзап= А

Мощность потребляемая выпрямительными устройствами рабочего комплекта, рассчитывается по формуле:

 (40)

где Uб - буферное напряжение одного элемента, В;

n - число элементов в буферной аккумуляторной батарее.

В нашем случае Uб=2,086 В. Тогда:

кВт

Мощность потребления запасным преобразователем, Рпот.зап., кВт:

 (41)

UЗ - конечное зарядное напряжение одного аккумулятора, В;

=0,013 кВт

После аварийное потребление от сети или от резервной ДЭС:

Рппот.рпот.зап (42)

Рп=1,1+0,013=1,113 кВт

В качестве электропитающей установки можно применить финское оборудование фирмы "EROFE". Данные системы имеют следующие показатели:

Параметры:

Выходное напряжение, В……………………………..24, 48, 60, 110, 125

Выходной ток, А……………………………………………….от 3 до 720

Выходная мощность, Вт…………………………………от 300 до 40000

Входное напряжение, В…………………………………….от 187 до 264

Сетевая частота, Гц…………………………………………….от45 до 65

Температура эксплуатации, 0С………………………………от -5 до +45

Системы питания комплектуются герметизированными батареями ёмкостью от 1,2 до 3000 .

.2 Расчет токораспределительной сети на минимум проводникового материала

В многоступенчатых токораспределительных сетях экономичное расходование проводников зависит от правильного оптимального распределения потери напряжения по ступеням сети. При расчете на минимум проводникового материала, совмещаемого с расчетом на потерю напряжения, исходными являются следующие данные сети:

. Допустимая полная потеря напряжения в сети, начиная от источника тока и кончая последним потребителем, наиболее удаленным от источника.

2.       Нагрузка всех ответвлений, магистралей и фидеров, составляющих рассматриваемую токораспределительную сеть.

3.       Длина всех ответвлений, магистралей и фидеров. Расчет сводится к распределению сечений участков радиальной сети пропорционально сумме моментов токов и мощностей всей сети, питаемой через эти участки.

Расчет сечения магистральной линий постоянного тока имеющей ответвления, на потерю напряжения производится по формуле:

 (43)

где n - число проводников шин или шин кабеля в магистралей;

IH - ток нагрузки на всех участках сети, А;

p - коэффициент характеризующий электропроводимость металла провода. Для алюминия p = 33.

DUnp - допустимая потеря напряжения во всей токораспределительной сети от рассчитываемого участка сети до последнего, наиболее удаленного потребителя, В;- длина трассы линии, м;

Величина S(IHL), учитываемая при расчете потери напряжения в фидере, соединяющем, например, аккумуляторную батарею с зарядно-разрядным щитом или батарейным щитком, должна приниматься полностью. При расчете следующего участка токораспределительной сети в расчете учитывается S(IHL) всех последующих участков, исключая лишь момент тока первого, уже рассчитанного участка, а расчетная величина DUnp принимается как разность:

 (44)

где DUпр - полная потеря напряжения в токораспределительной сети;

DUпр1 - потеря напряжения на первом участке, определяемая после выбора реального сечения этого участка по стандарту q1. Это сечение должно быть ближайшим по сравнению с определенным по формуле (1).

Фактическая потеря напряжения на первом участке сети определяется по формуле:

 (45)

В этой же последовательности производится расчет всех остальных участков сети. Выбранные таким образом сечения ее участков являются минимальными с точки зрения наименьшего расхода проводниковых материалов.

Схема рассчитываемой сети номинальным напряжением 48В представлена на рис.1. На этой схеме все точки ответвлений пронумерованы. На каждом участке указана его нагрузка в амперах и длина в метрах.

Рисунок 1-- Расчетная схема сети постоянного тока

Предположим что полная потеря напряжения DU = 0,8 В. Подсчитаем сумму моментов для расчета первого участка сети 1-2:


Расчетное сечение первого участка при двух проводной сети из алюминиевых шин по формуле (1) составит:


Выбираем алюминиевую шину размером: q1 = 30 × 4 = 120 мм2.

Действительная потеря напряжения в первом участке по формуле (3):


Для участка (2-5):


Потеря напряжения для второго участка 2-5 рассчитывается по формуле:


Выбираем шину: q3 = 15×2 = 30 мм2

Действительная потеря на участке 2-5:


Допустимые потери для участка 2-4:

Потеря напряжения на уастке 2-3:


На участке 3-4:


Потери на всей сети:


Полученное таким образом значение меньше допустимого.

5. Надёжность линий связи

.1 Показатели надежности

Требуемая быстрота и точность передачи информации средствами электросвязи обеспечиваются высоким качеством работы всех звеньев сети электросвязи: предприятий, линий связи, технических средств. Обобщающим показателем качества работы средств связи является надёжность.

Надёжностью называется свойство объектов выполнять свои функции с требуемыми показателями качества, определяемыми системой нормативно-технической документацией в заданных условиях работы и в заданное время. Надёжность отражает влияние главным образом внутрисистемных факторов - случайных отказов техники, вызываемых физико-химическими процессами старения аппаратуры, дефектами её изготовления или ошибками обслуживающего персонала.

Понятия надежности регламентированы государственными стандартами Применительно к ВОЛС основные понятия и показатели надежности могут быть определены следующим образом.

Отказ оптического кабеля - событие, заключающееся в нарушении работоспособного состояния одного, несколько или всех ОВ.

Повреждение оптического кабеля - событие, заключающееся в нарушении исправного состояния ОК при сохранении работоспособного состояния его ОВ.

Работоспособность оптического кабеля - состояние ОК, при котором значения всех параметров, характеризующих способность передавать сигналы электросвязи с заданными показателями качества, соответствуют требованиям нормативно-технической документации.

Ремонтопригодность оптического кабеля - свойство ОК, заключающееся в приспособленности к поддержанию и восстановлению работоспособного состояния путем технического обслуживания и ремонта.

Надежность ВОЛС - свойство ОК и линейных сооружений сохранять во времени в установленных пределах значения всех параметров, характеризующих способность выполнять требуемые функции в заданных режимах и условиях применения, технического обслуживания и транспортирования.

Надежность является комплексным свойством, которое в зависимости от условий строительства и эксплуатации может включать долговечность, ремонтопригодность и сохраняемость, либо определенное сочетание этих свойств.

Вероятность безотказной работы оптического кабеля - вероятность того, что ОК окажется в работоспособном состоянии в произвольный момент времени, кроме планируемых периодов, в течение которых ОК или аппаратура ВОЛС подвергается профилактическому контролю.

Готовность ВОЛС - работоспособность ВОЛС в произвольный момент времени, кроме планируемых периодов, в течение которых ОК или аппаратура ВОЛС подвергается профилактическому контролю.

Коэффициент готовности ВОЛС - вероятность того, что ВОЛС окажется в работоспособном состоянии в произвольный момент времени, кроме планируемых периодов, в течение которых кабель подвергается профилактическому контролю.

Наработка на отказ ВОЛС средняя - среднее значение времени наработки ВОЛСС между двумя последовательными отказами (от времени восстановления ее работоспособного состояния после отказа до времени следующего отказа с момента ввода в эксплуатацию).

Время восстановления оптического кабеля - продолжительность восстановления работоспособного состояния двух или нескольких ОВ в ОК.

Время восстановления ВОЛС среднее - среднее время восстановления ВОЛС, определенное с момента ее ввода в эксплуатацию.

Время ремонта оптического кабеля - продолжительность времени восстановления ОК до исправного состояния.

Сохраняемость оптического кабеля - свойство ОК сохранять в заданных пределах электрические, оптические и механические параметры в течение срока транспортировки и хранения в соответствии с условиями изготовления (поставщика) ОК.

Долговечность оптического кабеля - свойство ОК сохранять работоспособное состояние до выхода одного или нескольких его параметров за допустимые пределы при установленной системе технического обслуживания и ремонта.

Срок службы оптического кабеля (ВОЛС) - календарная продолжительность работоспособного состояния ОК (ВОЛС) с момента ввода в эксплуатацию до момента времени, при котором стоимость технического обслуживания и ремонта ОК становится сопоставимой со строительством новой ВОЛС.

На надежность ВОЛС существенное влияние оказывает наличие броне- покровов в конструкции ВОК. Как показывает практика эксплуатации кабелей связи, отсутствие броневого покрова приводит к увеличению вероятности повреждений его от механических нагрузок и как следствие к значительным экономическим потерям, которые связаны с большим объемом передаваемой информации (особенно на магистральных ВОЛС). В данном проекте предполагается использовать кабель без бронепокрова, но с использованием защитной полиэтиленовой трубы, которая обеспечивает защиту кабеля от механических нагрузок, а также создает барьер против проникновения влаги.

Следовательно, использование полиэтиленовой трубы как защитного средства повышает надежность проектируемой ВОЛС. Преимущества прокладки кабеля в трубе описаны в соответствующей главе данного проекта.

На этапе эксплуатации повышение качества функционирования ВОСП обеспечивается введением программно-технических средств полной автоматизации технической эксплуатации, что позволяет повысить оперативность обнаружения, а также локализации и устранения возникающих неисправностей, что приводит к уменьшению коэффициента простоя системы в целом.

Структурное и поэлементное резервирование, наряду с автоматизацией и централизацией функций технической диагностики в процессе эксплуатации ВОСП, способствует повышению надежности сетей связи. В настоящее время строительство магистралей в РК ведутся на основе технологии SDH. При этой технологии обеспечивается централизация управления сетью в целом, высокое качество диагностики, оперативное переключение потоков в обход поврежденного участка, что несомненно повышают надежность системы связи. Так же строительство магистралей по кольцевой структуре, как показывает практика, обеспечивает необходимую надежность, а так же соответствует заданному значению рентабельности.

Таким образом, для повышения надежности ВОСП при эксплуатации необходимо:

1. Начинать восстановление в предотказовом состоянии, если нет данных об отказе.

2. Не прерывать восстановление предотказового состояния при получении данных об отказе, если по времени выполнено больше половины работ, включая время подъезда, по устранению неисправности.

3. Определить приоритетность восстановления при возникновении нескольких неисправностей на сети, исходя из информации в базе данных (в частности, с учетом интенсивностей переходов из предотказового в отказовое состояние).

Похожие работы на - Проектирование и расчет волоконно-оптической линии связи на участке Тараз–Алматы

 

Не нашли материал для своей работы?
Поможем написать уникальную работу
Без плагиата!
Без нейросетей!