Проектирование автоматизированной системы расчётов на микропроцессорных элементах
Содержание
Введение
Задание
. Структурная
схема системы автоматизации
.
Формулировка задачи автоматизации
. Выбор
задающих и исполнительных элементов системы
. Выбор и
обоснование выбора микропроцессорного элемента
. Расчет
нагрузочных характеристик микроконтроллера
. Составление
электрической схемы и спецификации элементов
. Блок-схема
. Написание
программного обеспечения
Заключение
Список
литературы
Введение
автоматизация микропроцессорный управление
алгоритм
Целью курсовой работы является проектирование АСР на
микропроцессорных элементах.
Для достижения этой цели следует выполнить следующие
пункты задания:
1
составить
структурную схему системы автоматизации;
2
сформулировать
задачу автоматизации;
3
выбрать
исполнительные и задающие элементы;
4
выбрать и
обосновать выбор микропроцессорного элемента управления;
5
рассчитать
нагрузочные характеристики элементов;
6
составить
электрическую схему и спецификацию элементов;
7
составить
алгоритмическую схему управления;
8
написать
программное обеспечение.
Задание
Включить насос при следующих условиях:
- Включена кнопка "пуск"
- Отключена кнопка "стоп"
- Нет аварийного сигнала с датчика двигателя
- Нет сигнала с датчика уровня жидкости
Отключить насос при обратных значениях этих сигналов
1.
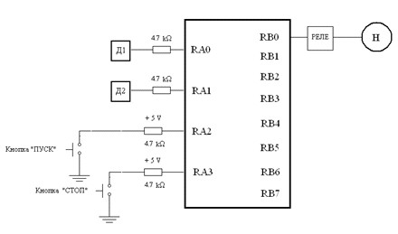
Структурная схема системы автоматизации
Структурная схема составляется с целью формулировки и конкретизации
задачи управления. Обязательным компонентом решения задачи автоматизации в
данной курсовой работе является использование микропроцессорного элемента
управления. Структурная схема должна включать в себя микропроцессорный элемент
управления (микроконтроллер), входные и исполнительные элементы.
Рис.1 Структурная схема системы автоматизации
На рисунке 2 показана структурная схема системы автоматизации, ниже
основные элементы системы автоматизации.
Д1 - датчик двигателя
Д2 - датчик уровня жидкости
К1 - кнопка "ПУСК"
К2 - кнопка "СТОП"
Н - насос (двигатель насоса)
.
Формулировка задачи автоматизации
При включении кнопки "ПУСК" К1 сигнал поступает на
микроконтроллер, включается насос Н, при включении кнопки "СТОП" К2 -
насос выключается. Если нет аварийных сигналов с датчиков двигателя Д1 и уровня
жидкости Д2 на микроконтроллер, то насос продолжает работать в противном случае
он должен быть выключен.
Как только уровень в ёмкости достигнет верхнего (ВУ), сработает реле К1 и
своими контактами заблокируется на контрольный электрод нижнего рабочего уровня
(НУ), а контактами К1.1, К1.2 отключит насос. При разборе воды из ёмкости
уровень начинает снижаться, и как только он достигнет нижнего рабочего, реле К1
отпустит, насос включится и будет работать пока ёмкость не наполнится. Схема
хороша своей простотой и надёжностью, но работоспособна только с маломощными
реле и, соответственно, с маломощными насосами. Выходную мощность устройства
можно повысить, добавив в схему пускатель, также для удобства в эксплуатации в
схему добавлены кнопки ручного пуска и останова насоса, что позволяет вручную
запустить насос, когда накопительная ёмкость ещё не опустела - после заполнения
насос отключится автоматически. Также после автоматического пуска насоса
кнопкой "стоп" можно его остановить, не дожидаясь наполнения ёмкости.
3. Выбор
задающих и исполнительных элементов системы
Датчик уровня жидкости LLE102000
Бесконтактные оптические твердотельные датчики уровня жидкости
предназначены для определения порогового уровня жидкости в различных емкостях.
Датчики, в зависимости от назначения, выпускаются в пластмассовом (полисульфон)
или металлическом (нержавеющая сталь или латунь) корпусе. ИК излучатель и ИК
приемник датчика расположены внутри прозрачного колпака. В отсутствии жидкости
ИК луч отражается от поверхности колпака и принимается фотоприемником. При
погружении колпака в жидкость происходит изменение его коэффициента
преломления, что влечет изменение угла отражения и, соответственно, снижения
интенсивности излучения в апертуре приемника. Падение тока через фототранзистор
вызывает переключение триггера. По сравнению с датчиками поплавкового типа,
оптические датчики Honeywell имеют значительно больший срок службы, обладают
быстрым временем отклика, просты в установке и легко стыкуются с
микроконтроллерами. Датчики имеют дополнительные схемы защиты от короткого
замыкания по выходу, превышения питающего напряжения и случайной смены его
полярности.
Области применения датчиков уровня жидкости
- Торговые автоматы
- Ванны и души
- Пищевое производство
- Медицинская аппаратура
- Компрессорная техника
- Механические станки
- Автомобильная техника
|
Производитель
|
Honeywell Sensing and
Control
|
|
Серия
|
LLE
|
|
Тип
|
Liquid
|
|
Выходная конфигурация
|
Bipolar: Dry-High
|
|
Тип монтажа
|
Panel Mount, M12 Thread
|
|
Материал- Корпуса, Призмы
|
Polysulfone
|
|
Рабочая температура
|
-25°C ~ 80°C
|
5 ~ 12В
|
|
Ток пит
|
15 мA
|
|
Ток вых
|
10 мА
|
Погружной насос Водолей БЦПЭ-0,5-16У
Погружной насос Водолей БЦПЭ -0,5-16У* (60/27) - технические
характеристики:
|
Номинальная объемная
подача:
|
1,8 м3/ч
|
|
Общий напор при номинальном
объеме подачи:
|
16 м
|
|
Максимальная объемная
подача:
|
3,6 м3/ч
|
|
Максимальный напор:
|
27 м
|
|
Номинальная потребляемая
мощьность:
|
400 Вт
|
|
Напряжение:
|
220+-22 В
|
|
Частота сети:
|
50 Гц
|
|
Потребляемый ток:
|
1,8 А
|
|
Частота вращения:
|
2800 об/мин
|
|
Режим работы насоса:
|
Продолжительный
|
|
Масса брутто, не более:
|
8,0 кг
|
|
Масса нетто, не более:
|
7,7 кг
|
|
Количество ступеней
насосной части:
|
3
|
|
Максимальный диаметр
насоса:
|
не более 105 мм
|
LE-114P 10A - твердотельное реле. Управляется логическим высоким/низким
уровнем и способно коммутировать токи до 10А при напряжении 220В. Согласования
с PICом не требует.
4. Выбор и
обоснование выбора микропроцессорного элемента
В курсовой работе использован микропроцессорный
элемент PIC16C71X компаний "Microchip", так как у данного
микроконтроллера 13 портов ввода/вывода, что является достаточным для
осуществления данного проекта.
|
Память программ, байт
|
ОЗУ данных
|
Част., МГц
|
Порты вв./выв.
|
АЦП/ЦАП
|
Перезап. по сбою питания
|
Таймеры
|
Програм. на плате
|
|
512x14
|
36
|
20
|
13
|
4/0
|
есть
|
1+WDT
|
есть
|
Особенности: - 25мА втек./вытек. ток
Периферия PIC16C71X:
· Timer0: 8-разрядный таймер/счетчик с 8-разрядным
программируемым предварительным делителем
· 8-разрядный многоканальный аналого-цифровой преобразователь
· Схема сброса по падению напряжения питания (BOR)
· До 13 линий ввода/вывода с индивидуальным контролем
направления
|
Характеристики PIC16C71X
|
710
|
711
|
715
|
|
Память программ (ЭППЗУ) x
14
|
512
|
1K
|
2K
|
|
Память данных (байт) x 8
|
36
|
128
|
|
Линий ввода/вывода
|
13
|
13
|
13
|
|
Таймеров
|
1
|
1
|
1
|
|
Каналов АЦП
|
4
|
4
|
4
|
|
Программирование на плате
|
есть
|
есть
|
есть
|
|
Сброс по падению напряжения
|
есть
|
есть
|
есть
|
|
Источников прерываний
|
4
|
4
|
4
|
Особенности ядра микроконтроллера PIC16C71X:
· Высокопроизводительный RISC-процессор
· Всего 35 простых для изучения инструкции
· Все инструкции исполняются за один такт, кроме инструкций
перехода, выполняемых за два такта
· Скорость работы: тактовая частота до 20 МГц минимальная
длительность такта 200 нс
· Память программ объемом до 2K x 14 слов, память данных (ОЗУ)
объемом до 128 x 8 байт
· Механизм прерываний
· Воьмиуровневый аппартный стек
· Прямой, косвенный и относительный режимы адресации
· Сброс при включении питания (POR)
· Таймер включения питания (PWRT) и таймер запуска генератора
(OST)
· Сторожевой таймер (WDT) с собственным встроенным
RC-генератором для повышения надежности работы
· Программируемая защита кода
· Режим экономии энергии (SLEEP)
· Выбираемые режимы тактового генератора
· Экономичная, высокоскоростная технология КМОП ЭППЗУ
· Полностью статическая архитектура
· Широкий рабочий диапазон напряжений питания: от 2,5В до 6,0В
· Сильноточные входы/выходы 25 мА
· Коммерческий, промышленный и расширенный температурный
диапазоны
· Схема контроля ошибок четности в памяти программ со сбросом
ошибки четности (PIC16C715)
· Низкое потребление энергии: - < 2 мА при 5,0 В, 4,0 МГц -
15 мкА (типичное значение) при 3 В, 32 кГц - < 1,0 мкА (типичное значение) в
режиме STANDBY
Цоколевка:
5. Расчет
нагрузочных характеристик микроконтроллера
Расчет нагрузочных характеристик микроконтроллера
производится с учетом произведенного выбора элементов.
Каждое из подключаемых к контроллеру устройств
является нагрузкой на его портах. Выходной ток Iп по каждому порту будет в
паспортных данных контроллера. Также указано и внутреннее сопротивление
подключаемого устройства, обозначим его Iн. Напряжение питания Vdd контроллера
и подключаемого устройства должны быть равными или находиться в совместимых
пределах. Тогда нагрузочный ток по выходу контроллера рассчитаем по закону Ома:
Iнi= Vdd/Rнi
При этом рассчитанное значение не должно превышать
допустимого значения
>= Iнi
Здесь i -номер входного или выходного канала.
Из паспортных данных микроконтроллера находим, что выходной ток Iнi не
должен превышать 25 мА.
Для датчиков i=1..2 (RH=Rдатчик+Rсопр)
Допустимое значение тока питпния датчика уровня 15 мА
нi=5В/333 Ом=15 мА
=25мА
Неравенство Ini>= Iнi выполнено.
Определение входов и выходов:-датчик двигателя- датчик уровня жидкости-
кнопка "ПУСК"- кнопка "СТОП"- насос
6.
Составление электрической схемы и спецификации элементов
Схема подключения датчиков к микроконтроллеру:
Схема подключения насоса к микроконтроллеру. Подключение производится
посредством реле.
Электрическая схема:
7. Блок-схема

8. Написание программного обеспечения
Текст программы для решения поставленной задачи будем писать на языке
Assembler с помощью программы MPLAB 7.20 и микроконтроллера PIC16C710
Текст программы с пояснениями:
include <p16c710.inc>
Команды для управления насосом:
ON_NASOS EQU 0x00C; Насос включен_NASOS EQU 0x001;
Насос выключен
Настройка портов ввода и вывода
PORTA; Очистка PORTAPORTB; Очистка PORTB
MOVLW PORTA; Настройка PORTA на вводPORTB; Настройка PORTB на вывод
Программа проверки кнопок на нажатие
KNOPKAPORTA,2; включена кнопка "ПУСК"DATCHIK_1; если да
проверить аварийный сигнал с датчика двигателяPORTA,3; если нет включена кнопка
"СТОП"OFF_NASOS; если да выключить насосDATCHIK_1; нет проверить
датчик уровня жидкости
Программа проверки датчика двигателя
DATCHIK_1PORTA,0; есть аварийный сигнал с датчика двигателяOFF_NASOS;
если да выключить насосDATCHIK_2; нет проверить датчик уровня жидкости
Программа проверки датчика уровня жидкости
DATCHIK_2PORTA,1; есть аварийный сигнал с датчика уровня
жидкостиOFF_NASOS; если да выключить насосON_NASOS; нет включить насосKNOPKA;
перейти в программу проверки кнопок
Заключение
В этой курсовой работе мы научились проектировать ACP охраны периметра,
составлять электрические и алгоритмические схемы управления, выбирать
исполнительные и задающие элементы, а также конкретно ставить задачу
автоматизации и выполнять её.
В пункте Структурная схема системы автоматизации составлена схема для
конкретизации задачи, включающую в себя микропроцессорный элемент, задающие
(датчики двигателя и уровня жидкости) и исполнительные (насос) элементы.
В пункте Формулировка задачи автоматизации и алгоритм конкретно
сформулирована задача автоматизации и составлен словесный алгоритм, подробно
описывающий эту задачу.
В пункте Выбор задающих и исполнительных элементов системы приведены
электрические характеристики, схемы, внешний вид и фотографии для каждого
элемента цепи, а также пояснения к этим элементам.
В пункте Выбор и обоснование выбора микропроцессорного элемента
приводятся все характеристики микроконтроллера, преимущества в сравнении с
другими, экономические показатели, особенности программирования, а также
подсчитано количество входных и выходных сигналов.
В пункте Расчёт нагрузочных характеристик микроконтроллера рассчитаны
внутреннее сопротивление каждого элемента, являющегося нагрузкой на портах
микроконтроллера, и нагрузочный ток по выходу для порта: он не превышает
значения, указанного в паспорте.
В пункте Составление электрической схемы и спецификации элементов
приведена электрическая схема составлена спецификация элементов этой схемы.
В пункте Составление алгоритмической схемы управления составлена
блок-схема для написания программного обеспечения.
В пункте Написание программного обеспечения приведён текст программы на
языке Assembler с пояснениями, составленной в соответствии с блок-схемой.
Наша задача полностью выполнена: микроконтроллер PIC16С710 может
управлять работой нагревателя воды с помощью программы, написанной на языке
Assembler.
Список литературы
1. Копесбаева
А.А. Элементы и устройства автоматики. Методические указания к выполнению
лабораторных работ (для студентов специальности 360140 - АИСУ). - Алматы: АИЭС,
2003.
2. Предко
М. Справочник по PIC-микроконтроллерам. - Москва, 2002.
. Тавернье.
Практические примеры использования контроллеров PIC*. - Перевод с французского / Москва, 2003.
. Яценков
В.С. Микроконтроллеры MicroChip. Практическое руководство. - Москва, 2002.
. Однокристальные
микроконтроллеры PIC12C5x, PIC16x8x, PIC14000, MI6C/61/62/ перевод с
английского Б.Я. Прокопенко; под редакцией Б.Я. Прокопенко. - Москва, 2000.