Ограждающие устройства на железнодорожных переездах

  • Вид работы:
    Практическое задание
  • Предмет:
    Транспорт, грузоперевозки
  • Язык:
    Русский
    ,
    Формат файла:
    MS Word
    306,19 Кб
  • Опубликовано:
    2014-12-06
Вы можете узнать стоимость помощи в написании студенческой работы.
Помощь в написании работы, которую точно примут!

Ограждающие устройства на железнодорожных переездах

Министерство транспорта Российской Федерации









Ограждающие устройства на железнодорожных переездах

Лабораторная работа № 1

по теме: Технические средства организации движения

Реферат

Лабораторная работа содержит 14 страниц, 3 рисунка, 2 источника.

Ограждающие устройства, железнодорожные переезды, автошлагбаум, устройства заграждения, УЗП.

Объектом изучения являются ограждающие устройства на железнодорожных переездах.

Цель работы - ознакомиться с; изучить конструкцию автошлагбаума и устройств заграждения типа УЗП.

Содержание

Введение

1. Схема размещения устройств ограждения на переезде

. Порядок работы устройств ограждения на переезде

. Ответы на контрольные вопросы

Заключение

Библиографический список

Введение

Пересечения в одном уровне железных дорог с автомобильными дорогами называются железнодорожными переездами. Переезды позволяют обеспечить свободный пропуск автотранспорта при отсутствии приближающихся к переезду поездов. С появлением поезда заблаговременно прекратить движение через переезд, а в случае аварии на переезде подать поезду сигнал остановки перед ним. Для обеспечения безопасности движения и регулирования движения транспортных средств через переезд его оборудуют ограждающими устройствами.

В данной работе рассмотрены назначение и принцип расстановки ограждающих устройств на железнодорожных переездах.

1. Схема размещения устройств ограждения на переезде

светофоры, запрещающие движение поезду при возникновении аварийной ситуации на переезде (вынужденная остановка автомашины, развал груза и т.п.), и средства, запрещающие въезд на железнодорожное полотно автотранспорту при появлении поезда. К последним относятся автоматическая светофорная сигнализация без шлагбаумов, светофорная сигнализация с автоматическими или полуавтоматическими шлагбаумами, а также устройства заграждения переездов (УЗП).

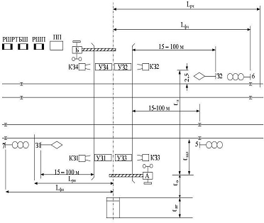
Тип ограждающих устройств на переезде выбирается в зависимости от его категории, определяемой интенсивностью движения. Наиболее общая схема размещения ограждающих устройств на регулируемом переезде представлена на рисунке 1.1.

А, Б - шлагбаум с светофорной сигнализацией; УЗ1, УЗ2, УЗ3, УЗ4 - механизм УЗП; КЗ1, КЗ2, КЗ3, КЗ4 - приборы контроля УЗП; З1, З2 - заградительные светофоры; ПП - служебный пост; РШП, РШРТ - релейный шкаф; БШ - батарейный шкаф; 5, 6, 7 - сигнальные точки;

Рисунок 1.1 - Схема размещения ограждающих устройств на переезде

Заградительные светофоры располагаются на расстоянии не менее 15 и не более 100 м от кромки переезда. На станциях в качестве заградительных допускается использовать светофоры, расположенные на расстоянии не более 800 м от переезда.

Места установки светофоров автоматической переездной сигнализации без автошлагбаумов с двумя головками красных огней определяются видимостью их с автомобильной дороги с таким расчетом, чтобы движущееся с максимальной скоростью транспортное средство могло остановиться за 5 м до переезда (ℓо). Огни переездных светофоров должны быть четко различимы на расстоянии не менее 50 м, а с транспортного

 средства поезд должен наблюдаться с расстояния не менее 100 м при скорости его движения до 25 км/ч и 500 м при скорости 121 - 140 км/ч.

В случае оборудования переезда автошлагбаумом на его мачте

крепятся две красные светофорные головки и звонок, движение автотранспорту преграждает брус, который в вертикальной плоскости перемещается электроприводом. Шлагбаум устанавливается на расстоянии

не менее 6 м от ближнего рельса (ℓшл). Брус должен перекрывать от 1/2 до 2/3 ширины проезжей части дороги, оставляя с левой стороны свободными не менее 3 м.

. Порядок работы устройств ограждения на переезде

При автоматической светофорной сигнализации с автоматическими или полуавтоматическим шлагбаумами предусмотрен дежурный по переезду, который располагается в служебном здании (посту) ПП, в распоряжении дежурного имеется щиток автономного управления ограждающими устройствами. Аппаратура автоматики размещается в релейных шкафах РШП и РШРТ, а аккумуляторы - в батарейном шкафу БШ. Работа переездных устройств по известительным цепям увязана с сигнальными точками трехзначной автоблокировки 6, 7.

Заградительные светофоры, в нормальном положении, погашены и включаются на красный огонь дежурным по переезду в аварийной ситуации. На участках с автоблокировкой, кроме того, предусматриваются одновременное перекрытие ближайших к переезду проходных светофоров 6, 7, и срыв кодирования РЦ.

В случае оборудования переезда автошлагбаумом на его мачте

крепятся две красные светофорные головки и звонок (рисунок 2.1). При отсутствии поезда брус автошлагбаума находится в вертикальном положении и автотранспорту разрешается движение через переезд. При появлении поезда на участке приближения включается звонковая сигнализация и светофорная в виде мигающих красных ламп, а затем с выдержкой времени примерно 13 с опускается брус автошлагбаума. Такой порядок работы устройств обеспечивает возможность ухода из под бруса автотранспортного средства, оказавшегося там до включения переездного светофора.

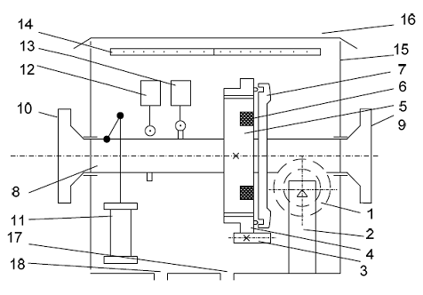
Заградительный брус; 2 - сигнальный знак со светоотражателями; 3 - электрический звонок; 4 - две однозначные светофорные головки; 5 - мачта; 6 - фундамент; 7 - электропривод;

Рисунок 2.1 - Устройство автоматического шлагбаума

Заградительный брус шлагбаума монтируется консольно на вилкобразной раме через механизм горизонтального поворота. Сама рама закрепляется с двух сторон во фланцах главного вала.


- электродвигатель типа АИР - 56 с конденсаторным запуском; 2,3,4 - двухступенчатый редуктор; 5,6,7 - электромагнитная муфта; 8 - главный вал; 9,10 - фланцы; 11 - гидрогаситель; 12,13 - микропереключатели; 14 - клеммная колодка; 15 - корпус; 16 - крышка; 17,18 - кабельные выводы;

Рисунок 2.2 - Кинематическая схема электропривода ПАШ - 1

Подъем заградительного бруса в вертикальное положение осуществляется следующим образом. После включения напряжения на зажимы электродвигателя вращение его вала через червячную передачу 2 закрытой ступени редуктора поступает на зубчатый цилиндр 3 и зубчатый

венец колеса 4 открытой ступени редуктора. Поскольку колесо 4 насажено на

ступицу 5 свободно (с зазором), то для вращения главного вала необходимо обеспечить между ними жесткую связь, ее создает электромагнитная муфта, состоящая из катушки 6, магнитопровода (ступицы) 5 и дискообразного якоря 7. Так как одновременно с запуском электродвигателя электрическим током запитывается катушка, то вокруг нее образуется магнитное поле. Якорь 7 притягивается, обеспечивая передачу вращения от колеса на ступицу и далее - на главный вал. Для усиления сцепления с якорем зубчатый венец колеса имеет пальцы. Занятие брусом вертикального положения фиксируется микропереключателем 12, и электродвигатель выключается.

Для приведения бруса в заграждающее (горизонтальное) положение

снимается электропитание с катушки электромагнитной муфты, удержание бруса прекращается, и он начинает опускаться с ускорением свободного падения. При этом увеличивается угловая скорость бруса и его кинетическая энергия, которую необходимо погасить, чтобы не повредить брус в конце

перевода. Защита бруса осуществляется с помощью гидрогасителя клапанного типа, шток которого связан с главным валом. Принцип работы

этого гидрогасителя заключается в перемещении поршнем жидкости из одной полости цилиндра в другую. Жидкость перетекает через специальные

щели, размер которых и, следовательно, сопротивление перемещению бруса (вверх или вниз) регулируется специальным клапаном в зависимости от направления движения. Занятие брусом горизонтального положения фиксируется микропереключателем 13.

Железнодорожные переезды являются объектами повышенной опасности, требующими от участников движения строгого выполнения предписанных правил, однако, имеются многочисленные случаи проезда водителями машин заградительного бруса автошлагбаумов. С целью усиления безопасности движения и недопущения выезда автотранспортного средства на железнодорожное полотно переезды в последнее время стали дополняться комплексом УЗП, в состав которого входят (см. рисунок 1.1) заградительные устройства (УЗ) в количестве четырех изделий и система контроля свободности зон УЗ от автотранспорта (КЗ). Основным элементом

устройства УЗ является крышка, устанавливаемая горизонтально в полотно

автодороги и управляемая обычным стрелочным электроприводом. Система

КЗ построена на основе ультразвуковых датчиков.

При появлении поезда на участке приближения к переезду обычным порядком работает звонковая и светофорная сигнализация, опускаются брусья шлагбаумов, а через 3 с включаются электроприводы УЗ. При условии свободности контролируемых зон от транспортного средства крышки УЗ занимают заграждающее положение (приподнятым ребром в сторону автодороги). Контактами автопереключателя приводов снимается напряжение с электродвигателей. В случае работы электродвигателя на фрикцию (крышка УЗ не может быть поднята или опущена из-за наличия препятствия) предусматривается автоматическое его выключение с выдержкой времени 6 - 8 с. Если автотранспортное средство застигнуто на переезде в момент поднятия крышек УЗ, то механизм позволяет крышке при

наезде на нее опуститься вниз, а при освобождении вновь занять заграждающее положение.

После проследования поездом переезда приводы УЗ включаются на

опускание крышек. После опускания крышек с электродвигателей снимается

напряжение контактами автопереключателей приводов, поднимаются брусья

Задача по выключению переездных устройств после прохода поезда, как правило, решается с помощью аппаратуры РЦ, релейные концы которых располагаются вблизи переезда, местами расположения аппаратуры релейных концов могут быть релейные шкафы сигнальных точек, удаленные от переезда не далее 100 м на двухпутных участках и 40 м - на однопутных. Поскольку такой вариант размещения встречается редко, то чаще всего для этих целей предусматриваются разрезные точки блок - участков (РШРТ).

При установке светофоров автоматической переездной сигнализации без автошлагбаумов с двумя головками красных огней, для придания уверенности водителям в исправности средств сигнализации, светофоры могут дополняться лунно-белым мигающим огнем. При подходе поезда к переезду звонит звонок, размещенный на мачте светофора, выключается лунно - белый огонь и включаются попеременно мигающие красные огни, запрещающие проезд переезда. При отсутствии поезда красные огни переездных светофоров погашены и автотранспорту разрешается проезд через железнодорожное полотно.

. Ответы на контрольные вопросы

) Как обеспечивается безопасность движения поездов в случае аварийной ситуации на переезде?

При возникновении аварийной ситуации на регулируемом переезде (вынужденная остановка автомашины, развал груза и т.п.) будет зажжен красный огонь заградительного светофора, а на участках с трехзначной автоблокировкой, кроме того, предусматриваются одновременное перекрытие ближайших к переезду проходных светофоров и срыв кодирования РЦ.

На нерегулируемом переезде, при возникновении аварийной ситуации, безопасность движения будет обеспечиваться работниками железной дороги (например, машинистом) и участниками дорожного движения.

) Какие требования предъявляются к видимости огней переездных светофоров и обозрению обстановки на переезде с автотранспортного средства? ограждающий железнодорожный переезд автошлагбаум

Огни переездных светофоров должны быть четко различимы на расстоянии не менее 50 м, а с транспортного средства поезд должен наблюдаться с расстояния не менее 100 м при скорости его движения до 25 км/ч и 500 м при скорости 121 - 140 км/ч.

) В чем заключаются преимущества автошлагбаума с электроприводом переменного тока?

Шлагбаумы нового поколения с электроприводом переменного тока типа ПАШ-1, по сравнению с предыдущими разработками, имеют ряд преимуществ: заградительный брус опускается под собственным весом и его конструкция допускает поворот в горизонтальной плоскости на 90° вдоль направления движения автотранспорта, что исключает поломку шлагбаума при проезде машиной заграждения; существенно снижены габариты и масса электропривода; почти в два раза уменьшается количество аккумуляторов.

) Как обеспечить пропуск автотранспорта, через переезд, в случае повреждения кабеля, соединяющего РШП с электроприводом?

Пропуск автотранспорта, через переезд, в случае повреждения кабеля соединяющего РШП с электроприводом, осуществляется с помощью специальной рукоятки, которая позволяет управлять электроприводом в ручную.

) Как будет работать электропривод УЗП, если его пуск состоялся при свободной зоне контроля, а затем на крышку наехало колесо машины?

В этом случае предусматривается автоматическое выключение электродвигателя УЗП с выдержкой времени 6 - 8 с. Если автотранспортное средство застигнуто на переезде в момент поднятия крышек УЗ, то механизм позволяет крышке при наезде на нее опуститься вниз, а при освобождении вновь занять заграждающее положение.

Заключение

В данной лабораторной работе ознакомились с видами ограждающих устройств на железнодорожных переездах и схемой их размещения, изучили конструкцию и принцип работы автошлагбаума и электропривода типа ПАШ - 1, уяснили алгоритм работы УЗП, дали ответы на контрольные вопросы.

Библиографический список

1 Кондратьева, Л.А., Системы регулирования движения на железнодорожном транспорте: Учебник для техникумов и колледжей ж.д. транспорта / Кондратьева, Л.А., О.Н. Ромашкова. М.: Маршрут, 2003. - 432 с.

Методические указания по выполнению лабораторных работ

Похожие работы на - Ограждающие устройства на железнодорожных переездах

 

Не нашли материал для своей работы?
Поможем написать уникальную работу
Без плагиата!
Без нейросетей!