Охранный оптико-электронный извещатель ИО 409-32 'Астра-515'
Содержание
Введение
Глава
1.История охранной сигнализации
.1 Извещатель
охранный объемный оптико - электронный
.2 Принципы
работы оптико-электронного извещателя Астра-515
.3 Описание
режимов работы ИО 409-32 "Астра-515"
Глава
2.
Технические
характеристики ИО 409-32 "Астра-515"
2.1 Базовые
компоненты
.2 Расчет
источника питания
.3
Принципиальная схема питания GSM модуля
Заключение
Список
используемой литературы
Приложение
Введение
Довольно проблематично обеспечить полноценную
защиту организации, банка или другого учреждения. Установка охранных
извещателей является залогом успешной работы предприятия или организации.
Современные охранные извещатели предназначены не только для поимки
преступников, но и для предотвращения преступлений, поэтому их рекомендуется
устанавливать на любых объектах, где существует даже незначительная опасность
несанкционированного доступа.
Как показывает практика, целью злоумышленников
может стать любое здание или территория, независимо от их статуса или
назначения. Применение охранных извещателей значительно понизит шанс
проникновения злоумышленника на контролируемую территорию.
Задачи исследования извещателей:
Ознакомление с историей создания охранной
сигнализации.
Ознакомиться с назначением охранного
оптикоэлектронного извещателя ИО 409-32 "Астра-515".
Изучить принцип работы охранного
оптикоэлектронного извещателя ИО 409-32 "Астра-515".
Указать режимы работы ИО 409-32
"Астра-515".
Установка охранных извещателей до недавнего
времени считалась необходимой лишь для обеспечения безопасности торговых
центров, банков и других крупных предприятий, деятельность которых связана с
хранением материального имущества. Но, как показывает практика, целью
злоумышленников может стать любое здание или территория, независимо от их
статуса или назначения. Современные и эффективные системы безопасности
предназначены не только для поимки преступников, но и для предотвращения
преступлений, поэтому их рекомендуется устанавливать на любых объектах, где
существует даже незначительная опасность несанкционированного доступа.
Своевременная установка охранной системы позволяет обеспечить надёжную защиту
для Вас и Ваших близких, а также сохранить Ваше имущество.
Безопасность объектов - сложная задача,
требующая объединения усилий многих людей и привлечения значительных средств.
Довольно проблематично обеспечить полноценную защиту человека, организации,
банка или другого учреждения без системы безопасности, включающей в себя
человеческие ресурсы, технические средства, а, главное, средства своевременного
получения и анализа информации о реальных угрозах и их возможных последствиях.
Установка охранных извещателей является залогом успешной работы предприятия или
организации.
Целью данного курсового проекта является
ознакомление с оптико-электронными извещателями на примере оптико-электронного
извещателя Астра 515.
Объектом исследования является
оптико-электронный охранный извещатель Астра 515.
Степень изученности:
В настоящее время практически каждая
организация, фирма или же отдельное юридическое, физическое лицо имеет охранную
систему включающую в себя оптико-электронные охранные извещатели.
Глава 1. История охранной сигнализации
Началом развития современных электронных систем
охранной сигнализации стало изобретение электрического звонка в начале 19 века.
Такая охранная сигнализация действительно бы была хорошим выходом в этой
ситуации. На самом деле устройство именно под таким названием "электронный
сторож" было изобретено ещё в девятнадцатом веке. Охранная сигнализация
девятнадцатого века представляла собой систему электрических проводов, которые
в случае каких-либо действий злоумышленника (например, открытия дверей или
разбивания стекла) могли либо замкнуться, либо разомкнуться. Охранная
сигнализация срабатывала - начинал звенеть звонок, позднее - сирена. В том же
случае, если охранная сигнализация была связана телефонным проводом с ближайшим
полицейским участком, она отправляла по телефонному кабелю сигнал тревоги. Если
проникновение фиксировалось системой, охранная сигнализация давала такой
сигнал, на охраняемый объект прибывали полицейские. В итоге к концу
девятнадцатого века практически все особо охраняемые объекты были оснащены
системой охранной сигнализации, причем, прежде всего охранная сигнализация
устанавливалась в хранилищах банков - ведь тогда, в эпоху золотого стандарта,
подавляющая часть денежных средств хранилась в виде золотых монет и слитков.
Изобретение фотоэлемента стало очередным этапом,
после которого охранная сигнализация значительно усовершенствовалась. Ведь для
прерывания цепи было достаточно перекрыть источник света, падающий на него - а
попасться на этом злоумышленнику гораздо проще, чем на нарушении цепи из самих
проводов. Эта охранная сигнализация использовала так называемые светолучевые
сигнализаторы - на фотоэлемент падал источник, луч света, который являлся
"воздушным" охранным проводом, нарушение, прерывание которого
приводило к срабатыванию охранной сигнализации. Изобретение же полупроводников
и другие изобретения в физике и электротехнике, произошедшие полвека назад,
привели к тому, что охранная сигнализация стала такой, какой мы её знаем.
Световые лучи и фотоэлементы стали замещаться объемными ультразвуковыми
датчиками, затем - микроволновыми, а впоследствии - инфракрасными. То есть
преступнику, оказавшемуся на охраняемом объекте, оборудованном такой системой
охранной сигнализации, сложно будет избежать невидимого человеческому глазу
инфракрасного излучения. А последние достижения уже в сфере компьютерной
техники могут помочь сделать охранную сигнализацию более простой в управлении и
более многофункциональной.
Конечно, современные системы, основой которых
является охранная сигнализация, уже не могут применять все те коварные опасные
ловушки, описанные в начале статьи. Даже простой провод под электрическим
током, пущенный по периметру вашего участка, делает вас нарушителем закона.
Такая охранная сигнализация несет риск умышленного причинения вреда здоровью
злоумышленника. Поэтому современная охранная сигнализация не должна наносить
вреда здоровью человека, и все современные модели охранной сигнализации,
предназначенные для продажи на рынке, разрабатываются с учетом этого принципа
90-е годы вошли в историю нашей страны резко усилившейся криминализацией
общества, легализацией частной собственности на средства производства, что
вызвало необходимость внедрения самых современных систем охранной сигнализации
для их установки в многочисленных банках, магазинах, фирмах, биржах, финансовых
корпорациях, нефтегазодобывающих компаниях и т.п., а также в квартирах и
коттеджах их владельцев. Охранная сигнализация, которая выпускалась
отечественными предприятиями, была ориентирована на военно-промышленный
комплекс (например, охранная сигнализация достаточно успешно применялась для
охраны государственных границ СССР ещё с 40-х годов), и не имела поэтому соответствующих
разрешительных документов для продажи частным лицам. Кроме того, охранная
сигнализация отечественного производства тогда выпускалась достаточно
небольшими партиями, что явно не могло удовлетворить резко возросший спрос.
Поэтому на рынке стала широко распространятся охранная сигнализация от целого
ряда ведущих мировых её производителей, что мы наблюдаем и сейчас.
.1 Извещатель охранный объемный оптико -
электронный
ИО 409-32 "Астра-515"

Рисунок 1 - Оптико - электронный Рисунок 2
Оптико - электронный
ИО 409-32 "Астра-515" в корпусе. ИО
409-32 "Астра-515".
Назначение оптико-электронного извещателя
Астра-515.
ИО Астра-515 предназначен для обнаружения
проникновения в охраняемое пространство закрытого помещения и формирования
извещения о проникновении путем размыкания выходных контактов сигнального реле.
Так же рассчитан на непрерывную круглосуточную
работу и относится к однофункциональным, неремонтируемым и обслуживаемым изделиям.
Помехозащищенность данного охранного извещателя
обеспечивает отсутствие его ложных срабатываний при воздействии перемещающихся
мелких животных (грызунов), перепадов фоновой освещенности, конвективных
воздушных потоков, медленных изменений температуры фона, импульсов напряжения
по цепи питания, электростатического разряда, электромагнитных полей УКВ
диапазона, но он не является источником помех по отношению к аналогичным
извещателям, извещателям другого типа и назначения, а также по отношению к
бытовой радиоаппаратуре.
В оптико-электронном извещателе Астра-515
предусмотрено несколько режимов работы, устанавливаемых с помощью двух
перемычек и задаваемых исходя из конкретных условий применения и тактики
охраны.
Конструкция извешателя обеспечивает возможность
его крепления на стене и в углу помещения. Рекомендуемая высота установки -
(2,4±0,1) м.
В Астре-515 имеется светодиодный индикатор
красного цвета (далее индикатор) для контроля работоспособности.
Он выдает три вида извещений:
Извещение "Выход извещателя в дежурный
режим" формируется из вещателем после включения питания размыканием
контактов реле и включенным состоянием индикатора в течение не более 60 с.
Извещение "Норма" формируется
извещателем в течение всего времени охраны замкнутыми контактами реле и
выключенным состоянием индикатора при отсутствии в зоне обнаружения движения
человека (людей).
Извещение "Тревога" формируется
извещателем разомкнутыми контактами реле и включенным состоянием индикатора на
время не менее 2 сек. при движении человека (людей) в зоне обнаружения.
.2 Принципы работы оптико-электронного
извещателя Астра-515
Принцип действия ИО 409-32
"Астра-515". основан на регистрации изменений теплового потока.
Принцип действия основан на регистрации
изменений потока теплового излучения, возникающих при пересечении человеком
чувствительных зон.
Чувствительные зоны извещателя формируются
линзой Френеля (Линза Френеля - сложная составная линза. Состоит не из цельного
шлифованного куска стекла со сферической или иными поверхностями (как обычные
линзы), а из отдельных примыкающих друг к другу концентрических колец небольшой
толщины, которые в сечении имеют форму призм специального профиля) и
двухплощадочным пироэлектрическим приемником излучения. Электрический сигнал с
пироэлектрического приемника поступает на электронную схему извещателя,
включающую в себя усилитель и пороговое устройство, которая в соответствии с
выбранным алгоритмом работы (режимы "Высокая чувствительность" и
"Нормальная чувствительность") формирует извещение
"Тревога". В режиме "Высокая чувствительность" извещение
«Тревога» формируется при однократном превышении порога реагирования по
напряжению, в режиме "Нормальная чувствительность" извещение
"Тревога" формируется при двукратном превышении порога реагирования
по напряжению.
Структура зоны обнаружения, создаваемой
извещателем, представлена на рисунке.
Рисунок 3 Структура зоны обнаружения
.3 Описание режимов работы ИО 409-32
"Астра-515"
Соответствие положений перемычек и режимов
работы извещателей
указано
в таблице
Таблица 1. Соответствие положений перемычек и
режимов работы извещателей.
|
Название
перемычки
|
Положение
перемычки
|
Режим
работы
|
|
ЧУВ
|
Установлена
Снята
|
Высокая
чувствительность Нормальная чувствительность
|
|
ИНД
|
Снята
Установлена
|
Светодиодная
индикация извещения о тревоге разрешена Светодиодная индикация извещения о
тревоге отключена
|
|
Примечание
- Положение перемычки "Снята" означает - надета на один штырь
вилки, положение перемычки "Установлена" означает - надета на оба
штыря вилки.
|
Глава 2. Технические характеристики ИО 409-32
"Астра-515"
Дальность действия извещателя не менее, (м) 10
Допустимый ток через контакты реле, (А), не
более 0,08
Допустимое напряжение на контактах реле, (В), не
более 100
Напряжение питания, (В) от 8 до 15
Ток потребления ,(мА), не более 15
Сопротивление цепи, включаемой в шлейф
сигнализации, в дежурном состоянии, (Ом), не более 8
Габаритные размеры, (мм) 86×54×41
Масса извещателя , (кг) 0,06
Условия эксплуатации:
Диапазон температур, (°С) от 0 до +50
Относительная влажность воздуха,(%) до 95 при
+35°С, без конденсации влаги
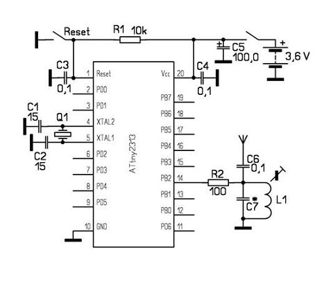
Функциональная схема оптико-электронного
извещателя ИО 409-32 "Астра-515"
Рисунок 4 Схематическая схема
оптико-электронного извещателя Астра-515.
.1
Базовые компоненты
Рисунок 5 Микроконтроллер-Attiny2313.
К данному микроконтроллеру будет подключен GSM
модуль Sim900D.
Рисунок 6 Sim900D.
Типичный GSM-модуль состоит из радио-блока
(приемопередатчик, усилитель и внешний радиочастотный интерфейс), процессора
памяти и ряда интерфейсов для интеграции в конечные устройства модули могут
передавать и принимать данные по каналам GSM и GPRS, в том числе SMS-сообщенияи
факсы. Некоторые модули оснащены также GPS-приемниками и могут определять, а
затем передавать координаты объекта, в котором они находятся. Большинством
GSM-модулей можно управлять посредством AT-команд. Некоторые производители
предлагают расширенный набор этих команд, а также возможность программирования
модулей на языках высокого уровня (например C и Python).
.2 Расчет источника питания
БРП-12-5/14 (Блок Резервного Питания)
Рисунок 7 Блок питания
Блок резервированного электропитания трансф.под
АКБ 2х12В/7Ач, защ.от перегрузки, КЗ, от глуб.разр., U-вых.12В, I-вых.3.6 (5)
А, P-потр.90Вт, IP20, t-раб.-10...+40°С, 315х215х90мм.
Назначение изделия
Блоки резервированного электропитания БРП-12
предназначены для обеспечения бесперебойного питания постоянным током различных
устройств в том числе устройств охранной и пожарной сигнализации, систем
контроля и управления доступом.
Рекомендуются для питания нагрузок с большим
стартовым током.
Блоки представляют собой сетевые источники
электропитания с понижающим трансформатором, линейным стабилизатором и АКБ
включенными по буферной схеме.
Особенности
Питание нагрузки номинальным напряжением 12 В
Заряд АКБ осуществляется с выхода источника
питания (буферная схема)
Питание нагрузки от АКБ при пропадании сетевого
напряжения
Индикация наличия сетевого и выходного
напряжений
Шлейф передачи извещения “Норма сеть"
Защита от перегрузки и короткого замыкания по
выходу
Защита АКБ от глубокого разряда
Защита трансформатора встроенным
термопредохранителем
Технические характеристики
Выходное напряжение, В - 12±1.7
Напряжение питания от сети переменного тока, В -
220
Номинальный ток выхода, А - 5
Рекомендуемая емкость АКБ, Ач - 2х12В/7Ач
Степень защиты - IP20
Диапазон рабочих температур, °С - -10…+40
Основываясь на рекомендации производителя были
выбраны 2 аккумулятора 12В, 7Ач
Расчёт мощности производится по формуле 1:
= U*I
где Р - мощность, Вт;- напряжение, В;- сила
тока, А.
Расчет коэффициента потребляемой энергии от
аккумулятора производится по формуле 2:
Расчет продолжительности работы (Т) аккумулятора
зависит от мощности (P) и коэффициента потребляемой энергии (Е), производится
по формуле 3:
электронный извещатель охранный
сигнализация
Расчет мощности аккумуляторов, используя формулу
1:= U*I = 12В*7000=84000
Расчет коэффициента потребляемой энергии от
аккумулятора , используя формулу 2:
=P/КПД=84000/0,8=105000
Расчет продолжительности работы аккумулятора ,
используя формулу 3:
=P/E=84000/105000=0,8 ,т.е. 48 минут.
А так как используются 2 аккумулятора, то время
их работы равно 96 минут (48+48).
2.3 Принципиальная схема питания GSM модуля
Как показано на принципиальной схеме (рисунок
10) блок питания обеспечивает питанием GSM модуль Sim900D и микроконтроллер
серии Attiny2313. Данные аккумуляторы могут обеспечить работу всех модулей на
96 минут соответственно.
Рисунок 8 Принципиальная схема питания GSM
модуля.
Заключение
В данном курсовом проекте был выбран
оптико-электронный охранный извещатель Астра-515 исходя из его габаритов и
технических характеристик, а так же низкой стоимости. Данный охранный
извещатель отвечает всем требованиям по охранной безопасности, а именно:
Большая зона покрытия;
Возможность работы при низких температурах (до
-10);
Возможность работы под дождем;
Простота установки;
Низкая стоимость (порядка до 400 рублей).
Список используемой литературы
Основная
литература
Инструкция
по применению и испытанию средств защиты, используемых в Эл.установках. СПб.:
2010
РД
78.145-93 "Правила производства и приемки работ. Установка охранной,
пожарной и охранно-пожарной сигнализации".
РД
78.147-93 "Единые требования по технической укрепленности и оборудованию
сигнализацией охраняемых объектов".
Синилов
В.Г. "Системы охранной, пожарной и охранно пожарной сигнализации."
-М.: «Академия», 2009.
СНиП
11.01-95 "Инструкция о составе, порядке разработки, согласования
проектно-сметной документации на строительство зданий и сооружений".
Дополнительная
литература
Лаврус
В.С. Серия "Информационное издание". Выпуск 1. Охранные системы. -
М.: «Наука и техника», 2006.
ГОСТ
Р 50775-95 "Системы тревожной сигнализации. Общие требования. Общие
положения".
ГОСТ
Р 50776-95 "Системы тревожной сигнализации. Общие требования. Руководство
по проектированию, монтажу и тех обслуживанию".
Интернет-ресурсы://www.agrg.ru/solutions
Приложение
В таблице, приведенной ниже, описаны следующие
индексы классов защиты и их отличия для корпусов приборов и оборудования от
прикосновения, вторжения инородных тел, пыли и влаги: IP00,
IP01, IP02,
IP03, IP04,
IP05, IP06,
IP07, IP08,
IP11, IP12,
IP13, IP14,
IP15, IP16,
IP17, IP18,
IP21, IP22,
IP23, IP24,
IP25, IP26,
IP27, IP28,
IP31, IP32,
IP33, IP34,
IP35, IP36,
IP37, IP38,
IP41, IP42,
IP43, IP44,
IP45, IP46,
IP47, IP48,
IP51, IP52,
IP53, IP54,
IP55, IP56,
IP57, IP58,
IP60, IP61,
IP62, IP63,
IP64, IP65,
IP66, IP67,
IP68, а во второй
таблице вы найдете сравнение IP
с классами защиты электроприборов и электрооборудования стандарта NEMA:
Type1, Type2,
Type3, Type3R,
Type3S,
Type4, Type4x,
Type5, Type6,
Type6P,
Type12, Type12K,
Type13.
Как пользоваться таблицей классов защиты
электронных приборов
Параметр класса защиты состоит из двух цифр.
Первой цифрой (Индекс1) обозначается степень защиты от твердых тел. Второй
цифрой (Индекс2) обозначается степень защиты от влаги.
К примеру: степень защиты IP67 означает, что
устройство полностью защищено от твердых тел (проникновения пыли), а также
защищено от временного конденсата, или кратковременного погружения на глубину
до 1м.
|
Т\твердые
тела
|
вода
|
|
индекс
|
степень
защиты
|
характеристика
|
характеристика
|
Степень
защиты
|
индекс
|
|
0
|
Отсутствие
защиты
|
Отсутствие
защиты от случайного контакта и инородных тел
|
Отсутствие
защиты
|
Отсутствие
защиты от влаги
|
0
|
|
1
|
Защита
от крупных инородных тел
|
Защита
от контакта с рукой человека на большой площади и защита от крупных твердых
инородных тел диаметром более 50 мм
|
Защита
от капель воды, падающих вертикально
|
Защита
от капель
|
1
|
|
2
|
Защита
от инородных тел среднего размера
|
Защита
от инструмента, проводов или подобных им объектов диаметром более 2.5 мм и от
небольших инородных тел диаметром более 2.5 мм
|
Защита
от капель воды, падающих под углом до 15°
|
Защита
от капель
|
2
|
|
3
|
Защита
от инородных тел небольшого размера
|
Защита
от инструмента, проводов или подобных им объектов диаметром более 2.5 мм и от
небольших диаметром более 2.5 мм
|
Защита
от капель воды, падающих под углом до 60°
|
Защита
от брызг
|
3
|
|
4
|
Защита
от гранулообразных инородных тел
|
Защита
от инструмента, проводов или подобных им объектов диаметром более 1 мм и от
небольших инородных тел диаметром более 1 мм
|
Защита
от воды, льющейся со всех направлений
|
Защита
от брызг
|
4
|
|
5
|
Защита
от оседающей пыли
|
Полная
защита от контакта. Защита от внутренних повреждений оборудования вследствие
пылевых отложений
|
Защита
от струй воды, льющихся под давлением со всех направлений
|
Защита
от струи
|
5
|
|
6
|
Защита
от проникнове-ния пыли
|
Полная
защита от контакта. Полностью исключено попадание пыли
|
Защита
от кратковременного затопления (противоштормовая защита)
|
Защита
от затопления
|
6
|