Эффективные импульсно-периодические эксимерные лазеры
Дипломная
работа
Эффективные
импульсно-периодические эксимерные лазеры
Содержание
Введение
1. Кинетика
.1 Эксимерные молекулы
1.2 Плазмо-химические реакции
1.3 Упрощенная модель кинетики образования XeCl молекулы
2. Система возбуждения
2.1 Механизмы
возбуждения эксимерных лазеров
.2 Возбуждение эксимерного лазера
элекронным пучком
2.3 Возбуждение
зксимерного лазера разрядом
2.4 Общая характеристика систем предыонизации
2.5 Основные схемы возбуждения ЭЭЛ
2.6 Использование LC-контура для возбуждения электроразрядных эксимерных лазеров
2.7 Описание схемы LC-инвертора
3. Системы прокачки рабочей смеси
4. Резонатор лазера
4.1 Формирование лазерного излучения
4.2 Формирование расходимости выходного излучения при использовании
различных типов резонаторов
4.3 Формирование
узкой спектральной линии излучения в селективных резонаторах, включающих в себя
дифракционные решетки и эталоны Фабри-Перо
5. Экспериментальные приборы и методики измерений
5.1 Приборы и методы измерения
5.2 Погрешности измерений
5.3 Экспериментальные установки и их
. Исследования формирования качественного излучения
6.1 Расходимость выходного излучения сформированного в плоско параллельном
резонаторе
6.2 Формирование излучения с узкой спектральной линии в селективном
резонаторе
Заключение
Литература
эксимерный лазер предыонизация излучение
Введение
Эксимерные (эксиплексные) молекулы - широкий класс молекул, существующих
только в возбужденных состояниях.
Начало работ по получению генерации на таких молекулах приходится на 1966
- 1969 гг. В 1970 г. в СССР был создан первый эксимерный лазер на жидком
ксеноне с накачкой электронным пучком. В дальнейшем генерация на молекулярном
ксеноне была осуществлена в плотном газе при давлении в десятки атмосфер. Таким
образом, димер инертного газа Xe2* первая эксимерная
молекула, на которой была получена генерация. Лазеры, работающие на другой
разновидности эксимерных молекул - галогенидах инертных газов, созданы в 1975
г. Своеобразие этого класса газовых лазеров является прямым следствием строения
эксимерных молекул и способа их образования.
Для лазеров на галогенидах инертных газов коротковолновый диапазон
излучения от 193 до 353 нм при возможности достижения высокой импульсной и
средней мощности генерации (энергия таких лазеров достигает нескольких сот
джоулей) с полным КПД до 10%. Максимальная энергия генерации получена на
молекулах ArF
(λ = 193 нм), KrF
(λ = 248 нм), XeCl
(λ = 308 нм) и XeF
(λ = 351 нм).
Лазеры обычно работают на смеси, состоящей из легкого инертного газа He, Ne
(~95%) и более тяжелого инертного газа Ar, Kr, Xe (~5%) с небольшой добавкой
галогеноносителя (F2, NF3, Hcl), при давлении порядка
трех атмосфер. Наличие тяжелого инертного газа и электроотрицательных компонент
(при высокой концентрации захватывают электроны), высокое давления
(классический тлеющий разряд существует только при низком ~ 103 Па),
а также необходимость обеспечения высокого уровня вкладываемой мощности,
обуславливают жесткие требования к лазерным системам.
Табл. 1. Характеристики эксимерных комплексов.
Ещё одним достоинством данного класса лазеров является то, что они
эффективно работают при различных способах накачки, а системы накачки являются
универсальными для получения генерации на различных молекулах при замене рабочей
смеси. Для осуществления генерации необходимо, чтобы концентрация возбужденных
эксимерных молекул была порядка NВ " 1014 -
1015 см-3. Для создания подобной концентрации
необходимо обеспечить весьма высокое значение энергии накачки ξн ~ 10-2 дж/см3
за время порядка 10-8 - 10-7 сек. Столь
высокая плотность энергии накачки достигнута при пропускании через газ мощного
разряда.
Перечисленные достоинства обуславливают широкую область применения
эксимерных лазеров.
До настоящего времени, эксимерный лазер на молекуле XeCl является одним из наиболее мощных
источников интенсивного ультрафиолетового излучения. Тридцатилетняя история
исследований XeCl-лазера позволила достичь большого
прогресса в этой области. На сегодняшний день реализованы как частотные, так и
моноимпульсные режимы с генерацией в диапазоне длительностей от десятка до
нескольких сотен наносекунд. Типичные значения для коммерческих XeCl лазеров составляют: КПД лазера 1-2
%, удельный энергосъем с активной среды 0.5-1 Дж/литр×атм., при удельной мощности накачки
до 1 MВт/cм3 и длительности импульса 20-30 нс [1]. В то же
время в работах [2-4] показана возможность увеличения КПД XeCl лазера и удельного энергосъема не
менее чем в два раза. В работе [5] описаны результаты исследования лазера с
мощностью накачки 45 МВт/см3 и плотностью разрядного тока 14 кА/см2,
при этом КПД лазера по мощности составлял 0.8%, а максимальный удельный
энергосъем ~2.4 Дж/литр×атм, интенсивность выходного пучка 4.8 МВт/см2.
В работе [6] при использовании УФ-предыонизации были реализованы условия
горения разряда при плотности мощности накачки 3.77 МВт/см3, КПД
лазера достигал 2.9%, удельный энергосъем с активной среды - 0.6 Дж/литр×атм, а интенсивность выходного пучка
- 6.5 МВт/cм2. С изменением давления
смеси от 4 до 6 атм и зарядного напряжения U0 от 18 до 36 кВ КПД лазера снижался до 1.8%, но удельный
энергосъем достигал ~1 Дж/литр×атм, а интенсивность выходного
излучения составляла 15.7 МВт/см2. В работе [7] нами была
реализована возможность горения разряда, состоящего из множества диффузных
каналов при средней мощности накачки 10 МВт/см3 и средней плотности
тока 5 кА/см2, КПД лазера с такой активной средой составил 1.2%,
удельный энергосъем ~3.9 Дж/литр×атм, интенсивность выходного пучка
14.9 Мвт/см2. В большинстве случаев эффективность работы лазерных
установок существенно снижалась при реализации максимального энергосъема с
активной среды. При этом причинами, приводящими к снижению называются либо
развитие неустойчивостей в разряде, либо не оптимальные условия для образования
и тушения рабочих молекул XeCl* в плазме в
результате протекающих плазмо-химических реакций.
Цель работы:
Исследование формирования качественного излучения электроразрядного
импульсно-периодического XeCl
лазера с длительностью импульса накачки 30 нс, расходимостью близкой к
дифракционному, увеличения КПД и повышения значения удельного энергосъема с
активной среды в импульсно-периодическом XeCl лазере.
Для достижения поставленной цели необходимо было решить ряд задач:
1) Показать что, при высокой удельной мощности накачки реализуется
однородный объемный разряд.
2) Реализация высокого КПД и высокой плотности мощности выходного.
3) Исследовать угловую расходимость, энергию выходного излучения
сформированного в плоско-параллельном резонаторе.
) Исследовать расходимость, энергию, и временной профиль выходного
излучения с диафрагмами в резонаторе.
) Исследовать формирование излучения с узкой спектральной линии в
селективном резонаторе.
1.
Кинетика
.1 Эксимерные молекулы
Это молекулы, существующие только в возбужденном состоянии. Как известно,
атомы благородных газов не образуют химических соединений. Это свойство
объясняют тем, что атомы данного типа не имеют электрона на незаполненных
оболочках, который мог бы составить пару электрону, принадлежащему другому атому,
с противоположно направленным спином. Наличие подобной пары является одним из
условий образования ковалентной химической связи, объясняющей существование
стабильного химического соединения.
В случае, если атом благородного газа находится в возбужденном состоянии,
данное препятствие снимается, поскольку при этом имеется электрон, занимающий
одну из незаполненных оболочек атома. Этот электрон может, вообще говоря,
составить пару своему собрату, имеющему противоположное направление спина и
принадлежащему другому атому. В результате между атомами возникает
взаимодействие, соответствующее притяжению, что открывает возможность
образования молекулы, одним из атомов которой является атом благородного газа.
Именно такая молекула и носит название эксимерной.
Эксимерная молекула, потенциальная энергия которой превышает энергию
основного состояния, не может существовать бесконечно долго. Она распадается за
времена порядка нескольких наносекунд, излучая световой квант. Под действием
отталкивания атомы быстро разлетаются в противоположных направлениях.
Несмотря на непродолжительное время жизни, эксимерная
молекула имеет все признаки химического соединения. Она обладает колебательными
и вращательными степенями свободы, которые характеризуются соответствующими
системами энергетических состояний. Она способна вступать в химические реакции.
Однако главная особенность эксимерных молекул состоит в том, что они
представляют собой готовую активную среду, которая может быть использована в
качестве основы для создания мощного лазера. Лазеры такого типа, получившие
название эксимерных, составляют группу наиболее интенсивных газовых лазеров
ультрафиолетового диапазона.
Возможность создания лазеров на переходах эксимерных
молекул основана на специфическом расположении кривых потенциальной энергии
основного и возбужденного состояний молекулы, образующихся при сближении
атомов.
Рис. 1. Характерные термы эксимерной молекулы,
благоприятные для работы эксимерного лазера.
Рис. 2. Энергетические уровни молекулы XeCl*.
Верхний терм лазерных переходов соответствует
возбужденной молекуле с ионным типом связи. Такая молекула образуется при
сближении иона инертного газа и отрицательного иона галогена. На далеких
расстояниях взаимодействие отвечает кулоновскому притяжению, которое при
дальнейшем сближении сменяется обменным отталкиванием электронов и кулоновским
отталкиванием ядер.
.2 Плазмо-химические реакции
Исследование кинетики реакций в газах на галогенидах
инертных газов довольно сложно. В кинетических процессах участвует много
частиц: атомы и молекулы в основном и возбужденном состоянии, несколько сортов
ионов, а также большое число возбужденных атомов и молекул. С целью упрощения
рассмотрения кинетики реакций происходящих в эсимерных лазерах, разделим все
реакции, происходящие в плазме на 8 групп, рассмотрим лишь наиболее важные из
них. При этом некоторые реакции могут принадлежать не только одной группе, а
двум и более. Первыe три группы
составляют:
I. Первичные реакции с электронами, например:
. e + He → He+ +e +e (1)
2. e + Xe → Xe* + e (2)
3. e + HCl → HCl(v) +e (3)
. Реакции между частицами буферного газа, например
. He* + He + He → He2 * +
He (4)
. He+ + 2He → He2+ + He (5)
6. Ne* + Ne + Ne → Ne2*
+ Ne (6)
7. e + HCl → HCl(v) +e (7)
. e + HCl → H + Cl- (8)
9. e + HCl → HCl+ +2e (9)
. Реакции с потерями электронов и положительно заряженных ионов:
а) диссоциативная рекомбинация:
10. HeXe+ +e → Xe* + He (10)
б) тройная рекомбинация, например:
11. He2+ + e + He → He* + 2He (11)
в) прилипание электрона к нейтральным частицам, например:
. e + HCl → H + Cl- (12)
13. Cl +e + Ne → Cl- +e + Ne (13)
отрицательный и положительный ионы могут рекомбинировать как бинарно
(перезарядка):
. Cl-
+ Xe+ → Xe* + Cl (14)
так и в тройных соударениях:
. Xe+ + Cl- + Ne → XeCl*
+ Ne (15)
Реакции (12) и (13) протекают достаточно быстро. Следует заметить
необычайную зависимость скорости этих реакций от давления. При давлении ниже
одной атмосферы константа скорости этих реакций имеет достаточно большое
значение. Реакция типа (13) вносит существенный вклад в образование
возбужденных молекул галогенидов инертных газов. Это предположение основано на
высоких КПД лазеров, наблюдаемых на молекулах ХеСl. Теоретическим обоснаванием эффективности такого процесса
является то, что кривая кулоновской потенциальной энергии вдоль которой
происходит движение ионов, пересекает большую часть ковалентных кривых на
довольно больших межьядерных расстояниях. Это затрудняет переход электрона от
отрицательного к положительному иону, препятствуя образованию ковалентной
связи.. Реакции, в результате которых образуются молекулы ХеСl* . Помимо реакции (14) наиболее важными являются
реакции:
. Xe* + HCl(v) → XeCl* + H
(16)
. NeXe*
+ Cl- → XeCl* + Nе (17)
Реакциия (13) наиболее существенна, и основной канал образования ХеСl* проходит именно через нее. Данная реакция аналогична
взаимодействию между ионом щелочного металла и ионом галогена.
Реакция (15) протекает только в присутсвии неона либо при использование
его как буферного газа. Посредством данной реакции образуется 30% молекул ХеСl* и неудивительно, что замена гелия на неон вкачестве
буферного газа повышает энергию в импульсе реальных устройств почти вдвое..
Реакции, обуславливающие процессы тушения, протекающие в плазме. К ним,
например, относятся реакции:
. XeCl* + He → Xe + He + Cl (18)
. XeCl* + Xe → 2Xe + Cl (19)
20. XeCl*
+ HCl(v) → Xe + HCl + Cl (20)
Наиболее важной, по крайней мере, при низком давлении, является прямое
тушение в столкновениях с галогеносодержащими молекулами (18). Константа
скорости такой реакции достаточно высока, т. е. тушение происходит при каждом
столкновении. Для типичной газовой смеси время тушения 10 нс. Столь быстрое
тушение электронно-возбужденных молекул наблюдается давольно часто и связано с
передачей энергии тушащей молекуле..Реакции с излучением. Вот некоторые из них:
. XeCl*
+ hν →
Xe + 2hν
(21)
22. Cl-
+ hν → Cl +e (22)
23. He*
+ hν → He+ + e (23)
24. HeXe + hν → Xe+ + He (24)
.Реакции с примесями, например:
. HCl + O2 → 4ClO2 + 2H2O (25)
26. Xe* + O2 → XeO (26)
27. Xe*
+ H2O →XeO + H2 (27)
Они обусловлены тем, что несмотря на строгие требования к чистоте газов,
газовая смесь может содержать до 1% О2,N2 H2,CO2,H2O. Вода является главной вредной
примесью в газовых смесях эксимерных лазеров.
Кроме вышеприведенных реакций в плазме протекает еще значительное
количество побочных, которые в основном уводят энергию из основного канала. Все
полезные возбужденные состояния достаточно короткоживущие, дополнительно
тушатся при взаимных столкновениях и столкновениях с другими образованиями в
плазме. Тем не менее, можно считать, что основные реакции, приводящие к
образованию возбужденных галогенидов инертных газов, протекают достаточно
быстро и эффективно. Учитывая все эти процессы, а так же потери в схеме
возбуждения, можно оценить, что в реальных устройствах в образованиe молекул ХеСl, в лучшем случае вкладывается только 8-10% энергии,
запасенной первоначально в накопительных емкостях.
.3 Упрощенная
моделькинетики образования XeCl
молекулы
Рис. 3 Блок-схема упрощенной модели кинетики
образования XeCl*-молекул.
Эта модель включает следующую совокупность плазмохимических реакций:
Xe + e → Xe+ + e + e;
Xe + e → Xe* + e;
Xe* + e → Xe+ + e + e;
Xe* + e → Xe + e; (28)
HCl(v) + e → Cl- + H;
Xe+ + e → Xe;
Xe+ + Cl- + M → XeCl*
+ M;
XeCl* + N → Xe + Cl
+ N;
XeCl* → Xe + Cl + hν;
2. Система возбуждения
.1 Механизмы возбуждения эксимерных лазеров
Пороговые значения инверсии для эксимерных лазеров очень велики, что
связано, с одной стороны с малой длинной волны, а с другой стороны, с большой
шириной линии соответствующих переходов. В самом деле, выражение для
коэфициента усиления в случае, когда в нижнем состоянии перехода молекулы
отсутствуют, имеет вид:
, (29)
где
- плотность молекул в верхнем состоянии,
-ширина линии усиления,
-вероятность спонтанного излучения
для перехода,
-длинаволны. Для тэксимерных лазеров a21~107
- 108 сек-1,
см, поэтому,задавшись пороговым значением усиления k~10-2см-1,получим
оценку порогового значения плотности возбуждённых молекул:
(30)
Для создания подобной плотности
возбуждённых молекул необходимо обеспечить весьма высокое значение плотности
энергии накачки Eн~10-2дж/см3 за время
порядка 10-8 - 10-7сек. Столь высокая плотность
энергии накачки может быть достигнута при пропускании через газ достаточно
иысокой плотности интенсивного пучка быстрых электронов или мощного импульсного
разряда. При использовании двух указанных способов введении энергии в активную
среду реализуются существенноразличные механизмы создания инверсной
заселённости, основанные на различных последовательностях элементарных
процессов. Рассмотрим подробнее эти механизмы.
2.2
Возбуждение эксимерного лазера элекронным пучком
При возбуждении эксимерного лазера пучком быстрых электронов величина
удельной энергии накачки, вводимой в активную среду лазера, пропорциональна
давлению газа, поэтому пороговые условия в данном случае достигаются и
результате простого увеличения давления. Так, в случае, если основной механизм
потери энергии электронного пучка в газе связан с ионизацией атомов газа при
прохождении в нём электронов, то величина удельной энергии Ен,
вводимой в газ, даётся выражением:
(31)
где Nп - плотность электронов в пучке, Z - атомный номер
элементов, ε - энергия электронов в пучке, I - энергия связи электронов в
атоме, сп - скорость электронов в пучке, τ
- длительность импульса.
При использовании релятивистского электронного пучка с энергией ~ 1 Мэв,
плотностью тока j ~ 104а/см2 и длительностью
импульса ~ 10-8 сек, плотность энергии накачки ~ 0,1дж/см 3
достигается при давлении криптона ~ 1 атм. Источники пучков с указанными
параметрами довольно широко распространены и их создание, по-видимому, не
является сложной технической проблемой. В случае, если активная среда заполнена
в основном инертным газом, с большим порядковым номером Z, то подавляющая часть
энергии, теряемой пучком в газе, будет расходоваться на ионизацию атомов. В
результате в газе образуется значительное количество свободных электронов,
рекомбинация которых приводит к образованию возбужденныхз атомов и молекул.
Ориентируясь на приведенные выше параметры активной среды, мы можем проанализировать
следующую последовательность элементарных процессов, происходящих в таком
слабоионизованном газе:
ê + R → ê + R+ + e, (32)
R+ +2 R →R+2 + R, (33)
R+2 +e →R + R*, (34)
R+ +2e →R + e, (35)
R+ +X2 →RX* +X, (36)
R* +X2 →R +2X, (37)
RX* → R +X +ћω, (37')
R* +2 R →R*2 + R, (38)
ћω
+ RX* → R +X +2ћω, (39)
где R, X - атом инертного газа и галогена соответственно, звездочка
отвечает электронно-возбужденному состоянию, ê - быстрый электрон пучка, е -
тепловой электрон. Как видно из механизма возбуждения лазера, важными стадиями
в последовательности процессов, приводящих к созданию инверсной заселенности,
являются процессы конверсии ионов (33) и диссоциативной рекомбинации (34). Эти
процессы отвечают основным каналам преобразования энергии электрического поля в
энергию возбужденных атомов и молекул только в специфических условиях, когда
давление газов и энергия первичных электронов в газе достаточно высоки. При
малых давлениях, с одной стороны, процесс конверсии (33) весьма медленный, так
что на процесс диссоциативной рекомбинации (34) накладываются процессы
рекомбинации через другие механизмы, при которых образуются атомы не в одном, а
во многих электронно-возбужденных состояниях. Такой режим не благоприятен для
создания инверсионной заселенности. С другой стороны, при малых значениях
энергии электронов доля энергии, расходуемой на ионизацию, уменьшается, что
также снижает селективность механизма образования возбужденных атомов. В самом
деле, если энергия налетающего электрона порядка связи электрона в атоме, то
при неупругом соударении электрона с атомом с примерно равными вероятностями
могут образовываться атомы в различных возбужденных состояниях.
2.3 Возбуждение зксимерного лазера
разрядом
Механизм электроразрядного возбуждения зксимерных лазеров в существенной
степени отличается от механизма возбуждения лазеров электронным пучком.
Основная отличительная особенность связана со способом образования
метастабильных атомов инертного газа. Типичное соотношение компонент в активной
среде рассматриваемого класса лазеров имеет вид Не(Ne):R:X2 ≈
10:1:0,1,однако доля буферного газа может быть значительно выше. Суммарное
давление смеси составляет обычно около 1атм., но в отдельных работах в
результате давления буферного газа используется существенно более высокое
давление. В результате неупругих электрон-атомных соударений в разряде
образуется значительное количество возбужденных атомов инертного газа:
e+ R →R*(3P1,1P1)+e
(40)
R*(3P1,1P1)+е →
R*(3P2,3P0)+е (41)
Концентрация которых оказывается, таким образам, близкой к концентрации
резонансно-возбужденных атомов. Характерное значение константы спинового обмена
составляет 10-6см 3/сек. Поэтому указанный процесс(41)
может происходить за времена, меньшие или порядка характерной деятельности
лазерного излучения~10-9-10-8сек в случае, если плотность
электронов Ne удовлетворяет соотношению:
Ne"1014-1015см-3.
Формирование однородного наносекундного разряда в газе атмосферного
давления с указанной плотностью электронов представляет серьезную техническую
проблему, решению которой и посвящено большинство работ по эксимерным лазерам с
электроразрядным возбуждением. В случае возбуждения лазеров на димерах инертных
газов, где оптимальные значения плотности газа составляют десятки атмосфер,
указанная проблема не нашла своего решения, так что электрический разряд
используется только для возбуждения эксимерных лазеров на моногалогенидах
инертных газов. В частности, для возбуждения эксимерных лазеров широко
используются такие устройства, как разряд с поперечным возбуждением, разряд с
предварительным инциированием дополнительным источником ионизации, таким как
фотоионизирующее излучение электронный пучок небольшой мощности, разряд бегущей
волны или линия Блюмляйна.
Рис. 4 - Схема искровой предыонизации:а) односторонняя; б) двухсторонняя.
Основным параметром, определяющим эффективность эксимерного лазера с
электроразрядным возбуждением, является отношение напряженности электрического
поля к плотности буферного газа. При малых E/N мала константа скорости
возбуждения атома инертного газа электронным ударом. При больших E/N имеет
место эффективное возбуждение одновременно большого состояний атома инертного
газа а также его ионизация, что ведет к резкому снижению коэффициента
преобразования вводимой энергии в энергию метастабильных атомов инертного газа.
Оптимальные значения E/N оказываются порядка 10-15 в/см3.
При давлении порядка атмосферного это соответствует значениям напряженностей
электрического поля, лежащим в области 104-105 в/см.
легко увидеть, что подобные значения напряженностей технически несложно могут
быть реализованы лишь при сравнительно небольших электродных расстояниях
порядка нескольких сантиметров. Отсюда следует необходимость использования
электрического поля приложенного поперёк лазерной трубки. Наиболее эффективный
способ преодоления трудностей, возникающих при осуществлении и поддержания в
газе высокого давления однородного по объему импульсного разряда, состоит в
использовании дополнительного источника ионизации. После создания с помощью
такого источника однородной по объему слабоионизированной плазмы к разрядному
промежутку прикладывается электрическое поле, амплитуда которого уже не связана
с условиями пробоя, а выбирается из условия оптимального возбуждения лазера. В
качестве дополнительного источника ионизации эффективно используется как
фотоионизируещее УФ излучение, так и маломощный пучок быстрых электронов.
Указанные источники дополнительной ионизации обеспечивают значение плотности
электронов в активной среде~109-1013см-3.
Поэтому для достижения порогового значения плотности электронов Ne~1014-1015см-3.Необходимо
обеспечить такое отношение, при котором за время импульса успевает произойти
увеличение плотности электронов на несколько порядков. Отсюда может быть
получена оценка оптимального значения. Во-первых, высокое давление буферного
газа позволяет обеспечить достаточно быстрое решение объемной ионизации и
обеспечение оптимальных значений потока электронов. Во-вторых, использование
независимых источников начальной ионизации дает возможность резко снизить
величину напряжения питания, устанавливая ее на уровне оптимальном с точки
зрения возбуждения инверсной заселенности. Наконец, в качестве последней
особенности электроразрядного возбуждения эксимерного лазера, отметим, что
плотность того инертного газа, из которого образуется эксимерная молекула,
может быть много меньше плотности буферного газа. Дальнейшее увеличение
плотности инертного газа N, участвующего в образовании эксимерных молекул,
приводит к увеличению скорости образования возбужденных атомов и, казалось бы,
способствует увеличению выходных параметров лазера. Однако, возникающие при
этом накопления возбужденных атомов в активной среде вызывает изменение
характера ионизации: вместо прямой ионизаци на первый план выступает
ступенчатая ионизация, эффективность которой резко возрастает с ростом
плотности возбужденных атомов. Это приводит к развитию неустойчивости,
сопровождающейся лавинообразным ростом плотности электронов. В условиях
эксимерного лазера, когда в газе имеется малая электроотрицательная примесь,
указанная неустойчивость развивается при достаточно высокой плотности
возбужденных атомов инертного газа, когда характерное время ионизации
возбужденного атома меньше удвоенного времени прилипания электрона. Как
показывают детальные численные расчеты, при превышении определенного значения
плотности возбужденных атомов неустойчивость указанного типа приводит к резкому
снижению доли энергии, идущей на образование метастабилей инертного газа.
Эффективность электроразрядного способа возбуждения эксимерных лазеров
примерно столь же высока, что и в случае возбуждения электронным пучком. Это
связано с тем обстоятельством, что в условиях оптимального возбуждения доля
вводимой энергии, которая преобразуется в энергию возбужденных атомов, в случае
импульсного разряда в инертном газе очень велика и может составлять десятки
процентов. В результате КПД таких лазерных систем нередко оказывается около
процента, а в отдельных случаях его значение превыает 10%.
2.4 Общая характеристика систем
предыонизации
Одним из важнейших факторов, влияющих на работу электроразрядных эксимерных
лазеров, является предыонизация активной среды. Она оказывает существенное
влияние на устойчивость разряда, его однородность, длительность объемной
стадии, стабильность генерации и ресурс работы лазера. В показано, что
предварительное ультрафиолетовое (УФ) облучение газового объема сокращает время
развития пробоя, способствует формированию объемного разряда. С увеличением
интенсивности облучения уменьшается напряженность поля, при которой возникает
диффузный разряд. Происходит это потому, что УФ-ионизация создает некоторое
начальное количество свободных электронов, которые становятся центрами
инициирования разряда. Для всех газоразрядных лазеров, использующих поперечный
разряд, важное практическое значение имеет решение вопроса о минимальной
плотности электронов предыонизации и однородности их распределения, необходимой
для формирования однородного разряда. В случае малого количества начальных
электронов происходит независимое развитие рождаемых ими лавин. В окрестности
каждой лавины нарастает искажение внешнего поля потенциалом пространственного
заряда, который возникает в ходе ионизационного размножения частиц в лавине.
После прохождения лавиной некоторого критического расстояния она порождает
стример. Формирование однородного разряда достигается в случае, когда пробой
газоразрядного промежутка происходит при одновременном развитии множества
электронных лавин и их взаимном перекрытии до того, как они пройдут критическое
расстояние. При этом искажающее действие поля пространственного заряда каждой
отдельной лавины будет подавлено коллективным действием остальных лавин во всем
объеме. Известно, что существует критическое расстояние между начальными
электронами предыонизации, которое определяет минимальное значение концентрации
электронов предыонизации в разрядном объеме.
ne > (4De Xкр/uдр)-3/2,
(42)
где De и uдр - коэффициент диффузии и дрейфовая
скорость электронов, а Xкр- критическое расстояние. Оценка
минимальной концентрации начальных электронов дает значение ~106-108
см-3. Причем, повышение начального уровня предыонизации и
напряжения на электродах, а также увеличение скорости его нарастания всегда
способствует улучшению однородности разряда.
Учёными исследовалась зависимость энергии генерации ХеС1-лазера от уровня
предыонизации. Показано, что выходная энергия не зависит от уровня
предыонизации, когда ne > 108см-3. При ne~107см-3
она уменьшается на 10%, а при ne ~106см-3
наполовину. Данное снижение уровня предыонизации приводит к значительному
нарушению однородности разряда и уменьшению энергии генерации. Концентрация
электронов предыонизации при отсутствии напряжения между лазерными электродами
может быть представлена
, (43)
где ne - концентрация электронов предыонизации; nHCl
- концентрация молекул НCl; b - эффективная скорость диссоциативного
прилипания электронов к НС1; S0 - скорость образования электронов
под действием внешнего ионизатора. Тогда
.
(44)
Из (31) видно, что концентрация электронов выходит на насыщение при ne
= S0/bnHCl c постоянной времени t0 =
1/bnHCl. Оценим порядок величин определяющих величину выражения
(42). Рассмотрим два случая.
. Осутствует внешнее электрическое поле Е/N=0. В этом случае величина β
~10-10 -10-11 см-3/с
. Концентрация молекул HCl в основном колебательном состоянии ~ 1016
см-3. Тогда t0 = 1/bnHCl ~ 10-6
c. Если S0 = 1015 см-3/с, то
концентрация электронов возрастает до ne ~ 109 см-3
за время порядка t0.
2. На электроды лазера подается импульс напряжения. В этом случае Е/N
отлично от нуля, что приводит к тому, что электроны начинают приобретать
энергию от электрического поля, а электронная температура Те
начинает расти и отрываться от температуры нейтральных частиц. Электронная
температура Те ~ E/N. Поэтому по мере роста E/N увеличивается вероятность
возбуждения нейтральных атомов электронами. Процессы прилипания еще полностью
доминируют над процессами ионизации, то есть нет развития электронных лавин, но
уже идет накопление нейтральных атомов в возбужденных состояниях. Это приводит
к тому, что увеличивается величина S0, так как теперь ионизироваться
УФ- подсветкой могут частицы не только из основного, но и возбужденного
состояния (при этом предыонизация вкладывает в активную среду туже энергию, что
и ранее, но увеличивается концентрация электронов). Тогда концентрация
электронов описывается выражением
, (45)
γne - увеличение выхода электронов.
Можно показать, что уменьшение порога пробоя основного лазерного промежутка под
действием предыонизации обусловлено действием именно этого механизма. Таким
образом, предыонизация активной среды осуществляется не мгновенно, а в течение
определенного времени t. В этой связи важно определить оптимальное время
действия предыонизации и установить взаимосвязь τ с энергетическими характеристиками
XeCl-лазера при различных типах предыонизации. Поэтому представляется
целесообразным провести комплексное исследование влияния параметров и режима
работы контура предыонизации на генерационные характеристики.
2.5 Основные схемы возбуждения ЭЭЛ
Системы возбуждения электроразрядных эксимерных лазеров, использующие
сосредоточенные емкости, можно классифицировать на выполненные по типу
LC-контура или LC-инвертора.
В равной мере оба типа систем возбуждения используются не только в лабораторных
лазерах, но и в серийно выпускаемых. Вместе с тем они имеют и существенные
отличия. Системы возбуждения на основе LC-контура позволяют получать энергии
генерации ³1 Дж, а при импульсной зарядке накопительной емкости до 20 Дж ,
формировать длинные импульсы генерации, успешно управлять их формой и
длительностью, иметь высокую генерационную эффективность. Однако такие
требования к LC-контуру как минимальная индуктивность, использование
специальных конденсаторов и низкоимпедансных коммутаторов ограничивает их
применение, особенно когда необходимы высокие мощности генерации (>50 МВт) и
большая частота повторения импульсов. В таких случаях чаще всего используются
системы возбуждения на основе LC-инвертора. Во-первых, у них снижены требования
к коммутатору и индуктивности в его цепи и во-вторых, они позволяют вдвое
увеличить напряжение, прикладываемое к лазерным электродам. В технике
возбуждения газоразрядных лазеров в основном используется три типа
электрических схем: так называемая схема Блюмляйна (рис. 5а), схема с
перезарядкой емкостей (рис.5б) и генератор Маркса(рис. 5в).
Рис.5. Типичные схемы возбуждения газовых лазеров с самостоятельным
разрядом: а) схема Блюмляйна; б) схема с перезарядкой емкости; в)генератор
Маркса.
Недостатком схемы Блюмляйна является трудность согласования импедансов
нагрузки и контура возбуждения. Но зато существует теоретическая возможность
удвоения напряжения на нагрузке. Кроме того, при оптимальных параметрах
согласования нагрузка на коммутатор низка, т. к. коммутируется только емкость С1,
которая в большинстве случаев в 2-3 раза меньше С2. Схема с
перезарядкой емкостей (рис. 5б) наиболее сильно нагружает. коммутатор
(тиратрон), т. к. коммутируемая емкость С1 больше С2.
Кроме того, в случае согласованной нагрузки напряжение на ней падает более чем
вдвое по сравнению с начальным напряжением на накопительной емкости С1.
Генератор Маркса применяется в мощных лазерных установках, где основной
упор сделан на энергетические, а не частотные характеристики, т. к. в этом типе
схемы возбуждения в качестве коммутаторов используются искровые разрядники, не
позволяющие работать с частотами выше 10 Гц.
Рис. 6. Схема возбуждения лазера типа ЭЛИ
Рис.7. Сопротивление R и
напряжение U на нагрузке - модельные кривые.
Итак, мы остановились на схеме Блюмляйна, которая, как показывает анализ,
наиболее эффективна для применения в лазерах средней мощности, с запасаемой в
емкостях энергией порядка 10 - 20 Дж. Рассмотрим подробнее работу этой схемы
(рис. 6) переходные процессы, начинающиеся в схеме после включения тиратрона Т,
описываются нелинейным дифференциальным уравнением пятого порядка. Дело
упрощается, если моделировать процесс пробоя межэлектродного промежутка
ступенчатой кривой (рис. 7), где сопротивление нагрузки падает до 0, 5-0, 3 Ом
в момент начала лавинных процессов. Это приближение сильно упрощает уравнения и
довольно хорошо описывает работу схемы. Качественно картина работы схемы
возбуждения выглядит так: первоначально емкости С1 и С2
заряжаются от источника питания до напряжения U0. После включения
коммутатора Т в контуре 1 начинается довольно медленный процесс переразрядки
емкости C1 с характерным временем √(L1c1),
где L1 - индуктивность тиратрона. Этот контур в основном определяет
крутизну нарастания напряжения на нагрузке - межэлектродном промежутке. В
идеальном случае процесс инвертирования заряда на С1 проходит
полностью, и в момент пробоя емкости С1 и С2 оказываются
соединенными последовательно, напряжение на нагрузке удваивается по сравнению с
начальным U0. Реально же из-за довольно медленного процесса,
тормозимого конечными переходными характеристиками тиратрона, нарастание
напряжения на нагрузке недостаточно быстро (около 70 нc), и пробой происходит
без существенного перенапряжения.
Длительность импульса тока, следовательно и плотность тока, определяет
контур 11 с характерным временем
Как показывают эксперименты, можно пожертвовать скоростью нарастания
напряжения и, подсоединив параллельно нагрузке емкость С3, уменьшить
за счет взаимоиндукции L2 и L3 эффективную индуктивность
разрядного контура, тем самым ускорить процессы энерговклада в плазму. Этот
метод оказался довольно эффективным и позволил поднять кпд лазера в 1, 5 раза.
Практически все схемы возбуждения можно получить исходя из двух основных схем
LC-контур и LC-инвертор :
2.6 Использование
LC-контура для возбужденияэлектроразрядных эксимерных лазеров
Применению LC-контура в качестве системы возбуждения эксимерных лазеров
посвящен ряд работ. Было исследовано влияние на энергию генерации отдельных
параметров разрядного контура, проведена оптимизация схемы возбуждения, изучено
влияние индуктивности контура на энергию генерации и исследована зависимость
выходной энергии и полной эффективности ХеСl-лазера от отношения накопительной
к обострительной ёмкостей С0/С1. Из результатов исследования
влияния величины обострительной емкости на выходную энергию и КПД ХеСl лазера
стало ясно, что существует оптимальное значение обострительной емкости, при
которой выходная энергия максимальна.
Ведущими инжинерами доказано, что энергия генерации максимальна при
соотношении С0/С1~0,6, причем максимальная эффективность
в этом случае достигается при минимальном напряжении. Эксперименты проводились
при трех значениях С1 и изменении С0 в пределах 0,1С1-0,7С1.Найдено,
что для всех значений С1 оптимальное отношение С0/С1
лежит в диапазоне 0,3-0,5. Из анализа публикаций следует, что оптимальное
соотношение обострительной и накопительной емкостей лежит в диапазоне 0,2-0,6.
Обращает на себя внимание столь большое различие полученных разными авторами
оптимальных значений отношения С0/С1. Это может быть
связано с тем, что данное соотношение зависит от индуктивности L1,
через которую происходит зарядка C0 от С1, а также потерь
при коммутации, прикладываемого напряжения. Максимальное напряжение, до
которого заряжается С0 от С1 при изменении С0
от 0,1С1 до С1, может линейно изменяться от ~2U0
до ~U0, где U0-начальное зарядное напряжение на С1.
С изменением величины С0 изменяется также напряжение, прикладываемое
к лазерным электродам, и соответственно энерговклад в активную среду. Поэтому
для каждого конкретного случая необходимо определять оптимальные значения
давления смеси, зарядного напряжения, величины С1, С0, L1
и L0.
Описанная ситуация имеет место при большом значении L1. При
величине L1, сравнимой с L0, положение, вероятно,
изменится, поэтому представлялось целесообразным изучить работу LC-контура с
обострительной емкостью при L1<10L0 (L0~3нГн).
В большинстве случаев уменьшение L1 ниже 10L0 связано со
значительными конструктивными трудностями, поэтому этот диапазон изменений L1
был практически не исследован. Как система возбуждения лазера, LC-контур
содержит накопительную емкость С1 и последовательно включенную с ней
через индуктивность L1 обострительную емкость C0 (см.
рис.3). Так как С1 перезаряжается на С0 через коммутатор,
который обладает активным сопротивлением, сравнимым с сопроти. При С0=15
нФ на импульсе тока от С1 видна колебательная структура, а при С0=37
нФ наблюдается явный колебательный разряд (см. рис.12,б и в). Колебательный
характер энерговклада отрицательно сказывается на однородности и длительности
объемной стадии разряда. Для описания данного нестационарного разряда могут
быть использованы формулы, но только до момента времени, когда ток достигает
максимальной величины, влением плазмы в межэлектродном промежутке, то на нем
теряется значительная часть энергии, запасенной в С1. Следовательно,
одним из путей увеличения эффективности и выходной энергии генерации является
уменьшение потерь на коммутаторе. С целью выяснения влияния сопротивления
коммутатора на энергию генерации лазера исследовалась ее зависимость от числа
параллельно включенных разрядников РУ-65. Исследования проводились на смеси
НСl:Хе:Ne-1:15:1960, при общем давлении 2,6 атм. и зарядном напряжении до 40кВ.
Величины накопительной и обострительной емкостей были равны 70 нФ.
Индуктивность L1 в этой серии экспериментов была постоянной и
равнялась ~35нГн, что достигается сменой токоведущих шин. Проанализируя
полученные учёными результаты, делаем выводы, что существующие способы
предыонизации активной среды эксимерных лазеров позволяют получать начальную
концентрацию электронов до 1010см-3, при их плотности в
момент начала генерации ~1015-1016см-3. Это
значит, в разряде существует стадия его формирования, в течение которой
концентрация электронов возрастает на несколько порядков. В течение этой
стадии, преимущественно за счет прямой ионизации, в условиях высокой
напряженности электрического поля в межэлектродном промежутке, происходит
экспоненциальный рост концентрации электронов. При этом, время поддержания
высокой напряженности электрического поля должно быть ограничено 10-20
наносекундами. Его затягивание приводит к "взрывному" росту
концентрации электронов за счет ступенчатой ионизации и быстрому
контрагированию разряда. По этой причине у большинства эксимерных лазеров
длительность фазы объемного однородного разряда, а, следовательно, и импульса
генерации составляет 30-60 нс. Для того, чтобы продлить существование
однородного объемного разряда необходимо разделить его возбуждение на две стадии:
стадию формирования и стадию энерговклада в разряд, на которой необходимо
принять меры, препятствующие развитию ступенчатой ионизации и росту
концентрации электронов. Это можно сделать, путем значительного уменьшения
напряженности электрического поля на стадии энерговклада, т.е. уменьшения E/N
до значения (E/N)*.
Уменьшение напряженности электрического поля можно достичь путем
последовательного включения стабилизирующих элементов (балластных резисторов,
нелинейных индуктивностей), а также созданием систем возбуждения с изменяющимся
во времени по определенному закону импульсом напряжения. При малых величинах
обострительной емкости С0 основная её функция состоит в формировании
объемного разряда. За короткое время она заряжается от накопительной емкости С1
до напряжения порядка двойного зарядного, а затем разряжается на межэлектродный
промежуток за вдвое меньшее время. При столь высоком перенапряжении (>70 кВ
/3,5 см·4 атм.) и крутом фронте импульса возбуждения формируется однородный
объемный разряд. Сама обострительная емкость С0 разряжается на
стадии пробоя, когда сопротивление разрядной плазмы достаточно высоко. Основной
энерговклад в разряд в этом случае осуществляется от накопительной емкости С1
Уменьшение С0 до нескольких нанофарад позволило разделить во времени
формирование разряда и его возбуждение. Этот эффект достигнут благодаря тому,
что разрядка С0 осуществляется при напряжении в ~2 раза большем, чем
напряжение на С1 и длится ~20нс, а разрядка С1 фактически
начинается после того, как С0 разрядилась. С увеличением
обострительной емкости С0 ее роль изменяется. Наряду с формированием
разряда она осуществляет и энерговклад в разряд. Мощность которого сравнима с
мощностью энерговклада от С1. Кроме того, так как волновое
сопротивление контура L0С0 превышает активное
сопротивление плазмы в межэлектродном промежутке, то разряд С0 имеет
колебательный характер. Так как L0С0<(L1+L0)С1,
то наложение токов разряда обострительной и накопительной емкостей приводит к
колебательному суммарному энерговкладу. При колебательном характере импульса
тока напряжение возрастает от нуля до некоторого максимального значения. В этом
случае
и при
быстрое падение разрядного напряжения связано с влиянием
собственной индуктивности разряда, приводящей к неустойчивости и его
контрагированию. Рассмотренные выше процессы объясняют падение энергии
генерации ХеСl- лазера с ростом величины обострительной емкости до ~30 нФ.
Максимальная энергия генерации достигается при минимальных С0 и L1.
При С 0>15 нФ колебательный энерговклад отражается на импульсах
генерации. При С0>30 нФ изменяется режим возбуждения разряда.
Мощность энерговклада в течение первого импульса разрядного тока значительно
возрастает. Этот рост обусловлен разрядом обострительной емкости, в которую, за
время задержки разряда в межэлектродном промежутке, переходит значительная доля
энергии, запасенной в С1. Генерация или срывается после первого
импульса тока разряда или на втором импульсе возбуждения интенсивность ее
значительно ниже. Таким образом, рост энергии генерации с увеличением С0
при L1=23 и 33 нГн происходит благодаря росту мощности энерговклада
в течение первого импульса тока разряда. Отсутствие роста энергии генерации с
увеличением С0 при L1=11нГн можно объяснить следующим
образом. При L1=11 нГн время зарядки С0 от С1
сравнимо с временем разряда С0 на межэлектродный промежуток. После
пробоя межэлектродного промежутка при напряжении на С0, близком к
максимальному, Со разряжается как на него, так и обратно на С1 .
Этот процесс приводит к уменьшению энерговклада во время первого импульса
разрядного тока и отсутствию роста энергии генерации. При С1=300 и
225 нФ выходная энергия при одной и той же величине обострительной емкости все
же больше при L1=11 нГн, чем при L1=23 и 33 нГн,
вследствие большей мощности энерговклада от накопительной емкости. При С1 =75
нФ и L1=23 и 33 нГн энергия генерации значительно больше, чем при L1=11
нГн вследствие уменьшения энерговклада от С1 и обратной переразрядки
на нее С0 .
Исследовалась также зависимость работы лазера от величины зарядного
напряжения при L1=11 нГн, С1=300 нФ и С0=3,6
нФ , 25 нФ , 37 нФ , 70 нФ, без С0. Во всех случаях наблюдается рост
энергии генерации ХеС1-лазера с возрастанием U0. Причем максимальная
энергия генерации - 1,7 Дж достигается при минимальном значении обострительной
емкости С0=3,6 нФ. Без обострительной ёмкости эффективность
генерации значительно меньше . Таким образом, в результате проведенных
исследований показано, что уменьшение обострительной емкости С0 до
значений (0,01-0,02) С1, при одновременном уменьшении индуктивности
L1 в цепи зарядки С0 от С1 до минимально
возможной величины, позволяет сформировать для возбуждения активной среды
лазера сдвоенный импульс: короткий высоковольтный (~2U0) для
формирования разряда и длинный (~U0) для энерговклада в него,
получать с применением емкостной предыонизации однородный объемный разряд
длительностью ~200 нс и увеличить энергию генерации лазера в 1,5-2 раза. Анализ публикаций последнего времени показывает, что
полученные результаты имеют практическую реализацию в мощных электроразрядных
эксимерных лазерах, где энергия генерации ≥10 Дж и КПД ~ 4% достигается
при возбуждении лазера сдвоенным разрядом.
2.7 Описание схемы LC-инвертора
Известно, что для эксимерных лазеров требуется относительно высокий
уровень интенсивности накачки. В электроразрядных эксимерных лазерах
интенсивность накачки составляет от нескольких десятых до нескольких единиц
МВт/см3 причем, для различных типов эксимерных лазеров оптимальные
значения этого параметра, определяемые с точки зрения максимальной
эффективности накачки существенно различны. При прочих равных условиях
возбуждения эксимерных лазеров оптимальная мощность энерговклада может зависеть
от типа используемой электрической схемы возбуждения (LC-инвертор, емкостная
перезарядка, системы с высоковольтным предимпульсом и т. д.).
Рассмотрена схема возбуждения элекроразрядного эксимерного лазера,
выполненная по типу LC-инвертора. Данная схема имеет ряд преимуществ. К ним
относят возможность увеличение напряжения на разрядном промежутке,
способствующего улучшению однородности разряда и повышения эффективности
энерговклада в активную среду при небольших зарядных напряжениях, снижение нагрузки
на коммутатор и повышение его срока службы, так как он не включается в цепь
последовательно и через него не проходит вся запасаемая энергия.
Выше представлена его принципиальная электрическая схема. Излучатель
представляет собой диэлектрическую разрядную камеру, внутри которой
располагается профилированный цельнометаллический анод (А), сетчатый катод (К)
и электрод предыонизации (Э). Предыонизация активной среды в межэлектродном
промежутке (МП) осуществлялась излучением емкостного разряда из-под сетчатого
катода при подаче импульса высокого напряжения на электрод предыонизации. Такое
расположение системы предыонизации позволяет максимально приблизить источник
ионизирующего излучения к зоне основного разряда и достичь однородного
распределения начальных электронов в МП. Основной разрядный объем составляет
90х3,5х2 см3 (ширина разряда 2 см). На торцах разрядной камеры
располагается резонатор лазера, который образован плоским зеркалом с
Al-покрытием и плоскопараллельной кварцевой пластиной. Возбуждение поперечного
разряда осуществляется системой, выполненной по типу LC-инвертора,
принципиальная схема которой также представлена на рис.5. Она включает НЕ С 1
и С2, которые от источника постоянного высокого напряжения через
резистор R заряжались до напряжения Uo. После срабатывания
коммутатора РУ, в качестве которого используется управляемые разрядники РУ-65,
через L2 происходит инверсия напряжения на С2, и через
индуктитвность L1 осуществляется зарядка обострительной емкости (ОЕ)
Со до напряжения, близкого к двойному зарядному. ОЕ Со
подключена к электродам лазера с минимально возможной для данной конструкции
индуктивностью Lо. Разряд предыонизации возбуждаетя от отдельного
LC-контура включающего Спр - накопительную емкость, Lпр -
индуктивность в контуре предыонизации, РУ1 коммутатор Спр заряжается
от источника постоянного высокого напряжения через резисторы R3 и R4
до напряжения Uo. Энергия генерации измерялась калориметром ИМО-2Н,
а напряжение на Со, ток разряда, форма и длительность импульса
генерации - осциллографом 6ЛОР-04 с помощью резистивного делителя Д (R1-R2),
поясов Роговского ПР1 и ПР2 и вакуумного фотодиода ФЭК-22СПУ.
Рис.8. Упрощенная схема LC-инвертора.
Рис.9.Упрощенная схема LC-инвертора для холостого хода.
3.
Системы прокачки рабочей смеси
В отличие от режима одиночных импульсов, импульсно периодический режим
работы (ИПР) имеет свои особенности обусловленные влиянием возмущений,
вызванные предыдущими разрядными импульсами на последующие. Согласно [11]
данное влияние вызывается следующими явлениями:
1. Адиабатического расширения пробки нагретого газа
2. Влияния пограничных слоев на электродах
. Ударных волн
. Акустических колебаний
. Изменение состава рабочей смеси
Наличие возмущений плотности газа при ИПР, приводит к неоднородному
распределению плотности газа в разрядном объеме, и как следствие происходит
контрагирование разряда, приводящее к неоднородности распределения выходного
излучения по сечению пучка, уменьшения выходной мощности излучения, к
механическим повреждениям электродов и т.д. Для избежания выше перечисленных
последствий, необходимо осуществлять смену газа в разрядном промежутке.
В работе [11] проводится теоретическая оценка скорости прокачки газа в
разрядном промежутке. Расчет показывает что, скорость прокачки должна быть
таковой, чтобы к моменту начала следующего импульса успевала происходить смена
газа в промежутке в полтора раза больше чем размер электродов в направлении
прокачки. В этом случае влияние адиабатического расширения пробки нагретого
газа от предыдущих разрядных импульсов на последующие, будет незначительно.
В работе [19] исследовались различные конструкции камер прокачки
изображенных на Рис.10. Газовый поток, в обеих камерах создавался диаметральным
вентилятором, который приводился в движение электродвигателем через магнитную
муфту. Скорость потока в камере ,а у заземленного электрода составляла 3 м/с ,а
у высоковольтного электрода 4-5 м/с (при 1500 об/мин). Рост мощности лазера при
увеличении частоты прекращался при достижении частоты повторения импульсов 175
Гц. Авторы связывают это с тем, что пробка нагретого газа не успевает выйти из
разрядного промежутка. В камере изображенной на рис 3б граничная частота
составила порядка 400 Гц (скорость прокачки 24 м/с), а уменьшение мощности
объяснялось влиянием акустических колебаний, для подавления которых необходимо
устанавливать глушители.
Кроме скорости прокачки важным параметром является профиль газового потока
в разрядном промежутке. В лазере, работающем в ИПР скорость прокачки в центре
разрядного промежутка составляла 30 м/с и плавно спадала к краям [11]. При этом
мощность генерации, линейно возрастающая при увеличении частоты следования
импульсов, спадала до нуля уже при частоте 20 Гц. При применении сглаживающей
решетки (с прозрачностью 0.6) скорость потока составляла 6 м/с, а
неоднородность не превышала 10%. При таких условиях частота следования
импульсов без уменьшения мощности составляла 100 Гц. Кроме наличия сглаживающей сетки на однородность газового
потока влияет также форма конструкции камеры прокачки и плавность сопряжения
электродов со стенками газового канала. В работе [20], была разработана камера
прокачки изображенная на Рис 11. В отличие от обычной системы прокачки, эта
схема содержит вихреобразователь, в выходном патрубке. Аэродинамическая
характеристика такого вентилятора имеет примерно в 3 раза большее относительное
давление в области малых производительностей. Следует отметить что при, скорости
прокачки газа 24 м/с (частота вращения вентилятора 5800 об/мин) при частоте
повторения импульсов 6.1 кГц наблюдалось резкое падение мощности. Уменьшение
мощности авторы связывают с образованием высокоионизированной плазмы
(вследствие меньшей скорости прокачки у электродов), в приэлектродных слоях,
которая искажает поле, формируемое электродами.
Рис. 11 - Схема прокачки газа азотного лазера:1- катод, 2- анод, 3-
обостряющая емкость, 4- ножевой предыонизатор, 5- диффузор, 6-
вихреобразователь, 7- направляющие потока, 8- диаметральный вентилятор, 9-
радиаторы охлаждения, 10- электростатический фильтр, 11- вход газа в
электростатический фильтр.
Камера подвергалась усовершенствованию, был введен дополнительный канал
шириной 1.5 мм через который осуществлялась дополнительная продувка газовой
смеси проходящей через электростатический фильтр. Что позволило повысить
частоту до 11 кГц.
4.
Резонатор лазера
.1 Формирование лазерного излучения
Как в случае с другими резонаторами, оптический резонатор должен иметь
определенные резонансные частоты с максимальной амплитудой колебаний. Другая
важная функция лазерного резонатора заключается в обеспечении обратной связи
фотонов с лазерной средой. Чем больше положительность жизни фотона в лазерной
среде, тем больше вероятность вынужденного испускания. На практике лазерный
резонатор состоит в большинстве случаев из двух зеркал, расположенных
параллельно. Эти зеркала могут быть с плоскими или изогнутыми поверхностями.
Соответственно радиусу кривизны и расстоянию различают разные типы резонаторов.
Наиболее частый применяемый тип резонатора - конфокальный резонатор.
Конфокальный резонатор отличается от всех других конфигураций резонаторов
минимальными дифракционными потерями. В этом резонаторе применяется два
вогнутых зеркала с одинаковыми радиусами кривизны b. Длина резонатора L
соответствует радиусу кривизны (L=b). Так как у вогнутых зеркал фокусное
расстояние f соответствует половинному значению радиуса кривизны (f=b/2), то
фокусы обоих зеркал резонатора совпадают (конфокальный резонатор).
Для описания лазерного излучения в резонаторе требуются данные,
относящиеся к следующим параметрам:
) геометрическом распределении интенсивности излучения в резонаторе.
Обе эти характеристики относятся к понятию ’’мод’’. Лазерные моды - это
собственные частоты лазерного резонатора. В первом случае говорят о продольных
модах, во втором - о поперечных модах.
Продольные моды.
В оптическом резонаторе, как и во всяком другом резонаторе, могут быть
возбуждены только собственные колебания, у которых целое число полуволн точно
совпадает с геометрической длиной резонатора.
Таким образом, для лазерного резонатора должно выполняться соотношение:
*l/2=L,
где n=1,2,3…l - длина волны,L -
длина резонатора.
В лазерных резонаторах n
очень велико, а разность по частоте между двумя соседними продольными модами
составляет:
= c/2L
так,
при длине резонатора 0,5 м расстояние между соседними модами составляет
=300 МГц. Из большого количества возможных собственных
частот оптиче6ского резонатора возбуждаются только те, которые лежат в пределах
контура усиления и полосы пропускания резонатора. Только для этих частот
усиление превышает потери, и достигается генерация лазерного излучения там, где
усиление внутри доплеровской полосы больше, чем потери, осевая мода дает лазерное
излучение.
Количество генерируемых осевых собственных частот в основном определяется
отношением доплеровской полосы к межмодовому интервалу с/2 L _. Чтобы быть уверенным в том, что
самовозбуждается лишь одна единственная частота, следует выбрать L < c/2
D. Для активной среды газового лазера с типичней доплеровской
полосой уширения
D = 1,6*109 Гц нужно, следовательно, выбрать длину
резонатора L менее 15 см.
Поперечные электромагнитные моды.
Кроме продольных, мод существуют еще поперечные электромагнитные моды (TEMln)эти моды описывают пространственное
распределение интенсивности излучения в резонаторе. Низшая мода - основная мода
TEM00. Для более высоких мод, значение l и/или n отличается от нуля. При генерации произвольной поперечной
моды лазерный пучок расщепляется на l+1или n+1 луча.
Обсуждение лучевой диаграммы в конфокальных резонаторах целесообразнее
всего провести в отношении основной поперечной моды TEМ00, так как ее полевое
распределение описывается простой гауссовой функцией.
В области z'=0 имеется
характерное сужение, так называемая "перетяжка пучка". Ее радиус в
случае основной моды имеет простое наглядное значение: он представляет собой
расстояние от оси пучка, на котором интенсивность излучения уменьшается в е раз
и может рассматриваться как "радиус моды".
С увеличением расстояния от перетяжки диаметр пучка увеличивается
согласно соотношению:
(z) = W0 (1+
z'2)1/2; z' = 2z/b
В плоскости зеркал диаметр моды увеличивается в
раз. Угол расходимости θ
может быть
интерпретирован, как угол дифракции на аппаратуре с диаметром d0, соответствующим перетяжке пучка. Угол θ
рассчитывается по
следующей формуле:
θ =2λ/π d0
При неконфокальных резонаторах данные соотношения сохраняются, но
математическое описание усложняется.
В частности излучение, генерируемое эксимерными лазерами, при применении
плоскопараллельных резонаторов согласно [21], обладает расходимостью порядка
~ 10-2 - 10-3
рад и шириной спектра порядка
~ 0,1- 0,5 нм.
Для улучшения качества лазерного пучка (пространственной и временной
когерентности) используют различные дисперсионные резонаторы и неустойчивые
резонаторы.
4.2
Формирование расходимости выходного излучения при использовании различных типов
резонаторов
Для улучшения пространственной когерентности лазерного излучения
используются различные методы формирования качественного пучка.
Для малоапертурных лазеров с целью уменьшения расходимости выходного
излучения используется метод уменьшения числа Френеля.
Число Френеля дается следующим выражением [22]:
, (47)
где а1, а2 - диаметры зеркал;
λ - длина волны излучения;- длина
резонатора;
Уменьшение числа Френеля можно достичь изменением геометрических размеров
резонатора или диафрагмированием излучения рисунок 11 а). При таком способе
селекции можно достичь расходимости выходного излучения близкой к
дифракционному пределу при малом уровне паразитного шума. Кроме того, в данной
схеме просто осуществляется сужение ширины спектральной линии с использованием
селекторов работающих на основе угловой селекции мод (дифракционные решетки,
призмы)[23,24]. Поэтому она нашла широкое применение в схемах задающих
генераторах (ЗГ) [25,26]. К недостаткам этого способа селекции следует отнести
малую энергию выходного излучения.
Для широкоапертурных лазеров используют неустойчивые резонаторы, которые
позволяют сохранить энергетические характеристики излучения на высоком уровне и
при этом добиться уменьшения расходимости лазерного излучения. Недостатком
неустойчивых резонаторов является присутствие в выходном излучении существенной
доли усиленного спонтанного шума, что ограничивает их применение как задающих
генераторов. Неустойчивый резонатор можно охарактеризовать следующими
величинами: коэффициентом увеличения резонатора М, эквивалентным числом Френеля
Nэкв, радиусом кривизны зеркал R и длинной резонатора L.
Коэффициент увеличения неустойчивого резонатора показывает, во сколько
раз увеличится сечение пучка после полного обхода резонатора. Он отвечает за
селектирующую способность неустойчивого резонатора, с ростом М, которая
увеличивается. Но при увеличении М также увеличиваются потери на излучение
(потери для сферического зеркала 1-1/М2) вследствие чего уменьшается
мощность генерации, а при достаточно больших М возможно также увеличение
расходимости излучения связанное с преобладанием УСИ при недостаточной обратной
связи.
В [27] приводятся условия, которым должен удовлетворять неустойчивый
резонатор для получения эффективного уменьшения угловой расходимости до
дифракционного предела:
а) С точки зрения сохранения энергии излучения лазера рекомендуется
выбирать значения М такими, чтобы значение выражения 1-1/М2
соответствовало бы оптимальным потерям плоскопараллельного резонатора.
б) Число проходов должно быть достаточным, чтобы до насыщения усиления
нулевая мода стала преобладающей.
В этом случае, необходимое число проходов задается выражением:
, (48)
где Nf - число Френеля;- увеличение резонатора;
В работе [22] получено выражение для оптимального коэффициента увеличения
в зависимости от свойств среды и параметров резонатора:
, (49)
где σ0
- коэффициент неселективных потерь;- длина резонатора;ус -
коэффициент усиления активной среды;
Также в [22] приводится выражение для оценки расходимости выходного
излучения в зависимости от параметров резонатора:
, (50)
где θ - угол расходимости выходного излучения;
а - размер активной среды;- число обходов резонатора;
М - коэффициент увеличения;- фокусное расстояние выпуклого зеркала;
Параметр Nэкв характеризует потери для мод, формирующихся в
резонаторе.
, (51)
где Nf - число Френеля, определяемое по формуле (47).
Также для эффективной работы неустойчивого резонатора необходимо чтобы
излучение генерации хорошо заполняло сечение активной среды по всей ее длине.
Если это не так, то выходная мощность лазера падает, причем более резко, чем в
соответствии с долей используемого объема. В той области, где генерация
отсутствует, может развиваться УСИ, которая может уменьшить инверсию в основном
объеме. С другой стороны необходимо, чтобы излучение не попало на элементы
конструкции лазера. Помимо уменьшения эффективности системы, это может привести
к увеличению расходимости за счет переотражения от элементов конструкции лазера
и последующего усиления отраженного пучка [22].
Таким образом, необходимо чтобы конфигурация пучка распространяющегося к
выходному зеркалу в точности повторяла конфигурацию активной среды.
Наибольшее распространение в эксимерных лазерах получили телескопические
резонаторы, и резонаторы образованные плоским и выпуклым зеркалом, изображены
на рисунке 11 б) и в) соответственно.
В работе [21] измерялась пространственная когерентность излучения.
Уменьшение расходимости лазерного излучения осуществлялось неустойчивыми
резонаторами с высокими коэффициентами увеличения М=20-120. Использования таких
высоких коэффициентов увеличения стало возможным, благодаря высокому
коэффициенту усиления активной среды при коротком импульсе (20 нс). Полученные
значения области когерентности составили 10 мм при использовании плосковыпуклого
резонатора с коэффициентом увеличения 120.
В [28] исследовался резонатор образованный выпуклыми зеркалами (радиус
кривизны 5,44 и 3,6 м) рисунок 12 а). Расходимость излучения составила 0,09
мрад. И в 1,5 раза превышает дифракционный предел (1,5
диф).
Следует отметить что, в работах [21, 28] используются резонаторы с не
симметричным выводом излучения. В данных резонаторах удается избежать провала
интенсивности по центру пучка, который появляется за счет перекрытия части излучения,
выходным зеркалом резонатора. Конструкции таких резонаторов приведены на
рисунке 12 а),б),в). Кроме того, резонаторы представленные в работе [21] в
одной из плоскостей являются устойчивыми. Благодаря этому, в них осуществлено
сужение спектральной линии за счет установки дополнительных селекторов
(дифракционных решеток, призм).
4.3
Формирование узкой спектральной линии излучения в селективных резонаторах,
включающих в себя дифракционные решетки и эталоны Фабри-Перо
Для улучшения спектральных характеристик лазерного излучения используют
различные типы дисперсионных резонаторов. Действие резонаторов можно свести к
двум механизмам селекции мод амплитудному и угловому [31].
В резонаторах с угловым механизмом селекции мод пучки излучения различных
продольных мод распространяются под разными углами к оси резонатора, вследствие
этого моды обладают различными потерями. К таким резонаторам можно отнести
резонаторы с призмами и дифракционными решетками.
При амплитудном механизме селекции мод резонатор съюстирован для всех
продольных мод, а различие их потерь обеспечивается пропусканием селекторов.
Например, для эталонов Фабри-Перо (ЭФП) функция пропускания периодически
зависит от частоты. И при освещении эталона пучком он будет пропускать только
те моды, на которые настроен.
Предложена оптическая схема дисперсионного резонатора рисунок 13а, в
котором дифракционная решетка установлена в автоколлимационном режиме, при этом
параллельно поверхности которой, расположено зеркало 2. Данная схема обладает
большей селектирующей способностью, так как сочетает в себе селектирующую
способность решетки и эталона, образованного зеркалом и решеткой. Отмечается
что, коэффициент отражения такой системы выше, чем схемы с дифракционной
решеткой, работающей на скользящее падение в каком-либо порядке дифракции и
вторым концевым зеркалом.
Повысить селектирующую способность резонатора с угловым механизмом
селекции мод можно путем увеличения угловой дисперсии резонатора или уменьшения
расходимости излучения. Уменьшить расходимость излучения можно путем установки
телескопа.
В работе [32] производилось уменьшение ширины линии генерации
XeCl-лазера, с помощью дифракционной решетки установленной в режиме автоколлимации
с предварительным расширением пучка 4х призменным телескопом рисунок 13 б) (с
коэффициентом увеличения 25) и дифракционной решеткой в скользящем падении. В
качестве диафрагм использовались щелевые диафрагмы расстоянием 2 мм, решетка
была периодом 2400 шт/мм. В первой схеме ширина линии составила 5 пм. Во втором
случае ширина линии составила 8 пм при установке решетки в скользящем падении
под углом 86
в первом порядке дифракции. В данном случае за счет
использования щелевых диафрагм энергия выходного излучения была выше, (2 мДж)
чем при использовании круглых диафрагм, однако расходимость в выходном пучке в
направлении разряда значительно превышала дифракционный предел. Еще одной
попыткой увеличить выходную энергию излучения является работа [33].
В [33] предложена схема дисперсионного резонатора, оптическая схема
которого приведена на рисунке 13 в). Решетка установлена в автоколлимационном
режиме зеркало съюстировано параллельно решетке, образуя интерферометр. После
линзы устанавливался эталон Ф-П базой 5мм и резкостью 10. Ширина линии,
полученная в экспериментах, составила 0,015 см-1 при длительности
импульса 100 нс. Такая конструкция резонатора позволила увеличить объем
занимаемой основной модой, что привело к увеличению энергии выходного
излучения.
. Экспериментальные приборы и методики измерений
.1 Приборы и методы измерения
Для измерения временных характеристик и регистрации формы импульса
лазерного излучения использовался фотоэлемент коаксиальный ФЭК-22СПУ. Измерение
электрических импульсов в экспериментах осуществлялось при помощи осциллографов
Tektronix TDS3014 и TDS3032.
Чтобы отсечь шумовую компоненту в сигнале, осциллографы размещались в
экранированной комнате.
Энергия и мощность излучения измерялась калориметром Gentec-E. Для более точного измерения малых значений энергии
использовался ФЭК-22СПУ (с предварительной калибровкой),на Рис.15а. Длина волны
лазерного излучения определялась с помощью спектрографа HR-4000 (Ocean Optics Inc.).
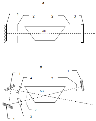
Исследование расходимости лазерного излучения проводилось методом Фуко
[29]. Схема экспериментальной установки приведена на Рис 15б.
Рис.15 - Оптическая схема экспериментальной установки а) для измерения
энергии и временной формы импульса б) для измерения расходимости; 1- выходная
диафрагма; 2- кварцевый клин; 3- линза для расширения пучка на ФЭК; 4-
длиннофокусная линза; 5- глухое зеркало; 6- диафрагма расположенная в фокусе
линзы; Gentec-E-измеритель мощности и энергии; ФЭК- фотоэлемент
коаксиальный.
5.2
Погрешности измерений
Все экспериментальные графики, приведенные в работе, построены по
среднему значению из 3-6
измерений. Ошибка измерений большинства регистрируемых параметров определялась
погрешностью используемых приборов. Систематическая ошибка измерений, вносимая
приборами, не превышала 10 %. При анализе спектральных линий или измерении
расходимости, сначала определялась среднеквадратичная ошибка по фомуле:
(52)
где, x- среднее значение измеряемых
величин, хi-
измеряемая величина, n-
число измерений.
А затем, задавая доверительную вероятность по Стьюденту [30] (a=0.95), вычислялась величина
доверительного интервала:
(53)
В нашем случае суммарный интервал погрешностей измерений не превышал
величину 15-20 % , что
позволяет говорить о достоверности полученных в работе результатов и выводов.
5.3 Экспериментальные установки и их характеристики
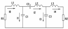
Эксперименты проводились на лазере внешний вид которого представлен на
Рис.16. Принципиальная электрическая схема накачки представлена на Рис.18
Для накачки лазера использована типичная двухконтурная схема С-С.
Конденсатор С1 = 66 нФ (состоял из конденсаторов TDK UHV-6A, 2700 pF & 30 kV)
заряжался от источника постоянного напряжения до U0 = 22 кВ.
В качестве коммутатора использован тиратрон ТГИ-1000/25 . Оптимальное значение
индуктивности первого контура L1
= 100 нГ позволило
обеспечить эффективную перезарядку первого конденсатора на второй за
сравнительно большое время ~150 нс. Конденсатор во втором контуре С2
= 51.7нФ (состоял из конденсаторов TDK UHV-6A, 2700 pF & 30 kV)
разряжался через плазму и обеспечивал накачку активной среды. Компоновка
лазерной камеры и конденсаторов С2 позволила достигнуть малой
индуктивности L2= 4 нГ, что обеспечило малую длительность импульса накачки и большой
ток в плазме до 45 кА.
Расстояние между электродами было равно 2,24 см. Электроды, длина которых
составляла 60 см, выполнены с радиусом закругления 3,2 см. Эффективная ширина
разряда была 0,5 см. Использовалась газовая смесь Ne/Xe/HCl = 875/15/1, при полном давлении 3,6
атм. Длина резонатора 100 см, зеркало отражающее R1 = 0,99, выходное зеркало R2 = 0,08. Экспериментальные временные зависимости напряжений
на конденсаторах, токов текущих через конденсаторы и мощность лазерного
излучения представлены на Рис.17.
В плазму поступает электрическая мощность от схемы питания, которая
распределяется по частицам. Концентрации частиц увеличиваются, происходит
накопление энергии на возбужденных уровнях. Одновременно, частицы обмениваются
энергией в процессах взаимодействия. За время нарастания мощности, поступающей
из схемы питания, до максимального значения, в плазме можно выделить три
характерные стадии ее развития.
На первой стадии происходит прямая ионизация и прямое возбуждение атомов
ксенона. Большая часть мощности, поступающей в плазму, расходуется на рост
концентрации возбужденных атомов. Происходит накопление энергии на возбужденных
атомах ксенона. С ростом концентрации возбужденных атомов увеличиваются
скорости их прямого тушения, с переходом в основное состояние, а также сильно
увеличиваются частоты и скорости ступенчатых процессов возбуждения и тушения. В
отдельном акте ступенчатых процессов передается сравнительно малая энергия,
однако их скорости значительно больше, чем скорости прямых процессов. Ступенчатые
процессы возбуждения и тушения устанавливают, а также отслеживают определенное
соотношение концентраций частиц на возбужденных уровнях.
На второй стадии происходит переход от прямой ионизации к ступенчатой.
Возбужденный атом получает дополнительную порцию энергии от электрона и
переходит в ионизованное состояние. Ионизация происходит под действием двух
потоков мощности, а именно, мощности, поступающей на возбуждение и
дополнительной мощности, поступающей от электронов. В этой стадии замедляется
рост концентрации возбужденных атомов, а концентрация электронов увеличивается
ускоренно.
Третья стадия развития разряда соответствует области максимальной
мощности накачки. В этой стадии концентрации частиц выходят на максимальные
значения. Мощность накачки не расходуется на рост концентрации частиц. Баланс
мощности накачки включает: возбуждение, ступенчатую ионизацию, потери мощности
в упругих столкновениях электронов и прочие потери, основную часть которых
составляет возбуждение молекул HCl. В конечном итоге, после рекомбинации
мощность накачки расходуется на нагрев газа и сравнительно малая ее часть
уходит на излучение.
Расчеты показали, что максимальная мощность накачки (Рис. 19) равна 270
МВт а удельная мощность накачки равна 3,1 МВт/см3. Время нарастания
мощности накачки от начала разряда до максимума равно 30 нс. Запаздывание
начала развития генерации относительно начала разряда равно 27 нс. Т.о.
генерация начинает развиваться в области максимальной мощности накачки. При
этом максимальная мощность генерации, равная 10 МВт, запаздывает относительно
максимума накачки на ~10 нс. Из сравнения временных зависимостей мощности
накачки и излучения следует, что порог генерации достигается к моменту времени
максимума накачки, а генерация излучения происходит на спаде мощности накачки.
На стадии нарастания мощности накачки происходит создание плазмы. Энергия
накапливается на возбужденных и ионизованных состояниях атомов ксенона, также
происходит рост концентрации возбужденных молекул XeCl(B,C). Рост концентрации
молекул в состоянии XeCl(B, v = 0) ведет к увеличению коэффициента усиления
активной среды. Одновременно с накоплением энергии в плазме происходит потеря
энергии в процессах тушения возбужденных состояний, упругих соударениях,
спонтанного излучения и других процессах. Из общих физических представлений
следует, что для увеличения эффективности лазера, особенно при малой
длительности накачки, необходимо уменьшать время запаздывания генерации
относительно начала накачки.
Рис. 16 - Внешний вид лазера серии EL (EL-300-05)
разработанного в ЛГЛ ИСЭ СО РАН; максимальная энергия излучения - 350 мДж;
длительность импульса - 30 нс; частота работы в импульсно периодическом режиме
- 5 Гц; апертура выходного пучка 23х6 мм2
Рис.17. Экспериментальные зависимости тока, напряжениея на конденсаторах
С2 и лазерная генерация.
Рис.18 - Принципиальная электрическая схема накачки эксимерого лазера
ТГИ- водородный тиратрон; Rз- зарядное сопротивление; Lвнеш- индуктивность внешнего контура; Lвнутр- индуктивность внутреннего контура; Lразв- развязывающие индуктивности; Сн-
накопительная емкость; Ср- разрядная емкость; РП- разрядный
промежуток
Эффективность лазера, определяемая как отношение максимальных мощностей
генерации и накачки, составляет 3,7%. Также отметим, что энергия, запасенная в
первом конденсаторе равна 15,9 Дж, энергия, поступающая в разряд - 10,5 Дж, энергия излучения 0,35 Дж.
Эффективность лазера относительно энергии накачки составляет 3,3% и 2,2%
относительно энергии первого конденсатора. Если при заданной длительности
импульса энергия излучения будут резко уменьшаться. Можно ожидать, что
увеличение удельной мощности накачки при неизменной длительности импульса
позволит увеличить и эффективность, и энергию излучения. При этом возникают
проблемы связанные с увеличением скорости нарастания удельной мощности накачки
и эти проблемы не имеют простых решений.
На Рис.20 показаны временные зависимости концентраций: электронов,
суммарная зависимость возбужденных атомов ксенона Xe*, Xe** и Xe***, суммарная
зависимость молекул HCl в основном и в трех колебательно возбужденных
состояниях, а также концентрация фотонов лазерного излучения. За время ~20 нс
от начала развития разряда концентрация электронов достигает 2·1015
см-3. В этом же интервале времени напряжение на плазме
снижается с 20 кВ до 7 кВ. В этом же интервале времени концентрация
возбужденных атомов ксенона значительно больше, чем концентрация электронов.
Затем происходит замедление роста возбужденных атомов и продолжается рост
концентрации электронов. Происходит переход от прямой ионизации к ступенчатой.
При сильном снижении напряжения на электродах дальнейший рост концентрации электронов
полностью обеспечивает ступенчатая ионизация. Ступенчатая ионизация качественно
изменяет характер разряда. Зависимость скорости ступенчатой ионизации от
концентрации электронов, примерно квадратичная. Поэтому в локальных областях с
повышенной концентрацией электронов сильно увеличивается скорость ступенчатой
ионизации. Это является основной причиной развития пространственной
неоднородности в плазме. Снижение скорости прилипания из-за разрушения молекул
HCl усиливает неустойчивость плазмы.
Начальная концентрация (Рис. 20) молекул HCl составляла 1,26·1017
см-3. В плазме происходит рост концентрации молекул HCl(v)
в состояниях колебательного возбуждения. Соответственно, происходит увеличение
скорости прилипания электронов к молекулам HCl(v). В плазме создается ситуация,
при которой с ростом концентрации электронов происходит увеличение скоростей,
как ступенчатой ионизации, так и диссоциативного прилипания. Взаимодействие
этих процессов определяет характеристики плазмы, которые очень сильно зависят
от начальной концентрации HCl. За время первого полупериода колебания
разрядного тока суммарная концентрация HCl снизилась до 0,8·1017 см-3, расход молекул HCl составил 0,46·1017 см-3. При более полном использовании молекул HCl, что
может быть достигнуто увеличением длительности импульса накачки, энергия
излучения будет увеличиваться. При этом может быть ухудшение однородности
разряда. На этом же рисунке показана временная зависимость концентрации фотонов
лазерного излучения, максимальная концентрация которых составила ~4·1014
см-3.
На Рис. 21 показаны скорости процессов: создания молекул XeCl**,
тушения эксимерных молекул электронами и тяжелыми частицами, а также скорости
индуцированного и спонтанного излучений. Представленные зависимости убедительно
показывают, что сильное тушение эксимерных молекул, прежде всего электронами,
затрудняет развитие генерации и снижает эффективность лазера. В момент времени
170 нс, соответствующий началу развития генерации, скорость создания молекул
XeCl** равна 6·1023 см-3 с-1. В этот же момент времени скорости тушения электронами,
остальными частицами и скорость спонтанного излучения, соответственно, равны:
3,5·1023 см-3
с-1, 1,0·1023 см-3 с-1 и 0,5·1023 см-3 с-1. Более 80% от созданных эксимерных молекул гибнут в реакциях
тушения. Столь сильное тушение замедляет рост концентрации молекул XeCl(B0),
соответственно, увеличивается время запаздывания генерации относительно начала
накачки. В области максимальной генерации ситуация улучшается, скорость
создания молекул XeCl** составляет 7,5·1023 см-3 с-1, а скорость создания квантов лазерного излучения
увеличивается до 5 · 1023 см-3 с-1.
К этому моменту времени скорость тушения электронами снижается до 2 ·1023
см-3 с-1. При максимальной мощности лазерного потока в резонаторе
тушение эксимерных молекул электронами остается слишком большим и это снижает
эффективность лазера.
Рис. 22 - Временные зависимости коэффициентов усиления и поглощения
фотонов лазерного излучения.
На Рис. 22 показаны временные зависимости коэффициентов усиления и
поглощения. Максимальный коэффициент усиления равен 0,15 см-1. При максимальной мощности излучения коэффициент
усиления снижается до 0,03 см-1. В это же время коэффициент поглощения равен 0,0225 см-1. Эти зависимости показывают, что имеется возможность
перейти к более насыщенному режиму усиления. Эффективность лазера можно
значительно повысить, если работать в режиме усилителя при сильном насыщении
коэффициента усиления.
6.
Исследования формирования качественного излучения
Экспериментальное исследование угловой направленности проводилось для
плоско параллельного резонатора, плоскопараллельного резонатора с
пространственными фильтрами.
Рис.23 - плоскопараллельный резонатор
6.1
Расходимость выходного излучения сформированного в плоско-параллельном
резонаторе
При использовании в XeCl
лазере плоскопараллельного резонатора на выходе формируется прямоугольный в
поперечном сечении пучок, соответствующий размерам активной области 23×5 мм. При фокусировке такого пучка в
фокальной плоскости образуется пятно в виде сильно вытянутого эллипса. При этом
оси эллипса соответствовали плоскостям разрядного промежутка. Поэтому измерение
угловой направленности излучения такого резонатора проходило по двум
направлениям: поперек разряда, и в направлении протекания тока разряда.
Экспериментально измеренное угловое распределение энергии выходного пучка
в направлении поперек и в направлении разряда показано на Рис 24. Из кривой 1
(Рис.24) видно что, в излучении присутствует слабо расходящийся керн в котором
сосредоточено 90 % энергии и имеющий расходимость в 7 раз превышающую
дифракционный предел 7qд (0.58
мрад), и крыло с расходимостью до 25qд (2.3 мрад), в котором содержится примерно 10% всей энергии. По-видимому,
данный участок углового распределения энергии задается одно и 2х проходовым
усиленным спонтанным излучением (УСИ). В направлении разряда (кривая 2) энергия
в керне уменьшилась до 45 %, из-за того что, вдоль протекания тока разряда
геометрический размер активной области больше, чем в направлении поперек
разряда и доля УСИ оказывает значительно большее влияние.
Так как оно не только увеличивает угловую диаграмму направленности, но и
существенно снижает инверсную населенность в активной среде.
Для формирования малой расходимости и уменьшения доли шумовой компоненты
в излучении, мы установили в плоско параллельный резонатор пространственные
фильтры.
Оптическая схема резонатора приведена на рис 25 а. Резонатор состоял из
плоского диэлектрического зеркала с коэффициентом отражения 99% и кварцевой
пластины с коэффициентом отражения 8%. С обеих сторон от активной среды
располагались сменные диафрагмы диаметром 1.4 или 3 мм.
Для данного резонатора были проведены измерения угловой расходимости,
энергии и временного профиля выходного излучения.
Энергетические диаграммы направленности приведены на Рис 26. Из рисунков
видно, что, при использовании в резонаторе двух диафрагм диаметром 1.4 мм,
выходное излучение имеет расходимость 0.5 мрад, данное значение близко к
дифракционному пределу. Полная энергия пучка составила 0.23 мДж. С увеличением
диаметра диафрагм до 3 мм, энергия выходного пучка выросла до 1.8 мДж, однако
расходимость ухудшилась до 4qд и
составила 0.9 мрад.
Расчет числа Френеля N для
резонатора с диафрагмами диаметрами 1.4 и 3 мм дает величины равные 5 и 22,
соответственно. При внесении диафрагм в резонатор длительность импульса
генерации уменьшилась в 2 раза по сравнению с резонатором без диафрагм и
составила 15 нс Рис 20 Уменьшение длительности импульса объясняется увеличением
потерь с внесением диафрагм, которые повышают уровень порога генерации и тем
самым увеличивают время на установление генерации. Расстояние между двумя пиками
в импульсе Рис 27, соответствует времени полного обхода излучения по
резонатору.
Рис.24 - Угловое распределение по энергии в лазерном пучке при
использовании плоско параллельного резонатора. 1- поперек разряда, 2- в
направлении разряда, q/qдиф- отношение гула расходимости к углу
дифракционной расходимости.
Рис. 26 - Угловое распределение энергии в плоско параллельном резонаторе
с диафрагмами в резонаторе; для диафрагмы диаметром 1.4 мм; для диафрагмы
диаметром 3 мм; q/qd - угол расходимости излучения
отнесенный к углу дифракционной расходимости.
Рис.27 - Временная форма лазерного импульса в плоско параллельном
резонаторе с диафрагмами 1.4 мм
6.2
Формирование излучения с узкой спектральной линии в селективном резонаторе
Для формирования излучения с узкой спектральной линией генерации
использовалась оптическая схема изображенная на Рис.28. Дифракционная решетка
2400 штрих/мм устанавливалась под углом автоколлимации θ≈17027 для отражения в первом порядке. Для
расширения падающего на решетку пучка до размера 10 мм и увеличения таким
образом разрешающей способности перед ней размещался призменный телескоп с 5-кратным
линейным увеличением по одной координате.
Сделаем оценочный расчет данной оптической схемы:
Для резонатора с призменным телескопом и дифракционной решеткой:
Где,
-ширина линии пропускания резонатора
-длина волны излучения
-радиус гауссовой диафрагмы(w0=1мм)
X-увеличение
телескопа
a-угол падения
A-угол,
при вершине призмы
>>
Приведем табличные значения n и l для нахождения
dn и dl:
l=308 nm;
n=1,488;
dn/dl=24.6*10-5 nm-1
=24,6*10-5*109tg30=24,6*10-5*109*0,577=1.4*105
=
=0,002×109 = 1,8×106
Отсюда:
(54)
Для нахождения tga используем соотношения для дифракционной решетки:
Запишем уравнения для дифракционной решетки, учитывая то, что при
автоколлимационной установке решетки (a ºb) :
2sina=
(55)
- номер спектрального порядка.
d-
период решетки
Угловая дисперсия решетки:
реш=
(56)
Для автоколлимационной схемы:
реш=
tga=Dреш×l (57)
Подставляя численные значения в формулу (55) найдем sina:
=2
l=308×10-9
м=10-3/2400 мa=
=369600*10-6=0,7392
a=arcsina=21069(47066)
Для нахождения угловой
дисперсии решетки, вычислим cosa:
a=
=
=0,67
Подставляя значение косинуса,
найдем угловую дисперсию решетки из (56):
реш=
=3,56×106
Найдем tga из (4):
=Dреш*l=3,56*106*308*10-9=1,096
=0,548
=28072
Найдем увеличение призменного
телескопа X:
Увеличение одной призмы
X1=
=
=
=1,49»1.5
Увеличения четырех призм
(телескопа):
X= X14=1,54»5
Подставляя найденные значения в исходную формулу (54), получим:
=
(м)
Итак, в настоящей работе получена генерация XeCl-лазера с шириной спектра
5 пм (энергия в импульсе ~0.1мДж) в схеме со щелевымн диафрагмами размером 2мм,
решеткой 2400 штрих/мм в автокоялнмационном режиме и четырехпрнзменным
телесколом.
Фотография Интерференционная картина и распределение интенсивности
интерференционных колец показана на Рис 29. Известно, что расстояние между
интерференционными кольцами составляет ∆λ = λ2/2T, где
Т - база эталона, в нашем случае использовался воздушный эталон с базой 2 мм.
Расстояние между двумя соседними максимумами интенсивности составляет 3 мм.
Измеренная ширина полосы на полувысоте интенсивности составляет 1 мм. Таким
образом, расстояние в длинах волн между соседними кольцами составлет: ∆λ
= λ2/2T
= (3.08×10-7)2/2×2×10-3 = 23.7 пм. Искомое значение ширины
спектральной линии составляет δλ = 8 пм.
Спектр генерации контролировался с помощью воздушного интерферометра
Фабри -Перо (расстояние между зеркалами 2 мм, коэффициент отражения зеркал 80%)
на Рис.30. Экспериментально измеренная ширина спектральной линии на
полувысоте составила 5+/-0.2 пм. Неизменность положения колец на
интерферограммах в течение длительного времени свидетельствовала о достаточно
высокой стабильности частоты генерации лазера. Энергия в импульсе составляла
-0.1 мДж, что примерно в 4 раза меньше энергии генерации в таком же резонаторе,
без дисперсионных элементов. Это объясняется потерями энергии на дисперсионных
элементах.
Отличие экспериментально полученной ширины спектральной линии от
теоретической оценки можно предположительно объяснить увеличением селективности
резонатора за счет нескольких обходов резонатора формирующимся излучением.
Временная форма данного лазерного импульса показана на рис 31.
Рис.28 - Полная оптическая схема: 1-АЗ излучателя; 2-диаграфмы
предназначенных для сужения углового спектра излучения; 3-глухое зеркало;
4-призменный телескоп; 5-Дифракционная решетка;6-кварцевая пластина;
7-8-полупроводниковый активный элемент; 9-ФЭК; 10-спектрография;
11-положительная линза; 12-эталон Фабри - Перо; 13-фотоаппарат.
Рис.29 - Фотография интерференционной картины полученной после эталона ИТ-28-30.
Рис.30. Распределение интенсивности интерференционных полос.
Рис.31 - Временная форма лазерного импульса получен в дисп. Р-ре
Заключение
В настоящей работе рассмотрен ряд вопросов, посвященных процессов происходящих в рабочей смеси,
обзору кинетики возбуждения и способов ввода энергии, возбуждение эксимерного
лазера импульсным разрядом, формированию качественного излучения в
электроразрядном XeCl лазере
работающего в импульсно-периодическом режиме.
Основные результаты и выводы работы можно сформулировать следующим
образом:
1. Показано что, при удельной мощности накачки 3.1 МВт/см3
реализуется однородный объемный разряд, при этом генерация XeCl лазера продолжается на трех
полупериодах колебаний разрядного тока в течении 150 нс.
2. В электроразрядном XeCl
лазере реализована рекордная плотность мощности выходного излучения 10 МВт/см2
при полном КПД лазера 2.3 % и КПД от энергии запасенной в разрядной емкости 3.7
%.
. В электроразрядном XeCl лазере с длительностью импульса накачки 30 нс сформировано излучение с
расходимостью близкой к дифракционному пределу и шириной спектральной линии
0.08 Å.
Литература
1. Борисов В.М., Брагин И.Е., Виноходов А.Ю., Водчиц
В.А. Квантовая электроника, 22(6), 533-536, 1995.
2. Lacour B. et al., SPIE Vol. 2206, pp. 41-45,
1994.
. Riva R., Legentil M., Pasquiers S. and Puech
J. Phys. D.: Appl. Phys. 28, 856-872, 1995.
. Macarov M., Bonnet J., Pigach D. Appl. Phys.
B 66, 417, 2008.
. Lo D., Xie J. A megawatt excimer laser of
small discharge volume (3.8 cm3). Optical and Quantum Electronics, 21,
147-150, 1989.
. Miyazaki K, Toda Y., Hasama T., Sato T.
Efficient and compact discharge XeCl laser with automatic UV preionization .
Rev. Sci. Instrum., 56, 201-204, 1985.
7. Панченко Ю.Н., Иванов Н.Г., Лосев В.Ф.
"Особенности формирования активной среды в короткоимпульсном
электроразрядном XeCl лазере", Квантовая электроника, 35(9), 618-620,
2008.
8. Yu. I. Bychkov, V.F.Losev, Yu. N. Panchenko,
A.G.Yastremsky, and S.A. Yampolskaya. - Research of short pulse discharge XeCl
laser // SPIE Vol. 5777, 558-561, 2011.
. Yu.I. Bychkov, V.F. Losev, Yu.N. Panchenko,
A.G.Yastremsky. Efficiency of discharge XeCl laser with 30 ns radiation pulse
duration // SPIE Vol. 6053, 266-269, 2006.
. Yu. I. Bychkov, E. F. Balbonenko, N. G.
Ivanov, V. F. Losev, Yu. N. Panchenko, and A.G.Yastremsky Discharge
pulse-repetition XeCl laser with high efficiency and intensity of radiation.-
XII Conferrence on Laser Optics.- St.Petersburg, Russia, 2012, June 26-30.
11. Боранов В.Ю., Борисова В. М., Степанова Ю.Ю.
Электроразрядные эксимерные лазеры на галогенидах инертных газов. - М.:
Энергоатомиздат, 1988. - 216 с.
12. Роудз Ч. Эксимерные лазеры. - изд. "Мир",
1981, - 241 с.
14. A.A. Filippo and M.R. Perrone Experimentol
Study of Situlated Brillouin Scattering byBroad Band Pamping// IEEE journal of
quantum electronics. vol. 28, no 9. september 1992.
. C.B. Dane, W.A Neuman, and L.A. Hackel High
Energy SBS Pulse Compression// IEEE journal of quantum electronics. vol. 30, no
8. Avgust 1994.
16. Ануфрик С.С., Зноско К.Ф., Курганский А.Д.. Влияние
параметров LC-контура на энергию генерации XeCl-лазера.// Квантовая
электроника, Т.16, №11, с.2228-2231 (1989).
17. Газовые лазеры: Пер. с англ. / Под ред. И.Мак-Даниеля
и У.Нитэна. - М.: Мир, 2010. - 548 с.
18. Верховский В.С., Мельченко С.В., Тарасенко В.Ф.
Генерация на молекулах XeCl при возбуждении быстрым разрядом // Квант.
электрон. - 1981. - Т.8, №2. - С.417-419.
19. Борисов В.М., Борисов А.В., Брагин И.Е., Виноходов
А.Ю. Эффекты ограничения мощности в компактных импульсно-переодических KrF-лазерах // Квантовая электроника -
1995.-Т.22., № 5.- С.446-450.
. Азотный лазер с частотой повторения импульсов 11 кГц
и расходимостью излучения 0.5 мрад / Аттежев В.В., Вартапетов С.К., Жигалкин
А.К., Лапшин К.Э., Обидин А.З. // Квантовая электроника - 2010.-Т.34., № 9.-
С.790-794.
. Атежев В.В., Вартапетов С.К., Жуков А.Н., Курзанов
М.А., Обидин А.З. Эксимерный лазер с высокой когерентностью // Квантовая
электроника - 2009.-Т.33., № 8.- С.689-692.
. Ананьев Ю.А. Оптические резонаторы и проблема
расходимости лазерного излучения.- М.: Наука. 1979.-328 с.
23. Partanen J.P., Shaw M.J. A Single-mode KrF laser // Appl. Phys. B.- 1987.- Vol.43, PP.231-237.
. Thomas J. Pacala, I. Stuart McDerid, James B.
Laudenslager Ultranarrow linewidth, magnetically switched, long pulse, xenon
chloride laser // Appl. Phys. Lett.-2010.- Vol. 44, No.7., PP.658-660.
. Goldhar J., Rapoport W.R., Murray J.R. An
injection-locked unstable resonator rare-gas halide discharge laser of narrow
linewigth and high spatial quality // IEEE J. of Quant Elect.-1980.- Vol.QE-16,
No.2., PP.235-241.
26. Бычков Ю.И., Лосев В.Ф., Панченко Ю.Н.
Экспериментальное исследование эффективности ОВФ пучка XeCl-лазера при ВРМБ // Квантовая электроника -
1992.-Т.19., № 7.- С.688-690.
. Terrence J. McKee Optical cavity design for
long pulse eximer lasers // Appl. Opt.-1991.- Vol.30, No.6., PP.635-644.
28. Осипов В.В., Орлов А.Н., Каширин В.И., Соломонов В.И,
Коротаев А.В. Характеристики излучения XeCl-лазера с неустойчивым резонатором и несимметричным
выводом излучения// Квантовая электроника - 2009.-Т.28., № 2- С.157-161.
. Анохов С.П., Марусий Т.Я., Соскин М.С.
Перестраиваемые лазеры / Под ред. проф. М.С. Соскина.- М.: Радио и связь,
1982.- 360 с.
. Кудинов И.А., Платоненко В.Т., Слободчиков Е.В.
Узкополосный перестраиваемый эксимерный лазер на XeCl // Квантовая электроника - 2008.-Т.17., № 5-
С.543-547.
. Иващенко П.А., Калинин Ю.А., Морозов Б.Н. Измерение
параметров лазеров.-М.: Издательство стандартов, 1982.-168с.
. Неймет Ю.Ю., Шуаибов А.К., Шевера В.С. и др.
Малогабаритный электроразрядный лазер на хлоридах ксенона и криптона //
ЖПС.-2009.-Т.53, №2.-С.337-339.
. Зайдель А.Н. Ошибки измерений физических величин.-
Л.: Наука. 2008.-108 с.