Оптический метод определения скорости вращения диска на валу
ВВЕДЕНИЕ
В системах контроля, автоматизации и управления необходимо иметь данные о
скорости вращения двигателей разных типов. Существует достаточно много методов
измерения скорости вращения двигателя, например, таких как, измерение скорости
тахогенератором - устройством преобразующим вращательную скорость в
электрический сигнал. В данном курсовом проекте был выбран оптический способ
измерения скорости, при котором угловая частота преобразуется в частоту
электрического сигнала. Ставится задача разработать устройство, которое
позволит измерять скорость вращения ротора двигателя, независимо от его
строения и принципа работы.
Устройство должно иметь диапазон измеряемой величины от 17 до 170об/с. И
иметь погрешность измерения в 1%, и иметь возможность отправлять полученные
данные в канал связи
СТРУКТУРНАЯ
СХЕМА
Устройство представляет собой датчик и систему подсчета импульсов
приходящих с датчика и отправка полученных данных в канал связи.
Датчик преобразует частоту вращения двигателя в частоту электрических сигналов.
Датчик имеет 3 выхода: выход N-соответствует угловой скорости вращения вала
двигателя, выход N/10 соответствует
угловой скорости вращения вала деленной на 10, выход N/100 соответствует угловой скорости вращения вала деленной на
100.
Частоты N,N/10,N/100
отправляются на преобразователь сигналов, где частоты инвертируются по фазе, и
реализуется формирование числа импульсов проходящих за одну секунду-полупериод
генератора тактов. Преобразованные данные отправляются на блок переключения
декад далее на блок подсчета импульсов, причем блок подсчета импульсов
управляет блоком переключения декад, он в свою очередь управляет индикацией
переключения декад посредством включения и отключения сегментов «точка» на
индикаторе. Так как блок подсчета импульсов формирует код частоты в двоичном
виде, поэтому перед отправкой данных на индикаторы необходимо преобразовать код
в двоично-десятичный вид. Для этого данные отправляются на двоично-десятичный
шифратор и только потом на индикаторы. Помимо блока дешифратора данные отправляются
на блок подготовки к отправке в канал связи.
Структурная схема: Д-датчик, ПС-преобразователь сигналов,
ПД-переключатель декад, ПИ-подсчет импульсов, ДП-дешифратор преобразователя
кода, И-индикатор, ГИ-генератор тактовых импульсов, КС-канал связи

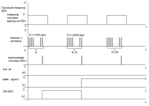
Временные
диаграммы
2. СХЕМА
ЭЛЕКТРИЧЕСКАЯ ПРИНЦИПИАЛЬНАЯ

Рис. 2 Схема
электрическая принципиальная
По
разработанной структурной схеме была составлена схема электрическая
принципиальная приведенная на рис.2. В последующих главах приведено описание
каждой части электрической схемы.
.1 ДАТЧИК
Датчик представляет собой светодиод, три фотодиода и диск на валу
двигателя показанного на рис. 2.1.1.
Рис. 2.1.1 Структура датчика
Рис. 2.1.2 Чертеж счетного диска
На диске прорезаны «дырки», как показано на рис. 2.1.2. В результате
имеется три выхода с датчика, которые формируют один - первый выход, десять -
второй выход, сто - третий выход импульсов на один оборот вала двигателя,
причем импульсы инвертированы по фазе, т.е. прохождению «дырки» через пару
фотодиод-фототранзистор соответствует перепад напряжения 1 - 0 рис 2.1.3. Для
реализации датчика применены ИК фотодиод ФД265, ИК светодиод АЛ-107АМ имеющий
максимально допустимый прямой ток 100мА, при напряжении 1.8В, и транзисторы
КТ310Е ток коллектора-100мА, с учетом этих характеристик были рассчитаны и
выбраны резисторы R1,R3,R5=100Ом и R2,R4,R6=600Ом
Рис. 2.1.3 Временная диаграмма входа с одного из трех датчиков
2.2 ГЕНЕРАТОР
ТАКТОВ
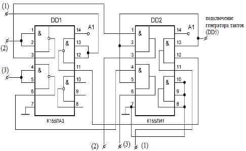
Как было сказано, выше импульсы инвертированы по фазе, для того, чтобы
прохождению «дырки» через пару светодиод - фотодиод соответствовал перепад 0 -
1 на выходы датчика установлены инверторы на логических элементах «И-НЕ» (DD1)
рис 2.2.1 временная диаграмма показана на рис. 2.2.2 Тактовая частота 0.5Гц
формируется генератором кр1006ви1 в стандартном включении показанным на рис
2.2.3, частота и период задается RC цепью R1, R2, C1 и определяется по формуле
f=(1/T)(1,44/(R1+2R2)C1) D(коэффициент заполнения)=R2/(R1+2R2). Очевидно, что если R1=0, то D=2, это значит, что
сформировавшийся импульс-меандр. Для частоты 0.5гц значения RC цепи
соответствуют R1=0,R2=560Ом, С1=10мкФ. Импульсы с 3х датчиков подаются на
мультиплексор, который обеспечивает переключение декад.
Рис. 2.2.1 Схема инвертора на логических элементах И-НЕ
Рис. 2.2.2 Временная диаграмма с выходов инвертора
Рис. 2.2.3 Генератор тактовых импульсов 0,5 Гц
.3
ПЕРЕКЛЮЧЕНИЕ ДЕКАД
Декады переключаются по переполнению разряда двоично-десятичного счетчика
К155ИЕ6(DD10). Импульс переполнения поступает на счетчик К155ИЕ6 (DD4), его
выходы подключаются к адресному входу мультиплексора, мультиплексор по первому
переполнению К155ИЕ6(DD4) выбирает канал соответствующий датчику (1) (10 дырок
на оборот), по второму переполнению выбирает канал соответствующий датчику (2)
(100 дырок на один оборот).
Тем самым переключение декад происходит, если число импульсов, превышает
число 999 выводимое на табло.
Схема реализации переключения декад, таблица истинности мультиплексора, и
временные диаграммы показана на рисунках 2.3.1, 2.3.2 и 2.3.3. Индикация
переключения в декады строится следующим образом: на каждом индикаторе помимо
цифровой индикации существует дополнительный сегмент «точка». «Точка»
включается аналогично цифровому сегменту, подачей положительного напряжения
1.8В. на соответствующий вывод индикатора. Микросхема К155ЛИ1 управляет
индикацией переключения декад. Она реализует логическую функцию. Y1=X1; Y2=(НЕ)(X2+X1)
Рис. 2.3.1 Схема переключения декад
Рис. 2.3.2 Таблица истинности мультиплексора К155КП1

2.4 ПОДСЧЕТ
ИМПУЛЬСОВ
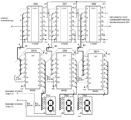
Подсчет импульсов осуществляется следующим образом: инвертированные
импульсы с датчиков отправляются на три двухвходовых логических элемента «И-НЕ»
(микросхема К155ла3), один из которых объединен и подключен к генератору
меандра с частотой 0.5 Гц. На рис. 2.4.1 можно увидеть временные диаграммы с
выходов (1), (2), (3), (4). Ключи позволяют реализовать подсчет количества
импульсов проходящих через ключ в одну секунду. Так как используются три
датчика, мы получаем n-число
импульсов с одного входа датчика; n/10 - со второго, n/100 с третьего. Выбор между датчиками осуществляется
мультиплексором по алгоритму описанному выше. Далее импульсы поступают на три
последовательно включенных двоично-десятичных счетчика серии К155ИЕ6(DD6, DD7,
DD8). Выходы с счетчиков поступают на двоично-десятичный дешифраторы - драйверы
семисегментных индикаторов. А они в свою очередь подключаются к семисегментным
индикаторам. Двоично-десятичные дешифраторы реализованные на микросхемах
К564ИД5 имеющих два входа подключения питания: питание логической части
микросхемы и питание выходных ключей. Диоды семисегментных индикаторов имеют
прямое напряжение 1,8 В. Для обеспечения напряжения и тока диода на вход
питающей выходные ключи микросхем К564ИД5, устанавливаются сопротивления R=200 Ом.
Рис. 2.4.1 Временные диаграммы с выходов микросхемы К155ЛИ1 DD2
В курсовом проекте использованы три семисегментных индикатора
скомбинированные в одном корпусе типа ВС56-11SRWA. Это индикаторы, с общим
катодом. Для того, что бы сегмент загорелся необходимо на соответствующий вход
подать высокий потенциал (1.8В). Максимальный ток диода сегмента составляет 16
мА. Схема подсчета и формирования десятичных чисел приведена на рис. 2.4.2.
Рис. 2.4.2 Схема подсчета и формирования десятичных чисел
.5 ИМПУЛЬС
СБРОСА
вращение двигатель импульс сигнал
На каждый тактовый импульс необходимо вырабатывать импульс сброса с
минимальной длительностью. С этой задачей справится микросхема кр1006ви1.
Теоретически минимальная длительность импульса неограниченна, но на практике
она ограничена токами утечки конденсатора времязадающей цепи и составляет 200нС
что вполне достаточно для данной задачи. Расчет параметров RC цепи происходит
аналогично п.2. Временная диаграмма с выходов генераторов такта и сброса, а так
же схема генератора сброса приведены на рис.2.5.1 и 2.5.2.
Рис. 2.5.1 Временная диаграмма с выходов генераторов такта и сброса
Рис. 2.5.2 Схема генератора сброса
2.6 СБОР И
ОТПРАВКА ДАННЫХ
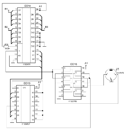
Данные со счетчиков DD6, DD7, DD8 и индикации переключения декад (DD12)
поступают на мультиплексор к155кп1 имеющий шестнадцать входов данных и четыре
адресных входа. Адрес счетчика формирует четырех разрядный двоичный счетчик
к155ие7. Генератор отправки(DD17) формирует 16 импульсов в секунду, причем
импульсы формируются только во второй полупериод тактового генератора, то есть
после того, как произошла фаза подсчета импульсов поступивших с датчика.
Генератор отправки реализован на микросхеме кр1006ви1, тактируется
тактовым генератором(DD5) и
настроен на 16Гц и D=2(методика расчета приведена в главе 2) Преобразованные
мультиплексором(DD14) данные в
последовательном виде отправляются в канал связи, пройдя согласующий каскад на
микросхеме к155лп9 представляющая собой шинный формирователь, имеющий шесть
входов. Схема генератора отправки приведена на рис. 2.6.1. Также в канал связи
отправляется такты генератора отправки(DD17) для обеспечения возможности приема
данных и преобразования параллельного кода в последовательный. Схема
преобразования параллельного кода в последовательный, и последующая отправка в
канал связи, приведена на рис. 2.6.2.
Рис. 2.6.1 Схема генератора отправки
Рис. 2.6.2 Схема преобразования параллельного кода в последовательный
.7 ИСТОЧНИК
ПИТАНИЯ
Устройство питается от однофазной сети переменного тока 220В. Понижающий
трансформатор ТП112К56 имеет выходное напряжение 5В, максимальный ток 5А. К
вторичной обмотке подключается диодный мост кц405А, к последнему подключается
конденсатор фильтра. Так как на конденсаторе фильтра напряжение примерно в 1.44
превышает напряжение на выходе трансформатора, к конденсатору фильтра
подключается стабилизатор напряжения +5В КР142ЕН5А. Данная микросхема
обеспечивает неплохую стабилизацию напряжения и имеет максимальный ток нагрузки
3А. Схема источника питания показана на рис.2.7.1
Рис. 2.7.1 Схема источника питания
ВЫВОД
Для решения заданной проблемы был использован оптический метод
определения скорости вращения диска на валу. Была разработана структурная и
принципиальная схемы. Были специально подобраны элементы электрической цепи и
собраны в одной таблице. Так же подробно описаны каждые элементы электрической
принципиальной цепи. В результате проделанной работы удалось спроектировать
устройство, удовлетворяющее всем требованиям. Диапазон измеряемой величины от 0
до 999 оборотов в секунду. Погрешность измерения составляет 1%.
ПРИЛОЖЕНИЕ 1
Перечень
элементов схемы
|
Поз. Обозн
|
Наименование
|
Кол.
|
|
Конденсаторы
|
|
|
С1,С3,С5,С7,С9
|
Конденсаторы пленочные типа
К73-17.С1,С3-100нф,С2,С7,С9-10нф
|
5
|
|
С2
|
Конденсатор
электролитический К50-35, 1000 мкФ х 16В 85°C
|
1
|
|
С4,С6,С8
|
Конденсаторы танталовые
типа К53-1А,С4,С8-10мкф,С6-0.1мкф
|
3
|
|
Резисторы
|
|
|
R1,R3,R5,R7,R15
|
Резисторы
МЛТ-1-100 Ом
|
5
|
|
R2,R4,R6
|
|
|
R8,R16
|
Резистор МЛТ-0.5-1кОм
|
3
|
|
R9,R17
|
Резистор МЛТ-0.5-560Ом
|
2
|
|
R10, R11, R12,
R13, R14
|
Резистор МЛТ-0.5-200Ом
|
5
|
|
R18
|
Резистор МЛТ-0.5-1МОм
|
1
|
|
Светодиод
|
|
|
HL1
|
Светодиод ИК диапазона
АЛ-107АМ
|
1
|
|
Фотодиоды
|
|
|
LED1,LED2, LED3
|
Фотодиод ИК ФД-265
|
3
|
|
Транзисторы
|
|
|
VT1…VT3
|
КТ3102Е
|
3
|
|
Микросхемы
|
|
|
DA1
|
Микросхема КР142ЕН5А
БКО.348.685 ТУ
|
1
|
|
DD1
|
Микросхема К155ЛА3
|
1
|
|
DD2
|
Микросхема К155ЛИ1
|
1
|
|
DD3, DD14
|
Микросхема К155КП1
|
|
|
DD4, DD6, DD7, DD8
|
Микросхема К155ИЕ6
|
4
|
|
DD5, DD15, DD17
|
Микросхема КР1006ВИ1
|
3
|
|
DD9, DD10, DD11
|
Микросхема К564ИД5
|
3
|
|
DD12
|
Микросхема К155ЛЕ1
|
1
|
|
DD13
|
Микросхема К155ИЕ7
|
1
|
|
DD16
|
Микросхема К155ЛП9
|
1
|
|
Разъем
|
|
|
X1
|
XLR-F3
|
1
|
|
Семисегментные индикаторы
|
|
|
H1
|
ВС56-11SRWA
|
3
|
СПИСОК
ЛИТЕРАТУРЫ
1. Скаржепа
В.А., Луценко А.Н. Электроника и микросхемотехника. К.: Высшая школа, 1989. 417
с., ил.
. Алексенко
А.Г., Шагурин И.И. Микросхемотехника. М.: Радио и связь, 1982. 312 с., ил.
. Микросхем
155серии: http://fi-com.ru/edict/index_155.htm
4.
Direct.Audens.ru:http://direct.audens.ru/index.php?option=com_content&
view=article&id=122&Itemid=134
. Сhipinfo.ru: http://www.chipinfo.ru