Определение параметров полупроводниковых приборов по их статическим вольтамперным характеристикам

  • Вид работы:
    Курсовая работа (т)
  • Предмет:
    Информатика, ВТ, телекоммуникации
  • Язык:
    Русский
    ,
    Формат файла:
    MS Word
    986,48 Кб
  • Опубликовано:
    2015-05-08
Вы можете узнать стоимость помощи в написании студенческой работы.
Помощь в написании работы, которую точно примут!

Определение параметров полупроводниковых приборов по их статическим вольтамперным характеристикам

МОСКОВСКИЙ АВИАЦИОННЫЙ ИНСТИТУТ

(НАЦИОНАЛЬНЫЙ ИССЛЕДОВАТЕЛЬСКИЙ УНИВЕРСИСТЕТ)








Курсовая работа по дисциплине

«Электроника и схемотехника»

На тему:

«Определение параметров полупроводниковых приборов по их

статическим вольтамперным характеристикам»


Выполнил:

студент учебной группы К-21

Хохлов В.В.

Проверил:

Доцент Полубедов В.С.



Содержание

1. Выпрямительный диод Д302

.1 Назначение выпрямительного диода Д302

.2 Электрические параметры выпрямительного диода Д302Д

.3 Предельные эксплуатационные данные выпрямительного диода Д302  

.4 Вольтамперные характеристики выпрямительного диода Д302

.5 Определение параметров выпрямительного диода Д302 по их статическим вольтамперным характеристикам

. Стабилитрон КС156А

.1 Назначение стабилитрона КС156А

.2 Электрические параметры стабилитрона КС156А

.3 Предельные эксплуатационные данные стабилитрона КС156А

.4 Вольтамперные характеристики стабилитрона КС156А

.5 Определение параметров стабилитрона КС156А по их статическим вольтамперным характеристикам

. Биполярный транзистор ГТ308Б         

.1 Назначение биполярного транзистора ГТ308Б

3.2 Электрические параметры биполярного транзистора ГТ308Б    

.3 Предельные эксплуатационные данные биполярного транзистора ГТ308Б

.4 Вольтамперные характеристики биполярного транзистора ГТ308Б

.5 Определение параметров биполярного транзистора ГТ308Б по их статическим вольтамперным характеристикам

1. Выпрямительный диод Д302

.1 Назначение выпрямительного диода Д302

Выпрямительным диодом (или выпрямителем) называют компонент электрической цепи, преобразующий переменный ток в постоянный. Обычно это полупроводниковый диод, оказывающий высокое сопротивление току, текущему в одном направлении, и низкое сопротивление току, текущему в обратном направлении.

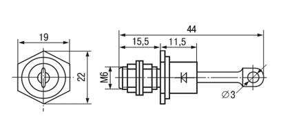
Д302 - сплавной германиевый диод, предназначенный для выпрямления переменного тока. Выпускается в металлическом сварном герметизированном корпусе с винтом и гайкой для крепления на теплоотводящем шасси.

Рисунок 1 - Выпрямительный диод Д302

.2 Электрические параметры выпрямительного диода Д302Д

Постоянное прямое напряжение не более………………………..0,3В;

Средний обратный ток при Uобр=Uобр.макс…………………....0,8мА;

1.3 Предельные эксплуатационные данные выпрямительного диода Д302

Средний выпрямительный ток, А:

-При температуре от 20 до 60°С…………………….…………….1,0 А;

при 50 °С…………………………………………………………...1,0 А;

при 70 °С…………………………………………………………...0,8 А;

при 20 °С и f=5000…………………………………….…………..1,0 А;

Обратное напряжение (амплитудное значение), В:

-при температуреот +20 до -60°С ………………………………..200 В;

при 50 °С…………………………………………………………..120 В;

при 70 °С…………………………………………………………....50 В;

при 20 °С и f=5000…………………………………….…………..150 В;

Диапазон рабочих температур окружающей среды.....от -55 до +55°С

Относительная влажность при 40°С……………………….…...до 98%;

Давление окружающего воздуха………...……...…....От 7∙102 до 2∙105;

Вибрация в диапазоне частот от 10 до 600Гц с ускорением…до 7,5g;

Постоянные линейные ускорения…………….…..……...….…до 25g;

Ударные ускорения…………….…..…………….…..…...……..до 75g;

Гарантийная наработка не менее……….….…………….………5000 ч;

1.4 Вольтамперные характеристики выпрямительного диода Д302

Рисунок 2 - Вольтамперная характеристика выпрямительного диода Д302

.5 Определение параметров выпрямительного диода Д302 по их статическим вольтамперным характеристикам

- крутизна вольтамперной характеристики;внутреннее сопротивление по переменному току;- внутреннее сопротивление по постоянному току;

КВЫП- коэффициент выпрямления;


2. Стабилитрон КС156А


Полупроводниковым стабилитроном называется полупроводниковый кремневый диод, нормальным режимом работы которого является режим электрического пробоя. Вольтамперная характеристика полупроводниковых кремневых диодов в области электрического пробоя имеет участок, который характеризуется тем, что при изменении тока в больших приделах, величина напряжения на диоде остаётся практически постоянной.

Это свойство использовано для создания приборов осуществляющих стабилизацию напряжения.

КС156А - стабилитрон кремниевыйпредназначенный для применения в схемах стабилизаторов напряжения и тока, в схемах ограничения импульсов и в качестве источников опорного напряжения. Выпускается в металлическом герметичном корпусе со стеклянными изоляторами, и имеют гибкие выводы. Масса диода не более 1 г.

Рисунок 3 - Стабилитрон КС156А

2.2 Электрические параметры стабилитрона КС156А

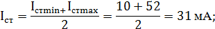
Напряжение стабилизации (при Iст.ном=10мА), …………………......5,6 В

Ток стабилизации, при котором измеряется напряжение стабилизации………………………………………………………...10мА;

Дифференциальное сопротивление (при Iст.ном=10мА), ………....46 Ом;

Разброс напряжения стабилизации (при Iст.ном=10мА),…………...±10%;

Температурный коэффициент напряжения стабилизации притемпературе -40 до+100°С не более………………………0,15%/°С;

Диапазон рабочих температур окружающей среды от -60 до +100°С

Относительная влажность при 40°С……………………………..До 98%;

Давление окружающего воздуха……………….от 2,7* до 3*Па;

Постоянные ускорения………………………………………....До 25±5g;

Вибрационные ускорения в диапазоне частот 20-600Гц…….…До 7,5g;

Гарантийная наработка не менее………………………………….5000 ч;

        

.3 Предельные эксплуатационные данные стабилитрона КС156А

Максимальный ток стабилизации:

-при температуре от -40 до +50°С ………………………………….55 мА;

при температуре при 100°С ……..…………….…………………...18 мА;

Минимальный ток стабилизации:

при температуре от -55 до +100°С ………………………………….3 мА;

Максимальная рассеиваемая мощность:

при температуре от -40 до +50°С ………………………………..300мВт;

при температуре 100°С ………………………………………….100 мВт;

Относительная влажность при 40°С…………………………..…до 98%;

Ударные многократные ускорения…………………………….….до 75g;

Вибрационные ускорения в диапазоне частот 10-600 Гц……....до 7,5g;

2.4 Вольтамперные характеристики стабилитрона КС156А

Рисунок 4 - Вольтамперная характеристика стабилитрона

.5 Определение параметров стабилитрона КС156А по их статическим вольтамперным характеристикам

Д- дифференциальное сопротивление;- сопротивление по постоянному току;ст - напряжение стабилизации;ст - ток стабилизации;ст.макс, Iст.мин - максимальный и минимальный ток стабилизации;



3. Биполярный транзистор ГТ308Б

.1 Назначение биполярного транзистора ГТ308Б

Биполярный транзистор - это полупроводниковый прибор, состоящий из трех областей с различными типами проводимости и двумя взаимодействующими р-n переходами.

Основное назначение транзистора - усиление или переключение электрических сигналов. В зависимости от чередования областей полупроводниковых слоев различают n-p-n и p-n-p транзисторы.

Транзистор ГТ308Б - германиевый сплавно-диффузионный p-n-p.Предназначен для усиления, генерирования и преобразования электрических колебаний высокой частоты и работы в импульсных схемах. Выпускается в металлическом герметичном корпусе со стеклянными изоляторами и имеет гибкие выводы. Вывод коллектора электрически соединён с корпусом транзистора; вывод эмиттера обозначен на корпусе цветной точкой. Масса транзистора не более 2 г.

Рисунок 5 - Биполярный транзистор ГТ308Б

3.2 Электрические параметры биполярного транзистора ГТ308Б

Обратный ток коллектора при, не более………………………….2 мкА;

Обратный ток эмиттера при ; не более………………...50мкА;

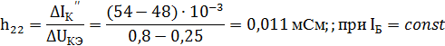
Статистический коэффициент усиления тока базы при =1В,………………………………………………………………..50-120;

Модулькоэффициента усиления тока базы при.………….6,0;

Напряжение насыщенности между базой и эмиттером при  неболее……………………………………………..0,5 В;

Напряжение насыщения между коллектором и эмиттером при, не более………………………………………........1,2 В;

Ёмкость коллектора при, не более…………...8 пФ;

Ёмкость эмиттера при, не более…………….25 пФ;

Постоянная времени цепи обратной связи при ,, не более……………………………………………………....400пс;

Время рассасывания при  не более…………………….1 мкс;

.3 Предельные эксплуатационные данные биполярного транзистора ГТ308Б

Ток коллектора..………………………………………………….….50мА;

Импульсный ток коллектора при τимп=5 мкс…………………….120 мА;

Напряжение между коллектором и базой, при отключенном эмиттере……………………………………………………….………12 В;

Импульсное напряжение между коллектором и базой при отключённом эмиттере и τимп=1 мкс………………………………...30 В;

Напряжение между коллектором и эмиттером:

при коротком замыкании эмиттера с базой…………..……….……15В;

при Rб=1 кОм………………………………………………………...12 В;

при запирающем напряжении на базе………………………….…..20 В;

Мощность на коллекторе………………………………………...150 мВт;

Импульсная мощность на коллекторе при τимп=5 мкс…….….360 м ВТ;

Диапазон рабочих температур окружающей среды…….от -55 до 60°С;

Давление окружающего воздуха…………………от 7* до 3*Па;

Постоянные ускорения…………………………………………..до 150 g;

Многократные ударные ускорения…………………………...…до 150g;

Вибрационные нагрузки в диапазоне частот 10-2000 Гц с ускорением…………………………………………………………….15 g;

Гарантийная наработка не менее………………………………...10000 ч;

.4 Вольтамперные характеристики биполярного транзистора ГТ308Б

Рисунок 6 - Входные характеристики транзистора

 

Рисунок 7 - Выходные характеристики транзистора

.5 Определение параметров биполярного транзистора ГТ308Б по их статическим вольтамперным характеристикам

- входное сопротивление при коротком замыкании во входной цепи;- коэффициент обратной связи по напряжению при холостом ходе во входной цепи;- коэффициент передачи тока при коротком замыкании в выходной цепи;- выходная проводимость при холостом ходе во входной цепи;

полупроводниковый диод стабилитрон транзистор



Список литературы

Справочник по полупроводниковым диодам,транзисторам и интегральным схемам. Под общей редакцией Н.Н. Горюнова. - Издание 3.

г.

Катаранов Б.А.,Палаженко А.В.,Сиротинский И.Л.Электроника.Учебное пособие к практическим занятиям. - Изд. СВИ РВ, 1996 г.

Похожие работы на - Определение параметров полупроводниковых приборов по их статическим вольтамперным характеристикам

 

Не нашли материал для своей работы?
Поможем написать уникальную работу
Без плагиата!
Без нейросетей!