Конструкция авиационных двухкотурных двигателей семейства CFM56

  • Вид работы:
    Дипломная (ВКР)
  • Предмет:
    Транспорт, грузоперевозки
  • Язык:
    Русский
    ,
    Формат файла:
    MS Word
    4,15 Мб
  • Опубликовано:
    2015-06-13
Вы можете узнать стоимость помощи в написании студенческой работы.
Помощь в написании работы, которую точно примут!

Конструкция авиационных двухкотурных двигателей семейства CFM56

Аннотация

Дипломная работа посвящена ознакомлению с авиационными газотурбинными двигателями семейства CFM56, изучению их основных эксплуатационных свойств: повреждаемости, контролепригодности, ремонтопригодности и модульности. Целью является освещение проблем, возникающих при эксплуатации этих двигателей в авиакомпании, их решение, предложение по использованию прогрессивного метода восстановления исправного состояния двигателя и внедрению перспективного метода регистрации повреждений элементов конструкции проточной части.

Первый раздел работы содержит информацию о происхождении, развитии и существовании двигателей семейства CFM56, краткое описание их основных узлов, конструктивных отличий, сведения об организации работ по их усовершенствованию. Во втором разделе рассмотрены: факторы, влияющие на техническое состояние двигателя; виды технического состояния; принцип построения программы ТО и Р двигателей семейства CFM56. Представлено описание сущности проблемы, возникающей при технической эксплуатации двигателей этого семейства. В третьем разделе рассмотрены общие для ГТД и характерные для двигателей CFM56 повреждения элементов конструкции. В четвёртом разделе представлено описание видов ТД, используемых при технической эксплуатации двигателей этого семейства. В пятом разделе представлено описание перспективного метода регистрации повреждений элементов проточной части авиационных ГТД. В заключительной части приведены выводы и рекомендации по проделанной работе.

Условные обозначения

АТ - авиационная техника

ВС - воздушное судно

ВПП - взлётно-посадочная полоса

ВНА - входной направляющий аппарат

ГДУ - газодинамическая устойчивость

ГТД - газотурбинный двигатель

ТРДД - двухконтурный турбореактивный двигатель

ДРЛО и У - дальнее радиолокационное обнаружение и управление

ЖТ - жаровая труба

ИКАО - международная организация гражданской авиации

КС - камера сгорания

КПА - коробка приводов агрегатов

КПД - коэффициент полезного действия

КНД - компрессор низкого давления

КВД - компрессор высокого давления

ЛА - летательный аппарат

НА - направляющий аппарат

НК - неразрушающий контроль

ПП - промежуточный привод

ПЗС - прибор с зарядовой связью

РК - рабочее колесо

РЛД - радиолокационный датчик

СА - сопловой аппарат

САУ - система автоматического управления

СВЧ - сверхвысокая частота

САУРЗ - система активного управления радиальными зазорами

ТД - техническая диагностика

ТО - техническое обслуживание

ТУ - технические условия

ТО и Р - техническое обслуживание и ремонт

ТНД - турбина низкого давления

ТВД - турбина высокого давления

ТРДД - турбореактивный двигатель двухконтурный

ФУ - фронтовое устройство

AMM - руководство по технической эксплуатации

AEW & C - бортовая система раннего обнаружения и управления

CFMI - совместное предприятие "коммерческие вентиляторные моторы"

CAEP/6 - стандарт, установленный комитетом по охране окружающей среды

DAC - двузонная кольцевая камера сгорания

DGAC - комитет, устанавливающий стандарты по перевозке опасных грузов

EPA - агентство по защите окружающей среды

ETOPS - стандарт, устанавливающий нормы и требования к выполнению полётов на двухмоторном самолёте

FAA - федеральное управление гражданской авиации

FADEC - цифровая система управления двигателем с полной ответственностью

VBV - регулируемый клапан перепуска воздуха

ICAO - международная организация гражданской авиации

SAC - однозонная кольцевая камера сгорания

TAPS - камера сгорания с предварительным смешением

Оглавление

Введение

. Семейство авиационных газотурбинных двигателей CFM56

.1 История возникновения семейства двигателей CFM56

.2 История развития и настоящее положение авиадвигателей семейства CFM56 на мировом рынке

.2.1 Двигатель CFM56-2

.2.2 Двигатель CFM56-3

.2.3 Двигатель CFM56-5A

.2.4 Двигатель CFM56-5B

.2.5 Двигатель CFM56-5C

.2.6 Двигатель CFM56-7B

.3 Общие и отличительные особенности конструкции двигателей семейства

CFM56. Назначение и эксплуатационно-технические характеристики

.3.1 Двигатель CFM56-2

.3.2 Двигатель CFM56-3

.3.3 Двигатель CFM56-5A

.3.4 Двигатель CFM56-5B

.3.5 Двигатель CFM56-5C

.3.6 Двигатель CFM56-7B

.4 Конструкция двигателя CFM56-5B

.4.1 Общее представление о двигателе CFM56-5B/2P

.4.2 Главный модуль вентилятора

.4.3 Главный модуль газогенератора

.4.4 Главный модуль турбины низкого давления

.4.5 Главный модуль вспомогательного привода

.4.6 Опоры роторов

.4.7 Смотровые порты

.4.8 Дренажная система

.5 Программа TECH56

1.5.1 Цели и организация работ по программе TECH56

.5.2 Результаты работ по программе TECH56

. Техническая эксплуатация авиационных газотурбинных двигателей семейства CFM56

.1 Условия работы и факторы, влияющие на техническое состояние двигателя

.2 Виды технического состояния двигателя

.3 Стратегия программы ТО и Р, применяемая к двигателям семейства CFM56

.4 Проблемы, возникающие при эксплуатации "по состоянию"

. Характерные повреждения авиационных газотурбинных двигателей семейства CFM56

.1 Типичные повреждения элементов конструкции

.2 Распределение и характер повреждений элементов конструкции ГТД по системам и узлам и их причины возникновения

.2.1 Компрессор

.2.2 Камера сгорания и топливные форсунки

.2.3 Турбина

.2.4 Подшипники опор роторов

.2.5 Детали приводов

.2.6 Трубопроводы

.3 Последствия повреждений элементов конструкции

. Методы, средства диагностирования технического состояния, применяемые в настоящее время в эксплуатации авиационных газотурбинных двигателей семейства CFM56

.1 Диагностирование по изменению рабочих параметров

.2 Визуально-оптический метод диагностирования

.3 Диагностирование по наличию продуктов износа в масле

.4 Диагностирование по концентрации продуктов износа в масле

.5 Диагностирование по параметрам вибрации

. Перспективный метод регистрации повреждений элементов проточной части авиационных газотурбинных двигателей семейства CFM56

5.1 Обнаружение дефектов роторных лопаток

5.2 Определение частот вращения роторов двухвального двигателя

.3 Вибрации роторных лопаток

.4 Измерение радиальных зазоров

.5 Прохождение через проточную часть посторонних предметов

Выводы и рекомендации

Список использованной литературы

Приложения

авиационный двигатель газотурбинный конструкция

Введение

Современная концепция развития авиационных двигателей во многом определяется требованием заказчиков к качественному сокращению (в два-три раза) стоимости их жизненного цикла. Одним из главных факторов, определяющих успех в достижении этой цели, является практическая реализация системы диагностики нового поколения. Стержневым элементом этой системы является комплексная информационная структура на базе сетевой технологии [5].

В определённой степени тенденция развития систем диагностики двигателей передовых зарубежных фирм идёт в указанном направлении. Наблюдается широкое применение Интернета и системы ACARS для передачи в реальном времени контролируемых на двигателе параметров в удалённый диагностический центр, где принимаются решения о возможности дальнейшей эксплуатации двигателя и его ремонте.

Большие финансовые средства, затрачиваемые зарубежными компаниями на разработку, доводку и испытания авиадвигателей, обеспечивают им высокие показатели надёжности и существенным образом снижают затраты на обслуживание. Как казалось бы, вопрос о приоритетном развитии средств диагностики для них не стоит так остро. Тем не менее, за рубежом наблюдается интенсивный рост инвестиций в разработку новых диагностических средств. Это объясняется высокими требованиями заказчиков к ресурсным характеристикам новых и серийно эксплуатируемых двигателей, а также к обеспечению их эксплуатации по техническому состоянию.

Ставятся задачи перехода на более прогрессивную стратегию эксплуатации с прогнозом надёжности, которая допускает возможность эксплуатировать двигатель с повреждениями основных деталей (например, с трещинами в дисках) при достоверном непрерывном контроле и абсолютном недопущении превышения критического размера дефекта. Указанная проблема может быть решена только посредством разработки и внедрения новых эффективных средств диагностирования и прогнозирования технического состояния авиадвигателей.

Из вышесказанного следует сделать вывод, что требования заказчиков к существенному снижению стоимости обслуживания авиадвигателей в эксплуатации и повышению времени работы двигателя без съёма с крыла обусловливает необходимость в разработке и внедрении новых прогрессивных методов диагностики технического состояния. Система диагностирования нового поколения должна характеризоваться наличием сетевой информационной структуры (Интернет) и новых нетрадиционных средств обнаружения дефектов и повреждений.

Объектом исследования дипломной работы является семейство авиационных газотурбинных двигателей CFM56. Для того чтобы ответить на вопрос - "Почему двигатели семейства CFM56 нуждаются в использовании прогрессивных методов и средств диагностики?", - рассмотрим эксплуатационные характеристики двигателей семейства, определим их слабые и потенциально сильные стороны.

1.     
Семейство авиационных газотурбинных двигателей CFM56

CFM56 - серия турбовентиляторных авиадвигателей с высокой степенью двухконтурности производства концерна CFMI (Commercial Fan Motors International), объединение американской частной компании General Electric и французской государственной компании SNECMA.

Линейка изделий CFM56 включает в себя шесть моделей двигателей, позволяющих развивать тягу величиной 82…151 кН (8356…15387 кГ). В настоящее время, по информации от производителя [1], более 20 000 двигателей эксплуатируют 531 компании на более чем 8 000 воздушных судах по всему миру. Двигатели CFM56 устанавливаются на 30 типах гражданских и военных воздушных судов, их суммарное лётное время составляет более 500 млн. часов.

В 1997 году двигатель CFM56 установил рекорд по наработке до съема с крыла как в часах, так и в циклах. На сегодняшний день наработка на съем двигателя CFM56 в среднем составляет 17000 часов до первого ремонта и около 12000 ч после ремонта.

Надежность двигателей CFM56 обеспечивает показатели выключения в полете на уровне 0,003 (одно выключение на 333333 летных часа или один раз в 75…100 лет). С точки зрения надежности вылета показатели парка двигателей CFM56 составляют 99,97%. Это означает, что только 3 вылета из 10000 откладываются на время свыше 15 минут или отменяются по причине неисправности двигателей. Этот показатель имеет прямое влияние на эксплуатационные расходы с точки зрения удобства пассажиров, дополнительного расхода топлива, дополнительных аэропортовых сборов, обслуживания выбывшего из эксплуатации самолета и т.д.

Фирмы Snecma и GE делают все возможное для сохранения позиций CFMI как промышленного лидера по надежности, долговечности и экономичности своей продукции на долгие годы вперед.

1.1 История возникновения семейства двигателей CFM56

В начале 70-х годов на рынке ближне - и среднемагистральных реактивных самолетов в основном использовались двигатели с малой степенью двухконтурности. Специалисты американской корпорации "Дженерал Электрик" (General Electric) и французской "Снекма" (Snecma) независимо друг от друга пришли к одному и тому же выводу, состоявшему в том, что существуют хорошие возможности внедриться на этот рынок, если предложить высокоэкономичный двигатель нового поколения с высокой степенью двухконтурности. Но у обеих двигателестроительных фирм к тому моменту не было ни готового продукта, ни свободных средств для его создания и продвижения.

"Снекма" - правопреемница знаменитых в период возникновения и становления авиации фирм "Месье-Бугатти" (Messier-Bugatti) и "Испано-Суиза" (Hispano-Suiza). К началу 70-х она специализировалась в основном на создании и производстве двигателей для военных самолетов, разработала двигатель "Олимпус" для сверхзвукового пассажирского самолета "Конкорд". Она была и остается в настоящее время французским государственным предприятием.

"Дженерал Электрик" ведет свою историю от фирмы "Эдисон Электрик КО." ( "Edison Electric Co."), основанной знаменитым изобретателем и бизнесменом Эдисоном еще в 1878 г. В 60-х годах ХХ века сборочные цеха авиадвигателестроительного отделения фирмы "Дженерал Электрик Эркрафт Энджинз" (General Electric Aircraft Engines) на 85% были заняты производством продукции для военных самолетов, что ограничивало перспективы ее развития.

Анализируя ситуацию на рынке гражданских авиадвигателей, специалисты компании "Дженерал электрик" поставили своей целью создание современного двигателя с высокой степенью двухконтурности, который должен был составить конкуренцию двигателю JT8D фирмы "Прэтт Энд Уитни", используемого на самолетах "Боинг 737-100/200", "Боинг 727" и DC-9 фирмы "Макдоннел Дуглас". Проект нового двигателя базировался на конструкции компрессора, турбины высокого давления и камеры сгорания двигателя "Дженерал электрик" F101, созданного для стратегического бомбардировщика В-1. Но не хватало главного - средств для полномасштабной разработки.

Во Франции в это же время "Снекма" приступила к предварительному проектированию двигателя М56 с классом тяги 10 т для проектируемого фирмой "Дассо" пассажирского лайнера. В тот период фирма не имела опыта работы на рынке самолетов, а её финансовые возможности в освоении нового двигателя были весьма ограничены. В январе 1971 года руководство "Снекма" решило привлечь иностранных партнеров к разработке нового гражданского двигателя. В качестве таких партнеров рассматривались "Роллс-Ройс", "Прэтт энд Уитни", и "Дженерал Электрик". К тому моменту с последней фирмой уже существовал некоторый опыт сотрудничества: французская фирма с 1969 года изготавливала для американцев отдельные агрегаты для двигателя CF6-50.

К июлю 1971 года инженеры "Снекма" и "Дженерал Электрик" спроектировали двигатель в классе тяги 10 тонн с потенциалом ее наращивания до 17 тонн, а спустя три месяца было официально объявлено о решении этих двух фирм приступить к сотрудничеству. Но практически потребовалось еще два года на то, чтобы получить разрешения обеих стран на обмен технологиями и создание совместной компании.

В 1972 году Правительство США отвергло заявку "Дженерал Электрик" на экспортную лицензию, позволяющую использовать основной контур двигателя стратегического бомбардировщика В-1 для совместного проекта, и потребовались длительные переговоры и согласования, чтобы найти выход из тупиковой ситуации. В конце концов, для развития совместной компании по производству гражданских двигателей потребовалось решение на уровне глав государств, которое и было подписано президентами Никсоном и Помпиду на их встрече на высшем уровне в Рейкьявике в мае 1973 года. Но еще в течение пяти лет сотрудники французской фирмы не имели доступа к чертежам и технологии производства основного контура двигателя F101.

В апреле 1974 года узлы двигателя CFM-56 поступили на сборку на завод "Дженерал Электрик" в Цинциннатти, штат Огайо, а в июне двигатель был собран, после чего начались его испытания. Три месяца спустя была официально зарегистрирована фирма "CFMI" (Commercial Fan Motors International), как совместное предприятие при 50% участии фирм Snecma (SAFRAN Group) и General Electric Company.

Обе компании, входящие в концерн, ответственны за производство разных компонентов двигателя, у каждой из них есть своя линия конечной сборки. "Дженерал Электрик" отвечает за компрессор высокого давления, камеру сгорания и турбину высокого давления, "Снекма" отвечает за вентилятор, турбину низкого давления и коробку приводов.

В ноябре 1979 года первый двигатель CFM56-2 был сертифицирован и в этом же году выбран для установки на самолет Douglas DC-8 Super 70. Позже именно этому двигателю отдали предпочтение при переоснащении самолета-заправщика КС-135 и гражданского самолета Boing 707. С этих заказов началась история семейства двигателей CFM56.

.2 История развития и настоящее положение авиадвигателей семейства CFM56 на мировом рынке

За всё время успешного сотрудничества совместное предприятие CFMI поставило на крыло шесть типов двигателей, каждый из которых принадлежал своему поколению. При этом каждый тип двигателя подвергался неоднократной модификации [1].

1.2.1 Двигатель CFM56-2

Авиационный газотурбинный двигатель CFM56-2 - "дедушка" всего семейства двигателей CFM56. Это первый ТРДД с высокой степенью двухконтурности в классе тяги 10 т, являющийся основой всех последующих двигателей семейства, которые существуют в эксплуатации сегодня. Его прочная и простая конструкция позволила ему стать самым популярным двигателем в воздухе. Развиваемая им тяга колеблется от 11 до 12 т. Первый полёт двигателя осуществился на ремоторизированном Boing 707 в 1979 году и вскоре был выбран для ремоторизации самолётов-танкеров KC-135 ВВС США.

Авиационный газотурбинный двигатель CFM56-2 был введён в эксплуатацию в 1982 году. Этот двигатель, сертифицированный на тягу 10 т по FAA и DGAC, является первым "десятитонником" с высокой степенью двухконтурности. Каскад высокого давления двигателя разработан на основе военного двигателя GE F101. Двигатель CFM56-2 изначально был ориентирован на высокие технологии и потребности клиентов, отличался высоким КПД, экономичностью и с запасом отвечал действующим в то время требованиям по уровню шума и эмиссии вредных веществ. Кроме того, CFM56-2 является первым двигателем с высокой степенью двухконтурности, отвечающий жёстким правилам FAR 33-6 по попаданию посторонних предметов в газовоздушный тракт двигателя. После демонстрации его характеристик, во время проведения программы лётных испытаний в связи с ремоторизацией самолётов Boing 707, двигатель был выбран для ремоторизации самолётов McDonnel Douglas DC-8. Относительно низкий расход топлива и отличное выполнение взлёта с жарких аэродромов привлекли внимание военных организаций к этому двигателю. ВМФ США, ВВС США, Финляндии и Великобритании приняли его для ремоторизации самолётов KC-135R, C-135FR, E-3, KE-3 и тактико-стратегического самолёта E-6 Mercury. В армии США этот двигатель носит название F108. Рассмотрена, как стандарт надёжного военного двигателя, его модификация: CFM56-2A, которая обеспечивает снижение уровня шума на 90 %. В настоящее время предлагается программа по ремоторизации самолётов ДРЛО НАТО на двигатели этой модификации.

Сегодня ВВС США по-прежнему остаётся основным заказчиком данного типа двигателя, в его эксплуатации находится более 450 единиц техники с двигателями CFM56-2.

Таблица 1 Хронология событий

Заключение контракта

 Январь 1974

Готовность первого тестового двигателя

 Июнь 1974

Первый полёт двигателя на Boing 707 FTB

 Начало 1979

Сертифицирован

 Ноябрь 1979

Избран для ремоторизации самолета KC-135R ВВС США

 Январь 1980

Ввод в эксплуатацию на самолете DC-8 Super 70

 Апрель 1982

Ввод в эксплуатацию на самолете KC-135R ВВС США

 Июль 1984

Ввод в эксплуатацию на самолете E-3 ДРЛО

 Июль 1986

Ввод в эксплуатацию на самолете KE-3 танкер

 Февраль 1987


.2.2 Двигатель CFM56-3

Авиационный газотурбинный двигатель CFM56-3 был разработан специально для самолётов семейства Boing 737 второго поколения: 300/400/500 и является производным от двигателя CFM56-2. Развиваемое им осевое усилие колеблется от 9,2 до 11,7 т .

Комбинация "двигатель-планер" поступила на коммерческие перевозки в 1984 году и быстро стала одним из бестселлеров…так же, как и преемник, Boing 737NG. Сегодня разработчики CFM предлагают комплекты обновления для двигателя CFM56-3, которые продлевают его жизненный цикл и снижают расходы на техническое обслуживание.

Турбовентиляторный двигатель CFM56-3 является первым усовершенствованным двигателем семейства, который был разработан специально для удовлетворения потребностей ближне - и среднемагистральных самолётов семейства Boing 737. Сертифицирован двигатель по FAA и DGAC в 1984 году. Через двадцать месяцев после CFM56-2 начал осуществлять коммерческие перевозки. Этот двигатель демонстрирует улучшенную на 20% топливную эффективность по сравнению с предыдущими двигателями малой степени двухконтурности.

Двигатель CFM56-3 сохранил в себе газогенератор высокого давления и турбину низкого давления от предыдущего двигателя CFM56-2. По запасным частям, используемому материалу и инструменту двигатель на 84% и 60% идентичен своему предшественнику. В декабре 1999 года последняя поставка двигателей CFM56-3, была отгружена компании Boing для их установки на самолёты Boing 737 Classic и Boing 737-400.

В начале 2001 года двигатель CFM56-3C, эксплуатирующийся в авиакомпании Malev, установил свой новый рекорд по наработке в часах и циклах до первого снятия с крыла, который составлял наработку в более чем 35 000 часов и 14 000 циклов. Когда фирма Boing выбрала этот двигатель в качестве силовой установки для своих самолётов серии 737-300/-400/-500, обе компании оптимистично предсказали, что они продадут около 400 самолётов; 4 496 двигателей и ещё 1 989 самолётов в будущем, а двигатель CFM56-3 силовой установки Boing 737 станет историей для книги рекордов.

Таблица 2 Хронология событий

Заключение контракта

 Март 1981

Готовность первого тестового двигателя

 Апрель 1982

Первый полёт двигателя на Boing 707 FTB

 Январь 1983

Сертифицирован

 Январь 1984

Ввод в эксплуатацию Boing 737-300

 Декабрь 1984

Ввод в эксплуатацию Boing 737-400

 Сентябрь 1988

Ввод в эксплуатацию Boing 737-500

 Март 1990

Поставка последней партии CFM56-3 в фирму Boing

 Декабрь 1999

Достижение мирового рекорда по наработке 38 736 часов до первого снятия с крыла

 Начало 2001


1.2.3 Двигатель CFM56-5A

Авиационный газотурбинный двигатель CFM56-5A входит в силовую установку, которой оснащались вступающие на рынок узкофюзеляжные самолёты Airbus A320. Начало эксплуатации датируется 1988 годом, и в настоящее время эксплуатируется более 1100 двигателей с общей наработкой более чем 40 млн. лётных часов. Развиваемая им тяга составляет от 11 до 13,3 т. Двигатель CFM56-5A, работающий в диапазоне тяг от 11 до 11,8 т, хорошо оптимизирован для укороченных самолётов Airbus A319.

Опыт эксплуатации двигателя CFM56-3, который накопил более девяти миллионов лётных часа перед тем, как CFM56-5A вступил в эксплуатацию, сыграл важную для последнего роль. Он характеризуется улучшенными параметрами термодинамического цикла и оснащён трёхмерно-спроектированным вентилятором, электронно-цифровой системой управления с полной ответственностью (FADEC), которая обеспечивает эффективное взаимодействие систем двигателя и самолёта. Удельный расход топлива двигателя снижен на 10-11%, по сравнению с его предшественниками. В результате чего, для исполнения тех же миссий воздушному судну требуется на 15-17% меньше топлива. Несмотря на его повышенные, по сравнению с нормами FAA и EPA, шум и эмиссию вредных веществ, двигатель имеет хороший уровень надёжности вылета: менее одной задержки или отмены за 1600 вылетов по причине неисправности двигателя.

Таблица 3 Хронология событий

Заключение контракта

 Сентябрь 1984

Готовность первого тестового двигателя

 Январь 1986

Первый тестовый полёт двигателя на Boing 707 FTB

 Июнь 1986

Сертифицирован

 Август 1987

Введён в эксплуатацию

 Апрель 1988


1.2.4 Двигатель CFM56-5B

Авиационный газотурбинный двигатель CFM56-5B был избран для силовой установки самолётов семейства Airbus A320. Около 60% из всех самолётов линейки A318/A319/A320/A321 имеют в составе силовой установки именно этот двигатель. Одними из основных факторов, в результате которых двигатель CFM56-5B в своём классе получил широкое признание рынка, были его простота и прочность конструкции, которые придавали ему высокую надёжность, долговечность и ремонтопригодность. Было выпущено более 4000 двигателей CFM56-5B, суммарное лётное время которых составляет более 50 млн. часов.вкладывает инвестиции в усовершенствования, которые делают двигатель CFM56-5B ещё лучше. В 2007 году по программе Tech Insertion началось производство конфигураций двигателя CFM56-5B Tech Insertion. В ходе программы Tech Insertion удалось значительно снизить расход топлива, уровень выбросов вредных веществ и расходы на техническое обслуживание двигателя CFM56-5B. Шум и выбросы стали ключевыми факторами в работе системы планирования и обслуживания парка воздушных судов. CFM56-5B был первым двигателем, в котором была применена в середине 90-х технология двузонной камеры сгорания кольцевого типа.

С введением в 2007 году программы Tech Insertion и новой технологии камеры сгорания CFMI смогла предложить улучшенные технические характеристики при более простой конструкции двигателя. Оптимизированная по программе Tech Insertion камера сгорания снижает уровень выбросов NOx на 25%, что позволяет отвечать новым требованиям стандарта CAEP/6, который вступил в силу с января 2008 года.

В дополнение к снижению уровня выбросов NOx двигатель CFM56-5B Tech Insertion в течение всего срока службы расходует топлива на 1% меньше, чем базовый двигатель CFM56-5B, что также означает снижение уровня выбросов углерода.

Таблица 4 Хронология событий

Заключение контракта

 Ноябрь 1989

Готовность первого тестового двигателя

 Октябрь 1991

Первый тестовый полёт двигателя на Boing 707 FTB

 Сентябрь 1992

Готовность первого тестового двигателя с двузонной КС

 Март 1993

Двигатель сертифицирован

 Май 1993

A321/CFM56-5B сертифицирован

 Февраль 1994

A321/CFM56-5B SAC введён в эксплуатацию

 Март 1994

A320/CFM56-5B введён в эксплуатацию

 Ноябрь 1994

A321/CFM56-5B DAC введён в эксплуатацию

 Февраль 1995

Начало работы программы Tech Insertion

 Октябрь 2007


1.2.5 Двигатель CFM56-5C

Авиационный газотурбинный двигатель CFM56-5C - самый мощный двигатель из семейства CFM56, он является единственным подходящим двигателем для силовой установки дальнемагистальных самолётов Airbus A340-200 и A340-300. Продолжая отличную репутацию двигателей CFM56 во всём мире, CFM56-5C реализовывает инновационные технологии, снижение расхода топлива и возможности удовлетворения всем существующим экологическим требованиям со значительным запасом.

В своём классе CFM56-5C имеет самый низкий уровень шума и высокий уровень надёжности - отличительная особенность семейства CFM56. Для эффективной работы и прибыльности авиакомпании CFMI предлагает CFM56-5C, как общую силовую установку: двигатель, гондола и выходное устройство.

Таблица 5 Хронология событий

Заключение контракта

 Конец 1987

Готовность первого тестового двигателя

 Декабрь 1989

Первый тестовый полёт двигателя на Boing 707 FTB

 Август 1990

CFM56-5C сертифицирован на тягу 15,6 и 16,2 т

 Декабрь 1991

A340/ CFM56-5C введён в эксплуатацию

 Февраль 1993

A340/ CFM56-5C обогнул земной шар с одной посадкой

 Июнь 1993

CFM56-5C4 сертифицирован на тягу 17 т

 Октябрь 1994

CFM56-5C4 введён в эксплуатацию на A340 (257 т)

 Март 1995

CFM56-5C4 введён в эксплуатацию на A340 (271 т)

 Апрель 1996


1.2.6 Двигатель CFM56-7B

Авиационный газотурбинный двигатель CFM56-7B - эксклюзивный двигатель, предназначенный для узкофюзеляжных самолётов фирмы Boing нового поколения: 737-600/-700/-800/-900/-900ER/BBJ. Военные организации всего мира пользуются преимуществами CFM56-7B в качестве силовой установки на военных самолётах-аналогах Boing 737: C-40 Clipper (военный транспортный); P-8 Poseidon (противолодочный); Boing 737 AEW&C (ДРЛОиУ).

Основными факторами, благодаря которым этот двигатель находит широкое применение, являются надёжность и экологичность, низкая стоимость приобретения и техническая поддержка мирового класса.

В 1994 году двигатель CFM56-7B был введён в эксплуатацию, это событие было многообещающим для эксплуатантов, так как должно было обеспечить их двигателями, имеющими высокую надёжность. Например, самолёт Boing 737 авиакомпании Southwest Airlines имеет один из самых высоких коэффициентов использования парка и, как правило, совершает 6 или 7 рейсов в день. Надёжность двигателя CFM56-7B обеспечивает самолёту Boing 737 соответствие требованиям ETOPS 180 (ETOPS - нормы и требования к выполнению полётов на двухмоторном самолёте по малоориентированной местности, разработанные ИКАО). По нормам ETOPS маршрут двухмоторного самолёта должен быть построен таким образом, чтобы самолёт постоянно находился в пределах определённого времени лёта до ближайшего аэродрома, где можно было бы совершить аварийную посадку в случае отказа одного из двигателей. Существуют ETOPS 60, 120 и 180 минут. Чем больше по этим нормам даётся времени, тем лучшая обеспечивается гибкость планирования маршрутов.

С середины 2007 года все двигатели CFM56-7B выпускаются в конфигурации Tech Insertion, что делает их удовлетворяющими экологическим требованиям стандарта CAEP/6. Заглядывая в будущее, CFM тестирует ещё один усовершенствованный двигатель - CFM56-7BE. Готовый к вводу в эксплуатацию к середине 2011 года, когда двигатель будет установлен на самолёт Boing 737 Next-Generation, новый производственный стандарт обеспечит двухпроцентное снижение объёма сжигаемого топлива и выбросов углекислого газа.

Таблица 6 Хронология событий

Программа запущена

 Январь 1994

Готовность первого тестового двигателя

 Май 1995

Первый тестовый полёт двигателя на Boing 707 FTB

 Январь 1996

Двигатель сертифицирован

 Октябрь 1996

Ввод в эксплуатацию Boing 737-600

 Январь 1998

Ввод в эксплуатацию Boing 737-700

 Апрель 1998

Ввод в эксплуатацию Boing 737-800

 Октябрь 1998

Ввод в эксплуатацию Boing 737-900

 Май 2001

Начало работы программы Tech Insertion

 Июнь 2007

Начало работы над усовершенствованным двигателем CFM56-7BE.

 Апрель 2009


1.3 Общие и отличительные особенности конструкции двигателей семейства CFM56. Назначение и эксплуатационно-технические характеристики

Авиационные турбовентиляторные двигатели семейства CFM56, в общей схожести, имеют модульную конструкцию и выполнены по двухвальной прямоточной схеме [2]. Каждый двигатель включает в себя каскады высокого и низкого давления, которые в свою очередь имеют барабанно-дисковый ротор. Вращаются роторы в направлении часовой стрелки по полёту. Все двигатели семейства включают в себя следующие главные модули:

ü  главный модуль вентилятора;

ü  главный модуль газогенератора;

ü  главный модуль турбины низкого давления;

ü  главный модуль вспомогательного привода;

В свою очередь, каждый из главных модулей включает в себя подмодули. Главный модуль вентилятора включает в себя:

Ø  вентилятор и подпорные ступени;

Ø  первую и вторую подшипниковые опоры;

Ø  центральный привод и третью подшипниковую опору;

Ø  корпус вентилятора.

Главный модуль газогенератора включает в себя:

Ø  ротор компрессора высокого давления;

Ø  статор компрессора высокого давления;

Ø  задний статор компрессора высокого давления;

Ø  корпус камеры сгорания;

Ø  жаровую трубу;

Ø  сопловой аппарат турбины высокого давления;

Ø  ротор турбины высокого давления;

Ø  сопловой аппарат первой ступени турбины низкого давления.

Главный модуль турбины низкого давления включает в себя:

Ø  статор и ротор турбины низкого давления;

Ø  вал турбины низкого давления;

Ø  задний корпус турбины низкого давления.

Главный модуль вспомогательного привода включает в себя:

Ø  коробку приводов и промежуточный привод.

Системы двигателя, без которых работа двигателя невозможна, составляют первую группу систем. В неё входят:

Ø  система воздушного охлаждения;

Ø  система воздушного уплотнения;

Ø  система смазки;

Ø  система подачи и распределения топлива;

Ø  система контроля;

Ø  система управления двигателем;

Ø  система индикации;

Ø  система зажигания;

Ø  система отвода выхлопных газов и реверса тяги;

Ø  система запуска;

Ø  входное и выходное устройства, капоты.

Системы, которые не относятся к двигателю, но связаны с ним функционально относятся к планеру и являются неактивными при нормальной работе двигателя. Эти системы составляют вторую группу систем, в которую входят:

Ø  противопожарная система;

Ø  противообледенительная система.

Системы двигателя, связанные с энергообеспечением самолёта, составляют третью группу систем - системы питания. К ним относятся:

Ø  система электроснабжения;

Ø  пневматическая система;

Ø  гидравлическая система.

Все двигатели семейства CFM56 имеют идентичный газогенератор высокого давления, который состоит из девятиступенчатого компрессора, кольцевой камеры сгорания и одноступенчатой турбины. Некоторые компоненты систем и конструкции также являются идентичными.

Под воздействием факторов научно-технического прогресса: морального и физического устаревания АД; потребности в более экономичных, бесшумных и надёжных двигателях с малым уровнем выбросов вредных веществ, конструкция двигателя в процессе эволюции претерпевала некоторые изменения. В первую очередь эти изменения обуславливались потребностями рынка и заключались в том, что двигатели рассчитывались на разные классы тяги, в результате чего двигатели семейства имеют различия в массе, габаритах, степени двухконтурности, в количестве рабочих ступеней компрессора низкого давления и турбины. Требования регулирующих ведомств и органов также привнесли свой вклад в изменение конструкции двигателей. Например, постоянно ужесточающиеся требования по охране и защите окружающей среды вынудили разработчиков поработать над снижением уровня выбросов вредных веществ, поэтому на последних типах двигателей применяются двузонные жаровые трубы и жаровые трубы новой технологии TAPS (Twin Annular Premixing Swirler). Требования по шуму побудили внедрить в конструкцию акустические панели. Предъявляемые требования по безопасности и надёжности повлекли за собой изменения в системе автоматического регулирования двигателем, она перешла от гидромеханической к электронной первого и второго поколения. Использование новых технологий проектирования тоже сыграли значительную роль, возможность трёхмерного аэродинамического проектирования рабочих лопаток позволила повысить КПД ступеней, снизить количество лопаток каждой ступени, а вместе с этим общую массу двигателя. Опыт эксплуатации ранних двигателей также сыграли для последних серий немаловажную роль. В процессе эксплуатации выявлялись несовершенные технические решения элементов конструкции и заменялись более совершенными. К примеру, на двигателях ранних серий использовались конические и эллиптические кок - обтекатели (рис.1), конические обтекатели обеспечивали отличные противообледенительные характеристики, а эллиптические - характеристики по градоустойчивости [18]. На последних же сериях (CFM56-5 и CFM56-7) применены коникоэллиптические обтекатели, как хороший компромисс между противообледенительными и градоустойчивыми характеристиками. В настоящее время, в рамках программы TECH56, многие другие новые технологические решения, полученные с опытом эксплуатации двигателей семейства, внедряются в существующие двигатели (в основном CFM56-5 и CFM56-7) и используются в разработке новых двигателей.

Рис. 1. Схемы кок - обтекателей [18]

Таблица 7 Данные по количеству ступеней и рабочих лопаток двигателей CFM56-ALL [4]


.3.1 Двигатель CFM56-2

ТРДД CFM56-2 (рис. 2) предназначался для ремоторизации гражданских и военных самолётов ближне - и среднемагистральных авиалиний: KC-135R, C-135FR, E-3, KE-3 и E-6 Mercury. Этот двигатель имеет гидромеханическую систему автоматического управления и, по сравнению с ранними ТРДД, высокую степень двухконтурности, а также сниженное на 60% количество компонентов.

Рис. 2. ТРДД CFM56-2 [1]

Таблица 8 Эксплуатационно-технические характеристики

Модель двигателя CFM56

-2-C1

-2A-2 -2A-3

-2-B1

Взлётные характеристики (на уровне моря)




Ø Макс. взлётная тяга (т) Ø Расход воздуха (кг/сек) Ø Степень двухконтурности

11 394 6,0

12 408 5,9

11 392 6,0

Полётные характеристики (Н=10 700 м; М=0,8; МСА)




Ø Макс. тяга в наборе высоты (т) Ø Степень повышения давления при макс. тяге в наборе высоты Ø Макс. тяга на крейсерском режиме (т) Ø Удельный расход топлива на крейсерском режиме (кг/кг ·ч)

2,7 31,3 2,49 0,671

2,88 31,8 2,47 0,657

2,73 30,5  0,648

Технические характеристики




Ø Длина (м) Ø Диаметр вентилятора (м) Ø Сухая базовая масса (кг) Ø Реверс тяги Ø Вырабатываемая электроэнергия (кВА) Ø Временные возможности масляного бака (ч)

2,431 1,735 2 102 Есть 1×40 25

2,431 1,735 2 186 Есть 2×75/90 72

2,431 1,375 2 119 Есть 1×40 25


1.3.2 Двигатель CFM56-3

ü  трёхмерное аэродинамическое проектирование КВД;

ü  25%-ый запас по температуре выхлопных газов;

ü  снижение удельного расхода топлива на 1,6%.

Рис. 3. ТРДД CFM56-3 [1]

Таблица 9 Эксплуатационно-технические характеристики

Модель двигателя CFM56

-3-B1

-3B-2

-3C-1

Взлётные характеристики (на уровне моря)




Ø Макс. взлётная тяга (т) Ø Расход воздуха (кг/сек) Ø Степень двухконтурности

10 319-327 6,0

11 342 5,9

11,75 319-355 6,0

Полётные характеристики (Н=10 700 м; М=0,8; МСА)




Ø Макс. тяга в наборе высоты (т) Ø Степень повышения давления при макс. тяге в наборе высоты Ø Макс. тяга на крейсерском режиме (т)

2,43 27,5  2,33

2,63 28,8  2,52

2,77 30,6  2,69

Технические характеристики




Ø Длина (м) Ø Диаметр вентилятора (м) Ø Сухая базовая масса (кг)

2,362 1,524 2 138

2,362 1,524 2 151

2,362 1,524 2 151

Используемые на типах ВС

B737-300 B737-500

B737-300 B737-400

B737-300 B737-400 B737-500


.3.3 Двигатель CFM56-5A

ТРДД CFM56-5A (рис. 4) предназначен для оснащения силовой установкой самолётов семейства Airbus. Он является первым двигателем семейства, к которому предъявлялись требования ETOPS, имеет очень высокую надёжность, низкую эксплуатационную температуру. Впервые на этом двигателе использовалась электронная система автоматического регулирования FADEC, а в изготовлении компонентов использовались современные материалы.

Рис. 4. ТРДД CFM56-3 [1]

Таблица 10 Эксплуатационно-технические характеристики

Модель двигателя CFM56

-5A1

-5B3

-5B4

-5B5

Взлётные характеристики (на уровне моря)





Ø Макс. взлётная тяга (т) Ø Расход воздуха (кг/сек) Ø Степень двухконтурности

12,5 426 6,0

13,3 438 6,0

11 408 6,2

11,75 421 6,2

Полётные характеристики (Н=10 700 м; М=0,8; МСА)





Ø Макс. тяга в наборе высоты (т) Ø Степень повышения давления при макс. тяге в наборе высоты Ø Макс. тяга на крейсерском режиме (т)

2,63 31,3 2,5

2,63 31,3 2,5

2,63 31,3 2,5

2,63 31,3 2,81

Технические характеристики





Ø Длина (м) Ø Диаметр вентилятора (м) Ø Сухая базовая масса (кг)

2,423 1,735 2 498

2,423 1,735 2 498

2,423 1,735 2 498

2,423 1,735 2 498

Используемые на типах ВС

A320

A320

A319

A319


.3.4 Двигатель CFM56-5B

ТРДД CFM56-5B (рис. 5) предназначен для оснащения силовой установкой самолётов семейства Airbus: A318/A319/A320/A321. Он является единственным двигателем семейства, который имеет самую высокую степень повышения давления вентиляторной ступени. По сравнению с двигателем ранней серии имеет усовершенствованные электронный блок управления двигателем (ECU) и блок центрального процессора (CPU). Впервые на этом двигателе используется жаровая труба, обеспечивающая ультранизкие выбросы вредных веществ при сгорании топлива.

Рис. 5. ТРДД CFM56-5B [1]

Таблица 11 Эксплуатационно-технические характеристики

Модель двигателя CFM56

-5B1

-5B2

-5B3

-5B4

-5B5

-5B6

-5B7

-5B8

-5B9

Взлётные характеристики (на уровне моря)










Ø Макс. взлётная тяга (т) Ø Расход воздуха (кг/сек) Ø Степень двухконтурности

15 472 5,5

15,5 478 5,5

16,5 484 5,4

13,5 449 5,7

11 409 6,0

11,8 422 5,9

13,5 449 5,7

10,8 406 6,0

11,7 421 5,9

Полётные характеристики (Н=10 700 м; М=0,8; МСА)










Ø Макс. тяга в наборе высоты (т) Ø Степень повышения давления при макс. тяге в наборе высоты Ø Макс. тяга на крейсерском режиме (т)

3,21  35,4 2,92

3,21  35,4 2,92

3,21  35,5 2,92

2,82  32,6 2,51

2,82  32,6 2,51

2,82  32,6 2,51

3,21  35,5 2,92

2,82  32,6 2,51

2,82  32,6 2,51

Технические характеристики










Ø Длина (м) Ø Диаметр вентилятора (м) Ø Сухая базовая масса (кг)

2,601 1,735 2 625

2,601 1,735 2 625

2,601 1,735 2 625

2,601 1,735 2 625

2,601 1,735 2 625

2,601 1,735 2 625

2,601 1,735 2 625

2,601 1,735 2 625

2,601 1,735 2 625

Используемые на типах ВС

A321

A321

A321

A320

A319

A319JC

A319

A319

A319


1.3.5 Двигатель CFM56-5C

ТРДД CFM56-5C (рис. 6) предназначен для оснащения силовой установкой самолётов семейства Airbus: A340-200/A340-300. Данный двигатель семейства является самым мощным и тихим в своём классе, имеет самый низкий удельный расход топлива и высокую удельную тягу, которая позволяет использовать его на жарких и высотных аэродромах. Системой автоматического регулирования этого двигателя является FADEC второго поколения. Длинный канал выходного устройства со смешением потоков обеспечивает двигателю значительное снижение шума, расхода топлива и увеличение взлётной тяги.

Рис. 6. ТРДД CFM56-5C [1]

Таблица 12 Эксплуатационно-технические характеристики

Модель двигателя CFM56

-5C2

-5C3

-5C4

Взлётные характеристики (на уровне моря)




Ø Макс. взлётная тяга (т) Ø Расход воздуха (кг/сек) Ø Степень двухконтурности

15,6 514 6,5

16,25 523 6,5

17 533 6,4

Полётные характеристики (Н=10 700 м; М=0,8; МСА)




Ø Макс. тяга в наборе высоты (т) Ø Степень повышения давления при макс. тяге в наборе высоты Ø Макс. тяга на крейсерском режиме (т)

3,69 37,4 3,46

3,69 37,4 3,46

3,79 38,3 3,55

Технические характеристики




Ø Длина (м) Ø Диаметр вентилятора (м) Ø Сухая базовая масса (кг) Ø Реверс тяги

2,616 1,836 4 398 Есть

2,616 1,836 4 398 Есть

2,616 1,836 4 398 Есть

Используемые на типах ВС

A340-200

A340-200

A340-200


.3.6 Двигатель CFM56-7B

ТРДД CFM56-7B (рис. 7) предназначен для оснащения силовой установкой самолётов Boing 737 нового поколения: 600/700/800/900/900ER/BBJ. В отличие от своих предшественников этот двигатель имеет большее время эксплуатации до съёма с крыла, которое достигнуто за счёт увеличения запаса по температуре выхлопных газов и сниженный за счёт улучшения параметров термодинамического цикла расход топлива.

Рис. 7. ТРДД CFM56-7B [1]

Таблица 13 Эксплуатационно-технические характеристики


1.4 Конструкция двигателя CFM56-5B

В рамках темы дипломной работы целесообразно рассмотреть краткое описание конструктивной схемы одного из самых популярных в эксплуатации двигателей - двигателя CFM56-5B (таблица 14).

Таблица 14 Данные по использованию парка двигателей семейства CFM56 на 31.08.10 г [1]

* Самолёты и двигатели, поставленные на коммерческое использование.

** В расчёте один заказчик на каждую модель двигателя.

Двигатель этой серии имеет наибольшее количество модификаций (таблица 11), общая формула обозначения которых выглядит так: CFM56-5BX/2P. Числовое значение "X" обозначает рейтинг тяги двигателя, "/2" свидетельствует о наличии двузонной камеры сгорания, а "/P" говорит о том, что при изготовлении элементов проточной части использовались трёхмерные методы проектировочных расчетов.

.4.1 Общее представление о двигателе

Авиационный газотурбинный двигатель CFM56-5B/2P является очень компактным и имеет простую модульную конструкцию с достаточной жёсткостью, небольшой длиной и всего лишь с двумя отъёмными корпусными деталями: корпусом вентилятора в передней части и задним корпусом турбины низкого давления (Рис. 8). Двигатель имеет два вала, расположенных на пяти подшипниковых опорах, размещенных в двух масляных картерах [2].

Входное устройство, используемое на этом двигателе, нерегулируемое, дозвуковое, реверсивное устройство располагается во внешнем контуре. Выходное устройство нерегулируемое, дозвуковое, без смешения потоков. Компрессор низкого давления состоит из вентиляторной ступени и четырёх подпорных ступеней. Турбина низкого давления состоит из четырёх ступеней, а компрессор высокого давления - из девяти. Турбина высокого давления включает одну ступень.

Рис. 8. Схема двигателя CFM56-5B [4]

Камера сгорания - двухзонная. Лопатки соплового аппарата и рабочие лопатки турбины высокого давления, лопатки соплового аппарата первой ступени турбины низкого давления - охлаждаемые. Проточная часть двигателя спроектирована с использованием трёхмерных расчетов аэродинамики и прочности.

.4.2 Главный модуль вентилятора

Кок обтекателя двигателя - составной конструкции, включающей в себя переднюю коническую 1 и заднюю гиперболическую 2 части (рис. 9).

Рис. 9. Главный модуль вентилятора [3]: 1- коническая часть кока обтекателя; 2- гиперболическая часть кок обтекателя; 3- диск вентилятора; 4- балансировочный груз; 5- вал вентилятора; 6- барабанный ротор подпорных ступеней; 7- лопатка вентилятора; 8- бандажная полка; 10- стопорное кольцо; 11- рабочие лопатки подпорных ступеней; 12- первая опора двигателя; 13- вторая опора двигателя; 14- соединительные шлицы; 15- соединительная гайка; 16- сенсорное кольцо датчика частоты вращения; 17- коническая зубчатая пара; 18- третья опора двигателя; 19- центральная часть разделительного корпуса; 20- наружная обечайка разделительного корпуса; 21- радиальная стойка; 22- клапан системы перепуска воздуха; 23- наружная обечайка корпуса подпорных ступеней; 24- лопатка спрямляющего аппарата вентиляторной ступени; 25- наружная стенка внутренней обечайки промежуточного корпуса; 26- разделитель потока; 27- бандажные кольца; 28- кожух вентилятора

Передняя часть, изготовленная из композитного материала, прикреплена к задней части шестью болтами. Задняя часть обтекателя, изготовленная из алюминиевого сплава, крепится к диску вентилятора 3 и является частью системы фиксации лопаток вентилятора. Его наружная часть снабжена 36-ю закладными резьбовыми вставками, к которым крепятся балансировочные грузы 4.

Диск вентилятора 3 изготовлен из ковочного титанового сплава. Его задняя внутренняя часть развивается в сужающийся конус, к фланцу которого крепится вал вентилятора 5, а к наружной задней части крепится барабанный ротор подпорных ступеней 6. Наружная часть диска имеет 36 выточек под крепление лопаток.

Лопатки вентилятора 7 изготовлены из титанового сплава и имеют в средней части длины бандажные полки 8. Лопатки вентилятора монтируются на диск с помощью соединения типа "ласточкин хвост". Каждая лопатка индивидуально фиксируется проставками, которые удерживают их от радиальных перемещений. В переднем осевом направлении все лопатки одновременно фиксируются стопорным кольцом 10.

Ротор подпорных ступеней включает в себя барабан с установленными на нём рабочими лопатками 11. Барабан ротора, выкованный из титанового сплава, крепится к задней части диска вентилятора. На внешней части барабана выфрезерованы три кольцевые проточки для крепления лопаток второй, третьей и четвёртой ступеней.

Венцы лопаток направляющих аппаратов смонтированы в корпус подпорных ступеней. Бандажные полки лопаток направляющих аппаратов имеют сотовое покрытие, которое контактирует с гребешками лабиринтных уплотнений, предусмотренных на барабане ротора компрессора низкого давления.

Первая 12 и вторая 13 подшипниковые опоры, которые обеспечивают соединение КНД с ТНД, поддерживают ротор вентилятора и ротор подпорных ступеней. Обе опоры расположены в одном корпусе, который соединяется с передним фланцем внутренней обечайки разделительного корпуса. Опоры обеспечиваются подводом масла, наддувом воздуха масляных полостей и отводом масловоздушной смеси в передний картер двигателя. Ротор ТНД соединяется с ротором КНД посредством шлицов 14 и гайки 15. Первая подшипниковая опора является шариковой, вторая - роликовой, содержащей в себе сенсорное кольцо датчика частоты вращения 16.

Центральный привод обеспечивает передачу крутящего момента от ротора КВД к промежуточному приводу посредством конической зубчатой пары 17. Третья подшипниковая опора 18 является сдвоенной опорой, состоящей из шарикового и роликового подшипника, которые поддерживают ротор КВД и воспринимают передающие от него осевые и радиальные нагрузки. Центральный привод и третья подшипниковая опора расположены в переднем картере двигателя и смонтированы во внутренней обечайке разделительного корпуса.

Корпус вентилятора - составной конструкции, он состоит из разделительного корпуса, корпуса подпорных ступеней и кожуха вентилятора.

Разделительный корпус вентилятора сварной конструкции, он изготавливается из стального сплава и состоит из центральной части коробчатой конструкции 19 и наружной обечайки 20, которые соединены между собой двенадцатью радиальными стойками 21. Четыре из них являются каналами для прохода:

-       кабеля вибродатчика первой опоры (четвёртая стойка в положении "на три часа");

-       датчика частоты вращения ротора низкого давления и дренажной трубки масляного картера (шестая стойка в положении "на пять часов");

-       вертикального вала промежуточного привода и трубки отвода масла (седьмая стойка в положении "на семь часов");

-       трубки подвода масла в передний масляный картер двигателя (десятая стойка в положении "на девять часов").

На наружной обечайке разделительного корпуса размещены транспортировочные узлы крепления и главный передний узел подвески двигателя на крыло самолёта. Внутренняя часть разделительного корпуса предназначена для поддержания роторов вентилятора, подпорных ступеней и КВД. Разделительный корпус вентилятора выполняет следующие основные функции:

-       образует проточную часть внешнего контура;

-       образует входной воздушный канал к центральной части двигателя;

-       воспринимает нагрузки от ротора и статора вентилятора, от реверсивного устройства;

-       используется для размещения коробки приводов агрегатов, главного и промежуточного приводов, их валов;

-       обеспечивает систему регулируемых перепускных клапанов 22;

-       служит нишей переднего масляного картера двигателя.

Корпус подпорных ступеней состоит из наружной 23 и внутренней обечаек, которые соединены между собой лопатками спрямляющего аппарата 24 вентиляторной ступени. Внутренняя обечайка корпуса составной конструкции, состоящая из наружной стенки 25, разделителя потока 26 и внутренней стенки, которая образована четырьмя специальными концентрическими кольцами 27. Каждое из колец служит для крепления (бандажирования) лопаток направляющих аппаратов и обрамляет рабочие лопатки подпорных ступеней. На внутренней поверхности колец нанесено истираемое покрытие, которое контактирует с торцами рабочих лопаток подпорных ступеней. Бандажное кольцо лопаток направляющего аппарата третьей ступени имеет в позиции "на 3:30 часа" технологическое отверстие для возможности проведения визуального (бороскопического) осмотра. Корпус подпорных ступеней выполняет следующие основные функции:

-       поддерживает лопатки спрямляющего аппарата вентиляторной ступени и внутренние акустические панели;

-       разделяет общий поток воздуха на первичный и вторичный потоки;

-       образует проточную часть внешнего контура и компрессора низкого давления;

-       поддерживает лопатки направляющих аппаратов подпорных ступеней.

Функции, осуществляемые кожухом вентилятора 28:

-       крепление входного устройства и капотов;

-       локализация лопаток вентилятора в случае их обрыва;

-       размещение крепёжных узлов акустических панелей;

-       размещение истираемого микросферического покрытия для уплотнения торцов лопаток вентилятора.

.4.3 Главный модуль газогенератора

Компрессор высокого давления состоит из девяти ступеней, для оптимизации КПД и газодинамической устойчивости КВД обеспечен регулируемыми лопатками ВНА 1 и НА первой, второй, третьей ступени 2 (рис.10).

Передний корпус компрессора 3, который размещает в себе лопатки ВНА и НА первой, второй, третьей четвёртой и пятой ступени, выполнен в двух разъёмных частях, соединённых между собой болтами по опорным поверхностям в горизонтальной плоскости. Передний корпус КВД своим передним фланцем крепится к фланцу корпуса вентилятора, а задним - к переднему фланцу наружного корпуса КС 4. В задней части переднего корпуса компрессора, в районе пятой и шестой ступени компрессора предусмотрены технологические окна 5 для отбора воздуха в систему активного управления радиальными зазорами, на охлаждение турбины и собственные нужды самолёта. Задний корпус компрессора 6 также состоит из двух разъёмных в горизонтальной плоскости частей и размещает в себе лопатки НА с шестой по девятую ступень. Своей передней частью задний корпус компрессора опирается на опорную поверхность переднего корпуса, а задним фланцем - к внутреннему фланцу специальной проставочной детали 7, которая своим наружным фланцем крепится к заднему фланцу переднего корпуса, тем самым замыкая кольцевую воздушную полость, образованную передним и задним корпусами КВД.

Ротор КВД состоит из трёх частей: с первой по вторую ступень барабаннодисковая часть 8; диск третьей ступени 9; с четвёртой по девятую ступень барабаннодисковая часть 10.

Рис. 10. Главный модуль газогенератора

- регулируемая лопатка входного направляющего аппарата компрессора высокого давления; 2 - регулируемые лопатки направляющих аппаратов первой, второй и третьей ступеней компрессора; 3 - передний корпус компрессора высокого давления; 4 - наружный корпус камеры сгорания; 5 - окно для отбора воздуха; 6 - задний корпус компрессора высокого давления; 7 - специальная проставочная деталь; 8 - передняя барабаннодисковая часть ротора компрессора высокого давления; 9 - диск третьей ступени ротора компрессора высокого давления; 10 - задняя барабаннодисковая часть ротора компрессора высокого давления; 11 - бандажная полка; 12 - жаровая труба; 13 - элемент лабиринтного уплотнения уплотнения; 14 - внутренний корпус камеры сгорания; 15 - спрямляющий аппарат компрессора высокого давления; 16 - коллектор/воздушная полость системы активного управления радиальными зазорами; 17 - аппарат закрутки воздушного потока; 18 - лопатка соплового аппарата турбины высокого давления; 19 - рабочая лопатка турбины высокого давления; 20 - диск ТВД; 21 - участок вала ротора турбины высокого давления; 22- дефлектор; 23- задняя цапфа ротора турбины высокого давления

Лопатки КВД с первой по третью ступень закреплены индивидуально на барабаннодисковой и дисковой части ротора. Лопатки установлены в осевые выточки соединений типа "ласточкин хвост" и зафиксированы в осевом направлении стопорным кольцом. Рабочие лопатки первой ступени имеют бандажные полки 11, что придаёт ступени большую жёсткость. Лопатки с четвёртой по девятую ступень установлены в выфрезерованные на задней барабаннодисковой части ротора кольцевые проточки. На каждой проточке ступени предусмотрен установочный паз для возможности установки лопаток на ротор. Четыре лопатки каждой ступени имеют выточки в своих платформах для установки контровочных замков (два на каждую ступень), которые предотвращают перемещение пакета лопаток в окружном направлении.

Входные направляющие аппараты и направляющие аппараты первой, второй и третьей ступени - регулируемые, остальные - неподвижные. Лопатки направляющих аппаратов всех ступеней изготовлены из стали и оборудованы на внутренних торцах бандажными полками с сотовым покрытием. Приведение в движение регулируемых направляющих аппаратов осуществляется с помощью рычажных гидравлических приводных устройств, расположенных на передней части корпуса КВД в положениях "на два" и "на восемь" часов. Гидроприводы приводятся в действие с помощью топлива (керосина), подаваемого под давлением от гидромеханического блока. Через неподвижные узлы крепления уголковые рычаги соединены с подвижными кольцами, а подвижные кольца соединены с каждой лопаткой ступени рычажными механизмами.

Корпус камеры сгорания - сварной конструкции, расположен между КВД и ТВД, содержит в себе кольцевую жаровую трубу 12, компоненты ТВД и ТНД. Он входит в силовую схему двигателя и передаёт осевые нагрузки, а также образует газовоздушный тракт между КВД и ТНД. Корпус КС состоит из наружного корпуса 4, элемента воздушного уплотнения 13 за КВД и внутреннего корпуса 14. Наружный корпус камеры сгорания имеет следующие порты и фланцы:

-       четыре технологических отверстия и одно окно для отбора воздуха на клапан системы активного управления радиальными зазорами (за девятой ступенью КВД);

-       двадцать фланцев для монтажа топливных форсунок;

-       два фланца для монтажа воспламенителей;

-       шесть портов для визуального осмотра (четыре для КС и СА ТВД, два для ротора ТВД);

-       четыре отверстия для отбора воздуха на охлаждение соплового аппарата ТНД;

-       один фланец для монтажа датчика давления P3;

-       один фланец для монтажа датчика температуры.

В передней части корпуса камеры сгорания находится спрямляющий аппарат компрессора высокого давления 15, а в задней - лопатки соплового аппарата турбины высокого давления, лопатки соплового аппарата первой ступени турбины низкого давления и элементы системы активного управления радиальными зазорами 16. Внутренний корпус камеры сгорания имеет отверстия для прохода воздуха в аппарат закрутки воздушного потока 17, предназначенного для охлаждение обода диска, замка и рабочих лопаток ТВД.

Жаровая труба кольцевого типа. Она состоит из наружной кольцевой стенки, внутренней кольцевой стенки и сорока комбинированных фронтовых устройств, используемых для качественного смешения воздуха с распыленным топливом.

Турбина высокого давления одноступенчатая. Она включает в себя венец статорных неподвижных лопаток соплового аппарата 18 блочной конструкции (по две лопатки в блоке) и венец роторных рабочих лопаток 19, установленных на диске 20 в индивидуальные замковые пазы типа "ёлочка". Венец статорных лопаток поддерживается корпусом камеры сгорания, вал ротора ТВД 21 соединён с ротором КВД. Лопатки СА и рабочие лопатки ТНД - охлаждаемые, их профильные и замковые части рабочих лопаток охлаждаются воздухом из-за девятой ступени компрессора, проходящим через специальные отверстия во внутренние и наружные концы лопаток и выходящим через перфорированные отверстия в задней и передней кромках. В передней части диска предусмотрен дефлектор 22, который служит для управления расходом охлаждающего воздуха на рабочую лопатку, обеспечивая необходимое давление воздуха в полости между дефлектором и диском с помощью системы лабиринтов над аппаратом закрутки и под ним. Задняя часть диска развивается в конус, к фланцу которого крепится цапфа ротора ТНД 23. В воздушную полость 16 между бандажными полками рабочих лопаток / креплениями лопаток СА и корпусом камеры сгорания подаётся смешанный воздух, отбираемый за девятой и пятой ступенью КВД с целью обеспечить работу системы активного управления радиальными зазорами. Этим же воздухом осуществляется охлаждение лопаток соплового аппарата первой ступени ТНД.

.4.4 Главный модуль турбины низкого давления

Турбина низкого давления четырёхступенчатая, состоит из статора и ротора (рис. 11). Статорная часть состоит из переднего 1 и заднего 2 корпусов. В передний корпус ТНД смонтированы лопатки 3 сопловых аппаратов второй,

Рис. 11. Главный модуль турбины низкого давления

- передний корпус ТНД; 2 - задний корпус ТНД; 3 - лопатки соплового аппарата второй, третьей и четвёртой ступеней турбины низкого давления; 4 - неподвижные элементы газового уплотнения; 5- коллекторы системы активного управления радиальными зазорами; 6 - отверстия в лопатке соплового аппарата второй ступени турбины низкого давления для установки термоэлектрических датчиков температуры; 7- пятая опора двигателя; 8 - проушина для крепления двигателя; 9- диски ТНД; 10- вращающиеся элементы газового уплотнения; 11- барабанный диск сложной формы; 12- вал ТНД третьей и четвёртой ступени и неподвижные элементы газового уплотнения 4. На внешней поверхности переднего корпуса ТНД смонтирован коллектор 5 системы активного управления радиальными зазорами. В нижней части корпуса предусмотрены технологические порты для осуществления визуального осмотра турбины низкого давления. На лопатке соплового аппарата второй ступени предусмотрены отверстия и кожухи для монтажа термоэлектрических датчиков температуры 6. Задний корпус ТНД входит в силовую схему двигателя и служит для размещения пятой опоры 7, спрямления газового потока, обеспечения монтажа двигателя в задней плоскости, для этого на внешней части корпуса предусмотрена проушина 8. Через две из шестнадцати радиальных стоек проходят маслоподводящая и маслоотводная трубки пятой опоры.

Диски 9 турбины низкого давления имеют конусообразные выступы, фланцы которых соединены между собой стяжными болтами через кольцевые проставки подвижных элементов газового уплотнения 10. Вдобавок к этому фланцы дисков второй и третьей ступени соединены между собой через проставленный между ними барабанный диск сложной формы 11, который имеет конусную и гиперболическую части. Этот диск воспринимает усилия от дисков рабочих ступеней и передает от них крутящий момент на вал 12 турбины низкого давления, к которому крепится стяжными болтами. На его конусной части имеется выступ, к фланцу которого крепится комбинированный элемент газового уплотнения. Вал ротора ТНД покрыт кожухом, разделяющим потоки охлаждающего воздуха, отбираемые из-за КНД и КВД. К его развитой в виде конуса дисковой части крепятся элементы газового уплотнения и имеющая необычную форму внутренняя обойма межвального роликового подшипника пятой опоры.

.4.5 Главный модуль вспомогательного привода

Устройство вспомогательного привода (рис. 12) представляет собой КПА с вынесенным коническим (промежуточным) приводом и предназначен для передачи крутящего момента от ротора КВД на агрегаты систем двигателя. Во время запуска КПА и ПП передают крутящий момент от воздушного стартера к ротору КВД. К тому же КПА обеспечивает возможность ручного проворачивания ротора КВД при техническом обслуживании двигателя. Устройство вспомогательного привода крепится к нижней части корпуса вентилятора, для этого на внешней части корпуса вентилятора предусмотрены три проушины. На две проушины монтируется КПА, на одну - ПП. На КПА предусмотрены опорные поверхности для монтажа приводных агрегатов систем двигателя.

Рис. 12. Главный модуль вспомогательного привода [2]

На передней стороне КПА размещены опорные поверхности для монтажа:

-       генератора постоянного тока;

-       генератора переменного тока;

-       гидравлического насоса;

-       блока маслонасосов;

-       разъема ручного привода.

На задней стороне КПА располагаются опорные поверхности для монтажа:

-       топливного насоса;

-       гидромеханического насоса;

-       воздушного стартера.

1.4.6 Опоры роторов

Роторы двигателя поддерживаются пятью подшипниковыми опорами, которые располагаются в масляных полостях, образованных двумя корпусами: корпусом вентилятора и корпусом ТНД. Корпус вентилятора образует передний масляный картер, а корпус ТНД - задний масляный картер. В переднем масляном картере размещаются первая шарикоподшипниковая (рис. 13) и вторая роликоподшипниковая опоры, поддерживающие ротор КНД и переднюю часть ротора ТНД, а также спаренная (шариковая и роликовая) подшипниковая опора, которая поддерживает переднюю часть ротора каскада высокого давления.

Рис. 13. Опоры двигателя CFM56-5B [3]

В заднем масляном картере размещаются четвёртая межвальная роликоподшипниковая опора, поддерживающая заднюю часть ротора каскада высокого давления, и пятая роликоподшипниковая опора, которая поддерживает заднюю часть ротора ТНД. Суфлирование масленых полостей картеров производится через центральную отводную трубу, проходящую внутри вала ротора каскада низкого давления.

.4.7 Смотровые порты

В конструкции двигателя CFM56-5B предусмотрены специальные технологические отверстия, предназначенные для обеспечения визуального осмотра проточной части, с целью определения его технического состояния. В рабочем состоянии двигателя все отверстия заглушены специальными резьбовыми заглушками, при осуществлении визуального осмотра заглушки снимаются. Всего на двигателе предусмотрено двадцать два технологических порта (рис. 14) при условии, что на нём применяется однозонная КС, на двигателях с двузонными КС предусмотрен дополнительный порт доступа. Из двадцати двух портов в два S10 и S11 монтируются воспламенительные устройства. Технологические порты пронумерованы и имеют свою зону визуального осмотра, также они имеют различные геометрические размеры. В таблице 14 изложены основные данные по количеству, размеру и местоположению технологических портов рассматриваемого двигателя.

Рис. 14. Схема размещения смотровых портов [2]

Таблица 15 Характеристики технологических портов

Месторасположение

Номер порта

Диаметр отверстия

Зона осмотра

Подпорные ступени

S03 S05

- -

з/к 3 ступени п/к 4 ступени з/к 5 ступени

Корпус КВД

S1 S2  S3  S4  S5  S6  S7  S8  S9

10 мм 8 мм  10 мм  8 мм  10 мм  10 мм  8 мм  8 мм  8 мм

п/к 1 ступени з/к 1 ступени, п/к 2 ступени; з/к 2 ступени, п/к 3 ступени; з/к 3 ступени, п/к 4 ступени; з/к 4 ступени, п/к 5 ступени; з/к 5 ступени, п/к 6 ступени; з/к 6 ступени, п/к 7 ступени; з/к 7 ступени, п/к 8 ступени; з/к 8 ступени, п/к 9 ступени.

Корпус КС

S10  S11  S12 S13 S14 S15 S16 S17

10 мм  10 мм  10 мм 10 мм 10 мм 10 мм 8 мм 8мм

КС, п/к и з/к СА ТВД; п/к РЛ ТВД, бандаж РЛ ТВД; КС; КС, а также п/к и з/к СА ТВД; з/к РЛ ТВД; п/к 1ступени ТНД.

Корпус ТНД

S18  S19  S20

10 мм  10 мм  10 мм

з/к 1ступени ТНД, п/к 2ступени ТНД; з/к 2ступени ТНД, п/к 3ступени ТНД; з/к 3ступени ТНД, п/к 4ступени ТНД.


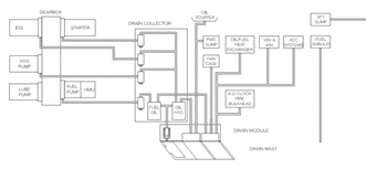
.4.8 Дренажная система

Дренажная система двигателя предназначена для сбора, слива излишек и утечек рабочих жидкостей, их паров за борт из систем и компонентов систем двигателя. Дренажная система включает в себя сточный коллектор с четырьмя сливными кранами, предназначенными для поиска и устранения недостаточной герметичности уплотнений, дренажный блок и выводной патрубок (рис. 15).

Рис. 15. Схема дренажной системы [2]

Излишки жидкости сохраняются в коллекторе до момента совершения полёта, а во время полёта выбрасываются за борт. Из дренажного блока излишки и утечки жидкостей сбрасываются через выводной патрубок, проходящий через нижнюю часть капота двигателя. Уплотнение каждого агрегата систем двигателя (ВС, генератор постоянного тока, гидравлический и топливный насос) имеет отдельный отвод в сливной коллектор, в котором имеются сливные краны, предназначенные для определения избыточных утечек рабочих жидкостей. Из сточного коллектора часть излишек жидкости сбрасывается в топливно-масляный дренажный бак и часть - в гидро-масляный дренажный бак. Дренажный блок оснащён сливным клапаном, который открывается под воздействием скоростного напора при скорости равной 370 км/ч, при этом дренажные баки наддуваются этим воздухом, вытесняя излишки жидкости в выводной патрубок. Дренаж полостей двигателя осуществляется непосредственно через выводной патрубок. К выводному патрубку подведены линии слива следующих устройств и полостей:

-       уплотнение воздушного стартера;

-       уплотнение генератора постоянного тока;

-       уплотнение гидравлического насоса;

-       уплотнение топливного насоса;

-       суфлёр масляного бака;

-       топливно-масляный теплообменник;

-       привод перепускных клапанов;

-       привод регулируемых направляющих аппаратов;

-       гидромеханический блок;

-       полость газогенератора;

-       полость САУРЗ;

-       полость переднего масляного картера;

-       полость корпуса вентилятора.

Коллектор топливных форсунок дренажируется индивидуально через отводную трубу. Задний масляный картер дренажируется через выводную вентиляционную трубу, проходящую внутри вала ТНД.

.5 Программа TECH56

Программа TECH56 проводится объединением CFMI и предназначена для улучшения характеристик семейства двигателей CFM56 (в основном CFM56-5B/P и CFM56-7B) и разработки нового двигателя [5]. Средние по парку двигателей этого семейства показатели надёжности и ресурса составляют:

коэффициент готовности к вылету - 99,98%;

наработка на крыле до первого поступления на ремонтное предприятие - ~17 000 часов;

коэффициент отказа в полёте - 0,002%.

.5.1 Цели и организация работ по программе TECH56

При проведении работ по программе TECH56 объединением CFMI разработаны технологии, которые обеспечат минимально возможную стоимость владения и безупречные технические характеристики двигателей семейства CFM56.

В ходе проведения работ CFMI планировало получить следующие показатели:

-       уменьшение затрат топлива на ~ 4…7%;

-       уменьшение стоимости владения и ТО на ~ 15…20%;

-       уменьшение уровня эмиссии NOx на ~ 40…50% ниже норм ИКАО;

-       уменьшение уровня шума на ~ 20 дБ ниже норм главы 3 ИКАО.

Первый этап работ по программе начался в 1998 г. и его планировалось завершить в течение трёх лет. Финансирование этого этапа работ за 1998 - 2000 гг. составило около 300 млн. долл.

Работы между участниками разделены следующим образом.

SNECMA Group отвечает за:

-       вентилятор со стреловидными лопатками;

-       устойчивость подпорных ступеней;

-       конструкцию малой массы;

-       эффективную высоконагруженную турбину низкого давления;

-       подшипник № 4 при противовращении роторов ТВД и ТНД.

Компания GEAE отвечает за:

-       компрессор высокого давления;

-       камеру сгорания TAPS;

-       высоконагруженную ТВД;

-       щёточные уплотнения;

-       улучшенный подшипник № 3.

Совместно SNECMA Group и GEAE отвечают за:

-       взаимодействие ТВД и ТНД;

-       САУ;

-       акустические характеристики;

-       испытания двигателя.

.5.2 Результаты работ по программе TECH56

Вентилятор. Велись работы, направленные на создание малошумного широкохордного вентилятора со стреловидными лопатками и высокой частотой вращения.

По оценкам специалистов применение вентилятора со стреловидными широкохордными лопатками позволит:

-       увеличить КПД;

-       увеличить расход воздуха при большей частоте вращения;

-       увеличить тягу при том же диаметре вентилятора;

-       уменьшить уровень шума.

Для вентилятора с Dв = 1,549 м рассматривались сплошные стреловидные лопатки, а для вентиляторов Dв > 1,549 м - полые.

Были изготовлены и испытаны три вентилятора - два со стреловидными (Dв = 1,549 м и Dв = 1,727 м) и один со сплошными (Dв = 2,134 м) лопатками.

В ходе работ были проведены следующие испытания:

-       на усталостную прочность стреловидных лопаток (1998 г);

-       на локализацию разрушения (1998 г);

-       на стойкость лопаток при попадании посторонних предметов (1998 г);

-       на снятие характеристик (1999 г);

-       на устойчивость вентилятора (1999 г);

-       испытания вентилятора с полноразмерными стреловидными лопатками при боковом ветре (1999 г);

-       статические испытания и испытания на усталостную прочность с применением устройства снижения нагрузок LRD (1999 г);

-       на обрыв полых лопаток (2000 г);

Суммарная наработка двух вентиляторов с Dв = 1,549 м и 1,727 м на стенде в составе двигателя CFM56-5C составила около 50 часов. Окончательные испытания на натурном двигателе состоялись в конце 2001 года.

Проведённые исследования показали, что при сохранении максимального значения к.п.д., как у ТРДД CFM56-7, расход воздуха через вентилятор может быть увеличен на ~ 2...2,5%. При установке такого вентилятора на ТРДД CFM56-7 можно увеличить тягу двигателя на ~ 6…7%, т.е. примерно до уровня 125 кН, и уменьшить затраты топлива на ~ 1%. Также было отмечено улучшение работы вентилятора с точки зрения запаса газодинамической устойчивости.

Подпорная ступень без регулируемого клапана перепуска (Variable Bypass Valve, VBV). Цель внесения этого изменения в конструкцию двигателя - повышение устойчивости и уменьшение массы подпорных ступеней. В ходе проведённых исследований были успешно осуществлены:

-       проверка работоспособности двигателя без клапана VBV;

-       работы по надроторному устройству;

-       выбор концепции устройства обнаружения града;

-       испытания надроторного устройства на уменьшенной модели вентилятора;

-       испытания двигателя, оснащённого камерой сгорания TAPS и устройством обнаружения града.

Проведённые исследования показали, что отсутствие клапана VBV не приводит к ухудшению работоспособности подпорных ступеней и двигателя.

Устройство снижения нагрузок (Load Reduction Device, LRD). Оно предназначено для уменьшения массы конструкции, поддержания постоянной частоты вращения вентилятора и уменьшения дисбаланса при обрыве лопатки. Устройство LRD располагается в полости промежуточного корпуса и срабатывает мгновенно в случае обрыва лопатки вентилятора, разъединяя каскад низкого давления с остальной частью двигателя. Его применение позволит снизить массу двигателя на 90 кг благодаря более простой и лёгкой конструкции корпуса вентилятора и пилона.

Компрессор высокого давления. Новая концепция КВД была направлена на снижение стоимости технического обслуживания при улучшении его характеристик.

К началу 2002 года было изготовлено три варианта КВД. Наработка на стенде двух вариантов составила ~ 335 часов. Испытания завершены в конце 2002 года.

В 2000 году были завершены испытания первого варианта КВД, которые показали увеличение запаса ГДУ на 24% при повышенной частоте вращения, но по к.п.д. он уступал современным компрессорам. С середины 2001 года проводились испытания второго перепрофилированного варианта КВД, который имел zк = 6, 𝜋*к = 14,7, число лопаток 960 (снижено на ~ 40%) и среднюю величину 𝜋*ст = 1,57 (увеличена на ~ 20%).

Результаты стендовых испытаний КВД показали отличные аэромеханические характеристики, низкую чувствительность к неравномерности потока на входе и изменению радиального зазора на периферии лопаток.

Камера сгорания TAPS. Конструкция камеры сгорания TAPS (Twin-Annular Pre-Mixed Swirler) была направлена на снижение уровня эмиссии. Компания GEAE обладает рядом патентов на камеры сгорания, которые оснащены двухярусными завихрителями с закруткой потока. Создавая мощные вихревые потоки, такие камеры сгорания обеспечивают быструю подготовку однородной топливно-воздушной смеси. С точки зрения эффективности, перспективные топливные форсунки могут снизить уровень эмиссии NOx, CO и HC более чем на 50%. Технической проблемой является обеспечение долговечности, экономической доступности и удовлетворительной работоспособности в широком диапазоне эксплуатационных режимов работы.

В камере сгорания TAPS используется относительно новый класс материалов, известный как микроламиниты. Микроламиниты составляются из тонких слоёв металлической и керамической фольги, которые спрессованы вместе при температуре чуть ниже температуры плавления металла. Микроламиниты привлекают всё большее внимание в качестве замены никелевых сплавов при изготовлении деталей двигателя, а также в качестве возможной замены теплозащитных керамических покрытий.

Оптимизация режимов работы форсунок камеры сгорания TAPS в зависимости от режима полёта самолёта позволяет удовлетворять требованиям ICAO по выбросу вредных веществ. Результаты, полученные на июль 2001 года, свидетельствуют, что камера сгорания TAPS позволяет понизить уровень эмиссии NOx на 65%, а не на 50%, как планировалось ранее.

В мае 2001 года были успешно завершены испытания двигателя CFM56-7B, оснащённого камерой сгорания TAPS, при попадании града, когда через него прошло 26 тонн льда. Двигатель хорошо справился с этими испытаниями. Характеристики двигателя оказались очень близкими к предварительным расчётам. Также были определены законы управления, которые помогут эксплуатировать двигатель с такой камерой сгорания с учётом действующих и будущих норм по уровням шума и эмиссии.

В июле 2001 года были закончены ресурсные испытания камеры сгорания. Результаты испытаний использованы при разработке второго варианта конструкции форсунок, испытания которых были проведены в конце 2001 года.

В конце 2001 года камера сгорания TAPS была испытана в составе двигателя CFM56-7.

Турбина. Объединение CFMI придаёт очень большое значение разработке новых вариантов ТВД и ТНД. Только оно обладает семейством двигателей с одноступенчатой ТВД для самолётов гражданской авиации, наработавших в эксплуатации более 500 млн.ч.

При разработке турбины по программе TECH56 рассматривались два технических решения:

-       ТВД и ТНД с однонаправленным вращением роторов, которое предназначено для внедрения в модификации двигателей семейства CFM56;

-       ТВД и ТНД с противоположным вращением роторов, которое предназначено для применения в новых двигателях.

Конструкция с противоположным вращением роторов имеет ряд преимуществ, позволяющих уменьшить массу, стоимость двигателя и затраты воздуха на охлаждение.

В обоих случаях специалисты CFMI остаются сторонниками сохранения простоты конструкции путём применения одноступенчатой ТВД, но при этом понимают сложность получения высокого КПД при использовании такого подхода.

При проектировании новых турбин особое внимание было обращено на:

v  для ТВД:

-       разработку одноступенчатой турбины, рассчитанной на 𝜋*т = 4,6 с η*т = 0,905;

-       применение 3D аэродинамики для лопаток СА и РК;

-       уменьшение числа лопаток СА и РК на 10%;

-       применение схемы охлаждения лопаток СА с низкими потерями на смешение;

-       уменьшение интенсивности скачка уплотнения на задней кромке лопаток РК на 50%;

-       уменьшение расхода охлаждающего воздуха на 22%.

v  для ТНД:

-       уменьшение числа деталей на 35%;

-       улучшение обтекания при взаимодействии с ТВД и четырёхступенчатой ТНД.

При испытаниях первых двух вариантов ТВД было получено уменьшение интенсивности скачка уплотнения на задних кромках лопаток РК 50%. Последний вариант ТВД оптимизирован для дальнейшего ослабления скачка.

По сравнению с ТНД двигателя CFM56-5B/P, новая турбина имеет увеличенные на 15% степень понижения давления и на 4% нагруженность ступеней, в то время как количество лопаток уменьшено на 35% (до 970).

Для повышения эффективности турбины специалисты CFMI провели большой объём исследований, направленных на снижение потерь в переходном канале между ТВД и ТНД. Цикл этих испытаний был завершён ещё в 1999 году. Испытания ТВД и ТНД с противоположным вращением роторов были завершены 2000 году.

Проведённые работы позволили уменьшить расход топлива на 0,5% и увеличить запас по температуре за турбиной на 6…10° С.

Щёточные уплотнения. В рамках программы TECH56 была проведена серия испытаний щёточных уплотнений, установленных на модифицированном двигателе CFM56-5B.

Результаты испытаний показывают, что щёточные уплотнения по сравнению с традиционными лабиринтными уплотнениями позволяют снизить утечки более чем на 40%.

Шевронное сопло. В рамках программы TECH56 проводились исследования шевронного сопла, выходное сечение которого имеет гофрированную форму. Такие сопла улучшают смешение, приводят к очень незначительному снижению тяговых характеристик и являются конкурентоспособными для снижения шума на боковой линии.

Проведённые модельные акустические испытания такого сопла показали удовлетворительные результаты - измеренный уровень шума на боковой линии уменьшился на 3 дБ.

В настоящее время объединение CFMI располагает полным комплектом технологий, подготовленных к внедрению в рамках программы TECH56. Работы, связанные с перспективным шестиступенчатым компрессором, выявили потенциальную возможность увеличения ресурса при использовании перепрофилированных с применение 3D аэродинамики рабочих лопаток. Испытания ТВД и ТНД с улучшенным КПД продемонстрировали экономию топлива, а применение камеры сгорания TAPS способствовало значительному снижению уровня эмиссии.

Однако руководство объединения заявило, что создание нового двигателя не входит в текущие планы, так как заказчики не выразили в нём явной потребности. В связи с этим партнёры по программе TECH56 разработали три сценария:

)        выпуск нового двигателя для нового самолёта;

)        выпуск нового двигателя для существующего самолёта;

)        модернизация двигателя, которым уже оснащён существующий самолёт.

Применение нового шестиступенчатого КВД может внести в двигатель такие изменения, которые будут соответствовать первому сценарию (т.е. новый двигатель для нового самолёта). Стреловидные лопатки вентилятора, камера сгорания TAPS или турбина с противовращением могут стать составляющими нового двигателя при его использовании либо на новых (первый сценарий), либо на эксплуатируемых самолётах (второй сценарий).

По мнению руководства CFMI, это означало, что наиболее вероятным является третий сценарий, а именно модернизация двигателя, особенно во время ремонта. Объединение CFMI продолжало оценку этого сценария, но на основе заявлений заказчиков. Оно изучало возможность на основе программы TECH56 начала работ по модернизации ТРДД CFM56-5B/P и CFM56-7B для семейства самолётов A320 и B737NG соответственно. В случае утверждения этого сценария, модернизация двигателей станет первым существенным внедрением технологий, разработанных по программе TECH56.

CFMI основывалось на опыте, полученном при проведении модернизации ТРДД CFM56-3, -5B, -5C путём применения пакета технологий, разработанных для более современного ТРДД CFM56-7B. CFMI решало, сможет ли оно подготовить "комплект для модернизации", который мог бы предоставить заказчикам конкретные преимущества при существующем состоянии авиации.

В то время как решение по данному вопросу ещё не было принято, сам комплект уже был определён. Он коснулся часто заменяемых деталей двигателя при ремонте. В него включены:

-       новые лопатки РК КВД, сконструированные с применением 3D аэродинамики, для поддержания повышенного КПД в течение более длительного периода времени;

-       новые лопатки РК ТВД с уменьшенной интенсивностью скачков уплотнения СА ТНД;

-       оптимизированная система топливоподачи для снижения уровня эмиссии в камере сгорания.

Тенденции на рынке поддерживали концепцию такого комплекта модернизации. В 2006 году произошёл резкий скачок в необходимости ремонта двигателей CFM56-7B и -5B, так как в период с 1998 года по 2000 год их было поставлено большое количество. Это стало для заказчиков двигателей CFM56 своевременным моментом внедрения такого комплекта как раз на "пике посещения" ремонтных заводов. Объединение CFMI смогло модернизировать половину ТРДД CFM56-5B и CFM56-7B, находящихся в эксплуатации. Кроме того комплект для модернизации коснулся двигателей, находящихся в производстве, что является большим отличием от комплекта, предоставленного в своё время для CFM56-3. Объединение CFMI смогло предоставить авиакомпаниям возможность внесения изменений в конструкцию двигателей, которые ещё будут изготавливаться для уже заказанных самолётов А320 и B737, чтобы поддержать их конкурентоспособность.

В 2006 году комплект для модернизации TECH56 был сертифицирован и в настоящее время эти усовершенствования находят широкое применение на двигателях CFM56-5B/P и -7B. Модернизация двигателей позволяет повысить эффективность и продлить срок эксплуатации двигателя без снятия с крыла, но не улучшит технические характеристики. Основная идея заключается в том, что на самолёте можно использовать, с одной стороны, обычные двигатели "вчерашнего дня", а с другой стороны, двигатели 2006 года (с комплектом модернизации или новые).

Программа TECH56 является фактически первым шагом на пути к комплексной инициативе, направленной на улучшение двигателей. Наряду с этой программой объединение CFMI обдумывает требования, которые появятся примерно через десять лет с тем, чтобы оно смогло быстро подготовиться к началу работ по созданию нового двигателя, если этого потребует рынок. И уже в настоящее время объединение CFMI разработало два сценария [6]:

)        выпуск к 2016 году нового ТРДД Leap-X (Leading Edge Aviation Program) для 100 - 200- местных самолётов Airbus и Boing нового поколения;

)        выпуск к 2025 году ТРДД с открытым (незакапотированным) вентилятором и уже готовым газогенератором от Leap-X.

По компоновке Leap-X будет вполне традиционным двухконтурным турбореактивным двигателем, однако конструкция его узлов будет усовершенствована в целях снижения массы и оптимизации их совместной работы. Разрабатывается совершенно новый вентилятор с лопатками, изготовленными из композиционных волокон пространственного сплетения. Отлажена технология, позволяющая увеличить жесткость и прочность лопаток при одновременном уменьшении массы вентилятора. В двигателе Leap-X будет использована усовершенствованная камера сгорания TAPS II от двигателя GE 90/GEnx, разработанного фирмой General Electric. Лопатки турбины Leap-X намечают изготовлять из композиционных материалов на основе керамической матрицы, которые имеют втрое меньшую плотность по сравнению с традиционно используемыми металлами. Массу двигателя Leap-X намечают существенно уменьшить (примерно на 80 кг) путем сокращения числа лопаток турбины первой ступени и увеличения степени повышения давления до значения 16:1 (у современных двигателей семейства CFMI это показатель составляет около 11:1). Другим техническим решением, берущим начало в программах по GE 90/GEnx и направленным на уменьшение массы конструкции, является применение блисков в компрессоре.

По второму сценарию можно отметить то, что в настоящее время изучаются различные схемы, но наиболее перспективным считается двухступенчатый вариант со ступенями противоположного вращения. На первом этапе будут испытаны семь вариантов нового вентилятора (пять комплектов лопаток разработаны специалистами General Electric, а еще два - инженерами SNECMA). К проведению испытаний моделей вентиляторов в центре NASA им. Гленна приступили в первом квартале текущего года.

2. Техническая эксплуатация авиационных газотурбинных двигателей семейства CFM56

В настоящее время авиационные газотурбинные двигатели семейства CFM56 входят в силовую установку более половины всех коммерческих самолётов. Более 520 авиационных организаций по всему миру отдали своё предпочтение двигателям CFM56 из-за его традиционной надёжности и низкой стоимости использования. Более 10 000 самолётов, оснащённых этими двигателями, поднимаются в воздух через каждые 2,5 минуты [1].

Существуют более чем 150 представительств службы технической поддержки в авиакомпаниях более пятидесяти государств всего мира, из них 45 имеют возможности проведения технического обслуживания и ремонта. Кроме того, объединение CFMI предоставляет круглосуточную поддержку телефонной связи по техническим и коммерческим вопросам. Центры обучения и подготовки специалистов, находящиеся в США и Франции, осуществляют всеобъемлющую практическую подготовку на все модификации двигателей CFM56. Двигатели семейства CFM56 имеют самую обширную сеть технической поддержки в мире.

.1 Условия работы и факторы, влияющие на техническое состояние двигателя

Несмотря на большие успехи в создании высоконадёжных ГТД в эксплуатации возможны случаи изменения их технического состояния под действием различных повреждающих факторов [7] до уровня, способствующего снижению безопасности полётов и эффективности применения этих двигателей. Под повреждающими понимаются факторы, воздействие которых механическим, термическим, химическим, электромагнитным и др. путём на конструкцию ГТД приводит к изменению уровня его работоспособности, качества функционирования, внешнего вида, конфигурации, состояния поверхности, физико-механических свойств, целостности. Результатом подобного воздействия на элементы конструкции ГТД является повреждение двигателя. В этих условиях обеспечение требуемого уровня безопасности полётов и эффективности применения ГТД возможно на основе определения (контроля и диагностирования) уровня повреждения двигателя в процессе эксплуатации.

Все виды повреждений и разрушений элементов конструкции ГТД определяются действием следующих повреждающих факторов:

-       конструктивных;

-       производственных;

-       эксплуатационных.

Конструктивные повреждающие факторы связаны с несовершенством конструкции. Их действие проявляется в виде механических разрушений, работы деталей в нерасчётных условиях.

Производственные повреждающие факторы связаны с несовершенством производства. Возникновение этих факторов происходит при механической и термической обработке, при сварке, пайке и других технологических процессов. Производственные факторы влияют на усталостную прочность материала детали и проявляют с себя в виде концентраторов напряжений, особенно в наиболее напряжённых местах и местах нерациональной формы сопряжений участков детали разных размеров, то есть в случае выбора неоптимального значения радиуса галтели. Недостаточное совершенство технологии контроля технического состояния деталей в процессе их изготовления способствует поступлению в эксплуатацию ГТД с повреждающими факторами.

Условиями возникновения повреждающих факторов при сборке являются:

-       завышение или занижение натягов (зазоров);

-       сборка с нарушением соосности;

-       создание монтажных напряжений;

-       сборка узла без одной из его деталей;

-       затяжка гаек, болтов и контровка не в ТУ;

-       перезатяжка ниппелей трубопроводов;

-       установка повреждённых деталей и так далее.

Эксплуатационные повреждающие факторы связаны с условиями эксплуатации ГТД. В процессе эксплуатации авиационный двигатель подвергается влиянию большого числа разнообразных факторов, связанных как с внешними параметрами, характеризующими состояние атмосферы, так и с параметрами, обусловленными особенностями использования двигателя в системе силовой установки самолета [8]. Основными из них являются:

-       невыдерживание эксплуатационных ограничений;

-       создание нерасчётных нагрузок;

-       несоответствие состояния аэродромов требованиям условий применения;

-       повышенная агрессивность окружающей среды (запылённость, загрязнённость воздуха промышленными отходами и природными катаклизмами, повышенная влажность, водность, температура и давление);

-       неправильная регулировка параметров системы, создающая повышенные нагрузки на детали;

-       механические повреждения деталей, связанные с попаданием посторонних предметов;

-       перезатяжка или недозатяжка болтовых соединений;

-       монтажные напряжения в трубопроводах, создаваемые при подгибке трубопровода при монтаже;

-       неправильная сборка узлов;

-       недозаправка или заправка некондиционной рабочей жидкостью (топливо, масло);

-       заброс температуры газов T*пр;

Несмотря на то, что влияние каждого в отдельности эксплуатационного фактора на характеристики и эксплуатационные свойства ГТД в ряде случаев может быть небольшим по величине, при неблагоприятном стечении обстоятельств, когда влияние отдельных факторов действует в одном направлении, приходится сталкиваться с существенным ухудшением данных двигателя и соответственно летно-технических свойств самолета.

2.2 Виды технического состояния двигателя

Эксплуатация представляет собой стадию жизненного цикла ГТД с момента принятия его эксплуатирующим предприятием до отправки в ремонт или списания и состоит из этапов: процесса ввода для использования по назначению, приведения в установленную степень готовности, использование по назначению, хранения, транспортирования, на которых реализуется, поддерживается и восстанавливается исправное и работоспособное техническое состояние. Эксплуатация без этапа использования по назначению представляет собой техническую эксплуатацию [9].

Под техническим состоянием понимается состояние ГТД, определяемое совокупностью характеристик двигателя, изменяющихся в процессе производства и эксплуатации, определяющих степень соответствия ГТД установленным требованиям. В процессе эксплуатации ГТД может пребывать в следующих состояниях:

-       исправное состояние;

-       неисправное, но работоспособное состояние;

-       неработоспособное состояние;

-       предельное состояние.

Исправное состояние - состояние ГТД, при котором он соответствует всем требованиям нормативно-технической и конструкторской (проектной) документации.

Работоспособное состояние - состояние ГТД, при котором значения всех параметров, характеризующих способность выполнять заданные функции, соответствуют требованиям нормативно-технической и конструкторской (проектной) документации.

Неработоспособное состояние - состояние ГТД, при котором он не соответствует хотя бы одному требованию нормативно-технической и конструкторской (проектной) документации, характеризующему способность выполнять заданные функции.

Предельное состояние - состояние ГТД, при котором восстановление его исправного состояния не возможно или экономически нецелесообразно.

Событие перехода из исправного состояния в работоспособное называют повреждением (рис. 16), а переход из исправного или работоспособного состояния в неработоспособное состояние - отказом.

Рис. 16. Схема основных событий и состояний ГТД [10]

.3 Стратегия программы ТО и Р, применяемая к двигателям семейства CFM56

Стратегия - совокупность принятых принципов, правил и управляющих воздействий, определяющих комплексное развитие эксплуатационных свойств конструкции AT, методов организации и производственно-технической базы ее ТО и Р. Данное определение стратегии отражает необходимость системного подхода к решению проблемы повышения эффективности ТО и Р, нацеливает на совместные согласованные действия в рамках единой программы всех организаций и предприятий, создающих, эксплуатирующих и ремонтирующих AT [11].

Программа технического обслуживания двигателей семейства CFM56 основана на удовлетворении требований международных стандартов (ICAO, MSG-3) и обеспечивает поддержание летной годности двигателей в пределах жизненного цикла эксплуатации по состоянию с коэффициентом готовности 99,98%. Двигатель не имеет графика периодического ремонта и может оставаться на крыле до возникновения какой-либо серьёзной неисправности или исчерпания ресурса его компонентов.

Принятая стратегия "по состоянию" осуществляется на трёх уровнях:

Ø  линейное ТО (оперативное);

Ø  модульное ТО;

Ø  заводское ТО.

Линейное ТО осуществляется с установленными на ЛА двигателями и включает в себя работы по:

-       демонтажу и монтажу заменяемых агрегатов;

-       обслуживанию и проверке;

-       ремонту освещения;

-       поиску и устранению неисправностей;

-       замене двигателя.

Модульное ТО осуществляется в ремонтных мастерских с ограниченными возможностями ремонта, которые в первую очередь заинтересованы в замене модулей, узлов и агрегатов.

Заводское ТО осуществляется в мастерских с широкими возможностями, которые занимаются полной разборкой двигателя, его осмотром, ремонтом и обратной сборкой.

2.4 Проблемы, возникающие при эксплуатации "по состоянию"

При проектировании двигателей семейства CFM56 в их конструкцию закладывался принцип "безопасного повреждения", который предполагает, что конструкция застрахована от катастрофических разрушений.

В конструкциях с "безопасным повреждением" допускается появление трещин в отдельных силовых элементах, однако, трещины не должны приводить к разрушению или черезмерной деформации конструкции [12]. Это достигается выбором типа конструкции, при котором возможное разрушение или усталостные трещины только уменьшат до некоторой степени статическую прочность и жёсткость конструкции, достаточные для завершения безаварийного полёта. Увеличение допускаемых напряжений в элементах конструкции с безопасным повреждением может достигать 15…20% по сравнению с соответствующими напряжениями, принимаемыми для конструкции безопасного срока службы.

Выигрыш от применения безопасно повреждаемой конструкции заключается в уменьшении массы изделия, увеличении срока службы и уменьшения его стоимости. Безопасно повреждаемые конструкции обслуживаются "по состоянию". Опыт эксплуатации таких конструкций показывает, что 90…92% деталей изделия сохраняют свою работоспособность после достижения своего расчётного срока службы, поэтому запасных частей требуется лишь 8…10% от того количества, которым должна быть укомплектована конструкция с безопасным ресурсом. Главным преимуществом конструкций с "безопасным повреждением" является уменьшение возможности катастрофического разрушения в полёте.

Конструкция с допускаемыми повреждениями требует трудоёмкого обслуживания, так как начиная с некоторой наработки появление трещин является не исключением, а закономерным явлением. Эффективность осмотров должна быть такой, чтобы любая трещина, способная привести к катастрофе, обнаруживалась до того, как она станет критической.

Трудоёмкость осмотров может быть во много раз снижена за счёт введения в конструкцию средств, сигнализирующих о появлении в ней усталостных трещин.

3. Характерные повреждения авиационных газотурбинных двигателей семейства CFM56

С точки зрения надёжности повреждение - это событие, заключающееся в нарушении исправного состояния объекта при сохранении работоспособного состояния [13].

Повреждение является результатом воздействия повреждающих факторов на элементы конструкции ГТД, проявляющееся в изменении внешнего вида, конфигурации, состояния поверхности, физико-механических свойств, целостности элемента конструкции и работоспособности ГТД [7].

3.1 Типичные повреждения элементов конструкции

Опыт эксплуатации зарубежных и отечественных ГТД показывает, что типичными повреждениями и неисправностями, способствующими авиационным происшествиям, являются [7]:

ü  механические повреждения (усталостные трещины, забоины, вмятины, эрозия) и разрушения деталей проточной части;

ü  эксплуатационные повреждения и разрушения элементов конструкции подшипников опор роторов и приводов агрегатов;

ü  термические повреждения элементов конструкции камер сгорания, сопловых аппаратов, дисков и рабочих лопаток первой ступени турбины;

ü  износ контактных поверхностей сопрягаемых частей деталей;

ü  закоксованность топливных форсунок;

ü  эрозионно-коррозионное повреждение поверхностей деталей;

ü  загрязнения поверхностей деталей газовоздушного тракта отвердевшей смесью масел, топлива, пыли.

Анализ и обобщение основных эксплуатационных повреждений авиационных ГТД, установленных на неманевренных ЛА, показывает следующее распределение повреждений элементов конструкции (таблица 16).

Таблица 16 Характер распределения основных повреждений ГТД

Вид повреждения ГТД, установленных на неманевренных ЛА

% от поступивших в ремонт

Повреждения от посторонних предметов Эрозионный износ лопаток компрессора Забоины на лопатках Коррозия силовых корпусов Повреждение элементов конструкции 1-й ступени турбины Повреждение элементов масляной системы Повреждение элементов топливной системы Коррозия входного устройства Трещины жаровой трубы Прочие

15 70 65 75 75…80 5 75…85 55 80 0…5


.2 Распределение и характер повреждений элементов конструкции ГТД по системам и узлам и их причины возникновения

3.2.1 Компрессор

Характерными повреждениями компрессора являются механические, усталостные и эрозионные повреждения рабочих и статорных лопаток. Основными причинами являются [9]:

ü  высокий уровень динамических нагрузок;

ü  попадание посторонних предметов в воздушный тракт двигателя при его работе (воздействие воды, пыли, крупных частиц, птиц);

ü  коррозионное воздействие;

ü  некачественное изготовление лопаток, дисков (наличие ковочных трещин, дефектов материала, отклонения размеров от чертёжных, высокие остаточные напряжения).

Высокий уровень динамических нагрузок в сочетании с действием концентраторов напряжений при расчётных нагрузках и ухудшением физико-механических свойств материала во многих случаях приводит к усталостным повреждениям и разрушениям лопаток компрессора, вентилятора (рис. 17).

Рис.17. Этапы развития повреждения рабочей лопатки КВД

Одним из факторов, способствующих ускоренному усталостному разрушению лопаток в эксплуатации, является работа отдельных элементов конструкции двигателя на нерасчётных режимах: колебания бандажированных лопаток при износе контактирующих поверхностей бандажных полок свыше допустимых пределов; работа ГТД при нерасчётном положении лопаток поворотного НА из-за разъединения или разрушения кинематики управления (рис. 18).

Рис. 18. Разрушение кинематики управления регулируемой лопатки НА КВД

Развитие усталостных трещин, как правило, начинается с выходных кромок и реже - с входных. В ряде случаев зарождение трещин происходит со спинки или корытца, но только в комлевой части, непосредственно у замка. При повреждении деталей компрессора из алюминиевого сплава на лопатках турбины обычно образуется налёт расплавленного сплава в виде светлых пятен и точек, которые могут служить признаками повреждений при оценке технического состояния двигателя.

Усталостные повреждения замков лопаток компрессора начинаются на тех участках рабочей поверхности хвостовика, где наибольший концентратор напряжений неблагоприятно сочетается с общей неравномерностью распределения напряжений. Контактирующие с диском поверхности хвостовика могут повреждаться в результате действия фреттинг-коррозии. Другой причиной разрушения хвостовиков лопаток компрессора являются повышенные контактные напряжения из-за нарушения плоскостности граней выступа диска и хвостовика лопатки.

Колебания лопаток направляющего аппарата вызываются срывными колебаниями и колебаниями от вращающегося срыва. Формы колебаний лопаток направляющих аппаратов, приводящие к усталостным повреждениям, относятся к сложным изгобно-крутильным и пластинчатым формам. На низких частотах проявляются изгибные и изгибно-крутильные формы, на высоких частотах - пластинчатые формы (рис. 19).

Рис. 19. Пример голографических интерферограмм рабочей лопатки вентилятора для форм колебаний [14]: а - первая изгибная форма; б - первая крутильная форма; в - пластинчатая форма

 

Попадание посторонних предметов в воздушный тракт двигателя приводит к механическим повреждениям элементов проточной части, типичными повреждениями являются забоины, вмятины, вырывы материала детали (рис. 20), которые возникают при рулении и движении по ВПП, при взлёте, посадке ЛА, при включении реверса и на стоянке при работающих двигателях.

Рис. 20. Забоины, вырывы, вмятины лопаток вентилятора и компрессора двигателя CFM56-5B

Повреждения элементов проточной части компрессора посторонними частицами размером менее 0,4 мм в условиях работы ГТД в запылённой местности относятся к повреждениям эрозионного характера. Такое повреждение является в эксплуатации одним из наиболее распространённых видов повреждений (рис. 21).

Рис. 21. Эрозия лопаток КВД и лопаток спрямляющего аппарата вентилятора

При работе ГТД в условиях повышенной водности, когда воздух насыщен водой жёсткостью от 1,5 до 12,4 мг-экв/л, на рабочих и статорных лопатках компрессора, где температура воздуха достигает температуры испарения воды, а также на внутренних частях камеры сгорания, форсунках и элементах конструкции турбины образуются солевые отложения (рис. 22). Увеличение объёма воды, проходящей через двигатель, и её жёсткости приводит к устойчивой тенденции ухудшения газодинамических параметров двигателя.

Рис. 22. Солевые отложения на рабочих лопатках компрессора

Вдобавок к характерным повреждениям компрессора ГТД на последних сериях двигателей семейства CFM56 (CFM56-5B и CFM56-7B) в процессе эксплуатации выявлено характерное им повреждение, связанное с задеванием ротора КВД о элементы статорной части. Потенциальная область контакта располагается в зонах между ободом переднего барабана-диска и бандажными сегментами лопаток НА второй ступени. Такая же область располагается между ободом диска и бандажными сегментами НА третей ступени, а также между бандажными сегментами НА третей ступени и ободом заднего барабана-диска четвёртой ступени (рис. 23).

Причинами вероятного контакта "ротор-статор" в этих зонах являются относительно маленькие осевые зазоры между вращающими и неподвижными частями компрессора, а также износ внутренних втулок поворотных лопаток направляющего аппарата второй и третей ступени (рис. 24 а). В результате износа втулок поворотных лопаток второй и третьей ступени возникает возможность осевого перемещения всего направляющего аппарата. При этом происходит

Рис. 23. Потенциальные зоны вероятного контакта "ротор-статор"

касание бандажных сегментов о полки рабочих лопаток и касание полуколец сотовых уплотнений с выступом обода диска (рис. 24 б).

Рис. 24. Взаимодействующие элементы конструкции проточной части двигателя

В результате касания при работающем двигателе в зоне контакта происходит взаимный износ деталей, что приводит к последующему повреждению сотового уплотнения и в дальнейшем к разрушению его полуколец, которые, попадая в проточную часть двигателя, повреждают элементы конструкции последующих ступеней (рис. 25).

Рис. 25. Повреждения элементов проточной части компрессора в результате их касания при работающем двигателе: а, б - чрезмерный износ или отсутствие сотового покрытия воздушного уплотнения; в - механическое повреждение загнутой кромки (в зарубежной практике называется "джэй-хук") полукольца сотового уплотнения; г - износ верхнего выступа бандажного сегмента и J-hook’а; д - повреждения рабочих лопаток компрессора, вследствие попадания разрушенных элементов в проточную часть двигателя

За всю историю существования двигателей семейства CFM56 в эксплуатации возникало 34 подобных случая, при этом 8 из них повлекли за собой выключение двигателя в полёте, 16 привели к помпажированию, а остальные 10 были выявлены в процессе проведения запланированных работ по ТО.

По поводу случившихся инцидентов завод изготовитель двигателей выпустил ряд бюллетеней. Первый был выпущен в 2004 году и обязывал эксплуатантов после 24 000 часов наработки осуществлять периодический визуальный осмотр, либо менять внешние и внутренние втулки регулируемых лопаток на новые. В последнем выпущенном бюллетене завод производитель предоставляет стандарты по осуществлению визуального осмотра двигателя CFM56-7B и рекомендации по замене существующих деталей, на детали из более прочного материала.

.2.2 Камера сгорания и топливные форсунки

Типичными повреждениями камеры сгорания являются повреждения термического и усталостного происхождения. Основными причинами повреждений являются:

ü  высокий уровень температурных нагрузок;

ü  высокий уровень вибрационных нагрузок.

Усталостные трещины располагаются в районах сварных швов корпуса, фланцев для отбора воздуха на различные нужды систем ЛА, бобышек для крепления агрегатов. Они возникают от действия вибрационных нагрузок при повышенных статических нагрузках (рис. 26). Повышенные статические нагрузки наводятся при монтаже и изменяют расчётный характер нагружения корпусов камеры сгорания при работе двигателя.

Рис. 26. Трещина корпуса камеры сгорания в осевом направлении

Нарушение характеристик распыла форсунок вследствие закопчённости и закоксовывания вызывает местный перегрев стенок камеры сгорания и жаровой трубы. Это приводит к выпучиванию, короблению, растрескиванию, повышенному окислению материала стенки КС и ЖТ (рис.27). Ухудшение распыла топлива форсунками из-за отложения нагара или засорения (рис. 28) является причиной значительной неравномерности температурного поля перед турбиной.

Рис. 27. Характерные повреждения стенок жаровой трубы: а - прогар и коробление внутренней стенки ЖТ; б - коробление и трещина наружной стенки, проходящая через все панели ЖТ.

Рис. 28. Отложение нагара на диффузорах форсунок КС

В силу своих конструктивных особенностей ЖТ двигателей семейства CFM56 в процессе эксплуатации подвергаются таким характерным повреждениям, как прогар и частичная потеря материала дефлектора фронтового устройства КС (рис. 29).

Рис. 29. Состояния дефлекторов фронтовых устройств КС: а - состояние дефлектора, подверженного газовой эрозии; б - обгорание и утеря кромок дефлектора; в - исходное состояние дефлекторов ФУ КС, не побывавшей в эксплуатации

В случаях попадания в проточную часть двигателя птицы или иных посторонних предметов требованиями технической эксплуатации двигателя установлена необходимость проверки посадки ЖТ на топливные форсунки, которые обеспечивают поддержку ЖТ в передней плоскости [4]. При этом, в результате ударного воздействия посторонних предметов с ЖТ возможно её смещение (рис. 30), что так же не допустимо, так как это приведёт к работе КС в нерасчётном режиме, что, в общем, неблагоприятно сказывается на её ресурсе. В соответствии с программой ТО через определённое количество часов наработки или совершённых циклов осуществляется периодический визуальный осмотр и оценка внутреннего технического состояния КС. По сравнению полученных в ходе осмотра данных с требуемыми допусками, которые прописаны в соответствующих по узлам разделах AMM, принимается решение о его дальнейшей эксплуатации или проведении надлежащего ремонта.

Рис. 30. Схема возможных посадок ЖТ на топливные форсунки [4]

3.2.3 Турбина

Рабочие лопатки турбины современных ГТД, работая в условиях сложного совместного действия статических, термоциклических и динамических нагрузок, подвергаются неизотермическому нагружению при достижении экстремальных температур в цикле нагружения. Это способствует появлению в материале обширных областей, охваченных циклическими пластическими деформациями, в которых исходные деформационные и прочностные свойства материала претерпевают значимые изменения. Этим во многом объясняются повреждения, переходящие в трещины и разрушения колёс и лопаток турбины. Основными причинами повреждений являются:

ü  высокий уровень температурных нагрузок;

ü  высокий уровень вибрационных нагрузок;

ü  высокий уровень изотермических и неизотермических нагрузок;

ü  высокий уровень динамических нагрузок;

ü  длительные статические нагрузки.

Под влиянием повышенных термических напряжений и повышенных температур, по сравнению с номинальными значениями, в определённых условиях возникают следующие термические повреждения: перегрев материала элементов конструкции; обгорание пера лопатки; вытяжка рабочих лопаток турбины; трещины ползучести; повышенная степень окисления; растрескивание и прогар кромок лопаток (рис. 31).

Рис. 31. Типичные повреждения элементов конструкции турбины: а - эрозионный износ передних кромок лопаток турбины вулканическим пеплом; б - нарост вулканического пепла на торце рабочей лопатки турбины; в - образование термальных пузырей и закупорка отверстий для прохода охлаждающего воздуха; г - обрыв рабочей лопатки турбины в результате роста усталостной трещины до критического значения; д - обгорание рабочих лопаток ТНД; е - трещина ползучести и окисление материала рабочей лопатки ТНД

 

Повреждения от действия вибрационных нагрузок встречаются на всех типах ГТД, эксплуатирующихся в разных странах мира. Эти повреждения связаны с повышенным уровнем переменных напряжений, возникающих в деталях при их колебаниях, с качеством изготовления и режимом нагружения. Режим нагружения оказывает влияние как на предел усталости, так и на термоциклическую долговечность.

Изотермические и неизотермические режимы нагружения оказывают существенное влияние на возникновение повреждений малоцикловой усталости. Малоцикловое неизотермическое нагружение деталей горячей части ГТД характеризуется существенной нестационарностью. Эта нестационарность проявляется в изменении нагрузки (размаха напряжений или деформаций), разности температур, длительности цикла и развивающихся деформациях ползучести.

Под действием повышенных динамических нагрузок при наличии концентраторов напряжений, ухудшения физико-механических свойств материала и температурного состояния возникают усталостные повреждения рабочих лопаток турбины и лопаток СА (рис. 32 б). В результате такого воздействия возникают усталостные трещины в пазах замковой части лопаток. В эксплуатации при определённых условиях возможно растрескивание защитного покрытия и создание условий для ускорения коррозии (рис. 32 а).

Рис. 32. Повреждения лопаток СА ТВД двигателя CFM56-5B: а - разрушение защитного покрытия; б - усталостные трещины на внутренней бандажной полке

Под действием длительных статических нагрузок в сочетании с повышенными температурами накапливается деформация горячих статически нагруженных элементов авиадвигателей, по которым можно судить о выработке ресурса (рис. 33).

Рис. 33. Процедура контроля лопаток на предмет наличия остаточной деформации

3.2.4 Подшипники опор роторов

Все повреждения и разрушения подшипников, происходящие в условиях эксплуатации, могут быть условно разделены на следующие группы:

ü  разрушения от усталости материала;

ü  повреждения от повышенного износа;

ü  разрушения, вызываемые изменением зазоров и посадок между деталями подшипников и опорами ротора;

ü  повреждения с последующим разрушением из-за недостаточной смазки при запуске, из-за кратковременного или полного прекращения подачи масла при работе двигателя.

Усталостное разрушение подшипников качения проявляется в виде ямок или выкрашивания материала дорожек колец и тел качения, в эксплуатации это происходит из-за черезмерного увеличения нагрузок на подшипник или применения материала с дефектами и нарушения технологии изготовления. Возрастание нагрузок на подшипник является следствием увеличения неуравновешенности ротора, нарушения требований ТУ при монтаже подшипников на заводе-изготовителе или при ремонте.

Износ деталей подшипников выше допустимого, особенно тел качения и поверхностей колец, приводит к увеличению радиальных зазоров в подшипнике и к смещению ротора на величину, превышающую значение, предусмотренное ТУ. Чрезмерный износ тел качения вызывает повреждение других деталей, омываемых маслом. Из-за трения наружного кольца о направляющие борта при расхождении сепаратора под действием центробежных сил происходит износ последнего.

Повреждение подшипников качения от проскальзывания происходит в режиме работы подшипника с повышенным, обычно радиальным, зазором, когда действие определённых небольших нагрузок приводит к относительному проскальзыванию поверхностей качения. Проскальзывание чаще проявляется в роликоподшипниках опор ротора турбины двигателей, реже - в шарикоподшипниках. Основными причинами проскальзывания роликоподшипника в процессе эксплуатации ГТД являются:

ü  снижение нагрузки на подшипник и изменение соотношения сил сопротивления при смещении опор ротора;

ü  увеличение радиального зазора от перепада температур наружного и внутреннего кольца и в результате износа подшипника;

ü  уменьшение числа роликов под нагрузкой и ухудшение условий входа в зону контакта при увеличении радиального зазора.

Повреждение подшипников при масляном голодании возникают при снижении давления в маслосистеме до величины ниже требуемой. Это приводит к нарушению баланса подвода и отвода тепла и, как следствие, к непропорциональному расширению элементов конструкции подшипника, возникновению нерасчётных условий работы, способствующих их разрушению.

При эксплуатации двигателей семейства CFM56 в силу их конструктивных особенностей возникали проблемы, связанные с чрезмерным износом четвёртой опоры, на которую опирается вал ТВД. Роликоподшипник четвёртой опоры является межвальным и опирается на вал ТНД. Из-за трудностей в идентификации условий реальной нагрузки межвальных подшипников обеспечение их работоспособности является достаточно сложной технической задачей. Несмотря на то, что в двигателях семейства CFM56 эта задача была решена, в эксплуатации имели место выходы из строя межвального подшипника четвёртой опоры. Повреждение заключалось в чрезмерном износе внешнего кольца роликоподшипника, что приводило к увеличению действующих на него нерасчётных нагрузок и тем самым к снижению его надёжности.

В связи с этим CFMI выпустило ряд бюллетеней, которые рекомендовали при последующем отходе двигателя в ремонт замену роликоподшипника, изготовленного из стали M50Nil (низкоуглеродистая легированная сталь с содержанием никеля), на роликоподшипник из глубокоазотированной стали марки 32CDV13 (рис. 34).

Рис. 34. Роликоподшипник четвёртой опоры двигателя CFM56-ALL: а - б/у старого образца; б - новый из глубокоазотированной стали

.2.5 Детали приводов

Основными повреждениями деталей приводов являются неравномерный или повышенный износ, выкрашивание или отслаивание материала поверхности контакта, локальный перегрев, попадание стружки или других твёрдых частиц в каналы или на трущиеся поверхности. Выкрашивание материала поверхностей контакта происходит в результате действия высоких контактных напряжений в тонком поверхностном слое зубьев, приводящих к подслойным разрушениям. Как выкрашивание, так и отслаивание имеют усталостный характер.

Рис. 35. Повреждения деталей приводов: а - незначительный износ зубьев центрального привода; б - разрушение срезной муфты между воздушным стартером и КПА; в - трещина на КПА в районе фланца привода агрегата

3.2.6 Трубопроводы

Трубопроводы топливной, масляной и дренажной систем подвержены повреждениям типа надрезов, вмятин, местного износа. Вследствие установки с нарушением ТУ возможно скручивание, местный износ, трещины от вибраций. Трещины вблизи наконечников трубопроводов чаще всего распространяются по сварному шву или в зоне теплового влияния. Причиной появления трещин может быть коррозия под напряжением или усталость при высокочастотной нагрузке.

Рис. 36. Продольная трещина в трубопроводе

3.3 Последствия повреждений элементов конструкции

Повреждения элементов конструкции ГТД, возникающие в процессе длительной эксплуатации, способствуют [7]:

ü  снижение тяги в среднем на 4%;

ü  увеличению удельного расхода топлива в среднем на 3%;

ü  уменьшению частоты вращения ротора низкого давления в среднем на 1%;

ü  увеличению температуры газа за турбиной в среднем на 4%;

ü  уменьшению суммарной степени повышения давления в среднем на 5%.

Все представленные фотографии повреждений элементов проточной части были получены на авиапредприятии в ходе проведения бороскопического осмотра двигателя CFM56-5B, входящего в силовую установку самолёта Airbus A320.

4. Методы, средства контроля и диагностирования технического состояния, применяемые в настоящее время в эксплуатации авиационных газотурбинных двигателей семейства CFM56

Эксплуатация двигателей по состоянию предполагает организацию на эксплуатационном предприятии системы технического диагностирования, которая определяется как совокупность средств и объекта диагностирования и, при необходимости, исполнителей, подготовленная к диагностированию или осуществляющая его по правилам, установленным соответствующей документацией [16].

В соответствии с ГОСТ 20911-89 техническая диагностика (ТД) - отрасль знаний, исследующая техническое состояние объектов диагностирования и проявления технических состояний, разрабатывающая методы их определения, а также принципы построения и организацию использования систем. К основным задачам технической диагностики относятся:

-       контроль технического состояния, под которым понимают определение вида технического состояния;

-       поиск места и определение причин отказа и неисправности;

-       прогнозирование технического состояния, в котором окажется объект в некоторый будущий момент времени;

-       генезис, то есть определение состояния, в котором объект находился в некоторый момент в прошлом;

-       распознавание состояния технических объектов в условиях ограниченной информации с целью повышения надежности и ресурса работы этих объектов.

В эксплуатации двигателей семейства CFM56 используются следующие функциональные методы технического диагностирования и методы неразрушающего контроля:

-       диагностирование по изменению рабочих параметров;

-       визуально-оптический метод диагностирования;

-       диагностирование по наличию продуктов износа в масле;

-       диагностирование концентрации продуктов износа в масле;

-       диагностирование по параметрам вибрации.

4.1 Диагностирование по изменению рабочих параметров

Диагностирование ГТД по газодинамическим параметрам является одним из эффективных методов оценки его технического состояния. Этим методом выявляется главный параметр - способность ГТД обеспечивать требуемую мощность или тягу.

Данный метод оценки состояния ГТД основывается на анализе тенденций изменения отклонения нерегистрируемых параметров от эталонных (базовых) значений. В свою очередь, нерегистрируемые параметры рассчитываются по результатам измерения регистрируемых (контролируемых) параметров.

В качестве диагностических регистрируемых параметров ГТД используют температуру газов за турбиной Т*, частоту вращения роторов высокого nвд и низкого nнд давления, часовой расход топлива Gт, давление топлива перед форсунками pф и температуру масла на входе в двигатель tn. Кроме того, на входе в двигатель регистрируется полная температура и полное давление наружного воздуха.

Нерегистрируемые параметры ГТД - это параметры проточной части (камер сгорания, форсунок, состояние лопаток компрессора и турбины, коэффициент полезного действия и тяга двигателя, и т.д.).

Данный метод позволяет выявить только те неисправности, которые вызывают изменение отклонений термогазодинамических параметров и параметров системы смазки. Характерные выявляемые неисправности - это увеличение радиальных зазоров в лопаточных машинах, износ торцов лопаток компрессора, турбины, коробление лопаток компрессора, турбины и газовоздушного тракта, изменение формы профилей лопаток компрессора и турбины, прогар, коробление камер сгорания и лопаток соплового аппарата, разрушение лабиринтных уплотнений.

4.2 Визуально-оптический метод диагностирования

Оптический НК - это неразрушающий контроль, основанный на анализе взаимодействия оптического излучения с объектом контроля (ГОСТ 24521-80). Визуальный контроль (осмотр невооруженным глазом) - простейший и общедоступный вид НК, обеспечивающий высокую производительность контроля. Он особенно эффективен при контроле сравнительно больших объектов и широко применяется в эксплуатации ВС.

Средствами оптического метода диагностирования являются различные оптические устройства от самых простых луп (рис. 37) до сложных и многофункциональных эндоскопов, фиброскопов и телеэндоскопов, разнообразие которых объединяется в одно общее название - бороскопы. Существуют жёсткие и гибкие бороскопы.

Рис. 37. Лупа с десятикратным увеличением, подсветкой и белой измерительной шкалой

Жёсткие бороскопы (рис. 38) предназначены для визуального осмотра узлов, к которым возможен прямолинейный доступ, они используются для осмотра газовоздушного тракта авиадвигателей, полостей агрегатов. Жёсткие бороскопы состоят из визуальной и осветительной системы. Визуальная система состоит из линзовой, стержневой или градиентной оптики, которая заключена во внутреннюю металлическую трубку.

Рис. 38. Жёсткие бороскопы

Осветительная система состоит из оптического волокна, которое расположено между двумя металлическими трубками - наружной и внутренней [17]. Жесткие бороскопы характеризуются четырьмя основными параметрами: диаметром рабочей части, длиной рабочей части, углом направления наблюдения и углом поля зрения. Наиболее распространенные диаметры рабочей части: 1,7; 2; 2,7; 4, 6, 8 и 10 мм. Длина жестких бороскопов обычно варьируется в пределах от 100 до 1000 мм и изменяется с шагом 200-300 мм. Основные углы направления наблюдения 0, 30, 45, 75, 90 и 110°.

Угол направления наблюдения может быть и плавно изменяемым в эндоскопах с качающейся призмой - от 30 до 110°. Угол поля зрения, как правило, варьируется от 50 до 90°. При этом необходимо учитывать, что увеличение поля зрения приводит к уменьшению детализации, то есть можно видеть много и мелко или мало и крупно. Основное преимущество жестких эндоскопов заключается в высокой разрешающей способности - до 25 линий на миллиметр.

Гибкие бороскопы. Не всегда возможен прямой доступ к объекту, или сам объект имеет сложную геометрию, например газотурбинные, электрические двигатели, турбогенераторы. В этом случае для визуального контроля применяются гибкие бороскопы (рис. 39).

Рис. 39. Гибкий бороскоп

В гибких бороскопах визуальная система и система передачи света состоят из волоконной оптики, смонтированной внутри гибкой трубки с управляемым дистальным концом. Канал для передачи изображения представляет собой линзовый объектив, который строит изображение исследуемого объекта на торце кабеля передачи изображения. Далее изображение передается по кабелю, состоящему из большого числа волокон толщиной 10-12 мкм. Конец световолоконного жгута вмонтирован в специальный наконечник, подключающийся к осветителю. Гибкие бороскопы имеют управляемый дистальный конец, изгибающийся в одной или двух плоскостях. Как правило, это определяется диаметром рабочей части. Бороскопы могут иметь канал для гибкого инструмента при необходимости осуществления манипуляций, например, захвата предметов, взятия пробы.

Основным недостатком гибких бороскопов по сравнению с жесткими является более низкая разрешающая способность. При выборе гибкого бороскопа руководствуются двумя основными параметрами диаметром и длиной рабочей части. Наиболее распространены диаметры 4, 6, 8 и 10 мм. Обычно гибкие бороскопы имеют герметичную маслобензостойкую рабочую часть с покрытием из нержавеющей стали.

Видеобороскопы. Гибкие волоконно-оптические бороскопы имеют ряд недостатков, наиболее существенные из которых - невысокая разрешающая способность и ограничение по длине, определяемые затуханием в волокне. Модернизация или, точнее, замена в системе передачи изображения гибкого эндоскопа волоконно-оптического жгута на электронику позволила повысить разрешающую способность приборов, увеличить их длину и привела к появлению видеобороскопов. Изображение в них через объектив попадает на ПЗС-матрицу, затем сигнал по кабелю передается в блок преобразования и выводится на монитор. В настоящее время в мире производятся видеобороскопы (рис. 40) с диаметрами рабочей части 6, 8,10, 12, 16 и 20 мм и длиной кабеля от 2 до 30 м.

Рис. 40. Видеобороскоп IPLEX SA II R фирмы OLIMPUS

Основными их функциями являются: осмотр, запись, измерения. К тому же наиболее продвинутые видеобороскопы имеют расширенные функции по обработке изображений, записи цифровых снимков, измерений. Функции измерений особенно впечатляют. К примеру, видеобороскоп IPLEX SA II R фирмы OLIMPUS имеет следующие функции измерения:

-       Сравнительные линейные измерения: измерение расстояний между двумя отмеченными точками;

-       Стереоизмерения: измеряется расстояние между двумя отмеченными точками (требуется измерительный стереобъектив);

-       Измерение от точки до линии: измеряется расстояние от воображаемой линии, обозначенной двумя точками, до точки, отмеченной вне линии. Метод рекомендован для определения глубины повреждений лопаток компрессоров ГТД (рис. 41);

-       Измерение глубины/высоты: измеряется глубина/высота от воображаемой плоскости, обозначенной тремя точками, до четвертой точки, находящейся на "вершине" (в углублении) дефекта;

-       Измерение площади/линии: вычисляется площадь участка поверхности, ограниченного замкнутой ломаной линией (до 20 точек) и общая длина ломаной линии;

Рис. 41. Замер расстояния от точки до воображаемой линии: а - определение глубины забоины; б - определение площади скола

4.3 Диагностирование по наличию продуктов износа в масле

Оценка технического состояния деталей, омываемых маслом, осуществляется по наличию металлических частиц - продуктов износа деталей кинематических пар, которые улавливаются с использованием штатных чувствительных элементов: датчиков и сигнализаторов (рис. 42).

Рис. 42. Чип-детектор (магнитная пробка)

Количество продуктов изнашивания зависит от скорости развития дефектов и является диагностическим признаком технического состояния деталей [16]. С помощью данного метода, осуществляется бортовой контроль и выявляются неисправности подшипников и лабиринтных уплотнений опор роторов, неисправность деталей коробки приводов и центрального привода, неисправности приводных агрегатов, включенных в маслосистему ГТД (электрогенераторы, гидронасосы). Бортовой контроль необходим для предупреждения о дефекте узлов трения во время работы ГТД (в полете) за небольшой интервал времени до возникновения опасности их разрушения. К бортовым средствам обнаружения частиц износа относятся:

-       электрические детекторы; при накоплении определенного количества продуктов износа происходит замыкание контактов и формирование предупреждающего сигнала на приборную панель экипажу или записывающее устройство.

-       магнитные пробки (МП), которые устанавливаются в трубопроводах и полостях двигателя в районах циркуляции масла. Осмотр МП выполняется в процессе ТО на земле с периодичностью, предусмотренной регламентом.

.4 Диагностирование по концентрации продуктов износа в масле

Данный метод осуществляется на земле в лабораторных условиях в виде спектрального анализа проб масла, феррографического и гранулометрического анализов, а также определение марки материала продуктов износа [16]. В процессе спектрального анализа определяются концентрации в масле металлов, из которых состоят частицы износа. Как правило, определяется содержание железа и меди, реже серебра. Феррографический анализ позволяет выявлять размеры, форму и количество крупных частиц в масле. По этим параметрам можно составить картину характера повреждения трущихся поверхностей.

При гранулометрическом анализе определяется общая загрязненность масла любыми частицами с определением их размеров, количества и соответствие нормируемому классу чистоты масла по ГОСТ 17216-2001.

Периодичность отбора проб масла устанавливается не реже, чем через 200 часов полета. Пробы масла берутся через 15…40 минут после остановки двигателя, пока частицы износа находятся во взвешенном состоянии. При возрастании содержания продуктов износа в масле отбор проб производится чаще. Для определения концентрации продуктов износа в масле на авиапредприятиях преимущественно используются установки двух типов:

-       установка типа МФС-7 (многоканальный фотоэлектрический спектрометр), основанная на применении эмиссионного спектрального метода;

-       установка БАРС-3 (бездифракционный анализатор рентгеновский скоростной), основана на реализации рентгеноспектрального метода определения содержания продуктов износа в рабочих маслах.

Рассмотрим схему работы установки типа МФС. Она предназначена для возбуждения эмиссионных спектров и регистрации сигналов, вызванных излучением спектральных линий различных элементов, находящихся в работавшем масле. На рис. 43 показана принципиальная схема установки МФС-7.

Рис.43. Схема спектрометра МФС-7 [16]

При спектральном анализе пробы масла сжигают в электрической дуге. В основу работы установки положен метод эмиссионного спектрального анализа, использующий явление свечения газа или пара исследуемого вещества в результате нагревания его до температуры выше 1000ºС. Свечение через усилительную линзу поступает в полихроматор, где установлена дифракционная решетка, разлагающая спектр излучения на составляющие по длинам волн. Излучение с определенными длинами волн фокусируется в виде спектра на сферической поверхности полихроматора. В сфере имеются девятнадцать узких щелей, через которые излучение с определенными длинами волн попадает на катоды фотоэлектронных умножителей (ФЭУ).

Электрический сигнал с каждого ФЭУ соответствует определенной длине волны или части спектра и пропорционален интенсивности свечения, а следовательно, концентрации продуктов износа. Управляющее устройство (УУ) управляет работой установки и обработкой сигналов. Вычислительное устройство (ВУ) обрабатывает полученную информацию и передает на устройство индикации (УИ). В составе УИ имеется цифропечатающее устройство и цифровой вольтметр.

Установки типа МФС позволяют с высокой точностью определять концентрацию 10 элементов (железо, медь, серебро, алюминий, свинец, кремний, магний, хром, никель, олово).

Время обжига масла составляет 20…25 с. Продолжительность анализа одной пробы масла составляет 3 мин.

При достижении концентрации одного из элементов износа предельного уровня, дальнейшая эксплуатация двигателя приостанавливается до выяснения причин и источника поступления продуктов износа в масло. По химическому составу продуктов износа возможно установить те группы деталей двигателя, неисправность которых может служить причиной повышения концентрации металла в масле:

-       Fe - тела качения, обоймы и сепараторы подшипников , шестерни, рессоры и детали уплотнений;

-       Cu - подпятники, маслоуплотнительные кольца, бронзовые и латунные сепараторы подшипников, омедненные шлицы рессор;

-       Al, Mg - корпуса и детали агрегатов маслосистемы и системы суфлирования, корпуса коробок приводов и их крышки.

Исследуя комбинации элементов продуктов износа в зависимости от наработки, возможно устанавливать адрес неисправности и, в определенной степени, прогнозировать техническое состояние двигателя.

4.5 Диагностирование по параметрам вибрации

В эксплуатационных условиях контроль вибрации используется:

-       для оценки допустимости ее уровня в интересах обеспечения динамической прочности элементов конструкции двигателя (допустимые уровни устанавливаются нормативными документами);

-       для определения технического состояния ГТД и типа неисправности по характеру изменения вибрации.

Диагностирование изменения состояния ГТД связано с анализом тенденций изменения параметров вибрации от времени эксплуатации и выполняется по результатам ее регистрации в 10...40 полетах в сходных высотно-скоростных и режимных условиях работы двигателя.

Можно выделить несколько типов поведения вибрации, которые связаны с развитием неисправностей в роторной части двигателя: тренд, скачок, выброс и разброс (рис. 44).

Рис. 44. Изменение параметров вибрации [14]

Монотонный рост уровня вибрации - тренд (рис. 44а) свидетельствует об относительно медленном развитии неисправности, связанной с износом элементов проточной части или подшипников ротора.

Выброс - это скачкообразное увеличение вибрации с последующим возвращением к исходному уровню (рис. 44б). Возможная причина - неисправность виброизмерительной аппаратуры.

Скачок уровня вибрации (рис. 44в) может быть обусловлен мгновенным изменением неуравновешенности ротора из-за повреждения лопаток ротора посторонними предметами.

Появление значительной нестабильности уровня вибрации во времени (рис. 44г) может быть связано с влиянием внешних факторов, либо с ослаблением крепления двигателя и появлением резонансов в районе рабочих оборотов.

Вышеуказанные признаки могут проявляться и у исправных двигателей, поэтому необходим комплексный подход к анализу сигналов вибрации, включающий такие виды обработки, как спектральный анализ прямого и преобразованного спектра, полосовую фильтрацию, детектирование, статистический анализ. Ниже рассмотрены эти виды обработки сигналов более подробно.

На сколько эффективными бы ни были привёденные методы диагностирования, у всех них есть свои недостатки, заключающиеся в неоднозначности значения диагностических параметров, что приводит к дополнительным временным затратам на поиск причин и проверку достоверности информации. Например, изменение структурных геометрических параметров рабочей лопатки КВД (наличие эрозионного износа, забоины, вмятины, царапины, потеря материала) приводит к возникновению неуравновешенности ротора, проявляющейся в повышении уровня вибрации двигателя. В свою очередь, значение уровня вибрации имеет прямую связь с целостностью и состоянием подшипниковых опор. Для точного определения причины неисправности требуются более совершенные методы диагностирования, имеющие прямую связь между диагностическими и структурными параметрами.

5. Перспективный метод регистрации повреждений элементов проточной части авиационных газотурбинных двигателей семейства CFM56

 

Одним из непременных условий реализации перспективных методов технического обслуживания газотурбинных двигателей является широкое использование совокупности различных методов и средств технической диагностики, которые должны обеспечить обнаружение дефектов на ранней стадии их развития для обеспечения своевременного проведения ремонтных работ и недопущения аварии [19].

Подавляющее большинство дефектов проточной части ГТД характеризуется изменением геометрических характеристик отдельных элементов (обрыв, разрушение, трещины, забоины, нагар, эрозивный и абразивный износ, искривление роторных и статорных лопаток, прогар камеры сгорания и пр.) или их кинематических параметров (помпажные явления, возрастание уровня колебаний лопаток, изменение параметров вибрации, биение вала ротора, неравномерность вращения и др.).

Для оценки состояния элементов проточной части наиболее широко используются неконтактные и виброакустические средства, которые, несмотря на свои очевидные преимущества, не в полной мере обеспечивают достоверный оперативный контроль элементов ГТД. Одним из факторов, сдерживающих применение названных систем на "горячих" частях двигателя, является ограниченный диапазон рабочих температур их первичных датчиков. В последние годы получил развитие метод контроля состояния и диагностики ГТД, основанный на использовании радиолокационных измерений, который обеспечивает автоматический контроль состояния подвижных элементов в процессе функционирования ГТД без проведения сборочно-разборочных работ.

Независимо от назначения радиолокационных систем, принцип их действия основан на излучении электромагнитных колебаний частотой от 3 до 40 ГГц в направлении движущихся элементов ГТД и приеме сигнала, сформированного в результате отражений от диагностируемых элементов и их окружения. Вращение ротора приводит к постоянному изменению положения роторных лопаток относительно антенн и возникновению сигнала, обусловленного параметрами поля вблизи приемной антенны (рис. 45). Параметры этого поля зависят от движения роторных лопаток, а также от их формы, линейных размеров, отражающих свойств и положения относительно излучающей и приемной антенн.

Рис. 45. Принцип формирования сигнала и состав радиолокационной системы

В общем случае в состав радиолокационной измерительной системы могут входить (рис. 45): антенны, линии передачи сигналов, приемо-передатчик СВЧ сигналов (радар), а также блок управления, питания и обработки.

В зависимости от назначения радиолокационных систем, могут быть определены относительные или абсолютные параметры движения облучаемых элементов, например, роторных лопаток (частота вращения или колебания, изменение периодичности и скорости движения и пр.) и (или) определен факт изменения их формы, размеров или положения (износ, разрушение, коробление, нагар, изменение радиального зазора и пр.).

Наилучшие результаты могут быть получены при оптимизации конструкции радара, его структурной схемы, методов выделения полезной информации из принимаемых сигналов и алгоритмов их обработки для решения конкретной контрольной или измерительной задачи на конкретном типе двигателя. Однако, во многих случаях возможно использование одного и того же микроволнового датчика для решения различных задач. Например, при расположении антенны в районе первой ступени компрессора возможно определение частоты вращения ротора, его углового положения, радиальных зазоров и параметров колебания роторных лопаток. Далее приводятся краткие результаты, полученные в разное время ООО "Радарные технологии - 2Т" в натурных условиях при использовании микроволновых датчиков для определения факта повреждения роторных лопаток, определения частот вращения роторов двухвального двигателя, вибрации статичных и вращающихся роторных лопаток, а также определения прохождения через проточную часть посторонних предметов.

5.1 Обнаружение дефектов роторных лопаток


Обнаружение дефектов роторных лопаток основано на том, что при отсутствии дефектов (неизменных геометрических характеристиках отражающих элементов) форма сигнала, получаемого от микроволнового датчика, стабильна и имеет период повторения, равный периоду вращения вала ротора. При возникновении дефектов, связанных с изменением геометрических размеров диагностируемых элементов (забоины, трещины, обрыв, отложения, эрозивный износ лопаток ротора и пр.) или их взаимного положения, происходит изменение формы поступающего от радиолокационного датчика сигнала на временном интервале, соответствующем прохождению дефектного элемента мимо приемоизлучающей антенны.

Это обстоятельство позволяет создавать радиолокационные системы для автоматического обнаружения забоин, основанные на сопоставлении сигналов, полученных в процессе диагностики, с сигналами, полученными ранее от заведомо исправного двигателя.

Такая система диагностики позволяет не только установить факт наличия забоин, но также определить число дефектных лопаток по числу интенсивных "всплесков", их местоположение - по положению "всплесков" на протяжении одного оборота и оценить их размер по уровню этих "всплесков". В ряде случаев можно так организовать измерения, что сигнал от радиолокационного датчика будет определяться только геометрическими характеристиками лопаток одного рабочего колеса. Поскольку лопатки одного рабочего колеса идентичны друг другу и расположены симметрично, то обнаружение дефектов и их локализация могут проводиться путем сопоставительного анализа всех фрагментов сигнала от РЛД длительностью:

 

t = 1/n·Fвр (1)

где Fвр - частота вращения ротора, n - число лопаток рабочего колеса.

При отсутствии дефектов сигналы, соответствующие одной лопатке, имеют минимальные отличия между собой. При возникновении дефектов появляются отличия между сигналами от разных лопаток, которые увеличиваются при росте размеров дефектов (рис. 46). Преимущество этого способа обнаружения забоин состоит в использовании не абсолютных, а относительных измерений, что позволяет отказаться от измерения характеристик исправного механизма (получения эталонного сигнала).

Рис. 46. Забоина на лопатке компрессора и её представление в виде сигнала

5.2 Определение частот вращения роторов двухвального двигателя

Измерение частот вращения, скольжения и времени выбега может быть реализовано при различных схемах измерений и не требует оптимизации параметров микроволновых датчиков. Измерение частоты вращения ротора может представлять самостоятельный интерес, но в большинстве случаев является вспомогательной задачей, обеспечивая автономность микроволновой системы (независимость ее использования от сигналов тахогенератора) при измерении колебаний лопаток, радиальных зазоров и пр. В случае расположения антенны микроволновой системы между ступенями высокого и низкого давления обеспечивается получение сигнала, в спектре которого присутствуют составляющие, обусловленные частотами вращения обоих роторов. На рис. 47 приведена спектрограмма сигнала, полученного от микроволнового датчика, антенна которого установлена между турбинами высокого и низкого давления, при запуске двухконтурного авиационного двигателя. Видно, что в первое время после запуска двигателя в спектре сигнала доминируют гармоники лопаточной частоты турбины высокого давления, которые после начала вращения турбины низкого давления дополняются гармониками лопаточной частоты турбины низкого давления и их комбинационными частотами (гармониками частоты скольжения). Измерение частот вращения и времени выбега также может осуществляться дистанционно при использовании специализированного радара, удаленного от двигателя на десятки, сотни метров.

Рис.47. Антенна микроволнового датчика и спектрограмма сигнала

5.3 Вибрации роторных лопаток

Простейшие микроволновые датчики могут использоваться для измерения параметров колебаний неподвижных лопаток. На рис. 48 приведены последовательности амплитудных спектров сигналов (режим "водопад"), полученных от тензодатчика (вверху) и радиолокационного датчика (внизу) при перестройке частоты вибростенда в районе резонансной частоты турбинной лопатки. Как видно из приведенных спектров, полученные по двум различным каналам зависимости совпадают.

Рис. 48. Вибростенд и графическое представление амплитудных спектров сигналов

Возможность определения колебаний роторных лопаток и обнаружения забоин при их одновременном возникновении в процессе функционирования ГТД подтверждена теоретически и экспериментально. На рис. 49 показано изменение формы экспериментальных сигналов, полученных за несколько оборотов ротора при наличии забоины (верхняя совокупность кривых) и колебании одной роторной лопатки (нижняя совокупность кривых).

Рис. 49. Формы сигналов при наличии забоины и при её отсутствии

Использование различных алгоритмов обработки сигналов позволяет определить те или иные параметры колебаний роторных лопаток при работе роторной машины как в постобработке, так и в реальном времени. На рис. 50 представлены распределения напряжений, действующих у корня компрессорной лопатки, которые измеряются тензодатчиком, и результаты обработки сигналов микроволнового датчика (внизу) при перестройке частоты вращения ротора (ее третьей гармоники) вблизи резонанса компрессорной лопатки. Видно, что характер изменения максимальных значений параметров, определяемых двумя различными системами, при перестройке частоты вращения имеет высокую корреляцию. Приведенные результаты получены без доработки двигателя, во время его стендовых испытаний. При этом антенна микроволновой системы устанавливалась в лючок эндоскопического осмотра двигателя вместо стандартной заглушки.

Рис. 50. Графики распределения напряжений, действующих у корня компрессорной лопатки измеренных с помощью тензодатчика (вверху) и микроволнового датчика (внизу)

5.4 Измерение радиальных зазоров

Как известно, увеличение относительных радиальных зазоров газотурбинных двигателей (т.е. расстояния между внутренней поверхностью корпуса и торцами роторных лопаток) на 1% приводит к снижению КПД двигателя примерно на 3% и перерасходу топлива почти на 10% . В процессе работы роторной машины различные элементы газовоздушного тракта под воздействием температуры в разной степени изменяют свои линейные размеры, поэтому возможно либо чрезмерное увеличение радиального зазора, либо задевание роторных лопаток за корпус.

Измерение истинного значения радиальных зазоров в процессе функционирования ГТД и использование результатов измерения для управления величиной зазоров в процессе испытаний и штатной эксплуатации роторных машин позволяет существенно улучшить их технико-экономические параметры и надежность. Для практического измерения величины радиальных зазоров ГТД применяют аппаратуру, основанную на использовании механических или неконтактных (емкостных, вихретоковых, оптических и др.) первичных преобразователей (датчиков). Механические датчики в виде различных щупов и конструкций не позволяют измерять радиальные зазоры при их увеличении и в большинстве случаев не обеспечивают оперативный контроль. Недостатком перечисленных неконтактных датчиков является сложность обеспечения требуемой точности измерения радиальных зазоров при воздействии на первичные преобразователи высокой температуры, что затрудняет их использование на турбинах низкого и высокого давления.

Для измерения радиальных зазоров также может быть использован микроволновый метод, представляющий собой адаптированный к условиям газотурбинного двигателя фазовый метод измерения расстояний с использованием электромагнитных СВЧ колебаний, который заключается в том, что расстояние , пройденное до отражающего объекта, определяют через измерение разности фаз Δφ излучаемого и принятого сигналов:

 

Δφ=4π/λ, (2)

где ℓ - измеряемое расстояние, λ - длина волны СВЧ колебания.

Измерение разности фаз осуществляют, как правило, с помощью фазового детектора, имеющего периодическую зависимость выходного сигнала от разности фаз сигналов на его входах, например:

вых=U0·sinΔφ, (3)

где Uвых - выходное напряжение фазового детектора, U0 - амплитуда напряжения фазового детектора.

В соответствии с (3), полная разность фаз определяется как:

 

Δφ=φ1+2πn, (4)

где φ1=arcsin(Uвых/U0) - значение разности фаз, лежащее в диапазоне 0<φ1<2π, n = 0, 1, 2, ... - целое число.

С учетом (2) и (4), выражение для определения радиальных зазоров с использованием непрерывных СВЧ сигналов может быть записано в следующем виде:

 

= λ(φ1+2πn) /4π. (5)

Поскольку в большинстве случаев величина радиального зазора не превышает 2…10 мм, она может быть однозначно определена с использованием электромагнитных колебаний частотой 7… 38 ГГц (длина волны 8…40 мм).

Основное преимущество радиолокационного измерения радиальных зазоров состоит в том, что в точке измерения радиальных зазоров над верхними кромками роторных лопаток устанавливается только приемно-излучающая антенна, а радиоэлектронная аппаратура, обеспечивающая формирование зондирующих сигналов, прием отраженных сигналов и их обработку (активный микроволновый блок) размещается в "комфортных" условиях на удалении от "горячей" точки, в которой установлена антенна. При этом передача зондирующих сигналов от СВЧ блока к антенне и отраженного сигнала от антенны к СВЧ блоку может осуществляться с использованием коаксиальной или волноводной линии передачи сигналов значительной длины. Особенность измерения радиальных зазоров роторных машин состоит в том, что требуется выполнение измерений, желательно по каждой лопатке рабочего колеса, в широком температурном диапазоне (-60° …+1600°С) при воздействии на измерительное оборудование вибрации (до 10…60 g) сложной спектральной структуры.

Известные нам методы измерения радиальных зазоров, основанные на измерении фазы с использованием микроволновых датчиков, могут отличаться между собой схемой измерения, типом фазового детектора, рабочей длиной волны, типом и конструкцией антенн и линий передачи сигналов, реализованными методами минимизации влияния температуры и вибрации на результаты изменения и принципами калибровки. Тем не менее, в подавляющем большинстве случаев аппаратура, осуществляющая эти измерения, выполняется в соответствии с обобщенной структурной схемой, представленной на рис. 51. Точность измерения фазы в микроволновой системе определяется стабильностью излучаемых колебаний, шумами тракта обработки и теоретически позволяет измерять расстояние с точностью до тысячных долей микрона.

Рис. 51. Обобщённая структурная схема фазового детектора

5.5 Прохождение через проточную часть посторонних предметов


Экспериментальные исследования на авиационном двигателе показали, что при прохождении через проточную часть посторонних предметов, в выходном сигнале РЛД возникает интенсивная случайная составляющая, которая может значительно превышать уровень сигнала в нормальных условиях и имеет широкополосный спектр. На рис. 52 приведены реализация выходного сигнала микроволнового датчика (вверху) и его сонограмма (внизу), полученные во время прохождения через проточную часть ГТД металлических опилок. Прохождение через проточную часть графита и кварцевого песка проявляется аналогично. При проведении этих измерений антенна микроволновой системы устанавливалась в смотровом лючке между второй и третьей ступенями компрессора.

Для повышения вероятности обнаружения прохождения небольших одиночных посторонних предметов необходима установка нескольких антенных систем по периметру входа двигателя и оптимизация параметров и режимов работы микроволнового датчика. Приведенные примеры демонстрируют лишь часть возможностей микроволновых систем по контролю состояния и измерению параметров газотурбинных двигателей.

Рис. 52 Микроволновый датчик, выходной сигнал (справа вверху) и его сонограмма (справа внизу), полученные во время прохождения через проточную часть ГТД металлических опилок

Выводы и рекомендации

На основании результатов бороскопии, проводимой в ДАТО ФГОУ ГТК "Россия", и информации, полученной из интернета, следует сделать вывод, что двигатели семейства CFM56, несмотря на высокий заявленный ресурс, подвержены воздействию эксплуатационных факторов, под влиянием которых возникают повреждения их конструктивных элементов.

В ходе работ по осмотру выявлены следующие повреждения:

ü  наличие забоин, вмятин, царапин, на элементах проточной части компрессора;

ü  наличие механических потёртостей по заднему торцу полок рабочих лопаток и переднему краю бандажных сегментов лопаток направляющего аппарата второй и третьей ступени КВД, а также наличие механических потёртостей на выступах дисков и Г-образных кромках бандажных полуколец тех же ступеней, возникающих вследствие контакта вращающихся и неподвижных частей КВД;

ü  наличие трещин усталостного и термического характера, прогаров и потерь материала на элементах жаровых труб;

ü  наличие отложений продуктов сгорания топливовоздушной смеси на форсунках и элементах фронтовых устройств жаровых труб;

ü  смещение жаровой трубы в осевом направлении и выход форсунок с посадочной зоны фронтовых устройств жаровых труб;

ü  наличие забоин, трещин усталостного и термического характера, повреждений защитного покрытия на элементах проточной части турбины.

Все перечисленные повреждения приводят к возникновению нерасчётных нагрузок, действующих на элементы конструкции и, как следствие, значительному снижению их ресурса и надёжности двигателя в целом.

Для поддержания требуемого уровня надёжности и безопасности требуется осуществление периодического контроля технического состояния проточной части двигателя с целью недопущения выхода параметров повреждений за критические значения.

На основании полученных результатов анализа эксплуатационных свойств и условий эксплуатации двигателей семейства CFM56 можно выделить две проблемы, касающиеся вопросов технической эксплуатации.

Первая проблема заключается в том, что какими бы надёжным ни были двигатели, в процессе эксплуатации они подвергаются воздействию эксплуатационных факторов. Под воздействием этих факторов изменяется техническое состояние двигателя, происходит его переход из исправного состояния в работоспособное, из работоспособного в неработоспособное либо сразу из исправного в неработоспособное. Эта неизбежная последовательность событий является причиной снижения надёжности двигателя и его ресурса.

Чтобы поддерживать требуемый уровень безопасности и надёжности двигателя, проводится периодический контроль с целью выявления повреждений и определения текущего технического состояния. Однако это не решает проблему, когда повреждение уже произошло, и возникла необходимость в её устранении. Работы, направленные на устранение повреждений связаны с трудоёмкими демонтажно-монтажными технологическими процессами, финансовыми и временными затратами. Такое эксплуатационное свойство двигателей, как модульность во многом упрощает задачу, так как некоторые узлы двигателя могут демонтироваться без необходимости снятия двигателя с крыла. Это несколько снижает финансовые и временные затраты на обслуживание. Контролепригодность двигателей, обусловленная наличием предусмотренных при конструировании смотровых лючков, даёт возможность заметно снизить расходы на их техническое обслуживание.

Для снижения объема демонтажно-монтажных работ и связанных с ними финансовых и временных затрат предлагается применение устройства, представляющего собой видеоскоп и бормашину, как единое целое (см. приложение к пояснительной записке).

Исследование характерных повреждений двигателя показывает, что наиболее распространёнными повреждениями двигателей в процессе эксплуатации являются вмятины, забоины, царапины на элементах проточной части, возникающие в результате попадания посторонних предметов в проточную часть двигателя. Подобные повреждения являются концентраторами напряжений и могут привести к возникновению и развитию усталостных трещин. Применение предлагаемого устройства позволит устранить повреждения без осуществления трудоёмких демонтажно-монтажных работ, предотвратить зарождение трещин и, как следствие, сохранить ресурс повреждённого элемента и поддержать надёжность двигателя на приемлемом уровне.

Следующая проблема состоит в том, что помимо трудоёмких работ по восстановлению заданного уровня надёжности и безопасности двигателя существует необходимость проведения периодических осмотров проточной части с целью выявления неисправностей и оценки внутреннего технического состояния двигателя. Одним из непременных условий реализации перспективных методов технического обслуживания газотурбинных двигателей является широкое использование совокупности различных методов и средств технической диагностики, которые должны обеспечить обнаружение дефектов на ранней стадии их развития для обеспечения своевременного проведения ремонтных работ и недопущения аварии.

Для обнаружения дефектов на ранней стадии их развития с целью своевременного проведения ремонтных работ предлагается применение метода контроля состояния и диагностики ГТД, основанный на использовании радиолокационных измерений, который обеспечивает автоматический контроль состояния подвижных элементов проточной части в процессе функционирования ГТД без проведения сборочно-разборочных работ и осмотров.

Данный метод позволит решить такие задачи диагностики, как регистрацию и определение момента времени зарождения повреждений и определение его места (с точностью до элемента конструкции). Имея более полную, достоверную и актуальную информацию о техническом состоянии проточной части можно значительно снизить временные затраты на поиск и устранение неисправностей.

Список использованной литературы

1. ИНТЕРНЕТ (#"802327.files/image056.gif">

Комплектный набор, включающий бороскоп со встроенной бурмашиной, набор разновидных насадок и необходимое дополнительное оборудование

Похожие работы на - Конструкция авиационных двухкотурных двигателей семейства CFM56

 

Не нашли материал для своей работы?
Поможем написать уникальную работу
Без плагиата!
Без нейросетей!