Методы анализа СУ в САПР. Разработка САПР на основе системного подхода. CAE – Системы

  • Вид работы:
    Контрольная работа
  • Предмет:
    Информатика, ВТ, телекоммуникации
  • Язык:
    Русский
    ,
    Формат файла:
    MS Word
    1,37 Мб
  • Опубликовано:
    2015-05-20
Вы можете узнать стоимость помощи в написании студенческой работы.
Помощь в написании работы, которую точно примут!

Методы анализа СУ в САПР. Разработка САПР на основе системного подхода. CAE – Системы















Методы анализа СУ в САПР. Разработка САПР на основе системного подхода. CAE - Системы

Обозначения и сокращения

СУ - Система управления

ССУ - Средства и системы управления

ММ - математическая модель

САПР - Система автоматизированного проектирования

ОДУ - Обыкновенное дифференциальное уравнение

ДПФ - Дискретное преобразование Фурье

Содержание

Введение

1.        Многовариантный анализ в САПР

2.        Анализ чувствительности ССУ

2.1      Методы анализа чувствительности СУ при их использовании в САПР

3.        Статистический анализ СУ в САПР

3.1      Методы статистического анализа СУ в САПР

4.        CAE - Системы

4.1      Функции CAЕ-систем

4.2      Формат SPICE

4.3      Пример использования PSICE в OrCAD 9.2

Заключение

Список использованных источников

Приложение А

Введение


В основу многовариантного анализа, в отличие от всех других методов прогнозирования, положена концепция, по которой в силу многих неопределенностей нельзя заранее знать то “одно” будущее, которое когда-то будет иметь место. Поэтому надо оценить вероятные альтернативные последствия различных его вариантов и быть готовым к возможным изменениям, заранее выявив различные схемы отклика на конкретное протекание событий.

Многовариантный анализ используется как на начальных этапах проектирования, так и при отработке СУ и позволяет разработчику провести всестороннее изучение СУ, определить зависимость выходных параметров от внутренних параметров и их разброса в заданном диапазоне внешних воздействий.

Только при наличии такой информации разработчик может судить о возможности реализации СУ на данных элементах и о соответствии ее функционирования техническому заданию.

1.      Многовариантный анализ в САПР


Верификация проектных решений СУ требует выполнения многовариантного анализа. Многовариантный анализ заключается в многократном решении задач одновариантного анализа (многократное решение систем уравнений ММ объекта) при изменении внутренних параметров СУ или внешних параметров. Выходные параметры объекта (вектор Y) являются функцией внутренних (вектор X) и внешних (вектор Q) параметров .

В задачи этого вида анализа входит определение допустимых отклонений внутренних параметров проектируемых объектов от их номинальных значений (полученных с помощью одновариантного анализа) и именующих случайный (стохастический) характер.

Именно такого вида отклонения определяют надежность работы установки и точность поддержания её выходных характеристик. Этот вид анализа предполагает изучение случайных событий и процессов, происходящих в различных системах проектируемых изделий и использование аппарата теорий случайных процессов, математической статистики для оценки их влияния.

Исследование влияния малых отклонений внутренних (и внешних параметров) на выходные характеристики разрабатываемых изделий предполагает:

а) Исследование характера (типа) отклонений этих параметров;

б) Знание статистических характеристик случайных (стохастических) отклонений.

По типу все отклонения могут быть систематические и случайные.

а) Систематические отклонения - постоянные во времени и пространстве.

б) Случайные отклонения могут быть пространственными (постоянными во времени) например отклонения в параметрах элементов электронных схем (допуски на сопротивления, конденсаторы и т.п.), неточности в изготовлении ячеек ускоряющих волноводов и т.п.

Методы многовариантного анализа являются в некотором смысле надстройкой над одновариантных моделях, которые отражают специфику конкретных предметных областей. В этом смысле многовариантный анализ достаточно универсален, а его методы практически не зависят от конкретных приложений.

Типовыми процедурами многовариантного анализа, реализуемыми в САПР, являются процедуры анализа чувствительности и статистического анализа.

Рисунок 1.1 - Структура многовариантного анализа

2.      Анализ чувствительности ССУ


Анализ чувствительности заключается в нахождении тех элементов схемы и параметров этих элементов, отклонение которых от номинальных значений приводит к наибольшему отклонению выходных параметров схемы.

Параметры СУ в процессе работы не остаются равным расчетным значениям, что объясняется изменением внешних условий, неточностью изготовления отдельных устройств системы, старением элементов и т.д. Для числовой оценки чувствительности используют функции чувствительности, определяемые как частные производные от координат системы или показателей качества процессов управления по вариациям параметров:


где yi -координаты системы; xj - параметры системы. Индекс 0 означает, что функция uij вычисляется при номинальных значениях параметров.

Система, значения параметров которой равны номинальным и не имеют вариаций, называется исходной системой, а движение в ней - основным движением. Система, в которой имеют место вариации параметров, называется варьированной системой, а движение в ней - варьированным. Разность между варьированным и основным движениями называют дополнительным движением.

Пусть исходная система описывается системой нелинейных дифференциальных уравнений.

Пусть в некоторый момент времени в системе произошли вариации параметров Δxj, где j = 1, 2, …., m; тогда параметры станут равными xj +Δxj.

Если вариации параметров не вызывают изменения порядка уравнения, то варьированное движение описывается новой системой n уравнений первого порядка:


Продифференцируем уравнения исходной системы (3.2) по Δxj:


Полученные линейные дифференциальные уравнения (3.3) называют уравнениями чувствительности. Решение их дает функции чувствительности uij. В силу сложности уравнений (3.3) их решение весьма затруднительно. Поэтому для автоматизации метода анализа чувствительности разработаны и используются в САПР ряд численных методов.

Анализ чувствительности применяется по отношению к объектам с непрерывными ММ. Результаты анализа чувствительности находят применение при решении задач параметрической оптимизации внутренних параметров объекта с целью улучшений его выходных параметров, так как позволяет определить какие внутренние параметры и в каком направлении следует изменять в первую очередь.

Количественно степень влияния внутренних и внешних параметров на выходные оценивается с помощью коэффициентов влияния (чувствительности) - частных производных.

 - абсолютный коэффициент чувствительности

 - относительный коэффициент чувствительности

ном, yiном - номинальное значение параметров.

Значения аij, bij для всех выходных и изменяемых внутренних параметров составляют матрицы чувствительности А и В, размера (m ´ n) при

= (x1, x2, …, xn) и y = (y1, y2, …, ym)

Каждая строка матрицы А является вектором - градиентом одного из выходных параметров в пространстве внутренних параметров


Каждый столбец матрицы А характеризует влияние одного из внутренних параметров на все выходные параметры. В частных случаях может потребоваться вычисление только части матрицы чувствительности (например, градиент одного из выходных параметров). Формулы, явно выражающие коэффициент влияния через известные параметры объекта, могут быть получены в сравнительно редких случаях, когда используют аналитические модели объектов в виде . Тогда коэффициенты влияния определяются обычным дифференцированием выражений обычной модели.

2.1    Методы анализа чувствительности СУ при их использовании в САПР


1.      Метод приращений

Метод приращений - основан на численном дифференцировании зависимостей Y(X). Выполняется (n + 1) вариант анализа. В первом варианте принимается X = Xном результат анализа есть Yном. В каждом последующем (i + 1) варианте, i = 1, 2,.., n, задаётся отклонение от xiном только одному из внутренних параметров. Вычисляется значение Yi вектора Y и рассчитывается очередной i-й столбец Аi матрицы чувствительности


- выбирают обычно в пределах 5 - 10% от Хiном.

Достоинством метода являются универсальность, возможность распараллеливания вычислительного процесса. Недостатки метода - увеличение трудоёмкости, уменьшение точности.

2.      Метод присоединенной цепи

Метод позволяет анализировать как линейные так нелинейные схемы, содержащие компоненты всех известных типов. При этом для определения чувствительности нужно использовать результаты расчета двух схем - исходной и специальной вспомогательной - присоединенной. Присоединенная схема строится по формальным правилам путем некоторых преобразований элементов исходной схемы, т.е. основным требование для присоединенной схемы является идентичность топологии с исходной.

В общем случае для получения присоединенной схемы необходимо закоротить все источники напряжения, на выходе схемы подключить единичный источник тока, использовать специальные модели, заменяющие нелинейные элементы. При этом чувствительность выходного напряжения вычисляется на основании расчета статического режима исходной и присоединенной схемы. Анализ динамических коэффициентов чувствительности основан на анализе статических коэффициентов чувствительности для каждого шага интегрирования.

В основе подхода лежит теорема Теллиджена. Теорема утверждает, что если - напряжение ветвей схемы А, а - токи ветвей схемы А, то


в любой момент времени.

Эта формула выражает закон сохранения энергии в любой момент времени. Исходя из теоремы Теллиджена можно сделать следующие утверждения.

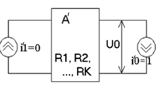
Схема А' называется присоединенной к схеме А, если она имеет идентичную топологию. При построении присоединенной цепи требуется соблюдать некоторые дополнительные условия.

Пусть - напряжение ветвей схемы А', а - токи ветвей схемы А' (где А' присоединенная схема),

Пусть  - напряжения ветвей схемы А и  - для схемы A то справедливо такие выражения

,

Рассмотрим определенный коэффициент чувствительности для резистивной схемы.

Рисунок 3.1 - Схема А

На рисунке к выходу схемы  подключен дополнительный источник тока (его сопротивление = ) не влияющий на работу схемы, но обеспечивающий удобство дальнейших преобразований.

Рассмотрим вторую схему А', топологически идентичную первой

Рисунок 3.2 - Схема А'

Компонентное уравнение для n-й ветви


Выражение для приращений


Применяя вышеприведенные формулы можно получить


здесь - чувствительность выходного напряжения  по элементу .

il, i'l - токи l-ных элементов исходной и присоединенной схем

Достоинство метода в том, что для получения коэффициентов чувствительности по всем элементам l необходимо промоделировать две схемы - А и А'.

Недостаток метода - расчет проводится только для одного выхода.

3.      Метод дифференцирования уравнений

Представим ММ в виде:


где  - вектор-столбец узловых потенциалов, - вектор-строка источников напряжения, - вектор-строка параметров компонентов схемы

Если φ* - решение уравнения (3.14), то справедлива система тождеств:


Продифференцировав (3.15) по параметрам p, получим:

Матрица коэффициентов чувствительности узловых потенциалов по параметрам, вычисляется по формуле (14)


4.      Прямой метод

Прямой метод - используется, когда ММ объекта есть система ОДУ, а выходные параметры - функционалы результатов интегрирования (определяются по результатам анализа переходных процессов). Пусть ММ объекта представлены в виде системы ОДУ  с вектором НУ V0, где V - вектор фазовых переменных размерности n; Х - вектор внутренних параметров (изменяемых) размерности m.

Эта система уравнений называется основной. Продифференцируем её по i-му элементу вектора X


Обозначив , получим вспомогательную систему из n линейных дифференциальных уравнений, называемых моделью чувствительности


Вектор zi - вектор чувствительности фазовых переменных к изменению i-го параметра.

Преобразование матрицы Z, составленной из столбцов zi, в матрицу чувствительности выполняется по алгоритмам, зависящим от способа определения выходных параметров Y, как функционалов зависимости V(t). Если yj - значение Vk вектора V в момент времени T, то , где Аj - j-я строка матрицы А, zk - k-я строка матрицы Z.

, то

Этот метод анализа чувствительности менее универсален, чем метод приращений, но позволяет повысить точность или снизить затраты машинного времени.

Он основан на интегрировании специальных систем обыкновенных дифференциальных уравнений, относится к специальному математическому обеспечению и применяется в подсистеме схемотехнического проектирования.

5.      Регрессионный метод.

В регрессионном методе анализа чувствительности коэффициенты чувствительности отождествляются с коэффициентами регрессии, рассчитываемыми в процессе статистического анализа по методу Монте-Карло.

Этот метод требует выполнения очень большого объема вычислений; его применение выгодно, если в каком-либо маршруте проектирования нужно решать задачи, как статистического анализа, так и анализа чувствительности.

6.      Метод сопряжённых уравнений

Для определения строки матрицы чувствительности интегрируется дополнительная система ОДУ, называемая сопряжённой.

3.      Статистический анализ СУ в САПР


При учёте производственного разброса внутренних параметров относительно номинальных значений компоненты вектора Х следует рассматривать как случайные величины. Выходные параметры также будут иметь разброс относительно номинальных значений.

Цель статистического анализа - получение информации о рассеянии выходных параметров Y и расчёт вероятности выполнения условий работоспособности. На основе статистического анализа прогнозируется возможный процент брака из-за невыполнения условий работоспособности, а при учёте старения внутренних параметров возможна оценка надёжности проектируемого объекта.

Статистический анализ сводится к определению основных статистических характеристик выходных параметров проектируемого объекта: плотности распределения этих параметров (гистограмм), математического ожидания (номинальных значений), средних квадратических отклонений (дисперсий), коэффициента корреляции и т.д. Исходными данными для статистического анализа являются технические требования на выходные параметры, предельно допустимые отклонения внешних параметров, сведения о законах распределения внутренних параметров. В большинстве случаев точная статистическая информация о внутренних параметрах отсутствует, но и при наличии приближённых исходных данных об их разбросе статистический анализ даёт полезную для проектирования информацию.

3.1    Методы статистического анализа СУ в САПР


1.      Метод наихудшего случая

Метод наихудшего случая характеризуется следующими требованиями:

выходной параметр должен находиться в пределах установленного поля допусков при наиболее неблагоприятных сочетаниях погрешностей.

Существует два способа расчёта погрешностей этим методом:

а) Первый состоит в том, что погрешность внутренних параметров определяется арифметическим или квадратичным суммированием частичных отклонений, вызванного действием каждого дестабилизирующего фактора в отдельности. По этим суммарным погрешностям определяется погрешность выходного параметра.

б) При втором способе отдельно определяется частичная погрешность выходного параметра за счёт погрешностей внутренних, вызванных влиянием каждого воздействующего фактора в отдельности. Результирующая погрешность выходного параметра определяется суммированием частичных погрешностей. Например, при ускорении релятивистских электронных сгустков в линейном электронном ускорителе с помощью дифференциального волновода неточность при изготовлении четырёх основных размеров волновода приводит к сдвигу сгустков по фазе ∆Qi. Этот сдвиг однозначно изменяет набираемую энергию.

В первом случае учёт этих изменений может быть произведён следующим образом:

∆Q1+∆Q2+∆Q3+∆Q4

При этом изменения (отклонения) в набираемой энергии оцениваются как

∆W=ƒ(∆)

Следует отметить, что оба способа дают одинаковые результаты только при линейной зависимости параметров. Для нелинейных зависимостей при втором способе получаются меньшие погрешности выходного параметра.

Основные недостатки этого метода следующие:

1)      Необоснованно арифметическое и квадратичное суммирование погрешностей параметров. Квадратичное суммирование частичных погрешностей внутренних параметров справедливо только при нормальном законе распределения погрешностей;

2)      Отсутствует количественная оценка попадания выходного параметра в поле допусков;

)        Невозможно оценить случаи появления крайних и средних значений выходного параметра;

)        Не позволяет определить причину выхода параметра из поля допуска если на него влияют несколько факторов;

Однако этот метод очень прост и позволяет быстро оценить (хотя и грубо) верхний предел допустимых отклонений внутренних и внешних параметров изделия.

При анализе методом моментов постулируют нормальный закон

распределения погрешностей внутренних и выходного параметров. Исходными являются характеристики закона распределения внутренних параметров.

Расчёт точности по методу моментов сводится к определению среднего значения (математического ожидания) определяемого выходного параметра и его среднего квадратического отклонения или дисперсии

γ=φ(mx,mx,…,mx)

где mxматематическое ожидание исходных параметров, γ - математическое ожидание выходной функции, а дисперсия

Dy = (∂φ/∂xi)m*Dx

где (∂φ/∂xi)m производная функции по i-му параметру в точке математического ожидания этого параметра.

Этот метод дает точные результаты только для линейных зависимостей и при нормальном распределении погрешностей. Для нелинейных зависимостей даже при нормальном законе распределения имеют место значительные ошибки.

3.      Метод статистических испытаний (Метод Монте-Карло)

Наиболее эффективным и современным методом является метод Монте-Карло, который получил в последнее время очень широкое распростронение. Этот метод имеет гораздо более широкие области применения при проектировании (анализе и синтезе математических моделей).

Можно выделить два основных направления применения метода Монте-Карло.

Во-первых, для исследования влияния случайных факторов, естественным образом присутствующих в структуре объекта. Учёт этих факторов в рамках имитационного моделирования имеет очень важное значение при проектировании.

Во-вторых, этот метод стал активно использоваться для решения детерминированных задач, т.е. задач, модели которых не содержат элемент случайности. В этом проявляется универсальность этого метода. Решение таких задач достигается построением вспомогательных вероятностных моделей, куда в качестве параметров входят подлежащие определению постоянные величины.

Поскольку основной идеей при решении детерминированных задач методом Монте-Карло является замена детерминированной задачи эквивалентной статистической, то естественно, что при такой замене вместо точного решения задачи получается приближённое, погрешность которого уменьшается с увеличением числа испытаний.

Однако наибольшее значение метод Монте-Карло приобрёл в САПР при исследовании влияния случайных факторов (временных или пространственных) непременно имеющих место при работе любого изделия. Он является основным методом многовариантного анализа в настоящее время.

При программной реализации метода Монте-Карло статистические испытания проводят с ММ объекта проектирования, где при этом моделируется задание случайных значений параметров компонентов ММ.

Алгоритм статистического анализа по методу Монте-Карло включает N-кратное выполнение анализа работы объекта, в каждом варианте анализа задаются случайные значения внутренним параметрам Х в соответствии с их законами распределения и фиксируются значения выходных параметров, то есть каждый вариант анализа работы объекта и представляет собой очередное статистическое испытание. Результаты испытаний обрабатываются с целью получения оценок числовых характеристик распределений выходных параметров и графиков статистических распределений (гистограмм).

Сложность задания случайных значений вектора Х внутренних параметров модели обусловливается разнообразием законов распределения и коррелированностью элементов вектора Х между собой. Выработка случайных значений внутренних параметров выполняется с помощью специальных алгоритмов. Для заданных законов распределения и коэффициентов корреляции для всех элементов вектора Х возникает задача моделирования этих законов. Чтобы решить эту задачу, проводят преобразования произвольно заданных законов распределения хj к теоретическим (обычно нормальному или равномерному). При статистическом анализе для параметров, у которых нет сведений о законе распределения, также предполагается нормальный закон распределения. Выработка случайных значений усложняется при наличии корреляционной связи между внутренними параметрами. Поэтому необходимо найти преобразование исходных статистических данных в многомерное теоретическое распределение с независимыми составляющими. Тогда обратное преобразование позволит моделировать произвольно распределенные случайные векторы X с реально существующими статистическими связями между его элементами.

Пусть L - m-мерный нормированный нормально распределенный вектор с некоррелированными элементами; P - m-мерный нормально распределенный вектор с коррелированными элементами, отражающими реальные связи элементов в объекте.

Подготовительный этап для проведения статистических испытаний заключается в определении вектор-функций F и H прямого P = F(X) и обратного X = H(P) преобразований. Пусть известны гистограммы распределения для всех внутренних параметров xj. Рассмотрим последовательность преобразования некоторой случайной величины x с произвольным распределением в величину p, имеющую нормированное нормальное распределение:


где jp(p) - плотность распределения p; Mp и sp - математическое ожидание и среднеквадратичное отклонение случайной величины p, причем Mp=0; sp=1.

Плотности распределения случайных величин x и p связаны соотношением jp(p)dp = jx(x(p)) dx. При этом


где xk и xk+1 - границы (k+1)-го интервала гистограммы распределения величины x; ΔNk+1 - число попаданий в (k+1)-й интервал гистограммы при общем количестве измерений величины x, равному N. В то же время интеграл в (4.6) равен


где F - интеграл вероятностей, а Uk = (p(xk) - Mp)/sp = p(xk).

Из (4.6) и (4.7) следует


Пусть известны U0, F(U0) и , по (4.7) найдем F(U1) и по таблице интеграла вероятностей U1 = p(x1), затем аналогично определим F(U2) и U2 и т.д. В результате получим зависимость прямого pk = f(xk) и обратного xk = h(pk) преобразований в табулированном виде. Совокупность функций h представляет собой преобразование H, с помощью которого можно задать случайное значение внутренним параметрам на основе вектора P, т.е. X=H(P).

В качестве исходных данных для реализации m взаимно коррелированных значений внутренних параметров удобно использовать последовательность некоррелированных нормально распределенных нормированных случайных чисел lj. Векторы L и P связаны соотношением P = ALPL, где ALP - матрица линейного преобразования. Способ получения матрицы ALP известен и представлен в литературе, в частности, на основе корреляционной матрицы вторых моментов.

Значения внешних параметров Q должны выбираться исходя из требований метода наихудшего случая, следовательно, статистический анализ должен начинаться с анализа чувствительности выходных параметров к изменению внешних параметров. Выбор режима статистических испытаний по внешним параметрам (номинальной, либо по наихудшему случаю) находится в компетенции проектировщика.

Алгоритм рабочего этапа метода Монте-Карло:

1.     задание случайных значений вектора L ;

2.      преобразование векторов L в P = ALP L и P в X=H(P);

.        одновариантный анализ работы объекта с расчетом Y при данном X;

.        повторение пунктов 1-3 до конечного числа испытаний N;

.        статистическая обработка результатов расчета.

Точность метода Монте-Карло во многом зависит от заданного количества испытаний N. Если задать погрешность оценки Mi и si в пределах (0.01-0.001) % с доверительной вероятностью 0.95, то N = 108. Однако на практике подобная точность не требуется, так как исходные данные имеют большую погрешность. Обычно N = 50¸200 при этом погрешность оценки Mi составляет (12-24) %, si - (10-23) % с доверительной вероятностью 0.9-0.95.

Достоинством метода Монте-Карло является простота реализации; универсальность, так как используется при произвольных законах распределения Х, а также при нелинейных и неявных видах связи между Х и Y, что является важным фактором при особенностях математического описании такого сложного и физически разнородного объекта, как современные СУ.

4.      CAE - Системы

система управление язык spice

CAE (Computer - aided engineering) - общее название для программ <#"802168.files/image061.gif">

Рисунок 4.1 - Повышающий ИСН с транзистором IRFJ120 в силовой цепи

Проведем анализ методом Монте-Карло и проанализируем выходную мощность на R5. Статистический анализ по методу Монте-Карло производится при статистическом разбросе параметров, описанных по директиве .MODEL. Введем в параметры элементов R_VD и C_out статический разброс параметров:

Рисунок 4.2 - Параметры статического разброса элементов

Рисунок 4.3 - Параметры моделирования

Рисунок 4.4 - Результаты моделирования

В результате проведенного анализа методом Монте Карло при N=10, выходная мощность с наибольшей вероятностью в 30% находиться на интервалах 8.428m - 8.434m Вт, а с наименьшей вероятностью 15% - на интервалах 8.397m - 8.417m и 8.434 - 8.447m Вт.

Заключение


Такие задачи проектирования, как многовариантный анализ, и статистические исследования предполагают многократное вычисление характеристик ССУ при изменении параметров компонентов, на что уходит до 95% машинного времени. Поэтому, вопросы разработки математического и программного обеспечения подсистем многовариантного анализа являются актуальными и заслуживают самостоятельного исследования. С другой стороны, эти вопросы должны решаться совместно с разработкой САПР на основе системного подхода. Последнее требование обусловлено тем, что выбор метода и организация программного обеспечения подсистемы многовариантного анализа во многом определяются автоматизируемыми проектными процедурами.

Список использованных источников


1       Норинков И.П. Автоматизированное проектирование: учебное пособие: М., 2010.

         Мухутдинова Г. С. Система автоматизированного проектирования ЭМУ И ЭМПЭ: УГАТУ, 2005. С. 13-37.

         Шимко В.Т. Основы САПР. СПб., 2011. С. 404

URL: #"802168.files/image065.gif">

Похожие работы на - Методы анализа СУ в САПР. Разработка САПР на основе системного подхода. CAE – Системы

 

Не нашли материал для своей работы?
Поможем написать уникальную работу
Без плагиата!
Без нейросетей!