Контактные методы и средства электроизмерения температур
Введение
Современная термодинамика
определяет температуру как величину, выражающую состояние внутреннего движения
равновесной макроскопической системы и определяемую внутренней энергией и
внешними параметрами системы.
Непосредственно температуру
измерить невозможно, можно лишь судить о ней по изменению внешних параметров,
вызванному нарушением состояния равновесия благодаря теплообмену с другими
телами.
Каждому методу определения
температуры, в основе которого лежит зависимость между каким-либо внешним параметром
системы и температурой, соответствует определенная последовательность значений
параметра для каждого размера температуры, называемая температурной шкалой.
Наиболее совершенной шкалой является термодинамическая температурная шкала
(шкала Кельвина).
Исходным эталоном температуры
является комплекс изготовленных в разных странах мира газовых термометров, по
показаниям которых определяются численные значения реперных точек по отношению
к точке кипения химически чистой воды при давлении 101325 Па, температура
которой принята равной 100,00°С
(373,15 К точно).
Весь температурный диапазон
перекрывается семью шкалами, для воспроизведения которых в зависимости от
области шкалы используются различные методы: от 1,5 до 4 К - измерение давления
паров гелия-4, от 4,2 до 13,8 К - германиевые терморезисторы, от 13,8 до 273,16
К и от 273,16 до 903,89
К- платиновые терморезисторы от 903,89 до 1337,58 К - термопары платинородий -
платина, от 1337,58 до 2800 К - температурные лампы и от 2800 до 100 000 К - спектральные методы.
Огромный диапазон существующих
температур (теоретически максимально возможное значение температуры составляет
1012 К) обусловил большое разнообразие методов их измерения.
Термоэлектрический метод
измерения температуры основан на использовании зависимости термоэлектродвижущей
силы от температуры
Нас будут интересовать
контактные методы и средства электроизмерения температур.
Тепловым называется
преобразователь, принцип действия которого основан на тепловых процессах и
естественной входной величиной которого является температура. К таким
преобразователям относятся термопары и терморезисторы, металлические и
полупроводниковые. Основным уравнением теплового преобразования является
уравнение теплового баланса, физический смысл которого заключается в том, что
все тепло, поступающее к преобразователю, идет на повышение его теплосодержания
QТС и, следовательно, если теплосодержание преобразователя остается неизменным
(не меняется температура и агрегатное состояние), то количество поступающего в
единицу времени тепла равно количеству отдаваемого тепла. Тепло, поступающее к
преобразователю, является суммой количества тепла Qэл, создаваемого в
результате выделения в нем электрической мощности, и количества тепла Qто,
поступающего в преобразователь или отдаваемого им в результате теплообмена с
окружающей средой.
Явление термоэлектричества было
открыто в 1823 г. Зеебеком и заключается в следующем. Если составить цепь из
двух различных проводников (или полупроводников) А и В, соединив их между собой
концами (рис. 1.), причем температуру 1 одного места соединения сделать
отличной от температуры о другого, то в цепи появится э.д.с., называемая
термоэлектродвижущей силой (термо-э.д.с.) и представляющая собой разность
функций температур, мест соединения проводников.
Подобная цепь называется
термоэлектрическим преобразователем или иначе термопарой; проводники,
составляющие термопару, - термоэлектродами, а места их соединения - спаями.
Рис.1. Конструкция термопары
При небольшом перепаде
температур между спаями термо-э.д.с. можно считать пропорциональной разности
температур.
1. Метрологические характеристики средств
измерений
.1 Общие положения
Метрологические характеристики - это
характеристики, влияющие на результат и погрешность измерений, они позволяют
осуществить оптимальный выбор приборов и проводить их сравнения. Все
метрологические характеристики можно разделить на пять групп:
·
Характеристики,
влияющие на результат измерения (статическая характеристика (функция
преобразования), чувствительность, цена деления, диапазон измерения);
·
Характеристики
погрешностей средств измерений (погрешность гистерезиса, абсолютная,
относительная, случайная, аддитивная, систематическая, мультипликативная,
нелинейная, основная, динамическая погрешности, порог чувствительности);
·
Характеристики
чувствительности к влияющим величинам (функция влияния, дополнительная
погрешность);
·
Динамические
характеристики (дифференциальные уравнения, частотные характеристики,
переходная характеристика, передаточная функция, постоянная времени и другие);
·
Характеристики
взаимодействия с подключаемыми устройствами (входной и выходной импеданс и
другие).
Статическая характеристика - это зависимость
выходного информативного сигнала от входного в статическом режиме.
Чувствительность характеризует степень влияния
входной величины на выходную и представляет собой отношение изменения выходной
величины y к входной x, вычисляется по [1] : (1.1)
Порог чувствительности - это наименьшее,
уверенно фиксированное, изменение выходной величины, начиная с которого может
осуществляться ее измерение.
Цена деления - величина между отметками шкалы,
выбирается не произвольно, и позволяет ориентировочно оценить точность прибора.
Динамический диапазон измерений - это отношение
максимального значения шкалы прибора к минимальному (не все приборы отмеряют от
нуля).
Любое измерение, как бы оно тщательно не
проводилось, неизбежно сопровождается ошибками (погрешностями), которые
обусловлены не совершенством метода измерений, конструкционными особенностями
прибора и другими причинами.
Различают погрешности результата измерений и
погрешности средств измерений. Погрешность результата измерения - это разница
между результатом измерения и истинным значением измеряемой величины. Истинное
значение измеряемой величины - это значение, идеальным образом отражающее
свойство данного объекта, как в количественном, так и в качественном отношении.
Понятие истинного значения абстрактно, на практике оно заменяется
действительным значением (экспериментальное значение, близкое к истинному
значению настолько, что может быть использовано вместо него). Погрешность
средства измерения - это разность между показаниями средства измерения и
истинным (действительным) значением измеряемой физической величины.
Эти два понятия достаточно близки, поэтому для
их оценки используются одинаковые модели и очень часто они одинаково
выражаются. По способу выражения погрешности делятся на абсолютные,
относительные и приведенные погрешности.
Абсолютная погрешность
-
это разность между измеренным 
и истинным 
значением,
вычисляется по [1]:

(1.2)
Относительная погрешность 
- это отношение
абсолютной погрешности измерения к истинному значению измеряемой величины,
вычисляется по [1] формула (1.3):

(1.3)
Приведенная погрешность 
- это отношение
абсолютной погрешности к диапазону измерений, вычисляется по [1] :

(1.4)
где 
- максимальное
значение шкалы прибора;

- минимальное
значение шкалы прибора.
По характеру проявления погрешности делятся на
случайные и систематические. Случайная погрешность - это погрешность, которая
изменяется случайным образом, при проведении повторных наблюдений.
Систематическая погрешность - это погрешность, которая остается постоянной или
изменяется по известному закону при проведении повторных наблюдений.
По зависимости абсолютной погрешности от
значений измеряемой величины различают мультипликативные (прямо пропорциональны
измеряемой величине), аддитивные (не зависят от измеряемой величины),
нелинейные (нелинейная зависимость от измеряемой величины).
По влиянию внешних условий различают основную и
дополнительную погрешности средств измерения. Основная погрешность - это
погрешность, которую имеет прибор при эксплуатации в нормальных условиях.
Дополнительная погрешность - это погрешность, возникающая при отклонении хотя
бы одной влияющей величины за пределы, установленные нормальными условиями.
В зависимости от влияния характера изменения
измеряемых величин погрешности средств измерения делят на статические и
динамические. Статическая погрешность - это погрешность средства измерения
применяемого для измерения физической величины, принимаемой за постоянную.
Динамической называется погрешность средства измерения, возникающая
дополнительно при измерении переменной физической величины и обусловленная
несоответствием его реакции на скорость изменения измеряемого сигнала.
Воздействие влияющих величин на метрологические
характеристики средств измерения описывается функцией влияния - зависимостью
изменения характеристик и параметров от изменения влияющей величины
(совокупности величин).
Погрешность гистерезиса (обратного хода) -
возникает из-за наличия люфтов в механических узлах и магнитных элементах.
Погрешность гистерезиса является наиболее трудноустранимой, ее оценкой является
вариация.
Вариация - это средняя разность между значением
выходной величины соответствующей одному и тому же значению входной величины и
полученная при многократном и разностороннем подходе к этой величине.
На метрологические характеристики должны быть
установлены нормы, сведения о них указываются в нормативной документации на
прибор (приложение к сертификату).
Первоначальные метрологические характеристики
устанавливаются при разработке и испытании средств измерения. Они могут быть
представлены или в виде номинальных функций преобразования (для статических
характеристик, для функций влияния), или в виде пределов допустимых значений
(для погрешностей и др.). Если норма на метрологические характеристики берется
в виде номинальных функций преобразований, то эта функция задается в виде
формулы, таблицы, графика, а если норма на метрологические характеристики
берется в виде предела допустимых значений, то этот предел выбирается из ряда:

,
где 
.
Для приборов погрешность нормируется классом
точности, под которым понимают совокупность не исключенных систематических и
случайных погрешностей. Причем, если преобладающей является мультипликативная
погрешность, то ее нормируют относительной погрешностью, если преобладает
аддитивная погрешность, то она нормируется приведенной погрешностью. Класс
точности ставиться на циферблате прибора (в первом случае значение класса
точности указывается внутри круга, во втором - без круга). Погрешность прибора
нормируется только для рабочей части шкалы.
Документально нормирование средств измерений
оформлено в ГОСТ 8009-84.
При использовании
средства измерения принципиально важно знать степень соответствия информации об
измеряемой величине, содержащейся в выходном сигнале, ее истинному значению. С
этой целью для каждого средства измерения вводятся и нормируются определенные
метрологические характеристики. Любые патентные решения направлены на улучшение
метрологических характеристик средства измерения. Расширение диапазона
измерений и уменьшение погрешности прибора ведет к улучшению его качества,
следовательно, расширяет его возможности в той сфере, где он используется
1.2 Номенклатура метрологических характеристик
Согласно [1] номенклатура МХ представлена
следующим образом:
1.2.1 Характеристики, предназначенные для
определения результатов измерений (без введения поправки)
1.2.1.1 Функция преобразования измерительного
преобразователя, а также измерительного прибора с неименованной шкалой или со
шкалой, отградуированной в единицах, отличных от единиц входной величины, f(x).
1.2.1.3 Цена деления шкалы измерительного
прибора или многозначной меры.
1.2.1.4 Вид выходного кода, число разрядов кода,
цена единицы наименьшего разряда кода средств измерений, предназначенных для
выдачи результатов в цифровом коде.
1.2.2 Характеристики погрешностей средств
измерений
1.2.2.1. Характеристики систематической
составляющей s погрешности средств измерений выбирают из числа
следующих: значение систематической составляющей s или
математическое ожидание М[s] и средне квадратическое отклонение [s]
систематической составляющей погрешности.
1.2.2.2 Характеристики случайной составляющей
погрешности
средств измерений выбирают из числа следующих:
среднее квадратическое отклонение [
]
случайной составляющей погрешности, нормализованная автокорреляционная функция
(T)
или функция спектральной плотности
()
случайной составляющей погрешности.
1.2.2.3 Характеристика случайной составляющей
H
погрешности от гистерезиса - вариация Н выходного сигнала (показания) средства
измерений.
1.2.2.5 В НТД(научно технической документации)
на средства измерений конкретных видов или типов допускается нормировать
функции или плотности распределения вероятностей систематической и случайной
составляющих погрешности.
1.2.2.6 Характеристика погрешности средств
измерений в интервале влияющей величины - такая же, как и по п. 1.2.2.4.
1.2.3 Характеристики чувствительности средств
измерений к влияющим величинам выбирают из числа следующих
1.2.3.1 Функции влияния ().
1.2.3.2 Изменения () значений MX средств
измерений, вызванные изменениями влияющих величин в установленных пределах.
1.2.4 Динамические характеристики средств
измерений
Полную динамическую характеристику выбирают из
числа следующих:
·
переходная
характеристика h(t);
·
импульсная
переходная характеристика g(t);
·
амплитудно-фазовая
характеристика G(j);
·
амплитудно-частотная
характеристика A() - для минимально-фазовых средств измерений;
·
совокупность
амплитудно-частотной и фазово-частотной характеристик;
·
передаточная
функция G(S).
1.2.4.2 Частные динамические характеристики
аналоговых средств измерений, которые можно рассматривать как линейные.
К частным динамическим характеристикам относят
любые функционалы или параметры полных динамических характеристик. Примерами
таких характеристик являются:
·
время
реакции tr;
·
коэффициент
демпфирования dam;
·
постоянная
времени Т;
·
значение
амплитудно-частотной характеристики на резонансной частоте A(0);
·
значение
резонансной собственной круговой частоты 0.
1.2.4.3 Частные динамические характеристики
аналого-цифровых преобразователей (АЦП) и цифровых измерительных приборов
(ЦИП), время реакции которых не превышает интервала времени между двумя
измерениями, соответствующего максимальной частоте (скорости) fmax
измерений, а также цифро-аналоговых преобразователей (ЦАП).
Примерами частных динамических характеристик АЦП
являются:
·
время
реакции tr;
·
погрешность
td датирования отсчета;
·
максимальная
частота (скорость) измерений fmax.
Примером частных динамических характеристик ЦАП
является время реакции преобразователя tr.
1.2.4.4 Динамические характеристики
аналого-цифровых средств измерений (в том числе измерительных каналов
измерительных систем и измерительно-вычислительных комплексов, оканчивающихся
АЦП), время реакции которых больше интервала времени между двумя измерениями,
соответствующего максимально возможной для данного типа средств измерений
частоте (скорости) fmax измерений:
·
полные
динамические характеристики (п. 2.4.1) эквивалентной аналоговой части
аналого-цифровых средств измерений;
·
погрешность
датирования отсчета td;
·
максимальная
частота (скорость) измерений fmax.
1.2.4.5 В НТД на цифровые средства измерений
конкретных видов или типов, наряду с установлением времени реакции или
погрешности датирования отсчета, можно устанавливать их отдельные составляющие,
такие как время задержки запуска, время ожидания, время преобразования, время
задержки выдачи результата и т.д.
1.2.4.6 Для АЦП и ЦАП динамические характеристики
следует указывать с учетом времени выполнения служебных операций,
предусмотренных интерфейсом, в котором выполнены устройства обмена информацией
этих средств измерений.
1.2.5 Характеристики средств измерений,
отражающие их способность влиять на инструментальную составляющую погрешности
измерений вследствие взаимодействия средств измерений с любым из подключенных к
их входу или выходу компонентов (таких как объект измерений, средство измерений
и т.п.).
Примерами характеристик этой группы являются
входной и выходной импедансы линейного измерительного преобразователя.
1.2.6 Неинформативные параметры выходного
сигнала средства измерений.
метрологический термопара
погрешность
2. Термопары.
Принцип действия, конструкция, достоинства и недостатки
Явление термоэлектричества было
открыто в 1823 г. Зеебеком и заключается в следующем. Если составить цепь из
двух различных проводников (или полупроводников) А и В, соединив их между собой
концами (рис. 1.), причем температуру 1 одного места соединения сделать
отличной от температуры о другого, то в цепи появится э.д.с., называемая
термоэлектродвижущей силой (термо-э.д.с.) и представляющая собой разность
функций температур, мест соединения проводников.
Подобная цепь называется
термоэлектрическим преобразователем или иначе термопарой; проводники,
составляющие термопару, - термоэлектродами, а места их соединения - спаями.
Рис.1. Конструкция термопары
При небольшом перепаде
температур между спаями термо-э.д.с. можно считать пропорциональной разности
температур.
Опыт показывает, что у любой
пары однородных проводников подчиняющихся закону Ома, величина термо-э.д.с.
зависит только от природы проводников и от температуры спаев и не зависит от
распределения температур между спаями.
Действие термопары основано на
эффекте Зеебека. Эффект Зеебека основывается на следующих явлениях. Если вдоль
проводника существует градиент температур, электроны на горячем конце добывают
высшие энергии и скорости, чем на холодном. В итоге возникает поток электронов
от горячего конца к холодному, и на холодном конце накапливается негативный
заряд, а на горячем остается некомпенсированный позитивный заряд. Поскольку
средняя энергия электронов зависит от природы проводника и по-разному растет с
температурой, при той же разнице температур термо-ЭДС на концах разных
проводников будут отличаться:
e1 = k1(T1 - T2); e2 = k2(T1 - T2)
где Т1 и Т2 - температуры
горячего и холодного концов соответственно; k1 и k2 -коэффициенты, что зависят
от физических свойств соответственно 1-го и 2-го проводников. Результирующая
разница потенциалов называется объемной термо-ЕРС:
eоб = e1 - e2 = (k1 - k2)(T1 - T2).
В местах спайки разнородных
проводников появляется контактная разница потенциалов, которая зависит от
площади и материалов прилегающих поверхностей и пропорциональная их
температуре:
ek1 = kповT1; ek2 = kповT2
где kпов - коэффициент
поверхностей касательных металлов. В итоге появляется вторая составляющая
исходного напряжения - контактная термо-ЕРС:
ek = ek1 - ek2 = kпов(T1
- T2)
Напряжение на выходе термопары
определяется как сумма объемной и контактной термо-ЭДС:
Uвих = eоб + ek = (k1 - k2 + kпов)(T1 - T2) = к(T1 - T2)
где к - коэффициент передачи.
Главные преимущества термопар:
- широкий диапазон рабочих температур, это самый
высокотемпературный из контактных датчиков.
- спай термопары может быть непосредственно
заземлен или приведен в прямой контакт с измеряемым объектом.
- простота изготовления, надежность и прочность
конструкции.
Недостатки термопар:
- необходимость
контроля температуры холодных спаев. В современных конструкциях измерителей на
основе термопар используется измерение температуры блока холодных спаев с помощью
встроенного термистора или полупроводникового сенсора и автоматическое введение
поправки к измеренной ТЭДС.
- возникновение
термоэлектрической неоднородности в проводниках и, как следствие, изменение
градуировочной характеристики из-за изменения состава сплава в результате
коррозии и других химических процессов.
- материал
электродов не является химически инертным и, при недостаточной герметичности
корпуса термопары, может подвергаться влиянию агрессивных сред, атмосферы и
т.д.
- на большой длине
термопарных и удлинительных проводов может возникать эффект «антенны» для
существующих электромагнитных полей.
- зависимость ТЭДС
от температуры существенно не линейна. Это создает трудности при разработке
вторичных преобразователей сигнала.
- когда жесткие
требования выдвигаются к времени термической инерции термопары, и необходимо
заземлять рабочий спай, следует обеспечить электрическую изоляцию
преобразователя сигнала для устранения опасности возникновения утечек через
землю.
3. Методы улучшения
метрологических характеристик и исключения погрешностей термопар
Анализ причин появления погрешностей измерений,
выбор способов их обнаружения и уменьшения являются основными этапами процесса
измерений. Погрешности измерений, принято делить на систематические и
случайные. В процессе измерений систематические и случайные погрешности
проявляются совместно и образуют нестационарный случайный процесс. Деление
погрешностей на систематические и случайные является удобным приемом для из
анализа и разработки методов уменьшения их влияния на результат измерения.
Рассмотрим способы обнаружения и исключения
систематических погрешностей, поскольку они зависят от выбора метода измерений
и его осуществления.
По характеру изменения систематические
погрешности делятся:
·
постоянные
- погрешности, связанные с неточной градуировкой шкалы прибора, отклонением
размера меры от номинального значения, неточным выбором моделей объектов.
·
переменные
·
периодические
- погрешность изменяющаяся по периодическому закону, например погрешность
отсчета при определении времени по башенным часам, если смотреть на стрелку
снизу, температурная погрешность от изменения температуры в течение суток и
т.п.
·
прогрессирующие
- погрешности монотонно изменяющиеся (увеличивающиеся или уменьшающиеся) в
общем случае по сложному, обычно неизвестному закону. Прогрессирующие
погрешности во многих случаях обусловлены старением элементов средств измерений
и могут быть скорректированы при его периодической поверке.
По причине возникновения погрешности измерений
разделяются на три основные группы:
·
методические
- погрешности обусловленные неодекватностью принимаемых моделей реальным
объектам, несовершенством методов измерений, упрощением зависимостей,
положенных в основу измерений, неопределенностью объекта измерения;
·
инструментальные
- погрешности обусловленые прежде всего особенностями используемых в средтсвах
измерений принципов и методов измерений, а таже схемным, конструктивным и
технологическим несовершенством средств измерений.
Выявление и устранение причин возникновения
погрешностей - наиболее распространенный способ уменьшения всех видов
систематических погрешностей. Примерами такого способа являются:
термостатирование отдельных узлов или прибора в целом, а также проведение
измерений в темостатированных помещениях для исключения температурной
погрешности, применение экранов, фильтров и специальных цепей (например,
эквипотенциальных цепей) для устранения погрешностей из-за влияния
электромагнитных полей, наводок и токов утечек, применение стабилизированных
источников питания.
Для уменьшения прогрессирующей погрешности из-за
старения элементов средств измерений, параметры таких элементов стабилизируют
путем искусственного и естественного старения. Кроме этого систематические
погрешности можно уменьшить рациональным расположением средств измерений по
отношению друг к другу, к источнику влияющих воздействий и к объекту
исследования. Например магнитоэлектрические приборы должны быть удалены друг от
друга, оси катушек индуктивности должны быть расположены под углом 90гр.,
выводы термопары должны располагаться по изотермическим линиям объекта.
Многие систематические погрешности, являющиеся
не изменяющимися во времени функциями влияющих величин или обусловленные
стабильными физическими эффектами, могут быть теоретически рассчитаны и
устранены введением поправок или использованием специальных корректирующих
цепей.
Другим радикальным способом устранения
систематических погрешностей является поверки средств измерений в рабочих
условиях с целью определения поправок к результатам измерения. Это дает
возможность учесть все систематические погрешности без выяснения причин их
возникновения. Степень корреции систематических погрешностей в этом случае,
естественно, зависит от метрологических характеристик используемых эталонных
приборов и случайных погрешностей поверяемых приборов.
Фактически поверка средств измерений перед их
использованием и введение поправок адекватна применению средств измерений более
высоких классов точности при условии, что случайные погрешности средств
измерений малы по сравнению с систематическими, а сами систематические погрешности
медленно изменяются во времени.
Метод инвертирования - широко используется для
устранения ряда постоянных и медленно изменяющихся систематических
погрешностей. Этот метод и ряд его разновидностей (метод исключения погрешности
по знаку, коммутационного инвертирования, структурной модуляции, двукратных
измерений, инвертирования функции преобразования и др.) основаны на выделении
алгебраической суммы четного числа сигналов измерительной информации, которые
вследствие инвертирования отличаются направлением информативного сигнала,
опорного сигнала или знаком погрешности.
Метод модуляции - метод близкий к методу
инвертирования, в котором производится периодическое инвертирование входного
сигнала и подавление помехи, имеющей однонаправленное действие.
Метод исключения погрешности по знаку - вариант
метода инвертирования, который часто применяется для исключения известных по
природе погрешностей, источники которых имеют направленное действие, например
погрешностей из-за влияния постоянных магнитных полей, ТЭДС и др.
Метод замещения- (метод разновременного
сравнения) является наиболее универсальным методом, который дает возможность
устранить большинство систематических погрешностей. Измерения осуществляются в
два приема. Сначала по отсчетному устройству прибора делают отсчет измеряемой
величины, затем, сохраняя все условия эксперимента неизменными, вместо
измеряемой величины на вход прибора подают известную величину, значение которой
с помощью регулируемой меры (калибратором) устанавливают таким образом, чтобы
показание прибора было таким же, как при включении измеряемой величины.
Метод равномерного компарирования - является
разновидностью метода замещения, он используется при измерениях таких величин,
которые нельзя с высокой точностью воспроизводить с помощью регулируемых мер
или других технических средств. Обычно это величины, изменяющиеся с высокой
частотой или по сложному закону. В качестве известных регулируемых величин при
этом используются величины такого же рода, как измеряемые, но отличающиеся от них
спектральным составом (обычно постоянные во времени и в пространстве) и
создающие такой же, как и измеряемая величина, сигнал на выходе компарирующего
преобразователя.
Метод эталонных сигналов - заключается в том,
что на вход средств измерений периодически вместо измеряемой величины подаются
эталонные сигналы такого же рода, что и измеряемая величина. Разность между
реальной градуировочной характеристикой используется для коррекции
чувствительности или для автоматического введения поправки в результат
измерения. При этом, как и при методе замещения, устраняются все
систематические погрешности, но только в тех точках диапазона измерений,
которые соответствуют эталонным сигналам. Метод широко используется в
современных точных цифровых приборах и в информационно-измерительных системах.
Пример использования этого метода является периодическая подстройка рабочего
тока в компенсаторах и цифровых вольтметрах постоянного тока при помощи
нормального элемента.
Тестовый метод - при использовании данного
метода значение измеряемой величины определяется по результатам нескольких
наблюдений, при которых в одном случае входным сигналом средства измерений
является сама измеряемая величина Х, а в других - так называемые тесты,
являющиеся функциями измеряемой величины.
Метод вспомогательных измерений используется для
исключения погрешностей из-за влияющих величин и неинформативных параметров
входного сигнала. Для реализации этого метода одновременно с измеряемой
величиной Х с помощью вспомогательных измерительных устройств производится
измерение каждой из влияющих величин и вычисление с помощью вычислительного
устройства, а также формул и алгоритмов поправок к результатам измерения.
Метод симметричных наблюдений заключается в
проведении многократных наблюдений через равные промежутки времени и усреднении
результатов наблюдений, симметрично расположенных относительно среднего
наблюдения. Обычно этот метод применяется для исключения прогрессирующих
погрешностей, изменяющихся по линейному закону. Так, при измерении сопротивления
резистора путем сравнения напряжения на измеряемом и эталонном резисторах,
включенных последовательно и питаемых от общего аккумулятора, может возникнуть
погрешность вследствие разряда источника питания.
Для исключения этой погрешности проводят три
измерения падения напряжения:
·
на
эталонном резисторе
U01 = I·R0;
·
через
равные промежутки времени на измеряемом резисторе
·
UX
= (I - ΔI1)·RX;
·
снова
на эталонном резисторе
·
U02
= (I - ΔI2)·R0.
Если ток изменяется во времени по линейному
закону, то
ΔI2
= 2ΔI1;
I - ΔI1
= (U01 + U02) / (2R0) и
RX = R0·2·UX / (U01 + U02).
Метод симметричных наблюдений можно также
использовать для устранения других видов погрешностей, например систематических
погрешностей из-за влияющих величин, изменяющихся по периодическому закону. В
этом случае симметричные наблюдения проводят через половину периода, когда
погрешность имеет разные знаки, но одинаковые значения. Таким образом,
например, можно исключить погрешность из-за наличия четных гармоник при
измерении амплитудного значения напряжения при искаженной форме кривой.
·
Разработка
структурной схемы
Контактный измеритель
температуры (термопара) подключен к усилителю, в который поступает термо ЭДС с
рабочего спая термопары, далее в усилителе ЭДС преобразуется в напряжение и
направляется в аналого-цифровой преобразователь, где преобразуется в цифровой
код и поступает на микроконтроллер, где на основе заданной зависимости
термо-ЭДС от температуры определяется температура измеряемого вещества. Сигнал
обрабатывается и далее измеренная величина наблюдается на индикаторе.
·
Расчет
и выбор основных параметров элементов устройства.
Строим зависимость термоэлектродвижущей силы от
разности горячего и холодного спаев.
|
T(K)
|
V (мкВ)
|
|
Нагревание
|
|
23
|
1
|
|
32
|
1,5
|
|
38
|
2
|
|
46
|
2,5
|
|
55
|
3
|
|
70
|
4
|
|
Охлаждение
|
|
58
|
3
|
|
50
|
2,5
|
|
42
|
2
|
|
36
|
1,5
|
|
28
|
1
|
Вычисляем постоянную термопары
по
зависимости
=
с помощью
метода наименьших квадратов. При этом уравнение линейной регрессии имеет вид:
,
где А - угловой коэффициент наклона прямой
проходящей через начало координат. Этот коэффициент находится по формуле:
, здесь
По формуле (11) находим отношение
концентрации электронов в металлах спая термопары:
Расчёт погрешностей
Погрешность определения углового коэффициента A
находится из соотношения:
Расчёт погрешности
осуществляется
как расчёт погрешности косвенного измерения, в результате чего получается
формула:
Расчет погрешности
·
Усилительный
каскад
Микросхемы представляют собой операционные
дифференциальные усилители с высоким входным сопротивлением и низким уровнем
входных токов, с внутренней частотной коррекцией, обеспечивающей устойчивую
работу при любых режимах отрицательной обратной связи, включая режимы
интеграторов и повторителей напряжения. Совокупность и уровень параметров этих
ИС позволяет их использовать вместо других ОУ (КР140УД608, КР140УД708,
КР140УД18, КР140УД22), а также применять в качестве интеграторов с большим
временем интегрирования и малой погрешностью, в электрометрах и логарифмических
усилителях с расширенным диапазоном логарифмирования. Малые значения шумового
тока и хорошие спектральные характеристики напряжения шума, высокие
динамические параметры, дают преимущества при использовании их в качестве
усилителей для высокоомных фотоприемников с режимом преобразования тока в
напряжение, схем выборки и хранения, высокоомных буферных каскадах.
Схема выходного каскада дает возможность иметь
высокую нагрузочную способность при любой полярности выходного напряжения, в
том числе при работе на большую емкостную нагрузки во всем диапазон температур.
Внешняя
балансировка
напряжения смещения осуществляется переменным резистором, подключаемым к
выводам 1,8 и 7. Содержит 32 интегральных элемента. Корпус типа 301.8-2, масса
не более 2 г и 2101.8-1, масса не более 1 г.
Корпус К544УД1 Корпус
КР544УД1
Рис. 5.2 - Операционные усилители
Рис. 5.3 - Условное графическое обозначение: 1,8
- баланс; 2 - вход инвертирующий; 3 - вход неинвертирующий; 4 - напряжение
питания (-Uп1); 5 - свободный; 6 - выход; 7-напряжение питания (Uп2);
Рис. 5.4 - Электрическая схема
Рис. 5.5 - Схема балансировки
·
Аналого-цифровой
преобразователь
Отличительные особенности:
·
Параллельные
интерфейсы: шириной 16- бит (MAX1165) и байт (MAX1166)
·
Высокая
скорость выборки: 165 К выборок/с
·
Точность:
интегральная нелинейность INL= ±2 LSB(младшего
значащего разряда) (макс)
·
Встроенный
ИОН 4.096 В, 35 ppm/°C
·
Внешний
ИОН в диапазоне от 3.8 В до 5.25 В
·
Однополярное
питание аналоговой части от 4.75 В до 5.25 В
·
Питание
цифровых каскадов от 2.7 В до 5.25 В
·
Низкий
потребляемый ток:
·
1.8
мА (внешний ИОН)
·
2.7
мА (внутренний ИОН)
·
0.1
мА (режим автоотключения, 10 К выборок/с, внешний ИОН)
·
Корпус
с малой площадью:
·
28-pin
TSSOP (16-бит)
·
20-pin
TSSOP (байт)
Области применения:
·
Мониторинг
температуры
·
Системы
управления техпроцессами
·
Платы
I/O
·
Системы
сбора данных
·
Кабельные
тестеры
·
Измерения
ускорений
·
Цифровая
обработка сигналов
Рис. 5.6 - Функциональная схема
Рис. 5.7 - Расположение выводов.
Описание:
16-ти разрядные, экономичные аналого-цифровые
преобразователи (АЦП) MAX1165/ MAX1166 последовательного приближения имеют
функцию автоматического отключения, встроенный тактовый генератор,
настраиваемый на стадии производства, а также, высокоскоростной, 16-ти
разрядный (MAX1165), или байт - параллельный (MAX1166) интерфейс. ИС имеют
напряжение питания аналоговой части от 4.75 В до 5.25 В и цифровой части от 2.7
В до 5.25 В. ИС MAX1165/ MAX1166 могут работать со встроенным (4.096 В), или с
внешним ИОН.
ИС MAX1165/ MAX1166 имеют потребляемый ток,
всего 1.8 мА, при скорости выборки 165 К выборок/с при использовании внешнего
ИОН и 2.7 мА - с встроенным ИОН. Функция автоотключения AutoShutdown™ сокращает
потребляемый ток до 0.1 мА при 10 К выборок/с.
ИС MAX1165/ MAX1166 идеально подходят для
использования в высокопроизводительных приложениях сбора данных с автономным
питанием. Отличные динамические характеристики и низкое энергопотребление при
малых габаритах делают ИС MAX1165/ MAX1166 лучшим выбором для приложений с
высокими требованиями к уровню энергопотребления и габаритным характеристикам.
14-ти разрядная версия ИС MAX1165 выпускается в
корпусе 28-pin TSSOP, а байт- параллельная версия MAX1166 доступна в корпусе
20-pin TSSOP. Обе ИС выпускаются, либо для коммерческого (от 0°С до +70°С),
либо для расширенного (от-40°С до +85°С) температурных диапазонов.
·
Микроконтроллер
PIC16C84
(или PIC16F84)
фирмы "Microchip"
- миниатюрный, но мощный микроконтроллер. Он основан на EEPROM или
"FLASH" технологии, позволяющей перепрограммировать его буквально за
секунды. Типовое количество циклов перезаписи - около 1000. Из его 18-ти
выводов 13 могут использоваться как разряды ввода/вывода общего назначения.
Когда они программируются на вывод, то допускают ток "1" до 20мА и
ток "0" до 25мА (более чем достаточный для подключения, например, светодиодов).
Это позволяет разрабатывать на данном микроконтроллере простые и недорогие
электронные устройства и делает его идеальным для желающих изучить принципы
работы микроконтроллеров.
Этот короткое руководство предназначено для
людей, которые только что собрали или купили программатор для PIC
микроконтроллера и хотят убедиться, что оба, программатор и микроконтроллер,
работают. Для этого сначала необходимо обладать некоторыми знаниями о структуре
и функционировании PIC микроконтроллера. Это цоколевка выводов (см.рис.):
рис.5.8
Выводы RA* и RB* - это контакты ввода/вывода,
связанные с регистрами микроконтроллера PORTA и PORTB соответственно (RA4 также
может быть использоваться как вход внутреннего таймера, а RB0 может быть
использован как источник прерываний). VDD и VSS - выводы питания (+Uпит и GND
соответственно). Серия 16x84 работает в широком диапазоне питающих напряжений,
но обычно VSS подключен к 0В, а VDD подключен +5В.
Вывод основного сброса /MCLR обычно подключен к
VDD (напрямую или через резистор), потому что микроконтроллер содержит надежную
схему сброса при включении питания - все, что вам надо, микроконтроллер
выполнит сам. Выводы OSC1 и OSC2 подключаются к генератору тактовой частоты и
могут быть сконфигурированы для различных его типов, включая режимы кварца и
RC-генератора. Простая схема, которая используется как база для проекта с
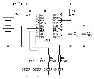
использованием PIC16C84 представлена на рисунке:
Более наглядная схема:
Устройство отображения информации (ЖКИ)
Блоками цифровой
индикации мы условно называем важнейшие части и узлы измерительных и
контролирующих приборов, электронных часов и многих других приборов и устройств
с визуально наблюдаемой цифровой информацией. Их образуют дешифраторы -
специальные микросхемы, преобразующие (дешифрирующие) логическое кодовое
состояние предшествующих им счетчиков импульсов в сигналы десятичной системы, и
знакосинтезирующие индикаторы - электронные приборы, отображающие информацию.
Один дешифратор и соответствующий ему один знакосинтезирующий индикатор
образуют одноразрядный блок цифровой индикации.
Что собой представляют и как работают
знакосинтезирующие индикаторы?
Для отображения результатов измерений и
служебной информации необходимо применение точечно-матричного индикатора. В
настоящее время существует 3 основных семейства устройств отображения
информации- вакуумно-люминесцентные, светодиодные и жидкокристаллические.
Вакумно-люминесцентные приборы требуют
относительно высоких (порядка 30-50 В) напряжений питания и дополнительных
цепей питания переменного тока для обеспечения прогрева катода. Применение
такого устройства отображения в данном приборе существенно увеличило бы его
сложность и габариты.
Матричные светодиодные устройства отображения
изготавливаются в виде относительно небольших матриц (как правило 7х5 или 8х8
элементов). Одного такого устройства достаточно для отображения одного символа.
Для работы прибора необходимо одновременное отображение, по, крайней мере,
12-15 символов. При сборке устройства отображения, удовлетворяющего таким
требованиям из отдельных элементов, по 1 символу возникают определенные
технологические трудности, связанные с размещением большого количества
электрических цепей на плате устройства отображения информации.
Рис 5.9 - Структурная схема
жидкокристаллического модуля семейства LM44780.
Точечно-матричный жидкокристаллический индикатор
семейства LM44780 основные характеристики.
Тип индикатора пассивный,
матричный.
Количество отображаемых символов/строк 20/2
Размеры знакоместа одного символа 5х7
Схема управления и регенерации
встроенная
Управление 3-х
разрядная линия
Количество генерируемых символов 208
Для записи информации в ЖК-модуль необходимо
выставить сигнал RS в состояние, соответствующее характеру обмена; сигнал R/W
установить в низкий логический уровень, выставить на шине данных передаваемую
информацию, изменить уровень сигнала Е с низкого на высокий и обратно.
Работа с модулем отображения информацией должна
начинаться со специальной инициализирующей последовательности данных. Далее
следуют команды очистки индикатора, управления курсором, определения
произвольных символов (если необходимо) и коды выводимых символов.
Рис. 5.10 - Условное графическое обозначение и
структура.
Выбор блока питания- Регулируемый источник
питания (LM317) 1,2…20В/1,0А
Источник питания предназначен для питания
различных радиоэлектронных устройств. Наличие регулировки позволяет установить
выходное напряжение стабилизатора в пределах 1,2…20 В с максимально допустимым
током до 1,0 А, что значительно расширяет возможности его применения.
Предлагаемый источник питания имеет хорошие
технические характеристики и удовлетворяет самым высоким требованиям,
предъявляемым к устройствам данного класса. Стабилизированный источник питания
имеет встроенную систему защиты от перегрузки по току и превышению максимально
допустимой температуры. Он прост в сборке и надежен в эксплуатации. Данное
устройство найдет широкое применение в радиолюбительской практике. Размер
печатной платы: 90x40 мм.
Технические характеристики.
Выходное напряжение: 1,2 20 В.
Номинальный ток нагрузки: 1,0 А.
Максимальный ток нагрузки: 1,2 А.
Минимальное входное напряжение переменного тока
при номинальном токе нагрузки, не менее: ~7,0 В (при выходном напряжении не
более 1,5 В).
Максимально допустимое входное напряжение
переменного тока при номинальном токе нагрузки, не более: ~26
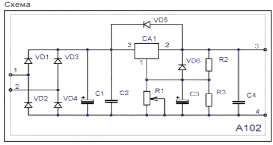
Краткое описание:
Стабилизированный источник питания состоит из
выпрямителя, выполненного на диодах VD1..VD4 сглаживающего фильтра (конденсатор
С1) и линейного стабилизатора напряжения, выполненного на интегральной
микросхеме DA1. Выходное напряжение стабилизатора устанавливается с помощью
переменного резистора R1. Керамические конденсаторы С2…С4 предотвращают
паразитное самовозбуждение микросхемы которое может быть вызвано характером
нагрузки стабилизатора.
Внимание: при установке конденсатора С1 и диодов
необходимо соблюдать полярность.
Рис. 5.12 - Электрическая схема
Управляющая клавиатура
Клавиатура, используемая в данной разработке
должна содержать не менее двенадцати клавиш - клавиши для ввода цифр 0…9 и две
функциональные клавиши - “сброс” и “пуск”.
Как показал анализ различных конструктивных
вариантов клавиатур, а также обзор промышленно выпускаемых клавиатур, наиболее
приемлема конструкция фирмы “TESLA” типа GP-8213.
Рис. 5.13 - Обозначение на печатной
плате
Конструкция представляет собой пластину из
диэлектрического материала (стеклотекстолит) на которой методом химического
травления выполнены контактные площадки. Пример такой площадки показан на
рисунке. Для замыкания между собой этих контактов используется резиновый диск,
на который напылена тонкая пленка электропроводящего материала.
Диск приклеивается к резиновому основанию,
которое исполняет роль пружины.
При нажатии на клавишу контактный диск
прижимается к металлическим контактным площадкам и замыкает их между собой. Как
показали измерения, несмотря на то, что электропроводящий слой достаточно
тонкий, сопротивление такого контакта составляет примерно 60 Ом, что вполне
приемлемо для управления цифровыми микросхемами ТТЛ (ТТЛШ).
Схема соединения контактных площадок приведена
на рис. 5.15. Одна из сторон каждого контакта клавиш 0…9 а также клавиши “пуск”
соединяется с источником питания +15 В. Входная сторона клавиши “стоп”
соединяется с нулевым проводом.
Рис.5.15 - Электрическая схема клавиатуры
Заключение
Данный курсовой проект позволяет закрепить
теоретические знания, полученные в курсе «Основы проектирования приборов и
систем» и приобрести практические навыки в проектировании систем для измерения
температуры с применением ЭВМ.
Список
использованной литературы
1. ГОСТ 8.009-84
Нормируемые метрологические характеристики средств измерений.
2. «Сплавы для
термопар: Справочное издание» Рогельберг И.Л., Бейлин В.М 1983г.
3. Интегральные микросхемы и их
зарубежные аналоги: Справочник. Том 2./А.В. Нефедов. - М.: ИП РадиоСофт, 1999г.
- 640с.:ил.