Эксплуатация и ремонт измерительных трансформаторов напряжения

  • Вид работы:
    Контрольная работа
  • Предмет:
    Физика
  • Язык:
    Русский
    ,
    Формат файла:
    MS Word
    180,12 Кб
  • Опубликовано:
    2015-07-21
Вы можете узнать стоимость помощи в написании студенческой работы.
Помощь в написании работы, которую точно примут!

Эксплуатация и ремонт измерительных трансформаторов напряжения

Управление образования Могилевского облисполкома

Государственного учреждения образования

«Могилевский профессиональный электротехнический колледж»

Специальность: 3-36 03 52 Техническая эксплуатация электрооборудования

Квалификация: 3-36-03-52-51 Электромонтер по ремонту и  обслуживанию электрооборудования 3-го разряда







Пояснительная записка

к письменной экзаменационной работе

Тема работы:

«Эксплуатация и ремонт измерительных трансформаторов напряжения»

Руководитель работы:

Л.А. Чикунская

Консультант и нормоконтролёр

О.А. Аладьева

Исполнитель

учащийся группы №22:

И.Д. Коваленко

Могилев 2015

Содержание

Введение

. Техническое описание измерительных трансформаторов напряжения

.1 Назначение измерительных трансформаторов напряжения

.2 Технические характеристики

.3 Устройство и принцип действия измерительных трансформаторов напряжения

2. Организация технического обслуживания и ремонтов измерительных трансформаторов напряжения

.1 Техническое обслуживание

.2 Ремонт

.3 Разработка технической документации: маршрутно-технологическая карта ремонта НОМ-10

. Техника безопасности при обслуживании измерительных трансформаторов напряжения

Список литературы

обслуживание напряжение измерительный трансформатор

Введение

Современная Беларусь - быстроразвивающееся государство, находящееся в центре Европы. Поэтому её экономика с каждым годом требует всё больше топливных ресурсов. За счёт местных ресурсов наша страна может удовлетворить свои потребности не более чем на 10%, так как крупных залежей топливно-энергетических ресурсов у нас нет. Сама Республика Беларусь относится к странам, небогатым топливными ресурсами, поэтому свои потребности она вынуждена удовлетворять за счёт импорта ресурсов, преимущественно из России. Однако есть некоторые исключения в сфере природных ресурсов.

В Республике Беларусь будет построена и атомная электростанция (АЭС) в Островецком районе Гродненской области. Выбор места под постройку электростанции происходил из трёх площадок, две из которых находятся на территории Могилёвской области. Тендер на поставку ядерного топлива выиграла российская корпорация "Росатом". К 2016 году планируется ввести в строй первый реактор станции, а к 2020 году второй. Когда электростанция достигнет проектной мощности, она сможет на 30% удовлетворить потребности Беларуси в электроэнергии, которые, кстати, сейчас составляют 40,1 млрд. кВт.

Энергопотребление в нашей стране за счёт её развития будет расти, как и во всём мире. Однако запасы природных ресурсов, таких как нефть, газ и уголь, ограничены. Атомная энергия очень опасна в экологическом отношении. Поэтому, особенно в последнее время, растёт интерес к возобновляемым источникам электроэнергии, таким как энергия ветра, солнца, воды и подземного тепла. Есть интерес ко всем этим направлениям и у Беларуси. Как уже упоминалось ранее, в нашей стране 20 гидроэлектростанций (ГЭС).

Другой нетрадиционный источник энергии - энергия солнца. Но расходы на возведение крупных солнечных электростанций очень велики, а получить много электроэнергии можно только в тех местах, где в году большое количество ясных дней, а это преимущественно пустыни, где количество ясных дней превышает 300 в течение одного года.

1. Техническое описание измерительных трансформаторов напряжения

1.1 Назначение измерительных трансформаторов напряжения

Трансформатор напряжения понижает высокое напряжение до стандартного значения 100 или 100/v3 В. и для отделения цепей измерения и релейной защиты от первичных цепей высокого напряжения. Первичная обмотка включена на напряжение сети U1, а к вторичной обмотке (напряжение U2) присоединены параллельно катушки измерительных приборов и реле. Трансформатор напряжения в отличие от трансформатора тока работает в режиме, близком к холостому ходу, так как сопротивление параллельных катушек приборов и реле большое, а ток, потребляемый ими, невелик.

Рисунок 1 - Схема включения трансформатора напряжения: 1 - первичная обмотка; 2 - магнитопровод; 3 - вторичная обмотка

Для питания вторичных цепей трансформаторы напряжения могут устанавливаться как на шинах подстанции, так и на каждом присоединении. Прежде чем приступить к электромонтажу, следует провести осмотр ТН и проверить целостность изоляции, исправность швов армировки и уровень масла у масляных трансформаторов. При установке первичная и вторичная обмотки ТН в целях безопасности заворачиваются, поскольку случайное соприкосновении вторичной обмоток с проводами сварки, освещения и т.п.

может привести к появлению на выводах первичной обмотки высокого напряжения, опасного для человеческой жизни. Чтобы обслуживание  вторичных цепей при эксплуатации было безопасным, обязательно производится заземление вторичной обмотки трансформатора и его корпуса. Таким образом, устраняется возможность перехода высокого напряжения во вторичные цепи при пробое изоляции.

Номинальный коэффициент трансформации определяется следующим выражением:


гденом и U2ном - номинальные первичное и вторичное напряжения соответственно.

Рассеяние магнитного потока и потери в сердечнике приводят к погрешности измерения

Так же как и в трансформаторах тока, вектор вторичного напряжения сдвинут относительно вектора первичного напряжения не точно на угол 180°. Это определяет угловую погрешность.

В зависимости от номинальной погрешности различают классы точности 0,2; 0,5; 1; 3. Погрешность зависит от конструкции магнитопровода, магнитной проницаемости стали и от cosφ2, т.е. от вторичной нагрузки. В конструкции трансформаторов напряжения предусматривается компенсация погрешности по напряжению путем некоторого уменьшения числа витков первичной обмотки, а также компенсация угловой погрешности за счет специальных компенсирующих обмоток.

Суммарное потребление обмоток измерительных приборов и реле, подключенных к вторичной обмотке трансформатора напряжения, не должно превышать номинальную мощность трансформатора напряжения, так как в противном случае это приведет к увеличению погрешностей.

Подключая измерительные приборы и устройства защиты к ТН, следует учитывать тот факт, что включение большого количества электроприборов приводит к повышению значения тока во вторичной обмотке и увеличению погрешности измерения. Поэтому следите за тем, чтобы полная мощность подключенных приборов к трансформатору напряжения не превышала максимально допустимой мощности нагрузки ТН, указанной в паспорте. В случае если мощность нагрузки превышает номинальную мощность трансформатора для требуемого класса точности, необходимо установить еще один трансформатор напряжения и часть приборов присоединить к нему.

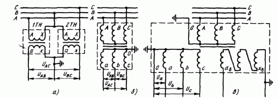
В зависимости от назначения могут применяться трансформаторы напряжения с различными схемами соединения обмоток.

Для измерения трех междуфазных напряжений можно использовать два однофазных двухобмоточных трансформатора НОМ, НОС, НОЛ, соединенных по схеме открытого треугольника, а также трехфазные  двухобмоточные трансформаторы НТМК, обмотки которых соединены в звезду. Для измерения напряжения относительно земли могут применяться

три однофазных трансформатора, соединенных по схеме Y0 /Y0, или трехфазные трехобмоточные трансформаторы НТМИ или НАМИ. В последнем случае обмотка, соединенная в звезду, используется для присоединения измерительных приборов, а к обмотке, соединенной в разомкнутый треугольник, присоединяется реле защиты от замыканий на землю. Таким же образом в трехфазную группу соединяются однофазные трехобмоточные трансформаторы типа ЗНОМ и каскадные трансформаторы НКФ.

 <#"801990.files/image004.gif">

Рисунок 3 - Общий вид, габаритные и присоединительные размеры трансформатора типа НОМ-10-66 Т2: 1 - ввод ВН; 2 - ввод НН; 3 - воздухоосушитель; 4 - болт заземления М8.

Трансформатор напряжения понижает высокое напряжение до стандартного значения 100 или 100/v3 В. и для отделения цепей измерения и релейной защиты от первичных цепей высокого напряжения. Первичная обмотка включена на напряжение сети U1, а к вторичной обмотке (напряжение U2) присоединены параллельно катушки измерительных приборов и реле. Трансформатор напряжения в отличие от трансформатора тока работает в режиме, близком к холостому ходу, так как сопротивление параллельных катушек приборов и реле большое, а ток, потребляемый ими, невелик.

2. Организация технического обслуживания и ремонтов измерительных трансформаторов напряжения

2.1 Техническое обслуживание

Техническое обслуживание трансформаторов напряжения и их вторичных цепей осуществляется персоналом и заключается в надзоре за работой самих трансформаторов напряжения и контроле за исправностью цепей вторичного напряжения.

Надзор за работой трансформаторов напряжения производится во время осмотров оборудования. При этом обращают внимание на общее состояние трансформатора напряжения, наличия в них масла, отсутствие разрядов и треска внутри трансформатора напряжения, отсутствие следов перекрытий по поверхности изоляторов и фарфоровых покрышек, степень загрязнения изоляторов, отсутствие трещин и сколов изоляции, а также состояние армировочных швов. При обнаружении трещин в фарфоре, трансформаторы напряжения должны быть отключены и подвергнуты детальному осмотру и испытанию.

В процессе эксплуатации необходимо следить за тем, чтобы плавкие вставки предохранителей были правильно выбраны. Надежность действия предохранителей обеспечивается в том случае, если номинальный ток плавкой вставки меньше в 3…4 раза тока короткого замыкания в наиболее удаленной точке от трансформаторов напряжения вторичных цепей.

На щитах управления необходимо систематически контролировать наличие напряжения от трансформаторов напряжения по вольтметрам и сигнальным устройствам (табло, сигнальные лампы, звонок).

В случае исчезновения вторичного напряжения из-за перегорания предохранителей низкого напряжения, их следует заменить, а отключившиеся автоматы - включить. У трансформаторов тока, находящихся в эксплуатации, проверяют: наличие закороток на свободных концах вторичных обмоток, исправность изолирующих элементов, надежность присоединения шин РУ к выводам первичных обмоток, « сохранность токопроводящего слоя графитовой краски (54% графита, 32% лака, 14% бензина), состояние изоляции вторичной обмотки, уровень масла (в маслонаполненных трансформаторах). Трансформаторы тока с пониженной изоляцией подвергают сушке первичным током при короткозамкнутой вторичной обмотке или вторичным током при короткозамкнутой первичной обмотке.

В процессе эксплуатации трансформаторов тока производят систематическую проверку сопротивления изоляции вторичных цепей (вторичных обмоток трансформатора тока, токовых катушек реле, контакторов и приводов, токовых цепей контрольно-измерительных приборов и др.). Сопротивление изоляции вторичных цепей, измеренное мегаомметром на 1000 В, должно быть не менее 1МОм для каждого присоединения. Вторичные цепи испытывают приложением в течение 1 мин напряжения переменного тока 2 кВ или же одноминутным испытанием изоляции мегаомметром на 2500 В. Периодичность испытаний повышенным напряжением 1 раз в 3 года, а измерения сопротивления изоляции -- в сроки, определяемые местными инструкциями.

Не реже 1 раза в год проверяют масло эксплуатируемых трансформаторов тока сокращенным анализом и испытанием электрической прочности: масло должно отвечать нормам, а его пробивное напряжение (испытанное в стандартном разряднике) должно быть у трансформаторов тока на номинальное напряжение 35kB не менее 30кВ. У находящихся в эксплуатации трансформаторов тока должны быть заземлены все металлические части, связанные со вторичной обмоткой (кожух, фланцы, основание, цоколь, тележка и т. п.), а также один из выводов вторичной обмотки, если это допустимо по условиям работы схемы релейной защиты. Работы, связанные с переключениями в цепях вторичных обмоток, а также с размыканием этих цепей, следует производить только после отключения трансформаторов тока от сети. Выполнение указанных операций без отключения трансформаторов тока допускается только в цепях, снабженных специальными, зажимами для закорачивания.

Во время эксплуатации и после аварии или длительного пребывания в отключенном состоянии проводятся внеплановые осмотры в соответствии с ПТЭ, «Правилами технической безопасности» (ПТБ) и заводскими инструкциями.

Трансформаторы тока и напряжения осматривают одновременно со всем остальным оборудованием, при этом обращают внимание на состояние контактных соединений, особенно первичной обмотки трансформаторов тока с шинами распределительного устройства, а также корпуса бака, литой изоляции, на отсутствие течи масла у маслонаполненных аппаратов через армировочные швы и прокладки. Уровень масла в этих трансформаторах должен соответствовать контрольной черте при указанной температуре. На поверхности изоляторов и в местах крепления фланцев не должно быть сколов и трещин. Проникновение воды в трещины армировки и ее замерзание приводят к дальнейшему разрушению армировки. При появлении трещин в фарфоровом корпусе изоляции возможна утечка масла.

Обращают внимание на чистоту поверхности и наличие следов перекрытия изоляторов, цвет силикагеля во влагоосушительных фильтрах, отсутствие разрядов и треска в трансформаторах.Шкафы вторичных цепей, в которых хранятся запасные предохранители, должны быть плотно закрыты.
Работа трансформаторов тока с разомкнутой вторичной цепью не допускается, так как напряжение на зажимах вторичной обмотки становится очень высоким, что опасно для персонала и изоляции трансформаторов, поэтому их выводы должны быть зашунтированы.

При осмотрах измерительных трансформаторов запрещается проводить какие-либо работы. При их эксплуатации в сроки, устанавливаемые системой планово-предупредительного ремонта, но не реже одного раза в 3 года определяют сопротивление изоляции первичных и вторичных обмоток и тангенс угла диэлектрических потерь, проводят испытание изоляции повышенным напряжением промышленной частоты и испытание трансформаторного масла.

Сопротивление изоляции первичных обмоток трансформаторов напряжением выше 1 кВ измеряют мегаомметром на 2500 В, а вторичных обмоток - на 500--1000 В. Сопротивление вторичных обмоток вместе с подсоединенными к ним цепями должно быть не ниже 1 МОм.

Испытание изоляции первичных обмоток измерительных трансформаторов повышенным напряжением допускается проводить совместно с ошиновкой. В этом случае испытательное напряжение устанавливается по нормам для электрооборудования с самым низким уровнем. Испытание трансформаторов тока, соединенных с силовыми кабелями 6--10 кВ, проводят без расшиновки (вместе с кабелями) по нормам, принятым для силовых кабелей.

Трансформаторное масло испытывают только у измерительных трансформаторов 35 кВ и выше. Правила технической эксплуатации допускают полную замену масла, если оно не удовлетворяет нормам при профилактических испытаниях изоляции.

2.2 Ремонт

Трансформаторы принято считать самыми надежными элементами в энергетических системах. Действительно, по сравнению с другими видами энергетического оборудования (котлами, турбинами, генераторами) трансформатор отличается высокой надежностью в эксплуатации. Однако эта надежность достигается только при соблюдении всех правил обращения с трансформатором. В случаях каких-либо отклонений или нарушений правил эксплуатации, а также технологической дисциплины производства трансформаторов или нарушений действующих правил монтажа и транспортировки трансформаторов возникает сначала ненормальная их работа, а затем, если меры по выявлению и устранению причин не принимаются, трансформаторы выходят из строя и восстановить их можно только посредством ремонта. Это технологическая причина необходимости ремонта трансформаторов.

Трансформаторы напряжения по своему устройству и принципу работы напоминают обычные силовые трансформаторы, но отличаются от них малой мощностью (максимальная мощность трансформатора напряжения НОМ-10 составляет 720 В*А) и изготовляются со стороной высшего напряжения на все напряжения по ГОСТу от 0,38 до 500 кВ.

В распределительных устройствах подстанции на 10 кВ применяют преимущественно трансформаторы напряжения НОМ-10, НТМК-10 или НТМИ-10.

Перед монтажом трансформаторы напряжения подвергают осмотру и ревизии, когда поднимают активную часть и сушат обмотки.

При ревизии трансформатора с выемкой активной части проверяют состояние магнитопровода и обмоток в тех же объемах, что и у силовых трансформаторов.

Обнаруженные при ревизии неисправности устраняют, а снижение сопротивления изоляции вследствие ее увлажнения восстанавливают путем сушки активной части трансформатора напряжения.

Трансформаторы напряжения при монтаже устанавливают на  металлической раме высотой 20 - 25 см, прикрепленной к полу камеры.

Иногда трансформатор монтируют на угольниках, приваренных к закладным частям камеры или каркасу ячейки КРУ или КПТ. Для удобства ревизии или замены трансформатора передний опорный угольник конструкции должен быть обращен полкой вниз. Поднимают и опускают (при монтаже и демонтаже) трансформатор за скобы, которые располагаются на его корпусе или крышке. Пробку для спуска масла и указатель уровня масла в трансформаторе следует обращать в сторону обслуживания.

При монтаже трансформатора к выводу с маркировкой "А" подсоединяют желтую шину, к "В" - зеленую и к "С" - красную. При однофазных трансформаторах вывод "А" можно подсоединять к любой фазе. Если устанавливают три однофазных трансформатора, то все выводы с маркировкой "X" соединяют общей шиной в нулевую точку и заземляют. Корпус каждого трансформатора напряжения подсоединяют к заземляющей магистрали отдельной стальной шиной сечением не менее 48 мм2.

После монтажа трансформатора напряжения проверяют изоляцию вторичных обмоток приложением в течение 1 мин напряжения 1 кВ частотой 50 Гц и ток холостого хода при номинальном напряжении во вторичной обмотке. Холостой ход не нормируется, но он не должен отличаться от заводских данных более чем на 10%.

Перед включением в сеть маслонаполненного трансформатора напряжения из-под верхней (маслосливной) трубки вынимают герметизирующую шайбу для обеспечения свободного входа и выхода воздуха (работы "дыхательного устройства").

Технология ремонта трансформатора напряжения, правила разборки магнитопровода, снятие и ремонт катушек, выполнение намоточных работ при изготовлении катушек, ремонт пластин магнитопровода и т. п. очень сходны с подобными работами силового трансформатора. На все время ремонта или монтажа первичные и вторичные обмотки трансформаторов напряжения в целях безопасности должны быть закорочены, так как случайные соприкосновения с временными проводками, предназначенными для освещения, сварки и измерений, могут вызвать обратную трансформацию и напряжение, опасное для людей.

Трансформаторы тока перед монтажом тщательно осматривают, проверяют состояние изоляции и контактных частей, целость и исправность литого корпуса у трансформаторов ТКЛ и ТПЛ и металлического корпуса у ТПОФ и ТПФМ и сохранность фарфоровых изоляторов. Трансформаторы тока,у которых повреждены изоляторы, имеются глубокие вмятины на кожухе, зафиксирован пробой изоляции на металлический корпус, обнаружены внутренние обрывы проводов вторичной цепи, подлежат ремонту до начала монтажа.

После окончания ремонта трансформаторов тока их подвергают испытаниям, определяя сопротивление изоляции первичной обмотки по отношению к корпусу трансформатора тока и сопротивление изоляции вторичных обмоток.

При прохождении тока по первичной обмотке трансформатора в его разомкнутой вторичной обмотке будет индуктироваться опасное напряжение, сопровождающееся недопустимым нагревом магнитопровода, что может привести к пробою изоляции или к несчастному случаю.

При замене трансформатора тока новым выводы первичной обмотки присоединяют к шинам распределительного устройства и провода вторичных цепей - к зажимам вторичной обмотки, металлический корпус или основание трансформатора тока заземляют. При этом опорные трансформаторы тока устанавливают, как правило, на горизонтальной плоскости, а проходные - в горизонтальном или вертикальном положении на жестких сварных конструкциях из угловой стали размером не менее 50x50x5 мм.

При установке нового трансформатора тока напряжением 10 кВ необходимо, чтобы расстояния между токоведущими частями разных фаз, а также от этих частей до ближайших заземленных и строительных конструкций составляли не менее 125 мм.

Более плотное прилегание фланцев трансформаторов тока к поверхности опорной конструкции достигается применением стальных прокладок.

Присоединение выводов первичной обмотки к шинам распределительных устройств выполняется особенно тщательно, чтобы при длительном протекании тока участок соединения не нагревался более температуры целого участка шин. Это достигается необходимой обработкой контактных поверхностей шин и выводов трансформаторов тока, применением пружинящих шайб или шайб увеличенных размеров, которые подкладывают под гайки и головки крепежных болтов, а также затяжкой болтов контактного соединения с требуемым усилием.

Заземление трансформатора осуществляется с помощью провода или шины заземления, присоединяемых одним концом к специальному заземлителю или к заземляющей магистрали РУ, а другим - к трансформатору тока под болт заземления, обозначенный меткой "3". Перед присоединением провода или шины заземления к трансформатору поверхности контактов тщательно зачищают и смазывают вазелином. Таким же образом подготавливают контактную площадку под провод или шину заземления на фланце трансформатора тока.

Демонтаж трансформатора тока для его ремонта в мастерских или при его замене заключается в отсоединении проводов цепей вторичной коммутации (предварительно следует закоротить вторичную обмотку трансформатора), снятии болтового крепления с контактного соединения первичной обмотки с шинами РУ и отсоединении проводов или шин заземления корпуса или основания трансформатора тока. Затем отвинчивают гайки болтовых соединений, крепящие корпус трансформатора тока к опорной конструкции, осторожно вынимают и убирают стальные прокладки из-под фланцев, после чего трансформатор тока вынимают из гнезда.

3. Техника безопасности при обслуживании измерительных  трансформаторов напряжения

Монтаж, опробование, эксплуатацию и ремонты трансформаторов необходимо выполнять согласно с ДНАОП 1.1.10-01-97, ГОСТ 11677-85, а также НАПБ А.01.001-95.

Кроме того, монтаж трансформаторов напряжением 110 кВ и выше необходимо выполнять согласно с РД 16.363-87.

Во время эксплуатации и испытаний трансформаторов их баки должны быть заземлены.

Запрещается нахождение на крышке бака и подъем инструментов и других предметов на крышку бака во время работы трансформатора.

Осмотр газового реле следует осуществлять со специальной площадки стационарной лестницы трансформатора.

Во время осмотра работающего трансформатора запрещается находиться в зоне выброса масла из предохранительного клапана или выхлопной трубы.

Запрещается приближаться к трансформатору, находящемуся под напряжением с явными признаками повреждения: посторонние шумы, разряды на изоляторах, сильная (струей) течь масла и др.

Запрещается переключать рукояткой устройства РПН трансформатора, находящегося под напряжением.

На работающем трансформаторе зажимы вторичных обмоток встроенных трансформаторов тока должны быть замкнуты накоротко при помощи специальных перемычек в шкафу зажимов или присоединениями вторичных цепей защит, электроавтоматики, и измерений. При этом запрещается разрывать цепи. подключенные к вторичным обмоткам трансформаторов тока без предварительного закорачивания обмоток перемычкой. Сварочные работы на неработающем трансформаторе, при необходимости, следует выполнять только после заполнения его маслом до уровня 200 - 250 мм выше места сварки во избежание воспламенения паров масла.

Во время проведения сварочных работ, с целью устранения течи масла в трансформаторе, необходимо создать вакуум, который обеспечивает прекращение течи масла в месте сварки.

Для выполнения монтажных или ремонтных работ внутри бака трансформатора необходимо продуть бак трансформатора сухим чистым воздухом и обеспечить естественную вентиляцию открытием верхних и нижних люков. В процессе выполнения работ необходимо осуществлять непрерывный контроль за людьми, находящимися внутри бака трансформатора. Во время заполнения трансформатора маслом или во время слива масла бак трансформатора и выводы его обмоток должны быть заземлены, чтобы исключить появление электростатических разрядов.
Необходимо избегать попадания и длительного воздействия трансформаторного масла на кожу.

Список литературы

1 Зевин М. Б. «Электромонтер-кабельщик», год издания 1984, издательство - «Высшая школа».

Крюков В. И. «Обслуживание электрооборудования», год издания 1989, издательство - «Высшая школа».

Прищеп Л. Г. «Учебник сельского электрика», год издания 1986, издательство - «Высшая школа».

Воронина А. А. «Безопасность работ в электроустановках», год издания 1974, издательство - «Высшая школа».

Сибикин Ю.Д. «Технология электромонтажных работ», год издания 1989, издательство - «Высшая школа».

Ктиторов А. Ф. «Практическое руководство по монтажу электрических сетей», год издания 1990, издательство - «Высшая школа».

Сибикин Ю. Д. «Обслуживание электрооборудования», год издания 1989, издательство - «Высшая школа».

Похожие работы на - Эксплуатация и ремонт измерительных трансформаторов напряжения

 

Не нашли материал для своей работы?
Поможем написать уникальную работу
Без плагиата!
Без нейросетей!