|
пФ мкА мкА
|
|
|
|
|
|
|
|
|
|
|
КР1554АП6
|
0,1
|
0,1
|
24
|
24
|
50
|
4,5
|
|
|
|
|
КР1554ИР22
|
0,1
|
0,1
|
24
|
50
|
4,5
|
|
|
|
|
КР1554ИД7
|
0,1
|
0,1
|
24
|
24
|
50
|
4,5
|
|
|
|
|
КР1554АН2
|
0,1
|
0,1
|
24
|
24
|
50
|
4,5
|
|
|
|
|
КР580ВВ55
|
|
|
0,4
|
22
|
100
|
10
|
10
|
10
|
10
|
|
К537РУ17
|
|
|
|
|
|
8
|
10
|
1
|
1
|
|
К573РФ41
|
|
|
|
|
|
8
|
10
|
1
|
1
|
|
К1816BE31
|
|
|
0,8
|
3
|
100
|
10
|
|
|
|
Рассчитаем нагрузочную способность порта P0 ЦП:
По ёмкости:
Необходимо чтобы выполнялось условие:
500пФ
По току:
Необходимо чтобы выполнялось условие: 
80мкА
Рассчитаем нагрузочную способность порта P2 ЦП:
По ёмкости:
Необходимо чтобы выполнялось условие:
100пФ
По току:
Необходимо чтобы выполнялось условие: 
80мкА
Рассчитаем на нагрузочную способность шинного формирователя
КР1554АП6.
По емкости:
Необходимо чтобы выполнялось условие
По току:
Необходимо чтобы выполнялось условие
Рассчитаем на нагрузочную способность буферного регистра
КР1554ИР22, так как его выходы нагружены не одинаково расчет будем вести по
наиболее нагруженной линии. В данном случае это линия A0.
По емкости:
Необходимо чтобы выполнялось условие
По току:
Необходимо чтобы выполнялось условие
Все порты микроконтроллера и регистры нагрузку выдерживают.
11.
Расчет элементов схемы
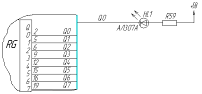
Светодиоды сигнализации
Светодиоды сигнализации подключаются к выходам регистра ИР22
через токоограничивающие резисторы. Светодиоды применили типа АЛ307А с красным
светом свечения, резистор С2-33Н:
Рис. 10.1 Схема включения светодиодов
Основные характеристики АЛ307А:
Прямой ток - 10мА;
Прямое падение напряжения не более 2В;
Максимальное обратное напряжение - 2В;
Предельный максимальный ток - 20мА.
Определим сопротивление резистора:
по ряду Е24.
Выходные контактные реле
В нашем выходном каскаде мы применим реле RM84, транзистор КТ315А,
резистор С2-33Н, диод 1N4148. Реле включается в коллекторную цепь транзистора
включенного по схеме с общим эмиттером. База подключается к выходу регистра
ИР22.
Характеристики реле RM84
- номинальный ток реле;
- номинальное напряжение реле;
- сопротивление обмотки реле;
- номинальное потребление мощности;
Транзистор КТ315А
- статический коэффициент передачи тока в схеме с общим
эмиттером;
- напряжение насыщения БЭ перехода транзистора;
Определим ток коллектора, он определяется исходя из номинального
тока реле:
напряжение логической единицы на выходе ИР23;
Принимаем:
из ряда Е24.
Определим мощность, выделяющуюся в коллекторной нагрузке:
, что не ниже номинальной мощности.
Семисегментные индикаторы
Рис. 10.2 Схема семисегментного индикатора
Выберем в качестве семисегментного индикатора индикатор цифровой
серии АЛС324Б
Исходные данные:
Прямой ток на сегменте индикатора
, прямое падение напряжения на сегменте индикатора
, выходное напряжение низкого уровня
выходов микросхемы КР1554ЛН2
, выходной ток низкого уровня выходов микросхемы КР1554ЛН2
.
Найдём общий ток необходимый для загорания одновременно всех
восьми сегментов цифрового индикатора:
Т.к. семисегментный индикатор является коллекторной нагрузкой
транзистора VT, а током базы является выходной ток
микросхемы КР1554ЛН2, найдём необходимый коэффициент передачи транзистора:
Данным условиям полностью удовлетворяет транзистор серии КТ501В
Максимальный ток коллектора
, максимальное напряжение эмиттер-коллектор
, статический коэффициент передачи тока
, напряжение насыщения база-эмиттер
, напряжение насыщения коллектор-эмиттер
.
Найдём номинал резистора R9,
исходя из условия насыщения транзистора, включенного по схеме с общим
эмиттером:
Учитывая, что
и
, где
- напряжение источника питания +5В, получим:
Выберем наиболее близкое значение сопротивления из стандартного
ряда E24
R9=1.6кОм
Определим номиналы токоограничивающих сопротивлений R1…R8
Выберем наиболее близкое значение сопротивления из стандартного
ряда E24
R1=68 Ом.
Схема сброса
Сброс осуществляется путем подачи на вход RST сигнала «1». Для
гарантированного сброса этот сигнал должен удерживаться на входе, по меньшей
мере, 2 машинных цикла (МЦ). Если сброс выполняется автоматически при включении
питания, сигнал должен удерживаться в состоянии «1» достаточного для запуска
ГТИ плюс еще минимум 2 МЦ. Время запуска ГТИ зависит от частоты, и для частоты
11,059МГц составляет в среднем 1 мс.
;
где
R - резистор в схеме сброса;
С -
конденсатор в схеме сброса;
- постоянная времени RC -
цепочки, которая равна времени гарантированного сброса ОМК;
Принимаем С=0,01мкФ, тогда:
Этим мы обеспечиваем гарантированный сброс процессора.
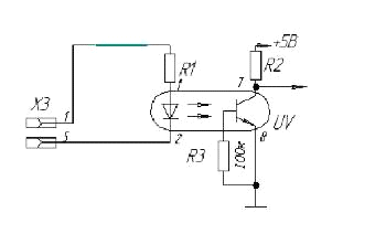
Дискретные входы
Рис. 10.3 Дискретный вход
Схема приема дискретных сигналов амплитудой 64В включает в
себя транзисторную оптопару АОТ128А и токоограничивающие резисторы С2-33Н. БЭ
переход оптрона шунтирует резистор 100кОм (по рекомендации завода
изготовителя), тем самым, закрывая транзистор.
Резистор коллекторной нагрузки выбирается исходя из
максимального тока коллектора, который равен 5мА, следовательно, номинал
составляет1кОм.
Характеристики АОТ128А:
Прямое падение напряжение на диоде - 1,6В;
Прямой ток - 3,25мА;
Максимальный входной прямой ток - 40мА;
Найдем значение номинала резистора на входе:
Принимаем
по ряду Е24.
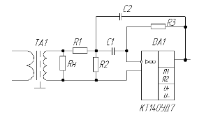
Аналоговые входы
Аналоговые входы нашего ЦВ представляют собой трансформаторы
тока и напряжения к вторичной обмотке которых подключены активные полосовые
фильтры 2-го порядка (СФ), предназначенные для выделения 50-герцовых
составляющих и подавление сигналов высших гармоник. Выходы СФ через мультиплексор
подключены к АЦП, предназначенному для преобразования сигналов напряжения и
тока в двоичный код. С АЦП данные подаются в МП, который их обрабатывает.
Рис. 10.4 Схема аналогового входа
Расчет входных трансформаторов тока
Исходные данные:
- коэффициент трансформации;
Тл - индукция в сердечнике;
- напряженность поля;
- максимальный ток;
- допустимый длительный ток;
- плотность тока;
- магнитная проницаемость материала сердечника;
(
) - угловая погрешность;
Определим сечение провода первичной обмотки:
;
;
Диаметр провода первичной обмотки определяется по формуле:
;
;
Округляем получившиеся значения до ближайших стандартных из ряда
;
- диаметр провода с изоляцией;
- коэффициент заполнения катушки проводом.
Уточняем сечение жилы провода первичной обмотки:
;
Значение технологического диаметра провода принимаем
, которому соответствует
, который предварительно и принимаем при
расчетах, имея ввиду, что при диаметре большем данного мы создаем некоторый
запас в габаритах из-за большого коэффициента заполнения при большем диаметре.
Принимаем:
Находим коэффициенты a1, a2, a3 из выражений:
Задаемся различными типоисполнениями сердечников и выбираем то
типоисполнение, для которого
. Для нашего случая это - ШЛ 8×8.
- толщина поперечного сечения сердечника;
- ширина поперечного сечения сердечника;
- площадь поперечного сечения сердечника;
- длина магнитной силовой линии;
- средняя длина витка обмотки;
- ширина обмоточного окна;
- высота обмоточного окна.
Определим число витков первичной обмотки по формуле:
.
Определим сечение провода вторичной обмотки по формуле
.
Отсюда:
Уточняем сечение:
.
Определим площадь обмоточного окна занимаемого1-й обмоткой:
.
Определим число витков 2-й обмотки по формуле:
.
Сопротивление нагрузки:
.
Далее уточняем полученные значения с учетом того, что
рассчитанному диаметру провода соответствует коэффициент заполнения:
.
.
Определим сечение провода вторичной обмотки по формуле
Отсюда:
Уточняем сечение:
Определим площадь обмоточного окна занимаемого1-й обмоткой:
Определим число витков 2-й обмотки по формуле:
Сопротивление нагрузки:
Так как полученный диаметр провода больше
, то возможность его применения определяем
из допустимой плотности тока, по выражению:
, что значительно меньше
Расчет входных трансформаторов напряжения
Сперва определимся с исходными данными:
- коэффициент трансформации;
ВА - выходная мощность;
Тл - индукция в сердечнике;
- напряженность поля;
- максимальное напряжение;
- допустимое длительное напряжение;
- плотность тока;
- магнитная проницаемость материала сердечника;
- коэффициент, характеризующий соотношение между входной и
выходной мощностями;
Выберем ПТН по условию обеспечения точности
.
Обмоточный провод будем использовать марки ПЭВ-2.
Определим сечение провода первичной и вторичной обмоток:
;
;
;
;
Диаметр провода первичной и вторичной обмоток определяется по
формуле:
;
;
.
Округляем получившиеся значения до ближайших стандартных из ряда
;
- диаметр провода с изоляцией;
- коэффициент заполнения катушки проводом.
Те же параметры для вторичной обмотки:
;
;
.
Находим значение параметра
по следующему выражению:
()
По получившемуся параметру выбираем типоисполнение сердечника ШЛ10×16 [Л4, П1.2].
- толщина поперечного сечения сердечника
- ширина поперечного сечения сердечника
- площадь поперечного сечения сердечника
- длина магнитной силовой линии
- средняя длина витка обмотки
Находим число витков первичной обмотки:
Выбираем
;
.
Определим параметры:
а так же
где ρ - удельное
электрическое сопротивление меди;
т.к. 
то расчет на минимальные габариты не обеспечивает заданную
точность и необходим выбор ПТН по следующему критерию:
- критерий обеспечения заданной точности.
Подбираем из таблицы приложения 1 такое типоисполнение с
минимальными габаритами, при котором данный критерий выполняется. В данном
случае критерий выполняется для сердечника ШЛ10×20.
, а
;
- толщина поперечного сечения сердечника;
- ширина поперечного сечения сердечника;
- площадь поперечного сечения сердечника;
- длина магнитной силовой линии;
- средняя длина витка обмотки;
- ширина обмоточного окна;
- высота обмоточного окна.
Переопределяем число витков первичной обмотки:
Выбираем
;
.
Определим площадь обмоточного окна занимаемого вторичной обмоткой.
Она определяется по формуле:
;
Определим площадь поперечного сечения провода обмотки:
;
.
Определим полную площадь обмоточного окна:
;
- площадь обмоточного окна занимаемого первичной обмоткой
- площадь поперечного сечения провода;
Принимаем
,
- диаметр и коэффициент заполнения катушки проводом
соответственно.
Так как мы поменяли провод, то необходимо уточнить параметры:
Следовательно, принимаем окончательно
,
.
Оценим погрешность ПТН по модулю используя соотношение:
;
- расчетный коэффициент трансформации;
- реальный коэффициент трансформации;
- активное сопротивление приведенной первичной обмотки;
- индуктивное сопротивление намагничивания;
Значения средних длин витков 1-й и 2-й обмоток могут быть найдены
по следующим формулам:
,
- ширина обмоточного окна 1-й и 2-й катушки соответственно;
Амплитудная погрешность:
Следовательно, требования выполняются.
Расчет активных полосовых фильтров
Возьмем в качестве активного ПФ 2-го порядка селективный
фильтр(СФ). Нам необходимо чтобы наш СФ был прозрачным для сигнала частоты
50Гц, следовательно
. Амплитуда выходного сигнала равна
. Коэффициент затухания для фильтра
Баттерворта 2-го порядка
.
Передаточная функция для нашего СФ имеет вид:
;
Параметры
,
,
определяются из системы:
;
;
;
Зададимся значениями емкостей конденсаторов
Решая систему уравнений, найдем все сопротивления:
,
,
;
Выберем соответствующие номиналы резисторов из ряда Е24:
,
,
.
Из-за отличия расчетных значений сопротивлений от номиналов
резисторов, параметры фильтра изменяются и они равны:
;
;
;
Построим АЧХ и ФЧХ:
АЧХ и ФЧХ фильтра приведены на рисунке ниже:
Рис. 10.5 Графики АЧХ и ФЧХ СФ
Список
литературы
1. Буткевич
Г. Задачник по электрическим аппаратам. - М.: Высшая школа, 1977
2. Шнеерсон
Э. Проектирование трансформаторных преобразователей тока и напряжения устройств
автоматики. - Чебоксары: ЧГУ, 1989
. Шнеерсон
Э. Полупроводниковые реле сопротивления. - М.: Энергия, 1975
. Шнеерсон
Э. Линейные преобразователи аналоговых сигналов в электрических аппаратах автоматики.
- Чебоксары: ЧГУ, 1990
. Шнеерсон
Э. Нелинейные преобразователи аналоговых сигналов в электрических аппаратах
автоматики. - Чебоксары: ЧГУ, 1989
. Никитин
А.А. Микропроцессорные реле: Конспект лекций. Чебоксары: Учебный центр «Лидер»,
2002