Дизельная силовая установка
Введение
Дизельная силовая установка состоит из одного или нескольких основных
двигателей, а также из обслуживающих их механизмов. В зависимости от способа
осуществления рабочего цикла двигатели внутреннего сгорания разделяют на
четырехтактные и двухтактные. Дополнительное увеличение мощности достигается с
помощью наддува. Существует другой принцип разделения двигателей внутреннего
сгорания (ДВС) - по частоте вращения. Малооборотные дизели с частотой вращения
100-150 оборотов в минуту непосредственно приводят в движение судовой
движитель. Среднеоборотными называют ДВС с частотой вращения 300-600 оборотов в
минуту. Они приводят в движение судовой движитель через редуктор.
Кроме главного двигателя предусмотрены еще вспомогательные, которые
приводят во вращение генераторы. Для обслуживания главного и вспомогательных
двигателей используются вспомогательные механизмы и системы, а также система
трубопроводов и клапанов. Топливная система предназначена для подачи топлива из
цистерн к двигателю. При этом для уменьшения вязкости топливо подогревается и
очищается в сепараторах и фильтрах от различных примесей. Система смазки служит
для прокачивания смазочного масла через двигатель с целью уменьшения трения
между трущимися поверхностями, а также для отвода части полученного от
двигателя тепла и очистки масла. Система охлаждения предусмотрена для отвода от
двигателя тепла, которое проникает в основном через стенки цилиндра и возникает
во время сжигания топлива, а также для охлаждения циркулирующего смазочного
масла. Эта система состоит из насосов для пресной и морской воды, охладителей
воды и масла.
Рассмотрим систему регулирования частоты вращения судового дизеля.
1
Алгоритмический расчет
1.1 Определение
передаточной функции системы
Рисунок
1.1 - Структурная схема САР скорости вращения вала судового дизеля
На рисунке 1.2 для упрощения записаны передаточные функции звеньев в виде
W, которые соответствуют W=W(p) и имеют следующие буквенные выражения
,
,
,
,
,
,
;
Рисунок
1.2 - Последовательные укрупнения
;
;
;
;
;
Искать передаточную функцию будем в программе MathCAD.- программное
средство, среда для выполнения на компьютере разнообразных математических и
технических расчетов, снабженная простым в освоении и в работе графическим
интерфейсом, которая предоставляет пользователю инструменты для работы с
формулами, числами, графиками и текстами.
В среде Mathcad доступны более сотни операторов и логических функций,
предназначенных для численного и символьного решения математических задач
различной сложности.
GIVEN
;
;
;
;
;
;
Найдём
числовой вид ПФ в MathCAD:
К1=1 Т1=3
К2=5 Т2=12
К3=0,5 Т3=5
К4=10 Т4=1
К5=0,33 Т5=8
Т6=13
;
;
;
;
;
;
;
;

Числитель:
Знаменатель:
;
1.2 Оценка
устойчивости САР
Понятие устойчивости относится к ситуации, когда входные сигналы системы
равны нулю, внешние воздействия отсутствуют. При этом правильно построенная
система должна находиться в состоянии равновесия или приближаться к этому
состоянию. В неустойчивых системах даже при нулевых входных сигналах возникают
собственные колебания и, как следствие, - недопустимо большие ошибки.
Оценим устойчивость САР ППУ по критериям: Гурвица, Рауса, Михайлова
Найквиста и теореме Ляпунова.
1.2.1 Критерий
Гурвица
Алгебраический критерий устойчивости Гурвица формируется следующим
образом: система с характеристическим уравнением
аnpn +
an-1pn-1…. a1p + a0 = 0
будет устойчивой, если определить Гурвица и все его диагональные миноры
положительны:
Dn>0; Dn-1 >0; … D2 >0; D1 = an-1 >0
При составлении определителя Гурвица по диагонали располагают
коэффициенты, начиная с an-1 до а0:
Затем определитель заполняют по столбцам: выше диагональных коэффициентов
записывают коэффициенты с убывающими индексами, а ниже - с возрастающими. При
достижении нулевого или n-го
индекса далее ставятся нули.
Каждый диагональный минор Dn-1 определителя Гурвица получают из предыдущего минора вычёркиванием
нижней строки и правого столбца. Последний диагональный минор Гурвица D1 = an-1.
Таким образом, исходными данными являются коэффициенты
характеристического уравнения - полинома знаменателя передаточной функции
заданной системы.
Определители
Все
определители больше нуля. Система устойчива.
1.2.2 Критерий
Рауса
Для устойчивости линейной стационарной системы необходимо и достаточно,
чтобы коэффициенты первого столбца таблицы Рауса были положительными. Если это
не выполняется, то система неустойчива.
Таблица
Рауса
|
K i
|
1
|
2
|
4
|
5
|
|
1
|
a5
|
a3
|
a1
|
0
|
0
|
|
2
|
a4
|
a2
|
a0
|
0
|
0
|
|
3
|
С3,1
|
С3,2
|
0
|
0
|
0
|
|
4
|
С4,1
|
С4,2
|
0
|
0
|
0
|
|
5
|
С5,1
|
С5,2
|
0
|
0
|
0
|
|
6
|
С6,1
|
0
|
0
|
0
|
0
|
Таблица
Рауса
|
k i
|
1
|
2
|
3
|
4
|
5
|
|
1
|
1
|
0.4949
|
0.02061
|
0
|
0
|
|
2
|
0.8686
|
0.1585
|
0.0009749
|
0
|
0
|
|
3
|
0.3124224
|
0.0032054
|
0
|
0
|
0
|
|
4
|
0.1495883
|
0.00001
|
0
|
0
|
|
5
|
0.0031845
|
0
|
0
|
0
|
0
|
|
6
|
0.00001
|
0
|
0
|
0
|
0
|
Коэффициенты первого столбца таблицы Рауса положительны.
Система устойчива
1.2.3 Критерий
Михайлова
Критерий Михайлова - один из способов судить об устойчивости замкнутой
системы управления по амплитудно-фазовой частотной характеристике её
разомкнутого состояния. Является одним из частотных критериев устойчивости. С
помощью этого критерия оценить устойчивость весьма просто, без необходимости
вычисления полюсов передаточной функции замкнутой системы.
Для того чтобы замкнутая система автоматического регулирования была
устойчива, необходимо и достаточно, чтобы годограф характеристического
многочлена замкнутой системы (годограф Михайлова) начинался на положительной
части действительной оси и проходил последовательно в положительном
направлении, не попадая в начало координат, n квадрантов комплексной плоскости (здесь n - степень характеристического
уравнения системы).
Передаточная функция САР записывается в виде:
,
где
- полином числителя,
-
полином знаменателя.
применив к уравнению преобразование Фурье, получим уравнение комплексного
вектора,
A(jw) = аn(jw)n + an-1(jw)n-1…
a1(jw) + a0 = x(w)
+ jy(w),
вершина которого при изменении частоты w от 0 до ¥ опишет некоторую кривую - годограф Михайлова.
Таким образом, исходными данными являются коэффициент характеристического
уравнения, степень характеристического уравнения, начальное значение частоты,
шаг частоты, конечное значение частоты.
Рисунок
1.3 - Годограф Михайлова в 1-2 квадрантах
Рисунок
1.4 - Годограф Михайлова в 1-3 квадрантах
Рисунок
1.5 - Годограф Михайлова в 1-4 квадрантах
Рисунок
1.6 - Годограф Михайлова в 3-5 квадрантах
Рисунок
1.7 - Годограф Михайлова в 5 квадранте
Годограф начинается на вещественной оси проходит 4 квадранта и в 5м
уходит в бесконечность.
1.2.4 Критерий
Найквиста
Для
устойчивости замкнутой системы необходимо и достаточно чтобы амплитудно-фазовая
характеристика устойчивой разомкнутой системы при изменении
от 0 до
не
охватывала точку с координатами {-1, j0}.
К передаточной функции системы
применим преобразование Фурье:
;
Избавимся от комплексности в знаменателе, выделим действительную и мнимую
части, построим кривую в MathCAD
Строим АФХ в MathCAD.
Рисунок
1.8 - АФХ
Годограф не охватывает точку (-1; j0). Система устойчива.
1.2.5 Критерий
Ляпунова
Пусть передаточная функция САР записывается в виде:
,
где
- полином числителя
-
полином знаменателя.
Корни
уравнения
должны быть либо отрицательными действительными
величинами, либо комплексными величинами с отрицательными действительными
частями. Из этих представлений вытекает следующий фундаментальный критерий
устойчивости любых линейных систем:
«Система
устойчива, если действительные части всех корней характеристического уравнения
отрицательны.»
Найдём корни в MathCAD:
;
;
;
;
;
Рисунок
1.9 - Расположение корней уравнения на комплексной плоскости
Вещественные части корней отрицательны. Система устойчива.
1.3
Построение переходного процесса
1.3.1 Построение
переходного процесса в VisSim
VisSim - ПО для симуляции систем. Имеет частотные, корневые,
вариационные, нейронные инструменты оценки качества, устойчивости, синтеза,
коррекции, оптимизации, линеаризации, отладки объектов в контуре модели и
программирования цифровых сигнальных процессоров.имеет решатель
интерпретирующего типа, функционирующий в динамическом режиме с возможностью
online-взаимодействия с оборудованием реального времени. В состав пакета
решателя VisSim-а входят: явные решатели - для решения дифференциальных
уравнений, неявные - для решения алгебраических уравнений, а так же
оптимизаторы - для итерационного подбора параметров. Интерпретатор VisSim-а
позволяет автоматически создавать С-код промышленного качества (в том числе с
фиксированной точкой для цифровых сигнальных процессоров). Динамические модели
систем в VisSim-е описываются иерархическими структурными схемами
(блок-схемами), называемыми иначе направленным сигнальными графами, т.е. VisSim
является инструментальной средой визуального проектирования. Возможности
управления потоком исполнения модели заключены в свободном выборе величин
локальных шагов симуляции (для НЧ-фрагментов модели), и в программировании
серии повторных симуляций (либо для оптимизации, либо для изучения поведения
модели в условиях случайных возмущений). Для поддающихся линеаризации
фрагментов модели VisSim выполняет следующие виды символьного анализа:
определение коэффициентов передаточной функции и ABCD-матриц пространства
состояний, определение нулей и полюсов передаточных функций, билинейное
преобразование (переход от линейных систем к дискретным и обратно). Опираясь на
результаты линеаризации модели, VisSim выполняет корневой анализ (годограф
корней) и частотный (ЛАЧХ & ЛФЧХ, годограф Найквиста). Так же VisSim имеет
мастера для генерации коэффициентов классических линейных фильтров (Бесселя,
Баттерворта, Чебышева, инверсного Чебышева), и дискретных (КИХ, БИХ-фильтров,
преобразователя Гильберта, дифференциатора). Базовая библиотека блоков VisSim-а
(в списке менее 100 позиций) не требует дальнейшего расширения. Пользователю
предоставлена возможность определить собственную библиотеку моделей. Расширения
пакета (Add-Ons) включают библиотеки с моделями устройств электропривода,
систем связи и целочисленной математики (для DSP).
Для симулировании САР в пакете Visual Simulator, требуется преобразовать
передаточные функции звеньев к виду, удобному к ввводу в ЭВМ.
;
;
;
Рисунок
1.10 - Модель звена W1.
;
;
;

;
;
Рисунок
1.12 - Модель звена W3.
;
;
;
Рисунок
1.13 - Модель звена W4.
;
;
Рисунок
1.14 - Модель звена W5
;
;
;
Рисунок
1.15 - Модель звена W6.
;
;
;
Рисунок
1.16 - Модель звена W7.
Рисунок
1.17 - Модель САР и график переходного процесса в VisSim
В процессе настройки системы путём подбора коэффициентов K4, T3, T4, T5.
время регулирования было получено 40 секунд, перерегулирование ~60%.
Погрешность регулирования 0,5%.
1.3.2 Построение
кривой переходного процесса частотным методом
Определение качественных показателей процесса управления производится по
кривым переходных процессов. Широко используемый частотный метод построения
переходной кривой основывается на количественной связи между временными и
частотными характеристиками.
Кривая переходного процесса связана с вещественно-частотной характеристикой
следующей формулой:
,
где
- вещественно-частотная характеристика.
Запишем
уравнения, для решения интеграла в программе MathCAD.
Рисунок
1.18 - Кривая переходного процесса, построенная частотным методом в MathCAD
1.4
Составление функциональной и принципиальной схем системы регулирования.
Механизмы управления ТНВД.
1.4.1 Функциональная
схема САР частоты вращения дизеля
Рисунок
1.19 Функциональная схема САР.
ЧЭ - чувствительный элемент, ЗУ - Задающее устройство, У - усилитель,
ИМ - исполнительный механизм, ГОС -гибкая обратная связь (изодромная)
РО - регулирующий орган, ОРР - объект регулирования (по регулирующей
величине), ОРZ - объект регулирования по возмущению
(нагрузке)
L
- нагрузка,
- частота вращения дизеля
-
величина частоты вращения, необходимая для поддержания заданной частоты
вращения.- усилие от чувствительного элемента, F2 - Усилие от задатчика
температуры,- усилие от гибкой обратной связи, F3 - суммарное усилие от сил F1÷F4,-
Сила после усилителя,
- перемещение, D - расход топлива
1.4.2 Принципиальная
схема САР частоты вращения дизельного двигателя.
Для обеспечения нулевого статизма в регуляторы непрямого действия вводят
гибкие (изодромные) обратные связи, которые представляют собой гидравлическое
устройство, включаемое в линию ЖОС от штока поршня ИМ к золотнику или к его
втулки.
Основным элементом ГОС является изодром. Рассмотрим работу такого
регулятора, представленного на рисунке 1.20.
Если нагрузка двигателя уменьшится (увеличится частота вращения), то под
действием увеличивающейся центробежной силы грузов 2 муфта и управляющий
золотник 7 сместятся вверх, а поршень исполняющего механизма 11 начнет
перемещаться вниз, уменьшая топливоподачу.
Одновременно с поршнем будет перемещаться вниз поршень изодрома 10. Из-за
малого проходного сечения игольчатого клапана 9 масло не будет успевать
перетекать из масляной ванны под поршнем в полость над поршнем, а поэтому
корпус изодрома начнёт перемещаться вниз, и через рычаг 6 возвратит управляющий
золотник в среднее положение, растянув пружину 8 изодрома.
На этом этапе регулятор срабатывает как статический, т.е. изодромная
связь осуществляет выключающее воздействие на золотник 7, возвращая его в
исходное положение и прекращая движение поршня исполнительного механизма.
На этом этапе работа поршня не заканчивается, так как деформированная
пружина 8 начнет возвращать корпус изодрома в исходное положение по мере
перетекания масла через игольчатый клапан из полости в полость. Движение
корпуса будет происходить до тех пор, пока пружина 8 не вернется в исходное
положение, т.е. полностью не снимет свою деформацию.
В результате этого этапа работы может произойти новое смещение золотника
и дополнительное перемещение поршня сервомотора в сторону уменьшения подачи
топлива. Процесс работы регулятора прекратится, когда корпус изодрома и
управляющий золотник вернутся в исходное положение, а пружина полностью снимет
деформацию. При этом в исходном положении окажутся рычаг, корпус изодрома,
золотник. Частота вращения вала двигателя будет соответствовать заданному
значению.
Время изодрома можно изменять путем изменения площади проходного сечения
игольчатого клапана. Если игольчатый клапан будет закрыт, то время изодрома
будет бесконечным, и обратная связь будет действовать только тогда, когда
скорость движения поршня ИМ превысит скорость, определяемую расходом масла
через дроссель. Чем больше скорость поршня ИМ, тем больше воздействие
изодромной обратной связи.
Для изодромного регулятора взаимодействие обратной связи на управляющий
золотник в конце процесса регулирования компенсируется в результате перемещения
корпуса изодрома под действием его пружины 8. Поэтому изодромную ОС называют
исчезающей или гибкой. Таким образом, в процессе работы такой регулятор в
начале регулирования действует как пропорциональный, а в конце - как
интегральный, поэтому он относится к классу ПИ-регуляторов.
Регуляторы с гибкой (изодромной) и жесткой обратными связями называются
регуляторами с комбинированной или двойной обратной связью.
Следует отметить, что преимуществам регуляторов непрерывного действия
можно отнести: достаточно точное регулирование, более высокую чувствительность,
достаточную работоспособность. Недостатками таких регуляторов являются:
конструктивная и технологическая сложность, высокая стоимость изготовления, а
также сложность ремонта и обслуживания.
1.4.3
Механизмы управления ТНВД
Дизельный двигатель снабжен топливными насосами высокого давления по
одному на каждый цилиндр. Топливный насос высокого давления (ТНВД) расположен в
многоцелевом корпусе. Многоцелевой корпус служит: как корпус для плунжерной
пары ТНВД, как канал подами топлива вдоль всего двигателя, как канал
возвратного топлива из каждого ТНВД, как направляющая для толкателей клапанов,
для подачи смазочного масла к клапанному механизму.
Многоцелевой корпус представляет собой конструкцию, обеспечивающую
наибольшую безопасность работы топливной системы. Он компактен, т.к. не требует
топливных труб, и прост в обслуживании. Плунжерную пару ТНВД можно заменить без
снятия многоцелевого корпуса.
Топливные насосы используются по одному на каждый цилиндр со встроенными
толкателями. Также толкатели клапанов встроены в многоцелевой корпус. Утечное
топливо стекает в встроенную трубопроводную систему с атмосферным давлением
обратно на сторону низкого давления ТНВД.
Каждый ТНВД снабжен с цилиндром аварийной остановки, подсоединенным к
электропневматическому предельному выключателю.
ТНВД нагнетает топливо к распылителю. Он снабжен механизмом регулирования
объема подаваемого топлива согласно нагрузке и частоты вращения двигателя.
Насосы управляются регулятором. Распредвал толкает плунжер вверх через
толкатель, а действующая на толкатель пружина оттягивает плунжер назад. Плунжер
совершает возвратно-поступательное движение во втулке при заранее определенном
ходе для подачи топлива под давлением.
Плунжер также регулирует впрыскиваемый объем путем регулирования
концевого положения спирали относительно выходного отверстия. На боковой
стороне плунжера находится наклонный паз (опережение). При нахождении плунжера
в нижнем положении или в НМТ топливо протекает через входное отверстие в
сверление плунжерной пары. Вращение распредвала перемещает плунжер вверх. При
поступлении верхней кромки ступени плунжера на уровень с отверстиями,
нагнетание топлива начинается. При перемещении плунжера дальше вверх спираль
плунжера совпадает с отверстиями, топливо под высоким давлением течет через паз
(опережение) в отверстия и нагнетание топлива завершается.
Ход плунжера в течение которого топливо подается под давлением называется
эффективным ходом.
В соответствии с нагрузкой двигателя объем впрыскиваемого топлива
увеличивается или уменьшается путем поворота плунжера под определенным углом
для изменения положения спирали, при котором отверстия закрываются при ходе
вверх, и таким образом увеличивает или уменьшает эффективный ход. Топливная
рейка соединена с регулирующим механизмом регулятора. При перемещении топливной
рейки регулирующая втулка, находящаяся в зацеплении с рейкой, поворачивается.
Так как регулирующая втулка действует на плунжер, плунжер поворачивается с
регулирующей втулкой, эффективный ход меняется и объем впрыскиваемого топлива
увеличивается или уменьшается.
Плунжерная пара представляет собой конструкцию моноблочного типа со
встроенным нагнетательным клапаном топлива и клапаном постоянного давления.
Отверстия специальной конструкции служат для предотвращения кавитации.
Нагнетательный клапан на верхней части втулки плунжерной пары служит для
выпуска топлива под давлением в трубу высокого давления. Топливо, нагнетенное
до высокого давления плунжером, заставляет нагнетательный клапан открываться.
После окончания эффективного хода плунжера, нагнетательный клапан возвращается
в его первоначальное положение с помощью пружины и блокирует топливный канал,
предотвращая противоток топлива.
После эффективного хода топливо выходит через клапан постоянного давления
из трубы высокого давления, немедленно снижая остаточное давление между
нагнетательным клапаном и распылителем. Это улучшает окончание впрыска в
распылителе, предотвращает капание после впрыска, а также улучшает регулярность
впрыска, подготавливая систему к следующему впрыску.
Ход плунжера:
а).: НМТ плунжера. Топливо перетекает из полости всасывания в камеру
высокого давления плунжерной пары.
б).: Предварительный ход. Ход плунжера от НМТ до закрытия подводящего
канала верхним торцом плунжера.
в).: Втягивающий ход. Ход плунжера от конца предварительного хода до
открытия нагнетательного клапана давления (только при применении клапана
постоянного объёма).
г).: Активный ход. Ход плунжера от закрытия подводящего канала (от
открытия нагнетательного клапана давления только при применении клапана
постоянного объёма) до открытия регулирующей кромкой перепускного канала.
д).: Остаточный ход. Ход плунжера от открытия перепускного канала до ВМТ.
е).: ВМТ плунжера. Изменение направления движения плунжера.
силовой
охлаждение сигнализирующий дистанционный
2
Разработка функциональной схемы автоматизации КТУ.
2.1 Разработка
принципиальной схемы установки. Описание действия
Паровой водотрубный котел с естественной циркуляцией состоит из корпуса,
включающего в себя два коллектора (паровой и водяной), и соединяющие их трубы
испарительной поверхности нагрева. Водяной коллектор полностью заполнен водой,
паровой коллектор - примерно до половины. Уровень воды в паровом коллекторе
поддерживается таким, чтобы не происходило оголения труб и срыва циркуляции
воды с учетом возможных кренов и дифферентов судна. Пространство котла,
заполненное водой, называется водяным, заполненное паром - паровым. Поверхность
воды в паровом коллекторе, разделяющая водяное и паровое пространства,
называется зеркалом испарения.
Жидкое топливо сгорает в топке, снабженной одной или несколькими
форсунками. Воздух, необходимый для сгорания топлива, поступает в топку через
воздухонаправляющие устройства.
Теплота в виде высокотемпературного излучения факела воспринимается
экранным пучком труб и первыми 3÷4 прореженными рядами конвективного
парообразующего пучка (лучистый теплообмен). Горячие газы, образовавшиеся при
сгорании топлива, направляются в газоход котла, омывая по ходу движения
поверхности теплообмена: ряды труб конвективного парообразующего пучка,
пароперегревателя, водяного экономайзера, и пройдя через трубы воздухоподогревателя
выбрасываются в атмосферу. При омывании поверхностей нагрева газы передают свою
теплоту: на нагрев и испарение воды в конвективном испарительном пучке труб; на
перегрев пара в пароперегревателе; на подогрев воды в экономайзере; на подогрев
воздуха в воздухоподогревателе (конвективный теплообмен). В процессе
теплообмена температура газов снижается от 1800÷2000 оС в топке до 190 ÷ 500 оС на выходе из котла.
За счет излучающей способности факела и омывания горячими газами в трубах
экрана и конвективного парообразующего пучка происходит частичное испарение
воды. Образовавшаяся в них пароводяная смесь поднимается в паровой коллектор.
Пар собирается в верхней части парового коллектора и по перепускной трубе
направляется в верхний коллектор пароперегревателя. Из верхнего коллектора по
трубам пароперегревателя пар направляется в нижний коллектор. При движении пара
по трубам пароперегревателя повышается его температура (происходит перегрев
пара). Перегретый пар из котла отбирается на потребители через главный стопорный
клапан, расположенный на нижнем коллекторе пароперегревателя. Насыщенный пар на
потребители отбирается непосредственно из парового коллектора через
вспомогательный стопорный клапан котла. Масса испарившейся воды восполняется
поступлением свежей воды из питательного трубопровода. Предварительно, перед
поступлением в паровой коллектор, питательная вода подогревается в
экономайзере. В паровом коллекторе «холодная» питательная вода смешивается с
котловой водой парового коллектора, и по опускным трубам, располагающимся в
необогреваемой зоне за экранным пучком, опускается в водяной коллектор котла.
Трубы (экранный и конвективный испарительные пучки), по которым вода и
пароводяная смесь поднимается из водяного коллектора в паровой, называются
подъемными; трубы, по которым вода опускается вниз из парового коллектора в
водяной, называются опускными.
Любой паровой котел может работать надежно и экономично, если выполняются
следующие условия:
уровень воды в паровом коллекторе находится в заданных пределах;
подача
воздуха в топку соответствует подаче топлива с необходимым коэффициентом
избытка воздуха (
= 1,05÷1,15);
температура
топлива, подаваемого в котел, обеспечивает качественное его распыливание в
топочных устройствах;
параметры
работы котла соответствуют заданной нагрузке.
Выполнение
этих условий осуществляется с помощью систем, обслуживающих работу котла, и
соответствующих регуляторов:
регулятора
питания (регулирование уровня воды в котле);
регулятора
давления пара (регулирование горения);
регулятора
расхода (давления) воздуха;
регулятора
температуры топлива;
других
локальных регуляторов.
К
системам, обслуживающим работу котла, относятся:
питательная
система;
топливная
система;
система
подачи воздуха и удаления газов;
система
автоматического регулирования и защиты котла;
система
теплотехнического контроля;
Давление
пара, вырабатываемого котлом, находится в прямой зависимости от расхода
топлива, подаваемого для сжигания в топку. Чем больше расход топлива, тем более
высокое давление пара можно поддерживать в котле при неизменной его
паропроизводительности. И наоборот, при постоянном давлении пара за счет
изменения расхода топлива можно изменять паропроизводительность котла.
Таким
образом, регулирование давления пара сводится к регулированию подачи топлива в
топку котла. Принцип построения систем регулирования давления пара в паровых
котлах основан на сравнении заданного значения давления пара с фактическим, и
изменения количества подаваемого топлива в топку котла в соответствии с
расхождением этих значений.
2.2
Выбор и обоснование параметров и схем управления (САС, САБиЗ, САР)
Система топлива.
Пусть котельная установка работает на тяжёлом высоковязком топливе (ВВТ).
На каждом судне существуют огромные танки - цистерны запаса топлива. Как
правило, это мазут. Он очень вязкий. Чтобы обеспечить забор ВВТ из ЦЗТ его
необходимо подогревать. Для этого в танках выполняются паровые змеевики для
подогрева топлива вспомогательным паром. Температура топлива регулируется в
канале 21. Кроме танков есть расходные цистерны. Их не допускается полностью
опоражнивать. Поэтому на расходной цистерне ставится датчики уровня - верхнего
и нижнего. По нижнему уровню включается топливоперекачивающий насос (канал
20L), по верхнему выключается (Канал 20Н). Так же необходимо подавать в
расходную цистерну топливо определённой температуры. На ветке от ЦЗТ и РЦ
ставится РТТ. Из РЦ топливо поступает на форсунки котла. Для обеспечения
бесперебойной работы котловой установки требуется чтоб топливо имело
определённую температуру, давление и вязкость. На ветке от РЦ до дизеля ставим
вискозиметр. Изменение вязкости производится подогревом топлива в паровых
подогревателях. (Канал 19). Если топливо густеет, то по каналу 18 происходит
остановка котла). Регулировка давления топлива производится перепуском части
топлива в смесительную цистерну, величина давления, как и вязкость с
температурой контролируются на местных пультах управления и задаются
(регулируются с центрального). (канал 17)
Система дутья.
Воздух подогревается уходящими горячими газами. Регулировку температуры
воздуха можно осуществить несколькими способами. Остановимся на перепуске части
воздуха мимо подогревателя. (Канал 2). Будем контролировать также давление
воздуха по каналу 1.
Система подачи воды.
Основная система для работы котла. Поддерживаем постоянное давление перед
регулятором уровня воды по каналу 13. Контролируем и регулируем расход воды и
уровень ПВ в ПК котла по каналу 3. При низком уровне воды в барабане по каналу
4 происходит остановка котла. Температуру питательной воды регулируется по
каналу 14. Качество воды наблюдается по каналу 10, расход по каналу 11. При
выходе из строя питательного насоса работа котла прекращается по каналу 12.
Система отвода пара. Два главных параметра - давление и температура пара.
Давление пара регулируется изменением подачи топлива к форсункам. Также
остановка котла производится при погасании пламени по каналу 9.
|
Обозн
|
Измеряемая величина
|
Функции, выполняемые
прибором
|
|
Основное назначение первой
буквы
|
Дополнительное назначение,
уточняющее назначение первой буквы
|
Отображение информации
|
Формирование выходного
сигнала
|
Дополнительное назначение
|
|
С
|
─
|
─
|
─
|
Регулирование, управление
|
─
|
|
F
|
Расход
|
Соотношение, доля, дробь
|
─
|
─
|
─
|
|
Н
|
Ручное воздействие
|
─
|
─
|
─
|
Верхний предел измеряемой
величины
|
|
L
|
Уровень
|
─
|
─
|
─
|
Нижний предел измеряемой
величины
|
|
Р
|
Давление, вакуум
|
─
|
─
|
─
|
─
|
|
Q
|
Величина, характеризующая
качество, состав, концентрацию.
|
Интегрирование,
суммирование по времени
|
─
|
─
|
─
|
|
R
|
─
|
Регистрация
|
─
|
─
|
|
S
|
Скорость, частота
|
─
|
─
|
Включение, Отключение,
переключение, сигнализация
|
─
|
|
Т
|
Температура
|
─
|
─
|
─
|
─
|
|
U
|
Несколько разнородных
измеряемых величин
|
─
|
─
|
─
|
─
|
3
Разработка системы дистанционного управления системой охлаждения
3.1 Разработка
принципиальной схемы судовой системы. Описание действия
Рисунок
3.1 - Принципиальная схема системы охлаждения
На рисунке 3.1 представлена упрощённая схема системы охлаждения. Она
состоит из напорной магистрали и приёмной и двух холодильных машин, которые
системой клапанов могут переключаться как на свою группу потребителей, так и на
все сразу.
Так, при запущеной ХМ1 и открытых клапанах К8, К9, К10 и закрытых К6, К7
охлаждение подаётся на левую (по схеме) часть потребителей. ХМ2 охлаждает свою
группу (правую) потребителей. При выходе из строя какой-либо ХМ, потребители
могут быть переключены на рабочую ХМ клапанами К6, К7.
Клапанами К1, К2 можно подать охлаждающую воду в другие отсеки.
3.2
Выбор и обоснование элементов системы управления (логических, силовых,
сигнализирующих)
Логические элементы - устройства, предназначенные для обработки
информации в цифровой форме (последовательности сигналов высокого - «1» и
низкого - «0» уровней в двоичной логике, Физически логические элементы могут
быть выполнены механическими, электромеханическими (на электромагнитных реле),
электронными (на диодах и транзисторах), пневматическими, гидравлическими,
оптическими и др.
Основными логическими операциями двоичной алгебры являются: отрицание
(инверсия), логическое умножение (конъюнкция), логическое сложение
(дизъюнкция).
Инвертор Инвертор осуществляет дополнение логического состояния, то есть
логическая 1 на входе вызывает логический 0 на выходе и наоборот.
Рисунок
3.2 - УГО элемента НЕ
Элемент И На выходе элемента И логическая 1 появляется, если только все
входы одновременно находится в состоянии логической 1. Все остальные комбинации
входов приводят к образованию на выходе логического 0.
Рисунок
3.3 - УГО элемента И
Элемент ИЛИ На выходе элемента ИЛИ появляется логическая 1, если хотя бы
один из входов находится в соответствии логической 1.
Рисунок
3.4 - УГО элемента ИЛИ
Элемент запрет Элемент запрет не пропускает на выход сигнал, при наличии
сигнала на другом выходе
Рисунок
3.5 - УГО элемента запрет
Линия задержки Линия задержки обеспечивает «задержку» сигнала, то есть
появление сигнала на выходе с некоторым запаздыванием по отношению к входному.
Рисунок
3.6 - УГО линия задержки.
Магнитный пускатель Управление электродвигателей насосов, вентиляторов,
компрессоров и других механизмов судовых систем производится магнитными
пускателями. Они обеспечивают местное и дистанционное, от централизованной
системы, управление электродвигателями переменного трехфазного тока.
Дистанционное управление пускателем выполняется двумя промежуточными реле S1 и
S2, обмотки которых питаются постоянным током напряжением 24 В. Длительность
включения питания обмотки реле должна быть не менее 2 и не более 30 с. Контакты
реле S1 замыкают цепь катушки контактора. Питание катушки (КМ) производится
выпрямленным током с помощью мостовой диодной схемы. При подаче питания на
катушку, сердечник втягивается и замыкает четыре контакта. Дополнительный
контакт обеспечивает включения катушки.
Тепловая защита ЭД от перегрузки выполняется двумя тепловыми реле.
Срабатывание тепловых реле приводи к размыканию контактов и отключению
двигателя от сети.
Рисунок
3.7 - Магнитный пускатель
1-электромагнит, 2-золотник, 3-сервомотор, 4-клапан
Рисунок
3.8 - Двухпозиционный пружинный золотник
3.3
Составление комплексной системы дистанционного управления. Описание действия
системы.
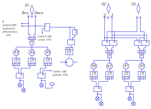
На рисунке 3.9 показана система дистанционного управления холодильной
машиной 2
Управление разобщительными клапанами на напорной и сливной магистралях
выполнено по адресно-избирательному принципу. Переключателем ПЗ выбираются
нужные для данной технологической схемы клапаны, а команда на открытие или
закрытие посылается переключателем П2. На пульт управления - выведена
обобщенная световая сигнализация от функционально взаимосвязанных при
выполнении технологических операций клапанов магистралей пресной воды. Клапаны
имеют также местную сигнализацию на щитах, располагаемых в отсеках. Световая
сигнализация об аварийной работе установки сопровождается звуковым сигналом.
Рисунок
3.9 - СДАУ системы охлаждения
Заключение
В ходе алгоритмического расчета САР определена передаточная функции
системы, произведена оценка устойчивости САР по критериям Гурвица, Рауса,
Михайлова, Найквиста и теореме Ляпунова.
Построена кривая переходного процесса в VisSim и частотным методом
программе MathCAD. С использованием средств
моделирования САР на ПЭВМ были определены передаточные функции САР. В ходе
настройки САР время регулирования составило 40 секунды, перерегулирование 60%,
погрешность ~0.5%.
Составлена функциональная и принципиальная схема системы регулирования.
Разработаны механизмы управления ТНВД, составлена функциональная схема САР
частоты вращения дизеля, разработана принципиальная схема САР частоты вращения
дизельного двигателя.
Разработана принципиальная схема и функциональная схема автоматизации
КТУ, выбрали и обосновали параметров и схемы управления.
Разработана принципиальная схема системы охлаждения. Выбраны и обоснованы
элементы системы управления (логические, силовые, сигнализирующие). Составлена
комплексная система дистанционного управления.
Список используемой литературы
1. Нелепин
Р.А. Автоматическое управление СЭУ.-Л.:Судостроение,1986
. Печененко
В.И. Автоматика регулирования и управления ССУ. -М.: Транспорт, 1973
.
Сыромятников В.Ф. Основы автоматики и комплексная автоматизация
СЭУ.-М.:Транспорт,1983
. Справочник
по корабельной автоматике/ Баленко Ю.К. и др.-М.:Воениздат,1974.
. Федорко
П.П. Автоматизация судовых систем. Л.: Судостроение, 1977. 170с.
. Зброжек
В.В. Автоматика судовых систем. Л.:Судостроение, 1970. 147с.
. Кузнецов
В.А.Судовые ядерные энергетические установки Л.: Судостроение, 1989.
. Сизых В.А.
Судоая автоматика и аппаратура контроля.-М.:Транспорт,1986.
.
Проектирование систем контроля и автоматического регулирования металлургических
процессов/ Глинков Г.М. и др.-М.:Металлургия,1986.
.
Централизованное управление судовыми системами /Дунин В.М. и
др.-Л.:Судостроение,1976
. Беляев
И.Г.Автоматизация судовых пароэнергетических установок.-М.:Транспорт,1991.
. Толшин
В.И., Сизых В.А. Автоматизация судовых энергетических установок.- М.:Транслит,
2006.-352с
. Стенин
В.А.Автоматизация СЭУ. Методические указания к выполнению курсового проекта.-
Северодвинск,2010.- 133с.