Исследование магнитных спектров композитных плёнок на лавсановой подложке
Министерство образования и науки
Российской Федерации
Сыктывкарский государственный
университет
ФГБОУ ВПО "Сыктывкарский
государственный университет"
Институт точных наук и информационных
технологий
Кафедра радиофизики и электроники
Курсовая работа
Исследование магнитных спектров
композитных плёнок на лавсановой подложке
Научный руководитель:
профессор, д. ф. - м. н.
Л.Н. Котов
Исполнитель:
Студент 150 гр.
А.В. Виноградов
Сыктывкар 2014
Содержание
Введение
1. Обзор литературы
1.1 Проницаемость, обусловленная движением доменных стенок
1.2 Проницаемость, обусловленная вращением векторов намагниченности
1.3 Магнитные спектры магнитных материалов
1.4 Описание магнитных спектров
1.5 Магнитные спектры тонких композитных плёнок
2. Технология получения и морфологические свойства пленок
2.1 Методы получения композитных пленок, их структура, состав
2.2 Основные параметры пленок
2.3 Методика и техника измерений проницаемости
2.4 Результаты исследований и их обсуждение
Заключение
Литература
Введение
Значительное внимание исследователей, техников и технологов
привлекают наногранулированные композиты "металл-диэлектрик" [1,2], в
первую очередь пленки, содержащие наногранулы металла в диэлектрической
матрице. В последнее время усилилось внимание к композитам, содержащим
магнитные наночастицы, особенно и, проявляющим, наряду с гигантским
магнитосопротивлением, уникальные анизотропные и структурные свойства [3,4].
Вместе с тем, в технике СВЧ все большее значение приобретают различные
метаматериалы - композиты, свойства которых определяются их структурой,
состоящей из множества отдельных элементов [5]. Наноструктурные
металл-диэлектрические пленки также могут быть отнесены к особому классу
подобных материалов, распределение металлических гранул внутри которых носит
хаотический характер [6]. Использование ферромагнитного металла в такой
наноструктуре обусловливает не только проявление гигантского
магнитосопротивления [7], но и высокий уровень поглощения СВЧ излучения [8].
Большое практическое применение и слабая изученность
динамических магнитных свойств плёнок определила выбор исследований. Данная
работа посвящена исследованиям высокочастотных зависимостей компонент магнитной
проницаемости в зависимости от относительной концентрации металлической и
диэлектрической фаз композитных и плёнок состава:
(Co2,4 Fe2,4Zr0,2) x
(Zr 2O3) 1-х
композитная пленка магнитный спектр
1. Обзор
литературы
.1
Проницаемость, обусловленная движением доменных стенок
Рассмотрим процессы, происходящие под действием переменного
магнитного поля, в образцах с доменной структурой. Если частота поля небольшая,
то перемагничивание происходит квазистатически - магнитное состояние образца в
каждый момент определяется величиной поля. При увеличении частоты переменного
магнитного поля h (t) большую роль играет инерционность процессов
смещения доменных границ. Уравнение, учитывающее большинство динамических
свойств доменной границы было получено Г.Е. Ходенковым и В.К. Никулиным [9] из
уравнения Ландау-Лифшица в предположении, что на доменную границу действует
магнитное поле H=h (t) - auprx/MS,
, (1.1.)
где x - координата, определяющая положение доменной
границы в кристалле, aupr - квазиупругий
коэффициент (aupr= dF/dx -
где F напряжённость поля сил, действующих на границу со стороны
препятствий [9]), m=1/4pg2b - эффективная масса, МS
- намагниченность насыщения, b=aupr/wc - параметр вязкого
затухания, wc=g2ab/l (1+e1) - частота релаксации
доменной границы, l=xw0/2p - параметр затухания в
уравнении Ландау-Лифшица [9], w0= (aupr/m) 0.5
- частота резонанса доменной границы, x=w0/2wc - нормированный коэффициент
затухания, E=e1/ (1+e1), e1=auprb/4pMS2.
Из уравнения (1.1), для системы одинаковых 1800-ых
доменных стенок можно получить комплексную магнитную восприимчивость c (w) =c’ (w) - ic’’ (w) или проницаемость
[9,10]:
, (1.2.)


, (1.3.)
где c0=4MS2/auprd - квазистатическая
начальная магнитная восприимчивость, d - расстояние между доменными
границами.
Охарактеризуем восприимчивость смещения выделенной
поликристаллической среды одной эквивалентной доменной границей.
Восприимчивость
поликристаллического ферромагнетика
(когда пространственная ориентация доменных границ равновероятна) можно записать
в виде:
, (1.4.)
, (1.5.)
где j (f0)
df0 определяет
долю резонирующих доменных границ в интервале частот от f0 до
f0+df0, f0min и f0max
- минимальная и максимальная резонансные частоты доменных границ,
частота релаксации. Формулы (1.4-1.5) при
известной функции распределения резонансных частот доменных стенок j (f0) и параметрах fc и E
позволяют рассчитать магнитные спектры с учётом движения доменных стенок для
поликристаллических ферритов и композитных плёнок.
1.2
Проницаемость, обусловленная вращением векторов намагниченности
При помещении магнитного момента M в постоянном
эффективном магнитном поле Heff он движется,
подчиняясь уравнению, которое было предложено Гильбертом [9]
, (1.6.)
где
- параметр диссипации.
Это уравнение является основным для описания вращения вектора
намагниченности M в магнетиках.
Представим магнитное поле и намагниченность, входящие в уравнение
(1.6), в виде сумм постоянных и переменных составляющих:
Heff=H0+h,
M=M0+m. (1.7.)
Предположим, что
h<<H0,
m<<M0. (1.8.)
Введём комплексные переменные величины
m=m0exp
(iwt), h=h0exp (iwt). (1.9.)
Решение уравнения (1.6) позволяет найти связь между
намагниченностью и переменным полем, которая описывается компонентами тензора
восприимчивости
:
cxx=c=mx0/hx0,
cxy=ca=my0/hx0,
(1.10.)
При учёте дисcипации компоненты тензора восприимчивости c, ca становятся комплексными:
c=c’-ic’’, ca=ca’-ica’’.
Тогда, учитывая, что обычно измеряется компонента тензора cxx, и переходя от
циклической частоты w к частоте f, магнитная проницаемость
обусловленная вращением вектора намагниченности будет иметь следующий вид:
, (1.11.)
, (1.12.)
где g¢=g/2p. Магнитные спектры в
реальных материалах представляют собой сумму вкладов от колебаний доменных
границ (описываемых уравнением 1.4) и вращения вектора намагниченности
(1.11,1.12).
1.3 Магнитные
спектры магнитных материалов
Магнитные спектры (частотные зависимости действительной и
мнимой компоненты проницаемости) магнетиков (ферри - и ферромагнетиков) в
области внешних нулевых постоянных магнитных полей часто имеют сложную форму и
зависят от их внутренней структуры. В магнитных спектрах магнетиков различают
(рис.1.2) по меньшей мере пять областей дисперсии [9]: а) низкочастотную,
характеризуемую обычно незначительным изменением проницаемости m¢ в диапазоне частот ~ 0¸0.2 МГц;
б)"инфрарадиочастотную", обязанную магнетомеханическим эффектам,
характеризуемую острым резонансным всплеском m¢ при f~0.1 МГц
(для тороидальных сердечников со средним диаметром порядка 30 мм), охватывающим
для каждого данного образца относительно узкий диапазон частот; в)
радиочастотную, характеризуемую быстрым спадом m¢ и явно выраженным
пиком m² в диапазоне 1¸1000 МГц; г)
сверхвысокочастотную, характеризуемую явлением естественного ферромагнитного
резонанса, обычно наблюдаемого при частотах 103¸5×104 МГц;
д)"инфракрасную", которая соответствует "естественному обменному
резонансу" в полях обменного взаимодействия, и, согласно расчётам, должна
характеризоваться незначительным резонансным изменением кривых дисперсии и
поглощения при частотах ~107 МГц, и при теоретическом вычислении
спектров может не учитываться. Помимо выше описанных особенностей, магнитные
спектры ферритов подвержены большому влиянию других факторов, из которых одним
из главных является внутренняя структура магнетика.
Рис.1. Общая схема магнитного спектра магнетика. Пять
областей дисперсии: 1 - низкочастотная; 2 - "инфрарадиочастотная"; 3
- радиочастотная; 4 - сверхвысокочастотная; 5 - "инфракрасная" (ход
кривых не известен).
1.4 Описание
магнитных спектров
Предсказание магнитных спектров на основе существующих
моделей описания поведения ферритов в переменных полях - одна из наиболее
трудных задач. Как правило, модели описывают лишь один из процессов,
протекающих в магнетиках. При одновременном учёте движения доменных границ и
вращения вектора намагниченности, теоретические магнитные спектры имеют
существенные различия с экспериментальными. Это в первую очередь связано с тем,
что практически невозможно учесть все параметры, влияющие на спектр [11].
Наиболее полная попытка учесть все факторы, на наш взгляд,
приведена в работе [11]. В ней учитываются как движение доменных границ, так и
вращение вектора намагниченности, рассмотрен вопрос влияния на магнитный спектр
пористости и размера частиц, причем пористость входит как параметр в уравнения,
описывающие спектр.
. (1.13.)
где mdw - проницаемость, обусловленная движением
доменных границ, Kdw, wdw, b - статическая
восприимчивость движения доменных границ, частота резонанса доменных границ и
фактор затухания движения доменных границ, соответственно, mspin и mB - эффективная
проницаемость феррита, обусловленная вращением вектора намагниченности, и
средняя проницаемость ферритовых частиц, составляющих материал, K и KB
- статические восприимчивости феррита и составляющих его частиц, wres и wBres - эффективная
резонансная частота феррита и, соответственно, средняя резонансная частота
составляющих его ферритовых частиц, d - средний размер пор или
немагнитного диэлектрика, D - размер магнитных гранул. То есть в
этих уравнениях магнитная проницаемость является функцией только статической
восприимчивости, средней резонансной частоты ферромагнитных частиц и отношения d /D.
Существенной причиной расширения областей дисперсии и
поглощения в поликристаллических образцах являются поры (а также включения
других фаз). Пористостью объясняется необычайно широкая область дисперсии
магнитных спектров поликристаллических образцов. Пористость в первую очередь
сказывается на величине размагничивающих полей в образце, и ширина дисперсии
будет порядка усреднённого по образцу размагничивающего поля пор [11]:
(DH) p»4pMS p, (1.14.)
где пористость p=Vp/V0, Vp
- суммарный объём пор, V0 - объём всего образца, MS
- намагниченность насыщения. Кроме этого, размагничивающие поля влияют и на
величину проницаемости.
Исследования показали [11,12], что радиочастотные магнитные
спектры ферритов имеют релаксационный или неявно выраженный резонансный
характер, который проявляется обычно незначительным резонансным подъёмом в
области начала спада кривой дисперсии. Сами явления дисперсии и поглощения
наблюдаются в весьма широком диапазоне частот. Фоменко показал [14], что данный
вид спектра не может быть описан одной дискретной частотой релаксации, а
приближённо описывается целой полосой частот, равномерно распределённых по
логарифмической шкале внутри некоторых граничных f1 и f2.
Уширение области дисперсии в этом случае будет возникать из-за разброса
внутренних полей в поликристаллическом феррите. Купс [12] дал
феноменологическую теорию структурной дисперсии диэлектрической проницаемости
феррита. Он предложил рассматривать феррит как структуру, состоящую из зёрен
высокой проводимости, разделённых диэлектрическими прослойками, что может
приводить к структурной магнитной дисперсии. Структурная дисперсия очень
чувствительна к размерам зёрен составляющих ферромагнетик: восприимчивость
может увеличивать от 0 до 2000, тем самым значительно меняя спектр.
1.5 Магнитные
спектры тонких композитных плёнок
Эффективность применения магнитных
композитных плёнок на высоких частотах основана на использовании явления
естественного ферромагнитного резонанса. Высокие значения магнитной
проницаемости в диапазоне СВЧ могут быть реализованы в тонких магнитных
пленках, поскольку ФМР сдвигается в область высоких частот [13]:
(1.15.)
где Ms - намагниченность насыщения, НА - поле
анизотропии, у' - гиромагнитное отношение. Магнитная проницаемость
пленки, как показывает анализ уравнений ФМР, ограничена предельным значением,
которое определяется правилом, аналогичным правилу Снука [14]:
(μs-l) fr2= (
'4
Ms) 2 (1.16.)
где μs - квазистатическая магнитная проницаемость.
Из него следует, что, поскольку у ферромагнитных металлов Ms>>
на фиксированной частоте резонанса
магнитная проницаемость пленки будет значительно выше, чем поликристаллической
частицы. Другое ограничение обусловлено их высокой электропроводностью σ. Потери на вихревые токи могут перевести спектр пленки из
резонансного в релаксационное низкочастотное состояние, если толщина пленки d
будет сравнима с толщиной скин-слоя
Т.о., для использования в диапазоне ВЧ пленки должны быть
изготовлены из ферромагнитного металла с большим значением намагниченности
насыщения, иметь возможно малую электропроводность и толщину, много меньшую
скин-слоя. Условие малой толщины пленки также способствует возникновению нужной
магнитной структуры: с осью анизотропии в плоскости пленки
2. Технология
получения и морфологические свойства пленок
.1 Методы
получения композитных пленок, их структура, состав
В работе исследовались пленки наногранулированных композитов
состава, представлявших собой металлические гранулы Co-Fe-Zr, вкрапленные в диэлектрическую
матрицу Zr2O3, причем концентрация металлической фазы составляла от 0.20 до
0.80. Пленки были получены методом ионно-лучевого напыления в атмосфере азота
при давлении 0.08-0.10 Па на подложках из лавсана толщиной 0.5 мм размером с
применением методики экранирования [15,16]. Для изготовления пленок столь
большой площади использовались составные мишени, расположенные по кругу в
цилиндрической вакуумной камере, по образующей которой закреплялась гибкая
(лавсановая) подложка. Технология получения таких пленок была разработана в
Воронежском государственном техническом университете и наиболее подробно
описана в работах [15].
Гранулированный характер пленок проверялся методом
просвечивающей электронной микроскопии (путем как непосредственного наблюдения,
так и дифракции электронов [15] на контрольных образцах, выполненных на
подложках из NaCl в виде пленок толщиной до 100 нм (для обеспечения возможности
просвечивания). Напыление контрольных пленок проводилось в тех же условиях, что
и основных пленок, но за более короткое время. Так при типичной скорости
напыления 25 нм/мин время изготовления основных пленок составляло 2-24 мин, а
контрольных - не более 4 мин. Типичный размер гранул в исследованных пленках
составлял 2-7 нм.
Аморфный характер металлических гранул определялся по высокой
степени размытия кольцевых дифракционных гало на электронных микрофотографиях
[16,17].
Методика экранирования позволяла в одном технологическом
цикле на протяженной подложке формировать слой композита с непрерывно меняющейся
толщиной от 50 до 600 нм. Для последующих измерений из общей подложки
вырезались образцы размером. Было исследовано 12 образцов пленок одинакового
состава со средней толщиной от 70 до 550 нм. Благодаря изменению толщины пленки
по длине исходной подложки, толщина пленок в пределах каждого образца линейно
менялась от одного края образца до другого, отклоняясь на концах от среднего
значения на 20 нм. Точное значение толщины контролировалось с помощью
сканирующего электронного микроскопа путем наблюдения в торец по 15 точкам,
распределенным равномерно по длине образца.
Топография поверхности пленок исследовалась с помощью
атомно-силового микроскопа. Для сканирования использовались кантилеверы с
радиусом закругления зонда около 10 нм.
На всех пленках наблюдался четко выраженный зернистый
характер поверхности. Зерна имели, как правило, округлую форму, причем их
размер составлял от 30 до 100 нм и увеличивался с увеличением толщины пленки.
Между зернами наблюдались углубленные промежутки - поры, размер которых составлял
от 20 до 200% от диаметра зерен.
В пленках толщиной менее 200 нм зерна наблюдались в виде
островковых скоплений плотно упакованных частиц, между которыми имели место
многочисленные поры, размер которых, как правило, превышал размер зерен. В
более толстых пленках (200-600 нм) зерна образовывали сплошное покрытие
подложек, причем размер пор, занимавших промежутки между зернами, был меньше
размеров зерен.
В некоторых пленках наблюдались одновременно соседствующими
зерна, имевшие два характерных размера. Так например, в пленке толщиной 70 (20)
нм эти размеры составляли 29 5 и 43 5 нм, в пленке толщиной 400 (20) нм - 67 8
и 99 8 нм, причем количество зерен меньшего размера на какой-либо ограниченной
площадке пленки превышало количество зерен большего размера на той же площадке
в 2-3 раза.
2.2 Основные
параметры пленок
Основные параметры пленок приведены в таблице №1. Концентрация
металлической фазы задавались технологически, а толщина и проводимость на
постоянном токе измерялись по описанным в предыдущем разделе методикам. Средняя
точность измерения толщины (из 15 измерений) составляла
9.29%. Средняя точность измерения
проводимости (из 5 измерений) составляла
35.4%.
Пленки расположены в порядке увеличения концентрации основных
проводящих металлов Fe+Co. Такой параметр для упорядоченности расположения
пленок выбран по той причине, что в объемном состоянии удельные проводимости
железа
и кобальта
почти на порядок превышают удельную проводимость аморфизатора
циркония
[18], поэтому, учитывая что цирконий
составляет в общем составе металлической фазы сплава всего 10%, его вклад в
качестве проводника в результирующую проводимость пленок является
второстепенным. Для справки в следующем столбце таблицы приведено общее
значение концентрации (
в химических формулах составов пленок)
Fe+Co+Zr. Видно, что с увеличением концентрации Fe+Co величина общей
концентрации тоже, в основном, возрастает.
Следует учитывать далее, что в аморфных пленках удельная
проводимость металлов, таких как Fe и Co, по крайней мере на порядок меньше,
чем в объемных образцах, поэтому для численных оценок приведенные значения
должны быть уменьшены в таком же соотношении.
Таблица 2.1.
|
№№
|
Концентрация
|
Толщина (нм)
|
Проводимость (Ом-1м-1)
|
|
Fe+Co
|
Fe+Co+Zr
|
|
|
|
1
|
0.14
|
0.25
|
|
|
|
2
|
0.27
|
0.38
|
|
|
|
3
|
0.37
|
0.54
|
|
|
|
4
|
0.45
|
0.59
|
|
|
|
5
|
0.46
|
0.63
|
|
|
|
6
|
0.53
|
0.65
|
|
|
|
7
|
0.58
|
0.68
|
|
|
|
8
|
0.60
|
0.73
|
|
|
9
|
0.64
|
0.77
|
|
|
|
10
|
0.65
|
0.75
|
|
|
|
11
|
0.68
|
0.78
|
|
|
|
12
|
0.68
|
0.77
|
|
|
Из таблицы видно, что при увеличении концентрации
металлической фазы удельная проводимость пленок возрастает. Соотношение между
проводимостью и концентрацией металлической фазы иллюстрируется рис. 2.1.
Рис. 2.1 Зависимость удельной проводимости от концентрации
металлической фазы.
Сплошные и открытые точки, соответствующие одним и тем же
значениям концентрации - результаты измерений на различных участках одной и той
же пленки.
Видно, что при концентрациях меньше 0.2 и больше 0.6 разброс
точек может достигать порядка и более, тогда как внутри этого интервала
концентраций разброс не превышает нескольких раз (не более 5-6). По-видимому,
большой разброс точек при малых и больших концентрациях обусловлен тем, что в
обоих этих случаях пленка по площади становится сильно неоднородной, так как
представляет собой небольшие случайно распределенные островки одной фазы,
окруженные почти сплошным массивом другой фазы. При малых концентрациях островковый
характер носит металлическая фаза, при больших - диэлектрическая.
Сплошная линия на рис. 2.1 - экспонента, в логарифмическом
масштабе имеющая вид прямой, построенная по эмпирической формуле:
. (2.1)
Из рисунка видно, что экспериментальные точки в области средних
концентраций между 0.2 и 0.6 ложатся на эмпирическую кривую с точностью до 2-3
раз. Учитывая сильный структурно неоднородный характер пленок (двухкомпонентный
композит с различием проводимости фаз на 6-7 порядков), такое соответствие
можно считать довольно хорошим.
За пределами этого интервала лучшее приближение обеспечивает
плавный переход проводимости к насыщению, показанный пунктирными линиями. Такое
насыщение обусловлено тем, что при стремлении концентрации к нулю пленка
становится полностью диэлектрической с проводимостью около
, а при стремлении к единице - полностью
металлической с проводимостью около
.
2.3 Методика
и техника измерений проницаемости
Проницаемость m определялась по
известной методике с использованием измерителя добротности Е4-11 по измеряемым
значениям индуктивности L и добротности Q контура c катушкой
индуктивности (в экспериментах использовались две катушки, (количество витков
первой катушки - 13 для диапазона от 30 Мгц до 90 Мгц, у второй катушки - 2
витка для диапазона: 90-300 Мгц, с сердечником, в качестве которого
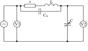
использовалась композитная плёнка на лавсановой подложке. Схема измерительного
контура приведена на рис. 2.2 и представляет собой последовательный
колебательный контур, состоящий из катушки индуктивности L и
конденсатора C.
Рис. 2.2 Схема измерительного контура.
В контур вводится напряжение, снимаемое с генератора. Катушку
индуктивности можно рассматривать как контур, состоящий из L, r и С0,
где С0 - собственная ёмкость катушки, которая может быть
определена по формуле:
, (2.2.)
где С1, С2 - ёмкости
измерительного конденсатора С при резонансе на частотах f1
и f2, K= f1 /f2, и
является целым числом.
Погрешность измерения частоты на данном измерителе добротности
составляет не более 5 %, а Qизм - не более 5 %. По известной
индуктивности катушки с магнитным сердечником можно определить модуль магнитной
проницаемости m:
, (2.3.)
Lkp и Lk
- индуктивности катушки с пленкой и без,
, C - ёмкость конденсатора в колебательном контуре.
Таким образом, учитывая, что тангенс угла потерь тора с магнитным
сердечником tgdизм=1/Qизм=tgdпл+tgdкат, где tgdпл -
тангенс угла потерь плёнки, tgdкат - тангенс угла потерь пустой катушки без плёнки, tgdпл>>tgdкат, tgdпл=1/Qпл
= tgdизм
- tgdкат, можно получить следующую систему
уравнений:
, (2.4.)
Отсюда получаем формулы для компонент проницаемости:
, (2.5.) где
(2.6.)
Для перехода от измеренных к истинным значениям, необходимо
было измеренное значение магнитной проницаемости умножить на коэффициент
заполнения:
=Vпл/Vкат (2.7.)
2.4
Результаты исследований и их обсуждение
В ходе исследований были получены зависимости вещественной m¢ и мнимой компоненты m² магнитной проницаемости
композитных пленок составов:
(Co2,4 Fe2,4Zr0,2) x
(Zr 2O3) 1-х
Концентрации металлической фазы данных пленок изменялись в
пределах от Х = 0,25 до Х = 0,78
Вещественная часть начинает уменьшаться, так как частота
электромагнитного поля, которая создаётся в катушке становится больше частоты
релаксации металлических гранул композитных плёнок. Так как магнитная
проницаемость (вещественная часть) обратно пропорциональности разности
резонансной частоты и частоты релаксации. До резкого спада наблюдаются
колебания вещественной компоненты магнитной проницаемости, так как существует
несколько частот релаксации, связанные с формой магнитных гранул. В композитной
плёнке возможны разные формы гранул, поэтому частот релаксаций может быть несколько.
В результате когда частота электромагнитного поля катушки проходит через
частоту релаксации, наблюдается пик, после частота удаляется и происходит спад,
но дальше идёт другая частота релаксации, связанна с другой форой частиц,
поэтому для других частиц магнитная проницаемость начинает расти, снова до
частоты релаксации и снова падать и так, судя по графикам несколько раз. Формы
частиц могут быть как столбчатые частицы. т.е. вытянутые перпендикулярно
плёнке, как шарики, так и в виде эллипсов вдоль плёнки. Когда все частоты
релаксации преодолены, возникает уменьшение вещественной части магнитной
проницаемости.
Заключение
В данной работе проведены исследования: частотные зависимости
мнимой и вещественной компонент магнитной проницаемости (магнитные спектры)
композитных плёнок состава:
(Co2,4 Fe2,4Zr0,2) x (Zr 2O3) 1-х
Эти исследования проведены в интервале частот 30-300 МГц и
концентраций металлической фазы X от 0,25-0,78 при комнатной температуре.
Из исследований видно, что магнитная проницаемость увеличивается
с ростом х (концентрация металлической фазы), это связано с увеличением
количества магнитных моментов на единицу объёма плёнки в результате увеличения
магнитного материала в плёнке.
Литература
1. Суздалев
И.П. Нанотехнология. Физико-химия нанокластеров, наноструктур и наноматериалов.
М.: КомКнига. 2006.
2. Рит
М. Наноконструирование в науке и технике. Введение в мир нанорасчета.
Москва-Ижевск: НИЦ "Регулярная и хаотическая динамика". 2005.
. Калинин
Ю.Е., Ремизов А.Н., Ситников А.В. // ФТТ. 2004. Т.46. №11.С. 2076.
. Kotov
L. N., Turkov V. K., Vlasov V. S., Kalinin Yu. E., Sitnikov A. V. // Mat. Sci.
Eng. 2006. V.442. P.352.
. Вендик
И.Б., Вендик О.Г. // ЖТФ. 2013. T.83. №1. С.3.
. Петров
Ю.И. Кластеры и малые частицы. М.: Наука. Гл. ред. физ. - мат. лит-ры, 1986.368
с.
. Gerber
A., Milner A., Groisman B. et al. // Phys. Rev. B. 1997. V.55. №10. P.6446.
. Казанцева
Н.Е., Пономаренко А.Т., Шевченко В.Г., Чмутин И.А., Калинин Ю.Е., Ситников А.В.
// Физика и химия обработки материалов. 2002. №1. C.5.
. Ландау
Л.Д., Лифшиц Е.М. К теории дисперсии магнитной проницаемости ферромагнитных тел
// Ландау Л.Д. Собрание трудов: в 2 Т. / Под ред.Е.М. Лифшица. М.: Наука, 1969.
Т.1. С.97.
11. Ранкис Г.Ж. Динамика намагничивания
поликристаллических ферритов. Рига: Зинатне, 1981.150 с.
. Смит Я., Вейн Х. Ферриты / Пер. с англ. М.: ИЛ,
1969.504 с
. Калинин Ю.Е., Котов Л.Н., Петрунёв С.Н., Ситников
А.В. Особенности отражения СВЧ волн от гранулированных пленок (Co40Fe40Zr20)
X (Al2O3) 100-X. // The XXI
International Conference on Relaxation Phenomena in Solids: Abstracts. -
Voronezh, Voronezh State University, 2004. P.225
14. Калинин
Ю.Е., Ситников А.В. Электрическая проводимость в нанокомпозитах аморфных
металлических сплавов в диэлетрической матрице. // Сборник трудов ХIX
международной школы-семинара Новые магнитные материалы микроэлектроники (НМММ).
М.: МГУ, 2004. C.304.
15. Калинин Ю.Е., Пономаренко А.Т., Ситников А.В.,
Стогней О.В. // Физика и химия обработки материалов. 2001. №5. С.14
16. Ситников А.В. Электрические и магнитные свойства
наногетерогенных систем металл-диэлектрик. Диссертация на соискание ученой
степени докт. физ. - мат. наук. Воронеж: ВГТУ. 2010.
. Татаринова Л.И., Структура твердых аморфных и жидких
веществ. М.: Наука. 1983.
. Гороновский И.Т., Назаренко Ю.П., Некряч Е.Ф.
Краткий справочник по химии. Киев: Наукова думка. 1974