Двухсистемный электровоз ЭП10 как электромеханический комплекс

  • Вид работы:
    Доклад
  • Предмет:
    Транспорт, грузоперевозки
  • Язык:
    Русский
    ,
    Формат файла:
    MS Word
    277,05 Кб
  • Опубликовано:
    2014-08-10
Вы можете узнать стоимость помощи в написании студенческой работы.
Помощь в написании работы, которую точно примут!

Двухсистемный электровоз ЭП10 как электромеханический комплекс

Министерство образования и науки Украины

Национальный технический университет Украины

"КПИ"

 
 
 
 
 
 
 
 
 
 
 
Доклад по теме:
"Двухсистемный электровоз ЭП 10 как электромеханический комплекс"

 

Выполнил: студент гр. ЕМ-61го курсa, ФЕА

Лысак Ю.В.

Проверил: Давыдов А.Н.




Киев - 2010

Содержание

Введение

. Построение силовых цепей современных электровозов переменного и постоянного тока с асинхронными тяговыми двигателями

. Особенности построения силовых тяговых цепей электровоза ЭП 10

. Сетевые тяговые цепи

. Силовые цепи тягового преобразователя

. Выходные силовые цепи тяговых преобразователей

. Расположение силового оборудования в кузове электровоза

. Модель электромеханического комплекса

Список литературы

Введение

Электровоз ЭП 10 - шестиосный двухсистемный пассажирский локомотив с асинхронными тяговыми двигателями. Простота конструкции и высокие удельные показатели асинхронных двигателей привлекали внимание специалистов уже на первых этапах развития электрической тяги магистральных железных дорог. Однако опыт показал, что эффективно эти электрические машины могут быть использованы для тяги только при питании от статических преобразователей с плавным регулированием напряжения и частоты. Первыми управляемыми статическими силовыми преобразовательными элементами в электротехнике были ртутные тиратроны, которые появились в первой четверти ХХ века. Но преобразователи для асинхронного привода на тиратронах получались слишком громоздкими. Поэтому такие разработки получили реальное развитие только в 1960 е годы с появлением компактных управляемых силовых полупроводниковых приборов - тиристоров. А широкое применение асинхронных тяговых двигателей на локомотивах и мотор-вагонном подвижном составе началось с появлением в 1980е годы мощных запираемых силовых полупроводниковых приборов - GTO-тиристоров, а в 1990-е годы - IGBT-транзисторов.

Благодаря асинхронным тяговым двигателям электровоз ЭП 10 по своим характеристикам сопоставим с восьмиосными пассажирскими электровозами ЧС 7 и ЧС 8 с коллекторными тяговыми двигателями постоянного тока.

Важнейшей составной частью любого современного тягового электропривода является комплексная микропроцессорная система управления и диагностики. На электровозе ЭП 10 эта система по структуре и функциям повторяет современные зарубежные разработки. Она заменила традиционные локомотивные цепи управления с сотнями метров проводов и десятками промежуточных реле. Микропроцессорная система полностью управляет работой всех тяговых и вспомогательных электрических аппаратов и машин в штатных и аварийных режимах.

Дополнительно эта система непрерывно контролирует работу большинства электрических аппаратов и машин электровоза. Любые отклонения от заданных режимов работы электрического оборудования регистрируются в памяти системы диагностики вместе с разнообразными вспомогательными данными, что существенно упрощает поиск неисправностей и анализ их причин.

Данная работа представляет описание построения силовой части и системы управления электровоза ЭП 10. Также дана общая информация по принципам работы асинхронного привода и работе силовых цепей электровоза ЭП 10.

1. Построение силовых цепей современных электровозов переменного и постоянного тока с асинхронными тяговыми двигателями

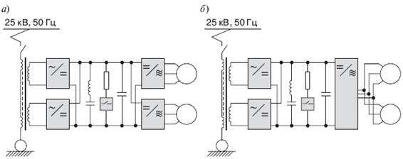
Для питания асинхронного двигателя трехфазным напряжением регулируемой величины и частоты необходим статический преобразователь, а именно инвертор, на вход которого подают сглаженное постоянное напряжение Ud. Такие инверторы используют на всех электровозах независимо от рода тока на токоприемнике.

На электровозах переменного тока сглаженное постоянное напряжение для питания инверторов получают с помощью управляемого выпрямителя и фильтра в промежуточном звене постоянного напряжения - цепи, соединяющей выпрямитель и инвертор (рис. 1.1).

Рис. 1.1 - Построение силовой цепи электровоза переменного тока с асинхронными тяговыми двигателями

На электровозах постоянного тока используют два варианта питания инверторов:

• от сети через входной фильтр, импульсный преобразователь и фильтр в промежуточном звене постоянного напряжения (рис. 1.2);

• от сети через входной реактор без импульсного преобразователя (рис. 1.3).

Рис. 1.2 - Построение силовой цепи электровоза постоянного тока с асинхронными тяговыми двигателями и входным импульсным регулятором

Рис. 1.3 - Построение силовой цепи электровоза постоянного тока с асинхронными тяговыми двигателями и прямым включением инвертора

Как видно из рис. 1.3, во втором случае роль входного фильтра выполняет входной реактор вместе с конденсатором промежуточного звена постоянного напряжения. Такие схемы питания инверторов от системы тягового электроснабжения постоянного тока в последнее десятилетие получили на электровозах наиболее широкое распространение благодаря простоте преобразователя с минимально возможным числом силовых полупроводниковых приборов и фильтровых компонентов, а также меньшим потерям энергии в преобразователе. Упрощенно такую схему питания инвертора называют прямым включением.

Выпрямители на электровозах переменного тока и импульсные регуляторы на электровозах постоянного тока обобщенно называют сетевыми преобразователями. В обоих случаях сетевые преобразователи обеспечивают поддержание величины напряжения на входе инвертора Ud на заданном стабильном уровне независимо от величины напряжения в контактной сети. Уровень номинального напряжения на входе инвертора Ud выбирают в зависимости от типов используемых силовых полупроводниковых приборов, параметров тягового двигателя и т. д. В мощных преобразователях для электровозов уровень номинального напряжения на входе инвертора обычно выбирают в диапазоне от 1800 до 3600 В.

В схеме "прямого включения" невозможно поддержание величины напряжения на входе инвертора Ud на заданном стабильном уровне независимо от величины напряжения в контактной сети. В этом случае напряжение на входе инвертора Ud всегда в среднем близко к текущемунапряжению на токоприемнике электровоза. Это означает, что конструкции преобразователя и двигателя должны быть рассчитаны на максимальное напряжение на входе инвертора порядка 4000 В - предельное рабочее напряжение в системе тягового электроснабжения постоянного тока.

При максимальном рабочем напряжении на входе инвертора 4000 В можно использовать самую простую схему инвертора, если силовые полупроводниковые приборы имеют предельное допустимое напряжение 6500 В (65-го класса). Это обусловлено необходимостью определенных запасов по напряжению в связи с тем, что при выключениях на силовом полупроводниковом приборе всегда возникают перенапряжения, амплитуда которых не должна превышать предельно допустимое напряжение.

Запираемые силовые полупроводниковые приборы IGBT-транзисторы 65-го класса появились только в начале XXI в. Ранее, в 1990-е годы, были доступны только GTO-тиристоры 45-го класса (на 4500 В). Чтобы при использовании таких силовых полупроводниковых приборов инвертор надежно работал при напряжении на входе 4000 В, необходимо последовательное соединение силовых полупроводниковых вентилей. Но GTO-тиристоры и IGBT-транзисторы не допускают непосредственного последовательного соединения, так как включаются и выключаются очень быстро. В эти короткие промежутки времени обеспечить равномерное деление напряжения между последовательно соединенными приборами технически невозможно. В связи с этим в 1990е годы были разработаны специальные схемы инверторов, которые обеспечивают необходимые условия работы силовых полупроводниковых приборов по напряжению. На рис. 1.4 показаны две применяющиеся на электровозах схемы инверторов, получившие упрощенные наименования "трёхточечная схема" и "двойная звезда".

Как видно из рис. 1.4, в обеих схемах используют 12 силовых ключей вместо 6. Характерной особенностью обеих схем является разделенное на две половины промежуточное звено постоянного напряжения. Благодаря этому разделению и обеспечивается соблюдение необходимых условий работы силовых ключей инвертора по напряжению: предельное среднее напряжение, приложенное к полупроводниковому прибору в таких схемах, всегда не будет превышать половины Ud (без учета коммутационных перенапряжений).

Рис. 1.4 - Построение схем инверторов "трехточечная схема" (а) и "двойная звезда" (б)

В трехточечной схеме равномерное деление напряжения между половинами промежуточного звена постоянного напряжения обеспечивается специальным алгоритмом включения и выключения силовых вентилей с динамическим балансированием отбора энергии от верхней и нижней половин промежуточного звена.

Рис. 1.5 - Разделение фазных обмоток асинхронного двигателя для соединения в схему "двойная звезда"

А схема "двойная звезда" представляет собой два обычных инвертора, соединенных последовательно. Средняя точка между инверторами делит промежуточное звено постоянного напряжения пополам. Каждый инвертор питает половину обмотки статора тягового двигателя. Для такой схемы фазные обмотки асинхронного двигателя разбиваются на пары равных частей - полуобмоток и из этих полуобмоток формируются две изолированные "полузвезды" (рис. 1.5).

С точки зрения работы электромагнитной системы асинхронного двигателя схема "двойная звезда" идентична обычной схеме обмоток. Управление обоими инверторами осуществляют полностью синхронно. Благодаря этому две полуобмотки каждой из фаз всегда подключаются к сетевому напряжению последовательно. Это и обеспечивает деление сетевого напряжения пополам. Тяговый двигатель при этом фактически выполняет роль делителя напряжения.

Как видно из рис. 1.1, 1.2, 1.2, во всех вариантах схем в промежуточном звене постоянного напряжения присутствует специальная цепь с резистором и электронным ключом для защиты промежуточного звена от динамических перенапряжений.

При скачках напряжения в контактной сети или резких снижениях тяговой мощности напряжение в промежуточном звене Ud значительно повышается. Сгладить это повышение можно кратковременным дополнительным отбором избыточной энергии из промежуточного звена. Для этого к промежуточному звену подключают цепь с резистором, в котором избыточная энергия рассеивается. В качестве электронного ключа используют такие же силовые приборы, как в выпрямителе или инверторе. Это очень эффективный и быстродействующий способ защиты от перенапряжений, наличие которой позволяет не закладывать в элементы слишком большие запасы по напряжению и оптимизировать благодаря этому массогабаритные показатели и стоимость преобразователя.

Если требования предусматривают наличие на электровозе реостатного торможения, функцию защиты от перенапряжения в промежуточном звене выполняет тормозной резистор, который также подключают через силовой полупроводниковый прибор, который одновременно играет роль тормозного импульсного регулятора. Если реостатного торможения на электровозе нет, резистор необходимой мощности устанавливают внутри тягового преобразователя.

На рис. 1.4, а и б видно, что в трехточечной схеме и схеме "двойная звезда" использованы две цепи тормозных резисторов раздельно для каждой половины промежуточного звена постоянного напряжения. Это сделано для того, чтобы равномерно делить сетевое напряжение между входами двух последовательно соединенных инверторов, когда силовые полупроводниковые приборы инверторов находятся в запертом состоянии (в режиме выбега или на стоянке).

При запертых GTO-тиристорах или IGBT-транзисторах равномерное деление сетевого напряжения за счет действия инвертора и обмоток двигателя невозможно. В этом режиме потенциал средней точки может медленно смещаться либо в сторону потенциала контактной сети, либо в сторону "земли" из-за разной величины тока утечек фильтровых конденсаторов в половинах промежуточного звена. Для выравнивания такого смещения система управления периодически включает одну из цепей тормозных резисторов на несколько десятков микросекунд. Этого достаточно для выравнивания напряжений, чтобы потенциал средней точки поддерживать на уровне половины сетевого напряжения с приемлемыми отклонениями. Функции реостатного торможения и защиты от перенапряжений в таких схемах две цепи тормозных резисторов выполняют также раздельно, чтобы возможность принудительного выравнивания деления напряжений между двумя половинами промежуточного звена была доступна в любой момент времени.

На рис. 1.1 и 1.2 показаны упрощенные примеры построения силовых цепей, питающих один тяговый двигатель. Именно такие схемы на электровозах, как правило, не применяют. Для оптимизации компоновки элементов тягового преобразователя в едином корпусе в большинстве случаев от общего промежуточного звена постоянного напряжения подают питание на два или три тяговых двигателя через индивидуальные инверторы или параллельно от одного инвертора (рис. 1.6, а, б). При этом промежуточное звено постоянного напряжения питают от сети через два параллельно включенных сетевых преобразователя, чтобы обеспечить необходимую мощность.

Рис.1.6 - Примеры построения силовой цепи питания двух асинхронных тяговых двигателей электровоза переменного тока

В целом существует уже достаточно много вариантов компоновки силовых цепей преобразователей для питания асинхронных двигателей, особенно для многосистемных электровозов. Но все эти схемы основаны на базовых принципах построения, показанных на рис. 1.2, 1.3, 1.4. Выбор схемы преобразователя для каждого конкретного проекта, как правило, определяется необходимой мощностью и параметрами доступных силовых полупроводниковых приборов.

Особенности построения силовых цепей двухсистемного электровоза ЭП 10 с тяговыми преобразователями на GTO-тиристорах 45-го класса более подробно описаны в разделе 2.

2. Особенности построения силовых тяговых цепей электровоза ЭП 10

В силовых цепях электровоза ЭП 10 синтезированы две схемы для питания оборудования от систем тягового электроснабжения постоянного и переменного тока. При разработке силовых цепей многосистемных электровозов всегда стараются как можно более универсально использовать основное тяговое оборудование, чтобы оптимизировать массогабаритные показатели и стоимость комплекта необходимых электрических аппаратов. Схема силовых цепей электровоза ЭП 10 также разработана на основе таких принципов.

Ключевыми элементами, определяющими построение силовой схемы асинхронного тягового привода, являются силовые полупроводниковые приборы преобразователя. Они задают предельно допустимые напряжения и токи в цепях. В тяговых преобразователях электровоза ЭП 10 использованы GTO-тиристоры 45-го класса, рассчитанные на предельный запираемый ток 3000 А (рис. 2.1).

Рис.2.1 - Общий вид GTO-тиристора 45-го класса с предельным запираемым током 3000 А

Такие полупроводниковые приборы допускают максимальное среднее напряжение на входе инвертора порядка 3000 В. Предельная мощность на выходе инвертора, по условиям токовой нагрузки, таких GTO-тиристоров составляет порядка 3000 кВт.

Чтобы уменьшить число полупроводниковых приборов в преобразователе, снизить его стоимость и массогабаритные показатели, компоновку силовой схемы выбирают таким образом, чтобы как можно выше загрузить силовые полупроводниковые приборы по току.

В соответствии с техническими требованиями максимальная осевая мощность электровоза ЭП 10 на ободе колеса составляет 1200 кВт. С учетом потерь энергии в тяговой передаче и двигателе максимальная активная мощность на зажимах тягового двигателя примерно равна 1300 кВт. Это означает, что инвертор, состоящий из шести GTO-тиристоров, по мощности способен питать два тяговых двигателя электровоза ЭП 10. Исходя из этого приняли решение использовать на электровозе ЭП 10 три тяговых преобразователя, каждый из которых питает два тяговых двигателя параллельно (рис. 2.2). Это техническое решение также хорошо согласуется с компоновкой ходовой части электровоза ЭП 10 с тремя двухосными тележками.


Для работы от тяговой сети постоянного тока с номинальным напряжением 3 кВ требуются специальные схемы инверторов, если в преобразователе использованы силовые полупроводниковые приборы 45-го класса. Исходя из этого, для электровоза ЭП 10 можно было использовать как трехточечную схему инвертора, так и схему с "двойной звездой". Однако схема "двойная звезда" несколько проще и дает существенное преимущество в возможности сокращения числа силовых полупроводниковых приборов в преобразователе двухстемного электровоза, если при питании от тяговой сети переменного тока напряжение в промежуточном звене не превышает 3000 В. В этом случае можно использовать почти все GTO-тиристоры преобразователя при работе электровоза как на постоянном, так и на переменном токе. При этом часть силовых приборов всегда формирует один инвертор и один тормозной регулятор. Другая часть на постоянном токе формирует второй инвертор и второй тормозной регулятор, необходимые для схемы "двойная звезда", а на переменном токе - два мостовых выпрямителя.

Рис. 2.3 - Конфигурации схемы тягового преобразователя при работе электровоза ЭП 10 от систем тягового электроснабжения постоянного тока (а) и переменного тока (б)

В схеме на рис. 2.3, а напряжение в промежуточном звене повторяет изменения напряжения в контактной сети в диапазоне от 2,2 до 4 кВ, а в схеме на рис. 2.3, б выпрямители поддерживают стабильное напряжение в промежуточном звене на уровне 2800 В независимо от величины напряжения на токоприемнике электровоза.

Переключение схемы тягового преобразователя осуществляет комплект установленных в нем системных переключателей. Но, как видно из рис. 2.3, для реализации таких конфигураций необходимо также переключать обмотки тяговых двигателей с соединения с двумя "полузвездами" на "полную звезду". Для этого в тяговых двигателях НТА-1200 электровоза ЭП 10 фазные обмотки выполнены секционированными, как показано на рис.2.4. Одна группа из трех полуобмоток фаз всегда соединена в "звезду" внутри двигателя и имеет только три силовых вывода.

Рис. 2.4. - Схема обмоток тягового двигателя НТА-1200

В другой группе каждая фазная полуобмотка имеет два силовых вывода. Эти раздельные выводы и позволяют формировать два варианта схемы силовых цепей.

Переключает обмотки тяговых двигателей дополнительный системный переключатель, установленный отдельно от тягового преобразователя.

Более подробно силовые тяговые цепи электровоза ЭП 10 и их работа рассмотрены ниже. Для наглядности эти описания представлены в виде следующих разделов:

• сетевые тяговые цепи, питающие тяговые преобразователи;

• силовые цепи тягового преобразователя;

• выходные силовые цепи тягового преобразователя:

○ цепи тяговых двигателей;

○ цепи тормозных резисторов;

○ цепи дросселя резонансного фильтра;

3. Сетевые тяговые цепи

электровоз локомотив асинхронный двигатель

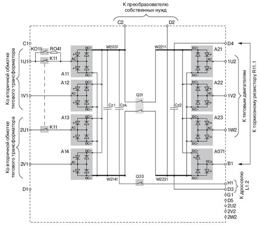
На рис.3.1 показаны сетевые тяговые цепи от токоприемников до входных зажимов тяговых преобразователей. На крыше электровоза два токоприемника XA1 и XA2 через разъединители QS1 и QS2 соединены шинами с переключателем рода тока Q5, заземлителем QS3 и измерительным трансформатором T3 сетевого напряжения переменного тока. Переключатель рода тока Q5 формирует две независимые сетевые цепи: переменного и постоянного тока.

Сетевое переменное напряжение 25 кВ с выхода 1 переключателя рода тока Q5 поступает на главный выключатель QF1, а после главного выключателя - на ограничитель перенапряжений F1, фильтр радиопомех Z1 и через крышевой проходной изолятор XH1 на первичную обмотку тягового трансформатора T1. Шесть вторичных тяговых обмоток трансформатора T1 попарно подключены к входным зажимам переменного тока 1U1, 1V1, 2U1, 2V1 трех тяговых преобразователей UZ1, UZ2, UZ3.

"Земляной" вывод первичной обмотки тягового трансформатора T1 соединен с устройствами отвода переменного тока на буксах колесных пар через три измерительных трансформатора переменного сетевого тока T11, T12, T13 и заземлен на корпус электровоза через дроссель L2.

Сетевое постоянное напряжение 3 кВ с выхода 3 переключателя рода тока Q5 через крышевой проходной изолятор XH2 поступает на быстродействующий выключатель QF2 и ограничитель перенапряжения F2, а

после быстродействующего выключателя через прямую шину дифференциального реле TA5 и три датчика постоянного сетевого тока TA1, TA2, TA3 - на входные зажимы трех сетевых сглаживающих реакторов L1.1, L1.3, L1.5. Выходные зажимы трех сетевых сглаживающих реакторов подключены к входным зажимам постоянного тока C1 тяговых преобразователей UZ1, UZ2, UZ3.

Ко входу быстродействующего выключателя QF2 также подключены три датчика сетевого постоянного напряжения TV1, TV2, TV3.

"Земляные" выводы постоянного тока D1 трех тяговых преобразователей соединены вместе и через обратную шину дифференциального реле TA5 подключены к устройствам отвода постоянного тока на буксах колесных пар.

Три комплекта датчиков переменного и постоянного сетевого тока и постоянного сетевого напряжения установлены для независимого контроля этих параметров со стороны каждой из подсистем управления трех тяговых преобразователей. Это обеспечивает высокую степень резервирования данных элементов управления и диагностики, важных для работы тягового электропривода.

Переключатель рода тока Q5 имеет три положения:

• нейтральное;

• переменный ток;

• постоянный ток.

Текущий вид системы тягового электроснабжения автоматически определяет схема контроля рода тока, которую образуют измерительный трансформатор Т3 и блоки A1 и А2.

Рис. 3.1 - Схема сетевых тяговых цепей электровоза ЭП 10

. Силовые цепи тягового преобразователя

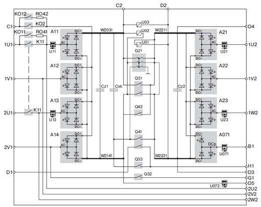
Силовые цепи тягового преобразователя представлены на рис. 4.1. У всех трех тяговых преобразователей электровоза ЭП 10 эти цепи полностью идентичны. На схемах цифровые обозначения элементов показаны на примере преобразователя № 1 (UZ1).

Основу преобразователя составляют восемь силовых модулей:

• четыре силовых модуля типа ZV24-2830-U (A11, A12, A13, A14);

• три силовых модуля типа ZV24-2830-L (A21, A22, A23);

• один силовой модуль типа BV24-2830-L (A071).

В силовых модулях типа ZV24-2830-U и ZV24-2830-L установлены по два GTO-тиристора, образующих два плеча полумоста: плюсовое и минусовое. Эти модули используют в выпрямителях, инверторах и тормозном регуляторе. В силовом модуле BV24-2830-L установлен лишь один GTO-тиристор, и этот модуль используют только в качестве тормозного регулятора. В связи с этим обозначение выходного зажима AC в этом модуле (А 071) на схеме рис. 4.1 заменено на обозначение DCp.

Рис.4.1 - Схема силовых цепей тягового преобразователя электровоза ЭП 10

Принципиальная электрическая схема одного из типов силовых модулей показана как пример на рис. 4.2.

При работе электровоза ЭП 10 на переменном токе силовые цепи тягового преобразователя сформированы следующим образом (рис.4.3). Силовые модули A11, A12, A13, A14 образуют два мостовых выпрямителя.

Переменное напряжение с двух тяговых вторичных обмоток трансформатора через входные зажимы переменного тока 1U1, 1V1, 2U1, 2V1 и сдвоенный линейный контактор переменного тока K11 поступает на четыре одноименных входа переменного тока AC четырех фазовых силовых модулей - A11, A12, A13, A14.

Рис.4.2 - Принципиальная схема силового модуля ZV24-2830-U:V1, V2 - GTO-тиристоры; V5, V6 - обратные диоды; R1, C1, C11, V11, V12 - "снабберная" цепь для гашения коммутационных перенапряжений; L1 - дроссель для ограничения скорости нарастания тока преобразователя.

Так же, от входного зажима переменного тока 1U1, напряжение на вход AC модуля A11 может быть подано через цепь предварительного заряда промежуточного звена, состоящую из контактора K011 и резистора R041. При подготовке преобразователя к работе первым всегда включается контактор K011. Через эту цепь мощная батарея конденсаторов промежуточного звена постоянного напряжения плавно заряжается до амплитудного напряжения вторичной тяговой обмотки тягового трансформатора, а через несколько секунд включается линейный контактор K11. Это позволяет избежать значительного броска зарядного тока.

Выходы постоянного тока DC+ и DC- силовых модулей A11, A12, A13, A14 соответственно подключены к промежуточному звену постоянного напряжения, которое образуют шины W2031 (плюсовая) и W2141 (минусовая). К этим шинам подключена батарея фильтровых конденсаторов Cz1.

Через двухполюсный системный переключатель Q31 шины W2031 и W2141 соединены с шинами W2211 и W2231 - продолжением промежуточного звена постоянного напряжения. К этим шинам подключены:

• батарея фильтровых конденсаторов Cz2;

• входы постоянного тока DC+ и DC- силовых модулей A21, A22, A23, которые образуют инвертор;

• входы постоянного тока DC+ и DC- силового модуля A071, который образует регулятор цепи тормозного резистора R11.1.

Также к промежуточному звену постоянного напряжения между шинами W2031 и W2231 подключена цепь резонансного LC-фильтра с собственной частотой 100 Гц. Этот фильтр образуют батарея конденсаторов Csk, системный переключатель Q33 и дроссель L1.2.

С выходов переменного тока AC силовых модулей A21, A22, A23 через выходные зажимы переменного тока 1U2, 1V2, 1W2 преобразователя напряжение подается на кабели, соединяющие тяговый преобразователь с обмотками тяговых двигателей, соединенных в "полную звезду".

При работе электровоза ЭП 10 на постоянном токе силовые цепи тягового преобразователя сформированы так, как показано на рис. 2.9. В этом случае силовые модули A11, A12, A13 образуют второй инвертор, а силовой модуль А 14 используется в качестве регулятора цепи второго тормозного резистора R11.2.

"Плюс" питающего постоянного напряжения с выхода сетевого сглаживающего реактора L1.1 через входной зажим постоянного тока С 1 преобразователя и линейный контактор постоянного тока K02 поступает на шину W2031 промежуточного звена постоянного напряжения. Как и в варианте схемы для работы от тяговой сети переменного тока, к этой шине подключены плюсовые зажимы постоянного тока DC+ силовых модулей A11, A12, A13, A14, а минусовые зажимы постоянного тока DC- силовых модулей A11, A12, A13, A14 подключены к шине W2141.

Так же, от входного зажима постоянного тока С 1, напряжение на шину W2031 может быть подано через цепь предварительного заряда промежуточного звена, состоящую из контактора K012 и резистора R042.

Шины W2031 и W2141 образуют верхнюю половину сдвоенного промежуточного звена постоянного напряжения, а шины W2211 и W2231 - нижнюю половину сдвоенного промежуточного звена, к которой подключены силовые модули A21, A22, A23 первого инвертора и силовой модуль A071 регулятора цепи тормозного резистора R11.1. Таким образом, среднюю точку сдвоенного промежуточного звена постоянного напряжения образуют шины W2141 и W2211, соединенные через системный переключатель Q42.

Рис.4.3 - Схема силовых цепей тягового преобразователя при работе электровоза ЭП 10 от тяговой сети переменного тока

В этой схеме батарея конденсаторов Cz1 остается подключенной к шинам W2031 и W2141 и работает в верхней половине промежуточного звена, а батарея Cz2 остается подключенной к шинам W2211 и W2231 и работает в нижней половине промежуточного звена. Резонансный LC-фильтр с собственной частотой 100 Гц при работе электровоза ЭП 10 на постоянном токе не нужен. В связи с этим батарея конденсаторов Csk этого фильтра используется для увеличения суммарной емкости фильтровых конденсаторов промежуточного звена и включается между шинами W2031 и W2231 через один из двух контактов системного переключателя Q41.

Рис.4.4 - Схема силовых цепей тягового преобразователя при работе электровоза ЭП 10 от тяговой сети постоянного тока

Второй контакт этого переключателя используется для соединения шины W2231 с общим "минусом" силовых цепей электровоза через дроссель L1.2 и выходной зажим постоянного тока D1 преобразователя. В этом случае дроссель L1.2 используется в схеме для ограничения интенсивности нарастания аварийного тока при возникновении коротких замыканий на землю в силовых цепях.

С зажимов переменного тока AC силовых модулей A11, A12, A13 через выходные зажимы 2U2, 2V2, 2W2 напряжение подается на кабели, питающие одну группу фазных полуобмоток тяговых двигателей, а с зажимов переменного тока AC силовых модулей A21, A22, A23 через выходные зажимы 1U2, 1V2, 1W2 оно подается на кабели, питающие другую группу фазных полуобмоток тяговых двигателей.

Ручной переключатель Q21 в преобразователе выполняет роль группового заземлителя цепей промежуточного звена постоянного напряжения.

В каждом тяговом преобразователе также предусмотрены два вывода постоянного тока (зажимы С 2 и D2), через которые к промежуточному звену постоянного напряжения подключают преобразователи собственных нужд.

. Выходные силовые цепи тяговых преобразователей

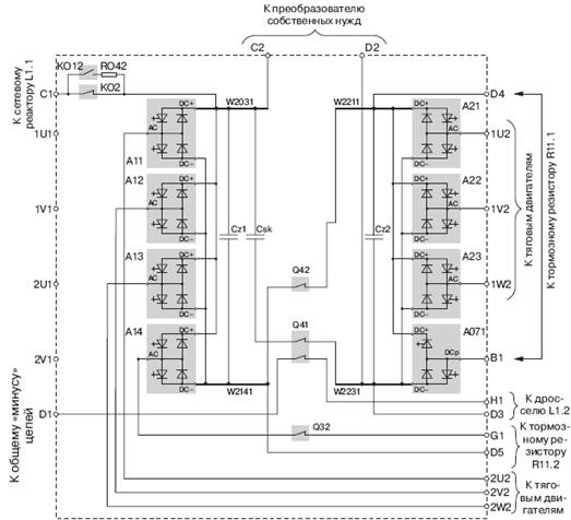
Выходные силовые цепи тягового преобразователя электровоза ЭП 10 представлены на рис.5.1. Эти цепи у всех трех преобразователей полностью идентичны.

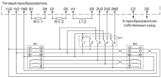
Цепи тяговых двигателей. Как видно из рис.5.1, каждый из тяговых двигателей М1 и М2 содержит две группы фазных полуобмоток:

• фазные полуобмотки, имеющие входные зажимы U, V, W, всегда соединены в "полузвезду" внутри двигателя;

•фазные полуобмотки, имеющие входные зажимы U1, V1, W1 и выходные зажимы U2, V2, W2, полностью изолированы друг от друга внутри двигателя.

Входные зажимы U, V, W фазных полуобмоток двух тяговых двигателей М1 и М2 также всегда соединены параллельно и подключены к групповому системному переключателю Q11, который формирует два варианта подключения этих полузвезд к внешним цепям:

• при работе электровоза ЭП 10 на переменном токе контакты 3, 4, 5 системного переключателя Q11 подключают зажимы U, V, W соответственно к зажимам 1U2, 1V2, 1W2 других полуобмоток двух тяговых двигателей М1 и М2; при этом формируется схема соединений обмоток двигателей с полными "звездами", которые параллельно получают питание от инвертора с силовыми модулями А21, А22, А23;

• при работе электровоза ЭП 10 на постоянном токе контакты 3, 4, 5 системного переключателя Q11 подключают зажимы U, V, W к выходным зажимам тягового преобразователя 2U2, 2V2, 2W2, которые являются выходами инвертора с силовыми модулями А11, А12, А13; при этом контакты 1 и 2 системного переключателя Q11 замыкают между собой зажимы U2, V2, W2 обоих тяговых двигателей, формируя тем самым второе соединение фазных полуобмоток в "полузвезду".

Рис.5.1 - Схема выходных силовых цепей тягового преобразователя

На рис.5.1 подключение пар зажимов U, V; U1, VI; U2, V2 тягового двигателя М 2 выполнено с обратным чередованием фаз по отношению к одноименным зажимам двигателя М 1. Этим обеспечивается согласование направления вращения двух тяговых двигателей, установленных в одной тележке. В тележке электровоза ЭП 10 колесно-моторные блоки установлены центрально симметрично. Поэтому роторы двух двигателей одной тележки при движении всегда вращаются относительно статора в разные стороны.

Цепи тормозных резисторов. Две цепи тормозных резисторов подключены к парам выходных зажимов тягового преобразователя В1 - D4 и G1 - D5.

Особенность схемы включения тормозных резисторов на электровозе ЭП 10 при работе на постоянном токе заключается в том, что резисторы постоянно подключены к средней точке промежуточного звена тяговых преобразователей. В этом случае при закрытом состоянии тормозных регуляторов цепи резисторов всегда находятся под напряжением порядка 1500 В относительно корпуса.

Это обеспечивает мгновенное и гарантированное обнаружение дифференциальным реле возможных нарушений изоляции цепей тормозных резисторов или пробоев на землю как во включенном, так и в выключенном состоянии цепей. Такая естественная диагностика состояния изоляции цепей тормозных резисторов важна для повышения надежности тяговых преобразователей. Выше отмечалось, что тормозные резисторы используют для защиты тяговых преобразователей от перенапряжений в промежуточном звене, поэтому информация о возможной неисправности цепей тормозных резисторов позволяет предупредить возможное возникновение опасных для преобразователя ситуаций.

Цепи дросселя резонансного фильтра. Цепи дросселя L1.2 резонансного LС-фильтра с собственной частотой 100 Гц постоянно подключены к паре выходных зажимов тягового преобразователя Н 1-D3 (см. рис.5.1).

При работе электровоза ЭП 10 на переменном токе дроссель L1.2 формирует вместе с батареей конденсаторов Сsk резонансный фильтр, настроенный на собственную частоту 100 Гц, подключенный к промежуточному звену постоянного напряжения. Назначение этого фильтра состоит в снижении пульсаций напряжения в промежуточном звене с частотой 100 Гц, которые возникают после процесса выпрямления напряжения сети частотой 50 Гц.

При работе электровоза ЭП 10 на постоянном токе дроссель L1.2 включают в минусовой выход преобразователя. Фактически этот дроссель отделяет "минус" промежуточного звена тягового преобразователя от общего "минуса" силовых цепей электровоза. Задача его в этом случае состоит в том, чтобы ограничивать скорость нарастания тока короткого замыкания на землю в силовых цепях.

. Расположение силового оборудования в кузове электровоза

Расположение оборудования в кузове электровоза ЭП 10 выполнено с центральным проходом. В настоящее время это решение наиболее широко применяют в мире на магистральных электровозах нового поколения.

Такая компоновка кузова позволяет более полно использовать объем, но в то же время предъявляет к конструкции оборудования жесткие требования по одностороннему доступу к максимально возможному числу элементов при обслуживании и ремонте. Это необходимо, чтобы свести к минимуму потребность в выемке оборудования из кузова электровоза для выполнения регламентных работ или устранения отказов. Силовое оборудование электровоза ЭП 10 разработано с учетом таких требований.

Традиционно для электровозов Российских железных дорог на крыше ЭП 10 размешены аппараты сетевых цепей, работающих под напряжением 25 кВ:

• разъединители токоприемников (QS1, QS2);

• заземлитель (QS3);

• переключатель рода тока (Q5);

• главный выключатель(QF1);

• элементы фильтра радиопомех (Z1);

• ограничитель перенапряжений цепи 25 кВ (F1);

• измерительный трансформатор (ТЗ).

Похожие работы на - Двухсистемный электровоз ЭП10 как электромеханический комплекс

 

Не нашли материал для своей работы?
Поможем написать уникальную работу
Без плагиата!
Без нейросетей!