Индикатор нитратов на микроконтроллере
СОДЕРЖАНИЕ
ВВЕДЕНИЕ
1.
АНАЛИТИЧЕСКИЕ ОБЗОР
1.1
Назначение и область применения проектируемого устройства
.2 Анализ
существующих разработок и их характеристика
.3 Выбор и
обоснование аналога проектируемого устройства
2.
РАСЧЕТНО-ПРОЕКТИРОВОЧНЫЙ РАЗДЕЛ
2.1 Разработка
структурной схемы
.2 Разработка
функциональной схемы
2.3
Разработка принципиальной схемы
2.3.1 Расчет
узлов и блоков с выбором элементной базы
.3.2 Описание
принципа действия
2.4 Расчет
блока электропитания
.5 Разработка
алгоритма работы устройства
3.
КОНСТРУКТОРСКО-ТЕХНОЛОГИЧЕСКИЙ РАЗДЕЛ
3.1
Компоновка и трассировка печатной платы
.2 Выбор
метода производства печатной платы
.3 Расчет
эксплуатационных характеристик
.4 Поиск и
устранение неисправностей
4.
ЭКОНОМИЧЕСКИЙ РАЗДЕЛ
. МЕРОПРИЯТИЯ
ПО ЭНЕРГО- И МАТЕРИАЛОСБЕРЕЖЕНИЮ
. ОХРАНА
ТРУДА
. ОХРАНА
ОКРУЖАЮЩЕЙ СРЕДЫ
ЗАКЛЮЧЕНИЕ
СПИСОК
ИСПОЛЬЗУЕМЫХ ИСТОЧНИКОВ
ВВЕДЕНИЕ
Темой дипломного проекта является разработка индикатора нитратов на
микроконтроллере.
Цель исследования теоретическое исследование применения микропроцессорных
устройств, для определения нитратов.
Объектом исследования является устройство, определяющее количественное
содержание нитратов в тестируемом объекте.
Предметом исследования является микропроцессорное устройство для
определения нитратов в тестируемом предмете.
В процессе выполнения дипломного проекта необходимо было решить следующие
задачи:
. Проанализировать теоретическую базу построения современных
микроконтроллерных устройств;
2. Исследовать системы автоматизации определения электрических
величин;
. Создание схемы и разработка алгоритма функционирования
устройства индикатора нитратов на микроконтроллере;
. Создание компоновки и трассировки печатной платы, выбор метода
производства печатной платы, рассчитать эксплуатационные характеристики
индикатора нитратов на микроконтроллере.
. Создание экономичного варианта микроконтроллерного устройства;
. Дать рекомендации по охране труда, энерго- и
материалосбережению, охране окружающей среды.
Метод исследования. В процессе разработки индикатора нитратов на
микроконтроллере проводилась сравнительная оценка способов автоматизации с
точек зрения, высказанных в технической и справочной литературе.
Теоретическая значимость: детально проработаны материалы по современным
микропроцессорным устройствам, проведен анализ по существующим разработкам,
исследованы новейшие схемы их функционирования.
Практическая значимость: заключается в разработке устройства для
количественного определения нитратов в быту, в пищевом производстве, в учебных
лабораториях.
1. АНАЛИТИЧЕСКИЕ ОБЗОР
1.1 Назначение
и область применения проектируемого устройства
Проектированное устройство предназначено для оценки количественного
содержания нитратов в овощах и фруктах. Для измерения нитратов был положен
метод электропроводимости, измерительное устройство анализирует
электропроводимость между двумя электродами.
Индикатор нитратов применяется на производстве для промежуточного
контроля выпускаемой продукции, так как устройство определяет содержание
нитратов мгновенно и не надо ждать несколько часов для того что бы получить
результата лабораторных исследований. В быту устройство получило широкое
распространения для индивидуальной оценки содержания нитратов в овощах и
фруктах выращенных на грядке или купленных в магазине. В учебном процессе
индикатор нитратов применяется в лабораторных исследованиях.
Спроектированный индикатор нитратов на микроконтроллере может выполнять
следующие функции:
1. измерение по типу продукта и нормам ПДК;
2. информация по нормам ПДК в продуктах;
. сохранение измерений;
. вывод и сравнение сохранённых данных в виде гистограмм;
. редактирование названий продуктов и количества ПДК в них;
. настройка системы, яркости и контрастность дисплея, громкости
звука;
. калибровка устройства.
1.2 Анализ
существующих разработок и их характеристика
Проектированное устройство - индикатор нитратов на микроконтроллере
предназначен для оценки количественного содержания нитратов в овощах и фруктах.
Нитраты - соли азотной кислоты, которые растения извлекают из почвы. Сами
по себе нитраты безвредны. Но в нашем организме они перерабатываются в ядовитые
нитриты, которые блокируют дыхание клеток. Более 60% нитратов мы получаем из
овощей, около 20% - из питьевой воды, 10% - из мяса, остальное - из фруктов,
молока и молочных продуктов. Ранние зелень и овощи содержат больше всего
нитратов из-за того, что при их выращивании превышается норма внесения азотных
удобрений. Причем парниковые овощи содержат больше нитратов, чем выращенные в
открытом грунте. Содержание их на 1 кг капусты составляет 400 мг, свеклы - 600
мг, других овощей - 200 мг, фруктов - 50 мг, фруктовых соков - 100 мг.
Индикатор нитратов - прибор, позволяющий определить отсутствие или
наличие и количество нитратов, содержащихся в продуктах питания [37].
Существует несколько способов определения нитратов. Лабораторный способ -
для определения нитратов лабораторным способом необходимо проделать множество
операций и ожидать результата несколько часов, вследствие чего этот метод
считается самым долгим, но при этом и самым точным [5,с.12].
Определение нитратов с помощью тест полосок - для определения нитратов
необходимо всего лишь капнуть каплю воды или приложить кусочек фрукта или овоща
и за несколько секунд можно узнать результат, полоска меняет цвет в зависимости
от количества нитратов, но так как для каждого тестирования необходима новая
тест полоска, а она, как правило стоит не мало, это метод считается самым
дорогим и затратным среди всех методов [38].
Способ определения нитратов методом электропроводимости, измерительное
устройство анализирует электропроводимость между двумя электродами, а результат
выдается на дисплей в считаные секунды, так как устройство может определять
нитраты не один раз и делает это за несколько секунд, этот способ является
наиболее актуальным на сегодняшний день [36].
В ходе анализа существующих разработок были выявлены следующие
устройства: индикатор нитратов фирмы «СОЭКС» в котором используются дорогие
ионоселективные электроды, ионометр AI-125 с нитрата селективным электродом
ЭЛИС-121NO3 и аналоговый индикатор нитратов Vitatest VD-2007.
В таблице 1.1 представлены сравнительные характеристики индикаторов
нитратов.
Таблица 1.1
Сравнительные характеристики индикаторов нитратов
|
Характеристика
|
Индикатор нитратов «СОЭКС»
[35]
|
Ионометр «AI-125» [33]
|
Vitatest VD-2007 [32]
|
|
Диапазон измерения
содержания нитратов, мг/кг
|
от 20 до 5 000
|
от 8до 65500 мг/кг
|
от 0до 8000 мг/кг
|
|
Время измерения
|
до 20
|
до 10
|
до 20
|
|
Погрешность измерения, не
более
|
15%
|
0,5%
|
25%
|
|
Средняя цена
|
1 500 000 бел.руб.
|
4 600 000 + 550 000 бел.
руб
|
700 000 бел. руб
|
1.3 Выбор
и обоснование аналога проектируемого устройства
Проектированное устройство - индикатор нитратов на микроконтроллере
предназначен для оценки количественного содержания нитратов в овощах и фруктах.
В качестве аналога проектируемого индикатора нитратов был выбран
индикатор нитратов «СОЭКС». Хоть и время измерения нитратов в продуктах
индикатором нитратов «СОЭКС» производится дольше и точность измерения и
диапазон измерений ниже, чем у индикатора нитратов AI-125. Стоимость и размер
индикатор нитратов «СОЭКС» меньше, ведь нам нужен не лабораторный индикатор
нитратов, а бытовой с условием, что его размер будет не превышать обычный
мобильный телефон и его стоимость будет доступна всем покупателям. [35]
Рисунок 1.1 - Индикатор нитратов «СОЭКС»
Особенности нитрат-тестера «СОЭКС»:
1. Встроенная таблица предельно допустимой концентрации нитратов
позволяет получать рекомендации по употреблению;
2. Яркий цветной oled-дисплей;
. Цветовая индикация уровня нитратов в продукте;
. Время измерения всего 5 секунд;
. Встроенный аккумулятор;
. Автоматическое отключение.
2. РАСЧЕТНО-ПРОЕКТИРОВОЧНЫЙ РАЗДЕЛ
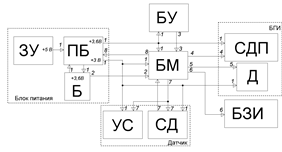
2.1 Разработка структурной схемы
Структурная
схема разрабатывается на начальных стадиях проектирования и предшествует
разработке схем других типов
<#"801646.files/image005.gif">
Рисунок 2.1 - Структурная схема индикатора нитратов на микроконтроллере
Структурная схема состоит из следующих блоков:
1) Датчик - предназначен для количественного определения нитратов.
2) БМ, блок микроконтроллера - предназначен для основных вычислений.
) БУ, блок управления - предназначен для управления устройством.
4) БЦИ, блок цифровой индикации - предназначен для графического
отображения информации о тестировании.
5) БЗИ, блок звуковой индикации - предназначен для звукового
отображения информации о тестировании.
) БП, блок питания - обеспечивает питанием устройства.
2.2 Разработка функциональной схемы
Функциональная схема предназначена для разъяснения процессов,
происходящих в отдельных функциональных цепях изделия или изделии в целом.
Функциональная схема индикатора нитратов на микроконтроллере представлена на
рисунке 2.2:
Рисунок 2.2 - Функциональная схема индикатора нитратов на
микроконтроллере
Функциональная схема состоит из следующих блоков:
Блок питания состоит из батареи Б, зарядного устройства ЗУ и
преобразовательного блока ПБ.
БУ, блок управления.
БМ, блок микроконтроллера.
БЦИ, блок цифровой индикации, который состоит из дисплея Д и светодиодной
подсветки СДП.
БЗИ, блок звуковой индикации.
Датчик состоит из усилителя УС и синхронного детектора СД
Опорные сигналы:
- Питание - сигнал, осуществляющий питание всех модулей и элементов
устройства.
2 - Состояние батареи - сигнал, о состоянии батареи.
- Сигнал управления - сигнал, управления блоком микроконтроллера.
- Сигнал подсветки - сигнал, управления подсветкой.
- Сигнал графической индикации - сигнал, передачи графической
индикацией.
- Сигнал звуковой индикации - сигнал, передачи звуковой
индикацией.
- Тест данные - сигнал, придачи данных о тестировании.
- Сигнал управления зарядкой батареи
2.3 Разработка
принципиальной схемы
2.3.1
Расчет узлов и блоков с выбором элементной базы
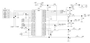
В соответствие со структурной схемой, приведенной на рисунке 2.1,
учитывая расчеты и выбор элементной базы, разрабатываем схему электрическую
принципиальную цифрового устройства.
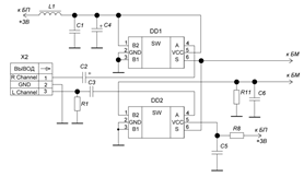
Блок датчика предназначен для количественного определения нитратов,
состоит из усилителя (Микросхемы DD1),
синхронного детектора (Микросхемы DD2) и 2-х щупов, подключаемых через разъём X2 CKX-3.5-05. Схема датчика представлена на рисунке 2.3.
Микросхема DD1 SN74LVC1G3157 использована в качестве повторителя напряжения. С её
вывода “A” прямоугольные импульсы частотой 7,8125 кГц через разделительный
конденсатор C2, отсекающий постоянную составляющую, поступают на разъём X2
CKX-3.5-05, предназначенный для подключения щупов. Сопротивление проверяемого
продукта является верхним плечом делителя, сопротивление резистора R1 - нижним.
Импульсы с R1 через разделительный конденсатор C3 поступают на синхронный
детектор, выполненный на коммутаторе DD2 SN74LVC1G3157.
Технические характеристики микросхемы SN74LVC1G3157 представлены в таблице 2.1.
Рисунок 2.3 - Схема датчика
Таблица 2.1
Технические характеристики микросхемы SN74LVC1G3157 [29]
|
Параметр
|
Значение
|
|
Потребляемый ток
|
15 мА
|
|
Потребляемое напряжение
|
3 В
|
Резисторы R1,R8,R11 и конденсаторы C2,С3,C5,С6 выбираем из документации по
подключению микросхем SN74LVC1G3157[29].
R1: RC0805-0,125-1,5кОм ±0,5%
R8: RC0805-0,125-100Ом ±0,5%
R11: RC0805-0,125-1MОм ±0,5%
C2: RC3216-JA7-6,3В -10мкФ±10%
C3: RC0805-X7R-25В -1мкФ±10%
С5: RC0805-Y5V-25В -100пФ±10%
C6: RC0805-Y5V-25В -100пФ±10%
Рассчитываем LC фильтр L1, C4:
(2,1)
где fс - частота среза.
2.3)
(2.4)
Выбираем из ряда Е24 емкость равную С4=22мкФ, индуктивность L1=10мкГн.
L1: DL-0805-10мкГн±10%
C4: RC3216-JJ7-6,3В -22мкФ±10%
Конденсатор С1 служит для компенсации помех, выбирается типовое значение
100пФ.
С1: RC0805-Y5V-25В -100пФ±10%
Блок микроконтроллера, предназначен для основных вычислений. В качестве
блока выбран микроконтроллер ATmega32A-AU.
Схема блока микроконтроллера представлена на рисунке 2.4.
Технические характеристики микроконтроллера ATmega32A-AU представлены в таблице 2.2. [22]
Цепочка элементов VT1, R3, R2, VD1
предназначена для индикации зарядного устройства. Если ЗУ подключено, то
транзистор закрывается и на выходе микроконтроллера PB1 подается 0, что символизирует о подключении ЗУ.
Рисунок 2.4 - Схема блока микроконтроллера
Таблица 2.2
Технические характеристики микроконтроллера ATmega32A-AU
|
Параметр
|
Значение
|
|
Количество линий
ввода/вывода
|
32
|
|
Количество таймеров
|
3
|
|
Размер ОЗУ
|
2 Кб
|
|
Размер ПЗУ
|
32 Кб
|
|
Тактовая частота
|
0-16 Мгц
|
|
Потребляемый ток
|
11 мА
|
|
Потребляемое напряжение
|
3 В
|
Выбираем стабилитрон VD1 из
условия:
(2.5)
где Uобр mах- обратное максимальное напряжениепр.max - прямой максимальный ток
Io -
максимальный рабочий ток
Iпр.max > 1,57 * Io > 1,57 * 90 > 141,3Ма (2.6)
Выбираем стабилитрон VD1:
VD1: BZV55-C2V7
Технические характеристики стабилитрона BZV55-C2V7 представлены в таблице 2.3 [25]
Таблица 2.3
Технические характеристики стабилитрона BZV55-C2V7
|
ПараметрЗначение
|
|
|
Обратное максимальное
напряжение
|
15 В
|
|
Прямой максимальный ток
|
150 мА
|
|
Потребляемый ток
|
7,6 мА
|
|
Потребляемое напряжение
|
5 В
|
Выбираем транзистор VT1 из
условия:
2.7)
где Ik max - максимальный ток коллектора, Iраб.max.имс - максимальный рабочий ток ИМС
Выбираем транзистор VT1:
VT1:
КТ3189
Технические характеристики транзистора КТ3189 представлены в таблице 2.
[24]
Таблица 2.4 - Технические характеристики транзистора КТ3189
|
Параметр
|
Значение
|
|
Максимальный ток коллектора
|
0,1А
|
|
Потребляемый ток
|
3,4 мА
|
|
Потребляемое напряжение
|
5 В
|
Рассчитываем делитель напряжения R3, R2:
R2 =
(2.8)
R3 =
- R4,(2.8)
где Uвх- входное напряжение каскада
Uвых-
выходное напряжение каскада
Iвх
входной ток.
R2 =
= 7379Ом
R3 =
- 7379Ом = 9861Ом
Выбираем из ряда Е24 сопротивление равные R2=7,5кОм, R3=10кОм.
R2: RC0805-0,125-7,5кОм ±0,5%
R3:RC0805-0,125-10кОм ±0,5%
Разьем Х3 WSR-6 предназначен
для программирования микроконтроллера при помощи программатора PonyProg.
Цепочка элементов VT3, VT5, R4…R6, R9, R15, R18, R25, R28,С19 предназначена для управления зарядкой аккумулятора,
если ЗУ подключено(PB1=0), происходит
замер напряжение на линии порта PА4
через делители напряжения R25,R28, если значение напряжения ниже
+4,15В, то на линии порта PB0
подается 1 и осуществляется зарядка аккумулятора, если напряжение достигло
уровня +4,15 В, то на линии порта PB0 подается 0 и зарядка прекращается, микроконтроллер закрывает
транзисторы VT3 ,VT5и устройство выключаетс.
Транзисторы VT3,VT5 выбираем из условия:
Выбираем транзисторы VT3, VT5:
VT3,VT5: КП214А9
Технические характеристики транзистора КП214А9 представлены в таблице 2.5
[21]
Таблица 2.5
Технические характеристики транзистора КП214А9
|
Параметр
|
Значение
|
|
Максимальный ток коллектора
|
300 мА
|
|
Потребляемый ток
|
8 мА
|
|
Потребляемое напряжение
|
2,73 В
|
Рассчитываем делитель напряжения R4, R5:
R4 =
= 9891Ом
R5 =
- 9891Ом = 978Ом,
где Uвх- входное напряжение каскада
Uвых-
выходное напряжение каскада
Iвх
входной ток.
Выбираем из ряда Е24 сопротивление равные R4=10кОм, R5=1кОм.
Рассчитываем делитель напряжения R6, R9:
R6 =
=
= 10кОм
R9 =
-R6=
- 10к Ом = 1кОм
Выбираем из ряда Е24 сопротивление равные R6=10кОм, R9=1кОм.
R6:RC0805-0,125-10кОм ±0,5%
R9: RC0805-0,125-1кОм ±0,5%
Рассчитываем делитель напряжения R15, R18:
R15 =
= 100кОм
R18 =
- 100к Ом = 1кОм
Выбираем из ряда Е24 сопротивление равные R15=100кОм, R18=1кОм.
R15: RC0805-0,125-100кОм ±0,5%
R18: RC0805-0,125-1кОм ±0,5%
Рассчитываем делитель напряжения R25, R28:
R28 =
= 100кОм
R25 =
- 100кОм = 10кОм
Выбираем из ряда Е24 сопротивление равные R25=10кОм, R28=100кОм.
R25: RC1206-0,125-10кОм ±0,5%
R28: RC0805-0,125-100кОм ±0,5%
Рассчитываем LC фильтр L2, C18
Выбираем из ряда Е24 емкость равную С18=47мкФ, индуктивность L2=22мкГн.
C18: RC0805-X7R-25В - 22мкФ±10%
L2: DL-0805-10мкГн±10%
Рассчитываем LC фильтр L3, C14:
Выбираем из ряда Е24 емкость равную С14=47мкФ, индуктивность L3=22мкГн.
C14: RC0805-X7R-25В - 22мкФ±10%
L3: DL-0805-10мкГн±10%
Конденсатор С19 служит для компенсации помех, выбирается типовое значение
100пФ.
C19: RC0805-Y5V-25В -100пФ±10%
Резисторы R10,R22,R23 и конденсаторы C10,С16,C17 выбираем из документации по
подключению микроконтроллера ATmega32A-AU. [9]
R10: RC1206-0,125-10кОм ±0,5%
R22: RC1206-0,125-1кОм ±0,5%
R23: RC1206-0,125-22кОм ±0,5%
С10, C16, С17: RC0805-Y5V-25В -100пФ±10%
Блок управления, предназначен для управления устройством, состоит из
кнопочных переключателей SB1-SB5 Cyx8-022-6-6-7.2-12В-50мА и 2-х
диодов необходимых для осуществления функции включения и выключения устройства.
Схема блока управления представлена на рисунке 2.5.
Рисунок 2.5- Схема блока управления
Диоды VD3 и VD4 выбираются из условий:
(2.10)
где Uобр mах- обратное максимальное напряжениепр.max - прямой максимальный ток
Io -
максимальный рабочий ток
пр.max > 1,57 * Io > 1,57 * 0,03 > 0,047А (2.11)
Выбираем диоды VD3,VD4: VD3,VD4: КД521А
Технические характеристики диода КД521А представлены в таблице 2.6. [20]
Таблица 2.6
Технические характеристики транзистора диода КД521А
|
Параметр
|
Значение
|
|
Обратное максимальное
напряжение
|
75В
|
|
Прямой максимальный ток
|
50 мА
|
|
Потребляемый ток
|
8,2 мА
|
|
Потребляемое напряжение
|
3 В
|
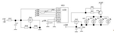
Блок цифровой индикации, предназначен для графического отображения
информации о тестировании, состоит из ЖКИ дисплея и четырех светодиодов. Схема
блока цифровой индикации представлена на рисунке 2.6.
Рисунок 2.6- Схема блока цифровой индикации
В качестве стабилизаторов напряжения DA1,DA3 выбираем TL431AIDBZR, которые является регулируемыми стабилизаторами
напряжения с защитой от перегревов и защиты по току.
В качестве дисплея выбираем ЖК дисплей LPH-7779-H, но так как дисплей не имеет
встроенной подсветки дополнительно выбирается 4 светодиода белого цвета.
Технические характеристики дисплея LPH-7779-H представлены в таблице 2.7 [28]
Технические характеристики стабилизаторов TL431AIDBZR
представлены в таблице 2.8 [30]
Таблица 2.7
Технические характеристики дисплея LPH-7779-H
|
Параметр
|
Значение
|
|
Потребляемый ток
|
7,4 мА
|
|
Потребляемое напряжение
|
3 В
|
Таблица 2.8
Технические характеристики стабилизаторов TL431AIDBZR
|
Параметр
|
Значение
|
|
Потребляемый ток
|
23 мА
|
|
Потребляемое напряжение
|
3 В
|
Выбираем светодиоды из условия:
(2.12)
где Iпр - потребляемый прямой ток диода.
HL1…HL4: RC0805-130-20мА-3В ±10%
Транзистор VT6 выбирается из
условий:
(2.13)
где Iпит.д- потребляемый прямой ток диода.
Выбираем транзистор VT6:
VD6:
KT3130Ж9
Технические характеристики транзистора KT3130Ж9 представлены в таблице 2.9 [23]
Таблица 2.9
Технические характеристики транзистора KT3130Ж9
|
Параметр
|
Значение
|
|
Ток коллектор - эмиттер
|
500 мА
|
|
Потребляемый ток
|
7,6 мА
|
|
Потребляемое напряжение
|
3 В
|
Расчет тока ограничительных резисторов R17 и R20:
где Uмк -напряжение при программировании
микроконтроллера
Uпит.и
- напряжение питания индикатора
Iпит -
ток питания индикатора.
R17, R20 =
= 1кОм
R17, R20: RC0805-0,125-1кОм ±0,5%
Рассчитываем делитель напряжения R16, R19:
R19 =
= 66,7кОм
R16 =
- 66,7кОм = 31,4кОм
Выбираем из ряда Е24 сопротивление равные R16=33кОм, R19=68кОм
R16: RC0805-0,125-22кОм ±0,5%
R19: RC0805-0,125-68кОм ±0,5%
Рассчитываем делитель напряжения R26, R27:
R27 =
=10кОм
R26 =
- 10к Ом = 1кОм
Выбираем из ряда Е24 сопротивление равные R26=1кОм, R27=10кОм
R26: RC0805-0,125-1кОм ±0,5%
R27: RC2512-0,125-10Ом ±0,5%
Конденсатор С15 служит для компенсации помех, выбирается типовое значение
100пФ.
C15: RC0805-Y5V-25В -100пФ±10%
Блок звуковой индикации, предназначен для звукового отображения
информации о тестировании, представляет собой громкоговоритель BA1 FML-20T.
Схема блока звуковой индикации представлена на рисунке 2.7.
Рисунок 2.7 - Схема блока звуковой индикации
Технические характеристики громкоговорителя FML-20T
представлены в таблице 2.10 [26]
Таблица 2.10
Технические характеристики громкоговорителя FML-20T
|
Параметр
|
Значение
|
|
Потребляемый ток
|
10 мА
|
|
Потребляемое напряжение
|
3,7 В
|
Расчет тока ограничительного резистора R21:
R21 =
, (2.15)
где Uмк - напряжение питания от
микроконтроллера,
Uпит.д
- напряжение питания динамика,
Iпит -
ток питания динамика.
R21 =
= 10Ом
R21: RC0805-0,125-100Ом ±0,5%
2.3.2
Описание принципа действия
Питание схемы осуществляется от литиевого аккумулятора G1 через ключ на
транзисторах VT4, VT5 и стабилизатор +3В DA2 TPS76330. При нажатии кнопки
включения SB1 открывается транзистор VT4 и напряжение питания через DA2
поступает на микроконтроллер (МК) DD3 ATmega32A-AU, который выставляет лог.1 на линии PA2. Открывшийся
транзистор VT5 удерживает VT4 в открытом состоянии после отпускания кнопки SB1.
Эта же кнопка через диод VD4 подключена к линии PB2 МК, сконфигурированной как
вход с подтягивающим резистором. При отжатой кнопке SB1 на линии PB2 МК будет
присутствовать лог.1, а при нажатии кнопки SB1 - лог.0, служащий сигналом о
необходимости выключения питания. Микроконтроллер снимает отпирающее транзистор
VT5 напряжение с линии PA2, после чего VT5 закрывается. После отпускания кнопки
SB1 закрывается и VT4, полностью обесточивая схему.
Для зарядки аккумулятора используется мини-USB разъём X1, ключи на VT2,
VT3, гасящий резистор R7 и датчик VD1, VT1 присутствия напряжения на контактах 1-5 X1. При наличии
напряжения зарядки +5В открывается VD1, VT1, и на линии PB1 МК, сконфигурированной как вход с подтягивающим
резистором, появляется лог 0. В свою очередь МК выставляет лог.1 на линии PB0,
открывая ключи VT2, VT3. Ток зарядки не стабилизирован, его максимальное
значение определяется в основном сопротивлением резистора R7 и при его
сопротивлении 10 Ом не превышает 130 мА при разряженном аккумуляторе. Контроль
напряжения зарядки осуществляется МК по линии PA4 через делитель R25, R28.
После достижения напряжения на аккумуляторе +4.15 В зарядка прекращается, МК
снимает управляющие напряжения с ключей VT2…VT5 и прибор выключается. Зарядка
возможна только во включенном состоянии прибора.
Во время работы прибора напряжение аккумулятора периодически измеряется
по линии PA4 МК через делитель R25, R28. Для защиты аккумулятора от глубокой
разрядки при снижении напряжения ниже 3,0 В питание прибора автоматически
выключается, если была выключена подсветка. В противном случае производится
последовательное уменьшение яркости подсветки с измерением напряжения
аккумулятора после каждого шага.
Микроконтроллер DD3 тактируется от внутреннего RC-генератора частотой 2
МГц. Для формирования напряжения переменного тока для проверки продуктов
использован таймер-счётчик «0» МК. На линии PB3 МК формируется меандр с
частотой 7,8125 кГц и через R10 подаётся на управляющие входы S микросхем DD1,
DD2 SN74LVC1G3157. Это достаточно мощные (ток коммутации до 100 мА)
быстродействующие ключи, выполненные в малогабаритном корпусе SOT-23-6 и
имеющие типовое сопротивление открытого канала 6 Ом. При низком уровне
логического сигнала на управляющем выводе “S” вывод “A” микросхемы соединяется
с выводом “B1”, а при высоком - с выводом “B2”. Микросхема DD1 использована в
качестве повторителя напряжения. С её вывода “A” прямоугольные импульсы
частотой 7,8125 кГц через разделительный конденсатор C2, отсекающий постоянную
составляющую, поступают на разъём X2, предназначенный для подключения щупов.
Сопротивление проверяемого продукта является верхним плечом делителя,
сопротивление резистора R1 - нижним. Импульсы с R1 через разделительный
конденсатор C3 поступают на синхронный детектор, выполненный на коммутаторе
DD2. С нагрузки синхронного детектора R11 выпрямленное напряжение через фильтр
C6, R22, C17 поступает на вход АЦП МК (линия PA2). В качестве источника
опорного напряжения для АЦП использован встроенный в МК ИОН на 2,56В.
Вычисление проводимости проверяемого продукта осуществляется программной
обработкой измеренного напряжения.
Графический ЖК дисплей HG1
подключен к линиям аппаратного интерфейса SPI МК PB5(MOSI), PB6(MISO), PB7(SCK), а также к линиям PD4(CE) и PD5(Reset). Питается ЖКИ напряжением +3В через резистор R13. На
элементах R16, R19, DA3 выполнен ограничитель напряжения на +3,3В. Он препятствует
поступлению повышенного напряжения питания на ЖКИ при подаче напряжения +5В от
программатора в режиме внутрисхемного программирования МК через разъём X3.
Резисторы R17, R20 совместно с внутренними диодами ЖКИ также выполняют защитную
функцию линий SCK, SDIN в этом режиме. Использование обычного стабилитрона
вместо регулируемого DA3 привело бы к увеличению потребляемого тока в рабочем
режиме, т.к. при напряжении +3В через обычный стабилитрон на 3,3В уже будет
протекать некоторый ток.
Для подсветки ЖК дисплея использованы четыре отдельных белых светодиода
HL1…HL4, т.к. встроенной подсветки в применённом ЖКИ дисплее не предусмотрено.
Для регулировки и стабилизации тока подсветки применён стабилизатор тока,
управляемый напряжением. Он выполнен на элементах R24, R26, R27, DA3, VT6.
Управляющее напряжение снимается с линии PD7 МК, сконфигурированной как выход
ШИМ таймера-счётчика «2» МК, и через фильтр R23, C15 поступает на управляющий
вывод регулируемого стабилитрона DA3 TL431A. Питание на стабилизатор тока
подается непосредственно от аккумулятора через ключ VT4, т.к. падение
напряжения на белых светодиодах превышает 3 В.
2.4 Расчет
блока электропитания
Для расчета блока питания необходимо рассчитать потребляемую мощность
устройства. Для расчета потребляемой мощности устройства необходимо сложить всю
потребляемую мощность каждого элемента.
Рпот = Iпот·Uпит, (2.16)
где Рпот - мощность потребляемая элемента
I пот
- ток потребляемый элементом
Uпит -
напряжение питания.
Таблица 2.11
Потребляемая мощность элементов
|
Элемент
|
Кол-во
|
I пот,мА
|
Uпит,В
|
Рпот, мВт
|
Рпот.общ., мВт
|
|
TL431AIDBZR
|
2
|
23
|
3
|
69
|
138
|
|
TPS76330
|
1
|
13
|
4,2
|
54,6
|
54,6
|
|
BZV55-C2V7
|
2
|
7,6
|
5
|
38
|
76
|
|
КД521А
|
2
|
8,2
|
5
|
41
|
82
|
|
КТ3189
|
1
|
3,4
|
5
|
17
|
17
|
|
KT3130Ж9
|
1
|
7,6
|
5
|
38
|
38
|
|
KT3130Ж9
|
1
|
7,6
|
3
|
22,8
|
22,8
|
|
КП214А9
|
2
|
8
|
2,73
|
22
|
44
|
|
KT368A9
|
1
|
11
|
4,2
|
46,2
|
46,2
|
|
FML-20T
|
1
|
10
|
3,7
|
37
|
37
|
|
LPH-7779-H
|
1
|
7,4
|
3
|
22,2
|
22,2
|
|
GNL0805-130
|
4
|
20
|
3
|
60
|
240
|
|
SN74LVC1G3157
|
2
|
15
|
3
|
45
|
90
|
|
ATmega32A-AU
|
1
|
11
|
3
|
33
|
33
|
|
Итого:
|
908
|
Блок питания индикатора нитратов на микроконтроллере состоит из трех
стабилизатора TPS76330, li-ion аккумулятора
на 3,6В в качестве зарядного устройства используется USB разъём на 5В. Схема блока питания представлена на
рисунке 2.8
Рисунок 2.8 - Схема блока питания
Для защиты устройства во время зарядки аккумулятора используется
предохранитель. Для расчета предохранителя необходимо знать потребляемую
мощность устройства Pпот и напряжение
питания Uпит.
I пот
=
, (2.17)
где I пот - номинальный ток защиты
предохранителя
Uпит=5В
- напряжение питания
Рпот - потребляемая мощность устройства.
I пот
=
= 181,6мА
Предохранитель выбираем из ряда значений равным 0,25А.
FU1: MFR-025
В качестве внешнего источника питания постоянного напряжения используется
многократно перезаряжаемый аккумулятор.
Электрический
аккумулятор - источник тока
<#"801646.files/image055.gif">(2.18)
Выбираем транзистор VT2:
VT2: KT3130Ж9
Технические характеристики транзистора KT3130Ж9 представлены в таблице 2.9 [23]
Транзистор VT4 служит в
качестве детектора нажатия кнопки питания.
Транзистор VT4 выбирается из
условий:
(2.19)
Выбираем транзистор VT4:
VT4:
KT368A9
Технические характеристики транзистора KT368A9
представлены в таблице 2.13 [27]
Таблица 2.13
Технические характеристики транзистора KT368A9
|
Параметр
|
Значение
|
|
Потребляемый ток
|
11 мА
|
|
Потребляемое напряжение
|
4,2 В
|
Выбираем стабилитрон VD2 из
условия:
где Uобр mах- обратное максимальное напряжениепр.max - прямой максимальный ток
Io -
максимальный рабочий ток
Iпр.max > 1,57 * Io > 1,57 * 0,6 > 0,94А
Выбираем стабилитрон VD1:
VD2: BZV55-C2V7
Рассчитываем делитель напряжения R12, R14:
R12 =
= 10кОм
R14 =
- 10к Ом = 1кОм
Выбираем из ряда Е24 сопротивление равные R12=10кОм, R14=1кОм
R12: RC0805-0,125-10кОм ±0,5%
R14: RC0805-0,125-1кОм ±0,5%
Конденсаторы C8 и С12 выбираем
из документации по подключению стабилизатора TPS76330. [23]
C8: RC3216-JJ7-6,3В -22мкФ±10%
C12: RC3216-JA7-6,3В -10мкФ±10%
Конденсаторы C9,C13 служит для компенсации помех,
выбираются типовое значение 100пФ.
C9,C13: RC0805-Y5V-25В -100пФ±10%
2.5 Разработка
алгоритма работы устройства
Блок схема алгоритма работы индикатора нитратов на микроконтроллере
представлена на рисунке 2.5.1.
Блок схема алгоритма работы подпрограммы зарядки устройства представлена
на рисунке 2.5.2.
Рисунок 2.5.1 - Блок схема алгоритма работы индикатора нитратов на
микроконтроллере

Рисунок 3.5.2 - Блок схема алгоритма работы подпрограммы зарядки
устройства
Блок схема алгоритма работы подпрограммы работы меню представлена на
рисунке 2.5.3.
Блок схема алгоритма работы подпрограммы управления меню представлена на
рисунке 2.5.4.
Рисунок 2.5.3 - Блок схема алгоритма работы меню
Рисунок 2.5.4 - Блок схема алгоритма работы управления меню
печатный плата индикатор нитрат
3.
КОНСТРУКТОРСКО-ТЕХНОЛОГИЧЕСКИЙ РАЗДЕЛ
3.1 Компоновка и трассировка печатной платы
Для компоновки и дальнейшей трассировки печатной платы необходимо
определить полную площадь печатной платы. Для определения полной площади
печатной платы схемы, при этом нужно учитывать установочные площади элементов,
необходимо найти установочную площадь всех элементов, а затем, учитывая
коэффициент увеличения, рассчитывается полная площадь. Коэффициент увеличения
принимается равный 2…3.
Установочные площади элементов рассчитываются по
формуле:
Syст.= 1,25 · B · L,
(3.1)
где B -
ширина корпуса элемента, мм;
L - длинна корпуса элемента, мм.
Для цилиндрических элементов площадь находится по
формуле:
Syст.= 1,25 · π · R
, (3.2)
где
R - радиус корпуса элемента, мм.
Произведен расчет установочных площадей каждого элемента. Данные сводятся
в таблицу 3.1.
Находим общую установочную площадь всех элементов по
формуле:
Sоб.=SRоб.+SCоб+SVTоб.+SDDоб..+SHG + SDA об. +SSВ об . .+SLоб, (3.3)
где
SRоб., SCоб, SVTоб., SDDоб., SHG, SDA об, SSВ об., SLоб 1,- общие установочные площади элементов, рассчитанные
выше, мм
.
Таблица 3.1
Установочные размеры всех элементов
|
Элемент
|
B, мм
|
L, мм
|
R, мм
|
S, мм²
|
Кол-во, шт
|
Sоб, мм²
|
|
C0805-Y5V
|
2,0
|
1,2
|
-
|
3
|
10
|
30
|
|
C0805-X7R
|
2,0
|
1,2
|
-
|
3
|
4
|
12
|
|
C3216-JA7
|
3,2
|
1,6
|
-
|
6,4
|
2
|
12,8
|
|
C3216-JJ7
|
3,2
|
1,6
|
-
|
6,4
|
2
|
12,8
|
|
C3216-CS6
|
3,2
|
1,6
|
-
|
6,4
|
1
|
6,4
|
|
TL431AIDBZR
|
3,0
|
1,4
|
-
|
5,25
|
2
|
10,5
|
|
TPS76330
|
3,0
|
1,75
|
-
|
6,6
|
1
|
6,6
|
|
SN74LVC1G3157
|
3,2
|
1,75
|
-
|
7
|
2
|
14
|
|
ATmega32A-AU
|
7,0
|
7,0
|
-
|
61,25
|
1
|
61,25
|
|
MRF-025
|
25
|
-
|
5
|
98,1
|
1
|
98,1
|
|
Li-ion 3,6V
|
25
|
15
|
-
|
468
|
1
|
468
|
|
LPH-7779-H
|
41
|
32
|
-
|
1640
|
1
|
1640
|
|
GNL 0805-130
|
2,0
|
1,2
|
-
|
3
|
2
|
6
|
|
DL0805
|
2,0
|
1,2
|
-
|
3
|
3
|
9
|
|
RC0805-0,125
|
2,0
|
1,2
|
-
|
3
|
25
|
75
|
|
RC2512-0,125
|
6,4
|
3,2
|
-
|
25,6
|
3
|
76,8
|
|
Cyx8-022
|
6
|
6
|
-
|
45
|
5
|
225
|
|
BZV55-C2V7
|
3,7
|
-
|
1,6
|
10
|
2
|
20
|
4,25
|
-
|
1,85
|
13,4
|
2
|
13,4
|
|
КТ3189
|
2,7
|
1,3
|
-
|
4,05
|
1
|
4,05
|
|
KT3130Ж9
|
2,7
|
1,3
|
-
|
4,05
|
2
|
8,1
|
|
КП214А9
|
2,7
|
1,3
|
-
|
4,05
|
2
|
8,1
|
|
KT368A9
|
2,7
|
1,3
|
-
|
4,05
|
1
|
4,05
|
|
USB mini-B
|
7,8
|
7
|
-
|
68,25
|
1
|
68,25
|
|
CKX-3.5-05
|
12
|
8
|
-
|
120
|
1
|
120
|
|
WSR-6
|
14
|
5
|
-
|
87,5
|
1
|
87,5
|
|
Итого:
|
3097,7
|
Sоб =3097,7 мм²
Находим полную установочную площадь всех элементов по формуле:
Sп.=Sоб.·К
, (3.4)
где
К
- коэффициент увеличения;
Sоб.- общая установочная площадь всех элементов, мм
.
Sп= 3097,7 2 = 6195,4мм²
Эскиз компоновки элементов и монтажных соеденений
состовлялся в программе Dip Trace. Диаметры монтажных и переходных отверстий печатной платы
приведены в таблице 3.2.
Диаметры монтажных и переходных отверстий
соответствуют [17].
Таблица 3.2
Диаметры монтажных и переходных отверстий печатной
платы
|
Номинальный диаметр
металлизированного отверстия, мм
|
Диаметр вывода, не более,
мм
|
|
0,5
|
0,7
|
|
0,6
|
0,8
|
Номинальный диаметры крепежных отверстий составляет 2
мм
Эскиз компоновки элементов и монтажных соединений печатной платы
представлен на рисунке 3.1.
Рисунок 3.1 - Эскиз компоновки элементов и монтажных соединений
Печатная плата индикатора нитратов на микроконтроллере была
растрассированна на двух сторонах в соответствии с [18]. Ширина трасс
соединений 0,5 мм. Допуск между проводником и элементом печатной платы 0,5 мм,
допуск между проводником и отверстием 0,5 мм, допуск между проводником и
границей печатной платы 2 мм, допуск расстояний элементов печатной платы 0,5
мм.
Чертёж верхнего слоя печатной латы представлен на рисунке 3.2
Рисунок 3.2 - Чертеж верхнего слоя печатной платы
Чертёж нижнего слоя печатной платы представлен на рисунка 3.3.
Рисунок 3.3 - Чертеж нижнего слоя печатной платы
Рассчитанная площадь печатной платы индикатора нитратов на
микроконтроллере составляет 6195,4 мм2. Благодаря грамотной
компоновки и правильной трассировки площадь получилась равна 4650 мм2,
что на 1545 мм2 меньше рассчитанного. Это позволило сэкономить на
материалах при производстве устройства и уменьшить его размер.
3.2 Выбор
метода производства печатной платы
Для изготовления печатной платы индикатора нитратов на микроконтроллере
был выбран комбинированный позитивный метод. В качестве материала печатной
платы был выбран текстолит толщеной 1,5 мм.
Данный метод был выбран с учетом следующих факторов изготовления печатной
платы индикатора нитратов:
. Проектируемое устройство выполнено по однослойной, двухсторонней
технологии с SND монтажом.
2. Необходима высокая точность печатного рисунка.
. Необходима высокая надежность и качество печатного рисунка.
Преимущества:
. Создания элементов печатного рисунка с высокой точностью. При
использовании фольги толщиной 9 мкм достижимая степень разрешения проводников и
зазоров между ними - 75 мкм;
2. Практически на всех этапах техпроцесса фольга защищает
диэлектрическое основание от воздействия технологических растворов. Этим
достигается высокое качество поверхности диэлектрика и, как следствие, высокая
надежность изоляции;
. Хорошая адгезия (прочность сцепления) элементов печатного
рисунка и диэлектрического основания платы.
Недостатки: Операций травления приводит к возникновению бокового подтрава
проводников. Это ограничивает разрешающую способность процесса.
Комбинированный
позитивный метод - применятся при производстве двухсторонних печатных плат. По
своей сути комбинированные способы изготовления плат относятся к
полуаддитивным. Как и при субтрактивном методе, для изготовления плат по
полуаддитивной технологии используются фольгированные диэлектрики. Формирование
рисунка проводников происходит, как и при аддитивных методах, путем
гальванического осаждения меди с применением фотошаблонов [34].
Этапы
комбинированного позитивного метода для двухсторонних печатных плат:
1. Нарезка технологических заготовок.
2. Очистка поверхности фольги (дезоксидация).
. Сверление отверстий (подлежащих металлизации).
. Активация поверхности под химическую металлизацию;
. Химическая металлизация.
. Нанесение и экспонирование фоторезиста через фотошаблон-позитив.
. Нанесение металлорезиста.
. Удаление экспонированного фоторезиста.
. Травление обнаженных участков тонкой фольги между элементами
печатного рисунка.
. Удаление металлорезиста.
. Нанесение контактных покрытий на концевые печатные ламели.
. Отмывка платы, сушка.
. Нанесение паяльной маски.
. Нанесение финишного покрытия на контактные площадки.
. Нанесение маркировки.
. Обрезка платы по контуру .
. Электрическое тестирование, контроль.
Последовательность операций при комбинированном позитивном методе
изготовления печатных плат представлены на рисунке 3.4.
Рисунок 3.4 - Последовательность операций при комбинированном позитивном
методе изготовления печатных плат: а) экспонирование фоторезиста (3) через
фотошаблон-позитив (1) и защитную пленку (2); б) рисунок из фоторезиста
проявлен, на пробельные участки осаждена гальваническая медь (7); в) поверх
гальванической меди нанесен металлорезист (6); г) фоторезист удален, остался
металлорезист, который защитит рисунок топологии от травления; д) рисунок
вытравлен; е) металлорезист удален - на основании ПП (5) остался рисунок
проводников.
3.3 Расчет
эксплуатационных характеристик
К эксплуатационным характеристикам можно отнести технологичность и
надежность разрабатываемого устройства. Поэтому в данном раздели, будут
рассчитаны технологичность и надежность универсального зарядного устройства.
Блок питания универсального зарядного устройства, будет монтироваться отдельно,
но так как это часть устройства, то все расчеты будут делаться для обеих плат в
совокупности.
Первое что будет рассчитано это технологичность устройства.
Технологичность - совокупность свойств конструкции изделия, проявляющиеся
в возможности оптимальных затрат труда, времени, средств труда, при технической
подготовке производства, изготовлении, эксплуатации, ремонте. Технологичность
определяется по формуле:
, (3.5)
где
Кi -
расчётный частный показатель, соответствующего класса блока;
- весовой
коэффициент;
i - порядковый
номер показателя;
n - количество
показателей.
Для
того, чтобы определить комплексный показатель технологичности необходимо
определить каждый частный показатель.
Расчитаем
коэффициент использования микросхем.
Коэффициент
использования микросхем определяется по формуле:
,(3.6)
где
H
-
количество микросхем;
H - общее
количество элементов.
Для
данного коэффициента весовой коэффициент
1=1.
Расчитаем
коэффициент автоматизации и механизации монтажа.
Коэффициент
автоматизации и механизации монтажа определяется по формуле:
, (3.7)
где
H
-
количество монтажных соединений, которое выполняется автоматизировано или
механизировано;
Hм - общее количество монтажных соединений.
Для
данного коэффициента весовой коэффициент
2=1.
Расчитаем
коэффициент автоматизации и механизации подготовки ЭРЭ к монтажу.
Коэффициент
автоматизации и механизации подготовки ЭРЭ к монтажу определяется по формуле:
,(3.8)
где
H
-
количество ЭРЭ, которые подготавливаются автоматизировано или механизировано;
Hэрэ - общее количество элементов ЭРЭ.
Для
данного коэффициента весовой коэффициент
3=0,75.
Расчитаем
коэффициент автоматизации и механизации операции контроля и настройки
электрических параметров.
Коэффициент
автоматизации и механизации операции контроля и настройки электрических
параметров определяется по формуле:
, (3.9)
где
Нмкн - количество операций контроля и настройки, выполняемых
механизировано или автоматизировано;
Hкн - общее число операций контроля и настройки.
Для
данного коэффициента весовой коэффициент
4 =0,5.
Расчитаем коэффициент повторяемости ЭРЭ.
Коэффициент повторяемости ЭРЭ определяется по формуле:
(3.10)
где
Hтэрэ -
количество типоразмеров ЭРЭ в изделии;
Hэрэ - общее количество элементов ЭРЭ.
Для
данного коэффициента весовой коэффициент
5=0,31.
Расчитаем
коэффициент применяемости ЭРЭ.
Коэффициент
применяемости ЭРЭ определяется по формуле:
, (3.11)
где
Hтсрэрэ -
количество типоразмеров оригинальных ЭРЭ в изделии;
Hтэрэ - общее число типоразмеров ЭРЭ.
Для
данного коэффициента весовой коэффициент
6=0,187.
Расчитаем коэффициент прогрессивности формообразования деталей.
Коэффициент прогрессивности формообразования деталей определяется по
формуле:
, (3.12)
где
Dпр-
количество деталей, заготовок, полученных прогрессивным методом
формообразования;
Dпр- общее количество деталей, заготовок.
Для
данного коэффициента весовой коэффициент
7=0,11.
Рассчитаем технологичность.
Технологичность определяем подставив в формулу (2.3.1) значения частных
показателей технологичности.
Рассчитаем
уровень технологичности устройства.
Расчёт
уровня технологичности устройства определяется по формуле:
, (3.13)
где
К - комплексный показатель технологичности;
Кн-нормативный
показатель технологичности.
В
соответствии с формулой (3.3.9) и тем, что, К=0,523, выбираем КН=0,5
из ряда допустимых значений.
Таким
образом уровень технологичности будет равен 1,05, следовательно устройство
является технологичным, так как значение уровня технологичности больше единицы.
Расчет
надежности электронного устройства - индикатора нитратов на микроконтроллере.
Требования к надежности разрабатываемого изделия задаются в техническом задании
на разработку. На ранних стадиях разработки изделия составляются план
обеспечения надежности, который на последующих стадиях разработки
детализируется и уточняется. Одним из элементов этого плана является расчет
надежности проектируемого изделия.
Прикидочный
расчет позволяет судить о принципиальной возможности обеспечения требуемой
надежности изделия.
λi = λ0 · n,
(3.14)
где
λ0 -
средняя интенсивность отказов равнонадежных элементов схемы, 1/ч;
n - общее
количество элементов, шт.
Ориентировочный
расчет проводится тогда, когда на изделие и все его составные части разработаны
электрические принципиальные схемы.
Окончательный
расчет проводится на этапе технического проектирования и учитывает влияние на
характеристики надежности режимов работы элементов в схеме и конкретные условия
эксплуатации изделия. В общем случае интенсивности отказов элементов зависят от
электрического режима работы элемента в схеме, температуры окружающей среды,
механических воздействий в виде вибраций и ударов, влажности воздуха, давления,
радиации и ряда других возможных факторов.
В
таблице 3.2 приведены значения интенсивности отказов и средней наработки
элементов, используемых в модуле ЭВС, рассматриваемом в данной работе [40].
Таблица 3.2
Интенсивности отказов и средней наработки элементов
|
Наименование
|
Кол-во, шт.
|
Интенсивность отказов λ0, 10-6,
1/ч
|
Средняя наработка Т0
= 1 / λ0, 106,
ч
|
Интенсивность отказов λi = λ0 · n, 10-6, 1/ч
|
|
C0805-Y5V
|
10
|
0,4
|
2,5
|
4
|
|
C0805-X7R
|
4
|
0,005
|
200
|
0,02
|
|
C3216-JA7
|
2
|
0,15
|
6,6
|
0,3
|
|
C3216-JJ7
|
2
|
0,25
|
4
|
0,5
|
|
C3216-CS6
|
1
|
0,3
|
3,3
|
0,3
|
|
TL431AIDBZR
|
2
|
0,23
|
4,3
|
0,46
|
|
TPS76330
|
1
|
0,18
|
5,5
|
0,18
|
|
SN74LVC1G3157
|
2
|
0,28
|
3,5
|
0,56
|
|
ATmega32A-AU
|
1
|
0,015
|
67
|
0,015
|
|
MRF-025
|
1
|
0,01
|
100
|
0,01
|
|
Li-ion 3,6V
|
1
|
0,77
|
1,3
|
0,77
|
|
LPH-7779-H
|
1
|
0,25
|
4
|
0,25
|
|
GNL 0805-130
|
2
|
0,25
|
4
|
0,5
|
|
DL0805
|
3
|
0,3
|
3,3
|
0,9
|
|
RC0805-0,125
|
25
|
0,55
|
1,8
|
13,75
|
|
RC2512-0,125
|
3
|
0,57
|
1,75
|
1,71
|
|
Cyx8-022
|
5
|
0,15
|
6,7
|
0,75
|
|
BZV55-C2V7
|
1
|
0,225
|
4,4
|
0,45
|
|
КД521А
|
2
|
0,85
|
1,17
|
1,7
|
|
КТ3189
|
1
|
0,35
|
2,9
|
0,35
|
|
KT3130Ж9
|
2
|
0,2
|
5
|
0,4
|
|
КП214А9
|
2
|
0,85
|
1,1
|
1,7
|
|
USB mini-B
|
1
|
0,2
|
5
|
0,2
|
|
CKX-3.5-05
|
1
|
0,2
|
5
|
0,2
|
|
WSR-6
|
1
|
0,1
|
10
|
0,1
|
|
KT368A9
|
1
|
0,55
|
1,8
|
0,55
|
|
Печатная плата
|
1
|
0,1
|
10
|
0,1
|
|
Пайка
|
249
|
0,01
|
100
|
2,49
|
Расчет интенсивности отказов делается согласно данным из таблицы 3.2 и
формулы расчета интенсивности отказа (3.14).
Рассчитываем интенсивность отказов всего устройства.
Λ
=
, (3.15)
где
- сумма
интенсивности отказов всех элементов схемы, 1/ч.
Λ = 4 + 0,02 + 0,3 + 0,5 + 0,3 + 0,46 + 0,18 +0,56 +
0,015 + 0,01 + 0,77 +
,25
+ 0,5+ 0,9 + 13,75 + 1,71 + 0,75 + 0,1 + 0,35 +1,7 + 0,35 + 0,8 + 1,7 +
,35
+ 0,4 +1,7 + 0,55 + 0,2 + 0,2 + 0,1 + 0,1 + 2,49 = 36,065 · 10
1/ч.
Рассчитываем среднюю наработку на
отказ по формуле:
(3.16)
,
с учетом того что устройство в среднем будет использоватся 2 часа в
день.
Рассчитываем
среднюю вероятность безотказной работы по формуле:
1/ч.
Рассчитываем
среднюю вероятность отказа по формуле:
1/ч.
(3.18)
Строим
график зависимости вероятности безотказной работы от времени. Для его построения
необходимо в формулу (3.16) подставлять значения времени от нуля до
.
Данные
для построения графика зависимости P(t):
t = 0 P(t) = 1= 0 P(t) = 1= 2500 P(t) = 0,910= 5000
P(t) = 0,790= 7500 P(t) = 0,720= 10000 P(t) = 0,625= 12500 P(t) = 0,596= 15000
P(t) = 0,494= 17500 P(t) = 0,450= 20000 P(t) = 0,390= 22500 P(t) = 0,373= 25000
P(t) = 0,368= 27500 P(t) = 0,390
Рисунок
3.5 - График зависимости вероятности безотказной работы от времени P(t)
3.4 Поиск
и устранение неисправностей
Все неисправности можно разделить на две группы: электрические и
механические. К механическим относятся неисправности в механических узлах
(кнопки переключатели, разъёмы и т.д.), к электрическим относят неисправности
относят неисправности приводящие к изменению электрических параметров
устройства (короткие замыкания, выход из строя резисторов, конденсаторов и
т.д.) при поиске неисправности применяем следующие методы:
. Внешний осмотр. На первом этапе внешнего осмотра проверяется качество
сборки монтажа, проверяется механическое крепление отдельных узлов
(переключатели, кнопки, разъёмы, переменные резисторы и т.д.). На втором этапе
проверяется качество электрического монтажа, при этом обращают внимание на
целостность соединительных проводов, наличие затеков припоя которые могут
вызвать короткие замыкания, проверка качества пайки, наличия повреждений
изоляции, наличие дефектов отдельных элементов (обрыв выводов, механическое
повреждение элементов, обугливание и т.д.), так же при включенном устройстве
внешний осмотр позволяет обнаружит неисправность по качеству работы световой
индикации(изменение яркости, отсутствие свечения, индикация не соответствующая
режиму работы прибора). Как правило внешний осмотр проводится при отключённом
питании и продолжается при включённом питании. Во включённом состоянии
обращается внимание на тепловой режим работы элементов (перегрев
трансформаторов, резисторов, п-п приборов и т.д.), а так же фиксируется
появление запаха сигнализирующая о наличии неисправности в устройстве.
2. Метод промежуточных измерений. Который заключается в
последовательной проверки прохождения сигнала от блока к блоку до обнаружения
исправного участка.
Промежуточные измерения - один из широко распространенных способов на
конечном этапе поиска неисправности, когда границы сужены до участка и остается
найти неисправный элемент. Он заключается в том, что для выявления неисправного
элемента производятся измерения сопротивления цепей, режимов питания, осциллографирование
в различных точках схемы. Результаты сравниваются с контрольными картами
сопротивлений и напряжений, таблицами режимов и осциллограмм или рисунками на
полях электрических схем приборов.
. Метод последовательного деления схемы. Который заключается в делении
схемы на две функционально законченные части и проверки работоспособности
каждой из них, функциональная часть которая содержит неисправность далее так же
делится пополам и так далее до выявления неисправного узла.
4. Метод сравнения. Который заключается в сравнении параметров
неисправного устройства с параметрами исправного устройства того же типа или
марки, либо сравниваются параметры устройства в контрольных точек с сравнением
этих параметров указанных в технической документации.
. Метод замены. Заключается в замене отдельных узлов элементов или
блоков на заведомо исправные.
Алгоритм поиска неисправностей содержит комплекс мероприятий направленных
на отыскания неисправностей устройства. Комплекс возможных неисправностей
работы индикатора нитратов на микроконтроллере представлен в таблице 3.3.
Таблица 3.3
Возможные неисправности работы индикатора нитратов на микроконтроллере
|
Неисправность
|
Причина
|
Применяемые меры
|
|
При нажатии кнопки влечение
не загорается индикатор и нет звукового сигнала
|
Аккумулятор разряжен
|
Подключить зарядное
устройство
|
|
При нажатии кнопки влечение
не загорается индикатор, а звуковой сигнал присутствует
|
Выход из строя ЖКИ дисплея
|
Заменить ЖКИ дисплей
|
|
При нажатии кнопки влечение
загорается индикатор, а звуковой сигнал отсутствует
|
Выход из строя пезо
излучателя
|
Заменить пезо излучателя
|
|
При включении устройства на
индикаторе загораются разные символы
|
Выход из строя ЖКИ дисплея,
или микроконтроллера
|
Заменить ЖКИ дисплей,
обновить ПО или заменить микроконтроллер
|
|
При подключении зарядного
устройства зарядка идет, но аккумулятор устройство выключается после
отключения зарядного устройства
|
Выход из строя аккумулятора
|
Заменить аккумулятор
|
|
При нажатии кнопки,
действия не происходят, или кнопка нажимаются через раз.
|
Выход из строя кнопки
|
Заменить кнопку
|
|
При подключении зарядного
устройства, зарядка не идет
|
Выход из строя разъема или
зарядного устройства
|
Проверить разъем или
заменить зарядное устройство
|
|
При тестировании результат
не выдается или выдается с сильными отклонениями
|
Выход из строя датчика
|
Проверить или заменить
датчик
|
4. ЭКОНОМИЧЕСКИЙ
РАЗДЕЛ
Файл экономика
Таблица 4.1
Расчет затрат на сырье и материалы
|
№ n/n
|
Наименование материала
|
Единицы измерения
|
Норма расхода на устройство
|
Цена за ед. измерения,
(руб.)
|
Сумма, (руб.)
|
|
1
|
Ацетон (УАЙТ - СПИРИТ) ГОСТ
260 - 79
|
кг
|
0,0266
|
60 000
|
1 596
|
|
2
|
Флюс ФКТ ОСТ 4ГО.033.020
|
кг
|
0,0133
|
180 000
|
2 394
|
|
3
|
Лак УР - 231 ТУ6 - 10 - 863
- 76
|
кг
|
0,0266
|
160 000
|
4 256
|
|
4
|
Припой ПОС 61 ГОСТ 21931 -
76
|
кг
|
0,047
|
230 000
|
10 810
|
|
5
|
Сплав РОЗЕ 4 ТУ6 - 09 -
4065 - 75
|
кг
|
0,0195
|
600 000
|
11 700
|
|
6
|
Стеклотекстолит СФ - 2 -
35Г - 1,5 2с ГОСТ 10316 - 78
|
кв.мм
|
4,650
|
3 225
|
15 000
|
|
7
|
Фоторезист СПФ - ВЩ -2 - 50
ТУ 16 - 503 - 244 - 84
|
кв.мм
|
4,650
|
2 150
|
10 000
|
|
8
|
Хлорное железо ТУ6 - 09 -
3084 - 82
|
кг
|
0,0266
|
120 000
|
3 192
|
|
9
|
Краска ТНПФ - 53 черна
|
кг
|
0,0665
|
200 000
|
13 300
|
|
ИТОГО:
|
72 248
|
См = 72 248руб.
. Расчет затрат на покупные комплектующие изделия и полуфабрикаты:
Ск = S(Кi • Цi,), (4.2)
где Ск - стоимость покупных комплектующих изделий и полуфабрикатов на
одно устройство, руб.
Кi - количество комплектующих изделий и
полуфабрикатов i-го наименования
на одно устройство, шт.
Цi - цена за единицу, руб.
Результаты расчетов оформляются в таблице 4.2.
Таблица 4.2
Расчет затрат на покупные комплектующие изделия и полуфабрикаты
|
№ n/n
|
Наименование комплектующих
изделий и полуфабрикатов
|
Кол - во на 1 устр.
|
Цена за единицу, (руб.)
|
Сумма, (руб.)
|
|
1
|
Конденсаторы C0805-Y5V
|
10
|
310
|
3 100
|
|
2
|
Конденсаторы C0805- X7R
|
4
|
310
|
1 240
|
|
3
|
Конденсаторы C3216-JA7
|
2
|
420
|
840
|
|
4
|
Конденсаторы C3216-JJ7
|
2
|
430
|
860
|
|
5
|
Конденсаторы C3216-CS6
|
1
|
410
|
410
|
|
6
|
Микросхемы TL431AIDBZR
|
2
|
5 000
|
10 000
|
|
7
|
Микросхема TPS76330
|
2
|
13 900
|
27 800
|
|
8
|
Микросхемы SN74LVC1G3157
|
2
|
4 500
|
9 000
|
|
9
|
Микросхема Atmega32А-AU
|
1
|
70 800
|
70 800
|
|
10
|
Предохранитель MFR-025
|
1
|
1 400
|
1 400
|
|
11
|
Элемент питания Li-ion 3,6В
|
1
|
15 000
|
15 000
|
|
12
|
Дисплей LPH-7779-H
|
1
|
53 800
|
53 800
|
|
13
|
Светодиоды GNL0805-130
|
4
|
1 600
|
6 400
|
|
14
|
Катушки индуктивности
DL0805
|
4
|
520
|
2 080
|
|
15
|
Резисторы RC0805-0,125
|
25
|
280
|
7 000
|
|
16
|
Резисторы RC2512-0,125
|
3
|
350
|
1 050
|
|
17
|
Кнопки Cyx8-022
|
5
|
780
|
3 900
|
|
18
|
Диоды BZV55-C4V7
|
2
|
630
|
1 260
|
|
19
|
Диоды КД521А
|
2
|
2 400
|
4 800
|
|
20
|
Транзистор КТ3189
|
1
|
400
|
400
|
|
21
|
Транзисторы KT3130Ж9
|
2
|
580
|
1 160
|
|
22
|
Транзисторы КП214А9
|
2
|
580
|
1 160
|
|
23
|
Транзистор KT368A9
|
1
|
620
|
620
|
|
24
|
Разъем USB mini-B
|
1
|
1 300
|
1 300
|
|
25
|
Разъем CKX-3.5-05
|
1
|
4 700
|
4 700
|
|
26
|
Разъем WSR-6
|
1
|
2 600
|
2 600
|
|
Итого:
|
232 680
|
Ск = 232 680 руб.
Итого материальные затраты (М):
М = См + Ск, (4.3)
где М - материальные затраты, руб.
М = 72 248 + 232 680 = 304 928руб.
. Расчет тарифной части заработной платы производственных рабочих:
Зптар = S(Счij • Тei), (4.4)
где Зптар - тарифная заработная плата производственных рабочих, руб.;
Счij - часовая тарифная ставка по i-той операции, j-го разряда работ, руб.;
Тei - трудоемкость i-той операции, чел-час.;
Результаты расчетов оформляются в таблице 4.3.
Таблица 4.3
Расчет тарифной части заработной платы производственных рабочих
|
№ n/n
|
Наименование операции
|
Разряд работ
|
Часовая тарифная ставка
(руб.)
|
Трудоемкость операции,
(чел-час.)
|
Сумма тарифной части
зарплаты, (руб.)
|
|
1
|
Заготовительные
|
4
|
5 237,1
|
0,1
|
523,7
|
|
2
|
Слесарно-механические
|
5
|
5 769,5
|
0,1
|
576,95
|
|
3
|
Монтажные
|
4
|
5 237,1
|
0,15
|
785,6
|
|
4
|
Контрольные
|
5
|
5 769,5
|
0,1
|
576,95
|
|
Итого заработная плата
тарифная(ЗПтар):
|
2 463,2
|
ЗПтар = 2 463,2руб.
. Расчет основной заработной платы производственных рабочих:
ЗПосн = 1,3 • ЗПтар, (4.5)
где ЗПосн - основная заработная плата производственных рабочих, руб.;
,3 - коэффициент, учитывающий премии основным производственным рабочим .
ЗПосн = 1,3 • 2 463,2 = 3 202,2 руб.
. Расчет дополнительной заработной платы производственных робочих (
ЗПдоп):
ЗПдоп = ЗПосн • 5,48 / 100, (4.6)
где 5,48 - % дополнительной зарплаты по предприятию за отчетный период.
ЗПдоп = 3 202,2 • 5,48 / 100 = 175,5 руб.
. Расчет отчислений от заработной платы производственных рабочих (Озп):
а) в фонд социальной защиты - 34% от заработной платы;
б) отчисления по обязательному страхованию - 0,47%.
Озп = 0,3447 • (ЗПосн + ЗПдоп), (4.7)
Озп = 0,3447 • (3 202,2 + 175,5) = 1 164,3 руб.
7. Итого прямые затраты (Зпр):
Зпр = М + ЗПосн + ЗПдоп + Озп, (4.8)
Зпр = 304 928 + 3 202,2 + 175,5 + 1 164,3 = 309 470 руб.
. Расчет накладных расходов (Нр):
Нр = ЗПосн / 100 • 205,58 (4.9)
где 205,58 - процент накладных расходов по предприятию за базисный
период,%.
Нр = 3 202,2 / 100 • 205,58 = 6 583,1 руб.
. Расчет отпускной цены проектируемого устройства
Расчеты оформляются таблично:
Таблица 4.4
Расчет отпускной цены проектируемого устройства
|
№ n/n
|
Статьи затрат калькуляции
|
Условные обозначения
|
Сумма, руб.
|
|
1
|
Материальные
затраты
|
М
|
304 928
|
|
2
|
Заработная плата
производственных рабочих
|
ЗПосн+ЗПдоп
|
3 377,7
|
|
3
|
Отчисления от заработной
платы производственных рабочих
|
Озп
|
1 164,3
|
|
4
|
Итого прямые затраты
|
Зпр
|
309 470
|
|
5
|
Накладные расходы
|
6 583,1
|
|
6
|
Итого полная
себестоимость ( С = Зпр + Нр)
|
С
|
316 053,1
|
|
7
|
Плановая прибыль (П
= Ур • С / 100; где Ур - уровень плановой рентабельности 20%)
|
П
|
63 210,62
|
|
8
|
ИТОГО отпускная
цена проектируемого устройства Цо = С + П
|
Цо
|
379 263,72
|
|
|
|
|
|
Сравнивая разрабатываемое устройство с уже существующими образцами, можно
сделать вывод, что разрабатываемое устройство дешевле аналогов в несколько раз.
Поэтому разработанный индикатор нитратов на микроконтроллере не уступает
аналогам исходя из параметров цена-функциональность-качество.
6. МЕРОПРИЯТИЯ
ПО ЭНЕРГО- И МАТЕРИАЛОСБЕРЕЖЕНИЮ
В ходе разработки индикатора нитратов на микроконтроллере для энерго- и
материалосбережения соблюдалось следующее:
. Результат грамотной компоновки позволил сэкономить на материалах и
размере устройства.
2. В качестве метода изготовления печатной платы был выбран
комбинированный позитивный метод, который при низкой себестоимости имеет
большую производительность.
3. Использовались более оптимальные способы монтажа элементов на печатную
плату, что позволит уменьшить площадь занимаемую радиоэлементами.
. Элементная база выбиралась с учётам низкого энергопотребления и
невысокой цене.
5. В качестве индикации был выбран ЖК - индикатор, так как
энергопотребления ЖК - индикации ниже светодиодной индикации.
7. ОХРАНА
ТРУДА
В ходе изготовления индикатора нитратов на микроконтроллере необходимо
соблюдать следующие требования охраны труда.
Общие требования безопасности:
При выполнении работ по электропаянию возможно воздействие следующих
опасных и вредных факторов:
. Ожоги горячим электропаяльником или брызгами расплавленного припоя.
2. Отравления, повреждения глаз и кожи рук при работе с флюсами и
оловянно-свинцовыми припоями.
. Поражение электрическим током при неисправности электропаяльника.
Требования безопасности перед началом работы:
. Подготовить и проверить исправность инструмента, приспособлений и
электропаяльника, убедиться в целостности ручки электропаяльника и шнура
электропитания.
. Проверить надежность заземления металлического рабочего стола или
металлического листа на столе.
3. Убедиться, что вблизи рабочего места для электропаяния нет
легковоспламеняющихся и горючих жидкостей.
Требования безопасности во время работы:
. Осторожно обращаться с электропаяльником, не ронять его и не ударять
по нему какими-либо предметами, не использовать в качестве ударного
инструмента.
. Не касаться горячих мест электропаяльника незащищенными руками,
остерегаться при пайке брызг расплавленного припоя.
3. При кратковременных перерывах в работе класть нагретый
электропаяльник на специальную термостойкую подставку.
. Во избежание ожогов не определять степень нагрева
электропаяльника и нагретых его частей рукой.
. Не оставлять без присмотра включенный в сеть электропаяльник
Требования безопасности в аварийных ситуациях:
. При неисправности электропаяльника, подводящего электрического шнура
немедленно прекратить работу отключить, электропаяльник от сети.
. При возникновении пожара немедленно отключить электропитание,
приступить к тушению очага возгорания с помощью первичных средств
пожаротушения.
8. ОХРАНА
ОКРУЖАЮЩЕЙ СРЕДЫ
При разработке дипломного проекта требовалось разработать полезное для
человека устройство - индикатор нитратов на микроконтроллере, которое при этом
не будет вредным окружающей среде.
Для соблюдения этого требования необходимо использовать элементы, которые
при утилизации наносит наименьший вред окружающей среде, а так же во время
работы. При работе с печатной платой требуется правильно и вовремя
утилизировать отходы.
Ко всему прочему для развития правил и их соблюдения при разработке
дипломного проектов и работе с устройствами в учебных заведениях, в том числе и
нашем, есть курс экологии и охраны окружающей среды.
В результате дипломного проекта необходимо получить устройство с
минимальным воздействием на окружающую среду, при производстве которого должны
быть соблюдены все правила безопасности и охраны окружающей среды. В ходе
эксплуатации при соблюдении норм работы с электроприборами устройство так же не
должно наносить вред окружающей среде.
Для утилизации не следует просто выбрасывать прибор на свалку т.к.
электроприборы даже изготовленные с соблюдением всех норм все равно наносят
вред. Утилизация должна осуществляться в соответствии с законом Закон РБ №510
«Об охране окружающей среды» от 16.10.2009 №510.
Сегодня действует ряд организаций, которые на безвозмездной основе
принимают неисправные устройства и аккумуляторы, одним из таких предприятий
является ОАО БелЦветМет, областной цех которого есть в городе Гомеле по адресу
ул. Могилевская, 2а.
ЗАКЛЮЧЕНИЕ
В дипломном проекте был разработан индикатор нитратов на
микроконтроллере. Данный прибор может определять количественное содержание
нитратов в овощах, фруктах, питьевой воде, фруктовом соке. С помощью данного
прибора можно с высокой точностью установить количественное содержание
нитратов, в каждом отдельном фрукте или овоще, зная его предельно допустимую
концентрацию.
Проведено теоретическое исследование применения микропроцессорных
устройств, для определения нитратов. В процессе выполнения дипломного проекта
были решены следующие задачи:
. Проанализирована теоретическая база построения современных
микроконтроллерных устройств;
2. Исследована система автоматизации определения электрических
величин;
. Созданы схемы и разработан алгоритм функционирования устройства
индикатора нитратов;
4. Созданы компоновки и трассировки печатной платы, выбран метод
производства печатной платы, рассчитаны эксплуатационные характеристики
индикатора нитратов на микроконтроллере.
. Создан экономический вариант микроконтроллерного устройства;
6. Даны рекомендации по охране труда, энерго- и материалосбережению,
охране окружающей среды.
Прибор рассчитан на применение в быту, в пищевом производстве, в учебных
лабораториях.
К недостаткам прибора можно отнести то, что устройство имеет не высокую
точность измерения.
К преимуществам прибора можно отнести то, что его стоимость в несколько
раз ниже аналогов.
В экономической части проекта была произведена стоимостная оценка затрат
на разработку, производство и использование разрабатываемого устройства, т.е.
определена полная себестоимость и отпускная цена единицы продукции и
эксплуатационные расходы.
СПИСОК
ИСПОЛЬЗУЕМЫХ ИСТОЧНИКОВ
1. Астреина,
Л.А. Технико-экономическое обоснование дипломных проектов: Учеб. пособие для
втузов// Л.А. Астреина, В.В. Балдесов, В.К. Беклешов и др.; Под ред. В.К.
Беклешова. - М.: Высш. шк., 1991. - 176 с.: ил.1
2. Афитов
Э.А. Планирование на предприятии. Учеб. Пособие// Э.А. Афитов - Мн.: Высш. шк.,
2001. - 285 с.
3. Галкин, В.И.
Промышленная электроника и микро- электроника // В.И. Галкин -Минск: Высшая
школа, 2000.- 350с.
4. Гендин,
Г.С. Все о резисторах и транзисторах. Справочник// Г.С. Гендин -M.:Радио и связь, 1999.- 192 с.
5. Дурновцева,
Т.А. Нитраты и нитриты: методика определения
в сельскохозяйственной продукции
<http://him.1september.ru/2004/28/10.htm> // Т.А. Дурновцева, И.П. Филинова// Химия.
Журнал - 2004. -№27. -С.10-15.
6. Емельянова, Т.В. Цены
и ценообразование: Пособие по самостоятельному изучению тем курса и задания
контрольной работы для студентов заочной формы обучения всех специальностей//
Т.В. Емельянова, Н.Я. Скорик, В.В. Куриленко. - Гомель: УО «Белорусский
торгово-экономический университет потребительской кооперации», 2002. - 112 с.
7. Колабекой,
Б.А. Цифровые устройства и микропроцессорные системы: учеб. для техникумов
связи // Б.А. Колабекой. - Москва: Горячая линия. - Телеком, 2000. - 336 с.
8. Колесников,
Е.С. Индикатор нитратов // Е.С Колесников// Конструктор. Журнал - 2001. -№1.
-С.11-14
9. Найвельт,
Г.С. Источники электропитания радиоэлектронной аппаратуры: Справочник// Г.С.
Найвельт, К.Б. Мазель, Ч.И. Хусаинов и др.; Под ред. Г.С. Найвельта. - М.:
Радио и связь, 1986. - 576 с.: ил.
10. Новаченко,
И.В. Охрана труда и окружающей среды// И.В. Новаченко, В.А. Телец - Москва:
Радио и связь, 1991 г.-384с.
11. Нефедов, А.В. Интегральные микросхемы и их
зарубежные аналоги. Справочник Т. 2// А.В. Нефедов - М.: ИП РадиоСофт, 2000. - 640 с.
12. Романычева
Э.Т. Разработка и
оформление конструкторской документации РЭА. Справ. Пособие// Э.Т. Романычева - м., 1984. - 256 с
13. Туруга, Е.Ф. Активные SMD компоненты. Маркировка, характеристики,
замена..
Справочник // Е.Ф. Туруга - М.: НиТ, 2006. - 544 с.
14. Трухина,
М.Д. Методы определения
нитратов и нитритов // М.Д Трухина // Химия. Журнал - 2001. -№35.
-С.5,6.
15. ЕСКД.
Правила выполнения конструкторской документации изделий, изготовляемых с
применением электрического монтажа: ГОСТ 2.413-72 - Введ. 11.06.72 - Москва:
Постановлением Государственного комитета стандартов Совета Министров СССР,
1972. - 12с.
16. ЕСКД.
Правила выполнения электрических схем: ГОСТ 2.702-75 - Введ. 7.09.75 - Москва:
Постановлением Государственного комитета стандартов Совета Министров СССР,
1975. - 9с.
17. Платы
печатные. Основные размеры: ГОСТ 10317-79
- Введ. 01.01.80. - Москва: Постановлением Государственного комитета стандартов
Совета Министров СССР, 1980. - 3с.
18. Платы
печатные. Основные параметры конструкции: ГОСТ 23751-86 - Введ. 01.07.87. -
Москва: Постановлением Государственного комитета стандартов Совета Министров
СССР, 1987. - 16с.
19. ЕСКД.
Основные надписи: ГОСТ 2.104-2006 -
Введ. 09.01.2006 - Москва: Межгосударственный совет по стандартизации,
метрологии и сертификации, 1987. - 17с.
20. КД521А // Чип и Дип [Электронный ресурс]
21. КП214А9
// Интеграл [Электронный ресурс]
22. ATmega32-AU datasheets // Atmel.com [Электронный ресурс]
23. KT3130Ж9 // Интеграл [Электронный ресурс]
24. КТ3189//
Интеграл [Электронный
ресурс]
25. BZV55-C2V7 datasheets // Nxp.com [Электронный ресурс]
26. FML-20T // Promelec.ru [Электронный ресурс]
27. KT368A9 // Интеграл [Электронный ресурс]
28. LPH-7779-H // Mcuoneclipse.com [Электронный ресурс]
29. SN74LVC1G3157 // Texas Instruments [Электронный ресурс]
30. TL431AIDBZR // Nxp.com [Электронный ресурс]
31. TPS763301// Texas Instruments [Электронный ресурс]
32. Vitatest
VD-2007 // Чип и Дип [Электронный ресурс]
33. Ионометр
«AI-125» // Dilis.com [Электронный ресурс]
34. Методы
производства печатних плат// Научно-исследовательский институт компьютерных технологий [Электронный ресурс]
35. Нитрат тестер «СОЭКС» // SOEKS Нитрат тестер «СОЭКС» [Электронный ресурс]
36. Нитратомер
// Нитратомер - экспресс определение
нитратов в овощах и фруктах. [Электронный ресурс]
37. Нитраты. Определение нитратов // Edimka.ru [Электронный ресурс]
38. Обнаружение
нитритов и нитратов в картофеле, фруктах и овощах с помощью QUANTOFIX Nitrate
// QUANTOFIX Nitrate [Электронный ресурс]
39. Справочная информация
по корпусам SMD - компонентов
<http://tecnew.ru/manual/smd-components.html>// ые технологии
[Электронный ресурс]
. Справочник.
Надежность электроизделий // Straniks ddns Справочник. Надежность
электроизделий [Электронный ресурс]