Измеритель частоты с индикацией

  • Вид работы:
    Курсовая работа (т)
  • Предмет:
    Информатика, ВТ, телекоммуникации
  • Язык:
    Русский
    ,
    Формат файла:
    MS Word
    765,34 Кб
  • Опубликовано:
    2014-12-25
Вы можете узнать стоимость помощи в написании студенческой работы.
Помощь в написании работы, которую точно примут!

Измеритель частоты с индикацией

Введение

Во многих устройствах техники связи и управления возникают задачи измерения и наблюдения за частотой периодических импульсов. Устройства, осуществляющие измерение частоты периодических импульсов (сигналов), называются частотомерами. На выходе таких устройств часто осуществляется индикация измеряемой величины. Однако во многих случаях требуется автоматический контроль и управление частотой импульсов (в некоторых устройствах автоматики) и индикация может отсутствовать.

Был сделан частотомер с верхним пределом измерения частоты 30МГц.

Устройство осуществляет индикацию частоты поданного на вход сигнала. Имеет один диапазон измерений 1Гц - 30МГц. Для расширения пределов измерений ко входу схемы можно подключить внешний делитель частоты.

Есть возможность организовать параллельный или последовательный интерфейс связи с компьютером (в дипломной работе не рассмотрено). Это позволит запоминать показания в файлах ли даст большие возможности по визуализации полученных данных (построение графиков), а также позволит выдавать с компьютера ответные (управляющие) сигналы на объект управления.

Измеритель частоты предназначен для определения частоты периодического процесса или частот гармонических составляющих спектра сигнала в телевизионной аппаратуре или БРЭА. Функции блока управления позволяют выбрать один из режимов измерения параметров частоты, сопротивления, ёмкости или индуктивности.

1. Выбор и обоснование схем

.1      Выбор и обоснование структурной электрической схемы

Из множества рассмотренных существующих структурных схем я выбрал схему устройства "Измерителя частоты с индикацией". Все приборы хороши по-своему, но хотелось объединить достоинства каждого в своей конструкцию. Устройство измеряет, оцифровывает параметры электронных плат и элементов с последующим выведением информации на ЖК экран прибора. Преимущество этого устройства обусловлено небольшими размерами и низкой стоимостью, удобностью измерений. Потребность в измерителе параметров конденсаторов возникла около трех лет назад на первом курсе при изготовлении» Программатора учебного времени», поэтому был приобретен, не дешевый, специализированный LC-метр. Но в процессе работы выяснилось, что у него слишком большая погрешность при замерах электролитических конденсаторов, емкостью более 6000 мкФ. Второй отрицательный момент, это «прожорливость» прибора. «Крону» приходилось менять каждый месяц. Решил сделать свой измеритель. В качестве вариантов для изучения и повторения рассматривались несколько разработок:

Измеритель C и ESR+LCF (Степан Миронюк ( miron63) с сайта pro-radio.ru)

Измеритель C и ESR ( Гинц Олег ( GO ) с сайта pro-radio.ru)

ESR/R/L/C/F meter ( by R2-D2 с сайта vrtp.ru, несколько вариантов)

Используемый способ измерения емкости конденсаторов, заряжая их стабильным током за определенное время, позволяет получить достаточно точные замеры, но при условии очень малых собственных токов утечек конденсатора. При значительных утечках, сравнимых с токами заряда, получить достоверные замеры емкости практически невозможно. В этом измерителе я попытался анализировать и ориентировочно вычислять такие токи утечек.

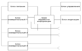
Структурная схема устройства "Универсальный измеритель электронных плат" на рисунке 1.1

Рисунок 1.1- Структурная схема устройства

Структурная схема устройства включает в себя:

) Блок питания;

) Блок измерительный 1;

) Блок измерительный 2;

) Блок измерительный 3;

) Блок обработки информации;

6) Блок управления;

) Блок индикации.

Отсек для двух батареек типоразмера АА (аккумуляторов) определил вопрос с питанием. Теоретически допустимое входное напряжение питания не менее 2В и не более 5В. Преобразователь MAX756EPA может запускаться и при 1В, но вот полевые транзисторы при этом работают плохо. В готовом приборе потребляемый ток меняется от 20 до 40 мА при различных режимах работы. В режиме частотомера потребление максимально. Настройка прибора и отладка программы проводилась на уже использованных батарейках от фотоаппарата, с суммарным начальным напряжением 2,5В. Фотоаппарат уже отказывался от них работать, а в измерителе они еще послужили около месяца. Так что для питания подойдут самые дешевые батарейки или уже отслужившие свой срок щелочные, которых иногда бывает предостаточно. Есть мысли сделать питание от USB разъема через последовательно включенный диод, или, по крайней мере, подзаряжать аккумуляторы, но это дело будущего

Первый блок измерения - это блок измерения ёмкости. Схема в особых пояснениях не нуждается, хотя методы замера и расчета при одинаковых схемах часто отличаются. В данном приборе, использован способ замера емкости при помощи источника стабильного тока и заданного интервала времени заряда. Этот метод двухточечного замера хорошо описал Степан в своей конструкции. Внесены некоторые изменения в алгоритм самих замеров. Для вычислений емкости и ESR все сводится к измерению двух напряжений за определенные промежутки времени. Исходя из минимального тока заряда и минимального усиления на ОУ, сопротивление резисторов (а так же ESR) измеряется только от 0 до 130 Ом. Этого достаточно, ведь большие сопротивления резисторов можно определить и обычным тестером, а конденсатор с повышенным сопротивлением лучше забраковать.

Второй блок измерения - это блок измерения частоты. В схеме LC-генератора следует особое внимание уделить стабильности параметров дросселя Lх1 и конденсатора С22. Дроссель в виде катушки с подстроечным сердечником найти не удалось, да и по габаритам он не поместится в имеющийся корпус. Поэтому пришлось экспериментировать и подбирать из того, что есть. На кольце от мат. платы (зеленое с синим торцом) с размерами 8x4x3 намотал 56 витков провода ПЭВ-2-0.33. Индуктивность получилась 101.2 мкГн, а добротность Q=11,3. Настройка частотомера сводится к проверке входного формирователя на прохождение импульсов от входа схемы до 11 вывода МК, а так же подгонке поправочного коэффициента для кварцевого резонатора. Подаем от генератора на вход частотомера сигнал известной, калиброванной частоты, проверяем соответствие измеренного значения и установленного на генераторе. В случае отклонения от заданной величины

Третий блок измерения - это блок измерения сопротивления. Измерение сопротивлений основано на преобразовании их величины в ток или напряжение, поэтому при малом сопротивлении получается небольшое падение напряжения либо ток мало отличается от режима короткого замыкания. Если увеличить измерительный ток, на измеряемом сопротивлении может рассеиваться недопустимо большая мощность, в результате чего «сгорит» резистор или измерительная головка. Кроме того, за счет нагрева резистора меняется его сопротивление, что приводит к дополнительной погрешности измерения (температурная погрешность). При малой величине измеряемое сопротивление Rx может оказаться соизмеримым с собственным сопротивлением соединительных проводов Rпp и переходным сопротивлением контактов

Применение ЖКИ от сотового телефона «Trium mars» связано с его малыми размерами, удобством распайки, ну и, конечно, с наличием такового. С коррекцией прошивки можно применить дисплеи от Nokia 1110i или 1200. ЖКИ от Nokia 3310 подходит хуже всех (маленькое поле 84х48), удобен только тот, у которого на стекле есть позолоченные контакты. Китайский вариант с металлической рамкой не влезал в корпус, а без рамки его подключить почти невозможно. В общем, многое зависит от применяемого корпуса прибора.

После включения питания измеритель переходит в тот режим измерений, в котором он находился до выключения. Соответствующая надпись выводится на ЖКИ в первой строке. Там же отображается знак полноты заряда батареи с числовым значением измеренного напряжения. Последовательным нажатием на кнопку «Set» (или ввод) можем «по кругу» менять режимы измерений:

С/ESR - metr ( измерение емкостей и ЭПС конденсаторов )metr / Lx-metr ( измерение малых емкостей или индуктивности катушек )metr / P-metr ( частотомер или счетчик импульсов )- metr ( термометр, на DS18B20 или термопаре)

.2 Выбор и обоснования принципиальной электрической схемы

На основании структурной схемы мною была составлена электрическая принципиальная, при выборе которой я руководствовался тем, что она должна иметь низкую стоимость, не содержать дефицитных элементов, сложных регулировок и имело малое энергопотребление, но при всем при этом должна обеспечивать высокую стабильность, надежность, устойчивость к перегрузкам и т.д. Прибор будет использоваться в качестве устройства для измерения частоты, индуктивности и ёмкости учащимися на лабораторно-практических занятиях.

Настройка прибора и отладка программы проводилась даже на использованных батарейках от фотоаппарата, с суммарным начальным напряжением 2,5В. Фотоаппарат уже отказывался от них работать, а в измерителе они еще послужили около месяца.

.3 Составление принципиальной схемы изделия и описание её работы

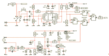
Электрическая принципиальная схема прибора изображена на рисунке 1.2.

Рисунок 1.2 - Электрическая принципиальная схема измерительного прибора "Измеритель частоты с ЖК индикацией".

Включение и выключение питания производится одной кнопкой KN1. В исходном состоянии VT6 и VT4 закрыты, С15 заряжен до напряжения батареи, питание на схему не подается. При нажатии на кнопку затвор VT4 соединяется с конденсатором С15, открывая оба транзистора, включается DC/DC преобразователь. После инициализации портов на RB6 устанавливается высокий уровень сигнала, удерживая VT4 в открытом состоянии. Конденсатор С15 медленно разряжается через открытый транзистор и R22. Даже если продолжать удерживать кнопку нажатой, то напряжение на затворе не опустится ниже 2.5В, что удержит схему во включенном состоянии.

При отпускании кнопки C15 разрядится до минимума. Выключается питание двумя способами: повторным нажатием на кнопку или программно. Выключение кнопкой происходит следующим образом: разряженный конденсатор С15 шунтирует цепь затвора VT4, вызывая его закрытие, а затем закрывается и VT6, снимая питание со схемы DC/DC преобразователя. Выключение питания программным способом осуществляется установкой низкого уровня сигнала на RB6 (автоматическое выключение по времени или при разряде аккумулятора ниже нормы). В преобразователе возможно применение микросхем: MAX756, MAX856, отечественного аналога КР1446ПН1, или вместо DD1 запаять DD5 типа NCP1400ASN50T1. Можно применить и другие аналогичные преобразователи на выходное напряжение +5В.

Для вычислений емкости и ESR все сводится к измерению двух напряжений за определенные промежутки времени. Исходя из минимального тока заряда и минимального усиления на ОУ, сопротивление резисторов (а так же ESR) измеряется только от 0 до 130 Ом. Подается ток заряда 2мА на входные клеммы прибора при минимальном усилении ОУ, через фиксированное время t1 (20мкС) считывается значение АЦП и проверяется на «зашкаливание». Если значение АЦП не превышает порога 4,5В., то производим 50 циклов замеров, и в каждом вычисляются и суммируются соответствующие напряжения (U1 и U2) для последующего усреднения. Каждый цикл начинается с разряда конденсатора (транзистором VT1), затем включается зарядный ток и через время t1 считывается значение АЦП (U1). Затем снова разряжаем конденсатор и включаем ток заряда, но преобразование и считывание АЦП (U2) производится через время t2. Для простоты расчетов время t2 равно удвоенному времени t1. Измерения на всех диапазонах происходят по одинаковому алгоритму. Далее математический расчет dU и Ur для определения емкости конденсатора и его ESR. Если dU менее определенной величины, то возможно подключен конденсатор большой емкости или резистор

Подаем от генератора на вход частотомера сигнал известной, калиброванной частоты, проверяем соответствие измеренного значения и установленного на генераторе. В случае отклонения от заданной величины, входим в режим коррекции времени замера длительным нажатием на кнопку «минус». На дисплее появится сообщение «настройка N=1.000». Далее кнопками «плюс» или «минус» подогнать соответствие показаний измеренного значения частоты входному сигналу. Каждое нажатие на соответствующую кнопку уменьшает или увеличивает измерительный интервал на 1мкС (при частоте кварца 4МГц). Сохранить корректировку нажатием кнопки «Set». Формат вывода измеренной частоты зависит от ее величины. Если частота менее 1МГц, то выводится число в единицах Герц.

Рисунок 1.3 - Схема LC-генератора и входной части частотомера:

LC-генераторы - это генераторы с индуктивной обратной связью. Принцип автогенератора можно понять, если представить себе, что в рассмотренном ранее резонансном усилителе электрические колебания поступают на вход не от внешнего источника, а с выхода этого же усилителя через цепь обратной связи. Если на схему подано напряжение питания, то в коллекторной (стоковой) цепи протекает ток, который содержит как постоянную, так и флуктуирующую составляющие. С чем связано появление флуктуирующей составляющей? Электрические заряды в цепи имеются в определенном количестве. Причем в любой цепи реальное количество носителей заряда постоянно меняется. Амплитудный спектр флуктуирующего сигнала равномерен вплоть до частот 1012 Гц. В спектре флуктуаций всегда найдется составляющая, частота которой близка к резонансной частоте контура, включенного в выходную цепь транзистора. За счет избирательных свойств контура эта спектральная составляющая будет выделена, а через цепь ОС поступит на вход усилителя.

измерительный транзистор прибор эмиттер

2. Электрический расчет

В данном разделе произведем расчет каскадов источника вторичного питания используемого в лабораторном стенде.

Для электрического расчета были выбраны два справочника: «Справочник радиолюбителя-конструктора. - 3-е изд., перераб. и доп. - М.: Радио и связь, 1984» и «Справочник по расчёту электронных схем» Гершунский Б.С, согласно которого далее производиться все расчеты.

.1 Расчет полевого транзистора 2N7002

Исходные данные:


Расчет транзистора предполагает определение порогового напряжения Uпор, емкости затвор-канал Cзк; построение статической передаточной характеристики и определение ее крутизны в области насыщения; построение семейства статических выходных характеристик; определение максимальной рабочей частоты fmax.

Решение:

Удельная емкость между затвором и подложкой определяется по формуле:


Определим равновесный удельный поверхностный заряд:


Напряжение спрямления энергетических зон:


Потенциал уровня Ферми:


Пороговое напряжение равно:


Удельная крутизна:

Рассчитаем емкость затвор-канала:


Рисунок 1 - Передаточная характеристика МДП-транзистора с индуцированным каналом р-типа.

Крутизна МДП-транзистора в области насыщения определяем по формуле:


Рисунок 2 - Семейство выходных характеристик МДП-транзистора с индуцированным каналом р-типа

Максимальная рабочая частота определяется по формуле:


2.2 Определение емкостей конденсаторов на входе и выходе каскада и в цепи эмиттера

Разделительный конденсатор Ср1 служит для передачи на вход транзистора усиливаемого переменного напряжения. Чтобы потеря этого напряжения на конденсаторе Ср1 была незначительной, его емкостное сопротивление для самой низкой частоты должно быть достаточно малым. Емкость этого конденсатора на низких частотах равна единицам и даже десяткам микрофарад. Поэтому в качестве конденсатора Ср1 в низкочастотных схемах обычно применяют малогабаритные электролитические конденсаторы.


Используя стандартный ряд, выбираем следующее значение емкости Ср1=100нФ = 0,1мкФ. Таким же образом определим емкость на выходе транзистора Ср2 по формуле:


Используя ряд, выбираем следующее значение емкости Ср2=250 нФ = 0,25 мкФ. Рассчитаем емкость в цепи эмиттера Сэ транзистора, по следующей формуле:


Используя стандартный ряд, выбираем следующее значение емкости Сэ=250 нФ = 0,25 мкФ.

3. Описание конструкции проектируемого изделия

При конструировании стенда я учитывал следующие требования к его конструкции, она должна быть:

надежной в работе;

ремонтопригодной;

экономной;

удобной и безопасной при эксплуатации.

Включение и выключение прибора осуществляется одной кнопкой. Хотелось бы исключить процесс изготовления корпуса, а применить какой-либо готовый, из имеющихся в наличии поэтому был выбран корпус от отслужившего свой срок цифрового мультиметра. Это, в свою очередь, потребовало применения более миниатюрного индикатора. Замена строчно-символьного ЖКИ на графический позволила повысить удобство в работе с прибором, улучшилось восприятие и количество выводимой информации, как раз при анализе исправности конденсаторов.

Внешний вид прибора представлен на рисунке 3.1.

Рисунок 3.1 - Внешний вид прибора

-дисплей;

-органы управления;

- Щупы

На основе принципиальной схемы были разработаны печатная плата размерами: 160Х40мм (рис 3.2, п.5). Монтаж элементов выполнен на двусторонней плате из стеклотекстолита. Схема выполнена в корпусе из пластика, с габаритными размерами: 15Х5см. Плата прикручивается к корпусу, при помощи двух шурупов. Для этого на печатной плате предназначены отверстия диаметром 2,5 мм (п.6 на рисунке 3.2). дисплей и органы управления крепятся к крышке корпуса.

Рисунок 3.2 - Внутренняя компоновка прибора

-Отсек для элементов питания;

- Разъём для щупов

-печатная плата;

-корпус;

- отверстия для крепления печатной платы;

4. Технологическая часть

.1 Организация рабочего места

При организации рабочего места радиотехника необходимо располагать измерительные прибора справа, ремонтируемое устройство - слева. Приборы не должны складироваться в стопки и штабели.

Рабочие место должно иметь надежное защитное заземление, надежность которого необходимо проверять приборами с автономным источником питания. Перед началом работы проверьте отсутствие напряжения на металлических корпусах приборов относительно шины заземления при обеих полярностях сетевых вилок в розетках.

Проверьте наличие и исправность защитных средств, штекерных наконечников измерительных приборов, предназначенных для измерения напряжений.

Заземляющие проводники измерительные приборы размещайте так, чтобы при выполнении работ исключить возможность случайного прикосновения к ним, а также к токоведущим частям.

Перед работой с открытой схемой прибора предусмотрите переключение его через разделительный трансформатор.

Для исключения искажений, вносимых заземлением в точность измерения, допускается не заземлять осциллограф на время проведения измерения. После окончания измерения, обесточьте схему и приборы и подключите заземление к осциллографу.

Необходимо предусмотреть крепление зеркал перед проверяемым приборам, а принципиальной схемы на уровне глаз.

Перечень средств оснащения ремонта:

Перечень контрольно-измерительной аппаратуры, инструмента, материалов, технической документации.

Контрольно-измерительная аппаратура:

• осциллограф С1 -112

• вольтметр С510;

•Техническая документация:

• руководство по эксплуатации стенда;

• инструкция по ремонту;

• схема электрическая принципиальная прибора;

• инструкция по эксплуатации измерительных приборов;

.2 Возможные неисправности, их причины, методы обнаружения и устранения

Данный прибор является очень надёжным и может долгое время работать исправно. Но ввиду некоторых непредсказуемых факторов (бракованные радиоэлементы или неисправные элементы питания) могут возникать неисправности, описанные в таблице 4.2.1:

Таблица 4.2.1 - Возможные неисправности, их причины и методы устранения.

Основные неисправности

Причина неисправности

Методы обнаружения и устранения неисправности

Прибор не запускается,

1) Пробиты диоды 2) Разрядились элементы питания  3)Перегорел предохранитель

1) Проверить диоды, в случаи пробоя заменить 2) Неисправные диоды. 3) Заменить элементы питания 4) Заменить предохранитель

Напряжение ниже нормы

1) Понижение напряжения элементов питания. 2) Окисление проводников.

1) Проверить напряжение, в случаи пониженного напряжения использовать пругие элементы питания. 2) Замена проводников, устранение  стороннего сопротивления

Не точные показания измерений

Наличие наводок на частотомере.2) Близость проводников измерителя ёмкости.

1) Экранировать проводники. 2) Развести проводники на необходимое расстояние

Напряжение ниже нормы

1) Понижение напряжения сети. 2) Обрыв одного из плеч мостового выпрямителя. 3) Межвитковое замыкание трансформатора.

1) Проверить напряжения сети, в случаи пониженного напряжения использовать другую сеть питания. 2) Проверить мостовой выпрямитель VD1-VD4, в случаи обрыва заменить неисправный диод. 3) Проверить трансформатор Т1, в случаи межвиткового замыкания заменить трансформатор.

Напряжение с высоким уровнем пульсации

1) Неисправен один из диодов мостового выпрямителя. 2) Неисправен (в утечке) один из конденсаторов фильтра.

1) Провертить диоды выпрямителей VD1-VD4, в случаи пробоя заменить неисправный диод. 2) Провертить конденсаторы фильтра С1,С2, заменить неисправный конденсатор.


.3 Алгоритм поиска неисправности

При ремонте бытовой радиоэлектронной аппаратуры отыскание неисправностей является наиболее сложным процессом. Найти неисправность - значит найти отказавший элемент. Для быстрого обнаружения неисправности требуются хорошие знания электрической принципиальной схемы ремонтируемого аппарата, его конструктивных особенностей, порядка разборки и сборки аппарата, способов проверки работоспособности отдельных каскадов узлов и радиокомпонентов, правильного выбора измерительной аппаратуры.

Всему этому способствует составление алгоритма поиска неисправностей в ремонтируемом аппарате.

Поиск проводится поэтапно, от более крупных конструктивных единиц к более мелким, то есть в последовательности: блок-►узел-►каскад-►неисправный элемент.


)Прибор не включается, символы на экране не отображаются

) Проверить напряжение на эл. питания, напряжение должно быть не менее 3В

) Элементы питания разряжены

) Проверить транзисторы VT6, VT4

) Неисправны элементы VT6 VT4

) Проверить напряжение +5В на выводе 6 DD1

) Неисправен преобразователь напряжения DD1

) Проверить наличие управляющего напряжения на выходе RB2-RB7 DD2

) Неисправен микроконтроллер DD2

) Проверить наличие управляющих импульсов на выводе 1,4,5,6 HG1

) Неисправны резисторы R5, R6, R7, R10

) Неисправен HG1

) Неисправные элементы заменить

.4 Послеремонтная регулировка и контроль параметров

После ремонта «Измеритель частоты с индикацией « нуждается в регулировке и настройке.

Следует, убедится в наличии входного напряжения от 2.00 до 5 В. Включить SB1. Должен загореться ЖК дисплей на режиме последнего измерения. Необходимо сбросить в 0 все значении.

Настройка частотомера сводится к проверке входного формирователя на прохождение импульсов от входа схемы до 11 вывода МК, а так же подгонке поправочного коэффициента для кварцевого резонатора. Подаем от генератора на вход частотомера сигнал известной, калиброванной частоты, проверяем соответствие измеренного значения и установленного на генераторе. В случае отклонения от заданной величины, входим в режим коррекции времени замера длительным нажатием на кнопку «минус». На дисплее появится сообщение «настройка N=1.000». Далее кнопками «плюс» или «минус» подогнать соответствие показаний измеренного значения частоты входному сигналу. Каждое нажатие на соответствующую кнопку уменьшает или увеличивает измерительный интервал на 1мкС (при частоте кварца 4МГц). Сохранить корректировку нажатием кнопки «Set». Формат вывода измеренной частоты зависит от ее величины. Если частота менее 1МГц, то выводится число в единицах Герц. Если превышен этот порог, то выводится число МГц с разделительной десятичной точкой (возможно, еще придется корректировать).

5. Экономическая часть

.1 Расчет затрат на основные и покупные изделия при изготовлении установки

Основной целью экономических расчетов в дипломном проекте является определение эффективности проектируемого прибора. Для этого, в первую очередь нужно рассчитать затраты, необходимые для производства измерительного прибора, то есть его себестоимость. Наибольшую долю в себестоимости продукции занимают материальные затраты.

Расход материальных ресурсов представляет собой их производственное потребление. Расход на производство охватывает все количество материальных ресурсов, затраченных предприятием непосредственно на выполнение производственной программы.

В условиях рыночной экономики одной из важнейших задач каждого предприятия становится экономия материальных ресурсов, которая может осуществляться как непосредственно за счет изменения конструкции прибора, так и за счет замены материалов и комплектующих более прогрессивными и дешевыми. Определим материальные затраты на производство единицы прибора в промышленных условиях.

Материальные затраты - часть издержек производства, затрат на производство продукции, товаров, услуг, в которую включаются затраты на сырье, основные и вспомогательные материалы, топливо, энергию и другие затраты, приравниваемые к материальным.

Произведем расчет стоимости материалов и комплектующих, необходимых для производства прибора, в таблицах 5.1.1 и 5.1.2.

Основные комплектующие необходимые для изготовления прибора представлены в таблице 5.1.1.

Таблица 5.1.1 - Стоимость комплектующих элементов на одно изделие

Наименование

Кол-во

Цена за единицу, руб.

Цена, руб.

1

PIC16F876A

1

80000

80000

2

MAX756EPA

1

95000

85000

3

ADM660AR

1

23000

23000

4

MCP6022

1

20000

20000

5

LM311

1

7000

7000

6

74AC132SC

1

5000

5000

7

DS18B20

1

56000

56000

8

TL431CP

1

3000

3000

9

LCD TRIUM

1

10000

10000

10

IRLML6402

6

6000

36000

11

2N7002

2

5000

10000

12

IRLR2905

1

6000

6000

13

BF998

1

10000

10000

14

BFR93

1

6000

6000

15

BC807

2

2000

4000

16

1N5817

1

4000

4000

17

КВАРЦ 4MG

1

4000

4000

18

ДИОДНЫЕ СБОРКИ

5

3000

15000

19

КНОПКИ

4

2500

10000

20

КНОПКА SA1

1

3000

3000

21

R smd

53

400

21200

22

C smd

23

400

9200

23

C электролиты

10

600

6000

24

СТАБ 3,6В

1

2000

2000

25

Плата двухсторонняя

1

30000

30000

26

ЗП-3

1

5000

5000

27

Пульт Б/У

1

25000

25000

28

Разъемы типа тюльпан

3

5000

15000

 

 ИТОГО


 

510400


Основные материалы, необходимые для изготовления прибора представлены в таблице.

Принимается площадь платы S = 72 см2.

Исходя из количества паек (N, шт.) N = 322 шт. и площадь платы (S, см2) S = 72 см2 рассчитываем затраты на производство прибора.

Стоимость на одно изделие предоставлено в таблице 5.1.2.

Таблица 5.1.2 - Стоимость материалов на одно изделие:

Наименование материалов

Единицы измерения

Цена (руб./ед. изм.)

Норма расхода на контакт

Норма расхода на одно изделие

Сумма, (руб.)

1 Стеклотекстолит

м2

200000

0.0008

0.177

35400

2 Припой, ПОС 61

кг

50000

0.0004

4000

3 Флюс, ФЗ

кг

20000

0.0003

0.06

4000

4 Спирт этиловый технический

л

25000

0.0003

0.06

1200

5. Хлорное железо

л

70000

-

0.25

17850

6 Лак

л

20000

0.0005

0.11

2200

7 Готовый корпус

шт.

25000

-

1

25000

Итого:

-

-

-

-

89650


Рассчитаем трудоемкость монтажных работ по формуле:


где: T- время затрачиваемое на одну пайку, сек T=3;

N- количество паек в изделии, шт. N =322 шт.

 

Будем считать, что рассчитанные трудоемкости работ являются оперативным временем, то есть временем, затрачиваемым непосредственно на выполнение работы. Однако, как известно, существует ещё и другие виды затрат рабочего времени, связанные с подготовкой рабочего к выполнению работ.

На выполнение сборочных работ операций необходимо затратить 55% от монтажа, на регулировку 45%. от То.

Отразим структуру затрат рабочего времени в таблице 5.1.3:

Таблица 5.1.3 - Расчет оперативного времени по операциям

Статья

% от То

Рабочее место и выполняемые операции




Монтаж

Сборка

Регулировка

1

Время основное

-

0.270

0.1485

0,1215

2

Время вспомогательное

12

0.0324

0.01782

0,01458

3

Время обслуживания

5

0.0135

0.007425

0.006075

4

Время на отдых и личные надобности

10

0.027

0.01485

0.01215

5

Время подготовительно - заключительное

6

0.0162

0.00891

0.00729

6

Норма штучного времени

-

0,272

0,1498

0.1226


.2 Расчет заработной платы

Заработная плата является одним из главных стимулов развития производства. К принципам формирования заработной платы относятся следующие:

материальная заинтересованность работников в конечных результатах труда;

распределение заработной платы в зависимости от количества и качества труда;

опережающие темпы роста производительности труда по сравнению с увеличением его оплаты;

сочетание централизованного регулирования уровня заработной платы с самостоятельностью предприятий.

Заработная плата - это доход для работника и одновременно издержки предприятия. Поэтому заработная плата является одной из статей себестоимости продукции.

Заработная плата делится на два вида: основная - начисляется непосредственно за выполненную работу или отработанное время, и дополнительная - выплачивается за неотработанное время.

Формы оплаты труда:

Повременная (тарифная) система оплаты труда - оплата производится за фактически отработанное время, независимо от результатов работы. В основе расчета - оклад или тариф.

Сдельная система оплаты труда - оплата производится за объем выполненных работ, независимо от потраченного времени. В основе расчета - сдельные расценки.

Комиссионная система оплаты труда - оплата производится в размере процента от выручки организации

Основную заработную плату будем рассчитывать исходя из тарифной ставки первого разряда (с 1 мая 2014 года ставка первого разряда равна 275000 руб.).

Для выполнения монтажных и сборочных операций необходим рабочий с 3 квалификационным разрядом, регулировки - 4 разрядом.

ОЗП=ЧТС * Ншт, (5.2.1)

где Ншт - норма штучного времени, ЧТС - часовая тарифная ставка:

ЧТС=(ТС1 *ТК) / ФРВ,(5.2.2)

где ТС1 - тарифная ставка первого разряда;

ТК - тарифный коэффициент по соответствующему разряду;

ФРВ - месячный фонд рабочего времени (21 рабочий день по 8 часов)

Таблица 5.2.1 - Тарифная сетка

Разряд

1

2

3

4

5

6

7

Тарифный

1,00

1,16

1,35

1,56

1,72

1,89

2,02

коэффициент









Для монтажных работ необходим рабочий с 3 квалификационным разрядом:

ЧТС = (275000*1,35)/168 = 221 0руб.

ОЗП = 2210 *0,272= 601 руб.

Для сборочных работ необходим рабочий с 3 квалификационным разрядом:

ЧТС = (275000*1,3 5) /168 = 2210 руб.

ОЗП = 2210*0,1498= 331 руб.

Для регулировочных работ необходим рабочий с 3 квалификационным разрядом:

ЧТС = (275000*1,56)/168 = 2554 руб.

ОЗП = 2554*0,1226= 313 руб.

Таблица 5.2.2 - Расчет заработной платы

Показатель

Часовые тарифные ставки

Основная заработная плата

Дополнительная заработная плата

Премия

Сумма начисленной зарплаты

Сборка

2210

601

120

1202

1923

Монтаж

2210

331

66

662

1059

Регулировка

2554

313

63

626

1002

Итого:

6974

-

-

-

3984


Дополнительную заработную плату принимаем в размере 20% от основной. Размер начисляемой премии 200%.

5.3 Расчет амортизационных отчислений

Для расчета амортизации определяем, какое оборудование, и в каком количестве дополнительно необходимо предприятию для единичного производства стенда и заполняем таблицу 5.3.1.

Таблица 5.3.1 - Расчет амортизационных отчислений

Вид оборудования

Балансовая стоимость оборудования (руб.)

Норма амортизационных отчислений (%)

Сумма амортизационных отчислений (руб.)

Стол монтажный

1500000

10

150000

Устройство для пайки

100000

10

10000

Диэлектрический коврик

20000

10

2000

Стул

480000

10

48000

Осветительная лампа

150000

10

15000

Итого:

2250000

-

225000


На основе маркетинговых исследований был сформирован объем заказа - 5 000 изделий.

Амортизационные отчисления на один прибор:

А = Итого табл.5.3.1/объем выпуска прибора(5.3.1 )

А = 225000/5000 = 45 рублей

.4 Расчет цены реализации установки

Одним из важных экономических показателей деятельности предприятия, выражающим в денежной форме все затраты предприятия, связанные с производством и реализацией продукции, является себестоимость. Она показывает, во что обходится предприятию выпускаемая продукция.

Стоимость товара выражается в денежной форме - это цена товара.

В зависимости от степени и способа регулирования, цены бывают: жесткофиксированные, регулируемые, договорные, свободно рыночные.

Калькуляция отражает цену единицы продукции без учета других затрат, которые понесло предприятие в течение отчетного периода.

На основе данных калькуляции формируется цена продукции. Примем норму рентабельности равную 25%.

Расчет цены приводится в таблице 5.4.1

Таблица 5.4.1- Калькуляция измерителя частоты с индикацией.

Показатель

Методика расчета

Сумма, руб.

1. Сырье, материалы и

Сумма итогов таблиц 5.1.1 и 5.1.2

600050

другие материальные



затраты



2. НДС к зачету

П.1 данной таблицы 20/100

120010

3. Амортизация

Значение амортизации из раздела 5.3

45

4. Фонд заработной платы

Из пункта 2 сумма тарифной заработной платы, премии и дополнительной заработной платы

3984

5. Чрезвычайный налог -

5% от п.4 данной таблицы

199,2

отчисления в фонд



содействия занятости



6. Отчисления в фонд

35% от п.4 данной таблицы

1394,4

социальной защиты



населения



7. Экологический налог

30% от п.З данной таблицы

13,5

8. Земельный налог

10% от п.З данной таблицы

4,5

9. Плата за размещение

5% от п.З данной таблицы

2,25

отходов



10. Отчисления в

1% от суммы строк 1-9(725703)

7257

инновационный фонд



11. Прочие расходы

150% от суммы строк 3 и 4

6044

12. Полная себестоимость

Сумма строк 1-11 минус строка 2

618994

13. Прибыль

Норма рентабельности (25%)* п. 12/100

154749

14. Цена предприятия

П.12+П.13

773743

15. Единый платеж

п.14*3/(100-3)

23212

16. НДС (ставка 20%)

(п.14+п.15)*0,20

159391

17. В том числе НДС к

П.16-П.2

39381

уплате



18. Цена реализации с

П.14+п.15+п.17

836337

учетом косвенных налогов и НДС




.5 Расчет прогнозной величины прибыли от реализации установки

Прибыль является важнейшим показателем деятельности предприятия, а так же основной целью его функционирования. Прибыль характеризует эффективность использования имеющихся ресурсов, результатов в бизнесе, изменение объемов деятельности. Как количественный показатель прибыль представляет собой разницу между объемом продаж в денежном выражении и себестоимостью.

Произведем расчет чистой прибыли, данные занесем в таблицу 5.5.1.

Таблица 5.5.1 - Расчет чистой прибыли предприятия от реализации прибора

Показатель

Методика расчета

Сумма,



руб.

1. Прибыль от реализации

П. 13 табл.5.4 * объем

773745000


реализации


2. Налог на недвижимость

1% от стоимости основных

22500


фондов



0,01 * итого табл.5.3


3. Прибыль налогооблагаемая

П.1 -п.2

773722500

4. Налог на прибыль

П.3*0,24

185693400

5. Целевые сборы в местный бюджет

(П.3-п.4)*0,04

23521164

6. Чистая прибыль

П.1-п.2-п.4-п.5

564507936

Распределение прибыли



- фонд накопления

30% от п.6

169352381

- фонд потребления

35% от п.6

197577777

фонд пополнения собственных

15% от п.6

84676190

оборотных средств



- резервный фонд

20% от п.6

112901587





Таблица 5.5.2 - Планирование капитальных затрат

Показатели

Методика расчета

Сумма

1. Стоимость ОФ

Итог таблицы 5.1.5

2250000

2. Финансирование ОКР

П.1 *2,15

4837500

3. Затраты на маркетинг

П.1 *1,9

4275000

4. Прочие затраты

П.1 *1,8

4050000


Таблица 5.1.3 Расчет чистой стоимости проекта

Показатели

Годы


2014

2015

2016

1. Капитальные затраты

154112500

154112500

154112500

2.Коэффициент дисконтирования

1

0,893

3.Дисконтирование затрат

154112500

137622462,5

122827662,5

4.Чистая прибыль

564507936

564507936

564507936

5.Коэффициент дисконтирование

1

0,893

0,797

6.Дисконтированый приток средств

564507936

504105586,8

449912825

7.Накопленный дисконтированный приток

564507936

1068613523

1518526348

8.Чистая накопленная стоимость

410395436

1479008959

2997535307


Так как чистая накопленная стоимость имеет положительное значение, срок окупаемости будет менее одного года.

6. Организация охраны труда на предприятии

.1 Система управления охраной труда

В современных условиях организации производства система управления охраной труда (СУОТ) - это совокупность органов управления, взаимодействующих между собой (рис. 6.1).

Рис. 6.1. Схема системы управления охраной труда на предприятии

Управление охраной труда - подготовка, принятие и реализация решений по осуществлению организационных, технических, санитарно-гигиенических, лечебно-профилактических и других мероприятий для обеспечения безопасности, сохранения здоровья и работоспособности человека в процесс труда.

Правовое поле для управления, надзора и контроля за безопасностью и охраной труда формируется системой законодательных и нормативных правовых актов.

6.1.1 Обязанности должностных лиц в области охраны труда

Руководитель, главный инженер, главный механик, главный энергетик, другие главные специалисты, руководители структурных подразделений, мастера - каждый на своем участке работы обязан обеспечивать безопасные и безвредные условия труда.

Главный инженер руководит разработкой и осуществлением планов работы по охране труда, организует исполнение указаний вышестоящих органов, проверяет состояние техники безопасности и санитарно-гигиенических условий труда в цехах и структурных подразделениях, принимает оперативные меры по устранению выявленных недостатков. В его обязанности входят также организация разработки и утверждение инструкций по охране труда для всех профессий работников и выполняемых работ, осуществление пропаганды охраны труда и обеспечение работников инструкциями и правилами по охране труда. Главный инженер организует проверку знаний и повышение квалификации руководителей и специалистов по вопросам охраны труда, обеспечивает своевременное представление установленной отчетности по охране труда, а также оперативных сведений о несчастных случаях и проводимой работе по их устранению.

Главный технолог предприятия обеспечивает разработку и внедрение рациональных и безопасных технологических процессов, приспособлений, инструмента, а также соблюдение технологических инструкций.

Главный конструктор обеспечивает разработку безопасных конструкций изготовляемых предприятием станков, машин, оборудования, приспособлений, установок и другой продукции. Главный механик и главный энергетик предприятия обеспечивают своевременное проведение технического обслуживания и ремонтов оборудования, грузоподъемных машин и механизмов, паровых и водогрейных котлов, аппаратов и устройств, работающих под давлением, компрессорных установок, электротехнических установок и устройств, а также вентиляционных и отопительных систем.

Служба эксплуатации зданий и ее персонал осуществляют технический надзор за безопасным состоянием производственных зданий и сооружений.

Безопасное состояние и эксплуатацию транспортных средств железнодорожного и водного транспорта, подъездных путей и причалов; организацию погрузочно-разгрузочных работ; надлежащее содержание территории и санитарно-бытовых помещении и устройств пред. приятия, обеспечение питьевой водой, средствами индивидуальной и коллективной защиты обеспечивают соответствующие заместители руководителя предприятия и находящиеся в их подчинении службы.

Мастер организовывает и создает безопасные условия труда на рабочих местах, следит за состоянием и правильной эксплуатацией оборудования, приспособлений, ограждений, средств сигнализации и автоматики. Он следит за работой вентиляционных установок, освещением рабочих мест; безопасным использованием электрооборудования, газосварочного оборудования; осуществляет мероприятия по охране труда.

Совместно с общественным инспектором по охране труда мастер осуществляет оперативный контроль за состоянием охраны труда. Мастер проводит инструктаж по охране труда на рабочем месте, принимает участие в обучении рабочих по охране труда, ведет журналы регистрации инструктажей на рабочем месте.

О происшедших несчастных случаях мастер немедленно докладывает начальнику цеха, обеспечивает участок средствами наглядной агитации и пропаганды охраны труда (инструкции, памятки, плакаты).

.1.2 Служба охраны труда на предприятии

Служба охраны труда на предприятии - самостоятельное структурное подразделение, которое подчиняется непосредственно руководителю или главному инженеру предприятия и несет ответственность за организацию работы на предприятии по созданию здоровых и безопасных условий труда работающих, предупреждению несчастных случаев на производстве и профессиональных заболеваний.

Служба охраны труда, инженер по охране труда или лица, выполняющие его функции обязаны:

организовывать работу по охране труда и контролировать соблюдение на предприятии

действующего законодательства о труде и охране труда, инструкций по охране труда, производственной санитарии, пожарной безопасности;

контролировать соблюдение правильности эксплуатации паровых котлов, сосудов, работающих под давлением, баллонов со сжатыми, сжиженными и растворенными газами, контрольной аппаратуры, кранов, подъемников, графиков замера производственного шума, воздушной среды, вибрации;

составлять перечень работ повышенной опасности, регистрировать их проведение, осуществлять контроль за их безопасным производством;

разрабатывать программы обучения работающих безопасным методам труда;

составлять с участием руководителей технических служб перечень инструкций по охране труда для отдельных профессий и отдельных видов работ;

участвовать в работе квалификационных комиссий по проведению квалификационных экзаменов, в комиссиях по проверке знаний рабочими правил, норм и инструкций по охране труда;

участвовать в работе экзаменационных комиссий по проверке знаний должностными лицами и специалистами законодательства о труде, правил и норм по охране труда;

разрабатывать программу вводного инструктажа и обеспечивать его проведение;

контролировать обеспечение работников средствами индивидуальной защиты и правильность их применения;

участвовать в составлении раздела коллективного договора, касающегося вопросов улучшения условий труда, укрепления здоровья работников;

участвовать в расследовании несчастных случаев и профессиональных заболеваний на производстве,

разработке мероприятий по их предупреждению, вести учет и анализировать причины происшествий;

контролировать выполнение предписаний органов государственного специализированного надзора;

консультировать работников по вопросам охраны труда, осуществлять руководство работой кабинета охраны труда, организовывать на предприятии пропаганду охраны труда и др.

.2 Основные законодательные акты РБ по охране труда

Основным законодательным актом Республики Беларусь является Конституция РБ (ст. 41, 45), которая обладает наивысшей юридической силой. Она гарантирует права граждан на здоровые и безопасные условия труда, охрану их здоровья.

Статья 41 гарантирует гражданам РБ право на труд как наиболее достойный способ самоутверждения человека, т.е. право на выбор профессии, рода занятий и работы в соответствии с призванием, способностями, образованием, профессиональной подготовкой и с учетом общественных потребностей, а также на здоровые и безопасные условия труда.

Статьей 45 гарантируется гражданам РБ право на охрану здоровья, включая бесплатное лечение в государственных учреждениях здравоохранения. Основополагающим актом, регулирующим правоотношения в сфере охраны труда, в настоящее время является Трудовой кодекс Республики Беларусь.

Трудовой кодекс (ТК) определяет основные обязанности, права и ответственность нанимателей и работников по вопросам охраны труда; устанавливает гарантии права работников на охрану труда; регламентирует деятельность службы охраны труда; устанавливает функции государства в этой области; предусматривает систему государственного надзора и контроля за соблюдением законодательства об охране труда и общественный контроль в этой области.

Закон Республики Беларусь об охране труда № 356 - З от 23.06.2008

В Законе РБ «Об основах государственного социального страхования» в рамках общих вопросов страхования граждан предусмотрены вопросы страхования их также от несчастных случаев на производстве и профзаболеваний.

Закон РБ «О санитарно-эпидемическом благополучии населения» от 23.11.1993 г. направлен на предупреждение воздействия неблагоприятных факторов среды обитания на здоровье населения и регламентирует действия органов государственной власти и управления, предприятий, учреждений и организаций, общественных объединений, должностных лиц и граждан по обеспечению санитарно-эпидемического благополучия, устанавливает государственный санитарный надзор за соблюдением санитарных норм и гигиенических нормативов.

Закон РБ «Об оценке соответствия требованиям технических нормативных правовых актов в области технического нормирования и стандартизации» от 05.01.2004 г. №269-3 устанавливает правовые основы обязательной и добровольной сертификации продукции, работ и услуг в РБ, регулирует правоотношения, возникающие в процессе сертификации, а также права, обязанности и ответственность участников сертификации. Закон направлен на обеспечение безопасности продукции для жизни, здоровья и имущества населения, а также охраны окружающей среды, определяет национальную систему сертификации.

Согласно закону продукция, на которую в нормативных актах и конкретных стандартах или других нормативных документах по стандартизации установлены требования безопасности для жизни, здоровья и имущества граждан, а также охраны окружающей среды, подлежит обязательной сертификации исключительно в Национальной системе сертификации РБ с выдачей сертификата соответствия.

Указанный документ подтверждает соответствие сертифицированной продукции требованиям нормативных актов и конкретных стандартов или других нормативных документов по стандартизации.

Закон РБ «О техническом нормировании и стандартизации» от 05.01.2004 г. №262-3 устанавливает правоотношения в области стандартизации, а также государственный надзор за выполнением требований стандартов и строительных норм. Определяет нормативные документы по стандартизации: государственные стандарты РБ; государственные строительные нормы; государственные классификаторы технико-экономической информации РБ; отраслевые нормативные документы по стандартизации; стандарты предприятий. Предусматривает порядок их разработки, принятия и отмены.

Закон РБ «О пожарной безопасности» от 15.06.1993 г. устанавливает государственный надзор за обеспечением пожарной безопасности министерствами, государственными комитетами, концернами, предприятиями, учреждениями, организациями независимо от форм собственности, а также гражданами. Определяет правовую основу и принципы организации пожарной безопасности.

Закон РБ «О промышленной безопасности опасных производственных объектов» от 10.01.2000г. определяет правовые, экономические и социальные основы обеспечения безопасной эксплуатации опасных производственных объектов и направлен на предупреждение аварий на опасных производственных объектах и обеспечение готовности организаций, эксплуатирующих опасные производственные объекты, к локализации и ликвидации последствий производственных аварий.

Закон устанавливает орган, который осуществляет государственное управление промышленной безопасностью, и органы, которые осуществляют государственный надзор в области промышленной безопасности. В законе установлены требования к организации и проведению производственного и общественного контроля в области промышленной безопасности, а также предусмотрен учет аварий и инцидентов, ответственность за нарушения законодательства в области промышленной безопасности.

Имеются также другие законодательные акты, которые в той или иной части регулируют правоотношения в области охраны труда. Деятельность по охране труда помимо законов регулируется также: постановлениями Правительства РБ; нормативными правовыми актами специально уполномоченных органов надзора и контроля; нормативными правовыми актами министерств и других республиканских органов государственного управления, подчиненных Правительству; локальными нормативными правовыми актами нанимателей.

.3 Расследование несчастного случая на производстве

. Расследование несчастного случая на производстве (кроме группового, со смертельным или тяжелым исходом) проводится уполномоченным должностным лицом организации, нанимателя, страхователя с участием уполномоченного представителя профсоюза (иного представительного органа работников), специалиста по охране труда или другого специалиста, на которого возложены эти обязанности (заместителя руководителя организации, ответственного за организацию охраны труда), а также лиц, указанных в пункте 16 Правил о расследовании несчастного случая на производстве (по их требованию).

При необходимости для участия в расследовании могут привлекаться соответствующие специалисты иных организаций.

. Участие в расследовании несчастного случая на производстве руководителя, на которого непосредственно возложены организация работы по охране труда и обеспечение безопасности труда потерпевшего (за исключением руководителя организации), не допускается.

. Несчастные случаи на производстве с главами и членами крестьянских (фермерских) хозяйств расследуются и учитываются местными исполнительными и распорядительными органами, у которых зарегистрированы указанные хозяйства.

. Расследование несчастного случая на производстве должно быть проведено в срок не более трех рабочих дней. В указанный срок не включается время, необходимое для проведения экспертиз, получения заключений правоохранительных органов, организаций здравоохранения и других органов и организаций.

. При расследовании несчастного случая на производстве:

проводится обследование состояния условий и охраны труда на месте происшествия несчастного случая; при необходимости организуется фотографирование места происшествия несчастного случая, поврежденного объекта, составление схем, эскизов, проведение технических расчетов, лабораторных исследований, испытаний, экспертиз и других мероприятий; берутся объяснения, опрашиваются потерпевшие (при возможности), свидетели, должностные и иные лица; изучаются необходимые документы; устанавливаются обстоятельства, причины несчастного случая, лица, допустившие нарушения актов законодательства о труде и об охране труда, технических нормативных правовых актов, локальных нормативных правовых актов, разрабатываются мероприятия по устранению причин несчастного случая и предупреждению подобных происшествий.

. После завершения расследования уполномоченное должностное лицо организации, нанимателя, страхователя с участием лиц, указанных в пункте 18 Правил о расследовании несчастного случая на производстве, оформляет акт о несчастном случае на производстве формы Н-1 (далее - акт формы Н-1) в четырех экземплярах.

. Несчастный случай оформляется актом о непроизводственном несчастном случае формы НП (далее - акт формы НП), если повреждение здоровья, смерть потерпевшего:

.1. произошли вследствие установленного судом умысла потерпевшего (совершение потерпевшим противоправных деяний, в том числе хищение и угон транспортных средств) или умышленного причинения вреда своему здоровью (попытка самоубийства, самоубийство, членовредительство и тому подобные деяния);

.2. произошли при обстоятельствах, когда единственной причиной повреждения здоровья, смерти потерпевшего явилось его нахождение в состоянии алкогольного опьянения либо в состоянии, вызванном потреблением наркотических средств, психотропных веществ, их аналогов, токсических или других одурманивающих веществ, подтвержденном документом, выданным в установленном порядке организацией здравоохранения;

.3. обусловлены исключительно заболеванием потерпевшего, подтвержденным документом, выданным в установленном порядке организацией здравоохранения;

.4. произошли не при исполнении им трудовых обязанностей по трудовому договору (контракту) и не в других случаях, определенных в пункте 243 Положения о страховой деятельности в Республике Беларусь, если потерпевший является застрахованным по обязательному страхованию от несчастных случаев на производстве и профессиональных заболеваний (при выполнении государственных или общественных обязанностей, в установленных судом случаях изготовления потерпевшим в личных целях каких-либо предметов или при самовольном использовании в личных целях транспортных средств, механизмов, оборудования, инструментов, приспособлений организации, нанимателя, страхователя и в других случаях).

Акт формы НП составляется в трех экземплярах.

Решение об оформлении актом формы НП несчастных случаев, обусловленных исключительно заболеванием потерпевшего, принимается, если в результате расследования не будут выявлены организационные, технические, санитарно-гигиенические, психофизиологические и иные причины, а также вредные производственные факторы, приведшие к ухудшению здоровья потерпевшего.

. Наниматель, страхователь в течение двух рабочих дней по окончании расследования:

рассматривает материалы расследования, утверждает акт формы Н-1 или акт формы НП и регистрирует его в журнале регистрации несчастных случаев; направляет по одному экземпляру акта формы Н-1 или акта формы НП потерпевшему или лицу, представляющему его интересы, государственному инспектору труда, специалисту по охране труда или специалисту, на которого возложены его обязанности (заместителю руководителя, ответственному за организацию охраны труда), с материалами расследования; направляет один экземпляр акта формы Н-1 с материалами расследования страховщику; направляет копии акта формы Н-1 или акта формы НП руководителю подразделения, где работает (работал) потерпевший, в профсоюз (иной представительный орган работников), государственный орган (его структурное подразделение, территориальный орган, подчиненную организацию), уполномоченный законодательными актами на осуществление надзора (контроля) в соответствующих сферах деятельности (далее - уполномоченный орган надзора), если случай произошел на поднадзорном ему объекте, местный исполнительный и распорядительный орган, в вышестоящую организацию (по ее требованию).

Наниматель, страхователь в течение пяти рабочих дней ознакамливает с актом формы Н-1 лиц, допустивших нарушения актов законодательства о труде и об охране труда, технических нормативных правовых актов, локальных нормативных правовых актов, приведшие к несчастному случаю (в том числе если они не являются работниками нанимателя, страхователя).

. Акт формы Н-1 или акт формы НП с документами расследования хранится в течение 45 лет у нанимателя, страхователя, организации, у которых взят на учет несчастный случай. При прекращении деятельности нанимателя, страхователя, организации акты формы Н-1 или формы НП передаются правопреемнику, а при отсутствии правопреемника - в вышестоящую организацию или по месту регистрации.

. Несчастный случай, о котором нанимателю, страхователю не поступило сообщение в течение рабочего дня (смены) или вследствие которого потеря трудоспособности наступила не сразу, расследуется в соответствии с настоящими Правилами в течение одного месяца со дня, когда нанимателю, страхователю стало известно о несчастном случае (поступление заявления от работника или его родственников о несчастном случае, листка нетрудоспособности с записью о производственной травме, иной информации).

В случае реорганизации нанимателя, страхователя расследование несчастных случаев, указанных в части первой настоящего пункта (кроме группового, со смертельным или тяжелым исходом), проводится правопреемником по заявлению потерпевшего или лица, представляющего его интересы.

В случае ликвидации, в том числе в связи с экономической несостоятельностью (банкротством), нанимателя, страхователя, организации расследование несчастных случаев, указанных в части первой настоящего пункта, проводится по заявлению потерпевшего или лица, представляющего его интересы, государственным инспектором труда с участием представителей страховщика и потерпевшего или лица, представляющего его интересы.

По результатам расследования государственным инспектором труда составляется заключение и соответствующий этому заключению акт формы Н-1, формы Н-1АС или формы НП, утверждаемый главным государственным инспектором труда области (г. Минска).

. Травма, полученная лицом, указанным в подпункте 2.4 пункта 2 настоящих Правил, при обстоятельствах, изложенных в пункте 3 настоящих Правил, и не вызвавшая у него потери трудоспособности или необходимости перевода в соответствии с медицинским заключением на другую (более легкую) работу, учитывается организацией, нанимателем, страхователем в журнале регистрации несчастных случаев. При наступлении у потерпевшего потери трудоспособности вследствие зарегистрированной в названном журнале травмы проводится расследование в соответствии с пунктом 27 настоящих правил.

. Несчастный случай с работником, направленным нанимателем, страхователем для выполнения его задания либо для исполнения трудовых обязанностей в другую организацию, расследуется организацией, в которой произошел несчастный случай, с участием уполномоченного представителя нанимателя, страхователя, направившего работника, и профсоюза (иного представительного органа работников).

Неприбытие или несвоевременное прибытие указанных уполномоченных представителей нанимателя, страхователя потерпевшего, профсоюза (иного представительного органа работников) не является основанием для изменения сроков расследования.

Наниматель, страхователь потерпевшего утверждает акт формы Н-1 или акт формы НП и учитывает данный несчастный случай.

. Несчастный случай с работником, временно переведенным на работу к другому нанимателю либо выполнявшим работу по совместительству, расследуется и учитывается нанимателем, у которого произошел несчастный случай.

. Несчастный случай с работником, выполняющим работы под руководством уполномоченного должностного лица нанимателя, страхователя на выделенном участке другой организации, расследуется и учитывается нанимателем, страхователем работника.

. Несчастные случаи с военнослужащими Вооруженных Сил, других воинских формирований, лицами рядового и начальствующего состава Следственного комитета, органов внутренних дел, органов и подразделений по чрезвычайным ситуациям, органов финансовых расследований, Государственного комитета судебных экспертиз, привлеченными к работам в организации и выполняющими их под руководством уполномоченного должностного лица организации, расследуются организацией с участием соответственно уполномоченного представителя командования войсковой части, других воинских формирований, Следственного комитета, органов внутренних дел, органов и подразделений по чрезвычайным ситуациям, органов финансовых расследований, Государственного комитета судебных экспертиз и учитываются организацией.

. Несчастные случаи с лицами, содержащимися в ОУИС, ЛТП, привлеченными к труду организацией, нанимателем, страхователем и выполняющими работу под руководством уполномоченного должностного лица организации, нанимателя, страхователя, расследуются организацией, нанимателем, страхователем с участием представителя ОУИС, ЛТП и учитываются организацией, нанимателем, страхователем.

Несчастные случаи, происшедшие с лицами при выполнении работ без оплаты труда в ОУИС, ЛТП и следственных изоляторах, а также на собственном производстве этих учреждений, расследуются и учитываются в порядке, установленном Министерством внутренних дел по согласованию с Министерством труда и социальной защиты.

. Несчастные случаи с лицами, привлеченными к труду в процессе лечения (трудотерапии) в организациях здравоохранения, расследуются и учитываются этими организациями в соответствии с Правилами о расследовании несчастного случая на производстве.

. Несчастные случаи с обучающимися учреждений образования, проходящими практику под руководством уполномоченного должностного лица организации, нанимателя, страхователя, расследуются организацией, нанимателем, страхователем с участием представителя учреждения образования и учитываются организацией, нанимателем, страхователем.

Несчастные случаи с обучающимися учреждений образования, проходящими практику под руководством педагогических работников учреждения образования на участке, выделенном для этих целей организацией, расследуются учреждением образования с участием представителя организации и учитываются учреждением образования.

. Несчастный случай с лицом, направленным на оплачиваемые общественные работы, расследуется и учитывается организацией, которой проводятся указанные работы.

. Независимо от количества потерпевших и тяжести полученных ими повреждений здоровья нанимателем, страхователем с участием уполномоченного представителя профсоюза (иного представительного органа работников) расследуются несчастные случаи, непосредственно связанные с профессиональной деятельностью, происшедшие во время: спортивных соревнований или подготовки к ним со спортсменами, тренерами, занимающимися профессиональным спортом на основании трудовых договоров (контрактов); выступлений или репетиций с артистами, включенными в перечень категорий артистов театров и других театрально-зрелищных организаций, коллективов художественного творчества для целей профессионального пенсионного страхования,

Результаты данного расследования оформляются актом о несчастном случае на производстве формы Н-1АС.

Другие несчастные случаи, происшедшие с лицами, указанными в части первой настоящего пункта, расследуются в соответствии с Правилами о расследовании несчастного случая на производстве

. Несчастный случай, происшедший с лицом при ликвидации последствий чрезвычайных ситуаций техногенного и природного характера, расследуется и учитывается организацией, которая проводит указанные работы.

. Копия акта формы Н-1 или акта формы НП в случаях, указанных в пункте 32, части первой пункта 33, части первой пункта 35 и пункте 37 Правил о расследовании несчастного случая на производстве, направляется на место постоянной работы, службы или учебы потерпевшего.

. В соответствии с Правилами о расследовании несчастного случая на производстве, при необходимости с учетом материалов расследований, проводимых специально уполномоченными на то государственными органами, расследуются несчастные случаи, происшедшие: с участниками дорожного движения, если повреждение здоровья произошло при участии в происшествии хотя бы одного транспортного средства или самоходной машины; с членами экипажа и (или) пассажирами воздушного судна в результате авиационного происшествия; с членами экипажа и (или) пассажирами во время их нахождения на судне морского или внутреннего водного транспорта, при посадке или высадке из него; с членами поездной бригады и (или) пассажирами при следовании на железнодорожном транспорте, посадке или высадке из него.

Государственные органы, указанные в части первой настоящего пункта, представляют материалы расследования по запросам организаций, нанимателей, страхователей и Департамента государственной инспекции труда.

Заключение

При работе над данным прибором была поставлена задача создания максимально простой конструкции, несложной в повторении, учитывающей ошибки и недочеты, допущенные при конструировании аналогичных устройств.

Из множества просмотренных мною электрических принципиальных схем, я выбрал для своего дипломного проекта измеритель частоты с индикацией. Схема измерителя частоты была опубликована в книге «Лабораторный практикум по радиоэлектронике», такие частотомеры просты в сборке, имеют малое количество элементов, обладают пониженным энергопотреблением.

Структурная схема измерителя частоты с индикацией состоит из:

) Блок питания;

) Блок измерительный 1;

) Блок измерительный 2;

) Блок измерительный 3;

) Блок обработки информации;

6) Блок управления;

) Блок индикации.

Измеритель частоты выполнен в готовом корпусе который принадлежал старому мультиметру М-838.

Задняя крышка прибора удерживается защёлками и винтами.

На лицевой части расположены органы управления, ЖК индикатор и разъёмы для штекеров тюльпанов. Электрическая часть состоит из одной платы.

Платы крепятся с помощью четырех винтов на каждую из отдельных плат устройства.

Большое внимание в данной работе уделяется неисправностям, появляющимся в приборе в процессе эксплуатации, а также способам устранения этих неисправностей.

Расчет технико-экономических показателей работы наиболее точно раскрывает возможности, которыми можно воспользоваться в производственном процессе, а также указывает на ошибки в производстве. Наряду с этим по итогам проведенной работы можно составить план развития предприятия на длительное время.

В частности в данной работе был произведен расчет стоимости материалов и комплектующих необходимых для производства прибора. Была рассчитана трудоемкость монтажных работ, которая составила 0,027 часа. Но следует учитывать и то, что процесс сборки занимает 55% от монтажа, процесс регулировки составляет 45% от монтажа.

В процессе подготовки работы была исследована и рассчитана и заработная плата монтажного рабочего. Также были рассчитаны амортизационные отчисления на производство одного прибора. По итогам расчетов амортизация на единицу продукции составила 45 рублей.

Одним из важных экономических показателей деятельности предприятия, выражающим в денежной форме все затраты предприятия, связанные с производством и реализацией продукции, является себестоимость. Она показывает, во что обходится предприятию выпускаемая продукция.

Поэтому была произведена калькуляция цены прибора, на основании которой, как известно, формируется цена продукции. Этот анализ был произведен с целью выяснения целесообразности выпуска данного вида продукции.

Проведя несложные вычисления, мною было установлено, что цена реализации продукции с учетом налогов составит 836337 рублей. При дальнейшем исследовании был произведен расчет прогнозной величины прибыли от реализации установки. Расчетная величина составила 564507936 рубля.

В конце проведенной мною работы можно сделать несколько важных выводов:

)        изучаемые мной частотомеры просты в сборке, имеют малое количество элементов, обладают пониженным энергопотреблением;

)        трудоемкость монтажных работ данного прибора составляет 0,027 часа, что является небольшой величиной, следовательно монтаж данного прибора не является трудоемким процессом;

)        амортизационные отчисления на производство одного прибора составляют 45 рублей, что является небольшой суммой для производства данного вида продукции;

)        цена реализации продукции с учетом налогов составит 836337 рублей, а прибыль от реализации установки - 49502911,3 рубля.

Из этого делаем вывод, что выпуск и реализация данной установки весьма рентабельна и принесет неплохую прибыль.

Инструктаж и обучение работников правилам безопасных приемов и методов работы должны проводиться обязательно на всех предприятиях и в организациях, независимо от характера и степени опасности производства, а также квалификации и стажа работы работающего по данной профессии или.

Литература

ГОСТ 2.101-68 ЕСКД. Виды изделий.

ГОСТ 2.102-68 ЕСКД. Виды и комплектность КД.

ГОСТ 2.701-84 ЕСКД. Схемы. Виды и типы. Общие требования к выполнению.

ГОСТ 3.101-81 ЕСКД. Схемы. Виды и типы. Общие требования к выполнению.

ГОСТ 3.1001-81 ...ГОСТ 3.1120-83 ЕСТД.

ГОСТ 2.105-95. Текстовые документы.

Александров К.К., Кузьмина Е.Г. Электротехнические чертежи и схемы. М.: Энергоатомиздат, 1990.

Алексеев Ю.Г. Бытовая радиоаппаратура и ее ремонт. М.: Радио и связь, 1984.

Базылева Н.И. Экономическая теория. - Мн: Экоперспектива, 2004

Боровик С.С., Бродский М.А. Ремонт и регулировка бытовой радиоэлектронной аппаратуры. Мн.: Высш. школа, 1989.

Бродский М.А. Бытовая радиоэлектронная аппаратура. Мн.: Полымя, 1994.

Ефремова О.Н. Обучение и инструктирование работников по охране труда. Мн: Альфа-Пресс. 2009

Игнатович В.И., Митюхин А.Н. Регулировка и ремонт бытовой радиоэлектронной аппаратуры. Мн.: Высш. школа, 1992.

Клюни В.JI. Экономическая теория. - Мн: ТетроСистемс, 2002.

Фрумник Г.Д. Расчет и конструирование радиоэлектронной аппаратуры - М. 1985.

В.И. Пачинин, радиоэлектроника - Минск, Беларусь, 2010г.

И.В Сиренький, В.В. Рябинин, С.Н. Голощапов Электронная техника - Москва, Санкт-Петербург, Воронеж, Ростов-на-Дону, Екатеринбург, Самара, Новосибирск, Киев, Харьков, Минск 2006.

Похожие работы на - Измеритель частоты с индикацией

 

Не нашли материал для своей работы?
Поможем написать уникальную работу
Без плагиата!
Без нейросетей!