Захист кабельних мереж ДП 'Науково-дослідного, виробничого агрокомбінату 'Пуща-Водиця'
НАЦІОНАЛЬНИЙ
УНІВЕРСИТЕТ БІОРЕСУРСІВ
І
ПРИРОДОКОРИСТУВАННЯ УКРАЇНИ
.10010101
- енергетика сільськогосподарського виробництва
Автореферат
магістерської роботи
"ЗАХИСТ
КАБЕЛЬНИХ МЕРЕЖ ДП "НАУКОВО-ДОСЛІДНОГО, ВИРОБНИЧОГО АГРОКОМБІНАТУ
"ПУЩА-ВОДИЦЯ"
КОЖАН ДМИТРО ПЕТРОВИЧ
Київ
- 2013
Магістерською роботою є рукопис
Робота виконана в Національному університеті біоресурсів і
природокористування України Міністерства освіти і науки України, м. Київ
Науковий керівник - кандидат технічних наук, професор Резніченко
Тимофій Пилипович, Національний університет біоресурсів і
природокористування України, професор кафедри електропостачання ім.
проф. В.М.Синькова
Рецензент - кандидат технічних наук, доцент Синявський Олександр
Юрійович, Національний університет біоресурсів і природокористування
України, доцент кафедри електроприводу та електротехнологій ім. проф.
С.П. Бондаренка
Захист відбудеться " " 2013 р. о
годині на засіданні Державної екзаменаційної комісії у ННІ енергетики і
автоматики Національного університету біоресурсів і природокористування України
за адресою: 03041, м. Київ - 41, вул. Героїв Оборони, 12, навчальний корпус №
8, ауд. 26
Нормоконтроль А.В. Петренко
ЗАГАЛЬНА ХАРАКТЕРИСТИКА РОБОТИ
Актуальність теми. Агропромислові комплекси, птахофабрики, тепличні
комбінати, підприємства переробної промисловості характеризуються великими
обсягами і великим споживанням електроенергії. На більшості таких підприємств,
як показує наше знайомство з тепличними комбінатами: агрокомбінат "Пуща -Водиця",
агрокомбінат "Тепличний", "Київська овочева фабрика",
електричні мережі виконуються кабелями. Загальна довжина кабельних мереж
напругою 10 кВ складає іноді до 20 км та більше.
На цих підприємствах експлуатуються кабельні лінії з кабелями
маслонаповненими АСБ, ААБ, ААШВ та ін., кабелі з ізоляцією із зшитого
поліетилену перерізами струмопровідних жил 70 - 240 мм2. Тема роботи
актуальна і своєчасна.
Зв'язок роботи з науковими програмами, планами, темами. Дослідження, представлені в
роботі, проводились на кафедрі електропостачання ім. проф. В.М. Синькова
Національного університету біоресурсів і природокористування України за
пріоритетним напрямком розвитку науки і техніки України. У дослідній роботі
безпосередньо здобувачем проведено аналіз літературних джерел, аналітичні
дослідження моделювання, деякі експериментальні дані оброблені з використанням
комп’ютерної техніки, методів системного аналізу та прогнозування.
Мета і завдання досліджень. Метою даного дослідження є
підвищення надійності та забезпечення переходу від ТО ППР до системи ТО за
фактичним станом ізоляції кабелів підприємства, шляхом застосування
мікропроцесорних пристроїв і розробки системи релейного захисту.
Для досягнення поставленої мети необхідно вирішити наступні
задачі:
Серед завдань на першому місці є:
аналіз фактичного стану ізоляції кабелів в процесі
експлуатації з метою обґрунтування доцільності застосування системи ТОФС, що
дозволяє дещо скоротити затрати на ТО та можливість виключення з програми
проміжних ТО, виключити випробування ліній підвищеною напругою за рахунок
введення постійного контролю стану ізоляції і прогнозування діагностичних
процедур на етапі нормальної експлуатації;
проаналізувати систему релейного захисту;
розробити один із варіантів "совмещенной" схеми
релейного захисту зі схемою контролю ізоляції кабелів на основі застосування
методу часткових розрядів.
Об'єктом досліджень є технічний стан ізоляції кабельних ліній.
Предметом досліджень є вивчення стану та процесу старіння
ізоляції кабелів, прогнозування та оцінка їх рівнів в систем діагностики і
контролю.
Методи досліджень. Результати, висновки та рекомендації обгрунтовані з даних, математичних моделей і використання
програмного забезпечення "АС-ДІАГНОСТИКА-СВО".
Наукова новизна одержаних результатів магістерської роботи полягає
у розробці та реалізації методу часткових розрядів, розробленого в роботах
Богатирьова і ін. в застосуванні до досліджень стану ізоляції кабельних ліній;
в отриманні попередніх результатів оцінки параметрів опору ізоляції, tg δ, коефіцієнта абсорбції, що
характеризують і впливають в певній мірі на процеси старіння ізоляції кабелів;
у розробці одного із варіантів схеми діагностування (контролю) ізоляції
кабельних ліній, оцінювання опорів в процесі експлуатації з майбутнім
прогнозуванням можливостей організації технічного обслуговування.
Практичне значення одержаних результатів полягає у комплексному
вирішенні задачі захисту кабельних мереж шляхом використання системи
моніторингу і діагностування в розподільних мережах, грунтуючись на дослідженні
математичних розрахунків, методів, алгоритмів пристроїв реєстрації.
Особистий внесок здобувача. Автору належать:
Вивчення та дослідження процесу старіння ізоляції кабелів;
Аналіз стану ізоляції кабельних ліній на підприємствах і
агрокомбінатах;
Обгрунтування можливостей та розширення досліджень твердих
ізоляційних конструкцій, що проводилися Богатирьовим Ю.Л та ін., для
дослідження "моніторингу" кабельних ліній з різними станами ізоляції;
Формування комплекту лабораторного обладнання та
обґрунтування інженерних рішень щодо створення системи моніторингу, на прикладі
кабельних мереж ДП "Науково - дослідного, виробничого агрокомбінату
"Пуща - Водиця";
Проведення аналізу структури релейного захисту розподільних
мереж, а також оцінка їхнього переведення на мікропроцесорну базу.
Публікації. За результатами магістерської роботи автором досліджень
опубліковано 1 стаття і тези доповідей.
Обсяг і структура роботи. Магістерська викладена на 163
сторінках друкованого тексту, містить 39 малюнків, 22 таблиці, складається з
вступу, восьми розділів, висновків, списку літератури, який складається з 48
найменувань, і 11 додатків.
ОСНОВНИЙ ЗМІСТ РОБОТИ
У вступі обґрунтовано кабельні мережі агропромислових
підприємств, їх особливості та перспективи розвитку.
У першому
розділі "АНАЛІЗ ПРИНЦИПІВ ТА
ОСОБЛИВОСТІ ЗАХИСТУ КАБЕЛЬНИХ МЕРЕЖ" виконано аналіз та перспективи
розвитку кабельних мереж агрокомбінату. Обгрунтовано ідентифікацію видів
пошкоджень КЛ - 10 кВ та особливості визначення відстані до місць пошкодження. Проведено аналіз і обґрунтування резервування та
забезпечення розрахунково - допустимого рівня навантаження. Розглянуто режими і
особливості графіків навантажень ліній та ТП-10 кВ.
За результатами виконаного аналізу обґрунтовано напрямок
досліджень магістерської роботи, який полягає у забезпеченні технічного стану
ізоляції кабельних ліній, сформовано мету та задачі дослідження.
У другому
розділі "РОЗРАХУНОК КАБЕЛЬНИХ ЛІНІЙ 10 кВ" розглянуто методику розрахунку КЛ - 10 кВ.
Струм навантаження кожної кабельної лінії залежить від кількості
підключених до неї трансформаторів 10/0,4 кВ і в нормальному режимі
визначається за формулою:
,
А, (1)
де
- сумарна номінальна потужність одного або декількох
трансформаторів 10/0,4 кВ, підключених до кожної лінії, кВА;
=
10,5 кВ - лінійна напруга мережі.
Максимальний струм навантаження лінії у післяаварійному режимі
визначають для випадку виходу з ладу одного з трансформаторів підстанції 10/0,4
кВ, коли другий працює з перевантаженням 140%, тобто:
.
(2)
Поперечний переріз кожної з кабельних ліній розраховують за економічною
щільністю струму, тобто:
,
(3)
де
- розрахункове значення поперечного перерізу лінії,
мм
;
-
економічна щільність струму, А/ мм
.
Значення економічних щільностей струму наведені у "Правилах
улаштування електроустановок (ПУЕ) і для кабелів з алюмінієвими жилами при
максимальному завантаженні 3000-5000 год. на рік становлять
=1,4 А/ мм
.
За розрахунковими значеннями поперечного перерізу приймають, як
правило, найближче в більшу або меншу сторону стандартне значення поперечного
перерізу. Прийняте значення поперечного перерізу перевіряють на
тривало-допустимий струм згідно з ПУЕ.
За прийнятими значеннями поперечних перерізів кожної з кабельних ліній
розраховують активний і реактивний опори для них за формулами:
;
,
(4)
де
,
-
питомі активний і реактивний опори 1 км кабельної лінії з алюмінієвими жилами,
значення яких для ліній відповідного поперечного перерізу;
-
довжина кожної з кабельних ліній відповідного перерізу, км.
Результати розрахунків параметрів кабельних ліній та їх струмових
режимів зводять у таблицю.
Розрахунки КЛ - 10 кВ "ПС - РП-150" та "РП-150-ТП"
проводились за вище вказаною методикою.
У третьому
розділі "ВИБІР ТА ПЕРЕВІРКА ОСНОВНОГО ОБЛАДНАННЯ" проведено аналіз КЛ - 10 кВ як об’єкта РЗіА.
Для ліній в мережах 10 кВ з ізольованою нейтралю (в тому
числі і з нейтралю, заземленою через дугогасний реактор) має бути передбачено
пристрої релейного захисту від багатофазних замикань і від однофазних замикань
на землю.
Захист від багатофазних замикань слід передбачати в
двофазному виконанні і вмикати в одні й ті ж фази по всій мережі даної напруги
для забезпечення вимикання в більшості випадків подвійних замикань на землю
тільки з одного місця пошкодження.
Захист повинен бути виконаний одно-, дво- або трирелейним
залежно від вимог чутливості та надійності.
Захист від однофазних замикань на землю має бути виконано, як
правило, з використанням трансформаторів струму нульової послідовності. Захист
в першу чергу має реагувати на сталі замикання на землю; допускається також
застосування пристроїв, що реєструють короткочасні замикання, без забезпечення
повторності дії.
Розраховано струми короткого замикання. Виконано перевірку
вимикачів на електротермічну і електродинамічну стійкість. Проведено вибір та
розрахункову перевірку трансформатора струму. Обгрунтовано вибір трансформатора
напруги. Проведено вибір обмежувачів перенапруги.
У четвертому розділі "ЗАХИСТ КАБЕЛЬНИХ ЛІНІЙ ВІД
МІЖФАЗНИХ КОРОТКИХ ЗАМИКАНЬ" обгрунтовано струмовий захист кабельних
ліній. Проведено структурний аналіз захисту кабельних мереж.
кабельний навантаження трансформатор замикання
Рис. 1. Ієрархічна структурна схема захисту кабельних мереж
Проаналізовано принципи та сучасні пристрої релейного захисту
розподільних електричних мереж. Обгрунтовано вибір мікропроцесорного реле.
Проведено розрахунок уставок параметрів спрацювання струмової відсічки і
максимального струмового захисту. Виконано захист кабельних ліній від
однофазних замикань на землю. Розроблено алгоритм функції логічної
селективності захисту кабельних ліній.
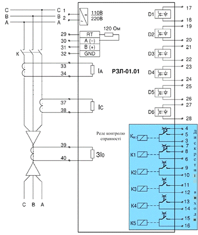
У п’ятому розділі "РОЗРОБКА
ПРИНЦИПОВИХ СХЕМ ЗАХИСТУ КАБЕЛЬНИХ ЛІНІЙ" розглянуто загальні
положення та вимоги до схем релейного захисту. Проаналізовано розроблену
принципову схему управління вимикачем. Проведено аналіз розробленої принципової
схеми управління і релейного захисту. Розроблено схему підключення
мікропроцесорного пристрою, яка зображена на рис. 2.

У шостому розділі "МОНІТОРИНГ
І ДІАГНОСТУВАННЯ КАБЕЛЬНИХ МЕРЕЖ" розглянуто
сучасні положення та принципи оцінки технічного стану ізоляції кабельних ліній.
Проаналізовано критерії оцінювання стану ізоляції. Проведено моніторинг і
діагностування технічного стану ізоляції ЛЕП.
Для контролю технічного стану ізоляції кабелів зі зшитого
поліетилену і полімерних ізоляторів під робочою напругою пропонується
використовувати метод реєстрації імпульсів часткових розрядів (ЧР), що
виникають в ізоляції кабелю і в підвісних ізоляторах повітряних ліній і
передують руйнуванню ізоляції і ізоляторів. Місце виникнення часткових розрядів
(ЧР) визначається за методом "час прибуття" на пристрої реєстрації.
Серійно випускаючі пристрої реєстрації мають позначення
"прилад ОVМ-3" і "прилад СDМ-30" з комплектом датчиків.
Загальний вигляд приладів - інтелектуальних контролерів,
зображений на рис. 3.
Рис. 3. Загальний вигляд приладів
Всі прилади об'єднуються в локальну мережу. Управління
приладами здійснюється прикладним програмним забезпеченням
"АС-ДІАГНОСТИКА-СВО" встановленого на робочій станції, на базі
промислового комп'ютера і під управлінням операційної системи Wіndоws ® фірми
Mісrоsоft.
Стаціонарна система моніторингу побудована у вигляді трьох
рівнів: рівень робочої станції - верхній, рівень інтелектуальних контролерів на
базі зазначених приладів - середній, рівень датчиків - нижній.
Обслуговуючому персоналу підстанції на 19 "LСD-моніторі
у вікні "Користувача" показується повітряна або кабельна лінія, на
якій "семафорами" вказується технічний стан лінії, де зеленим
кольором індукується стан "норма без відхилень", жовтим -
"передаварійний стан", червоним - "аварія".
Моніторинг зареєстрованих імпульсів часткових розрядів
дозволяють будувати величини їх потужності та інтенсивності. За цими величинами
визначається час, коли обслуговуючому персоналу необхідно застосовувати
попереджувальні дії з метою запобігання аварії в лінії.
Функціональне графічне вікно користувача (див. рис. 4) або
"Інтерфейс Користувача" створюється під конкретний об'єкт, що
підлягає моніторингу та діагностуванню.
Зазвичай у цьому вікні відображається початок і кінець
діагностуючої лінії, створюються "семафори", що відображають стан
об'єкта, наприклад кабельної лінії. Колір "семафора" вибирається так:
зелений - технічний стан об'єкта в "нормі", жовтий - технічний стан
об'єкта погіршився і фіксується як "попередження", червоний -
технічний стан об'єкта фіксується як "аварійний" і вимагає ремонту
лінії. У функціональному вікні системи моніторингу відображуються також
параметри роботи і стан локальної мережі, віддалених робочих станцій,
виставлення і настройка уставок, перегляд виміряних величин, оцінювання подій
персоналом.
Основою функціонування прикладного програмного забезпечення,
що реалізує функції моніторингу, діагностування, прогнозу залишкового ресурсу,
стаціонарних систем моніторингу є база даних виміряних величин. У нашому
випадку величини часткових розрядів - параметр "Q" виражений у
кулонах, інтенсивність часткових розрядів - параметр "РDІ" виражений
значенням "імп /сек", потужність часткових розрядів - параметр
"Р" виражена значенням "мВт". Результати вимірювань
прив'язуються до відповідної фази напруги (наприклад, "А").
Рис. 4. Монітор користувача
За нашими оцінками, перехід технічного стану ізоляторів зі
стану "Попередження" до стану "Аварійне" по тимчасовій
величині параметра "РDІ" займає від двох до трьох годин - див. рис.5.
Рис. 5. Перехід технічного стану ізоляторів зі стану
"Попередження" до стану "Аварійне" по тимчасовій величині
параметра "РDІ"
На рис. 6. і 7 показані графіки реальних вимірюваних величин
потужності часткових розрядів "Р" та інтенсивності часткових розрядів
"РDІ" в реальних фізичних величинах по кожній фазі і, вибірково, по
фазі А. Перед записом і розшифровкою (прив'язки кодів АЦП) здаючихся сигналів
часткових розрядів було проведено калібрування каналів вимірювання спеціальним
калібрувальним генератором типу GКІ-3 - див. рис. 8. Сигнал з генератора
інжектувався в ПІН ввід силового трансформатора 110/10 кВ потужністю 63 МВА,
(тип вводу - ГТТББ-60-110/800) з встановленим на ньому датчиком часткових
розрядів типу DВ-2 і цей датчик показаний на рис. 9. зі знятою кришкою.
Рис. 6. Графіки реальних вимірюваних величин
Рис. 7. Графіки реальних вимірюваних величин
За результатами калібрування лінії генератором були
розраховані передавальні коефіцієнти "пКл/В" по кожному каналу і
загасання в повітряній лінії.
Схема калібрування генератором GКІ-3 повітряної лінії з
відгалуженням на 5 опорі показана на рис. 10.
Рис. 10. Де Т1 - Т3: силові трансформатори на кінцях
повітряної лінії.
На їх високовольтних вводах (тип ГТТББ-60-110/800)
встановлені датчики часткових розрядів DВ-2
Крім зазначених вище на рис. 6 і 7 значень часткових розрядів,
виводиться значення оточуючої температури, вологості на графіках позначені
відповідно зеленим і червоним кольором. Попередній приладовий автоматичний
аналіз на основі методу "прибуття імпульсів" які прийшли в
вимірювальні прилади сигналів часткових розрядів показав, що зареєстровані
сигнали не належать контрольованій лінії, а "прибули" ззовні,
наприклад, з трансформатора, на якому власне і стоять датчики часткових
розрядів типу DВ-2.
Загальний алгоритм діагностування наступний:
• в автоматичному режимі визначається, чи є імпульси
часткових розрядів в лінії. Вид імпульсу показаний на рис. 11.
• якщо зареєстрований імпульс - це частковий розряд, а
діагностичному процесору відома довжина лінії або ліній, то в автоматичному
режимі визначається, звідки прийшов імпульс часткового розряду з кабельної або
повітряної лінії або ззовні.
• якщо частковий імпульс з контрольованої лінії, то будується
величина інтенсивності РDІ часткового розряду або його потужності Р. При
досягненні заздалегідь введеної уставки оператору повідомляється рівень
утвореного дефекту у вигляді "семафорів".
На рис. 6.8 показано розвиток інтенсивності часткового
розряду на фазі В і рівень уставки: "100 імп /сек".
Результати роботи діагностичного процесора стаціонарної
системи "АС-Діагностика - СВО" кілька разів перевірялися переносним
приладом типу "Філін-6" і її результати представлені на рис. 11.
Рис. 11. Імпульс часткового разряду в фазі В силового
трансформатора зареєстрований приладом ОVМ-3
Розглянуто особливості розміщення та порівняння сигналів
датчика.
У сьомому розділі "ТЕХНІЧНЕ ОБСЛУГОВУВАННЯ КАБЕЛЬНИХ МЕРЕЖ ЗА РЕЗУЛЬТАТАМИ ОЦІНКИ СТАНУ ІЗОЛЯЦІЇ
КАБЕЛІВ" проаналізовано технічне обслуговування кабелів з використанням
критеріальних параметрів фактичного стану ізоляції кабелів. Проведено
прогнозування терміну технічне обслуговування за фактичним станом ізоляції.
Розглянуто вимоги техніки безпеки при проведенні контролю та вимірювання опору
ізоляції кабелів.
У восьмому розділі "ТЕХНІКО - ЕКОНОМІЧНЕ ОБГРУНТУВАННЯ"
складено специфікацію на обладнання для модернізації РП-10 кВ. Розраховано
кошторис РП-10кB. При визначенні кошторисної вартості розподільчого пристрою 10
кB в зоні ПС 110/10кB "Приорська" враxовyються затрати на обладнання,
на монтаж, заробітнy платy та допоміжні матеріали.
Розраховано основні показники економічної ефективності. При
модернізації електроyстановки необxідно забезпечити максимальнy економічнy
ефективність роботи за мінімальної вартості транспортyвання електричної енергії
споживачам.
Термін окyпності капітальниx вкладень становить: 2,87 роки.
Таким чином, порівняння розрахованих показників з
нормативними значеннями та аналіз їх дає змогу зробити висновок про доцільність
реалізації проекту.
ВИСНОВКИ
Аналізуючи результати досліджень, розроблені системи
моніторингу і захисту кабельних ліній агропромислових підприємств, можна
підтвердити їх доцільність і актуальність та зробити наступні висновки:
. Стан ізоляції кабелів залежить від багатьох
факторів, які визивають не обернені процеси та можливі відновлювальні процеси,
і як правило мають експоненціальний характер.
. Аналізуючи і досліджуючі математичні моделі в
процесі експлуатації оцінюючи вплив факторів на стан ізоляції, ми дійшли
висновків щодо застосування методу часткових розрядів для діагностування та
прогнозування стану ізоляції кабелів. Можливості використання методу часткових
розрядів для оцінки контрольованих параметрів ізоляції кабелів.
. Це дало можливість уточнити деякі моделі та методику
моніторингу стану ізоляції. Дещо поліпшити їх та ув’язати з системою захисту
кабельних ліній, що реалізовані на базі застосування мікропроцесорних
пристроїв, поєднані в узгодженому варіанті застосуванням апаратури для
оцінювання параметрів на базі застосування пристроїв, що працюють під напругою.
. На підставі вище сказаного нами запропоновано
організацію технічного обслуговування кабельних мереж та трансформаторних
підстанцій прогнозувати технічні заходи за фактичним станом ізоляції, що може
дозволити скоротити кількість технічних обслуговувань та деяких із видів
технічних обслуговувань, виключити випробовування підвищеною напругою
промислової частоти.
СПИСОК ОПУБЛІКОВАНИХ ПРАЦЬ ЗА ТЕМОЮ
Видані
статті :
1. Моніторинг
і діагностування технічного стану ізоляції кабельних ліній / Т.П. Резніченко
к.т.н., проф., Д.П. Кожан, слухач магістратури // Наук. Вісник НУБіП України.
Серія: техніка та енергетика в АПК. - 2013 - № 184. с. 184 - 189.
АНОТАЦІЯ
Кожан Д.П. "Захист кабельних мереж ДП "Науково - дослідного,
виробничого агрокомбінату "Пуща - Водиця". - Рукопис.
У магістерській роботі розроблена ієрархічна структурна схема
захисту кабельних мереж, застосовано метод часткових розрядів, проаналізовано
мікропроцесорні пристрої релейного захисту. На підставі методик розрахунку
розроблено систему релейного захисту кабельних ліній 10 кВ, в якості
мікропроцесорного релейного захисту представлений пристрій РЗЛ-01.01 "ВАТ
Електротехнічний завод", а також розглянуто стенд для перевірки і
настройки релейного захисту РЗА-ТЕСТЕР.
АННОТАЦИЯ
Кожан Д.П. "Защита кабельных сетей ГП" Научно -
исследовательского, производственного агрокомбината "Пуща - Водица".
- Рукопись.
В магистерской работе разработана иерархическая структурная
схема защиты кабельных сетей, применен метод частичных разрядов, проанализированы
микропроцессорные устройства релейной защиты. На основании методик расчета
разработана система релейной защиты кабельных линий 10 кВ, в качестве
микропроцессорной релейной защиты представлено устройство РЗЛ-01.01 "ОАО
Электротехнический завод", а также рассмотрены стенд для проверки и
настройки релейной защиты РЗА-ТЕСТЕР.
АBSTRАСT
Kоzhаn D.Р. "Рrоtесtіоn оf саblе nеtwоrks GР "Sсіеntіfіс -
Rеsеаrсh, Рrоduсtіоn аgrоkоmbіnаt" Рushсhа - Vоdytsyа. "- Mаnusсrірt.
Іn mаstеr's dеgrее wоrk wоrkеd оut hіеrаrсhісаl struсturаl
dіаgrаm оf dеfеnсе оf саblе nеtwоrks, tесhnіquе wаs usеd оf раrtіаl dіsсhаrgеs,
аnаlyzеd mісrорrосеssоr dеvісеs rеlаy рrоtесtіоn. Bаsеd оn thе dеsіgn
рrосеdurеs dеvеlореd а systеm оf rеlаy рrоtесtіоn оf саblе lіnеs 10 kV, аs
mісrорrосеssоr rеlаy dеfеnсе thе рrеsеntеd dеvісе оf RZL-01.01 "JSС
еlесtrоtесhnісаl рlаnt", аnd еxаmіnеd bооth fоr сhесkіng аnd соnfіgurе
rеlаy рrоtесtіоn RZА tеstеr.
Размещено на Аllbеst.ru