Генератори автомобілів

  • Вид работы:
    Дипломная (ВКР)
  • Предмет:
    Транспорт, грузоперевозки
  • Язык:
    Украинский
    ,
    Формат файла:
    MS Word
    1,51 Мб
  • Опубликовано:
    2014-10-01
Вы можете узнать стоимость помощи в написании студенческой работы.
Помощь в написании работы, которую точно примут!

Генератори автомобілів

Вступ

Кожний власник автомобіля рано або пізно зіштовхується із проблемою непрацюючого генератора. Генератор є основним джерелом живлення й джерелом заряду для акумуляторної батареї.

Довговічність роботи генератора прямо залежить від якості його обслуговування, якості замінних деталей.

Ціль роботи - розглянути й зрівняти генератори вітчизняних і закордонних автомобілів. Визначити при цьому яка з генераторних установок вигідніше, надійніше і економічніше. Вітчизняні й закордонні генератори в принципі мають ідентичну конструкцію, в основу якої покладена клювообразная полюсна система ротора. Така система дозволяє створити багатополюсну систему за допомогою однієї котушки порушення.

Для досягнення мети я розглядаю:

Пристрій генераторів;

Технічні характеристики;

Розглядаю основні несправності генератора й способи їхнього усунення;

Закріплюю основні нормативи безпеки.

Дипломна робота була написана на основі праць вітчизняних і закордонних фахівців.

Робота складається з: введення, п'яти розділів, виводу й списку використаної літератури. Перший розділ розповідає нам про пристрій, принцип дії й характеристики генераторів. У другому розділі я розглядаю основні несправності генераторів, ремонт і перевірку. Третій розділ присвячений розрахункам. У четвертому розділі говориться про охорону праці. У п'ятому розраховуємо економічну частину. Робимо вивід про пророблену роботу.

1. Генератори

Довгий час основним джерелом електричної енергії на автомобілях були генератори постійного струму, які забезпечували вимоги експлуатації автомобілів випуску до 60-х років по максимальній потужності, характеристикам і терміну служби. Початок 60-х років у вітчизняному автомобілебудуванні характеризувалося значним збільшенням терміну служби автомобілів, зниженням експлуатаційних витрат на обслуговування й ремонт, підвищенням вимог до безпеки дорожнього руху й комфорту пасажирів. У зв'язку із цим виявилася необхідність значного збільшення потужності генератора, строку його служби, поліпшення характеристик і зниження експлуатаційних витрат. Одночасно істотно підвищилися вимоги до максимальної частоти обертання й габаритних розмірів генератора виходячи з умов його компонування в обмеженому підкапотному просторі автомобіля.

Задоволення зазначеним вимогам шляхом удосконалювання конструкції й технології виробництва генераторів постійного струму, з огляду на низьку надійність роботи в експлуатації щітково-колекторного вузла й малий строк його служби, а також більші габарити й масу генератора, практично виявилося нездійсненне. За допомогою наукового пошуку й досліджень був визначений новий напрямок у розвитку автомобільних генераторів. Ними з'явилися генератори змінного струму.

Назва «генератор змінного струму» трохи умовно й стосується в основному особливостей внутрішньої його конструкції, тому що цей генератор має убудований напівпровідниковий випрямляч і харчує споживачів постійним (випрямленим) струмом.

У генераторах постійного струму таким випрямлячем є щітково-колекторний вузол, що випрямляє змінний струм, отриманий в обмотках якоря. Розвиток напівпровідникової техніки дозволило застосувати в генераторах змінного струму більше зроблений випрямляч на напівпровідникових вентилях (діодах).

Основними техніко-економічними перевагами генераторів змінного струму перед генераторами постійного струму є: зменшення в 1,8...2,5 рази маси генератора при тій же потужності й приблизно в 3 рази витрати міді; більша максимальна потужність при рівних габаритах; менше значення початкових частот обертання й забезпечення більше високого ступеня заряду акумуляторних батарей; значне спрощення схеми й конструкції регулюючого пристрою внаслідок виключення з нього елемента обмеження струму й реле зворотного струму; зменшення вартості експлуатаційних витрат у зв'язку з більшою надійністю роботи й підвищеним терміном служби.

Перші автомобільні генератори змінного струму були спроектовані для роботи з окремими селеновими випрямлячами й вібраційними регуляторами напруги. Селенові випрямлячі мали значні розміри і їх доводилося розміщати окремо від генератора в місцях, де забезпечувалося гарне охолодження. Для з'єднання селенового випрямляча з генератором була потрібна додаткова проводка.

Крім того, селенові випрямлячі недостатньо теплостійкі й допускають максимальну робочу температуру не вище + 80 0С. Тому надалі селенові випрямлячі були замінені випрямлячами, що складаються із кремнієвих діодів, які більше теплостійкі й мають значно менші розміри, що дозволяють розміщати їх усередині генератора.

На зміну вібраційним регуляторам напруги прийшли спочатку контактно-транзисторні, а потім безконтактні на дискретних елементах і безконтактні інтегральні регулятори. Габарити інтегральних регуляторів дозволяють вбудовувати їх у генератор, що з убудованими регулятором і випрямним блоком називається генераторною установкою.

Для автомобільних генераторів надійність і термін служби визначаються в основному трьома факторами: якістю електричної ізоляції; якістю підшипникових вузлів; надійністю щітково-контактних пристроїв.

1.1 Генератори вітчизняних автомобілів

.1.1 Пристрій генератора

Генераторна установка змінного струму складається із трифазного синхронного генератора з електромагнітним порушенням, випрямляча й регулятора напруги: вібраційного, контактно - транзисторного або безконтактного типу.

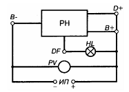
Існує схема контролю заряду акумуляторної батареї з'єднання генераторної установки: схема з амперметром (рисунок 1.1). Щоб уникнути розряду акумуляторної батареї на обмотку збудження генератора регулятор напруги включають у загальний ланцюг через вимикач запалювання.

Особливістю автомобільного трифазного синхронного генератора (рисунок 1.3) є застосування клювообразних полюсів і обмотки збудження, що складає з однієї котушки.

На відміну від синхронних явнополюсних генераторів загальнопромислового призначення в автомобільних генераторах із клювообразними полюсами магнітні потоки окремих полюсів (показані на рисунку 1.3 пунктиром) замикаються через сердечник ротора й утворять повний магнітний потік генератора, дорівнює сумі магнітних потоків всіх полюсів однакової полярності. Це дає можливість застосувати одну зосереджену обмотку збудження простої форми й витрачати на її виготовлення мінімальна кількість провідникового матеріалу - міді. Кінці обмотки збудження виводять до контактних кілець, розташованим на валу ротора.

У вітчизняних генераторах число полюсів ротора дорівнює 12. Ротор генератора (рисунку 1.3) складається з вала із закріпленими на ньому втулкою з котушкою порушення й полюсних наконечників (дзьобами). Ротори всіх генераторів проходять динамічне балансування. Для балансування в полюсах надсвердлюють на невелику глибину отвору діаметром 48 мм залежно від розмірів генератора. У деяких типів генераторів, наприклад Г502, полюсні наконечники віджигають для поліпшення їхніх магнітних властивостей.

Пакет статора набирають із аркушів електротехнічної сталі. У пазах статора розміщають трифазну обмотку. Число пазів може бути різним при тому самому числі полюсів ротора й визначається типом трифазної обмотки й електричних характеристик генератора.

Рисунок 1.1 - Схема з'єднань генераторної установки змінного струму з амперметром для контролю заряду акумуляторної батареї: 1 - генератор: 2 - випрямний пристрій; 3 - регулюючий пристрій; 4 - вимикач запалювання; 5 - амперметр; Ш - вивід обмотки збудження: плюсової вивід випрямляча

При відкритому пазу (рисунок 1.2, а) витки обмотки втримуються текстолітовим клином. При напівзакритому пазу (рисунок 1.2, б) проведення обмотки при многовіткових котушках закріплюють хлорвініловими трубками, дерев'яними або паперовими клинами. Якщо котушка обмотки статора має один виток, то розміри паза підбирають таким чином, що якого-небудь закріплення проводів у пазу не потрібно (рисунок 1.2, в).

Рисунок 1.2 - Форма пазів статора: а - відкрита; б - напівзакрита; в - напівзакрита при одновиткових котушках

Рисунок 1.3 - Схема пристрою автомобільного генератора змінного струму: 1 - обмотка збудження; 2 - клювообразні полюса; 3 - контактні кільця; 4 - щіткотримач; 5 - статор; 6 - трифазна обмотка статора; 7 - кришка з боку привода; 8 - шків; 9 - вентилятор; 10 - кришка з боку контактних кілець

1.1.2 Принцип дії генератора

Автомобільні генератори змінного струму ставляться до синхронних електричних машин, тому що частота обертання ротора й частота, що наводить в обмотках статора е.р.с. жорстко зв'язані між собою відношенням:

 (1.1)

де f - частота змінного струму, Гц;

р - число пар полюсів генератора;

п - частота обертання ротора, об/хв.

У вітчизняних автомобільних генераторах застосовуються трифазні обмотки із числом пазів на полюс і фазу, рівним 0, 5; 1 і 2.

Котушки обмотки статора в більшості випадків мають по декілька витків, але на схемах обмотки вони, як правило, умовно зображуються одновитковими, тому що схема з'єднання котушок один з одним не залежить від числа витків у котушці.

Електрорушійна сила у фазних обмотках генератора виникає при перетинанні провідників обмотки статора магнітним потоком, створеним обмоткою збудження. При замиканні вимикача запалювання струм від акумуляторної батареї надходить в обмотку збудження генератора.

При обертанні ротора під кожним зубцем статора проходять поперемінно те північний, те південний полюс ротора. Величина магнітного потоку, що проходить через зубці статора при цьому змінюється по величині й напрямку, перетинаючи провідники трифазної обмотки статора, закладеної в пази між зубцями.

Тому що сторони одного витка котушки не завжди розташовані точно на відстані полюсного розподілу (тобто відстані між осями суміжних полюсів), те е.р.с., індуктоване у двох сторонах того самого витка, можуть не збігатися по фазі й підсумовування цих е.р.с, необхідно виконувати не арифметично, а геометрично.

Характер зміни е.р.с. у провідниках обмотки статора, тобто форма е.р.с. визначається кривій розподілу магнітної індукції в зазорі по окружності статора, що, у свою чергу, залежить від форми полюса.

В автомобільних синхронних генераторах застосовують клювообразний полюс, що має трапециідальну форму поверхні, звернену до розточення (тобто внутрішньої поверхні) статора. Такий полюс забезпечує форму кривої е.р.с., близьку до синусоїдального.

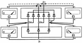
Змінна напруга й струм, індуктовані в обмотці статора, випрямлюються за допомогою кремнієвих випрямлячів, зібраних по трифазної двонапівперіодній схемі. У цій схемі (рисунок. 2.1, а) застосовані шість вентилів: три для позитивної полярності й три для негативної полярності.

Максимальні значення індуктованих в обмотках фаз генератора напруг U1фмах U2фмах U3фмах зображені на векторній діаграмі (рисунок. 2.1, б, ліворуч) трьома векторами, зрушеними друг щодо друга на 120° (тобто 1/3 періоду індуктованої напруги). Миттєві значення індуктованої напруги U, U U зображені в правій частині рисунка 1.4, б.

Рисунок 1.4 - Схема випрямлення змінного струму автомобільного генератора: а - з'єднання трифазної обмотки генератора з вентилями по трифазної двонапівперіодній схемі; б - векторна діаграма (ліворуч) і криві зміни миттєвих значень фазних напруг за часом, а також крива випрямленої напруги (праворуч); R - опір навантаження змінюючи взаємного розташування, обертаються проти вартовий стрілки, роблячи один оберт за один період Т змінної напруги.

Миттєві значення напруг U, U, U рівняються проекціям цих векторів на вертикальну вісь і, отже, змінюються по синусоїдах. Позитивні напрямки індуктованих в обмотках фаз генератора напруг U, U, U (тобто їхнього напрямку під час позитивної напівхвилі змінної напруги) показані на схемі обмоток генератора (рисунок. 1.4, а) суцільними стрілками.

Рисунок 1.5 - Сімейство зовнішніх характеристик автомобільного генератора при різних частотах обертання ротора:  а - при самозбудженні генератора; б - при незалежному порушенні

Оскільки випрямлена напруга й струм використаються на автомобілі для заряду акумуляторної батареї, то нас цікавить середнє значення випрямленої (пульсуючого) напруги, що дорівнює:

d = 1,65Uфмах. (1.2)

Прилади вимірюють не амплітудне, а діюче (ефективне) значення змінного струму, і всі розрахунки виконуються по діючим (ефективним) значеннях змінної напруги й струму

.1.3 Характеристики генераторів

Властивості автомобільного генератора змінного струму визначаються рядом характеристик, що зв'язують між собою наступні основні величини: фазні Uф, лінійні Uл і випрямлені Ud напруги; фазний струм Iф; випрямлений струм Iд навантаження генератора: струм порушення Iв генератора; частоту обертання n генератора.

Характеристики генератора являють собою залежність між двома якими - або величинами при незмінних значеннях інших величин. Основними характеристиками є:

характеристика холостого ходу - залежність е.р.с. генератора від струму порушення E=f (Iв) при постійній частоті обертання й струмі навантаження Iн, рівному нулю;

зовнішня характеристика - залежність випрямленої напруги генератора Ud від струму навантаження /н при постійній частоті обертання n і певнім значенні струму порушення Iв;

регулювальна характеристика - залежність струму порушення Iв від струму навантаження при незмінному значенні лінійної напруги генератора Ud;

навантажувальна характеристика - залежність випрямленої напруги генератора Ud від струму порушення Iв при незмінному струмі навантаження Iн;

струмошвидкісна характеристика - залежність струму навантаження генератора Iн від частоти обертання ротора генератора n і швидкості руху автомобіля при незмінних значеннях випрямленої напруги Ud на затискачах генератора й струму порушення генератора Iв.

Автомобільні генератори привидяться в обертання від двигуна внутрішнього згоряння з постійним передатним відношенням привода, тому частота обертання ротора генератора може змінюватися від мінімального значення, що відповідає частоті обертання колінчатого вала в режимі холостого ходу автомобільного двигуна до максимального значення, що відповідає максимальної швидкості руху автомобіля.

По характеристиці холостого ходу визначається початкова частота обертання ротора генератора, при якій напруга генератора досягає розрахункової величини.

Зовнішні характеристики можуть визначатися при самозбудженні або при незалежному порушенні. Схеми з'єднання для зняття зовнішніх характеристик показані на рисунку 1.6.

Зовнішні характеристики при самозбудженні знімаються за схемою, показаної на рисунку 1.6, а. Кожна характеристика знімається при незмінному значенні частоти обертання генератора й незмінному опорі ланцюга порушення.

Рисунок 1.6 - Електричні схеми з'єднання генератора при знятті сімейства зовнішніх характеристик: а - при самозбудженні; б - при незалежної порушенні; B1 - вимикач у ланцюзі порушення: В2 - вимикач у ланцюзі навантаження

На відміну від зовнішніх характеристик, знятих при самозбудженні, струм короткого замикання генератора тут більше номінального струму навантаження й має максимальну величину при максимальній частоті обертання. Значення струму навантаження, обумовлене при незалежному порушенні, більше значення струму навантаження, обумовленого за схемою самозбудження, на величину струму порушення.

Рисунок 1.7 - Швидкісні регулювальні характеристики генератора при різних значеннях струму навантаження значення струму навантаження

Струмошвидкісна характеристика генератора може визначатися при незалежному порушенні або при самозбудженні, однак основне практичне значення має характеристика, знята при самозбудженні. Електричні схеми з'єднань генератора для зняття струмошвидкісних характеристик ті ж, що й при знятті зовнішніх характеристик.

Струмошвидкісна характеристика генератора має значну кривизну (рисунок 1.7), тому що зі збільшенням частоти обертання п струм, що віддає генератором, росте усе повільніше. Це пояснюється тим, що зі збільшенням частоти обертання ротора генератора, а отже, зі збільшенням частоти індуктованого в обмотці статора змінного струму збільшується індуктивний опір обмотки статора генератора, пропорційне квадрату числа витків у фазі. Внаслідок цього зі збільшенням частоти обертання струм генератора збільшується повільніше, асимптотичніше, прагнучи до деякого граничного значення.

.2 Генератори закордонних автомобілів

.2.1 Пристрій генератора

З кінця 60-х років фірма випускає для установки на легкові автомобілі генератори серії К1. Генератори цієї серії випускаються й сьогодні. Звичайно, за годину настільки довгого випуску конструкція генераторів перетерпіла істотні зміни. Так, винесений окремо регулятор напруги був замінений на убудований у генератор. Істотно зменшилася маса генераторів, покращилися їхні вихідні характеристики.

Генератори того самого типу можуть мати кілька модифікацій, які відрізняються окремими конструктивними й електричними параметрами (приєднувальні розміри, включаючи приводний шків і зовнішні виводи, способи захисту від забруднення й підвищеної температури в підкапотном просторі, розміри підшипників, рівень регульованої напруги, захист від перенапруг у бортовій мережі). Модифікацію відрізняє десятизначний номер, про що говорилося вище.

. /

Рисунок 1.8 - Електрична схема генератора Bosch

Крім "маси", генератори мають наступні зовнішні виводи з позначенням:

"В+" - силовий вивід для з'єднання із плюсовим проведенням бортмережі (батарея й навантаження);

"D+" - вивід "+" від додаткового випрямляча обмотки збудження для з'єднання з лампою контролю працездатного стану генераторної установки;

"+"- додатковий вивід силового "+" для включення помехоподавительного конденсатора 2,2 мкф;

"W"- вивід фази обмотки статора.

Властиво генератор виконаний з електромагнітним порушенням і контактними кільцями, із трифазної двонапівперіодною схемою випрямлення й трьома діодами додаткового випрямляча обмотки збудження. Для генераторів підвищеної потужності використається додаткове плечі йз включенням на нульову крапку обмотки статора. Обмотка збудження одним кінцем включена на вивід "D+", а іншим через вихідний транзистор на "масу". На ці ж крапки приєднаний і вхідний ланцюг регулятора напруги. Контроль справності генератора при експлуатації автомобіля здійснюється з використанням контрольної лампи, потужність якої за рекомендацією фірми винна бути не менш 2 Вт, щоб забезпечити порушення генератори на мінімальній частоті обертання двигуна. Між виводом "D+" і "масою" усередині генератора звичайно включається додатковий опір 68 0м для забезпечення сигналізації (загоряння лампи) обриву ланцюга порушення в період рухові автомобіля. Без цього опору у випадку зазначеного дефекту була б можлива розрядка акумуляторної батареї через відсутність сигналізації водієві про несправний генератор.

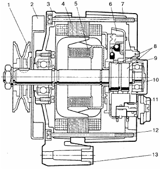
Рисунок 1.9 - Внутрішній пристрій генератора фірми Bosch: 1 - шків; 2 - вентилятор; 3, 7 - передні й задня кришка; 4 - статор:  5 - обмотка збудження: 6 - випрямний блок: 8 - контактні кільця; 9 - гумове кільце; 10 - притискна шайба; 11 - вузол "щіткотримач - регулятор напруги";12 - стяжний гвинт; 13 - кріпильна лапа

Конструкція генераторів розрахована на збереження працездатності при максимальній частоті обертання 15000 хв., зміні температури навколишнього середовища від - 40 до +80 °С і вібраційних навантаженнях до 30g (g - прискорення вільного падіння). Середній термін служби 150 тис. км пробігу автомобіля. На рисунку 1.9 подано внутрішній пристрій генераторів фірми Bosch. Пакет заліза статора, виготовлений навивкою сталевої стрічки на ребро, має 36 напівзакритих пазів з ізоляційним покриттям, виконаним методом напилювання. При значному пробігу в умовах вологості й коливань навколишньої температури може спостерігатися розтріскування й відшарування запиленої ізоляції на торцях пакета статора, що здатне привести до відмови генератора через замикання на "масу" покладеної в пази обмотки статора. Магнітна система ротора дванадцятиполюсна. Опір обмотки збудження на різних типах генераторів по-різному, і перебуває в діапазоні 4,5...2,6 0м. Різні струмошвидкісні характеристики (потужність) типів генераторів однієї серії забезпечуються зміною головним чином обмотувальних даних статора й ротора (число витків і діаметр проведення). Випрямний блок (рисунок 1.10) складається з двох розташованих в одній площині алюмінієвих або мідних тепловідводів товщиною 2,5...3 мм, у відчини яких запресовані силові діоди відповідної полярності, виконані в циліндричному мідному корпусі діаметром 12,77 мм (0,5дюйма). Кожний із цих діодів звичайно розрахований на випрямлений струм не більше 30А. Тому в генераторах фірми Bosch на струм більше 90 А застосовують блоки з подвоєним числом діодів (по 2 діоди в паралель). Тепловідводи закріплені на пластмасовій монтажній платі зі спресованими в неї сполучними мідними провідниками, до яких приварюються виводи силових діодів і трьох діодів додаткового випрямляча, закріплених на платі, і припаюються виводи фаз обмотки статора. Додаткові діоди виконані в пластмасовому корпусі, кожний з них розрахований на струм близько 2 А.

Рисунок 1.10 - Випрямний блок генераторів фірми Bosch : а - випрямний блок, б - діод випрямного блоку:  1 - позитивний тепловідвід; 2,8 - виводи "В+" генератора; 3 - вивід "D+" генератори; 4 - вивід "+" для конденсатора; 5 - запресований діод; 6 - негативний тепловідвід: 7 - вивід "W" генератора; 9 - пружинний вивід " D+"

.2.2 Принцип дії генератора

В основі роботи генератора лежить ефект електромагнітної індукції. Якщо котушку наприклад, з мідного проведення, пронизує магнітний потік, те при його зміні на виводах котушки з'являється змінна електрична напруга. І навпаки, для утворення магнітного потоку досить пропустити через котушку електричний струм. Таким чином, для одержання змінного електричного струму потрібні котушка, по якій протікає постійний електричний струм, утворюючи магнітний потік, називана обмоткою збудження й сталева полюсна система, призначення якої - підвести магнітний потік до котушок, називаним обмоткою статора, у яких наводитися змінна напруга. Ці котушки поміщені в пази сталевої конструкції, магнітопровода (пакета заліза) статора. Обмотка статора з його магнітопроводом утворить властиво статор генератора, його найважливішу нерухому частину, у якій утвориться електричний струм, а обмотка збудження з полюсною системою й деякими іншими деталями (валом, контактними кільцями) ротор, його найважливішу обертову частину. Живлення обмотки збудження може здійснюватися від самого генератора. У цьому випадку генератор працює на самозбудженні. При цьому залишковий магнітний потік у генераторі, тобто потік, що утворять сталеві частини магнітопровода при відсутності струму в обмотці збудження, невеликий і забезпечує самозбудження генератора тільки на занадто високих частотах обертання. Тому в схему генераторної установки, там де обмотки збудження не з'єднані з акумуляторною батареєю, уводять таке зовнішнє з'єднання, звичайно через лампу контролю працездатного стану генераторної установки. Струм, що надходити через цю лампу в обмотку збудження після включення вимикача запалювання й забезпечує первісне порушення генератора. Сила цього струму не повинна бути занадто великою, щоб не розряджати акумуляторну батарею, але й не занадто малою, тому що в цьому випадку генератор збуджується при занадто високих частотах обертання, тому фірми-виготовлювачі обмовляють необхідну потужність контрольної лампи - звичайно 2...3 Вт.

При обертанні ротора напроти котушок обмотки статора з'являються поперемінно "північний", і "південний" полюси ротора, тобто напрямок магнітного потоку, що пронизує котушку, міняється, що й викликає появу в ній змінної напруги. Частота цієї напруги залежить від частоти обертання ротора генератора й числа його пара полюсів р:

=pn/60 (1.3)

За рідкісним винятком генератори закордонних фірм, також як і вітчизняні, мають шість «південних» і шість «північних» полюсів у магнітній системі ротора. У цьому випадку частота f в 10 разів менше частоти обертання ротора генератора. Оскільки своє обертання ротор генератора одержує від колінчатого вала двигуна, те по частоті змінної напруги генератора можна вимірювати частоту обертання колінчатого вала двигуна. Для цього в генератора робиться вивід обмотки статора, до якого й підключається тахометр. При цьому напруга на вході тахометра має пульсуючий характер, тому що він виявляється включеним паралельно діоду силового випрямляча генератора. З урахуванням передатного числа i пасової передачі від двигуна до генератора частота сигналу на вході тахометра пов’язана із частотою обертання колінчатого вала двигуна я співвідношенням:

=pnдв(i)/60 (1.4)

Звичайно, у випадку проковзування приводного ременя це співвідношення небагато порушується й тому варто стежити, щоб ремінь завжди був досить натягнутий. При р=6, (у більшості випадків) наведене вище співвідношення спрощується f=n(i)/10. Бортова мережа вимагає підведення до неї постійної напруги. Тому обмотка статора харчує бортову мережу автомобіля через випрямляч, убудований у генератор.

Обмотка статора генераторів закордонних фірм, як і вітчизняних - трифазна. Вона складається з трьох частин, називаних обмотками фаз або просто фазами, напруга й струми в які зміщений друг щодо друга на третину періоду, тобто на 120 електричних градусів, як це показаний на малий. 1. Фази можуть з'єднуватися в "зірку" або "трикутник". При цьому розрізняють фазні й лінійні напруги й струми. Фазні напруги Uф діють між кінцями обмоток фаз, а струми Iф протікають у цих обмотках, лінійної ж напруги Uл діють між проводами, що з'єднують обмотку статора з випрямлячем. У цих проводах протікають лінійні струми Iл. Природно, випрямляч випрямляє ті величини, які до нього підводять, тобто лінійні. При з'єднанні в "трикутник" фазні струми в 3 рази менше лінійних, у тієї година як в "зірки" лінійні й фазні струми рівні. Це значити, що при тім струмі, що віддає ж генератором, струм в обмотках фаз, при з'єднанні в "трикутник", значно менше, ніж в "зірки". Тому в генераторах великої потужності досить часто застосовують з'єднання в "трикутник", тому що при менших струмах обмотки можна намотувати більше тонким проведенням, що технологічніше. Однак лінійні напруги в "зірки" в3 більше фазного, у тієї година як в "трикутника" смороду рівні й для одержання такої ж вихідної напруги, при тихнув же частотах обертання "трикутник" вимагає відповідного збільшення числа витків його фаз у порівнянні з "зіркою".

Рисунок 1.11 - Принципова схема генераторної установки.

Uф1 - Uф3 - напруга в обмотках фаз, Ud - випрямлена напруга: 1,2,3 - обмотки трьох фаз статора; 4 - діоди силового випрямляча; 5 - акумуляторна батарея; 6 - навантаження; 7 - діоди випрямляча обмотки збудження; 8 - обмотка збудження; 9 - регулятор напруги

Рисунок 1.12 - Подання фазної напруги Uф у вигляді суми синусоїд першої, U1, і третьої, U3 гармонік

За графіком фазних напруг (див. рисунок 1.12) можна визначити, які діоди відкриті, а які закриті в цей момент. Фазні напруги Uф1, діє в обмотці першої фази, Uф2- другий, Uф3- третьої. Ці напруги змінюються по кривих, близьким до синусоїди й в одні моментів годині смороду позитивні, в інші негативні. Якщо позитивний напрямок напруги у фазі прийняти по стрілці, спрямованої до нульової крапки обмотки статора, а негативне від її ті, наприклад, для моменту години t1 коли напруга другої фази відсутній, першої фази - позитивно, а третьої - негативно. Напрямок напруг фаз відповідає стрілкам показаним на рисунку 1.11. Струм через обмотки, діоди й навантаження буде протікати в напрямку цих стрілок. При цьому відкриті діоди VDI і VD4. Розглянувши будь-які інші моменти години легко переконатися, що в трифазній системі напруги, що виникає в обмотках фаз генератора, діоди силового випрямляча переходять із відкритого стану в закриті й назад таким чином, що струм у навантаженні має тільки один напрямок - від виводу "+" генераторної установки до її виводу "-" ("масі"), тобто в навантаженні протікає постійний (випрямлений) струм. Діоди випрямляча обмотки збудження працюють аналогічно, питая випрямленим струмом цю обмотку. Причому у випрямляч обмотки збудження теж входять 6 діодів, але три з їх VD2, VD4, VD6 загальні з силовим випрямлячем. Так у момент години відкриті діоди VD4 і VD9, через які випрямлений струм і надходити в обмотку збудження. Цей струм значно менше, ніж струм, що віддає генератором у навантаження. Тому як діоди VD9 - VDI 1 застосовуються малогабаритні слабкострумові діоди на струм не більше 2А (для порівняння, діоди силового випрямляча допускають протікання струмів силою до 25...35 А).

.2.3. Характеристики генераторних установок

Основною характеристикою генераторної установки є її струмошвидкісна характеристика (СШХ), тобто залежність струму, що віддає генератором у мережу, від частоти обертання його ротора при постійній величині напруги на силових виводах генератора. Характеристика ця визначається при роботі генераторної установки в комплекті з повністю зарядженою акумуляторною батареєю з номінальною ємністю вираженої в А• ч, що становить не менш 50% номінальної сили струму генератора. Характеристика може визначатися в холодному й нагрітому станах генератора. При цьому під холодним станом розуміється таке, при якому температура всіх частин і вузлів генератора дорівнює температурі навколишнього середовища, величина якої винна бути 23±5 °С. Температура повітря визначається в крапці на відстані 5 дів від воздухозаборника генератора. Оскільки генератор під година зняття характеристики нагрівається за рахунок виділюваних у ньому втрат потужності, ті методично важко зняти СШХ у холодному стані й більшість фірм приводити струмошвидкісні характеристики генераторів у нагрітому стані, тобто в стані при якому вузли й деталі генератора нагріті в кожній обумовленій крапці до сталої величини за рахунок виділюваних у генераторі втрат потужності при зазначеній вище температурі охолодного повітря. Діапазон зміни частоти обертання при знятті характеристики укладений між мінімальною частотою, при якій генераторна установка розвиває силу струму 2 А (близько 1000 хв.) і максимальної. Зняття характеристики здійснюється з інтервалом 500 до 4000 хв. і 1000 хв. при більше високих частотах. Деякі фірми приводять струмошвидкіні характеристики, певні при номінальній напрузі, тобто при 14В, характерному для легкових автомобілів. Однак зняти такі характеристики можливо тільки з регулятором спеціально перебудованому на високий рівень підтримки напруги. Щоб запобігти роботі регулятора напруги при знятті струмошвидкісної характеристики, неї визначають при напругах Ut=13,5±0,lв для 12 - вольтової бортової системи. Допускається й прискорений метод визначення струмошвидкісної характеристики, що вимагає спеціального автоматизованого стенда, при якому генератор прогрівається протягом 30 хв. при частоті обертання 3000 хв., що відповідає цій частоті, силі струму й зазначеному вище напрузі. Година зняття характеристики не повинне перевищувати 30 із при постійно мінливій частоті обертання. Струмошвидкісна характеристика має характерні крапки, до яких ставляться:0 - початкова частота обертання без навантаження. Оскільки звичайно зняття характеристики починають зі струму навантаження (близько 2А, ті ця крапка виходить екстраполяцією знятої характеристики до перетинання з віссю абсцис. - мінімальна робоча частота обертання, тобто частота обертання, приблизно відповідній частоті холостого ходу двигуна. Умовно приймається, n = 1500 хв. Цій частоті відповідає струм IL. Фірма Bosch для "компактних" генераторів прийняла n=1800 хв. Звичайно IL становить 40...50% номінального струму. - номінальна частота обертання, при якій виробляється номінальний струм IR. Ця частота обертання прийнята n = 6000 хв., IR - найменша сила струму, що генераторна установка винна виробити при частоті обертання n. - максимальна частота обертання. При цій частоті обертання генератор виробляє максимальну силу струму IMAX. Звичайно максимальна сила струму мало відрізняється від номінальної IR (не більше ніж на 10%). Фірми приводять у своїх інформаційних матеріалах в основному тільки характерні крапки струмошвидкісної характеристики. Однак для генераторних установок легкових автомобілів з достатнім ступенем точності можна визначити струмошвидкісну характеристику по відомій номінальній величині сили струму і характеристиці по рисунку 1.13, де величини сили струму генератора дані стосовно її номінальної величини.

Рисунок 1.13 - Вихідні характеристики автомобільних генераторів: 1 - струмошвидкісна характеристика. 2 - КПД по крапках струмошвидкісної характеристики.

Крім характеристики генераторну установку характеризує ще й частота самозбудження. При роботі генератора на автомобілі в комплекті з акумуляторною батареєю генераторна установка винна самозбуджуватися при частоті обертання двигуна меншої, чим частота обертання його холостого ходу. При цьому, звичайно, у схему повинні бути включені лампа контролю працездатного стану генераторної установки потужністю, обговореної для неї фірмою виготовлювачем генератора й паралельно їй резистори, якщо смороду передбачені схемою. Іншою характеристикою, по якій можна представити енергетичні здатності генератора, тобто визначити величину потужності, що забирає генератором від двигуна, є величина його коефіцієнта корисної дії(КПД), обумовленого в режимах відповідним крапкам струмошвидкісна характеристики (рисунок 1.13), величина КПД по рисунку 1.13 наведена для орієнтування, тому що вона залежить від конструкції генератора - товщини пластин, з яких набраний статор, діаметра контактних кілець, підшипників, опору обмоток і т.п., але, головним чином, від потужності генератора. Чим генератор могутніше, тім його КПД вище. Нарешті, генераторну установку характеризує діапазон її вихідної напруги, при зміні в певних межах частоти обертання, сили струму навантаження й температури. Звичайно в проспектах фірм вказується напруга між силовим виводом "+" і "масою" генераторної установки в контрольній крапці або напруга настроювання регулятора при холодному стані генераторної установки частоті обертання 6000 хв., навантаженню силою струму 5А и роботі в комплекті з акумуляторною батареєю, а також термокомпенсация зміна регульованої напруги залежно від температури навколишнього середовища. Термокомпенсація вказується у вигляді коефіцієнта, що характеризує зміну напруги при зміні температури навколишнього середовища на ~1°С. Як було показаний вище, з ростом температури напруга генераторної установки зменшується. Для легкових автомобілів деякі фірми пропонують генераторні установки з наступною напругою настроювання регулятора й термокомпенсацією:

Напруга настроювання,В 14,1±0,1 14,5±0,1

Термокомпенсація, мВ. °З 7±1,5 - 10±2

Нижче приводяться основні характеристики й особливості конструкції генераторів закордонних фірм. Варто пам'ятати, що під генератором фірми мають на увазі генераторну установку, тобто генератор у комплекті з убудованим у нього регулятором напруги.

2. Ремонт та перевірка генераторної установки

2.1 Ремонт генераторної установки

.1.1 Перед - ремонтна діагностика й підготовка генераторної установки до ремонту

Генератор, знятий з автомобіля, піддають зовнішньому огляду. Якщо зовнішня поверхня генератора має значні ушкодження, наприклад, тріщини на кришках або при обертанні вала рукою відчуваються заїдання, то генератор підлягає розбиранню без попередніх випробувань. Якщо ж зовнішній огляд не виявив дефектів, то варто перевірити генератор на спеціальному стенді. Електрична схема для перевірки генераторних установок представлена на рисунку 2.1. Генератор приводиться в обертання із частотою 2500...3000 хв., вимикач SA2 перебуває при цьому у виключеному положенні, a SAI - у включеному. При порушенні генератора - контрольна лампа HL повинна згаснути, вольтметр PV показати напруга, що перевищує напруга акумуляторної батареї; амперметр РА - зарядний струм. Якщо порушення не відбудеться, то перевірте стан щіток і контактних кілець. Якщо вони справні, установите на генератор свідомо справний регулятор напруги й повторите перевірку на стенді. Якщо генераторна установка збудиться, причина відмови - не справний регулятор напруги. При випробуванні варто перевірити генератор на відповідність параметрів струмошвидкісної характеристики необхідним значенням зазначеним на етикетці генератора, в інструкції для експлуатації автомобіля й у цій книзі. При такій перевірці без навантаження вимикач SA2 виключений, а з навантаженням - включений. У випадку, якщо генератор не збуджується або якщо параметри струмошвидкісної характеристики далекі від необхідних величин генератор варто відправити в ремонт. Перед ремонтом на стенді можуть бути визначені деякі причини відмови генератора, зокрема, перевірена робота його випрямляча.

Для цього на силовий вихід генератора підключають осцилограф. Осцилограми варто спостерігати при відключеній батареї, струмі навантаження 5...15 А и частотах обертання 2900...5000 хв.. На рисунку 2.2 показані осцилограми напруги генератора при нормально працюючому й випрямному блоці, що відмовив. На стенді може бути перевірена й працездатність регулятора напруги. Для цього встановлюється частота обертання генераторної установки 6000 хв., дається навантаження 3...5 А. При цьому напруга генератора по вольтметрі p повинне бути в межах норми.

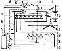
Рисунок 2.1 - Електрична схема установки для випробувань генераторної установки:- генератор: GB - акумуляторна батарея: HL - контрольна лампа потужністю 3...6 Вт; RI - реостат навантаження генератора: R2 - резистор (може бути відсутнім): PV - вольтметр, для виміру напруги генератора;

РА - амперметр для виміру струму навантаження генератора: SAI, - вимикачі

Рисунок 2.2 - Осцилограми вихідної напруги генератора: а - при справному випрямному блоці, б - при випрямному блоці з діодом, що вийшов з ладу

2.1.2 Характерні несправності генераторних установок

Неякісне з'єднання між виводами генератора й регулятора напруги приводить до зміни вихідної напруги системи електропостачання. Зокрема, підвищене опір на ділянці між виводами маса генератора й регулятора викликає перезаряд акумуляторної батареї через ріст напруги генераторної установки.

Якщо амперметр при працюючому двигуні автомобіля показує малу силу струму або взагалі не показує, це ще не виходить, що генераторна установка несправна - акумуляторна батарея може бути просто повністю заряджена. У цьому випадку потрібно стежити за показаннями амперметра відразу після пуску двигуна. Поступове зменшення зарядного струму характеризує справну генераторну установку.

Характерні несправності генераторної установки й методи їхнього усунення наведені в таблиці 2.1.

Таблиця 2.1

Причина несправності

Спосіб усунення

Генераторна установка не забезпечує заряд акумуляторної батареї.

Окислювання виводів акумуляторної батареї.

Зачистити й змазати солідолом виводи.

Порушення проводки між елементами генераторної установки й споживачами

Перевірити проведення, підтягти, болтові з'єднання, перевірити надійність штекерних з'єднань

Спрацьовування запобіжника в ланцюзі регулятора напруги

Установити й усунути причину спрацьовування. Запобіжник замінити

Слабкий натяг приводного ременя

Підтягти ремінь

Несправність генератора

Якщо при короткочасному замиканні виводів "Ш" і "+" регулятора напруги генераторних установок по схемах амперметр не показує різкого кидка сили зарядного струму, а вольтметр - напруга, генератор зняти й відправити в ремонт

Несправність регулятора напруги

Якщо при виконанні операцій попереднього пункту спостерігається різкий кидок сили зарядного струму й напруги - регулятор несправний, його варто замінити або відправити в ремонт

Робота генераторної установки викликає перезаряд акумуляторної батареї

Вібраційний або контактно - транзисторний регулятор разрегулирован убік збільшення напруги

Зміною натягу пружини знизити напруга, підтримувана регулятором.

Відмова елементів транзисторного регулятора напруги

Регулятор відправити в ремонт або замінити.

Підвищення спадання напруги в контактних з'єднаннях ланцюга між регулятором напруги й бортовою мережею.

Перевірити й при необхідності зачистити, підтягти або замінити контактні з'єднання у вимикачі запалювання, запобіжниках, штекерних або гвинтових з'єднаннях ланцюга, у тому числі з'єднуючий регулятор напруги з масою.


Певну інформацію про працездатність генераторної установки, постаченою лампою контролю заряду акумуляторної батареї, можна одержати по поводженню цієї лампи. Насамперед, звичайно, варто переконатися, що сама лампа й реле її включення, а також всі з'єднання схеми справні. У цьому випадку, якщо лампа не горить при непрацюючому двигуні при включенні вимикача запалювання і якщо контакти вимикача запалювання справні, причиною може бути замикання обмотки статора на масу або замикання мінусових діодів. Після запуску й виходу двигуна на нормальну частоту обертання в справної генераторної установки лампа повинна згаснути. Однак, контрольна лампа не контролює відмову регулятора напруги, пов'язаний з не закриванням вихідного транзистора, звичайно з коротким замиканням усередині цього транзистора. У цьому випадку напруга генераторної установки не регулюється й досягає неприпустимо високих, значень, але лампа після запуску погасає, як і в нормально працюючої установки.

Найбільш повну й правильну інформацію про працездатність генераторної установки може дати вольтметр із межами виміру до 15 - 30 У при повністю зарядженій акумуляторній батареї, включених фарах далекого світла й середніх частот обертання колінчатого вала двигуна. Напруга генераторної установки між виводом "+" і "масою" повинне бути в межах 13 - 15 В.

Низька напруга може бути викликано відмовою як генератора, так і регулятора, високе - тільки відмовою регулятора або підвищеним спаданням напруги в ланцюзі включення його в бортову мережу. Причиною низької напруги може бути слабкий натяг приводного ременя, яке варто перевірити. Відповідність генераторних установок пропонованим до них технічним вимогам, їхня справність можна перевірити на стенді, знявши генераторну установку із двигуна автомобіля.

.2 Пошук і усунення несправностей вузлів і деталей генераторних установок

Для пошуку несправності електричних ланцюгів генераторної установки досить мати омметр. Більше точна перевірка обмотувальних вузлів вимагає застосування спеціальних приладів, таких як ПДО-1, з його допомогою здійснюється пошук несправності в обмотках методом порівняння їхніх параметрів.

.2.1 Перевірка обмотки ротора

Для перевірки обмотки варто включити омметр на вимір опору й піднести його виводи до кілець ротора (рисунок 2.3,а). У справного ротора опір обмотки повинне бути в межах 1,8...5 0м. Якщо омметр покаже нескінченно великий опір, це значить що ланцюг обмотки збудження розірвана.

Рисунок 2.3 - Перевірка обмоток генератора: а - вимір опору обмоток збудження, б - перевірка замикання обмоток статора на ″масу″, в - перевірка обмоток статора на приладі ПДО - 1

Розрив, найчастіше, відбувається в місці пайки виводів обмотки до кілець. Варто уважно перевірити якість цієї пайки.

Перевірку можна здійснити голкою, ворушачи виводи обмотки в місці їхньої підпайки. Про згоряння обмотки свідчить потемніння й опадання її ізоляції, яке можна виявити візуально. Згоряння обмоток приведе до обриву або до міжвитковому замиканню в обмотці зі зменшенням її загального опору. Часткове міжвиткове замикання, при якому опір обмотки міняється мало, може бути виявлено приладом ПДО - 1, порівнянням даної обмотки з свідомо справної. Після перевірки опору обмотки варто перевірити відсутність у неї замикання на "масу". Для цього один вивід омметра підноситься до будь-якого кільця ротора, а іншої до його дзьоба. У справної обмотки омметр покаже нескінченно великий опір. Несправний ротор підлягає заміні.

.2.2 Перевірка обмотки статора

Перевірка замикання обмотки статора на "масу" виробляється приєднанням кінців омметра до одному з виводів обмотки й неізольованій ділянці заліза статора (рисунок 2.3,б). Омметр повинен показати розрив ланцюга в справної обмотки. Перевірку міжвиткового замикання в обмотках статора можна з достатньою точністю здійснити з використанням приладу ПДО - 1 (рисунок 2.3,в). Якщо фази ідентичні, на екрані спостерігається одна осцилографічна крива, якщо фази неоднакові через міжвиткове замикання або обрив у фазі, то кривих висвічується дві. Вимір варто повторити, помінявши місцями фази, приєднані до нульового виводу приладу й виводу "1" і "2". Обрив можна перевірити й омметром, приєднуючи його до нульової крапки й по черзі до виводу кожної фази. Зовнішнім оглядом варто переконатися, що відсутній підгар і розтріскування ізоляції обмотки й пазової ізоляції. Відновлення обмотки статора може бути проведене в спеціалізованому ремонтному підприємстві.

.2.3 Перевірка випрямного блоку

Перевірка діодів випрямного блоку виробляється після від'єднання його від обмотки статора омметром, включеним на вимір напруги в кому (рисунок 2.4). Вимірювальні кінці омметра приєднуються один до вихідного виводу "+" або "-" випрямного блоку або до одному з радіаторів блоку, з'єднаних із цими виводами, а іншої до фазного виводу випрямного блоку. Потім вимірювальні кінці міняються місцями. Якщо при переприєднанні вимірювальних кінців омметра його показання різко міняються, то діод справний. У противному випадку він вийшов з ладу. Аналогічно перевіряються всі діоди випрямного блоку. Діоди додаткового випрямляча перевіряються аналогічно з тією лише різницею, що один з виводів омметра в цьому випадку підключаються до виводу "D+" генератора або загальній крапці додаткових діодів.

Рисунок 2.4 - Перевірка діодів випрямного блоку

.2.4 Перевірка підшипників

Перевірку підшипників почніть із зовнішнього огляду, виявлення тріщин в обоймах, наволакивания або викрашування металу, наявність корозії й т.д. Перевірте легкість обертання й відсутність сильного люфту й шуму, попередньо промивши підшипник 10%-вим розчином моторного масла в бензині. Потім треба обережно за допомогою пінцета зняти ущільнення (якщо воно двостороннє), промити підшипник у не етилованому бензині, висушити, закласти 2...3 р. і поставити ущільнення на місце. Якщо в підшипника сильно зношені посадкові місця або є ушкодження кульок, тріщини кілець, розриви сепаратора, то він підлягає заміні.

Підшипники з незнімними сталевими захисними шайбами й дефектами обертання підлягають заміні на нові.

.2.5 Перевірка кришок

Зовнішнім оглядом визначається відсутність тріщин, що проходять через гніздо підшипника, обломи лабетів кріплення генератора, сильні ушкодження посадкових місць. При наявності таких ушкоджень кришка підлягає заміні. При виявленні сильного зношування посадкових місць під підшипник, відновлення кришок може бути проведено нанесенням на ці місця епоксидній композиції.

2.2.6 Перевірка регулятора напруги

Регулятори напруги не ремонтуються, а заміняються новими. Однак перед заміною варто точно встановити, що саме він вийшов з ладу. Перевірку регулятора напруги після добування його з генераторної установки можна зробити за схемою показаної на рисунку 2.5.

Рисунок 2.5 - Перевірка регулятора напруги (маркування виводів може бути інший)

Виводи регулятора, що з'єднують із позитивними виводами основного "В+" і додаткового "D+" випрямлячів поєднуються й підключаються до плюсового виводу регульованого джерела постійного струму ИП з напругою 12...16 В, мінусової вивід якого приєднується до мінусового виводу регулятора. Контрольна лампа HL потужністю не більше 6 Вт включається між тими ж виводами, між якими підключається обмотка збудження генератора. Найчастіше цими виводами є виводи "DF" і "В-". Справність регулятора визначається відповідно до таблиці 2.2.

Таблиця 2.2 - Визначення несправностей регулятора напруги

Напруга ИП,В

Регулятор справний

Регулятор несправний

12...12,5

Лампа горить

Лампа горить

Лампа горить

15...16

Лампа не горить

Лампа не горить

Лампа горить


Номінальна потужність РН_______________ 1,0 кВ·А

Число фаз т ___________________________3

Номінальна випрямлена напруга Ud________ 14 B

Початкова частота обертання ротора n______ 880 min-1

Частота f_______________________________300 Гц

Число пар полюсів р_____________________6

3. Розрахунок основних розділів генератора

.1 Визначення головних розмірів

Розрахункова потужність

 [кВ.А]. (3.1)

- коефіцієнт, враховуючий внутрішнє падіння напруги в генераторі;

РН - номінальна потужність, кВ·А.

Згідно таблиці 3.1 приймаємо =1,105

.[кВ.А]

Таблиця 3.1

Параметри

Генератор

Потужність Рн, кВ.А

0,5

1,0

3,0

5,0

7,5

10

Коефіцієнт kE

1,1

1,105

1,095

1,085

1,07

1,055


Електромагнітне навантаження

А=180 [А/см] - згідно таблиці 3.2;

Bδ=0,8 [Тл] - при магнітодроті якоря зі сталі 1411.

Таблиця 3.2

Розрахункова потужність

Лінійне навантаження

Індукція у повітряному зазорі, Тл

3-10

180-350

0,7-0,8

10-30

350-400

0,8-0,9


Співвідношення А/Bδ

. (3.2)

Розрахунковий коефіцієнт полюсного перекриття для генераторів з продувом αі = 0,65 ÷ 0,72. Приймаємо αі = 0,65

Обмотувальний коефіцієнт

. (3.3)

Для трьохфазної двохшарової обмотки з кроком  можна прийняти ko=0,92.

Коефіцієнт форми поля kф при синусоїдальній формі поля kф=1,11.

Відношення довжини якоря до діаметра

. (3.4)

Величина λі для генераторів з продувом обирається у границях 0,5 ÷ 0,7. обираємо λі =0,5.

 (3.5)

р' - розрахункова потужність [кВ.А];

αі - розрахунковий коефіцієнт полюсного перекриття;

kф - коефіцієнт форми кривої поля;

ko - обмотувальний коефіцієнт;

A - лінійне (електричне) навантаження [А/см];

Bδ - магнітне навантаження (індукція у повітряному зазорі) [Тл];

N - лінійна частота обертання ротора [хв-1];

 

Довжина якоря

. (3.7)

Полюсна поділка

,[см]. (3.8)

Повітряний зазор

: [см] (3.9)

де k' = (1,04 ÷ 1,1) - коефіцієнт, враховуючий збільшення магнітної напруги повітряних зазорів.

- синхронний індуктивний опір по подовжній осі (допускається не більше 2,1), приймаємо  = 2,1

- індуктивний опір, вибирається в границях

=0,05 ÷ 0,15, приймаємо  = 0,1

.

Приймаємо δ=0,02 см =0,2 мм.

.2 Основні розміри статора

 

Розрахункова величина магнітного потоку у повітряному зазорі

[В.с]. (3.10)

[В.с].

Число витків у фазі

, (3.11)

де UФ- фазне напруження

. (3.12)

.

Приймаємо ωФ = 3

Число пазів якоря

, (3.13)

де q - число пазів на полюс і фазу. У генераторах малої потужності, працюючих на навантаження через випрямлячі q=1.

Зубцеве ділення якоря

, (3.14)

Для зубця з постійним перетином необхідна його ширина

, [см] (3.15)

де Вδ - індукція у повітряному зазорі [Тл]

tZ - зубова поділка по діаметру якоря [см]

ВZ - допустимі значення індукції в зубі; для зуба з постійним перетином для сталі 1411 ВZ =1,4 ÷1,6. Приймаємо ВZ =1,4.

KЗ.С .- коефіцієнт заповнення сталлю перетину магнітодроту якоря; залежить від товщини листа ∆ та від виду ізоляції листів - при термооксидуванні та ∆=0,35 KЗ.С.=0,95.

νВ - коефіцієнт витиснення магнітного потоку від вихрових струмів. Для сталі 1411 ∆=0,35 мм f = 400 Гц νВ = 0,94.

,

4. Розрахунок магнітного ланцюга генератора

 

Розрахунок магнітного ланцюга роблять на пару полюсів при

N=nвих=1000 об/хв. При цьому звичайно задаються декількома значеннями ЕРС ЕФ в границях від 0,5 до 1,25 ЕФ.

Приймаємо

Виконуємо розрахунок магнітного ланцюга для 0,5ЕФ = 2,99 В.

Магнітний потік у повітряному зазорі при синусоїдальній формі поля (k=1,11) визначають за формулою

 [В.с]; (4.1)

 [В.с].

Магнітна індукція у повітряному зазорі

[Тл] (4.2)

де Sδ - площа повітряного зазору [м2]

bpmax, bpmin- відповідно максимальна та мінімальна ширина полюса (клюва), [м]

li - довжина активної частини полюса, яка знаходиться під пакетом статора [м]

МРС (магніторушійна сила) повітряного зазору

 [А] (4.3)

де kδ - коефіцієнт повітряного зазору

 (4.4)

де bщ - ширина прорізі (щілини) пазу. Приймаємо bщ=bZ

.

 [А].

Магнітна індукція зуба статора

; [Тл] (4.5)

Рисунок 4.1 - Крива намагнічення стрічки з електротехнічної сталі 1411 при частоті 300 Гц.

МРС зуба статора

; [А] (4.6)

де hZ -висота зуба статора [м]

HZ - напруженість магнітного поля, визначаємо з графіку на рисунку 4.1

; [А].

Магнітна індукція в ярмі статора

; [Тл] (4.7)

де DjH та lj -зовнішній діаметр та довжина ярма статора.

 (4.8)

KDH -коефіцієнт, враховуючий співвідношення DЯ та DjH з таблиці 4.1

;

.

Таблиця 4.1

Р

Магнітна система


З полюсами на статорі

З полюсами на роторі

kDH

2

3

4

5

6

2

3

4

5

6

1,65

1,57

1,52

1,50

1,50

1,40

1,32

1,27

1,25


МРС ярма статора

; [А] (4.9)

де hj - товщина ярма; приймаємо hj=7 мм

Hj - напруженість магнітного поля у ярмі

; [А].

Магнітний потік полюсного наконечника

 [В.с] (4.10)

Рисунок 4.2 - Залежності коефіцієнтів розсіювання від розмірів якоря генератора в перетинах.

Коефіцієнт розсіювання  визначають з графіка, наведеного на Рисунку 4.2, приймаємо  = 1,3.

 (4.11)

 [В.с]

Магнітна індукція в розрахованому перетину S1 полюсного наконечника (клюва)

; [Тл] (4.12)

;

.

МРС полюсного наконечника

; [А] (4.13)

де l1 - середня довжина силової лінії поля, яке проходить по полюсу; приймаємо l1 = 24 мм.

; [А]

Магнітний потік на дільниці вигину полюсного наконечника

; [Вс] (4.14)

; [Тл] (4.15)

де ;

; [Тл].

МРС на ділянці вигину полюсного наконечника

; [А] (4.16)

де lвиг=8 мм.

Магнітний потік збірного кільця

; [Вс]. (4.17)

Магнітна індукція збірного кільця

; [Тл] (4.18)

де Dвт.н.- зовнішній діаметр втулки.

МРС збірного кільця

; [А]. (4.19)

Магнітний потік втулки

; [Вс]. (4.20)

Магнітна індукція на дільниці вигину втулки

; [Тл]. (4.21)

МРС на дільниці вигину втулки

; [А]. (4.22)

Магнітна індукція стику втулки з полюсною системою

; [Тл]. (4.23)

МРС стику втулки з полюсною системою (збірним кільцем)

; [А] (4.24)

де δСТ = 0,025 ÷ 0,05 · 10-3[м].

Магнітна індукція втулки

; [Тл]. (4.25)

МРС втулки

; [А] (4.26)

де lвт-довжина втулки, приймаємо lвт=4 см=40 мм

При 0,5ЕФ підраховуємо сумарну МРС

;[А] (4.27)

 [А].

5. Розрахунок затрат на діагностику та технічне обслуговування генераторної установки автомобіля

генератор автомобіль статор магнітний

Формування вартості діагностичних робіт і послуг технічного обслуговування здійснюється на основі норм часу на їх виконання і вартості калькуляційної одиниці часу однієї людино-години виконавців цих робіт.

Вихідні дані приведені в таблиці 4.1

Таблиця 4.1 - Вихідні дані

Найменування показника

Літерне позначення

Значення

Місячний оклад працівника, грн

Ом

1500

Кількість робочих днів у місяці, дн

Nрдм

21

Тривалість робочого дня, годин

Трд

8

Коефіцієнт, що враховує додаткову зарплату

Кд

0,3

Коефіцієнт, що враховує відрахування на соціальні нестатки

Ксн

0,3766

Норма амортизації на реновацію і капітальний ремонт, %

На

20

Одноразові затрати на придбання обладнання, грн..

Коб

30000

Кількість робочих днів за рік, дн

Nрд

253

Коефіцієнт, що враховує загальновиробничі витрати

Кпр

1,0

Коефіцієнт, що враховує адміністративні витрати

Кад

0,7

Коефіцієнт, що враховує податок на додану вартість

Кпдв

0,2

Рентабельність галузі, %

R

15


Основна зарплата:

 (4.1)

Додаткова заробітна плата:

ЗПд =ЗПо · Кд, (4.2)

ЗПд = 8,93 · 0,3 = 2,68 грн.

Відрахування на соціальні нестатки:

Осн = (ЗПо + ЗПдоп) · Ксн, (4.3)

Осн = (8,93 + 2,68) · 0,3766 = 4,37 грн.

Амортизаційні відрахування

 (4.4)

.

Загальновиробничі витрати:

Зпз = ЗПо · Кпр, (4.5)

Зпз = 8,93 · 1,0 = 8,93 грн.

Виробнича собівартість:

Спр = ЗПо +ЗПд + Осн + Ав + Зпз, (4.6)

Спр = 8,93 + 2,68 + 4,37 + 5,85 + 9 = 30,83 грн.

Адміністративні витрати:

Азат = ЗПо · Кад, (4.7)

Азат = 8,93 · 0,7 = 6,3 грн.

Повна собівартість:

Сп = Спр + Азат, (4.8)

Сп = 30,83+ 6,3 = 37,13 грн.

Прибуток:

 (4.9)

.

Ціна без податку на додану вартість:

Цо = Сп + П, (4.10)

Цо = 37,13 + 5,57 = 42,7 грн.

Податок на додану вартість:

ПДВ = Цо · Кпдв, (4.11)

ПДВ = 42,7 · 0,2 = 8,54 грн.

Ціна (вартість) однієї людино-години:

Ц = Цо + ПДВ, (4.12)

Ц = 42,7 + 8,54 = 51,24 грн.

Результати розрахунків вартості однієї людино-години слід занести в таблицю 4.2

Таблиця 4.2 - Результати розрахунків вартості однієї людино-години

Назва статей калькуляції

Літерне позначення

Сума, грн

Основна заробітна плата

ЗПо

8,93

Додаткова заробітна плата

ЗПдоп

2,68

Відрахування на соціальні нестатки, грн

Осн

4,37

Амортизаційні відрахування, грн

Ав

5,85

Загальновиробничі витрати, грн

Зпз

8,93

Виробнича собівартість, грн

Спр

30,83

Адміністративні витрати, грн

Азат

6,3

Повна собівартість, грн

Сп

37,13

Прибуток, грн

П

5,57

ПДВ, грн

ПДВ

8,54

Ціна, грн

Ц

51,24


Вартість діагностики системи даного виду:

В = Ц · tпов, (4.13)

В = 51,24 · 1,5 = 76,85 грн.

Вартість проведення діагностики генераторної установки автомобіля на перевірочному стенді складає 76 грн. 85 коп.

6. Заходи з охорони праці при обслуговуванні та діагностиці генераторних установок автомобіля

Згідно з ГОСТ 12.0.003 при повірці електричних частин генераторних установок на стенді можливі наступні небезпечні шкідливі фактори:

0 підвищене значення напруги в електричному колі, замикання якого може пройти через тіло людини;

1 підвищення чи зниження параметрів мікроклімату (температури, вологості і рухливості повітря робочої зони);

2 недостатня освітленість робочої зони.

Згідно з ГОСТ 12.1.019, ГОСТ 12.1.030 мають бути виконані всі вимоги з електробезпеки.

Металеві частини виробничого обладнання, які можуть бути під електричним навантаженням небезпечної величини повинні бути зануленні, а саме навмисне електричне з'єднання з нульовим захисним провідником струмоне - провідних частин, які можуть опинитися під напругою.

При діагностиці електронного керування автомобіля слід дотримуватись деяких правил, а саме: при проведенні електромонтажних робот треба мати спеціальну одежу, безпечні інструменти для ремонту й перевірки електроніки автомобіля (вольтметр певного внутрішнього опору, а саме 10 Ом, контрольна лампа та ін.).

При деяких ситуаціях, коли для діагностики та перевірки різних параметрів автомобільної електроніки необхідно прозвести підзаряд акумуляторної батареї, слід знати правила проведення даної операції, а саме знати всю повністю послідовність дій для забезпечення себе від пораження електричним струмом, тому що живлення підзарядного приладу іде від зовнішньої електромережі, в даному випадку 220 В.

Саме процедура занулення використовується в стендах для перевірки та тестування автомобільних гальмівних пристроїв.

Згідно з ГОСТ 12.1.005 в приміщеннях має бути забезпечена постійна температура 20 °С. Припустиме відхилення цієї температури мають відповідати вимогам стандартів на методи та засоби перевірки.

Саме в електроцехах та виробничих приміщеннях встановлена температура повітря 15-20°С та вологість 75%. Така оптимальна температура в приміщеннях та відносна вологість забезпечуються за допомогою систем вентиляції, віконних вентиляторів, парових витяжок та витяжок відпрацьованих й шкідливих газів автомобіля. Для опалення приміщення у зимовий час використовують систему центрального водяного опалення. В деяких приміщеннях встановлюють систему кондиціювання.

Згідно з СНиП 2.04.05 виконуються всі вимоги по встановленню та експлуатації систем опалення та вентиляції.

Згідно з СНиП 11 - 4 коефіцієнт природної освітленості на поверхні лабораторного стола треба приймати 1,50. Для роботи в витяжної шафи цей коефіцієнт припускається приймати рівним 1,0 - 0,75.

Штучне освітлення приміщення має бути розсіяним. Освітленість на рівні робочого місця має бути не нижче 150 лк при лампах накалювання, та 300 лк при люмінесцентних лампах.

Невиконання працюючими правил та інструкцій по техніці безпеки, розглядаються як порушення виробничої дисципліни. Винні притягуються до відповідальності (згідно з Законом України "Про охорону праці" ст.49). Відповідальність за стан охорони праці та виробничої санітарії в цехах, відділах та лабораторіях доручають їх керівникам.

Повірочний підрозділ розташований в ізольованому приміщенні загальної будівлі подалі від джерел вібрації, шуму з рівнем вище 85 дБ, радіо - і електроперешкод (машин, електрозварюване устаткування та інше). Площу приміщень для повірочних підрозділів визначають із розрахунку 10-12 м на одного працюючого. В тих випадках, коли один працюючий обслуговує неодночасно 2 - 3 установки, площу можна визначити із розрахунку 4,5-6 м2 на одну робочу установку.

Приміщення для виконання вимірювань повинно бути чистим, сухим. Стіни приміщення повинні бути пофарбовані масляною фарбою світлих відтінків на 3/4 висоти. Решту стін і стелю фарбують білою міцною фарбою, яка дозволяє протирку від пилу. В приміщенні необхідно кожен день проводити прибирання. Не дозволяється заставляти проходи, входи та виходи устаткуванням та матеріалами. Квартирки в вікнах повинні бути розташовані таким чином, щоб виключити уяву протягів, так як це може призвести до зміни температури в приміщенні та перекручуванню показів вимірювань. Робочі місця повинні бути розташовані таким чином, щоб до них можна було вільно підійти з усіх боків.

Згідно зі СНиП 11-4 штучне освітлення приміщень повинно бути розсіюваним. Освітлення на рівні робочого місця повинно бути не нижче 150 лк при лампах накалювання та 300 лк при люмінісцентних лампах. Освітлення повинно бути комбінованим та достатнім для виповнення конкретних робіт.

Для запобігання нещасних випадків на виробництві, керівники структурних підрозділів повинні забезпечити своєчасне та якісне проведення інструктажу по техніці безпеки та правилам проведення на території підприємства як для заново вступаючих, так для усіх працюючих незалежно від стажу, досвіду праці та кваліфікації. Невиконання працюючими правил та інструкцій по техніці безпеки, розглядаються як порушення виробничої дисципліни. Винні притягуються до відповідальності. До монтажу та роботі на вагах допускаються особи віком не менше 18 років, які мають необхідну кваліфікацію та ознайомлені з правилами техніки безпеки та роботі на вагах стосовно до вимог, в яких вони експлуатуються. При монтажі, налагоджуванні, випробуваннях та експлуатації вагів повинні бути прийняті усі міри безпеки, що передбачені "Загальними правилами техніки безпеки та виробничої санітарії для підприємств та організацій машинобудування".

Перед початком роботи необхідно вивчити технічний опис та інструкцію по експлуатації. При появі незвичайних шумів або явищ в вузлах механізмів, необхідно зупинити роботу. Про всі недоліки в роботі необхідно оповістити керівника робот. При роботі з гирями необхідно оберігати їх від падіння. Перед початком підйому або зняття гир необхідно попередити усіх, хто знаходиться поруч про початок роботи. Зберігати гирі необхідно на спеціальних пристроях, виключаючи їх вільне зміщення або падіння. Після проведення метрологічної атестації або повірки гирі обов'язково повинні бути зняті з платформи вагів. Згідно з ГОСТ 12.1.005 та СНиП 2.04.05 в приміщенні повинна бути забезпечена постійна температура +20 °С. Допустимі відхилення від цієї температури повинні відповідати вимогам стандартів на методи і засоби повірки. Відносна вологість повинна бути в залежності від характеру робот, що виконуються в межах 40-80%. У тому випадку, коли відхилення від нормальної температури (20 °С) не повинно перевищувати ±2-3 °С, в приміщеннях встановлюють терморегулюючі пристрої для того, щоб піддержувати постійну температуру.

Згідно з ГОСТ 12.1.004 приміщення повинні бути обладнанні засобами пожежегасіння - вогнегасниками типу ОП-3. Переміщувати засоби пожежегасіння чи використовувати їх не за призначеннями без дозволу відповідальних осіб забороняється.

Перелік нормативно-технічної літератури і документації

Номер документа і рік видання

Назва документа

ДСТУ 3008-95

Документація. Звіти у сфері науки і техніки структура і правила оформлення

ГОСТ 2.105-95

Общие требования к текстовым документам

ГОСТ 12.0.003-74

ССБТ. Опасные и вредные производственные факторы. Классификация

ГОСТ 12.1.004-91

ССБТ. Пожарная безопасность. Общие требования

ГОСТ 12.1.005-88

ССБТ. Общие санитарно-гигиенические требования к воздуху рабочей зоны

ГОСТ 12.1.019-79

ССБТ. Электробезопасность. Общие требования и номенклатура видов защиты

ГОСТ 12.1.030-81

ССБТ. Электробезопасность. Защитное заземление. Зануление

СНиП 2.04.05-91

ССБТ. Отопление, вентиляция и кондицинирование воздуха



Не нашли материал для своей работы?
Поможем написать уникальную работу
Без плагиата!
Без нейросетей!