Внедрение микропроцессорной системы централизации на станции Бурундай

  • Вид работы:
    Дипломная (ВКР)
  • Предмет:
    Транспорт, грузоперевозки
  • Язык:
    Русский
    ,
    Формат файла:
    MS Word
    2,33 Мб
  • Опубликовано:
    2014-10-01
Вы можете узнать стоимость помощи в написании студенческой работы.
Помощь в написании работы, которую точно примут!

Внедрение микропроцессорной системы централизации на станции Бурундай

ВВЕДЕНИЕ

Железнодорожный транспорт одна из наиболее важных отраслей материального производства. Материальный характер транспортного производства - это то общее, что объединяет транспорт с другими отраслями. Продолжая производственный процесс всех отраслей, транспорт связывает все отрасли, а также различные районы страны в единое народнохозяйственное целое.

Основной целью железнодорожного транспорта является обеспечение высокой пропускной и провозной способности, увеличение перерабатывающей способности станций при безусловном обеспечении безопасности движения поездов, а также повышение производительности и улучшения условий труда обслуживающего персонала [4].

Основной целью производственной практики является закрепление теоритических знаний, приобретение практических навыков и умения анализировать вопросы, касающиеся эксплуатации разных систем железнодорожной автоматики и телемеханики, систем микропроцессорной централизации и систем автоматизации и управления.

В соответствии с темой дипломной работы «Исследование возможности внедрения на станции Бурундай микропроцессорной системы централизации МПЦ» производственная практика проводилась на базе объединенной дистанции сигнализации и связи (ОШЧ-33) на станции Бурундай.

Станция Бурундай оборудована устройствами блочной маршрутно-релейной централизацией по альбому МРЦ-13.

Данная система эксплуатируется с 1984 года и имеет ряд существенных недостатков:

1. На каждые три статива блочного монтажа приходится один статив свободного монтажа, что усложняет эксплуатационное обслуживание такой системы.

2.      Достаточно частыми бывают случаи потери контактов в штепсельных разъемах блоков. При их установке на статив гнутся контакты штепсельных розеток и нарушаются контакты в электрических цепях.

.        Система МРЦ-13 содержит большое число реле, контактов, предохранителей, контрольных ламп, паек и других элементов, которые могут являться источниками неисправностей.

.        Основное число отказов приходиться на предохранители, потери контактов в штепсельном разъеме блока, обрывы в цепи на контакте реле и плохая регулировка реле.

.        При большом количестве аппаратуры и сложности электрических схем электромеханик, не имея средств визуального контроля за работой централизации, затрачивает много времени на поиск и устранение отказов, что часто приводит к задержке поездов и сбою графика движения поездов.

Электрическая централизация позволяет в два раза повысить пропускную способность станций, сократить эксплуатационный штат работников и обеспечить безопасность движения поездов.

Надо иметь в виду, что технические решения и средства для МРЦ-13 разрабатывались в 60-х - 80-х годах прошлого века и к настоящему моменту явно устарели. Релейная элементная база, как средство построения электрической централизации, практически себя исчерпала. Попытки придания новых качественных показателей и расширения функций электрической централизации ведут к увеличению количества реле, потребляемой электроэнергии, затрат на эксплуатационное обслуживание, объемов проектных и монтажных работ и т.д [2].

Для исключения вышеуказанных недостатков на станции Бурундай предлагается внедрение микропроцессорной системы централизации (МПЦ) для исследования ее технических возможностей, которое позволит обеспечить повышение уровня безопасности движения, снизить затраты при производстве и эксплуатации, а также улучшить условия труда обслуживающего персонала.

Основной целью применения микропроцессорной элементной базы является перевод релейных систем ЭЦ с сохранением правил управления устройствами СЦБ и действий дежурного по станции при обеспечении требуемой степени безопасности и безотказности.

Это обусловлено следующими причинами.

Во-первых, снижением эксплуатационных затрат на обслуживание микроэлектронных систем по сравнению с релейными, что даже при более высокой стоимости таких систем делает их внедрение экономически выгодным.

Во-вторых, более высокими эксплуатационными показателями микроэлектронных систем благодаря использованию резервирования отдельных элементов системы и развитой системы диагностики.

В-третьих, расширением функциональных возможностей систем за счет информационной поддержки оперативного персонала (нормативной и справочной информации) и простой интеграцией микроэлектронных систем ЖАТ в системы управления движением поездов более высокого уровня (ДЦ, центры управления ДП и т.п.) [4].

На сегодняшний день системы МПЦ являются востребованными, так как позволяют повысить уровень безопасности, занимают значительно меньше площади, потребляют меньше электроэнергии, уменьшают объем строительно-монтажных работ и снижают эксплуатационные расходы [4].

1. АНАЛИЗ СОВРЕМЕННОГО СОСТОЯНИЯ ИССЛЕДУЕМОГО ВОПРОСА. ОБОСНОВАНИЕ ПОСТАНОВКИ ЗАДАЧИ

1.1    Сравнительный анализ существующих систем

Применяемые на железнодорожном транспорте устройства автоматики и телемеханики включают: регулирование движение поездов на перегонах (электрожезловая система, полуавтоматическая блокировка, автоблокировка); устройства АТ, управляющие стрелками и сигналами на станции (электрическая и механическая централизация стрелок); диспетчерскую централизацию, объединяющую АБ и централизацию стрелок. Оснащенность этими устройствами таково, что железные дороги Казахстана имеют оптимальный уровень оборудования этими системами и могут обеспечить в два раза больший объем перевозок, чем в настоящее время [4].

Релейные контактные системы управления технологическим оборудованием используются уже много лет, благодаря неоспоримым преимуществам:

простота схемы;

возможность управлять большими токами и напряжениями с помощью относительно небольших управляющих сигналов;

гальваническая развязка между цепями управления и нагрузки.

Однако в настоящее время сказываются недостатки таких систем:

большие габариты управляющей части системы, связанные с большим количеством реле и их размерами;

элементы релейной системы разнесены в пространстве (исполнительные устройства, шкаф с управляющей частью системы, пульт оператора), в связи с чем требуется большое количество соединительных проводов, это усложняет монтаж, обслуживание и ремонт системы;

невысокая надежность контактных элементов, связанная с образованием электрической дуги при замыкании и размыкании контактов;

переход на управление релейными элементами с помощью микроконтроллеров требует значительной перестройки схемы и введения дополнительных элементов, таких как транзисторные ключи для включения-выключения реле [9].

Тем не менее, актуальными являются вопросы интеграции РПЦ с типовыми ЭЦ релейного типа, эксплуатирующийся на сети. Это обусловлено рядом факторов, одним из которых, экономически важным, является использование ресурса эксплуатируемых систем. Обеспечивая высокие показатели безопасности, релейные системы не удовлетворяют современным требованиям по функциям автоматизации и трудно интегрируются в структуру управления из региональных диспетчерских центров. Применение на таких станциях РПЦ обеспечивает получение всех функциональных преимуществ МПЦ при минимальных затратах и безусловном соблюдении требований безопасности традиционным путем на реле первого класса.

Поэтому для оптимизации и улучшения качества перевозочного процесса с недавних пор на некоторых станциях РК взамен релейно-контактных систем применяются релейное-процессорные системы.

Неоспоримым преимуществом РПЦ систем является гибкость при расширении функциональных возможностей. В системах РПЦ протоколируется выполнение перевозочного процесса, что повышает объективность учета.

Средства диагностики, самодиагностики и удаленного мониторинга позволяют обнаружить предотказные состояния. Осуществляется прогнозирование технологического процесса и логический контроль работы системы, так и действий персонала. Новые системы легко интегрируются с вышестоящими системами (АСОУП, ГИД, АСУ СС) и подсистемами станции (КП ДЦ, КП ДК, устройствами пассажирской автоматики) посредством стандартных стыков вычислительных средств. Происходит поглощение систем АБ, ПАБ, оповещения работающих на путях, автоматического управления маршрутами, автоматической очистки стрелок, последовательного перевода стрелок, до минимума сокращаются аппаратные средства. Выполнение этих функций ориентировано на программную реализацию [9].

Учитывая вышеперечисленные преимущества релейно-процессорных систем, они являются гибридными, которые имеют ряд недостатков, делающих их использование экономически невыгодным и технически бесперспективным.

Среди таких недостатков:

высокая материалоёмкость, большие капитальные затраты на строительство;

высокий уровень эксплуатационных расходов - графиковая технология обслуживания, требующая большого количества квалифицированных ресурсов. Районы с ручным управлением стрелками, помимо этого, требуют значительного эксплуатационного штата и повышенные риски в части безопасности;

большие временные и финансовые затраты при необходимости изменения маршрутов движения, путевого развития и т.п.;

- невозможность смены конфигурации системы при изменении интенсивности движения [9].

Значительная часть релейных систем имеет сверхнормативный срок эксплуатации, физически изношена. Особо следует отметить проблемы устойчивой работы рельсовых цепей при пониженном сопротивлении балласта, неисправностях элементов верхнего строения пути и хищениях медьсодержащих узлов напольного оборудования СЦБ.

Поэтому в современных условиях является актуальным переход от релейных контактных к бесконтактным схемам на логических элементах. Это позволяет снизить габариты системы. Как правило, релейная контактная система занимает один или даже насколько шкафов, для которых требуется место, подвод питания с относительно высокой мощностью источника, так как большое количество катушек реле потребляют относительно большой ток.

Сами шкафы должны иметь охлаждение в виде вентиляторов, в схему требуется водить искрогасящие элементы, демпферные выпрямительные столбы для борьбы с ЭДС самоиндукции, что еще больше увеличивает габариты. Система на бесконтактных элементах имеет меньшие габариты управляющей части, потребляет значительно меньшие токи и не требует дополнительных мер по повышению надежности.

Замена централизаций релейного типа микропроцессорной централизацией является объективной необходимостью обновления технологического процесса управления железнодорожными перевозками и работой структурных подразделений железнодорожного транспорта на основе применения информационных технологий. Микропроцессорная централизация служит связующим звеном между первичными источниками получения информации (подвижной состав, объекты СЦБ и др.) и системами управления перевозочным процессом более высокого уровня и позволяет осуществить увязку этих источников без дополнительных надстроек, что невозможно сделать при централизации релейного типа [9].

Микропроцессорная централизация обладает более высокими показателями надежности за счет использования возможностей электронных технологий и устройства 100% горячего резерва многих составных элементов, в то время как в централизации релейного типа имеется значительное количество элементов, отказ которых приводит к выходу из действия практически всей системы. Попытки осуществить дублирование или резервирование таких элементов являются дорогостоящими и существенных положительных результатов не дали.

Использование источников бесперебойного питания, которые не применялись в централизации релейного типа, повышает уровень надёжности микропроцессорной централизации. Использование дизель-генераторов, в том числе и автоматизированного типа, не позволяет избежать нарушений в работе устройств сигнализации при отключении внешнего электроснабжения, ввиду значительной инерционности системы запуска последних, что полностью реализовывает, хотя и на непродолжительное время, работу станции. Иногда в таких случаях требуется вмешательство технического персонала для восстановления нормальной работы устройств на станции, что крайне негативно отражается на организации движения поездов.

Наличие мощной системы самодиагностики позволяет выявлять предотказные состояние элементов централизации, контролировать все отказы с выводом их на мониторы автоматизированных рабочих мест оперативного и технического персонала.

В результате анализа систем электрической централизации построенных с применением различной элементной базы, с точки зрения обеспечения безопасности движения поездов, микропроцессорная централизация является более «безопасной» чем централизация релейного типа.

1.2 Перспективы развития систем ЭЦ

Дальнейшим развитием электрической централизации являются разработки компьютерных и микропроцессорных систем.

Последние несколько лет ведутся активное внедрение МПЦ (микропроцессорной централизации) на железных дорогах Казахстана.

Опыт эксплуатации первых систем МПЦ показал их эксплуатационные и технические преимущества перед релейными системами. Учитывая быстрые темпы развития и совершенствования микропроцессорной техники, снижение ее стоимости, можно утверждать, что с течением времени МПЦ станут основными системами станционной автоматики.

Общая безопасность и безотказность систем МПЦ более высока, чем у релейных ЭЦ. Применение микропроцессорной техники позволяет дополнить ЭЦ новыми функциями, сделать уровень системы более интеллектуальным.

При этом наметились следующие тенденции:

включение МПЦ в общую систему управления движением поездов на участке или в районе;

- расширение зоны управления применением автоматической двусторонней связи между МПЦ и бортовой аппаратуры локомотива;

- организация автоматизированного сбора информации с других станций и подсистем для оптимизации принимаемых решений;

накопление задаваемых маршрутов и автоматический выбор трассы маршрутов;

автоматическая установка маршрутов в соответствии с текущим временем и графиком движения поездов;

автоматическое управление устройствами пассажирской автоматики;

автоматическая регистрация действий оператора и хранение в памяти ЭВМ всех поездных ситуаций за определенный отрезок времени;

использование компьютерной системы в режиме советника для дежурного по станции и в качестве экспертной системы [4].

Упрощение процессов проектирования, изготовления, строительства и ремонта. Принципиальным отличием МПЦ от релейных систем является то, что алгоритмы централизации реализуются в них программным способом. Что позволяет легко настраивать типовое программное обеспечение для конкретной станции и создавать системы автоматического проектирования (САПР).

Изготовление и строительство МПЦ упрощается, так как в них исключается большой объем монтажных работ, неизбежный для релейных систем. Система образуется обычно из типовых вычислительных блоков, оформленных в виде БИС, и имеет малые размеры. Поэтому не нужно строить дорогостоящие посты централизации. Для облегчения процессов ремонта МПЦ снабжают развитой системой технического диагностирования и выполняют в виде контроле пригодных систем с индикацией отказов [16].

Уменьшение стоимости и затрат дефицитных материалов. При разработке новых релейных систем ЭЦ наблюдалась увеличение стоимости и расхода дефицитных материалов. В то же время наблюдается уменьшение стоимости устройств микропроцессорной техники (при одновременном расширении их функциональных возможностей). Результатом "пересечения" этих двух тенденций является экономическая перспективность применения МПЦ.

Одним из важнейших возможностей внедрения систем с использованием микропроцессорной централизации является создание технических решений, которые позволяют увязать МПЦ практически со всеми основными системами СЦБ, применяемыми на сети железных дорог РК.

В новых и модернизируемых технических решениях особое внимание уделено защите от перенапряжений и грозовых разрядов. Аппаратура МПЦ разработана с учетом мировых тенденций развития электроники, системотехники, программного обеспечения и конструктивных решений, чтобы предоставить заказчику максимальную защиту от морального и технического старения системы. Кроме того, МПЦ непрерывно совершенствуется.

Очень большую роль в Казахстане играет железнодорожный транспорт. Самое большое количество станций стыкуются с Россией их насчитывается одиннадцать, две с Узбекистаном и по одной с Китаем и Киргизией. Особенно связаны между собой железнодорожные системы Казахстана и России. По этой системе осуществляется доставка из России в Казахстан. Это обусловлено тесными экономическими и торговыми связями двух соседних держав. В соответствии с планам развития транспортной системы Казахстана предусмотрено, что до 2015 года в республике будет проложено 1600 километров новых железнодорожных артерий, а 2700 километров уже существующих дорог будет электрифицировано. Поэтому для повышения пропускной и перерабатывающей способности станции необходимо внедрять системы электрической централизации с применением микропроцессорной базы [16].

Назначением систем МПЦ является централизованное управление стрелками, сигналами, переездами и т.д. на железнодорожных станциях средствами управляющей вычислительной техники с целью организации движения поездов с уровнем безопасности и безотказности.

В настоящее время системы МПЦ (МПЦ-2, Ebilock-950, МПЦ-И) внедрены на некоторых станциях магистральных железных дорог АО «НК «КТЖ».

Микропроцессорная система централизации стрелок и сигналов МПЦ-2 предназначена для управления стрелками, сигналами и другими объектами СЦБ на железнодорожных станциях с маневровой работой при любых видах тяги. Система МПЦ-2 может применяться на малых, средних и крупных станциях (узлах, раздельных пунктах и разъездах) с поездными и маневровыми передвижениями магистрального железнодорожного транспорта.

Система микропроцессорной централизации МПЦ-2 на базе УВК ЭЦМ предназначена для централизованного управления средствами управляющей вычислительной техники объектами низовой и локальной автоматики -стрелками, сигналами, переездами и т.д. на железнодорожных станциях с учетом выполнения всех требований, предъявляемых ПТЭ к устройствам электрической централизации стрелок и сигналов, в условиях высокой степени безопасности (не ниже релейных систем электрической централизации).

В качестве объектов низовой и локальной автоматики в системе МПЦ-2 применяется существующее напольное оборудование - стрелочные электроприводы, светофоры, рельсовые цепи, переезды и т.п., а также постовое оборудование существующих систем перегонной автоматики автоблокировок и полуавтоматических блокировок.

Система МПЦ-2 является системой с централизованным размещением аппаратуры и поэтому должна эксплуатироваться в климатических, сейсмических, электромагнитных и других условиях, которые имеют место в помещениях постов ЭЦ.

Система МПЦ-2 по расположению аппаратуры является централизованной. На посту ЭЦ располагаются:

технические средства рабочего места дежурного по станции;

управляющий вычислительный комплекс УВК ЭЦМ;

постовые релейно-контактные устройства управления объектами ЭЦ, а также релейной перегонной автоматики.

Система МПЦ-2 предусматривает решение средствами микропроцессорной техники как задач управления и контроля объектами СЦБ на станции с рабочего места дежурного по станции, так и задач по соблюдению всех зависимостей стрелок и сигналов с целью обеспечения безопасности движения поездов.

Система централизации Ebilock-950 является расширяемой электронной и компьютерной системой, предназначенной для обеспечения безопасности движения поездов. Система разработана для управления станциями с любыми типами путевого развития независимо от их размера и используемых перегонных устройств.

МПЦ Ebilock-950 разработана для управления стрелками, светофорами и другими объектами на станции и перегоне на основании технического задания.

МПЦ Ebilock-950 предусматривает использование напольного оборудования СЦБ, кабелей, шкафов для размещения процессорного оборудования и объектных контроллеров, программного обеспечения для автоматизированного рабочего места дежурного по станции (АРМ ДСП), а также реле и релейных стативов российского производства. Аппаратные средства МПЦ Ebilock-950 (центральный процессор, объектные контроллеры, концентраторы информации, персональные компьютеры для автоматизированных рабочих мест дежурного по станции и электромеханика) применяются импортного производства [9].

Системное программное обеспечение центрального процессора, автоматизированного рабочего места электромеханика и система объектных контроллеров МПЦ Ebilock-950 адаптированы совместным российско-шведским коллективом специалистов применительно к техническим условиям и технологии работы российских железных дорог.

Прикладное программное обеспечение состоит из двух составляющих:

программного обеспечения, разрабатываемого в качестве типового, для реализации различных функций МПЦ Ebilock-950, составляющих основу компьютерной централизации;

программного обеспечения, разрабатываемого при проектировании каждого конкретного объекта (станция, перегон) в зависимости от его конфигурации, на основе ранее разработанных типовых решений.

МПЦ Ebilock-950 предназначена для управления стрелками, светофорами, переездной сигнализацией на станциях и прилегающих к ним перегонах и в сравнении с централизацией стрелок и сигналов релейного типа.

С помощью МПЦ Ebilock-950 можно осуществлять управление проходными светофорами и переездной сигнализацией на перегонах. В этих случаях путевые приёмники перегонных рельсовых цепей располагаются на станции.

МПЦ Ebilock-950 допускает увязку со всеми существующими перегонными устройствами СЦБ, а также функционально совместима с управляющими и информационными системами более высокого уровня [2].

МПЦ-И предназначена, для реконструкции действующих и строительства новых станций любого класса со всеми видами поездной и маневровой работы. Система обладает развитыми коммуникационными средствами и гибкой архитектурой. Это позволяет интегрировать в МПЦ-И смежные системы железнодорожной автоматики (например, переездную сигнализацию, полуавтоматическую и автоматическую блокировки, линейные пункты ДЦ, центры радиоблокировки), использовать современные сети передачи данных, обеспечивать работу информационных систем верхнего уровня и создавать экономически оправданные конфигурации системы для станций различных классов.

Система МПЦ-И оснащена резервируемой системой управления и визуализации на базе компьютеров с клавиатурами и мониторами (либо проекционной установкой, в зависимости от размеров станции). При неисправностях управляющего контроллера централизации или АРМ дежурного по станции может использоваться пульт прямо проводного управления. В режиме резервного управления происходит аппаратное блокирование управляющих воздействий УКЦ.

Для большинства систем МПЦ проектирование программы логики (так называемой адаптационной части) требует значительного времени (в общем случае около одного-трех месяцев). Кроме того, критичность возможных ошибок приводит к необходимости значительного увеличения времени проверок. Как правило, к проектированию адаптационной части допускаются люди с уровнем знаний экспертов не только в области СЦБ, но и программирования.

В МПЦ-И реализована возможность проектирования станции при помощи расстановки унифицированных программных блоков по географическому принципу (т.е. по плану станции, как это делается в БМРЦ), но без использования струн и схем свободного монтажа. При этом не нужны также таблицы маршрутизации, соответствия и враждебности. Срок проектирования адаптационной части программы для станции в 30 стрелок при этом силами одного обученного специалиста со средней квалификацией составляет всего одну-две недели. Более того, при необходимости возможно также перепроектирование логики силами соответствующим образом обученного персонала заказчика.

МПЦ-И удачно сочетает в себе ряд важных потребительских качеств.

Во-первых, она разработана в соответствии с российскими требованиями безопасности, которые не уступают требованиям CЕNELEC уровня SIL4.

Во-вторых, является одной из наиболее компактных и энергетически эффективных МПЦ.

В-третьих, обладает развитыми коммуникационными средствами и гибкой архитектурой, что позволяет интегрировать в МПЦ смежные системы железнодорожной автоматики, использовать современные сети передачи данных и создавать экономически оправданные конфигурации системы для станций различных классов. И наконец, заложенные в МПЦ-И схемные, программные и конструктивные решения позволили минимизировать как стоимость внедрения, так и эксплуатационные расходы.

В результате система МПЦ-И экономически эффективна не только на магистральных железных дорогах, но и на подъездных путях промышленных предприятий.

МПЦ-И реализует все функции централизации, необходимые для безопасного управления движением поездов, как на отдельной станции, так и на участке дороги.

на базе аппаратно-программного комплекса МПЦ-И возможно создание единого центра управления движением на участке с организацией удаленного управления, интеграции с ДЦ и СТДМ, увязки с центрами радиоблокировки, развитием интеллектуальных функций.

программная интеграция обеспечивается вычислительным комплексом, использующим клиент-серверную архитектуру. Благодаря этому создаются информационно-управляющие системы любой конфигурации и сложности.

В МПЦ-И применяется высоконадежный комплекс технических средств, разработанный по техническому заданию НПЦ «Промэлектроника» и использующий специализированную безопасную схемотехнику, а также операционную систему реального времени.

1.3 Обоснование выбора системы ЭЦ

В хозяйстве сигнализации, централизации и блокировки отмечается износ технических средств, медленное внедрение современных технических средств и технологий.

Структура существующих технических средств ЖАТ на Казахстанских железных дорогах сформировалась, в основном, в период 1965-1985 года. Потребности в увеличении пропускной способности были обеспечены за счет увеличения объемов оснащения участков железных дорог устройствами автоматической блокировки, диспетчерской централизации, полуавтоматической блокировки, оборудования станций устройствами электрической централизации, электрификации железных дорог, строительства новых линий и вторых путей [16].

Практически все эксплуатируемые средства, введенные до 1990 года, по своему качественному уровню не удовлетворяют современным требованиям комплексной автоматизации перевозочного процесса, сдерживают массовое внедрение информационных технологий, не обеспечивают внедрение безлюдных технологий по их обслуживанию, не всегда совместимы с системами среднего и верхнего уровня автоматизации перевозочного процесса, не обеспечивают снижение эксплуатационных затрат.

Большой объем устройств с истекшим сроком службы, низкая надежность элементной базы, отсутствие средств диагностики ведет к росту эксплуатационных затрат на их содержание и обслуживание и эксплуатационных затрат, связанных с перевозочным процессом.

Существующая структура и состояние технических средств ЖАТ является сдерживающим фактором при решении задач по структурной реорганизации железнодорожного транспорта и снижения эксплуатационных расходов в АО «НК «КТЖ» [9].

В последние годы назрела необходимость внедрения микропроцессорных и релейно-процессорных ЭЦ, наиболее полно отвечающих задачам создания интегрированной системы управления, т.к. они вобрали в себя функции линейного пункта диспетчерской централизации, автоблокировки на прилегающих перегонах, переездной сигнализации.

Данные системы имеют самодиагностику, легко стыкуются с любыми аппаратной-программными комплексами для создания единой автоматизированной системы управления. Решают вопросы бесконтактного управления стрелками и сигналами.

Минимальное количество релейной аппаратуры позволяет говорить о реальном сокращении, как штата, так и эксплуатационных расходов, но достигаться это должно в совокупности с внедрением новой технологии технической эксплуатации: созданием фирменных и сервисных центров, организации удаленного мониторинга и администрирования технических средств ЖАТ.

Цели создания системы микропроцессорной централизации:

улучшение организации работы дежурного по станции (ДСП), интенсификация использования технических средств централизации, уменьшение количества релейной аппаратуры должны привести к снижению эксплуатационного штата, снижению потребляемой мощности, сокращению численности ДСП (при организации телеуправления с соседней станции и организации объединенных рабочих мест).

выполнение функций проверки взаимозависимостей стрелок и сигналов при задании маршрутов должно привести к сокращению количества релейной аппаратуры. Замена пульт-табло на монитор должна привести к снижению количества отказов в светотехнике. Резервирование и организация контроля устройств должны привести к повышению надежности устройств.

должны сократиться производственные площади, занимаемые аппаратурой, а также объемы и сроки проектирования, строительства и пуско-наладочных работ.

система должна позволить проводить диагностику, как самой системы, так и элементов напольного оборудования с контролем состояния, регистрацией неисправностей и отказов, должна привести к повышению показателей готовности системы.

система должна позволить проводить сопряжение и обмен данными с системами такого же или верхнего уровня, например, с системой диспетчерского контроля (ДК), диспетчерской централизацией (ДЦ), системами слежения за номерами поездов, информационными пассажирскими, системами оповещения работающих на пути, и т. д.

минимальное количество изменений в аппаратной части системы и программного обеспечения должно проводиться только для адаптации под существующую топологию станции. Система должна приводить к значительному упрощению изменений схем при изменении путевого развития станции. Все это должно удешевить проектирование и сократить сроки ввода в эксплуатацию МПЦ.

МПЦ должна привести к улучшению условий и культуре труда, снижению загрузки ДСП и электромехаников [2].

Для станций Бурундай, расположенной на участке с интенсивным движением поездов, в лучшей степени подходит система с резервированием и возможностью горячей замены отказавших элементов.

Поэтому в данной дипломной работе рассматривается внедрение микропроцессорной централизации стрелок и сигналов (МПЦ) взамен традиционной релейной электрической централизации (ЭЦ), поскольку из всех систем СЦБ микропроцессорная централизация наиболее капиталоемкая и является базовой системой, объединяющей все остальные системы железнодорожной автоматики и телемеханики.

Для обоснования выбора системы ЭЦ на станций Бурундай, в таблице 1.1 приведены технические характеристики эксплуатируемых систем МПЦ на сети железных дорог РК.

Дополнительно приобретаются новые функции ЭЦ в качестве нижнего уровня автоматизированной системы управления технологическим процессом, таким как протоколирование, архивирование, формирование баз данных; возможности вывода на дисплей дополнительной информации; увязки ЭЦ с АСУ верхнего уровня и т.п.

Таблица 1.1- Преимущества и недостатки микропроцессорных систем

Наименование системы

Преимущества

Недостатки

1

2

3

4

1

МПЦ-2

-устройства подключения к внешним каналам связи оснащены средствами защиты от вирусного заражения и несанкционированного доступа; - работы по обслуживанию блоков УВК ЭЦМ, производятся без прекращения работы; -осуществляется автомати- ческое диагностирование, позволяющее определить неисправность с точностью до функционального блока (модуля). - на мониторы АРМ ДСП и АРМ ШН выводится информация о нарушениях нормальной работы системы. - блоки модулей УВК ЭЦМ оснащены световой индикацией, указывающей их техническое состояние.

Для релейной части, критерием опасного отказа является: - самопроизвольное за мыка ние контактов реле 1 класса при отсутствии питания на обмотках реле; - неразмыкание фрон- товых (замыкающих) контактов реле 1 класса при снятии питания с обмоток реле; - сообщение одного вывода обмотки реле внутрипостовых схем с плюсовым полюсом станционной батареи при постоянной подаче минусового полюса на другой вывод обмотки; - сообщение исполни- тельного устройства напольного оборудования с двумя полюсами постороннего источника питания.

2

«Ebilock-950»

- высокий уровень на- дёжности; - меньшая энергоёмкость; - возможность непрерыв-ного архивирования; - встроенный диагности-ческий контроль; - значительно меньшие габариты оборудования; - возможность замены на станциях централизаций устаревшего типа без строительства новых постов ЭЦ;

- ведение и хранение протокола на персональной ЭВМ АРМа МПЦ может привести к потере информации в случае выхода из строя жесткого диска машины; - наличие двух файлов протоколов осложняет процедуру обработки их программными средствами;

3

МПЦ-И

- непрерывное протоко-лирование действий эксплуатационного персонала по управлению объектами и всей поездной ситуации на станции и прилегающих к ней перегонах; - вывод на экран монитора различных сообщений о ходе технологического процесса; - управление многопрог-раммной очисткой стрелок; - независимость отказов в однотипных элементах функционально избыточных структур; - защита системы от сбоев и отказов; - исключение возможности накопления отказов; - контроль правильности работы программного обеспечения.

- невозможность управ-ления объектами при отказе модуля ввода-вывода, управляющего этими объектами. Это снижает общую надежность системы; - размещение является вблизи объектов управления МПК стрелок, светофоров и переездов, это требует расхода: кабельной продукции и защиты напольных устройств от возможных хищений и вандализма; - резкое изменение погоды приведет к нарушению нормального режима.


Несмотря на вышеперечисленные недостатки в таблице 1.1 внедрение системы МПЦ-И реализует все функции централизации, необходимые для безопасного управления технологическим процессом на станции Бурундай.

МПЦ-И является функциональным аналогом блочно-релейной электрической централизации, предназначенным для проектирования новых и реконструкции действующих ЭЦ.

Цель создания МПЦ-И - перевод релейных систем ЭЦ на микропроцессорную элементную базу с сохранением правил управления устройствами СЦБ и действий дежурного по станции при обеспечении требуемой степени безопасности и безотказности.

Встроенная автоматическая подсистема измерений сопротивлений изоляции и других электрических параметров постовых устройств позволяет использовать систему МПЦ-И в качестве средства измерения или мониторинга параметров устройств СЦБ (в том числе удаленного).

Реализуя широкий спектр функций, МПЦ-И является одной из самых компактных централизаций. Если нет возможности построить здание поста, можно разместить аппаратуру МПЦ-И в транспортабельных модулях, а также в высвобождаемых помещениях уже имеющихся зданий.

Наличие системы автоматизированного проектирования позволяет: во-первых, в несколько раз сократить трудоёмкость проектирования; во-вторых, обученный эксплуатационный персонал, имеющий соответствующие права, может самостоятельно и оперативно вносить коррективы в программное обеспечение МПЦ-И при изменении проекта путевого развития на станции.

Работа по адаптации МПЦ-И достаточно проста благодаря дружественному интерфейсу САПР, хотя и требует определенных специфических знаний и ответственности.

2. ТЕХНИЧЕСКАЯ ЧАСТЬ

2.1 Характеристика станции

Станция Бурундай оборудована устройствами блочной маршрутно-релейной централизацией по альбому МРЦ-13.

Станция находится на автономном управлении с контролем на пульте ДНЦ участка Алматы-Отар состояния путей, участков приближения и направления движения на перегонах Бурундай-Алматы и Бурундай-Аксенгир, положения входных и выходных сигналов.

Станция Бурундай имеет три подхода:

- со стороны ст. Алматы 1- двухпутный, оборудован кодовой автоблокировкой переменного тока с односторонним движением по каждому пути, электрифицированный электротягой переменного тока 50 Гц;

со стороны ст. Аксенгир - двухпутный, оборудован кодовой автоблокировкой переменного тока с двухсторонним движением по каждому пути, электрифицированный электротягой переменного тока 50 Гц;

со стороны ТЭЦ-2 - однопутный, устройствами СЦБ не оборудован.

На станции Бурундай минимальная полезная длина приемо-отправочных путей 894 м; тип стрелочных приводов СП-6 и Р80 Alstom; тип рельсов Р65 - по главным, и Р50 - по боковым путям, с маркой крестовины стрелочных переводов 1/11 и 1/9.

Стрелок всего - 32, в том числе: с крестовиной НПК - 8 (стр. № 9, 11, 13, 15, 16, 22, 26, 32) - изменена нумерация стрелок на 9/9с, 11/11с, 13/13с, 15/15с, 16/16с, 22/22с, 26/26с, 32/32с и стрелки 9,11, 13, 15, 16, 22, 26, 32 становятся ведомыми.

В централизацию включены светофоров - 44, в том числе:

- поездных - 17;

маршрутных - 2;

маневровых - 25.

Все светофоры - линзовые, управляются дежурным по станции с пульт-манипулятора.

Для осуществления взаимозависимости стрелок и сигналов на станции все приемо-отправочные пути, участки пути, стрелочные секции оборудованы рельсовыми цепями переменного тока 25 Гц. Так как станция частично электифицировано электротягой переменного тока 50 Гц, для защиты рельсовых цепей от влияния тягового тока, установлены дроссель-трансформаторы типа ДТ-1-150 и 2ДТ-1-150. Всего по станции установлены дроссель-трансформаторов - 32 шт.

Пост электрической централизации (ЭЦ) расположен на оси централизации.

.2 Схематический план станции

Схематический (однониточный) план станции Бурундай представляет собой немасштабное однолинейное изображение путей, стрелок, светофоров, изолирующих стыков (ИС) и других объектов станции с соблюдением их взаимного расположения и пропорций в длинах путей и является основным документом для проектирования электрической централизации.

Исходными данными для разработки схематического плана станции Бурундай являются материалы изысканий проектной организации, масштабный план и профиль станции, а также существующий схематический план.

На основании схематического плана определяют эксплуатационно-технические требования к электрической централизации, а также объем работ и требуемое финансирование по ее строительству.

На однониточном плане изображено:

путевое развитие станции - железнодорожные пути в однониточном изображении, централизованные и нецентрализованные стрелки с указанием типа рельсов и марки крестовины, сбрасывающие остряки, тормозные упоры, подходы к станции, примыкания подъездных путей и др.;

стрелочные электроприводы (СП);

изолирующие стыки, изолированные и неизолированные станционные пути, стрелочные и бесстрелочные путевые участки;

светофоры с указанием конструкции (карликовые, мачтовые, консольные) и расцветки огней;

релейные и батарейные шкафы;

переезд в пределах станции, а также перегонные устройства, требующие увязки со станционными устройствами;

маневровые колонки, будки, посты и вышки с вариантами местного управления;

места размещения служебно-технических зданий (пассажирского здания, постов электрической, горочной и маневровой централизации, транспортабельных модулей, пунктов технического обслуживания, а также других строений);

пассажирские и грузовые платформы и искусственные сооружения (мосты, путепроводы и т. д.), влияющие на производство кабельных работ и монтаж устройств СЦБ;

высоковольтные линии автоблокировки и линии продольного электроснабжения в местах установки разъединителей и питающих трансформаторов;

электрифицированные пути, тяговые подстанции, места подключения питающих линий с указанием максимального тока, воздушные промежутки и нейтральные вставки контактной сети;

основные трассы кабелей СЦБ;

ординаты напольных объектов от оси поста ЭЦ.

Построение однониточного плана заключается в последовательном нанесении на чертеж условными обозначениями путевого развития станции, делении его на изолированные секции, нумерации путей и стрелок, определении мест установки светофоров, расчете ординат устройств СЦБ.

После нанесения на план путевого развития произведено разбивка станции на изолированные участки, которую выполнены в следующей последовательности:

- устанавливаются ИС, отделяющие станцию от перегона;

выделяются рельсовые цепи главных и приемо-отправочных путей станции;

вводятся ИС, выделяющие бесстрелочные участки пути за входными светофорами, а также участки пути, удобные для производства маневровой работы;

устанавливаются ИС, отделяющие нецентрализованную зону (грузовые дворы, депо, тупиковые и подъездные пути); при этом следует отметить, что путевое развитие тяговых подстанций, путей отстоя пожарных и восстановительных поездов, а также классных вагонов является объектом централизации;

на входе в зону централизации с подъездных путей выделяется короткая рельсовая цепь (25 м) для контроля подхода составов с подъездных путей;

как правило, в отдельную рельсовую цепь выделяется каждая из стрелок стрелочной улицы;

устанавливаются ИС, обеспечивающие одновременные параллельные передвижения (стыки между стрелками съездов, параллельно расположенными съездами и т.п.);

выполняется анализ полученных разветвленных рельсовых цепей на количество стрелок (не более трех одиночных или двух перекрестных стрелок) и наличие центров секций; при необходимости устанавливаются дополнительные ИС, причем желательно, чтобы число изолирующих стыков по главным путям было минимальным.

Следующим этапом выполнена расстановка поездных и маневровых светофоров, которую, как правило, ведены так:

на границе станции в створе с изолирующими стыками устанавливаются входные светофоры;

на двухпутных линиях для приема поездов, движущихся по неправильному пути, в створе с основными устанавливаются дополнительные входные сигналы; при невозможности обеспечения габарита они размещаются с левой стороны; при новом проектировании по конструкции такие светофоры делаются мачтовыми;

с приемо-отправочных путей с учетом их специализации устанавливаются выходные светофоры; допускается установка группового выходного светофора для нескольких путей, кроме главных; такие светофоры дополняются маршрутными указателями номера пути, с которого разрешается отправление;

при наличии на станции нескольких парков с приемо-отправочными путями перед стрелочной зоной, разделяющей последовательно располагающиеся парки или пути устанавливаются маршрутные светофоры;

при недостаточной видимости выходных и маршрутных светофоров устанавливаются повторительные светофоры;

Маневровые светофоры устанавлены:

со специализированных приемо-отправочных путей;

для въезда на станцию из нецентрализованных зон;

для ограждения стрелок, примыкающих к приемо-отправочным путям;

со всех бесстрелочных участков пути в горловинах станции;

в горловине станции для исключения перепробега при маневровой работе.

Далее произведены нумерация стрелок и наименование светофоров и путей.

Стрелки нечетной горловины станции пронумерованы нечетными номерами (1, 3, 5…) в направлении от перегона к оси поста ЭЦ. При этом стрелки съездов и стрелочных улиц должны имеют непрерывную нумерацию (например, 7, 9, 11 или 13/15, 17/19). Номера стрелок указаны с той стороны от оси пути, с которой предполагается разместить СП. Как правило, СП располагают с полевой стороны или со стороны широкого междупутья, исходя из соображений габарита, удобства монтажа, обслуживания, подвода кабеля и пневмообдувки. Аналогично произведены нумерация стрелок четной горловины.

Изолированные пути обозначены на плане порядковым номером с добавлением литеры П. Главные пути пронумерованы римскими цифрами (IП, IIП IVП): по нечетному направлению - нечетными, по четному направлению - четными; приемо-отправочные пути пронумерованы арабскими цифрами, начиная со следующего номера за номером главного пути; при этом пути, предназначенные для приема четных поездов, нумеруются четными цифрами (2П, 4П, 6П, 8П, 10П), а пути, предназначенные для приема нечетных поездов - нечетными цифрами (1П ,3П).

Номер пути и его специализация указываются на схематическом плане.

Названия бесстрелочных участков в горловине станции образованы из номеров стрелок, между которыми эти участки расположены.

Обозначения станционных светофоров приняты в соответствии с направлением движения поездов. Входные сигналы обозначаются заглавными буквами Н - светофор, регулирующий движение поездов в нечетном направлении, и Ч - в четном направлении. Обозначение дополнительных входных светофоров образуются добавлением буквы Д (НД, ЧД).

При наименовании выходных светофоров к литере направления движения Н (Ч) добавляется арабская цифра номера пути (в том числе и в том случае, когда путь нумеруется римской цифрой), с которого этот светофор разрешает движение (например, Н3, Ч2). Маршрутные светофоры обозначаются аналогично, но с добавлением литеры М (например, ЧМ4А). Маневровые светофоры принято обозначать литерой М с добавлением порядкового номера светофора, причем в четной горловине станции используются четные номера, а в нечетной - нечетные; нумерация маневровых светофоров производится от перегона к приемоотправочным путям.

Схематический план станции Бурундай приведен в демонстрационном листе 1.

2.3 Двухниточный план станции


Двухниточный план станции Бурундай составляется на основании схематического плана станции Бурундай, таблицы взаимозависимости стрелок, сигналов и маршрутов и является основным документом по оборудованию станции рельсовыми цепями и размещению напольного оборудования централизации.

Двухниточные планы станций составляют в определенной последовательности, обеспечивающей поэтапное выполнение однотипных операций, что позволяет предотвратить возможные ошибки.

На основании схематического плана станции вычерчивается в двух линейном изображении путевое развитие районов станции, которые оборудуются устройствами централизации. Для крупных станций допускается выполнять чертеж на нескольких листах по горловинам или по паркам.

На чертеж наносятся служебно-технические здания, переезды, пешеходные дорожки, искусственные сооружения, высоковольтные линии и другие инженерные коммуникации с указанием ординат от оси поста ЭЦ.

Производится расстановка стрелочных электроприводов, указываются их ординаты от оси поста ЭЦ.

Сторонность установки электроприводов определяется с учетом необходимой ширины междупутья для их размещения, удобства обслуживания, условий прокладки кабелей и воздухопровода пневмообдувки. Предпочтительным является расположение привода с полевой стороны или со стороны широкого междупутья.

Затем на чертеж наносятся поездные и маневровые светофоры и указываются их ординаты. У соответствующих сигнальных огней светофоров цифрой 2 отмечаются используемые резервные нити ламп. Уточняется количество трансформаторных ящиков на мачтах светофоров, необходимое для размещения сигнальных трансформаторов.

На чертеж наносятся остальные релейные и батарейные шкафы, в том числе и шкафы электрообогрева стрелок, указываются их ординаты. Для релейных шкафов дополнительно указываются их наименование и тип, для батарейных шкафов тип и количество аккумуляторов, для шкафов обогрева - порядковый номер и номера обогреваемых.

При наличии двойного (местного) управления стрелками на план наносятся маневровые колонки, вышки с указанием их наименований, ординат и расстояний от путей.

Далее в соответствии со схематическим планом на чертеж наносятся изолирующие стыки, ограничивающие рельсовые цепи. Определяется необходимость установки приборов РЦ на ответвлениях разветвленных РЦ, при наличии электротяги составляется схема канализации тягового тока при наличии электротяги и определяются места установки дроссель-трансформаторов, междроссельных и между путных электротяговых соединителей.

Расположение питающих и приемных концов для не кодируемых РЦ с целью экономии кабеля, как правило, должно обеспечивать установку одноименных приборов у изолирующих стыков.

Следующим этапом является расстановка изолирующих стыков внутри стрелочных переводов. Наносятся на чертеж стрелочные или электротяговые соединители стрелок.

Все установленные на двухниточном плане приборы РЦ должны иметь наименование, указываемое рядом с прибором. Обозначение питающего или релейного конца РЦ для путевых ящиков или кабельных муфт и стоек производится путем использования соответствующих условных обозначений, а для дроссель-трансформаторов с помощью надписей “Т” или “Р”, располагаемых внутри колеи.

Наличие кодирования с данного конца РЦ отмечается буквой “К”, располагаемой внутри рельсовой колеи. Для тональных РЦ буквами “КСС” и “КЗО” у соответствующих стыков указывается наличие устройств контроля схода стыков или контроля занятия ответвлений.

Пунктирными линиями отмечаются участки пути с двойными стыковыми соединителями.

После составления кабельных планов на двухниточный план наносятся: магистральные трассы кабелей; разветвительные муфты с указанием наименования муфты, ее типа и ординаты; путевые ящики электрообогрева приводов.

Двухниточный план станции Бурундай приведен в демонстрационном листе 1.

2.4 Маршрутизация станции

При оборудовании станций устройствами автоматики и телемеханики следует учитывать специфические особенности организации движения поездов, связанные с возможностью нахождения и перемещения по путям одновременно нескольких подвижных единиц, а также с выполнением операций с грузами, с обслуживанием пассажиров, с формированием и расформированием составов, с их техническим осмотром и ремонтом. По станциям возможны поездные и маневровые передвижения. Передвижения по замкнутым в пути следования стрелкам называются маршрутизированными.

Маршрут представляет собой трассу следования поезда по станции при определенном положении (направлении) установленных и запертых стрелок при открытом светофоре, ограждающем данный маршрут. Передвижения по запертым стрелкам маршрута называют маршрутизированными.

Все маршруты делятся на поездные и маневровые. К поездным относятся маршруты: приёма, по которым принимают поезда с перегонов на станцию (разрешением вступления на станцию является разрешающее показание входного светофора); отправления, по которым отправляют поезда со станции на перегон (разрешением на отправление поезда является разрешающее показание выходного светофора); безостановочного пропуска по главным путям.

Маневровые маршруты обеспечивают: передвижение поездов в пределах станции с целью формирования составов, выезда локомотивов; передачу вагонов на грузовые дворы и так далее. Разрешением движения по маневровому маршруту служит разрешающее показание маневрового светофора [16].

Релейная централизация на промежуточной станции осуществляет управление стрелками и сигналами для организации движения поездов по поездным и маневровым маршрутам. Маршруты приема и отправления поездов устанавливают для всех приемо-отправочных путей станции в соответствии со специализацией путей. Разрешением движения по этим маршрутам являются разрешающие огни входных и выходных светофоров.

Маневровые передвижения на станциях в зависимости от объема местной работы могут производиться следующими способами:

немаршрутизированным, при котором установленные в маршруте стрелки не замкнуты, с переводом стрелок дежурным по станции и передачей команд разрешения движения машинисту локомотива по радио;

немаршрутизированным с передачей стрелок на местное управление. В этом случае стрелки переводит руководитель маневров из маневровой колонки или специальным ключом из путевых коробок, расположенных у стрелок. Разрешение на передвижение подается по радиосвязи или ручными сигналами;

маршрутизированным по маневровым маршрутам и маневровым светофорам, которыми управляет ДСП;

маршрутизированным с возможностью переводить стрелки на местное управление для выполнения сортировочной работы.

На схематическом плане станции Бурундай показана расстановка входных, выходных, маршрутных светофоров для реализации маршрутизированных поездных передвижений по станции.

Для данной станции предусмотрена маршрутизированная маневровая работа по маневровым карликовым светофорам, установленным в горловинах станции, и по совмещенным светофорам, установленным на приемо-отправочных путях. При совмещении маневрового светофора с выходным на мачте выходного светофора устанавливают дополнительную головку с белым огнем.

Для обеспечения безопасности движения поездов по станции релейная централизация исключает установку враждебных маршрутов.

Маршруты, в состав которых входят одни и те же стрелки, но в разных положениях, считаются враждебными или несовместимыми. Такие маршруты исключаются положением стрелок и не требуют специальных схем релейной централизации.

Враждебные маршруты, не исключающиеся положением стрелок, следующие: маршруты приема на один и тот же путь с разных концов станции (лобовые); встречные маршруты приема и маневров на один и тот же путь; поездные маршруты (приема, отправления и передачи) и маневровые, маршруты как попутные, так и встречные в любых сочетаниях, если в их состав входят одни и те же стрелки в одинаковых положениях; встречные маневровые маршруты на один и тот же участок пути в горловине-станции независимо от длины этого участка; поездные и маневровые маршруты с передачей стрелок на местное управление, совместимые по положению стрелок; маршруты приема на путь с местным управлением стрелками в противоположной горловине станции, допускающим выход на путь приема [16].

Невраждебными маршрутами считаются попутные маршруты приема и отправления как с одного и того же пути, так и по разным путям; встречные маршруты приема на разные пути при благоприятных подходах к станции; маршруты отправления с одного и того же пути станции в разных направлениях; маневровые маршруты вслед отправляющемуся поезду; маневровые маршруты на один и тот же путь с разных концов станции; встречные маневровые маршруты в горловине станции в направлении маневровых светофоров, установленных в створе. При разработке маршрутизации участковой станции с осигнализованием поездных и маневровых маршрутов за основу принят принцип элементарных маршрутов, из которых образуются полные маршруты.

Каждый элементарный маршрут представляет собой изолированный участок, в который входит от одной до трех стрелок или бесстрелочный участок в горловине станции.

Для организации полных поездных и маневровых маршрутов на каждый элементарный маршрут предусматривается релейная аппаратура, позволяющая контролировать, замыкать и размыкать этот маршрут, включать в схемы полных маршрутов данной горловины станции. Из элементарных маршрутов составляют поездные и маневровые маршруты любой сложности и конфигурации с целью полного использования путевого развития станции.

При продвижении поезда по маршруту происходит его автоматическое размыкание. Используя элементарные, маршруты, ускоряется (секционное) размыкание сложных маршрутов большой протяженности. Сложные маршруты размыкаются частями (секциями) но мере прохождения и их освобождения поездом. Такое размыкание получило название секционного размыкания. Секционное размыкание позволяет: сокращать интервалы между операциями, связанными с приготовлением маршрутов; производить маневровые передвижения вслед движущемуся поезду; быстрее освобождать и размыкать стрелки, входящие в сложные маршруты, и осуществлять большее число одновременных передвижений в пределах горловины станции. За счет секционного размыкания значительно повышается пропускная способность станции [9].

По заданной технологии работы станции разрабатывают полную маршрутизацию станции. При разработке маршрутизации передвижений используют следующие термины и определения.

Основной маршрут (основной вариант маршрута) - путь следования поезда или маневрового состава от светофора на путь, перегон или от светофора до светофора, наиболее целесообразный по местным условиям работы станции. Трасса основного маршрута (варианта) должна представлять кратчайшее расстояние при меньшем числе других враждебных маршрутов и допускать передвижение по маршруту с наибольшей скоростью.

Вариантный маршрут - путь следования поезда или маневрового состава, имеющий одинаковые с основным маршрутом начало и конец, но проходящий по трассе, отличающейся положением стрелок от основного маршрута.

Немаршрутизированные маневры - передвижения, которые осуществляют при постоянно открытых маневровых светофорах по замкнутым в одном положении централизованным стрелкам, примыкающим к вытяжке, и при незамкнутых стрелках парковой улицы.

Негабаритный участок - стрелочный или путевой участок, ограниченный изолирующими стыками и не обеспечивающий контроля свободного состояния в габарите подвижного состава.

На основании разработанной маршрутизации составляют таблицы маршрутов.

В приложении1 основных поездных маршрутов (основные варианты) для заданной станции в графе каждого маршрута показано положение всех стрелок, входящих в маршрут, и буквенный литер светофора, по которому установлен маршрут.

Вариант передвижения указывается положением тех стрелок, которые отличают данный вариант от основного маршрута (варианта), все остальные стрелки сохраняют те же положения, что и для основного маршрута. Также осуществляются расчеты и по маневровым маршрутам на станции.

Маршруты, определяющие заезд маневрового состава за промежуточный светофор в горловине станции и обратное движение от промежуточного светофора, получили название угловых маршрутов. Более сложные маневровые передвижения выполняют с использованием составных маршрутов.

Использование составных маневровых маршрутов для получения сложных маршрутов позволяет более полно использовать путевое развитие станции и выполнять большее число одновременных передвижений в горловине станции.

Приём на станцию по неправильному пути при капитальном ремонте одного из путей перегона осуществляется по дополнительным входным светофорам ЧД и НД.

Светофоры ЧД и НД применяют карликового типа и устанавливают с левой стороны по движению поезда. Этот светофор имеет одно разрешающее сигнальное показание (два желтых огня) независимо от маршрута приема и показаний выходного светофора.

Маршрутизация станции Бурундай для светофора четной и нечетной горловины приведена в приложении 1.

2.5 Назначение системы МПЦ-И

Микропроцессорная централизация стрелок и сигналов МПЦ-И предназначена для централизованного управления устройствами железнодорожной автоматики (стрелками, светофорами, переездами и т.п.) на железнодорожных станциях с целью организации движения поездов в условиях высокой степени безопасности средствами современной микропроцессорной техники.

МПЦ-И является функциональным аналогом релейной электрической централизации (ЭЦ), предназначенным для проектирования новых и реконструкции действующих ЭЦ. Цель создания МПЦ-И перевод релейных систем ЭЦ на микропроцессорную элементную базу с сохранением правил управления устройствами СЦБ и действий дежурного по станции при обеспечении требуемой степени безопасности и безотказности. Дополнительно приобретаются новые функции ЭЦ в качестве нижнего уровня автоматизированной системы управления технологическим процессом, например: протоколирование, архивирование, формирование баз данных; возможности вывода на дисплей дополнительной информации; увязки ЭЦ с АСУ верхнего уровня и т.п.

Дополнительные функции системы:

- круглосуточно функционирует в реальном масштабе времени и в наглядном виде отображает поездное положение, состояние объектов контроля и управления, действия дежурного по станции и электромеханика;

- непрерывно протоколирует действия эксплуатационного персонала по управлению объектами и всей поездной ситуации на станции и прилегающих к ней перегонах;

- предоставляет возможность индивидуального отсчета выдержки времени для каждого отменяемого маршрута и размыкаемой секции, индивидуальной выдержки времени для каждого открываемого светофора, а также управление многопрограммной очисткой стрелок;

выводит на экран монитора автоматизированного рабочего места дежурного различные сообщения о ходе технологического процесса;

предоставляет возможность объединения нескольких зон управления.

2.5.1 Структурная схема МПЦ-И

Комплекс программных и аппаратных средств МПЦ-И имеет многоуровневую структуру и включает в себя следующие компоненты:

управляющий контроллер централизации (УКЦ) с программой логики центральных зависимостей для осуществления маршрутизированных передвижений по станции;

систему гарантированного питания микроэлектронных систем СГП-МС;

телекоммуникационный шкаф (ШТК);

релейно-контактные устройства;

пульт-табло резервного управления (РУ);

напольные устройства;

автоматизированное рабочее место дежурного по станции (АРМ ДСП) для задания управляющих команд и визуализации поездной ситуации;

автоматизированное рабочее место электромеханика (АРМ ШН) для обеспечения возможности удаленного мониторинга состояния объектов МПЦ-И;

пульт резервного управления для прямопроводного управления стрелками при возникновении неисправностей АРМ ДСП или УКЦ;

аппаратуру контроля свободности/занятости участков пути, схемы коммутации стрелок, светофоров, схемы увязки с другими устройствами (ПАБ, АПС и пр.).

По расположению аппаратуры система является централизованной - УКЦ, ШТК, релейные и кроссовые стативы, СГП-МС размещаются на посту централизации.

Структура МПЦ-И позволяет неограниченно наращивать число УКЦ и управлять станциями с любым количеством стрелок. Первый УКЦ обеспечивает управление 30 стрелками, второй и последующие дополнительно 45 стрелками каждый. При этом обеспечиваются увязка с существующими устройствами полуавтоматической и автоматической блокировки, а также интеграция современных систем интервального регулирования, например СИР-ЭССО (интервальное регулирование движения поездов на основе счета осей).

Система МПЦ-И реализует все функции централизации, необходимые для безопасного управления технологическим процессом на станции:

установка, размыкание и отмена маршрутов;

управление показаниями светофоров;

кодирование маршрутов с проверкой всех условий безопасности;

разделка угловых заездов при маневровых передвижениях;

подача извещения на переезды;

включение пригласительного сигнала;

индивидуальный перевод и автовозврат остряков стрелок;

искусственное размыкание секций;

выключение стрелок и изолированных участков с сохранением пользования сигналами;

ограждение приемо-отправочных путей;

управление системами оповещения путевых бригад;

передача стрелок на местное управление и их возврат к централизованному управлению.

Кроме традиционных функций электрической централизации, система МПЦ-И выполняет ряд новых функций технологического и информационно сервисного характера:

логический контроль занятия путей и участков пути маршрутным порядком и их последующего освобождения маршрутным порядком для исключения возможности повторного открытия светофора на ложно освободившийся (при прекращении шунта) путь или участок пути;

установка маршрута без открытия светофора;

индивидуальная выдержка времени для каждого открываемого светофора;

индивидуальный отсчет выдержки времени для каждого отменяемого маршрута и размыкаемой секции;

непрерывное протоколирование действий эксплуатационного персонала по управлению объектами и всей поездной ситуации на станции и прилегающих к ней перегонах;

вывод на экран монитора АРМ дежурного по станции различных сообщений о ходе технологического процесса;

ввод управляющих команд с помощью манипулятора «мышь»;

возможность управления многопрограммной очисткой стрелок.

Централизованное управление технологическим процессом на станции обеспечивается возможностью совмещения в одном комплексе технологических функций ЭЦ, связи с объектом и связи с оперативно-технологическим персоналом АРМ дежурного по станции, АРМ электромеханика СЦБ.

Программно-аппаратные средства МПЦ-И обеспечивают:

разделение крупных станций на неограниченное число зон управления (как постоянно действующих, так и сезонных);

выделение на станции с маневровой работой участков для временного местного управления (как с организацией дополнительного рабочего места, так и при помощи управления со стрелочного поста);

интеграцию малодеятельных станций в объединенные посты управления без помощи средств центральных постов ДЦ и без необходимости установки на них линейных пунктов ДЦ, оставляя при этом возможность локального управления;

организацию многоуровневых иерархических систем управления типа «зона - станция - участок - дорога» с возможностью оперативной передачи управления на соответствующий уровень при необходимости.

Структурная схема системы МПЦ-И для станции Бурундай приведена в демонстрационном листе 2.

2.5.2 Режимы работы системы МПЦ-И

В системе МПЦ-И реализованы два основных режима работы:

- режим основного управления (далее режим ОУ);

режим резервного управления (далее режим РУ).

Нормальным режимом работы МПЦ-И считается режим основного управления, в котором управление устройствами СЦБ и контроль их состояния осуществляется с помощью основного или резервного АРМ ДСП. В режиме ОУ реализуется два варианта управления:

- маршрутное управление, при котором задание маршрутов осуществляется путём ввода команд начала, промежуточных точек (при вариантном маршруте) и конца маршрута;

раздельное управление, при котором установка маршрута осуществляется путём индивидуального управления объектами.

Режим резервного управления предусмотрен для ситуаций, когда из-за неисправности УКЦ или основного и резервного АРМ ДСП, работа системы в режиме основного управления прекращается. Для реализации режима резервного управления предусматривается пульт резервного управления. Пульт резервного управления позволяет: контролировать свободность/занятость путевых участков, переводить стрелки с контролем занятости стрелочно-путевых секций, выполнять ручное групповое замыкание стрелок, управлять пригласительными сигналами светофоров. Переход в режим резервного управления происходит при нажатии соответствующей кнопки, расположенной на пульте резервного управления. В режиме резервного управления происходит программное и аппаратное блокирование УКЦ.

стрелка сигнал централизация светофор

2.5.3 Управляющий контроллер централизации

УКЦ конструктивно состоит из 3-х компонентов:

- шкафа управления (ШУ) с расположенной в нем системой коммутации внешних подключений;

двух контроллеров централизации;

устройств сопряжения с объектами.

Устройства сопряжения с объектами одновременно выполняют функции сравнения управляющих воздействий одноименных выходов контроллеров и принятия решения о воздействии на объект управления.

Каждый КЦ аппаратно состоит из монтажного блока, модулей подключения (МП), модуля центрального процессора (МЦП), модулей базовых с установленными на них мезонинами ввода/вывода, модуля последовательного интерфейса (МПИ) и блока стабилизированного питания (БПС).

Функционально каждый КЦ состоит из:

- системы ввода информации;

центрального процессора (ЦП);

системы вывода информации.

Блок стабилизированного питания предназначен для формирования стабилизированных вторичных напряжений, необходимых для работы КЦ. Первичным источником для БПС является однофазный источник тока (бесперебойное питание 220 В, 50Гц), который формируется питающей установкой СГП-МС-10Т.

Габаритные размеры шкафа УКЦ (Высота/Ширина/Глубина): 2200x800x600мм

Установку производить таким образом, чтобы был доступ к лицевой и монтажной стороне.

.5.4 Центральный процессор

Центральный процессор в первую очередь предназначен для обработки полученной информации от плат ввода, по заложенной в него управляющей программе централизации, и выдачи управляющих воздействий на платы вывода.

Второй важной функцией для модуля ЦП является организация сетевых взаимодействий. По локальной вычислительной сети на базе Ethernet центральный процессор взаимодействует с основным и резервным АРМ ДСП, АРМ ШН.

Подключение центрального процессора к внешним устройствам осуществляется посредством монтажного блока КЦ через модуль подключения МПМЦП.

2.5.5 Схема управления огнями выходных светофоров

Схемы управления огнями выходных и маршрутных светофоров выполнены по типовым решениям ЭЦ-12-03.

При перегорании основной нити лампы красного огня переключение на резервную нить осуществляется аппаратно через тыловые контакты сигнального и огневого реле.

Для переключения с основной нити на резервную нить разрешающих огней светофоров в системе МПЦ-И предусматриваются групповые реле СО.

Для включения на светофорах мигающей сигнализации также предусматриваются групповые реле МГС. В группу объединяются светофоры, ограничивающие враждебные маршруты.

Принцип такого подхода заключается в том, что в любой момент времени с разрешающим показанием может быть только один из светофоров группы. Это позволяет уменьшить количество реле и сделать управление светофорами более гибким.

2.5.6 Схема управления стрелками в системе МПЦ-И

Работа схемы в режиме основного управления. На станции Бурундай применена пятипроводная схема управления стрелками с электродвигателями переменного тока, приведена в демонстрационном листе 4.

Для питания электродвигателей стрелочных электроприводов на станции в составе питающей установки СГП-МС-10Т применен мощный стрелочный трансформатор, поэтому реализован одновременный перевод стрелок в устанавливаемом маршруте с программным ограничением до 6 одновременно переводящихся стрелок. Ограничение определяется мощностью трансформатора и вводится на этапе проектирования управляющей программы логики централизации.

В режиме ОУ при маршрутном варианте управления, стрелки автоматически переводятся в положение, соответствующее устанавливаемому маршруту. При этом предусматривается однократный или двукратный режим перевода стрелок в требуемое положение.

При однократном переводе, если остряки стрелки, через 7 секунд с момента начала перевода, не дошли в требуемое положение, стрелка автоматически возвращается в исходное положение. На этом цикл перевода стрелки заканчивается.

При двукратном переводе дважды реализуется цикл однократного перевода. При этом второй цикл перевода начинается через 3 секунды после окончания первого, не зависимо от того появился контроль исходного положения или нет.

Перевод охранных стрелок в требуемое положение производится автоматически при установке охраняемого маршрута; перевод стрелок с автовозвратом в «нормальное» положение производится автоматически после размыкания стрелочно-путевой секции, в которую входит стрелка, и выдержки времени 180 секунд - для таких стрелок предусматривается однократный режим перевода.

Выбор режима перевода стрелок осуществляет ДСП путем «нажатия» или «отжатия» кнопки выбора режима перевода стрелок на не масштабируемой части мнемосхемы станции в окне Клиента АРМ ДСП.

В режиме ОУ при раздельном варианте управления предусмотрен индивидуальный перевод стрелок. При этом предусматривается однократный режим перевода стрелок без автоматического возврата в исходное положение, в случае не дохода остряков в требуемое положение.

При всех вариантах управления стрелками в режиме ОУ обеспечивается программно-аппаратная защита стрелочных электродвигателей от длительных перегрузок ограничением времени работы на фрикцию.

Возможны два варианта отключения рабочего тока стрелок:

- автоматически - через 20 секунд после пуска последней стрелки при условии, что на одной или нескольких стрелках в конце перевода не появился контроль требуемого (при переводе) или исходного (при автоматическом возврате) положения;

вручную - путем «нажатия» кнопки «Выкл. ток» на не масштабируемой части мнемосхемы станции в окне Клиента АРМ ДСП. «Отжатие» кнопки происходит автоматически через 2 секунды.

Выключение тока стрелок обеспечена аппаратным отключением рабочего напряжения от рабочих цепей стрелок тыловыми контактами реле ВСФ1, ВСФ2.

В режиме ОУ обмотки реле ВСФ1, ВСФ2 через УСО и тыловые контакты реле ВРУ1 подключены к платам полупроводникового вывода. Управляющее воздействие на включение реле ВСФ1, ВСФ2 формируется контроллерами централизации КЦ1 и КЦ2. Команда на перевод стрелки выдается контроллерами централизации КЦ1 и КЦ2 через устройство сопряжения с объектами.

Плюсовые выводы УСО Х1-4, XI-9 непосредственно подключены к цепям управления стрелками. Минусовые выводы XI-5, Х1-10 всех УСО, электрически связаны и образуют шину питания М-УСО.

Фронтовые контакты повторителей реле ВРУ в цепях управления каждой стрелки исключает гальваническую связь с цепями управления других стрелок по шине питания П-РЗ при случайном нажатии кнопок управления стрелками на пульте резервного управления.

Проверка всех условий безопасности при переводе стрелки (свободность стрелочной секции, отсутствие замыкания стрелки в маршруте и т. д.) осуществляется управляющей программой логики централизации.

Работа схемы управления стрелкой при подаче управляющих воздействий не отличается от описанной в типовых решениях ЭЦ-12-2000.

Контроль положения стрелок вводится в УКЦ контактами плюсовых и минусовых контрольных реле, подключенных к платам ввода.

При потере контроля положения любой стрелки, после выдержки времени 10 секунд начинает звонить звонок взреза, установленный в пульте резервного управления.

Звонок подключен к платам полупроводникового вывода контроллеров КЦ1 и КЦ2. Звонок выключается автоматически при восстановлении контроля всех стрелок или путем «нажатия» кнопки «Выкл. звонок» на не масштабируемой части мнемосхемы станции в окне клиента АРМ ДСП. После выключения звонка и восстановления контроля на всех стрелках звонок взреза вновь зазвонит. Для его выключения необходимо «отжать» кнопку «Выкл. звонок».

Работа схемы в режиме резервного управления. Переход в режим резервного управления осуществляется нажатием кнопки с фиксацией РУ на пульте резервного управления. При этом возбуждается реле РУ и начинается процесс перехода в режим резервного управления. Тыловым контактом реле РУ отключает питание в шине П-КЦ, фронтовыми контактами запускает комплект выдержки времени БВРУ.

Фронтовыми контактами реле РУ включает реле включения мигания ВМ и питание в шине П5-РУ. На пульте резервного управления через тыловой контакт реле ВРУ1 начинает мигать лампочка «РУ» и появляется индикация состояния путевых, стрелочно-путевых участков и стрелок.

Лампочки «НЗС» и «ЧЗС» горят ровным светом, что указывает на замкнутое состояние стрелок. В этом режиме управление стрелками и другими объектами невозможно.

Через 3 минуты срабатывает блок выдержки времени БВРУ, возбуждается вспомогательное реле ВРУ и его повторители ВРУ1-ВРУ5. Фронтовым контактом реле РУ включает питание в шине П5-РУ, через фронтовой контакт реле ВРУ1 лампочка «РУ» загорается ровным светом, фронтовыми контактами реле ВРУ1, ВРУ2 подготавливаются цепи управления стрелкой: обратный провод подключается к полюсу питания М, кнопки управления стрелками подключаются к шине питания П-РЗ. После этого переход в режим резервного управления заканчивается.

Выдержка 3 минуты при переходе в режим РУ применяется для исключения возможности перевода стрелок под поездами, движущимися по ранее установленным маршрутам (по аналогии с отменой поездного маршрута при занятом участке приближения).

В режиме резервного управления применяется групповое ручное замыкание стрелок. Для обеспечения возможности одновременно производить маневровые или поездные передвижения в одной горловине станции и приготовления маршрутов в другой, предусматривается ручное замыкание стрелок по горловинам станции кнопками с фиксацией НЗС, ЧЗС, установленными на пульте резервного управления.

В этом режиме РУ нормальное состояние стрелок - замкнуты. Для размыкания стрелок нажимается кнопка без фиксации НРС (ЧРС). При этом, с проверкой отжатого состояния кнопки НЗС (ЧЗС), возбуждается реле НРЗС (ЧРЗС), лампочка «НЗС» («ЧЗС») загорается мигающим светом, в шине П-РЗ появляется питание. Мигающая индикация лампочки «НЗС» («ЧЗС») свидетельствует о разомкнутом состоянии стрелок в нечетной (четной) горловине станции.

Перевод стрелок в плюсовое или минусовое положение осуществляется с проверкой свободности стрелочно-путевого участка нажатием соответственно кнопок П или М. При ложной занятости стрелочно-путевого участка для перевода стрелки одновременного с кнопкой П или М следует нажимать вспомогательную кнопку (ВП).

Для замыкания стрелок нажимается кнопка НРС (ЧРС), при этом выключается реле НРЗС (ЧРЗС), фронтовым контактом реле НРС (ЧРС) выключает питание в шине П-РЗ, лампочка «НЗзС» («ЧЗС») загорается ровным светом.

Индикация положения стрелок выводится на пульт резервного управления через контакты плюсовых и минусовых контрольных реле.

Контроль положения стрелок с автовозвратом №30, 10/12 в режиме РУ выводится на пульт резервного управления через контакты реле ПК.

Реле ВЗ нормально находится под током. Во время перевода стрелки реле ВЗ удерживается в возбужденном состоянии за счет энергии, накопленной конденсаторами Cl, С2. При потере контроля положения любой стрелкой на время более 8-10 секунд, реле ВЗ выключается. Через тыловой контакт реле ВЗ включается звонок взреза, расположенный на пульте резервного управления. Звонок выключается нажатием кнопки с фиксацией ВЗР. После выключения звонка и восстановления контроля на всех стрелках звонок взреза вновь зазвонит. Для его выключения необходимо вытащить кнопку ВЗР.

Выключение тока стрелок производится нажатием кнопки ВС. В режиме РУ обмотки реле ВСФ1, ВСФ2 контактами реле ВРУ1 отключаются от выводов УСО и подключаются к кнопке выключения стрелок с фиксацией ВС, расположенной на пульте резервного управления.

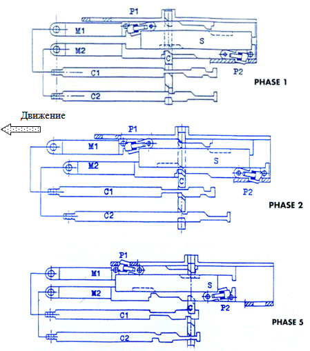
2.5.7 Характеристика стрелочного электропривода Alstom

Данное устройство относится к группе механизмом используемых для передвижения «стрелочных остряков», благодаря которым обеспечивается движение поездов с одного участка пути на другой.

Корпус стрелочного электропривода располагается в стороне от рельсов, устанавливается на стрелочной гарнитуре, прикрепленной к рамным рельсам. Тяги стрелочного электропривода присоединяются к острякам стрелки при помощи серьга, передают движение от электропривода к остряку при переводе стрелки, а также используются для контроля положения и замыкания остряков стрелки.

Стрелочный электропривод рассчитан на применение с рельсами типа Р65 кг/м. Сравнение с Российским производством электропривода СП-6 приведена в демонстрационном листе 3.

Как правило, стрелочные электропривода бывают врезного типа, который может быть превращен в неврезной стрелочный привод при помощи специального приспособления.

Стрелочные приводы выпускаются для двух вариантов расположения:

.        Правостороннее расположение (ПР): если смотреть на острия остряка в сторону его корня, стрелочный электропривод располагает справа, а контрольные линейки расположены перед рабочими тягами.

.        Левостороннее расположение (ЛР): если смотреть на острия остряка в сторону его корня, стрелочный электропривод привод располагает слева, а контрольные линейки расположены перед рабочими тягами.

Рисунок 2.2 - Правостороннее расположение. Левостороннее расположение

Оба варианта стрелочных электроприводов выпускаются с одинаковым набором внутренних механических/электрических компонентов, но собираются по-разному.

2.5.7.1 Функциональное описание

Стрелочный электропривод выполняет следующие функции:

а) приведение в движение остряков стрелки (функция движения);

б) механическое замыкание остряков стрелки в прижатом или отжатом положении по отношению к рамному рельсу (функция замыкания);

в) определение расположения остряков стрелки (отжатого или прижатого) и их механического замыкания (функция контроля).

Функция a) задействована в переводе стрелки.

Функции б) и в) связаны с возможностью установки маршрута по стрелке.

Кроме того, стрелочный электропривод выполняет другие функции: функцию направления и функцию стабилизации.

Стрелочный электропривод врезного типа. Пошёрстные движения не наносят повреждения механизму, внутренние компоненты обеспечивают автоматическое отсоединение внешних тяг от кинематической цепи, приводимой в движение двигателем.

При этом остряк стрелки свободно двигается и эксплуатационная нагрузка не передается внутренним компонентам. При необходимости, стрелочный электропривод может быть переделан в неврезной привод при помощи специального приспособления. При этом любое пошёрстное движение будет причинять механические повреждения замыкающим элементам или путям.

При врезной конфигурации максимальная допустимая скорость в направлении главного пути составляет 30 км/ч, а при неврезной конфигурации максимальная допустимая скорость в направлении главного пути достигает 180 км/ч.

2.5.7.2 Внешние интерфейсы

Как показано на рисунке 2.3, внешние интерфейсы стрелочных электроприводов следующие:

интерфейс со шкафом управления стрелкой (перевод стрелки с пульта ДСП);

интерфейс с оператором (перевод стрелки вручную курбелем, установка и обслуживание);

интерфейс с путями (присоединение тяг к острякам и гарнитуры к рамным рельсам).

Учитывая интерфейс IXL, стрелочные электроприводы выпускаются в вариантах:

.        220В постоянного тока, 2 кабельный (2-х проводная схема управления с электродвигателем 160В, между стрелочной коробкой и электроприводом - 12 проводов).

.        3 фазный 400В переменного тока, 5-кабельный (5-ти проводная схема управления с электродвигателем 190В, между стрелочной коробкой и электроприводов - 14 проводов).

2.5.7.3 Интерфейс со шкафом управления стрелкой

Интерфейс со шкафом управления стрелкой обеспечивается:

.        Электропитанием двигателя.

.        Электропитанием вспомогательного оборудования (обогрев электропривода, обдувка стрелок).

.        Электропитанием цепи контроля положения стрелки.

Физический интерфейс со шкафом управления осуществляется при помощи наружных кабелей и соединительных коробок.

Рисунок 2.3 - Внешние интерфейсы стрелочного электропривода

2.5.7.4 Интерфейс с оператором

Интерфейс с оператором включает в себя все действия, осуществляемые со стрелочным электроприводом в процессе установки, эксплуатации и техобслуживания.

К указанным действиям относится:

установка электропривода в соответствии со схемой расположения;

регулирование подвижных деталей;

замена бракованных/сломанных компонентов;

ручное управление (при помощи курбельной рукоятки);

внутренний осмотр.

2.5.7.5        Описание архитектуры

Стрелочный электропривод состоит из корпуса, расположенного в стороне от рамных рельсов (справа или слева) и наружных соединений с остряками и рамными рельсами (рисунок 2.2).

Движение генерируется электродвигателем с постоянными магнитами, а зубчатая передача преобразует вращательное движение в прямолинейное. Кинематическая цепь, включая винт рециркуляции, движущиеся штанги, внутренние рычаги и компоненты определенных форм, обеспечивает передачу движения на наружные тяги.

Направляющие воздействуют на кулачки, которые приводят в движение электрические переключатели при помощи системы тяг. Данные электрические переключатели используются для питания двигателя и для цепей контроля.

                                      Наружные тяги

                             Гарнитура крепления                                       Корпус



Рисунок 2.4 - Схема расположения стрелочного приводаAlstom

Желобки, выточенные на подвижных штангах, контролируют движение компонентов, обеспечивающих замыкание стрелки.

Рельсовые крепления электропривода включают тяги и серьги для механического соединения с остряками стрелки. Данные элементы соединяются между собой болтами. Корпус электропривода закрепляется на плоских опорах, помещенных на балласт и соединенных с рамными рельсами при помощи угольников и болтов.

2.5.7.6 Функции движения и направления

Функция движения представляет собой внешнее движение, изображенное на рисунке 2.5.

Движение генерируется электродвигателем с постоянными магнитами, соединенным с зубчатой передачей, винтом рециркуляции и подвижной штангой. Верхняя подвижная штанга (1) прикрепляется муфтой определенной формы к основному винту (2) и повторяет отводящие движения основного винта.

Верхняя подвижная штанга соединяется с нижней подвижной штангой (3) при помощи пружины (4). Штифт (8) автоматически соединяется с верхней подвижной штангой (1), повторяет ее движения, а затем проталкивает нижнюю подвижную штангу путем силового воздействия на узлы (6), затем на пружину (4) и, наконец, на корпус нижней подвижной штанги (3).

Затем, нижняя подвижная штанга (3) толкает направляющий молоточек (7). Этот молоточек соединяется с внешними тягами при помощи внутренних рычагов, при движении направляющего молоточка внешние тяги (9) и остряк стрелки приходят в движение.

Когда остряк стрелки касается соответствующего рамного рельса, нижняя подвижная штанга толкает корпус молоточка (компонент направляющего молоточка), пружина внутри направляющего молоточка начинает сжиматься и, когда показатель силы достигает величины направляющей силы, направляющий молоточек начинает вращаться и входит в паз (10) стрелочного замыкателя.

Ход остряков прекращается, а нижняя подвижная штанга продвигается еще на 40 мм, покрывая тем самым направляющий молоточек.

Функция направления выполняется направляющим молоточком и обеспечивает соединение остряка стрелки с рамным рельсом. Если по каким-либо причинам остряк стрелки не касается рамного рельса, пружина внутринаправляющего молоточка не сжимается, направляющая сила не достигает нужной величины и направляющий молоточек не вращается. Соответственно внутренние рычаги совершают дополнительный ход и не достигают положения контроля расположения стрелки.

При этом стрелочный электропривод перестает работать и для восстановления нормальной работы стрелочного электропривода необходимо провести соответствующего техобслуживание.

Рисунок 2.5 - Расположение внутренних компонентов стрелочного привода

2.5.7.5        Функция механического замыкания

Функция замыкания выполняется цепочкой компонентов, соединенных между собой при помощи соединительной муфты или крепежных элементов (например, болтов), которые фиксируют замкнутый остряк стрелки, прижатый к соответствующему рамному рельсу. Отжатый остряк стрелки фиксируется в конечном положении при помощи соединительной муфты между нижней подвижной штангой, направляющим молоточком и внешней тягой.

Внутренние рычаги M1 и M2, также называемые стрелочными тягами, приводятся в движение непосредственно нижней подвижной штангой при помощи направляющего молоточка и передают движение на остряки стрелок. В тоже время внутренние рычаги C1 и C2, также именуемые контрольными линейками приводятся в движение остряками стрелки. Контрольные линейки не нужны для движения стрелки, но важны для обеспечения безопасного контроля положения остряка стрелки.

Рисунок 2.6 - Функция механического замыкания

Основной деталью замыкающей цепи является цепь (C), штампованная деталь, размещенная в желобках, выточенных во внутренних ремнях (как в стрелочных тягах, так и в контрольных линейках) и в корпусе стрелочного замыкателя.

Как показано на рисунке 2.6, внутренняя стрелочная тяга М1, соединенная с закрытым остряком стрелки при помощи внешних стрелочных тяг, кронштейна и болтами (все жесткие детали, входящие в рельсовые скрепления, присоединяется к стрелочному замыкателю цепочкой C, располагаемой в специальный желобок, выточенный в корпусе стрелочного замыкателя. Корпус стрелочного замыкателя прикрепляется к корпусу привода штифтами, винтами и болтами, а корпус привода присоединяется к рамочным рельсам при помощи опорной пластины, правой/левой опорных балок и болтов.

Замыкающая цепь непосредственно блокирует внутренние стрелочные тяги и контрольные линейки замкнутого остряка стрелки. Внутренние стрелочные тяги замыкаются при помощи соединительной муфты между нижней подвижной штангой, направляющим молоточком и внешней тягой. Внутренняя контрольная линейка блокируется только в одном направлении: допускается движение к соответствующему рамному рельсу, в то время как движение в обратную сторону не допустимо. Это необходимо для обеспечения функции замыкания.

В соответствии с рисунком 2.6 когда необходимо переключение стрелки, движение передается от нижней подвижной штанги к внутренней стрелочной тяге M1 через направляющий молоточек P1.

После движения на 40 мм, нижняя подвижная штанга освобождает направляющий молоточек P2 и перемещает цепочку C с помощью наклонной поверхности. Передвижение цепочки возможно благодаря тому, что после продвижения на 40 мм, внутренняя стрелочная тяга M1 больше не покрывает цепочку, а желобок, вырезанный на внутренней стрелочной тяге, обеспечивает перемещение цепочки (рисунок 2.6, этап 2).

В данном положении, замыкающая цепь освобождается, а движение может продолжаться до окончания хода, в частности, когда другой остряк стрелки касается соответствующего рамного рельса, когда все внутренние рычаги приходят в конечное положение (рисунок 2.6, этап 5), а цепочка замыкается с другой стороны корпуса стрелочного замыкателя.

2.5.7.8 Функция контроля

Функция контроля обеспечивает определение положения стрелки. Нормальное положение, положение заднего хода и положение не определено. Определение положения осуществляется электрическим замыкание контактов автопереключателя поворот которого производится шестеренками, запускаемыми системой рычагов, приводимых в движение движущимися компонентами стрелочных приводов.

Шестеренки автопереключателя вращательного типа изображены на рисунке 2.7: зубцы расположены на подвижной оси, данные шестеренки соединяются с прилегающими зубцами, расположенными на фиксированных блоках. Шестеренка (рисунок 2.7), обведено желтым), прикрепленная к подвижным осям, обеспечивает вращение благодаря движению, передаваемому системой рычагов.

Рычаги приводятся в движение нижней подвижной штангой, с которой они соединены соединительной муфтой. Специальные желобки, выточенные в нижней подвижной штанге, ограничивают движение рычагов и связывают контроль и замыкание, в частности, в начале переключения, замыкание происходит после хода в 40 мм, в то время как контроль исчезает между 8 ¸14 мм; в конце хода замыкание начинается на последних 40 мм, в то время как контроль происходит на последних 8 ¸14 мм.

Соответственно, при достижении состояния контроля, выполняется замыкание.

Рисунок 2.7 - Электрические контакты.

2.5.7.9 Функции трения и замыкания

Функция трения препятствует повреждению стрелки, если движение остряка не допустимо из-за препятствия. Номинальная сила движения превышает 600 кг.

Согласно рисунке 2.5 если сила сопротивления стрелочных тяг (9) увеличивается (Ft на рисунке 2.8), пружина (4) внутри нижней подвижной штанги начинает сжиматься.

В развернутом виде, штифт (8) толкает деталь (6), а затем пружину (4) и нижнюю подвижную штангу (3). Если нижняя подвижная штанга заблокирована, штифт (8) продолжает толкать деталь (6), но движение не может передаваться нижней подвижной штанге, и пружина (4) начинает сжиматься.

Поскольку штифт (8a) упругий по отношению к нижней подвижной штанге, деталь продолжает (6) ход до освобождения штифта (8a) из втулки (рисунок 2.8), после чего деталь (6) вращается на штифте (8b) и освобождает муфту между штифтом (8) и деталью (6).

Верхняя подвижная штанга продолжает движение до завершения хода и прекращения подачи электроэнергии, а нижняя подвижная штанга и затем стрелочные тяги и остряк стрелки сохраняют положение, принятое по достижении движущей силы показателей силы трения. Отсутствие совмещения верхней и нижней подвижных штанг препятствует правильному определению положения стрелки.

Для восстановления соединения и нормальной работы, движение в обратную сторону должно контролироваться для того, чтобы совместить нижнюю и верхние подвижные штанги.

Рисунок 2.8 - Освобождение муфты между деталями (8) и (6), в частности верхней и нижней направляющими

Функция замыкания препятствует повреждению стрелки при замыкании, в частности, когда отжатый остряк стрелки вынужден закрыться (см. рис.2.9).

Рисунок 2.9 - Иллюстрация функции замыкания

При этом усилие передается от остряка стрелки внутренним рычагам, соединенным с отжатым остряком стрелки при помощи внешних тяг. Нижняя подвижная штанга, зафиксированная верхней подвижной штангой при помощи соединительного штифта (8) и детали (6), вынуждена.

Когда сила замыкания (Ft на рисунке 2.8) достигает от 900 до 1100 кг, пружина (4) начинает сжиматься и начинается аналогичный процесс функции трения. Соответственно, по завершении процесса, нижняя подвижная штанга освобождается от верхней штанги, и остряки стрелки могут двигаться. Напротив, при разнице сравнения между остряком и рамным рельсом, замыкание может продолжаться до тех пор, пока отжатый остряк стрелки не достигнет соответствующего рамного рельса.

После хода нижней подвижной штанги в 40 мм, больше несоединенной на этот раз с верхней подвижной штангой, направляющий молоточек может вращаться (замыкающая цепь отсоединена), а затем прижатый остряк стрелки может передвигаться в отжатое положение.

Также в данном положении, отсутствие совмещения верхней и нижней подвижных штанг препятствует правильному определению положения стрелки.

2.5.7.10 Приспособления для работы в неврезной конфигурации

Стрелочный привод бывает врезного типа. Если необходима работа стрелочного привода в неврезной конфигурации, требуется присоединение специального устройства.

Устройство данного приспособления очень простое. Как показано на рисунке 2.10, как правило, данное устройство устанавливает механический барьер, препятствующий движению цепочки и обеспечивающий блокировку стрелочных тяг и контрольных линеек. Если необходимо переключение стрелки, верхняя подвижная штанга приходит в движение и освобождает стабилизационное устройство. Специальный штифт внутри стабилизационного устройства устраняет механическое препятствие и освобождает цепочку. По окончании переключающего движения и одновременно с подключением стабилизационного устройства, штифт внутри данного устройства вновь устанавливает барьер, тем самым блокируя цепочку.

Рисунок 2.10 - Изображение неврезного устройства

2.6 Устройства электроснабжения

Электроснабжение устройств МПЦ-И на станции предусмотрено от двух независимых источников, в качестве резервного источника питания применен ДГА «Президент-Нева».

В качестве питающей установки устройств МПЦ-И на станции применена система гарантированного электропитания микроэлектронных систем типа СГП-МС-10Т. Ввод фидеров и подключение их к ТТТВР СГП-МС-10Т осуществляется через щит выключения питаний ЩВПУ.

СГП-МС обеспечивает функционирование МПЦ-И с заданным критерием качества при электроснабжении от регламентируемых источников электропитания, а также защищает МПЦ-И от сбоев и потери информации при переключении фидеров питания и аварийном отключении электроснабжения.

Питание устройств МПЦ-И гальванически развязано от остальных потребителей питающего фидера посредством применения трехфазного изолирующего трансформатора.

Требуемое время резервирования обеспечивается устройством бесперебойного питания с необслуживаемыми, герметичными аккумуляторными батареями. Аккумуляторные батареи размещаются на аккумуляторном стеллаже в релейном помещении в непосредственной близости от УБП.

Подключение напольных потребителей электроэнергии (светофоров, рельсовых цепей, релейных шкафов и т.д.) к системе электроснабжения предусматривается через изолирующие трансформаторы установленные в ШВР СГП-МС-10Т.

Для питания постоянным током релейных схем на станции предусматривается включение основного и резервного источников вторичного электропитания (ИВЭП), расположенных в ШВР СГП-МС-10Т.

Компьютеры и УКЦ имеют собственные источники вторичного питания, подключаемые к системе бесперебойного питания. В АРМ ДСП, АРМ ТТТНЦ и на пульте резервного управления предусматривается контроль наличия фидеров, контроль исправности ИВЭП и т.д.с соответствующей сигнализацией.

Аппаратура СГП-МС подключается к заземляющей шине.

Схема устройства электропитания системы МПЦ-И приведена в демонстрационном листе 5.

3. НАУЧНО-ИССЛЕДОВАТЕЛЬСКАЯ ЧАСТЬ

3.1 Расчет надежности МПЦ

Надежность - это свойство выполнять заданные функции, сохраняя эксплуатационные показатели в допустимых пределах в течение требуемого промежутка времени, и возможность возобновления функционирования, утраченного по тем или иным причинам.

В любой момент времени модуль МПЦ может находиться в исправном или неисправном состоянии. Если модуль в данный момент времени удовлетворяет всем требованиям, установленным как в отношении основных параметров, характеризующих нормальное выполнение вычислительных процессов (точность, быстродействие и др.), так и в отношении второстепенных параметров, характеризующих внешний вид и удобство эксплуатации, то такое состояние называют исправным состоянием. В соответствии с этим определением неисправное состояние МПЦ, при котором он в данный момент времени не удовлетворяет хотя бы одному из этих требований, установленных в отношении как основных, так и второстепенных параметров [16].

Однако не каждая неисправность приводит к невыполнению МПЦ заданных функций в отношении основных параметров. Например, образование вмятин или ржавчины на корпусе модуля, выход из строя индикаторов не могут препятствовать эксплуатации МПЦ. Поэтому для оценки надежности введены понятия «работоспособность» и «отказ».

Работоспособность - состояние, при котором она в данный момент времени соответствует всем требованиям в отношении основных параметров, характеризующих нормальное протекание вычислительных процессов.

Отказ - событие, состоящее в полной или частичной утрате работоспособности. Так как не всякая неисправность приводит к отказу, то на практике различают неисправности основные и второстепенные. Основные неисправности приводят к отказу. Второстепенные неисправности не приводят к отказу, однако создают неудобства в эксплуатации и портят внешний вид модулей. Поэтому второстепенные неисправности целесообразно своевременно устранять[16].

Возникновение отказа во времени - случайное событие, что позволяет для оценки надежности системы использовать методы теории вероятности и математической статистики.

Основными характеристиками надежности являются:

вероятность безотказной работы Р(t);

интенсивность отказов λ(t);

- средняя наработка до первого отказа Тср.

Цель расчета является определение среднего времени безотказной работы, и вероятности безотказной работы, в течение определенного интервала времени.

Среднее время безотказной работы является одним из основных критериев правильности выбора элементной базы, так как в общем, случае при ее определении учитываются основные параметры элементов, режимы работы схемы (коэффициенты нагрузки), а так же условия эксплуатации прибора [3].

При определении надежности блока Рc(t) через известные показатели надежности ее элементов вводят следующие допущения: отказы элементов статистически независимы; отказ любого элемента приводит к отказу системы. Принятые допущения позволяют использовать теорему умножения вероятностей.

Приближенный расчет надежности по внезапным эксплуатационным отказам выполняют по формуле:

(t)=exp(-t·аi ·λOi ·Ni) (3.1)

где λоi - интенсивность отказов i-й группы, 1/ч; Ni - число элементов i-й группы, шт.

При уточненном расчете надежности учитывают внешние воздействия, влияние тепловых и электрических нагрузок элементов устройства. Расчет проводят по формуле:

(t)=exp(-kl ·t·λi ·Ni) (3.2)

λi=ai·λOi, (3.3)= kl1·kl2· kl3, (3.4)

где λi - интенсивность отказов элементов при эксплуатации в заданных условиях, 1/ч; λOi - интенсивность отказов элементов при эксплуатации в номинальном режиме, 1/ч; ai - поправочный коэффициент интенсивности отказов, учитывающий влияние температуры окружающей среды и электрическую нагрузку; kl - коэффициент, учитывающий условия эксплуатации РЭС; kl1-поправочный коэффициент, учитывающий воздействие механических факторов (вибрации, ударные нагрузки); kl2 - поправочный коэффициент, учитывающий воздействие климатических факторов (температура, влажность); kl3 - поправочный коэффициент, учитывающий условия работы при пониженном давлении; kH - коэффициент нагрузки.

На основе изложенного подготовим необходимые для расчета исходные данные.

Поправочный коэффициент, учитывающий воздействие механических факторов при лабораторных условиях эксплуатации ударных воздействиях равен: kl1=1.

Поправочный коэффициент, учитывающий воздействие климатических факторов при влажности 90-98% и температуре 30-40°С равен: kl2=1,5.

Поправочный коэффициент, учитывающий условия работы при пониженном давлении при высоте 0-1 км равен: kl3=1,0 [14].

Таким образом, ki=1,0·1,5·1,0=1,5.

В таблице 3.2 представлены данные для окончательного расчета надежности по внезапным отказам.

Таблица 3.2 - Надежности по внезапным отказам

Наименование

Количество N, шт

Температура Т, °С

λOi min 10-6 , 1/ч

λOiср10-6 , 1/ч

λOimax10-6,1/ч

Кн

ai

ai·кi·N·λOimin 10-6 ,1/ч

ai·кi·N·λOiср 10-6 ,1/ч

ai·кi·N·λOimax 10-6 ,1/ч

Конденсатор электролити-ческий

2

50

0,003

0,35

0,513

0,4

0,28

0,002

0,029

0,43

Конденсатор керамический

3

50

0,042

0,15

1,64

0,5

0,5

0,094

0,337

3,69

Микросхема

17

60

0,01

0,02

0,03

0,5

0,4

0,102

0,204

0,306

Резистор Металлоплен-очный

48

50

0,004

0,2

0,4

0,5

0,7

0,202

10,08

20,16

Диод кремниевый

1

50

0,021

0,2

0,452

0,6

1,0

0,035

0,3

0,678

Кварц

1

50

0,02

0,2

0,45

0,5

0,6

0,02

0,18

0,405

Паяные соединения

445

50

0,01

0,01

0,01

0,3

0,4

2,167

2,167

2,167

Всего








3,122

13,8

23,339


Среднюю наработку до первого отказа без учета восстановлений определим из выражения:

C=1/kl ·аi ·λi ·Ni, (3.5)

max=1/3,122·10-6=32007,5 ч.ср.=1/13,8·10-6=72463б77 ч.min=1/28,339·10-6=35287,06 ч.

Вероятность безотказной работы с учетом поправочных характеристик, при заданной в техническом задании наработке на отказ Т=50000 часов без учета восстановлении равна:

РС(t)min= exp (-5000·28,339·10-6) = 0.867;

РС(t)ср. = exp (-5000·13,8·10-6) = 0,94;

РС(t)max = exp (-5000·3,122·10-6) =0,99.

Среднее время восстановления модуля определяется по формуле:

=(1/k)·TBi, (3.6)

где TBi - среднее время восстановления i-того модуля, ч; k - число модулей в блоке. Время восстановления модуля рассчитывается по формуле:

=ТИ+ТЛ+ ТЗi+ТУi +ТPi, (3.7)

где ТИ - время, необходимое для установления факта неисправности блока РЭС, ч; ТЛ - время, требуемое для локализации неисправности, т.е. установления, какой модуль вышел из строя, ч; ТЗI - время для демонтажа неисправного модуля, ч; ТУI - время для установки и электромонтажа исправного модуля, ч; ТPI - время, необходимое для возможной регулировки РЭС после установки исправного модуля, ч.

Учитывая особенности конструкции, зададим:

ТИ=0,05 ч; ТИ=0,5 ч; ТЗI=0,3 ч; ТУI= 0,25 ч; ТPI=0,25 ч.

ТB= 0,05+0,5+0,3+0,25+0,25=1,35 ч.

Вероятность восстановления РЭС за допустимое время восстановления tД, считая что моменты восстановления подчиняются распределению Эрланга, определяются по формуле:

=1-(1+2tД/ТВ)exp(-2 tД/ТВ), (3.8)

Приняв tД=ТВ, имеем РB=1-(1+2)exp(-2)=0,59

Среднюю наработку на отказ с учетом восстановления определяют по формуле:

ТOB=TO/((1+2 tД/ТВ)exp(-2tД/ТВ)), (3.9)

ТOB=50000/((1+2)exp(-2)) =121951 ч

Вероятность безотказной работы с учетом предыдущих отказов и восстановлений для произвольного момента времени необходимо рассчитать по формуле:

Р(t)=exp(-t·(1-РВ)/TО), (3.10)

Приняв t=5000 ч, производим расчет вероятности безотказной работы с учетом восстановлении:

Р(t)=exp(-((1-0,59)·5000)/50000))=0,96

По результатам выполненных расчетов можно сделать вывод, что средняя вероятность работоспособности блока за 5000 часов работы равна Рс(t)ср.=0,91. Вероятность работоспособности блока за 5000 часов работы с учетом потока восстановления равна Рс(t)=0,96.

Средняя наработка на отказ равна 50000 часов, что удовлетворяет нормам надежности для аппаратуры. Кроме того, расчет показателей надежности с учетом потока восстановлении дает возможность получить более конкретную оценку надежности блока.

3.2 Имитационное моделирование системы МПЦ-И

Безопасность функционирования и надежность МПЦ-И обеспечивается за счет:

использования трехканальной мажоритарной структуры ЭВМ зависимостей «2» из «3» с различным программным обеспечением в каналах резервирования; двухканальной структуры мажоритарных элементов, объектных контроллеров светофоров, стрелок, переездов и рельсовых датчиков; использования специальных средств безопасного ввода и вывода информации; применения устройств безопасного включения объектов управления;

высокой надежности современных микроэлектроннных компонентов, диагностики отказов, периодического контроля исправности элементов системы в каналах резервирования и своевременного их восстановления;

высоконадежной операционной системы QNX и помехоустойчивых протоколов обмена между модулями системы с малой вероятностью ошибки при передаче управляющих команд и пакетов информации о состоянии объектов;

введения допуска к формированию ответственных и особо ответственных команд путем использования специальной системы паролей, архивирования действий ДСП и процедуры двухканального ввода ответственных команд без пломбирования ответственных кнопок управления в нештатном режиме управления [22].

Функциональная безопасность микропроцессорных контроллеров также обеспечивается не только их безопасной двухканальной структурой, но и передачей информации по независимым линиям связи с идентификацией приемников и передатчиков, определенной структурой последовательного формирования и кодирования управляющих команд, а также использованием независимых питающих лучей и источников электропитания для каждого канала резервирования.

Устройства безопасного согласования контроллеров с объектами выполнены на простых первичных радиоэлектронных элементах и позволяют достаточно просто доказать функциональную безопасность при однократных и кратных отказах их элементов. Наличие принципиальных электрических схем, спецификаций и другой необходимой документации для расчета безопасности контроллеров и системы МПЦ-И в целом позволяют с уверенностью обеспечить и доказать ее функциональную безопасность, показатели которой для разработанной системы соответствует самым жестким отечественным и зарубежным требованиям.

При разработке аппаратного и программного обеспечения системы МПЦ-И учитывались требования по функциональной безопасности, предъявляемые к системам, непосредственно влияющих на безопасность движения поездов.

Для исключения ошибок в аппаратном и программном обеспечении проводятся широкие имитационные и стендовые испытания системы, для чего разработаны соответствующие методики и технические средства испытаний. На этапах разработки производится полная проверка выполнения правильности выполнения технологических алгоритмов и условий обеспечения безопасности в каждом канале резервирования; при работе системы с различными сочетаниями неисправностей отдельных каналов резервирования (например, работают или исправны только 1 и 2, 2 и 3, 1 и 3, 1 и 2 и 3 ЭВМ зависимостей).

Проверки производятся на специализированных имитационных программных моделях и испытательных стендах в соответствии с утвержденными технологическими алгоритмами и объемными методиками испытаний.

Испытания безопасности с помощью моделирования, которое является одной из основных методологических концепций, играющей ведущую роль в процессе анализа безопасности СЖАТ. При исследовании безопасности сложных технических систем моделирование является одним из основных средств ее оценки.

Моделирование предполагает формирование условного образа (модели) реальной системы и изучение его свойств с целью получения информации о реальной системе.

) Имитационное моделирование.

Основной формой системного анализа безопасности сложных технических систем является имитационное исследование, проводимое в рамках имитационных моделей, реализуемых на ЭВМ. При этом необходимо стремиться к наиболее полному учету всех существенных факторов. При имитации события разворачиваются во времени, как правило, в том порядке, в каком они следуют в реальной системе, но в измененной временной шкале.

Действие случайных факторов учитывается с помощью специальных датчиков случайных чисел (имитаторов), настроенных на соответствующе вероятностные распределения. В определенном месте процесс имитации на ЭВМ может быть приостановлен для проведения, например, операционной игры, экспертного опроса или натурного эксперимента с использованием промежуточных данных, полученных при машинной имитации. Результата игры, экспертизы или эксперимента могут быть использованы для продолжения имитации на ЭВМ [22].

Имитационное моделирование объединяет имитацию исследуемого явления и планирование эксперимента. Теория планирования эксперимента позволяет организовать имитационный эксперимент рациональным образом применительно к целенаправленному получению информации.

При имитационном моделировании сложных систем главным требованием является адекватность модели. Однако при высокой сложности реальной системы ее адекватная имитационная модель также становится довольно сложной. Одна реализация имитируемого явления (прогон модели) может быть весьма продолжительной, а сделать какие-либо содержательные вывода о свойствах системы по одной реализации, как правило, не удается. Проведение статистических имитаций в рамках модели при различных исходных данных может оказаться неприемлемым по времени. В этих условиях эффективными являются методы планирования эксперимента.

Имитационная модель (рисунок 3.1) представляет программно-технический комплекс с определенной точностью (на уровне шин данных, регистровых передач, ячеек памяти и т.п.).

Рисунок 3.1 - Диалоговое окно системы имитационного моделирования работы станции Бурундай

Имитационный эксперимент планируют либо с целью получения оптимальных значений факторов (задача оптимизации по определенным критериям), либо с целью получения аналитической зависимости выходной переменной (отклика) от контролируемых переменных (факторов) в достаточно широкой области изменения последних. Достоинством имитационного моделирования является возможность фиксации промежуточных значений различных показателей в процессе имитации подобно тому, как это имеет место при съеме данных в процессе функционирования реальной системы [22].

Для ускорения проведения испытаний с помощью различных видов моделирования используют вычислительную технику (машинное моделирование).

Испытания безопасности программно-технических комплексов, содержащих микропроцессорные БИС и другие интегральные схемы большой сложности, проводятся на имитационных машинных моделях.

Испытания производятся с внесением отказов в машинную модель при выполнении прикладных программ.

Данный вид испытаний позволяет оценить выбранную концепцию безопасности.

) Стендовые испытания

Цель стендовых испытаний - проверка безопасности функционирования всех составных элементов системы в комплексе, в их взаимодействии.

Стендовые испытания проводятся с помощью генератора входных технологических ситуаций и имитаторов объектов управления и контроля по специальным программам.

Длительность испытаний колеблется обычно от одного месяца до года. Это позволяет собрать определенные статистические данные об отказах и сбоях, которые используются для уточнения аналитических расчетов безопасности. Стендовые испытания проводятся с учетом влияния на безопасность опытного образца колебания питающего напряжения, электромагнитных, климатических и механических воздействий, возможных в условиях эксплуатации [22].

Программы стендовых испытаний предусматривают:

физическое моделирование отказов;

проверку электромагнитной совместимости;

колебания питающего напряжения;

испытания на электрическую прочность;

климатические испытания;

испытания на воздействие механических факторов;

специальные измерения.

) Испытания в условиях эксплуатации

Система допускается к опытной эксплуатации при наличии выданного независимей организацией, проводящей сертификационные испытания, положительного экспертного заключения по всем предшествующим этапам экспертизы, определённым программой обеспечения безопасности.

Данный вид испытаний проводится после пусконаладочных работ и имеет целью доказательство безопасности в реальных условиях и режимах эксплуатации, технического обслуживания и ремонта.

Длительность и характер испытаний устанавливаются в программе испытаний [22].

При наличии на объекте старой системы управления целесообразно включить новую систему последовательно или параллельно со старой. Это позволяет путем сравнения работы двух систем гарантированно зафиксировать случаи возникновения опасных отказов.

В течение всего срока испытаний фиксируются защитные и опасные отказы системы. Полученные данные используются для уточнения аналитических расчетов безопасности, выявления конструктивных и технологических недостатков систем, снижающих их безопасность.

Разработанные методики, технические и программные средства позволяют на этапах имитационного моделирования и стендовых испытаний выполнить качественную проверку технологических алгоритмов и программного обеспечения, провести необходимые испытания изготовленных шкафов управления, в первую очередь на функциональную безопасность.

Система имитационного моделирования работы системы МПЦ-И позволяет на ПЭВМ создавать любые поездные ситуации и управляющие действия оператора; обеспечивает проверку правильности разработки программного обеспечения и выполнения технологических алгоритмов; является основой для доказательства безопасности программного обеспечения.

На базе системы имитационного моделирования работы системы МПЦ-И разработан тренажер для дежурных по станции, позволяющий до пуска системы непосредственно на рабочем месте проводить их обучение и самообучение.

Настоящим прорывом в обучении оперативного персонала хозяйства перевозок является имитационный тренажер ДСП/ДНЦ. Наш тренажер разработан на базе реального автоматизированного рабочего места поездного диспетчера. Практические занятия на тренажере ДСП/ДНЦ позволяют работникам изучать и осваивать безопасные методы работы, закреплять навыки действий в стандартных и, что особенно важно, в нестандартных ситуациях.

Одной из основных составляющих, определяющих в современных условиях эффективность и безопасность работы железнодорожного транспорта, является уровень профессиональной подготовки кадров, способность работников дороги оперативно и оптимально действовать в процессе быстрого изменения условий управления, адекватно реагировать на нестандартные и чрезвычайные ситуации. Использование тренажеров для подготовки дежурных по станциям позволяет приобретать навыки работы на реальных станциях и улучшать показатели их работы. Тренажеры также позволяют отрабатывать действия в редко встречающихся нештатных ситуациях и, за счет этого, повышать безопасность движения.

Повышение качества и сокращение сроков подготовки дежурных по станции и, как результат, повышение безопасности движения и снижения расходов на перевозки.

В процессе тренировки подробно моделируется технологический процесс выбранной железнодорожной станции. При этом осуществляется имитация оперативных переговоров, которые дежурный по станции ведет в процессе работы в звуковой и текстовой форме. В тренажере обеспечен режим обучения. Тренажер предусматривает возможность работы в условиях нарушения нормального функционирования средств станционной автоматики. В процессе работы на тренажере фиксируются все допущенные ошибки. По результатам тестирования определяются основные показатели тренировки. Управление тренажером выполняется с помощью манипулятора «мышь» и клавиатуры. Возможно создание тренажера для любой станции с любыми способами управления стрелками и сигналами. Требования к ЭВМ: операционная система Windows XP, монитор 17", 50 МБ на жестком диске.

В настоящее время подготовка дежурных по станциям реализуется с помощью аппаратных тренажеров, для которых характерна большая стоимость аппаратной части, значительные эксплуатационные расходы на содержание, потребность в помещениях для размещения. Реализация тренажера на базе стандартной ПЭВМ позволяет исключить эти недостатки. Известные разработчикам компьютерные тренажеры дежурных по станциям ориентированы либо на имитацию действий пульта-табло, либо представлены в виде ситуативных тестов и значительно уступают разработанному тренажеру в детальности имитации технологических процессов.

При обучении на тренажере используется одна из версий:

«локальная» - при использовании данной версии каждый пользователь обучается индивидуально, независимо от других, выбирает полигон, деловую игру и приступает к обучению;

«сетевая» - при использовании данной версии на одном полигоне обучается группа пользователей с распределением ролей. Количество и тип учебных ролей зависит от выбранного полигона. В отличии от локальной версии в сетевой отрабатывается взаимодействие между оперативными работниками, и преподаватель имеет возможность со своего рабочего места контролировать ход деловой игры, вносить корректировки: имитировать нестандартные ситуации, менять вводные [22].

Тренажер моделирует работу ЭЦ железнодорожных станций, блокировки на перегонах, движение подвижных единиц. В нем реализованы различные типы станций, а пульт-манипулятор, компьютерный или аналоговый, полностью копирует работу реальных устройств.

При обучении на тренажере обучаемому предлагается пульт-манипулятор со всеми элементами управления, присутствующими в реальных условиях: путевое развитие станции, повторители светофоров, кнопки задания/отмены маршрутов, рукоятки индивидуального перевода стрелочных переводов, амперметр, вспомогательная кнопка, искусственная разделка, установка красных колпачков, перевод стрелок с помощью курбеля, запирание на закладку и навесной замок, вспомогательная смена направления движения по АБ и т.д. Моделируется работа локомотивного депо, работа на путях необщего пользования, восстановительный поезд, ускорение игрового времени [22].

Важно, что инженеры-преподаватели без участия разработчика могут на тренажере ДСП/ДНЦ самостоятельно смоделировать практически любую нестандартную ситуацию: ложная занятость, ложная свободность, неисправности стрелок и светофоров, неисправность тормозов у локомотива, уход вагонов и многие другие. Задача обучаемого - отработать свои действия при возникновении подобных ситуаций.

Базовое ядро программного обеспечения МПЦ-И является неизменным для всех станций, а прикладное ПО формируется автоматически на базе конфигурационного файла станции, который составляют параллельно независимые технологи-проектировщики (не программисты) с последующим сравнением формализованных таблиц и данных. Это существенно облегчает доказательство безопасности МПЦ-И для конкретных станций, так как практически основное доказательство выполняется один раз для базового ядра программного обеспечения.

Особое внимание при производстве микропроцессорных контроллеров уделяется процедуре их правильного программирования (прошивки) с последующим сравнением с эталонным архивным файлом, а также проведением необходимых стендовых испытаний в составе комплекса программно-аппаратных средств МПЦ-И. Контроль кодов прошивок производится как перед отгрузкой оборудования, так и непосредственно перед вводом в эксплуатацию всей системы.

Стендовые испытания на функциональную безопасность и правильность выполнения технологических алгоритмов позволяют максимально приблизить систему, которая поставляется на объект, к эксплуатационным условиям. Достоверность испытаний достигается за счет использования реальных ЭВМ зависимостей «2» из «3», АРМ ДСП, двухканальных объектных контроллеров светофоров, стрелок, переездов и рельсовых датчиков, использования специальных средств безопасного ввода и вывода информации [22].

Объемная методика стендовых испытаний позволяет не только проверить правильность выполнения технологических алгоритмов, но и их безопасное исполнение на реальных технических средствах с верифицированным на безопасность программным обеспечением.

В состав стенда входят шкафы управления и все используемых технические средства, в том числе стрелочный электропривод, лампы поездных, маневровых и переездных светофоров, рельсовые датчики, имитаторы перегорания ламп светофоров, занятия и освобождения путевых участков.

Важным аспектом при доказательстве безопасности, производстве и корректировке программного и аппаратного обеспечения в процессе эксплуатации МПЦ-И является наличие у разработчика и открытость принципиальных электрических схем, спецификаций, исходных кодов программ и другой необходимой документации на изготавливаемые изделия, которая может быть представлена для специалистов. Это особенно важно при выборе типов микропроцессорных контроллеров, принципиальные схемы и программные продукты для которых во многих случаях закрыты для Заказчика, экспертов и специалистов, что не позволяет правильно определить показатели их функциональной безопасности, а также проанализировать поведение системы при однократных и кратных отказах каналов резервирования. Этот факт не является принципиальным для многих систем управления, например, в металлургической промышленности, но для объектов с непосредственным влиянием на безопасность движения поездов, особенно на станциях с перевозкой пассажиров, разрядных и опасных грузов, нефтепродуктов и жидкого металла игнорирование этого факта является недопустимым.

4. ЭКОНОМИЧЕСКАЯ ЧАСТЬ

4.1 Расчет эффективности внедрения системы МПЦ-И

По мнению зарубежных специалистов и казахстанских ученых, имеющие место на практике большие капитальные вложения в МПЦ экономически оправданны и окупаются только на больших станциях (от 40 стрелок и более), расположенных на участках с большими размерами движения.

Особенность МПЦ состоит в том, что на вычислительные средства в таких системах возлагаются функции безопасности, что предопределяет:

. Применение аппаратной избыточности безопасного управляющего вычислительного комплекса.

Специализированных электронных компонентов для увязки с оборудованием СЦБ.

. Специализированных программных средств, работающих в масштабе реального времени с жестким контролем регламента выполнения задач.

Именно это обстоятельство, а также «не прозрачность» реализации алгоритма работы системы по сравнению с традиционными релейными схемами приводит к значительным дополнительным затратам при разработке и доказательстве безопасности МПЦ. Поэтому реконфигурация путевого развития горловин (это особенно важно для промышленных и портовых станций) при МПЦ в значительной степени более сложная и соответственно более дорогая, чем для релейных или релейно-процессорных систем.

Таким образом, по сравнению с РПЦ, реализация в МПЦ функций безопасности средствами вычислительной техники определяет увеличение капитальных вложений при строительстве как в оборудование, так и в работы по монтажу и пуско-наладке, в то время как РПЦ требует увеличения инвестиций на 10-20% по сравнению с релейными системами.

Рассмотрим источники экономической эффективности при внедрении электрической централизации на основе использования вычислительной техники. Оказывается, что основные статьи экономической эффективности для РПЦ и МПЦ совпадают, в частности это:

. Сокращение площадей служебно-технических помещений поста ЭЦ.

. Сокращение потерь в перевозочном процессе.

. Расширение функциональных возможностей систем, таких как:

выполнение функций контролируемых пунктов ДЦ;

телеизмерение, диагностика;

протоколирование и архивация (функции «черного ящика»);

объединение зон управления нескольких ДСП (мини- ДЦ) и сокращение персонала дежурных;

автоматизация управления заданием маршрутов - авторежимы;

интеграция функций других систем (оповещение монтеров пути, очистка стрелок);

обеспечение ДСП нормативно-справочными данными;

ведение электронных журналов, переход на безбумажную технологию документооборота.

Релейно-процессорная централизация позволяет высвободить до 30% площади релейного помещения, в то время как микропроцессорная централизация до 50%. В некоторых случаях эти площади могут быть использованы под другие нужды. Однако экономия при строительстве за счет сокращения служебно-технических помещений несущественна, поскольку площадь релейного помещения по отношению к общей площади здания составляет не более 7%, а основные затраты по-прежнему определяются устройством водоснабжения, канализации, электроснабжения поста от независимых фидеров и другие не связанные с типом ЭЦ.

С точки зрения строительства больший эффект дает применение новых типов питающих установок на основе необслуживаемых аккумуляторов, что позволяет исключить специализированные аккумуляторные помещения и удешевить систему приточно-вытяжной вентиляции. Такие питающие устройства применяются и в микропроцессорных, и в релейно-процессорных централизациях, являясь их общим преимуществом перед релейными системами, как с точки зрения экономии затрат при строительстве зданий, так и с точки зрения сокращения потерь в перевозочном процессе, за счет полноценного функционирования станции даже при аварийном отключении всех источников питания.

Также к сокращению потерь в перевозочном процессе при РПЦ и МПЦ ведут следующие факторы:

интеллектуальный интерфейс системы, снижающий вероятность неправильных или несвоевременных действий дежурного по станции (речевые подсказки и логический контроль над действиями человека);

расширенный объем предоставляемой информации (по перегонам, переездам и др. объектам контроля)

более высокие показатели надежности за счет резервирования микропроцессорной части системы (объективно даже по сравнению с релейными системами эта составляющая будет незначительна, поскольку большую часть дают отказы не постового, а напольного оборудования и по этой причине сокращения эксплуатационного обслуживающего персонала не происходит).

Таким образом, основной эффект по сравнению с релейными системами определяется расширением и появлением новых функциональных возможностей систем ЭЦ, набор которых для РПЦ и МПЦ на практике одинаковый и является сервисным, а при наличии вычислительной техники может эквивалентно дополняться для обеих систем.

Дополнительно следует отметить, что называют еще ряд факторов экономии эксплуатационных расходов при внедрении электрической централизации на основе использования вычислительной техники, однако существенными их признать нельзя. Так на практике при внедрении РПЦ и МПЦ не отмечается сокращения электроэнергии, поскольку более высокое, но кратковременное ее потребление (включение реле, горение лампочек на табло только на момент установки и использования маршрута) в релейных системах оказывается соизмеримым с более низким, но зато непрерывным потреблением электроэнергии вычислительными средствами в РПЦ и МПЦ.

Также не следует планировать сокращения эксплуатационных расходов на материалы и ЗИП, поскольку, прежде всего для МПЦ, оборудование вычислительной техники и специализированных модулей будет более дорогим по сравнению с реле. А низкий ресурс отдельных компонентов (монитор, мышь, клавиатура, вентиляторы системных блоков и процессоров) потребуют дополнительных расходов для обеспечения периодической замены.

Через 5-10 лет эксплуатации могут возникнуть трудности при замене отказавшей аппаратуры МПЦ на новую, из-за необходимости доказательства безопасности и совместимости эксплуатируемой программы с изменившейся из-за бурного развития вычислительной техники аппаратной платформой.

Как уже ранее отмечалось, не следует ожидать сокращения обслуживающего персонала по причине сохранения традиционного напольного оборудования, которое и определяет основные регламентные работы и служит причиной основной части отказов (более 70%).

Очевидно, что при выборе системы ЭЦ на нынешнем этапе не следует применять морально устаревшие релейные системы.

При практически равных функциональных возможностях РПЦ и МПЦ в настоящее время более экономически оправданным является применение именно релейно-процессорных систем.

Однако в перспективе с накоплением мирового опыта тиражирования безопасных систем, дальнейшим совершенствованием элементной базы и появлением конкуренции на рынке разработчиков микропроцессорных систем электрической централизации, возможно, произойдет снижение стоимости МПЦ, что позволит экономически оправдано применять их для любого полигона, в том числе для малых станций, сложных увязок в узлах, для групп станций в портах и на крупных промышленных предприятиях.

Экономическую эффективность внедрения электрической централизации определяем для сортировочной станции по сравнению с ручным управлением стрелками.

Ускорение операций по заданию и разделке маршрутов, их секционное размыкание, а также наличие информации о состоянии путей и стрелок при электрической централизации позволяют сократить непроизводительные стоянки поездов на станции по сравнению с МКУ. Это время выражается числом сберегаемых поездо-часов простоя, которое определяют с учетом комплексного влияния способов управления стрелками и неравномерности движения поездов на станции. Ручное управление требует большего количества в штате станции дежурных стрелочных постов. На установку маршрутов стрелочными постами тратится много времени. При оборудовании станции ЭЦ за счет сокращения времени на приготовление маршрутов уменьшается станционный интервал и тем самым увеличивается пропускная способность станции. Система ЭЦ исключает содержание штата дежурных стрелочных постов.

Влияние электрической централизации на улучшение количественных и качественных показателей работы транспорта определяется для многих показателей.

Количество стрелок на станции - 32 стрелок.

Размер движения поездов Nрасч = 35 пар поездов.

Количество маневровых передвижений на станции Nманевр = 45 поездов.

Среднее число вагонов в маневровом передвижении mср = 15 вагонов

Расходы на содержания 1 стрелки МКУ - 358,324 тыс. тенге

Расходы на содержания 1 стрелки ЭЦ - 16,884 тыс. тенге

Среднее количество вагонов в маневровом составе mм - 8 вагонов.

Среднее количество вагонов в поездном составе m - 30 вагонов.

Цена четырехосного вагона Цв=96,6 тыс. тенге.

Стоимость строительства ЭЦ по укрупненным показателям на 1 стрелку 256 тыс. тенге

Стоимость строительства МКУ по укрупненным показателям на 1 стрелку 60 тыс. тенге

Рд динамическая нагрузка на вагон - 30 тонн

Цгр средняя цена 1 тонны груза - 4,5 тыс. тенге

Экономия эксплуатационных расходов в тысячах лет от сохраненных поездо-часов Эпч, вагоно-часов Эвч и маневровых локомотиво-часов Элч:

DЭм=DЭпч +DЭвч +DЭлч (4.1)

Годовая экономия эксплуатационных расходов за счет уменьшения поездосчасов простоя :

DЭпч =Упч · Ntэк · 365, (4.2)

где Упч = 276,08 тенге - укрупненная расходная ставка на 1 поездо-час простоя грузового поезда.

Число сберегаемых поездо-часов простоя, при устройствах ЭЦ:

эк =(tмр-tмэц)·(2·Nрасч)/60, (4.3)

эк =(4-0,5)·(2·35)/60 =4,08 поездо-часов,

где: tмр(3-6 мин) - время приготовления и проверки маршрута при ручных стрелках; tмэц(0,2-0,3мин) - время приготовления и проверки маршрута при электрической централизации;

DЭпч=276,08·4,08·365=411,36 тыс. тенге

Экономия эксплуатационных расходов в тысячах тенге по маневровым
локомотиво-часам:

DЭлч=Улч·Мtэк·365 (4.4)

где Улч=141,07 тенге - укрупненная расходная ставка эксплуатационных расходов на одни локомотиво-час маневровой работы, определяется по укрупненным расходным ставках.

Число сберегаемых локомотиво-часов, при устройствах ЭЦ:

Мtэк=∆tсрм·Чл/60=1,8·45/60=1,3 локомотиво-час, (4.5)

где: ∆tсрм - среднее сберегаемое время на одно маневровое передвижение, мин (∆tсрм=2-0,2=1,8 мин.); Чл - число маневровых передвижений в сутки;

DЭлч=141,07·1,3·365 =66,94 тыс. тенге

Экономия эксплуатационных расходов по вагоно-часов от ускорения выполнения маневровых заездов:

DЭвч=Увч·ntэк·365, (4.6)

где Увч=0,67 тенге - укрупнена расходная ставка текущих расходов, связанных с простоем вагонов и отнесенных к 1 вагоно-часу; ntэк - суточная экономия вагоно-часов простоя при маневрах;эк =∆tсрм·mм/60=1,8·15/60=0,45 вагоно-час,

где mм - среднее число вагонов в маневровом передвижении;

DЭвч =0,67·0,45·365 =110,04 тенге.

Итак DЭм=110,04 тенге + 66,94 тыс.тенге + 411,36 тыс.тенге = 588,34 тыс. тенге.

Эксплуатационные расходы, связанные с содержанием устройств при ручном управлении стрелками, оборудованными МКУ

ΣЭс = Эр+ Iар, (4.7)

где Эр - расходы по содержанию МКУ; Iар - амортизационные отчисления в размере 7 % в год стоимости устройств МКУ.

Расходы:

Эр = nстр·Iстр, (4.8)

где Iстр=30324 тенге - стоимость содержания ручного стрелочного перевода, принятая по нормам эксплуатационных расходов, связанных с содержанием устройств.

Эр =32·30324=970368 тенгеар =60000·30·0,07=26 тыс. тенге

Эс=970368+126=970,494 тыс. тенге

Эксплуатационные расходы, необходимые на содержание ЭЦ

Эпр=Эц+Iац, (4.9)

где Эпр - расходы по содержанию устройств ЭЦ, тыс. тенге; Iац - амортизационные отчисления в размере 6,2 % в год от стоимости строительства устройств ЭЦ, тыс. тенге

Расходы:

Эц=nстр·Iспц, (4.10)

где nстр - число централизованных стрелок на станции; Iспц = 16884 - стоимость содержания централизованного стрелочного перевода, тыс. тенге.

Эц=32·16884 =540,288 тыс.тенгеац=32·256·0,062=507,904 тыс.тенге

Эпр=540,288+507,904=1048,192.тенге

В расчете снижения эксплуатационных расходов от сокращения численности штата обслуживающего персонала определяют численность эксплуатационного штата, занятого обслуживанием устройств автоматизации (СЦБ), службы движения и пути. При ручном управлении эксплуатационный штат:

Ч1=Ш1+Д1, (4.11)

где Ш1 - штатный контингент службы сигнализации и связи (измеритель-стрелка МКУ); при 32 стрелки в штат входит один электромеханик и один электромонтер СЦБ); Д1 - штатный контингент службы движения включает дежурных стрелочных постов при нормативе одна должность в смену в обслуживание на шесть стрелочных переводов. Д1 - принимаем равным 20 человекам.

Р1 =2 + 5·4=22 человека

При электрической централизации штат:

Ч2 =Ш2+П2, (4.12)

где Ш2 - штатный контингент службы сигнализации и связи; принимается из расчета один электромеханик и электромонтер СЦБ на 24 централизованных стрелок; Ш2 - принимаем равным 2 эл.механикам и 2 электромонтерам. П2 - штатный контингент службы пути; включает монтеров пути по очистке и текущему содержанию централизованных стрелочных переводов из расчета 0,02 чел. на один централизованный перевод. П1 принимаем равным 1 монтеру пути.

Ч2 =4+ 1 = 5 человек

Сокращение эксплуатационного штата на одну стрелку ЭЦ

DР=(Ч1-Ч2)/nстр=(22-5)/32=0,531 чел. (4.13)

Сокращение трудоемкости эксплуатации устройств ЭЦ в человеко-днях в год

DТе=DР·365·nстр, (4.14)

DТе =0,531·365·32=6202,08 человеко-дней

Экономия фонда заработной платы в результате изменения численности обслуживающего персонала:

Сфз= Срз - Сцз, (4.15)

где Срз - годовой фонд заработной платы при ручном управлении, тыс.тенге.; Сцз - годовой фонд заработной платы при ЭЦ, тыс.тенге.

Оклад механика СЦБ - 137 000 тенге;

Оклад монтера СЦБ - 77 00 тенге;

Оклад монтера пути - 120 000 тенге;

Оклад дежурного стрелочного поста - 140 000 тенге;

Срз= 12·(137000+77000+20·140000)=36168 тыс.тенге

Сцз=12·(2·137000+2·77000+120000)=6576тыс.тенге

Сфз = 36168-6576=29,592 тыс.тенге

Сокращение времени пребывания поездов на станции ускоряет оборот локомотивов и вагонов, что снижает потребность в них для освоения заданного объема перевозок. Число локомотивов, которые высвобождаются:

DМл = DМлп +DМлм, (4.16)

где DМлп, DМлм - число высвобожденных поездных и маневровых локомотивов соответственно.

Число поездных локомотивов

DМлп = Ntэк/(24kр ), (4.17)

где kр - коэффициент, который учитывает объем суточной работы локомотива с поездами и равный: 0,65 для тепловозов;

DМлп = 4,08/(24·0,65) =0,262 поездных локомотивов,

Число высвобождаемых маневровых локомотивов

DМлм = Мtэк / (24kмр), (4.18)

где kмр - коефициент, что учитывает занятость маневрового локомотива маневровой работой и ровный в среднем 0,55 - 0,65.

DМлм = 1,3 / (24·0,6) = 0,09 маневр. локомотивов

DМл = 0,262 + 0,09 = 0,352 локомотивов.

Число высвобождающихся вагонов:

Dmв =Dmвп + Dmвм , (4.19)

где Dmвп, Dmвм - число высвобождающихся вагонов, в поездах и при маневрах соответственно.

Число высвобождающихся вагонов в поездах:

Dmвп=1,17Ntэк·m / 24, (4.20)

где 1,17 - коэффициент, который учитывает часть вагонов, которые находятся| в ремонте и резерве; m - число физических вагонов в поезде (в среднем 50).

Dmвп =1,17·4,08·50 / 24 = 9,945 вагонов

Число высвобождающихся вагонов при маневрах:

Dmвм =1,17·ntэк·mм / 24, (4.21)

где mм - число вагонов в одном маневровом передвижении.

Dmвм = 1,17·0,45·8 / 24 = 0,1755 вагонов

Dmв = 9,945 + 0,1755 = 10,1205 вагонов

Изменение капитальных вложений в локомотивны парк и локомотивное хозяйство:

DКлп=(DМлп·(Цлп +Кр·Клх )+DМлм·(Цлм +Кмр·Клх))·kн , (4.22)

где Цлп,Цлм - стоимости соответственно поездных и маневровых локомотивов; Клх - капитальные вложения в развитие ремонтной базы локомотивов, которые приходятся на один локомотив эксплуатируемого парка; kн - коэффициент, который учитывает срок службы локомотивов, которые высвобождают, равен 0,6 - 0,8.

DКлп = (0,262 (3307,1 + 100) + 0,09·(1512 + 100)) 0,6 = 2131,308 тыс. тенге

Изменение капитальных вложений DКв в вагонный парк и вагонное хозяйство:

DКв=DКвп + DКвх, (4.23)

где DКвп - капитальные вложения в вагонный парк, тыс. тенге.;

Капитальные вложения:

DКвп =(Dmвп+Dmвм)·Цв = 10,1205·96600= 977,64 тыс. тенге

где Цв - средняя стоимость четырехосного вагона; DКвх - капитальные вложения в вагонное хозяйство, тыс.тенге.

Капитальные вложения:

DКвх =DКвп·0,07, (4.24)

где 0,07 - коэффициент, который учитывает срок службы вагонов, которые высвобождают.

DКвх =977,64·0,07= 68,434 тыс. тенге

DКв =10,1205+68,434 = 78,5553 тыс. тенге

Стоимость высвобожденных грузов «на колесах»:

DКг=Dmвп·Рд·Цгр=9,945·30·4,5=1,342тыс. тенге, (4.25)

где Рд - динамическая нагрузка на вагон; Цгр - средняя цена 1 тонны груза;

Кпр=32·256=8192 тыс.тенге

Кс =nстр·Ксу, (4.26)

где nстр - число стрелок на станции, оборудованных существующими устройствами; Ксу - первичная стоимость устройств, которые приходятся на одну стрелку.

Кс =32·60 =1920 тыс.тенге

Ал =0,1·Кс=0,1·1920 = 192 тыс.тенге

Оборотные суммы Авс определяются по свободному сметному расчету на строительство ЭЦ или принимаются ровными 0,51% капитальных вложений Кпр.

Авс=0,0051·8192=41,7792 тыс.тенге

Годовая экономическая эффективность:

Эг=(Эс-Эпр)+Эм+Сфз+(Кпр-(DКлп +DКв + DКг +Ал +Авс))·0,15, (4.26)

где 0,15 - коэффициент эффективности.

Эг=(1048,192-970,494)+588,34+29,592+0,15·(8192-(2131,308+78,5553+ +1,342+192+41,7792))=24,078 тыс.тенге

Срок окупаемости:

ок =[Кпр-(DКлп+DКв+DКп+DКг+Ал+Авс)]/(Эс -Эпр)+Эм+Сфз, (4.27)

ок =[8192-(2131,308+78,5553+1,342+186 +41,7792)]/((1048,192-970,494)+ +588,34+29,592)= 2,37 лет

Вывод: на основе проведенных расчетов мы видим, что экономическая эффективность устройств ЭЦ лучше по сравнению с устройствами МКУ. Срок окупаемости устройств ЭЦ составляет две с половиной лет.

Таким образом, при строительстве электрической централизации стоимостью 1458 млн. тенге, которое окупится через 2,37 лет, эффективность будет следующая (таблица 4.1).

Таблица 4.1 - Экономическая эффективность строительства электрической централизации

Экономический эффект

Сумма

1

Годовая экономия эксплуатационных расходов за счет уменьшения поездо-часов, тыс. тг

411,36

2

Экономия капиталовложений за счет высвобожденных грузов «на колесах», тыс. тг

1,342

3

Экономический эффект от ускорения доставки грузов в вагонный парк, тыс. тг

977,64

4

Экономический эффект от ускорения доставки грузов в вагонное хозяйство, тыс. тг

68,434

5

Срок окупаемости, лет

2,37


5. ОБЕСПЕЧЕНИЕ БЕЗОПАСНОСТИ ЖИЗНЕДЕЯТЕЛЬНОСТИ

5.1 Техника безопасности при монтаже, эксплуатации и ремонте оборудования контактной сети

Техника безопасности - это система организационных и технических мероприятий и средств, предотвращающих воздействие на работающих опасных производственных факторов, приводящих к травме.

При эксплуатации электроустановок человек может оказаться в зоне действия электромагнитного поля или в непосредственном соприкосновении с токоведущими частями, в результате чего по его телу будет протекать электрический ток.

При выполнении работ в электроустановках электромонтёр обязан чётко выполнять все требования, инструкции, а также правила безопасности, что полностью обеспечит его безопасность. Большая часть работ выполняется на высоте. Для предотвращения падения с высоты необходимо применять страхующие приспособления.

В связи с тем, что в условиях интенсивного движения поездов часть работ выполняется под напряжением и без перерыва в движении, должны применяться исправные и испытанные изолирующие средства, а работающая бригада должна быть ограждена сигналистами по указанию руководителя работ.

В тех случаях, когда работа выполняется со снятием напряжения, нужно помнить, что на участках электрифицированных на переменном токе, в проводах контактной сети и ВЛ возникает опасное для жизни наведённое от соседних путей напряжение. Только на отключённой и заземлённой линии можно работать без применения изолирующих средств.

Ответственными за безопасность при выполнении работ являются: лицо, выдающее наряд или отдающее распоряжение на производство работ, дежурный энергодиспетчер и электромеханики пунктов группировки станций стыкования; руководитель работ; наблюдающий; члены бригады.

В отношении мер безопасности установлены следующие 4 категории работ:

со снятием напряжения и заземлением;

под напряжением;

вблизи частей, находящихся под напряжением;

вдали от частей, находящихся под напряжением.

При всех категориях работ во избежание поражения электрическим током следует выполнять основное правило электробезопасности: все элементы (части) контактной сети, ВЛ и связанного с нею оборудования на месте работы должны находиться под одним потенциалом, для чего они электрически соединяются друг с другом заземляющими или шунтирующими штангами, разъединителями, шунтирующими перемычками и т.д.

При работах со снятием напряжения и заземлением, а также вблизи частей, находящихся под напряжением, запрещено:

работать в согнутом положении, если расстояние от работающего при его выпрямлении до опасных элементов окажется менее 0,8 м;

работать при наличии опасных элементов двух сторон на расстоянии менее 2 м от работающего;

работать над опасными элементами, не имеющими ограждений;

выполнять работы на расстоянии менее 20 м от места секционирования и подключения шлейфов секционных разъединителей, которыми осуществляются отключения контактной сети при подготовке места работы;

пользоваться металлическими лестницами.

При выполнении работ под напряжением и вблизи частей, находящихся под напряжением, в бригаде должна быть заземляющая штанга.

Техническими мероприятиями по обеспечению безопасности работ являются:

закрытие путей перегонов и станций для движения поездов, выдача предупреждений на поезда и ограждение места работ;

снятие рабочего напряжения и принятие мер против ошибочной подачи его на место работы;

проверка отсутствия напряжения;

наложение заземлений;

освещение места работы в тёмное время суток.

При выполнении работ без ограничения размеров движения до установки на путь изолирующая съёмная вышка должна быть ограждена, около неё постоянно должно находиться не менее четырёх человек, включая руководителя работ и работающих наверху электромонтёров. На рабочей площадке вышки должно находиться не более двух человек. Перед началом работы необходимо выполнить основное правило: завесить две шунтирующие штанги на контактный провод.

Характеристики производственных помещений приведены в Правилах устройства электроустановок (ПУЭ) и в правилах технической эксплуатации электроустановок потребителей. Электроустановки должны отвечать требованиям ПУЭ, контактные сети правилам содержания контактной сети электрифицированных железных дорог и эксплуатироваться в строгом соответствии с Правилами технической эксплуатации электроустановок потребителей и Правилами техники безопасности при эксплуатации электроустановок потребителей, а также указанными ведомственными правилами техники безопасности.

При техническом обслуживании, ремонте и испытании следующих действующих электроустановок железнодорожного транспорта:

контактной сети постоянного и переменного тока напряжением 3; 25 и 2х25 кВ, в том числе и устройств станций стыкования;

ВЛ всех напряжений до 35 кВ включительно, расположенных на поддерживающих конструкциях контактной сети и отдельно стоящих опорах;

трансформаторных подстанций, подключённых к ВЛ;

кабельных линий, относящихся к перечисленным выше линиям электропередачи и станциям стыкования ;

инструкция по технике безопасности электромонтёров контактной сети является обязательной.

Настоящую Инструкцию, а также разработанные на её основе местные инструкции обязаны знать и выполнять электромонтёры, обслуживающие электроустановки, а также административно-технический персонал, руководящий техническим обслуживанием и ремонтом контактной сети, ВЛ и связанного с ней оборудования.

Несоблюдение Инструкции является нарушением трудовой и технологической дисциплины.

В качестве естественного заземлителя используется железобетонный фундамент здания ЭЧ шириной 14 м и длиной 45 м. Параметры грунта в месте нахождения склада следующие:

Удельное электрическое сопротивление песка (верхнего слоя земли)

ρ1 = 350 Ом∙м;

Удельное электрическое сопротивление глины (нижнего слоя земли)

ρ2 = 140 Ом∙м;

Толщина верхнего слоя h1 = 2 м.

Необходимо определить сопротивление растеканию железобетонного фундамента здания ЭЧ Re.

Сопротивление растеканию железобетонного фундамента здания ЭЧ. В связи с тем, что наибольшее допустимое значение сопротивления заземляющего устройства для установок напряжением до 1000 В составляет 4 Ом - при суммарной мощности генератора или трансформаторов, питающих данную сеть, более 100 кВ∙А, то в данном случае необходимо использовать дополнительные искусственные заземляющие устройства.

Поэтому уменьшаем последовательно р до тех пор, пока Rе £ R3, т.е. выполняем расчет методом постепенного приближения.

При р = 0,1; aв = 0,61, то R е= 2,9 Ом

Таким образом, требуемая длина горизонтальной части заземлителя

г = l/р = 2,8 / 0,1 = 28 м,

где l = 2,8м - длина вертикальных стержней, число вертикальных стержней


Таким образом, требуемая горизонтальная полоса длиной 28 м, а число вертикальных стержней равняется 11 единицам.

Перевод железнодорожного транспорта на электрическую тягу способствует улучшению экологической обстановки, исключается влияние вредных выбросов. Дальнейшая электрификация железных дорог, замена тепловозов электровозами, позволяет исключать загрязнение воздуха отработавшими газами дизельных двигателей. Основной путь снижения выбросов токсичных веществ тепловозами заключается в уменьшении их образования в цилиндрах двигателей, правильной эксплуатации тепловозов.

Для защиты окружающей природной среды необходимо наряду с ограничением дыма бороться с искрами, источниками которых являются газоотводные устройства, чугунные тормозные колодки.

Применение тормозных колодок из синтетических и композиционных материалов устраняет искрение и, кроме того, сохраняет расход чугуна.

К основным мероприятиям по охране водоёмов от загрязнений относятся строительство и реконструкция очистных сооружений в узлах, внедрение оборотного водоснабжения, нормирование расхода воды и уменьшение сброса неочищенных стоков, создание более современных и экономичных средств и методов очистки производственных и бытовых сточных вод, сокращение потерь воды.

Хорошо зарекомендовали себя при очистке сточных вод флотационные установки, в основном от загрязнения нефтепродуктами. Эти установки позволяют удалять из стоков 90-95% загрязнений, что уменьшает загрязнение вод при стоках. Для сбора и очистки поверхностных стоков с территории станций и других предприятий железнодорожного транспорта применяют флотаторы-отстойники, снижающие загрязнённость стоков на 90-99%.

Для очистки производственных сточных вод сооружают также биологические пруды.

Для защиты от шума при проектировании железных дорог необходимо предусматривать в городах обходные линии для пропуска транзитных грузовых поездов. Разделение линии станции от жилых построек в городах - 100 м, посёлках - 50 м.

Сортировочные, пассажирские и грузовые станции должны находиться от жилой зоны на расстоянии не менее 300 м. Установки шумопоглащающих экранов на расстоянии 2,5 м от оси пути, высотой 1,5 м, при этом уровень шума может быть снижен на 10 дБл.

Также снижают уровень шума зелёные насаждения вдоль полотна.

Совершенствование конструкций подвижного состава и пути сопровождаются понижением шума. Широко используются шумопоглащающие материалы, которые снижают уровень шума на 7 дБл.

Разработанные мероприятия позволяют снизить уровень шума на скоростной дороге до 80 дБл.

На участках, электрифицированных на переменном токе, тяговая сеть и система ДПР оказывает значительное индуктивное влияние на провода, расположенные вдоль железной дороги провода связи, линии управления разъединителями контактной сети, линии напряжением до 1000В, а также отключённые провода контактной сети и ДПР. В этих проводах наводится напряжение, создающее опасность для обслуживающего персонала. Поэтому при производстве работ необходимо обеспечивать надёжное заземление проводов, подверженных индуктивному влиянию с двух сторон от места работы.

Электрическое поле оказывает на человека биологическое воздействие, а также воздействует электрическими разрядами.

Продолжительность пребывания работающего в условиях воздействия напряжённости электрического поля регламентируется значениями.

В электрическом поле напряжённостью более 25 кВ/м допускается пребывание людей только в специальных экранирующих костюмах.

Раздражающее действие тока электрического разряда, вызванного нахождением человека в электрическом поле, особенно сильно в случае непосредственного соприкосновения с контактной подвеской, находящейся под напряжением при отсутствии шунтирующих штанг. Наибольшими токи в переходном режиме при касании контактной сети переменного тока, находящейся под напряжением, будут вблизи тяговой подстанции.

Рабочие площадки изолирующих устройств частично экранируют человека относительно земли.

Предельно допустимые уровни (ПДУ) напряжённости электромагнитных полей установлены «Санитарными нормами и правилами защиты населения от воздействия электрического поля, создаваемого воздушными линиями электропередачи переменного тока промышленной частоты»

Расстояния приближения определяют исходя из низкого значения разрядного напряжения для изоляционного расстояния при максимальном коммутационном или атмосферном перенапряжении с учётом различных атмосферных условий и любых конфигураций элементов промежутков, расположением работающего (опорной точки), возможными его наклонами и перемещением рук. В горизонтальном направлении эта сфера ограничивается длиной вытянутой руки вперёд, а в вертикальном имеет диапазон, соответствующий вытянутой вверх и опущенной вниз руки.

При эксплуатации и ремонте электрического оборудования и сетей человек может оказаться в сфере действия электромагнитного влияния или в непосредственном соприкосновении с находящимися под напряжением проводниками электрического тока. В результате прохождения тока через человека может произойти нарушение его жизнедеятельных функций.

Электрический ток, проходя через тело человека, может оказывать биологическое, тепловое, механическое и химическое действия. Биологическое действие заключается в способности электрического тока раздражать и возбуждать живые ткани организма, тепловое в способности вызывать ожоги тела, механическое приводить к разрыву тканей, а химическое к электролизу крови.

Воздействие электрического тока на организм человека может явиться причиной электротравмы. Электротравма это травма, вызванная воздействием электрического тока или электрической дуги.

Характер воздействия электрического тока на человека и тяжесть поражения пострадавшего зависят от многих факторов, таких как величина, длительность воздействия и род тока (постоянный или переменный), его частота и путь прохождения (схема включения человека в электрическую цепь), окружающая среда и др.

Зануление это способ защиты заключается в преднамеренном электрическом соединении с нулевым защитным проводником металлических нетоковедущих частей, которые могут оказаться под напряжением. Зануление применяют в четырехпроводных сетях с глухозаземленной нейтралью напряжением до 1000В. Защитный эффект зануления состоит в уменьшении длительности замыкания на корпус и, следовательно, в снижении времени воздействия электрического тока на человека. Это достигается путем подключения корпусов потребителей к нулевому проводу. При таком соединении любое замыкание на корпус становится однофазным коротким замыканием.

В отделении пункта зарядки аккумуляторных батарей тяговой подстанции Уголки установлен кремниевый выпрямитель ВАЗ-70-150 и зарядный двигатель - генератор типа П-145. Электроустановки защищены соответственно предохранителем ПР-2 с плавкой вставкой Iном=35А и автоматическим выключателем АЗ116 со вставкой на ток мгновенного срабатывания Iном=250А. Питание осуществляется от трансформатора 6/0,4 кВ мощностью 63 кВ×А со схемой D/U. От трансформаторной подстанции до зарядного пункта в земле проложен кабель марки АСБГ 3+16´1´10. Электропроводка внутри пункта выполнена проводами марки ПРТО (3´6+1´4), проложенными в трубах.

Аккумуляторная относится к взрывоопасным помещениям.

Наименьшие допустимые значения Iк; для выпрямителя ВАЗ-70-150;

×35 =140А; для преобразователя П-145; 1,25×250 =312,5 А.

При вторичном напряжении 220/127 В значение сопротивлений следует уменьшить в 3 раза. При мощности трансформатора более 1000 кВ×А величиной zт/3 можно пренебречь.

Находим полное сопротивление трансформатора zт= 0,360 Ом.

Определяем сопротивление фазного и нулевого проводников на участке линии l3 = 30м по формуле:

          l= r ¾ , (5.1)

        S

где r - удельное сопротивление проводника (для меди r = 0,018, для алюминия r=0,028 Ом× мм2/м); l - длина проводника, м; S - сечение проводника, мм2.

                30ф = 0,018 ¾¾ = 0,09 Ом;

                  6

                  30н = 0,018 ¾¾ = 0,135 Ом;

                 4

Хф = Хн = 0, т.к. провода из меди;

Хп = хп l = 0,15×0,03 = 0,0045 Ом (При прокладке проводов в трубах хп = =0,15 Ом/км).

Аналогично определим сопротивление участка линии l2 = 10 м:

                10ф = 0,018 ¾¾ = 0,03 Ом;

                   6

                  10н = 0,018 ¾¾ = 0,45 Ом;

                    4

Хф = Хн = 0;

Хп = 0,15 ×0,01 = 0,0015 Ом.

Рассчитаем сопротивление участка l1 = 90 м:

               90ф = 0,028 ¾¾ = 0,1575 Ом;

               16

                 90н = 0,028 ¾¾ = 0,252 Ом;

                 10

Хф=Хн=0, поскольку жилы кабеля выполнены из алюминия;

Хп=0 (при рядом расположенных проводниках, в кабелях внешним индуктивным сопротивлением можно пренебречь).

Находим действительное значение токов однофазного короткого замыкания, проходящих по петле фаза - нуль по формуле:

                       Uфк = ¾¾¾¾¾¾¾¾¾¾¾¾¾¾¾¾ , (5.2)

      zт/3+ Ö(Rф+Rн)2+( Хф + Хн + Хп )2

где zт - сопротивление обмоток трансформатора, Ом; Iк - ток, проходящий по петле фаза-нуль, А; Rф, Rн - активные сопротивления соответственно фазного и нулевого защитного проводников, Ом; Хф, Хн - внутренние индуктивные сопротивления фазного и нулевого проводников, Ом; Хп - внешнее индуктивное сопротивление петли фаза-нуль, Ом.

При замыкании фазы на корпус выпрямителя ВАЗ-70-150:

                           220к = ¾¾¾¾¾¾¾¾¾¾¾¾¾¾¾¾¾¾¾¾ = 290 А;

,360/3+ Ö (0,09+0,135+0,1575+0,252)2+0,00452

При замыкании фазы на корпус преобразователя П-145:

                     220к = ¾¾¾¾¾¾¾¾¾¾¾¾¾¾¾¾¾¾¾¾ = 363 А.

       0,120 + Ö (0,03+0,045+0,1575+0,252)2+0,00152

Поскольку вычисленные значения токов однофазного замыкания (290 и 363 А) превышают допустимые по условиям срабатывания защиты (140 и 312,5 А), зануление спроектировано правильно.

ЗАКЛЮЧЕНИЕ

В данной дипломной роботы были рассмотрены возможности внедрения микропроцессорной системы централизации в место блочно-маршрутной релейной централизации. А также исследованы работы отдела с точки зрения его эффективности и уровня автоматизации.

В первой части обоснования выбора системы проекта произведен обзор современных микропроцессорных систем Ebilock-950, МПЦ-2 и МПЦ-И, описана история развития микропроцессорных систем , а также внедрение современных микропроцессорных систем. Был произведен анализ среди систем микропроцессорных централизаций: «Ebilock-950» «МПЦ-2», «МПЦ-И». Анализ показал, что микропроцессорная централизация «МПЦ-И» наиболее эффективна и экономически выгодна для оборудования станции Бурундай.

В технической части приведена характеристика станции Бурундай, разработаны схематический и двухниточный планы станции, была разработана структурная схема микропроцессорной централизации «МПЦ-И». Эта система наиболее целесообразна для замены маршрутно-релейной централизации на станции Бурундай. А также приведена увязка схемы управления стрелками с новейшими оборудованными электроприводами ALSTOM.

В третьей части приведен расчет надежности МПЦ. По результатам выполненных расчетов можно сделать вывод, что средняя вероятность работоспособности блока за 5000 часов работы равна Рс(t)ср.=0,91. Вероятность работоспособности блока за 5000 часов работы с учетом потока восстановления равна Рс(t)=0,96. Средняя наработка на отказ равна 50000 часов, что удовлетворяет нормам надежности для аппаратуры. А также испытания безопасности с помощью моделирования, которое является одной из основных методологических концепций, играющей ведущую роль в процессе анализа безопасности системы МПЦ-И показано на диалоговом окне системы имитационного моделирования работы станции Бурундай.

В экономической части определена экономическая эффективность устройств ЭЦ лучше по сравнению с устройствами МКУ. Срок окупаемости устройств ЭЦ составляет 2,37лет. Кроме того растет пропускная способность станции, эффективность использования вагонного и локомотивного парков.

В обеспечении безопасности жизнедеятельности вычисленны значения токов однофазного замыкания (290 и 363 А) превышают допустимые по условиям срабатывания защиты (140 и 312,5 А), зануление спроектировано правильно.

СПИСОК ИСПОЛЬЗОВАННОЙ ЛИТЕРАТУРЫ

1.       Сапожников Вл.В., Елкин Б.Н., Кокурин И.М. Станционные системы автоматики и телемеханики. М.: Транспорт, 2000 г. 432 с.

.         Правила технической эксплуатации железнодорожного транспорта. Астана 2013. 128с.

.         Типовая инструкция по охране труда для электромеханика и электромонтера СЦБ ЦШ-796,2001.- 64с. Типовые проектные решения систем ЭЦ: МРЦ-13, ЭЦ-9, ЭЦ-12, ЭЦ-83.

4.      www.bestreferat.ru/referat-193778.html <http://www.bestreferat.ru/referat-193778.html>

5.       Блок микропроцессорной релейной защиты БМРЦ. Руководство по эксплуатации. ДИВГ.648228.001 РЭ.

6.       ИНСТРУКЦИЯ о порядке пользования устройствами СЦБ по ст. Бурундай, 2013 г, 21 с.

7.       Журналы «Автоматика, телемеханика и связь на железнодорожном транспорте» - м: Транспорт, 2004г.

8.       Бубнов В.Д., Казаков А.А., Казаков Е.А. "Станционные устройства автоматики и телемеханики на железнодорожном транспорте". М: Инфо, 2006г.- 359с.

9.      naparah.com/raznoe/0530373.html

.        Маршрутно-релейная централизация И.А.Белязо, В.Р.Дмитриев, Е.В.Никитина и др.: Транспорт, 1974 г, 320 с.

.        Казиев Г.Д. Цели и задачи развития микропроцессорных систем ЖАТ // Автоматика, связь, информатика. 2004 г.

.        Кайнов В.М. Обеспечивать безопасность движения поездов, совершенствовать технику и технологию // Автоматика, связь, информатика. 2004 г.

.        Сапожников Вл.В., Кононов В.А., Куренков С.А., Лыков А.А.,. Наседкин О.А, «Микропроцессорные системы централизации», Москва 2006 г.

14.     Сороко В.И., Разенберг Е.Н. Аппаратура железнодорожной автоматики и телемеханики: Справочник. 2-ой том .3-е издание НПФ «Планета» 2000 г.

15.    Почаевец В.С «Автоматизированные системы управления устройствами электроснабжения железных дорог». М: Маршрут, 2003г.

16.    <http://leg.co.ua/knigi/ucheba/volokonno-opticheskie-sistemy-peredachi-dannyh-6.html>

17.     Дмитренко И.Е., Устинский А.А., Цыганков В.И. Измерения в устройствах автоматики, телемеханики и связи на железнодорожном транспорте. М.: Транспорт,1992. 312 с.

.        Чередков М.Н. Устройства СЦБ, их монтаж и обслуживание. М.: Транспорт,1992. 200 с.

.        Коган Д.А., Эткин З.А. Аппаратура электропитания железнодорожной автоматики. М.: Транспорт,1987. 256 с.

.        Сороко В.И., Милюков В.А. Аппаратура железнодорожной автоматики и телемеханики: Справочник в двух книгах. М.:НПФ «Планета», 2000 г. - 1008с. Нормативно - технические документы.

.        rosat.org› docs/ost32_41_95.doc

23.     Инструкция по техническому обслуживанию устройств СЦБ ЦШ-720,2000.

24.     Железнодорожный транспорт. Энциклопедия - М.: Большая Российская энциклопедия, 1994г.

25.    Баймухамедова Г.С. Методические указания по выполнению экономической части дипломных работ для студентов специальности 050702 «Автоматизация и управление», КазАТК, Алматы 2014 г.

.        Омаров А.Д., Целиков В.В., Зальцман М.Д., Каспакбаев К.С., Матушевская Е.С.. Инженерные решения по безопасности труда на транспорте. Алматы 2002 г.

Похожие работы на - Внедрение микропроцессорной системы централизации на станции Бурундай

 

Не нашли материал для своей работы?
Поможем написать уникальную работу
Без плагиата!
Без нейросетей!