Технико-экономическое обоснование реконструкции Омской ТЭЦ-2
Введение
Высокоэффективное потребление и переработка энергоресурсов, а также
энергосберегающие технологии в настоящее время являются важнейшими аспектами
дальнейшего развития энергетики. Природный газ является высококачественным
энергетическим топливом, поэтому использование его только на выработку тепла
крайне неэффективно. В связи с этим одно из направлений по развитию энергетики
является комбинированная выработка тепла и электроэнергии. В связи с этим в
данной работе предлагается проект реконструкции Омской ТЭЦ-2 с установкой двух
газовых турбин типа НК-37 (УТЗ) мощностью 29,7 МВт с котлами-утилизаторами с
дожигом отработанных газов производительностью 86 Гкал/ч. и паровой турбины
Р-10.
При этом:
общее потребление топлива оборудованием после реконструкции не должно
превышать пропускной способности станционного оборудования ГРП,
установленная электрическая мощность станции после реконструкции должна
соответствовать первоначальной (проектной) мощности станции 66МВт, (данное
условие необходимо для минимизации капитальных затрат, связанных с
реконструкцией электрической схемы),
отпуск тепловой мощности после реконструкции не должен превышать
пропускную способность существующих тепловых сетей станции (для сведения
капитальных затрат на реконструкции теплофикационной схемы к минимуму),
установка нового оборудования осуществляется в существующем главном
корпусе.
Реализация данного проекта отвечает основным положениям «Энергетической
стратегии России на период до 2020 года», целью которой является максимально
эффективное использование природных топливно-энергетических ресурсов, выработка
тепловой и электрической энергии на ТЭЦ, использующих в качестве топлива
природный газ, должна осуществляться по наиболее выгодному циклу, которым
является цикл ПГУ. Данная тенденция развития поддерживается не только в
западной, но и в Российской энергетике. Внедрение парогазовых установок в
комплексе с существующим оборудованием станций позволяет поднять коэффициент
использования топлива при выработке тепловой и электрической энергии.
Потребление электроэнергии ТЭЦ-2 на собственные нужды составляет
32000-35000 тыс.кВтч в год. После проведения реконструкции возможно полное
обеспечение станции электроэнергией, а так же отпуск ее сторонним потребителям.
В настоящее время Омская область является энергодефицитным регионом,
установка же электрогенерирующих мощностей на ТЭЦ-2 позволит частично покрыть
дефицит региона.
По данным 2008 года себестоимость 1Гкал тепловой энергии, произведенной
на Омской ТЭЦ-2 составляет 426 рублей, что больше отпускного тарифа Омского
филиала АО «ТГК-11».
Применение парогазовых технологий для комбинированной выработки энергии
является наиболее экономичным способом ее получения. Работа установки в базовом
режиме в условиях станции позволит существенно уменьшить себестоимость
выпускаемой продукции, а это в свою очередь позволит сдержать рост тарифов для
промышленных потребителей и населения.
Для поддержания высоких темпов строительства и ввода в эксплуатацию
объектов жилищно-коммунальной сферы города Омска необходимо своевременное
обеспечение всеми видами энергетической продукции. Выполнение данных
мероприятий в свою очередь способствует дополнительному привлечению инвестиций
для реализации стратегических проектов Омского региона.
Задача:
Задачей предполагаемой реконструкции является частичная замена на данном
этапе физически и морально изношенного оборудования и установка
электрогенерирующих мощностей для выработки электрической мощности на тепловом
потреблении.
Краткая характеристика Омской ТЭЦ-2
Омская ТЭЦ-2 является -структурным подразделением Омского филиала АО
«ТГК-11», расположена в Ленинском административном округе.
В котельном отделении располагаются девять паровых котлов. Характеристики
котельного оборудования представлены в таблице 1 и 2.
Состав и состояние котельного оборудования
Таблица1.
|
Котел
|
Станц.№
|
Тип(марка)
|
Параметры острого пара
|
Производительность т/ч
|
Год ввода
|
топливо
|
|
|
|
Давление кг/см2
|
Темпер. 0С
|
|
|
основное
|
резервное
|
|
|
|
|
|
|
|
|
|
|
Котел паровой
|
1
|
НЗЛ-650
|
13
|
250
|
65
|
1941
|
газ
|
уголь
|
|
Котел паровой
|
2
|
НЗЛ-650
|
13
|
250
|
65
|
1941
|
газ
|
уголь
|
|
Котел паровой
|
3
|
Бобкок-Верке
|
13
|
250
|
70
|
1943
|
газ
|
уголь
|
|
Котел паровой
|
4
|
ФТ-60/34
|
13
|
250
|
70
|
1943
|
газ
|
уголь
|
|
Котел паровой
|
5
|
Бобкок- Вилькокс
|
13
|
250
|
85
|
1949
|
газ
|
мазут
|
|
Котел паровой
|
6
|
Бобкок- Вилькокс
|
13
|
250
|
85
|
1952
|
газ
|
мазут
|
|
Котел паровой
|
7
|
ТП-130
|
13
|
250
|
110
|
1958
|
газ
|
уголь
|
|
Котел паровой
|
8
|
БКЗ-75-39ФБ
|
13
|
250
|
75
|
1966
|
газ
|
уголь
|
|
Котел паровой
|
9
|
БКЗ-75-39ФБ
|
13
|
250
|
75
|
1967
|
газ
|
уголь
|
Общая производительность котельного оборудования на 01.01.2008г
составляла 700т/ч, (416,7Гкал/ч) с параметрами 13кг/см2, Т=2500С.
С 1989 по 1993 годы все котлоагрегаты были переведены с 39кгс/см2 на
пониженные параметры пара 13 кгс/см2.
Котлоагрегаты ТЭЦ-2 первоначально были рассчитаны на сжигание кузнецкого
угля.
В настоящее время реализован проект в части перевода 7-ми из 9-ти
существующих котлов на природный газ как основное топливо, с сохранением в
качестве резервного топлива кузнецкого угля. На семи реконструированных
котлоагрегатах установлены пылеугольные газомазутные горелки. Мазут является растопочным
топливом.
С 2002 года введена в эксплуатацию новая бойлерная установка БУ№3
Q=300гкал/час.
Паровые котлы №1,2,3,4 довоенного производства. Котлы №3,5,6 -
иностранных фирм Бобкок-Верке, Бобкок-Вилькокс. Вопросы перевода этих котлов на
высокие параметры, для работы с турбоагрегатом, практически не решаемые из-за
выработки ресурса и требуют согласования с заводами изготовителями.
Состояние золоотвала
-я секция золоотвала введена в эксплуатацию в 1982 году. Класс
ответственности - второй. Высота ограждающих дамб - 8 метров. Площадь
золоотвала - 19 га.
В 2006 году выполнены 6 и 7-ой этапы работ по обследованию мониторингу и
разработке критериев безопасности второй секции золоотвала «ВНИИГ им. Б.Е.
Веденеева»
Проведены работы по ремонту западной дамбы золоотвала.
Состояние золоотвала в целом удовлетворительное.
Декларация безопасности регистрационный номер 197/2004 от 26 августа 2004
г. Срок действия до 26.08.2008 года. Рекультивация не проводилась.
Насосная осветленной воды производительностью 600 м3/час в отдельно
стоящем здании на золоотвале. Возврат воды осуществляется по трубопроводу
осветленной воды Ду-325мм, длиной 6,8 км.
Среднегодовой выход золошлаковых отходов - 7000 м3/год.
Остаточная емкость 30 000 м3 что может обеспечить работу в течение 4 лет.
Использование золошлаковых отходов с золоотвала СП ТЭЦ-2 в регулярном
порядке не производится. Ведутся переговоры по забору золы из 2 секции
золоотвала тремя организациями в объеме до 1000 куб.м в месяц
.ООО «Мирмаркет» -400 куб.м.
.ОАО «Мостовик». - 400 куб.м
.ООО «Кожзавод» - 200 куб.м
Вопросы топливообеспечения
Расход топлива.
природный газ от ООО “Межрегионгаз” в объеме - 92,3млн. куб.м;
мазут марки ТКМ-16 “ОНПЗ” в объеме - 413тн;
каменный уголь “Кузнецкого” месторождения в объеме 34768тн:
Подача природного газа от ГРС-4 до территории ТЭЦ-2 ведется по подземному
газопроводу с давлением 0.6 МПа (6 кгс/см2). Ввод газа на территорию до ГРП и
разводка по территории ведётся по надземному газопроводу. Диаметр газопровода
530 мм. Проектная пропускная способность ГРП составляет 70тыс.м3/час или
79,8тут/час
Резервное топливообеспечение
Письмами Госплана СССР АЛ-573/13-582 от 26 сентября 1983года для Омских
ТЭЦ-2,3, и котельной теплосети разрешено использование газа в качестве
основного топлива. Приказом Министерства энергетики и электрификации СССР
годовой расход газа для Омской ТЭЦ-2 составляет 217,866млн. м3/год. Кузнецкий
уголь сохраняется в качестве резервного топлива.
Состояние здания главного корпуса Омской ТЭЦ-2
На основании обследований и экспертизы промышленной безопасности здания
главного корпуса, проведённой в 2005-2006г. организацией ООО « ТАНТАЛ»,
дефектов и повреждений, оказывающих негативное влияние на несущую способность и
надёжность конструкций не зафиксировано. Анализ проведённой экспертизы промышленной
безопасности даёт основание для следующих выводов:
на момент проведения экспертизы здание главного корпуса ТЭЦ-2
соответствует требованиям промышленной безопасности.
считается возможным допустить эксплуатацию здания главного корпуса сроком
на 5 лет, с последующим обследованием и продлением сроков эксплуатации.
Вопросы водоснабжения питьевой водой
Источником водоснабжения являются сети ОАО «Омскводоканал». От двух
магистральных водоводов диаметром 500 и 600 мм. ТЭЦ-2 запитана по 4 вводам
диаметром 250, 300, 400 и 600мм. Ограничений по водоснабжению питьевой водой
ТЭЦ нет.
Состояние теплофикационного оборудования
Существующая деаэрационная установка подпитки теплосети обеспечивает
содержание кислорода в деаэрированной воде 50120 мкг/дм3, при общей
загрузке вакуумного деаэратора от 430 до 640т/ч
.Для обеспечения перспективы развития тепловых нагрузок от ТЭЦ-2,
необходимо увеличение производительности деаэрационной подпиточной установки до
1100т/ч.
.Требуется реконструкция вакуумных деаэраторов типа ДВ-800 на деаэраторы
с увеличением производительности до 1200 т/час
.Требуется замена пикового бойлера ПБ-3 в связи с неудовлетворительным
состоянием.
.Требуется замена сетевых насосов типа 10 НМКх2 производительностью 900
м3/час в количестве 8 шт. на насосы производительностью 1250 м3/час.
.Требуется замена деаэраторов питательной воды ДСА- ст №2,5,4 на новые
надежные и высокоэкономичные деаэраторы.
1. Технико-экономическое обоснование реконструкции
В связи с тем, что в качестве основного топлива на ТЭЦ-2 используется
природный газ, для эффективного его использования предлагаю применение
газотурбинных установок.
Потребность в электрической мощности, прилегающей к ТЭЦ-2 сети 110 кВ,
будет составлять 34-42 МВт на уровне 2010года и 69-77 МВт на уровне 2015г. Кроме
этого, электрическая схема станции и схема выдачи электрической мощности,
соответствующая проектной мощности, рассчитана на 66 МВт. Согласно
вышесказанному, а так же в соответствии с протоколом технического совета от
27.11.2007г. в качестве реконструкции предлагается восстановление генерирующих
мощностей и доведение электрической мощности станции до 60 МВт.
Перспективная тепловая нагрузка по горячей воде составит порядка
345Гкал/ч, исходя из оптимального распределения пиковой и базовой составляющей
в соотношении 0,5/0,5, базовая нагрузка будет составлять 173 Гкал/ч. Наиболее
экономично данное количество тепла вырабатывать с применим газовых турбин, а
пиковую часть обеспечивать имеющимися паровыми котлами.
Предполагаю установку двух газовых турбин НК-37 и котлов- утилизаторов в
котельном цехе на месте демонтируемых котлов №1 и №2 и установку
противодавленческой турбины электрической мощностью 10 МВт с параметрами на
входе Р=13 кг/см2 и температурой 275°С и параметрами на выходе Р=1,2 кг/см2 и
температурой 120°С.
Установленная мощность станции составит: - тепловая 397.6 Гкал/ч, -
электрическая 68,2 МВт.
Технические характеристики устанавливаемого оборудования
|
Марка газовой турбины
|
Единицы измерения
|
НК-37
|
|
1. Мощность установленная
|
|
|
|
электрическая
|
МВт
|
29,6
|
|
тепловая
|
Гкал/ч
|
34,5
|
|
2. Максимально возможное
чис- ло часов использования
|
часов в год
|
7536
|
|
3. КПД электрический
|
%
|
35,4
|
|
4. Вид топлива
|
природный газ
|
|
|
5.Давление топливного газа
|
кг/см2
|
21
|
|
6.Расход топливного газа
|
кг/ч
|
6027
|
|
7.Температура газа после
ГТД
|
°С
|
476
|
|
8.Ресурс ГТД
|
час
|
100000
|
|
до кап. ремонта
|
час
|
25000
|
|
9. Расход эл.энергии на
с.н.
|
%
|
4
|
|
10.Расход воздуха
|
кг/с
|
105,7
|
|
11. Коэф. избытка воздуха
|
|
3,68
|
В рамках предпроектной проработки рассчитана технологическая возможность
и эффективность развития ТЭЦ приведены в таблице:
|
Вводимая электрическая
мощность
|
МВт
|
68,2
|
|
Водимая тепловая мощность
|
Гкал/ч
|
54
|
|
Вид установленного
оборудования
|
|
|
|
- газовая турбина
|
|
НК-37
|
|
- паровая турбина
|
|
Р-10
|
|
ориентировочные
капиталовложения
|
млн руб.
|
1772
|
|
$/квт
|
1000
|
|
Списание котлоагрегатов
|
№№
|
1,2
|
|
Установленная тепловая
мощность станции после реконструкции
|
Гкал/ч
|
399,3
|
|
Установленная электрическая
мощность станции после реконструкции
|
МВт
|
68,2
|
Как видно из приведенного выше, максимальная подключенная нагрузка ГВС
может составлять 397.6 Гкал/ч, что практически соответствует максимальной
возможной потребляемой нагрузки в данном районе. При подключении нагрузки до
345,24 Гкал/час(2 этап подключения) реконструкция с данным составом
оборудования позволит свести к минимуму работу угольных паровых котлов, что в
свою очередь приведет к снижению вредных выбросов в атмосферу.
Полное прекращение потребления угля после реконструкции не планируется.
Уголь остается резервным топливом для паровых котлов.
При расчетной температуре для отопления (-370С) в работе находятся все
газовые турбины, котлы -утилизаторы и паровые котлы. При повышении температуры
наружного воздуха образуется резерв основного оборудования, позволяющей
выводить оборудование для ремонта. При средней температуре отопительного
периода высвобождается резерв в количестве 199Гкал/ч. (4 паровых котла). В
летний период для обеспечения нагрузки ГВС (около 40Гкал/ч) достаточно двух
газотурбинных установок. Число часов использования установленной мощности
газовых турбин будет составлять 7536 часов в год. Число часов использования
установленной мощности паровых котлов 2122 часов в год. Общее число часов
использования установленной тепловой мощности станции будет составлять 3100
часов в год.
Основным топливом для газовых турбин является природный газ.
Необходимость применения резервного топлива для газовых турбин будет
определено на стадии проектной проработки и уточнения максимальной возможной
тепловой нагрузки потребителей.
В качестве возможного резервного топлива для турбин предлогаю
использование дизельного топлива. Для обеспечения подачи резервного топлива
необходимо строительство баков-накопителей и насосной станции для подачи
дизельного топлива к газовым турбинам. Данное оборудование может располагаться
на месте демонтируемых неработающих аккумуляторных баков теплосети.
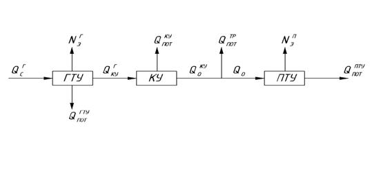
2. Расчет тепловой схемы ПГУ
.1 Расчет тепловой схемы энергетической газотурбинной установки
электростанции
Целью расчета тепловой схемы ГТУ является определение параметров рабочего
тела, расхода топлива и энергетических характеристик установки.
Рис. 2.1. Принципиальная тепловая схема НК-37:
ВО - воздухоохладитель; КВОУ - комплексное воздухоочистительное
устройство; 1 - 4 - ступень газовой турбины
Исходные данные
Приняты параметры рабочего тела и показатели работы ГТУ для базового
(расчетного) режима работы, которые отмечены индексом «О». Расчет выполняем для
режима, в котором, по сравнению с базовым, изменена температура наружного
воздуха (нерасчетный режим).
Основные показатели работы ГТУ в базовом (расчетном) режиме
. Параметры наружного воздуха (по ISO № 2314):
То.нв = 288 К, Ро.нв = 0,1013 МПа.
. Начальная температура газов на входе в газовую турбину (перед первым
рядом сопловых решеток): Тнт = 1333 К.
. Основное топливо - природный газ, имеющий следующие характеристики (по
ГОСТ 5542):
-
теплотворная способность
= 48610 кДж/кг;
плотность
ρт = 0,723 кг/м3;
теоретически
необходимое количество для сжигания 1 кг топлива L0 = 16,62 кг;
состав
(% по объему): СН4 = 98,9; С2Н6 = 0,13; С3Н8 = 0,01; СО2 = 0,08; N2 =
0,87.
.
Физическая частота вращения ротора ГТУ nо.ф = 50 с-1.
.
Удельная приведенная частота вращения ротора ГТУ
= 1,0.
.
Удельный приведенный расход воздуха
= 1,0.
.
Физический расход воздуха на входе в компрессор Gо.к = 138 кг/с.
Ниже
приведены некоторые дополнительные данные по НК-37.
Таблица 2.1
Характеристика диффузора ГТ
|
Длина, м
|
5,3
|
|
Внутренний диаметр, м
|
1,61
|
|
Наружный диаметр, м
|
4,068
|
|
Скорость газов на выходе из
диффузора ГТ (при tнв = 0 °С), м/с
|
78,5
|
|
КПД диффузора, %
|
70,0
|
Таблица 2.2
Параметры проточной части НК-37.
|
Конструктивные параметры
проточной части ГТ
|
Ступени проточной части
|
|
1
|
2
|
3
|
4
|
|
Высота сопел, мм
|
144
|
207
|
336
|
510
|
|
Высота лопаток, мм
|
155
|
256
|
398
|
600
|
|
Число сопел
|
84
|
72
|
66
|
72
|
|
Число лопаток
|
107
|
86
|
89
|
97
|
Определение параметров рабочего тела в осевом компрессоре
Параметры рабочего тела в компрессоре НК-37 определяем, используя
совмещенную характеристику установки (рис. 2.2).
1. Относительная (удельная) приведенная
частота вращении
Приведенная частота вращения ротора ГТУ
. Приведенный расход воздуха через компрессор.
По
характеристике (рис. 2.2) с помощью величин
и Тнт
определяем удельный приведенный расход воздуха:
= 1,037 а
также приведенный расход воздуха:
Рис.
2.2. Совмещенная характеристика НК-37
о
= 138 кг/с;
= 0,1013 МПа;
= 273К; nо =
3000 об/мин;
= ηк + 0,007
.
Степень повышения давления в компрессоре определяем по величинам
и Тнт (рис. 2.2): πк = 14,207.
.
Изоэнтропийный КПД компрессора определяем по величинам
и Тнт (рис. 2.2): ηк = 0,802.
.
Давление воздуха на входе в проточную часть компрессора (здесь и далее
используются параметры «полного торможения»):
МПа.
Величину
потери давления на входе в компрессор
можно
принять в интервале
= 0,0008
÷ 0,0013 МПа.
В
первом приближении
= 0,0011 МПа.
.
Физический расход воздуха через компрессор в нерасчетном режиме:
.
В дальнейшем определяем удельную работу сжатия воздуха в компрессоре и
температуру этого воздуха за компрессором. Расчет этих величин проводим методом
последовательных приближений по среднеарифметической величине теплоемкости.
В
первом приближении принимаем Ткк = 608,33 К.
Среднеинтегральная
теплоемкость воздуха определяется по формуле:
.
Теплоемкость воздуха при Тнв равна:
кДж/(кг·К).
Теплоемкость воздуха при
кДж/(кг·К).
Среднеарифметическая величина теплоемкости в интервале температур Тнв -
Ткк:
кДж/(кг·К).
Удельная работа сжатия воздуха в компрессоре:
кДж/кг,
где Rв = 0,287 кДж/(кг·К) - газовая
постоянная воздуха.
Температура воздуха за компрессором:
К.
. Давление воздуха за компрессором
МПа .
. В тепловой схеме ГТУ предусмотрено охлаждение большинства горячих
деталей газовой турбины воздухом, отбираемым из проточной части компрессора.
Охлаждаются как сопловые, так и рабочие лопатки проточной части ГТ, элементы
ротора и статора. Для этой цели выполняются теплогидравлические расчеты всех
элементов системы охлаждения, в результате чего определяют:
необходимое количество охлаждающего воздуха;
требуемые давления воздуха, отбираемого для охлаждения из проточной части
компрессора и направляемого в соответствующие элементы ГТ.
На основании заводских данных расчета тепловой схемы НК-37, принимается,
что отборы воздуха на охлаждение осуществляются после 10, 12 и последней 15-й,
ступени компрессора.
Пользуясь этими данными, рассчитываем параметры воздуха в точках отбора
его из компрессора.
а) За 10-й ступенью ОК
Gохл
10 = 1,24 кг/с; π10 = 6,0 - заводские данные.
Методом последовательных приближений, по аналогии с расчетом всего
компрессора, определяем температуру за 10-й ступенью ОК и удельную работу сжатия
воздуха.
Принимаем в первом приближении
Т10 = 478,17 К; Сp.h 10 = 1,013 кДж/(кДж·К).
Среднеарифметическая величина теплоемкости в интервале температур Тнв -
Т10
кДж/(кг·К).
Удельная работа сжатия воздуха:
кДж/кг .
Температура воздуха за 10-й ступенью компрессора:
К .
б) За 12-й ступенью ОК
Gохл
12 = 3,19 кг/с; π12 = 8,10 - заводские данные.
Методом последовательных приближений, по аналогии с расчетом всего
компрессора, определяем температуру за 12-й ступенью ОК и удельную работу
сжатия воздуха.
Т12 = 524,54 К; Сp.h 12 = 1,016 кДж/(кДж·К).
Среднеарифметическая величина теплоемкости в интервале температур Тнв -
Т12
кДж/(кг·К).
Удельная работа сжатия воздуха:
кДж/кг .
Температура воздуха за 12-й ступенью компрессора:
К .
в) За компрессором
Gохл
15 = 13,73 кг/с - заводские данные.
Ранее были определены величины:
πк = 13,195, Нк = 291,175 кДж/кг, Ткк
= 608,326 К.
Продолжим определение параметров рабочего тела в осевом компрессоре ГТУ.
. Расход воздуха за компрессором, поступающий в камеру сгорания (КС) ГТУ:
Величину утечек воздуха из уплотнений ротора и другие принимаем из
интервала 0,3 - 0,5 от Gк: Gут = 0,005Gк = 0,005·148,2 = 0,741 кг/с.
Дополнительно определяем:
долю воздуха, поступающего в камеру сгорания ГТУ:
долю охлаждающего воздуха:
. Внутренняя мощность, потребляемая компрессором ГТУ:
Используя величины показателя состава газов β
и молекулярной массы μ
(для воздуха эти
величины равны соответственно βв = 1,0 и μв = 28,97). По температуре воздуха за
компрессором определяем энтальпию 1 кг воздуха
кДж/кмоль,
кДж.
Тепловой расчет основных параметров камеры сгорания ГТУ
Тепловой расчет камеры сгорания предполагает определение необходимого
расхода топлива Вгт, расчетного значения избытка воздуха и энтальпии газов на
входе в ГТ. Эти величины связаны тепловым балансом камеры сгорания.
Применительно к 1 кг сжигаемого топлива можно записать
где ηкс - КПД камеры сгорания (коэффициент полноты сгорания
топлива), который обычно составляет ηкс = 0,96 ÷ 0,99. Принимаем ηкс = 0,99.
Находим энтальпию газов на входе в газовую турбину, при величине tнг = 1060 °С, а также по значениям
параметра состава газа за ГТУ βг и молекулярной массы продуктов
сгорания за ГТУ μг. В общем случае величины βг и μг рассчитываются в зависимости от
состава топлива и избытка воздуха.
В рассматриваемом режиме принимаем температуру поступающего в КС
природного газа (возможен его предварительный подогрев) tпр.г = 5 °С (Спр.г = 2,18
кДж/(кг·К)). Тогда энтальпия 1 кг сжигаемого природного газа равна: hтопл = tпр.г · Спр.= 5 · 2,18 = 10,898 кДж.
Решение уравнения теплового баланса камеры сгорания выполняем,
одновременно оценивая избыток воздуха αкс и энтальпию газов hнт.
Коэффициент избытка воздуха в камере сгорания определяем графически (рис.
2.3): прямая 1 соответствует энтальпии воздуха, найденной в конце расчета
показателей осевого компрессора: hкк =
342,5 кДж. Задаемся несколькими значениями величины αкс и используя уравнение теплового
баланса КС строим кривую 2 (табл. 2.3).
В процессе определены:
βг = 1,221; μг = 28,265; αкс = 2,425; hнт = 1383,5 кДж.
Расход топлива в камере сгорания ГТУ определяем из выражения теплового
баланса КС:
Относительный расход топлива:
Рис. 2.3. Графическое определение коэффициента избытка воздуха в КС ГТУ:
- прямая, соответствующая значению hкк, определенному при расчете показателей осевого
компрессора; 2 - кривая, полученная при расчете уравнения теплового баланса
камеры сгорания ГТУ
Таблица 2.3
Определение коэффициента избытка воздуха в камере сгорания ГТУ
|
αкс,
|
2,1
|
2,2
|
2,3
|
2,4
|
2,5
|
2,6
|
|
hнт, кДж
|
1394,8
|
1390,9
|
1387,1
|
1384,2
|
1381,2
|
1379
|
|
hкк, кДж
|
193,204
|
243,815
|
289,789
|
332,573
|
371,532
|
408,114
|
Определение основных параметров рабочего тела в газовой турбине
Проточная часть современной газовой турбины обычно состоит из 3 - 5
ступеней (рис 2.4.). При уменьшении их количества облегчается осуществление
системы охлаждения горячих деталей, но возрастает нагрузка на каждую из
ступеней. Расход газов на входе Gнт и
их начальное давление Рнт - величины переменные и зависят от режима работы ГТУ.
Начальную температуру газов Тнт в определенных пределах нагрузки поддерживают
постоянной за счет соответствующей подачи топлива топливными регулирующими
клапанами. Необходимо оговаривать условия ее определения и место, где она
фиксирована. По ISO - это
температура потока газов перед рабочей решеткой первой ступени лопаток при Рнв
= 0,1013 МПа, Тнв = 288 К, dнв =
60 %.
Рис. 2.4. Схема проточной части газовой турбины
-1 - сечение входа в конфузорный патрубок ГТ(НТ); О-О - сечение входа в
сопловой аппарат первой ступени ГТ; Z-Z - сечение выхода газов из последней
ступени; Д-Д - сечение выхода газов диффузора ГТ
Рис. 2.5. процесс расширения газов в h,s - диаграмме:
На данном этапе расчета тепловой схемы энергетической ГТУ определяем
параметры рабочего тела на входе и выходе газовой турбины, которые необходимы
при расчете различных вариантов тепловых схем парогазовых установок
электростанций, а также расчетах по котлу-утилизатору, газоводяным
теплообменникам и другим элементах ПГУ. Процесс расширения газов в координатах h, s - диаграммы представлены на (рис. 2.5).
. Потери давления газов в тракте «компрессор - камера сгорания - вход в
газовую турбину»
. Давление газов на входе в газовую турбину:
. Расход газов на входе в газовую турбину:
. Коэффициент сопротивления выхлопа газов за ГТУ при ее работе в
автономном режиме (сброс газов за диффузором в атмосферу) обычно составляет:
ξвых = 0,03 - 0,05. Применительно к
НК-37 (заводские данные)
ξвых = 0,0365.
. Давление газов за ГТУ
МПа .
. Степень расширения газов в проточной части ГТ
МПа .
Параметры торможения газового потока, (рис. 2.5) рассчитываются по
формулам
КПД проточной части ГТ, (рис. 2.5) рассчитываются по формуле:
Поток рабочего тела через проточную часть ГТ можно условно разделить на
две составляющие, которые объединяются в итоге в один суммарный расход газов.
Первая из составляющих - это газы, которые с начальной температурой Тнг
расширяются в проточной части до температуры на выхлопе Ткт. Вторая - это
охлажденный воздух, который подается в турбину из проточной части компрессора,
затем сбрасывается в поток газов и условно охлаждается до Ткв. В итоге смешение
этих составляющих приводит к образованию суммарного расхода рабочего тела с
температурой Тсм.
Ниже приведено определение этих температур.
. Газовая постоянная:
а) газовая постоянная чистых продуктов сгорания (ЧПС)
где
;
;
;
;
;
.
б)
долю воздуха в потоке газов ГТ определяем отношением количества воздуха, не
участвующего в процессе горения, к сумме 1 кг топлива и общего количества
воздуха, поступающего в камеру сгорания ГТУ
;
в) газовая постоянная рабочего тела в ГТ
. Определение среднеарифметической величины теплоемкости.
В первом приближении принимаем Т = Ткт = 810,95 К.
Среднеинтегральная теплоемкость для различных компонентов продуктов
сгорания и воздуха:
Среднеинтегральная теплоемкость чистых продуктов сгорания
Среднеинтегральная теплоемкость газов (с учетом избытка воздуха)
Среднеарифметическая величина теплоемкости газов в интервале температур
Тнт - Ткт
. Температура газов за газовой турбиной без учета влияния охлаждающего
воздуха:
К.
Для современных энергетических ГТУ значения КПД проточной части газовой
турбины находятся в пределах ηгт = 0,9 - 0,94. В рассматриваемом
режиме принимаем КПД проточной части ГТ, пользуясь заводскими данными: ηгт = 0,9083.
. Определение теплоемкости смеси газов и охлаждающего воздуха на выхлопе
ГТ.
Значение температуры охлаждающего воздуха в конце проточной части ГТ
принимается в пределах Тк.в = (0,80÷ 0,82)Ткт. В данном случае принято Тк.в =
0,82·Ткт = 664,98 К, среднеинтегральная теплоемкость воздуха при этой
температуре Сp.h в = 1,066 кДж/(кг·К).
Теплоемкость смеси газов и охлаждающего воздуха на выхлопе ГТ определяем
из уравнения смешения потоков газов:
11. Определение температуры смеси газов и охлаждающего воздуха на выхлопе
ГТ.
Температуру смеси газов и охлаждающего воздуха на выхлопе ГТ определяем
из уравнения смешения потоков газов
. Избыток воздуха в смеси газов за газовой турбиной:
. Содержание окислителя в смеси за ГТ:
. Определение внутренней мощности газовой турбины.
Внутренняя мощность газовой турбины определяется на основе
последовательного газодинамического расчета ступеней ее проточной части с
использованием соответствующих методик. Фирмы и организации производители ГТУ
пользуются собственными методиками, в которых учтены конструктивные особенности
установки, материал лопаток и технология их изготовления, система охлаждения и
пр. В указанном примере расчета внутренняя мощность газовой турбины определена
с использованием метода, предложенного заводом-изготовителем турбины НК-37.
где индексом «о» обозначены параметры базового режима:
Ро.кт
= 0,105 МПа, Ро.нт = 1,1994 МПа, Rг.о = 0,292 кДж/(кг·К),
= = 1,185
кДж/(кг·К). Внутренняя мощность ГТ в базовом режиме Noi гт =
кВт.
Расчет
энергетических показателей газотурбинной установки
1. Электрическая мощность ГТУ
где механические КПД ГТ и ОК: ηм. гт = 0,995, ηм. к = 0,995, КПД электрогенератора
ГТУ: ηэг = 0,985.
2. КПД ГТУ по производству
электроэнергии (брутто)
. КПД по производству электроэнергии (нетто)
Определяем:
долю расхода электроэнергии на собственные нужды ГТУ
-
долю расхода электроэнергии на привод дожимающего компрессора, который
увеличивает давление газового топлива перед его подачей в камеру сгорания. Эта
величина зависит от давления природного газа в подающей магистрали ТЭС, а также
от давления воздуха за компрессором Ркк, и обычно лежит в пределах
= 0,05 - 0,09. В расчете принято
= 0,07;
долю
расхода электроэнергии на привод остальных вспомогательных механизмов ГТУ.
Можно принять ее из интервала
= 0,01 -
0,02. В расчете принято
= 0,012.
Таким
образом, доля расхода электроэнергии на собственные нужды ГТУ
Эсн
= 0,07 + 0,012 = 0,082.
КПД
ГТУ по производству электроэнергии (нетто)
.2 Конструкторский расчет котла-утилизатора (КУ)
Цель конструкторского расчета КУ определить:
площади поверхностей нагрева;
геометрию (геометрические характеристики) отдельных элементов;
паропроизводительность и параметры генерируемого пара при заданных
условиях.
1. Для определения параметров пара, его
расхода, а также температуры и энтальпии газов необходимо решить следующие
уравнения тепловых балансов поверхностей нагрева КУ:
(2.2)
,(2.3)
(2.4)
Здесь и далее hi - энтальпия
газов i - й поверхности нагрева КУ.
Расход пара, генерируемого в контуре КУ, определяем из соотношения (без
учета продувки из барабана):
кДж/с.
ж/с.
. Составим уравнения теплового и материального балансов питательной воды
и ГПК КУ.
Деаэратор питается обычно из коллектора ПЕ котла, что позволяет оценить
давление в этом аппарате:
При
расчете деаэратора принимают температуру воды за ГПК КУ
, чтобы обеспечить его устойчивую работу.
Уравнение
теплового баланса ГПК КУ:
Отсюда
Уравнение
материального баланса деаэратора
где
- расход пара в деаэратор.
Уравнение
теплового баланса деаэратора:
.
После проведенных расчетов с учетом приведенных выше рекомендаций, для каждой
из поверхностей нагрева решим уравнение теплообмена:
Далее
площади поверхностей нагрева КУ Fi определяют из этих уравнений.
Предварительно
необходимо выбрать тип оребренных труб и параметры оребрения.
Средний
коэффициент теплопередачи рассчитывают в соответствии с рекомендациями нормативного
метода теплового расчета паровых котлов.
До
определения коэффициента теплопередачи находят скорость рабочих тел, проходящих
через поверхности нагрева КУ.
Рекомендуется
принимать значения скорости в следующих пределах:
газ
м/с;
пар
м/с;
вода
м/с.
.
Определение поверхности нагрева КУ
Необходимо
определить габаритные размеры и конструктивную схему секций, из которых
комплектуются поверхности нагрева.
Длина
труб в секциях и их число могут изменяться в зависимости от технологии
производства КУ.
Высота
секций, их число в одном ряду и конфигурация трубного пучка определяют сечение
для прохода газов, а следовательно, и скорость газов. Число труб в одной секции
принимают по условиям компоновки, ее габаритным размером и массе.
Схема
может быть выполнена с нижним и верхним коллекторами либо только с нижним
коллектором.
Приводим
формулы определения площадей
Поверхность
гладкой трубы:
Боковая
поверхность ребра:
Внутренняя
торцевая поверхность ребра:
Наружная
торцевая поверхность ребра
Поверхность
теплообмена оребренной трубы:
Поверхности
теплообмена одной секции:
где
dн и lтр - наружный диаметр трубы и ее длина, м; hреб
и δреб - высота и толщина ребра, м; вреб - расстояние
между осями ребер, м; Fпе вд, Fи вд - площади поверхностей нагрева пароперегревателя
и испарителя, м2; nтр - число труб одной секции.
Количество
рядов секций в каждой из поверхностей нагрева КУ по ходу газов:
где
mсек = 3 - 6 - число секций одного ряда по ходу газа и
т.д.
.3 Паротурбинная установка (ПТУ) в схеме ПГУ с КУ
Целью расчета тепловой схемы ПТУ в составе ПГУ является определение
электрической нагрузки турбогенератора в соответствии с поступающим из котла
паром.
Расход пара:
Параметры пара
внутренние относительные КПД проточной части турбин:
Решаем энергетические уравнения ПТУ
.4 Определение энергетических показателей ПГУ с КУ
Энергетические показатели ПГУ с КУ брутто определяют, используя ее схему
тепловых потоков (рис. 2.8).
Рис. 2.8. Схема тепловых потоков ПГУ с КУ:
-
теплота, подводимая с топливом в камере сгорания;
- электрическая мощность газовой и паровой ступеней
ПГУ;
- теплота сообщения пароводяному телу в КУ;
- полный расход теплоты в ПТУ;
.
Теплота,
подводимая с топливом в камере сгорания ГТУ, расходуется на получение
электроэнергии в газовой (
) и паровой (
) частях
ПТУ.
Основными
энергетическими показателями рассматриваемой ПГУ являются:
1. КПД ГТУ по производству электроэнергии
брутто:
где
- КПД производства электроэнергии ГТУ в автономном
режиме работы;
- теплота подводимого в ГТУ топлива;
.
Удельный расход удельного топлива брутто
В
результате расчета тепловой схемы НК-37 получаем ее энергетические показатели в
зависимости от параметров наружного воздуха (см. табл. 2.5).
Таблица
2.5
Энергетические
показатели НК-37
|
tНВ
|
, МВт ,
МВтКПГУ  ,
г/(кВт·ч)
|
|
|
|
|
|
|
-55
|
61,6
|
10,1
|
0,675
|
0,02645
|
0,4990
|
246,1
|
|
-43
|
60,3
|
10,5
|
0,672
|
0,02607
|
0,4946
|
248,3
|
|
-3,3
|
59,4
|
10,3
|
0,664
|
0,02509
|
0,5004
|
245,6
|
|
+15
|
57,3
|
10,1
|
0,649
|
0,02410
|
0,4984
|
246,4
|
|
+35
|
51,1
|
10,2
|
0,618
|
0,02352
|
0,5025
|
244,4
|
3.
Автоматическое регулирование турбины
3.1
Назначение и цель создания АСУ ТП
котельный оборудование газотурбинный электростанция
АСУ ТП предназначена для обеспечения эффективного управления путём
автоматизированного выполнения функций управления, представления информации в
удобном для оператора виде, диагностирования состояния технологического
процесса, оборудования, что позволяет принимать оптимальные решения и
экономично с минимальными выбросами в окружающую среду вести технологические
процессы.
АСУ ТП выполняется с целью повышения надёжности работы оборудования,
улучшения условий труда персонала, повышения эффективности использования
энергоресурсов и снижения вредных выбросов в окружающую среду.
Повышение надёжности работы оборудования обеспечивается, в том числе за
счёт развитой системы диагностики (в режиме реального времени) технологического
процесса, оборудования и системы автоматизации.
Улучшение условий труда оперативного персонала обеспечивается, в том
случае за счёт централизованного и рационального предоставления оперативной
информации в режиме реального времени о состоянии объектов управления и за счёт
обеспечения организации рабочих мест операторов в соответствии с требованиями
эргономики.
Краткая
характеристика объектов управления
Предполагается установка двух газовых турбин НК-37 и котлов- утилизаторов
в котельном цехе на месте демонтируемых котлов №1 и №2 и установку
противодавленческой турбины электрической мощностью 10 МВт с параметрами на
входе Р=14 кг/см2 и температурой 275°С и параметрами на выходе Р=1,2 кг/см2 и
температурой 120°С.
Установленная мощность станции составит: - тепловая 393,3 Гкал/ч, -
электрическая 68,2 МВт.
Концепция
построения системы контроля и управления
За основу построения системы контроля и управления технологическими
процессами вышеуказанных турбоагрегатов принимается использование
программно-технических комплексов (ПТК) в составе микропроцессорных
контроллеров, размещаемых вблизи от технологического оборудования и
автоматизированных рабочих мест (АРМ) операторов, размещаемых на групповом щите
управления.
Надёжность системы контроля и управления обеспечивается за счёт распределения
функций между различными подсистемами управления и резервирования.
Функционально СКУ ТП состоит из двух основных частей: управляющей и
информационной.
Управляющая система обеспечивает авторегулирование технологических
процессов, дистанционное управление операторов, автоматическое управление
(автоматизированный пуск, защиты и блокировки).
Информационная часть выполняет сбор, обработку и представление информации
оперативному персоналу, документирование и архивацию.
Систему контроля и управления обще станционным оборудованием предлагается
реализовать на традиционных индивидуальных технических средствах с
использованием отдельных микропроцессорных средств целеё регулирования, защиты
и блокировок. При дальнейшей проработке проекта возможна реализация СКУ обще
станционного оборудования так же частично или полностью на ПТК.
Контроль и управление электротехнической частью турбогенераторов
выполняется на традиционных средствах и выносит на ГЩУ ТЭЦ.
Для коммерческих расчётов баланса электроэнергии по вышеуказанному
оборудованию предусматривается установка, по отдельному проекту, выполняемой
специализированной организацией, устройства сбора и передачи данных (УСПД), для
передачи данных на сервер сбора и обработки данных АСКУС (автоматизированная
система контроля и управления потреблением и сбытом электроэнергии)
электростанции.
Организация
управления
Газовые турбины НК-37 оснащены датчиками и приборами контроля, системами
автоматического регулирования, дистанционного управления, сигнализации, защиты
и блокировки на базе аппаратуры, которая отвечает последним требованиям,
действующим в настоящее время.
Автоматическая система управления технологическими процессами агрегата
является общей для ГТУ, электротехнического оборудования и утилизационного
теплообменника.
АСУ ТП обеспечивает работу агрегата в автоматическом режиме без
постоянного присуцтвия обслуживающего персонала и выполняет следующие функции:
·
Автоматическую
проверку готовности ГТУ и агрегата в целом к пуску;
·
Автоматический
пуск с выходом на режим заданной нагрузки;
·
Автоматическое
регулирование частоты вращения;
·
Стабилизацию
заданного режима;
·
Ограничение
режима работы по температуре газа, запасу до границ помпажа и мощности;
·
Контроль
параметрами агрегата;
·
Предупредительную
и аварийную сигнализацию;
·
Защиту агрегата
на всех режимах;
·
Связь агрегата со
станционной системой управления и отработку команд;
·
Автоматический
останов агрегата;
·
Контроль
достоверности и отбраковку недостоверной информации;
·
Предоставление на
дисплеях информации в объеме, достаточной для контроля за работой агрегата;
·
Сигнализацию
отклонения основных параметров от заданных установок;
·
Сигнализация
задержки отработки алгоритмов с указанием дисплее причин;
·
Отображение на
индивидуальных приборах важнейших параметров;
·
Регистрацию
аварийных ситуаций;
·
Регистрацию
важнейших параметров за определенный период, предшествующий возникновению
аварии;
·
Диагностику
состояния агрегата и правильности функционирования АСУ ТП.
ГТУ снабжена быстродействующим стопорным клапаном, обеспечивающим
прекращение подачи топлива по команде АСУ ТП.
АСУ ТП поддерживает частоту вращения ротора, не вызывающую срабатывания
защиты при мгновенном сбросе нагрузки от максимума до нуля.
Степень статической неравномерности регулирования частоты вращения ротора
находится в пределах 4-5% номинальной частоты. Минимальная местная степень
статической неравномерности - 2% номинальной частоты вращения.
Степень нечувствительности системы регулирования частоты вращения при
любой нагрузке не превышает 0,2% номинальной частоты вращения.
Нечувствительность системы ограничения температуры продуктов сгорания не
ниже 100С.
Показатели надежности АСУ ТП:
·
Наработка на
отказ, не менее 20 тыс.часов
·
Срок службы
системы, не менее 12 лет.
3.2 Расчет узла измерения расхода
Выбор и обоснование метода измерения
В качестве метода измерения расхода газа выберем метод переменного
перепада давления. Этот метод основан на измерении перепада статических
давлений до и после сужающего устройства, установленного в трубопроводе.
В основу принятия этого метода измерения легли следующие факторы:
·
метод является
универсальным и обеспечивает необходимый предел измерений;
·
прост в
реализации;
·
первичные
преобразователи - стандартные устройства, что является выгодным с экономической
точки зрения;
·
основы измерения
расхода различных сред данным методом и общие технические требования к
расходомерным устройствам регламентируются “Правилами измерения расходов газов
и жидкостей стандартными сужающими устройствами РД 50-213-80”. Эти правила
гласят:
·
Характер движения
потока турбулентный.
·
Фазовое состояние
потока не изменяется при истечении через сужающее устройство.
·
Во внутренней
полости прямых участков трубопровода до и после сужающего устройства не
скапливаются осадки в виде пыли, песка и так далее.
·
На поверхности
сужающего не будут образовываться отложения изменяющие его конструктивные
параметры геометрию.
Выбор типа
сужающего устройства и разработка эскиза установки
В качестве сужающего устройства будем использовать стандартную камерную диафрагму.
Она достаточно проста в изготовлении и установке, поэтому ее использование
потребует меньших затрат по сравнению с другими сужающими устройствами.
Эскиз стандартной камерной диафрагмы представлен на рис. Комплект
камерной диафрагмы включает в себя дисковую диафрагму 3, выполненную из стали
12Х18H10Т, расположенную между кольцевыми камерами 2 и 4. Отбор статических
давлений из камер осуществляется вваренными импульсными трубками с наружным
диаметром d1. Комплект устанавливается и центрируется между фланцами
трубопровода 1 и 5 и стянут двенадцатью болтами 7. Для герметичности между
деталями 1, 2, 3, 4, 5 установлены прокладки из паранита.
Рис.3.1. Эскиз установки стандартной камерной диафрагмы на главном
газопроводе
Расчет
сужающего устройства
1. Задано:
измеряемая среда - топливный газ ТСУ следующего состава:
|
Наименование газа
|
Состав газа по объему, %
|
, МДж/м3
|
|
H2
|
CO
|
СО2
|
СН4
|
С2Н6
|
С3Н8
|
С4Н10
|
N2
|
H2S
|
|
|
Топливный газ ТСУ
|
8,63
|
0,29
|
0,03
|
33,43
|
19,54
|
12,66
|
7,34
|
7,65
|
10,42
|
0,01
|
51,3
|
·
наибольший
измеряемый объемный расход Qmax = 70000 м3/ч;
·
минимальный
измеряемый объемный расход Qmin = 20000 м3/ч;
·
избыточное
давление газа перед сужающим устройством Р = 0,6 МПа = 6,11 кгс/см2;
·
барометрическое
давление Рб = 755 мм.рт.ст. = 1,026 кгс/см2;
·
абсолютная
влажность газа: fв=0,0
·
температура газа
перед сужающим устройством t = 20 С;
·
внутренний
диаметр трубопровода перед сужающим устройством (t = 20оС) D20 = 0,53м;
·
абсолютная
шероховатость трубопровода k = 0,03 мм;
·
материал
трубопровода - сталь марки Ст20.
2. Выбор сужающего устройства.
1) Тип сужающего устройства - камерная
диафрагма нормальная, материал - сталь 12Х18H10Т.
3. Определение недостающих данных
1) Температура газа перед сужающим
устройством, Т = 273+ 20 = 293 К
2) Абсолютное давление газа перед
сужающим устройством Р = 1,026 + 6,11 = 7,136 кгс/см2
3) Так как газ предворительно осушен
плотность сухой части газа при нормальных условиях:
1) Динамическая вязкость пара в рабочих
условиях (по Р и t):
2) μ
= 1,582 · 10-6 кгс/м3
Показатель
адиабаты:
.
8) Коэффициент сжимаемости природного
газа: К=0,998.
Относительная
влажность газа:
4. Определение номинального перепада давления дифманометра.
Допустимая потеря давления на сужающем устройстве не задана.
8) Определение вспомогательной величины
С:
По
рекомендациям с помощью номограммы ориентируясь на m=0,21 и С=20,36 получаем
предельный номинальный перепад давления:
Максимальный
перепад давления:
8) Максимальное число Рейнольдса:
9) Условие Re>Remin=104 выполняется.
5. Определение параметров сужающего устройства.
10)Коэффициент
расширения, определяемый для предельного перепада давления:
Относительная
шероховатость:
,
где k -величина абсолютной эквивалентной шероховатости стенок
трубопровода.
Будем считать, что трубы стальные цельнотянутые, изготовленные волочением
в холодном состоянии новые, не бывшие в эксплуатации.
Верхняя граница относительной шероховатости для диафрагм с фланцевым
отбором: 10
8) Так как
шероховатость меньше допустимой, то
расчет продолжаю.
9) Коэффициент расхода:
Поправки на шероховатость и остроту кромки не учитываем.
8) Вспомогательная величина:
8) Относительное отклонение, %:
0,668%
Так
как величина
<1%, то выбор значений m=0,21 и =0,953
считается окончательным.
6. Нахождение диаметра сужающего устройства.
) Диаметр отверстия диафрагмы при температуре 20С:
4. Безопасность Жизнедеятельности
Анализ опасных и вредных факторов на рабочем месте машиниста обходчика.
Вредные и опасные производственные факторы, действующие на
машиниста-обходчика:
1.
Повышенный
уровень шума;
2.
Повышенный
уровень вибрации;
3.
Повышенный
уровень электромагнитных излучений;
4. Повышенная температура поверхностей и
материалов;
5.
Гигиенические
требования к микроклимату;
6. Неисправное освещение.
В данном разделе дается анализ опасных и вредных факторов, действующих на
персонал в помещении котлотурбинного цеха.
Для снижения вредных воздействий на персонал разрабатывают следующие
меры:
.1 Микроклимат рабочей зоны
Микроклимат в производственных помещениях определяется следующими
параметрами: t воздуха, φ
воздуха, v движения воздуха на рабочем месте, а
так же наличие пыли, токсичных веществ и избыточной теплоты.
В соответствии с ГОСТ 12.1.005-76 устанавливаются оптимальные и допустимые
метеорологические условия для рабочей зоны.
Для
котлотурбинного цеха тепловых электростанций температура воздуха в холодный
период года 16-22
, относительная влажность в холодный период года
60-40%, в тёплый - 60-20%, V движения воздуха = 0,2-0,5 м/с. Для очистки воздуха
пыли и газов следует предусмотреть механическую вентиляцию на ряду с
естественной.
Источниками
избыточной теплоты в цехе являются трубопроводы горячей воды и пара,
компрессоры, электродвигатели.
Для
установления оптимальных условий в рабочей зоне, все теплоизлучающие
трубопроводы покрыть теплоизоляцией, компрессоры и электродвигатели оснащены
водяной и воздушными рубашками.
.2
Защита от шума
Уменьшение механического шума может быть достигнуто путём
совершенствования технологических процессов и оборудования. Для уменьшения
механического шума необходимо:
·
использовать
пластмассы при изготовлении деталей корпусов, что даёт хорошие результаты
(например, замена стальных крышек редукторов пластмассовыми приводит к снижению
шума на 2-6 дБ на средних частотах и на 7-15 дБ на высоких, особенно неприятных
для слуха), выбирается на основе расчёта по давлению масла в маслосистеме;
·
более широко
применять принудительное смазывание трущихся поверхностей в сочленениях;
- применять балансировку вращающихся элементов машин.
Аэродинамический шум в источнике паровой турбинной установки снижается за
счёт:
·
увеличение зазора
между лопаточными венцами, межлопаточный зазор рассчитывается для каждой
турбины;
·
подбором
оптимального соотношения чисел направляющих и рабочих лопаток, на основании
расчёта для каждой турбины;
·
улучшением
аэродинамических характеристик проточной части компрессоров и турбин.
В основном эти меры оказываются недостаточными и поэтому применяются,
звукоизолирующее ограждение применяют оболочку произвольной формы, выполненную
из плоских ограждающих конструкций, полностью охватывающих всю машину.
Для снижения вредного воздействия повышенного уровня шума на машиниста
обходчика произведены следующие мероприятия: в турбинном зале выполнена
отдельно стоящая операторная с отделкой стен материалами, предусматривающими
защиту от внешних источников шума. Звукоизолирующая кабина Т-бИОТ-ЗКСП-1,
предназначена для защиты от шума машиниста-обходчика. Кабина представляет собой
сборную конструкцию, состоящую из 4-х панелей потолка и пола. Панели потолок
это сварная швеллерная рама, к которой с внешней стороны приваривается стальной
лист толщиной 3 мм, а с внутренней крепятся перфорированные листы толщиной 0,5
- 1 мм. Пространство между листами заполняется звукопоглощающим материалом -
полужёсткими минераловатными плитами типа ПП-80. Боковые стенки одновременно
являются дверями кабины. Для обзора кабина имеет остекление в передней стенке и
дверях.
Передняя и задняя стенки привариваются к потолку и основанию. Основание
представляет собой раму из швеллера, к которой сверху приваривается лист
покрытый противошумной мастикой, а сверху линолеум. Кабина устанавливается на
виброизоляторы. Вентиляция осуществляется через проём в крыше, вентилятора Ц
4-70 № 2,5 установленным на ней. Выход воздуха из кабины осуществляется через
глушитель, подсоединённый к проёму в нижней части задней стенки. После сварки
каркасов корпуса кабины и дверей все внутренние поверхности облицовываются
противошумной мастикой слоем 3-5 мм.
Для обслуживающего персонала, временно находящегося на территории
турбинного зала используются индивидуальные средства защиты наушники,
закрывающие ушную раковину и вкладыши, перекрывающие наружный слуховой канал.
4.3 Защита от вибраций
Источниками вибраций в котлотурбинном цехе являются: насосы, компрессоры,
вентиляторы, электродвигатели. Создаваемые ими вибрации относятся к
технологическим, нормирование которых определяется 10 Ст. 12.1.012 - 78 ССБТ
“Вибрация. Общие требования”.
Для уменьшения вибраций в машинном отделении проводят следующие
мероприятия: установка, оборудования на фундамент, применением виброизолирующих
прокладок, динамические виброгасители, виброизоляция, исключение контакта с
вибрирующими объектами.
.4 Электробезопасность
По электробезопасности турбинный цех относится к опасным помещениям
(угольная пыль, повышенная температура). В цехе источником электроэнергии
является электросеть напряжением 220 - 380 В.
Потребителями электроэнергии являются: насосы эл. двигатели, приводы
различных установок общей мощности более 100 кВт.
Основные причины поражения электрическим током: случайное прикосновение к
токовыводящим частям, находящимся по напряжением, повышение напряжения на
металлических частях электрооборудования в результате повреждения изоляции.
Основными мерами защиты от поражения током являются обеспечение
недоступности токовыводящих частей, изоляция, заземление, зануление, устранение
опасности поражения при появление напряжения на корпусах электрооборудования и
т.д.
4.5 Освещение
Согласно действующих норм проектирования производственного освещения СНиП
4-4-79 задаются как количественная (величина минимальной освещённости) так и
качественная характеристики ( показатель ослеплённости, дискомфорта и глубина
пульсации освещения ) искусственного освещения.
Согласно этим данным минимальная освещённость должна быть сопоставлена с
зрительной работой III раздела,
подразряда Г, категории высокой точности.
Минимальная
освещённость при общем освещении
лк, при
этом выбираем газоразрядные лампы типа ЛД.
Расчёт
общего равномерного искусственного освещения рабочей поверхности выполняется
методом коэффициента использования светового потока. Световой поток (лм) одной
лампы или группы ламп одного светильника:
Фk
= Eн·S·z·k/(N·n),
где
Eн - нормируемая минимальная освещённость по СНИП 23-05-95, лк;- площадь
освещаемого помещения, м²;
z - коэффициент
неравномерности освещения;
k - коэффициент запаса, зависящий от вида технологического процесса и
типа применяемых источников света;
N -
число светильников в помещении;
n -
коэффициент использования светового потока.
Коэффициент использования светового потока, давший название методу
расчёта, определяют по СНИП 23-05-95 в зависимости от типа светильника,
отражательной способности стен и потолка, размеров помещения, определяемых
индексом помещения:
I = A·B/(h·(A+B))¸
где А, В - длина и ширина помещения в плане, м;- высота подвеса
светильников над рабочей поверхностью, м;
Рассчитываем площадь и индекс помещения, в котором будут осуществляться
работы. Длина этого помещения составляет 220 метров, ширина 39 метров, а высота
подвеса светильников 21 метра. Подставив эти значения в формулу (2) получим
индекс помещения равный 1,6 а площадь помещения равна 8580 квадратных метра.
В СНИП 23-05-95 выберем значение коэффициента. Так же выбираем
коэффициент использования светового потока равным 50, исходя из того, что
индекс помещения равен 1,6 коэффициенты отражения стен и потолка равны 50.
По формуле (1) определим, сколько необходимо ламп дневного света типа ДРР
мощностью 250 Вт и создающие световой поток 18950 лм:
= Eн·S·k·z/Ф·n = 300·8580·1,6·1,2/18950·0,45 = 579,5
Таким образом, результаты расчёта показали, что можно обойтись 579
лампами дневного света для освещения, данного помещения. Эти результаты
показывают, что работа в помещении возможна, так как для его освещения
используется 580 ламп данного типа.
.6 Устройства, работающие под давлением
Требования к устройствам, работающим под давлением, определены в “Правила
устройства и безопасной эксплуатации сосудов, работающих под давлением”. В
турбинном цехе к таким относятся: трубопроводы пар и горячей воды.
Основной опасностью, связанной с эксплуатацией сосудов работающих под
давлением, является их разгерметизации, что может привести к выбросу в рабочую
зону обслуживающего персонала большого количества теплоты.
Причинами разгерметизации могут быть: нарушение режимов эксплуатации. Для
предотвращения аварийных ситуаций трубопроводы пара и горячей воды периодически
подвергаются опресовке, снабжены предохранительными клапанами, манометрами,
термометрами, запорной арматурой. Светильник в цех располагают в ряд. Расчёт
представлен ниже.
.7 Организация рабочего места
Рабочее место оператора находится в помещении щита управления и основные
операции по управлению оборудованием в цехе оператора производит воздействием
на дистанционные органы управления.
Панели оперативного контура, на которых расположены приборы только для
контроля ведения режима и обеспечения безаварийной работы котлов располагаются
непосредственно перед местом оператора.
Остальные приборы, которые используются для анализа работы, регистрации
показателей и которые не должны быть постоянно в поле зрения оператора,
располагаются на панелях оперативного контура.
ключи управления включения и отключения двигателей, ключи дистанционного
управления задвижками и вентилями, ключи управления средствами защиты,
автоматики и блокировки находятся на пульте управления перед панелями
оперативного контура.
Такое расположение средств контроля и управления позволяет машинисту
правильным образом сосредоточить своё внимание и быстро среагировать на
неполадки в системе оборудования.
На панели пульта управления так же выведена предупредительная
сигнализация, срабатывающая при отключении или отклонении от нормального режима
работы.
.8 Противопожарные мероприятия и ЧС
Топливный газ, участвующие в технологическом процессе ТЭЦ малой мощности,
обладает горючими свойствами, поэтому представляет опасность в пожарном
отношении. Другими причинами возникновения пожаров в рабочем помещении цеха
могут являться:
. Перегрузка электродвигателей. Работа на не исправном оборудовании.
. Зануление или защитное заземление находится в неисправном состоянии
(отсутствует целостность соединения, коррозия в местах соединения и т.д.).
. Применяются некалибровочные плавкие вставки для защиты электросетей.
. Используются выключатели, штепсельные розетки для подвешивания одежды,
плакатов и т.д.
. Курение в неположенном месте.
. Проведение огневых работ без оформления разрешения на эти работы.
. Эксплуатация поврежденных проводов, кабелей, самовольное подключение к
электрическим сетям.
. Скопление мусора, производственных отходов на рабочих местах и в
производственных помещениях участка.
В соответствии с НПБ 105-03 помещения делятся на категории
взрывопожаробезопасности:
Характеристика производственных помещений турбинного цеха по
взрывоопасности и пожаробезопасности:
) машзал - Г;
) насосная станция оборотного водоснабжения - Д;
) помещение оборудования вывода генератора - В4;
) помещение оборудования возбуждения генератора - В4;
) венткамера - Г;
) щит управления - В4.
Согласно СНиП 2-2-80 теплоизоляция стен и перекрытий разделена на отсеки
при помощи горизонтальных вертикальных противопожарных поясов шириной 500 мм из
несгораемых изоляционных материалов (пенобетон). Для удаления продуктов горения
при взрыве с целью снижения давления до величин, безопасных для прочности и
устойчивости строительных конструкций используются легко сбрасываемые конструкции.
Помещение турбинного цеха оборудовано средствами пожаротушения (пожарный
щит с противопожарным инвентарем: кошма, асбестовое полотно, лопата,
конусообразные ведра, топор, багор). Для локализации и устранения возгорания
используются порошковые огнетушители ОП - 5, ОП - 10. Применение порошковых
огнетушителей обусловлено их универсальностью, хорошей огнетушащей
способностью, безопасностью для здоровья человека. При тушении
электрооборудования они предотвращают короткое замыкание и опасность поражения
электрическим током.
Для извещения о пожаре применяются извещатели тепловые типа ДТЛ, каждый
из которых контролирует 15 м². На входе в турбинный цех,
операторскую и в коридорах здания установлены кнопки пожарной сигнализации.
Созданы специальные места для курения. Во всех опасных точках цеха установлены
соответствующие таблички и знаки, предупреждающие об опасности. В помещении
пункта управления находятся аптечки первой медицинской помощи и противоожоговые
комплекты.
Рабочий персонал проинструктирован о действиях в случае возникновения
пожара и о возможных маршрутах эвакуации.
Для предотвращения взрывопожарной опасности в цехе предусмотрена вытяжная
вентиляция.
5. Водоподготовка и водохимический режим
.1 Основные положения
В практике теплоснабжения широкое распространение получили водяные
системы открытого типа, имеющие обычно два вида тепловой нагрузки - отопление и
горячее водоснабжение (рис.6.1).
Отличительной чертой открытых систем является то, что горячее
водоснабжение абонентов осуществляется водой непосредственно из тепловой сети.
Горячая вода поступает к потребителям с ТЭЦ или из районной котельной по линии I. Обратная вода возвращается на
станцию или в котельную по линии II. Расход сетевой воды из подающей линии
теплосети равен сумме расходов воды на отопление и горячее водоснабжение.
Подача воды от абонентов в обратную линию соответствует разности количеств
поданной воды и израсходованной на горячее водоснабжение. При отсутствии
последнего (например, в ночное время) расход воды обеспечивает отопительную
нагрузку.
Производительность подпиточного устройства в открытых системах
рассчитывается на восполнение утечек из-за неплотности системы (1-2 % расхода
циркулирующей воды) и на расход воды для горячего водоснабжения. В отдельных
системах производительность подпиточной водоподготовительной установки может
достигать 40-50 % расхода циркулирующей воды. Нагрев воды в открытой системе
чаще всего составляет 70-150 °С.
Рис.6.1. Схема открытой двухтрубной водяной системы теплофикации:- прямая
линия; II - обратная линия; 1 - подпиточный насос; 2 - регулятор подпитки; 3 -
сетевой насос; 4 - теплофикационный подогреватель; 5 - воздушный кран; 6 -
водоразборные краны; 7 - отопительные приборы; 8 - элеватор; 9 - регулятор
расхода воды; 10 - обратный клапан; 11 - смеситель; 12 - регулятор температуры
В схемах водоподготовки для тепловых сетей этого типа противонакипная
обработка должна применяться в сочетании с термической деаэрацией для
предотвращения коррозии оборудования и сетей, а следовательно, и появления
железоокисных отложений. В качестве исходной воды, поступающей на приготовление
добавочной воды теплосети с непосредственным водоразбором, используется, как
правило, водопроводная вода, соответствующая требованиям ГОСТ «Вода питьевая».
Однако надежная и экономичная работа водонагревательного оборудования может
быть гарантирована не при любом химическом составе воды, разрешаемом названным
стандартом. С одной стороны, дополнительная обработка воды перед нагреванием
должна обеспечить выполнение норм, зафиксированных в ПТЭ ЕЭС России (см. §
4.8.39; 4.8.40). С другой стороны, эта дополнительная обработка воды не должна
ухудшить указанные далее органолептические и бактериологические ее показатели,
а также показатели безвредности по СанПиН 2.1.4.559-96.
.2 Нормы органолептических показателей воды
Запах при 20 °С и подогревании воды до 60 °С, баллы,
не более 2
Привкус при 20 °С, баллы, не более 2
Мутность (по каолину), мг/дм3, не более 1,5
(2)
ЕМФ (единицы мутности по формазину) 2,6
(3,5)
Примечание. Величина, указанная в скобках может быть установлена по
постановлению главного санитарного врача.
Нормы бактериологических показателей воды
|
Показатели
|
Единицы измерения
|
Нормативы
|
|
Термотолерантные
колиформные бактерии
|
число бактерий в 100 мл
|
отсутствие
|
|
Общие колиформные бактерии
|
число бактерий в 100 мл
|
отсутствие
|
|
Общее микробное число
|
число образующих колоний
бактерий в 1 мл
|
не более 50
|
Показатели ПДК (нормы) химического состава воды
Бериллий Ве2+, мг/дм3 0,0002
Молибден Мо2+, мг/дм3 0,25
Нитраты по N, мг/дм3 3,0
Мышьяк As3+; 5+, мг/дм3 0,05
Полиакриламид, мг/дм 2,0
Свинец Pb2+, мг/дм3 0,03
Селен Se6, мг/дм3, (суммарно) 0,01
Стронций Sr2+, мг/дм3 7
Фтор F-, мг/дм3 1,2-1,5
Литий Li, мг/дм3 0,03
Ванадий V, мг/дм3 0,1
Сурьма Sb, мг/дм3 0,05
Общая α радиоактивность, БК/дм3 0,1
Общая β радиоактивность, БК/дм3 1
В отдельных случаях по согласованию с органами
санитарно-эпидемиологической службы цветность воды допускается до 35°.
Специфические запахи и привкусы, появляющиеся при хлорировании
(обеззараживании), не должны превышать 1 балла. Водородный показатель рН должен
быть в пределах 6,5-8,5.
В целом весь водно-химический режим теплофикационной установки должен
быть подчинен основной задаче - нагреть воду до температуры, требуемой
температурным графиком (70-150, 70-180 или 70-200 °С), и транспортировать ее
потребителю, не ухудшив органолептических и других санитарных показателей.
Основным отправным пунктом при выборе рациональной схемы водоподготовки в
каждом конкретном случае должен быть химический состав исходной воды и
нормативные показатели качества очищенной воды, подаваемой в теплосеть. Если
для очистки воды данного состава до требуемых кондиций имеется возможность
применить две или несколько разных схем, то окончательный выбор должны
определить результаты технико-экономического сравнения их. Закон об охране
окружающей среды выдвинул на первое место вопрос о защите водоемов от
загрязненных стоков, поэтому важными показателями при оценке схем
водоподготовки являются количество и состав сбрасываемых вод, возможность их
сброса в открытые водоемы без очистки, а также способы очистки и стоимость их
осуществления.
При выборе схемы водоподготовки необходимо учитывать тип теплофикационной
сети, в частности способ присоединения системы горячего водоснабжения.
В практике эксплуатации открытых систем чаще всего используется
двухтрубная система теплоснабжения. Схема подключения потребителей горячей воды
к такой системе изображена на рис. 5.1, а общая схема потоков воды в открытой
двухтрубной системе - на рис. 5.2. Поскольку разбор горячей воды потребителями
для бытовых нужд в этом случае осуществляется непосредственно из тепловых
сетей, количество добавляемой в теплосеть воды, определяющее требуемую
производительность водоподготовительной установки, зависит в первую очередь от
размеров водоразбора. Из практики эксплуатации действующих водоподготовительных
установок такого типа известно, что их производительность колеблется от сотен
до 10 тыс. т/ч.
Схема водоподготовки должна включать несколько стадий обработки воды:
коагуляцию и осветление, обезжелезивание (при использовании артезианских вод),
деаэрацию и противонакипную обработку.
Первая стадия очистки добавочной воды осуществляется на ТЭЦ только в
случае необходимости доведения исходной воды до качества, соответствующего
САНПиН 2.1.4.559-96 «Вода питьевая», главным образом по органолептическим
показателям (цветности, мутности, запаху). При использовании артезианских вод
необходимость в коагуляции и осветлении отпадает, а обязательной становится
стадия обезжелезивания.
Деаэрация является обязательной стадией для установок, использующих воду
поверхностных источников. Наиболее целесообразно применение термической
деаэрации, позволяющей сочетать надежное устранение агрессивных газов с
термическим обеззараживанием воды. Противонакипные мероприятия осуществляются
теми или иными методами практически во всех схемах водоподготовки.
Рис. 6.2. Схема потоков воды в открытой двухтрубной системе
теплоснабжения:
- подогреватель I ступени; 2 - подогреватель II ступени; 3 - термический
деаэратор; 4 - бак деаэрированной воды; 5 - насосы; 6 - водогрейное
оборудование; 7 - коллектор прямой магистрали; 8 - коллектор обратной магистрали;
9 - абоненты; I - добавочная вода
Любая схема подготовки добавочной воды, включающая все перечисленные
стадии обработки или только некоторые из них, должна обеспечить получение воды,
качество которой удовлетворяло бы нормам рационального водно-химического режима
теплосети.
Итак, изложенные методы позволяют предупредить появление карбонатных
отложений на поверхностях нагрева нормально эксплуатируемого
водонагревательного оборудования.
5.3 Технология обработки воды комплексонами в системах теплоснабжения
В настоящее время созданы и начали широко внедряться в системах
отопления, горячего и оборотного водоснабжения автономные автоматизированные
дешевые установки (рис. 5.3) для обработки воды присадками типа «комплексоны»,
которые после добавления их в малых дозах (около 3-10 мг/дм3) в подпитывающую
воду, не меняя жесткости воды, препятствуют накипеобразованию. Действие
присадки основано на нарушениях центров кристаллообразования накипи.
Разложившиеся при нагревании соли временной жесткости агрегатируются в виде
пыли, остаются в воде и выпадают в осадок в зонах с низкой скоростью движения
воды. При концентрации присадки, превышающей равновесное значение, начинается
процесс отмывки системы водопользования. С этой целью целесообразно применение
грязевиков с низкой скоростью движения воды.
При применении комплексонов нет необходимости в применении Na-катионитных
ионообменных фильтров, устраняются потери воды на их промывку, отсутствует в
сточных водах сброс хлоридов, что станет в ближайшее время актуальным.
Комплексоны в России применяются около 20 лет, в Дании и Германии - более
70 лет. Но широкое распространение этого способа было ограничено отсутствием
надежных, автоматических дозирующих систем.
Комплексоны ИОМС-1 (ингибитор отложений минеральных солей) и другие
относятся к фосфорсодержащим, с катионами металлов проявляют эффект
ингибирования коррозии. Концентрация ИОМС-1 в системах открытого водоснабжения
зависит от химического состава исходной воды. Данный ингибитор имел широкое
распространение в теплоснабжении. Однако немецкая фирма БК Гиулинии Х
предлагает использовать комплексный ингибитор накипеобразования нового
поколения - Гилуфер-422, имеющий ряд преимуществ: высокотемпературный, отличные
стабилизирующие и диспергирующие свойства, при его непрерывном дозировании
медленно растворяются старые инкрустации.
Гилуфер подходит для обработки воды с общей жесткостью до
25 ммоль/дм3 и рН 6-10. Гилуфер-422 разрешен для использования в открытых и
закрытых системах теплоснабжения, исследован и рекомендован ВТИ, практически
применяется в России.
Рис. 6.3. Функциональная схема установки химводоподготовки
"КОМПЛЕКСОН-6"
На рисунке обозначено: 1 - счетчик-водомер с дозировочным устройством и
адаптером; 2 - блок автоматики; 3 - насос-дозатор; 4 - фильтр; 5 - подпиточная
вода тепловой сети; 6 - раствор комплексона; 7 - расходная емкость.
Экологическим фондом «Вода Евразии» разработан антинакипин СК-110,
обеспечивающий безнакипную работу водогрейных котлов при температуре нагрева до
120 ºС и карбонатном индексе до 10 (моль/дм3)2.
Антинакипин СК-110 представляет собой композицию органических фосфонатов,
полимеров и специальных добавок, нетоксичен, не агрессивен, удобен и безопасен
в работе, поставляется в виде жидкости. Реагент предупреждает образование
накипи на поверхностях нагрева водогрейных котлов и бойлеров, а также
обеспечивает снижение загрязненности поверхностей стенок трубопроводов и
оборудования в системах теплоснабжения. Антинакипин СК-110 успешно прошел
проверку в промышленных условиях.
Гидро-ИКС (HIDRO-X), изобретенный 70 лет назад, широко применяется для
предотвращения коррозии и накипи в закрытых системах теплоснабжения,
водогрейных и паровых котлах низкого давления.
При проектировании и эксплуатации комплексонной водоподготовки необходимо
учитывать:
химический состав исходной обрабатываемой воды с целью стабильности и для
определения точности дозировки комплексона;
деаэрационную обработку теплоносителя в системе теплоснабжения;
вывод создавшегося гидроксилаппатита [Са(Са3(РО4)2]ОН2 и других примесей
в виде тончайшей взвеси (шлама) из систем теплоснабжения через грязевик на
обратных трубопроводах системы теплоснабжения или других устройств.
При невыполнении указанных требований, все это отрицательно отразится на
работоспособности системы теплоснабжения.
6. Экономическая часть
.1 Расчет стоимости проекта
Высокоэффективное потребление и переработка энергоресурсов, а также
энергосберегающие технологии в настоящее время являются важнейшими аспектами
дальнейшего развития экономики. Природный газ является высококачественным
энергетическим топливом, поэтому использование его только на выработку тепла
крайне неэффективно. В связи с этим одно из направлений по энергосбережению
является комбинированная выработка тепла и электроэнергии.
Сведения о предприятии
Омская ТЭЦ-2 филиал АО «ТГК-11» СП «ТЭЦ-2».
Котельное оборудование на ТЭЦ-2 вводилось в эксплуатацию в период с 1941
по 1967 год. Средняя наработка котлов составляет 230 000 часов. Подробные
данные представлены в таблице 1.
Таблица 1
Основные характеристики производственных мощностей ТЭЦ-2
|
№
|
Марка КА
|
Год ввода в эксплуатацию
|
Наработка часов на 1.06.03
года
|
Паропроизводительность
(проект)
|
Паропроизводительность
(факт)
|
|
1
|
НЗЛ - 650
|
1941
|
250 895
|
70
|
65
|
|
2
|
НЗЛ - 650
|
1941
|
248 924
|
70
|
65
|
|
3
|
Бабкок - Верке
|
1941
|
256 828
|
75
|
70
|
|
4
|
ФТ - 60\ 34
|
1943
|
267 447
|
75
|
70
|
|
5
|
Бабкок - Вилькокс
|
1949
|
251 434
|
90
|
85
|
|
6
|
Бабкок - Вилькокс
|
1952
|
242 499
|
90
|
85
|
|
7
|
ТП - 130
|
1958
|
234 106
|
130
|
110
|
|
8
|
БКЗ - 75 - 39ФБ
|
1966
|
138 861
|
75
|
75
|
|
9
|
БКЗ - 75 - 39ФБ
|
1967
|
144 808
|
75
|
75
|
В результате эффективной ремонтной политики, проводимой
высококвалифицированным персоналом станции, общее состояние котлоагрегатов,
бойлерных, питательной, подпиточной, водоподготовительной установок
удовлетворительное.
Однако в связи с продолжительным сроком службы в настоящее время паровые
котлы переведены на пониженные параметры пара 1,3 Мпа, 250°С.
Котлы рассчитаны на сжигание газа и Кузнецкого угля. В связи с этим в
состав технологических объектов входит пылеприготовительное оборудование,
дутьевые вентиляторы, дымососы, деаэраторы, топливоподача, золоотвал.
.2 Потенциал рынка
Географические границы рынка сбыта тепловой энергии ТЭЦ-2 в настоящее
время могут быть определены по месторасположению теплотрасс от теплоисточника
ТЭЦ-2 во втором тепловом районе (см. Приложение 1):
восточный луч, головным диаметром 2ДУ 600 мм, проходит по территории 8 и
части 6 квартала Ленинского округа и 3, 5, 6 квартала Октябрьского округа;
западный луч, головным диаметром 2ДУ700 мм, проходит по территории 1-4, 7
и части 6 кварталов Ленинского округа; теплотрасса на ТПК (теплично-парниковый
комбинат ЗАО “Тепличное”), головным диаметром 2ДУ 800 мм, проходит по
территории 9 квартала Ленинского округа; паропровод на ОАО "Завод
транспортного машиностроения" проходит по территории Ленинского округа.
Таким образом, потребители тепловой энергии ТЭЦ-2 сосредоточены на территории
Ленинского и Октябрьского административных округов г. Омска. ЗАО “Тепличное” и
ОАО “Завод транспортного машиностроения” являются крупными промышленными
потребителями тепловой энергии ТЭЦ-2.
По результатам проведенного сегментирования можно выделить 7 основных
групп потребителей тепловой энергии: промышленность (промышленные и
приравненные к ним потребители), строительство, транспорт и связь, сельское
хозяйство, население, бюджетные организации, прочие.
Емкость рынка сбыта ТЭЦ-2 определялась на основе данных о существующих
(проектных) тепловых нагрузках Омской ТЭЦ-2 для четырех характерных режимов
потребления:
максимального - зимнего, при температуре наружного воздуха наиболее
холодного воздуха минус 37° С (I);
режима при средней температуре наружного воздуха наиболее холодного
месяца минус 19,2° С (II);
среднеотопительного, при температуре наружного воздуха минус 9,5° С (III);
летнего (IV).
В таблицах 7.1 и 7.2 представлены данные о максимальных и летних тепловых
нагрузках ТЭЦ-2.
Таблица 1.1
Максимальные тепловые нагрузки ТЭЦ-2 (режим I)
|
Теплотрасса
|
Qмах всего, Гкал/ч
|
в том числе:
|
|
|
промышленность
|
строительство
|
транспорт и связь
|
сельское хозяйство
|
Население
|
бюджетные организации
|
прочие
|
|
Восточный луч
|
75,84
|
4,095
|
4,171
|
4,474
|
-
|
43,08
|
12,89
|
7,13
|
|
Западный луч
|
197,18
|
1,775
|
0,059
|
17,726
|
-
|
131,72
|
20,70
|
25,2
|
|
Луч на ТПК
|
106,18
|
-
|
-
|
-
|
91,85
|
9,34
|
3,82
|
1,17
|
379,2
|
5,870
|
4,230
|
22,200
|
91,850
|
184,14
|
37,410
|
33,500
|
|
Паропровод на ЗТМ
|
131
|
131
|
-
|
-
|
-
|
-
|
-
|
-
|
|
Всего
|
510,2
|
136,87
|
4,23
|
22,20
|
91,85
|
184,14
|
37,41
|
33,50
|
С точки зрения приближенности к ТЭЦ-2 и наличия действующих тепловых
сетей АО «ТГК-11» СП «ТЭЦ-2», текущая максимальная присоединенная нагрузка
потребителей ТЭЦ-2 в перспективе может быть увеличена за счет дополнительной
нагрузки жилых микрорайонов им. Свердлова и ДУП "Сибком": в
отопительные период - на 19 и 51 Гкал/ч соответственно, в летний период - на
8,4 и 29,4 Гкал/ч соответственно (за счет высвобождающейся мощности ЗАО
"Тепличное" и др. потребителей).
Таким образом, потенциальный объем сбыта ТЭЦ-2 может составить: для
зимнего периода 515,6 Гкал/ч, для летнего периода - 182,546 Гкал/ч.
Особенность
Установленная мощность котельной составляет 416 Гкал/ч. Установленое основное
оборудование: 9 паровых котлов общей паропроизводительностью 700 т/ч.
Особенность технологии Омской ТЭЦ-2:
Омская ТЭЦ-2 в настоящее время производит только тепловую энергию, без
выработки электроэнергии. Тепловая энергия производится паровыми и котлами.
Часть тепловой энергии используется для собственных нужд. Электрическая энергия
для собственных нужд ТЭЦ-2 поступает из энергосистемы.
Целесообразность
Энергосберегающая технология комбинированного производства тепловой и
электрической энергии при использовании энергии сжигаемого природного газа для
производства электроэнергии с использованием устанавливаемого оборудования
позволит полностью отказаться от потребления электрической энергии, получаемой
в настоящее время от «ТГК-11»», и обеспечить собственные нужды (30-35
млн.кВтч.), что значительно повысит надежность теплоснабжения Левобережья,
снизит себестоимость производства теплоэнергии, уменьшит выбросы вредных
веществ в атмосферу, а также даст возможность выдавать электроэнергию в сеть
для ее последующей реализации.
Основные преимущества:
Возможность монтажа в капитальных сооружениях и на открытых площадках
Мобильность
Быстрый срок реализации - монтаж осуществляется за 1 год и 8 месяцев.
Окупаемость - срок окупаемости 2,9 года с момента ввода в эксплуатацию
Себестоимость производимой электроэнергии 0,26 руб/кВт, что ниже, чем
стоимость электроэнергии, поставляемой «ТГК-11» (в настоящее время
электроэнергия, потребляемая Омской ТЭЦ-2, входит в собственные нужды
«ТГК-11»).
Наличие отечественной производственной базы для изготовления и ремонта
Автоматизированный режим работы
Снижение выбросов вредных веществ в атмосферу
Срок эксплуатации основного оборудования 40 лет.
Финансовое резюме
Капитальные вложения 177,2 млн.руб (без НДС).
Срок ввода в эксплуатацию 1 год и 8 месяцев.
Себестоимость электроэнергии 0,26 руб/кВт.
Себестоимость теплоэнергии 99,43 руб/Гкал.
Характеристика состояния
Производство и отпуск тепловой и электрической энергии
Подключенная тепловая нагрузка в горячей воде составляет 399,3 Гкал/ч.
Фактически максимум нагрузок зафиксирован 320 Гкал/ч.
Структура
поступления и потребления энергоресурсов
Омская
ТЭЦ-2 потребляет следующие основные виды энергоресурсов:
Топливо
- основное: природный газ; резервное: уголь.
Тепловую
энергию в виде пара и горячей воды для собственных нужд
Электрическую
энергию от энергоисточников «ТГК-11».
Топливо
предприятие получает от внешних источников.
Тепловую
энергию в виде пара и горячей воды отпускает на сторону, часть тепла идет на
собственные нужды.
Краткое
описание проекта
Преимущества
установки ПГУ на ТЭЦ-2:
Наличие
выделенных лимитов газа;
Наличие
круглогодичных тепловых нагрузок;
Рынок
сбыта электроэнергии, т.к. Омская энергосистема является энергодефицитной.
Наличие
теплофикационной нагрузки.
Выработка
продукта
При
работе ПГУ годовая выработка электроэнергии составит 220,027 млн.кВтч.
Учитывая, что годовое потребление на производственные нужды ТЭЦ-2 составляет
32-35 млн.кВтч, выдача электроэнергии в сеть составит 185 млн.кВтч.
Удельный
расход топлива на выработку электро- и теплоэнергии:
6.3
Производственная программа
,027
млн.кВтч
,618
тыс.Гкал
Расход
условного топлива 63998,9*1,14=72959 тут. Удельный расход топлива на выработку
эл.энергии составляет 204 г/кВтч, на тепло 114,7 кг/Гкал.
При
принятии удельного расхода топлива на тепло 164,6 кг/Гкал (по 2008 году)
удельный расход топлива на электроэнергию составит
(72959-164,6*244,618)/220,027=148,6 г/кВтч. Экономия топлива по «ТГК-11» с
учетом удельного расхода топлива по АК 360 г/кВтч составит:
(360-148,6)*220,027=46,514 тыс.тут
.4
Инвестиционные издержки
Строительство
ПГУ ориентировочно потребует капитальные вложения в размере 7,56 млн.$ (177,7
млн.руб) без НДС. При наличии финансовых средств срок ввода в эксплуатацию с
начала строительства 20 месяцев.
Заключение
Реализация данного проекта отвечает основным положениям «Энергетической
стратегии России на период до 2020 года», целью которой является максимально
эффективное использование природных топливно-энергетических ресурсов, выработка
тепловой и электрической энергии на ТЭЦ, использующих в качестве топлива
природный газ, должна осуществляться по наиболее выгодному циклу, которым
является цикл ПГУ.
Энергосберегающая технология комбинированного производства тепловой и
электрической энергии при использовании энергии сжигаемого природного газа для
производства электроэнергии с использованием ПГУ позволит полностью отказаться
от потребления электрической энергии, получаемой в настоящее время от АК
«Омскэнерго», и обеспечить собственные нужды (30-35 млн.кВтч.), что значительно
повысит надежность теплоснабжения Левобережья, снизит себестоимость
производства теплоэнергии, уменьшит выбросы вредных веществ в атмосферу, а
также даст возможность выдавать электроэнергию в сеть для ее последующей
реализации.
Основные преимущества:
·
Возможность
монтажа в капитальных сооружениях и на открытых площадках;
·
Мобильность;
·
Быстрый срок
реализации - создание комплекса осуществляется за 1 год и 8 месяцев;
·
Окупаемость -
срок окупаемости 2,9 года с момента ввода в эксплуатацию;
·
Себестоимость
производимой электроэнергии 0,26 руб/кВт, что ниже, чем стоимость
электроэнергии, поставляемой АК «Омскэнерго» (в настоящее время электроэнергия,
потребляемая Омской ТЭЦ-2, входит в собственные нужды АК «Омскэнерго»);
·
Наличие
отечественной производственной базы для изготовления и ремонта;
·
Автоматизированный
режим работы;
·
Снижение выбросов
вредных веществ в атмосферу;
·
Срок эксплуатации
40 лет.
Библиографический список
1. Турбины
тепловых и атомных электрических станций: Т.86. Учебник для вузов. - 2-е изд.,
перераб. и доп./А.Г. Костюк, В.В. Фролов, А.Е. Булкин, А.Д. Трухний; Под ред.
А.Г. Костюка, В.В. Фролова. М.: Изд-во МЭИ, 2001.
. Цанев С.В.,
Буров В.Д., Ремезов А.Н. ц. 163. Газотурбинные и парогазовые установки тепловых
электростанций: Учебное пособие для вузов/Под ред. С.В. Цанева. М.: Изд-во МЭИ,
2002.
. Расчет
показателей тепловых схем и элементов газотурбинных и парогазовых установок
электростанций/С.В. Цанев, В.Д. Буров, С.Н. Дорофеев и др. М.: Изд-во МЭИ,
2000.
. Соколов
Е.Я., Мартынов В.А. Методы расчета основных энергетических показателей
паротурбинных, газотурбинных и парогазовых теплофикационных установок: Учеб.
пособие. М.: Изд-во МЭИ, 1996, 102 с.
. Абрамов
В.И., Чижов В.В. Основы проектирования и расчета стационарных ГТУ. М.: МЭИ,
1988.
. Ривкин С.Л.
Термические свойства воздуха и продуктов сгорания топлива: Справочник. М.:
Энергоатомиздат, 1984.
. Александров
А.А., Григорьев Б.А. Таблицы теплофизических свойств воды и водяного пара:
Справочник ГСССД Р-776-98. М.: Изд-во МЭИ, 1999.
.
Стационарные газотурбинные установки: Справочник/Под ред. А.В. Арсеньева, В.Г.
Тырышкина. Л.: Машиностроение, 1989.
. Тепловой
расчет котлов (нормативный метод). 2-е изд. СПб.: Изд-во НПО ЦКТАИ, 1998.
.
Аэродинамический расчет котельных установок (нормативный метод), энергия, 1977.
. Рыжкин В.Я.
Тепловые электрические станции. М.: Энергоатомиздат, 1987.
. Горюнов
И.Т., Цанев С.В., Буров В.Д. Энергетические показатели высокоманевренных
парогазовых теплоэлектроцентралей с дожиганием топлива//электрические станции.
1997. №2. С. 12-15.