Влияние местных обратных связей на точность и переходный процесс следящей системы

  • Вид работы:
    Практическое задание
  • Предмет:
    Информатика, ВТ, телекоммуникации
  • Язык:
    Русский
    ,
    Формат файла:
    MS Word
    319,42 Кб
  • Опубликовано:
    2014-10-04
Вы можете узнать стоимость помощи в написании студенческой работы.
Помощь в написании работы, которую точно примут!

Влияние местных обратных связей на точность и переходный процесс следящей системы

Министерство образования и науки РФ

Новосибирский государственный технический университет

Кафедра Автоматики

Лабораторная работа №: 1

«Влияние местных обратных связей на точность и переходный процесс следящей системы»

Группа: АА-16

Студент: Афонин Е.А.

Преподаватель: Русаков О.П.





г. Новосибирск 2014 г

1.      Цель работы

Экспериментально оценить точность и переходные процессы следящей системы.

Оценить влияние корректирующих связей на динамику системы.

.        Ход работы

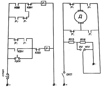
Схема лабораторного стенда:

Рис.1 Схема задатчика

Рис.2

задатчик осциллограмма следящий

Включили общее питание стенда. Включили возбуждение исполнительного двигателя. Подали питание на схему задатчика и поставили ключ К2 в положение 8В. Ключи К4, К6 поставили в положение «выкл.», а К3 - в положение «вкл.». Подключили осциллограф в гнезда, находящиеся до ключа К2, чтобы пронаблюдать переходный процесс по ошибке.

Осциллограмма переходного процесса

                                  

Рис.3

Параметры переходного процесса:

tпп = 100 мс.

σ =

Δ = 25 мВ

Задав рассогласование аналогично п.2.2, сняли осциллограмму переходного процесса, включив осциллограф на выходе тахогенератора.

Осциллограмма переходного процесса

                                  

Рис.4

Ввели местную обратную связь по скорости, поставив ключ К5 в положение «вкл.», а К6 - «выкл.». Задав скачок рассогласования на входе, сняли осциллограмму переходного процесса по ошибке и определили параметры переходного процесса.

Осциллограмма переходного процесса

                                      

Рис.5.

Параметры переходного процесса:

tпп = 100 мс.

σ =

Δ = 10 мВ

Увеличили коэффициент усиления усилителя А1, установив ключ К3 в положение «выкл.», и вновь сняли осциллограмму переходного процесса по ошибке и определили параметры переходного процесса.


                                   

Рис. 6

Параметры переходного процесса:

tпп = 90мс.

σ =

Δ = 40 мВ

Ввели связь по ускорению выходного вала, включив цепочку Rк, Cк последовательно с тахогенератором. Для этого ключ К6 установили в положение «вкл.», а коэффициент усиления усилителя А1 уменьшили, установив ключ К3 в положение «вкл.». Сняли осциллограмму переходного процесса по ошибки и определили параметры переходного процесса.

Осциллограмма переходного процесса

                                   

Рис.7.

Параметры переходного процесса:

tпп = 130мс

σ =

Δ = 75 мВ

Подали на вход системы воздействие, изменяющиеся с постоянной скоростью - сигнала типа Qвх= Ω(t). Сняли осциллограмму сигнала ошибки.

Осциллограмма сигнала ошибки

                                   

Рис.8

Выводы

В ходе выполнения данной лабораторной работы мы экспериментально установили, что система с обратной связью по скорости отличается самым малым значением относительной ошибки (10мВ), но при это самым большим процентом перерегулирования (70%), на время переходного процесса введение местной обратной связи по скорости не повлияло (так же осталось 100мс).

Самой высокой относительной ошибкой (75мВ), а также большим временем переходного процесса (130мс), отличается система с обратной связью по ускорению выходного вала, однако данная система обладает наименьшем процентом перерегулирования (25%).

Исходя из полученных значений, можно заметить, что каждая система обладает как плюсами, так и минусами.

Похожие работы на - Влияние местных обратных связей на точность и переходный процесс следящей системы

 

Не нашли материал для своей работы?
Поможем написать уникальную работу
Без плагиата!
Без нейросетей!