Сравнительная характеристика методов непосредственной оценки технического состояния. Субъективные и объективные методы диагностирования

  • Вид работы:
    Реферат
  • Предмет:
    Физика
  • Язык:
    Русский
    ,
    Формат файла:
    MS Word
    677,55 Кб
  • Опубликовано:
    2014-08-23
Вы можете узнать стоимость помощи в написании студенческой работы.
Помощь в написании работы, которую точно примут!

Сравнительная характеристика методов непосредственной оценки технического состояния. Субъективные и объективные методы диагностирования

Содержание

 

Введение

Субъективные и объективные методы диагностирования

Задание 1. Описать принцип работы ручного пылесоса "Спутник ПР-280"

Задание 2. Разработать структурно-функциональную схему ручного пылесоса "Спутник ПР-280"

Задание 3. Разработка функциональных моделей двух наиболее встречающихся неисправностей ручного пылесоса "Спутник ПР-280"

Задание 4. Разработка поиска матрицы неисправностей для одной из выбранных неисправностей

Задание 5. Разработка алгоритма поиска неисправностей одной из неисправностей методом половинного разбиения

Средства диагностики

Характерные неисправности

Заключение

Список использованной литературы

Введение

Техническая диагностика - отрасль научно-технических знаний, сущность которой составляет теория, методы и средства обнаружения и поиска дефектов объектов технической природы (бытовых машин и приборов).

Основное назначение технической диагностики состоит в повышении надежности объектов на этапе их эксплуатации, а также в предотвращении производственного брака на этапе изготовления объектов и их составных частей. Кроме того, диагностическое обеспечение позволяет получать высокое значения достоверности правильного функционирования объектов.

Любой технический объект после проектирования проходит две основные стадии "жизни" - изготовление и эксплуатацию.

Диагностирование - это процесс обнаружение дефектов в целях определения технического состояния объекта.

Поиск дефекта заключается в указании с определенной точностью его местоположения в объекте.

Целью курсовой работы является изучение и разработка структурно-функциональной схемы объекта диагностирования - ручной пылесос "Спутник ПР-280", разработка функциональной модели наиболее часто встречающихся неисправностей, разработка матрицы поиска неисправностей, разработка алгоритма поиска неисправностей методом половинного разбиения.

Реферат

 

Сравнительная характеристика методов непосредственной оценки технического состояния. Субъективные и объективные методы диагностирования

Метод непосредственной оценки - заключается в определения значения физической величины по отсчетному устройству измерительного прибора прямого действия. Например - измерение напряжения вольтметром.

Существуют определенные технические состояния объекта. Различают пять основных видов технического состояния объектов (рис.1).

. Исправное состояние - состояние объекта, при котором он соответствует всем требованиям нормативно-технической и (или) конструкторской (проектной) документации.

. Неисправное состояние - объекта, при котором он не соответствует хотя бы одному из требований нормативно-технической и (или) конструкторской (проектной) документации.

. Работоспособное состояние - состояние объекта, при котором значения всех параметров, характеризующих способность выполнять заданные функции, соответствуют требованиям нормативно-технической и (или) конструкторской (проектной) документации.

. Неработоспособное состояние - состояние объекта, при котором значения хотя бы одного параметра, характеризующего способность выполнять заданные функции, не соответствует требованиям нормативно-технической и (или) конструкторской (проектной) документации.

. Предельное состояние - состояние объекта, при котором его дальнейшая эксплуатация недопустима или нецелесообразна, либо восстановление его работоспособного состояния невозможно или нецелесообразно.

ручной пылесос диагностирование неисправность

Переход объекта (изделия) из одного вышестоящего технического состояния в нижестоящее обычно происходит вследствие событий: повреждений или отказов. Работоспособный объект в отличие от исправного

должен удовлетворять лишь тем требованиям нормативно-технической, конструкторской документации, выполнение которых обеспечивает нормальное применение объекта по назначению. Очевидно, что неисправный объект может быть работоспособным (например, не удовлетворять эстетическим или эргономическим требованиям в полной мере), если при этом его показатели назначения находятся в соответствии с требованиями технических условий или стандартов.

Переход объекта из исправного состояния в неисправное происходит вследствие дефектов. Если объект переходит в неисправное, но работоспособное состояние, то это событие называют повреждением; если объект переходит в неработоспособное состояние, то это событие называют отказом [1].

Рисунок 1 Схема основных событий и состояний. 1-5 - схема перехода из одного состояния в другое.

Так как в донном методе используются приборы существуют и погрешности измерении. Погрешность измерений - отклонение результата измерений от действительного значения.

 

Δ=x-Q (1)

Так как истинное значение неизвестно, в формулу (1) вместо Q подставляют действительное значение, которое настолько приближается к истинному, что в данных условиях может быть принято вместо него. Формула (1) дает выражение погрешности в форме абсолютной.

Относительная погрешность

 

δ=1/Q*100 % (2)

Приведем классификацию составляющих погрешность результата измерения по характеру проявления:

·        Систематическая погрешность - составляющая, остающаяся

неизменной или изменяющаяся закономерно при повторных измерениях одной и той же величины.

·        Случайная - составляющая, изменяющаяся случайно при повторных измерениях одной и той же величины.

·        Грубая - погрешность, которая превышает ожидаемую.

По причине возникновения:

·        Методическая - составляющая, обусловленная несовершенством метода измерений и методов обработки их результатов.

·        Аппаратурная или инструментальная - обусловлена погрешностью применяемых СИ, применяемых в процессе измерения.

·        Внешняя - возникающая за счет отклонения 1-го или нескольких влияющих факторов от нормальных значений.

·        Субъективная - связанная с субъективными особенностями оператора [2].

Субъективные и объективные методы диагностирования


Субъективные методы позволяют оценивать техническое состояние контролируемого объекта: визуальным осмотром, ослушиванием (характер шумов, стуков и вибрации); по степени нагрева механизмов "на ощупь"; по характерному запаху.

Достоинство субъективных методов - низкая трудоемкость и практическое отсутствие средств измерения. Однако результаты диагностирования этими методами дают только качественную оценку технического состояния объекта и зависят от опыта и квалификации диагноста.

Объективные методы контроля работоспособности объекта основаны на использовании измерительных приборов, стендов и другого оборудования, позволяющих количественно определять параметры технического состояния, которые изменяются в процессе эксплуатации [1].

Задание 1. Описать принцип работы ручного пылесоса "Спутник ПР-280"


Общие характеристики пылесосов.

Бытовые пылесосы предназначены для уборки помещений, чистки одежды, ковров и мягкой мебели, а также для других работ, связанных с использованием разрежения или давления воздуха.

Пылесосы изготовляются двух типов: ПН - напольные и ПР - ручные. Номинальное напряжение 127 или 220 В. Сопротивление электрической изоляции пылесоса должно быть не менее, МОм: 7 - усиленной или двойной изоляции; б - дополнительной изоляции; 2 - рабочей изоляции.

Перегрев корпуса пылесоса относительно температуры окружающего воздуха должен быть не более 30°С.

Уровень звука пылесосов при номинальном напряжении при открытом выходном отверстии на расстоянии 1 м должен быть не более, дБА: 75 - для напольных пылесосов; 73 - для ручных пылесосов.

Фильтры пылесосов изготовляются из материалов, оказывающих минимальное сопротивление воздушному потоку и обладающих эффективностью пылезадержания не менее 97%.

Длина соединительного шнура должна быть 6 м; в пылесосах, имеющих устройства для автоматической уборки шнура, допускается длина 5 м.

В конструкции пылесосов повышенной комфортности предусматри - вается не менее трех из следующих приспособлений;

·        указатель (сигнализатор) заполнения пылесборника пылью;

·        устройство для регулирования расхода воздуха;

·        устройство для автоматической уборки шнура;

·        сменные бумажные фильтры разового заполнения или устройства для прессования собранной пыли;

·        устройство для очистки фильтров.

В комплект пылесоса входят следующие принадлежности

-       шланг-воздухопровод длиной не менее 2 м для напольных пылесосов;

-       шланг-воздухопровод длиной не менее 1 м для ручных пылесосов;

-       удлинитель шланга-воздухопровода с общей длиной не менее 1 м (допускается составной) для напольных пылесосов;

-       запасные бумажные фильтры (не менее 12) для пылесосов с бумажными фильтрами разового заполнения;

-       насадки для очистки ковров, полоз, мебели, одежды, щелевая и для разбрызгивания жидкости.

Энергетические характеристики электропылесосов включают следующие показатели: номинальное напряжение, потребляемую мощность, пылеочистительную способность, пылевместимость пылесборника, время очистки, уборочную способность, создаваемое разрежение и уровень звука.

Потребляемая мощность пылесосов проверяется ваттметром при полностью открытом всасывающем отверстии. В ходе периодических испытаний потребляемая мощность определяется при работе пылесоса с чистыми пылесборником и фильтром при номинальном напряжении.

Пылеочистительной способностью пылесосов называют их эффективность при очистке от пыли определенной поверхности в течение заданного числа циклов чистки. Выражается эффективность очистки в виде процентного соотношения между количеством внесенной и собранной пыли. Под циклом чистки понимают одно двойное движение насадки (щетки) - вперед и назад. Пылеочистительную способность определяют на разных поверхностях (ковры с разной высотой ворса и переплетением, твердые гладкие полы, обивка мебели, твердые полы с выбоинами и трещинами),

применяя для этой цели зернистую пыль определенного гранулометрического состава.

Пылевместимость пылесосов оценивают по количеству пыли, которую может собрать фильтр (пылесборник). По мере накопления пыли в пылесосе пылеуборочная способность снижается и наступает момент, когда пылесос практически не собирает пыль и его пылесборник надо очистить.

Пылевместимость зависит от вида пыли (при волокнистой пыли пылевместимость выше), площади фильтров, скорости воздух при фильтрации, материала фильтра и т.п.

Под разрежением, создаваемым пылесосом, понимается уменьшение плотности и соответственно давление воздуха, образовавшееся вследствие того, что вентиляторное устройство работающего пылесоса в результате образовавшегося на нем перепада давлений непрерывно выбрасывает находящийся в пылесосе воздух, на место которого поступают новые порции.

Разрежение, создаваемое пылесосом, является одним из основных технических показателей, определяющих его функциональные способности.

При оценке бытовых пылесосов их сравнение производят по максимально создаваемому разрежению, т.е. разрежение при закрытом всасывающем отверстии. Степень разрежения определяется по величине статического давления - давления воздушного потока у стенок аэродинамической камеры, скорость которого равна нулю [3].

Характеристики пылесоса "Спутник ПР-280" приведены в таблице 1.

Таблица №1.

Пылеочистительная способность, %

Нитесборочная способность,%

Обьем пылесборника, г

Время очистки, с

Размеры, мм

Масса, кг

Уровень шума, дБ*А

Потребляемая мощность, Вт

По полу

По ковру




Высота

Ширина

Глубина




1

2

3

4

5

6

7

8

9

10

11

75

60

70

125

80/100

300

180

-

3

70,6

280


Рисунок 2 Внешний вид пылесоса

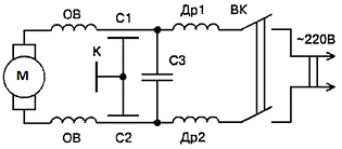
Рисунок 3 Схема электрическая принципиальная

ВК - включатель;

Др1, Др2 - дросселя;

С1, С2 - пусковые конденсаторы;

С3 - сглаживающий конденсатор;

ОВ - обмотки возбуждения;

К - корпус;

М - мотор.

Задание 2. Разработать структурно-функциональную схему ручного пылесоса "Спутник ПР-280"


Напряжение питания через вилку 1, сетевой шнур 2 поступает на кнопку включения 3, после кнопки стоит помехоподавляющий фильтр 4 и пусковые конденсаторы 5. В пылесосе установлен двигатель типа КВЛ-120-220. Он состоит из корпуса, обмотка статора 6, ротора 8, коллектора 14, щеток 7 и прижимных пружин 15. двигатель пылесоса в 2-3 раза легче аналогичного по мощности двигателя станка или вентилятора. Достигается это за счет значительного увеличения плотности тока в обмотках, а это означает резкое увеличение выделяемого тепла. Поэтому двигатель пылесоса без охлаждения может проработать лишь 10-15 минут, а с охлаждением 1-2 часа, и после этого, если его не выключить, он выйдет из строя от перегрева. Необходимо строго придерживаться режима работы указанного в инструкции по эксплуатации. На вал двигателя прикреплен вентилятор 9. При его вращении создается разряжение воздуха вокруг него. В результате в пылесос через входное отверстие 12 засасывается воздух, проходя через пылеприемник 11, пылесборник 10 он очищается, охлаждает двигатель и выдувается через отверстие 13. На рисунке 4 приведена структурно-функциональная модель.

Помехоподавляющий фильтр - необходим для принятия мер по минимизации паразитных генераций и побочных излучений. Если при разработке аппаратуры не принять мер по подавлению указанных процессов непосредственно в местах их возникновения, создаются условия для устойчивого генерирования, усиления и возникновения побочных излучений, уровень которых может превышать нормы допустимых помех. Присутствие в устройстве паразитных сигналов приводит к возрастанию сквозных токов, повышению потребляемой мощности, оказывает влияние на другую аппаратуру.

Пусковые конденсаторы - создают сдвиг фаз между токами обмоток, оси которых сдвинуты в пространстве. Наибольший вращающий момент развивается, когда сдвиг фаз токов составляет 90°, а их амплитуды подобраны так, что вращающееся поле становится круговым.

Статор - неподвижная часть электрической машины <#"800880.files/image004.gif">

Рисунок 4 Структурно-функциональная схема

-вилка;

-сетевой шнур;

-кнопка включения;

-помехоподавляющий фильтр;

-пусковые конденсаторы;

-обмотки статора;

-щетки;

- ротор;

-вентилятор;

-пылесборник;

-пылеприемник;

-входное отверстие;

-выходное отверстие;

-коллектор;

-пружина.

Задание 3. Разработка функциональных моделей двух наиболее встречающихся неисправностей ручного пылесоса "Спутник ПР-280"


О появлении в пылесосе неисправности можно судить по внешним признакам, температурному режиму работы двигателя, треск и скрежет внутри пылесоса, плохое качество уборки и так далее. В большинстве случаев появление неисправности в одном механизме приводит одновременно к ухудшению нескольких эксплуатационных показателей пылесоса. На примере пылесоса "Спутник ПР-280" рассмотрим два вида неисправностей:

)        двигатель работает, но создает плохое разряжение;

2)      при работе двигателя щетки сильно искрят.

Рисунок 5 Функциональная модель первой неисправности, двигатель работает, но создает плохое разряжение

-вилка;

-сетевой шнур;

-кнопка включения;

-помехоподавляющий фильтр;

-пусковые конденсаторы;

-обмотки статора;

-щетки;

- ротор;

-вентилятор;

-пылесборник;

-пылеприемник;

-входное отверстие;

-коллектор;

-пружина.

Рисунок 6 Функциональная модель второй неисправности, при работе двигателя щетки сильно искрят

-вилка;

-сетевой шнур;

-кнопка включения;

-помехоподавляющий фильтр;

-пусковые конденсаторы;

-обмотки статора;

-щетки;

- ротор;

-коллектор;

-пружина.

Задание 4. Разработка поиска матрицы неисправностей для одной из выбранных неисправностей


Матрицы поиска неисправностей или таблицы неисправностей используется при разработке программы поиска неисправностей, и разрабатываются на основе функциональных моделей

Функциональной модель является основой для определения множества возможных состояний объекта диагностирования. Общее их число при его разделении на N функциональных элементов при двух альтернативных исходах для каждого функционального элемента равно 2N-1 - 1. Однако в высоконадежных устройствах, к которым принадлежит и БМиП, одновременное появление двух независимых отказов маловероятно. Тогда число возможных состояний диагностируемой БМиП можно определять как число сочетаний N элементов по одному:

С1N = N (3)

Число различных состояний диагностируемой аппаратуры с учетом отказов одновременно одного функционального элемента сводятся в таблицу состояний или матрицу неисправностей.

Матрица неисправностей представляет собой таблицу, в которой число строк равно числу функциональных элементов модели, а число столбцов - числу контрольных точек (выходных элементов).

Матрица неисправностей заполняется на основании логического анализа функциональной модели диагностируемой аппаратуры при условии, что все параметры в контрольных точках на выходах функциональных элементов контролируются.

При этом предполагается, что если диагностируемая аппаратура находится в Si состоянии, то неисправен только i-й функциональный элемент. Этому событию соответствует недопустимое значение выходного параметра Zi, и тогда на пересечении Si-строки и Zj - столбца записывается символ 0.

Если при этом любой другой j-й функциональный элемент имеет также недопустимое значение Zj то на пересечении Si-строки и Zj,-столбца также записывается символ 0. Если значение параметра находится в допуске, то на пересечении записывается символ 1 [6].

Таблица №2 - Матрица поиска первой неисправности, двигатель работает, но создает плохое разряжение

Si

Zi


Z1

Z2

Z3

Z4

Z5

Z6

Z7

Z14

Z8

Z9

Z10

Z11

Z12

Z15

S0

1

1

1

1

1

1

1

1

1

1

1

1

1

1

S1

1

0

0

0

0

0

0

0

0

0

0

0

0

1

S2

1

1

0

0

0

0

0

0

0

0

0

0

0

1

S3

1

1

1

0

0

0

0

0

0

0

0

0

0

1

S4

1

1

1

1

0

0

0

0

0

0

0

0

0

1

S5

1

1

1

1

1

0

0

0

0

0

0

0

0

1

S6

1

1

1

1

1

1

0

0

0

0

0

0

0

1

S7

1

1

1

1

1

1

1

0

0

0

0

0

0

1

S14

1

1

1

1

1

1

1

1

0

0

0

0

0

1

S8

1

1

1

1

1

1

1

1

0

0

0

0

1

S9

1

1

1

1

1

1

1

1

1

1

0

0

0

1

S10

1

1

1

1

1

1

1

1

1

1

1

0

0

1

S11

1

1

1

1

1

1

1

1

1

1

1

1

0

1

S12

1

1

1

1

1

1

1

1

1

1

1

1

1

1

S15

1

1

1

1

1

1

0

0

0

0

0

0

0

0


- выходной параметр в допуске; 0 - выходной параметр вне допуска.

Таблица №3 - Матрица поиска второй неисправности, при работе двигателя сильно искрят щетки

Si

Zi


Z1

Z2

Z3

Z4

Z5

Z6

Z7

Z14

Z8

Z15

S0

1

1

1

1

1

1

1

1

1

1

S1

1

0

0

0

0

0

0

0

0

1

S2

1

1

0

0

0

0

0

0

0

1

S3

1

1

1

0

0

0

0

0

0

1

S4

1

1

1

1

0

0

0

0

0

1

S5

1

1

1

1

1

0

0

0

0

1

S6

1

1

1

1

1

1

0

0

0

1

S7

1

1

1

1

1

1

1

0

0

1

S14

1

1

1

1

1

1

1

1

0

1

S8

1

1

1

1

1

1

1

1

1

1

S15

1

1

1

1

1

1

0

0

0

0


- выходной параметр в допуске;

- выходной параметр вне допуска.

Задание 5. Разработка алгоритма поиска неисправностей одной из неисправностей методом половинного разбиения


Способ половинного разбиения используется часто при разработке алгоритмов поиска неисправностей в БМиП с последовательно соединенными элементами, которая неработоспособна из-за отказа любого элемента. В данном задании, учитывая недостаточность информации о стоимости контроля и вероятности безотказности функциональных элементов, принимается, что вероятности состояний диагностируемой аппаратуры P (Si) одинаковы для всех функциональных элементов, а стоимости контроля выходных параметров Zi также одинаковы. При этих условиях целесообразно первым контролировать такой параметр, который разбивает объект диагностики пополам.

Каждый последующий параметр для контроля выбирается аналогично, т.е. делят пополам образующуюся систему после выполнения предыдущей проверки в зависимости от результатов ее исхода [6].

Рисунок 7 Алгоритм поиска первой неисправности, двигатель работает, но создает плохое разряжение

Рисунок 8. Алгоритм поиска второй неисправности, при работе двигателя сильно искрят щетки

Средства диагностики


Камера КП-1 для очистки пылесосов и полотеров перед ремонтом. Камера КП-1 (рис.9) предназначена для очистки пылесосов и полотерных машин перед ремонтом ручной щеткой и обдувкой воздухом. Запыленный воздух из камеры удаляется через присоединяемый к вытяжной вентиляции воздухоотсос, имеющий пылесборник. Воздух для обдувки деталей подается от специального пылесоса, установленного в нижней части камеры.

Техническая характеристика камеры КП-1

Количество воздуха, отсасываемого из камеры, м3/ч

1200

Установленная мощность, кВт

0,7

Габаритные размеры, мм

860×770×1820

Масса, кг

120


Рисунок 9. Камера КП-1 для очистки пылесосов и полотеров

Стенд СП-I для проверки пылесосов.

Предназначен для проверки мощности, тока и создаваемого разрежения ручных и напольных пылесосов.

На панели стенда размещены: амперметр 5 (рис.10), вольтметр 6, тягомер 7, выключатель 2, предохранители, сигнальная лампочка 4 и ручка 1 автотрансформатора типа ЛАТР.

Стенд укомплектован прибором для измерения емкости конденсаторов помехоподавляющих устройств коллекторных электродвигателей.

Технические характеристики стенда

Тип стенда

Настольный

Напряжение питания стенда, В

220

Диапазон напряжений, подаваемых на пылесос, В

0 - 127; 0 - 220

Проверяемые параметры пылесоса:


 мощность, кВт, не более

1

 ток, А, не более

10

 разрежение, кПа, не более время проверки одного пылесоса, мин, не более

24 17

Габаритные размеры, мм Масса, кг

800×300×520 55


Рисунок 10 Стенд СП-1 для проверки пылесосов

- ручка автотрансформатора;

- выключатель;

, 4 - сигнальные лампы;

- амперметр;

- вольтметр;

- тягомер;

- розетки;

- шланг.

При испытании соединительный шнур пылесоса включают в розетку, которая расположена на боковой стенке стенда. С помощью ручки 1 автотрансформатора осуществляется плавный подъем напряжения от нуля до номинального значения питания проверяемого пылесоса. Параметры пылесосов контролируют по приборам. Стенд имеет шланг 9 с наконечником, который присоединяется к входному отверстию пылесоса при измерении создаваемого разрежения. Кроме того, на передней панели стенда имеется розетка 8 для включения двух проводов с наконечниками, соединенных с источником питания и сигнальной лампочкой 3. Таким пробником можно определить исправность цепи, так как в этом случае зажигается сигнальная лампочка. Если цепь оборвана, сигнальная лампочка не горит.

Характерные неисправности


В электропылесосах и электрополотерах применяются коллекторные двигатели, требующие специального ухода в период эксплуатации. При осмотре пылесоса необходимо обратить внимание на состояние и степень искрения угольных щеток, состояние пластин коллектора, герметизацию корпуса, исправность замков, шланга и пылефильтра, герметичность в местах соединения шланга и удлинительных труб с корпусом пылесоса.

Степень искрения на коллекторе (класс коммутации) должна быть равной 2. Это означает слабое искрение под большей частью щетки. При этом состояние коллектора и щеток характеризуется появлением следов почернения на коллекторе, легко устраняемых протиранием поверхности коллектора бензином, а также следов нагара на щетках.

Для выполнения профилактического осмотра и ремонта пылесоса рекомендуется следующий набор инструментов и контрольных приборов: отвертки с шириной лезвия 3,4 и 7 мм, ключ гаечный 14 и 17 мм, плоскогубцы, кусачки, нож, молоток, съемник для снятия подшипников, электропаяльник, амперметр, вольтметр (или авометр), позволяющий измерить ток до 10 А и напряжение до 250 В.

Возможные неисправности электропылесосов, способы их устранения.

Причина

Способ устранения

Пылесос не работает или работает с перебоями

Неисправна штепсельная вилка соединительного шнура

Проверить контактное соединение шнура с контактами вилки. Устранить дефекты

Обрыв в соединительном шнуре

Найти и устранить неисправность в соединительном шнуре или заменить его

Не работает выключатель

Снять и разобрать выключатель, устранить неисправности в нем или заменить выключатель

Нарушен контакт в электрической схеме

Проверить контактные соединения в местах паек, проверить провода на обрыв.

Угольные щетки неплотно прилегают к коллектору (зависание щеток)

Устранить неисправности Легким поворотом колпачков щеткодержателей с правой и левой стороны электродвигателей прижать угольные щетки или вынуть щетки из щеткодержателей и слегка зачистить боковые поверхности щеток мелкой стеклянной бумагой

Износились угольные щетки

Заменить новыми щетками и подогнать по коллектору

Коллектор сильно загрязнен

Прочистить коллектор чистой тряпкой, слегка смоченной в спирте или одеколоне. Загрязнения, не снимающиеся тряпкой, удалить мелкой стеклянной бумагой

Ослабли пружины угольных щеток

Разобрать пылесос, вынуть угольные щетки, растянуть пружины или заменить

Закорочена обмотка якоря электродвигателя

Межвитковое замыкание обмотки якоря проверить на приспособлении для проверки межвитковых замыканий. Разобрать пылесос и заменить якорь двигателя

Обрыв в статорных катушках электродвигателя

Проверить омметром катушку статора. Разобрать двигатель, неисправную катушку заменить

Межламельное замыкание якоря электродвигателя из-за попадания угольной пыли на пластины коллектора

Разобрать пылесос. Прочистить тряпкой, смоченной в спирте, пластины коллектора и продуть электродвигатель сухим воздухом

Снизилась мощность электродвигателя, потребляемый ток увеличился

Сгорела обмотка якоря электродвигателя

Разобрать электродвигатель. Заменить или перемотать якорь

Сгорела катушка статора электродвигателя

Разобрать электродвигатель, перемотать или заменить статорные катушки

Вышел из строя подшипник

Разобрать электродвигатель, заменить подшипник

При работе электродвигателя наблюдается искрение коллектора

Не притерты угольные щетки

Разобрать электродвигатель, продорожить коллектор, притереть угольные щетки по коллектору

Загрязнены пластины коллектора

Продорожить коллектор между пластинами и промыть коллектор спиртом

На пластинах коллектора имеется выработка

 Разобрать электродвигатель, проточить коллектор якоря на токарном станке

Шум и скрежет при работе пылесоса

Крыльчатки вентилятора воздуховсасывающего агрегата задевают за корпус

Разобрать пылесос и воздуховсасывающий агрегат. Снять и отремонтировать или заменить негодные крыльчатки

При работе электропылесоса в работающей радиоаппаратуре прослушивается треск и другие помехи радиоприему

Неисправно помехоподавляющее устройство

Отсоединить конденсаторы помехоподавляющего устройства и проверить их омметром. Неисправные детали заменить

Уменьшилось создаваемое пылесосом разрежение

Засорен гибкий шланг

Прочистить или продуть гибкий шланг пылесоса

Нарушено резиновое уплотнение, между корпусом пылесоса и пылесборником имеется посторонний подсос воздуха

Проверить состояние откидных замков пылесоса и резинового уплотнительного кольца. Исправить замки или заменить уплотнительную резину

При работе пылесоса или полотера сильно нагревается электродвигатель

Большое искрение щеток

Разобрать пылесос или полотер, поворачивая щит электродвигателя в правую или левую сторону. Установить щетки на нейтраль и добиться наименьшего искрения

При работе пылесос сильно нагревается

Загрязнен пылефильтр

Разобрать пылесос, очистить пылефильтр щеткой. Микрофильтры заменить. Стирать пылефильтры не рекомендуется, так как при этом ткань садится и прохождение воздуха затрудняется

Пробит конденсатор помехоподавляющего устройства

Разобрать пылесос, проверить конденсаторы помехоподавляющего устройства. Негодные конденсаторы заменить



Заключение


В процессе выполнения работы выполнена структурно-функциональная схема объекта диагностирования - ручного пылесоса "Спутник ПР-280", разработаны функциональные модели наиболее часто встречающихся неисправностей, матрицы поиска неисправностей. Выработан алгоритм поиска неисправностей методом половинного разбиения.

Список использованной литературы


1. Шишмарев В.Ю. Надежность технических систем. - М.: Академия; 2010. - 304 с.

. Клаасен К.Б. Основы измерения. Электронные методы и приборы в измерительной техники. - М.: Постмаркет, 2000. - 352 с.

. Леонов А.И., Дубровский Н.Ф. Основы технической эксплуатации бытовой радиоэлектронной аппаратуры. - М.: Легпромбытиздат, 1991. - 272 с.

. Лепаев Д.А. Справочник слесаря по ремонту электробытовых приборов и машин. - Изд.4-е, испр. и доп. - М.: Легпромбытиздат, 1986. - 264 с., ил.

. Сибикин Ю.Д., Сибикин М.Ю. Техническое обслуживание и ремонт электрооборудования и сетей промышленных предприятий. - М.: Академия, 2000. - 432 с.

. Соколова Е.Н. Электрическое и электромеханическое оборудование. Общепромышленное оборудование и бытовая техника. - М.: Высшая школа, 2001. - 224 с.

. Диагностика и сервис бытовых машин и приборов: Методические указания по выполнению контрольной работы и курсового проекта / Уфимск. Технолог. ин-т сервиса. Сост. А.А. Литвиненко, Уфа, 2001. - 11 с.

Похожие работы на - Сравнительная характеристика методов непосредственной оценки технического состояния. Субъективные и объективные методы диагностирования

 

Не нашли материал для своей работы?
Поможем написать уникальную работу
Без плагиата!
Без нейросетей!