Современные источники питания для дуговой сварки
Курсовая работа
Современные источники питания для
дуговой сварки
Содержание
Введение
1. Принцип работы инвертора, его достоинства и недостатки
1.1 Элементная база выпрямителей с инвертором
1.2 Схемы инверторов
1.2.1 Параллельные инверторы
1.2.2 Последовательные инверторы
1.2.3 Двухтактный мостовой инвертор
1.2.4 Однотактный полумостовой инвертор
1.2.5 Резонансные преобразователи
1.3 Конструкции инверторных источников
1.3.1 Выпрямитель с однотактным транзисторным преобразователем
марки ДС.250.33 (НПП "Технотрон", Чебоксары)
1.3.2 Выпрямитель с двухтактным транзисторным преобразователем
1.3.3 Выпрямитель с квазирезонансным преобразователем марки
Форсаж-160
1.3.4 Модульная организация высокочастотных преобразователей
1.3.5 Универсальный выпрямитель с последовательным резонансным
инвертором марки ВДУЧ-315
1.4 Сварочные инверторные аппараты
1.4.1 Инверторный аппарат ДС 250.33 для сварки покрытыми
электродами
1.4.2 Универсальный сварочный инверторный источник общего
назначения InvertecV300-1
1.4.3 Инверторный сварочный аппарат POWERMAN
1.5 Преимущества использования инверторных источников питания
сварочной дуги
1.5.1 Инверторный источник питания - энерго - и ресурсосберегающий
фактор сварочного производства
1.5.2 Эффективность эксплуатации инверторных источников питания
1.6 Новые разработки, модернизация и использование современных
источников питания сварочной дуги
1.6.1 Переносный сварочный MSG инвертор. Trag -
barerMSG-SchweiGinverter (Esab, Solingen). Praktiker. 2011.63, № 3, c.65. Нем.
1.6.2 Сварочный аппарат и сварочный робот. SchweiBgerate und
SchweiBroboter (Carl CloosSchweiBtechnik GmbH, IndustriestraBe, 35708 Haiger,
www.cloos. de). Praktiker. 2011.63, № 4, c. S2. Нем.
1.6.3 Импульсный сварочный источник питания. NeuaufgelegLPrakiiker.
2012.64, Nb I >2, с.9, I ил. Нем.
1.6.4 Модернизация MSG-сварки. Konzept
/липMetall-SchutzgasschweiQen (MigatronicGmbH, Sandusweg 12, 3S43SWettenberg,
www.migatronic. de). Prakiiker. 2011.63, Ne 4, c. S7, l ил. Нем.
1.6.5 Источник питания для сварки с цифровым обслуживанием.
SchweiBstromquellemitdigitalemBedienkonzept (Rehm GmbH u. Co. KG
SchweiBtechnik, OttostraGe 2, 73066 Uhingen, www.rehm-onlinc. de). Praktiker.
2011.63, № 4, c. S8, 1 ил. Нем.
1.6.6 Новое семейство [компактных] сварочных машин [для дуговой сварки
в защитных газах Kempact RAJ.
NeueSchweiBmaschinen-FamiliemieiF-Designpreisausgezeichnet (www.maschinenmarkt.
de). Maschinenmarkt. 2011, № 49, c.14. Англ.
1.6.7 Сварочные свойства однофазных выпрямителей. Мейстер А.Р.
Красноярск: СФУ. 2011,170 с., ил. Библ.140. Рус. ISBN 978-5-7638-2145-1.
1.6.8 Сабирзянов Д.Р. (КГЭУ, г. Казань). Материалы докладов 15
Аспирантско-магистерского научного семинара, посвященного "Дню
энергетика", Казань, 5-7 дек., 2011. Т.1. Казань. 2012, с.184-185. Рус.
1.6.9 Устройство для импульсного питания сварочной дуги:
Пат.2457088 Россия, МПК В23К 9/095 (2006.01). ТПУ, Сотокина Ю.В., Князьков
А.Ф., Князьков С.А., Уткин Д.В. №2010152924/02; Заявл.23.12.2010;
Опубл.27.07.2012. Рус.
1.6.10 Полупроводниковые преобразователи для контактной пайки и
микросварки. Шейн Е.Б., Шейн А.Б., Дроздов А.В. (Чебоксары, ЧГУ, ОАО
"Водоканал"). Информационные технологии в электротехнике и
электроэнергетике (ИТЭЭ-2012): Материалы 8 Всероссийской научно-технической
конференции, Чебоксары, 2012. Чебоксары. 2012, с.164-172. Библ.3. Рус.
1.6.11 Двухтрансформаторный комбинированный преобразователь с
регулируемой эффективностью передачи энергии в сварочную дугу. Кобзев А.В.,
Семенов В.Д., Федотов В.А., Идрисов И.К. Науч. вестн. НГТУ. 2012, № 2,
с.155-166. Рус.
1.6.12 Источник питания для дуговой сварки: Пат.2463137 Россия, МПК
В23К 9/095 (2006.01). МГУ Огарева, Бардин В.М. у Борисов Д.А., Земсков А.В. Ns
2011128141/02\ За-явл.07.07.2011; Опубл.10.10.2012. Рус.
1.6.13 Применение сварочных источников питания, на строительных
площадках: соответствие высоким запросам. HoheAnforderungen -
umfassenderfiillLTrommerGerd, JankVinzenz,Schiefermiiller Robert. Praktiker.
2012.64, № 7, c.284-287. Нем.
1.6.14 СварочныйаппаратPontig 2220HFP
1.6.15 Система OffShore для многопостовой сварки.
1.6.16 Источник питания TransTig 1750 Puls для эффективной TIG
сварки
Заключение
Список источников
Введение
В данной работе рассмотрен принцип работы инверторного
источника питания сварочной дуги, его достоинства и недостатки, схемы и конструкции.
Эффективность эксплуатации инверторных источников питания с точки зрения
энерго- и ресурсосбережения. А так же новые разработки, модернизация и
использование современных источников питания сварочной дуги.
Сварочный инвертор - это один из основных видов источника
питания сварочной дуги. Основной принцип всех сварочных инверторов -
обеспечивать стабильное горение сварочной дуги и ее быстрый поджиг. Одним из
самых нужных параметров сварочного процесса является его устойчивость к
колебаниям и помехам. Существует несколько видов источников питания сварочной
дуги - трансформаторы, выпрямители и инверторы. Инверторный сварочный аппарат
появился в 20 веке и стал одним из самых популярных аппаратов.
Стандартом ISO 9001 сварка определена, как "специальный
процесс, где результаты не могут быть полностью проверены последующим осмотром
и испытанием изделия". "Необходимо требовать непрерывного контроля
параметров процесса, чтобы гарантировать, что указанные требования
выполнены". Рекомендовано иметь систему, которая регистрирует критические
параметры процесса, в первую очередь энергетические и хранит информацию таким
образом, что это может быть восстановлено". Это предъявляет дополнительные
требования к источникам питания, в первую очередь касающиеся доступности оборудования
для испытаний при сертификации и аттестации, а так же наличия встроенных систем
контроля и диагностики. Мировое производство оборудования для дуговой сварки в
2006 году достигло 3 млрд. долларов, из них около 70% приходится на так
называемые инверторные источники питания, причем их доля, как наиболее
перспективных, с каждым годом увеличивается. Практически все мировые лидеры в
области сварочного производства ориентированы преимущественно на разработку и
производство инверторных источников питания. Традиционные источники
характеризуются очень высокой индуктивной нагрузкой, реактивной мощностью,
которая не связана с выполнением полезной работы, а расходуется на создание
электромагнитных полей тем самым, создавая дополнительную нагрузку на силовые линии
питания. Приводимые в различных источниках данные по экономии электроэнергии
существенно разняться от 10-15% до 1,2-1,8 раз. Проведенные исследования
свидетельствуют о существенной экономики энергопотребления в случае с
применением инверторных источников питания, как с точки зрения активной энергии
примерно на 25-30%, так и ее реактивной составляющей практически более чем в 10
раз. Снижение полной потребляемой мощности и соответственно токов составляет
порядка 100%, что означает снижение нагрузки сети, расходов на токоподводящий
кабель и электрораспределительную аппаратуру. Ток в первичной цепи источников
ВД506 и инвертора МС501М соответственно составляют 27 и 14 А, при одинаковом
сварочном токе 200 А. Нет необходимости в расходах на приобретение компенсации
реактивной мощности, ввиду ее крайне низкого значения. Окупаемость инверторных
источников питания при сварке, только за счет экономии электроэнергии, в том
числе при нахождении источника в режиме холостого хода, примерно за год
компенсирует его более высокую стоимость. Если в начале 80-х годов прошлого
века переход на инверторную технику был в основном обусловлен существенной
экономией электропотребления и снижения массы и габаритов, то в настоящее
время, развитие инверторной технологии и микропроцессорной техники,
обеспечивают возможность оптимизации и формирование сколь угодно сложных циклов
сварки и форм внешней характеристики, тотального контроля за формированием,
отрывом и переносом в сварочную ванну каждой капли присадочного металла и
процессом плавления основного металла. Инверторные источники с
микропроцессорным управлением имеют возможность работы в системе синергетики с
многочисленными программами, занесенными в память, которые облегчают
эксплуатацию источников питания и делают их пригодными для использования не
очень опытным персоналом. Системы с синергетикой поддерживают постоянные
условия сварки даже при значительных колебаний длины дуги и вылета при сварке
труднодоступных участков шва. Система в соответствии с программным обеспечением
подстраивает процесс сварки так, чтобы дуга всегда наилучшим образом
соответствовала условиям в текущий момент времени.
Особенностью высокочастотных инверторов являются высокая
стабильность и качество сварки различных материалов в широком диапазоне толщин
с минимальным разбрызгиванием металла. Такое оборудование в ряде случаев
обеспечивает высококачественную сварку и покрытыми электродами со всеми видами
покрытий. Сварка неплавящимся электродом является обычно дополнительной
функцией. При импульсной сварке плавящимся электродом в смеси газов появляется
возможность получения импульсов тока различной частоты и формы. При достаточной
технологической проработке это свойство может улучшить качество сварных
соединений. Например, введение функции двойного импульса улучшило очистку
металла при сварке алюминия, в результате чего сварной шов формируется того же
вида, что и при сварке вольфрамовым электродом.
В настоящее время источники питания для дуговой сварки
промышленного применения, требуют оптимизации по таким критериям, как масса,
габариты, коэффициент полезного действия, надежность, стоимость. В наибольшей
степени данным требованиям удовлетворяют инверторные выпрямители, которые
позволяют снизить массогабаритные размеры источника питания.
инвертор сварка источник питание
1. Принцип
работы инвертора, его достоинства и недостатки
Интенсивное развитие электроники и полупроводниковой техники
в последнее десятилетие обеспечило качественно новый уровень развития
сварочного оборудования, в том числе и источников тока. Появились принципиально
новые и весьма перспективные сварочные источники питания - инверторные
выпрямители, характерной особенностью которых является значительное увеличение
в процессе преобразования частоты сетевого напряжения до десятков кГц. [1]
Работа инверторного выпрямителя проходит следующим образом:
сетевое переменное напряжение выпрямляется и фильтруется, затем преобразуется в
высокочастотное, которое понижается через высокочастотный трансформатор до
уровня необходимого для проведения сварочных работ. После этого высокочастотное
напряжение вновь выпрямляется, фильтруется и подается на сварочную дугу. В
зависимости от применяемых силовых полупроводниковых приборов инверторные
выпрямители делятся на транзисторные и тиристорные. Блок-схема такого преобразователя
представлена на рисунке 1.
Рис.1. Блок-схема инверторного источника питания: 1 - сетевой
выпрямитель со встроенной системой защиты; 2 - фильтр сетевого напряжения; 3 -
промежуточное звено высокой частоты; 4 - высокочастотный трансформатор; 5 -
высокочастотный выпрямитель; 6 - блок защиты; 7 - блок задания режима; 8 - блок
управления; 9 - дроссель; 10 - сварочная дуга
Каждый блок несет определённую функциональную нагрузку. Для
более полного рассмотрения работы инверторного выпрямителя (рис.2) представлена
упрощенная схема транзисторного инвертора и диаграммы напряжений в его узлах.
Диаграмма напряжений позволяет понять работу каждого из
блоков данного источника питания:
) напряжение на входе источника питания;
2) напряжение на выходе выпрямительного блока (
)
) напряжение после сглаживающего фильтра (L1, C1)
) высокочастотное напряжение на базах транзисторов (VT1, VT2)
) напряжение, пониженное до требуемого для сварки через (TV1) и выпрямленное с помощью (
);
) выходное напряжение.
Рассмотрим функциональное и конструктивное исполнение блоков,
представленных на рисунках 1, 2.
Рис. 2. Инверторный источник питания: а) электрическая схема;
б) диаграммы напряжений каждого из представленных узлов
. Сетевой выпрямитель служит для преобразования переменного
тока промышленной частоты в постоянный. Схема выпрямления: для работы от
трехфазной сети - трехфазная мостовая; при работе от однофазной сети - простая
двухполупериодная. В состав сетевого выпрямителя обязательно входит узел
защиты, который в случае превышения тока на промежуточном блоке высокой частоты
или при пробое одного из силовых полупроводниковых вентилей отключает его от
питающей сети.
. Фильтр сетевого напряжения служит для сглаживания пульсаций
постоянного тока, он состоит из LC цепи. Для качественной работы
преобразователя высокой частоты требуется уменьшение пульсаций промышленной
частоты до 1 %, что влечет за собой применение большой конденсаторной батареи,
размеры которой в большой мере влияют на массогабаритные характеристики
источника питания.
. Промежуточное звено высокой частоты служит для
преобразования постоянного тока в переменный ток высокой частоты и
регулирования сварочного тока и напряжения. Как было сказано выше, по
исполнению, в зависимости от типа полупроводниковых приборов, промежуточные
звенья разделяются на тиристорные и транзисторные. Частота работы первых
ограничена временем запирания тиристоров и, как правило, не превышает 5 КГц, а
частота преобразования вторых может колебаться от 20/50 КГц. Поэтому
массогабаритные характеристики транзисторных инверторов выше, чем у тиристорных.
. Высокочастотный сварочный трансформатор понижает
высокочастотное высокое напряжение в более низкое, требуемое для процесса
сварки. Магнитопровод таких трансформаторов для уменьшения потерь изготавливают
на основе ферритов. Используются все три типа магнитопроводов: броневые,
стержневые и тороидальные. В основном изготавливают однофазные трансформаторы,
хотя возможно использование трехфазных, но это усложняет схему управления.
. Высокочастотный сварочный выпрямитель вновь преобразует
переменное напряжение в постоянное. Схема выпрямления простая двуполупериодная
и двуполупериодная со средней точкой. В схеме используются высокочастотные
неуправляемые вентили.
. Блок защиты служит для отключения выпрямителя от сетевого
напряжения при перегреве, перегрузке и резком изменении напряжения питающей
сети. При изменении данных параметров он подает сигнал на узел защиты, входящий
в сетевой выпрямитель.
. Блок задания режима задает технологические параметры,
необходимые для процесса сварки.
. Блок управления является не только задатчиком частоты
промежуточного звена высокой частоты, но и блоком сравнения заданных режимов
сварки с выходными параметрами инверторного источника и таким образом
осуществляет обратную связь по напряжению и току.
На рисунке 3 представлена схема блока управления, основным
узлом которого является мультивибратор, формирующий прямоугольные импульсы для
управления звеном высокой частоты, в зависимости от заданных режимов и
полученных выходных параметров. Для гальванической развязки в схеме применяются
оптроны.
Рис. 3. Блок управления инверторного выпрямителя: ОС по I и U
- обратная связь по току и напряжению; ЗПЧ - звено промежуточной частоты
. Дроссель служит для ограничения скорости нарастания тока короткого
замыкания при механизированной сварке в среде защитных газов и сглаживания
пульсаций выходного напряжения. В связи с тем, что пульсации на выходе
выпрямителя имеют высокую частоту он изготавливается на основе ферритов. [2]
Итак, инвертор - это устройство, преобразующее постоянное
напряжение в переменное. Конвертор - устройство для понижения или увеличения
постоянного напряжения, иногда с промежуточным высокочастотным звеном. С
появлением инверторных источников более простые неинверторные стали называть
конвенциональными, т.е. обычного типа.
Сварочные свойства выпрямителей с инвертором, как правило,
лучше, чем у конвенциональных источников, и объясняется это высоким
быстродействием инвертора. У неинверторного однофазного выпрямителя
длительность переходного процесса составляет не менее полупериода стандартного
переменного тока, т.е.10 мс, а у выпрямителя с инвертором быстродействие
характеризуется значениями 0,5 мс и менее. При механизированной сварке в
углекислом газе такой выпрямитель способен обеспечить сложный алгоритм
изменения тока в целях управления переносом электродного металла при
длительности отдельных этапов цикла около 1 мс. Высокие динамические свойства
выпрямителя с инвертором проявляются и в случае программного управления
процессом ручной дуговой сварки.
Достоинства и недостатки выпрямителя с инвертором тесно связаны
друг с другом. Такой выпрямитель экономичен и весьма перспективен, хотя энергия
претерпевает по крайней мере четыре ступени преобразования. Дело в том, что
сердечник высокочастотного трансформатора имеет очень малые сечение и массу.
Поскольку масса связана с частотой соотношением m~l/
, обычно сердечник весит в десятки раз меньше, чем сердечник
трансформатора на 50 Гц. В целом выпрямитель также имеет замечательные
массоэнергетические характеристики: 0,02. ОД кг на 1 А сварочного тока и 1.4 кг
на 1 кВт потребляемой мощности, поэтому в 5-15 раз легче других выпрямителей. И
все же выпрямитель с инвертором дороже конвенциональных источников, поэтому его
рекомендуют использовать в тех случаях, где имеют значение малые масса и
габаритные размеры при сварке на монтаже, на ремонтных работах. В эксплуатации
такой источник чрезвычайно экономичен. Его коэффициент мощности близок к 1, КПД
не ниже 0,7, а иногда достигает 0,9. Главный недостаток выпрямителя с
инвертором заключается в чрезмерной сложности устройства и связанных с этим
низких надежности и ремонтпригодности. Специфическим недостатком является также
повышенный шум, издаваемый высокочастотным трансформатором, выходным фильтром и
дугой.
1.1
Элементная база выпрямителей с инвертором
Силовые элементы выпрямителей с инвертором существенно
отличаются от конвенциональных прежде всего малыми габаритными размерами и массой,
что связано с высокой частотой преобразования энергии. Миниатюризации не
подвергаются только входной выпрямительный блок и его фильтр. Понижающий
трансформатор, как уже отмечалось, дает самый большой выигрыш в массе.
Например, при мощности трансформатора 20 кВ А увеличение частоты с 50 Гц до 50
кГц приводит к снижению его массы со 120 до 7 кг. Пропорционально снижается и
масса сглаживающего дросселя. Магнитопроводы из электротехнической стали
используют только при частотах до 10 кГц, при большей частоте рационально
применение ферритов, т.е. спеченных порошков из смеси оксидов железа и других
металлов, у которых потери на перемагничивание меньше, чем у стали. [3]
При высокой частоте в обмоточном проводе усугубляется
поверхностный эффект - вытеснение тока к периферии, что вынуждает к увеличению
сечения провода. Поэтому для уменьшения потерь в обмотках используют литцендрат
- многожильный провод из изолированных жил. Конденсаторы, входящие в состав
резонансных инверторов, как правило, с оксидным диэлектриком (полярные
электролитические) на несколько тысяч мкФ, при частотах более 20 кГц - с
органическим или керамическим диэлектриком. [4]
Силовые переключающие полупроводниковые приборы являются
наиболее ответственными и уязвимыми элементами выпрямителя с инвертором. В
качестве силовых элементов используют мощные высокочастотные биполярные
транзисторы, полевые транзисторы, в последнее время также биполярные
транзисторы с изолированным затвором. Ранее в этих же целях применяли
высокочастотные тиристоры.
Биполярный транзистор отличается от других типов
переключающих приборов лучшей технологичностью и малыми потерями, но при
высоком напряжении (более 350 В) подвержен пробою при выключении. Кроме того,
он имеет сравнительно низкий коэффициент усиления по току, поэтому для питания
тока базы нуждается в специальном устройстве - драйвере, выполняющем
предварительное усиление сигнала системы управления. Более перспективныполевые
МОП-транзисторы с изолированным затвором, имеющие структуру
металл-оксид-полупроводник (рис.4, а). Затвор 3 не имеет электрической связи с
силовой цепью исток И - сток С, поэтому мощность управления транзистором
ничтожно мала. Эти транзисторы имеют очень малое время включения и выключения,
что позволяет использовать их при частоте до 100 кГц, притом с низкими
динамическими потерями. Пока еще полевые транзисторы уступают биполярным по
значениям рабочего тока и напряжения.
Наиболее перспективным силовым переключающим прибором
является биполярный транзистор с изолированным затвором (IGBT - InsulatedGateBipolarTransistor)
(рис.4, б), удачно сочетающий достоинства биполярных и полевых транзисторов. Он
может работать при частоте до 75 кГц, передавая одним прибором мощность до 10
кВт. Для передачи большей мощности транзисторы соединяют параллельно, при этом
важно обеспечить равномерное распределение тока между ними, что достигается,
например, тщательным подбором приборов с одинаковыми характеристиками.
Рационально использование комплектных транзисторно-диодных модулей - чопперов
(chopper - прерыватель) (рис.4, в). В них уже при изготовлении подобраны на
одинаковые токи и напряжения транзистор VT и высокочастотный
обратный диод VD1, а также на меньший ток - защитный диод VD 2. Тенденция к
объединению в одном корпусе силовых переключающих приборов, схем их управления,
пуска, защиты, регулирования и диагностики проявилась в разработке и внедрении
разумных силовых модулей (IPM - IntelligentPowerModule) (рис.4, г). [3]
Рис. 4. Современные переключающие приборы:
а - МОП-транзистор; б - биполярный транзистор с изолированным
затвором; в - транзисторно-диодный модуль - чоппер; г - разумный силовой модуль
Тиристоры как переключающие приборы сварочных инверторных
источников применяются с 80-х годов, т.е. раньше транзисторов. Они обладают
высокой мощностью и надежностью, и в отличие от транзисторов допускают
значительные перегрузки по току, но как неполностью управляемым вентилям им
присущ очень важный недостаток - их невозможно выключить простым снятием
сигнала с управляющего электрода. Поэтому их схему приходится дополнять мощным
конденсатором, включаемым последовательно или параллельно с тиристором. В
последовательном инверторе отпирание тиристора происходит при подаче сигнала на
управляющий электрод, а запирание - в результате полной зарядки конденсатора.
Такие инверторы работают с частотой не более 20 кГц. С появлением надежных
транзисторов они повсеместно вытеснены как менее эффективные. Однако разработка
специальных запираемых тиристоров может вернуть им эту область применения.
Приведем несколько примеров силовых переключающих приборов,
используемых в сварочных инверторных источниках. Биполярный транзистор (ВРТ)
марки КТ-847А (Россия) на ток 15 А и допустимое напряжение коллектора 650 В с
временем коммутации не более 5 мкс. Биполярный транзистор с изолированным
затвором (IGBT) марки IRGPH50K (InternationalRectifier, США) на ток 45 А и
допустимое напряжение 1200 В с частотой переключения 10-75 кГц.
Транзисторно-диодный модуль (чоппер) марки МТКИД100-12 (Россия) на ток 2 х 100
А и допустимое напряжение 1200В. Разумный силовой модуль PM15RSH120
(Mitsubishi, Япония) на ток 14 А мощностью 2,2 кВт. [4]
Регулирование режима сварки осуществляется несколькими
способами. Например, если входной выпрямительный блок выполнить тиристорным, то
при увеличении напряжения Uвс увеличивается и амплитуда высокочастотного
напряжения U2 и среднее значение U выпрямленного напряжения (рис.5а):
вс ↑ => U1 ↑ => U2 ↑ =>Uв ↑
Возможно также регулирование изменением частоты импульсов
(рис.5б):
↑ => T ↓ =>Uв ↑
Но наибольшее распространение получил способ
широтно-импульсного регулирования (рис.5в):
↑ =>Uв ↑,
Поскольку при постоянной частоте облегчается выбор параметров
выходного фильтра, а также снижается спектр электромагнитных помех, которые
легче устранить входным фильтром.
Рис. 5 - Осциллограммы при регулировании напряжения
изменением амплитуды (б), частоты (в) и ширины импульсов (г).
В выпрямителе с инвертором используется амплитудное,
частотное и широтное регулирование режима.
Естественные внешние характеристики выпрямителя зависят от
конструкции инвертора и трансформатора. Искусственные характеристики
формируются с помощью обратных связей по току и напряжению. [3]
Сварочные свойства выпрямителей с инвертором, как правило,
лучше, чем у конвенциональных источников, и объясняется это высоким
быстродействием инвертора. Если у неинверторного однофазного выпрямителя
длительность переходного процесса составляет не менее полупериода стандартного
переменного тока, т.е. около 0,01 с, то у выпрямителя с инвертором
быстродействие характеризуется значениями 0,0005 с и меньше. При
механизированной сварке в углекислом газе такой выпрямитель способен обеспечить
сложный алгоритм изменения тока с целью управления переносом электродного металла
при длительности отдельных этапов цикла около 1 мс. Высокие динамические
свойства выпрямителя с инвертором проявляются и в случае программного
управления процессом ручной дуговой сварки, например по циклограмме. В этом
случае легко обеспечивается горячий пуск в начале сварки, быстрый переход от
одного из заранее настроенных режимов к другому при попеременной сварке то
нижних, то вертикальных швов, сварка пульсирующей дугой с регулируемой формой
импульса и т.д.
1.2 Схемы
инверторов
1.2.1
Параллельные инверторы
Для получения импульса (рис. 6, а) в первоначальный момент
ток нагрузки протекает через последовательно включенные тиристоры VSI, VS3, при
этом коммутирующий конденсатор С заряжается, как показано на рисунке 6. При
отирании тиристора VS4 конденсатор начинает разряжаться и запирает тиристор
VS3, по окончании перезарядки конденсатора С наступает пауза.
Следующий импульс начинается при отпирании тиристоров VS2,
VS4. Данная схема позволяет регулировать как длительность импульса, гак и
длительность импульса независимо друг от друга.
Сплошной стрелкой показано протекание тока во время отпирания
одного тиристора, а штриховой - отпирание другого тиристора и запирание
первого.
На рисунке 6, б ток импульса протекает через левое плечо
трансформатора при отпирании тиристора VS1, при этом коммутирующий конденсатор
заряжается, как показано на рисунке 6.
При отпирании тиристора VS2 конденсатор С начинает
разряжаться и запирает тиристор VS1, и ток протекает через правое плечо
трансформатора.
а) б) в) г)
Рис. 6. Схема тиристорных звеньев промежуточной частоты: а) и
б) параллельные инверторы, в) и г) последовательные инверторы
1.2.2
Последовательные инверторы
Последовательный инвертор представлен на рисунке 6, в. Ток нагрузки
в первоначальный момент протекает через последовательно включенные конденсатор
С и тиристор VS1 и первичную обмотку трансформатора TV1. Таким образом, время
протекания тока ограничено временем зарядки коммутирующего конденсатора. Затем
открывается тиристор VS2 и энергия, накопленная на конденсаторе, протекает
через первичную обмотку трансформатора, наводя в ней ЭДС. На рисунке 6, г ток
нагрузки протекает встречно сначала VS1-VS4, а затем через VS2-VS3. На рисунке
показано сплошной стрелкой протекание тока через первый тиристор, а штриховой -
через второй.
Схемное решение транзисторного инвертора проще, чем у
тиристорного, так как запирание транзистора происходит естественным образом
после снятия сигнала.
1.2.3
Двухтактный мостовой инвертор
Двухтактный мостовой инвертор показан на рисунке 7, а. В
первом полупериоде (такте) система управления запускает транзисторы VT1 и VT4,
и ток идет по первичной обмотке трансформатора в направлении, показанном
сплошной линией. Во втором полупериоде путь тока через транзисторы VT2 и VT3
показан пунктирной линией. Таким образом, по первичной обмотке трансформатора
TV1 протекает переменный ток.
Рис. 7. Схема транзисторного инвертора: а) двухтактный
мостовой; б) однотактный полумостовой; в) диаграмма тока для схемы (б)
1.2.4
Однотактный полумостовой инвертор
Однотактный полумостовой инвертор (рис.7, б) приведем в составе
конвертора, он имеет половинное количество транзисторов. В начальный момент (
) при отпирании транзисторов VT1 и VT2 по первичной обмотке
трансформатора идет импульс тока, показанный сплошной линией, а на диаграмме
(рис.7, в) отрезок (
). Затем следует пауза, (
), во время которой все индуктивные процессы в магнитопроводе
прекращаются. После чего в этом же направлении проходит следующий импульс тока.
Таким образом, в однотактном инверторе ток оказывается переменным только по
величине, но не по направлению. Недостатком такой схемы являются значительные
перенапряжения на транзисторах в момент их выключения. Этот дефект устраняется
при установке защиты в виде диодов VD1, VD2. С момента выключения транзисторов
(
) энергия, запасенная в индуктивности первичной цепи, возвращается
в сеть через диоды. При этом по первичной обмотке идет ток но пути, показанному
пунктирной линией, постепенно снижаясь к моменту (
).
1.2.5
Резонансные преобразователи
В резонансных преобразователях меньше динамических потерь и
они создают гораздо меньше помех, поскольку переключение происходит не прямыми
фронтами, богатыми гармониками, а импульсами с гладкой формой сигнала, близкой
к синусоидальной. С точки зрения построения силовой схемы резонансные
преобразователи более простые и надежные. Но они до сих нор не смогли вытеснить
обычные полумостовые и мостовые преобразователи из-за принципиальных проблем с
регулированием выходного напряжения. В обычных инверторных преобразователях
используют принцип регулирования на основе широтно-импульсной модуляции (ШИМ),
и здесь не возникает никаких сложностей. В резонансных же преобразователях
использование ШИМ и других специальных методов (например, частотного
регулирования в результате изменения частоты коммутации) приводит к увеличению
динамических потерь, которые в некоторых случаях становятся соразмерными или
даже превышающими потери в классических преобразователях. Использование
формирующих цепей оправдывает себя в ограниченном диапазоне частот и при очень
небольшой глубине регулирования.
Использование дополнительного импульсного регулятора,
устанавливаемого на выходе, приводит к необходимости использования еще одного
звена преобразования, а значит, снижает КПД. Конструкция с переключением витков
трансформатора значительно усложняет преобразователь, повышает его стоимость и
делает невозможным использование в областях широкого потребления.
Схема промежуточного резонансного звена высокой частоты показана
на рисунке 8.
В первоначальный момент открывается транзистор VT2 и ток
протекает в направлении, показанном сплошной линией через резонансный
конденсатор С1. При этом резонансный конденсатор заряжается до напряжения
питания, как показано на рисунке 8 сплошной линией, и формируется первый
полупериод. При открывании транзистора VT1, резонансный конденсатор С1
разряжается в направлении, показанном пунктирной линией, и формируется второй
полупериод.
Рис. 8. Схема резонансного инвертора
Резонансные преобразователи более надежны, им не требуется
быстродействующая защита от короткого замыкания (КЗ) в нагрузке, потому что
ограничение тока КЗ происходит естественным образом. Но из-за синусоидальной
формы тока несколько возрастают статические потери в силовых элементах,
поскольку резонансные преобразователи не столь требовательны к динамике
переключения силовых элементов, могут быть использованы транзисторы
standard-класса, у которых напряжение насыщения меньше, чем у быстродействующих
транзисторов
В инверторном выпрямителе для регулирования выходных
параметров используются следующие виды модуляции:
) амплитудная;
) частотная.
Регулирование режима сварки с помощью амплитудной модуляции
(AM) осуществляется следующим образом: при увеличении напряжения сетевого
выпрямителя увеличивается и амплитуда высокочастотного напряжения, и среднее
значение выпрямленного напряжения. Но так как регулирование напряжения
осуществляется с помощью фазового регулятора, то, соответственно, увеличиваются
пульсации на выходе выпрямителя, что потребует увеличения массы сетевого
фильтра. Поэтому данный способ регулирования не нашел широкого применения. [2]
1.3
Конструкции инверторных источников
1.3.1
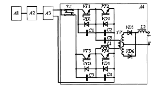
Выпрямитель с однотактным транзисторным преобразователем марки ДС.250.33 (НПП
"Технотрон", Чебоксары)
Предназначен для ручной сварки покрытым. В его состав входят
автоматический выключатель OF (рис.9), фильтр А1, входной выпрямительный блок
А2, сглаживающий фильтр АЗ, инвертор А4, трансформатор Т и выходной
выпрямительный блок А5. На схеме не показаны вентилятор, плата управления,
плата драйвера и приборы управления и контроля.
Рис.9. Выпрямитель ДС.250.33
Входной фильтр А1 защиты от радиопомех имеет П-образную
конструкцию из конденсаторов С1 - С8 и дросселей L1 - L3 и обеспечивает
электромагнитную совместимость источника с чувствительными к помехам
производственными системами автоматизации. Входной выпрямительный блок А2
представляет собой комплектную схему трехфазного мостового выпрямления из шести
диодов VD 1 - VD6. Сглаживающий фильтр L4 - L5 - C9 - C10 обеспечивает
качественное питание инвертора. Пуск последнего с помощью тиристора VS
выполняют только после полной зарядки конденсаторов С9, С10 через балластный
реостат R. Инвертор собран из восьми транзисторов VT 1 - VT8 и двух
высокочастотных диодов VD7, VD8. Транзисторы образуют два плеча по четыре штуки
в каждом: VT1 - VT4 и VT5-VT8. Каждый такт работы инвертора начинается с
включения транзисторов. После выключения транзисторов частичное размагничивание
магнитопровода обеспечивается рекуперированием (возвратом) части энергии
первичной обмотки через обратные диоды VD7, VD8 в фильтр АЗ. Понижающий
трансформатор Т выполнен на сердечнике из аморфного железа. Выходной
выпрямительный блок А5 представляет собой набор из пяти высокочастотных диодов
VD9-VD13 со сглаживающим дросселем L6. Таким образом, конвертор, состоящий из
элементов АЗ, А4, T, А5, представляет собой однотактный преобразователь высокого
постоянного напряжения в низкое постоянное на зажимах Х5 и Х6. Чтобы слабым
сигналом системы управления запускать мощные транзисторы VT1 - VT8, используется
драйвер, выполняющий функцию промежуточного усиления и гарантирующий
равномерную загрузку транзисторов и безопасную траекторию их переключения, т.е.
плавное изменение тока при включении и выключении транзисторов.
Микропроцессорная система управления обеспечивает широтное
регулирование инвертора с постоянной частотой 30 кГц; плавную, в том числе
дистанционную, настройку сварочного тока в широком диапазоне в пределах 25.250
А; формирование крутопадающих внешних характеристик с регулируемым наклоном в
пределах - 0,4. - 1,4 В/А за счет обратных связей по напряжению с зажимов XI,
Х2 и по току - с зажимов ХЗ, Х4 на шунте RS. Его схемой предусмотрены также
специальные функции:
ограничение начального напряжения холостого хода значением 12
В;
горячий пуск с возможностью его отключения;
защита от прилипания электрода;
форсирование дуги, зависящее от типа электродного покрытия;
возможность работы от дизель-генераторных установок;
стабилизация тока при колебаниях напряжения сети и
использовании сварочного провода длиной до 50 м;
автоматическое выключение при перегреве, понижении сетевого
напряжения на 15 % и отсутствии одной из фаз;
пригодность для аргонодуговой сварки неплавящимся электродом;
комплектование при необходимости блоком импульсного
режима.
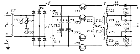
1.3.2 Выпрямитель
с двухтактным транзисторным преобразователем
Выпрямитель марки Invertec V350-PRO (LincolnElectric, США)
показан на рис.10. В его составе имеются автоматический выключатель QF, входной
фильтр RU1-RUЗ, входной выпрямительный блок VD1, электромагнитный контактор К,
переключатель S1, два транзисторных инвертора VT1, VT2, С1, С2 и VT3, VT4, СЗ,
С4, трансформатор T, выходной выпрямительный блок VD2-VD1, LI, L2, а также
сглаживающий дроссель L3.
Рис.10. Выпрямитель Invertec V35Q-PRO
Предусмотрена возможность питания выпрямителя как от
однофазной сети 220 В, так и от трехфазной 3 х 380 В. При напряжении 220 В и
установке переключателя S1 в положение, показанное на схеме, когда замкнуты
контакты Sl. l hS1.3, входные конденсаторы С1, С2иСЗ, С4 соединены параллельно
и после включения контактора К заряжаются почти до амплитудного напряжения
входного выпрямительного блока VD 1 - около 310 В, от которого и питается
каждый из инверторов. При напряжении 3 х 380 В и установке переключателя S1 в
другое положение, когда замкнут только контакт S1.2, конденсаторы С1-С4
соединены последовательно, так что для питания каждого инвертора используется
напряжение 270 В, т.е. половина амплитудного напряжения входного
выпрямительного блока VD1, составляющего около 540 В. К достоинствам
инверторного источника относится высокая стабильность выходного напряжения не
только в таком широком диапазоне напряжения на входе инверторов (270 - 310 В),
но и при гораздо более значительных отклонениях от номинального от - 10 до +50
%. Поэтому источник устойчиво работает в диапазоне питающего напряжения от 210
до 575 В. Это особенно важно при питании от слабых сетей, например,
дизель-генераторных станций ограниченной мощности с нестабильным напряжением.
Инверторы работают поочередно. В первом такте идет ток от
конденсаторов С1, С2 через транзисторы VT1, VT2 и первичные обмотки Т.11 и T14 трансформатора Т, так
что, например, обмоткой T11 намагничивается стержень А трансформатора, а обмоткой Т.14
перемагничивается обратной полярностью стержень Б. Во втором такте идет ток от
конденсаторов СЗ, С4 через транзисторы VT3, VT4, при этом обмоткой Т.12
перемагничивается стержень А, а обмоткой Т1З намагничивается прямой полярностью
стержень В. Как видно, в приведенной конструкции используются два однотактных
инвертора, и поэтому нет проблемы сквозных токов через транзисторы. В то же
время трансформатор работает в симметричном режиме, присущем двухтактным
преобразователям, при котором предотвращается насыщение и уменьшается сечение
магнитопровода.
Если колебательный LC-контур имеет небольшую мощность, то он
действует только часть времени, сглаживая ток в начале и конце периода
инвертирования. Такой преобразователь называется квазирезонансным. Иногда для
этих целей оказываются достаточны даже индуктивность сварочного трансформатора
и паразитная емкость транзистора. Резонансный источник обладает своими
достоинствами: малые динамические потери и хорошо сглаженный сварочный ток.
1.3.3
Выпрямитель с квазирезонансным преобразователем марки Форсаж-160
(Рязанский приборный завод) имеет в своем составе (рис.11)
входной выпрямительный блокА1, устройство плавного включения и выключения А2,
входной фильтр АЗ и высокочастотный преобразователь А4. Инвертор собран по
схеме двухтактного мостового преобразования из четырех IGBТ-транзисторов VT1 - VT4 с четырьмя обратными
диодами VD1-VD4 и четырьмя конденсаторами С1 - С4 для формирования благоприятной
траектории переключения транзисторов. Отпирание транзисторов происходит при
работе обратных диодов, включившихся еще в предыдущем такте и возвращающих
энергию резонансного контура L1, С5 в фильтр АЗ. Это снижает динамические потери в
транзисторах на стадии их включения. Динамические потери на стадии выключения
также снижаются, но уже путем уменьшения скорости нарастания напряжения
"коллектор-эмиттер" транзисторов благодаря конденсаторам С1-С4.
Высокочастотное напряжение понижается трансформатором TV, выпрямляется диодами VD5, VD6 и после сглаживания
дросселем L2
подается на дугу.
Рис. 11. Выпрямитель Форсаж-160
В источнике используется частотный принцип регулирования.
Трансформаторный датчик ТА подает в систему управления сигнал обратной связи по
току, который сравнивается с сигналом задания, сформированного переменным
резистором на лицевой панели источника, либо на дистанционном пульте. Сигнал
системы управления усиливается с помощью драйверов и подается на затворы
транзисторов VT1-VT4. В результате формируется падающая внешняя характеристика и
настраивается ток источника в интервале 40-160 А. Система управления также
обеспечивает защиту при возникновении нештатных режимов и при перегреве, а
также индикацию состояний "сеть", "авария" и
"перегрев".
1.3.4
Модульная организация высокочастотных преобразователей
При недостаточной мощности отдельных переключающих
полупроводниковых элементов принято соединять их на параллельную работу. Еще
эффективней параллельное соединение силовых модулей. Наивысшей степенью
интеграции следует считать силовой модуль, состоящий из входного
выпрямительного блока с фильтром, инвертора, трансформатора, выходного
выпрямительного блока с фильтром и блока управления - фактически комплектного
инверторного источника.
Двухмодульный многофункциональный инверторный источник марки
Корал-301 (ЭПИС, Киев) показан на рис.12. Он имеет два одинаковых силовых
модуля СМ1 и СМ2 с однотактным высокочастотным преобразователем, каждый с
собственным блоком управления БУ1 и БУ2. Блок управления за счет внутренних
обратных связей по току и напряжению формирует необходимую внешнюю
характеристику для ручной дуговой сварки (ММА) или механизированной сварки в
углекислом газе (MAG), обеспечивает настройку режима и другие функции, каждый для
своего модуля.
Рис. 12. Выпрямитель Корал-301
Общий блок управления БУО выполняет с помощью блока
коммутации режимов БКР необходимое соединение модулей друг с другом, а также
обеспечивает согласование их режимов. Если БКР не подает команду на включение
коммутаторов К1-КЗ, то два модуля обеспечивают независимую работу двух постов
сварки по 150 А от одного источника. Если БКР замыкает коммутаторы К1 и К2, то
осуществляется питание одной дуги большим током до 300 А от параллельно
соединенных модулей СМ1 и СМ2. В этом случае БУО управляет работой отдельных
блоков БУ1 и БУ2, обеспечивая равномерное распределение нагрузки между
модулями. Наконец, по команде БКР может быть включен один коммутатор КЗ,
выполняющий последовательное соединение модулей, в результате чего напряжение
холостого хода источника увеличивается вдвое - до 150 В, что позволяет
использовать источник для питания плазменной резки (PC).
Другие варианты организации модульных структур могут
содержать три и более силовых модулей. В этом случае следует предусмотреть
равномерную загрузку ими питающей сети. На рис.12 показано одинаковое
подключение двух однофазных модулей к сети - от фазы А и нулевого провода N, что не обеспечивает
равномерной загрузки фаз. Три однофазных модуля рационально запитать каждый от
своей фазы: A-N, B-N, С-N. При отсутствии нулевого
провода равномерную нагрузку обеспечат такие подключения трех модулей: А-В, В-С
и С-A.
Подключение модулей с трехфазным входом проблем с точки зрения загрузки фаз не
вызывает. Для многомодульных систем имеет также значение последовательность запуска
модулей в работу. Обычно в полном цикле Т работы выпрямителя блок БУО сдвигает
такты работы п отдельных модулей на интервал Т/n. В этом случае
обеспечиваются хорошее сглаживание сварочного тока и более равномерная загрузка
сети.
В некоторых источниках используют кроме силовых и специальные
модули: модуль возбуждения дуги, модуль импульсной подачи энергии в дугу и т.д.
Важным достоинством модульной организации является
возможность неограниченного наращивания мощности источников из типовых или
серийных модулей. При этом повышается уровень технологичности и унификации
источников разного назначения, повышается ремонтопригодность, а также
надежность, поскольку при наличии резервного модуля выход из строя одного из
модулей не приведет к остановке источника.
К недостаткам многомодульных источников следует отнести
громоздкость и усложнение системы управления. [4]
1.3.5
Универсальный выпрямитель с последовательным резонансным инвертором марки
ВДУЧ-315
Инвертор ВДУЧ-315 (Коммунар, Харьков) продолжает линию популярных
с 80-х годов тиристорных инверторных источников (рис.13). Длительный опыт
разработки и эксплуатации таких источников вместе с выбором отечественных
быстродействующих тиристоров обеспечивают достаточные надежность и
ремонтопригодность. Напряжение сети 3 х 380 В через автоматический выключатель QF и плавкие предохранители
F1, F2 передается на сетевой
фильтр А1, а затем выпрямляется вентильным блоком А2 и через
сглаживающий фильтр АЗ поступает на инвертор А4, после чего переменное
высокочастотное напряжение понижается трансформатором Т, выпрямляется
вентильным блоком А5 и подается на нагрузку.
А2 А3 А4
Рис. 13. Выпрямитель ВДУЧ-315
Фильтр А1, состоящий из конденсаторов С1-С6 и
резисторов R1-R3, снижает уровень высокочастотных помех, наводимых
инвертором в сети. Входной вентильный блок А2 собран из шести диодов VD1-VD6 по трехфазной мостовой
схеме выпрямления. Фильтр АЗ, состоящий из варисторов RU1, RU2, конденсаторов С7,
С8 и дросселя L1, частично шунтированного диодом VD7, обеспечивает питание
инвертора сглаженным напряжением. Резонансный инвертор А4 собран из
тиристоров VS1,FS2 марки ТБ251-50-12-652 (50 А, 1200 В, 10 кГц), обратных диодов VD8, VD9, дросселей L2-L4 и коммутирующих
конденсаторов С9-С12, т.е. имеет типовое устройство, описанное выше с помощью
рис.4.55. Предусмотрена защита инвертора от длительного сквозного тока при
аварийном одновременном включении тиристоров VS 1 и VS2. ТрансформаторТ
имеет два сердечника из феррита М2500НМС, две первичные Т.11, Т.12 и четыре
вторичные обмотки Т.21-Т.24. Выходной вентильный блок А5 собран из
высокочастотных диодов VD10, VD11 и вместе со сглаживающим дросселем L5 образует однофазную
нулевую схему двухполупериодного выпрямления.
В выпрямителе ВДУЧ-315 используется частотное регулирование,
в номинальном режиме частота около 5 кГц, так что масса выпрямителя составляет
48 кг. Это в 2-4 раза меньше, чем у конвенциональных выпрямителей, но все же в
2-2,5 раза больше, чем у транзисторных инверторных источников. С помощью
обратных связей по току и напряжению формируются разнообразные внешние
характеристики, обеспечивающие универсальность, т.е. пригодность для ручной
сварки покрытым электродом, аргоно-дуговой сварки и механизированной сварки в
защитном газе (рис. 14). Напряжение холостого хода перед ручной сваркой
ограничено безопасной величиной 12 В, это ограничение снимается через 30 мс
после касания электродом детали, и после окончания сварки напряжение холостого
хода 72 В удерживается не более 1 с, а затем снова ограничивается величиной 12
В. Системой управления предусмотрено защитное отключение источника при
различных аварийных ситуациях: отсутствие одной из фаз, повышение питающего
напряжения более 15 %, перегрев тиристоров или диодов.
Рис. 14. Внешние характеристики выпрямителя ВДУЧ-315 при
ручной (а), аргоно-дуговой (б) и полуавтоматической сварке (в)
Вентиляторы включаются только при появлении сварочного токаи
выключаются через 1-3 с после окончания сварки, что снижает мощность при
холостом ходе до 50 Вт и уменьшает засорение пылью силовых элементов и плат
управления. Коэффициент полезного действия выпрямителя при номинальном режиме
достигает 0,8.
Сварочные свойства выпрямителей с тиристорным инвертором, как
правило, довольно высокие. Однако стремление к снижению массы и габаритов
приводит к некоторому ухудшению сварочно-технологических свойств от высокого до
приемлемого уровня. Так, у выпрямителя ВДУЧ-315 при ручной сварке электродами с
основным и рутиловым покрытием диаметром 2-6 мм надежность зажигания
характеризуется предельной начальной длиной дуги от 6 до 13 мм, а эластичность
- разрывной длиной дуги от 9 до 16 мм, что в 1,5-2 раза хуже, чем у диодного
выпрямителя. Это объясняется сравнительно низким у ВДУЧ-315 значением
напряжения пологопадающего участка - 35-45 В, что было вызвано именно
стремлением снизить массу и габариты. Справедливости ради отметим, что для
компенсации вредного действия снижения напряжения введены специальные функции:
горячий пуск c1,5-3,8,
а также ограничение длительности короткого замыкания величиной около 2 с, что
предотвращает прочное прилипание электрода. Устойчивость процесса сварки в
нижнем положении - абсолютная (ни одного обрыва при полном расплавлении
электрода), в вертикальном положении, т.е. при пониженном на 15-20 % токе -
достаточная (1-2 обрыва). Устойчивое горение дуги наблюдается при снижении тока
до 40-50 А, а для электродов диаметром 2-3 мм даже до 35 А, т.е. при
минимальной уставке регулятора. Повышению устойчивости при таких пониженных
режимах служит форсирование дуги, т.е. увеличение пикового значения тока
короткого замыкания до IПК = (1,4-1,7) Iд Перенос электродного
металла происходит более энергично, чем у простейших диодных выпрямителей, с
частотой 1-5 Гц и длительностью короткого замыкания каплей 8-13 мс. Это
предотвращает прилипание капли к ванне на пониженных токовых режимах, но
несколько увеличивает разбрызгивание. [4]
1.4 Сварочные
инверторные аппараты
1.4.1
Инверторный аппарат ДС 250.33 для сварки покрытыми электродами
В НПП "ТЕХНОТРОН" разработан новый аппарат ДС
250.33 для сварки покрытыми электродами.
-летний опыт производства и эксплуатации инверторных
сварочных аппаратов, освоение новых производственных технологий и элементной
базы с учетом современных мировых тенденций развития сварочного оборудования, а
также опыт передовых компаний послужили основой для создания инверторного аппарата
нового поколения.
Главными требованиями при разработке аппарата были надежность
работы источника, высокий ПВ, простота эксплуатации, широкий температурный
диапазон работы, возможность работы от автономных источников питания, хорошая
ремонтопригодность.
Корпус аппарата выполнен из литых алюминиевых панелей,
обеспечивающих жесткость каркаса. Порошковая покраска панелей и стенок
предохраняет поверхность от коррозии и мелких повреждений. Выступающие на 15 мм
панели защищают органы управления от случайных повреждений.
При разработке органов управления и отработке режимов
разработчики столкнулись с противоречием: одна часть потребителей сварочного
оборудования хотела бы иметь максимум функций в аппарате, в том числе и
импульсный режим работы, удобный при сварке тонких деталей или в потолочном
положении; другая, не менее значительная часть - только необходимый минимум
ручек и регулировок. Задача была решена следующим образом. В базовом варианте
(рис. 15, а) имеется регулировка тока сварки и "форсирования" дуги.
Кроме того, можно отключить "горячий старт" и выбрать наклон ВАХ.
При необходимости в источник вставляется блок импульсного
режима (вместо заглушки), в котором предусмотрены регулировки тока пауза,
времени импульса и паузы. Время снятия - установки блока 1 мин (рис.15, б).
Новый аппарат ДС 250.33 имеет следующие преимущества: в
плавное регулирование сварочного тока в диапазоне от 25 до 250 А, точность
задания тока - до 1 А, контролируется цифровым индикатором.
Таблица № 1. Технические характеристики аппарата ДС 250.33
|
Напряжение
питания, В
|
380, - 15/+10%
|
|
Потребляемая
мощность, кВА
|
Не более 12
|
|
Сварочный ток
(плавно регулируемый), А
|
25-250
|
|
Номинальный
режим работы ПН,% При 400 С При 200 С
|
65 100
|
|
Максимальный
ток при ПН=100%, А
|
200
|
|
Диапазон
рабочих температур, 0С
|
-40 - 40
|
|
Масса, кг
|
29
|
|
Габаритные
размеры, мм
|
505х225х435
|
Рис. 15 - Базовый вариант аппарата (а) и новый вариант ДС 250.33 с
импульсным блоком (б)
дистанционное управление сварочным током,
цифровую индикацию параметров сварки тока сварки (А) и степени
"форсирования дуги" (в относительных единицах);
пониженное напряжение холостого хода 12В,
систему "горячего старта", обеспечивающую легкое
возбуждение сварочной дуги;
устройство "антистик", защищающее от прилипания
электрода;
возможность регулировки "форсирования" сварочной дуги, определяющей
поведение сварочного тока в момент уменьшения и замыкания дугового промежутка
(рис.16), уменьшение "форсирования" снижает разбрызгивание металла, а
увеличение - уменьшает вероятность "прилипания" электрода,
увеличивает проплавление и давление дуги;
возможность выбора наклона ВАХ (0,4 или 1,25 В/А), позволяет
управлять переносом металла в зависимости от конкретных условий сварки и типа
электрода, что особенно важно при сварке целлюлозными электродами;
автоматическое отключение при перегреве, пониженном напряжении и
отсутствии одной из фаз питающего напряжения;
заданный ток поддерживается вне зависимости от колебаний
напряжения сети;
в высокое выходное напряжение позволяет вести сварку при суммарной
длине кабелей до 100 м;
возможна поставка с блоком импульсного режима (исполнение 01) В
этом случае цифровой индикатор отображает значение тока паузы (А), времени
протекания тока импульса и тока паузы (с). Импульсный режим работы облегчает
ведение процесса в различных пространственных положениях, сварку деталей малой
толщины и снижает требования к квалификации сварщика, например при сварке
вертикальных и потолочных швов. Управление тепловой мощностью дуги позволяет
регулировать в широких пределах глубину проплавления и скорость кристаллизации
металла шва при сварке труб и металлоконструкций в любом пространственном
положении. Во время импульса тока мощность дуги нарастает, соответственно
увеличивается количество расплавленного электродного и основного металлов.
Снижение мощности дуги во время паузы способствует ускоренной кристаллизации
жидкого металла сварочной ванны с одновременным снижением количества основного
и электродного металлов. Используя импульсный режим, можно обеспечить требуемую
проплавляющую способность дуги без опасности прожогов и получить большее
количество наплавленного металла в единицу времени. При этом упрощается
технология однопроходной сварки и выполнение корневых проходов при многослойной
сварке труб и металлоконструкций без подкладок даже при больших допусках на
сборку, повышается эффективность процесса сварки и улучшается формирование
швов. Плавное очертание и мелкая чешуйчатость, швов соответствуют выбранному
режиму пульсации дуги. Питание источника осуществляется от стационарной
трехфазной сети напряжением 380 В (50 Гц). Возможны колебания напряжения -
15/+10 % (от 320 до 420 В) и колебания частоты - 5/+15 Гц (от 45 до 65 Гц). КПД
источника около 85 %. Предусмотрено питание источника от генератора (в составе
передвижных машин). При этом аппарат потребляет не более 12 кВ А на максимальном
токе (250 А). И если при питании от стационарной сети это означает просто
экономию электроэнергии, то при питании от дизель-генератора существенный
выигрыш в количестве постов.
Возможно использование двух аппаратов при питании от генератора
мощностью 30 кВт и четырех-пяти аппаратов - от генератора на 60 кВт.
Питание обычного инверторного источника от генератора имеет
некоторые особенности.
Рис. 16 - ВАХ источника при слабом (1) и сильном
(2)"форсировании" сварочной дуги
Большинство генераторов рассчитано на активно-индуктивную
нагрузку, при которой с ростом потребления напряжение питания падает. Поэтому
производители устанавливают на генераторе корректор напряжения, который создает
положительную обратную связь по току, компенсируя падение напряжения на
нагрузке. Обычный инверторный источник имеет емкостной характер потребления,
поэтому с ростом нагрузки напряжение на генераторе возрастает, а наличие
корректора напряжения приводит к еще большему его росту. Результатом может быть
выход из строя и инвертора, и самого генератора от перенапряжений. Чтобы
избежать этого, приходится снижать напряжение холостого хода генератора,
использовать его не на полную мощность или ставить дополнительные фильтры.
Аппарат ДС 250 33 полностью лишен указанных недостатков.
ВстроенныйLC-фильтр обеспечивает питание источника от
генератора. Аппарат адаптирован к работе с любым генератором, обеспечивающим
необходимые напряжение, частоту и мощность.
Источники используются в составе передвижных ремонтных мастерских
на базе автомобилей "КамАЗ" "УРАЛ", тракторов ДТ-75 ТТ-4М и
ТДТ-55А. При этом аппарат ДС 250 33 комплектуется набором амортизаторов,
силовыми кабелями и дистанционным управлением на 25м. Возможно удлинение кабелей
до 50 м (суммарная длина 100 м).
Конструктивно внутреннее оснащение источника элементами выполнено
по принципу "трубы", через которую воздух прогоняется вентилятором.
Дном и боковыми стенами служат соответственно "трубы", дно и боковые
стенки источника верхняя же стенка представляет собой "гребенку"
радиатора. На радиаторе в верхней части источника находятся силовые элементы и
система управления в нижней части внутри "трубы" силовой
трансформатор выходной дроссель и другие элементы. Таким образом источник как
бы разделен на две части. Такая компоновка дает явные преимущества, во-первых
резко возрастает интенсивность охлаждения радиаторов во-вторых, пыль, которая,
учитывая возможные места использования источника, может иметь и металлическую
составляющую не попадает в верхнюю часть источника, где находится наиболее
чувствительная к ней система управления.
Аппарат имеет микропроцессорное управление. Электронные платы
собраны по технологии поверхностного монтажа, имеют защитную маску и покрыты
двойным слоем лака. Все элементы рассчитаны на температурный диапазон работы от
- 40 до 40°С.
Электронные платы не требуют дополнительной настройки имеют
быстроразъемные соединения и могут быть заменены в течение 30 мин.
Аппараты проходят периодические испытания в камере тепла и холода
при температуре от - 40 до 40°С на вибростенде, стенде радиопомех и при питании
дизель-генератора мощностью 30 кВт. Перед отправкой потребителю все аппараты
испытывают на полигоне.
Инверторный аппарат ДС 250 33 для сварки покрытыми электродами
предназначен для работы в цеховых и трассовых условиях при питании как от
стационарной сети, так и от генератора. Он сочетает в себе современные
достижения в области техники и технологии сварки с простотой и удобством
эксплуатации. [5]
1.4.2
Универсальный сварочный инверторный источник общего назначения InvertecV300-1
В отечественном сварочном производстве давно существует
потребность в надежном инверторном источнике на ток 300 А. При этом с точки
зрения потребительских свойств (массы, минимума пульсаций, отсутствия неприятного
звука) это должен быть высокочастотный, т.е. транзисторный инвертор. Основными
недостатками выпускаемых в настоящее время машин такого класса являются низкая
ПВ и недостаточный диапазон рабочих температур. Это в сочетании с высокой ценой
сдерживает массово применение инверторных источников.
Сегодня на российском рынке появилась машина без указанных
недостатков, учитывающая все тонкости эксплуатации сварочного оборудования на
российских предприятиях.
Инверторный источник питания InvertecV300-1 является базовым
для целой серии инверторов фирмы TheLincolnElectricCompany и предназначен для
ручной дуговой сварки штучным электродом, аргонодуговой неплавящимся
электродом, механизированной сплошной или порошковой проволокой. Основные
технические характеристики машины приведены в таблице №2.
Таблица № 2
|
Сеть питания
|
Номинальные
выходные параметры
|
Выходной ток, А
при напряжении, В
|
Сварочный ток,
А
|
Габаритные
размеры, мм
|
Масса, кг
|
|
Ток, А
|
Напряж, В
|
ПВ, %
|
200
|
220
|
380
|
41
|
44
|
|
|
Трёхфазная
|
30
|
32
|
60
|
43
|
39
|
25
|
25
|
22
|
5-300
|
475х274х564
|
29
|
|
50/60 Гц
|
250
|
30
|
100
|
34
|
41
|
20
|
20
|
8
|
|
|
|
|
Однофазная
|
300
|
32
|
60
|
53
|
47
|
32
|
32
|
29
|
|
|
|
|
50/60 Гц
|
250
|
30
|
100
|
42
|
39
|
25
|
25
|
22
|
|
|
|
|
|
|
|
|
|
|
|
|
|
|
|
|
В основе конструкции лежит транзисторный инвертор с частотой
преобразования 20 кГц. Высокая частота позволяет исключить характерное для
источников такого рода неприятное звучание, особенно на больших токах, а также
дает исключительно гладкую выходную характеристику и большие возможности для
управления основными сварочными параметрами током (падающая характеристика) или
напряжением (жесткая).
Установку режимов и параметров сварки выполняют с помощью
органов управления, расположенных на передней панели источника (рис 17).
Тип используемого процесса устанавливают с помощью
пятипозиционного переключателя:
. GTAW - аргонодуговая сварка неплавящимся электродом. Позволяет легко
возбуждать дугу путем касания электродом изделия либо с помощью
высокочастотного устройства.
СС SOFT - крутопадающая характеристика,
"мягкая" дуга. Рекомендуется для ручной дуговой сварки электродами с
основным покрытием типа ЕХХ18-ЕХХ28 по AWS;
. СС CRISP - пологопадающая характеристика,
"жесткая" дуга. Используется для ручной дуговой сварки электродами с
целлюлозным покрытием типа ЕХХ10-ЕХХ14 по AWS. Данный режим можно
также применять для разогрева изделия электрическим током и выполнения теста
работоспособности аппарата подачей активных нагрузок.
. CVFCAW - жесткая характеристика Рекомендуется для механизированной
сварки газозащитной или самозащитной порошковой проволокой.
. CVGMAW - жесткая характеристика Применяется при механизированной сварке
сплошной проволокой в защитном газе. Сварку можно вести в режимах переноса
металла сериями в процессе коротких замыканий, а также капельного или струйного
переноса. При сварочном напряжении ниже 16 В сварку сплошной проволокой в
защитном газе рекомендуется выполнять в режиме CVFCAW.
Регулировку выходной мощности во всем диапазоне обеспечивает
плавный регулятор Заданные значения напряжения или тока (в зависимости от
выбранного режима) индицируются на жидкокристаллическом дисплее. Во время
сварки дисплей показывает реальные значения тока или напряжения, измеряемые на
выходных клеммах источника. Для выбора индицируемого параметра достаточно
установить в необходимое положение специальный тумблер, расположенный рядом с индикатором.
Для установки правильной полярности измеряемого напряжения используют
двухпозиционный переключатель, расположенный на задней стенке корпуса машины.
Источник оснащен специальным регулятором форсирования дуги
или индуктивности сварочного контура ArcFcrce / InductanceControl (рис.17), который
применяют во всех указанных сварочных процессах за исключением аргонодуговой
сварки вольфрамовым электродом (GTAW). При крутопадающей вольт-амперной
характеристике регулятор изменяет ток короткого замыкания, управляя степенью
активности сварочной дуги в момент закорачивания дугового промежутка. Дуга
становится "мягкой" при установке регулятора на минимальные значения
по относительной шкале. При максимальных значениях давление проплавления) дуги
увеличивается, она становится более подвижной. При этом увеличивается
разбрызгивание.
При жесткой вольт-амперной характеристике регулятор изменяет
количество индуктивности вводимой в сварочную цепь. При этом изменяется
динамика роста или снижается сварочный ток при изменении напряжения вследствие
влияния так называемого 'Пинч-эффекта". Последнее наиболее ощутимо при
сварке на режиме переноса металла сериями коротких замыканий.
Рис. 17 - Панель управления источника InvertecV300-1
При сварке порошковой проволокой рекомендуется устанавливать
регулятор в положение, соответствующее максимуму. Для сварки сплошной
проволокой в СО2или смеси газов с большим содержанием СО2
на шкале устанавливают одно из значений верхней половины диапазона. При использовании
в качестве защитной среды смеси инертных газов рекомендуется первая половина
шкалы.
Источник имеет возможность дистанционного управления путем подачи
напряжения на выходные терминалы и регулировки выходной мощности с помощью двух
двухпозиционных переключателей установки режима дистанционного управления. Один
из них управляет подачей напряжения на выходные клеммы источника. При этом
возможны два положения: на клеммах постоянно присутствует потенциал (ручная
дуговая сварка штучными электродами, аргонодуговая сварка вольфрамовым
электродом, воздушная строжка) и потенциал подается на клеммы только при
нажатии кнопки на горелке (механизированная сварка).
Другой тумблер выбирает режим регулировки выходной мощности,
управление которой может происходить либо с помощью регулятора, установленного
непосредственно на источнике, либо со специального пульта дистанционного
управления Длина стандартных кабелей пульта ДУ составляет 7,6 или 30,2 м.
Допускается параллельная работа двух источников для увеличения выходной
мощности.
Такое разнообразие режимов и функций предполагает использование
источника питания lnvertecV300-1 с большим количеством
дополнительного оборудования. Далее рассматриваются примеры наиболее
распространенного применения источника.
Аргонодуговая сварка неплавящимся электродом. Для использования
вместе с источником разработан специальный блок DCTIGStarter, крепящийся под источником и увеличивающий его высоту на
20 см. При этом полностью сохраняется легкость и удобство при переноске. Блок
обеспечивает следующие функции: высокочастотный старт дуги без касания
электродом детали; управление подачей инертного газа, фиксированную
предварительную подачу и программируемую задержку отключения газа; регулировку
спада тока при заварке кратера; выбор двух или четырехшагового сварочного
цикла.
Механизированная сварка в цеховых условиях. Источник питания InvertecV300-1 обеспечивает использование
практически всех подающих устройств производства TheLincolnElectricCompanv.
Также возможно подключение подающих механизмов, работающих на переменном токе
при 42 или 115 В. Диапазон тока, равный 5-350 А, позволяет использовать
проволоку диаметром 0,6-1,6 мм э функция управления индуктивностью - точно
подстроить сварочную систему для конкретного применения.
Рис.18 - а) жёсткие выходные характеристики при различном
положении регулятора InductanceControl;
б) падающие выходные характеристики при различном положении регулятора ArcForce.
Механизированная сварка в монтажных условиях. Для этого
рекомендуется применять подающии механизм LN-25, который не требует кабеля управления и питания, а работает
при включении в сварочную цепь. Комплект InvertecV300-1/LN-25
зарекомендовал себя при использовании на открытых строительных площадках,
стапелях, при проведении ремонтных работ на открытом воздухе, т е везде, где
требуется максимальная мобильность и транспортабельность. [6]
1.4.3
Инверторный сварочный аппарат POWERMAN
Сварочные аппараты инверторного типа являются наиболее
современными и технически сложными источниками сварочного тока. В отличие от
сварочных трансформаторов и выпрямителей у инверторов отсутствует силовой
трансформатор. Работают они следующим образом. Напряжение однофазной сети
промышленной частоты преобразуется входным выпрямителем в постоянное
напряжение. Это напряжение в свою очередь преобразуется с помощью инвертора
(очень сложного электронного устройства) в переменное повышенной частоты,
которое затем поступает на понижающий высокочастотный трансформатор. Вторичная
обмотка трансформатора нагружена на диодный выпрямитель, к выходу которого
через сглаживающий дроссель подключены электрод и изделие.
Аппарат выполнен в металлическом корпусе, удобном для его
переноски. На лицевой панели аппарата размещены органы управления и индикации, силовые
разъемы для подключения рабочих кабелей. На задней панели расположен вентилятор
для принудительного охлаждения электронных схем и силовых блоков аппарата и
автомат включения. Технические характеристики приведены в таблице №3.
Таблица № 3.
|
Модель, POWER МАN
|
160А
|
200А
|
230А
|
250А
|
300А
|
|
Потребляемая
мощность, КВт
|
4
|
6
|
10
|
12
|
13,5
|
|
Напряжение сети
50/60Гц, ±10%
|
220
|
220
|
220
|
220
|
220
|
|
Напряжение
холостого хода, В
|
78
|
80
|
|
Диапазон
сварочного тока, А
|
20-160
|
20-200
|
20-230
|
20-250
|
10-300
|
|
Модель, POWER MAN
|
160
A
|
200A
|
230A
|
250A
|
300A
|
|
Рабочий цикл на
максимальном токе, %
|
60
|
60
|
60
|
60
|
60
|
|
Габариты, мм
|
130х210х370
|
150х240х400
|
200х240х450
|
200х320х480
|
|
Масса, кг
|
7
|
9,5
|
14,5
|
18
|
|
Блок понижения
напряжения холостого хода
|
есть
|
есть
|
есть
|
есть
|
есть
|
В некоторых аппаратах моделей 230А, 250А, 300А значение Imax может быть меньше на 5 %
от значения указанного в таблице.
Комплектация:
В комплект поставки входит:
инвертор,
инструкция,
комплект кабельных соединителей,
наплечный ремень (кроме моделей 250А, 300А)
POWERMAN - компактный, легкий, экономичный инверторный
сварочный аппарат для ручной дуговой сварки штучными электродами (ММА), может
быть использован для сварки неплавящимся электродом в среде защитного газа при
контактном возбуждении дуги (TIG). Аппараты серии POWERMAN предназначены для
промышленного использования и в бытовых целях. Небольшие габариты и вес
аппарата позволяют сварщику свободно перемещаться по всей площади производимых
работ, что делает работу с ним простой и удобной. Аппараты могут
эксплуатироваться при температуре окружающего воздуха в диапазоне от минус 20°С
до плюс 40°С и относительной влажности до 80% при 25°С и более низких
температурах без конденсации влаги. Конденсация может образовываться в
следующих случаях:
если аппарат внесен в теплое помещение из холода (не
используйте аппарат в течение 2 часов);
если окружающая температура резко снизилась;
если аппарат был перенесен из более прохладного помещения в
более теплое и влажное. Схема подключения изображена на рисунке 19.
Рис. 19 - схема подключения.
1.5
Преимущества использования инверторных источников питания сварочной дуги
1.5.1
Инверторный источник питания - энерго - и ресурсосберегающий фактор сварочного
производства
С целью определения влияния типа источника питания на
химический состав, микроструктуру, механические свойства сварных соединений и
санитарно-гигиенические характеристики процесса ручной дуговой сварки провели
серию исследований.
По результатам анализа осциллограмм от инвертора Nebula - 315
и диодного выпрямителя ВД - 306 (рис. 20) установлено различие энергетических
параметров процесса сварки во время образования и переноса капли электродного
металла. При сварке инверторным источником амплитуда тока изменяется в пределах
90.140 А, а при сварке диодным выпрямителем - в пределах 80.160 А при том же
значении среднего сварочного тока 100 А. Следовательно, изменяется тепловое
воздействие дуги на каплю электродного металла.
а)
б)
4.15 4.2
4.25 4.3 4.35
4.4
Время
сварки, с
Рис. 20. Осциллограммы токов и напряжения (электроды марки У
ОНИ 13/55 диаметром 3 мм: а - инвертор: 6 - диодный выпрямитель
По методике Чинахова Д.А. с помощью компьютерной программы
MatLab произвели аналитический расчет теплосодержания капли электродного
металла в зависимости от энергетических характеристик процесса сварки. Алгоритм
расчета представлен в таблице №4.
Расчеты, выполненные аналитическим методом, показывают, что при
сварке от инверторного источника питания энергия затрачиваемая на плавление
электродного металла за 1 секунду в среднем составляет QK = 1,13 х 107 Дж, а
при сварке от диодного выпрямителя - QK = 1,25 х 
Дж.
Таблица №4
Методика определения теплосодержание капли электродного
металла при сварке от различных типов источника питания
|
Методика
определения теплосодержания капли
|
Инвертор
|
Диодный выпрями
гель
|
|
u 1
= [u1; u2; u3; u4; u5; u6;]; il= [i1; i2;
i3; i4;]; [U1, I1] =meshgrid (u 1, i 1); t1 =t1; t2;
t3; t4; ……. Qk=sum (trapz (0,2.,0,3*U 1. *11,*tl))
|
Qк = (0,906.1,359) x x 107Дж,
|
QK
= (1,005.1,508) хх 107Дж,
|
Для проведения комплексного исследования были заварены
образцы от различных источников питания: диодного выпрямителя ВД - 306 и
инвертора нового поколения Nebula-315: сварку трубы (соединение С17) 159 х 6 из
стали 09Г2С производили электродами: корень - LB-52U (d = 2,6 мм), сварочный ток
I = 50-60 А; заполнение - LB-52U (d = 3,2 мм), сварочный ток I = 80-90 А; сварку пластин (соединение
С17) толщиной 10 мм из стали 45 производили (рис.21) в 4 слоя, электродами:
корень - УОНИ 13/55 (d = 3 мм), сварочный ток I = 80-90 А; заполнение - УОНИ 13/55
(d = 4 мм), сварочный ток I = 120-130 А; с
предварительным подогревом деталей до 300°С и последующим медленным охлаждением
(укрытие геплоизолятором, асбестовое волокно, до полного остывания). Сварку
пластин (соединение С7) толщиной 3 мм из стали 12Х18Н9Т производили электродами
марки ЦЛ II типа 08Х20Н9Г2Б (d = 3 мм), сварочный ток I = 70 - 80 А.
Рис. 21. Схема наложении, швов
На полученных сварных образцах провели исследования
химического состава металла шва, микроструктуры и механических свойств сварных
соединений.
Анализ экспериментальных данных химического состава сварного
шва показал (таблица № 5, 6,7), что тип источника питания оказывает влияние на
химический состав сварного шва. Это связано с тем, что Nebula 315 ограничивает ток
короткого замыкания (рис. 20), тем самым происходит меньшее выгорание легирующих
элементов Si на 01.0,08 % и Мп на 0,08.0,2 %
Таблица №5.
Среднестатистический химический состав металла сварных швов,
выполненных из трубы 
159x6 (сталь 09Г2С) электродами марки LB 52 U
|
Источник
питания
|
Химический
состав, %
|
|
С
|
Si
|
Мn
|
S
|
P
|
Сг
|
Ni
|
Сu
|
|
Диодный
выпрямитель
|
0,10
|
0,52
|
1,03
|
0,010
|
0,014
|
0,03
|
0,05
|
0,03
|
|
инвертор
|
0,09
|
0,60
|
1,23
|
0,010
|
0,014
|
0,03
|
0,06
|
0,03
|
Таблица №6.
Среднестатистический химический состав металла сварных швов,
выполненных из стали 45 электродами марки УОНИ 13/55
|
Источник
питания
|
Химический
состав, %
|
|
С
|
Si
|
Мn
|
Р
|
Сг
|
Ni
|
Сu
|
|
Диодный
выпрямитель
|
0,11
|
0,30
|
0,92
|
0,019
|
0,06
|
0,05
|
0,09
|
|
инвертор
|
0,12
|
0,31
|
1,00
|
0,02
|
0,06
|
0,06
|
0,10
|
Таблица №7.
Среднестатистический химический состав металла сварных швов,
выполненных из стали 12Х18Н9Т полученных электродами марки ЦЛ 11 типа
08Х20Н9Г2Б
|
Тип источника
питания
|
Химический
состав, %
|
|
С
|
Si
|
Мn
|
S
|
Р
|
Сг
|
Ni
|
Nb
|
|
диодный
выпрямитель
|
0,12
|
0,80
|
1,04
|
0,008
|
0,018
|
18,08
|
9,23
|
0,70
|
|
инвертор
|
0,12
|
0,82
|
1,23
|
0,008
|
0,018
|
18,45
|
10,01
|
0,70
|
Исследование полученных макро - и микроструктур проводили
методом оптической металлографии с использованием оптического микроскопа OlympusGX-71.
Отличия, полученные в проведенном исследовании микроструктур
сварного шва, можно объяснить меньшим теплосодержанием капли расплавленного
электродного металла при сварке от инвертора (таблица 1) и повышенным
содержанием кремния и марганца (таблица 2), которые, как известно, являются
элементами, снижающими рост вид-манштедтового феррита.
Сварные соединения, выполненные от различных источников
питания, с точки зрения микро - и макроструктуры являются качественными. В них
отсутствуют сварочные дефекты, наплавленный металл имеет сравнительно
мелкодисперсную дендритную структуры, а зона термического влияния плавно, без
резких границ переходит к основному металлу. Наименьшая ширина зоны
термического влияния зафиксирована в соединении, выполненном от инверторного
источника питания, а наибольшая - в соединении, выполненном от диодного
выпрямителя Отличия микроструктуры сварных соединений можно объяснить
различнымтепловложением в каплю электродного металла от различных типов
источников питания. Это предполагает и различные механические свойства сварных
соединений выполненных РДС от различных типов источника питания. Механические
свойства сварных соединений выполненных РДС с использованием различных
источников питания (по ГОСТ 6996-70) представлены в таблице № 8, 9, 10.
Таблица №8.
Механические свойства сварных соединений, выполненных из трубы 
159
6 (сталь 09Г2С) электродами марки LB 52U
|
Источникпитания
|
Предел
временного сопротивления разрыву  в,
МПаУгол загиба (наружу, во внутрь и на ребро), град. Ударная вязкость KCU, Дж/см2 (надрез по центру
шва)
|
|
|
|
|
|
+20°С
|
0°С
|
20°С
|
40°С
|
|
диодныйвыпрямитель
|
541-543
|
120-120
|
201-220
|
212-223
|
200-233
|
143-230
|
|
542
|
120
|
210
|
216
|
219
|
182
|
|
инвертор
|
550-560
|
120-120
|
208-226
|
215-254
|
224-250
|
150-258
|
|
556
|
120
|
217
|
235
|
237
|
193
|
Таблица № 9.
Механические свойства сварных соединений выполненных из стали
45 электродами марки УОНИ 13/55
|
Источникпитания
|
Предел
временного сопротивления разрыву В,
МПаУгол загиба (наружу, во внутрь и на ребро), градУдарная вязкость KCU, Дж/см2 (надрез по центру
шва)
|
|
|
|
|
|
+20°С
|
-40°С
|
|
диодный
|
645-650
|
120-120
|
71.5-112.7
|
10-15
|
|
выпрямитель
|
648
|
120
|
92,1
|
12,5
|
|
647-654
|
120-120
|
105.1-129,6
|
50-67.2
|
|
инвертор
|
650
|
120
|
117
|
58,6
|
Таблица №10.
Механические свойства сварных соединений выполненных из стали
12Х18Н9Т электродами марки ЦЛ 11 типа 08Х20Н9Г2Б
|
Источник
питания
|
Предел
временного сопротивления разрыву  в,
МПаПредел текучести  , МПа
|
|
|
588-590
|
202-255
|
|
диодныи
выпрямитель
|
589
|
224
|
|
592-594
|
206-262
|
|
инвертор
|
593
|
236
|
Из специальных литературных источников установлено, что
величина сварочного тока является одним из основных факторов, определяющим
химический состав сварочного аэрозоля и интенсивность оптических излучений,
т.е., тип источника питания оказывает влияние и на санитарно-гигиенические
характеристики воздуха рабочей зоны сварщика.
Провели исследования РДС покрытыми электродами (марки LB 52U) с использованием
различных типов источника питания (диодного выпрямителя инверторного источника
питания). В процессе исследования выявили валовые выделения пыли и газов при
РДС покрытыми электродами в лабораторных условиях, при этом определяли
количество пыли, образующейся при сварке, и ее химический состав, содержание в
пыли марганца, качественный и количественный состав дисперсионной среды
образующегося сварочного аэрозоля. Из таблицы №11 видно, что при использовании
инверторного источника питания наблюдается меньшая концентрация сварочной аэрозоли
и марганца, т.е. снижается риск токсичного отравления и воспаления слизистой
оболочки дыхательных путей сварщика и вспомогательных рабочих.
Таблица №11.
Результаты анализа выделений пыли, газов и других примесей
при РДС с использованием различных типов источника питания
|
Условия отбора
проб
|
Наименование
определяемого элемента
|
Единица измере
ния
|
Источник питания
|
Предельно
допустимая концентрация
|
|
|
|
инвертор
|
Диодныйвыпрямитель
|
|
|
Материалы LB-52U 0 3,2 мм, Сталь 09Г2С
|
Углерода оксид
|
мг/м3
|
0,05
|
0,05
|
20,0
|
|
Двуокись азота
|
|
менее 0,6
|
менее 0,6
|
2,0
|
|
Фтористый
водород
|
|
менее 0,02
|
менее 0,02
|
0,5
|
|
Сварочный аэ
розоль
|
|
2,2+0,5
|
3,6±0,9
|
|
|
Хромовый
ангидрид
|
|
менее 0,003
|
менее 0,003
|
0,01
|
|
Оксид хрома
|
|
менее 0,5
|
менее 0,5
|
1,0
|
|
Марганец
|
|
0,10+0,03
|
0,15±0,03
|
0,6
|
Для установления зависимости определения влияния
энергетических параметров источника питания на интенсивность оптических
излучений при сварке провели исследование с помощью радиометра "Кварц-41 -
РАТ-2П". Анализ результатов проведенного исследования показал, что при
использовании инверторного источника питания наблюдается меньшая интенсивность
теплового излучения, т.е. снижается уровень теплового воздействия на организм
сварщика и вспомогательных рабочих.
По результатам проведенных исследований установлено, что тип
источника питания сварки оказывает значительное влияние на свойства сварных
соединений и санитарно-гигиенические характеристики процесса ручной дуговой
сварки. При использовании инверторного источника питания нового поколения
происходит меньшее тепловложение в каплю расплавленного электродного металла,
что обеспечивает снижение выгорания кремния и марганца, повышение ударной
вязкости сварных соединений при отрицательной температуре, снижение риска
заболевания дыхательных путей рабочих. [2]
1.5.2
Эффективность эксплуатации инверторных источников питания
Переход от классических трансформаторных источников питания и
сварки в углекислом газе на инверторное оборудование для сварки в смеси
защитных газов помимо преимущества в производительности и качестве требует
дополнительных капитальных вложений из-за большей стоимости оборудования и
увеличения затрат на защитный газ. Для оценки эффективности замены
трансформаторных источников питания на инверторные и сварки в углекислом газе
на сварку в смеси защитных газов произвели расчет экономической
целесообразности такой замены.
Для расчета приняли следующие начальные условия.
Оборудование:
. источник питания для механизированной сварки в углекислом
газе ВДУ-506 в комплекте с типовым подающим механизмом (с кабелем управления
длиной 15 м) - цена 128 850 руб.;
. инверторный источник питания Р4500 "ШТОРМ-LORCH"
(с кабелем управления длиной 15 м) с комплектным подающим устройством - цена
250 179,3 руб.;
. сварочная проволока Св-08Г2С диаметром 1,2 мм; программа
выпуска металлоконструкций 500 т/мес.; сварное соединение Т1 (катет шва 5 мм);
режим сварки: 1СВ - 300 А; (Уд " 30 В.
Затраты на сварку включают затраты на сварочную проволоку,
защитный газ, электроэнергию, оплату труда персонала затраты на электроэнергию
Таблица №12.
|
Показатель
|
С02,
трансформаторный ИП ВДУ-506
|
Аг+С0г,
трансформаторный ИП М 3070
|
Аг+С02, инверторный
ИПР4500
|
Аг+С0г,
инверторный ИП Р 4500, Speed-процессы
|
|
Цена единицы
оборудования, руб.
|
131230,00
|
182441,70
|
250179,30
|
250179,30
|
|
Расход
проволоки, кг
|
5290
|
4669
|
4669*
|
4669
|
|
Расход
защитного газа, л
|
1741 428,57
|
1741 428,57
|
1741428,57
|
1 741428,57
|
|
Расход
электроэнергии, кВт ч:
|
30885,701117,14
|
25628,57936,72
|
19418,5755,10
|
19418,5755,10
|
|
Производительность,
кг/ч
|
3,00
|
3,55
|
3,55
|
4,60
|
|
Трудоемкость
сварки, ч
|
1763,33
|
1315, 20
|
1315, 20
|
1015,00
|
|
Трудоемкость
зачистки и вспомогательных операций, ч
|
1763,33
|
355,40
|
263,04
|
203,00
|
|
Число
необходимого оборудования (сварочных постов), шт.
|
13
|
11
|
11
|
9
|
|
Стоимость
комплекта оборудования, руб.
|
1705 990,00
|
2006 858,70
|
2751972,30
|
2 251 613,70
|
|
Оценочные
показатели
|
|
|
Затраты на
проволоку, руб. (78,4 руб. /кг)
|
414736,00
|
366049,60
|
366049,60
|
366049,60
|
|
Затраты на
защитный газ, руб. (цена С02 - 0,03 руб. /л; смеси - 0,15 руб. /л)
|
46 968,82
|
256 860,71
|
256 860,71
|
256860,71
|
|
Затраты на
электроэнергию (4,16 руб. /кВт ч)
|
133131,81
|
110511,60
|
81010,47
|
81010,47
|
|
Затраты на
оплату труда (сварки), руб. (часовая тарифная ставка - 1000 руб. /ч)
|
1763330,00
|
1315200,00
|
1315200,00
|
1015000,00
|
|
Затраты на
оплату труда (вспомогательные операции), руб. (часовая тарифная ставка - 1000
руб. /ч)
|
1763330,00
|
355400,00
|
263040,00
|
203000,00
|
|
Итого
(затраты), руб.: 1 месяц 12 месяцев 36 месяцев
|
4121496,60
49457959,2 148373877,60
|
2404021,90
28848262,8 86544788,4
|
2282160,70
27385928,4 82157785,2
|
1921920,70 23063048,40 69189145,20
|
* За счет более высокого быстродействия системы управления
инверторного источника питания разбрызгивание, безусловно, будет меньше по сравнению
с трансформаторным источником питания, но в данном расчете они приняты равными.
Результаты расчета расхода для программы выпуска
металлоконструкций объемом 500 т в месяц при односменной работе приведены в
таблице № 12.
Таким образом, можно сделать следующие выводы (см. рис.22).
. Переход от углекислого газа к смеси защитных газов
позволяет при использовании трансформаторного источника питания сократить
расход сварочной проволоки и соответственно затраты на сварочную проволоку на
12 %; снизить потребление электроэнергии на 30 % за счет более высокого
коэффициента наплавки; увеличить производительность сварки на 18 % и снизить
трудоемкость сварки на 24 %, вспомогательных операций - на 20 %.
Кроме этого, применение газовых смесей обеспечивает улучшение
качества сварного шва (снижение пористости и неметаллических включений);
уменьшение размера ЗТВ, вследствие чего уменьшается коробление конструкции;
большую стабильность процесса сварки даже при некоторой неравномерности подачи
сварочной проволоки, а также при наличии на ее поверхности следов
технологической смазки и ржавчины; улучшение гигиенических условий труда на
рабочем месте сварщика за счет значительного уменьшения выделений твердой
фракции сварочного аэрозоля, а в ней снижения токсичных выделений марганца и
хрома.
. Применение инверторного источника питания при сварке в
смеси защитных газов позволяет снизить потребление электроэнергии дополнительно
на 24 % за счет более высокого кпд источника питания, а также снизить
трудоемкость вспомогательных операций за счет отсутствия необходимости
корректировки режимов.
. В инверторном источнике Р 4500 имеется функция SpeedArc -
высокопроизводительного процесса сварки со струйным переносом металла короткой
дугой с высокой плотностью энергии, который за счет более эффективного
использования энергии дуги позволяет увеличить скорость сварки до 30 % по
сравнению с обычной MIG/MAG-сваркой. Следовательно, возможно повышение
производительности сварки на 30 % по сравнению со сваркой в смеси защитных
газов и более чем на 45 % по сравнению со сваркой в углекислом газе.
Следует особо отметить, что переход от трансформаторных
источников питания (при сварке в углекислом газе) к источникам инверторного
типа (при сварке в смеси защитных газов) при прочих равных условиях, рассмотренных
в данном примере расчета, позволяет сэкономить до бб 216 092,4 руб., а при
рациональном применении высокопроизводительных процессов, реализованных в
оборудовании типа SpeedArc, SpeedUp, SpeedPuls, величина экономии может
достигнуть 79 184 732,4 руб. за 3 года эксплуатации. [8]
1.6 Новые
разработки, модернизация и использование современных источников питания
сварочной дуги
1.6.1
Переносный сварочный MSG инвертор. Trag - barerMSG-SchweiGinverter (Esab,
Solingen). Praktiker. 2011.63, № 3, c.65. Нем.
Новый источник питания появился в серии Caddy. Это -
компактный, высокопроизводительный аналоговый MigC200i для сварки
конструкционных сталей, алюминия и MSG-пайки оцинкованных листов. Он может
работать с порошковыми электродами диаметром 0,6-1 мм, весит 11,4 кг и
позволяет легко менять полярность. Система управления Q Set позволяет работать
на короткой дуге. Инвертор работает на сетевом напряжении 230 В от обычной
розетки, снабжен комплектом кабелей, шлангов и запасных частей, а также шпулей
с 1 кг присадочной проволоки диаметром 0,8 мм. [9]
1.6.2
Сварочный аппарат и сварочный робот. SchweiBgerate und SchweiBroboter (Carl
CloosSchweiBtechnik GmbH, IndustriestraBe, 35708 Haiger, www.cloos. de).
Praktiker. 2011.63, № 4, c. S2. Нем.
В семействе сварочных роботов QIROX теперь кроме классической
конструкции QIROX Classic (QRC) появилась новая модель с полыми осями (QRH), в
которых проложены коммуникации. Для расширения радиуса работ в основание робота
предусмотрена седьмая ось. Фирма CarlCloos представляет также новый инверторный
источник питания Ol-NEO TIG TRONIC GLW-350 для WIG-сварки на постоянном или
переменном токе, обеспечивающий бесконтактное зажигание дуги. [9]
1.6.3
Импульсный сварочный источник питания. NeuaufgelegLPrakiiker. 2012.64, Nb I
>2, с.9, I ил. Нем.
Новый источник Panther компании RehmSchweisstecnhk (Uhingen)
предназначен для мобильных способов дуговой сварки в защитных газах плавящимся
и вольфрамовым электродом отличается 49 программирующими каналами для
бесступенчатого или импульсного питания дуги. [9]
1.6.5
Источник питания для сварки с цифровым обслуживанием.
SchweiBstromquellemitdigitalemBedienkonzept (Rehm GmbH u. Co. KG SchweiBtechnik,
OttostraGe 2, 73066 Uhingen, www.rehm-onlinc. de). Praktiker. 2011.63, № 4, c.
S8, 1 ил. Нем.
Компания Rehm GmbH представляет новый цифровой аппарат для WIG-сварки серии INVERTINGPRO. На дисплее источника
питания сварщик может видеть графическое изображение всех параметров сварки,
что устраняет возможные ошибки и повышает качество шва. Биполярный инвертор и
новая концепция охлаждения позволяют снизить массу аппарата и обеспечивают ПВ
100%. Переключение на различные программы производится рычагом R-Pilot.
Программа Classic следит за качеством шва, Manager - упрощает графическое
изображение параметров, Assist - помогает выбрать из базы данных режимы для
редких комбинаций основы и присадок, защитных газов и толщин материалов. [9]
1.6.6 Новое
семейство [компактных] сварочных машин [для дуговой сварки в защитных газах
Kempact RAJ. NeueSchweiBmaschinen-FamiliemieiF-Designpreisausgezeichnet
(www.maschinenmarkt. de). Maschinenmarkt. 2011, № 49, c.14. Англ.
Семейство машин фирмы отличается смонтированным на одном
шасси силового агрегата и системы обеспечения защитными газами при дуговой
сварке, что обеспечивает мобильность и высокое качество выполнения сварочных
работ для различных потребителей. Ил.1. [9]
1.6.7
Сварочные свойства однофазных выпрямителей. Мейстер А.Р. Красноярск: СФУ.
2011,170 с., ил. Библ.140. Рус. ISBN 978-5-7638-2145-1.
В монографии описаны конструкции трансформаторов и
выпрямителей с конденсаторным умножителем напряжения. Данные выпрямители
простые, легче традиционных и имеют КПД и коэффициент мощности не ниже
инверторных. Приведены сварочно-технологические свойства выпрямителей при
дуговой сварке покрытыми электродами, в защитных газах плавящимся и
неплавящимся электродом на малых токах. [10]
1.6.8
Сабирзянов Д.Р. (КГЭУ, г. Казань). Материалы докладов 15
Аспирантско-магистерского научного семинара, посвященного "Дню
энергетика", Казань, 5-7 дек., 2011. Т.1. Казань. 2012, с.184-185. Рус.
Наиболее прогрессивен вид нового сварочного оборудования,
выполняемого в настоящее время по инверторной схеме. В большинстве случаев
оборудование неразрывно связано с конкретным типом проволокоподающего
устройства. В наиболее простом варианте это источник, позволяющий выполнять
механизированную сварку плавящимся электродом в защитных газах низколегированных
и коррозионностойких сталей и алюминия. Используется также при сварке
порошковой и самозащитной проволоками,
Особенностью высокочастотных инверторов являются высокая
стабильность и качество сварки различных материалов в широком диапазоне толщин
с минимальным разбрызгиванием металла. Такое оборудование в ряде случаев
обеспечивает высококачественную сварку и покрытыми электродами со всеми видами
покрытий. Поскольку нет четко установленной границы между инверторами и
генераторами, можно сказать, что многие инверторы являются генераторами
специального типа. Другие инверторы могут по существу быть усилителями или
управляемыми переключателями. Схема, создающая радиочастотные колебания с
относительно высокой стабильностью частоты традиционно назвались генератором.
Схему генератора, в которой основное внимание обращается на
такие параметры как коэффициент полезного действия, возможность регулирования и
способность выдерживать перегрузки, и которая работает в диапазоне звуковых или
инфразвуковых частот, можно назвать инвертором. Практическое значение
определения преобразователя состоит в том, что преобразователь по существу
работает как трансформатор постоянного напряжения.
Это свойство позволяет манипулировать уровнями постоянного
напряжения и тока также, как это делается при использовании трансформаторов в
системах с переменным напряжением. [11]
1.6.9
Устройство для импульсного питания сварочной дуги: Пат.2457088 Россия, МПК В23К
9/095 (2006.01). ТПУ, Сотокина Ю.В., Князьков А.Ф., Князьков С.А., Уткин Д.В.
№2010152924/02; Заявл.23.12.2010; Опубл.27.07.2012. Рус.
Патентуется устройство для импульсного питания сварочной дуги
с автоматической стабилизацией длины дугового промежутка. Исполнительное
устройство состоит из источника питания, в сварочную цепь которого последовательно
включено балластное сопротивление, параллельно которому подключено
коммутирующее устройство. Блок сравнения напряжения дуги с задающим
напряжением, блок формирования длительности пауз, релейный элемент с двумя
выходами и блок формирования длительности импульсов соединены последовательно.
Один из выходов релейного элемента соединен с исполнительным устройством
непосредственно, а другой через блок формирования длительности импульсов. Блок
формирования длительности пауз подключен к выходу блока сравнения напряжения
дуги с заданным напряжением во время паузы и датчик коротких замыканий, который
работает на этапе импульса, ограничивая амплитуду тока независимо от того, где
произошло короткое замыкание - на интервале паузы или импульса. Такое ограничение
тока короткого замыкания обеспечивает, с одной стороны, повышение качества
сварного соединения за счет исключения выплесков сварочной ванны во время
короткого замыкания и, с другой стороны, снижение массогабаритных показателей
коммутирующего устройства, а также способствует улучшению энергетических
показателей устройства 1 ил. [12]
1.6.10
Полупроводниковые преобразователи для контактной пайки и микросварки. Шейн
Е.Б., Шейн А.Б., Дроздов А.В. (Чебоксары, ЧГУ, ОАО "Водоканал").
Информационные технологии в электротехнике и электроэнергетике (ИТЭЭ-2012):
Материалы 8 Всероссийской научно-технической конференции, Чебоксары, 2012.
Чебоксары. 2012, с.164-172. Библ.3. Рус.
Для максимального уменьшения геометрических размеров
сварочного контура, следовательно, его активного и индуктивного сопротивлений,
мощности потерь и мощности преобразователя сварочный трансформатор необходимо
максимально приблизить к рабочему инструменту, конструктивно вынося его за
пределы источника тока. Поэтому преобразователь источника тока должен
представлять собой инвертор повышенной частоты (800-1000 Гц для микросварки,
20-30 кГц для пайки, защищенный от возможных коротких замыканий (КЗ) как на
первичной, так и на вторичной стороне сварочного трансформатора. Для защиты от
КЗ необходим последовательно включенный дроссель, ограничивающий скорость
нарастания и амплитуду тока в ключевых силовых компонентах преобразователей в
течение времени срабатывания защиты по току, которой должна быть снабжена
система управления преобразователем источника. При выключении ключевых силовых
компонентов и отсутствии нагрузки преобразователя, энергию, накопленную в
индуктивностях дросселя и трансформатора, необходимо возвратить в источник
питания. В источниках для пайки, работающих на частоте 20-30 кГц, выходной
трансформатор встраивается в инструмент для пайки, рабочие электроды которого
образуют вторичную обмотку. Поэтому для уменьшения габаритов и массы
инструмента и повышения удобства работы с ним, выходной трансформатор должен
иметь первичную обмотку с возможно меньшим числом витков и без отводов.
Источники для микросварки и пайки работают в повторно-кратковременном режиме,
что позволяет использовать более напряженный режим работы силовых ключевых
компонентов. На систему управления двухтактным источником указанный режим
накладывает требование обеспечения симметричного перемагничивания сердечника
сварочного трансформатора во избежание его насыщения. В однотактных
преобразователях эта проблема отсутствует. [13]
1.6.11
Двухтрансформаторный комбинированный преобразователь с регулируемой
эффективностью передачи энергии в сварочную дугу. Кобзев А.В., Семенов В.Д.,
Федотов В.А., Идрисов И.К. Науч. вестн. НГТУ. 2012, № 2, с.155-166. Рус.
Предложена схема двухтрансформаторного комбинированного
преобразователя для формирования импульса тока сварочной дуги. Рассмотрены
показатели эффективности передачи энергии с возможностью управления этой
эффективностью при изменении параметров сварочного контура. [14]
1.6.12
Источник питания для дуговой сварки: Пат.2463137 Россия, МПК В23К 9/095
(2006.01). МГУ Огарева, Бардин В.М. у Борисов Д.А., Земсков А.В. Ns
2011128141/02\ За-явл.07.07.2011; Опубл.10.10.2012. Рус.
Патентуется источник питания, включающий силовой
высокочастотный полупроводниковый преобразователь, первым входом соединенный с
источником энергии, а выходами - с датчиком выходного напряжения и датчиком
сварочного тока. В блок управления входит потенциометр установки сварочного
тока, усилитель рассогласования. Источник также содержит элемент сравнения,
контроллер широтно-импульсной модуляции, датчик светового потока дуги,
вычислитель мощности сварочной дуги и электронный ключ. Первый вход
электронного ключа соединен с выходом датчика сварочного тока, второй вход - с
выходом датчика выходного напряжения, третий вход - с выходом датчика светового
потока дуги, а выход - с входом вычислителя мощности сварочной дуги. Выход
вычислителя мощности сварочной дуги соединен с первым входом элемента
сравнения, его второй вход - с выходом потенциометра уставки сварочного тока, а
выход - со входом усилителя рассогласования. Выход усилителя рассогласования
соединен с входом контроллера широтно-импульсной модуляции, а его выход - со
вторым входом силового высокочастотного полупроводникового преобразователя.
Изобретение позволяет обеспечить высокое качество сварного соединения и
исключает опасность прожигания тонколистового металла за счет поступления
нормированного количества тепловой энергии в зоне сварки при постоянной
скорости перемещения электрода и стабильной мощности дуги. [14]
.6.13
Применение сварочных источников питания, на строительных площадках:
соответствие высоким запросам. HoheAnforderungen -
umfassenderfiillLTrommerGerd, JankVinzenz,Schiefermiiller Robert. Praktiker.
2012.64, № 7, c.284-287. Нем.
Сварка на строительных площадках предъявляет специфические
требования к оборудованию. Современному уровню техники отвечают инверторные
источники питания для ручной дуговой, сварки вольфрамовым электродом в инертном
газе. Сообщается о новых разработках фирмы Fronius International GmbH серии Trans Pocket 1500. Кратко описаны
технические возможности характеристики трех источников питания этой серии: Hoft Start,
AntiStick, ComfortStop. [14]
1.6.14
СварочныйаппаратPontig 2220HFP
Установка Pontig 2220HFP предназначена для TIG сварки нержавеющей
стали в защитном газе аргоне на постоянном токе покрытым электродом (ММА).
На панели управления можно выбрать следующие режимы работы:
. сварка покрытым электродом (ММА);
. TIG сварка на постоянном токе;
. TIG сварка на пульсирующем токе;
. TIG сварка на пульсирующем токе высокой частоты (10-500
Гц);
. работа с двухтактным прижатием ухваток при TIG сварке;
Техническая характеристика:
Напряжение питания, В 1х230±15%
Потребляемая мощностьIG/MMA, кВА 6,1/7,2
Сила сварочного тока TIG/MMA, А:
ПВ-60% 220/220
ПВ=100%: 150/140
Диапазон силы сварочного тока, А.10-200
Напряжение в режиме холостого хода, В 58
Класс защиты IP23
Габаритные размеры, мм 320х 135x 285
Масса, кг 7,4
. работа с четырехтактным прижатием ухваток при TIC сварке;
. поджиг дуги ионизатором HF (TIG).
Современная и эргономичная конструкция выполнена из
высококачественных материалов. Повышенная прочность конструкции агрегата
отражена в запатентованном производителем названии - DDR (Dual Density Rein
forcement).
Защитное резиновое покрытие выполняет три основные функции:
на рукоятке предотвращает скольжение; по краям основания увеличивает сцепление
с иолом и служит амортизатором; внутри устройства защищает систему электроники.
Устройство имеет встроенную систему вентиляции, которая
автоматически включается в процессе сварки или при повышении температуры внутри
агрегата. Позволяет ограничивать накапливающуюся внутри пыль и удалять ее.
Устройство оснащено системой самодиагностики, которая на экране отображает коды
возможных ошибок.
Сварка TIG DC пульсирующим током позволяет сваривать топкие
листы без деформирования и толстые листы благодаря подведению к соединению
меньшего количества теплоты. Использование при TIG сварке пульсирующего тока
высокой частоты позволяет регулировать его в диапазоне 10-500 Гц. При сварке
электродом может быть использована функция НОТ START и система антипримерзания.
[15]
1.6.15
Система OffShore для многопостовой сварки.
Система OffShore состоит из многопостового источника питания,
мульти-коннектора и конверторов MinBag низкого напряжения. Источником тока
может служить любой многопостовой источник, используемый на предприятии, с
напряжением холостого хода 60-90 В.
Техническая характеристика:
TIGMinBag 250MinBag 320
Напряжение питания, В 22-100 28-100
Сила тока, А:
при 40°С, IIВ =60% 250 320
при 40°С, ПВ=100% 200 260
Номинальная мощность, кВ-А 8,2 11
Диапазон регулирования, А 5-250 20-320
Класс защиты IP 23 IP 23
Габаритные размеры, мм 280x170x400.180x300x490
Масса, кг 11 8,8
Применение OffShore вместо традиционных балластных реостатов
позволяет снизить потребление электроэнергии до 60%, удалить сварочный пост на
расстояние 200 м от источника питания, увеличить количество сварочных постов в
1,5-2 раза без увеличения мощности источника.
Модификация MinBag 320 Digital оснащена эргономичной
синергетической панелью управления со встроенными цифровыми приборами индикации
режимов сварки.
Конструкция конвертора MinBag позволяет включать
проволокоподающие устройства МТ-20 для механизированной сварки в стандартном
или синергетическом режимах. Регулировать все параметры можно с лицевой панели
проволокоподающего устройства МТ-20. При небольших габаритных размерах
конвертор обеспечивает качественную работу на расстоянии от источника до 150 м.
Установка TIG MinBag 250 позволяет выполнять аргонодуговую -
(TIG DC) сварку от многопостового источника питания. [16]
1.6.16
Источник питания TransTig 1750 Puls для эффективной TIG сварки
Серия оборудования TransTig, которая предназначена для
аргонодуговой сварки TIG, является ярким примером эффективной современной
сварочной системы. Простые в обслуживании, легкие, компактные, малошумные и
экономичные цифровые источники питания TransTig предназначены для сварки
конструкций различной степени сложности. Возможность выполнения ручной дуговой
сварки покрытым электродом (ММА) способствует расширению области их применения,
т.е. универсализации данного оборудования от компании Fronius.
Логическим развитием популярной серии TransTig стал выпуск в
2011 г. нового источника питания TransTig 1750 Puls.1750 Puls - компактный,
прочный и полностью цифровой инверторный источник питания. Обладая малой массой
(всего 9,1 кг), новинка от Fronius может быть незаменимым помощником при
монтаже, работе в полевых условиях и труднодоступных местах. Благодаря
управлению силовой частью источника с помощью микропроцессора, обеспечивается
высокая стабильность, быстродействие и 100% воспро-изводимость результатов.
Богатые функциональные возможности и широкий выбор ранее
установленных сварочных программ обуславливают применение TransTig 1750 Puls в
различных областях, начиная с производства металлоконструкций, химической и
пищевой промышленности, машиностроения, автомобилестроения и электроэнергетики
и заканчивая ремонтными мастерскими.
Техническая характеристика TransTig 1750 Puls:
Напряжение однофазной сети, В 230 (+15/-20%)
Сила сварочного тока, А:2-170
ММ А 10-140
Рабочее напряжение, В:.10,1-16,8
ММ А.10,3-25,6
Сила сварочного тока, А, при:
мин/40°С, ПВ= 35% 170
мин/40°С, ПВ=100% 120
мин/25°С, ПВ=100% 145
Напряжение холостого хода, В 93
Класс защиты IP 23
Масса, кг 9,1
Габаритные размеры
(ДхШхВ), мм 430х180x280
Среди свариваемых материалов следует отметить низко - и
высоколегированные стали, никелевые сплавы, а также титан и медь.
Сварочная система TransTig 1750 Puls является
высокотехнологичным интеллектуальным решением, которое делает максимально
эффективным каждый этап сварочного процесса, от зажигания дуги до заварки
кратера.
Источник питания TransTig 1750 Puls позволяет выполнять
контактное и бесконтактное зажигание дуги при TIG сварке. В случае
бесконтактного, или высокочастотного зажигания возбуждение дуги происходит за
счет импульсов напряжения высокой частоты. Важной особенностью данного способа
поджига является исключение вольфрамовых включений в шве и значительное
увеличение ресурса неплавящихся вольфрамовых электродов.
Наличие режима импульсной сварки гарантирует контроль
тепловложения, необходимое проплавление и оптимальные геометрические параметры
шва при сварке во всех пространственных положениях.
Еще одной полезной функцией нового продукта компании Fronius
является режим ТАС. Данный режим предназначен для выполнения прихваток с
помощью специальных программных настроек пульсирующей дуги.
При использовании стандартного режима точечной сварки
представляется возможность задавать интервалы сварки с точностью до 1/10 с.
Отличительной особенностью цифровых источников питания, а в
частности TransTig 1750 Puls, является прецизионное построение кривых силы тока
и напряжения, а также наличие программных функций и настроек для создания
идеальных условий работы.
Данная модель оборудования со всеми вышеперечисленными
стандартными функциями может быть дополнительно укомплектована различными
горелками, устройствами дистанционного управления, тележками и т.д. для
большего удобства выполнения сварки и увеличения производительности процесса.
[17]
Заключение
Сварочные инверторы позволяют совершить
качественный скачок в электросварке. Достаточно вспомнить просто неподъемные
сварочные трансформаторы и выпрямители, выпускавшиеся ранее. При прочих равных
вес сварочного инвертора на порядок меньше, чем у любого другого сварочного
аппарата, а это заметно повышает производительность сварки. Сварочные инверторы
- это самые современные сварочные аппараты, которые в настоящее время почти
полностью вытесняют на второй план классические сварочные трансформаторы,
выпрямители и генераторы.
Главным достоинством инвертора является минимальный вес.
Кроме того возможность применять для сварки электроды как переменного, так и
постоянного тока. Что важно при сварке цветных металлов и чугуна. Инверторный
сварочный аппарат имеет широкий диапазон регулировки сварочного тока. Это дает
возможность для применения аргонодуговой сварки неплавящимся электродом.
Помимо этого в каждом инверторе есть функции:
"Hotstart" (горячий старт) для поджига электрода подаются
максимальная величина тока, "Anti-Sticking" при коротком замыкании
сварочный ток снижается до минимума, что не позволяет электроду залипать при
соприкосновении с деталью, "ArcForce" - для предотвращения залипания
в момент отрыва капли металла ток возрастает до оптимального значения.
Более того, все большее распространение сейчас получают так
называемые "синергетические" схемы управления. Это когда цифровые
процессоры аппарата запрограммированы таким образом, что режим сварки можно
регулировать, изменяя всего один параметр - остальные немедленно отреагируют на
это изменение, и вся совокупность параметров обеспечит переход на другой режим
с более оптимальным качеством сварки. Например, при полуавтоматической сварке,
в такой неразрывной цепочке находятся: сварочный ток, скорость подачи и диаметр
проволоки, пространственное положение шва и необходимый, при этом, характер
переноса металла в дуге (капельный, струйный, импульсный). Совершенно ясно, что
только при строгой взаимосвязи этих параметров мы получим высокое качество
сварки. И "синергетические" схемы управления эти связи успешно
обеспечивают.
Список
источников
1.
<http://www.uralstroyinfo.ru/>
. Солодский С.А.,
Брунов О.Г., Ильященко Д.П. Источники питания для дуговой сварки: учебное
пособие /; Юргинский технологический институт. - Томск: Изд-во Томского
политехнического университета, 2012. - 165 с.
. Милютин В.С.,
Катаев Р.Ф. Источники питания и оборудование для электрической сварки
плавлением: учебник для студ. учреждений сред. проф. образования-М.:
Издательский центр "Академия", 2010. - 368 с.
. Милютин В.С.,
Шалимов М.П., Шанчуров С.М. Источники питания для сварки. М.: Айрис-пресс,
2007. - 384 с.
. Гецкин О.Б.,
Кудров И.В., Яров В.М. Инверторный аппарат ДС 250.33 для сварки покрытыми
электродами // Сварочное производство. 2004. № 2. Стр. 19-21.;
. Иоффе Ю.Е.,
Можайский В.А. Универсальный сварочный инверторный источник общего назначения
Invertec V300-1 // Сварочное производство. 1998. № 1. Стр.44-46.;
. www.km.ru ›
Рефераты <http://www.km.ru/referats> › Промышленность, производство
<https://www.google.ru/url?sa=t&rct=j&q=&esrc=s&source=web&cd=1&cad=rja&uact=8&ved=0CCoQ6QUoATAA&url=http%3A%2F%2Fwww.km.ru%2Freferats%2Fcategory%2F777&ei=TQt4VPKpEOjmywPm4YKIAQ&usg=AFQjCNH93u2xyV219luz8orb0oVfL68zsw&bvm=bv.80642063,d.bGQ>
. Журнал ISSN
2071-5234. Сварка и Диагностика. 2012. №3
. Журнал ISSN 0131-3525. Реферативный журнал 63. сварка
отдельный выпуск. 2012 №6:
Переносный
сварочный MSG инвертор. Trag - barerMSG-SchweiGinverter (Esab, Solingen). Praktiker.
2011.63, № 3, c.65. Нем.
Сварочный аппарат
и сварочный робот. SchweiBgerate und SchweiBroboter (Carl CloosSchweiBtechnik GmbH, IndustriestraBe, 35708 Haiger, www.cloos. de). Praktiker. 2011.63, № 4, c. S2. Нем.
Импульсный
сварочный источник питания. NeuaufgelegLPrakiiker. 2012.64, Nb I >2,
с.9, I ил. Нем
Модернизация
MSG-сварки. Konzept /липMetall-SchutzgasschweiQen (MigatronicGmbH, Sandusweg 12, 3S43SWettenberg, www.migatronic. de). Prakiiker. 2011.63, Ne 4, c. S7, l ил. Нем.
Источник питания
для сварки с цифровым обслуживанием. SchweiBstromquellemitdigitalemBedienkonzept (Rehm GmbH u.
Co. KG SchweiBtechnik, OttostraGe 2, 73066 Uhingen, www.rehm-onlinc. de).
Praktiker. 2011.63, № 4, c. S8, 1 ил. Нем.
Новое семейство [компактных] сварочных машин [для дуговой сварки в защитных газах
Kempact RAJ. NeueSchweiBmaschinen-FamiliemieiF-Designpreisausgezeichnet
(www.maschinenmarkt. de). Maschinenmarkt. 2011, № 49, c.14. Англ.
Журнал ISSN
0131-3525. Реферативный журнал 63. сварка отдельный выпуск. 2012 №7
Сварочные
свойства однофазных выпрямителей. Мейстер А.Р. Красноярск: СФУ. 2011,170
с., ил. Библ.140. Рус. ISBN
978-5-7638-2145-1.
Журнал ISSN
0131-3525. Реферативный журнал 63. сварка отдельный выпуск. 2012 №9
Сабирзянов Д.Р.
(КГЭУ, г. Казань). Материалы докладов 15 Аспирантско-магистерского научного
семинара, посвященного "Дню энергетика", Казань, 5-7 дек., 2011. Т.1.
Казань. 2012, с.184-185. Рус.
Журнал ISSN
0131-3525. Реферативный журнал 63. сварка отдельный выпуск. 2012 №11
Устройство для
импульсного питания сварочной дуги: Пат.2457088 Россия, МПК В23К 9/095
(2006.01). ТПУ, Сотокина Ю.В., Князьков А.Ф., Князьков С.А., Уткин Д.В.
№2010152924/02; Заявл.23.12.2010; Опубл.27.07.2012. Рус.
. Журнал ISSN
0131-3525. Реферативный журнал 63. сварка отдельный выпуск. 2013 №2
Полупроводниковые
преобразователи для контактной пайки и микросварки. Шейн Е.Б., Шейн А.Б.,
Дроздов А.В. (Чебоксары, ЧГУ, ОАО "Водоканал"). Информационные
технологии в электротехнике и электроэнергетике (ИТЭЭ-2012): Материалы 8
Всероссийской научно-технической конференции, Чебоксары, 2012. Чебоксары. 2012,
с.164-172. Библ.3. Рус.
. Журнал ISSN
0131-3525. Реферативный журнал 63. сварка отдельный выпуск. 2013 №3:
Двухтрансформаторный
комбинированный преобразователь с регулируемой эффективностью передачи энергии
в сварочную дугу. Кобзев А.В., Семенов В.Д., Федотов В.А., Идрисов И.К. Науч.
вестн. НГТУ. 2012, № 2, с.155-166. Рус.
Источник питания
для дуговой сварки: Пат.2463137 Россия, МПК В23К 9/095 (2006.01). МГУ Огарева,
Бардин В.М. у Борисов Д.А., Земсков А.В. Ns 2011128141/02\ За-явл.07.07.2011;
Опубл.10.10.2012. Рус.:
Применение
сварочных источников питания, на строительных площадках: соответствие высоким
запросам. HoheAnforderungen - umfassenderfiillLTrommerGerd, JankVinzenz,Schiefermiiller Robert. Praktiker. 2012.64, № 7, c.284-287.
Нем.
.
Информационно-технический журнал. Сварщик. 2010 №2 март - апрель
.
Информационно-технический журнал. Сварщик. 2010 №3 май - июнь
. Информационно-технический
журнал. Сварщик. 2011 №2 март - апрель