Автоматизация резервуарного парка промежуточной перекачивающей станции 'Андреевка'

  • Вид работы:
    Дипломная (ВКР)
  • Предмет:
    Информатика, ВТ, телекоммуникации
  • Язык:
    Русский
    ,
    Формат файла:
    MS Word
    926,7 Кб
  • Опубликовано:
    2014-11-30
Вы можете узнать стоимость помощи в написании студенческой работы.
Помощь в написании работы, которую точно примут!

Автоматизация резервуарного парка промежуточной перекачивающей станции 'Андреевка'

Федеральное государственное бюджетное образовательное учреждение

высшего профессионального образования

"Уфимский государственный нефтяной технический университет"

Кафедра автоматизации технологических процессов и производств







Дипломный проект

Автоматизация резервуарного парка промежуточной перекачивающей станции "Андреевка"










Уфа

Реферат

Дипломный проект 106c., 34 рисунка, 11 таблиц, 10 использованных источников, 1 приложение.

РЕЗЕРВУАРНЫЙ ПАРК, ПЕРЕКАЧИВАЮЩАЯ СТАНЦИЯ, АВТОМАТИЗАЦИЯ РЕЗЕРВУАРНОГО ПАРКА, система КОЛИЧЕСТВЕННОГО УЧЕТА ФИРМЫ enraf, измеритель уровня серии 854 ATG, температурный селектор серии 862 MIT, СИГНАЛИЗАТОР УРОВНЯ, МИКРОВОЛНОВОЙ УРОВНЕМЕР MICROPILOT FMR 231, Программирование контроллера

Объектом исследования является резервуарный парк, предназначенный для приема, хранения и перекачки светлых нефтепродуктов.

В процессе исследования произведен анализ существующего уровня автоматизации резервуарного парка.

Цель работы - модернизация существующей системы автоматики резервуарного парка станции путем объединениясистемы количественного учета и системы защиты от перелива, а также замена устаревшей системы автоматики на микропроцессорную систему на базе контроллеров.

В результате исследования разработана функциональная схема автоматизации резервуарного парка, написана новая программа управления процессом заполнения резервуара.

Технико-экономические показатели подтверждают повышение уровня надежности, сокращение объёма потерь перекачиваемых нефтепродуктов, вызываемых остановками ППС в результате отказов системы автоматики.

Степень внедрения - внедрение отсутствует.

Эффективность проекта основывается на повышении надежности средств автоматики, расширении функциональных возможностей, снижении трудозатрат на техническое обслуживание и ремонт.

Содержание

Определения, обозначения и сокращения

Введение

1. Резервуарный парк ППС "Андреевка"

1.1    Общая характеристика ППС "Андреевка"

1.2 Назначение резервуарного парка

1.3 Общее описание объекта автоматизации

1.4 Требования к измерению параметров на станции

1.5 Описание технологической схемы резервуарного парка

.6 Взаимодействие резервуарного парка с основными объектами

2. Патентная проработка

3. Автоматизация и телемеханика

.1 Основные функции автоматизации

.2 Описание технологических процессов на объектах с точки зрения их автоматизации

3.3 Требования к автоматизации резервуарного парка

3.4 Системы автоматизации резервуарного парка

.5 Система количественного учета нефтепродуктов фирмы "Enraf"

.6 Система контроля загазованности

.7 Система защиты от перелива

.8 Система автоматического пожаротушения

.9 Автоматическая защита станции

3.10 Основные технические средства автоматизированных систем управления технологическими процессами (АСУ ТП)

4. Повышение надежности срабатывания системы защиты от перелива резервуара

.1 Модернизация релейной системы автоматизации на основе ПЛК

.2 Режим эксплуатации резервуаров

4.3 Совершенствование программы управления процессами заполнения резервуаров

4.4 Постановка задачи логического управления и словесная формулировка алгоритма управления

.5 Введение всех необходимых входных и выходных сигналов и построение графа переходов

4.6 Программа на языке высокого уровня ST

4.7 Проверка работоспособности программы

. Охрана труда и техника безопасности

.1 Характеристика производственной среды и анализ потенциальных опасностей на производстве

.2 Мероприятия по обеспечению безопасных и безвредных условий труда

.3 Мероприятия по пожарной безопасности

.4 Расчет вентиляции в насосном зале ППС

. Оценка экономической эффективности

.1 Сущность и методика расчета показателей экономической эффективности инвестиционного проекта

.2 Обоснование коммерческой эффективности проекта

6.3 Расчет капиталовложений

6.4 Расчёт экономической эффективности проекта

Заключение

Список использованных источников

Определения, обозначения и сокращения

ППС - промежуточная перекачивающая станция

ООО - общество с ограниченной ответственностью

НПП - нефтепродуктопровод

МНПП -магистральный нефтепродуктопровод

ГПС - головная перекачивающая станция

РП -резервуарный парк

ЛПДС -линейная производственно-диспетчерская станция

РВС - резервуар вертикальный стальной

МН - магистральный насос

Ф - фильтр

РДП - районного диспетчерского пункта

АСУ - автоматизированная система управления

АРМ -автоматизированное рабочее место

ПЭВМ - персональная электронно-вычислительная машина

АСУ ПТ - автоматизированная система управления пожаротушением

АСУ ТП - автоматизированная система управления технологическим процессом

РЕТ - портативный терминал Enraf

КТС - комплекс технических средств

ДВК -датчики довзрывных концентраций

НКПР - нижняя концентрация паров в резервуаре

НПВ - нижний предел взрываемости

КСАП -контроллер системы автоматического пожаротушения

СУАП - системы управления автоматическим пожаротушением

БРАО - блок резервного аварийного отключения

ПЛК - программируемый логический контроллер

ПДК - предельно допустимая концентрация

ПАЗ - противоаварийная защита

ПБ - пожарная безопасность

ЛВЖ - легковоспламеняющаяся жидкость

ИП - извещатель пожарный

ПУ - пульт управления

Введение

В связи с увеличением добычи и переработки нефти в России с каждым годом требуется значительное расширение резервуарного парка. С ростом числа резервуаров все большее значение необходимо придавать количественному учету нефтепродуктов, внедрению технических средств, сокращающих потери сырья, возникающие по эксплуатационным и аварийным причинам. Огромную роль играют как надёжность системы защиты от перелива, для предотвращения потерь продукта, так и расширенные возможности для оптимизации транспортировки продукта и безопасность для защиты окружающей среды и персонала.

На многих предприятиях такие проблемы не до конца решены из-за морального устаревания оборудования. Так, на промежуточной перекачивающей станции "Андреевка" актуальность создания автоматизации систем управления также возникла в связи с низким уровнем автоматики, наличием морально устаревших релейных схем, низкой надежностью и сложностью обслуживания. Это требует замены существующих систем на микропроцессорную систему автоматики.

Цель данного дипломного проекта - модернизация существующей системы автоматики резервуарного парка станции путем объединения системы количественного учета и системы защиты от перелива, а также замена устаревшей системы автоматики на микропроцессорную систему на базе контроллеров и создание новой программы управления процессом заполнения резервуара.

Задачами дипломного проекта являются:

-    изучение системы резервуарного учета с целью выработки рекомендаций на усовершенствование резервуарного парка;

-       модернизация систем, контролирующих и управляющих резервуарным парком, путем объединения двух систем;

-       повышение надежности срабатывания системы защиты от перелива резервуара за счет дублирования средств автоматики.

При работе над проектом были использованы материалы ППС "Андреевка" ООО "ЛУКОЙЛ-ТРАНС" (паспорт станции, инструкции и руководства по эксплуатации средств и систем автоматизации).

1. Резервуарный парк ППС "Андреевка"

.1 Общая характеристика ППС "Андреевка"

ППС "Андреевка" ООО "ЛУКОЙЛ-ТРАНС" является промежуточной перекачивающей станцией нефтепродуктопровода (НПП) "Пермь-Альметьевск-Запад" и конечным пунктом НПП "Пермь-Андреевка". ООО "ЛУКОЙЛ-ТРАНС" - один из крупнейших межрегиональных сбытовых операторов компании "ЛУКОЙЛ". Предприятие реализует продукцию Компании - бензины, дизельное топливо, битумы, мазуты, печное, судовое и газомоторное топливо, фасованные и наливные масла, парафины - по различным каналам сбыта на территории Приволжского и Уральского федеральных округов, в регионах Западной и Восточной Сибири.

ППС "Андреевка" предназначена для выполнения следующих операций:

прием бензина и дизельного топлива в резервуары станции по НПП "Пермь - Андреевка" от головной перекачивающей станции "Пермь";

·   откачка бензина из резервуаров ППС "Андреевка" на Камбарскую нефтебазу по участку магистрального нефтепродуктопровода "Уфа-Камбарка";

·   откачка дизельного топлива из резервуаров ППС "Андреевка" через линейную производственно - диспетчерскую станцию "Андреевка" по участку магистрального нефтепродуктопровода "Уфа-Андреевка";

·   налив бензина и дизельного топлива в автоцистерны для потребителей.

Режим работы станции непрерывный, 8400 час/год.

Режим работы автоналивного пункта односменный, 251 день/год.

Годовой объем поступления нефтепродуктов в резервуары

ППС "Андреевка" - 1945 тыс. т, в т. ч.:

·   дизельного топлива - 1680 тыс. т;

·   бензина - 265 тыс. т.

Годовой объем перекачки бензина на нефтебазу "Камбарка" - 250 тыс.т., дизельного топлива на Уфу - 1660 тыс.т.

Объем налива нефтепродуктов в автоцистерны через автоналивной пункт - 35 тыс. т, в т.ч.:

·   дизельного топлива - 20 тыс. т;

·   бензина - 15 тыс. т.

1.2 Назначение резервуарного парка


На объектах транспорта, хранения нефти и нефтепродуктов, в процессе технологических операций, возникает необходимость в применении резервуарных парков, являющиеся технологическим объектом нефтеперекачивающих станций.

Если на головных перекачивающих станциях резервуарные парки предназначаются для создания определенного резерва нефти и нефтепродуктов, то на промежуточных станциях они являются буферными емкостями и предназначаются для компенсации неравномерности подачи двух соседних перекачивающих станций.

При кратковременных плановых или аварийных остановках одной из промежуточных станций транспортируемая жидкость поступают в резервуарный парк этой станции, а следующая станция продолжает работать за счет нефти и нефтепродукта, имеющегося в ее резервуарном парке.

Резервуарный парк - это группа резервуаров разных типов или однотипных резервуаров. Резервуарный парк применяется для оперативного учета нефти и нефтепродуктов по приему, хранению, откачке.

По назначению резервуарные парки можно разделить на следующие виды:

-    товарно-сырьевые базы для хранения нефтепродуктов и нефти;

-    резервуарные парки перекачивающих станций нефте- и нефтепродуктопроводов;

-       резервуарные парки хранения нефтепродуктов различных объектов.

1.3 Общее описание объекта автоматизации


Объектом автоматизации является резервуарный парк, предназначенный для приёма и хранения нефтепродуктов, транспортируемых по магистральному нефтепродуктопроводу (МНПП) "Пермь-Андреевка" из головной перекачивающей станции (ГПС) "Пермь" на ППС "Андреевка", как показано на рисунке 1.1.

Резервуарный парк расположен на территории ППС "Андреевка" (республика Башкортостан).

Рисунок 1.1- МНПП "Пермь - Андреевка" и ППС "Андреевка

Резервуарный парк включает в себя:

- 10 стальных вертикальных резервуаров (5000 м3 - 8 шт., 400 м3 - 2 шт.);

-        37 коренных задвижек внутри обвалования и 4 узла запорно-регулирующей арматуры (всего 11 задвижек) за пределами обвалования;

-   технологические трубопроводы.

Периметр резервуарного парка обустроен бетонным обвалованием (длина периметра 183 м, ширина периметра 78 м). Высота обвалования колеблется от 140 см до 180 см. Внутри периметрального обвалования сооружено ещё два бетонных обвалования (длиной по 78 м каждый, высота от 80 см до 90 см), которые делят резервуарный парк на 3 группы:

группа резервуаров - для хранения бензина;

группа резервуаров - для хранения дизельного топлива и смесей нефтепродуктов;

группа - аварийный резервуар.

В резервуарном парке хранятся: дизельное топливо ДТЛ 0,2-62 ВС, бензин Нормаль-80 и их смесь, образовавшаяся в результате последовательной транспортировки различных типов нефтепродуктов. Основные характеристики резервуарные емкостей резервуаров и виды продуктов в них приведены в таблице.

Номер емкости

Наименование нефтепродукта

Кол-во

Тип

Емкость, м3

Наличие подогрева

РВС-1

Диз. топливо

1

Вертикальный

5000

Нет

РВСП-2

бензин

1

вертикальный

5000

нет

РВСП-3

бензин

1

вертикальный

5000

нет

РВС-4

диз. топливо

1

вертикальный

5000

нет

РВС-5

диз. топливо

1

вертикальный

5000

нет

РВСП-6

бензин

1

вертикальный

5000

нет

РВСП-7

бензин

1

вертикальный

5000

нет

РВС-8

диз. топливо

1

вертикальный

5000

нет

РВСП-9

бензин

1

вертикальный

400

нет

РВС-10

диз. топливо

1

вертикальный

400

нет

РВСП-30

бензин

1

вертикальный

400

нет

РВСП-31

бензин

1

вертикальный

400

нет

РВС-32

диз. топливо

1

вертикальный

400

нет

РВС-33

диз. топливо

1

вертикальный

400

нет

Е 181

бензин

1

горизонт.

60

нет

Е 182

диз. топливо

1

горизонт.

60

нет

Е 191

бензин

1

горизонт.

11

нет

Е 192

диз. топливо

1

горизонт.

11

нет

Е 40

нефтепродукт

1

горизонт.


нет

Е 381

производственные стоки

1

вертикальный

400

с подогрев.

Е 382

производственные стоки

1

вертикальный

400

с подогрев.

Е 491

противопожарный запас воды

1

вертикальный

1000

с подогрев.

Е 492

противопожарный запас воды

1

вертикальный

1000

с подогрев.

Е 201

отработ. масло

1

горизонт.

5

нет

Е202

чист. масло

1

горизонт.

5

нет


Оборудование резервуарного парка (РП) эксплуатируется на открытой площадке, подверженной атмосферным осадкам в температурном диапазоне -45 - +37 град 0С.

1.4    Требования к измерению параметров на станции

Система измерения количества нефтепродуктов обеспечивает выполнение следующих функций измерения в автоматическом режиме:

- объема при температуре и давлении на узле учета с погрешностью не более ± 0,15%;

· массы нефтепродуктов с погрешностью не более ± 0,15%;

· плотности нефтепродуктов с погрешностью не более ± 0,15%;

· контроль перепада давления на фильтрах;

· давления в измерительных линиях;

- индикацию и автоматическое обновление данных измерений массы, объема, расхода, плотности по каждой измерительной линии и в целом, значений температуры, давления по каждой измерительной линии с вызовом показаний на дисплей по требованию.

Перекачиваемые продукты:

· бензин плотностью 0,72...0,76 т/м3, вязкостью 0,8... 1 сСт;

· дизельное топливо плотностью 0,84... 0,87 т/м3, вязкостью 6...9,5 сСт.

Параметры перекачки:

-в оперативном узле учета на входе станции объем перекачки 250...450 м3/ч, рабочее давление 1,6 МПа, температура перекачки -5...+30 °С;

· в коммерческом узле учета на выходе станции, трубопровод перекачки на нефтебазу Камбарка объем перекачки 250 м3/ч, рабочее давление 6,4 МПа, температура перекачки -5°С .. .+30 °С;

· в коммерческом узле учета на выходе станции, трубопровод перекачки на ЛПДС "Андреевка" объем перекачки 180...320 м3/ч, рабочее давление 6,4 МПа, температура перекачки -5 °С...+30 °С.

1.5 Описание технологической схемы резервуарного парка

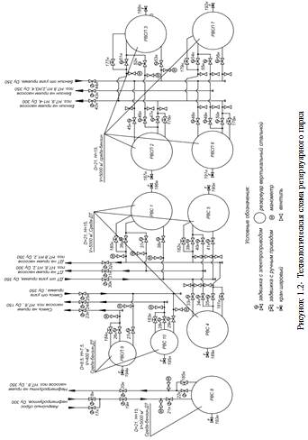
Нефтепродукт (бензин или дизельное топливо) поступает на ППС "Андреевка" от ГПС "Пермь" по магистральному нефтепродуктопроводу (технологическая схема приведена на рисунке 1.2) через камеру приема поточных средств, предназначенную для приема зачистных и диагностических средств, или разделителей при смене перекачиваемых продуктов. После камеры приема поточных средств нефтепродукт проходит через фильтр (рабочий или резервный), узел учета количества и контроля качества нефтепродуктов и поступает в резервуар, соответствующий виду нефтепродукта.

Бензин хранится в резервуарах РВС №№ 2,3,6,7, дизельное топливо - в резервуарах №№ 1,4,5, при смене перекачиваемого продукта смесь на границе поточных средств поступает в резервуар № 9 для бензина или № 10 для дизельного топлива.


Резервуары для хранения бензина №№ 2,3,6,7 представляют собой вертикальные цилиндрические емкости вместимостью 5000 м3, оборудованные понтонами, вентиляционными патрубками с огнепреградителями, монтажными и световыми люками, тремя люками-лазами, замерным люком, трубопроводами приёма-выдачи бензина с установленными на них хлопушами, зачистным трубопроводом, краном сифонным, пеногенераторами и датчиками сигнализации пожара, приборами контроля уровня, сигнализаторами аварийного уровня, температуры и давления в жидкой фазе. Резервуары показаны на рисунке 1.3.

Рисунок 1.3 - Резервуары ППС "Андреевка"

Резервуары для хранения дизельного топлива №№ 1,4,5 представляют собой вертикальные цилиндрические ёмкости вместимостью 5000 м3, оборудованные дыхательными клапанами с огнепреградителями, монтажными и световыми люками, 2 люками-лазами, замерным люком, трубопроводами приёма-выдачи дизельного топлива с установленными на них хлопушами, зачистным трубопроводом, краном сифонным, пеногенераторами и датчиками сигнализации пожара, приборами контроля уровня, сигнализаторами аварийного уровня, температуры и давления в жидкой фазе.

Резервуары для приёма смеси нефтепродуктов №№ 9,10 представляют собой вертикальные цилиндрические ёмкости вместимостью 400 м3, оборудованные монтажными и световыми люками, люком-лазом, замерным люком, трубопроводами приёма-выдачи нефтепродукта с установленными на них хлопушами, зачистным трубопроводом, краном сифонным, пеногенераторами и датчиками сигнализации пожара, приборами контроля уровня, температуры и давления в жидкой фазе. Резервуар № 9 оборудован понтоном, вентиляционным патрубком с огнепреградителем, резервуар №10 - без понтона, с дыхательным клапаном.

В последующем нефтепродукты из смесевых резервуаров перекачиваются небольшими, предварительно рассчитанными по количеству, партиями в резервуары с товарным продуктом, в соответствии с имеющимся запасом качества.

Дизельное топливо из резервуаров РВС №№ 1,4,5 поступает в магистральную насосную станцию на всас насосов Н1,Н2. С нагнетания насосов Н1,Н2 дизельное топливо подаётся на ЛПДС "Андреевка". Насосы Н1,Н2 - центробежные, нефтяные типа НКВ 360/80а с объёмной производительностью 360 м3 и напором 80 м.

Бензин из РВС №№ 2,3,6,7 поступает в магистральную насосную станцию

на всас подпорных насосов Н3, Н4 и далее подаётся на всас магистральных насосов МН 5, МН 6. После магистральных насосов бензин проходит узел учета количества и контроля качества перекачиваемого продукта и поступает через ЛПДС "Андреевка" в магистральный нефтепродуктопровод "Уфа-Камбарка".

Насосы Н3,Н4 - центробежные, нефтяные типа ТКА 210/80а с объёмной производительностью 210 м3 и напором 80 м.

Насосы МН5, МН6 - центробежные, секционные, нефтяные магистрального типа НМ 250-475У2 с объёмной производительностью 250 м3 и напором 475 м.

Для предотвращения повышения давления нефтепродуктов в системе на трубопроводах установлены предохранительные клапаны СППК-4-150-40, сброс от которых производится в соответствующие подземные емкости Е-18/1,2 вместимостью 63 м3 каждая. Освобождение от нефтепродуктов камеры приема поточных средств, фильтров и узла учета нефтепродуктов осуществляется в подземные емкости Е-19/1,2 вместимостью 12,5 м 3 каждая.

Для аварийного освобождения резервуаров предназначен РВС № 8 вместимостью 5000 м3, оборудованной аналогично резервуарам для хранения дизтоплива.

Для отпуска потребителям светлых нефтепродуктов служит автоналивной пункт. На территории автоналивного пункта расположены 2 резервуара №№ 30,31 для бензина и 2 резервуара №№ 32,33 для дизтоплива, в которые нефтепродукты закачиваются из резервуарного парка от РВС №№ 1¸7 насосами Н7, Н8.

Резервуары №№ 30,31 представляют собой вертикальные цилиндрические емкости вместимостью 400 м3, оборудованные понтонами, вентиляционными патрубками с огнепреградителями, монтажными и световыми люками, тремя люками-лазами, замерным люком, трубопроводами приёма-выдачи бензина с установленными на них хлопушами, зачистным трубопроводом, краном сифонным, датчиками сигнализации пожара, приборами контроля уровня, сигнализаторами аварийного уровня, температуры и давления в жидкой фазе.

Резервуары №№ 32,33 представляют собой вертикальные цилиндрические ёмкости вместимостью 400 м3, оборудованные дыхательными клапанами с огнепреградителями, монтажными и световыми люками, 2 люками-лазами, замерным люком, трубопроводами приёма-выдачи дизельного топлива с установленными на них хлопушами, зачистным трубопроводом, краном сифонным, датчиками сигнализации пожара, приборами контроля уровня, сигнализаторами аварийного уровня, температуры и давления в жидкой фазе.

Из РВС №№ 30,31 бензин через фильтр Ф-3 поступает на насосы Н-9,10 островка налива бензина в автоцистерны, а из РВС №№ 32,33 через фильтр Ф-4 на насосы Н-11,12 островка налива дизельного топлива в автоцистерны.

.6      Взаимодействие резервуарного парка с основными объектами

Все трубопроводы подачи нефтепродуктов в резервуары и вывода нефтепродуктов из них имеют у резервуаров и за обвалованием запорную арматуру с электроприводом. Резервуары станции оснащены приборами контроля технологических параметров и системой блокировок, срабатывающих при отклонении параметров от заданных норм. Резервуары для бензина оборудованы понтонами, уменьшающими объём газовой фазы, и вентпатрубками с огнепреградителями, резервуары для дизтоплива - дыхательными клапанами. РВС - 5000 м3 - 8 шт. и магистральная насосная оборудованы автоматической системой пожаротушения.

Особенностью работы резервуарного парка на станциях магистральных трубопроводов является повышенная скорость пополнения и опорожнения резервуаров. В отличие от других предприятий, где процессы хранения и транспортировки вспомогательные, на магистральных трубопроводах эти процессы основные, определяют состав оборудования и характер работы.

В состав резервуарного парка входят:

·   резервуары;

·   подпорные насосные;

·   перекачивающие насосные;

·   технологические с узлами переключения;

·   замерный узел;

·   узел регулирования давления;

·   вспомогательные сооружения.

В полном объеме этот состав характерен для насосных станций магистральных трубопроводов. В остальных случаях состав может варьироваться.

Резервуарные парки на насосных станциях могут работать в следующих режимах:

1)   через емкость;

2)   с подключенной емкостью.

3)   без емкости или из насоса в насос.

В первом режиме, показанном на рисунке 1.3, поступающая на станцию нефть подается в один или несколько резервуаров и забирается в тоже время подпорной насосной из другого резервуара или группы резервуаров.

При режиме с подключением емкости (режим 2) основной исток нефти подается непосредственно на вход подпорной насосной, а в резервуары поступает или из них забирается то количество нефти, которое определяется разностью между приемом и откачкой нефти.

Рисунок 1.3 - Через емкость


При режиме без емкости весь поток поступает на вход магистральной насосной. Раньше резервуарные парки работали, как правило, по схеме через емкость, что позволяло вести товарный учет нефти по резервуарам. Более совершенная схема с подключенной емкостью, которая стала применяться с появлением возможности изменения количества нефти на потоке узлами учета. Одновременно стала применяться третья схема, при этом резервуары выполняют в основном функции аварийных емкостей при внештатных ситуациях. Такие схемы характерны для промежуточных насосных станций.

Пожарная насосная станция предназначена для тушения загорания нефтепродуктов в резервуарах РВС №№ 1¸8, автоналивного пункта и магистральной насосной станции и охлаждения водой резервуаров РВС №№ 1¸10, соседних с горящим резервуаром. Основной режим работы пожарной насосной станции - автоматический.

Для тушения загорания пожарная насосная станция оснащена 3 резервуарами для воды вместимостью V=1000 м3 каждый, 2 баками для хранения концентрированного пенообразователя вместимостью V=5 м3 каждый, насосами типа ЦНС-180-85 (Q = 180 м3/час, Н = 85 м) для подачи раствора пенообразователя) в кольцевую сеть растворопровода и насосами типа 1Д500-63а (Q = 500 м3/час, Н = 63 м) для подачи воды в кольцевую сеть противопожарного водопровода. Запас воды рассчитан на приготовление раствора для тушения одного резервуара в течение 30 мин. (3-х кратный запас) и одновременного охлаждения горящего резервуара и 2-х соседних в течение 45 мин.

2. Патентная проработка

Целью дипломного проекта является исследование резервуарного парка ППС "Андреевка" и рассматривается внедрение программируемых логических контроллеров вместо релейной системы автоматики. Нижний уровень автоматизации детально не рассматривается, что связано с особенностями разработки проекта.

Согласно действующим законодательным и нормативным актам программное обеспечение рассматривается исключительно, как объект авторского права. Патентование конкретной реализации конкретного алгоритма невозможно, так как программы для вычислительных машин и алгоритмы как таковые не являются изобретениями.

Таким образом, патентная проработка является нецелесообразной в связи с отсутствием объекта патентной защиты.

3. Автоматизация и телемеханика

3.1 Основные функции автоматизации

Система автоматизации ППС предназначена для централизованного контроля, защиты и управления оборудованием ППС, должна обеспечивать автономное поддержание заданного режима работы ППС и его изменение по командам оператора ППС или диспетчера районного диспетчерского пункта (РДП) [1].

Система автоматизации ППС должна обеспечивать выполнение следующих основных функций [2]:

−   защита оборудования ППС (общестанционными и агрегатными защитами);

−     управление оборудованием ППС;

−       регулирование давления в магистральном нефтепродуктопроводе;

−       контроль технологических параметров и параметров состояния оборудования;

−       отображение и регистрация информации;

−       связь с другими системами.

Система автоматики ППС работает в качестве низового звена в составе автоматизированной системы управления магистральным нефтепродуктопроводом (АСУ МНПП).

Управление технологическим процессом перекачки нефтепродуктов, централизованный контроль и сигнализация состояния технологического процесса в полном объёме обеспечивается из центрального диспетчерского пункта ГПС "Пермь" по каналам телемеханики.

Диспетчерский пункт операторной магистральной насосной станции ППС "Андреевка" также в полном объёме контролирует состояние технологического процесса, работу системы блокировок и противоаварийной автоматической защиты станции, осуществляет выбор режима управления станцией (телемеханический, нетелемеханический), выбор режима управления отдельными единицами оборудования.

.2 Описание технологических процессов на объектах с точки зрения их автоматизации

Общестанционный контроль, управление и автоматические защиты.

Централизованный контроль, управление и сигнализация обеспечиваются с автоматизированного рабочего места (АРМ) оператора в помещении операторной ГПС "Пермь".

Система автоматики обеспечивает следующие режимы управления станцией:

· телемеханический;

· нетелемеханический.

Выбор режима осуществляется с АРМа оператора ППС "Андреевка". Каждый выбранный режим исключает другой. Переключение из режима в режим осуществляется без остановки работающих агрегатов и станции в целом.

В режиме "Телемеханический" обеспечивается пуск и остановка вспомогательных систем, магистральных насосных агрегатов по программе пуска и остановки из диспетчерского пункта нефтепродуктопровода по системе телемеханики.

Диспетчерский пункт нефтепродуктопровода, размещенный в операторной ГПС "Пермь", выполняет полный комплекс контроля и управления технологическим процессом ППС "Андреевка". При этом предусмотрена передача в систему телемеханики полного объёма информации о состоянии технологического оборудования, все аналоговые и дискретные параметры независимо от режима управления.

Отключение станции и отдельных агрегатов, включая вспомогательные, по системе телемеханики сопровождается дополнительно к сообщению о состоянии сообщением "Отключено диспетчером трубопровода" на экране АРМ оператора и фиксируется в журнале событий. Вид программы показан на рисунке 3.1

Рисунок 3.1 - АРМ оператора

В режиме "Нетелемеханический" обеспечивается управление технологическими задвижками, магистральными насосными агрегатами, агрегатами маслосистемы и вентиляции по отдельным командам меню или общими командами "программный пуск", "программный останов" агрегатов и вспомогательных систем. Выбор соответствующих команд на экране АРМ оператора осуществляется с клавиатуры ПЭВМ или с помощью манипулятора "мышь". В этом же режиме обеспечивается управление задвижками и вспомогательными агрегатами от местных кнопок при выборе режима "Кнопочный" соответствующего агрегата.

3.3 Требования к автоматизации резервуарного парка

В резервуарном парке предусмотрено:

·контроль максимального уровня налива в резервуары;

·закрытие наливных задвижек по максимальному уровню в резервуаре;

- управление задвижками резервуарного парка.

Централизованный контроль, управление и сигнализация по резервуарному парку обеспечивается с автоматизированного рабочего места оператора в помещении операторной ГПС "Пермь" и ППС "Андреевка" через систему верхнего уровня Honeywell. Вид экрана компьютера для закачки бензина и дизельного топлива показаны на рисунках 3.2 и 3.3.

Рисунок 3.2 - АРМ оператора (прием бензина)

Автоматизация резервуарного парка должна предусматривать:

- автоматическую защиту технологического оборудования РП;

- автоматическую защиту РП при поступлении сигнала "Пожар в резервуаре" от АСУ ТП;

- контроль параметров работы технологического оборудования РП;

- централизацию управления резервуарным парком;

- регистрацию и отображение информации о работе оборудования РП.

Рисунок 3.3 - АРМ оператора (прием дизельного топлива)

Все трубопроводы подачи нефтепродуктов в резервуары и вывода нефтепродуктов из них имеют у резервуаров и за обваловкой запорную арматуру с электроприводом.

.4 Системы автоматизации резервуарного парка

При числе резервуаров свыше шести должны создаваться АСУ ТП РП со своим операторским пунктом.

Резервуарный парк промежуточной перекачивающей станции контролируется четырьмя системами:

система количественного учета нефтепродуктов фирмы "Enraf";

система контроля загазованности;

система защиты от перелива;

система автоматического пожаротушения.

На рисунке 3.4 показана функциональная схема автоматизации резервуара на ППС "Андреевка".

Перечень средств измерения и контроля представлен в таблице 1.1.

Таблица 1.1 - Перечень средств измерения и контроля

Позиц. обозначение

Наименование

Кол.

Примечание

1, 7

Измеритель уровня серии 854 ATG

2

ЕЕх de IIb T6

2, 3, 4

Сигнализатор уровня вибрационный LS 5200

5

ЕЕх ia IIb T6

5, 6




8, 9

Селектор температурный серии 862 MIT

2

ЕЕх ia IIb T6

10, 11

Термопреобразователь сопротивления ТСМ 012

2

ЕЕхd IIC T6

12, 13

Датчик скорости потока жидкости VS 100

2

ЕЕхd IIC T6

14, 15

Преобразователь давления Cerabar S PMC

2

ЕЕхd IIC T6


Перечень средств измерения и контроля по аварийной защите приведен в таблице 1.2

Таблица 1.2 Перечень средств измерения и контроля по аварийной защите

№ защиты

Позиционное обозначение

Условие срабатывания

Действие защиты

1

2

Повышение уровня выше 13 м

Закрытие задвижки 38Н

2

3

Понижение уровня ниже 0,5 м

Закрытие задвижки 37Н

3

3

Понижение уровня ниже 0,5 м

Закрытие задвижки 36Н

4

4

Повышение уровня выше 13 м

Закрытие задвижки 45Н

5

6

Понижение уровня ниже 0,5 м

Закрытие задвижки 47Н

6

6

Понижение уровня ниже 0,5 м

Закрытие задвижки 46Н

7

12

Превышение скорости 1 м/с

Закрытие задвижки 38Н

8

12

Понижение скорости 1 м/с

Закрытие задвижки 38Н

9

13

Превышение скорости 1 м/с

Закрытие задвижки 45Н

10

13

Понижение скорости 1 м/с

Закрытие задвижки 45Н


Система защиты резервуаров по максимальному уровню выполнена независимой от микропроцессорной системы ППС. Сигналы от датчиков сигнализаторов максимального уровня передаются системой непосредственно на пусковую аппаратуру наливных задвижек на их закрытие.

Системы автоматизации резервуарных парков должны выполнять следующие основные функции:

дистанционное измерение и контроль допустимого уровня и средней температуры нефтепродуктов в каждом резервуаре;

расчет и контроль допустимой скорости наполнения и опорожнения резервуаров;

контроль превышения давления в трубопроводах РП;

сигнализация срабатывания защит;

-противоаварийная автоматическая защита при нарушениях технологическими переменными допустимых границ;

- автоматическое пожаротушение;

дистанционное управление задвижками резервуарного парка;

формирование и выдачу аварийных сигналов в другие системы автоматизации;

дистанционное управление системой размыва донных отложений.

.5 Система количественного учета нефтепродуктов фирмы "Enraf"

Все резервуары ППС оборудованы комплексной системой количественного учета нефтепродуктов фирмы "Enraf". Система обеспечивает следующие измерения:

технологических параметров в резервуарах (уровень и среднюю температуру нефтепродукта, давление столба жидкости);

оперативный и коммерческий учет нефтепродуктов в резервуарах;

сигнализацию достижения параметрами заданных значений с выдачей предупредительных и управляющих сигналов в систему управления резервуарным парком;

контроль достоверности измерения и исправности датчиков;

прогноз времени заполнения и опорожнения резервуаров;

расчет общего количества и свободной емкости по каждому виду нефтепродукта.

Компания Enraf предлагает различные полевые приборы, устройства связи, интерфейсы и системы, предназначенные для решения задач контроля и управления в резервуарных парках. Данные с полевых приборов через устройство интерфейса связи, 880 CIU Enraf, передаются по двухпроводной полевой шине и обрабатываются системой управления учетом Entis Enraf.

Структура системы Enraf представлена на рисунке 3.5.

Рисунок 3.5 - Структура системы Enraf

На нижнем уровне располагаются измеритель уровня серии 854 ATG и температурный селектор серии 862 MIT. Описание этих приборов приводится ниже. Дисплейные индикаторы.

Измеренные в резервуаре данные по уровню, температуре и давлению могут быть использованы для различных целей управления. Поэтому для представления этих данных в различных форматах, используются дисплеи и операторские панели, показанные на рисунке 3.6.

Рисунок 3.6 - Дисплейные индикаторы

Такие дисплеи и панели обеспечивают доступ к данным практически в любое время и в любом месте резервуарного парка. Специальные версии приборов могут иметь режимы автономной работы с полевыми приборами в случае отказа систем учета. Могут выпускаться версии устройств для коммерческого учета, без возможности доступа к изменению отображаемых данных.

Топология сети и интерфейсы.

Устройства связи и интерфейсы 880 CIU обеспечивают наиболее эффективную связь с полевыми приборами Enraf.

Новая серия CIU 380 предусматривает использование открытого протокола в сочетании с классическими протоколами связи Энраф с целью интегрирования процессов управления, связи и интерфейсов. Это даёт возможность создания реальной распределённой архитектуры интеллектуальных и аппаратных средств управления.

Для интегрирования процессов управления и автоматизации, предусмотрена возможность использования таких открытых протоколов автоматизации, как Foundation Fieldbus и Modbus. Наличие аналогового и цифрового ввода/вывода обеспечивает возможность использования их с полевыми приборами. ОРС сервер позволяет передавать важную информацию на системы сбора данных, таких как Entis, различные пакеты программ SCADA, промышленные или офисные приложения.

Вторичный уровень - CIU Plus.

Вторичный уровень - CIU Plus показан на рисунке 3.7.

Рисунок 3.7 - CIU Plus

CIU Plus - это автономное устройство калькуляции резервуарных данных, используемое в сочетании с CIU Prime. Одно устройство CIU Plus может выполнять сложные и специальные расчеты в масштабе реального времени до 50 резервуаров.

Преимущества: расчёт объёмов по стандартам API и ASTM; совместимость с MODBUS; горячее резервирование; гальваническая развязка главных портов.

Основная задача CIU Prime (рисунок 3.8) - сканирование и сбор данных со всех датчиков.

Преимущества те же, плюс: поддерживает команды датчика, защита от конфигурации.

Рисунок 3.8 - CIU Prime

Верхний уровень - система управления Entis Pro.

Элементом верхнего уровня является система управления Entis Pro, разработанная для Windows 2000 и XP. Entis - это средство, позволяющее отображать и до некоторой степени управлять запасом продукта в парке емкостей. Это компьютерная программа, которая запускает и решает задачи, такие как сбор информации с различных частей резервуарного парка, передача команды измерителю или клапану.

Информация от полевых устройств попадает по проводам в компьютер, в котором запущена программа Entis. Далее эта программа организует всю информацию и переводит ее в логические форматы, которые позволяют находить любую часть резервуарного парка. Оператор, задавая номер резервуара, может мгновенно получить любую информацию, например о температуре, уровне, положении корневых задвижек и другую. Для расчета объема продукта в емкости должны быть заранее введены в программу тип емкости (сферическая, цилиндрическая или с плавающей крышей), калибровочные точки или радиус и точка ноля, зависящие от типа емкости.

По данным уровнемера интерфейс CIU Plus рассчитывает и передает в Entis общий наблюдаемый объем, валовой стандартный объем который является объемом, скорректированным на содержание воды и температурное расширение продукта в емкости. Таким образом, на экране Entis может быть представлен целый ряд рассчитанной информации. К примеру, на экране перекачки отображается движение продукта в резервуарном парке.

Другая форма предоставления информации на экране - это окно. Окно - это миниатюрный экран, который накладывается на существующий экран. Каждое окно содержит определенную информацию. К примеру, одно окно позволяет изменить единицы измерения для уровня, объема, температуры и других измерений.

Иногда оператору необходима информация обо всех важных изменениях в Entis. В этом случае срабатывает концепция сигнализаций, например, если уровень в емкости стал слишком низким. Из множества типов сигнализаций, срабатывает та, в которой достигнуто заданное значение. Некоторые сигнализации устанавливаются технологом, некоторые устанавливаются оператором. Допустим, если была установлена сигнализация на достижение нижней точки уровня, то она срабатывает в случае, если уровень продукта в емкости опускается ниже заданной точки. Сообщение - предупреждение о нижнем уровне появляется независимо от того, на каком экране и в каком окне находится оператор.

Достоинствами системы Entis являются:

- открытая архитектура;

-       учет в реальном масштабе времени;

-       обработка цифровой и графической информации;

-       интуитивная работа;

-       сбор данных и расчет;

-       объединение в сеть;

-       надежная система сигнализации;

-       горячее резервирование и избыточность;

- основные и дополнительные программные задачи для создания комплексной системы;

-       характерные особенности, преимущества, выгода.

3.6 Система контроля загазованности

Полное наименование АСУ ТП: "Система датчиков-сигнализаторов довзрывных концентраций в резервуарном парке промежуточной перекачивающей станции (ППС) "Андреевка" филиала МНПП "Пермь-Андреевка".

Назначение АСУ ТП.

АСУ ТП предназначена для:

- непрерывного контроля газо-воздушной среды в резервуарном парке ППС "Андреевка";

- сигнализации оператору ППС "Андреевка" и диспетчеру МНПП "Пермь-Андреевка" при достижении концентрации паров нефтепродуктов в резервуарном парке 20 % от нижнего концентрационного предела распространения пламени.

Целью создания АСУ ТП является своевременная сигнализация о превышении концентрации паров нефтепродуктов в резервуарном парке для принятия оперативных мер по ликвидации аварийной ситуации и устранения причины повышения загазованности воздушной среды в резервуарном парке.

Структура КТС.

В соответствии с требованиями технического задания к структуре и функционированию системы, комплекс технических средств (КТС) АСУ ТП построен, как система управления с четырьмя уровнями иерархии:

1)      первый уровень - измерительные преобразователи концентрации паров нефтепродуктов в воздушной среде на территории РП ППС "Андреевка" в стандартный электрический сигнал (датчики довзрывных концентраций ДВК);

2)      второй уровень - подсистема сбора информации с ДВК, реализованная на специализированных промышленных контроллерах Regard фирмы Drager, обеспечивающих работу в автономном режиме, а также поддерживающих связь с третьим уровнем;

3)      третий уровень - существующая система управления Plant Scape (Honeywell), реализованная на базе 3 контроллеров С 200, контроллера FSC, сервера и 2 операторских станций с цветными видеомониторами. КТС системы управления Plant Scape находится в помещении операторной магистральной насосной ППС "Андреевка";

4)      четвертый уровень - существующая удалённая рабочая станция на рабочем месте диспетчера МНПП на ГПС "Пермь".

Информационная связь между первым, вторым и третьим уровнями иерархии должна обеспечиваться кабельными каналами связи в автоматическом режиме. Обмен данными между третьим и четвёртым уровнями осуществляется по сети Ethernet посредством оборудования радиорелейной связи.

Функции, выполняемые системой.

Перечень функций, выполняемых системой первого уровня:

-  контроль воздушной среды на территории РП "ППС "Андреевка";

-       преобразование концентрации паров нефтепродуктов в стандартный электрический сигнал;

-       передача информации в систему второго уровня.

Перечень функций, выполняемых системой второго уровня:

-  первичная обработка сигналов измерительных датчиков ДВК;

-  контроль отклонений параметров от установленных аварийных и регламентных границ;

-       диагностика работоспособности КТС АСУТП;

-       световая индикация на панели контроллера неисправности самого контроллера и каждого из датчиков ДВК (или линии подключения датчика). Наличие неисправности должно сопровождаться звуковым сигналом. Выдача общего дискретного сигнала о неисправности контроллера (или датчика) в систему третьего уровня - "сухой" нормально разомкнутый контакт;

-       световая индикация на панели контроллера и звуковой сигнал по каждому датчику о повышении концентрации паров нефтепродуктов на территории РП до 20% НКПР. Выдача общего дискретного сигнала об аварийной загазованности в систему третьего уровня - "сухой" нормально разомкнутый контакт;

-  квитирование (подтверждение) звукового сигнала о тревогах и авариях. Если не устранена причина сигнала, световая индикация должна оставаться;

-       возможность просмотра и изменения уставок сигнализации (в % НКПР) на панели контроллера.

Перечень функций, выполняемых системой третьего уровня:

-  приём двух дискретных сигналов ("неисправность системы контроля загазованности в РП" и "аварийная загазованность в РП") от системы второго уровня;

-   индикация "неисправности системы контроля загазованности в РП" и "аварийной загазованности в РП" двумя красными пульсирующими сигналами на видеокадре резервуарного парка на мониторе АРМ оператора ППС "Андреевка". Указанные сигналы должны сопровождаться соответствующими текстовыми сообщениями и звуком на рабочей станции оператора ППС "Андреевка". Сообщение должно содержать кодовое обозначение (тег) сигнала, время (часы, секунды, десятые доли секунды), дату (день, месяц, год), текст с расшифровкой причины сигнала;

-  квитирование (подтверждение) оператором сигнала об авариях и неисправности. После квитирования сигналов, но при наличии аварии (или неисправности) пульсация знака на экране должна исчезать, цвет знака должен оставаться красным. После устранения аварии (неисправности) знак окрашивается в зелёный цвет;

-  сообщения об авариях (неисправностях) и время квитирования сигналов должны записываться в архивный журнал событий и хранится в течение одного месяца.

Функции системы четвёртого уровня совпадают с функциями системы 3-го уровня.

Требования к надежности АСУ ТП.

Отказом системы является отказ второго уровня АСУ ТП. Контроль работоспособности первого уровня должен осуществляться вторым уровнем. Надежность АСУ ТП должна оцениваться по время восстановления и долговечности. Время восстановления - значение данного показателя должно обеспечиваться комплектом ЗИП и иметь значение не более 2 часов. Долговечность - показатель, обеспечивающий сохранение работоспособности АСУ ТП до полного отказа при установленной системе технического обслуживания - не менее 10 лет.

Элементы структуры.

В качестве измерительных преобразователей на первом уровне структуры АСУ ТП используются головки Polytron 2IR фирмы "Drager Safety AG&Co. Измерительная инфракрасная головка Polytron 2IR предназначена для стационарного непрерывного контроля концентрации взрывоопасных газов и паров, содержащих углеводороды в окружающем воздухе (предусмотрена настройка на различные газы и пары, в т.ч. тяжелые углеводороды - нонан). Измерительный диапазон составляет от 0 до 100% НПВ (нижнего предела взрываемости). Предоставляет аналоговый выходной сигнал 4 - 20мА для измеренных значений.

При соединении с контроллером Regard обеспечивает:

- выдачу предупреждения еще до достижения опасной концентрации газа;

автоматическое принятие мер по предотвращению риска взрыва;

индикацию неисправностей измерительной головки;

специальный режим калибровки.

Подсистема сбора информации реализована на базе контроллера Regard фирмы "Drager Safety AG&Co. KGaA". Она осуществляет выдачу дискретных сигналов (сухой нормально разомкнутый контакт) об аварийной загазованности и неисправности в систему третьего уровня.

Дополнительных средств передачи данных, помимо уже применяемых в существующих системах третьего и четвертого уровней, не требуется.

3.7 Система защиты от перелива

Требования к автоматической защите.

Требования к автоматической защите резервуарного парка предусматривают:

автоматическую защиту резервуаров от переливов;

автоматическую защиту от превышения давления в трубопроводах подачи нефтепродуктов в РП и технологических трубопроводах РП.

При достижении в резервуаре максимального аварийного уровня нефтепродукта автоматическая защита от перелива должна обеспечивать закрытие его приемной задвижки и переключение потока нефтепродукта в другой резервуар. Для автоматической защиты резервуара от перелива должен использоваться датчик максимального аварийного уровня, не связанный с датчиком измерителя текущего уровня. В резервуарах с плавающей крышей или понтоном следует устанавливать три сигнализатора максимального аварийного уровня, дублирующих друг друга. Настройка максимального аварийного уровня резервуара производится выше максимального уровня, допустимого по конструкции резервуара, на величину, соответствующую количеству нефтепродукта, который может поступить в резервуар за время закрытия его приемной задвижки с учетом инерционности датчика максимального аварийного уровня. Максимальный (допустимый) уровень заполнения резервуара определяется по его технической документации.

Автоматическая защита от превышения давления в трубопроводах подачи нефтепродуктов в резервуарный парк и в его технологических трубопроводах может выполняться посредством подключения к трубопроводу, в котором повысилось давление, специально выделенной емкости. Подключение емкости должно проводиться с использованием электроприводной задвижки, параллельно которой устанавливаются механические предохранительные клапаны. Уставка системы защиты по давлению должна настраиваться на значение давления на 10% ниже давления срабатывания предохранительного клапана.

В системах управления резервуарными парками может предусматриваться контроль скорости наполнения или опорожнения резервуаров.

При превышении допустимой скорости наполнения (опорожнения) открывается задвижка на линии сброса нефтепродукта в специально выделенные емкости (или подключаются дополнительные резервуары).

Система защиты от перелива.

Автоматическая система защиты от перелива нефти и нефтепродуктов должна включать в себя установку сигнализаторов уровня продукта с выводом сигнала в основной пункт и автоматику отсечения подачи продукта в резервуар при достижении нормативного уровня заполнения резервуара.

Резервуары с учетом сорта хранимого продукта необходимо оснащать не менее чем тремя сигнализаторами верхнего аварийного, верхнего и нижнего предельных уровней. В резервуарах с плавающими крышами или понтонами необходимо устанавливать (на равных расстояниях) не менее трех сигнализаторов уровня, работающих параллельно.

Резервуары должны оснащаться приборами для измерения уровня. Предупредительная и предаварийная сигнализация предельного верхнего и нижнего уровней должны осуществляться от двух независимых датчиков с раздельными точками отбора параметров технологической среды. Значения уставок предупредительной сигнализации предельных верхнего и нижнего уровней указываются в проекте с учетом времени, необходимого на проведение операций по прекращению подачи сырья в резервуар и откачки сырья из резервуара.

При отсутствии дистанционных сигнализаторов верхнего уровня должны быть предусмотрены переливные устройства, соединенные с резервной емкостью или сливным трубопроводом.

Резервуарный парк станции ППС "Андреевка" также контролируется системой защиты от перелива. Для сигнализации о достижении верхнего уровня используются датчики уровня жидкости серии LS 5100. На резервуарах для хранения дизельного топлива установлены по два сигнализатора на каждом резервуаре. На резервуарах для хранения бензина установлены по три сигнализатора. Система защиты резервуаров по максимальному уровню выполнена независимой от микропроцессорной системы ППС. Сигналы от датчиков сигнализаторов максимального уровня передаются системой непосредственно на пусковую аппаратуру наливных задвижек на их закрытие, без срабатывания сигнализации, т.к. для этой системы на станции она отсутствует.

Система сигнализации предназначена для оповещения операторов парка о заполнении резервуара до предельного (опасного, аварийного) уровня. Система должна вырабатывать звуковые и световые сигналы при достижении продуктом заданного уровня и быть независима от других систем [3].

3.8 Система автоматического пожаротушения

Основными факторами, вызывающими пожары, являются:

·   разряды молний в резервуары;

·   возгорание насосов при перекачке продуктов;

·   нарушение правил техники безопасности при ведении огневых работ;

·   накопление статического электричества при несоблюдении скоростных режимов перекачивания нефтепродуктов.

Для тушения пожаров в резервуарных парках и насосных по перекачке нефтепродуктов применяется воздушно-механическая пена средней кратности, которая является наиболее эффективным огнетушащим средством для тушения пожаров классов А (горение твердых веществ) и В (горение жидких веществ).

Расчётный расход раствора пенообразователя для тушения технологического резервуара составляет 40 л/сек.

Для охлаждения нефтепродукта в горящем резервуаре и предотвращения вскипания его с последующим выбросом используется вода, подаваемая в кольца орошения. Охлаждению подвергаются также находящиеся рядом с ним соседние резервуары. Расчётная продолжительность охлаждения технологических резервуаров при тушении стационарной автоматической системой примерно составляет 4 часа, а при тушении передвижной пожарной техникой - 6 часов.

Система автоматического пожаротушения состоит из следующих объектов:

1)   стационарной системы пенного пожаротушения. Стационарная установка пожаротушения предназначена для пожаротушения магистральной насосной и резервуаров нефтепродуктов объемом 5000 м3;

2)   передвижной системы пожаротушения. Передвижная система пенного пожаротушения служит для обслуживания зданий и сооружений, не входящих в зону обслуживания стационарной установки пенного пожаротушения. За счет использования передвижной пожарной техники, подключаемой к пожарным гидрантам растворопровода и воды, осуществляется тушение загорания, а также дополнительное охлаждение резервуаров, находящихся рядом с горящим;

3)   системы обнаружения пожара. В системе обнаружения пожара обнаружение пожара осуществляют 3 контроллера КСАП-01 (контроллер системы автоматического пожаротушения).

Каждый резервуар (РВС №№ 1¸8) оснащён 2 датчиками пожарной сигнализации типа ТСМ 012, измеряющими температуру в верхней части резервуара. Помещение магистральной насосной оснащено 10 пожарными извещателями пламени типа "Ясень" ИП 330-5, отслеживающими инфракрасное излучение.

Сигнал от датчиков и извещателей поступает на КСАП-01 № 1. Контроллер КСАП-01 № 2 предназначен для контроля и управления задвижками и насосами пожаротушения. Контроллер КСАП-01 КЦ является центральным и выполняет все задачи и функции системы автоматического пожаротушения.

Контроллеры КСАП-01 КЦ и КСАП-01 № 1, КСАП-01 № 2 установлены в помещении операторной пожарной насосной станции ППС "Андреевка".

Контроллеры обеспечивают:

-  контроль исправности цепей пожарной сигнализации;

-       контроль исправности цепей электропитания электрозаслонок и насосов;

-       обнаружение пожара на каком-либо резервуаре или в магистральной насосной;

-       выдачу сигналов "ПОЖАР" (с указанием номера резервуара или магистральной насосной) или "Неисправность системы пожарной сигнализации" (обобщённый);

-       контроль уровня жидкости в резервуарах противопожарного запаса воды и пенообразователя;

-       обмен информацией с системой автоматизации ППС "Андреевка";

)        системы управления автоматическим пожаротушением (СУАП).

При поступлении сигнала от одного из датчиков на дисплее пункта управления высвечивается информация о срабатывании, указывающая место установки датчика, срабатывает звуковая сигнализация.

При поступлении сигнала от двух датчиков, установленных на одном объекте, на дисплее высвечивается информация о пожаре, указывающая место установки датчика, срабатывает звуковая сигнализация. Выполняется автоматический пуск системы стационарного пожаротушения.

Исправность автоматического уровнемера в резервуарах (емкостях) должна проверяться не реже одного раза в три месяца при плюсовой температуре и немедленно в случае сомнений в исправной работе уровнемера.

Резервуары должны быть закрыты для доступа посторонних лиц и опломбированы, целостность пломбы проверяется один раз в квартал.

.9 Автоматическая защита станции

Функции противоаварийной защиты и дистанционного управления должны выполняться в АСУ ТП РП с помощью программных логических контроллеров или промышленных компьютеров и сохранять свою работоспособность даже в случае прекращения функционирования системы верхнего уровня - системы АСУ МН или нарушения связи с ней, обеспечивая необходимый уровень полноты безопасности. К противоаварийной защите относятся сигнализаторы уровня.

Функции централизованного контроля и дистанционного управления должны выполняться в АСУ ТП РП через рабочие операторские станции, подключенные к системе верхнего уровня.

В каждом резервуарном парке МН должны быть системы автоматического пожаротушения.

В операторском пункте АСУ ТП каждого резервуарного парка должны быть производственно-технологическая (телефонная) связь с ГПС, терминалами нефтепродуктопровода, а также с местными контролирующими органами, ответственными за безопасность трубопроводных систем и надзор за ними [4].

Средства контроля и автоматической противоаварийной зашиты резервуарных парков должны обеспечивать:

- автоматическое регулирование давления в паровом пространстве резервуаров с обеспечением дистанционной передачи и регистрации показаний на щите оператора и сигнализацией в помещении операторной верхнего и нижнего пределов рабочего давления;

измерение, дистанционную передачу и регистрацию на щите оператора уровня хранимого продукта с сигнализацией в помещении операторной верхнего и нижнего предельных рабочих уровней хранимого в резервуарах продукта;

- измерение, дистанционную передачу и регистрацию на щите оператора температуры хранимого в резервуарах продукта;

- автоматическое поддержание температурного поля подогревателей резервуара (в случае необходимости их установки) с дистанционной передачей и регистрацией показаний на щите оператора и сигнализацией отклонений этих температур от рабочих параметров;

- независимую сигнализацию верхнего и нижнего предельно допустимых уровней хранимого в резервуарах продукта;

- автоматическое включение систем защиты резервуара от повышения давления и образования вакуума в паровом пространстве резервуаров;

- автоматическое отключение запорной арматуры на технологических трубопроводах подачи продуктов в резервуары при достижении верхнего предельного уровня, повышении давления или температуры в резервуарах при достижении предельных рабочих значений этих параметров;

- автоматическое прекращение выдачи продуктов из резервуаров и закрытие соответствующей запорной арматуры на технологических трубопроводах при достижении нижнего предельного уровня продукта и снижении давления в резервуаре до нижнего предельного значения рабочего давления.

Наряду со средствами автоматической противоаварийной защиты резервуаров следует предусматривать возможность дистанционного отключения средств наполнения (опорожнения) резервуаров. Органы дистанционного управления средствами наполнения (опорожнения) резервуаров должны размещаться за пределами обвалования (ограждающих стен) резервуаров в доступном для обслуживания месте.

На станции ППС "Андреевка" предусмотрено аварийное отключение станции через блок резервного аварийного отключения (БРАО), не связанный с программным обеспечением системы АСУ, на случай полного отказа системы автоматики ППС в аварийной ситуации.

.10 Основные технические средства автоматизированных систем управления технологическими процессами (АСУ ТП)

Во всех резервуарах контролируется уровень нефти и нефтепродуктов для предотвращения переполнения емкости и поддержания определенных режимов параметров (например, давления, температуры и т. п.).

Для предотвращения разлива и контроля уровня нефти и воды в резервуарах устанавливают уровнемеры.

Рассмотрим средства измерений используемые в АСУ ТП ППС "Андреевка".

Измеритель уровня серии 854 ATG.

854 ATG Enraf (измеритель усовершенствованной технологии) измеряет уровень жидкости и может быть запрограммирован для измерения двух дополнительных уровней раздела фаз. Также может отслеживать уровни сигнализации и выдавать диагностическую информацию. Дополнительно прибор может быть снабжен программным обеспечением для измерения плотности хранящегося продукта в емкости. Точечное измерение температуры может выполняться 854 ATG при наличии платы TPU (устройства обработки температуры). Прибор показан на рисунке 3.10.

Рисунок 3.10 - Измеритель уровня серии 854 ATG

Может измеряться средняя температура продукта, точно также как и средняя температура паров, при наличии в 854 ATG дополнительной платы MPU и устройством 862 MIR или 862 MIT.

Дополнительная плата MPU обеспечивает аналоговый выход 4-20 мА и может быть использована для адаптации уровнемеров серии 854 ATG для описаний управления или аналоговых самописцев.или Hart совместимые датчики давления могут быть подключены через дополнительные платы HPU или OPU.

Принцип измерения уровня. Принцип основан на определении вибрации в плавучести поплавка. Поплавок вешается на гибкую измерительную проволоку, которая намотана на барабан с прецизионными канавками. Ось барабана соединяется с шаговым двигателем через магнитную муфту. Действительный вес поплавка измеряется преобразователем силы.

Действительное выходное значение преобразователя силы сравнивается с необходимым значением веса поплавка. Если существует различие между измеренным и необходимым значением, усовершенствованный программный модуль управления настраивает положение шаговым двигателем.

Изменение уровня продукта, в который поплавок частично погружен, служит изменением плавучести, которое определяется преобразователем силы. Результирующее различие между измеренным и необходимым значением будет причиной изменения положения шагового двигателя и, следовательно, увеличивать или уменьшать положение поплавка до тех пор, пока измеренное значение не станет равным необходимому значению.

Для предотвращения дребезга производится определенная настройка программного гистерезиса и времени интегрирования. Это позволяет производить стабильное и точное усредненное измерение уровня.

Шаговый двигатель производит один оборот за каждые 10 мм вертикального перемещения поплавка. Один оборот разбит на 200 шагов, поэтому один шаг эквивалентен 0.05 мм. Это разрешение напрямую связано с типом шагового двигателя. Правильное функционирование шагового двигателя периодически проверяется. Это достигается декодированием уникальных кодов диска кодера смонтированного на оси двигателя.

Для измерения относительной плотности, поплавок располагается на специальной высоте и измеряется соответствующий вес поплавка. Зная объем поплавка, его вес в воздухе, и измерив, соответствующий вес, может быть рассчитана относительная плотность продукта положения поплавка.

Измерение раздела фаз между двумя продуктами достигается с помощью команды измерителя раздела фаз. Это заставляет процессор шагового двигателя передвигать поплавок в положение, где вес поплавка соответствует запрограммированной установке.

Отделение электроники - взрывобезопасное и водонепроницаемое. Оно содержит все электронные схемы, шаговый двигатель и датчик силы. Устройство 854 ATG работает при напряжении питания 110, 130, 220 или 240 вольт переменного тока. Есть версия, потребляющая мощность 25 ВА при 50 Гц.

Двухпроводная двухполярная шина используется для полевой передачи данных. Плата XPU, SPU плата и дополнительная плата в 854 ATG связываются через внутреннюю процессорную шину связи. Плата процессора XPU является связью между внутренней шиной IPC и полевой шиной.

Двухпроводная шина данных Enraf очень нечувствительна к шумам и молнии, она электрически изолирована от прибора в целом.

Дистанционное отображение измерителя возможно при использовании индикатора ENRAF или компьютера верхнего уровня. Компьютером верхнего уровня может быть программа управления учета в емкостях ENTIS для РС или любая другая система. Компьютер верхнего уровня определяет сообщение измерителя через адрес передачи прибора.

Устройство серии 862 MIT .

Температурный селектор серии 862 MIT используется для подключения многоточечных термодатчиков (MТT) . Это электронное устройство выполненное в отдельном корпусе и содержащее аппаратное обеспечение необходимое для выбора и измерения с помощью МТТ, число которых может быть до 16 элементов. 862 может быть также использован в комбинации с 854 ATG или полевым интерфейсом и дисплеем серии 877. Эти приборы должны иметь дополнительные платы MPU, HPU или OPU для подключения 862 MIT.

Принцип действия. Так как большинство жидкостей в емкостях для хранения подвергаются не равномерному распределению температуры, поэтому встает необходимость измерения усредненного значения температуры. Многоточечный термометр, показанный на рисунке 3.11, может выполнить это измерение достаточно точно.

Рисунок 3.11 - Многоточечный термометр

MТT содержит ряд термопарных элементов равномерно распределенных по всей длине измерения. Температура продукта рассчитывается из среднего значения погруженных элементов. К тому же для средней температуры продукта может быть измерена средняя температура газа, путем расчета средней температуры не погруженных элементов. Для гарантии точности измерения температуры при помощи термопар используется элемент РТ100 как образцовый элемент измерения. Дополнительная плата, расположенная в 854 ATG или 877 рассчитывает среднюю температуру продукта и среднюю температуру газа. Процессор XPU преобразует среднюю температуру с последовательный двухфазный модулированный сигнал, который передается по двухпроводной полевой шине на систему отображения.

Искра-безопасность достигается полной гальванической изоляцией между схемой подключения и внутренним аппаратным обеспечением. Измеряемый ток термометров сопротивления порядка 1 мА. Выбор каждого соответствующего элемента сопротивления или термодатчика производится через сборку ключей. Адресация каждого ключа производится программным обеспечением.

Для достижения гарантии максимальной достоверности и точности измеряемых значений, берутся следующие измерения:

-  автоматическая компенсация смещения;

-       тестирование линейности;

-       калибровка результатов.

Для обеспечения этих коррекций предназначены высокостабильный и прецизионный образцовый резистор (0.005% и 3ppm/C) и источник напряжения.

Все измерения и коррекции выполняются постоянно. Все затребованные данные из преобразователя поступают совместно с информацией о состоянии и кодом BCC .

Микроволновой уровнемер Micropilot FMR 231.FMR 231 датчик (рисунок 3.11 и рисунок 3.12) уровня с выходным сигналом 4…20 Ма/НАRТ, 2-х проводное соединение, питаемое по токовой петле. Предназначен для бесконтактного измерения уровня жидкостей,

Рисунок 3.12 - Микроволновой уровнемер

густых растворов и суспензий в складских, буферных емкостях и байпасах, измерительных колодцах, в которых может быть несколько неподвижных объектов поверхность продукта в общем ровная. Изменения физических свойств продукта, перепады по температуре, наличии прослоек инертных газов и паров не оказывает влияния на измерения.

Исполнения различаются типом антенны, длиной ее рабочей части и монтажом.

Рисунок 3.13 - Принцип микроволнового измерения

- это радарный (бесконтактный) уровнемер, который измеряет расстояние до поверхности продукта от места монтажа прибора (сверху ёмкости). Короткие микроволновые импульсы излучаются антенной по направлению к продукту, отражаются от его поверхности и принимаются в том же порядке. Нерабочая часть антенны смещает её рабочую часть на 100 или 250 мм. Это необходимо для предотвращения наростообразований или конденсата на рабочей части антенны в области монтажного патрубка.

Отражённые микроволны принимаются антенной и далее воспринимаются электронным модулем, микропроцессор которой определяет эхо-сигнал отражённый именно от поверхности продукта, и далее, преобразует полученный параметр в выходной измерительный сигнал. Реализованный в приборе алгоритм обработки сигнала основан на многолетней практике в области радарной уровнеметрии фирмы Endress+Hauser.

Расстояние "D" до поверхности продукта прямо пропорционально времени прохождения микроволнового импульса "t":

= с • t/2,

где "с" есть скорость распространения света.

Так как значение расстояния "Е" введено в прибор, то он просто вычисляет значение уровня "L":

= Е - D

Расстояние "Е" задаётся от нулевой точки прибора.имеет возможность компенсации эхо-помех выполняемой пользователем. Это позволяет исключить эхо-помехи для эхо-сигнала, например, вызванные нахождением в зоне действия микроволнового луча неподвижных объектов: технологических элементов ёмкости/изм. колодца. Micropilot калибруется путём ввода значений расстояний для пустой ёмкости "Е", полной "F" и параметра использования, который автоматически настраивает прибор на необходимые условия применения.

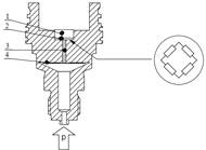
Вибрационные сигнализаторы уровня.

Вибрационные сигнализаторы уровня c блоком электроники SW E60 Z (Ex) LS 5100/LS 5150 и LS 5200/LS 5250 серии 5000 применяются для измерения граничных значений жидкостей с вязкостью от 0,2 до 10000 мПа×с и плотностью ≥0,5 г/см³. Модульная конструкция приборов позволяет использовать их в ёмкостях, резервуарах и трубопроводах. Сигнализаторы уровня LS 5100 и LS 5150, показанный на рисунке 3.14, представляют собой короткую версию без удлинения трубки. LS 5150 - это сигнализатор уровня с полированной поверхностью, применяемый преимущественно в областях со специальными гигиеническими требованиями. LS 5200/5250 - это варианты исполнения, которые могут быть поставлены с трубками различных длин, при этом LS 5250 - также версия с полированной поверхностью.

Рисунок 3.14 - Вибрационный сигнализатор уровня

Благодаря простой и надёжной измерительной системе, появляется возможность использования этих сигнализаторов уровня почти независимо от химических и физических свойств жидкостей. Они работают также при сложных условиях измерения, таких как: турбулентность, воздушные пузыри, пенообразование, налипание, сильные внешние вибрации или изменяющаяся среда.

Вибрационные сигнализаторы уровня охватывают измерение уровня почти всех жидкостей: вязкость 0,2 ....10000 мПа с, плотность 0,5 г/смэ2,5 г/см3.

-    обрыв соединительного провода к пьезоэлементам;

-       чрезмерный износ вибрирующей вилки;

-       излом вибрирующей вилки;

-       прекращение вибрации.

У версии с двухпроводным выходом о неисправности сообщается с помощью определённого значения силы тока, идущего к подключенному устройству формирования сигнала. Дополнительно проверяется соединительный кабель от устройства формирования сигнала к сигнализатору уровня на обрыв и короткое замыкание.

Сигнализатор аварийного уровня.

Вибрационные датчики (рисунок 3.15) предельного уровня для жидкостей являются классическим универсальным инструментом подобного назначения. Применяются практически для любых жидкостей, в том числе с высоким содержанием сероводорода. Конструктивно датчик выполнен в форме камертона (вилки), одна из половин которого служит источником колебаний, генерируемых пьезокристаллом, а вторая - приемником на резонансной частоте.

Принцип работы основан на срабатывании датчика, в момент изменения частоты колебаний от источника, в результате изменения свойств среды, в которой распространяется сигнал (появление жидкости между пластинами). Сигнал, генерируемый в момент срабатывания, преобразуется в управляющий сигнал.

Прибор обеспечивает высокую точность срабатывания (в пределах ±1мм) независимо от типа жидкости и типа емкости. Благодаря специально

Рисунок 3.15 - Вибрационный датчик

разработанной электронике, датчик не чувствителен к внешней вибрации, имеет функцию самодиагностики (степень коррозии, отключение датчика, обрыв сигнального кабеля), также имеет иммунитет против налипания продукта на рабочюю поверхность или изменения размеров, в результате коррозионных потерь материала, а также, в результате воздействия ударной нагрузке, приводящей к деформации.

Преобразователь давления cerabar S PMC 71 и cerabar S PMP 71/72/75.

Преобразователь давления Cerabar S ( показан на рисунке 3.16) применяется для измерения абсолютного и относительного давления газов, пара или жидкостей в различных отраслях промышленности; уровня, объема или массы жидкостей при температуре до 280°C без разделительной диафрагмы; давлений до 700 бар. Преимуществами являются:

-  высокая стабильность;

-       высокая точность;

взаимозаменяемый дисплей;

электроника для датчиков давления и дифференциального давления;

-  настройка на месте, через 4...20 мА HART, PROFIBUS PA или Foundation

Fieldbus;

Рисунок 3.16 - Преобразователи давления

Принцип измерения преобразователей давления зависит от вида диафрагмы.

Первый вид - преобразователь с керамической измерительной диафрагмой PMC 71 (Ceraphire®) изображен на рисунке 3.17. Керамический сенсор является сухим

1 - соединение с атмосферой (для сенсоров относительного давления);

- керамическая основа;

-электроды;

- керамическая диафрагма

Рисунок 3.17 - Керамический сенсор (измерительная ячейка)

сенсором, т.е. давление процесса воздействует непосредственно на керамическую диафрагму, вызывая ее деформацию. Пропорциональное действующему давлению изменение электрической емкости измеряется между электродами на керамической основе и диафрагме. Диапазон измерения определяется толщиной керамической диафрагмы.Вторым видом является преобразователь с металлической измерительной диафрагмой (рисунок 3.18). Давление процесса вызывает деформацию диафрагмы, жидкость-заполнитель передает давление на измерительный полупроводниковый резистивный мост.

1 Полисиликоновый чувствительный элемент;

Измерительная диафрагма с мостом Уинстона;

Канал с маслом-заполнителем;

Рабочая металлическая диафрагма

Рисунок 3.18 - Металлический сенсор (измерительная ячейка)

Давление процесса воздействует на разделительную диафрагму и передается к диафрагме сенсора через жидкость-заполнитель разделительной диафрагмы. Диафрагма сенсора деформируется, жидкость-заполнитель передает давление на измерительный полупроводниковый резистивный мост. Изменение выходного напряжения моста пропорционально давлению.

4. Повышение надежности срабатывания системы защиты от перелива резервуара

.1 Модернизация релейной системы автоматизации на основе ПЛК

На исследуемой станции актуальность создания автоматизации систем управления возникла в связи с низким уровнем автоматики, наличием морально устаревших релейных схем, низкой надежностью и сложностью обслуживания. Это потребовало замены существующей системы на микропроцессорную систему автоматики.

Программируемый логический контроллер (ПЛК) - это микропроцессорная система, предназначенная для реализации алгоритмов логического управления. Он предназначен для замены релейно-контактных схем, собранных на дискретных компонентах - реле, счётчиках, таймерах, элементах жёсткой логики. Принципиальное отличие ПЛК от релейных схем заключается в том, что все его функции реализованы программно. На одном контроллере можно реализовать схему, эквивалентную тысячам элементов жёсткой логики. При этом надёжность работы схемы не зависит от её сложности.

Высокие эксплуатационные характеристики делают целесообразным применение ПЛК везде, где требуется логическая обработка сигналов от датчиков.

На станции система защиты от перелива была установлена ранее. Согласно этой системе при достижении максимального (аварийного) уровня нефтепродукта в резервуаре и отсутствии сигналов от оператора происходит аварийное закрытие вследствие срабатывания релейной защиты с передачей на исполнительные механизмы и остановка закачки в резервуар, что приводит к потерям сырья.

Для решения этих задач было предложено объединить существующую систему защиты от перелива резервуара с системой Enraf (Нидерланды).

После объединения двух систем положительные сигналы о достижении уровня от сигнализаторов уровня и от измерителя уровня серии 854 ATG поступают на вход контроллера. Контроллеру при помощи прикладного программного обеспечения на одном из стандартных языков или при помощи программного модуля задается алгоритм. Согласно алгоритму вырабатывается сигнал о подключении другого пустого резервуара и о закрытии задвижки полного резервуара.

4.2 Режим эксплуатации резервуаров

Заполнение и опорожнение резервуара должны проводиться в пределах параметров, установленных технологической картой (картами).

При приеме продукта последовательно в несколько резервуаров необходимо проверить техническое состояние резервуаров и трубопроводов, открыть задвижку у резервуара, в который будет приниматься продукт, после этого закрыть задвижку резервуара, в который принимался продукт. Одновременное автоматическое переключение задвижек в резервуарном парке допускается при условии защиты трубопроводов от повышения давления и возможности контроля изменения уровня в резервуаре.

Максимально допустимый уровень продукта при заполнении резервуара устанавливается с учетом высоты монтажа пенокамеры, а в резервуарах с понтоном - пенокамеры и понтона, а также запаса емкости на возможное объемное расширение продукта и прием ее в течение времени передачи соответствующих распоряжений и отключения резервуара.

Минимально допустимым уровнем продукта в резервуаре является минимальный уровень, при котором предотвращаются кавитация в системе "резервуар - насос" и воронкообразование в резервуаре.

Расчетный минимально допустимый уровень должен быть выше минимально допустимого уровня на величину, необходимую для устойчивой работы откачивающих агрегатов в течение времени передачи соответствующих распоряжений по остановке агрегатов и отключения резервуаров.

В резервуарах, работающих в режиме "подключенных", устанавливается технологический уровень.

Максимальные рабочие уровни в резервуарах, работающих в режиме "подключенных", определяются исходя из условия обеспечения запаса свободной их емкости для сброса и приема продукта в течение 2-х часов работы продуктопровода с максимальной производительностью.

При невозможности создания запаса емкости для двухчасового приема продукта определяют возможный объем резервирования на данной ППС и время, необходимое для заполнения этой резервной емкости принимаемым продуктом.

Оперативные измерения уровня продукта в процессе заполнения или опорожнения резервуара проводятся не реже чем через каждые два часа. При заполнении последнего метра до высоты максимального уровня продукта в резервуаре контроль уровня проводится постоянно [5].

4.3 Совершенствование программы управления процессами заполнения резервуаров

В данном дипломном проекте разрабатывается программа управления для контроллера, в результате выполнения которого вырабатывается сигнал о подключении другого пустого резервуара и о закрытии задвижки полного резервуара.

Программа будет написана в системе ISaGRAF на языке ST. Система ISaGRAF относится к классу CASE-инструментов (Computer Aided Software Engineering) - инструментам компьютерной поддержки разработки программ.

Основные возможности интегрированной системы ISaGRAF:

поддержка пяти стандартных языков программирования PLC (в соответствии со стандартом IEC 61131-3), их библиотечных функций и функциональных блоков. ISaGRAF позволяет "смешивать" программы/процедуры, написанные на разных языках, а также вставлять кодовые последовательности из одного языка в коды, написанные на другом языке;

отладчик ISaGRAF, позволяющий проводить отладку приложений на имитаторе, а также просматривать состояние программного кода, переменных проекта, уже во время выполнения прикладной задачи контроллером. Отладчик предоставляет полный набор возможностей для получения качественного программного продукта (ISaGRAF - приложения);

поддержка механизма выполнения программ по шагам;

возможность внесения изменений в код программы во время работы отладчика;

трассировка рабочих переменных;

интерактивная модификация значений переменных;

запуск/останов отдельных программ, входящих в состав данного проекта;

изменение в процессе работы отладчика продолжительности цикла выполнения приложения;

эмуляция сигналов, подаваемых на каналы ввода (INPUT);

поддержка основных функций протокола ModBUS;

реализация опций, обеспечивающих открытость системы для доступа извне к внутренним структурам данных прикладной ISaGRAF - задачи;

набор драйверов для работы с устройствами ввода/вывода под управлением контроллеров следующих фирм - производителей: PEP Modular Computers, Motorola, ABB, Computer Boards, WEIDMULLER, Industrial Computer Source и др;

наличие дополнительных интерактивных редакторов для описания переменных, определений и конфигураций ввода/вывода;

встроенные средства контроля за внесением изменений в программный код ISaGRAF-приложения и печатью отчетов по разработанному проекту с большой степенью детализации, включая печать таблиц перекрестных ссылок для программ и отдельных переменных;

полное документирование системы разработки и языков программирования.

Порядок создания программ в системе ISaGRAF:

создание проекта;

объявление переменных;

создание программ;

написание текста программы на выбранном языке с помощью соответствующего редактора ISaGRAF;

присоединение переменных ввода-вывода. Присоединение переменных ввода/вывода позволяет программисту определить физические платы систем и то, каким образом переменные ввода/вывода присоединяются к каналам этих плат. Переменные ввода/вывода должны быть объявлены в словаре до присоединения их к платам ввода/вывода;

генерация кода прикладной программы, включающая проверку синтаксиса программы. Команда "Make Application" позволяет пользователю проверить синтаксис программ выбранного проекта. Если программы проверены на наличие ошибок (и ошибки не обнаружены), при генерации кода они больше не проверяются до тех пор, пока не будут изменены их пользовательские определения или переменные;

тестирование или имитация. В этом режиме открывается окно имитатора системы исполнения. Этот режим полезен для тестирования любой прикладной программы, когда аппаратные средства системы исполнения недоступны;

загрузка программы в контроллер [6].

4.4 Постановка задачи логического управления и словесная формулировка алгоритма управления

При подаче команды на заполнение резервуаров бензином отправляется сообщение оператору, и начинают запрашиваться резервуары, предназначенные для хранения бензина. При необходимости оператор может сам выбрать резервуар для закачки. При поступлении сигнала "второй резервуар пустой" открывается приемная корневая задвижка, и нефтепродукт начинает поступать в резервуар, во время этого контролируются предельная максимальная и аварийная максимальная скорость заполнения резервуара. Если скорость заполнения резервуара превысила максимальное значение, то включается визуальная и звуковая сигнализация и происходит открытие задвижки №21 8-го резервуара, предназначенного для аварийного сброса нефтепродуктов. Одновременно появляется оперативное сообщение о срабатывании защиты в операторной. Если эти показатели в норме, то заполнение происходит до верхнего нормативного уровня. При достижении этого уровня поступает сигнал оператору, и запрашиваются объемы резервуаров. При наличии сигнала "третий резервуар пустой" открывается корневая задвижка третьего резервуара. Затем только при полном открытии этой задвижки начинает закрываться приемная задвижка второго резервуара и цикл повторяется. Если поступил сигнал о том, что третий резервуар не пустой, то открывается задвижка шестого резервуара, в случае его незаполненности и цикл повторяется. В том случае, когда поступает сигнал о достижении аварийного уровня от измерителя уровня и от сигнализатора уровня, то открывается задвижка №21 восьмого резервуара для аварийного сброса, и закрываются коренные задвижки резервуаров. При достижении максимально аварийного уровня нефтепродуктов в резервуаре аварийного сброса поступает сигнал на аварийную остановку насосов ППС, закрытие задвижек всех резервуаров и отключение станции от МНПП.

4.5 Введение всех необходимых входных и выходных сигналов и построение графа переходов

Приведем все необходимые переменные в таблице.

Переменные (глобальные, булевы)

Описание

 Входные переменные

Хbenzin

Сигнал о наличии бензина в трубопроводе

Х2р, Х3р, Х6р, Х7р

Пустой резервуар (номер 2, 3, 6, 7)

zo45, zo53, zo48, zo56, zо21

Задвижка открыта (номер 45,53,48,56,21)

Хenraf

Достижение заданного уровня

Vmax

Скорость заполнения резервуара превысила максимальное значение

Хenraf and Xsig urov

Достижение аварийного уровня

zz1, zz45, zz53, zz48, zz56, zz21

Задвижка закрыта (номер 1, 45, 53, 48, 56,21)

Ysbros

Сброс параметров

 Выходные переменные

U¹c

Сообщение оператору в зависимости от состояния

U¹zapros

Опрос состояния резервуара

Uzо45, Uzо53, Uzо48, Uzо56, Uzо21

Управление открытием задвижек

Uzz45, Uzz53, Uzz48, Uzz56, Uzz21, Uzz1

Управление закрытием задвижек

Is

Срабатывание сигнализации

U¹osnasos

Остановить насос

Step

Внутренняя, аналоговая переменная


Для управления объектом используется управляющая программа. Она обслуживает цикл заполнения резервуаров нефтепродуктами и сопутствующие этому процессу аварийные ситуации, контролирует состояние сигнализаторов уровня на резервуаре аварийного сброса.

В данном дипломном проекте предлагается модернизация резервуарного парка путем объединения системы количественного учета фирмы Enraf и системы защиты от перелива, состоящей из сигнализаторов уровня. При одновременном срабатывании одного из трех сигнализаторов уровня и при сигнализации измерителя уровня и превышении скорости заполнения в любой момент включается аварийная сигнализация и открывается задвижка аварийного резервуара. Граф переходов представлен на рисунке 4.1.

Рисунок 4.1 - Граф переходов

4.6 Программа на языке высокого уровня ST

На основе этого графа переходов напишем программу на структурированном языке ST высокого уровня.

step of

: Is:= FALSE;:= FALSE;:= FALSE;:= FALSE;:= FALSE;:= FALSE;:= FALSE;:= FALSE;:= FALSE;:= FALSE;:= FALSE;:= FALSE;:= FALSE;:= FALSE;:= FALSE;Xbenzin THEN step:= 1;END_IF;

: Uc:= TRUE;:= TRUE;X2p THEN step:= 3;END_IF;X3p THEN step:= 6;END_IF;X6p THEN step:= 11;END_IF;X7p THEN step:= 16;END_IF;

: Uc:= FALSE;:= TRUE;:= FALSE;zo45 THEN step:= 4;END_IF;

: Uzo45:= FALSE;Xenraf THEN step:= 5;END_IF;Vmax THEN step:= 21;END_IF;

: Uc:= TRUE ;:= TRUE;X3p THEN step:= 7;END_IF;notX3p THEN step:= 10;END_IF;Xenraf AND Xsig_urov THEN step:= 21; END_IF;

: Uc:= FALSE ;:= TRUE;:= FALSE;zo53 THEN step:= 9;END_IF;

: Uc:= FALSE ;:= TRUE ;:= FALSE;zo53 THEN step:= 8;END_IF;

: Uzz45:= TRUE ;:= FALSE ;zz45 THEN step:= 9;END_IF;

: Uzo53:= FALSE ;:= FALSE ;Xenraf THEN step:= 10;END_IF;Vmax THEN step:= 21;END_IF;

: Uc:= TRUE ;:= TRUE ;X6p THEN step:= 12;END_IF;notX6p THEN step:= 15;END_IF;Xenraf AND Xsig_urov THEN step:= 21; END_IF;

: Uc:= FALSE ;:= FALSE;:= TRUE ;zo48 THEN step:= 14;END_IF;

: Uzapros:= FALSE;:= FALSE ;:= TRUE ;zo48 THEN step:= 13;END_IF;

: Uzo48:= FALSE;:= TRUE ;zz53 THEN step:= 14;END_IF;

: Uzz53:= FALSE ;:= FALSE ;Xenraf THEN step:= 15;END_IF;Vmax THEN step:= 21; END_IF;

: Uzapros:= TRUE ;:= TRUE ;X7p THEN step:= 17;END_IF;notX7p THEN step:= 20;END_IF;Xenraf AND Xsig_urov THEN step:= 21; END_IF;

: Uc:= FALSE ;:= FALSE;:= TRUE ;zo56 THEN step:= 19;END_IF;

: Uzo56:= TRUE ;:= FALSE ;:= FALSE;zo56 THEN step:= 18;END_IF;

: Uzz48:= TRUE ;:= FALSE ;zz48 THEN step:= 19;END_IF;

: Uzo56:= FALSE ;:= FALSE ;Vmax THEN step:= 21; END_IF;Xenraf THEN step:= 20;END_IF;

: Uc:= TRUE ;:= TRUE ;Xenraf AND Xsig_urov THEN step:= 21; END_IF;notX8p THEN step:= 23;END_IF;

: Uc:= TRUE ;:= TRUE ;:= TRUE ;:= FALSE;zo21 THEN step:= 22;END_IF;

: Uzo21:= FALSE ;:= FALSE ;Xenraf THEN step:= 23;END_IF;

: Uzapros:= FALSE ;:= TRUE ;:= TRUE ;:= TRUE ;:= TRUE ;:= TRUE ;:= TRUE ;:= TRUE ;zz1 AND zz21 AND zz45 AND zz48 AND zz53 AND zz56 THEN step:= 24;END_IF;

: Uosnasos:= FALSE ;:= FALSE ;:= FALSE ;:= FALSE ;:= FALSE ;:= FALSE ;:= FALSE ;Ysbros THEN step:= 0;END_IF;

END_CASE;

4.7 Проверка работоспособности программы

Для проверки работоспособности программы посмотрим окно эмулятора контроллера. Возьмём для примера несколько состояний графа - перехода. При поступлении сигнала бензин (в первом состоянии) отправляется сообщение и начинают запрашиваться резервуары. Это состояние представлено на рисунке 4.2.

Рисунок 4.2 - Первое состояние графа переходов

Далее при поступлении сигнала "второй резервуар пустой" открывается его задвижка и начинается закачка (рисунок 4.3).

Рисунок 4.3 - Третье состояние

Если скорость заполнения резервуара превысила максимальное значение, то включается визуальная и звуковая сигнализация и происходит открытие задвижки №21 8-го резервуара, предназначенного для аварийного сброса нефтепродуктов. Одновременно появляется оперативное сообщение о срабатывании защиты в операторной. Данное состояние представлено на рисунке 4.4.

Рисунок 4.4 - Двадцать первое состояние графа

Если эти показатели в норме, то заполнение происходит до верхнего нормативного уровня. При достижении этого уровня поступает сигнал оператору, и запрашиваются объемы резервуаров. При наличии сигнала "третий резервуар пустой" открывается корневая задвижка третьего резервуара. Затем только при полном открытии этой задвижки начинает закрываться приемная задвижка второго резервуара, и цикл повторяется.

Рисунок 4.5 - Седьмое и восьмое состояния графа

Если поступил сигнал о том, что третий резервуар не пустой, то открывается задвижка шестого резервуара, в случае его незаполненности и цикл повторяется. В том случае, когда поступает сигнал о достижении аварийного уровня от измерителя уровня и от сигнализатора уровня, то открывается задвижка №21 восьмого резервуара для аварийного сброса, и закрываются коренные задвижки резервуаров. Это состояние представлено на рисунке 4.6.

Рисунок 4.6 - Двадцать первое состояние графа

При достижении максимально аварийного уровня нефтепродуктов в резервуаре аварийного сброса поступает сигнал на аварийную остановку насосов ППС, закрытие задвижек всех резервуаров и отключение станции от МНПП. Состояние представлено на рисунке 4.7

Рисунок 4.7 - Двадцать третье состояние графа

Применение контроллера обеспечивает:

высокую надёжность;

простое тиражирование и обслуживание устройств управления;

ускоряет монтаж и наладку оборудования;

обеспечивает быстрое обновление алгоритмов управления (в том числе и на работающем оборудовании).

5. Охрана труда и техника безопасности

В данном дипломном проекте, как отмечалось ранее, рассматриваются средства автоматизации резервуарного парка промежуточной перекачивающей станции "Андреевка". Резервуарный парк относится к опасным производственным объектам.

С целью обеспечения безопасности производства при монтаже и эксплуатации средств автоматизации, описанных в технической части дипломного проекта, в данном разделе необходимо дать характеристику производственной среды, в которой производится автоматизация, сделать анализ производственных опасностей и вредностей.

Опасность резервуарного парка резко возрастает при аварийных утечках без признаков разрушения и повреждения, при частичном повреждении резервуара. Безопасность производства и экологическая безопасность на данном объекте должны соблюдаться при всех видах работ, связанных с монтажом, обслуживанием и наладкой средств автоматизации. Несоблюдение требований безопасности производства на данном объекте может привести к производственным травмам, отравлениям, а экологической безопасности - к загрязнению окружающей среды. При соблюдении техники безопасности во время всех видов работ исключается возможность возникновения аварийных ситуаций, взрывов, пожаров и получения производственных травм.

.1 Характеристика производственной среды и анализ потенциальных опасностей на производстве

При автоматизации резервуарного парка наибольшую опасность представляют возможность взрыва, пожара и отравления, так как резервуары нефти и нефтепродуктов - это концентрация в одном месте больших количеств горючих и взрывоопасных веществ.

Пожароопасность и взрывоопасность на резервуарных парках в значительней степени определяется физико-химическими свойствами перекачиваемых нефтепродуктов. Некоторые из этих показателей приведены в таблице 5.1. Классификация помещений по взрывоопасности приведена в таблице 5.2.

Таблица 5.1- Пожароопасные свойства бензинов и дизельных топлив

Марка нефтепродукта

Температура, °С

Температурные пределы распростране-ния пламени. °С

Концентрационные пределы распространения пламени, % об.

ПДК мг/м3

Класс опасности

 

вспышки

самовоспламенения

ниж-ний

верх- ний

нижний

верхний

 

 

Бензины

 -27

 200

 -27

 -7

 0,76

 5,16

 100

 4

Дизельное топливо

 48

 225

 43

 92

 1,16


 300

 4


Таблица 5.2 - Классификация помещений по взрывоопасности

Наименование производственных зданий, помещений, наружных установок

Категория взрывопожароопасной и пожарной опасности зданий и помещений (Н11Ь 105-03)

Классификация зон внутри и вне помещений

 

 

Класс взрывопожароопасной или пожарной зон (ПЭУ)

Категория и группа взрывопожароопасных смесей (ГОСТ 12.1.011-078) Р51330.5-99, Р51330.11-99

Зал насосной ППС

 А

В-1а

 IIА-Т3

Операторная

 Д

 ─

 ─


При монтаже, наладке эксплуатации и ремонте систем автоматизации, установленных на резервуарах, дренажных ёмкостях, а также вторичных приборов в операторной, лаборатории и на территории резервуарного парка производственные опасности и вредности могут быть обусловлены следующими факторами:

- наличие в воздухе вредных для организма человека паров нефтепродуктов, газов, а также опасность образования взрывоопасных концентраций (см. таблицу 5.1);

· поражение электрическим током, в связи с тем, что питание вторичных приборов осуществляется напряжением 220 вольт;

· воздействие атмосферного электричества (удар молнии) в летний период на резервуарный парк и проявление статического электричества;

- опасности, связанные с наличием давления в резервуарах возникают при нарушении "Правил устройства и безопасной эксплуатации сосудов, работающих под давлением" ПБ 03-576-03);

- производственные травмы, причиной которых может быть недостаточное освещение рабочего места. Освещение, не соответствующее условиям работы, вызывает повышенную утомляемость, замедленную реакцию, приводит к ухудшению зрения и может явиться существенной причиной травматизма;

- во время монтажа, ремонта средств автоматизации на резервуарах и дренажных емкостях датчиков может возникнуть опасность падения с высоты, а также возможность получения механических травм у персонала, обслуживающего средства автоматики;

- отравление персонала парами нефти из-за неисправности дыхательного клапана резервуара, при монтаже или осмотре средств автоматизации, установленных на резервуаре или близ него;

- переохлаждение организма в зимнее время года и тепловой удар летом в связи с проведением ремонтных работ на открытом воздухе;

- пожар в результате применения открытого огня.

Помещение операторной, где установлены вторичные приборы согласно НПБ 105-2003, относится к категории Д (см. таблицу 5.2).

5.2 Мероприятия по обеспечению безопасных и безвредных условий труда

В данном разделе приведены правила и требования, которые необходимо соблюдать, чтобы избежать воздействия вредных и опасных производственных факторов.

Мероприятия по технике безопасности при эксплуатации объектов ППС "Андреевка".

Во избежание несчастных случаев при обслуживании объектов ППС, направляемый на работу, персонал должен иметь соответствующую подготовку, пройти производственный инструктаж, ознакомиться с правилами внутреннего распорядка, общими правилами техники безопасности и с безопасными методами работы при обслуживании объектов ППС, а также с методами оказания первой помощи. По окончании инструктажа направляемые на работу сдают экзамен по технике безопасности в соответствии с ПБ 08-624-03, ПУЭ, ПТБ, ПТЭ и получают удостоверение с присвоенной квалификационной группы. Инструктажи допуска персонала к самостоятельной работе соответствуют требованиям ГОСТ 12.0.004-90 (1999) "ССБТ. Организация обучения безопасности труда. Общие положения".

Безопасные и безвредные условия труда, при проведении работ, связанных с обслуживанием АСУ ТП, достигаются следующим:

- заземление оборудования, емкостей, коммуникаций, в которых возникают заряды статического электричества (R3 ≤100,0 Ом). Необходимая защита от поражения электрическим током обеспечивается защитным заземлением корпусов всех приборов и оборудования. Электрическая изоляция между отдельными электрическими цепями и корпусом должна выдерживать в течение минуты действие испытательного повышенного напряжения 1000 В промышленной частоты. Электрическая изоляция между отдельными электрическими цепями, и между этими цепями и корпусом должна быть не менее 0,5 МОм;

- по способу защиты человека от поражения электрическим током изделия АСУ ТП соответствуют классам 1 и 2 (для изделий, предназначенных для соединения с источником напряжения U = 220 В) и классу 3 (для изделий, предназначенных для соединения с источником напряжения 24 В) по ГОСТ 12.2.007.0-75* (2001) "ССБТ. Изделия электротехнические. Общие требования безопасности";

- электрическое сопротивление между элементами защитного заземления и корпусом коммутационного панельного каркаса не более 0,1 Ом. Корпуса устройств заземляются в соответствии с 12.2.007.0-75* (2001), сопротивление контура заземления не более 4 Ом. Измерение сопротивления заземляющего устройства производится не реже одного раза в год;

- все токоведущие части, находящиеся под напряжением, превышающим U = 42В по отношению к корпусу, имеют защиту от случайных прикосновений во время работы;

· подключение внешних цепей, разъемов, проведение ремонтных работ должны осуществляться только при отключенных напряжениях питания;

· подключение источников сетевого питания должно осуществляться через автоматические выключатели;

· защита технологических трубопроводов от атмосферного электричества и вторичных проявлений молний в соответствии с "Инструкцией по устройству молниезащиты зданий и сооружений и промышленных коммуникаций" (СО 153-34.21.122-03);

- автоматическая аварийная защита технологического оборудования, позволяющая исключить возможность работы его в аварийных условиях;

- оснащенность наглядными плакатами, четкими надписями, табличками, запорная арматура пронумерована;

- насосы снабжены предохранительными клапанами, которые не допускают повышения давления выше регламентируемого;

·  конструкцией приборов: все части устройств, находящихся под напряжением размещены в корпусах, обеспечивающих защиту обслуживающего персонала от прикосновения к деталям, находящимся под напряжением;

·  надежным креплением оборудования при монтаже на объекте автоматизации;

·  подключение разъемов, замена плавких вставок, предохранителей производится только при отключенных напряжениях питания устройств. Подключение напряжения питания осуществляется через автоматы защиты.

Таким образом, на ППС осуществляется комплекс организационных и технических мероприятий, обеспечивающих надёжность, эффективность, безопасность работы объектов с необходимой степенью защиты персонала и окружающей среды.

Мероприятия по промышленной санитарии.

К ним относятся требования к спецодежде, требования к освещению, микроклимату, требования к организации и оборудованию рабочего места, которые нормируются ГОСТ 12.4.103-83(2002) "ССБТ. Одежда специальная защитная, средства индивидуальной защиты ног и рук. Классификация".

Требования к спецодежде:

- спецодежда и спецобувь выдаются операторам, технологам, слесарям КИП и А, слесарям-ремонтникам, слесарям-монтажникам в пределах установленных норм;

- во время работы рабочие обязаны пользоваться выданной им спецодеждой и спецобувью.

Так же стоит заметить, что персонал объекта должен быть оснащен противогазами.

Противогазы применяют при объемной доле свободного кислорода в воздухе не менее 18% и суммарной объемной доле паро- и газообразных вредных примесей не более 0,5%. Средством индивидуальной защиты служит противогаз с коробкой марки ДОТ 600 А2ВЗЕЗРЗ. Индивидуальные фильтрующие противогазы должны храниться в специальных шкафах каждый в отдельной ячейке с надписью фамилии рабочего. Передача противогаза другому лицу запрещается. Ремонтные рабочие (при выполнении работ по ремонту и очистке различных емкостей, а также при ремонтных работах в колодцах, подвальных помещениях и пр.) обязаны иметь шланговые противогазы типа ПШ-1М по ТУ 2568-194-05808014-99.

Шланговые противогазы предназначены для защиты органов дыхания и глаз человека при работе в атмосфере с объемной долей вредных веществ более 0,5 % об. и объемной долей кислорода в воздухе менее 18 % об.

Противогазы ПШ-1М хранятся вместе с инструментом, предназначенным для устранения аварии в опломбированном ящике в операторной.

На рабочих местах ППС предусмотрено рабочее и аварийное освещение. Напряжение сети рабочего и аварийного освещения составляет 220 В. Для аварийного и рабочего освещения предусмотрены светильники ВЗГ-200 (взрывозащищенное исполнение) ГОСТ 12.2.007.13-2000(2001) "ССБТ. Лампы электрические. Требования безопасности" с освещенностью равной 50 лк, в соответствии со СНИП 23-05-95*(2003) "Естественное и искусственное освещение".

5.3 Мероприятия по пожарной безопасности

Мероприятия по пожарной безопасности при автоматизации ППС разработаны в соответствии с нормативным документом ППБ-01-03 "Правила пожарной безопасности в РФ" и в соответствии с ГОСТ 12.1.004-91 (1999 года) "ССБТ. Пожарная безопасность. Общие требования".

Датчики, входящие в систему измерения параметров, имеют взрывозащищенное исполнение, соответствуют требованиям ГОСТ Р 51330.1-99 и ГОСТ Р 51330.10-99. Перед началом работы ёмкостей, насосов система автоматизации должна быть в исправном состоянии, а в случае необходимости отремонтирована. При неисправности системы автоматизации эксплуатация объектов запрещается. Основные мероприятия по пожарной безопасности:

·  территория нефтеперекачивающей станции должна содержаться в чистоте и порядке. Не допускается замазученность территории: загрязнение горючим мусором и хламом, загромождение дорог, проездов к зданиям, сооружениям и средствам пожаротушения, а также противопожарных разрывов;

·  при производстве работ в газовой среде воспрещается применение ударных инструментов, изготовленных из стали: ударные инструменты должны быть изготовлены из цветного металла (меди, латуни, бронзы). Режущие инструменты должны обильно смазываться маслом, тавотом или мыльным раствором;

·  на объектах должен быть организован контроль воздушной среды газоанализаторами, предназначенными для контроля многокомпонентных смесей;

·  отогрев замерших нефтепроводов допускается только паром или горячей водой или горячим песком при закрытой запорной арматуре;

·  категорически запрещается применение для освещения насосных, резервуаров и других производственных сооружений факелов, спичек, свечей, керосиновых фонарей и других источников открытого огня;

·  необходимо постоянно следить за исправностью силовой и осветительной электропроводки. Различные неисправности электросетей, которые могут вызвать пожар, должны быть устранены;

·обслуживающий персонал обязан знать устройство и инструкции по применению первичных средств пожаротушения;

·для тушения электропроводки и электрооборудования разрешается использовать только углекислотные огнетушители ОПУ-5;

- предусматривается молниезащита взрывоопасных зданий и сооружений согласно "Инструкции по устройству молниезащиты зданий и сооружений" СО 153-34.21.122-03. Молниезащита перекачивающей станции предназначена для безопасности людей, сохранности зданий, сооружений от удара молнии. В комплекс грозозащитных устройств входят молниеприемники, токоотводы и заземление.

Пожарную защиту объектов ППС обеспечивает автоматическая система пенотушения, которая включает в себя средства обнаружения пожара, системы сигнализации, управления, пожаротушения. Срабатывание системы пенотушения происходит: автоматически, дистанционно или вручную.

При возникновении пожара сигнал от пожарных датчиков, приводит в действие систему пожаротушения согласно ГОСТ 12.3.046-91(2001) "ССБТ. Установки пожаротушения автоматические. Общие технические требования".

Охлаждение технологических установок осуществляется из стационарных комбинированных лафетных стволов и от пожарных гидрантов, установленных на сети противопожарного водопровода с использованием передвижной пожарной техники.

.4 Расчет вентиляции в насосном зале ППС

Исходные данные для расчета вентиляции являются:

1- рабочее давление, Р = 0,6 МПа;

2- температура перекачиваемой нефти, Т= 296 К;

3- объем помещения, Vn = 15-10-5 = 750 м3;

4- суммарный объем аппаратуры, Va = 15 м3;

5- объем воздухообмена, V = Vn - Va = 750-15 = 735 м3.

Количество газа, выделяющееся через неплотности оборудования и

трубопроводов, определяется по формуле:

, (5.1)

где К - коэффициент, учитывающий износ оборудования, К = 1,2;- коэффициент зависящий от рабочего давления и степени негерметичности, I = 0,25;

М - молекулярная масса газа, М = 16.

Подставляя в формулу (5.1) находим:


Требуемый воздухообмен в производственном помещении, исходя из расчета разбавления выделяющихся вредных газов до предельно допустимой концентрации, находится по формуле:

, (5.2)

где n - коэффициент, учитывающий долю производственных вредностей, которые поступают в рабочую зону и определяются опытным путем, n =1;

g - предельно-допустимая концентрация, g = 300 мг/м3;

k - коэффициент, учитывающий загрязнение поступающего в помещение воздуха, k = 0,002.

Подставляя в формулу (5.2), находим расход воздуха:

Определяем кратность воздухообмена, то есть сменяемость воздуха (число полных смен) в объеме помещения за час по формуле (5.3):

 (5.3)

.

По необходимому воздухообмену и кратности воздухообмена

подбираем вентилятор, который удовлетворяет рассчитанным данным:

L = 3507 м3/час k =4,77.

6. Оценка экономической эффективности

.1 Сущность и методика расчета показателей экономической эффективности инвестиционного проекта

Инвестиции - средства (денежные средства, ценные бумаги, иное имущество, в том числе и имущественные права, имеющие денежную оценку), вкладываемые в объекты предпринимательской и (или) иной деятельности с целью получения прибыли и (или) достижения иного полезного эффекта.

Капитальные вложения - инвестиции в основной капитал (основные средства), в том числе затраты на новое строительство, расширение, реконструкцию и техническое перевооружение действующих предприятий, приобретение машин, оборудования, инструмента, инвентаря, проектно-изыскательные работы и другие затраты.

Анализ эффективности инвестиционного проекта основывается на моделировании денежных потоков, складывающихся в течение всего срока жизни проекта.

Проект - комплекс действий (работ, услуг, приобретений, управленческих операций и решений), направленных на достижение сформулированной цели.

Инвестиционный проект - обоснование экономической целесообразности, объема и сроков осуществления капитальных вложений, в том числе необходимая проектно-сметная документация. Эффективность инвестиционного проекта характеризуется системой показателей, отражающих соотношение затрат и результатов применительно к интересам его участников.

Необходимо различать понятия: экономическая эффективность и экономический эффект. Под экономическим эффектом в общем случае понимается величина экономии затрат в рублях в результате осуществления какого-либо мероприятия или их совокупности. В традиционных технико-экономических расчетах чаще всего используется величина годового экономического эффекта, т.е. экономии средств за год. Под экономической эффективностью понимается относительная величина, получаемая в результате сопоставления экономического эффекта с затратами, вызвавшими этот эффект. Причем это может быть простое отношение эффекта к соответствующим затратам и более сложные отношения [8].

Денежный поток (поток реальных денег) складывается из всех притоков и оттоков денежных средств в некоторый момент времени (или на некотором шаге расчета).

Приток денежных средств равен величине денежных поступлений (результатов в стоимостном выражении) на соответствующем шаге. Отток равен платежам (затратам) на этом шаге.

Срок жизни проекта (расчетный период) должен охватывать весь жизненный цикл разработки и реализации проекта вплоть до его прекращения. Срок жизни проекта включает в себя следующие основные стадии (этапы): инвестиционную, эксплуатационную, ликвидационную.

Для оценки эффективности инвестиционных проектов применяется метод дисконтированной оценки, который базируется на учете временного фактора. Данный метод учитывает временной фактор с позиции стоимости денег в будущем. Данный метод учитывает временной фактор с позиции стоимости денег в будущем. В соответствии с методическими рекомендациями оценка эффективности инвестиционных проектов предусматривает расчет следующих показателей:

- чистый дисконтированный доход (ЧДД);

индекс доходности инвестиций (ИД);

внутренняя норма доходности (ВНД);

срок окупаемости инвестиций (СО).

Расчетный период разбивается на шаги, в пределах которых производится агрегирование данных, используемых для оценки финансовых показателей. Шаги расчета определяются их номерами (0, 1, …). Время в расчетном периоде измеряется в годах или долях года и отсчитывается от фиксированного момента, принимаемого за базовый (обычно в качестве базового принимается момент начала или конца нулевого шага).

Норма дисконта (приведения) отражает возможную стоимость капитала, соответствующую возможной прибыли инвестора, которую он мог бы получить на ту же сумму капитала, вкладывая его в другом месте, при допущении, что финансовые риски одинаковы для обоих вариантов инвестирования. Другими словами, норма дисконта должна являться минимальной нормой прибыли, ниже которой предприниматель счел бы инвестиции невыгодными для себя.

Для инвестиционного проекта в качестве нормы дисконта иногда используется ставка процента по долгосрочным ссудам на рынке капитала или ставка процента, которая уплачивается получателем ссуды.

Если рассчитанный ЧДД положителен, то прибыльность инвестиций выше нормы дисконта и проект следует принять. Если ЧДД равен нулю, то прибыльность равна норме дисконта. Если ЧДД меньше нуля, то прибыльность инвестиций ниже нормы дисконта и от этого проекта следует отказаться. При сравнении альтернативных проектов предпочтение должно отдаваться проекту с большим значением ЧДД [10].

Показатели эффективности следующие.

Важнейшим показателем эффективности инвестиционного проекта является чистый денежный доход (другие названия ЧДД - интегральный экономический эффект, чистая текущая приведенная стоимость, чистая текущая стоимость) - накопленный дисконтированный эффект за расчетный период. ЧДД рассчитывается по следующей формуле:

ЧДД=, (6.1)

где - чистая прибыль, полученная в t-ом году от реализации инвестиционного проекта;

 - амортизационные отчисления в t-ом году;

 - инвестиции, необходимые для реализации проекта в t-ом году;

Е - норма дисконта (является экзогенно задаваемым основным экономическим нормативом) - это коэффициент доходности инвестиций;

 - коэффициент дисконтирования в t-ом году, позволяет привести величины затрат и прибыли на момент сравнения (t).

Если ЧДД > 0, проект следует принимать;

ЧДД = 0, проект ни прибыльный, ни убыточный;

ЧДД < 0, проект убыточный и его следует отвергнуть.

Метод чистого дисконтированного дохода не дает ответа на все вопросы, связанные с экономической эффективностью капиталовложений. Этот метод дает ответ лишь на вопрос, способствует ли анализируемый вариант инвестирования росту ценности фирмы или богатства инвестора вообще, но никак не говорит об относительной мере такого роста. А эта мера всегда имеет большое значение для любого инвестора. Для восполнения такого пробела используется иной показатель - метод расчета рентабельности инвестиций.

Индекс доходности дисконтированных инвестиций (другие названия - ИД, рентабельность инвестиций) - отношение суммы дисконтированных элементов денежного потока от операционной деятельности к абсолютной величине дисконтированной суммы элементов денежного потока от инвестиционной деятельности. ИД равен увеличенному на единицу отношению ЧДД (NPV) к накопленному дисконтированному объему инвестиций.

Формула для определения ИД имеет следующий вид:


Если ИД > 1 - проект эффективен, если ИД < 1 - проект неэффективен.

В отличие от ЧДД индекс доходности является относительным показателем, что позволяет осуществлять выбор одного проекта из ряда альтернативных, имеющих приблизительно одинаковое значение ЧДД.

Внутренняя норма доходности (другие названия - ВНД, внутренняя норма дисконта, внутренняя норма прибыли, внутренний коэффициент эффективности).

Внутренней нормой доходности называется такое положительное число Ев, что при норме дисконта Е=Ев ЧДД проекта обращается в 0, при всех больших значениях Е - отрицательна, при всех меньших значениях Е - положительна. Если не выполнено хотя бы одно из этих условий, считается, что ВНД не существует.

ВНД определяется из равенства:

 , (6.3)

Величина ВНД, найденная из этого равенства, сравнивается с заданной инвестором величиной дохода на капитал . Если  - проект эффективен. Смысл расчета этого коэффициента при анализе эффективности планируемых инвестиций заключается в следующем: ВНД показывает максимально допустимый относительный уровень расходов при реализации проекта. Например, если проект полностью финансируется за счет ссуды коммерческого банка, то значение ВНД показывает верхнюю границу допустимого уровня банковской процентной ставки, превышение которой делает проект убыточным.

На практике любое предприятие финансирует свою деятельность, в том числе и инвестиционную, из различных источников.

За пользование авансированными финансовыми ресурсами предприятия уплачивают проценты, дивиденды, вознаграждения и т. п., то есть несут определенные обоснованные расходы на поддержание своего экономического потенциала. Показатель, характеризующий относительный уровень этих расходов, называют "ценой" авансированного капитала (СС). Этот показатель характеризует минимум возврата на вложенный в деятельность предприятия капитал, его рентабельность.

Для инвестиций справедливо утверждение о том, что чем выше норма дисконта Е, тем меньше величина интегрального эффекта, что как раз и иллюстрирует рисунок 6.1.

Рисунок 6.1 - Зависимость величины ЧДД от уровня нормы дисконта

Как видно из рисунка 6.1, ВНД - это та величина нормы дисконта Е, при которой кривая изменения ЧДД пересекает горизонтальную ось, т.е. ЧДД оказывается равным нулю.

Экономический смысл этого показателя заключается в следующем:

если ВНД > СС, то проект следует принять;

если ВНД < СС, то проект следует отклонить;

если ВНД = СС, то проект ни прибыльный, ни убыточный.

Точный расчет ВНД возможен только на компьютере или калькуляторе с встроенной функцией для расчета.

Если при решении равенства (6.3) функция ВНД имеет несколько корней, то данный критерий неприменим.

Сроком окупаемости инвестиций с учетом дисконтирования называется продолжительность периода от начального момента до момента окупаемости с учетом дисконтирования.

Начальный момент указывается в задании на проектирование (обычно это начало операционной деятельности). Момент окупаемости - это тот наиболее ранний момент, когда поступления от производственной деятельности предприятия начинают покрывать затраты на инвестиции.

Алгоритм расчета срока окупаемости зависит от равномерности распределения прогнозируемых доходов от инвестиций. Если доход распределен по годам равномерно, то срок окупаемости рассчитывается делением единовременных затрат на величину годового дохода, обусловленного ими.

Если доход по годам распределен неравномерно, то срок окупаемости рассчитывается прямым подсчетом числа лет, в течение которых инвестиции будут погашены кумулятивным доходом.

Используя показатель срока окупаемости (Ток) при анализе, следует обратить внимание на ряд его недостатков:

- не учитывает влияния доходов последних периодов;

не обладает свойством аддитивности;

не делает различия между проектами с одинаковой суммой кумулятивных доходов, но различным распределением их по годам, если при расчете срока окупаемости использовать не дисконтированные величины.

Помимо рассмотренных выше показателей эффективности инвестиционных проектов в Методических рекомендациях по экономическому обоснованию дипломных проектов предусмотрено применение нижеследующих показателей:

чистый доход;

потребность в дополнительном финансировании;

индексы доходности затрат и инвестиций.

Чистым доходом называется накопленный эффект за расчетный период (сальдо денежного потока).

Потребность в дополнительном финансировании (ПФ) - максимальное значение абсолютной величины отрицательного накопительного сальдо от инвестиционной и операционной деятельности. Величина ПФ показывает минимальный объем внешнего финансирования проекта, необходимый для обеспечения его финансовой реализуемости. Поэтому ПФ называют еще капиталом риска.

Индекс доходности затрат - отношение суммы денежных притоков (накопительных поступлений) к сумме денежных оттоков (накопленным платежам).

Индекс доходности инвестиций - отношение суммы элементов денежного потока от операционной деятельности к абсолютной величине суммы элементов денежного потока от инвестиционной деятельности [9].

6.2 Обоснование коммерческой эффективности проекта

Характеристика объекта внедрения.

Темой дипломного проекта является автоматизация резервуарного парка промежуточной перекачивающей станции "Андреевка" и рассматривается объединение системы резервуарного учета Enraf и системы защиты от перелива резервуара в связи с устареванием оборудования. Актуальность создания автоматизации систем управления также возросла в связи с низким уровнем автоматики, наличия морально устаревших релейных схем, низкой надежности и сложности обслуживания. Это требует замены существующих систем на микропроцессорную систему автоматики в виде контроллера. В данной главе будет оцениваться экономическая эффективность при применении такого проекта.

Выгоды от внедрения проекта оцениваются исходя из увеличения надежности срабатывания защиты ППС, сокращения количества аварийных остановок насосов и сокращение времени простоя ППС из-за неисправности системы автоматики, повышается оперативность управления и точность измерения показателей качества нефтепродуктов, увеличение межремонтных сроков насосов, электродвигателей, коммутационного оборудования.

Рассматриваемое научно-техническое мероприятие позволяет избежать

-  сокращения объёма потерь перекачиваемых нефтепродуктов, вызываемых остановками ППС в результате отказов системы автоматики;

- получение достоверной информации с технологических объектов для решения задач оперативного контроля и управления процессами заполнения, опорожнения резервуаров;

-повышение уровня автоматизации, точности и оперативности измерения параметров технологических процессов;

Внедрение более совершенных средств измерения позволит повысить уровень автоматизации и отказаться от релейной системы автоматики.

Необходимость модернизации старой системы вызвана малой гибкостью системы и ненадежностью автоматизации.

Цель расчета - определить экономический эффект от внедрения контроллера.

6.3 Расчет капиталовложений

Объём капиталовложений рассчитывается по формуле:

КВ = Зобтр м пнр , (6.4)

где КВ - объём капиталовложений, руб;

Зоб - затраты на оборудование, руб;

Зтр - затраты на транспортировку оборудования, руб.

Зм - затраты на монтаж, руб;

Зпнр - затраты на пуско-наладочные работы (ПНР), руб;

Капитальные вложения должны учитывать транспортные и монтажные расходы, которые определяются в процентах от стоимости приборов и средств автоматизации.

Капитальные вложения в проект составляют КВ = 10 000 тыс. руб. Данный укрупненный показатель стоимости включает в себя приобретение оборудования, пуско-наладочные работы, строительно-монтажные работы, установку, подключение АСУТП.

6.4 Расчет экономической эффективности проекта

Годовые эксплуатационные затраты, связанные с обслуживанием и эксплуатацией приборов, средств или систем автоматизации, рассчитываются по следующей формуле:

, (6.5)

где Звспом- затраты на вспомогательные материалы;

Зрем- затраты на ремонт;

Зобор- затраты на обслуживание оборудования, т.е. на заработную плату работника (работников), занимающегося обслуживанием;

Зам- амортизационные отчисления по приборам, средствам автоматизации, внедряемому оборудованию;

Зпр- прочие затраты.

Затраты на вспомогательные материалы составляют 20% от стоимости капитальных вложений:

Звспом = 0,2*КВ.  (6.6)

Затраты на ремонт оборудования составляют 25 % от капитальных вложений:

Зрем = 0,25* КВ. (6.7)

Затраты на содержание и эксплуатацию оборудования составляют 40% от капитальных вложений:

Зобор = 0,4* КВ.  (6.8)

Затраты на амортизацию составляют 10% от капитальных вложений, т.к эксплуатационный срок оборудования 10 лет:

Зам = На*KB, (6.9)

где На - норма амортизации.

Затраты от потерь электроэнергии рассчитывается по формуле:

Зпот = 3*Рф *τ*Сэ, (6.10)

где Рф - потери на фазу программируемого контроллера (PLC) <#"800804.files/image046.gif"> ,  (6.12)

где Д- годовой доход, руб;

Рг- номинальное количество перекачиваемых нефтепродуктов, 85714 т/сут.;

Эг- ожидаемое увеличение количества перекачиваемых нефтепродуктов, 1 %;

Цг- средняя цена одной тонны нефтепродуктов, перекачиваемых данной станцией, ориентировочно на 110 км, 81,7 руб.

Подставим значения в формулу 12, получим:

тыс. руб/год

При расчете экономической эффективности инвестиционного проекта расчетный период Т складывается из времени внедрения объекта в производство, которое принимается равным одному году, и времени эксплуатации объекта, которое составляет 10 лет.

Исходные данные для расчета экономического эффекта приведены в таблице 6.2. Результаты расчета налога на имущества заносим в таблицу 6.3.

Таблица 6.2 - Исходные данные для расчета экономического эффекта, тыс. рублей

Наименование параметра

Величина

Капитальные вложения, руб.

10 000

Эксплуатационные издержки, руб.

11 900,5

Амортизация, руб.

1 000

Экономия затрат, руб.

 25560

Ставка дисконта, %

20

Величина расчетного периода, лет

10


Таблица 6.3 - Расчет налога на имущество, тыс. рублей

Показатель

Год

 


1

2

3

4

5

6

7

8

9

10

Стоимость основных фондов на начало года, тыс. руб.

10000

9000

8000

7000

6000

5000

4000

3000

2000

1000

Амортизационные отчисления, тыс. руб

1000

1000

1000

1000

1000

1000

1000

1000

1000

1000

Стоимость основных фондов на конец года, тыс. руб.

9000

8000

7000

6000

5000

4000

3000

2000

1000

0

Среднегодовая стоимость основных фондов, тыс. руб.

9500

8500

7500

6500

5500

4500

3500

2500

1500

500

Налог на имущество, тыс. руб.

190

170

150

130

110

90

70

50

30

10


Проводим расчеты экономической эффективности проекта для всех расчетных годов по приведённым формулам, а результаты вычислений заносим в таблицу 6.4. Коэффициенты дисконтирования рассчитываем исходя из стоимости капитала для предприятия равной 20%. По результатам расчета экономической эффективности построим финансовый профиль инвестиционного проекта для определения срока окупаемости (рисунок 6.2). Изменение денежных потоков наличности изображено на рисунке 6.3.

Рисунок 6.2 - Определение срока окупаемости

Рисунок 6.3 - Изменение денежных потоков наличности

Как видно (рисунок 6.2), срок окупаемости проекта составляет около 0,8 лет. Внутреннюю норму доходности определим по графику на рисунке 6.4, построенному на основании данных из таблицы 6.5.

Таблица 6.5 - ЧДД нарастающим итогом на 10 год в зависимости от нормы дисконта

Норма дисконта

Чистые дисконтированные денежные поступления нарастающим итогом на 10 год

0,10

68868,27

0,20

43768,55

0,40

20918,11

0,80

5949,44

1,30

-165,37


Рисунок 6.4 - Определение внутренней нормы доходности

Как видно из рисунка 6.4 внутренняя норма доходности данного проекта равно примерно 125%. Обобщающие экономические показатели эффективности проекта приведем в таблице 6.6.

Таблица 6.6 - Эффективность проекта

Показатель

Значение

1 Инвестиции, тыс. руб.

10000

2 Расчетный период, лет

10

3 Годовые выгоды, тыс. руб.

25560,3

4 Ставка дисконтирования, %

10

5 Чистый дисконтированный доход, тыс. руб.

68868,27

6 Индекс доходности, дол. ед.

7,89


Как видно из таблицы 6.6 данный проект замены программного обеспечения задач автоматизации резервуарного парка целесообразен, так как дисконтированный денежный поток по проекту положительный, внутренняя норма доходности выше цены капитала, а индекс рентабельности больше 1.

Заключение

В настоящее время транспортировка и хранение нефти и нефтепродуктов невозможны без применения различных средств автоматизации и телемеханизации. Их использование позволяет более точно вести технологический процесс, делая его более наглядным и безопасным. Результатами такого подхода к ведению технологического процесса являются высокий уровень рентабельности предприятия и значительно меньший ущерб, наносимый экологии.

В данном дипломном проекте проведены исследования системы автоматики резервуарного парка ППС "Андреевка", в ходе которых было установлено наличие морально устаревших релейно-контактных схем. В результате, была предложена модернизация существующей системы автоматики резервуарного парка промежуточной перекачивающей станции ППС "Андреевка" путем объединения системы количественного учета и системы защиты от перелива с заменой устаревшей системы автоматики на микропроцессорную систему на базе контроллеров и создание новой программы управления процессом заполнения резервуара. Новая система призвана обеспечить более надежное и качественное управление технологическим процессом с минимальным участием оператора.

Разработанная функциональная схема автоматизации позволяет наглядно демонстрировать оснащенность резервуарного парка средствами автоматики. Также были выделены входные и выходные величины и составлен граф переходов.

Программа, составленная для логической части алгоритма работы САУ задвижками резервуарного парка на языке программирования высокого уровня (ST), позволяет автоматически управлять заполнением резервуаров и контролировать одновременно многие параметры, такие как уровень жидкости, в данный момент времени, скорость заполнения, температуру продукта и т.д.

Внедрение ПЛК в процессы управления дало возможность контролировать изменение параметров без прерывания технологического процесса и использовать текущие значения параметров (либо их оценки) для формирования управляющих воздействий. Если параметры изменяются во времени достаточно медленно, то такие методы управления могут оказаться весьма эффективными, поскольку не связаны с прерыванием технологического процесса для тестирования управляемого процесса.

Предложенные мероприятия позволяют повысить надежность срабатывания защиты от перелива резервуара. В результате практически исключается риск прерывания технологического процесса, возникновения аварийных остановов, уменьшается вероятность потери сырья, повышается уровень безопасности и снижается риск загрязнения окружающей среды.

Преимущества от внедрения проекта оцениваются исходя из увеличения надежности срабатывания защиты ППС, сокращения количества аварийных остановок насосов и сокращение времени простоя ППС из-за неисправности системы автоматики, повышается оперативность управления и точность измерения показателей качества нефтепродуктов, увеличение межремонтных сроков насосов, электродвигателей, коммутационного оборудования.

Экономическая эффективность проекта была определена по расчетам, проделанным в процессе выполнения работы, а именно чистый дисконтированный доход имеет положительное значение, индекс доходности больше 1, и срок окупаемости составил 0,8 года.

Список использованных источников

1 Прахова М.Ю. Автоматизация производственных процессов в трубопроводном транспорте: Учеб. пособие: В 3 ч. - Уфа: Издательство УГНТУ, 2002. - Ч.3. Автоматизация некоторых объектов транспорта нефти. - 304 с. автоматика резервуарный микропроцессорный контроллер

2 Ковшов В.Д., Прахова М.Ю. Автоматизация технологических процессов, ч.2. - Уфа: УГНТУ, 1996. - 64 с.

3 Система управления резервуарными парками переработки и хранения

нефтепродуктов. Н. Балин, А. Демченко, М. Лавров СТА №2, 2001 г. с. 24-31

Гумеров, А.Г. Правила технической эксплуатации резервуаров магистральных нефтепроводов и нефтебаз./ Векштейн, М.Г. Бронштейн, И.С. - Москва.: ИПТЕР, 2001. - 172 с.

Гумеров, А.Г. Правила технической эксплуатации резервуаров магистральных нефтепроводов и нефтебаз./ Векштейн, М.Г. Бронштейн, И.С. - Москва.: ИПТЕР, 2001. - 172 с.

Учебное пособие ISaGRAF. - Уфа: УГНТУ, 2005. - 49 с.

ПБ 08-624-03. Правила безопасности в нефтяной и газовой промышленности. - Взамен ПБ 08-200-98; Введ. 05.06.2003.- СПб.: Деан, 2003. - 316 с. - (Безопасность труда России).

8 Мелкунов, Я.С. Экономическая оценка эффективности инвестиций и финансирование инвестиционных проектов. - М: ИКЦ "Дис", 1997.-196 с.

9 Методические рекомендации по экономическому обоснованию дипломных проектов./Под редакцией Бирюковой В.В.- Уфа.: УНИ, 2008.-30 с.

Прахова М.Ю. Автоматизация производственных процессов в трубопроводном транспорте: Учеб. пособие: В 3ч. - Уфа: Издательство УГНТУ, 2002. - Ч. 3. Автоматизация некоторых объектов транспорта нефти. - 304 с.

Похожие работы на - Автоматизация резервуарного парка промежуточной перекачивающей станции 'Андреевка'

 

Не нашли материал для своей работы?
Поможем написать уникальную работу
Без плагиата!
Без нейросетей!