Синтез систем электропривода на принципах модального управления

  • Вид работы:
    Курсовая работа (т)
  • Предмет:
    Физика
  • Язык:
    Русский
    ,
    Формат файла:
    MS Word
    217,8 Кб
  • Опубликовано:
    2015-06-05
Вы можете узнать стоимость помощи в написании студенческой работы.
Помощь в написании работы, которую точно примут!

Синтез систем электропривода на принципах модального управления

Министерство образования и науки Российской Федерации

Государственное бюджетное образовательное учреждение высшего профессионального образования

"Комсомольский-на-Амуре государственный технический университет"

Факультет электротехнический

Кафедра ЭПАПУ

Расчетно-графическое задание

по дисциплине "Современные принципы построения электроприводов"

Вариант-2.21

Синтез систем ЭП на принципах модального управления


Студент группы 9ЭП

А.А. Калинин

Преподаватель

А.И. Горькавый




Содержание

Задание

Исходные данные

1. Детализированная структурная схема объекта управления

. Векторно-матричное описание ЭП

. Передаточные функции и коэффициенты передач исходной системы

. Расчет модального регулятора при настройке системы на стандартную форму Баттерворта

. Передаточные функции и коэффициенты передач системы "объект - регулятор"

. Расчет модального ПИ - регулятора

. Расчет наблюдающего устройства полного порядка системы "объект - наблюдатель - регулятор"

. Расчет коэффициента передачи прямой связи по возмущающему воздействию, исключающего влияние возмущения на выходную координату в установившемся режиме

Задание

.     По заданной структурной схеме составить детализированную структурную схему объекта управления.

2.      Определить векторно-матричное описание: записать уравнение состояния, вектор состояния, матрицу объекта, матрицу входа, матрицу выхода, сигналы входа и возмущения.

.        Определить передаточные функции объекта по задающему и возмущающему воздействиям, определить коэффициенты передач по задающему и возмущающему воздействиям.

.        Определить матрицу коэффициентов модального регулятора исходя из настройки на стандартную форму Баттерворта. Составить структурную схему системы объект-регулятор.

.        Определить передаточные функции и коэффициенты передач системы объект-регулятор по задающему и возмущающему воздействиям.

.        Расчитать ПИ-регулятор при сохранении заданной стандартной настройки. Привести структурную схему.

.        Расчитать наблюдающее устройство полного порядка. Модальный регулятор при этом настраивать на стандартную форму. Привести структурную схему системы объект-наблюдатель-регулятор.

.        Определить коэффициент передачи прямой связи по возмущающему воздействию, исключающей влияние влияние возмущения на входную координату в установившемся режиме. Привести структурную схему.

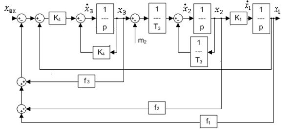
1. Детализированная структурная схема объекта управления

Исходные данные

k1=5; k4=5; T3=5.

ω0=6; ω0н=16.

Рисунок 1 - Исходная детализированная структурная схема объекта

Рисунок 2 - Исходная детализированная структурная схема исходной системы

2. Векторно-матричное описание ЭП

Уравнения состояния объекта:


Вектор состояния объекта:


Матрица объекта:


Матрица входов:


Матрица возмущений:

.

Матрица выходов:

.

3. Передаточные функции и коэффициенты передач исходной системы

Определить передаточные функции объекта по задающему и возмущающему воздействиям, определить коэффициенты передач по задающему и возмущающему воздействиям.

Единичная матрица:

.

Характеристическая матрица объекта:

.

Определитель характеристической матрицы объекта:

,


Передаточная функция объекта по задающему воздействию:

.

Коэффициент передачи по задающему воздействию:

.

Передаточная функция по возмущающему воздействию:

.

Коэффициент передачи по возмущающему воздействию:


Рисунок 3 - Переходная характеристика исходной системы по задающему воздействию

Рисунок 4 - Переходная характеристика исходной системы по возмущающему воздействию

Из рисунков 2 и 3 видно, что система устойчива. Переходный процесс колебательный.

4. Расчет модального регулятора при настройке системы на стандартную форму Баттерворта

Матрица коэффициентов модального регулятора

.

Матрица замкнутой системы по полному вектору состояния:

.

Характеристическая матрица замкнутой системы по полному вектору состояния:

.

Определитель характеристической матрицы замкнутой системы по полному вектору состояния:


Стандартная форма Баттерворта для системы третьего порядка имеет вид:

.

Тогда приравнивая коэффициенты при соответствующих степенях получим систему уравнений:


Решая систему, получаем:

,

,

.

Детализированная структурная схема системы "объект - регулятор" будет иметь вид, приведенный на рисунке 4.

Рисунок 5 - Детализированная структурная схема системы "объект - регулятор"

5. Передаточные функции и коэффициенты передач системы "объект - регулятор"

Матрица замкнутой системы по полному вектору состояния:

.

Передаточная функция системы "объект - регулятор" по задающему воздействию:


Коэффициент передачи по задающему воздействию:

.

Передаточная функция системы по возмущающему воздействию:


Коэффициент передачи по возмущающему воздействию


Рисунок 6 - Переходная характеристика системы "объект - регулятор" по задающему воздействию

Рисунок 7 - Переходная характеристика системы "объект - регулятор" по возмущающему воздействию

6. Расчет модального ПИ - регулятора

Структурная схема системы с модальным ПИ - регулятором будет иметь вид, приведенный на рисунке 7.

Рисунок 8 - Структурная схема системы с модальным ПИ- регулятором

Матрица коэффициентов:

.

Матрица замкнутой системы с модальным ПИ - регулятором:

.

Матрица входов:

.

Матрица возмущений:

.

Матрица выходов:

.

Единичная матрица:

.

Характеристическая матрица замкнутой системы:

.

Определитель характеристической матрицы:


Стандартная форма Баттерворта для системы четвертого порядка с ПИ-регулятором имеет вид:

.

Тогда, приравнивая коэффициенты при соответствующих степенях, получим систему уравнений:


Решая систему уравнений, получаем:

,

,

,

,

,

,

.

Матрица замкнутой системы по полному вектору состояния:

 


Передаточная функция системы по задающему воздействию:

.

Коэффициент передачи по задающему воздействию:

.

Передаточная функция системы по возмущающему воздействию:


Коэффициент передачи по возмущающему воздействию

.

По передаточной функции системы по задающему воздействию выбираем такое значение k, при котором оно не оказывает существенного влияния на динамику переходных процессов, например:

,

.

Рисунок 9 - Переходная характеристика системы с модальным ПИ - регулятором по задающему воздействию

Рисунок 10 - Переходная характеристика системы с модальным ПИ - регулятором по возмущающему воздействию

Переходные характеристики по задающему и возмущающему воздействиям системы с модальным ПИ - регулятором приведены на рисунках 9 и 10.

7. Расчет наблюдающего устройства полного порядка системы "объект - наблюдатель - регулятор"

Оценим наблюдаемость объекта:

, ,

.

Матрица наблюдаемости:

.

Ранг матрицы наблюдаемости равен 3, т.е. равен порядку системы, следовательно система наблюдаема.

Матрица наблюдателя:

.

Определим коэффициенты наблюдающего устройства при его настройке на Биноминальную стандартную форму.

,

.

Характеристическая матрица наблюдателя:


Определитель характеристической матрицы наблюдателя:


Биноминальная стандартная форма для системы третьего порядка с наблюдающим устройством имеет вид:

.

Тогда приравнивая коэффициенты при соответствующих степенях получим систему уравнений:


Решая систему, получаем:


Уравнение наблюдающего устройства

.

Тогда система уравнений наблюдающего устройства:


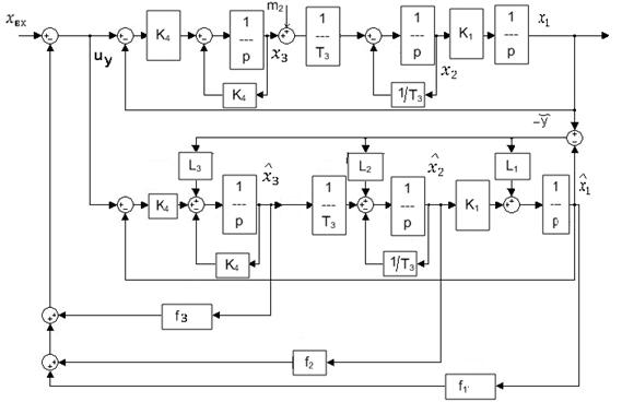
По полученным уравнениям наблюдающего устройства можно построить структурную схему "наблюдателя". Структурная схема системы "объект - наблюдатель - регулятор" приведена на рисунке 11.

Рисунок 11 - Структурная схема системы "объект - наблюдатель - регулятор"

Рисунок 12 - Переходная характеристика системы "объект - наблюдатель - регулятор" по задающему воздействию

Рисунок 13 - Переходная характеристика системы "объект - наблюдатель - регулятор" по возмущающему воздействию

Это наблюдающее устройство рассчитано только на устранение ошибок от несовпадения н. у. Если на объект действует возмущающее воздействие и оно неизмеряемое, то наблюдающее устройство будет оценивать координаты с ошибками. Поэтому установившиеся значения выходных переменных наблюдателя и объекта несколько различаются.

8. Расчет коэффициента передачи прямой связи по возмущающему воздействию, исключающего влияние возмущения на выходную координату в установившемся режиме

электропривод матрица вектор

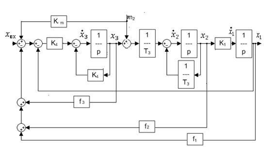
Структурная схема системы "объект - регулятор" с компенсационным каналом по возмущающему воздействию имеет вид приведенный на рисунке 14.

Рисунок 14 - Система "объект - регулятор" с компенсационным каналом по возмущающему воздействию

С введением компенсационного канала изменится только матрица возмущения и она будет иметь вид:

.

Тогда передаточная функция системы с компенсационным каналом по возмущающему воздействию:


Для того чтобы система была астатической (инвариантной) к возмущению в установившемся режиме необходимо, чтобы коэффициент передачи по возмущению был равен нулю, тогда:

,

Отсюда:

,

Из рисунков 15 и 16 видно, что при введении коэффициента передачи прямой связи по возмущающему воздействию система стала астатической по возмущению, но сохранила прежнюю реакцию на задающее воздействие.

Рисунок 15 - Переходная характеристика системы по задающему воздействию

Рисунок 16 - Переходная характеристика системы по возмущающему воздействию

Таким образом, работа выполнена.

Похожие работы на - Синтез систем электропривода на принципах модального управления

 

Не нашли материал для своей работы?
Поможем написать уникальную работу
Без плагиата!
Без нейросетей!