Розрахунок теристорного перетворювача
Введення
Мета розрахунку перетворювача -
визначення параметрів його елементів: трансформатора, тиристорів, згладжуючого
дроселя, вузлів системи управління, а також визначення зовнішніх характеристик
перетворювача та швидкісних і механічних характеристик електродвигуна. Для
суднових умов важливі розрахунок гармонік споживаного струму, визначення
ступеню викривлення синусоїдальності напруги мережі під впливом
напівпровідникових перетворювачів. Результати розрахунку становлять основу для
розробки конструкції перетворювального агрегату.
У завданні до розрахунку наводяться
наступні вихідні дані: номінальна напруга U1л та частота мережі ƒ,
номінальні значення потужності Рdном, напруги Udном, частоти обертання
електродвигуна пноv, діапазон регулювання частоти обертання, співвідношення
потужностей електроприводу та суднової електростанції.
Розрахунок перетворювача доцільно
виконувати у наведеній послідовності.
1. Вхідні данні
Вхідні данні приведенi в таблицi
один:
Таблиця 1
|
U1л,В
|
Pг/Pпр
|
Udном,В
|
Pdном,кВт
|
nном
|
|
220
|
1/15
|
220
|
190
|
3000
|
2. Вибір двигуна
За данними таблицi довiдника
вибераемо вiдповiдний двигун - П 112М
Характеристики двигуна приведенi в
таблицi 2:
Таблиця 2
|
P,кВт
|
Udном,В
|
Rя,Ом
|
nном,об/хв
|
nmax,об/хв
|
ή,%
|
|
210
|
220
|
0.0034
|
1500
|
1800
|
89.5
|
- люковая крышка; 2
- коллекторная пластина; 3 - крепление коллектора пластмассой; 4 - кольцо для
размещения балансировочных грузов; 5 - траверса; 6 - передний подшипниковый
щит; 7 - вал; 8 - обмоткодержатель; 9 - бандаж лобовых частей обмотки якоря; 10
- катушка добавочного полюса; 11 - сердечник добавочного полюса; 12 - станина;
13 - рым; 14 - сердечник якоря; 15 - сердечник главного полюса; 16 - катушка
главного полюса; 17 - вентилятор; 18 - задний подшипниковый щит; 19 - задняя
крышка подшипника; 20 - шариковый подшипник; 21 - передняя крышка подшипника;
22 - свободный конец вала; 23 - паз якоря; 24 - соединительные провода (выводы)
от обмоток к доске выводов; 25 - коробка выводов
Рис.1. Загальний вид двигуна
постійного струму
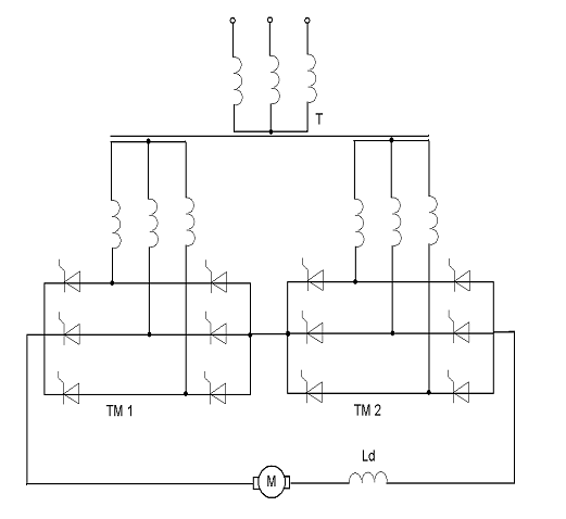
3. Вибiр схеми перетворювача
Вибераемо дванадцятифазну мостову не
керуєму симетричну схему, що зображена на рис.2.
Найважливішими показниками, які
визначають доцільність використання тієї чи іншої схеми, є середнє значення
випрямленої напруги, типова потужність трансформатора, ступінь використання
вентилів за струмом та напругою, значення пульсацій випрямленої напруги та
гармонік споживаного струму.
Рис.2. Схема перетворювача
Тиристорні перетворювачі використовують
для живлення силових кіл двигунів та обмоток збудження. Найбільш поширені
реверсивні тиристорні системи з двогруповим перетворювачем у колі якоря, що
забезпечує максимальну швидкодію. Існують різноманітні схеми увімкнення
вентильних груп, у нашому випадку: перехресна схема з живленням кожної з груп
ТМ1 та ТМ2 від окремої вторинної обмотки трансформатора (рис. 2).
Доки один із мостів працює у режимі
випрямлення, забезпечуючи обертання двигуна в потрібному напрямку, інший місі
зна ходиться в готовності до режиму інвертування. Цим забезпечується можливість
генераторного гальмування. Зі зміною напрямку обертання при реактивному
статичному моменті кожний міст переходить у протилежний режим роботи; при
активному міст, який працював у режимі випрямлення, переходить до роботи у
режимі інвертування.
тиристор трансформатор електродвигун напруга
4. Розрахунок трансформатора
Розрахунок трансформатора полягае у
визначеннi його потужностi, напруги i струмiв обмоток.
.1 Визначення типової і
розрахункової потужностi трансформатора
ή
= 0.85
Вибираемо ККД перетворювача -
Вибираемо коефiцiэнт використання
трансформатора
Коефiцiэнт потужностi χ
знаходимо за формулою:
= 0,834
де άном=30,
γном=4
(з довiдника),
Приймаемо коефiцiэнт запасу
Розрахункова потужнiсть
визначаеться за формулою:
Перевiривши отримане значення:
Звiдки видно що воно задовольняе
спiввiднощенню
тобто обраний трансформатор
задовольняе умовам.
4.2 Визначення вторинної фазної ЕРС
Вторинну фазну ЕРС визначаемо за
формулою:
(В)

Де u к.з.- напруга короткого
замикання,вимiрювана на вториннiй сторонi i дорiвнюе 5%
Отримана напруга задовольняе
розрахованiй за формулою:
Тобто:
Умова виконується.
4.3 Визначення коефіцієнта
трансформації
Коефiцiент трансформацiї
визначаеться за формулою:
Де Е1ф знаходиться за формулою:
.4 Визначення первинного та
вторинного струмiв
Діюче значення струму первинної
обмотки трансформатора знаходиться за формулою:
Де к.т - коэфiцiент
трансформацiї;Idном - номiнальний струм двигуна;
За формулою:
Знаходимо струм вторинної обмотки
трансформатора.
Таблиця 3
|
Sт,В*А
|
E2ф,В
|
Iт1,А
|
Iт2,А
|
|
3.103*10 е5
|
633
|
664.614
|
705.156
|
Маючи данi Sт, E2ф, Iт1,Iт2, якi
зведеннi в таблицi 3, з довiдника вибираемо трансформатор типу ТС 3М210-75.ОМ5.
.5 Розрахунок анодного iндуктивного
опору
Розрахунок анодного iндуктивного
опору виконуеться за формулою:
Де u.к.з.- напруга короткого
замикання. u.к.з.=3% - напруга короткого замикання.
5. Вибiр напiвпроводникових вентилiв
(тиристорiв)
Тиристори вибирають згiдно з двома
основними параметрами - номiнальним (прямим) струмом та номінальною (зворотною)
напругою.
.1 Розрахунок прямого номінального
струму-вентиля.
Номінальний струм тиристора
обчислюється за формулою:
Номiнальний струм тиристора з
урахуванням коефiцiєнта запасу (приймаемо к.з=1.3) обчислюється за формулою:
5.2 Розрахунок номiнальної зворотної
напруги
Знаходимо за формулою:
Таблиця 4
|
Uзв.Макс,В
|
Iв,А
|
|
1.551*10 е3
|
374.242
|
По отриманим даним вибераємо
тиристор типу АТРК 250/230.
.3. Розрахунок згладжуючого дроселя
Індуктивність кола постійного струму
Ld знаходимо за формулою:
де, ע =12 - головна
гармоніка струму;
При f = 50 Гця=0.0034 - опір якоря
двигуна (з довідника);Ея -ЕРС якоря двигуна знаходиться:
- середнє значення
випрямленої напруги на холостому ходу в некерованому режимі
=12 - фазність;
я - індуктивність
обмотки якоря двигуна
К.д - коефіцієнт для некомпенсованих
машин,Рп=2 - число пар полюсів,
ע - основна
гармоніка випрямленої напруги при куті керування ά=90
При відомих значеннях Ld і Lя за
формулою
Обчислюємо значення індуктивності
згладжую чого дроселя,
Якщо припустити, що найменше
припустиме значення випрямленого струму на граничній кривій при α=90
дорівнює Idmin=0.1*Idnom, то
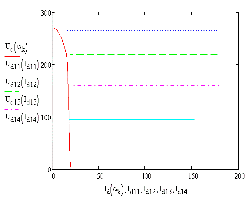
6. Розрахунок зовнішніх
характеристик перетворювача
Зовнішні характеристики
перетворювача мають дві області: безперервного і переривчастого струмів
У режимі безперервних струмів
характеристики лінійні і розраховуються за формулою:
для кутів а = 10,30,50,70.
В області переривчастих струмів
характеристики нелінійні. Тому робота привода в цій області не допускається,
необхідність розрахунку характеристик у цій області немає, а розраховується
тільки границя між областями безперервних і переривчастих струмів.
Розрахувати цю границю можна за
формулою:
Де, αк
змінюється від 0 до 90 градусів.
Зовнішні характеристики зображені на
рис.
Рис. 3. Зовнішні характеристики
перетворювача
7. Розрахунок швидкісних і
механічних характеристик двигуна.
Швидкісні характеристики двигуна
розраховуються за формулою:
Нехай:
де, ω
- кутова швидкість обертання двигуна; Ф - магнітний потік полюсів двигуна, с -
конструктивний коефіцієнт.
Отримуємо


Швидкісна характеристика зображена
на рис. 4.
Рис. 4. Швидкісна характеристика
двигуна
Механічна характеристика двигуна
розраховується за формулою:
тоді:
Де
Електромагнітний момент двигуна і
залежить від струму якоря двигуна (Iя змінюється в межах від 0 до Idном)
Отримуємо


Механічна характеристика двигуна
зображена на рис.5.
Рис.5. Механічна характеристика
двигуна
8. Розрахунок випрямлених напруги і
струми перетворювача
Гармоніки випрямленої напругу
визначаються за формулою:
де,ע=12,24,36; α=35.9
і розраховується за формулою:
Гармоніки випрямленого струму
розраховується за формулою:

де, ע= 12,24,36.
Дані розрахунку зведені в таблиці 5.
Таблиця 5
|
ν
|
12
|
24
|
35
|
|
Uν,В
|
39,569
|
19,678
|
13,106
|
|
Iν,А
|
25,29
|
6,288
|
2,792
|
9. Розрахунок гармонік споживаного
струму
Струм, споживаний перетворювачем,
має вищі гармоніки порядків v = 12к±1, де к = 1,2,3...
Розрахунок гармонік споживаного
струму знаходиться за формулою:
де γном=4
розраховується за формулою:
ν=
11, 13, 23,25,35,37.
Амплітуда першої гармоніки
розраховується за формулою:
Усі розрахункові дані зведені в
таблиці 6.
Таблиця 6
|
ν
|
11
|
13
|
23
|
25
|
35
|
37
|
|
Іν,А
|
36,578
|
30,26
|
14,342
|
12,561
|
6,422
|
5,56
|
10. Розрахунок коефіцієнта
несинусоїдальності напруги суднової мережі.
Розрахунок ведеться виходячи з
відношення потужностей перетворювача і генератора, тобто:
Значення напруги Uν,
для ν = 5, 7, 1 1, 13,
17, 19; розраховується за формулою:
де, Iν
- гармоніки споживаного струму (таблиця 6) Ктр - коефіцієнт трансфор мації;
ХДуэ - еквівалентний індуктивний опір ν
-ої гармоніки струму асинхронних двигуні , що розраховується за формулою:
де, cos(φ)
- коефіцієнт потужності, приймається рівним 0,8 для асинхронних двигунів; Pп -
сумарна потужність асинхронних двигунів , що обчислюється за формулою:
у якій,
З формул випливає, що
а от же
Отримані значення еквівалентного
індуктивного опору і гармоніки напруги:

ВИКОРИСТОВУЮЧИ значення напруги Uν,
з таблиці 4, обчислюємо коефіцієнт неси-нусоїдальності Кнс за формулою:
Коефіцієнт несинусоїдальності Кнс =
0.626
Коефіцієнт потужності при синусоїдальній
напрузі мережі обчислюється по формулі:
де, К1 - коефіцієнт спотворення
кривої струму,
к1 = 0.993
струми підставляємо у формулу з
таблиці 3;
φ1-
кут зміщення між головною гармонікою фазного струму і напруги, що обчислюється
за формулою:
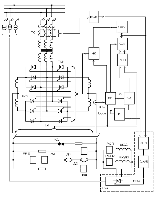
12. Схема електропривода з тиристорним
перетворювачем серії АТРК
На рис. 6 наведено схему
електропривода з перетворювачем серії АТРК.
Перетворювачі цієї серії
виготовляють на випрямлену напругу :230 та 460 В та струми 100, 160, 250, 500
та 1000 А. У агрегатах АТРК з Udном = 230 В використовують силові
трансформатори з Udном = 460 В - анодні дроселі. Управління групами роздільне
та виконується системою, головний вузол якої - система фазового управління
(СФУ) тиристорами.Сигнали на СФУ надходять з регулятора напруги перетворювача
РНП, задавальна напруга Uз на вхід РНП подається від задавача інтенсивності ЗІ
в залежності від положення командоапарата К.Для забезпечення необхідних
механічних характеристик та необхідного характеру перехідних процесів на вхід
РНП надходить сигнал зворотного зв'язку по напрузі перетворювача. Блок
струмової відсічки БСВ служить для обмеження випрямленого струму при пусках та
гальмуваннях двигуна. БСВ спрацьовує в залежності від сигналу, що надходить від
трансформатора струму ТС. Регулятор напруги РНП випрацьовує два вихідних
сигнали. Вибір того чи іншого сигналу виконується комутатором сигналів
управління КСУ за допомогою логічного перемикаючого пристрою ЛПП та залежить
від того, яка з груп повинна працювати в даний момент. Для забезпечення
вказаних перемикань на вхід ЛПП надходять два сигнали: двополярний сигнал
Uу=Uз-Uз.з.н та сигнал зворотного зв'язку за струмомUз.з.с. Сигнал зворотного
зв'язку за напругою Uз.з.н пропорційний випрямленій напрузі. Сигнал Uз.з.с.
знімається з датчика струму, яким служить трансформатор постійного струму ТПС.
В усталеному режимі ЛПП перебуває в
одному з двох стійких станів. У першому стійкому стані двигун обертається в
прямому напрямку. При зміні напрямку обертання двигуна чи при генераторному
гальмуванні полярність сигналу Uу змінюється на протилежну. Однак ця зміна ще
не викликає перемикання ЛПП у другий стійкий стан та відповідне перемикання
груп перетворювача, тому що датчик нульового струму ДНС надає сигнал заборони
на виконання цих операцій. ДНС знімає заборону на перемикання тільки при
зниженні струму якоря до нуля. Як тільки заборону на перемикання буде знято,
ЛПП перейде в іншій стійкий стан та за допомогою напівпровідникового комутатора
імпульсів НК групи перетворювача перемкнуться.
Рис.6. Схема електропривода з
перетворювачем серії АТРК
Порядок виходу з роботи однієї групи
та вступ у роботу іншої можливо відстежити згідно з характеристиками (див. рис.
5) при переході з точки 5 в точку 7.
В точці 3 група ТМ1 (див. рис. 5)
працює у режимі випрямлення, група ТМ2 вимкнена. При збільшенні кута управління
тиристорами α1
у ТМ1 ЕРС якоря двигуна перевищить напругу на його виході, внаслідок чого
випрямлений струм спаде до нуля. Міст ТМ1 вимикається, а двигун працює на
"вибігу" до наступу інверторного режиму. У момент, коли струм досягне
нуля, ЛПП заблокує керуючі імпульси, які надходять у ТМ1, та після деякої паузи
дозволить надходження імпульсів на тиристори ТМ2. Затримка звичайно не
перевищує 5...10 мс. Доки в одній з груп протікає струм,ЛПП забороняє їх
перемикання, навіть коли керуючий сигнал перетворювача змінює свій знак. Після
надходження у ТМ2 останній починає працювати в інверторному режиму. При
зворотному переході перетворювача у режим випрямляча(1 квадранті) роцеси в
ньому протікають аналогічно, але у зворотній послідовності.
Схема за розглянутих вище умов
працює при постійному знаку керуючого сигналу, при реверсі знак цього сигналу
змінюється. Перетворювачі серії АТРК всіх виконань (див. рис.6) мають вбудоване
регульоване джерело збудження РДЗ. У пристрої збудження РДЗ. який являє собою
однофазний випрямний міст, передбачено можливість регулювання струму збудження
двигуна в залежності від значення струму в якірному колі у напрямку ослаблення
поля. Крім цього, пристрій збудження дозволяє підсилити поле збудження
приблизно в 1,5 разу.
У схему тиристорного електропривода
також включені реле максимальне РМ, реле рекуперованої енергії РРЕ, реле
контролю швидкості РКШ. реле обриву поля РОП1 та РОП2, увімкнені в колі
шунтових обмоток збудження двигунів ШОД1 та ШОД2. а також реле напрямку
обертання РНО та напівпровідниковий комутатор імпульсів НК.
Система управління перетворювачами в
СЕЕС бурового судна аналогічна системі управління перетворювачами привода
суднового крану з електроконтролером типу ЕВП та працює за викладеними вище
принципами.
Для управління приводами стартерних
установок використовують агрегати типу ВАКЗП, виготовлені на базі нереверсивної
6-фазної схеми з нульовим виводом та з'єднанням вторинних обмоток силового
трансформатора подвійним зигзагом.
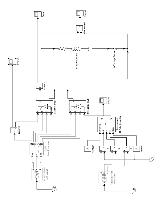
13. Моделювання тиристорного
перетворювача
Моделювання роботи схеми
тиристорного перетворювача проводиться в пакеті Mathlab Simulink.
Змодельована схема зображена на
рис.7.а її характеристики - на рис.8,9,10,11.
Рис.7. Принципова схема тиристорного
перетворювача
Рис.8. Графік струму в мережі
Рис.9. Графік напруги на
навантаженні (не встановлений режим)
Рис.10.Графік струму в навантаженні
(не встановлений режим)
Рис.11. Графік керуючого впливу
Висновки
Було розраховано перетворювач
визначено параметри його елементів: трансформатора, тиристорів, згладжуючого
дроселя, вузлів системи управління, а також визначено зовнішні характеристики
перетворювача та швидкісні і механічні характеристик електродвигуна.
Змодельовано схему тиристорного
перетворювача в пакеті Mathlab Simulink, та приведено схеми і характеристики.
Як і бажалось ця схема має підвищене
середнє значення випрямленої напруги, хоча схеми які працюють у шестифазному
режимі, вже мають достатню ефективність.
Література
1.
Ансимов Я.Ф., Васильев ЕЛ. Электромагнитная совместимость полупроводниковых
преобразователей и судовых электроустановок. - Л.: Судостроение, 1990. - 264 с.
.
Ансимов Я.Ф. Судовая силовая полупроводниковая техника - Л.: Судостроение,
1979. - 192 с.
.
В.І. Сенько, М.В. Панасенко, С.В. Сенько та інші. Електротехніка і мікросхемотехніка:
Підручник для студентів вищ. закл. освіти, що навчаються за напрямками
"Електромеханжа" та "Електротехніка" - К.:
ТОВ"Видавництво "Обереги", 2000.
.
Розанов Ю. К. Основы силовой электроники. - М.: Энергоатомиздат, 1992. 296 с.
.
Ю.К. Розанова. Электрические и электронные аппараты: Учебник для вузов Под ред.
- М.: Инофрмэлектро, 2001. - 420 с.