Релейная защита трансформаторов и тупиковой линии 110 кВ
ФЕДЕРАЛЬНОЕ
АГЕНТСТВО ПО ОБРАЗОВАНИЮ
Филиал
государственного образовательного учреждения
высшего
профессионального образования
«Московский
энергетический институт
(технический
университет)»
в
г. Смоленске
Кафедра
Электроэнергетических систем
Расчетное
задание
по
курсу: «Релейная защита и автоматизация систем электроснабжения»
на
тему:
«Релейная
защита трансформаторов и тупиковой линии 110 кВ»
Преподаватель:
Ковженкин В. С,
Группа: ЭС-06
Вариант №166221
Студент: Яковлев И.
Г.
Смоленск
2010
Исходные данные
Мощность трансформатора:Sтр=6,3 МВА;
Мощность системы: Sc=450 МВА;
Сопротивление прямой последовательности
системы:x(1)c=1,0 о.е.
Напряжение низкой стороны подстанции: Uнн.пс=10
кВ;
Тип реле дифференциальной защиты: РНТ-565;
Протяженность линии 110 кВ: lw=13 км.
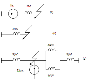
рис. 1. Схема сети
Определение типов защит, устанавливаемых на
трансформаторе заданной мощности и питающей линии 110 кВ
Для защиты трансформатора 10 МВА применяют
следующие виды защит:
дифференциальная защита на реле РНТ-565;
МТЗ от внешних КЗ;
защиту от перегрузки;
газовую защиту.
Для защиты питающей линии 110 кВ применяют
следующие виды защит:
двухступенчатая токовая защита от междуфазных КЗ
(ТО и МТЗ);
одноступенчатая дистанционная защита от междуфазных
КЗ;
двухступенчатую токовую защиту нулевой
последовательности.
Защита линии выполняется на типовой панели
ЭПЗ-1644.
Расчет токов короткого замыкания
Выбор базисных величин
По [1] выбираю трансформатор типа ТМН-6300/110
со следующими характеристиками:
Номинальная мощность: Sном.тр=6,3 МВА;
Пределы регулирования: ΔU%=±9×1,78%
Номинальное напряжение: Uвн.ном=115 кВнн.ном=11
кВ;
Напряжение короткого замыкания: Uк=10,5 %;
Сопротивления обмоток трансформатора: Rтр=14,7
Омтр=220,4 Ом.
Выбираю базисную мощность: Sб=Sс=450 МВА;
Выбираю базисные напряжения:Uб1=115 кВб2=11 кВ;
Базисные токи:
кА
кА
Базисные сопротивления:
прямая последовательность:
о.е.
о.е., где
%
о.е., где
%
о.е.
обратная последовательность:
сопротивления обратной последовательности всех элементов равны сопротивлениям
прямой последовательности этих же элементов;
нулевая последовательность:
о.е.
о.е.
о.е.
Расчет токов трехфазных КЗ
расчет токов трехфазных коротких
замыканий в точках К-1 и К-2
точка К-1
нормальный режим
рис. 2. Схема замещения сети для
расчета тока короткого замыкания в точке К-1
о.е.
кА
режим, когда перемычка включена,
работают обе линии и один трансфоматор
рис.3. Схема замещения сети для
режима работы двух линий на один трансформатор.
о.е.
кА
кА
В данном режиме через каждую из
линий течет половина тока
, т.е. 0,075
кА.
режим, когда перемычка включена,
работает одна линия на два трансформатора.
В этом режиме токи КЗ будут равны
токам КЗ в нормальном режиме.
точка К-2
нормальный режим
о.е.
кА
рис.4. Схема замещения сети для расчета тока
трехфазного КЗ в точке К-2 при нормальном режиме работы этой сети.
режим, когда перемычка включена, работают обе
линии и один трансформатор
рис. 5. Схема замещения сети для расчета тока
трехфазного КЗ в точке К-2 при включенной перемычке.
о.е.
кА
В данном режиме через каждую из
линий течет половина тока
, т.е. 1,035
кА.
режим, когда перемычка включена,
работает одна линия на два трансформатора.
В этом режиме токи КЗ будут равны
токам КЗ в нормальном режиме.
Расчет токов однофазных КЗ
нормальный режим
- однофазное КЗ в точке К-2
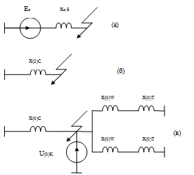
рис. 6. Схемы замещения прямой (а), обратной (б)
и нулевой (в) последовательностей для расчета токов однофазного КЗ в точке К-2
при нормальном режиме работы сети.
о.е.
о.е.
о.е.
кА
о.е.
о.е.
о.е.
кА
кА
кА
однофазное КЗ в точке К-3
рис. 7. Схемы замещения прямой (а),
обратной (б) и нулевой (в) последовательностей для расчета токов однофазного КЗ
в точке К-3 при нормальном режиме работы сети.
о.е.
о.е.
о.е.
кА
о.е.
о.е.
кА
кА
кА
режим, когда перемычка включена,
работает одна линия и два трансформатора
- однофазное КЗ в точке К-2
рис. 8. Схемы замещения прямой (а), обратной (б)
и нулевой (в) последовательностей для расчета токов однофазного КЗ в точке К-2
при работе одной линии на два трансформатора.
о.е.
о.е.
о.е.
кА
о.е.
о.е.
о.е.
кА
кА
кА
однофазное КЗ в точке К-3
о.е.
о.е.
о.е.
кА
о.е.
о.е.
кА
кА
кА
рис. 9. Схемы замещения прямой (а),
обратной (б) и нулевой (в) последовательностей для расчета токов однофазного КЗ
в точке К-3 при работе одной линии на два трансформатора
режим, когда перемычка включена,
работают две линии на один трансформатор
однофазное КЗ в точке К-2
о.е.
о.е.
рис. 10. Схемы замещения прямой (а), обратной
(б) и нулевой (в) последовательностей для расчета токов однофазного КЗ в точке
К-2 при работе двух линий на один трансформатор.
о.е.
кА
о.е.
о.е.
о.е.
кА
кА
кА
однофазное КЗ в точке К-3
рис. 11. Схемы замещения прямой (а),
обратной (б) и нулевой (в) последовательностей для расчета токов однофазного КЗ
в точке К-3 при работе двух линий на один трансформатор.
о.е.
о.е.
о.е.
кА
о.е.
о.е.
о.е.
кА
кА
кА
Результаты расчета токов трехфазных
КЗ Табл. 1
|
Режим
|
Элемент
|
К-1
|
К-2
|
|
|
о.е.
|
кА
|
о.е.
|
кА
|
|
|
|
ВН
|
НН
|
|
ВН
|
|
Нормальный
режим или режим “одна линия, два трансформатора”
|
Линия
|
0,065
|
0,147
|
1,55
|
0,85
|
1,92
|
|
Трансформатор
|
|
|
|
|
|
|
Режим
“две линии, один трансформатор”
|
Линия
|
0,033
|
0,075
|
---
|
0,4585
|
1,035
|
|
Трансформатор
|
0,066
|
0,15
|
1,56
|
0,917
|
2,07
|
Результаты расчета токов однофазных КЗТабл. 2
|
Режим
|
Элемент
|
К-2
|
|
|
о.е.
|
кА
|
о.е.
|
кА
|
|
|
|
ВН
|
НН
|
|
ВН
|
НН
|
|
Нормальный
режим
|
3I(0)
|
0,81
|
1,83
|
---
|
1,07
|
2,42
|
---
|
|
IW
|
0,784
|
1,77
|
---
|
0,02
|
0,045
|
---
|
|
IT
|
0,026
|
0,059
|
0,614
|
0,02
|
0,045
|
0,47
|
|
Режим
“одна линия, два трансформатора”
|
3I(0)
|
0,83
|
1,876
|
---
|
1,07
|
2,42
|
---
|
|
IW
|
0,78
|
1,763
|
---
|
0,037
|
0,084
|
---
|
|
IT
|
0,025
|
0,057
|
0,59
|
0,0185
|
0,042
|
0,437
|
|
Режим
“две линии, один трансформатор”
|
3I(0)
|
0,862
|
1,95
|
---
|
1,054
|
2,38
|
---
|
|
IW
|
0,42
|
0,95
|
---
|
0,02
|
0,045
|
---
|
|
IT
|
0,023
|
0,052
|
0,04
|
0,09
|
0,945
|
Расчет защит трансформатора
Расчет дифференциальной защиты на реле РНТ-565
расчет средних номинальных токов трансформатора:
А
А
выбор трансформаторов тока:
Выбираю стандартные значения
коэффициентов трансформации:
вторичные токи в плечах защиты
А
А
первичный ток небаланса без учета
третьей составляющей
А
где
А
А
ток срабатывания защиты выбираем по
условию отстройки от броска тока намагничивания и от тока небаланса.
А.
А.
ток срабатывания реле
А
Предварительное определение
коэффициента чувствительности
Определение числа витков обмоток
НТТ Табл. 3.
|
№,
п/п
|
Обозначение
величины и расчетное выражение
|
Численное
значение
|
|
1
|
4,3А.
|
|
|
2
|
100/4,3=23,3
витка
|
|
|
3
|
23
витка
|
|
|
4
|
100/23=4,35
|
|
|
5
|
20*4,35/ =50,2
А.
|
|
|
6
|
23*2,74/3,3=19,097
|
|
|
7
|
19
витков
|
|
|
8
|
 А.
|
|
|
9
|
38,25+0,75=39
А.
|
|
|
10
|
1,3*39=50,7
А.
|
|
|
11
|
 А.
|
|
|
12
|
100/4,4=22,7
|
|
|
13
|
22
витка
|
|
|
14
|
100/22=4,55
|
|
|
15
|
20*4,55/ =52,5
А.
|
|
|
16
|
22*2,74/3,3=18,26
|
|
|
17
|
18
витков
|
|
|
18
|
 А.
|
|
|
19
|
38,25+2,1=40,35
А.
|
1,3*40,35=52,45
А.
|
|
|
21
|

|
|
при однофазном КЗ на стороне 110 кВ в зоне
действия защиты
защита проходит по чувствительности
к однофазному КЗ на выводах высокого напряжения.
Максимальная токовая защита от
междуфазных КЗ
Необходимо устанавливать два
комплекта МТЗ: по одному на каждый из выводов трансформатора.
расчет уставок реле для комплектов
на низкой стороне
А
А
проверка чувствительности
защита проходит по чувствительности.
уставка по времени срабатывания
мтз.тр.нн=tотх.прис+Δt=1,5+0,5=2,0
сек
расчет уставок реле для комплекта на
высокой стороне
согласуем ток срабатывания защиты с
током срабатывания защиты комплекта на низкой стороне
Максимальная токовая защита от
перегрузок
Защита от перегрузок действует на сигнал. Так
как нагрузка обычно симметрична, то достаточно установить пусковой орган только
в одну фазу. Эту защиту устанавливаем на те же ТА, что и другие защиты.
А
А
Эта защита по чувствительности не
проверяется.
Уставка по временимтз.от
перегрузок=tмтз.тр.вн+Δt=2,5+0,5=3,0
сек
Газовая защита
На трансформатор данной мощности по
требованиям ПУЭ устанавливают газовую защиту. Эта защита работает на
неэлектрическом принципе и в качестве пускового органа используется “чашечное”
реле типа РГЧЗ.
Расчет защит питающей линии 110 кВ
Расчет первой ступени токовой защиты
линий от междуфазных КЗ - токовая отсечка.
отстройка от излишнего срабатывания
при КЗ на низкой стороне трансформатора

А
отстройка от излишнего срабатывания
при бросках тока намагничивания
А
Последнее определяющее условие можно
исключить, организовав выдержку времени t=(0,15÷0,2) с.
СР.З.=195 А
Выберем трансформаторы тока:
Выбираю стандартный kТА3=50/5=10
А
Проверка чувствительности
Защита проходит по чувствительности.
ТО является основной защитой, МТЗ -
резервной
Расчет второй ступени токовой защиты
линий от междуфазных КЗ - максимальной токовой защиты.
А
А
Уставка по времени: tмтз.линии=tмтз.тр.вн+Δt=2,5+0,5=3,0
сек
Проверка чувствительности:
Защита проходит как основная, но не
проходит как резервная. В таких случаях обычно ставят третье реле для тока в
фазе В, но при данных обстоятельствах это также не обеспечит необходимой
чувствительности, так как коэффициент чувствительности при этом станет равным
0,834, чего также недостаточно.
Расчет одноступенчатой дистанционной
защиты от междуфазных КЗ
Дистанционная защита является
резервной защитой к защитам линии и трансформатора.
определим наименьшее сопротивление
нагрузки
защита трансформатор ток
реле
кОм
сопротивление срабатывания защиты
кОм
уставка по времени:
tдист=tмтз.тр.вн.+Δt=2,5+0,5=3,0
сек
- проверка чувствительности
, где
Ом;
Ом
Защита проходит по чувствительности.
Расчет токовой отсечки нулевой
последовательности
Расчет первой ступени токовой
отсечки нулевой последовательности
Определяем ток срабатывания защиты
по необходимому коэффициенту чувствительности.
А
Отстраиваемся от бросков тока
намагничивания:
В данном случае определяющим
получается условие отстройки от бросков тока намагничивания. Чтобы исключить из
рассматриваемого случая это условие достаточно установить небольшую выдержку
времени на действие этой защиты. Тогда определяющим станет первое условие, а
его по чувствительности не проверяем.
Расчет второй ступени токовой
отсечки нулевой последовательности.
ток срабатывания защиты
время срабатывания
тонп2=tтонп1+Δt=0,15+0,5=0,65
сек
коэффициент чувствительности
проверка поведения защиты при КЗ за
спиной комплекта
А>
А
Из этого следует необходимость
установки органа направления мощности. С другой стороны можно загрубить защиту
по току и отстроится от
, при этом
снизится чувствительность.
А
- коэффициент чувствительности
И в этом случае защита проходит по
чувствительности.
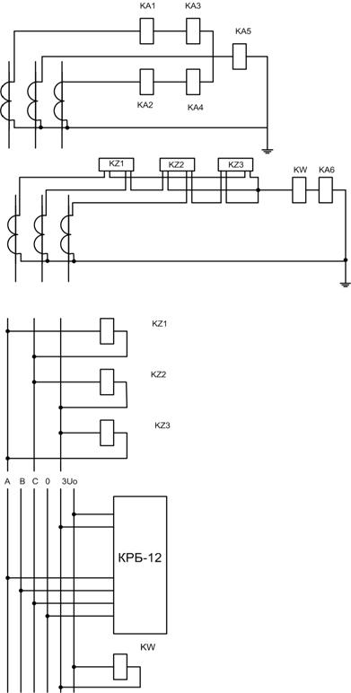
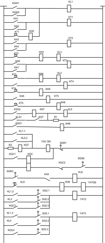
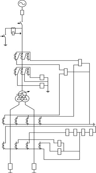
Схема защиты трансформатора:
а)
, KAW2 - продольная дифференциальная
защита., КА7 - МТЗ на НН2
КА5 - защита от перегрузки на НН1
КА8 - защита от перегрузки на НН2
КА9 - контроль тока в цепях
отключения отделителя- электромагнит включения QN- электромагнит отключения Q
Краткое описание работы схемы:
при срабатывании диф. защ. контакты
KAW1 и KAW2 замыкаются, срабатывает KL1 и подает сигнал на отключение Q2 и Q3.
Затем включается QN и в бестоковую паузу паузу отключается QR. Действие
фиксирует КН1
при срабатывании МТЗ трансформатора
на ВН, замыкаются контакты КА1 и КА2 и далее замыкаются контакты КТ1 с
выдержкой времени и идет сигнал на отключение Q2 и Q3 и включение QN. Действие
фиксирует КН2.
при срабатывании МТЗ трансформатора
на НН1 (НН2), замыкаются контакты КА3 и КА4(КА6 и КА7) и далее с выдержкой
времени и идет сигнал на отключение Q2 и Q3 и включение QN.
при перегрузке замыкаются контакты
КА5, КА8 и подает сигнал.
при срабатывании газового реле
нижний контакт KSG2 действует на промежуточное реле KL4, которое действует на
включение QN. При включении QN перебрасываются его вспомогательные контакты,
срабатывает реле KQC4 и отключает Q2, Q3. Действие фиксирует КН7.
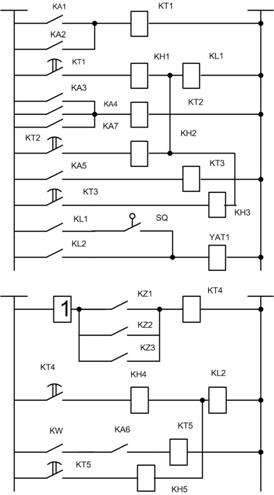
Схема защиты тупиковой линии
Краткое описание работы схемы:
при срабатывании ТО замыкаются контакты КА1 и
КА2, реле времени с выдержкой времени замыкает свои контакты КТ1, подавая
сигнал на отключение Q1. действие фиксирует КН1
при срабатывании МТЗ, замык. КА3, КА4 и с
выдержкой времени КТ3 подает сигнал на откл.
при срабатывании дистанционной защиты, реле KZ2,
KZ2, KZ3 замык. И с выдержкой времени подает сигнал на KL2, которое замык. цепь
откл. Q1.
при действии направленной токовой защиты НП
срабатывают KW и КА6 и с выдержкой времени КТ5 подает сигнал на отключение Q1.
Литература
Расчет
релейной защиты и автоматики распределительных сетей.- Шабад М. А., 3-е
издание, переработанное и дополненное.-Л.: Энергоатомиздат. Ленингр. отд-ние,
1985. - 296 с., ил.
Справочник
по проектированию электроэнергетических систем .- под ред. С. С. Рокотяна., М.:
Энергоатомиздат, 1980.
Электрическая
часть электростанций и подстанций: Справочные материалы для курсового и
дипломного проектирования: Учеб. пособие для вузов.- Неклепаев Б. Н., Крючков
И. П., 4-е издание, переработанное и дополненное. - М.: Энергоатомиздат, 1989.
- 608 с.: ил.
Правила
устройства электроустановок/Минэнерго СССР.-6-е. изд., перераб. и доп. - М.:
Энергоатомиздатб 1986.