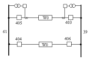
Релейная защита и автоматика ЛЭП 110 кВ W0 (Q403-406)
Курсовой проект
Релейная защита и
автоматика ЛЭП 110 кВ W0 (Q403-406)
Введение
Устройства релейной защиты и системной автоматики в
совокупности представляют собой сложную многоступенчатую систему,
предназначенную для сохранения устойчивой работы синхронных генераторов и
бесперебойного электроснабжения потребителей электроэнергии. Однако выполнить
свою задачу эти устройства могут лишь в случае, если они отвечают комплексу
требований, изложенных в нормативных материалах [1]. Соответствие реальных
устройств релейной защиты и автоматики (УРЗА) этим требованиям обеспечивается в
основном на стадии проектирования, которое при правильной его организации
обязательно должно быть комплексным. Устойчивая бесперебойная работа ЭЭС
возможна лишь при условии эффективного функционирования всех частей, входящих в
комплекс УРЗА.
Целью курсового проекта является закрепление знаний в области
релейной защиты и автоматики (РЗА), полученных при изучении теоретического
курса, и конкретизация их применительно к реальным элементам ЭЭС.
При подготовке пособия использованы руководящие материалы
института «Энергосетьпроект» (г. Москва), учебные пособия и справочная
литература, изданные за последние 10 лет. В последние годы организация
проектирования УРЗА в вузах сопряжена со значительными трудностями. Литература
по данному вопросу выходит редко, нерегулярно и ориентирована в основном на
специалистов; учебные пособия практически не издаются. Данное пособие
предназначено для частичного устранения сложившегося дефицита учебной литературы
по проектированию комплексов УРЗА сетей.
1.
Выбор принципов выполнения и типов УРЗА
Общие
сведения
Выбор принципов выполнения устройств РЗ (определяются
электрическими величинами, на которые реагируют их измерительные органы)
осуществляется на основании рекомендаций директивных материалов [1, 7, 8].
Применение этих рекомендаций, однако, не должно носить формальный характер, так
как развитие ЭЭС ставит новые вопросы и вызывает к жизни новые технические
решения. Промышленность выпускает комплектные устройства РЗА для всех элементов
ЭЭС любых классов напряжения. Проектными организациями (Энергосетьпроект - ЭСП,
Теплоэлектропроект - ТЭП) разработаны типовые проекты РЗА, имеющиеся во всех
отделениях указанных организаций. С учетом сказанного проектирование РЗА
сводится к выбору типовых комплексов и к привязке их к конкретному объекту,
работающему в конкретной ЭЭС. Критерием правильности сделанного выбора является
соответствие УРЗА основным требованиям (селективности, устойчивости и
надежности функционирования), поэтому после выбора варианта УРЗА выполняется
расчет параметров срабатывания (уставок) и проверка чувствительности.
Состав
комплексов УРЗА
Релейная защита предназначена для выполнения трех функций:
срабатывания при КЗ на защищаемом элементе (внутреннее КЗ), несрабатывания при
внешних КЗ и в режимах без КЗ [9]. Невыполнение каждой из этих функций - отказ
(соответственно отказ срабатывания, излишнее срабатывание или ложное
срабатывание). Для повышения надежности применяется резервирование. Наибольшее
внимание уделяется повышению надежности при срабатывании РЗ - резервированию
при отключении КЗ. С этой целью комплекс УРЗА включает в себя основное,
резервное и дополнительные защитные устройства. Основное действует при любых
опасных (для ЭЭС) повреждениях в пределах всего защищаемого элемента с меньшим
временем, чем у других УРЗ. Резервные должны действовать в случае отказа
срабатывания основного УРЗ или выключателей предыдущих (смежных) элементов. С
учетом сказанного комплекс УРЗА выполняется так, чтобы при отказе УРЗ или
выключателя поврежденного элемента КЗ отключалось другими защитными
устройствами или выключателями, выполняющими функции резервных. Известны
следующие основные способы резервирования: ближнее резервирование,
устройства резервирования отказов выключателей (УРОВ) и дальнее
резервирование.
Защитоспособность большинства основных УРЗ ниже 100%,
поэтому, кроме основной и резервной, на ответственных элементах применяется
дополнительная защита. Так, например, для действия при междуфазных КЗ в зоне
нечувствительности токовых направленных и дистанционных УРЗ применяется токовая
отсечка (ненаправленная).
Основные и резервные УРЗ делятся на абсолютно и относительно
селективные. Первые по принципу действия могут срабатывать только при
повреждениях на защищаемом элементе, вторые - как при внутренних, так и при
внешних повреждениях. Абсолютно селективные УРЗ, не имеющие выдержки времени,
целесообразно использовать в качестве основных на линиях высокого и
сверхвысокого напряжения в случаях, когда это требуется по условиям сохранения
устойчивости ЭЭС, то есть когда выдержка времени 2-х ступеней дистанционной
(ДЗ) и токовой защит по указанным соображениям неприемлемы. Допустимость
использования ДЗ как основного УРЗ определяется по приближенному критерию сохранения
устойчивости: в режиме каскадного отключения трехфазного КЗ в начале 2-й зоны
(выключатель с противоположного конца отключен); остаточное напряжение между
фазами должно быть не меньше 60% рабочего. Если это условие не выполняется, как
один из возможных вариантов может быть использовано ускорение действия ДЗ путем
добавления устройства, передающего отключающий сигнал на противоположный конец
ЛЭП по высокочастотному каналу связи.
Большинство КЗ, особенно на воздушных ЛЭП, неустойчивы и при
быстром отключении защитой и последующем быстром же автоматическом включении не
возобновляются. Все линии и часть других элементов оборудуются устройствами АПВ
[1, 2, 3]. На линиях с односторонним питанием применяются устройства
трехфазного АПВ (ТАПВ) однократного (реже - - двукратного) действия. ТАПВ могут
применяться и на линиях с двухсторонним питанием при наличии нескольких (не
менее 3-х) шунтирующих (обходных) связей.
Выбор типа УАПВ диктуется схемой сети, местом и ролью
автоматизируемого элемента в ней, степенью загрузки ЛЭП, типом выключателя и
временными параметрами выключателя и защиты, уровнем тока несинхронного
включения и др.
На ЛЭП с двухсторонним питанием, там, где это возможно,
следует применять наиболее простое НАПВ - в сетях среднего напряжения, на линиях,
не имеющих параллельных связей, при величине тока несинхронного включения,
приемлемой для электрических машин (синхронных генераторов - СГ, компенсаторов
- СК, трансформаторов и автотрансформаторов - АТ) при условии быстрой
ресинхронизации после успешного повторного включения линии [2, 3].
Сети 110 кВ и выше выполняются с эффективно заземленной
нейтралью, поэтому УРЗ от многофазных и однофазных повреждений выполняются с
действием на отключение поврежденного элемента. Вопрос о необходимости
применения в качестве основной защиты от многофазных КЗ, действующей без
выдержки времени при повреждении в любой точке защищаемой линии, решается с
учетом соображений, изложенных в п. 2.1. Необходимость установки такой защиты
может диктоваться и другими соображениями, такими, как сохранение технологии
производства, использование БАПВ, предотвращение перегрева проводников,
обеспечение селективности УРЗ.
На одиночных ЛЭП с двухсторонним питанием и на линиях,
входящих в кольцевую сеть с одним ИП, от многофазных КЗ в качестве основной или
резервной применяется ДЗ, дополненная ТО, а от КЗ на землю - ТЗНП, которая
выполняется направленной, если это требуется для обеспечения селективности. На
приемных концах головных участков кольцевой сети 110 кВ с одним ИП в качестве
основной от многофазных КЗ может быть использована одноступенчатая токовая
направленная защита.
Опираясь на изложенный материал был составлен программный
модуль для расчета электрических величин в комплексе ТКЗ-3000
Программный модуль
|
ВЕЛ
|
3 (IA UAB)
|
|
РЕЖ
|
1
|
|
З-А
|
|
|
ВЕТ
|
39-58
|
|
НСМ
|
1
|
|
МКЗ
|
57
|
|
П/Р
|
1
|
|
ЭЛ
|
404
|
Результаты расчета
|
Подрежим 1
|
|
Отключить
элементы 404
|
|
Вид КЗ 3
|
|
Место КЗ 57
|
UПА 116,10 0
|
|
Суммарные
величины в месте несимметрии
|
|
Z1 (9,887 35,945) I1 1798 -75
|
|
Замеряемые
величины
|
|
39-58
|
I1 1798 -75 UAB 77,43 28
|
|
|
|
|
|
В соответствии с результатами расчета
,43 - Х%
-100%
Х=(77,43/110)*100=70,39%
Т.к.
остаточное напряжение между фазами равно 70,39% от рабочего, то выбираем в
качестве основной защиты шкаф ШДЭ-2802.
. Планирование расчетов аварийных режимов для
целей проектирования УРЗА
Общие сведения.
Расчет уставок УРЗ производится, как правило, по начальному
значению периодической слагающей полного тока КЗ (сверхпереходный ток).
Считают, что благодаря действию установленных на генераторах автоматических регуляторов
и форсировке возбуждения полные токи в ветви КЗ и во всех других ветвях и их
составляющие мало изменяются во времени, особенно при несимметричных
повреждениях, удаленных от генерирующих источников. Это существенно упрощает
расчет УРЗ с выдержкой времени, реагирующих на составляющие нулевой или
обратной последовательности. Возникающая при этом погрешность компенсируется
тем, что уставки УРЗ рассчитываются с запасом, который создается, в частности,
коэффициентом отстройки.
Полные фазные токи и токи прямой
последовательности в ветвях, удаленных от ветви КЗ, в начальный момент времени
могут быть использованы лишь для ориентировочных представлений о значениях
токов в произвольный момент времени и при небольшой длительности повреждения.
Подтверждением правильности выбора
комплекса УРЗА автоматизируемого объекта является проверка соответствия его
основным требованиям: селективности, устойчивости (чувствительности) и
надежности функционирования. Указанные требования должны выполняться в
комплексе.
План расчетов аварийных режимов для целей
проектирования РЗА должен быть в определенной степени избыточным, чтобы не
возникла необходимость в проведении дополнительных расчетов, увеличивающих
время выполнения проекта, в случаях, когда результат проверки чувствительности
неудовлетворителен и требуется указанная выше перестройка УРЗ или использование
более совершенных ИО.
План расчетов аварийных режимов для целей
проектирования РЗА должен быть в определенной степени избыточным, чтобы не
возникла необходимость в проведении дополнительных расчетов, увеличивающих
время выполнения проекта, в случаях, когда результат проверки чувствительности
неудовлетворителен и требуется указанная выше перестройка УРЗ или использование
более совершенных ИО.
План расчетов аварийных режимов для целей
проектирования РЗА должен быть в определенной степени избыточным, чтобы не
возникла необходимость в проведении дополнительных расчетов, увеличивающих
время выполнения проекта, в случаях, когда результат проверки чувствительности
неудовлетворителен и требуется указанная выше перестройка УРЗ или использование
более совершенных ИО.
. Выбор измерительных трансформаторов тока и
напряжения
В общем случае места включения ТА, используемых для защиты,
определяются с учетом относительных вероятностей перекрытий втулок ТА и
относящимся к ним выключателей, необходимостью обеспечения ликвидации КЗ в
любой точке электроустановки, целесообразным выключением ее конструкции и
удобствами эксплуатации.
Просто решается вопрос при ТА, встроенных во втулки выключателей.
Основную защиту присоединения целесообразно включать на ТА втулок, обращенных в
сторону сборных шин, ТА втулок другой стороны могут использоваться, например
для других защит данного присоединения.
Выносные ТА наиболее часто включаются за выключателями в сторону
защищаемого элемента. Для исключения незащищенных точек дифференциальные защиты
секций шин напряжением 6-10 кВ используют ТА, включаемые на стороне вне
защищаемой секции.
Для элементов напряжением 110-220 кВ и особенно при сверхвысоких
напряжениях ТА с двух сторон выключателей в целях экономии не устанавливаются.
Тогда появляются места, при КЗ в которых защиты данной электроустановки не
могут их ликвидировать. Ликвидация таких КЗ осуществляется устройствами,
работающими при отказах выключателей (УРОВ) и выполняющимися дополнительно.
Трансформаторы напряжения включаются на сборные шины или ошиновки,
соединяющие между собой несколько элементов, и применяются одновременно для
защит всех их присоединений. Исключением является, например, питание цепей
напряжения защит линий сверхвысоких напряжений. Оно осуществляется от емкостных
ТV, для которых используются конденсаторы
связи высокочастотных каналов связи по проводам линий. Очевидно, для защиты
необходимо иметь эти емкостные TV на всех трех
фазах.
Выбор измерительных трансформаторов тока.
Выбор ТТ производится по роду установки, по номинальному,
максимальному рабочему или по допустимому току для провода известного сечения.
Вторичный номинальный ток ТТ- 5 А.
Максимальный рабочий ток определяется по максимальному перетоку
мощности по защищаемому элементу в аварийных режимах (определяется
суммированием мощностей нагрузок, проходящих через него).
Выбираем ТТ типа ТВ-110-I-200/5
Основные технические характеристики ТТ
|
ТВ-110-I-200/5
|
|
Класс
напряжения ввода выключателя, кВ
|
Номинальный
ток, А
|
Номинальная
вторичная нагрузка в классе точности, Ом
|
Номинальная
предельная кратность
|
Тип выключателя,
для которого предназначен трансформатор тока
|
|
|
Первичный
|
Вторичный
|
0,5
|
1
|
3
|
10
|
|
|
|
110
|
200/5
|
150
|
5
|
-
|
-
|
-
|
0,8
|
20
|
МКП-110Б-1000/630-20У1
|
Проверка погрешности трансформаторов тока
Определяем кратность тока для трансформатора тока с
соединением обмоток в звезду
по кривой зависимости К=ƒ(ZН) определяем ZДОП.
характеристика 3 - nном=150/5
Коэффициент трансформации данного трансформатора тока 150/5.
ZДОП=1,4
Ом.
Определяем расчетное сопротивление для соединения Y/Y
ZРАС=ZФ+Z0+RПЕР;
ZФ=ZКАБ+ZРЕЛЕ;
Сопротивление через мощность потр. шкафа:
т.к. в ZКАБ входят ZФ и Z0=0,14 Ом
RПЕР=0,1 Ом
ZРАС=0,14+0,48+0,1=0,72
Условие проверки: ZРАС ‹ ZДОП
ZРАС=0,72 ‹
ZДОП=1,4
Условие проверки выполняется, следовательно погрешность выбранного
трансформатора тока не превышает 10%.
Выбор измерительных трансформаторов напряжения
Трансформатор напряжения выбираем по номинальному напряжению
первичной обмотки UНОМ=110 кВ.
НКФ-110-83У1
|
Тип
|
Класс
напряжения, кВ
|
Номинальное
напряжение обмоток, кВ
|
Номинальная
мощность В*А, в классе точности
|
Предельная
мощность, В*А
|
схема
соединения
|
|
|
Первичной
|
Основной
вторичной
|
Дополнительной
вторичной
|
0,2
|
0,5
|
1
|
3
|
|
|
|
НКФ-110-83У1
|
110
|
 100-400600120020001/1/1-0-0
|
|
|
|
|
|
|
|
|
. Согласование действия УРЗ и УАПВ
Производится с целью снижения времени отключения КЗ и
вероятности нарушения устойчивости параллельной работы генераторов ЭЭС.
Применяется ускорение действия защиты до или после АПВ,
поочередное АПВ и др. Первый вариант приемлем при радиальной конфигурации сети
с числом участков не более 3х. УДЗ после АПВ - более универсальный
вариант совместного действия защиты и АПВ, применяемый в случаях, когда линия
оборудована быстродействующей защитой. Поочередное АПВ позволяет ускорить
отключение КЗ, вызывающих снижение напряжения на шинах источника питания ниже
60% от номинального.
Выбор типа УАПВ диктуется схемой сети и местом, ролью
автоматизируемого элемента в ней, степенью загрузки ЛЭП, типом выключателя,
временными параметрами выключателя и защиты, уровнем тока несинхронного
включения и др.
Располагаемых исходных данных недостаточно для проектирования
УАПВ, поэтому ограничимся только общей информацией.
Расчет уставок АПВ
Расчет уставки АПВ в первом цикле:
t1АПВ=tСЗ+tОВ+tДС-tВКЛ+tЗАП,
где tСЗ=tII=tI+Дt=0.03+0.5=0.53 с - выдержка времени второй ступени защиты;
tОВ=0,08 с - время отключения выключателя
МКП-110-1000-20У1.
tДС=0.25 с - время деионизации среды;
tЗАП=0.4-0.5 с - запас времени;
tАПВ=0.53+0.08+0.25-0.45+0.5=0.91 c.
Расчет уставки АПВ для второго цикла
t2АПВ=tmaxСЗ+tmaxВЫК+tЗАП, т.к. время запаса tЗАП=15-20 с. ›› (tmaxСЗ+tmaxВЫК), то принимаем t2АПВ=20 с.
5. Расчет уставок устройств релейной защиты ЛЭП
110 кВ
Расчет токовой направленной защиты нулевой
последовательности
При расчете ТЗНП определяются: токи срабатывания и выдержки
времени отдельных ступеней, необходимость в использовании и тип ОНМ,
чувствительность.
Количество ступеней определяется с учетом особенностей
защищаемой линии. Четырехступенчатая ТЗНП применяется на линиях 110 - 500 кВ
при наличии питания с двух и более сторон. Ступени ТЗНП, кроме последней, являются
токовыми отсечками. Последняя, наиболее чувствительная ступень, предназначена
для дальнего резервирования.
Резервный комплект ШДЭ-2802 содержит двухступенчатые
дистанционную защиту и токовую направленную защиту нулевой последовательности,
блокировку при качаниях (БК) и при неисправностям в цепях напряжения (БН)
(используются блокировки основного комплекта).
Защита выполнена четырехступенчатой, причем первая и вторая
ступени контролируются разрешающим органом направления мощности (ОНМр), а
третья и четвертая ступени - разрешающим или блокирующим OHM (ОНМб). Уставки токовых
ИО (КАN1 - КAN4) регулируются дискретно,
ступенью, равной 10% от минимальной, поэтому после определения тока
срабатывания производится его округление до ближайшего большего значения.
Расчет уставок измерительных органов ТЗНП
Первая ступень выполняется в виде токовой отсечки без
выдержки времени. Ток срабатывания данной ступени отстраивается от
максимального значения периодической составляющей утроенного начального тока
нулевой последовательности, проходящего в месте установки проектируемой защиты
(3*I03), в следующих режимах:
при КЗ на землю на шинах приемной подстанции, когда
параллельная линия отключена и заземлена на обоих концах;
при КЗ одной фазы на землю на параллельной линии у шин
отправной подстанции, когда ближайший к месту повреждения выключатель отключен;
Ток срабатывания первой ступени рассчитывается по выражению:
I 0сз1> kотс*3I03 [4]
komc - коэффициент отстройки, принимаемый равным 1,3
Расчёт уставок первой ступени ТЗНП производим при помощью
программы ТКЗ-3000.
Программный модуль
|
ВЕЛ
|
14 (3I0)
|
|
РЕЖ
|
1
|
|
З-А
|
|
|
ВЕТ
|
39-58
|
|
ОТСТ
|
ЗАЩ=406 СТУП=1
КН=1,3 П/СТ=УСК ЭЛ=4011 НАПР=110 Т=0,05 КТТ=200/5 КТН=110000/100
|
|
НСМ
|
1
|
|
МКЗ
|
61
|
|
П/Р
|
1
|
|
ЭЛ
|
4011/
|
Результаты расчета
|
Расчетные
условия
|
Расчетные
значения
|
Место несим
|
Вид КЗ
|
Режим
|
|
уставка
|
К
|
|
|
|
|
Отстройка
|
1491
|
1,3
|
61
|
1
|
Эл 4011/ 3I0=1147 -77 3U0=-31 0
|
|
1085
|
1,3
|
61
|
1,1
|
Эл 4011/ 3I0=-835 -77 3U0=-22 -1
|
Выбираем для линий W0 уставку по максимуму с учетом коэффициента
отстройки
I1ОСЗ W0=1491 А
Величина уставки во вторичной цепи через коэффициент
трансформации трансформатора тока:
I1ТW0= I1ОСЗW0* 5/IНОМ.ТТ =1491 *
5/150= 49,7 А
Величина уставки входит в диапазон токов срабатывания токовых
ИО.
Вторая ступень выполнена в виде токовой отсечки с выдержкой
времени, большей, чем у ступеней УРЗ предыдущих элементов, с которыми
производится согласование.
Ток срабатывания второй ступени ТЗНП должен быть:
отстроен от КЗ на землю за АТ приемной подстанции на стороне
его смежного напряжения, примыкающей к сети с эффективно заземленной нейтралью;
отстроен от КЗ на землю на шинах подстанции за предыдущим
участком, состоящим из двух параллельных линий, в режиме, когда вторая линия на
рассматриваемом участке отключена и заземлена с обоих концов;
согласован с первой ступенью защиты противоположного конца
параллельной линии (выражение 4.4 в режиме каскадного отключения КЗ на ней);
согласован с первой ступенью защиты предыдущей линии или с
первой ступенью защиты АТ приемной подстанции, установленной на стороне смежного
напряжения (вместо отстройки от КЗ за АТ, если это необходимо для повышения
чувствительности) - по выражению 4.13, для случая цепочки параллельных линий -
при работе обеих линий на предыдущем участке.
При выполнении последнего условия отстройка от КЗ на шинах
подстанции за предыдущим участком может не производиться. Согласование по
чувствительности производится либо графическим способом, либо с использованием
комплекса программ ТКЗ-3000 по выражению
I0 сз ³ котс 3I0 расч,
Программный модуль
|
ВЕЛ
|
|
РЕЖ
|
2
|
|
З-А
|
|
|
ВЕТ
|
39-58
|
|
СОГЛ
|
ЗАЩ=403 СТУП=2
КН=1,1 КН1=1,2 П/СТ=НК ЭЛ=4011 НАПР=110Т=0,5 КТТ=200/5 КТН=110000/100
|
|
З-Б
|
|
|
В-У
|
61-57 3I0=1147
|
|
ДАН
|
ЗАЩ=404 СТУП=1
П/СТ=УСКВЛ ЭЛ=4012 НАПР=110 Т=0,05 КТТ=1000/5 КТН=110000/100
|
|
НСМ
|
2
|
|
ВЕЕР
|
4012/57
|
|
МКЗХ
|
4012/58
|
|
П/Р
|
1
|
|
ЭЛ
|
406
|
Результаты расчета
|
Расчетные
условия
|
Расчетные
значения
|
Место несим
|
Вид КЗ
|
Режим
|
|
уставка
|
К
|
|
|
|
|
Согл. С 1 ступ
1147 Т=0,05 4012 110 кВ защита 404 (61-57)
|
1265
|
1,1
|
Л-4012 57-58 (0,351)
|
1
|
Эл.406 3I0=1151 -77 3U0=32 -180
3I0 (Б)=1146 -77 3U0 (Б)=118 -179
|
|
1265
|
1,1
|
4012/58 ZДОП=0,0 Защ Б. Не раб. IКЗ‹IУСТ Расчет уставки с КТ=1
|
1
|
Эл. 406 3I0=950 -76 3U0=27 -179
3I0 (Б)=947 -76 3U0 (Б)=85 -179
|
|
908
|
1,1
|
Л-4012 57-58
(0,0) Защ. Б не раб на всей линии IКЗ‹IУСТ
|
1,1
|
Эл.406 3I0=43 0 3U0=1 -74 3I0 (Б)=43 0 3U0 (Б)=5 -73
|
|
908
|
1,1
|
4012/58 ZДОП=0,0 Защ Б. Не раб. IКЗ‹IУСТ Расчет уставки с КТ=0,0
|
1,1
|
Эл. 406 3I0=0 0 3U0=1 -74 3I0 (Б)=0 0 3U0 (Б)=2 -73
|
III0 сз =1265 А;
Величина уставки во вторичной цепи через коэффициент трансформации
трансформатора тока:
IIIТW0= III0 сз*5/150=42,17 А;
Величина уставки не входит в диапазон токов срабатывания 2-ой
ступени токовой защиты.
Чувствительность второй ступени оценивается коэффициентом
чувствительности, определяемым как отношение минимального утроенного тока
нулевой последовательности в месте установки защиты к току срабатывания при КЗ
на землю на шинах противоположной ПС. Минимальное значение указанного
коэффициента - 1,5. Приемлемым может быть и меньшее значение коэффициента
чувствительности (1,3) при условии, если имеется надежно действующая при КЗ в
расчетной точке резервная ступень.
Минимальный утроенный ток нулевой
последовательности определяем, как ток короткого замыкания в узле 74 при
включенных обеих линиях.
Программный модуль
|
ВЕЛ
|
14 (3I0)
|
|
РЕЖ
|
1
|
|
З-А
|
|
|
ВЕТ
|
39-56
|
|
НСМ
|
1
|
|
МКЗ
|
61
|
|
П/Р
|
|
ЭЛ
|
402-
|
|
П/Р
|
2
|
|
ЭЛ
|
35-
|
Результат расчета:
I0=775 А
Кч=310/III0сз=775/1265 = 0,62, что не
обеспечивает необходимой чувствительности.
При установке на линии поперечной
направленной диф. защиты нулевой последовательности первая ступень действует
только после отключения выключателя на питающем конце, поэтому ток срабатывания
этой первой ступени может быть принят по условиям чувствительности, т.е. таким,
чтобы прошла чувствительность. Для этого примем ток срабатывания первой ступени
принимаем равным 1494/3=497 А.
Расчет уставки второй ступени рассчитаем в
ТКЗ-3000.
Программный модуль остается прежним, только
изменим 3I0=497
А.
Результаты расчета: III0сз=582 А
Кч=310/III0сз=775/582 = 1,33
Чувствительность второй ступени
обеспечена, чего и требовалось добиться.
Четвертая ступень: Ток срабатывания
четвертой ступени отстраивается от тока небаланса в нулевом проводе ТТ при
внешних трехфазных КЗ (за трансформаторами и на низкой стороне АТ,
установленных на ПС с обеих сторон защищаемой ЛЭП), если выдержка времени
рассматриваемой ступени не больше, чем у защиты от междуфазных повреждений этих
трансформаторов (АТ). Ток срабатывания четвертой ступени определяется по
выражению
0 с з = k отс k пер I0
нб,
где I0нб - ток небаланса в нулевом проводе
ТТ при внешних трехфазных КЗ в установившемся режиме; kотс =
1,25; kпер, учитывающий увеличение тока небаланса в
переходном режиме, принимается равным 2 при выдержке времени четвертой ступени
до 0,1с; 1,5 - при выдержке времени до 0,3 с и 1 - при выдержке более 0,5 - 0,6
с.
Ток небаланса в выражении (4.3) рассчитывается по формуле:
I0 нб = k нб Iрасч,
где Iрасч - максимальное значение фазного
тока в месте подключения защиты при внешнем трехфазном КЗ; kнб -
коэффициент небаланса, значение которого зависит от кратности Iрасч
по отношению к номинальному току ТТ, принимается равным 0,05 при кратности до 2
- 3; 0,05 - 0,1 - при кратности, большей, но не превосходящей 70-80% от
предельной кратности при 10% погрешности ТТ; при больших значениях кратности
расчет тока небаланса производится по выражению, приведенному в Приложении 7
Руководящих указаний [8].
Ток срабатывания четвертой ступени должен быть проверен по
условию отстройки от суммарного тока в нулевом проводе ТТ в нагрузочном режиме:
I0сз = kотс (I0 нб + 3I0
нр) / kв,
где k отс = 1,25; kв -
коэффициент возврата реле; I0 нб - первичный ток небаланса в
нулевом проводе ТТ в нормальном (нагрузочном) режиме, определяется по (4.4), в
котором Iрасч принимается равным максимальному току
нагрузочного режима; I0нр - ток нулевой последовательности,
обусловленный, например, неполнофазным режимом работы смежной линии с
односторонним питанием.
Рассчитаем ток небаланса в ТКЗ-3000.
Программный модуль
|
ВЕЛ
|
3
(IA UAB)
|
|
РЕЖ
|
1
|
|
З-А
|
|
|
ВЕТ
|
39-56
|
|
НСМ
|
1
|
|
МКЗ
|
74
|
|
П/Р
|
1
|
|
ЭЛ
|
4012
|
Результаты расчета: IA=625 А.
I0 нб = k нб Iрасч =0,1*625=62,5 А
k нб=0,1, т.к. кратность трансформатора тока больше
2-3.
0 с з = kотс * k пер*
I0 нб=1,25*2*62,5=156,25 А.
Котс=1,25;
Кпер=2;
Чувствительность четвертой ступени не проверяем.
. Расчет дистанционной защиты ШДЭ-2802
релейный аварийный трансформатор
Общие
сведения о защите
Характеристики срабатывания защиты имеют вид:
- первая ступень - окружность, проходящая через начало
координат;
- вторая ступень - четырёхугольник со смещением в третийй
квадрант;
третья ступень - треугольник, одна из вершин которого
находится в начале координат.
Сопротивление срабатывания дистанционных органов (ДО)
задаётся при угле, равном 75 град., условно называемом углом максимальной
чувствительности (УМЧ - jмч).
Технические данные ДО защиты приведены в Приложении 2.
При проектировании защиты необходимо выбрать вариант защиты и
выполнить:
расчёт уставок ДО 1 - 3 ступеней;
проверку чувствительности 2 и 3 ступеней;
проверку чувствительности 2 и 3 ступеней по току точной
работы;
Первая ступень: выполняется без выдержки
времени, на одиночных и параллельных нетупиковых линиях без ответвлений
отстраивается от КЗ на шинах приемной подстанции.
Сопротивление срабатывания первой ступени первого комплекта:
ZIсз = 0,87*ZW0=0,87*8=6,96 Ом;
ZW0=0,2*40=8 Ом;
По справочнику удельное сопротивление ЛЭП-110 кВ 0,2 Ом/км;
Вторая ступень: Вторая ступень ДЗ в
первую очередь должна быть согласована по времени и по сопротивлению
срабатывания с первыми ступенями ДЗ, установленных на предыдущих участках сети
и направленных в ту же сторону. Так, вторую ступень первого комплекта
необходимо согласовать с первой ступенью третьего комплекта ДЗ по выражению.
Также необходимо согласовать с сопротивлением короткого замыкания за
трансформатором.
Ом

Из рассчитанных сопротивлений выбираем меньшее.
ZIIсз=11,965 Ом.
Для обеспечения селективности и чувствительности для каждой
ступени проводится проверка по току точной работы. (КЧ.Т≥1,3
при минимальном токе КЗ.).
КЧ.Т.= IК.min/IТ.О.Ч., где Iточ - ток 10% погрешности (ток точной работы)
реле
IТ.О.Ч.=6*120=720
А.
КЧ.Т.=1798/720=2,5 ≥ 1,3
Третья ступень: Угол наклона правой боковой стороны ХС ДО третьей ступени
отстраивается от максимального угла сопротивления нагрузки jн расч защищаемой ЛЭП в послеаварийном
нагрузочном режиме с учетом самозапуска двигателей
g ³ jн расч + jдоп,
g = 26+12=38 град.
где jдоп = 12 ° - дополнительный угол,
учитывающий погрешности реле и расчетов параметров нагрузочного режима.
Первичное сопротивление срабатывания третьей ступени
рассчитывается по условию обеспечения требуемой чувствительности при каскадном
отключении металлического КЗ в конце зоны резервирования по выражению
ZIIIсз sin jмч
Kч = ¾¾¾¾¾¾,
Zp sin jp
где Zз и jз соответственно модуль и
угол сопротивления нагрузки в месте подключения рассчитываемого комплекта ДЗ. В
случаях, когда отстройка от нагрузки по углу не обеспечивается, ДО третьей
ступени должен быть отстроен от нее сопротивлением срабатывания. Последнее
рассчитывается по выражению
Zн расч sin jн расч
ZIIIсз £ ¾¾¾¾¾¾¾ = 0,758 Zн расч sin jн расч.
kотс kв sin jмч
В последнем случае необходимо проверить чувствительность
третьей ступени при каскадном отключении КЗ в конце резервируемой (предыдущей)
линии в расчетном режиме, когда сопротивление в месте подключения защиты
максимально.
ZIIIсз=0,758*13,0025*sin(26)=45.6 Ом
Zн расч=ZW0+Zтр11=8+5,0025=13,0025 Ом
jн расч=26 град.
7.
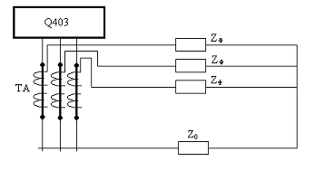
Структурная схема дистанционной и токовой защиты нулевой последовательности
типа ШДЭ-2802
Схема основного комплекта защиты приведена на рисунке. Схема
выполнена в однофазном однолинейном изображении. Приняты следующие обозначения:
KZ1, KZ2, KZ3 - дистанционные органы соответственно 1, 2 и 3
ступени дистанционной защиты;
KAN1, KAN2, KAN3 - органы тока 1, 2 и 3 ступеней токовой защиты
нулевой последовательности; KA4 - орган тока отсечки от междуфазных КЗ;
AKB - блокировка при качаниях;
KBV - блокировка при неисправностях цепей
напряжения;
В схеме дистанционной защиты ШДЭ - 2802 блокировка при
качаниях контролирует быстродействующие ступени с уставками на ввод в действие
,2; 0,4; 0,6 с. Вывод может осуществляться с уставками 3, 6,
9, и 12 с. Контроль медленнодействующих ступеней производится сигналами
блокировки, обеспечивающими их длительный ввод.
В приведенной структурной схеме для упрощения сигналы от
блокировок AKB и KBV (инвертированный) просуммированы на элементе «И - НЕ». Третья
ступень блокировкой при качаниях не контролируется (в реальных условиях это
возможно при недостаточном токе для действия блокировки).
Рис. 7 - 6. Структурная схема защиты
ШДЭ-2801
Логические элементы предусмотрены для блокирования
неисправного УАПВ при устойчивом КЗ на линии (DX8), перевода команды на
повторное включение выключателя в указанном случае на его отключение (DX10), для ускорения
действия защиты после АПВ (DX9).
Для осуществления коммутаций (отключение УРЗ от ТТ с
одновременным закорачиванием вторичных обмоток ТТ, подключение к УРЗ источника
переменного тока для проведения проверок) во вторичных цепях ТТ предусмотрен
испытательный блок SG.
Заключение
При выполнении данной курсовой работы были
рассмотрены основные моменты в проектирование и расчете устройств в релейной
защите и автоматики электроэнергетических систем. Причем это делалось
применительно пусть к учебной, но вполне возможно энергосистеме. Курсовая
работа связана также с конкретным устройством РЗА - комплектом ШДЭ 2802 для
которого были рассчитаны уставки измерительных и дистанционных органов. В
работе учитывались технические характеристики этого устройства, приведена
принципиальная и функциональная схема одного из блоков. В заключении хотелось
бы сказать, что выполнять данный курсовой проект очень помогло учебное пособие
«Релейная защита электроэнергетических систем (Проектирование)», в котором
четко и ясно описано и показано как рассчитывать аварийные режимы. Хотелось бы
чтобы в этом методическом пособии находились таблицы для выбора трансформаторов
тока и напряжения.