Реконструкция системы электроснабжения деревни 'Новая' Княгининского района
Содержание
Введение
Раздел 1. Основные технические решения
1.1 Определение расчетных нагрузок
1.2 Выбор количества, мощности и местоположения подстанции 10/0,4
кВ
Раздел 2. Расчет электрических сетей
2.1 Расчет ВЛ 10 кВ
2.2 Расчет BЛ0,38 кВ
Раздел 3. Проектирование электрической части
3.1 Определение потерь мощности и энергии в сети 0,38 и 10 кВ
3.2 Определение потерь энергии в трансформаторах 10/0,4 кВ
3.3 Определение потерь мощности и энергии в линии 10 кВ
3.4 Определение глубины провала напряжения при пуске асинхронного
двигателя
3.5 Выбор автоматов на подстанциях 10/0,4 кВ и проверка
чувствительности автоматов при однофазных к.з.
3.6 Выбор защиты от грозовых перенапряжений и расчет заземления на
ПС 10/0,4 кВ
3.7 Расчет заземления на ПС
Раздел 4. Специальный вопрос
4.1 Испытания трансформаторов 10/0,4 кВ мощностью 25-630 кВА
4.1.1 Назначение испытаний
4.1.2 Условия и последовательность испытаний
4.1.3 Испытание основных узлов трансформатора
4.1.4 Устройство диагностики состояния изоляции силового электрооборудования
4.1.5 Измерение сопротивления изоляции обмоток
4.1.6 Испытание электрической прочности изоляции приложенным
напряжением
4.1.7 Измерение сопротивления изоляции обмоток
Испытание электрической прочности изоляции индуктированным
напряжением
Введение
Электрификация, включающая производство, распределение и
применение электроэнергии во всех отраслях промышленности, в сельском хозяйстве
и в быту, - основа нормального функционирования и развития человеческого
общества. Современные компьютерные технологии, комфорт в быту и любое
производство немыслимы без электроэнергии.
Электросетевое хозяйство России сегодня включает свыше 3 млн.
км воздушных линий электропередачи напряжением 0,38.1150 кВ и трансформаторные
подстанции общей мощностью 610 тыс. МВА.
В этой области накопилось большое число проблем. Наиболее
важные из них - морально и физически устаревшее электрооборудование (износ
сетей составляет 41%, в том числе подстанционного оборудования - 65%; BJI - 36%; зданий и
сооружений - 23,2%), что приводит к высоким эксплуатационным расходам; слабая
управляемость электрической сети и недостаточный объём устройств регулирования
напряжения и реактивной мощности; низкая степень автоматизации управления;
недостаточная пропускная способность сетей и другие. Свыше 5 тыс. км BJI110-220 кВ и подстанций
общей мощностью 8 млн. кВА подлежат полной замене.
Основная задача агропромышленного комплекса на данном этапе -
увеличение производства конкурентоспособной продукции путем технического
перевооружения животноводства, растениеводства, производства овощей и фруктов,
внедрения автоматизированных, роторно-конвейерных поточно-технологических линий
и роботизированных комплексов; комплексной механизации производства и широкого
использования ЭВМ в управлении технологическими процессами и оборудованием.
Особое значение приобретают проблемы снижения себестоимости
продукции и повышения рентабельности сельскохозяйственного производства.
Настоящий дипломный проект разработан в связи с планированием
развития аграрного сектора экономики Княгининского района Нижегородской области
и необходимостью реконструкции электроснабжения д. Новая.
Реконструкция электроснабжения обусловлена, с одной стороны,
планами введения новых производственных мощностей и развития социальной
структуры, необходимой для их обслуживания. Планом предусмотрен ввод в строй
холодильника на 250 тонн и электрообогреваемой теплицы площадью 300 кв. м, а
также строительство нового жилья и объектов социального обеспечения. С другой
стороны, значительный моральный и физический износ существующей системы
электроснабжения требует ее незамедлительного обновления. Существующие BJIнапряжением 0,4 кВ и
трансформаторные подстанции 10/0,4 кВ не обеспечивают надежного и качественного
электроснабжения существующих и подключения новых потребителей.
Главной задачей на сегодняшний день является бесперебойное
обеспечение населения электроэнергией определенного качества (ГОСТ). От этого в
большей степени зависит работа электроустановок и бытовых приборов, что
увеличивает срок службы.
Целью данного дипломного проектирования является
реконструкция системы электроснабжения деревни "Новая" Княгининского
района с разработкой мероприятий по обеспечению уличного освещения, заменой
силового оборудования и энергосбережению.
электроснабжение энергосбережение электроэнергия
реконструкция
Раздел 1.
Основные технические решения
1.1
Определение расчетных нагрузок
Величины электронагрузок отдельных электроприемников и групп
являются исходными данными для проектирования системы электроснабжения.
При проектировании обычно используют расчетные нагрузки, т.е.
наибольшие значения полной мощности за промежуток времени 0,5 часа в конце
расчетного периода.
Различают дневной SДН. и вечернийSB. максимумы нагрузок
потребителя или группы потребителей. Эти значения определяют по методике
института "Сельэнергопроект".
Для предварительного выбора количества и мощности
трансформаторных ПС 10/04кВ определяем суммарную нагрузку населенного пункта.
Раздельно для дневной и вечерней рассчитываем нагрузки для разных групп
потребителей: жилые дома, коммунальные и культурно-административные
потребители, производственные потребители и наружное освещение.
Для вычисления расчетной нагрузки группы потребителей
используем коэффициенты одновременности, а для определения суммарной нагрузки -
таблицу суммирования нагрузок:
Руд. =4,0 кВт/дом;
Рв. =Руд. ·n· k0; Рд = Руд· п
· k0· kд;
где:
n - кол-во квартир, входящих в группу;
к0 - коэффициент одновременности Рд -
дневная нагрузка Рв - вечерняя нагрузка;
кд - коэффициент дневной (с эл. плитами равен - 0.6);в
- полная вечерняя нагрузка.;д - полная дневная нагрузка.
Данные о потреблении электроэнергии приведены в таблице № 1.
Таблица № 1
|
№
|
Наименование
потребителей
|
Рдн кВт
|
Рвеч. кВт
|
QДН. кВт
|
Qвеч. кВт
|
SДН. кВА
|
Sвеч. кВА
|
|
1
|
Жилые дома
6-квартирные
|
9,2
|
15,4
|
-
|
-
|
10,2
|
16,5
|
|
2
|
Жилые дома
2-квартирные
|
2,78
|
4,6
|
-
|
-
|
3,1
|
4,9
|
|
3
|
Жилые дома
4-квартирные
|
6,92
|
11,6
|
-
|
-
|
7,6
|
12,4
|
|
4
|
Клуб со
зрительным залом на 150 мест
|
4,5
|
13,5
|
2,18
|
6,54
|
5,0
|
15,0
|
|
5
|
Столовая на
75-100 мест
|
13,5
|
4,5
|
6,54
|
2,2
|
15,0
|
5,0
|
|
6
|
Холодильник для
хранения фруктов на 250 тонн
|
36,0
|
36,0
|
27,0
|
27,0
|
45,0
|
45,0
|
|
7
|
Административное
здание
|
4,5
|
4,5
|
2,18
|
2,18
|
5,0
|
5,0
|
|
8
|
Склад для
удобрений
|
10,0
|
6,0
|
7,5
|
4,5
|
12,5
|
7,5
|
|
9
|
Детские
ясли-сад на 50 мест с электроплитой
|
4,5
|
2,7
|
6,0
|
-
|
5,0
|
3,0
|
|
10
|
Теплица на
электрообогреве 300 кв. м
|
57,0
|
114, 0
|
18,7
|
37,5
|
60,0
|
120,0
|
|
11
|
Начальная школа
на 40 учащихся
|
5,4
|
1,8
|
2,6
|
0,87
|
6,0
|
2,0
|
|
12
|
Магазин на 2
рабочих места смешанный ассортимент
|
1,8
|
3,6
|
0,76
|
1,7
|
2,0
|
4,0
|
|
13
|
Поликлиника
|
47,7
|
52,2
|
23,1
|
25,3
|
53,0
|
58,0
|
|
Жилые дома
|
|
|
|
|
|
|
Определение расчетных нагрузок жилых домов
(дневной и вечерний режим)
Расчет электронагрузок 2-квартирных жилых домов:
Рд2= Руд. ·п· k0·
kд=4,0· 2· 0,58· 0,6=2,78 кВт.
Рв2=Руд ·п· k0 =4,0· 2· 0,58=4,6кВт.
Расчет электронагрузок 4-квартирных жилых домов:
Рд4= Руд. ·n·ko·kд=4,0·4·0,72·0,6=6,9кВт.
Рв4=Руд. ·п·k0=4,0·4·0,72=11,6 кВт.
Расчет электронагрузок 6-квартирных жилых домов:
Рд6= Руд·n·k0·kd=4,0·6·0,64·0,6=9,2
кВт.
Рв6= Руд·n·k0 = 4,0·6·0,64=15,4 кВт.
Суммарная расчетная дневная и вечерняя нагрузка жилых домов:
Sдомåд = (S2·16+S4·8+S6·8)
·k0 = (3,1·16+7,6·8+10,2·8) ·0,31 = 59,5 кВА.домåв = (S2·16+S4·8+S6·8) ·k0
= (4,9·16+12,4·8+16,5·8) ·0,31 = 96,0 кВА.
Рв= Руд·n·k0·kmax в=112·4,0·0,16·1,7=121,9
кВт.
Суммарная расчетная электронагрузка коммунально-административных и
коммунально-бытовых потребителей (дневной режим):
Ркдåд= (Рясли-сад +Ршкола+Радм.
+ Р стол +Ркл+Рпол+Рмаг) ·k0=
(4,5+5,4+4,5+13,5+4,5+47,7+1,8) ·0,75 =64,1кВт.
Sкдåд= (Sясли-сад +Sшкола+Sадм. + Sстол +Sкл+Sпол+Sмаг) ·k0= (5+6+5+15+5+53+2)
·0.75=68.3кВА.
Суммарная расчетная нагрузка промышленных потребителей
(дневной режим):
Рпрåд=[ (Ртепл·4) +Рдхолод.
+ Рскл. ]·0,9= (57+36+10) ·0,9=92,7 кВт.
Sпр. д = (60+45+12,5)
·0,75=117,5 кВА.
Суммарная расчетная электронагрузка
коммунально-административных и бытовых потребителей (вечерный режим):
Sкдåд= (Sясли-сад +Sшкола+Sадм. + Sстол +Sкл+Sпол+Sмаг) *k0 =
Ркбåд= (Рясли-сад +Ршкола+Радм.
+ Р стол +Ркл+Рпол+Рмаг) *k0 =
(2,7+1,8+4,5+4,5+15,0+52,2+3,6) *0,75=63,2кВт.
Sкдåд= (Sясли-сад +Sшкола+Sадм. + Sстол +Sкл+Sпол+Sмаг) *k0= (3+2+5+5+15+58+4)
*0,75=92кВА.
Суммарная расчетная нагрузка промышленных потребителей
(вечерний режим):
Рпрåд=[ (Ртепл·4) +Рд холод. +
Рскл. ]·0,95= (120+45+12,5) ·0,95=211,4 кВт.
Расчет наружного освещения (вечерний режим)
Поселковая улица, делящаяся на 2 участка: L1=585mс покрытием простейшего
типа шириной 5м, согласно нормам освещается газоразрядными лампами с расчетной
нагрузкой на 1м длины улицы Р0=ЗВт; L2=390mс асфальтированным
покрытием шириной 7м - Р0=7Вт:
åул. освещ. = (Po·L1+P02·L2)
*10-3= (1015·3+650·7) · 10-3=7595Вт=7,6 кВт.
Расчетная нагрузка освещения площадиS=8400m2составляет:
Pпл=8400*0,5*10-3= 4,2кВт.
Суммарная расчетная нагрузка всех потребителей
(дневной и вечерний режимы)
Sпотреб. åd= Sдомåд+Sкбåд+Snpåd=59,5+68,3+211,4=339,3
кВА.
Sпотреб. åв= Sдомåв+Sкбåв+Snpåв + Såул. освещ. =96+92,0+129,4+8,94=326,3 кВА.
Так как суммарная расчетная мощность вечером и днем
практически одинакова, все остальные расчеты выполняем для режима большей
нагрузки.
1.2 Выбор
количества, мощности и местоположения подстанции 10/0,4 кВ
Основные параметры электроснабжения необходимо выбирать по
критерию минимума приведенных затрат. Однако для выбора оптимального количества
и местоположения подстанций (ПС) 10/0,4 кВ в небольших селениях достаточно
надежных аналитических методов нет. Поэтому количество ПС обычно определяют с
учетом опыта и интуиции инженера проектировщика. В небольших населенных пунктах
количество ПС, как правило, составляет от одной до четырех, причем, стремятся
по возможности питание производственных потребителей осуществлять от отдельных
ПС, или, по крайней мере, от отдельных BЛ0,38 кВ.
Для данного населенного пункта ориентировочно принимаем
сооружение двух ПС мощностью 160кВА и одной ПС мощностью 250кВА. Питание жилых
домов, коммунально-бытовых потребителей и производственных предполагаем
запитывать по отдельным BЛ. К установке принимается комплектная трансформаторная
подстанция, как наиболее экономичная.
Место установки ПС выбираем исходя из расчета центра
нагрузок, а также учитывается удобство местоположения.
К Ф-1 (0,4 кВ) предполагается присоединить 16 жилых домов с
расчетной нагрузкой 4,9 кВА
Sрасч. ж. д= (4,9·3+12,4·8+16,5·5)
·0,6=117,8 кВА.
К Ф-2 (0,4 кВ) предполагается присоединить 16 жилых домов (44
квартиры) с расчетной нагрузкой 16,5 кВА на 6-квартирный дом, 4,9 кВА на
2-квартирный дом, детские ясли-сад - 5,0 кВА, клуб - 15,0 кВА, столовую - 15,0
кВА, общеобразовательную школу - 6 кВА, магазин - 4,0 кВА и поликлинику - 53,0
кВА:
Sрасч. ж. д= (16.5·3+4,9·13) ·0,6=67,7 кВА.
Spacч. =67,9+5+15+15+6+4+53=152,9 кВА.
К ПС З предполагается присоединить холодильник с расчетной
нагрузкой 45 кВА, 4 теплицы с расчетной нагрузкой 30 кВА каждая и склад с
расчетной нагрузкой 12,5 кВА:
Sрacч. = (45+30-4+12,5) ·0,95=
169,2 кВА.
Раздел 2.
Расчет электрических сетей
2.1 Расчет ВЛ
10 кВ
Составление таблицы отклонения напряжения.
Таблица отклонения напряжения составляется для определения
допустимых потерь напряжения в BЛ 10 кВ и 0,38кВ при принятом законе встречного регулирования
напряжения на шинах ПС 110-35/10кВ.
Таблица 2
|
Элемент сети
|
Удаленная ПС
при нагрузке
|
Ближайшая ПС
при нагрузке
|
|
100%
|
25%
|
100%
|
25%
|
|
Потребитель
|
Потребитель
|
Потребитель
|
Потребитель
|
|
Удал.
|
Ближ.
|
Удал.
|
Ближ.
|
Удал.
|
Ближ.
|
Удал.
|
Ближ.
|
|
Шины 10кВ
|
+5
|
+5
|
0
|
0
|
+5
|
+5
|
0
|
0
|
|
Вл10кВ
|
-4
|
-4
|
-1
|
-1
|
0
|
0
|
0
|
0
|
|
Трансф-тор
10/0,4 кВ
|
|
|
|
|
|
|
|
|
|
Потери
|
-4
|
-4
|
-1
|
-1
|
-4
|
-4
|
-1
|
-1
|
|
Надбавки
|
+5,0
|
+5,0
|
+5,0
|
+5,0
|
+2,5
|
+2,5
|
+2,5
|
+2,5
|
|
ВЛ 0,38кВ
|
-7,0
|
0
|
-1,75
|
0
|
-8,5
|
0
|
-2,12
|
0
|
|
Потребитель
|
-5,0
|
+2,0
|
+4,75
|
+3,0
|
-5,0
|
+3,5
|
+3,62
|
+1,5
|
Выбор сечений и расчет потери напряжения в ВЛ10кВ.
Расчетная схема BЛ10кВ с указанием длин участков (км) и расчетных
нагрузок в узлах приведены на чертеже лист№ 1.
Расчет BЛ выполняется для режима вечерних нагрузок, так как эти
последние для всех ТП больше дневных нагрузок.
Результаты расчетов BЛ 10 кВ (BЛ 1)
|
Участок
|
Sрасч., кВА
|
Длина участка, км
|
Марка провода
|
Потеря ΔU%
|
|
|
|
|
на участке
|
от ПС
|
|
0-1
|
570,0
|
12,0
|
АС70
|
1,63
|
1,63
|
|
1-2
|
320
|
0,8
|
АС70
|
0,83
|
2,46
|
|
2-3
|
160
|
0,75
|
АС70
|
0,46
|
2,92
|
В соответствии с магистральным принципом сооружения BЛ10кВ на магистральных
участках этих BJIдолжны монтироваться сталеалюминевые провода АС сечением не менее
70мм2. Для выбора проводов на магистрали определяем полную
эквивалентную мощность и ток магистрали:
Здесьn - участок магистрали, каждый протяженностью li, Si - расчетная мощность на
соответствующем участке:
Согласно расчетам, экономическая плотность тока в сельских BЛ 10 кВ составляет от 0,4
до 0,6 А/мм экономическое сечение провода на магистрали:
Принимаем на магистрали провода сечением АС70.
Для ответвления:
Принимаем провод АС50, Ro=0,65Ом/км, Хо=0,33
Ом/км.
Потерю напряжения на участках определяем по формуле:
Для провода АС70 R0=0,42 Ом/км, Хо=0,366 Ом/км.
Принимаем на магистрали провода сечением АС70.
2.2 Расчет
BЛ0,38 кВ
Выбор количества и трасс BЛ0,38 кВ
В соответствии с расположением ПС 10/04кВ и питающихся от них
потребителей принимаем, что от ПС №1 отходят три BJI0,38кВ, от ПС №2 отходят
триBЛ0,38кВ, а от ПС №3
отходит четыреBЛ0,38кВ.
Трассы их намечаем таким образом, чтобы ВЛ проходили по двум сторонам улиц.
Выбор сечения проводов и расчет потери напряжения в ВЛ 0,38кВ
Подстанция ПС №1
Нагрузки в узлах принимаем по таблице 1, а на расчетных
участках по таблице суммирования нагрузок.
Результаты расчетов BЛ0,38 кВ (ВЛ1)
|
Участок
|
S расч., кВА
|
Длина участка,
км
|
Марка провода
|
ПотеряΔU%
|
|
|
|
|
на участке
|
от ПС
|
|
0-4
|
97,2
|
0,02
|
СИП-2А
3x95+1x70+1x16
|
1,3
|
1,3
|
|
4-3
|
49,5
|
0,06
|
СИП-2А
3x95+1x70+1x16
|
0,32
|
1,62
|
|
3-2
|
33,0
|
0,07
|
СИП-2А
3x95+1x70+1x16
|
0,24
|
1,86
|
|
2-1
|
16,5
|
0,04
|
СИП-2А
3x95+1x70+1x16
|
0,66
|
2,52
|
|
4-5
|
31,2
|
0,04
|
СИП-2А
3x95+1x70+1x16
|
0,62
|
3,14
|
|
5-6
|
14,7
|
0,04
|
СИП-2А
3x95+1x70+1x16
|
0,35
|
3,49
|
|
6-7
|
9,8
|
0,04
|
СИП-2А
3x95+1x70+1x16
|
0,24
|
3,73
|
|
7-8
|
4,9
|
0,04
|
СИП-2А
3x95+1x70+1x16
|
0,1
|
3,83
|
Принимаем для магистрали сечение провода СИП-2А
3x95+1x70+1x16Ro=0,32 Ом/км, Хо=0,097 Ом/км.
На отпайках СИП-2 сечением 2x16 и 4x35.
Потерю напряжения на участках определяем по формуле:
Таблица 7. Результаты расчетов BЛ0,38кВ (BЛ2)
|
Участок
|
S расч., кВА
|
Длина участка,
км
|
Марка провода
|
Потеря ∆U%
|
|
|
|
|
на участке
|
от ПС
|
|
0-5
|
66
|
0,05
|
СИП-2А 3x95+1x70+1x16
|
0,74
|
0,74
|
|
5-6
|
49,5
|
0,04
|
СИП-2А 3x95+1x70+1x16
|
0,69
|
1,43
|
|
6-7
|
33
|
0,04
|
СИП-2А 3x95+1x70+1x16
|
0,57
|
2,0
|
|
7-8
|
16,5
|
0,04
|
СИП-2А 3x95+1x70+1x16
|
0,45
|
2,45
|
Принимаем для магистрали сечение провода СИП-2А3x95+1x70+1x16R0=0,32 Ом/км, Хо=0,097
Ом/км,1доп. нагр. =300А.
Потерю напряжения на участках определяем по формуле:
Подстанция ПС №2
Нагрузки в узлах принимаем по таблице 1, а на
расчетных участках по таблице суммирования нагрузок.
Таблица 8. Результаты расчетов BЛ 0,38 кВ (ВЛ1)
|
Участок
|
Sрасч., кВА
|
Длина участка,
км
|
Марка провода
|
Потеря ΔU%
|
|
|
|
|
на участке
|
от ПС
|
|
0-1
|
63
|
0,02
|
СИП-2А
3x95+1x70+1x16
|
1,7
|
1,7
|
|
1-2
|
57
|
0,04
|
СИП-2А
3x95+1x70+1x16
|
0,9
|
2,6
|
|
2-3
|
53
|
0,04
|
СИП-2А
3x95+1x70+1x16
|
0,5
|
3,2
|
|
3-4
|
38
|
0,07
|
СИП-2А
3x95+1x70+1x16
|
0,3
|
3,5
|
|
4-5
|
21,5
|
0,04
|
СИП-2А
3x95+1x70+1x16
|
0,5
|
4,0
|
|
5-6
|
5
|
0,06
|
СИП-2А
3x95+1x70+1x16
|
0,24
|
4,24
|
Принимаем для магистрали сечение провода СИП-2А
3x95+1x70+1x16R0=0,32 Ом/км, Хо=0,08 Ом/км,1доп. нагр. =300А.
Потерю напряжения на участках определяем по формуле:
Таблица 9. Результаты расчетов BЛ0,38кВ (BЛ2)
|
Участок
|
Sрасч., кВА
|
Длина участка,
км
|
Марка провода
|
Потеря Δ U%
|
|
|
|
|
на участке
|
от ПС
|
|
0-6
|
63,7
|
0,02
|
СИП-2А3x95+1x70+1x16
|
1,5
|
1,5
|
|
6-5
|
58,8
|
0,02
|
СИП-2А
3x95+1x70+1x16
|
0,65
|
2,15
|
|
5-4
|
53,9
|
0,02
|
СИП-2А
3x95+1x70+1x16
|
0,63
|
2,78
|
|
4-3
|
49
|
0,02
|
СИП-2А
3x95+1x70+1x16
|
0,53
|
3,31
|
|
3-2
|
44,1
|
0,02
|
СИП-2А
3x95+1x70+1x16
|
0,41
|
3,72
|
|
2-1
|
39,2
|
0,02
|
СИП-2А
3x95+1x70+1x16
|
0,38
|
4
|
|
6-7
|
34,3
|
0,02
|
СИП-2А
3x95+1x70+1x16
|
0,35
|
4,45
|
|
7-8
|
29,4
|
0,02
|
СИП-2А
3x95+1x70+1x16
|
0,3
|
4,75
|
|
8-9
|
24,5
|
0,02
|
СИП-2А
3x95+1x70+1x16
|
0,25
|
5,0
|
|
9-10
|
19,6
|
0,02
|
СИП-2А
3x95+1x70+1x16
|
0,2
|
5,2
|
|
10-11
|
14,7
|
0,02
|
СИП-2А
3x95+1x70+1x16
|
0,18
|
5,38
|
|
11-12
|
9,8
|
0,02
|
СИП-2А
3x95+1x70+1x16
|
0,15
|
5,53
|
|
12-13
|
4,9
|
0,02
|
СИП-2А
3x95+1x70+1x16
|
|
5,63
|
|
|
|
|
|
|
|
Принимаем для магистрали сечение провода СИП-2А
3x95+1x70+1x16 Ro=0,32 Ом/км, Хо=0,097 Ом/км. На отпайках СИП-2
сечением 2x16 и 4x35.
Потерю напряжения на участках определяем по формуле:
Таблица 10. Результаты расчетов BЛ 0,38 кВ (BЛ3)
|
Участок
|
S
расч., кВА
|
Длина участка,
км
|
Марка провода
|
Потеря ΔU%
|
|
|
|
|
на участке
|
от ПС
|
|
0-5
|
94,5
|
0,05
|
СИП-2А
3x95+1x70+1x16
|
0,74
|
0,74
|
|
5-6
|
89,5
|
0,04
|
СИП-2А
3x95+1x70+1x16
|
0,69
|
1,43
|
|
6-7
|
31,5
|
0,04
|
СИП-2А
3x95+1x70+1x16
|
0,57
|
2,0
|
|
7-8
|
16,5
|
0,04
|
СИП-2А
3x95+1x70+1x16
|
0,45
|
2,45
|
Принимаем для магистрали сечение провода СИП-2А
3x95+1x70+1x16R0=0,32Ом/км, Хо=0,097 Ом/км, 1доп. нагр=300А.
Потерю напряжения на участках определяем по формуле:
Подстанция ПС №3
Нагрузки в узлах принимаем по таблице 1, а на расчетных
участках по таблице суммирования нагрузок.
Таблица 11. Результаты расчетов BJI0,38 кВ (BJI1)
|
Участок
|
S
расч., кВА
|
Длина участка,
км
|
Марка провода
|
Потеря ΔU%
|
|
|
|
|
на участке
|
от ПС
|
|
0-1
|
60
|
0,05
|
СИП-2А
3x95+1x70+1x16
|
1,8
|
1,8
|
|
1-2
|
30
|
0,02
|
СИП-2А
3x95+1x70+1x16
|
1,6
|
3,4
|
Принимаем для магистрали сечение провода СИП-2А
3x95+1x70+1x16R0=0,32 Ом/км, Хо=0,097 Ом/км, 1доп. нагр=300А.
Потерю напряжения на участках определяем по формуле:
Таблица 12. Результаты расчетов BЛ 0,38 кВ (BЛ2)
|
Участок
|
S
расч., кВА
|
Длина участка,
км
|
Марка провода
|
ПотеряΔ U%
|
|
|
|
|
на участке
|
от ПС
|
|
0-1
|
60
|
0,05
|
СИП-2А3x95+1x70+1x16
|
1,8
|
1,8
|
|
1-2
|
30
|
0,02
|
СИП-2А3x95+1x70+1x16
|
1,6
|
3,4
|
Принимаем для магистрали сечение провода СИП-2А
3x95+1x70+1x16 R0=0,32 Ом/км, Хо=0,097 Ом/км1доп. нагр=300А.
Потерю напряжения на участках определяем по формуле:
Таблица 13. Результаты расчетов BЛ 0,38 кВ (BЛ3)
|
Участок
|
S
расч., кВА
|
Длина участка,
км
|
Марка провода
|
ПотеряΔ U%
|
|
|
|
|
на участке
|
от ПС
|
|
0-1
|
57,5
|
СИП-2А
3x95+1x70+1x16
|
1,8
|
1,8
|
|
1-2
|
12,5
|
0,04
|
СИП-2А
3x95+1x70+1x16
|
1,6
|
3,4
|
Принимаем для магистрали сечение провода СИП-2А
3x95+1x70+1x16 R0=0,32 Ом/км, Хо=0,097 Ом/км, 1доп. нагр=300А.
Потерю напряжения на участках определяем по формуле:
Раздел 3.
Проектирование электрической части
3.1
Определение потерь мощности и энергии в сети 0,38 и 10 кВ
Потери мощности и энергии в сети 0,38 кВ в BJIи ПС 10/04кВ - важные
технико-экономические показатели этой сети, оказывающие заметное влияние на
величину приведенных затрат на сеть.
Определение потерь мощности и энергии в сети 0,38 кВ
Непосредственный прямой расчет потерь мощности в BЛ по величине активного
сопротивления каждого участка сети и тока участка: ΔP=3*I2*R.
Потери мощности в BЛ для каждого участка сети рассчитываем по
формуле: ΔP%=0,7*ΔU%;
Потери мощности в кВт находят по формуле:
где: 
и 
соответственно расчетная мощность и коэффициент мощности головного
участка, значения которых приведены в табл.14.
Потери энергии ΔW, кВт ч, в каждой линии определяют по формуле:
ΔW=ΔP*τ; кВт*ч,
где:
τ - время максимальных потерь, значение
которого зависит от коэффициента заполнения графика нагрузки К3,
коэффициента формыКф, а также от времени, за которое определяются
потери энергии.
Анализ типовых графиков сельских потребителей показал, что
значение τ можно вычислить
по приближенной формуле:
τ= (0,16*К3+0,84*К32)
*Т;
где: К3 - коэффициент заполнения сезонного или годового
графика нагрузки, а Т - число часов, для которого вычисляются потери. Для года
Т=8760 ч.
Учитывая, что для годового графика:
можно записать:
Значение годового потребления энергии для каждой BЛ,
рассчитывается по формуле:
=Pгол*Тmax;
Таблица 14. Годовое потребление энергии, потери мощности и
энергии в BЛ0,38кВ.
|
№ ПС
|
№ линии
|
ΔU,%
|
ΔР,%
|
Ргол,
кВт
|
ΔР,
кВт
|
τ,
ч/год
|
ΔW, кВт
|
Т max ч/год
|
W
тыс. кВт/ч
|
|
1
|
5,75
|
4,02
|
40,02
|
1,61
|
800
|
1288
|
2200
|
88,04
|
|
1
|
2
|
6,37
|
4,46
|
58,34
|
2,6
|
500
|
1300
|
1600
|
93,34
|
|
3
|
6,47
|
4,53
|
58,34
|
2,64
|
500
|
1320
|
1600
|
93,34
|
|
1
|
5,59
|
3,91
|
28,4
|
1,11
|
500
|
555
|
1600
|
45,44
|
|
2
|
2
|
5,45
|
3,82
|
43,98
|
1,68
|
800
|
1344
|
2200
|
96,75
|
|
3
|
6,47
|
4,53
|
58,34
|
2,64
|
500
|
1320
|
1600
|
93,34
|
|
3
|
1
|
5,75
|
4,02
|
40,02
|
1,61
|
800
|
1288
|
2200
|
88,04
|
|
2
|
6,37
|
4,46
|
58,34
|
2,6
|
500
|
1300
|
1600
|
93,34
|
|
3
|
6,47
|
4,53
|
58,34
|
2,64
|
500
|
1320
|
1600
|
93,34
|
|
Итого:
|
9,64
|
-
|
5807
|
|
416,9
|
Таким образом, в среднем по населенному пункту потери
электроэнергии в BЛ0,38кВ составляют:
ΔW/W*100%=5807/416910*100%=1.39%.
от полезной потребленной электроэнергии.
3.2
Определение потерь энергии в трансформаторах 10/0,4 кВ
Годовые потери энергии в трансформаторе с номинальной
мощностьюSHопределяют по формуле:
ΔW =ΔРх*8760 + ΔРк* (Smax/Sном) 2*τ;
где:
ΔРХ иΔРК - соответственно потери холостого хода и короткого
замыкания в трансформаторе при номинальной нагрузке и номинальном напряжении,
кВт; Smax - расчетная нагрузка трансформатора, кВА; τ - годовое число часов потерь, ч/год; 8760 число часов в году.
Значение ΔРх и ΔРК принимают по каталожным данным, значениеSmax - по результатам
расчетов, а значение т можно определить по эмпирической формуле:
где Тmax - годовое число использования максимума
нагрузки, тогда для смешенной нагрузкиТтах =3400 ч/год.
Таблица 15. Потери энергии в трансформаторах ПС 10/0,4кВ.
|
№ ПС
|
Sном кВА
|
Smax, кВА
|
ΔРХ
кВт
|
ΔРк,
кВт
|
Тmax ч/год
|
τ, ч/год
|
ΔW, кВт
|
|
1
|
160
|
143
|
0,33
|
1,97
|
2400
|
1130
|
4864
|
|
2
|
160
|
153
|
0,33
|
1,97
|
2400
|
1130
|
4864
|
|
3
|
250
|
211
|
0,51
|
2,65
|
3000
|
936
|
5984
|
|
Итого:
|
15712
|
Таким образом, суммарные годовые потери энергии в BЛ0,38кВ и в
трансформаторах 10/0,4кВ равны:
ΔW=ΔWвл+ΔWт=5807+8848=14655кВт*ч,
что составляет примерно 3,4% от общего электропотребления.
3.3
Определение потерь мощности и энергии в линии 10 кВ
Потери мощности в BЛдля каждого участка сети рассчитываем по
формуле:
ΔP%=0,7*U%=0,7*4,05=2,835%.
Потери мощности в кВт находят по формуле:
ΔP=2,835/100*587,2*0,85=14,15
кВт.
где: 
и
соответственно расчетная мощность и коэффициент мощности головного
участка.
Потери энергииΔW, кВт*ч, в каждой линии определяют по
формуле:
ΔW=ΔP*τ=14,15*1570=22215,5 кВт*ч,
где: τ - время
максимальных потерь, значение которого зависит от коэффициента заполнения
графика нагрузки Кэ, коэффициента формы Кф, а также от
времени, за которое определяются потери энергии.
Анализ типовых графиков сельских потребителей показал, что
значение τ можно
вычислить по приближенной формуле:
τ= (0,16
К3+0,84
К32) 
Т,
где: К3 - коэффициент заполнения сезонного или годового
графика нагрузки, а Т - число часов, для которого вычисляются потери. Для года
Т=8760 ч.
Учитывая, что для годового графика:
можно записать:
Значение годового потребления энергии для каждой BЛ,
рассчитывается по формуле:
=Pгол
Тmax;
W=499.12
3400=1697008 кВ
ч
Таким образом, суммарные годовые потери энергии в BЛ 10 кВ и в трансформаторах 35/10кВравны:
ΔW=ΔWeл+ΔWm=22215,5+115067,4=137282,9кВт∙ч,
что составляет примерно 8,1% от общего электропотребления.
3.4
Определение глубины провала напряжения при пуске асинхронного двигателя
Согласно ГОСТ 13109-97 "Электрическая энергия.
Требования к качеству электрической энергии в электрических сетях общего
назначения" провалам напряжения называют внезапное значительное понижение
напряжения, за которым следует восстановление напряжения до первоначального или
близкого к нему уровня через промежуток времени от нескольких периодов до
нескольких десятков секунд. Глубиной провала напряжения называют разность между
номинальным значением напряжения и его минимальным действующим значением в
течение провала (в % от номинального значения напряжения).
В сельских электрических сетях провалы напряжения наиболее
часто возникают при пуске короткозамкнутых асинхронных двигателей,
мощностькоторых соизмерима с мощностью трансформатора. При недопустимом
снижении напряжения пуск двигателя может оказаться безуспешным, так как
вращающий момент двигателя, в том числе и пусковой, пропорционален квадрату
действующего значения напряжения. Кроме того, может произойти
"опрокидывание", т.е. остановка работающих двигателей.
ГОСТ 13109-97 пока не нормирует глубину провала напряжения и
его длительность, однако в практике сельской электрификации принято, что при
пуске двигателя понижение напряжения на его зажимах может составлять до 30%
номинального напряжения. Напряжение на зажимах работающих двигателей при пуске
не должно снижаться более чем на 20% от номинального напряжения.
Обычно глубину провала напряжения определяют на зажимах
пускаемого двигателя, для чего используют формулу:
где: Zc=ZТ+ZЛ - полное сопротивление сети;TиZЛ
- соответственно полные сопротивления трансформатора и линии, питающей
двигатель;э. п - полное сопротивление двигателя при пуске.
Расчет выполнен для двигателя 4A100S4У3 (исполнение по
степени защиты IP44, способ охлаждения ICA0141) мощностьюРн= 3,0 кВт, η=82%,cosφ=0,83, Кi=6,0.
Двигатель установлен в холодильнике для хранения на 50т.
Пункт питается от воздушной линии, присоединенной к ПС №1. Линия выполнена проводом
сечением жил СИП-2А 3x95+1x70+1x16, длина линии - 335м + 75м СИП - 2А
3x35+35x1.
Сопротивление трансформатора:
где: UK%=4,5% - напряжение короткого замыкания
трансформатора;ном, кВ и Sном, кВА -
соответственно номинальное напряжение и мощность трансформатора.
Тогда:
Сопротивление ВЛ 0,38 кВ:
Zл=Z0∙l;
где l - длина КЛ, км;

;

,
где:
R0и Х0
- соответственно погонные сопротивления провода СИП 3х95+1х70+1х16 и СИП-2А
2х35+35х1.
Тогда:
Zл = 0,33∙0,335+2,3∙0,075=0,28
Ом/км.
Сопротивление двигателя при пуске:

;
где: Рд. н. - номинальная мощность двигателя;
кВт; η=0,88 -
КПД двигателя, отн. ед.;φ=0,91 -
коэффициент мощности двигателя;
Ki=7,0 - кратность пусковоготока двигателя.
Тогда:
Глубина провала напряжения:
и для пускаемого двигателя допустима.
3.5 Выбор
автоматов на подстанциях 10/0,4 кВ и проверка чувствительности автоматов при
однофазных к.з.
На всех BЛ0,38кВ, отходящих от ПС 10/0,4кВ, устанавливаются
автоматические воздушные выключатели (автоматы). Они предназначены для
отключения BЛпри
аварийных и ненормальных режимах (короткие замыкания, перегрузки, исчезновение
или снижение напряжения), а также для нечастых включений и отключений BJI (от 2
до 6 час.).
На комплектных трансформаторных ПС мощностью до 160кВА
включительно, как правило, устанавливают автоматы серии A37000 или АЕ-2000.
Данные об автоматах, устанавливаемых на отходящих линиях 0,38кВ, приведены в
табл.13.
Таблица 16
|
№ ПС
|
№ ВЛ
|
Sном трансформатора, кВА
|
S расч. кВА
|
Iрасч А
|
Тип автомата
|
I ном,
А
|
Номинальный ток
теплового расцепителя, А
|
Установка тока
мгновенного срабатывания электромагнитного расцепителя, А
|
Предельно
отключаемый ток, кА
|
|
1
|
1
|
160
|
50,03
|
76,01
|
АЕ-2056
|
100
|
80
|
960
|
9
|
|
2
|
160
|
64,82
|
98,48
|
А3714Б
|
160
|
100
|
1000
|
75
|
|
3
|
160
|
64,82
|
98,48
|
А3714Б
|
160
|
100
|
1000
|
75
|
|
2
|
1
|
100
|
35,5
|
53,94
|
А3714Б
|
80
|
80
|
1000
|
18.36
|
|
2
|
100
|
54,97
|
83,52
|
АЕ-2056
|
100
|
100
|
300
|
9
|
|
2
|
100
|
54,97
|
83,52
|
АЕ-2056
|
100
|
100
|
300
|
9
|
|
3
|
2
|
100
|
54,97
|
83,52
|
АЕ-2056
|
100
|
100
|
300
|
9
|
|
2
|
100
|
54,97
|
83,52
|
АЕ-2056
|
100
|
100
|
300
|
9
|
|
2
|
100
|
54,97
|
83,52
|
АЕ-2056
|
100
|
100
|
300
|
9
|
Проверка условий выбора автоматов по чувствительности
Автоматы выбирают, исходя из условий:
. Номинальное напряжение автоматаUae ≥Uc,
гдеUc - напряжение сети.
2. Номинальный ток теплового расцепителяIт. р. н.
≥Кн∙Iнач, гдеКн - коэффициент
надежности в пределах 1,1.1,3.
. Предельный допустимый ток отключения автомата Iо. пр>I (3) К.
max, гдеI (3) К. max - максимальное значение
тока при трехфазном коротком замыкании (к. з.) за автоматом.
Для трансформатора мощностью,Sн=160 кВА:
Условие соблюдается, так как 5,132 кА<74кА;
5,132кА<9кА.
Для трансформатора мощностью Sн=100 кВА.
Условие соблюдается, так как 3, 208 кА<18.36кА; 3,
208кА<9кА.
с. о. =1,25∙Iнач,
где Iнач - расчетный ток нагрузки. При этом
ток установки срабатывания электромагнитного расцепителяIэ. р. у.
>I с. о.
. Коэффициент чувствительности отсечки (электромагнитного
расцепителя):
Где I (2) К - ток двухфазного к. з. в
месте установки автомата.
Ток за трансформатором 160 кВА:
Ток за трансформатором 100 кВА.
. Коэффициент чувствительности теплового
расцепителя:
где I (1) к - ток однофазного к. з. в
наиболее удаленной точке защищаемого участка линии.
где Zт - полное сопротивление трансформатора току замыкания на
корпус;
Z" - полное сопротивление петли "фазный провод -
нулевой провод".

,
Где Rф иRn -
активные сопротивления фазного и нулевого проводов, аХп -
индуктивное сопротивление петли. Для трансформатора сSн=100 кВА и схемы
соединения обмоток "звезда - звезда с нулем"ZТ=1,07, а для
трансформатора Sн=160kBA - Zt=0,7.
Рассмотрим ПС №1:
Для BЛ№1 петлю "фазный провод - нулевой
провод" составляют 2 провода сечением СИП-2А 95 и 70 (Rф.0=0,32
Ом/км,Rн.0=0,493 Ом/км). Длина петли 0,715км, Хn=0,080м/км.

;
Так как номинальный ток тепловогорасцепителяIm. p.
н=80А, то:
Так как Кч. т. р. больше 3, то необходимая
чувствительность на BЛ №1 обеспечена.
Для BЛ№2 петлю "фазный провод - нулевой
провод" составляют 2 провода сечением СИП-2А 95 и 70 (Rф.0=0,32
Ом/км, Rн.0=0,493 Ом/км). Длина петли 0,48км, Хn=0,08Ом/км.
Тогда:

,
Так как номинальный ток теплового расцепителя Iт. р. н. =80А, то:
Так какКчтр больше 3, то необходимая чувствительность
на BЛ№2 обеспечена.
Для BЛ№3 петлю "фазный провод - нулевой
провод" составляют 2 провода сечением СИП-2А 95 и 70 (Rф.0=0,32
Ом/км, Rн.0 =0,493 Ом/км). Длина петли 0,49км, Хn=0,080м/км.
Тогда:

;
Так как номинальный ток теплового расцепителя Impн =80А, то:
Необходимая чувствительность защиты от однофазных к. з. на BЛ№3 обеспечена.
Рассмотрим ПС №2:
Для BЛ №3 петлю "фазный провод - нулевой
провод" составляют 2 провода сечением СИП-2А 50 Ом/км, (Rф.0=0,641
Ом/км, Rн.0=0,720 Ом/км). Длина петли 0,55км, Хn=0,08
Ом/км.
Тогда:

;
Так как номинальный ток тепловогорасцепителя Im. p. н =80А, то:
Так как Кч. т. р. меньше 3, но больше 2,1 (3≥Кч.
т. р. ≥2,1), чтобы обеспечить чувствительность на этой линии
необходимо приобрести КТП, в которой в нулевом проводе установлено реле,
благодаря этому будет обеспечена чувствительность.
Для BЛ№2 петлю "фазный провод - нулевой
провод" составляют 2 провода сечением СИП-2А 70 (Rф.0=0,443
Ом/км, Rн.0=0,493 Ом/км). Длина петли 0,26км, Хn=0,08
Ом/км.
Тогда:

;
Так как номинальный ток тепловогорасцепителяIm. p. н =80А, то:
Необходимая чувствительность защиты от однофазных к. з. на BЛ №2 обеспечена.
Таблица 17. Результаты проверки чувствительности защиты BJI0,38 кВ от однофазных к.
з.
|
№ ПС
|
№ ВЛ
|
SH0Mтрансформатора, кВА
|
ZT,
Ом
|
Zn,
Ом
|
|
|
1
|
|
0,7
|
0,584
|
3,52
|
|
1
|
2
|
160
|
0,7
|
0,392
|
3,68
|
|
3
|
|
0,7
|
0,4
|
3,63
|
|
1
|
|
0,7
|
0,75
|
2,6
|
|
2
|
2
|
160
|
0,7
|
0,294
|
3,77
|
|
3
|
|
0,7
|
0,244
|
3,83
|
|
1
|
|
0,65
|
0,356
|
2,86
|
|
3
|
2
|
250
|
0,65
|
0,432
|
2,92
|
|
3
|
|
0,65
|
0,425
|
3,48
|
Выбор плавких ставок предохранителей для защиты
трансформаторов ПС 10/0,4кВ и проверка селективности их защиты на ступенях 10 и
0,38кВ
Номинальный ток плавкой вставки предохранителей ПТК,
устанавливаемых на стороне 10 кВ, выбирают по условию отстройки об бросков
намагничивающего тока. Для трансформаторов 10/0,4кВ с Sн=160кВА,
номинальный ток плавкой вставки составляет 20А, а для трансформаторов с Sн
=250кВА - 25А. Затем проверяют выбранную вставку на селективность при
отключении автоматов на стороне 0,38кВ. Селективность будет обеспечена, если
при к. з. за автоматом последует его отключение (время срабатывания tкз)
и только после его отказа со ступенью селективности Δt произойдет плавление вставки.
Селективность будет обеспечена, если время плавления вставкиtв:
где Кп=0,9 - коэффициент приведения каталожного
времени плавления вставки ко времени ее разогрева.
Полное время срабатывания автомата с учетом разброса его
характеристики tк. з=0,03с, ступень селективности примемΔt= 0,5с.
Ток при трехфазномк. з. за автоматом для трансформатора с Sн=100
кВА составляет:
а для трансформатора мощностью Sн=160кВА:
Соответственно на стороне 10 кВ токи составят:
По амперсекундным характеристикам плавких вставок
предохранителей ПТКдля плавкой вставки с Iн=20А при токе
122,2А время плавления составляет 0,5с и tв>0,5с. Для вставки с
1= 25А при токе 195,5А время плавления также составляет 0,5с. Таким образом и
для трансформатора 160кВА, и 250кВА селективность соблюдается.
Так же с целью обеспечения надежности электроснабжения
потребителей в соответствии с магистральным принципом сооружения BЛмагистраль ВЛ 10 кВ
выполнена проводами АС70, а все ВЛ0,38кВ - проводами сечением 95 мм2.
3.6 Выбор
защиты от грозовых перенапряжений и расчет заземления на ПС 10/0,4 кВ
Защита от грозовых перенапряжений
Для защиты населения и животных от грозовых перенапряжений на
всех ВЛ0,38кВ заземляются крюки или штыри фазных проводов, а также нулевой
провод.
Сопротивления этих заземляющих устройств не более 30 Ом, а
расстояния между ними не более 200м для районов с числом грозовых часов в году
до 40 и не более 100м с числом грозовых часов в году более 40 (что имеет место
для рассматриваемого населенного пункта). Кроме того, заземляющие устройства
выполняются:
на опорах с ответвлениями к вводам в помещения, в которых
может быть сосредоточено большое количество людей (школа, ясли и т.п.), или
которые представляют большую хозяйственную ценность. Для рассматриваемого
населенного пункта такими объектами являются школа, сельская амбулатория, баня,
столовая, детские ясли-сад, административное здание, теплица зимне-весенняя, 4
- квартирные дома, а также магазин;
на конечных опорах линий, имеющих ответвления к вводам. При
этом наибольшее расстояние от соседнего защитного заземления этих же линий должно
быть не более 100м при числе грозовых часов от 10 до 40. Кроме того, в
указанных местах устанавливаются низковольтные вентильные разрядники типа РВН.
Для перечисленных выше заземляющих устройств используются заземляющие
устройства повторных заземлений нулевого провода.
Повторно заземления нулевого провода необходимы (в случае
обрыва нулевого провода) для уменьшения напряжения на зануленных частях при
замыкании на них за точной обрыва. Повторные заземления нулевого провода
выполняют на концах магистралей и ответвлений BЛдлиной более 200м, а
также на вводах в здание, внутри которых зануляется оборудование. От
электроприемников, расположенных вне здания и подлежащих занулению, до
ближайшего повторного заземления или до заземления нейтрали трансформатора должно
быть не более 100м.
Сопротивление каждого из повторных заземлений на ВЛ 0,38 кВ
должно быть не более 30 Ом, а их общее сопротивление не более 10 Ом. В
соответствии с изложенным выполняют следующее количество повторных заземлений
(табл. №15).
Таблица 15
|
№ ПС
|
№ ВЛ
|
Объекты, где
устанавливаются повторные заземления
|
Количество
повторных заземлений
|
Общее
сопротивление заземлений
|
|
1
|
2, 11, 13, 14
|
11
|
2,73
|
|
1
|
2
|
2x9
|
9
|
3,3
|
|
3
|
2x9
|
9
|
3,3
|
|
1
|
5,6,7
|
7
|
4,3
|
|
2
|
2
|
10
|
3
|
10
|
|
3
|
2x9
|
9
|
3,3
|
3.7 Расчет
заземления на ПС
Заземляющее устройство (ЗУ) ПС10/0,4кВ одновременно
используют при напряжениях ниже и выше 1000В. Поэтому согласно ПУЭ
сопротивление ЗУ должно:
где: - расчетный ток замыкания на землю, А.
Ток I определяется по формуле:
где Uн= 10кВ - номинальное напряжение;в,
lккм - длина соответственно воздушных линий и кабелей, электрически
соединенных между собой (отходящих от общих шин).
В нашем случае lк=0, а общая длина воздушных линий
10 кВ, отходящих от ПС35/10кВ, составляет 255,2км. Тогда:
К ЗУ на ПС10/0,4кВ присоединяется и нейтраль трансформатора
10/0,4кВ. Поэтому согласно ПУЭ, сопротивление этих ЗУ должно быть не более 4
Ом. Это сопротивление должно быть обеспечено с учетом использования
естественных заземлителей (в нашем случае их нет), а также заземлителей
повторных заземлений нулевого провода BJI0,38кВ (количество BJIне менее двух). При этом
сопротивление заземлителя, расположенного в непосредственной близости от
нейтрали трансформатора, должно быть не более 30 Ом (при линейном напряжении
380В). Удельное сопротивление земли р более 100 Ом-м допускается увеличение
этих норм в 0,01 р раз, но не более десятикратного.
Выполним подробный расчет заземления ПС10/0,4кВ №1 с тремя
отходящими линиями. Тогда число повторных заземлений нулевого провода (табл.
№15) равно 29, а их общее сопротивление 1,03 Ом.
Таким образом, при учете повторных заземлений обеспечивается
величина сопротивления ЗУ R<4 Ом.
Однако, как уже отмечалось, в непосредственной близости от
нейтрали трансформатора должен находиться заземлитель с сопротивлением не более
30 Ом (при удельном сопротивлении грунта, р<1000м-м). Так как 30 Ом>17,1
Ом (17,10м - предельная величина сопротивления ЗУ по величине тока замыкания на
землю), то на ПС необходимо выполнить ЗУ с сопротивлением R<17,1Ом. Примем
следующие исходные условия для расчета ЗУ.
Заземляющие устройства выполняются в виде прямоугольного
контура и горизонтально проложенной на глубине 0,8 м круглой стали диаметром
10мм и из расположенных по этому контуру вертикальных стержней из угловой стали
40x40x4 мм длиной 1в= 3 м, отстоящих друг от друга на одинаковом
расстоянии а=1в=3 м. Наш населенный пункт находится в третьей
климатической зоне. Удельное сопротивление земли ρ=40 Ом-м.
Расчетное значение удельного сопротивления грунта находим по
формуле:
ρρ=К∙ρ,
где
К - коэффициент сезона,
Кв-1,5 для вертикальных заземлителей,
Кг=2,2 - для горизонтальных заземлителей на
глубине 0,8м [1].
Тогда расчетное значение удельного сопротивления грунта
составит:
ρρ=К∙ρ= 90 Ом-м для вертикальных стержней и
рр=К∙р=132 Ом для горизонтальных
заземлителей.
Сопротивление одного стержня из угловой стали, верхний конец
которого находится на глубине до 0,8м, находим по формуле:
Где l=lв - длина стержня,
В - ширина полки уголка, м (В =40мм=0,04м).
Тогда:
Ориентировочное число вертикальных стержней без учета их
взаимного экранирования:
Однако со стороны входа на ПС для выравнивания потенциала
должны располагаться 2 вертикальных стержня, причем пройти на территорию ПС
можно как с одной стороны, так и с другой. Поэтому принимаем п=4.
При п=4 и a/l= 1 коэффициент использования вертикальных
стержней в замкнутом контуре ηв. к. = 0,5. Тогда
результирующее сопротивление всех вертикальных стержней с учетом их взаимного
экранирования:
Сопротивление горизонтального заземлителя длиной lг=п∙а=4∙3=12м:

lg=
Где d - диаметр заземлителя, м; t - глубина заложения, м.
Тогда:
Коэффициент использования горизонтального заземлителя в замкнутом
контуре с 4 вертикальными стержнями при a/l= 1 составляет ηв. к. =4,5. Тогда с учетом экранирования стержнями результирующее
сопротивление горизонтального замкнутого контура:
Результирующее сопротивление всего ЗУ:
что соответствует условию R<17,1Ом.
Аналогично выполняется расчет ЗУ для ПС №2 и ПС №3.
Раздел 4.
Специальный вопрос
4.1 Испытания
трансформаторов 10/0,4 кВ мощностью 25-630 кВА
4.1.1
Назначение испытаний
В задачу испытаний входит как выявление прямых дефектов, так
и тщательная проверка соответствия основных характеристик трансформатора
требованиям ГОСТ, техническим условиям и расчету.
В процессе производства и эксплуатации трансформаторы
неоднократно подвергаются электрическим испытаниям.
На предприятии-изготовителе испытания составляют один из
элементов контроля качества трансформаторов и проводятся как на отдельных
стадиях их изготовления, так и в собранном состоянии, с установленными на них
деталями и узлами, которые могут оказать влияние на результаты испытания.
Подвергаются испытаниям также основные узлы трансформатора и некоторые
магнитные, проводниковые и изолирующие материалы, которые применяются при его
изготовлении. Вне предприятия-изготовителя трансформаторы подвергаются
испытаниям перед включением в работу, при профилактических и капитальных
ремонтах или в тех случаях, когда по данным измерений появляется сомнение в их
исправности. В зависимости от характера испытаний (заводские, профилактические,
после ремонта) и места их проведения (завод, мастерская, место установки)
возможны некоторые особенности в их организации и выборе оборудования.
Независимо от мощности каждый трансформатор после сборки подвергают испытаниям
для определения дефектов, исключающих возможность нормальной эксплуатации его.
Но задачи заводских испытательных станций не могут и не должны ограничиваться
только проверкой отсутствия таких дефектов (витковые замыкания, пробой, обрыв и
т.п.). В процессе производства могут быть допущены нарушения и отступления от
технологии и чертежей, которые ухудшают эксплуатационные качества
трансформатора. Так, например, если в магнитопроводе не доложена активная
электротехническая сталь, то это не исключает возможности эксплуатации
трансформатора, но такое отступление увеличивает потери в стали и
намагничивающий ток. Увеличение потерь влечет за собой повышенный нагрев
магнитопровода; процесс старения масла и изоляции протекает более интенсивно, и
срок службы трансформатора сокращается. Увеличение потерь и намагничивающего
тока приводит к снижению к. п. д. трансформатора, излишней затрате
электроэнергии и повышению стоимости эксплуатации. К таким же последствиям
приводит и применение обмоточной меди уменьшенного сечения.
Могут быть и другие дефекты, которые, не исключая возможности
эксплуатации трансформатора, ведут к ухудшению его технических характеристик, к
снижению качества и сокращению срока его службы. Поэтому, помимо выявления
дефектов, в задачу испытательных станций входит также определение основных характеристик,
влияющих на качество трансформаторов (потери и ток холостого хода, потери и
напряжение короткого замыкания) и являющихся их паспортными данными. Следует
также иметь в виду, что анализ тщательно снятых характеристик позволяет вносить
коррективы в расчеты трансформаторов и повышать их технические и экономические
характеристики. По характеру дефектов и результатам испытаний можно судить о
состоянии производства.
Объем испытаний трансформатора класса напряжения 10/0,4 кВ.
В заводские испытания входят контрольные и типовые испытания.
Контрольным испытаниям подвергается каждый вновь изготовленный трансформатор, а
также трансформатор, подвергавшийся ремонту.
Типовым испытаниям на заводе-изготовителе подвергается один
из первых образцов вновь изготовленного типа трансформатора.
В программу испытаний трансформаторов и автотрансформаторов
мощностью 25-630 кВА и более по ГОСТ 11677 входят следующие пункты:
Проверка коэффициента трансформации ГОСТ 3484.
Проверка группы соединения обмоток ГОСТ 3484.
Измерение сопротивления обмоток постоянному току ГОСТ 3484.
Проверка пробы масла из бака трансформатора (испытание
электрической прочности, измерение тангенса угла диэлектрических потерь) ГОСТ
6581 и 982.
Измерение характеристик изоляции (измерение сопротивления
изоляции, измерение тангенса диэлектрических потерь и емкости) ГОСТ 3484.
Испытание электрической прочности изоляции напряжением,
приложенным от постороннего источника частоты 50 Гц и индуктированным
напряжением в самом трансформаторе ГОСТ 1516.
Измерение потерь и тока холостого хода (опыт холостого хода)
ГОСТ 3484. Измерение потерь холостого хода при малом напряжении ГОСТ 3484.
Измерение напряжения и потерь короткого замыкания ГОСТ 3484. Испытание
трансформаторов на плотность ГОСТ 3484-65.
Испытание переключающих устройств для трансформаторов с ПБВ
ГОСТ 8008-67.
К типовым испытаниям относят следующее:
Импульсные испытания изоляции (для трансформаторов с
нормальной изоляцией) ГОСТ 1516-68.
Испытание на нагрев ГОСТ 3484-65.
Испытание на устойчивость при коротком замыкании (для
трансформаторов мощностью до 63 МВА) ГОСТ 3484-65.
Испытание бака на механическую прочность при вакууме (для
масляных трансформаторов мощностью 1 ООО кВ А и выше) по методам
завода-изготовителя Испытание бака на механическую прочность при повышенном
внутреннем давлении (для масляных и герметизированных трансформаторов) по
методу завода изготовителя.
Кроме того типовым испытаниям подвергается каждая вновь
разработанная конструкция и конструкция, ранее испытанная, но в которую были
внесены конструктивные или технологические изменения, а также если произведена
замена применяемых материалов, причем указанные изменения или замена могут
оказать существенное влияние на работу трансформатора.
Объем контрольных и типовых испытаний силовых трансформаторов
общего назначения определяется ГОСТ 11677-65 а методы испытаний ГОСТ 3484-65.
Программа испытаний силовых трансформаторов регламентируется ГОСТ 11677-65. Но
имеется значительное число специальных трансформаторов малых мощностей, которые
испытываются по своим техническим условиям. Испытания этих трансформаторов в
большинстве случаев имеют меньше испытательных операций, чем это
предусматривается ГОСТ 11677-65.
4.1.2 Условия
и последовательность испытаний
Трансформаторы подвергаются испытаниям в собранном состоянии
с установленными на них всеми деталями и узлами, которые могут оказать влияние
на результаты испытания. Например, если испытать изоляцию без установленных на
крышке трансформатора расширителя, выхлопной трубы, кранов, которые нормально
монтируются на крышке трансформатора, то изоляционное расстояние между вводами
и этими узлами окажется непроверенным. Однако допускается проводить контрольные
испытания трансформаторов без навесных радиаторов, так как они не влияют на
характеристики, определяемые при этих испытаниях. Проводить испытание на нагрев
без навесных радиаторов недопустимо, так как в результате уменьшения объема
масла и поверхности охлаждения трансформатор перегреется выше нормы, и будут
искажены результаты испытания. Если у трансформаторов мощностью до 1000 кВА
включительно до полной сборки была проведена проверка коэффициента
трансформации и группы соединения обмоток, измерено сопротивление обмоток
постоянному току, потерь и напряжения короткого замыкания, то эти испытания в
собранном виде допускается не производить. Однако при этом следует иметь в
виду, что если при полной сборке вводятся новые контактные соединения
(например, подсоединение отводов к вводам) или возможно неправильное
подсоединение отводов к вводам фаз, то проверку группы соединения обмоток и
измерение сопротивления обмоток постоянному току следует повторить.
На заводе-изготовителе испытания проводятся при температуре
окружающего воздуха от 10 до 35 град С.
ГОСТ 3484-65 для ряда испытаний предписывает определенную
последовательность, которая определяется следующими соображениями:
A) Испытания высоким напряжением не должны проводиться до
проверки отсутствия грубых дефектов, которые могли бы привести к повреждению
изоляции при испытании. Например, пробой электрической прочности изоляции
трансформатора может быть вызван низким качеством залитого масла,
неудовлетворительной сушкой трансформатора, наличием влаги в изоляции и
загрязнением трансформатора. Поэтому до испытания трансформатора приложенным
напряжением необходимо проверить качество масла, которым залит трансформатор, и
измерить сопротивление изоляции обмоток. Только после того как испытатель
убедился в том, что масло по своей электрической прочности удовлетворяет нормам
и сопротивление изоляции обмоток достаточно, можно приступить к испытанию
электрической прочности изоляции.
Б) При испытании электрической прочности изоляции приложенным
напряжением возможно повреждение изоляции отдельных витков в результате
частичных разрядов (неполный пробой изоляции), которые по какой либо причине не
были замечены испытателем. В результате может произойти замыкание между витками
или пробой витковой изоляции. Поэтому испытание изоляции индуктированным
напряжением следует проводить всегда после испытания приложенным напряжением.
B) При испытании электрической прочности изоляции
индуктированным напряжением в последние секунды испытания или в момент снятия
напряжения может произойти пробой витковой изоляции. Чтобы это явление не
осталось незамеченным, следует после испытания изоляции индуктированным
напряжением провести опыт холостого хода.
Таким образом, при испытании необходимо соблюдать следующую
последовательность:
1) испытание электрической прочности масла;
2) измерение сопротивления изоляции обмоток;
3) испытание электрической прочности изоляции приложенным
напряжением;
4) испытание электрической прочности изоляции индуктированным
напряжением;
5) опыт холостого хода.
При опыте короткого замыкания из-за неудовлетворительной
пайки в обмотке, отводах или плохого контакта в переключателе может обгореть
контактная поверхность и привести к обрыву цепи или значительному увеличению
переходного сопротивления контакта. Такое повреждение можно обнаружить только
измерением сопротивления обмоток постоянному току. Поэтому измерение
сопротивления обмоток постоянному току рекомендуется проводить после опыта
короткого замыкания.
Измерение коэффициента трансформации и определение группы
соединения обмоток определенной последовательностью не обуславливается. На
основании изложенного, возможна и такая последовательность испытательных
операций:
1) испытание электрической прочности масла;
2) измерение сопротивления изоляции обмоток;
3) определение коэффициента трансформации;
4) проверка группы соединения обмоток;
5) испытание электрической прочности изоляции приложенным
напряжением;
6) опыт короткого замыкания;
7) испытание электрической прочности изоляции индуктированным
напряжением;
8) опыт холостого хода;
9) измерение сопротивления обмоток постоянному току.
4.1.3
Испытание основных узлов трансформатора
Магнитопровод
Магнитопровод изготовляется из листов электротехнической
стали толщиной 0,35или 0,5 мм, изолированных друг от друга изоляционным
покрытием иизолированных в свою очередь от остальных металлических деталей,
крепящихлисты электротехнической стали и магнитопровод в целом.
Такими деталями являются прессующие шпильки и ярмовые балки.
В качествеизоляции их от стали применяют прокладки из электрокартона и
изоляционныетрубки.
Соприкосновение прессующих металлических деталей с листами
электротехнической стали может привести к образованию витка, замкнутого через
активную сталь, или замыканию некоторых ее листов. Подобный дефект приводит к
увеличению потерь, значительным местным нагревам магнитопровода, а иногда
вызывает пожар в стали и аварийное отключение работающего трансформатора. Цель
испытания магнитопровода заключается в проверке надежности изоляции прессующих
шпилек и ярмовых балок от электротехнической стали. У трансформаторов мощностью
от 1000 кВ А и выше испытания проводятся мегомметром с напряжением 2500 Вв
течение 1 мин.
Испытание изоляции
Для обеспечения длительной надежной работы трансформаторов
изоляция их выбирается на напряжение выше номинального и выполняется с
определенным запасом электрической прочности. Для контроля качества выполнения
изоляции проводится испытание ее повышенным напряжением.
Испытания электрической прочности изоляции проводятся в
соответствии с ГОСТ 1516-68.
Контрольные испытания электрической прочности изоляции
состоят из:
А) испытания приложенным напряжением от
постороннего источника частотой 50 Гц в течение 1 мин;
Рис. 1. Схема испытания изоляции прессующих шпилек
магнитопровода
Б) испытания индуктированным напряжением в самом
трансформаторе. Время испытания определяется в зависимости от частоты.
Существует два вида изоляции: внешняя и внутренняя, причем
испытательные напряжения внешней изоляции выше, чем для внутренней. Под внешней
изоляцией понимается часть изолирующего устройства (конструкция), где
изолирующей средой является атмосферный воздух. Основным признаком внешней
изоляции является ее зависимость от атмосферного воздуха.
Под внутренней изоляцией понимается часть трансформатора,
изолированного от внешней среды изолирующего устройства, где изолирующей средой
является жидкий, полужидкий или твердый диэлектрик и электрическая прочность
которой определяется пробоем промежутков в этой среде или перекрытием в жидком
или полужидком диэлектрике по изолирующим поверхностям. Основным признаком
внутренней изоляции таких трансформаторов является ее независимость от
атмосферных условий. При контрольных испытаниях собранного
трансформаторапроверяется его внутренняя изоляция. Перед испытанием
электрической прочности изоляции проводят испытание пробивной прочности
трансформаторного масла и измерение сопротивления изоляции обмоток.
4.1.4
Устройство диагностики состояния изоляции силового электрооборудования
В качестве объектов исследования мы выбрали силовые
трансформаторы, которые установлены в распределительных сетях Княгининского
района. В настоящее время в эксплуатации находится большое количество силовых
трансформаторов - более 70%, отработавших свой срок службы. В соответствии с
ГОСТ 11677-85 "Трансформаторы силовые. Общие технические условия"
этот срок составляет 25 лет.
Опыт эксплуатации силовых трансформаторов показывает, что и
после нормативного срока службы значительная часть трансформаторов сохраняет
свою способность при соблюдении допустимых нагрузочных режимов, своевременном
проведении ремонтов и качественном их выполнении.
Для своевременной диагностики и повышения эксплуатационной
надежности трансформаторов наиболее предпочтительным является применение
неразрушающих методов испытаний и диагностики корпусной изоляции. Поэтому в
качестве прибора диагностирования неразрушающим методом авторами разработано
новое устройство для объективной оценки качества высоковольтной изоляции по
напряжению саморазряда и возвратному напряжению, на которое получен патент РФ
[2]. Устройство предназначено для оценки качества главной изоляции
высоковольтных электрических машин, трансформаторов и кабелей. Оценка состояния
главной изоляции электрооборудования определяется на основе комплекса измерений
или многопараметрического тестирования с тем, чтобы дефекты, не выявленные
одним методом, могли бы выявляться другими методами.
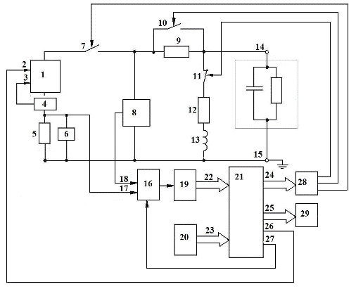
Структурная схема предлагаемого устройства для контроля
качества электрической изоляции представлена на рис.2. Устройство содержит
источник испытательного напряжения 1 с управляющим входом 2, по которому
устанавливается значение выходного напряжения источника испытательного
напряжения и входом 3 для быстродействующего отключения источника,
бесконтактное токовое реле 4, эталонный резистор 5, ограничитель напряжения 6,
зарядный ключ 7, масштабный преобразователь напряжения 8, дополнительный
резистор 9, дополнительный ключ 10, разрядный ключ 11, разрядный резистор 12,
индуктивную катушку13, выходные выводы 14 и 15 устройства. К выходным выводам
устройства подключают "землю" и объект испытания, представляющий
собой параллельное соединение конденсатора, емкость которого равна емкости
испытуемого объекта, и резистора, представляющего собой сопротивление утечки
изоляции испытуемого объекта.
Кроме того устройство содержит двухвходовой управляемый
коммутатор 16 с первым 17 и вторым 18 информационными входами и управляющим
входом, аналого-цифровой преобразователь 19, устройство ручного ввода
информации от органов управления (клавиатура) 20, программируемый контроллер
(комплексный цифровой элемент высшего функционального уровня) с двумя каналами
ввода информации 22 и 23 и двумя каналами 24 и 25 вывода информации.
Канал 22 служит для ввода диагностической информации, а канал
23 - для ввода информации от органов ручного управления - клавиатуры), Канал
вывода 24 служит для вывода управляющих команд, а канал 25 - для вывода
диагностической информации. Аналоговый выходной канал 26 служит для управления
напряжением источника питания, а дискретный выходной канал 27 - для управления
двухвходовым коммутатором. Устройство сопряжения 28 с объектом управления
служит для включения обмоток высоковольтных реле. Устройство отображения
информации 29 служит для считывания результатов измерений. Диаграмма
срабатывания высоковольтных ключей устройства приведена на рис. 2.
Рис. 2. Структурная схема нового устройства для контроля
качества электрической изоляции
Для измерения напряжения саморазряда изоляцию необходимо
зарядить от высоковольтного источника питания. После этого заряженную изоляцию
отключают от источника питания и подключают к измерительному прибору.
Напряжение на изоляции uc при разряде ее на
собственное сопротивление утечки называют напряжением саморазряда. Возвратное
напряжение uв измеряют на изоляции после отключения заряженной изоляции от
источника напряжения и кратковременного ее разряда на землю.
Цикл измерения параметров неоднородной высоковольтной
изоляции включает в себя семь стадий (рис.3): 1 - предварительный разряд
изоляции на землю (ключи 7 и 10 разомкнуты, ключ 11 замкнут); 2 - заряд
изоляции (ключи 7 и 10 замкнуты, ключ 11 разомкнут); 3 - саморазряд изоляции
(ключи 7 и 11 разомкнуты, ключ 10 замкнут); 4 - повторный заряда изоляции
(ключи 7 и 10 замкнуты, ключ 11 разомкнут); 5 - включение добавочного резистора
при повторном заряде (ключ7 замкнут, ключи 10 и 11 разомкнуты); 6 -
кратковременный разряд изоляции на землю (ключи 7 и 10 разомкнуты, ключ 11
замкнут); 7 - измерение возвратного напряжения (ключи 7 и 11 разомкнуты, ключ
10 замкнут).
Рис. 3. Диаграмма срабатывания высоковольтных ключей
устройства
Функциональная схема устройства диагностики показана на
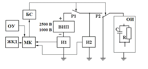
рис.4.
Рис. 4. Структурная схема устройства для измерения напряжения
саморазряда и возвратного напряжения
По приведенной схеме для измерения рассмотренных выше
параметров: сопротивления изоляции, кривой саморазряда и возвратного напряжения
было разработано устройство, которое снабжено программируемым микроконтроллером
и позволяет измерять каждый из указанных параметров изоляции в течение одной
минуты через каждую секунду. На рис. 3 обозначены:
ВИП - высоковольтный источник питания с напряжением 1000 В и
2500 В,
ОИ - объект испытания, Р1, Р2 - высоковольтные управляемые
реле, И1 - измеритель тока, И2 - измеритель напряжения, МК - программируемый
микроконтроллер, БС - блок сопряжения, ЖКД - жидкокристаллический дисплей, ОУ -
органы управления.
С помощью этого прибора были измерены параметры изоляции
различных трансформаторов. На рис.5 показаны полученные авторами с помощью
разработанного прибора реальные зависимости напряжения саморазряда главной
изоляции от времени для распределительных трансформаторов с разными сроками
эксплуатации: 1 - новый трансформатор при вводе его в эксплуатацию), 2 - после
10 лет эксплуатации, 3 - после 28 лет эксплуатации, 4 - после полного срока
эксплуатации более 40 лет, когда трансформатор полностью выработал свой ресурс.
Нагрузка трансформаторов составляла 70-80% от номинальной [13, с.47].
Рис. 5. Кривые саморазряда главной изоляции трансформаторов с
разными сроками эксплуатации
4.1.5
Измерение сопротивления изоляции обмоток
Величина сопротивления изоляции, если технологический процесс
изготовления трансформатора был правилен, зависит от размера трансформатора,
количества и рода изоляции. Эти условия затрудняют установление норм допустимой
минимальной величины сопротивления изоляции.
Для трансформаторов с рабочим напряжением до 35 кВ значения
сопротивления изоляции должны укладываться в пределы 450 Мом (при 10°С) и 40
МОм (при 70°С). Сравнение значений сопротивлений изоляции, измеренных перед
выпуском трансформатора с завода и перед включением его в эксплуатацию, в
сочетании с другими показателями позволяют судить о степени увлажненности
трансформатора и возможности включения его в работу без дополнительной сушки.
Вместе с тем при оценке результатов измерения сопротивления изоляции необходимо
учитывать значения сопротивления изоляции, ранее измеренные на однотипных
трансформаторах. Если они резко отличаются в сторону снижения, то надо устанавливать
причину снижения, а при необходимости подвергнуть повторной сушке, даже если
сопротивление изоляции не выходит за пределы нормированного значения.
По инструкции СН 171-61 величина сопротивления изоляции перед
включением трансформатора в эксплуатацию не должна быть ниже 70% значения,
измеренного на заводе при одинаковой температуре.
Такой метод определения допустимой величины сопротивления
изоляции является достаточно надежным, так как сушка в заводских условиях
проводится при вакууме не менее 70-72 см рт. ст. и при температуре 100-105°С,
что позволяет в достаточной степени удалить влагу из изоляции.
В протоколе испытания трансформатора должна указываться
температура, при которой производилось измерение.
Отсчеты сопротивления производят дважды через 15 и 60 секунд
после появления напряжения на испытываемом трансформаторе.
Измерение сопротивления изоляции трансформаторов класса
напряжения выше 10 кВ может производиться мегомметром типа МС-06 напряжением
2500 В с пределами показаний от 1 до 10000, от 0,1 до 100, от 0,01 до 10 МОм.
4.1.6
Испытание электрической прочности изоляции приложенным напряжением
При испытании изоляции приложенным напряжением частотой 50 Гц
в течение 1 минуты проверяется его внутренняя изоляция. Перед испытанием
электрической прочности изоляции проводят испытание пробивной прочности
трансформаторного масла и измерение сопротивления изоляции обмоток.
4.1.7
Измерение сопротивления изоляции обмоток
Величина сопротивления изоляции, если технологический процесс
изготовления трансформатора был правилен, зависит от размера трансформатора,
количества и рода изоляции. Эти условия затрудняют установление норм допустимой
минимальной величины сопротивления изоляции.
Для трансформаторов с рабочим напряжением до 35 кВ значения
сопротивления изоляции должны укладываться в пределы 450 Мом (при 10°С) и 40
МОм (при 70°С). Сравнение значений сопротивлений изоляции, измеренных перед
выпуском трансформатора с завода и перед включением его в эксплуатацию, в
сочетании с другими показателями позволяют судить о степени увлажненности
трансформатора и возможности включения его в работу без дополнительной сушки.
Вместе с тем при оценке результатов измерения сопротивления изоляции необходимо
учитывать значения сопротивления изоляции, ранее измеренные на однотипных
трансформаторах. Если они резко отличаются в сторону снижения, то надо
устанавливать причину снижения, а при необходимости подвергнуть повторной
сушке, даже если сопротивление изоляции не выходит за пределы нормированного
значения.
По инструкции СН 171-61 величина сопротивления изоляции перед
включением трансформатора в эксплуатацию не должна быть ниже 70% значения,
измеренного на заводе при одинаковой температуре.
Такой метод определения допустимой величины сопротивления
изоляции является достаточно надежным, так как сушка в заводских условиях
проводится при вакууме не менее 70-72 см рт. ст. и при температуре 100-105°С,
что позволяет в достаточной степени удалить влагу из изоляции.
В протоколе испытания трансформатора должна указываться
температура, при которой производилось измерение.
Отсчеты сопротивления производят дважды через 15 и 60 секунд
после появления напряжения на испытываемом трансформаторе.
Измерение сопротивления изоляции трансформаторов класса
напряжения выше 10 кВ может производиться мегомметром типа МС-06 напряжением
2500 В с пределами показаний от 1 до 10000, от 0,1 до 100, от 0,01 до 10 МОм.
Испытание электрической прочности изоляции приложенным
напряжением
При испытании изоляции приложенным напряжением частотой 50 Гц
в течение 1 минуты проверяется электрическая прочность каждой обмотки (включая
отводы и вводы) по отношению к другим обмоткам, а также по отношению к баку,
магнитопроводу и другим заземленным частям трансформатора. К примеру, для
трансформатора класса напряжения 35 кВ испытательное напряжение изоляции
обмотки ВН одноминутное составит 85 кВ.
Схема состоит из испытательного трансформатора, в цепь
первичной обмотки которого, включены вольтметр и амперметр. Между испытательным
трансформатором и испытываемым включается активное сопротивление для
ограничения величины тока при пробое изоляции.
Рис. 2 Схема испытания изоляции приложенным напряжением
При испытании вводы испытываемой обмотки трансформатора
замыкают накоротко и подключают к испытательному трансформатору. Вводы другой
обмотки также замыкают накоротко и вместе с баком трансформатора или
магнитопроводом у трансформаторов с естественным воздушным охлаждением (сухих)
заземляют. Напряжение к первичной обмотке испытательного трансформатора
подводится от генератора переменного тока с регулируемым возбуждением или от
регулировочного автотрансформатора.
Напряжение поднимают плавно и величину его устанавливают по
вольтметру, исходя из коэффициента трансформации испытательного трансформатора.
Подводимое напряжение будет равно:
Где Ul - напряжение по вольтметру, В;исп -
испытательное напряжение, В;
К - коэффициент трансформации испытательного трансформатора.
При испытании возможно изменение величины коэффициента
трансформации испытательного трансформатора за счет влияния емкости испытуемых
трансформаторов. Поэтому испытательная установка должна быть отградуирована
шаровыми разрядниками с подключенными испытываемыми трансформаторами
аналогичных типов. По результатам градуировки вносится соответствующая поправка
в показания вольтметра. Если одновременно испытывается партия трансформаторов,
то градуировка установки производится с подключением такой же партии
трансформаторов. Однако практика показала, что в стационарных установках с
практически синусоидальной формой кривой подводимого напряжения нет
необходимости в градуировке установки при испытательных напряжениях до 100 кВ.
При испытательных напряжениях превышающих 100 кВ, или при
испытаниях трансформаторов со значительной емкостью, которая может исказить и
завысить коэффициент трансформации испытательного трансформатора, измерять
испытательное напряжение следует непосредственно на стороне ВН при помощи
шаровых разрядников.
При пробое изоляции испытываемого трансформатора вторичная
обмотка испытательного трансформатора окажется замкнутой накоротко (через
землю) и приборы, включенные в цепь его первичной обмотки, покажут увеличение
тока и снижение напряжения.
Повреждение в испытываемом трансформаторе проявляется потрескиванием
и разрядами внутри трансформатора и выделением дыма из пробки расширителя или
из дыхательной пробки на крышке у трансформаторов с масляным охлаждением, не
имеющих расширителя. Поэтому при испытании изоляции пробка на крышке или
расширителе должна быть открыта и трансформатор следует прослушивать с
соблюдением всех правил техники безопасности.
В некоторых случаях в трансформаторе при испытании изоляции
возможны потрескивания, не связанные с повреждением или дефектом изоляции. Так,
при испытании изоляции возможны слабые разряды из-за того, что какая-нибудь
металлическая деталь в трансформаторе не заземлена. Такие потрескивания носят
характер групповых или отдельных слабых разрядов с перерывами в продолжение
всего времени испытания.
Возможны отдельные разряды в первой половине минуты, которые
потом прекращаются. Они могут быть вызваны воздушными включениями в масле
илиизоляции. В подобных случаях трансформатору следует дать дополнительный
отстой в продолжение 10-12 ч.
Пробой трансформатора при испытании может произойти
вследствии:
- недостаточного расстояния или неправильного выбора
соотношения изоляций снеодинаковыми диэлектрическими постоянными, что может
создать чрезмерную напряженность поля на каком-либо участке;
- нарушения технологического процесса, неправильного выполнения
изоляции, вогнутости стенок бака внутрь и связанного с этим уменьшения
изоляционного расстояния от токоведущих частей до бака, нарушения правильного
режима сушки, загрязненности;
- низкого качества примененных изоляционных материалов.
4.1.8
Испытание электрической прочности изоляции индуктированным напряжением
При испытании изоляции приложенным напряжением остается
неиспытанной так называемая "продольная изоляция обмотки", т.е.
изоляция обмотки между витками, слоями, отдельными секциями и фазами.
Испытательное напряжение между витками можно получить только индуктированным
напряжением. Эта изоляция в зависимости от конструкции обмотки, расположения
витков и величины напряжения на виток подвергается воздействию напряжением
различной величины.
Рис. 3 Схема измерения напряжения шаровым разрядником
Как правило, величина испытательного напряжения не должна
превосходить двойного номинального из-за опасности перекрытия между фазами. При
этом испытании к одной из обмоток подводят двойное номинальное напряжение этой
обмотки, а вторая обмотка остается разомкнутой. Обе обмотки в этом случае
находятся под напряжением, пропорциональным числу их витков. Обычно удобнее
подводить напряжение к обмотке НН.
Проводить испытание двойным индуктированным напряжением при
частоте 50 Гц практически невозможно.
Рис. 4 Кривая зависимости тока холостого хода от подводимого
напряжения
На рисунке 4 показана кривая зависимости тока холостого хода
Iо от подводимого напряжения Uдля трансформатора мощностью 250 кВА с расчетной индукцией
15000 Гн при номинальном напряжении. Вблизи номинального (100%) напряжения ток
холостого хода начинает резко возрастать.
Возбудить трансформатор до двойного номинального напряжения
при частоте 50 гц практически невозможно, так как ток холостого хода из-за
большой индукции в магнитопроводе будет превышать во много раз номинальный ток
трансформатора, что может привести к его повреждению.
Поэтому надо иметь возможность возбудить трансформатор до
двойного напряжения без сколько-нибудь значительного увеличения индукции.
Известно, что:
Е = К∙f∙В,
Где Е - действующее значение э. д. с.;
К - коэффициент пропорциональности, равный произведению числа
витков обмотки, сечения сердечника (см2) и числа 4,44;
f - частота;
В - индукция.
Для того чтобы сохранить индукцию при двойном напряжении
трансформатора, необходимо увеличить частоту в два раза.
Ввиду этого испытания индуктированным напряжением проводятся
при частоте, повышенной не менее чем в 2 раза, т.е. не менее 100 Гц в течение 1
мин. Испытание может производиться при частоте, превышающей 100 Гц,
длительность испытания уменьшается в этом случае обратно пропорционально
частоте:

откуда 
где f' - частота (больше 100 Гц), при которой
производилось испытание;
t - длительность испытания, сек.
Таким образом, длительность испытания при частоте:
Гц60 с
Гц40 с
Гц30 с
Гц24 с
При увеличении частоты до 400 Гц длительность испытания не должна
быть меньше 20 секунд. Испытание при частоте выше 400 Гц не производится в
связи с резким увеличением потерь в стали магнитопровода.
Из-за возможности пробоя изоляции недопустимо в процессе сборки
испытывать двойным индуктированным напряжением активную часть трансформатора,
который должен быть заполнен маслом после сборки.
Схема испытания индуктированным напряжением приведена на чертеже
лист 4. Следует отметить две основные особенности, отличающие схему испытания
индуктированным напряжением от схемы опыта холостого хода:
1. Так как при испытании индуктированным напряжением величина
тока не измеряется, а контролируется лишь отсутствие межвитковых замыканий или
грубых ошибок в схеме, то амперметры могут применяться класса точности 1,5 -
2,5.
2. Амперметры должны быть постоянно включены в три фазы.
Переключение одного амперметра на три фазы, как это делается при опыте
холостого хода, при испытании индуктированным напряжением недопустимо, так как
отдельные толчки тока в одной фазе могут остаться незамеченными, если в это
время амперметр будет включен в другую фазу.
При испытании изоляции индуктированным напряжением
трансформатор считается выдержавшим испытание, если не наблюдалось:
A) толчков тока;
Б) нарушения симметрии напряжения по фазам (у трехфазных
трансформаторов);
Г) перекрытия на шарах (если трансформатор во время испытания
был защищен шаровым разрядником).
Даже в тех случаях, когда наблюдается мгновенный толчок тока
при испытании, а в дальнейшем трансформатор выдерживает испытание, он подлежит
обязательной разборке, осмотру и устранению дефекта. Следует учесть, что
витковые замыкания могут "самоустраниться" в результате частичного
или полного выгорания заусенца на обмоточной меди, заполнения пробитого
промежутка маслом и т.д. Дальнейшими испытаниями "самоустранившееся"
витковое замыкание не всегда может быть обнаружено, но в эксплуатации
трансформатор может очень быстро выйти из строя. Поэтому, даже в тех случаях,
когда при повторных испытаниях витковое замыкание не повторяется, трансформатор
должен быть обязательно разобран для определения места повреждения и устранения
дефекта.
Основным дефектом, который выявляется при таком испытании,
является замыкание между витками или между слоями обмотки, а также между
отводами. Очень важно до разборки трансформатора измерениями токов и напряжений
установить, в какой именно фазе дефект, или в какой фазе произошел толчок тока.
Затем эта фаза подвергается тщательному осмотру. В некоторых случаях дефектное
место может быть определено методом "искателя".
Замыкания между витками и слоями могут быть вызваны
конструктивными недостатками, неправильным выбором изоляции и дефектами
исполнения. Наиболее частыми дефектами исполнения являются: повреждение
изоляции на обмоточной меди; неправильная укладка витков в обмотке и
неправильное выполнение переходов между секциями; заусенцы на обмоточной меди;
повреждение изоляции между витками вследствие чрезмерного давления при
прессовке обмотки.
Если наблюдается слишком большой ток сразу при включении
трансформатора при очень малом напряжении, то это может быть результатом
неправильного соединения обмоток трансформатора.
В подобных случаях необходимо до полной разборки проверить
правильность схемы обмоток.
Раздел 5.
Охрана труда
5.1 Анализ
травматизма на производстве за последние три года
Показатели производственного травматизма изучают с помощью
различных методов.
Статистический метод основан на анализе статистического
материала по травматизму.
Исходные данные для анализа содержатся в актах формы Н-1, в
отчетах предприятий по формам № 7-т и 1-т. С помощью этого метода можно
определить сравнительную динамику производственного травматизма за ряд лет. При
этом используют несколько показателей [9, с.35].
Показатель частоты травматизма Пч представляет собой
отношение числа травм (несчастных случаев) Т за отчетный период (с потерей
трудоспособности за день и более) к среднесписочной численности работающих Р за
тот же период отнесенный к 1000:
Пч=1000Т∙3/Р.
Показатель тяжести травматизма Пт характеризует среднюю
продолжительность временной нетрудоспособности и представляет собой отношение
числа дней нетрудоспособности Д всех пострадавших за учетный период к общему
числу случаев T1за тот же период (без учета смертельных и инвалидных исходов,
учитываемых отдельно):
Пт=Д/Т1=365∙3/Т1.
Показатель потерь рабочего времени Пп (на 1000 работающих) за
определенное время полнее характеризует состояние травматизма:
Пп=1000Д/Р.
Показатель летальности Пл обычно используют при анализе
травматизма в больших подразделениях (в районе, области, республике, в целом по
системе агропрома) и определяют (на 10000 работающих) как отношение
числалетальных исходов JIк среднесписочной численности работающих
заидентичные периоды:
Пл=10000Л/Р.
К разновидностям статистического метода относят групповой и
топографический.
При групповом методе травмы группируют по однородным
признакам: возрасту, квалификации и специальности пострадавших; видам работ;
причинам несчастных случаев и т.п.
При топографическом методе несчастные случаи наносят
условными знаками на план расположения оборудования в цехе или участке.
Монографический метод состоит в детальном расследовании всех
обстоятельств каждого несчастного случая (рабочего места, оборудования,
технологического процесса и др.).
Эргономический метод заключается в комплексном изучении
системы человек - машина - производственная среда (с учетом антропометрических
данных человека).
Экономический метод основан на определении экономического
ущерба от травматизма и предназначен для выяснения экономической эффективности
затрат на разработку и внедрение мероприятий по охране труда.
5.2
Расследование и учет несчастных случаев
Положение о расследовании и учете несчастных случаев на
производстве (утверждено постановлением Правительства РФ № 279 от 11.03.1999
г.) устанавливает порядок расследования и учета несчастных случаев на
производстве, обязательный для всех организаций независимо от их
организационно-правовой формы, а также лиц, занимающихся предпринимательской
деятельностью без образования юридического лица и использующих наемный труд [9,
с.39].
Расследованию и учету подлежат несчастные случаи,
произошедшие на производстве с работниками и другими лицами, в том числе
подлежащими обязательному социальному страхованию от несчастных случаев на
производстве и профессиональных заболеваний, при выполнении ими трудовых
обязанностей и работы по заданию организации или индивидуального
предпринимателя. К ним относятся лица, выполняющие работы по трудовому договору
(контракту), по гражданско-правовому договору; студенты вузов и средних
профессиональных учебных заведений, учащиеся образовательных учреждений
среднего, начального профессионального образования и образовательных учреждений
основного общего образования, проходящие производственную практику в
организациях; лица, осужденные к лишению свободы и привлекаемые к труду
администрацией организации; другие лица, участвующие в производственной
деятельности организации и (или) индивидуального предпринимателя.
5.3
Организация обучения охране труда
Обучение охране труда в сельском хозяйстве осуществляется в
соответствии с ГОСТ 12.0.004-90 и ОСТ 46.0.126-82. Его проводят при подготовке
рабочих и специалистов, повышении квалификации, проведении инструктажей. При
подготовке дипломированных специалистов в высших и средних отраслевых учебных
заведениях все обучающиеся проходят курс "Безопасность
жизнедеятельности" общим объемом до 120 часов и аттестуются с указанием
названия дисциплины, количества часов и результатов аттестации в приложении к
диплому. То же самое относится и к отраслевым профессионально-техническим
училищам. Работающие специалисты и рабочие регулярно проходят обучение,
инструктажи и аттестацию в соответствии с действующей нормативно-технической
документацией. В хозяйствах общее руководство и организация обучения в целом
возлагаются на руководителя предприятия (подразделения). Контроль за
своевременностью и качеством обучения осуществляет служба охраны труда.
Проводят обучение специалисты, уровень знаний, умений и
навыков, охраны труда которых отвечает требованиям квалификационных характеристик.
Они должны также владеть оперативной информацией о причинах заболеваний,
пожаров, травматизма, принятых мерах по их устранению. Обучение и проверка
знаний по охране труда руководителей и специалистов проводится в соответствии с
Положением о порядке обучения и проверке знаний по охране труда руководителей и
специалистов предприятий, учреждений и организаций агропромышленного комплекса
Российской Федерации.
Обучение по вопросам охраны труда руководителей и
специалистов предприятий проводится по программам, разработанным и утвержденным
вышестоящими хозяйственными органами или учебными центрами, комбинатами,
институтами, имеющими разрешение органов исполнительной власти по труду
субъектов Российской Федерации на проведение обучения и проверки знаний по охране
труда, в соответствии с типовыми программами, утвержденными Министерством труда
и социального развития Российской Федерации.
Финансирование затрат, связанных с обучением, проведением
консультаций и аттестаций, предусматривается в коллективных договорах (соглашениях
по охране труда) предприятий и органов управления АПК.
5.4
Инструктажи персонала
В соответствии с ГОСТ 12.0.004-90 и ОСТ 46.0.126-82
инструктажи работающих по характеру и времени проведения подразделяют на
вводный, первичный на рабочем месте, повторный, внеплановый и текущий
(целевой). С главными специалистами вводный инструктаж проводит руководитель
предприятия при участии инженера по охране труда. С прибывшими на работу,
производственное обучение, практику или в командировку этот инструктаж проводит
главный специалист отрасли, куда поступает работник, при участии инженера по
охране труда.
5.5
Финансирование мероприятий по охране труда
Финансирование мероприятий по улучшению условий и охраны
труда в стране осуществляется в рамках федеральных, отраслевых и
территориальных целевых программ улучшения условий и охраны труда за счет
средств федерального бюджета, бюджета субъектов РФ, местных бюджетов,
внебюджетных источников в порядке, предусмотренном законодательством РФ,
законодательством субъектов РФ и нормативными правовыми актами представительных
органов местного самоуправления. Финансирование мероприятий по улучшению
условий и охраны труда осуществляется также за счет средств от штрафов,
взыскиваемых за нарушение законодательства РФ о труде и охране труда,
распределяемых в порядке, установленном Правительством РФ; добровольных взносов
организаций и физических лиц. Финансирование мероприятий по улучшению условий и
охраны труда в организациях независимо от их организационно-правовых форм (за исключением
федеральных казенных предприятий и федеральных учреждений) осуществляется в
размере не менее 0,1% от суммы затрат на производство продукции, работ, услуг,
а в организациях, занимающихся эксплуатацией, - в размере 0,7% от суммы
эксплуатационных расходов. В отраслях экономики, субъектах РФ, на территориях,
а также в организациях могут создаваться фонды охраны труда в соответствии с
законодательством РФ и субъектов РФ. Работник не несет расходов на
финансирование мероприятий по улучшению условий и охраны труда.
5.6 Расчет
заземления
Расчет произведен для заземляющего устройства КТП10/0,4кВ. По
данным энергосистемы ток замыкания на землю в сети 10кВ не превышает 10А I3=20А.
Грунт в месте расположения подстанции - глина полутвердая.
Для нее при ориентировочных расчетах рекомендуется принимать удельное
сопротивление земли вместо измеренного значения ρ=60 Ом. м. По табл.5 для II
климатической зоны можно принять коэффициент сезона для вертикальных элементов
при их длине 2-Зм равными Ксв=1,7 а для горизонтальных элементов Ксг=4
[9, с.153].
Таким образом, расчетные значения удельного сопротивления
получаются для вертикальных элементов:
ρ р. в=ρ∙Кс, в=60∙1,7=100 Ом. м.
для горизонтальных элементов:
рр, г= р∙Ксг=60∙4=240 Ом.
м.
Допустимое заземление заземляющего устройства в целом
определяетсяследующими условиями:
3≤125/I3=125/20=6,25 Ом;3≤100Ом;3≤40
Ом.
Из них наиболее жесткое 40 Ом. Для его соблюдения можно
учесть в качестве естественных заземлителей повторное грозозащитное заземление
на нулевых проводах ВЛ0,38кВт, отходящих от данной ТП. Известно, что
результирующее сопротивление таких естественных заземлителей составляет Rе=10
Ом.
При этом допустимое сопротивление искусственного заземлителя,
обеспечивающее соблюдение 3-го условия:
На первые два условия должны быть соблюдены без учета нулевых
проводов ВЛ0,38кВт. При отсутствии других видов естественных заземлителей эти
условия должны быть обеспечены одними искусственными заземлителями. То есть самым
жестким требованием является 1 условие: Rзу≤125/20=6,25 Ом,
что меньше чемRuзз.
Сопротивление растеканию тока одного стержня:

=
.
Следовательно необходимо иметь стерней Ne =Rв/Rз=34/4=8,5
шт.
Принимаем 16 шт. вертикальных стержней длиной 2,8м.
Коэффициент использования стержней в контуре при Nв=16шт.
иа/1в=1,0, где a=2,5м - среднее расстояние между
стержнями, составляет ηвк=0,62. Результирующее сопротивление всех
вертикальных элементов:
5.7 Средства
автоматического обнаружения и тушения пожаров
Пожарную связь и сигнализацию осуществляют посредством
электрических сирен, звонков, колоколов, установок пожарной сигнализации с
автоматическим и ручным пуском, теле - и радио-связи, гудков транспортных
средств [9, с.387].
На таких важных объектах, как энергетические узлы, насосные
станции по перекачке легковоспламеняющихся и горючих жидкостей, сырьевые
склады, и в помещениях с удельной загрузкой горючих материалов более 100 кг/кв.
м применяют автоматическое тушение пожаров.
5.8
Электрическое освещение подстанции 10/0.4 кВ
1. На сельских подстанциях открытого электрического
распределительного устройства (ОРУ) персонал должен различать детали,
расположенные на большой высоте, а также на территории подстанции.
Согласно СНиП 11-А норма освещенности для открытой подстанции
составляет Ен=10Лк.
Освещение осуществляется прожекторами ПЗС-45 с лампой
Г-220-1000-1 (серия света Imax=130 инд), так как они хорошо освещают
вертикальные поверхности, требуют малых капительных вложений, меньшее
количество питающего кабеля и просты в эксплуатации.
НаОРУ также выполнена сеть рабочего освещения, включающая охранное
(вдоль ограды ОРУ), которое выполнено лампами накаливания.
2. Светотехнический расчет
Количество прожекторов определяется формулой:
где N - необходимое количество прожекторов;
Ен - нормируемый уровень освещенности;
К - коэффициент запаса (К= 1,5);- освещаемая площадь
(S=50x30);
Фл - поток лампы Г-220-1000-1 (Фл=18600Лм);
η - КПД прожектора
(77=0,8);
И - коэффициент использования (И= 0,9).
после подстановки:
Высота запроектированной установки прожекторов:

=0.058∙
=20.9 м.
min
- минимальная высота установки прожектора.
3. Расчет угла наклона прожектора
= H2min= 10∙20,92 =4368.
По таблице выбираем угол наклона прожектора равный 27°. При
установке прожектора под данным углом наиболее хорошо будут освещаться
поверхности и предметы на территории подстанции.
5.9 Защитное
отключение
Для электроустановок сельскохозяйственных и животноводческих
помещений и зданий из металла или с металлическим каркасом (ГОСТ Р50571.14-96 и
ГОСТР 50669-94) следует применять систему электроснабжения Т-Т, но допускается
и система зануления TN-S.
Система Т-Т используется в электроустановках напряжением 110 кВ и выше, где
заземлена нейтральная точка трансформатора. В установках напряжением 380/220 В
систему Т-Т можно использовать только при наличии УЗО-Д.
Иначе при питании от той же подстанции, например 10/0,4 кВ,
по другим линиям зануленных электроприемников возникнут условия, при которых,
замыкание на заземленные конструкции в данном здании приведет к появлению
напряжения на нулевой точке трансформатора и всехзануленных частях
электроприемников, питающихся по другим линиям из - за оборванного нулевого
защитного провода.
В связи с этим ПУЭ запрещают применять защитное заземление
вместо зануления в сетях 380/220.
В системе TN-Cдопускается присоединение не к отдельной линии, идущей от
самой ТП 10/0,4 кВ, а к линии, питающей других потребителей. Требования
безопасности в металлических зданиях обеспечиваются путем применения УЗО-Д,
повторного заземления рабочего нулевого провода и заземления металлического
корпуса или каркаса здания. Здесь УЗО-Д устанавливают как в месте присоединения
наружной электропроводки к питающей линии с уставкой 30 мА, так и внутри здания
с уставкой 10 мА. В сельскохозяйственных постройках уставки соответственно 100
или даже 300 и 30 мА. В месте присоединения наружной электропроводки к питающей
линии должно быть устроено повторное заземление, кроме кабельных линий. Обычно
повторное заземление совмещают с грозозащитным для заземления изоляторных
крюков. Это заземление следует располагать на линии до места расположения
УЗО-Д, чтобы защитить его полупроводниковый усилитель от повреждения при
грозовых перенапряжениях.
5.10
Устройство блокировки и сигнализации на ТП 10/0,4 кВ
Чтобы избежать ошибочных операций с разъединителями в случае
включения и отключения элементов, находящихся под нагрузкой, при ручном
управлении коммутирующими аппаратами применяют механические и электромагнитные
замки.
В электромагнитном замке ЭМБЗ сердечник ключа - это подвижный
якорь электромагнита, втянутый под действием пружины внутрь катушки.
Усердечника ключа имеется "секрет" (на диске есть вырез, а на ключе -
выступ в определенном месте окружности). При отключении выключателя штепсельную
вилку вставляют в розетку, катушка выталкивает сердечник, и он входит в зацепление
с ползуном замка. Поворотом ключа на 180° отпирают запорный стержень и
отключают выключатель. Все замки ячеек РУ одинаковы, поэтому для них требуется
один ключ. Напряжение в розетку замка выключателя подается через замкнутые
контакты разъединителя, когда они включены, а в розетки разъединителей - когда
отключен выключатель [4, с.311].
Раздел 6.
Экология
6.1 Введение
В предыдущих главах дипломной работы рассмотрен вопрос
реконструкции электроснабжения населенного пункта. Выбор опор воздушных линий,
марок и сечений проводов необходимо проводить в соответствии с районо -
климатическими условиями по ветру и гололеду.
В данном дипломном проекте рассмотрено применение
самонесущего изолированного провода СИП для электроснабжения населенного
пункта. Провод СИП выполнен в одном пучке (вокруг нулевой несущей жилы скручены
изолированные фазные токопроводящие жилы), что конструктивно увеличивает его
прочность при обледенении, а также уменьшает пляску проводов при ветре.
Отсутствие или незначительное обрастание провода мокрым снегом или гололедом
достигается за счет изолированной поверхности проводов.
При выборе марок проводов и опор учтены районо -
климатические условия по ветру и гололеду в Нижегородской области.
По толщине стенки гололеда Нижегородская область относится ко
II категории. По скоростному напору ветра к I категории. По пляске проводов ко
II (повторяемость один раз в 5-10 лет). По среднегодовой продолжительности гроз
- от 40 до 60 часов.
6.2 Влияние
сооружения высоковольтных линий на ПТК
Сооружение линий электропередач связано с отчуждением земель,
что прежде всего сказывается на сельском хозяйстве. Неупорядоченное
расположение BJI, линий связи и т.д. нарушает целостность земель.
Существенное воздействие оказывает просека (в лесных
районах), так как она способствует изменению ландшафтных, микроклиматических, а
следовательно общеэкологических условий. В большем случае, просека до 100
метров благоприятствует существованию животных, а более 200 метров не редко
становится препятствием для их перемещения. BJ1 проходит по
сельскохозяйственным угодьям, лесным массивам ценность которых определяется как
стоимостью древесины, так и запасов лекарственных растений, охотопромысловых
животных и т.д. Кроме того BJIмогут проходить по территории заказников,
заповедников.
В данном дипломе рассматривается территория общей
площадьюS=35км х 25км = 875км2
Общая длина линий составляет L= 120км.
Принимаем ширину общей охранной зоны вдоль BЛсто метров
получаемплощадь, занятую под BЛ:l=120кмх 0,1 км= 12км2,S1 - это площадь
отторгаемых земель.
Sl/S=12-100%/875 = 1,37%.
,37%<5%, следовательно, это не наносит ущерба природной
среде.
6.3
Воздействие температурного режима на провода ВЛ
В настоящее время широко рассматриваются вопросы о влиянии на
экологию различных повреждений в электрических сетях. Источниками воздействия
на окружающую среду при эксплуатации BJ1 являются: электрические провода, опоры,
подстанции и открытые РУ. По характеру воздействия на окружающую среду влияние BJIделится на механическое и
специфическое (электромагнитное).
В зимний период при низких температурах напряжения растяжения
в проводах сельских BJIэлектропередачи могут оказаться больше допустимых. В Нижегородской
области температура зимой составляет в среднем - 15°С, а колеблется она в
пределах от 0°С до - 35°С; - 37°С. Расчеты показывают, что уже при температуре
- 15°С напряжение растяжения достигает критических значений. В большинстве
случаев, когда напряжение растяжения велико, это влечет за собой повреждения, а
также обрыв проводов. Это связано с понижением температуры в самом материале
провода, вследствие чего появляются механические повреждения, обусловленные
механическим напряжением на растяжение, что и приводит к обрыву BJI. При температуре
окружающего воздуха равной 0°С на всех открыто расположенных предметах, в том
числе и на проводах, образуется гололед в виде слоя льда. Это, в основном,
происходит в начале и в конце зимы, когда температура воздуха близка к 0°С, а
влажность воздуха значительно велика. В Калужской области влажность воздуха в
такой период может достигать 90%, благодаря чему и происходит гололед.
При температуре - 5°С гололед обычно не удерживается.
Нижегородская область относится ко II зоне по гололеду, в которой толщина слоя
гололеда достигает 10мм. На всех участках провода толщина слоя льда может быть
разной. Поэтому давление на провода на всех участках различно, что может
привести к повреждениям и обрывам проводов. Количество снежных дней в году для
нашей местности составляет примерно 90-95 дней. Из них с температурой около
0°С-20-25 дней. Интенсивность образования гололеда в снежные дни зависит от
ряда условий: от высоты расположения данного места над уровнем моря, наличия
незамерзших водоемов, способствующих созданию высокой влажности воздуха и т.д.
6.4
Последствия от обрывов ВЛ
В результате анализа статистических данных о повреждаемости
элементов BЛвыявлено,
что повреждения проводов составляют более 40% всех аварий в сетях, питающих с/х
нагрузку. При этом, косновным причинам повреждения относится: сверхчастотные
гололедно-ветровые нагрузки (25-60%), дефекты монтажа (5-15%), прочие причины
(5-15%). Указанные неисправности BЛмогут привести к поражению электрическим током людей, а
также животных при соприкосновении их с оборвавшимся проводом. Отмечается, что
в 94,3% случаев электротравмы произошли из-за непосредственного прикосновения с
оборвавшимся или провисшим проводом. Исследования показали, что 40%
электропоражений обусловлены BЛэлектропередачи. Данные о повреждаемости BЛ свидетельствуют, о том,
что действительно значительное число повреждений приходится на провода.
Оборвавшийся провод, лежащий на земле, или заборе, или ветке дерева, не
отключенный от источника напряжения, является опасным для жизни людей и с/х
животных.
6.5
Мероприятия для обеспечения безопасности эксплуатации ВЛ
На провода BJIдействуют вертикальные нагрузки (собственный вес
провода, вес образовавшегося на проводе гололеда) и горизонтальные нагрузки
(давление ветра). При учете этих нагрузок делают следующие допущения:
предполагают равномерное распределение нагрузок по длине провода. Эти нагрузки
рассчитывают, в связи с чем, уточняют габариты линии. Для защиты проводов от
обрывов разработан регулятор натяжения проводов. При низких температурах он
своим устройством ослабевает натяжение провода и, тем самым, предохраняет его от
обрыва. Имеется множество видов регуляторов натяжения.
Вывод
В данном разделе дипломного проекта были рассмотрены вопросы
о влиянии обрыва проводов на экологию и сделаны следующие выводы:
Необходимо прокладывать электрические линии так, чтобы не
нарушать целостность земель и этим самым не вредить экологии.
Температурный режим (в частности, гололед и снег) сильно
влияют на работу BJI, наносит вред, поэтому необходимо это учитывать при расчетах
нагрузки для уменьшения опасности при эксплуатации линии.
Для обеспечения безопасности эксплуатации электрических линий
разрабатываются различные меры (в частности разработан регулятор натяжения),
которые уменьшают возможность повреждений и обрывов проводов.
Раздел 7.
Технико-экономические показатели
7.1 Технико-экономические
показатели
Капитальные вложения на сооружениеВЛ-10 кВ
Капитальные вложения на сооружение BJI - 10 кВ определяют по
формуле:
Квл10=Кi∙L∙43,34
где Ki - укрупненный показатель стоимости ВЛ-10 кВ на
железобетонных опорах в ценах 1990 г., руб;
L-длина линии, км;
,34 - коэффициент пересчета в цены 2012 г.
При реконструкции электроснабжения населенного пункта
последовала необходимость замены деревянных опор на железобетонные а также
замена марок и сечений проводов.
Укрупненный показатель стоимости BЛ10 кВ на железобетонных
опорах в ценах 1990 г., для марки провода АС-35 Ki=l,9тыс. руб/км, для марки
провода АС-70 Ki=2,4 тыс. руб/км.
Таблица 1. Расчет стоимости опор и электропроводов при
сооружении ВЛ 10
|
п/п
|
Наименование
фидера
|
Квл. исх, тыс.
руб.
|
Марка провода
|
Длина L, км
|
Ki, тыс. руб. /км
|
Коэф. пересчета
цены
|
Квл. проек.,
тыс. руб.
|
|
1
|
Фидер № 1
|
742,67
|
АС-70
|
10,2
|
2,4
|
43,34
|
1060,96
|
|
2
|
Фидер № 2
|
54,61
|
АС-70
|
0,75
|
2,4
|
43,34
|
78,01
|
|
3
|
Фидер № 3
|
0,00
|
АС-70
|
0,9
|
2,4
|
43,34
|
93,61
|
|
4
|
ИТОГО:
|
797,28
|
|
|
|
|
1232,59
|
Капитальные вложения на сооружение ТП 10/0,4 кВ
Капитальные вложения на сооружение ТП 10/0,4 кВ определяем по
формуле:
Ктп= Кц тп∙n∙43,34,
где Кцтп - укрупненный показатель стоимости ТП 10/0,4 кВ в
ценах 1990г., руб.;- количество ТП, шт;
,34 - коэффициент пересчета в цены 2012 года.
Таблица 2. Расчет стоимости капитальных вложений при
сооружении ТП 10/0,4 кВ
|
№ п. п.
|
Мощность ТП
10/0,4 кВ, кВА
|
Ктп. исх, тыс.
руб.
|
ККол-во ТП
|
Кц ТП, тыс.
руб.
|
Коэф. пересчета
цены
|
Квл. проек.,
тыс. руб.
|
|
1
|
160
|
68,91
|
2
|
1,59
|
43,34
|
137,82
|
|
2
|
250
|
86,69
|
1
|
2,41
|
43,34
|
104,45
|
|
ИТОГО:
|
155,60
|
3
|
|
|
242,27
|
Капитальные вложения на сооружение ВЛ-0,4 кВ
Капитальные вложения на сооружение BJI - 0,4 кВ определяют по
формуле: КВЛ0,4=Кi∙L∙43,34,где Ki - укрупненный показатель
стоимости BJI0,4 кВ на железобетонных опорах в ценах 1990 г., руб; Г - длина
линии, км;
,34 - коэффициент пересчета в цены 2012 г.
При реконструкции электроснабжения населенного пункта
последовала необходимость замены деревянных опор на железобетонные а также
замена марок и сечений проводов.
Укрупненный показатель стоимости BJI0,4 кВ на железобетонных
опорах в ценах 1990 г., для марки провода СИП 3x95+1x70+1x16 Ki=l,9 тыс. руб/км.
Таблица 3. Расчет стоимости опор и электропроводов при
сооружении BJI0,4
|
№ п. п.
|
Наименование
фидера
|
Квл. исх, тыс.
руб.
|
Марка провода
|
Длина L, км
|
Ki, тыс. руб. /км
|
Коэф. пересчета
цены
|
Квл. проек.,
тыс. руб.
|
|
1
|
Фидер № 1
|
34,46
|
СИП 3x95+1x70+1
х16
|
0,35
|
3,2
|
43,34
|
48,54
|
|
2
|
Фидер № 2
|
26,59
|
СИП 3x95+1x70+1
х16
|
0,27
|
3,2
|
43,34
|
37,45
|
|
3
|
Фидер № 3
|
29,54
|
СИП 3x95+1x70+1
х16
|
0,3
|
3,2
|
43,34
|
41,61
|
|
4
|
Фидер № 4
|
11,82
|
СИП 3x95+1x70+1
х17
|
0,12
|
3,2
|
43,34
|
16,64
|
|
5
|
Фидер № 5
|
11,82
|
СИП 3x95+1x70+1
х18
|
0,12
|
3,2
|
43,34
|
16,64
|
|
6
|
Фидер № 6
|
25,60
|
СИП 3x95+1x70+1
х19
|
0,26
|
3,2
|
43,34
|
36,06
|
|
7
|
Фидер № 7
|
0,00
|
СИП 3x95+1x70+1
х20
|
0,07
|
3,2
|
43,34
|
9,71
|
|
8
|
Фидер № 8
|
0,00
|
СИП 3x95+1x70+1
х21
|
0,07
|
3,2
|
43,34
|
9,71
|
|
9
|
Фидер № 9
|
0,00
|
СИП 3x95+1x70+1
х22
|
0,07
|
3,2
|
43,34
|
9,71
|
|
ИТОГО:
|
139,83
|
|
1,63
|
|
|
226,06
|
Капитальные вложения на сооружение всей схемы
электроснабжения равны:
Кисх=Квл10+К тп10/0,4+Квл0,4=797,28+155,6+139,83=1092,71
тыс. руб.
Кпроект=Квл10+К тп10/0,4+Квл0,4=1232,59+242,27+226,06=1700,92
тыс. руб.
Расчет себестоимости передачи электроэнергии через ВЛ 10 кВ,
ТП 10/0,4 кВ, ВЛ 0,4 кВ
Стоимость передачи единицы электроэнергии (С) определяется по
следующей формуле:
C=И/W,
где И - суммарные издержки производства, тыс. руб.;
W - годовой объем передаваемой электроэнергии, тыс. кВт∙ч.
Суммарные издержки производства (И) определяем по следующей
формуле:
И=Иам+Ит. р. +Иобс+Ипот, тыс. руб.,
где Иам - амортизационные отчисления на реновацию,
предназначенные для полного возмещения основных фондов объекта, тыс. руб.;
Итр - отчисления на текущий ремонт и техническое
обслуживание, тыс. руб.;
Иобс. - затраты на оплату труда обслуживающего персонала
электрических сетей, тыс. руб.;
Ипот. - стоимость потерь электроэнергии, тыс. руб.
Производим расчет амортизационных отчислений (Иа) по формуле:
Иaм=Kj∙n∙Paj/100,где Paj - годовая норма
отчислений на амортизацию, %;
Kj - капиталовложения в j-й элемент сети, руб.; n
- количество элементов сети.
Для исходной сети электроснабжения затраты на амортизацию
составят:
Ра вл10=5,7%; Ра тп10/0,4=6,4%; Ра вл0,4=5,7%;
Иа вл10=Квл10∙Ра вл10/100=797,28∙5,7/100=45,44
тыс. руб.
Иатп10/0,4=К тп10/0,4∙Ра тп10/0,4/100=155,6∙6,4/100=9,96
тыс. руб.
Иа вл0,4=К вл0,4∙Ра вл0,4/100=139,83∙5,7/100=7,97
тыс. руб.
Иа (исх.) =Иа вл10+Иа тп10/0,4+Иа вл0,4=45,44
+9,96 +7,97 =63,37 тыс. руб.
Для проектируемой сети электроснабжения затраты на
амортизацию составят:
Ра вл10=3,6%; Ра тп10/0,4=6,4%; Ра вл0.4=3,6%;
Иа вл10=Квл10∙Ра вл10/100=1232,59∙3,6/100=44,37
тыс. руб.
Иа тп10/0,4=К тп10/0,4∙Ра
тп10/0,4/100=242,27∙6,4/100=15,5 тыс. руб.
Иа ВЛ10/0,4=К вл0,4∙Ра
вл0,4/100=226,06∙3,6/100=8,13 тыс. руб.
Иа (проект.) =Иа вл10+Иа тп10/0,4+Иа вл0,4
=44,37 +15,5 +8,13 =68 тыс. руб.
Производим расчет затрат на текущий ремонт и техническое
обслуживание
(Ит. р.) по формуле:
Ит. p. =Kj∙n∙PT. p. j/100
где
Рт. р. j - годовая норма отчислений на текущий ремонт и техническое
обслуживание, %;
Kj - капиталовложения в j-й элемент сети, тыс.
руб.; n - количество элементов сети.
Для исходной сети электроснабжения затраты на текущий ремонт
и техническое обслуживание составят: Рт. р. вл10=1,6%; Рт. р. тп10/0,4=2,9%;
Рт. р. вл0,4=1,7%;
Ит. р. вл10=К вл10∙Рт. р. вл10/100=797,28∙
1,6/100=12,75 тыс. руб.
Ит. р. т10/0,4=Ктп10/0,4∙Рт. р.
тп10/0,4/100=155,6∙2,9/100=4,51 тыс. руб.
Ит. р. вл0,4=К вл0,4∙Рт.
р. вл0,4/100=139,83∙ 1,7/100=2,37 тыс. руб.
Ит. р. (исх.) =Ит. р. влю+Ит. р. тп10/0.4+Ит. р.
вл10 =12,75+4,51+2,37 =19,63 тыс. руб.
Для проектируемой сети электроснабжения затраты на текущий
ремонт и техническое обслуживание составят:
Рт. р. вл10=1,6%; Рт. р. тп10/0,4=2,9%;
Рт. р. вл0.4=1,7%;
Ит. р. вл10=К вл10∙Рт. р. вл10/100=1232,59∙
1,6/100=19,72 тыс. руб.
Ит. р. тп10/0.4=К тп10/0.4∙Рт.
р. тп10/0,4/100=242,27∙2,9/100=7,02 тыс. руб.
Ит. р. вл0,4=К вл0.4∙Рт. р. вл0,4/100=226,06∙
1,7/100=3,84 тыс. руб.
Ит. р. (проект.) =Ит. р. вл10+Ит. р. тп10/0.4+Ит.
р. вл0.4=19,72 +7,02 +3,84 =30,58тыс. руб.
Затраты на оплату труда обслуживающего персонала
Производим расчет количества условных единиц (усл. ед.) по
формуле:
Усл. ед. =Nj∙Куi,
где Nj - количество j-xэлементов эл. сети, шт.;
Kyi - переводной коэффициент.
Для исходной сети электроснабжения количество условных единиц
составит:
Усл. ед. вл10=Lвл10∙Ку вл10=10,95∙3,2=35,04
усл. ед.
Усл. ед. тп10/0.4=n∙Ку тп10/0.4=2∙70,8=141,6
усл. ед.
Усл. ед. вл0.4=L вл0,4∙К вл0,4=1,42∙2,6=3,69
усл. ед.
Усл. ед. (исх.) =Усл. ед. вл10+Усл. ед. тп10/0,4+Усл.
ед. вл0,4=35,04+141,6 +3,69 = 180,33 усл. ед.
Для проектируемой сети электроснабжения количество условных
единиц составит:
Усл. ед. вл10=Гвл10∙Ку вл10=11,85∙2,1=24,88
усл. ед.
Усл. ед. тп10/0.4 = n∙Ку тп10/0.4=3∙70,8=212,4
усл. ед.
Усл. ед. вл0,4=Lвл0.4∙Ку вл0.4=1,63∙
1,7=2,77 усл. ед.
Усл. ед. (проект.) =Усл. ед. вл10+Усл. ед. тп10/0,4+Усл.
ед. вл0,4=24,88+212,4+2,77= 240,05 усл. ед.
Произведем расчет затрат на оплату труда обслуживающего
персонала (Иобс) по формуле:
Иобс=Усл. ед. ∙Q,
где Усл. ед. - количество условных единиц, шт.;
Q - затраты на оплату труда одной условной единицы, руб;
Иобс (исх.) =180,33∙4=721,32 тыс. руб.
Иобс (проект.) =240,05∙4=960,2 тыс. руб.
Расчет стоимости потерь электрической энергии
Произведем расчет стоимости потерь электрической энергии
(Ипот) поформуле:
Ипот=Wпот-Тээ,
где Wпот - потери электроэнергии, тыс. кВт∙ч;
Тээ-стоимость единицы получаемой электроэнергии, руб/кВт∙ч.
Ипот (исх.) =134,4∙0,0006=0,08 тыс. руб.
Инот (проект.) = 172,04∙0,0006=0,1 тыс. руб.
Суммарные издержки производства
Сведем расчеты в таблицы.
Таблица 4. Издержки по исходному варианту
|
Наименование
показателя
|
Ед. изм.
|
ВЛ 10 кВ
|
ТП 10/0,4 кВ
|
ВЛ 0,4 кВ
|
ИТОГО, тыс.
руб.
|
|
Капитальные
вложения, К
|
797,28
|
155,6
|
139,83
|
1092,71
|
|
Амортизационные
отчисления, Иа
|
тыс. руб.
|
45,44
|
9,96
|
7,97
|
63,37
|
|
Отчисления на
тек. Ремонт и тех. Обслуживание, Ит. р.
|
тыс. руб.
|
12,75
|
4,51
|
2,37
|
19,63
|
|
Затраты на
оплату труда обслуживающего персонала
|
тыс. руб.
|
140,16
|
566,4
|
14,76
|
721,32
|
|
Стоимость
потерь электроэнергии
|
тыс. руб.
|
|
|
|
0,08
|
|
ВСЕГО:
|
тыс. руб.
|
|
|
|
804,4
|
Таблица 5. Издержки по проектному варианту
|
Наименование
показателя
|
Ед. изм.
|
ВЛ 10 кВ
|
ТП 10/0,4 кВ
|
ВЛ 0,4 кВ
|
ИТОГО, тыс.
руб.
|
|
Капитальные
вложения, К
|
тыс. руб.
|
1232,59
|
242,27
|
226,06
|
1700,92
|
|
Амортизационные
отчисления, Иа
|
тыс. руб.
|
44,37
|
15,5
|
8,13
|
68
|
|
Отчисления на
тек. Ремонт и тех. Обслуживание, Ит. р.
|
тыс. руб.
|
19,72
|
7,02
|
3,84
|
30,58
|
|
Затраты на
оплату труда обслуживающего персонала
|
тыс. руб.
|
99,52
|
849,6
|
2,77
|
951,89
|
|
Стоимость
потерь электроэнергии
|
тыс. руб.
|
|
|
|
0,1
|
|
ВСЕГО:
|
тыс. руб.
|
|
|
|
1050,57
|
Суммарные издержки производства составят:
И (исх) =804,4 тыс. руб.
И (проект.) =1050,57 тыс. руб.
Себестоимость передачи единицы электроэнергии
С (исх.) = 804,4/960 =0,84 руб. /кВт∙ч.
С (проект.) = 1050,57 /1593=0,66 руб. /кВт∙ч.
Определение экономической эффективности
Для определения экономической эффективности проекта нужно
рассчитать следующие показатели:
1. Годовая экономия средств составит:
Гэ= (Си-Сп) ∙Wп= (0,84-0,66) ∙1593=286,7
тыс. руб,
где Си, Сп - себестоимость передачи единицы электроэнергии в
исходном и проектируемом вариантах, руб/кВт∙ч;
Wп - годовой объем передаваемой электроэнергии в проектируемом
варианте, кВт∙ч.
2. Приведенные затраты на 1 кВт∙ч электроэнергии:
Пзи=С+Ен∙К/W=0,84+0,15∙1274,71/960=1,04
руб/кВт∙ч.
Пзп=С+Ен∙K/W=0,66+0,15∙
1700,92/1593=0,82 руб/кВч.
где С - себестоимость передачи единицы электроэнергии,
руб/кВт∙ч,
W - годовой объем передаваемой электроэнергии, тыс. кВт∙ч,
К - общие капитальные вложения, тыс. руб,
Ен - нормативный коэффициент эффективности капитальных
вложений,
Ен=0,15
Годовой экономический эффект
Эг= (Пи-Пп) ∙\Уп= (1,04-0,82) ∙1593=350,46
тыс. руб.
Срок окупаемости дополнительных капитальных вложений
Срок окупаемости дополнительных капитальных вложений (Тод)
определяется по формуле:
Тод= (К2-К1) /Гэ,
где
К1, К2 - сумма капитальных вложений в
исходном и проектируемом вариантах, тыс. руб.
Годовой экономический эффект составит 350,46 тыс. руб. Срок
окупаемости дополнительных капитальных вложений составит 2,1 года.
Гэ - годовая экономия средств, тыс. руб.
Тод= (1700,92-1092,71) / 286,7 =2,1 года
Таблица 6. Основные технико-экономические показатели.
|
Показатели
|
Вариант
|
Проектный в% к
исходному
|
|
Исх.
|
Проект.
|
|
|
Капитальные
вложения, тыс. руб
|
797,3
|
1232,6
|
154,6
|
|
Количество
потребляемой энергии, TWCК 6т - Ч
|
960
|
1593
|
165,9
|
|
Себестоимость
передачи единицы электроэнергии, руб/кВт ч
|
0,84
|
0,66
|
78,57
|
|
Годовая
экономия средств, тыс. руб
|
|
286,7
|
|
|
Приведенные
затраты на единицу продукции, руб/кВт ч
|
1,04
|
0,82
|
78,84
|
|
Годовой
экономический эффект, тыс. руб
|
|
350,46
|
|
|
Срок
окупаемости дополнительных капитальных вложений, год
|
|
2,1
|
|
Заключение
В соответствии с темой в дипломном проекте выполнена
реконструкция электроснабжения деревни Бубенки Княгининского района Нижегородской
области, позволившая заменить устаревшие электросети 10 кВ и 0,4 кВ, обеспечить
электроснабжение новых производственных мощностей - теплиц, холодильника для
хранения фруктов и склада для хранения удобрений, а также жилья и
соответствующих объектов коммунально-бытового обслуживания и социального
назначения. В конструктивной части произведены расчеты нагрузок, выбор
количества, мощности и местоположения подстанций 10/0,4 кВ, электрический
расчет BJ1 10 кВ, электрический расчет BJI0,38 кВ, определены
потери мощности и энергии в сети 0,38 и 10 кВ, потери энергии в трансформаторах
10/0,4 кВ, потери мощности и энергии в линии 10 кВ, глубина провала напряжения
при пуске асинхронного двигателя, произведены выбор автоматов на подстанциях
10/0,4 кВ и проверка чувствительности автоматов при однофазных к. з., выбор
защиты от грозовых перенапряжений, расчет заземления на ПС 10/0,4 кВ и расчет
заземления на ПС. В части охраны труда и безопасности жизнедеятельности
предусмотрены мероприятия по:
анализу травматизма на производстве за последние три года;
расследованию и учету несчастных случаев;
организации обучения охране труда;
инструктажам персонала;
финансированию мероприятий по охране труда;
расчету заземления;
применению средств автоматического обнаружения и тушения
пожаров.
Произведены расчеты электрического освещения подстанции
10/0,4 кВ, подобраны принципиальные схемы устройств защитного отключения.
Приведена схема блокировки и сигнализации на КТП 10/0,4 кВ.
В части экологии рассмотрены и учтены при разработке
электроснабжения д. Бубенки влияние сооружения высоковольтных линий на ПТК,
воздействие температурного режима на провода BJI, последствия от обрывов BJTи мероприятия для
обеспечения безопасности эксплуатации BJ1.
В специальной части описана программа заводских испытаний
трансформаторов 10/04 кВ мощностью 25-630 кВА. В соответствии с объемом,
условиями и последовательностью приведенными в технической литературе и
нормативных документах.
В экономической части рассчитаны показатели экономической
эффективности реконструкции электроснабжения деревни Бубенки Княгининского
района Нижегородской области. Годовой экономический эффект составит 350,46
тыс. руб. Срок окупаемости дополнительных капитальных вложений составит 2,1
года.
Список
литературы