Разработка рекомендаций по защите радиолокационной станции кругового обзора от противорадиолокационных ракет

  • Вид работы:
    Курсовая работа (т)
  • Предмет:
    Военная кафедра
  • Язык:
    Русский
    ,
    Формат файла:
    MS Word
    61,63 Кб
  • Опубликовано:
    2014-08-16
Вы можете узнать стоимость помощи в написании студенческой работы.
Помощь в написании работы, которую точно примут!

Разработка рекомендаций по защите радиолокационной станции кругового обзора от противорадиолокационных ракет

Министерство обороны Республики Беларусь

Учреждение образования «Военная академия Республики Беларусь»

Республиканский конкурс научных работ студентов высших учебных заведений Республики Беларусь

Радиотехника, электроника и связь. Компьютерное инженерное проектирование.

Телекоммуникационные системы и компьютерные сети.

Совершенствование





Разработка рекомендаций по защите радиолокационной станции кругового обзора от противорадиолокационных ракет


Пальцев Виталий Александрович,

факультет противовоздушной

обороны






Минск, 2006 год

Реферат

противорадиолокационная ракета, радиолокационная станция, средства защиты, дублер, модель

Научная работа посвящена разработке рекомендаций по защите радиолокационной станции кругового обзора от противорадиолокационных ракет. Проведен анализ различных способов защиты, отмечены их достоинства и недостатки. На основании разработанной модели наведения противорадиолокационной ракеты на радиолокационную станцию, сделан вывод о целесообразности применения "Дублера".

Поскольку ни один из способов защиты нельзя считать абсолютно надежным, то защита должна носить комплексный и эшелонированный характер. Ее основу должны составлять как имеющиеся на вооружении средства противовоздушной обороны и радиоэлектронной борьбы, так и специально для этого разработанные автоматические комплексы индивидуального прикрытия объектов от противорадиолокационных ракет.

Содержание

Обозначения и сокращения

Введение

. Анализ возможностей существующих ПРР по поражению РЛС-КО

.1 Анализ основных тактико-технических характеристик ПРР

.2 Анализ возможностей существующих ПРР по поражению РЛС-КО

. Анализ возможностей существующих ПРР по поражению РЛС-КО

. Анализ эффективности применения существующих способов и средств защиты РЛС-КО от ПРР

.1 Классификация существующих мер защиты РЛС от ПРР

.2 Обзор существующих мер защиты РЛС от ПРР

.2.1 Анализ эффективности применения пассивных мер защиты РЛС-КО от ПРР

.2.2 Анализ эффективности применения активных мер защиты РЛС-КО от ПРР

. Разработка рекомендаций по защите РЛС-КО от ПРР

Заключение

Список использованных источников

Обозначения и сокращения

БЧ - боевая часть;

ВВ - взрывчатое вещество;

ВТО - высокоточное оружие;

ГСН - головка самонаведения;

ДН - диаграмма направленности;

ЗРК - зенитный ракетный комплекс;

ЗРС - зенитная ракетная система;

ИК - инфракрасный;

КВО - круговое вероятное отклонение;

КПРД - комбинированный прямоточный реактивный двигатель;

КСЗ - комплексные средства защиты;

КЦ - координатор цели;

НУР - неуправляемая ракета;

ОФ - осколочно-фугасная (боевая часть);

ПВО - противовоздушная оборона;

ПР ГСН - пассивная радиолокационная головка самонаведения;

ПРР - противорадиолокационная ракета;

РВ - радиовзрыватель;

РДТТ - реактивный двигатель твердотопливный;

РЛС - радиолокационная станция;

РЛС-КО - радиолокационная станция кругового обзора;

РЭБ - радиоэлектронная борьба;

РЭС - радиоэлектронные средства;

СВН - средства воздушного нападения;

СОИ - стратегическая оборонная инициатива;

СРЗ - средства радиолокационной защиты;

ТРДД - турбореактивный двухконтурный двигатель;

УВК - устройство выработки команд;

ЭПР - эффективная поверхность рассеивания

Введение

Задача повышения эффективности боевого использования существующих зенитных ракетных систем (ЗРС) особенно в современных сложных условиях ведения боевых действий является одной из самых актуальных задач совершенствования противовоздушной обороны (ПВО) объектов Республики Беларусь.

Анализ боевых действий в локальных конфликтах последнего десятилетия свидетельствует, что самое серьезное внимание уделяется вопросам подавления системы ПВО и организации радиоэлектронной борьбы (РЭБ) в ходе ведения боевых действий. Немаловажное место при решении этих вопросов нападающая сторона отводит огневому подавлению радиолокационных станций (РЛС) и других радиоэлектронных средств (РЭС) путем применения самонаводящихся ракет класса "воздух-земля", таких как HARM (AGM-88), Martel (AS-37), ARMAT, ALARM, Tacit Rainbow. Большое значение в этих условиях приобретают вопросы, связанные с разработкой новых и совершенствованием существующих средств и способов защиты РЭС войск ПВО от противорадиолокационных ракет (ПРР).

Зенитная ракетная система является основным средством борьбы с воздушным противником. Для ведения разведки воздушного пространства в состав системы, как правило, включают обзорную импульсную РЛС. Эта радиолокационная станция кругового обзора (РЛС-КО) обеспечивает обнаружение и опознавание воздушных объектов и передачу их координат на пункт управления зенитной ракетной системы. Поэтому разработка мер и способов защиты станции от высокоточного оружия (ВТО) нападающей стороны является важной составляющей задачи повышения эффективности боевого использования ЗРС.

1. Анализ возможностей существующих прр по  поражению РЛС-КО

 

.1 Анализ основных тактико-технических характеристик ПРР


Противорадиолокационные ракеты предназначены для уничтожения радиолокационных станций и других излучающих радиоэлектронных систем. ПРР представляют собой авиационные самонаводящиеся ракеты класса “воздух-земля” с пассивной радиолокационной головкой самонаведения (ПР ГСН).

ПРР состоят на вооружении самолетов стратегической, тактической и палубной авиации многих стран мира. Они широко и достаточно эффективно использовались в ходе вооруженных конфликтов во Вьетнаме (1968…1973 гг.), Ливии (1982 г.), Ираке (1991, 1996, 2003 гг.), Югославии (1999 г.) и других, более мелких конфликтах [1,2,3].

Основными ПРР являются: HARM (AGM-88) (США), Martel (АS-37) (Франция), ARMAT (Франция, Великобритания), ALARM (Великобритания), Tacit Rainbow (США) [1, 4, 5], тактико-технические характеристики которых приведены в таблице 1.1.

Противорадиолокационная ракета состоит из трех отсеков: аппаратурного, боевой части и двигательного.

В аппаратурном отсеке размещены пассивная радиолокационная головка самонаведения и электронные блоки управления, включая цифровые процессоры. ГСН является наиболее важным элементом и предназначена для решения следующих задач:

автономный поиск РЛС-цели по направлению, несущей частоте, периоду следования и длительности импульсов;

селекция сигналов выбранной РЛС-цели по несущей частоте, периоду следования и длительности импульсов, амплитуде;

повторный поиск и захват сигналов РЛС-цели при их пропадании;

выдача в систему управления экстраполированных угловых координат положения РЛС-цели при кратковременном пропадании сигналов от РЛС (пролонгация).

В современных ПРР наибольшее применение находят пассивные пеленгаторы следующих двух типов [6]:

·   моноимпульсный пеленгатор фазо-фазового типа со сравнением фаз на промежуточной частоте;

·   моноимпульсный пеленгатор амплитудно-фазового типа с суммарно-разностной обработкой на высокой частоте.

Таблица 1.1- Основные тактико-технические характеристики ПРР

Наименование и обозначение, год принятия на вооружение (страна-разработчик)

Стартовая масса, кг

Дальность стрельбы, км

Высота пуска, км

Средняя скорость, полета, м/с

Тип двигателя

Габариты ракеты, м (длина ´ диаметр ´ размах крыла)

Самолеты-носители ПРР

HARM AGM-88A,B,C, 1983 (США)

364,5

12…80

0,15…15

660

2-ступенчатый РДТТ

4,16 ´ 0,25 ´ 1,12

А-4М,A-6E, A-7E, F-4G, Торнадо, F/A-18

Martel AS-37, 1970 (Франция)

535

30…130

0,15…16

700

РДТТ

4,2 ´ 0,4 ´ 1,2

Ягуар, Буканир, Нимрод, Харриер

Tacit Rainbow AGM-136A, 1991 (США)

575

45…600

0,1…6

300

ТРДД

2,54´0,686´ 1,56

В-52G, H, F-4G, F-15B, F-16B, A-6E, F, F-18, F-111

Delilah (Star-1) (Израиль)

190

100…250

0,1

300

РДТТ

2,71´0,33´ -

F-15, F-16 UH-60A SH-60B

ALARM, 1991 (Англия)

265

10…45

0,1…6

500

РДТТ

4,24 ´ 0,22´ 0,72

Торнадо, Хоук, Си Харриер

BARB (ЮАР)

450

12

0,1-6

300

РДТТ

3,5´0,273 ´0,8


Примечание: РДТТ - реактивный двигатель твердотопливный, ТРДД - турбореактивный двухконтурный двигатель, КПРД - комбинированный прямоточный реактивный двигатель.

Для выделения в ГСН ПРР сигналов от выбранной РЛС-цели используются следующие селекторы:

по несущей частоте;

по периоду следования импульсов;

по длительности импульсов;

по моменту поступления импульсов;

по угловым координатам.

В перспективных ПРР при пропадании сигнала от РЛС-цели планируется использовать для точного наведения координаты от глобальной спутниковой навигационной системы NAVSTAR на начальном и среднем участках траектории полета с переходом на самонаведение от активной радиолокационной ГСН миллиметрового диапазона или инфракрасной ГСН на конечном участке.


Таблица 1.2 - Основные характеристики ГСН ПРР

Характеристики ГСН

Значение

1. Частотный диапазон, ГГц

0,3…20

2. Диапазон перестройки одного литера по частоте

25…50% от fР

3. Чувствительность приемника, Вт

10-8…10-13

4. Минимальная ширина полосы пропускания при наведении на РЭС с импульсным излучением, МГц

2…5

5. Динамический диапазон приемника, дБ

100…200

6. Скорость перестройки частоты приемника в см диапазоне, МГц/с

до 1000

7. Ширина диаграммы направленности антенны по уровню половинной мощности в см диапазоне, град.

25…50

8. Точность селекции радиосигналов импульсной РЛС-цели: а) по несущей частоте, МГц б) по периоду и частоте следования импульсов, мкс в) по амплитуде (для непрерывающихся по времени сигналов), дБ

 2…4 20…50 3…5

9. Уровень боковых лепестков от уровня главного, дБ

-10...-20


В настоящее время в ПРР широко применяются два метода наведения: метод погони (преследования) и метод пропорционального наведения (пропорциональной навигации) [6]. При использовании метода погони вектор скорости ПРР постоянно направлен на цель, в методе пропорционального наведения положение вектора скорости ПРР пропорционально угловой скорости линии ПРР-РЛС-цель.

Выбор метода наведения ПРР зависит от расстояния между самолетом-носителем и РЛС-целью, высоты пуска и подвижности РЛС-цели. При наведении ПРР на начальном и среднем участках траектории полета на неподвижную РЛС-цель наиболее эффективен метод пропорционального наведения, а на конечном участке траектории полета целесообразнее использовать метод погони.

Основные характеристики боевых частей и устройств подрыва представлены в таблице 1.3 [5, 6].

Таблица 1.3 - Основные характеристики БЧ и устройств подрыва

Характеристика

Значения характеристик для типов ПРР


HARM

Martel (ARMAT)

ALARM

 Тип БЧ

ОФ

ОФ

ОФ

 Масса БЧ, кг

66

150

50

 Масса ВВ, кг

25

55(80)

45

 Количество осколков, тыс.

17…23

9…11

5

 Скорость разлета осколков, м/с

2000

2000

2400

 Угол разлета осколков, град.

40…50

40…60

30…60

 Масса осколка, г

1,0…1,5

6…8

1

 Тип взрывателя

неконт., с лазерн. дальном.

неконт. активн. РВ

неконт., с лазерн. дальном.

 Точность стрельбы (КВО), м

9

3…6

<10

 Угол пикирования, град.

10…60

20…50

10…85

150

200

100

 Вероятность поражения РЛС одной ПРР

0,7…0,9

0,85

0,85


Боевое снаряжение ПРР предназначено для поражения РЛС-цели осколками и фугасным воздействием. В состав боевого снаряжения входит: боевая часть (БЧ), взрыватель, предохранительно-исполнительный механизм. Поражение РЛС-цели достигается подрывом ПРР на определенной высоте и дальности, по информации, полученной от радиовзрывателей или лазерных дальномеров.

Подрыв БЧ ПРР в районе РЛС-цели может производиться двумя способами [6]:

с помощью неконтактного взрывателя;

с помощью контактного взрывателя.

Первый способ основан на приеме радиосигналов, вырабатываемых аппаратурой обстреливаемой цели (по принципу пассивного взрывателя). Неконтактный взрыватель срабатывает в момент сближения с целью, который определяется по изменению доплеровской частоты либо амплитуды принимаемого сигнала. Применяются также неконтактные лазерные взрыватели, подрывающие боевую часть на определенной высоте (10…20 м).

Подрыв боевой части контактным способом возможен при прямом попадании ПРР в РЛС-цель или при соударении с подстилающей поверхностью. Это способ не позволяет в полной мере учесть условия встречи ПРР с РЛС-целью. Контактный взрыватель, как правило, является дублирующим.

По способу воздействия БЧ ПРР являются осколочно-фугасными. Образование осколков при подрыве ПРР у РЛС-цели достигается дроблением наружной оболочки ВВ, которая имеет нарезы соответствующие заданной массе и геометрической форме осколков. Боевые части ПРР имеют направленное действие. Угол разлета осколков составляет от 30 до 600 [6]. Радиус зоны поражения зависит от скорости поражающих элементов, их массы и формы.

ПРР как объекты радиолокационного наблюдения существенно отличаются от самолетов. Их поперечные и продольные размеры в 3…5 раз меньше размеров истребителя, геометрические формы более просты, размеры основных локальных отражателей соизмеримы с длиной волны РЛС дециметрового или метрового диапазонов, то есть имеет место резонансное рассеивание. В таблице 1.4 показаны средние значения эффективных поверхностей рассеивания (ЭПР) ПРР для различных ракурсов их локации [5,6].

ПРР может двигаться к цели по различным траекториям в зависимости от располагаемых перегрузок и используемого метода наведения.

При наведении ПРР на РЛС и ЗРК могут использовать характерные траектории полета, показанные на рисунке 1.1.

Таблица 1.4 - Средние значения ЭПР ПРР

Тип ПРР

Ракурс локации, град.

Значение ЭПР для длин волн



l=3 см

l=10 см

l=40 см

l=200 см

ALARM

±15

0,06

0,07

0,08…0,12

1,2


±45

0,05

0,06

0,08…0,12

1,5

HARM

±15

0,06

0,07

0,08…0,12

1,8


±45

0,04

0,07

0,08…0,12

2,0

Tacit Rainbow

±15

0,11…0,15

0,11…0,15

0,15…0,20

1,0…1,5


±45

0,04…0,09

0,04…0,09

0,06…0,10

1,0…1,5

ARMAТ

±15

0,25

0,3

0,3…0,5

1,4


±45

0,2

0,25

0,3…0,5

3,8


Анализ основных характеристик ГСН ПРР показывает, что:

ГСН имеют большой диапазон перестройки рабочей частоты (до 1000 МГц), поэтому использование в РЛС скачков частоты и перестройки является малоэффективной мерой (для уменьшения ошибок наведения ПРР переходит в режим ожидания с последующим поиском либо наведением по памяти);

малая (2…4 МГц) ширина полосы пропускания приемника ГСН обеспечивает ее высокую разрешающую способность по частоте, что позволяет селектировать нужную РЛС в сложной радиоэлектронной обстановке;

высокая чувствительность приемного устройства ГСН обеспечивает возможность захвата РЛС-цели даже по фону диаграммы направленности (ДН) на дальностях более 100 км, а при работе на эквивалент с дальностей более 15…30 км;

широкий динамический диапазон приемника ГСН не приводит к его перегрузке в сложной радиоэлектронной обстановке на всех дальностях;

несмотря на относительно большую ширину диаграммы направленности ГСН (25…300), поиск цели облегчен за счет углового стробирования и использования угловых селекторов, что обеспечивает высокую разрешающую способность с большой дальности и высокую точность углового сопровождения;

время реакции авиационного пускового комплекса, как правило, меньше времени реакции ЗРК, что в конфликтной ситуации обеспечивает пуск ПРР ранее пуска ЗУР;

для наведения ПРР на РЛС-цель, как правило, используется метод пропорционального наведения.

Рисунок 1.1 - Возможные варианты траекторий полета ПРР

1.2 Анализ возможностей существующих ПРР по поражению РЛС-КО

Основным демаскирующим признаком РЛС-КО, по которому она может быть обнаружена средствами радиотехнической разведки носителя ПРР, является ее электромагнитное излучение как по основному, так и по боковым лепесткам диаграммы направленности [7].

Был проведен расчет потенциальной дальности обнаружения и захвата ГСН (R) противорадиолокационной ракеты РЛС-КО. Дальность обнаружения данной станции ГСН ПРР по основному и боковым лепесткам диаграммы направленности (Dpv) определяется дальностью прямой видимости и зависит от высоты полета носителя ракет (рисунки 1.2, 1.3).

Принимая во внимание высокую точность стрельбы (см. таблицу 1.3) ПРР, степень поражение РЛС-КО в условиях непротиводействия ее обстрелу будет зависеть непосредственно от характеристик боевой части ракеты и защитных свойств конструкции станции.

В подразделе 1.1 приводятся основные характеристики боевых частей ПРР, находящихся в настоящее время на вооружении в странах мира. Анализ характеристик боевого снаряжения ПРР показывает, что:

а) ПРР имеют высокую вероятность поражения РЛС за счет большой энергии осколочного и фугасного воздействия и большой площади поражения;

б) боевое снаряжение существующих ПРР способно пробивать броню толщиной более 10 мм;

в) в составе ПРР отсутствует сложная аппаратура защиты радиовзрывателей (доплеровских и лазерных) от различного рода помех, что может быть использовано в качестве дополнительной меры противодействия.

Так, проведенные расчеты для ПРР HARM показывают, что осколки могут пробивать лист из мягкой стали толщиной 12,7 мм и броневую плиту толщиной 6,35 мм. Наибольшей разрушительной силой обладает боевая часть ПРР Martel весом 150 кг, которая способна пробивать броню толщиной до 15…20 мм. Дальность поражения осколочным воздействием БЧ ПРР может составлять для личного состава до 300 м, а боевой техники - до 150 м .

Рисунок 1.2 - Зависимость потенциально достижимой дальности обнаружения РЛС-КО ГСН ПРР от уровня боковых и фоновых лепестков ДН

Рисунок 1.3 - Зависимость дальности обнаружения РЛС-КО ГСН ПРР по основному и боковым лепесткам ДН от высоты полета носителя ракеты

В связи с тем, что подрыв ПРР происходит в плотном слое атмосферы, образовавшаяся ударная волна увеличивает разрушительный эффект продуктов взрыва. Радиус эффективного фугасного действия ПРР различных типов составляет от 7 до 35 м [6].

Исходя из того, что при изготовлении РЛС-КО, как правило, не применяют броневой защиты, поражение данной станции будет осуществлено даже при подрыве боевой части ПРР в радиусе до 100 м вокруг нее.

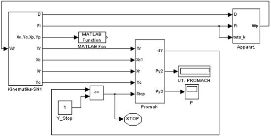
2. Разработка математической модели наведения ПРР на РЛС-КО

Для оценки возможностей ПРР по поражению радиолокационной станции была разработана математическая модель, имитирующая в вертикальной плоскости процесс полета и наведения ракеты на наземную РЛС, которая является мобильной и может функционировать во время движения [8].

Структура модели состоит из следующих блоков:

- блок кинематики относительного движения ракеты;

блок аппаратурной части ракеты: координатор цели (КЦ), устройство выработки команд (УВК) и система стабилизации;

блок формирования промаха ракеты.

Кинематика относительного движения ракеты реализована по системе уравнений:

,  (2.1)

где - расстояние между ПРР и РЛС, - скорость сближения ПРР с РЛС, - начальное расстояние между ПРР и РЛС, - скорость ПРР, - скорость РЛС, - угол наклона линии ПРР-РЛС, отсчитанный относительно горизонта, - угловая скорость вращения линии ПРР-РЛС в вертикальной плоскости, - начальное значение угла наклона линии ПРР-РЛС, отсчитанное относительно горизонта, - угол наклона вектора скорости ПРР к горизонту, - скорость изменения угла наклона вектора скорости ПРР к горизонту, - начальное значение угла наклона вектора скорости ПРР к горизонту, - угол наклона вектора скорости РСЛ к горизонту, - скорость изменения угла наклона вектора скорости РЛС к горизонту, - начальное значение угла наклона вектора скорости РЛС к горизонту, - нормальное ускорение ПРР, - нормальное ускорение РЛС.

Нормальное ускорение ракеты поступает с выхода системы стабилизации. Начальная дальность ПРР-РЛС соответствует дальности устойчивого захвата сигнала станции головкой самонаведения и пуска ракеты. Скорость ракеты  на всей ее траектории полагается постоянной.

Траектория ракеты в абсолютном движении моделируется уравнениями в прямоугольной неподвижной системе координат:

   (2.2)

где - скорость изменения полета ракеты по координате Х, -начальное положение ПРР по оси Х, - скорость изменения высоты полета ракеты, - начальное положение ПРР по оси Υ.

Модель аппаратурной части включает блоки координатора цели, устройства выработки команд и системы стабилизации ракеты.

Следящий координатор цели реализован дискриминационной характеристикой в виде, показанном на рисунке 2.1, с крутизной равной 50, а также линейной частью двух типов:

,     (2.3)

Рисунок 2.1 - Дискриминационная характеристика пеленгатора цели

где  - передаточная функция привода КЦ,  - передаточная функция привода и фильтра, уменьшающего влияние перерывов информации в КЦ.

Устройство выработки команд формирует команду управления (l) в соответствии с методом пропорционального наведения

,        (2.4)

Система стабилизации ракеты реализована в виде колебательного звена:

,  (2.5)

где - коэффициент демпфирования ракеты, оптимальной считается величина 0.8…0.9,  - постоянная времени ракеты, для малых ракет 0.05…0.15.

В блоке определения промаха формируется останов модели по условию , и производится расчет промаха по формуле:

        (2.6)

Функциональная схема модели, реализованная в среде программирования Matlab 6.5, представлена на рисунке 2.2.

Рисунок 2.2

3. Анализ эффективности применения существующих способов и средств защиты РЛС-КО от ПРР

.1 Классификация существующих мер защиты РЛС от ПРР

Проведенные исследования показывают, что существующие РЛС обладают недостаточной живучестью по следующим основным причинам:

а) низкая скрытность РЛС, вызванная большой средней мощностью их излучения, большим уровнем боковых лепестков и фона излучения их антенн, наличием паразитного радиоизлучения;

б) отсутствие аппаратуры распознавания средств воздушного нападения среди ложных целей и определения момента применения ПРР;

в) недостаточная дальность обнаружения ПРР даже в условиях отсутствия помех;

г) недостаточно высокая вероятность поражения ПРР большинством типов ЗРК (0,1…0,4), что обусловлено их большой средней скоростью;

д) низкая степень живучести элементов РЛС, особенно антенных систем от поражающих факторов боевых частей ПРР (в силу конструктивных особенностей);

е) низкая эффективность используемых на РЛС радиотехнических мер защиты, основанных на регламентации излучения и перестройке параметров излучаемых сигналов, в условиях применения современных и перспективных ПРР;

ж) отсутствие в составе РЛС специальных средств радиолокационной защиты (СРЗ) типа «Дублер», обеспечивающих отвлечение ПРР на себя.

Все меры (способы) защиты РЛС от ПРР можно разделить на две большие группы (классы) [6]:

пассивные меры защиты;

активные меры защиты.

К пассивным мерам защиты РЛС от ПРР относятся [6]:

меры, направленные на повышение временной и энергетической скрытности РЛС;

скачкообразное изменение параметров сигналов, излучаемых защищаемой РЛС;

использование средств радиолокационной защиты типа "Дублер", обеспечивающих отвлечение ПРР на себя;

К активным мерам защиты РЛС относятся:

уничтожение самолетов-носителей ПРР на земле до их взлета с использованием ракетных войск, артиллерии или авиации;

радиоэлектронное подавление или вывод из стоя системы управления и прицелов самолетов-носителей ПРР и ГСН ПРР;

уничтожение самолетов-носителей и самих ПРР в воздухе с помощью зенитных ракетных комплексов (ЗРК) и зенитной артиллерии.

.2 Обзор существующих мер защиты РЛС от ПРР

Меры защиты от ПРР целесообразно рассматривать по двум направлениям - до ведения (на этапе ведения предварительной разведки СВН группировки ПВО и на этапе подготовки и планирования боевых действий СВН по ее подавлению) и в ходе ведения боевых действий элементами группировки ПВО.

На этапе ведения предварительной разведки СВН группировки ПВО нападающая сторона устанавливает состав ее сил и средств, боевой порядок, систему огня, а также определяет основные радиотехнические параметры и режимы функционирования РЛС-целей. Наиболее эффективным средством противодействия на этом этапе является маскировка. Маскировка должна проводиться непрерывно, во всех видах боя с широким применением подручных и табельных средств маскировки. Она проводится с учетом комплексного применения противником различных средств и способов ведения разведки.

На этапе подготовки и планирования боевых действий СВН по подавлению группировки ПВО нападающая сторона по данным предварительной разведки разрабатывает план боевых действий в форме авиационного удара, в котором указываются последовательность взлета, районы сосредоточения, маршруты полета обеспечивающих, отвлекающих и ударных групп СВН, рубежи и объекты пуска ПРР каждым самолетом-носителем и порядок использования средств радиоэлектронного подавления. На этом этапе также формируется банк типовых "портретов" РЛС-целей и их приоритеты, закладываемые в память бортовых ЭВМ каждого самолета-носителя ПРР. Продолжительность этапа подготовки и планирования боевых действий может составлять от 3…5 до 10…15 суток. По времени этот этап может частично совпадать с этапом ведения предварительной разведки.

К мероприятиям, проводимым в группировках ПВО, которые способны резко снизить качество планирования боевых действий СВН следует отнести:

периодический маневр РЛС-КО со сменой позиций и активную дезинформацию противника о реальном их составе;

превращение оставленных позиций в ложные путем их оборудования макетами и радиоимитаторами реальных РЛС-КО.

Все это в совокупности уже на этапе планирования боевых действий СВН позволит отвлечь часть ударных средств, в том числе и носителей ПРР, на их подавление, создать ложную картину дислокации средств группировки и нарушить координацию действий ударных групп авиации.

На этапе боевых действий СВН и огневого поражения средств ПВО нападающая сторона по заранее разработанному плану боевых действий производит формирование отвлекающих групп из ложных целей и ДПЛА либо тактической авиации и осуществляет доразведку группировки ПВО специализированными самолетами радиоэлектронной разведки и дальнего радиолокационного обнаружения. С установленных рубежей производится пуск и наведение ПРР по заранее намеченным для каждого самолета излучающим РЛС-целям. Наведение ПРР на атакуемую цель по времени не будет превышать 2…3 минут [6].

На этапе ведения боевых действий может осуществляться весь комплекс пассивных и активных мер по защите РЛС-КО от ПРР. Однако следует учесть, что уничтожение самолетов-носителей ПРР на земле является хотя и эффективной, но достаточно сложной задачей, так как:

самолеты-носители ПРР располагаются в глубине территории противника на удалении не менее 80 км от границы (линии непосредственного боевого соприкосновения), что может превышать дальность действия оперативно-тактических ракет класса "земля-земля"[5];

использование ударной авиации для уничтожения аэродромов противника может оказаться нецелесообразным в силу высокой эффективности его системы ПВО.

Радиоэлектронное подавление бортовой аппаратуры самолетов-носителей и ГСН ПРР является достаточно эффективной мерой защиты, однако это требует применения большого количества станций (комплексов) радиоэлектронного подавления и сложного управления ими в ходе отражения воздушного удара противника.

Уничтожение ПРР с помощью ЗРК затруднительно из-за их малых отражающих поверхностей и больших скоростей их полета. Не все типы ЗРК, находящиеся на вооружении в странах мира, способны их обстрелять.

.2.1 Анализ эффективности применения пассивных мер защиты РЛС-КО от ПРР

Для защиты обзорных импульсных РЛС от ПРР наиболее приемлемым с точки зрения их функционального предназначения является использование следующих пассивных мер защиты [6]:

изменение режимов работы РЛС;

применение средства радиолокационной защиты типа «Дублер»;

подсвет облака дипольных отражателей (аэрозолей).

Изменение режимов работы импульсной обзорной РЛС. Использование этого способа защиты не является эффективным в силу следующих причин:

снижается боевая эффективность РЛС;

уменьшается объем и качество радиолокационной информации о воздушной обстановке;

изменение режима работы, за исключением выключения станции, не приводит к срыву сопровождения ГСН сигнала этой станции.

Полное периодическое или при обнаружении пуска ПРР отключение РЛС-КО влечет за собой прекращение выдачи радиолокационной информации о воздушной обстановке, что не всегда возможно в ходе отражения воздушного удара противника.

На рисунке 3.1 показана зависимость промаха ПРР (Р) от дальности выключения РЛС-КО (Dвыкл). Данный способ защиты от ПРР может быть эффективным только при условии своевременного обнаружения пущенной по РЛС ракеты. Как показывают расчеты, из-за малой ЭПР обнаружение ПРР в без помеховой обстановке существующим парком РЛС-КО может осуществляться на дальности от 5 до15 км. Во время боя противник будет создавать сложную помеховую обстановку, что не позволит своевременно обнаруживать подлет ПРР к станции. Для обнаружения старта и полета ПРР требуется разработка специальных помехозащищенных средств разведки.

Рисунок 3.1

Использование средства радиолокационной защиты типа «Дублер». На рисунке 3.2 показаны зависимости величины промаха ПРР от дальности включения «Дублера» (l) при различной дальности его размещения (s) относительно РЛС (верхний график - «Дублер» расположен на дальности 500 м относительно РЛС, средний - 250 м, нижний - 100 м). Результаты модельных экспериментов, представленные на этом рисунке, позволяют сделать вывод о достаточной эффективности использования данного средства защиты. Однако для импульсных обзорных РЛС средства защиты типа «Дублер», как правило, не разрабатываются. Это связано со следующими обстоятельствами:

средства защиты типа «Дублер» создаются непосредственно под технические характеристики конкретной РЛС, в то время как типаж обзорных РЛС достаточно большой;

в большинстве случаев применение «Дублера» приводит к возникновению неоднозначного измерения дальности до воздушного объекта;

сложности с электромагнитной совместимостью РЛС и «Дублера» [9].

Рисунок 3.2

Следует отметить, что в настоящее время ведутся разработки комбинированных радиолокационных и инфракрасных головок самонаведения. Поэтому применение «Дублера» для защиты РЛС-КО является нецелесообразным.

Представляют интерес комплексные средства защиты (КСЗ) от ракет с радиолокационными и оптическими ГСН. Всероссийским научно-исследовательским институтом радиотехники разработан КСЗ "Газетчик-Е", в состав которого входят [6]:

автономный доплеровский обнаружитель ПРР и другого высокоточного оружия, работающий в метровом диапазоне длин волн и обеспечивающий обнаружение пикирующего ВТО на удалении 10...20 км;

твердотельные отвлекающие передатчики, создающие маскирующее радиолокационное поле, со структурой сигналов, аналогичной защищаемым РЛС;

пусковые установки дипольных помех, аэрозольных завес и ИК-ловушек;

аппаратура управления КСЗ, располагаемая в защищаемой РЛС.

Электропитание КСЗ осуществляется от средств электроснабжения защищаемой РЛС.

Принцип защиты от ПРР аналогичен СРЗ "Дублер". Для повышения живучести защищаемых РЛС осуществляется их кратковременное выключение (по командам автономного обнаружителя ПРР) при подлете ПРР на опасное расстояние, равное 5...7 км, и увод ПРР на отвлекающие передатчики. Защита РЛС от ВТО с оптическими ГСН осуществляется путем постановки аэрозольных помех, применения дипольных отражателей и выстреливаемых ИК-ловушек.

Эффективность КСЗ "Газетчик-Е", определяемая вероятностью отвлечения ВТО, составляет:

,7…0,8 - при отвлечении ПРР;

,5…0,6 - при отвлечении ВТО с оптическими ГСН.

Однако КСЗ "Газетчик" обладает следующими серьезными недостатками:

а) обеспечение защиты РЛС от ПРР в диапазоне углов места от 10 до 60о, а в настоящее время углы пикирования ПРР составляют от 5…10о (HARM) до 70…90о (ALARM);

б) невозможность в настоящее время отвлечения ПРР и других высокоточных средств поражения с активными радиолокационными ГСН от защищаемой РЛС;

в) усложнение ведения боевой работы расчетом РЛС ввиду необходимости выполнения следующих дополнительных операций:

обнаружения момента запуска ПРР с сопровождаемого самолета-носителя ввиду наличия большой незащищенной зоны в районе главного луча диаграммы направленности антенны РЛС;

постоянного наблюдения на экранах индикаторов РЛС и анализа уровня паразитных шумов, создаваемых отвлекающими передатчиками КСЗ.

г) низкая мобильность и живучесть в условиях массированного применения ПРР.

Перечисленные недостатки обуславливают необходимость разработки принципиально новых средств защиты РЛС-КО от современных и перспективных ПРР.

Подсвет облака дипольных отражателей (аэрозолей). Опыт применения ракет типа HARM показывает, что при работе наземных РЛС возникают переотражения от местных предметов и подстилающей поверхности. Образуется как бы групповая цель, в результате чего нападение ракеты на РЛС происходит с повышенной ошибкой.

Переотраженный сигнал имеет зеркальную и диффузную составляющие [6]. Участок поверхности и местные предметы, облучаемые энергией наибольшей интенсивности, находятся в пределах главного луча и ближних боковых лепестков диаграммы направленности антенны РЛС. Поскольку ПРР наводится в основном по фоновому излучению станции, этот участок, как правило, не располагается в плоскости траектории полета ракеты, кроме того, угол места ракеты относительно РЛС непрерывно меняется, поэтому вероятность воздействия на ГСН зеркальной составляющей весьма невелика. Следовательно, при борьбе с ПРР приходится рассчитывать на смещение точки наведения за счет диффузного переотражения.

Исходя из функционального предназначения обзорных РЛС, наиболее целесообразным является подсвет не земной поверхности, а облака дипольных отражателей или аэрозолей. Поскольку время существования таких облаков мало, для их поддержания применяют специальные ракеты. На вооружении стран НАТО имеются специальные пусковые установки Мk135, входящие в систему КВ05 Мk33, для пусков гранат с дипольными отражателями [6]. Начальная скорость полета гранат 70 м/с. Через 4 секунды после пуска они образуют облако на высоте 100…160 м и дальности 70…135 м в зависимости от угла наклона направляющих. Такое облако, подсвеченное лучом РЛС или специального передатчика, образует мощное излучение, на которое могут перенацеливаться атакующие ПРР.

3.2.2 Анализ эффективности применения активных мер защиты РЛС-КО от ПРР

Основными преимуществами методов активной защиты РЛС-КО от ПРР является то, что они не требуют изменения режимов работы станции и не приводят, как правило, к снижению их эффективности. Вместе с тем их реализация сопряжена с определенными трудностями и значительными экономическими затратами.

Наиболее перспективным способом защиты РЛС-КО является вывод из строя ПРР в полете. ПРР имеют малые геометрические размеры и высокие скорости полета, вследствие чего их поражение зенитными управляемыми ракетами, применяемыми для поражения других СВН, может быть малоэффективным и дорогим. Поэтому для вывода ПРР из строя должны быть разработаны специальные способы и технические устройства. К таким способам можно отнести:

использование мощного направленного электромагнитного излучения, выводящего из строя полупроводниковые элементы электронных схем ГСН ПРР;

применение электромагнитных динамических систем метания поражающих элементов;

ослепление ГСН ПРР путем создания на траектории их полета мелкодисперсных облаков агрессивных жидкостей или красителей, выводящих из строя оптику и радиопрозрачные обтекатели ГСН;

образование на траектории полета ПРР облаков взрывоопасных смесей, обеспечивающих при взрыве избыточное давление, достаточное для разрушения обтекателей ГСН, повреждения корпуса или детонации боевой части.

В настоящее время технические устройства, реализующие указанные выше способы, находятся на этапе разработки или испытаний. Так, на полигонах в США неоднократно проводились работы с экспериментальной лазерной установкой, которая поражала аэродинамические объекты. По программе СОИ был проведен эксперимент по перехвату ракет с помощью газодинамической лазерной установки мощностью 400 кВт [6]. В ФРГ фирмой "МВБ" разработана экспериментальная лазерная установка мощностью 100 кВт [6]. Установка имеет шасси танка "Леопард-2" и предназначена для поражения воздушных целей в ближней зоне.

Мощные лазерные лучи способны наносить механическое и термическое повреждение, а также воздействовать на электронные схемы за счет ионизирующего действия. Импульс лазера, создающий плотность энергии 5 кДж/см, пробивает алюминиевую пластину толщиной 3 мм. Для повреждения обтекателей антенн ГСН, фотоэлементов и других оптических датчиков достаточна плотность энергии в лазерном луче 10 Дж/см [6].

Последние годы в ряде стран ведутся разработки лучевого оружия на основе ускорителей элементарных частиц. Плазменное образование создается энергетическими микроволновыми и лазерными установками перед ракетой или боеголовкой ракеты. Его действие приводит к разрушению летящего объекта. Также возможно поражение ПРР за счет воздействия на ее элементы мощным радиоизлучением. Для этого могут быть использованы специальные станции радиоэлектронных помех.

В настоящее время в вооруженных силах США и НАТО для огневого поражения самонаводящегося ракетного оружия используются скорострельные артиллерийские многоствольные установки и системы с неуправляемыми ракетами (НУР). Так, американский артиллерийский комплекс "Фаланкс" полностью автоматизирован, имеет собственную систему поиска и сопровождения цели [5]. Управление огнем 20-мм-й шестиствольной пушки осуществляется цифровой системой управления. Скорострельность пушки составляет 3000 выстрелов в минуту. В системе управления осуществляется автоматическое слежение за целью и очередью снарядов, а также автоматическая коррекция стрельбы. Комплекс смонтирован на подвижной турели пушки "Вулкан" М61А1, которая вместе с шестиствольной пушкой и антенной РЛС наведения, размещенной под ней, может разворачиваться по азимуту вкруговую и по углу места от -35 до +90°. На турели внутри радиопрозрачного обтекателя размещены одна над другой две сканирующие антенны РЛС обнаружения.

Таким образом, защиту РЛС-КО от ПРР целесообразно осуществлять с использованием скорострельных артиллерийских многоствольных установок.

4. Разработка рекомендаций по защите РЛС-КО от ПРР

Проведенный в предыдущем разделе анализ показывает, что ни один из способов защиты РЛС-КО от ПРР нельзя считать абсолютно надежным. На основании этого можно сделать вывод, что защита должна носить комплексный и эшелонированный характер. Ее основу должны составлять как имеющиеся на вооружении средства ПВО и РЭБ, так и специально для этого разработанные автоматические комплексы индивидуального прикрытия объектов от ПРР. Ниже приводятся рекомендации по защите РЛС-КО от ПРР.

А) Эшелонированное построение защиты. Первый эшелон должны составлять средства РЭБ, способные вести борьбу с носителями ПРР; второй эшелон - средства РЭБ группового прикрытия, обеспечивающие срыв применения ПРР, дополнительную маскировку группы объектов, постановку отвлекающих и маскирующих помех; третий эшелон - средства индивидуального прикрытия, обеспечивающие экранирование излучений объекта, а также вывод из строя или отвлечение ПРР в полете.

Б) Выбор позиции станции с учетом помехозащищенности от ПРР. РЛС-КО должна располагаться на позиции, покрытой растительностью или вблизи опушки леса, холма или других крупных местных предметов. Это обеспечивает снижение вероятности поражения ПРР на 10…30% и более.

В) Подсвет облака дипольных отражателей для перенацеливания атакующих ПРР.Для этой цели РЛС-КО должна придаваться пусковая установка для отстрела гранат с дипольными отражателями.

Г) Применение активных мер защиты от ПРР. Для поражения ПРР в полете необходимо использовать скорострельные артиллерийские многоствольные установки или системы с неуправляемыми ракетами.

Заключение

Представлены и проанализированы основные тактико-технические характеристики современных ПРР HARM (AGM-88) (США), Martel (АS-37) (Франция), ARMAT (Франция, Великобритания), ALARM (Великобритания), Tacit Rainbow (США).

Проведен анализ возможностей существующих ПРР по поражению РЛС-КО, который показал, что поражение станции будет осуществлено даже при подрыве боевой части ПРР в радиусе до 100 м вокруг нее.

Проведен обзор существующих мер защиты РЛС-КО от ПРР. На этапе ведения предварительной разведки СВН группировки ПВО наиболее эффективным средством противодействия является маскировка. На этапе подготовки и планирования боевых действий СВН по подавлению группировки ПВО целесообразно использовать маневр на запасную позицию. На этапе ведения боевых действий может осуществляться весь комплекс пассивных и активных мер по защите РЛС-КО от ПРР.

Проведен анализ эффективности использования пассивных и активных мер защиты РЛС-КО от ПРР. По критерию эффективность-стоимость наибольший интерес вызывает применение зенитных артиллерийских систем типа многоствольного комплекса "Фаланкс".

Разработаны рекомендации по повышению живучести РЛС-КО на основе комплексности и эшелонирования ее защиты от ПРР.

радиолокационный ракета математический защита

Список использованных источников

1.   Пучков А. Воздушная наступательная операция в ходе войны в Персидском заливе // Зарубежное военное обозрение, 1991, №5, с.36.

2.   Барвиненко В.В. Причины безуспешных действий ВВС и ПВО Ирака по срыву действий средств воздушного нападения США и Великобритании // Вестник Академии военных наук, 2003, № 3(4), с.31-36.

3.       Александров В., Рахманов А. ВТО: роль и место в вооруженных конфликтах. Основные тенденции развития // Военный парад, 2003, № 1, с.16-18.

.         Новиков Н., Галин Л. Подавление системы ПВО Ирака в операции "Буря в пустыне" // Зарубежное военное обозрение, 1991, №9, с. 29.

.         Волковский Н.Л. Энциклопедия современного оружия и боевой техники. Т.1. - М.: ООО "Издательство АСТ"; ООО "Издательство "Полигон", 2002.

.         Высокоточное оружие и борьба с ним / С.А.Головин, Ю.Г.Сизов, А.Л.Скоков, Л.Л.Хунданов. - М.: ВПК, 1996.

.         Козловский А.Е., Котов А.И., Мокринский В.В., Пальцев А.Н. Принципы построения и устройство узла целеуказания зенитной ракетной системы С-300В. Часть 1. Принципы построения и устройство средств радиолокационной разведки УЦУ. - Минск: ВА РБ, 2003.

8.   Кун А.А., Лукьянов В.Ф., Шабан С.А. Основы построения систем управления ракетами. Часть 2. Автономные системы управления. Системы телеуправления и самонаведения. - Минск: ВА РБ, 2001.

9.   Воробейчиков А.А. Устройство и эксплуатация высокочастотной части аппаратуры ЗРК. Аппаратура защиты СНР-125М1 от противорадиолокационных ракет (“Дублер”). - Минск: МВИЗРУ, 1989.

Похожие работы на - Разработка рекомендаций по защите радиолокационной станции кругового обзора от противорадиолокационных ракет

 

Не нашли материал для своей работы?
Поможем написать уникальную работу
Без плагиата!
Без нейросетей!