Характеристика установки инверторной сварки 'Магма–315Р'
Введение
инверторный сварка установка
Образованное в самом начале
Великой Отечественной войны, предприятие обрело статус завода тяжелого
крекингового оборудования имени Петрова. Имя одного из двадцати шести Бакинских
комиссаров Григория Константиновича Петрова оно получило по наследству, так как
его основой стал одноименный небольшой завод, по решению Советского
правительства в сентябре 1941 года перебазированный из Баку в Сталинград.
В 1973 году в период III
реконструкции завода, были выделены цеха специального производства. Одним из
таких цехов стал Механосборочный цех №19.
В 1981 году начался Выпуск первых шаровых кранов
Ду1000. Япония отказалась поставлять шаровые краны для обустройства газопровода
Уренгой - Помары - Ужгород: это событие явилось толчком для освоения продукции
запорной газовой аппаратуры на заводе «Волгограднефтемаш». Выпуск шаровых
кранов наращивал объемы в 1987г. в честь празднования 70-летия Великой
Октябрьской революции бригада котельщиков во главе с Георгием Ивановичем
Степановым, изготовила пятисотый кран Ду1000, а в 1987г.
Комсомольско-молодежная бригада токарей-карусельщиков (бригадир В.В. Аминин,
комсорг М.Е. Татаринцев) стала победителем областного конкурса «Навстречу ХХ
съезда ВЛКСМ»
По ходу выпуска шаровых кранов проходила их модернизация,
осваивались новые виды технологий. Для выпуска данной продукции был обновлен
парк оборудования.
На данный момент продолжается техперевооружение
МСЦ-19
Освоение новых модификаций шаровых кранов с
использованием импортного электрогидропривода формы «Rotork»,
и начало строительства помещений для дробеструйной камеры и участков
окрасочного и антикоррозийного покрытий.
1.Общая часть
.1 Краткая характеристика проектируемого объекта
(вид выпускаемой продукции, условия окружающей среды, характеристика режима
работы)
Механосборочный цех № 19 производит шаровые
краны для нефтяной промышленности. Цех относится к основным. Условие среды в
помещении цеха - нормальное, не пожароопасное.
По надёжности и бесперебойности электроснабжение
оборудование относится к III
категории.
Помещение цеха имеет размеры: 180x24x8м.
Грунт в районе цеха - суглинок
1.2 Характеристика ближайшего источника
питания
Схемы внешнего электроснабжения в значительной
степени зависят от характеристик источников питания, числа приёмных пунктов, их
размещения на территории предприятия, наличие собственной электростанции,
мощных электроприёмников с резкопеременными нагрузками.
Распределение электрической
энергии по территории предприятия производиться от ГПП подстанция «Петровская»
на три напряжениях 110/10/6 кВ, расположенной на расстоянии 1,2 км от ГПП 110/6
(ТРДН25000/110) получающей питание от районной энергосистемы.
По радиальным кабельным линиям с ГПП от шин РУ
6кВ получают питание трансформаторные цеховые подстанции.
.3 Анализ электрических
нагрузок
Электрические нагрузки представляют собой
основное и вспомогательное оборудование. К основному оборудованию относят
станки с длительным режимом работы: вертикально-сверлильные,
кругло-шлифовальные, наждачные, сверлильные, токарные, токарно-патронные
полуавтоматы (таблица 1). К вспомогательному оборудованию относят, работающее в
повторно-кратковременном режиме:кран-балка (таблица 2).
Таблица 1 - Электрооборудование с длительным
графиком нагрузок.
|
№
ЭП
|
Наименование
электроприемников
|
Кол-во
|
Установленная
мощность приемника Рн , кВТ
|
Ки
|
Cos φ
|
η
|
|
1
|
Станок
токарно-карусельный
|
1
|
75
|
0,16
|
0,5
|
0,92
|
|
2,4
|
Станок
токарно-карусельный
|
2
|
45
|
0,12
|
0,4
|
0,91
|
|
3
|
Станок
токарно-карусельный
|
1
|
40
|
0,12
|
0,4
|
0,91
|
|
5
|
Станок
токарно-карусельный
|
1
|
30
|
0,17
|
0,65
|
0,90
|
|
6,7
|
Станок
сферотокарный
|
2
|
45
|
0,17
|
0,65
|
0,91
|
|
8
|
Станок
координатно-сверлильный
|
1
|
30
|
0,12
|
0,5
|
0,91
|
|
9
|
Станок
резьбонарезной
|
1
|
14
|
0,16
|
0,5
|
0,90
|
|
10
|
Станок
горизонтально-расточной
|
1
|
20
|
0,12
|
0,4
|
0,86
|
|
12,14
|
Станок
горизонтально-расточной
|
2
|
8,5
|
0,14
|
0,4
|
0,87
|
|
13
|
Станок
токарно-карусельный
|
1
|
55
|
0,2
|
0,65
|
0,92
|
|
15
|
Станок
горизонтально-расточной
|
1
|
10
|
0,14
|
0,4
|
0,86
|
|
16,17,18
|
Станок
токарно-карусельный
|
3
|
45
|
0,2
|
0,65
|
0,91
|
|
19
|
Станок
сферообрабатывающий
|
1
|
45
|
0,2
|
0,65
|
0,91
|
|
20
|
Станок
радиально-сверлильный
|
1
|
5,5
|
0,12
|
0,4
|
0,88
|
|
21
|
Станок
фрезерный
|
1
|
11
|
0,12
|
0,4
|
0,88
|
Таблица 2- Электрооборудование с переменным
графиком нагрузок.
|
№
ЭП
|
Наименование
электрооборудования
|
Кол-во
|
Рн,
кВт
|
Ки
|
Cosф
|
η
|
ПВ
|
|
ЭП
11
|
Кран
- балка
|
1
|
4,43
|
0,1
|
0,6
|
0,81
|
40
|
.4 Выбор схемы электроснабжения и питающих
напряжений
Основным условием рационального проектирования
сети электроснабжения промышленного объекта является принцип одинаковой
надежности питающей линии (со всеми аппаратами) и одного электроприемника
технологического агрегата, получающего питание от этой линии. Поэтому нет
смысла, например, питать один электродвигатель технологического агрегата по
двум взаиморезервируемым линиям. Так как все электроприёмники объединены одним
технологическим процессом, выставлены неравномерно и относятся к III
категории, радиальная схема электроснабжения наиболее экономически выгодна и
удобна при эксплуатации.
2. Специальная часть
.1 Расчёт и выбор аппаратов защиты до 1000 В
В сетях и установках напряжением до 1000В
возможные ненормальные режимы, связанные с увеличением силы тока (сверхтоком).
К увеличению силы тока проводят перегрузки, пуск и самозапуск
электродвигателей, короткое замыкание. Эти ненормальные режимы могут привести к
повреждению изоляции и контактов электрических сетей, оборудования, созданию
опасности для персонала. Поэтому сети и установки должны быть защищены от
перегрузки и токов короткого замыкания.
Определяем ток нагрузки для трехфазных
электроприемников:
А (1)
Где Рн - номинальная мощность электроприемника,
Вт;
Uном -
номинальное напряжение питания, В;
cos φ -
коэффициент мощности нагрузки;
η - кпд электроприёмника
проведем расчет для ЭП1 (Станок
токарно-карусельный)
Для остальных электроприёмников
расчет аналогичен. Результаты расчета сведены в таблицу 2.
Определяем сечение проводника по
условию допустимых длительных токов:
(2)
Где Ip - расчетный
ток ЭП, А;
Iд -
допустимый ток нагрева провода, А;
- поправочный температурный
коэффициент,
- поправочный коэффициент, зависящий
от количества параллельно прокладываемых кабелей и расстояния между ними.
Выберем провод для питания ЭП1:
принимаем провод АПВ-5(2х70) мм2
. Способ прокладки в стальных трубах диаметром 70 мм.
Для остальных электроприемников
выбор проводов аналогичен. Результаты расчета сведем в таблицу 2.
Таблица 3 - Выбор кабелей для
каждого электроприемника.
|
№ЭП
|
Iрасч
,А
|
Iдоп
,А
|
Провод
марка
|
Способ
прокладки
|
|
1
|
241,91
|
130
|
АПВ
5(2х70)
|
в
стальных трубах т 70
|
|
2,4
|
187,5
|
48
|
АПВ
5(4х16)
|
в
стальных трубах т 32
|
|
3
|
166,6
|
65
|
АПВ
5(3х25)
|
в
стальных трубах т 40
|
|
5
|
78,9
|
48
|
АПВ
5(2х16)
|
в
стальных трубах т 32
|
|
6,7
|
118,4
|
130
|
АПВ
5(1х70)
|
в
стальных трубах т 70
|
|
8
|
100
|
130
|
АПВ
5(1х70)
|
в
стальных трубах т 70
|
|
9
|
83,3
|
130
|
АПВ
5(1х70)
|
в
стальных трубах т 70
|
|
10
|
50
|
65
|
АПВ
5(1х25)
|
в
стальных трубах т 40
|
|
12,14
|
36,96
|
38
|
АПВ
5(х2.5)
|
в
стальных трубах т 20
|
|
13
|
141,02
|
75
|
2АПВ 5(1х35)
|
в
стальных трубах т 40
|
|
15
|
43,48
|
48
|
АПВ
5(1х16)
|
в
стальных трубах т 32
|
|
16,17,18
|
121,62
|
130
|
АПВ
5(1х70)
|
в
стальных трубах т 70
|
|
19
|
121,62
|
130
|
АПВ
5(1х70)
|
в
стальных трубах т 70
|
|
20
|
23,91
|
26
|
АПВ
5(1х6)
|
в
стальных трубах т 20
|
|
21
|
47,82
|
48
|
АПВ
5(1х16)
|
в
стальных трубах т 32
|
.1.4 Выбираем аппараты защиты для каждого
электроприемника
Выбор автоматических выключателей для аппаратуры
выполняются в сетях и установках
напряжением до 1000В, так как там возможны ненормальные режимы, связанные с
увеличением силы тока (сверхтоком). К увеличению силы тока приводят перегрузки,
пуск и самозапуск электродвигателей, короткое замыкание. Эти ненормальные
режимы могут привести к повреждению изоляции и контактов электрических сетей, оборудования, созданию
опасности для персонала. Поэтому сети и установки должны быть защищены
от перегрузок и токов короткого замыкания. В качестве защитного аппарата
принимаем выключатель типа ВА51.
Приведем расчет для первого электроприемника.
Остальные расчеты сводим в таблицу 4.
(4)
где, Iн..р
- номинальный ток расцепителя, А;
Iдл
- длительный ток в линии, А;
; (5)
где, Iн.а.
- номинальный ток автомата, А;
;
; (6)
где, Uн.а
- номинальное напряжение автомата, В;
Uс
- напряжение сети, В;
;
Определяем значение пускового тока:
Iп =Iр* Кn ; (7)
Кп -кратность пускового
тока,
Iп =241, 91 *
6,5=1572,41 А
Iо ≥1,2 Iп ;
где, Iо
- ток отсечки, А;
Iк
- пусковой ток, А;
Iо1
≥ 1,2 ´ 1572,41 =
1886,89 А
; (8)
где, Ко -кратность
отсечки.
Таблица 4 - Параметры
выключателей.
|
№
ЭП
|
Iр А
|
Выключатель
|
|
|
тип
|
Uн.а кВ
|
Iн.а А
|
Iн.р А
|
Ку
(тр)
|
Ку
(эмр)
|
Iomкл. кА
|
Ко
|
|
1
|
241,91
|
ВА51-37
|
0,38
|
400
|
400
|
1,25
|
10
|
25
|
5,81
|
|
2,4
|
187,5
|
ВА51-35
|
0,38
|
250
|
250
|
1,25
|
12
|
15
|
5,85
|
|
3
|
166,6
|
ВА51-35
|
0,38
|
250
|
250
|
1,25
|
12
|
15
|
5,78
|
|
5
|
78,9
|
ВА51-31
|
0,38
|
100
|
100
|
1,25
|
7
|
7
|
2,34
|
|
6,7
|
118,4
|
ВА53-39
|
0,38
|
160
|
160
|
1,25
|
2,3
|
25
|
5,9
|
|
8
|
100
|
ВА51-33
|
0,38
|
160
|
100
|
1,25
|
12,5
|
4,99
|
|
9
|
83,3
|
ВА51-31
|
0,38
|
100
|
100
|
1,25
|
12,5
|
7
|
1,56
|
|
10
|
50
|
ВА51-31
|
0,38
|
100
|
100
|
1,25
|
12,5
|
7
|
1,09
|
|
12,14
|
36,96
|
ВА51-31
|
0,38
|
100
|
40
|
1,35
|
12,5
|
5
|
7,21
|
|
13
|
141,02
|
ВА51-33
|
0,38
|
160
|
160
|
1,25
|
12,5
|
12,5
|
6,87
|
|
15
|
43,48
|
ВА52-31
|
0,38
|
100
|
50
|
1,35
|
7
|
18
|
6,78
|
|
16,17,18
|
121,62
|
ВА52-35
|
0,38
|
250
|
125
|
1,25
|
12
|
30
|
7,59
|
|
19
|
121,62
|
ВА52-35
|
0,38
|
250
|
125
|
1,25
|
12
|
30
|
7,59
|
|
20
|
23,91
|
ВА52-31
|
0,38
|
100
|
25
|
1,35
|
3
|
12
|
7,45
|
|
21
|
47,82
|
ВА51-31
|
0,38
|
100
|
50
|
1,35
|
7
|
6
|
7,46
|
|
У1
|
788,46
|
ВА53-41
|
0,38
|
1000
|
1000
|
1,25
|
2,3
|
25
|
1,44
|
|
У2
|
269,23
|
ВА51-37
|
0,38
|
400
|
320
|
1,25
|
110
|
25
|
1,25
|
|
У3
|
133,77
|
ВА51-33
|
0,38
|
160
|
160
|
1,25
|
10
|
12,5
|
1,25
|
|
У4
|
325,64
|
ВА52-39
|
0,38
|
630
|
400
|
1,35
|
7
|
40
|
6,61
|
|
У5
|
388,46
|
ВА52-39
|
0,38
|
630
|
400
|
1,35
|
7
|
40
|
7,89
|
.1.5 Выбор троллейных шинопроводов
Определим номинальную мощность электродвигателей
кран-балок, тельферов, согласно данной паспортной мощности. Рассчитать
потребляемую мощность.
(9)
где
-паспортная мощность ЭП
кВт
(10)
где
кВт
2 определить номинальный ток нагрузки ЗП и
рассчитать его пусковой ток
(11)
Где cos𝜑
=0,45-0,5-
для кранов малой грузоподъёмности с короткозамкнутым ротором
cos𝜑
=0,6-для
кранов большой грузоподъёмности с двигателями с фазным ротором
А
. Определить значение пускового и
максимального токов
(12)
-кратность пускового тока,
=6
=
Определить максимальный ток
(13)
А, где
(14)
кВт
По максимальному току нагрузки
выбираем троллейный шинопровод ШТМ-76
<
<
Определить кратковременный пусковой
ток при пуске наибольшего электродвигателя
(15)
Выполнить проверку троллейного
шинопровода на потерю напряжения
Согласно выбранного шинопровода
выписать его данные R, X, cos𝜑,
где R и X- активное и
индуктивное сопротивления,
cos𝜑, sin𝜑 -
коэффициенты мощности
∆
, (16)
∆
,
Где L-длина
шинопровода в км.
При питании от одной троллейной
линии двух кранов расчётную длину умножают на 0,8, а при питании от одной
троллейной линии трёх кранов-на 0,7
∆
=∆
%
.65%=5%
Выбираем аппарат защиты троллейного
шинопровода для видимого разрыва цепи выбирается силовые ящики(рубильник) с
плавкими предохранителями ПН-2.
Таблица - 5
|
Тип
|
Номинальный
ток ящика, А
|
Номинальный
ток плавких вставок, А
|
Номинальное
количество и сечение жил, присоединяемых к одному зажиму, мм
|
|
ЯБПВУ-1МУЗ
|
100
|
100
|
2x50
|
.2 Выбор силовых распределительных шкафов
Узел 1: Вводной автомат с
номинальным током
=1000 А,
количество трёхполюсных выключателей отходящих линий - 4. Для установки
выбираем распределительный шкаф ШРС-1-24 УЗ
Узел 2: Вводной автомат с
номинальным током
=400. А,
количество трёхполюсных выключателей отходящих линий - 4. Для установки
выбираем распределительный шкаф ПР11-1094-31УЗ.
Узел 3: Вводной автомат с
номинальным током
=160 А,
количество трёхполюсных выключателей отходящих линий - 2. Для установки
выбираем распределительный шкаф ПР11-1056-31УЗ.
Узел 4: Вводной автомат с
номинальным током
=630 А,
количество трёхполюсных выключателей отходящих от линии - 5. Для установки
выбираем распределительный шкаф ПР11-3122-21УЗ.
Узел 5: Вводной автомат с
номинальным током
=400 А,
количество трёхполюсных выключателей отходящих от линии - 5. Для установки
выбираем распределительный шкаф ПР11- 3103-21УЗ.
Таблица 6 - Распределение нагрузки
по узлам
|
№
узла
|
№
ЭП
|
Наименование
электроприемников
|
Количество,
шт.
|
Тип
шкафа
|
|
1
|
1
|
Станок
токарно-карусельный
|
1
|
ШРС-1-24
УЗ
|
|
2,4
|
Станок
токарно-карусельный
|
2
|
|
|
3
|
Станок
токарно-карусельный
|
1
|
|
|
2
|
5
|
Станок
токарно-карусельный
|
1
|
ПР11-1094-31УЗ
|
|
6,7
|
Станок
сферотокарный
|
2
|
|
|
8
|
Станок
координатно-сверлильный
|
1
|
|
|
3
|
9
|
Станок
резьбонарезной
|
1
|
ПР11-1056-31УЗ
|
|
10
|
Станок
горизонтально-расточной
|
1
|
|
|
11
|
Кран
- балка
|
1
|
|
|
4
|
12,14
|
Станок
горизонтально-расточной
|
2
|
ПР11-3122-21УЗ
|
|
13
|
Станок
токарно-карусельный
|
1
|
|
|
15
|
Станок
горизонтально-расточной
|
1
|
|
|
16
|
Станок
токарно-карусельный
|
1
|
|
|
5
|
17,18
|
Станок
токарно-карусельный
|
2
|
ПР11-
3103-21УЗ
|
|
19
|
Станок
сферообрабатывающий
|
1
|
|
|
20
|
Станок
радиально-сверлильный
|
1
|
|
|
21
|
Станок
фрезерный
|
1
|
|
.3 Расчёт электрических
нагрузок
Расчет электрических нагрузок создаваемых
группой электроприемников до 1 кВт необходим для выбора сечения питающих линий
или распределительных магистралей, для выбора аппаратов для распределения и
защиты данной группы электроприемников, а также для выбора сечения питающих
проводников и аппаратов присоединения и защиты электроприемников 6-10 кВт,
выбора сечения проводников сети высокого напряжения, для выбора числа и
мощности трансформаторов в цеховых ТП и ГПП.
Одним из основных методов расчета электрических
нагрузок является метод коэффициента активной расчетной мощности.
Определяем суммарную мощность электроприемников
узла 1
(17)
где Рнi - мощность
одного электроприемника, кВт
205 кВт
Средняя мощность силовых
электроприемников
(18)
где КИ - коэффициент
использования
кВт
кВт
кВт
Средняя реактивная нагрузка
(19)

Определим средневзвешенное значение
коэффициента использования:
(20)
Определим tgCP УЗ1:
(21)
Эффективное число электроприемников nэ в группе:
nэ =n (22)
nэ =4
По таблице определяем коэффициент
активной мощности КР =2,35
Определяем расчетную мощность узла
нагрузки:
(23)
Расчетная реактивная нагрузка:
(24)
Расчетная узловая мощность
(25)
Расчетный ток узла:
(26)
А
Аналогично проводим расчеты для
остальных узлов. Результаты расчетов сведем в таблицу 6.
Таблица 7 - Расчет электрических
нагрузок
№ ЭП PН кВт n
кВтКИPСМ
кВтtg𝜑QСМ
кВАрnЭКРPР
кВтQР
кВтSР
кВАIР
|
А
|
|
|
|
|
|
|
|
|
|
|
|
|
Узел
1
|
|
ЭП1
|
75
|
1
|
75
|
0,16
|
12
|
1,7
|
20,4
|
|
|
|
|
|
|
|
ЭП2
|
45
|
1
|
45
|
0,12
|
5,4
|
2,29
|
12,36
|
|
|
|
|
|
|
|
ЭП3
|
40
|
1
|
40
|
0,12
|
4,8
|
2,29
|
11
|
|
|
|
|
|
|
|
ЭП4
|
45
|
1
|
45
|
0,12
|
5,4
|
2,29
|
12,36
|
|
|
|
|
|
|
|
Итого
|
205
|
205
|
0,13
|
27,6
|
2,03
|
56,12
|
4
|
2,35
|
62,6
|
59,51
|
86,37
|
133,7
|
|
Узел
2
|
|
ЭП5
|
30
|
1
|
30
|
0,17
|
5,1
|
1,17
|
5,9
|
|
|
|
|
|
|
|
ЭП6
|
45
|
1
|
45
|
0,17
|
7,65
|
1,17
|
8,9
|
|
|
|
|
|
|
|
ЭП7
|
45
|
1
|
45
|
0,17
|
7,65
|
1,17
|
8,95
|
|
|
|
|
|
|
|
ЭП8
|
30
|
1
|
30
|
0,12
|
3,6
|
1,7
|
6,12
|
|
|
|
|
|
|
|
Итого
|
150
|
4
|
150
|
0,16
|
24
|
1,24
|
29,9
|
4
|
2,35
|
56,4
|
32,73
|
65,21
|
100,9
|
|
Узел
3
|
|
ЭП9
|
20
|
1
|
20
|
0,16
|
2,24
|
1,7
|
3,8
|
|
|
|
|
|
|
|
ЭП10
|
14
|
1
|
14
|
0,12
|
2,4
|
2,29
|
5,49
|
|
|
|
|
|
|
|
ЭП11
|
4,43
|
1
|
4,4
|
0,1
|
1,1
|
1,33
|
0,65
|
|
|
|
|
|
|
|
Итого
|
38,43
|
3
|
38,43
|
0,15
|
5,74
|
0,59
|
3,38
|
3
|
2,89
|
16,66
|
9,94
|
19,39
|
30,02
|
|
Узел
4
|
|
ЭП12,14
|
8,5
|
2
|
8,5
|
0,14
|
1,19
|
2,29
|
2,72
|
|
|
|
|
|
|
|
ЭП13
|
55
|
1
|
55
|
0,2
|
11
|
1,17
|
12,87
|
|
|
|
|
|
|
|
ЭП15
|
10
|
1
|
10
|
0,14
|
1,4
|
2,29
|
3,21
|
|
|
|
|
|
|
|
ЭП16
|
45
|
1
|
45
|
0,2
|
9
|
1,17
|
10,53
|
|
|
|
|
|
|
|
Итого
|
127
|
5
|
127
|
0,19
|
23,78
|
1,35
|
32,046
|
5
|
1,72
|
41,5
|
35,83
|
54,83
|
84,88
|
|
Узел
5
|
|
ЭП17,
18
|
45
|
2
|
45
|
0,2
|
9
|
1,17
|
10,53
|
|
|
|
|
|
|
|
ЭП19
|
45
|
1
|
45
|
0,2
|
9
|
1,17
|
10,53
|
|
|
|
|
|
|
|
ЭП20
|
5,5
|
1
|
5,5
|
0,12
|
0,66
|
1,17
|
0,77
|
|
|
|
|
|
|
|
ЭП21
|
11
|
1
|
11
|
0,12
|
1,32
|
1,17
|
1,54
|
|
|
|
|
|
|
|
Итого
|
151,5
|
5
|
151,5
|
0,2
|
28,98
|
1,17
|
33,9
|
4
|
1,91
|
57,87
|
38,99
|
69,77
|
108
|
|
Итого
по цеху
|
668,13
|
21
|
668,13
|
0,13
|
85,29
|
1,69
|
164,28
|
19
|
1,4
|
118,13
|
180,57
|
215,78
|
334,02
|
|
|
|
|
|
|
|
|
|
|
|
|
|
|
|
|
|
|
|
|
|
|
|
|
|
|
Далее выбираем токоведущие
части и защитную аппаратуру для найденных узлов. Расчет аналогичен расчету
проводов для электроприемников.
Таблица 8- Токоведущие части
для каждого узла.
|
№
Узла
|
№
линии
|
Iрасч
А
|
Iд
А
|
Кабель,
марка сечение
|
Способ
прокладки
|
|
1
|
НУ1
|
788,46
|
220
|
5АВВГ 4х95
|
в
земле
|
|
2
|
НУ2
|
269,23
|
140
|
2АВВГ 4х70
|
в
земле
|
|
3
|
НУ3
|
130,77
|
140
|
АВВГ
4х70
|
в
земле
|
|
4
|
НУ4
|
325,64
|
165
|
2АВВГ
4x95
|
в
земле
|
|
5
|
НУ5
|
388,46
|
200
|
2АВВГ
4x120
|
в
земле
|
Производим выбор автоматических
выключателей.
Приведем расчет для первого узла. Остальные
расчеты сводим в таблицу 8.
(27)
(28)
(29)
(30)
(31)
(32)
где
- номинальное напряжение автомата,
В;
- напряжение сети, В;
- номинальный ток автомата, А;
- номинальный ток расцепителя, А;
- максимальный ток в линии на группу
ЭД, А;
- кратность отсечки
- ток отсечки, А;
- пиковый ток, А;
- пусковой ток наибольшего по
мощности ЭД, А;
- номинальный ток запускаемого ЭД,
А;
- коэффициент использования
запускаемого ЭД, А.
Проведем выбор автомата для узла 1
;
А. Выбираем автоматический
выключатель ВА-53-41 с
= 1000 А,
=867,306 А.
Аналогично расчет ведется для
оставшихся узлов. Результаты сведем в таблицу 8.
Таблица 9 - Выбор автоматических выключателей по
узлам
|
№
Узла
|
,
ААвтоматические выключатели
|
|
|
|
Тип
|
,
В ,
А ,
А  ,кА
|
|
|
|
|
|
|
1
|
788,46
|
ВА53-41
|
380
|
1000
|
1000
|
1,25
|
2,3
|
25
|
|
2
|
269,23
|
ВА51-37
|
380
|
400
|
320
|
1,25
|
110
|
25
|
|
3
|
133,77
|
ВА51-33
|
380
|
160
|
160
|
1,25
|
10
|
12,5
|
|
4
|
325,64
|
ВА52-39
|
380
|
630
|
400
|
1,35
|
7
|
40
|
|
5
|
388,46
|
ВА52-39
|
380
|
630
|
400
|
1,35
|
7
|
40
|
.4 Расчёт освещения
Электрическая часть проекта включает в себя
выбор схемы питания осветительной установки, определяют качественные
характеристики осветительных установок, сечения и марки проводов.
В цехе предусматривается следующие напряжения
сети:
- рабочее, напряжение сети 380/220 В;
аварийное, напряжение сети 380/220 В;
ремонтное, напряжение сети 36 В.
Определяем отношение длины помещения А к ширине
В, А/В:
а) если А/В<2,5, то при определении удельной
мощности следует пользоваться удельной площадью помещения S=AxB
б) если А/В>2,5, то при определении удельной
мощности следует пользоваться удельной площадью помещения
А/В=180/24=7,5;
Выбрана лампа РСП-08
Е
=300 Лк;
Кз=1,5;
h=8 м, z=1,1;
По таблице определяем удельную
мощность освещения w=13,8 с учётом нормируемой
освещённости. Е
.
Определяем полную расчётную мощность
освещения, по формуле:
; (33)
Определяем количество светильников
по формуле:
(34)
где
- мощность одной лампы, Вт.
Выполним расчёт аварийного
освещения.
Аварийное освещение выполняется
светильниками с лампами накаливания,
, (35)
Количество светильников
Рассчитываем установленную мощность:
рабочее освещение 40·400=16000 Вт
аварийное освещение 10·100=1000 Вт
Для групповой сети устанавливаем в цехе
осветительный щит рабочего и аварийного освещения которые запитываются от РУ -
0.4 кВ.
Определим питающий кабель по расчётному току
нагрузки:
, (36)
рабочее:
аварийное:
Выбираем питающий кабель групповой линии
распределив светильники по фазам:
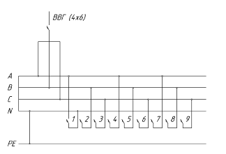
рабочее освещение: ВВГ (4x6)
аварийное освещение ВВГ (4x2,5)
|
1
ряд
|
2
ряд
|
3ряд
|
|
555
|
|
|
|
|
555
|
|
|
|
|
334
|
|
|
|
Определяем мощность каждой фазы по формуле:
()
Где n -
количество светильников в фазе, шт.
Ряд 1:
Ряд 2:
Ряд 3:
Определим ток каждой фазы по
формуле:
,()
=220 В
Таблица
|
1
ряд
|
2
ряд
|
3ряд
|
|
9,099,099,09
|
|
|
|
|
9,099,099,09
|
|
|
|
|
5,455,457,27
|
|
|
|
Аварийное освещение.
Определяем количество светильников в фазах:
Определяем мощность каждой фазы:
Ряд 1:
Ряд 2:
Определим ток каждой фазы:
|
1
ряд
|
2
ряд
|
|
0,450,45
|
|
|
|
0,450,45
|
|
|
|
0,90,9
|
|
|
Выбираем шкафы освещения.
Щитки освещения серии М3 предназначены для
приёма и распределения электрической энергии и защиты от перегрузок и токов
короткого замыкания групповых линий в сетях напряжением 380/220 В переменного
тока частотой 50 Гц.
Щитки предназначены для внутренней установки в
промышленных и общественных зданиях.
По расчётному току
выбираем
щитки освещения:
ОЩ12-УХЛ4, номинальный ток 25 А,
ОЩ12-УХЛ4, номинальный ток 16 А.
Распределительная схема рабочего
освещения.
Рис. 1
Таблица 10 - Распределение рабочих светильников
|
№
группы
|
1
|
2
|
3
|
4
|
5
|
6
|
7
|
8
|
9
|
|
Кол-во
светильников
|
5
|
5
|
3
|
5
|
5
|
3
|
5
|
5
|
4
|
|
,
А9,099,095,459,099,095,459,099,097,27
|
|
|
|
|
|
|
|
|
|
|
,
А191919191919191919
|
|
|
|
|
|
|
|
|
|
|
,
Вт200020001200200020001200200020001600
|
|
|
|
|
|
|
|
|
|
|
Сечение
|
6
|
6
|
6
|
6
|
6
|
6
|
6
|
6
|
6
|
Рис. 2
Распределительная схема аварийного освещения:
Таблица 11 - Распределение аварийных
светильников
|
№
группы
|
1
|
2
|
3
|
4
|
5
|
6
|
|
Кол-во
светильников
|
1
|
1
|
2
|
1
|
1
|
2
|
|
,
А0,450,450,90,450,450,9
|
|
|
|
|
|
|
|
,
А191919191919
|
|
|
|
|
|
|
|
,
Вт100100200100100200
|
|
|
|
|
|
|
|
Сечение
|
2,5
|
2,5
|
2,5
|
2,5
|
2,5
|
2,5
|
Проверка сети освещения по потере напряжения.
Расчёт потери напряжения в групповой питающей
сети.
, (37)
где
=3,09 - активное сопротивление
питающей линии,
=0,1- реактивное сопротивление
питающей линии.
Сравниваем потери напряжения с
табличными:
=1,55%≤
=3,2%,
данное условие выполняется.
Компенсация реактивной мощности
осветительных установок.
Коэффициент мощности ДРЛ равен 0,5,
следовательно tg𝜑=1.73.
Полная мощность освещения без
компенсации реактивной мощности:
,(38)
=17 кВт
=
∙ tg𝜑=17∙1,73=29,41
кВАр (39)
=
кВА
Определяем ток групповой линии:
(40)
(41)
Полная мощность освещения с учётом
компенсации реактивной мощности:
42()
(43)
Тогда полная мощность будет равна:
(44)
=27,37 А<
=39 А,
выбираем АПВ 4(1x10) провод которым запитывается
шкаф.
Данный расчёт соответствует условию,
а следовательно осветительная сеть спроектирована согласно требованиям РД, ГОСТ
и СНиП .
.5
Компенсация реактивной мощности с выбором БК и определение мест их установки
Работа машин и аппаратов
переменного тока, основанная на принципе электромагнитной индукции, сопровождается процессом непрерывного
изменения магнитного потока в их магнитопроводах
и полях рассеяния. Поэтому подводимый к ним поток мощности должен содержать не только активную составляющую Р, но и
реактивную составляющую индуктивного
характера Q, необходимую для создания магнитных полей, без которых
процессы преобразования энергии, рода тока и напряжения невозможны.
Технически и экономически
целесообразно предусматривать дополнительные мероприятия по уменьшению потребляемой реактивной мощности, которые
можно разделить на две группы:
1) снижение потребления
реактивной мощности приемниками электроэнергии без применения компенсирующих устройств;
) применение
компенсирующих устройств.
Мероприятия по снижению
потребления реактивной мощности должны рассматриваться в первую очередь, поскольку для их осуществления, как
правило, не требуется значительных
капитальных вложений.
Мероприятия второй группы
по уменьшению передачи реактивной мощности предприятиями
от энергосистемы предусматривают установку специальных компенсирующих устройств (КУ) на предприятиях для
выработки реактивной мощности в местах
ее потребления. Примером КУ может быть конденсаторная батарея, подключаемая параллельно активно-индуктивной нагрузке
(КБ), например асинхронному двигателю.
Основанной недостаток
конденсаторов - при понижении напряжения в сети они снижают выдачу реактивной
мощности пропорционально квадрату напряжения, в то время как требуется ее
повышение. Регулирование мощности конденсаторной батареи осуществляется только
ступенями, а не плавно и требует установки дорогостоящей коммутационной
аппаратуры чувствительность к искажениям формы кривой подводимого напряжения.
Определим сумму средних нагрузок ЭП:
Определим коэффициент мощности и
мощность компенсирующего устройства
cos
=0,5
(45)
Мощность КУ:
(46)
=0,35 экономически эффективное
значение
Выбираем 1 конденсаторную установку
типа УКБ-0,38-150 мощностью 150 кВАр каждая. Определим фактическое значение
и cos
после
компенсации реактивной мощности
cos
=0,94
(47)
Определяем места присоединения
конденсаторных установок.
Рис. 3
(48)
кВАр - верно
Исходя из этого устанавливаем
конденсаторную установку КУ1 в месте подключения узла У3.
.6 Технико-экономическое обоснование выбора типа
числа и мощности трансформаторов и подстанций.
Определяем максимальную нагрузку трансформатора
кВА (49)
(50)
(51)
(52)
(53)
Произведем технико-экономический
расчет трансформаторов.
Таблица 12 - Технический расчет
трансформаторов
|
Наименование
операции
|
Условие
выбора
|
Расчет
|
|
1
|
2
|
3
|
|
1)
Задаем число трансформаторов
|
|
1
|
|
2)
Определяем коэффициент загрузки трансформатора
|
𝛽
|
0,9
|
3) Определяем номинальную мощность
трансформатора
|
181,01
|
|
4) Проверяем загрузку трансформатора
расчетной максимальной мощностью в нормальном режиме
|
0,65
|
|
|
|
5)
Определить максимальную нагрузку в нормальном и аварийных режимах
|
из
таблицы1,08
|
|
6) Определить мощность
трансформатора в период загрузки расчетной максимальной мощностью В нормальном
режиме

|
 1,08>1,05
|
|
Экономический расчет
|
Наименование
операции
|
Условия
выбора
|
Расчет
|
|
1
|
2
|
3
|
1) Определение приведенных потерь
активной мощности
|
2,58
|
|
2) Определение стоимости годовых
потерь электроэнергии
|
-
время работы цеха в год-8760 ч.22600,8
|
|
3) Определение стоимости потерь
электроэнергии
|
57,18
|
|
4) Определить капитальные затраты
-стоимость одного
трансформатора,тыс.руб
|
148
|
|
5) Определить амортизационные
отчисления
|
13,32
|
|
6) Определить суммарные годовые
расходы
|
70,5
|
|
Продолжение таблицы-12
7) Определить суммарные Приведенные
затраты
|
44,1
|
|
Таким образом, принята однотрансформаторная
подстанция с трансформаторами ТМ-250/6. Суммарные приведенные затраты равны
44,1 тыс.руб.
Таблица 13 - Технические данные трансформатора
|
Тип
|
Номинальная
мощность, кВА
|
Сочетание
напряжений
|
Потери,
кВт
|
UКЗ ,%
|
IХХ ,
%
|
|
|
ВН
|
НН
|
ΔРХХ
, кВт
|
ΔРКЗ
, кВт
|
|
|
|
ТМ-250/6
|
250
|
10
|
6
|
0,82
|
3,7
|
4,5
|
2,3
|
Трансформаторы серии ТМ - трехфазные, масляные с
регулированием напряжения без возбуждения, предназначены для преобразования
электроэнергии при питании энергообьектов и электорустановок промышленных
предприятий, жилых и общественных зданий с/х объектов от сети класса напряжения
6 кВ, частотой 50 Гц. Рассчитаны на безотказную работу в течении длительного
времени, надежны и удобны в эксплуатации.
.6.1 Определение места установки
трансформаторной подстанции
Определение центра электрических нагрузок
необходимо для нахождения наиболее оптимального места расположения
трансформаторной подстанции с наименьшими затратами проводов и питающих кабелей.
Поскольку ТП находится на территории цеха, нет
необходимости определять центр электрических нагрузок.
.6.2 Проверка питающих кабелей (шинопроводов) на
потерю напряжения
Выбранные по длительно допустимому току
проводники должны быть проверены на потерю напряжения. Согласно ГОСТ 109-97,
допускается отклонение напряжения для электропотребителей промышленных
предприятий до 10%.
Потерю напряжения определяем для проводов
питающих узлы по следующей формуле:
; (54)
где,
- удельное активное сопротивление
единицы длинны i - участка кабельной линии Ом/км;
- удельное индуктивное
сопротивление единицы длинны i - участка кабельной линии Ом/км;
- ток нагрузки i - участка
(расчётный ток узла), А;
- длинна участков в км;
Соsj -
коэффициент мощности нагрузки в конце линии;
DULi - потери
напряжения на i - м участке
линии, %;
DUКЛ - потери
напряжения на i - м участке
кабельной линии, %;
DUПР - потери
напряжения на i - м участке
линии с проводом, %;
Данные для расчёта сведём в
таблицу 14.
Таблица 14 - Расчет потерь напряжения в питающих
кабелях
|
№
узла
|
Сечение
кабеля, мм2
|
r0 ,Ом/км
|
cos𝜑
|
x0 ,Ом/км
|
sin𝜑
|
IP ,А
|
L, км
|
∆U,%
|
|
1
|
70
|
0,447
|
0,4
|
0,612
|
0,9
|
788,46
|
0,016
|
1,31
|
|
2
|
120
|
0,261
|
0,6
|
0,0602
|
0,8
|
269,23
|
0,018
|
0,44
|
|
3
|
35
|
0,894
|
0,4
|
0,0637
|
0,9
|
130,77
|
0,042
|
1,02
|
|
4
|
95
|
0,326
|
0,59
|
0,122
|
0,92
|
325,64
|
0,078
|
0,007
|
|
5
|
120
|
0,258
|
0,65
|
0,076
|
0,81
|
388,46
|
0,098
|
0,011
|
Определяем потерю напряжения в трансформаторе.
; (ф.4.17.л.2)(55)
где,
- потери напряжения в трансформаторе
%;
- активные и реактивные
составляющие короткого замыкания трансформатора %;
;
(56)
где,
- напряжение короткого замыкания %;
(ф.4.20.л.2)(57)
;
Определим суммарные потери напряжения в линиях и
сравним их с допустимыми потерями 10%:
У1: 1,31+2,96=4,27<10%
У2: 0,44+2,96=3,4<10%
У3: 1,02+2,96=3,98<10%
У4: 0,007+3,96=3,967≤10%
У5: 0,011+3,96=3,97≤10%
.7 Выбор и расчёт питающих и распределительных
сетей выше 1000 В
Расчет питающих линий напряжением свыше 1 кВ
проводится для того, чтобы выбрать и проверить кабель, запитывающий цеховую
трансформаторную подстанцию.
Технический расчёт
Таблица 15 - Технико-экономический расчёт по
выбору питающего кабеля.
|
Наименование
операции
|
Условие
выбора
|
Расчёт
|
|
|
1
|
|
1.
Принимаем число питающих линий
|
-
|
2
|
|
2.
Принимаем величину напряжения
|
-
|
10
кВ
|
|
3.
Принимаем длину питающей линии
|
-
|
|
4.
Определим расчётную нагрузку на линии
|
S=Smax
|
162,91
|
|
5.
Определим расчётный ток линии
|
Ip=9,4
А
|
|
|
6.
Определим продолжительность использования максимума нагрузки
|
TM=Pсм´ТГ/Рр
|
TM=6324,73 ч
|
|
7.
Определяем экономическое сечение жил кабелей. Принимаем кабель с алюминиевыми
жилами в бумажной изоляции.
|
Sэ=
Ip/jэ
jэ=1,4-экономическая
плотность тока, А/мм2
|
Sэ=9,4/1,4=4,7
мм2
|
|
8.
Принимаем расчётное стандартное сечение и количество кабелей
|
,
где Sст
- стандартное сечение кабеляnк=0,29;
Scm=16 мм2
|
|
|
9.
Определяем марку кабеля
|
IД.max
|
ААШв
3х16 IД.max=75
А
|
|
10.
Проверка кабельных линий по нагреву в -
нормальном
режиме
|
Iд
= NЛ
nkkТ
kП
´
´Iд.мах>
>Ip,
где kП
-поправочный
коэффициент kТ
-температурный
коэффициент nk-количество
кабелей
|
Iд
=75А >9,4 А
|
|
-аварийном режиме
|
Iд
= NЛ
nk
kТ
kП
´
´Iд.мах
>
Ip
|
-
|
|
11.
Проверяем сечения жил кабелей по потере напряжения - в аварийном режиме
|
L= nk
ΔU
1% ΔUдоп´
´ Iд/
Iр
;где
ΔU
1% - длина кабеля на
1 % потери напряжения; ΔUдоп
-
допустимое значение потери напряжения
|
4940,43
|
|
1.
Определим капитальные затраты по вариантам
|
k0
|
1,046
тыс. руб.
|
|
2.
Стоимость кабельных линий
|
kЛ
=NЛ nk
k0
L
|
kЛ=31,003
тыс.руб.
|
|
3.
Стоимость аппарата защиты
|
kа=nВ
k0в
; где nВ-количество
выключателей на одной линии. k0в-
стоимость выключателя.
|
ВНРп-10/400-10
ЗП УЗ kА=34,56
тыс.руб.
|
|
4.
Суммарные кап. затраты по вариантам
|
k= kл
+kа
|
k=65,56 тыс. руб.
|
|
5.
Определяем эксплуатационные затраты по вариантам -потери электрической
энергии
|
ΔPЛ=ΔPН
k2ЗЛ
L =ΔPи(Iр/IД)
L ; ΔPН-
потери мощности при полной нагрузке (кВт/км)
|
ΔPН1=39
кВт/км ΔPЛ=3,03
кВт/км
|
|
6.
Стоимость потерь электроэнергии за год, определим время потерь
|
СП=
ΔPЛ
τ СО (тыс.руб) СО=1,6
руб./кВт ч τ =8760(0,124+Τм
10-4)2
|
τ
=53,84 ч СП=195,76 тыс.руб.
|
|
7.
Стоимость амортизационных отчислений
|
Са=(РЛА/100)´kЛ+
+(РАА/100)´kА
РЛА =6,4% РАА=4,5%
|
Са=3,6
тыс.руб.
|
|
8.
Расходы на обслуживание и текущий ремонт
|
Ср=(РЛР/100)´kЛ
+
+(РАР/100) ´kА
РЛР =2% РАР=3%
|
Ср=1,66
тыс.руб.
|
|
9.
Суммарные расходы по вариантам
|
С
= Сп + Са + Ср
|
201,02
|
|
10.
Годовые расходы
|
З=С+0,16´К
(тыс.руб)
|
З=211,51
тыс.руб.
|
Выбранный кабель осуществляет питание
трансформаторной подстанции. Приняли кабель ААШв 3х16 - кабель с алюминиевыми
жилами с пропитанной бумажной изоляцией, со свинцовой оболочкой, ленточная
броня, наружный покров; проложен в траншее.
2.8 Компоновка цеховой подстанции
.8.1 Выбор шкафа высокого ввода
(58)

Выбрана ячейка КСО типа КСО386-040611 с
номинальным током 20А.
Состоит из выключателя ВНП-10/630-20зп,
предохранителя ПКЭ106-6-20-40.
Рис.4 КСО 386-040611
.8.2 Выбор шкафа низкого ввода
Выбрана вводная панель типа КСО
386-0310060
Вводная панель типа КСО 386-0310060
(рис.5) состоит из выключателя
ВНП-10/630-203
Рис.5 КСО 386-0310060
2.8.3 Выбор линейных панелей
У1:133,7. А
У2:100,9 А
У3:33,22 А
Выбрана линейная панель типа
ЩО70-1-17УЗ (1х400)
Линейная панель ЩО70-1-17УЗ (рис.6)
состоит из разъединителя РЗВ- 0,4/400, трансформатора тока ТПЛ-0,4-400/5УЗ,
автоматического выключателя ВА51-37.
Рис.6 ЩО70-1-17УЗ
У4:84,88 А
У5:108 А
Выбрана линейная панель типа ЩО 70-2-08 (1х250)
Состоит из автоматических выключателей 250А,
амперметры 200/5А; разъединители 600А, трансформаторы тока 200/5А
Рис.7 ЩО 70-2-08
2.9 Расчёт токов короткого замыкания
В системе трехфазного
переменного тока могут возникнуть непредусмотренные соединения проводников двух
или трех фаз между собой или на землю, называемые короткими замыканиями.
Расчетная схема
Рис.8
Расчет токов К.З. в установках выше 1000 В
Принимаем базисные величины:
Мощность
=1000 МВА;
напряжение
=
=115 кВ; ток

; (59)
1000/1,73
115=5,026 А
Базисные относительные сопротивления
цепи К.З.
Системы:
;
Воздушная линия:
;

Ом/км, (60)
где 0,08-удельное сопротивление для
кабельных линий
,
Ом/км, (61)
где 35-сечение жил кабеля,
16-удельная проводимость кабеля.
Трансформатор:
,
Ом (62)
Результирующее сопротивление до точки К.З.
Индуктивное:
,
Ом; (63)
Активное:
,
; (64)
Полная:
,
Ом (65)
Установившийся ток К.З. и
периодическая составляющая тока К.З.
,
А (66)
Ударный ток К.З.
,
кА , где
-из графика
(67)
Мощность К.З. до точки К1:
,
кВА (68)
Расчет токов К.З. на стороне низшего напряжения
Для системы:
,
А (69)
,
Ом (70)
Активное сопротивление:
,
Ом (71)
Приведём сопротивление системы к напряжению на
низкой стороне:
,
Ом; (72)
,
Ом; (73)
Для трансформатора Т1
Активное сопротивление:
,
мОм; (74)
Индуктивное сопротивление:
, (75)
мОм;
Наносим сопротивления на схему
замещения:
Рис.9
Упрощается схема замещения, вычисляются
эквивалентные сопротивления на участках между точками К.З. и наносятся на
схему.
Переходные сопротивления на ступенях
распределения:
Распред. устройства подстанции-Rcт.р1
15 мОм,
Первичные распределительные цеховые пункты-Rст.р2
20 мОм,
Аппаратура управления электроприемников-Rст.3
30 мОм.
1,95+1,95+0,25+0,42+0,25+15=19,82
мОм; (76)
8,11+0,0675+0,1+0,67+0,1=9,05
мОм; (77)
;
;
;
;
;
;
Действующие значения установившегося
тока, определяем трёх и двухфазные токи к.з.
(78)
Рис.10
Сведем результаты расчетов в таблицу
Таблица 16 - сводная таблица токов короткого
замыкания
|
Точка
К.З.
|
Rк, мОм
|
Xк, мОм
|
Zк, мОм
|
Rк/
Xк
|
Ку
|
q
|
,кА ,кА
|
|
|
К1
|
19,82
|
9,05
|
21,78
|
0,46
|
1,17
|
1,02
|
10,6
|
15,24
|
|
К2
|
21,72
|
1,01
|
21,74
|
0,05
|
1
|
1
|
10,63
|
15,28
|
|
К3
|
33,25
|
8,81
|
34,39
|
0,26
|
0,5
|
1,22
|
6,39
|
10,8
|
.9.1 Рассчитаем двухфазные токи к.з.
; (79)
.9.4 Рассчитаем однофазные токи К.З.
; (80)
.10 Выбор токоведущих частей и
электрооборудования подстанции
Выбор электрооборудования и проверка его на
действие токов короткого замыкания
Согласно условиям по токам КЗ проверяются
автоматический выключатель QF1
на надежность срабатывания
(81)
Надежность срабатывания обеспечена
на отключающую способность
(82)
Выключатель отключаясь не
разрушается.
QF2
на надежность срабатывания
(83)
Надежность срабатывания обеспечена
на отключающую способность
(84)
Выключатель отключаясь не
разрушается.
.11 Заземление
Рассчитать заземляющее устройство в
электроустановках с изолированной нейтралью - это значит:
определить расчетный ток замыкания на землю и
сопротивление заземляющего устройства;
определить расчетное сопротивление грунта;
выбрать электроды и рассчитать их сопротивление;
уточнить число вертикальных электродов и
разместить их на плане;
Данные для расчета:
габаритные размеры АхВ=15X20
высшее напряжение UВН
= 10 кВ
длина кабельной линии LКЛ
=600 м
низкое напряжение UН
= 6 кВ
- удельное сопротивление грунта p=100
(суглинок)
климатический район IV
вертикальный электрод - круглая
сталь, d=15 LB =3 м
горизонтальный электрод - прут d=12
Вид ЗУ - контурное
2.11.1 Определяется расчетное
сопротивление одного вертикального электрода:
(85)
КСЕЗ (зона IV)=1,3
Определяется предельное
сопротивление совмещенного ЗУ
(86)
(87)
Требуемое по НН
Принимаем
.11.2 Определяем количество
вертикальных электродов:
без учета экранирования (расчетное)
(88)
Принимаем
=14
с учетом экранирования
; Принимаем
=22
(89)