Токарно-винторезный станок модели 16К20Т1
Дипломная работа
Токарно-винторезный станок модели
16К20Т1
линейное перемещение резцедержатель
токарный станок
Содержание
Введение
. Выбор и обоснование исходных данных
.1 Назначение и краткая техническая характеристика станка
базовой модели 16К20Т1
.2 Основные недостатки конструкции базовой модели станка и
пути их устранения.
. Технологическая часть
.1 Анализ характеристик обрабатываемых деталей
.2 Технологические расчеты
.2.1 Расчет припусков на обработку
.2.2 Расчет режимов резания
. Конструкторская часть
.1 Описание конструкции основных узлов станка
.1.1 Механизм главного движения
.1.2 Патрон с электромеханическим приводом
.1.3 Основание станка
.1.4 Станина станка
.1.5 Приводы продольного и поперечного перемещений
.1.6 Револьверная головка
.2. Описание конструкции датчиков линейных перемещений ЛИР-8
.3 Описание устройства ЧПУ NC-200.
.4 Конструкторские расчеты
.4.1 Кинематический расчет привода главного движения
.4.2 Расчет поликлиновой ременной передачи
.4.3 Силовой и прочностной расчеты коробки скоростей
.4.4 Расчёт шпинделя на жёсткость
.4.5 Расчёт подшипников
.4.6 Расчёт тягового усилия привода продольной подачи
.4.7 Выбор электродвигателя и определение мощности привода
продольных подач
.4.8 Расчёт передачи винт-гайка качения привода продольной
подачи
.4.9 Выбор двигателя и определение мощности привода вращения
осевого инструмента револьверной головки
. Исследовательская часть
.1. Исследование жесткости токарных станков с ЧПУ
.2Расчеты по проектированию конструкции гибкого резцедержателя
. Организационно - экономическая часть
.1 Технико-экономическая эффективность внедрения нового
технологического оборудования
.2 Расчёт оптовой цены токарно - винторезного станка с ЧПУ
.2.1 Расчёт затрат на основные материалы.
.2.2 Расчёт трудоёмкости, основной и дополнительной
заработной платы с отчислениями на социальное страхование.
.2.3 Расчёт себестоимости и оптовой цены проектируемого
токарно-винторезного станка.
.2.4. Расчёт экономического эффекта токарно-винторезного
станка с ЧПУ
. Промышленная экология и безопасность
.1 Обеспечение безопасности труда при эксплуатации
токарно-винторезного станка с ЧПУ модели 16К20Т1
.1.1 Характеристика опасных и вредных производственных
факторов
.1.2 Расчет заземления
.2 Экологическая безопасность при эксплуатации станка
.2.1 Расчет массы металлических отходов при изготовлении
комплексной детали
. Эргономика и техническая эстетика
.1 Обеспечение эргономических требований к рабочему месту
оператора
Перечень использованной литературы
Введение
В дипломном проекте рассмотрен токарно-винторезный станок модели 16К20Т1.
Проект состоит из 5 частей: технологической, конструкторской,
исследовательской, организационно-экономической, промышленная экология и
безопасность.
В технологической части проведен анализ характеристик обрабатываемых
деталей, технологический расчет, расчет припусков на обработку.
В конструкторской части представлено описание конструкции основных узлов,
описание конструкции датчиков линейных перемещений ЛИР-8,описание устройства
ЧПУ, проведены конструкторские расчеты.
Целью исследовательской части является разработка исходных данных на
проектирование гибкого резцедержателя применительно к адаптивной системе
управления модернизируемого станка.
В организационно-экономической части представлено: технико-экономическая
эффективность внедрения нового технологического оборудования, расчет оптовой
цены токарно-винторезного станка с ЧПУ,
расчет затрат на основные материалы , расчет трудоемкости, основной и
дополнительной заработной платы с отчислениями на социальное страхование,
расчет себестоимости и оптовой цены проектируемого токарно-винторезного станка,
расчет экономического эффекта токарно-винторезного станка с ЧПУ. В разделе
промышленная экология и безопасность рассмотрено: обеспечение безопасности труда
при эксплуатации токарно-винторезного станка с ЧПУ, характеристика опасных и
вредных производственных факторов, расчет заземления, экологическая
безопасность при эксплуатации станка, расчет массы металлических отходов при
изготовлении комплексной детали.
1. Выбор и обоснование исходных данных
1.1 Назначение и краткая техническая
характеристика станка базовой модели 16К20Т1
Токарный станок с ЧПУ, разработанный на базе токарного станка с ЧПУ
повышенной точности модели 16К20Т1, предназначен для токарной обработки деталей
типа тел вращения по программе, вводимой вручную или записанной на жёстком
диске. На этом станке можно выполнять обработку деталей со ступенчатым и
криволинейным профилем, в том числе и нарезание резьб. Детали, обрабатываемые
на данном станке, изготавливают из легированной, износостойкой, жаропрочной и
жаростойкой сталей, поэтому станок должен обладать высокой жесткостью. Широкий
диапазон частот вращения шпинделя и скоростей подач с бесступенчатым
регулированием позволяет обрабатывать детали из чугуна, стали, алюминия и
других металлов и сплавов. Программное управление станка позволяет обрабатывать
детали очень сложного профиля с большим количеством переходов в автоматическом
режиме, что является экономически выгодно для серийного, мелкосерийного и
единичного производства.
Таблица 1.
|
Наименование параметра
|
Величина параметра
|
|
Наибольший диаметр
устанавливаемого изделия над станиной, мм Наибольший диаметр обрабатываемого
изделия над суппортом, мм Высота резца, устанавливаемого в резцедержателе, мм
Наибольшая длина устанавливаемого изделия при установке в центрах, мм
Наибольшая длина обработки, мм Центр в шпинделе с конусом Морзе по ГОСТ 13214
- 79 Конец шпинделя фланцевого по ГОСТ 12593 - 72 Диаметр цилиндрического
отверстия в шпинделе, мм Центр в пиноли с конусом Морзе по ГОСТ 13214 - 79
Частота вращения шпинделя (бесступенчатое регулирование ), об/мин Пределы
частоты вращения шпинделя, устанавливаемые вручную, об/мин : I
диапазон II диапазон III диапазон Пределы
программируемых подач, мм/об: продольных поперечных Максимальная (
максимально - рекомендуемая ) скорость рабочей подачи, мм/мин ( мм/об ):
продольной поперечной Скорость быстрых ходов, мм /мин, не менее: продольных
поперечных Дискретность перемещений, мм: продольных поперечных Пределы шагов
нарезаемых резьб, мм Количество позиций автоматической поворотной головки
Наибольший крутящий момент на шпинделе, Н× м ( кгм )
Предельные диаметры сверления, мм: по чугуну по стали Габарит станка, мм не
более Масса станка, кг, не более
|
500 220 25 1000 905 6 6К
55 5 20 - 2240 20 - 325 63 - 900 160 - 2240 0.01 - 20. 47 0.005 - 10.23 2000
( 2.8 ) 1000 ( 1.4 ) 7500 5000 0.01 0.005 0.01 - 40.95 6 1000 ( 100 ) 28 25
32500170001700 3800
|
Характеристика системы ЧПУ
Таблица 2
|
Наименование параметра
|
Величина параметра
|
|
Тип УЧПУ Количество
управляемых координат Наибольшее количество одновременно управляемых
координат Разрешающая способность системы по координатам, мм: продольной
поперечной Максимальное программируемое перемещение Тип датчиков обратной
связи и резьбонарезания Ввод данных Питание системы Вид сети Напряжение,
В Частота, Гц Мощность, ВА Стабильность напряжения, % Габарит блока УЧПУ,
устанавливаемого вне станка, мм, не более: длина ширина высота масса блока
УЧПУ, устанавливаемого вне станка, кг, не более
|
Электроника НЦ - 31 2
2 0.01 0.005 9999999 ВЕ - 178 С клавиатуры или кассеты внешней
памяти Трехфазное Переменный ток 380 50±1 1000 - 15 … + 10 600 440
1150 150
|
1.2 Основные недостатки конструкции
базовой модели станка и пути их устранения
Основными недостатками конструкции базовой модели станка являются
следующие: технологические возможности станка не позволяют получать готовые
детали сложного профиля за один установ; резьбонарезной датчик, который позволяет
нарезать только крепежную резьбу на станке; устаревшие ДОС привода продольной и
поперечной подачи; устаревшая СЧПУ; недостаточно широкий диапазон частот
вращения шпинделя; сложная конструкция коробки скоростей.
Указанные недостатки устранены в новой модели путём внесения следующих
конструкторских изменений.
Вместо отечественного общепромышленного асинхронного двигателя серии 4А
использован асинхронный электродвигатель с короткозамкнутым ротором (фирмы SIЕMENS) серии 1PH7. Этот двигатель дороже, но он обладает рядом существенных преимуществ,
это - высокие частоты вращения, большие крутящий момент и мощность. Это
позволило применить комбинированный бесступенчатый привод и расширить диапазон
частот вращения шпинделя. В результате было уменьшено число зубчатых передач,
и, соответственно, габариты коробки скоростей, её металлоёмкость и т.д . Всё
это позволило существенно упростить конструкцию коробки скоростей.
В приводе главного движения используется датчик обратной связи ЛИР -
190А, служащий для контроля нарезания однозаходной и многозаходной резьбы на
станке.
В качестве датчика обратной связи в приводах продольного и поперечного
перемещения применен оптоэлектронный датчик линейных перемещений ЛИР-8. Это
линейная оптическая измерительная система, которая предназначена для
преобразования линейных перемещений рабочих органов станков в электрические
сигналы, содержащие информацию о величине и направлении этих перемещений. Она
имеет существенные преимущества: нечувствительна к загрязнению, требует менее
точного регулирования расстояния между головкой считывания и линейкой, а также
в ней отсутствуют наводящие электромагнитные поля.
Поэтому в приводах продольного и поперечного перемещения устанавливаем
оптоэлектронные датчики линейных перемещений ЛИР-8 (изготовитель СКБ ИС г.
Санкт-Петербург). Эти датчики являются полным аналогом датчиков LS403 фирмы HEIDENHAIN, но при этом их цена не превышает
30% цены импортного аналога. Характеристика ЛИР-8: Длина измерения до 320 мм;
габариты поперечного сечения 49x20 мм; точность ±3 мкм/м.
Револьверная головка, используемая в данном проекте, выполнена
конструктивно по образцу револьверной головки фирмы «TRAUB». Особенность данной
головки и ее преимущество перед головкой, установленной на базовом станке
заключается в том, что установлен дополнительный привод на осевой инструмент.
Вращение РГ производится автоматически по команде УЧПУ, т.е. имеет место
автоматическая смена инструмента.
В станке также заменена система программного управления. Конструктивно
устройство выполнено в виде шкафа и разделено на блоки. Пульт управления
выполнен в виде целого блока и крепится на стойке, которая может поворачиваться
в заданное положение.
2. Технологическая часть
2.1 Анализ характеристик
обрабатываемых деталей
Модернизированный токарно-винторезный станок 16К20Т1 является станком
повышенной точности и предназначен для токарной обработки деталей типа тел
вращения со ступенчатым и криволинейным профилем (втулки, диски, кольца,
катушки, зубчатые колеса и т.д.), наружной поверхности, комбинированной из
цилиндрических, конических и криволинейных поверхностей в сочетании с наружной
и внутренней резьбой, пазами, лысками, гранями, с дополнительными отверстиями,
расположенными эксцентрично к оси вращения шпинделя.
Управление станком осуществляется от программы, вводимой в управляющую
систему с пульта оперативного управления или с устройства внешней памяти.
На станке могут обрабатываться заготовки, полученные при помощи проката,
штамповки, литья и другие штучные заготовки.
Параметры заготовок должны быть следующими: наибольший рекомендуемый
диаметр обработки составляет 220 мм; рекомендуемая наибольшая длина заготовки
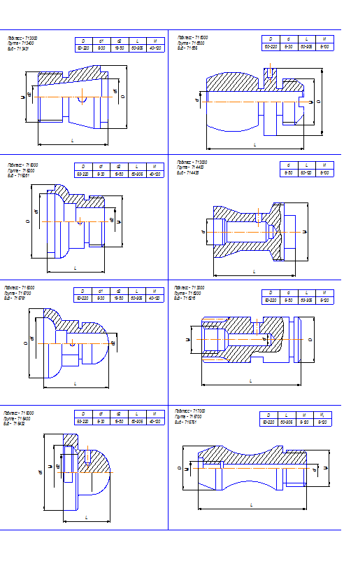
не должна превышать 905 мм. На рис. 2.1 представлен классификатор
обрабатываемых деталей с указанием предельных размеров, которые способен обработать
данный станок.
Заготовки закрепляют в трехкулачковом патроне, поэтому установочными
базами служат торец детали (лишает 2 - х степеней свободы) и цилиндрическая
поверхность (лишает 3 - х степеней свободы), а также силовое замыкание (усилие
зажима кулачков), которое лишает 1 - ой степени свободы.
Рис. 2.1. Классификатор обрабатываемых деталей.
Рекомендуемые режимы резания для обработки различных материалов приведены
в таблице 2.1.
Таблица 2.1.
|
Обрабатываемый материал
|
Материал рабочей части
режущего инструмента
|
Параметр шероховатости
поверхности, мкм
|
Подача, мм/об
|
Скорость резания, м/мин
|
|
Стали
|
σв < 650 МПа
|
Т5К10, ВК4, Т15К6
|
2,5 - 1,25
|
0,10-0,35
|
125-150
|
|
σв = 650 - 800 МПа
|
|
|
|
75-100
|
|
σв > 800 МПа
|
|
|
|
70-95
|
|
Чугуны
|
НВ 149 - 163
|
ВК6, ВК8
|
6,2 - 2,5
|
|
85-110
|
|
НВ 156 - 229
|
|
|
|
65-85
|
|
НВ 170 - 241
|
|
|
|
55-70
|
|
Алюминиевые сплавы и баббит
|
ВК3, ВК4
|
1,25 - 0,63
|
0,07-0,16
|
140-280
|
|
Бронза и латунь
|
|
|
0,07-0,14
|
90-250
|
|
Титановые сплавы
|
ВК4
|
2,5 - 1,25
|
0,12-0,30
|
65-85
|
Для обработки заготовок на станке применяются различные виды
инструментов: резцы (проходные, подрезные, отрезные), сверла, зенкеры, фрезы и
др.
Материалы режущей части также различны и зависят от обрабатываемого
материала. Рекомендуемые марки твердого сплава при различных видах обработки
приведены в таблице 2.2.
Твердые сплавы в виде пластин соединяют с державкой резца с помощью пайки
или специальных высокотемпературных клеев.
Многогранные твердосплавные пластины закрепляют прихватами, винтами,
клиньями и т. д.
Таблица 2.2.
|
Виды и характер обработки
|
Марка твердого сплава при
обработке
|
|
Углеродистой и легированной
стали
|
Труднообрабатыва-емых
материалов
|
Коррозионностойкой стали
|
Закаленной стали
|
Титана и его сплавов
|
Чугуна
|
Цветных металлов и их
сплавов
|
Неметаллических материалов
|
|
|
|
|
|
|
В40
|
В00-00
|
|
|
|
Получистовое и чистовое
точение
|
Т15К614К8
|
К4 К8 К8В
|
К4 К8
|
5К10 К4 К8
|
К4
|
К4 К6 К8
|
К6М
|
ВК3 ВК3М ВК4
|
|
Отрезка и прорезка канавок
|
Т15К6 Т14К8 Т5К10
|
|
К6М К4
|
К6М К4 К3М
|
К4 К8
|
|
К6М К3
|
|
|
Нарезание резьбы
|
30К4 Т15К6
|
30К4 15К6 14К8
|
К6М К3М
|
|
К6М К4 К3М
|
К3 К3М К4
|
К6М К3 К3М
|
К3 К3М
|
К6М К4 ВК3М
|
Металлорежущие инструменты изнашиваются по передней и задней поверхности.
На размерный износ влияют материал режущей части инструмента, конструкция,
геометрия и состояние лезвия, режимы обработки, жесткость системы и многие
другие факторы. Значения относительного износа резцов при чистовом точении
указаны в таблице 2.3.
Таблица2.3.
|
Материал режущего
инструмента
|
Углеродистая сталь
|
Легированная сталь
|
Серый чугун
|
Чугун, НВ 375 - 400
|
|
Т60К4
|
0,7 - 4
|
0,7 - 4
|
-
|
-
|
|
Т30К4
|
3 - 4
|
4 - 6
|
-
|
-
|
|
Т15К6
|
5 - 7
|
9 - 10
|
-
|
-
|
|
Т5К10
|
8
|
12 - 13
|
-
|
-
|
|
ВК9
|
-
|
65
|
-
|
-
|
|
ВК8
|
-
|
17 - 25
|
13 - 14
|
-
|
|
ВК6
|
-
|
-
|
14
|
-
|
|
ВК4
|
-
|
25 - 30
|
-
|
-
|
|
ВК3
|
-
|
9 - 10
|
6
|
16
|
|
ВК2
|
-
|
-
|
4 - 26
|
12
|
2.2 Технологические расчеты
Технологические расчеты выполнены на основе процесса обработки детали,
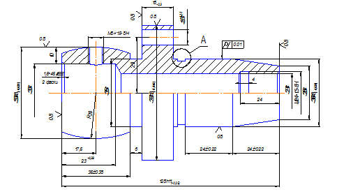
взятой из классификатора ЕСКД. Данная деталь представляет собой вал с
внутренней резьбой, отверстием, эксцентрично расположенным на фланце, а также с
участок фасонной поверхности (рис. 2.2). Её обработка на станке раскрывает
возможности проектируемого токарного станка. Для получения готовой детали на
станке производятся точение цилиндрической и фасонной поверхностей, сверление
отверстия, нарезание внутренней и наружной резьб метчиком. Обработка
производится на одном станке за два установа, что повышает точность готовой
детали и сокращает время обработки.
Исходной заготовкой является штамповка, полученная в закрытом штампе на
кривошипном горячештамповочном прессе с усилием 6,3 - 100 МН.
Рис.
2.2. Обрабатываемая деталь.
Припуски для получения заготовок такого типа размера (50 - 125 мм в
длину) находятся в интервале от 0,5 до 3,0 мм (детали до 10 кг), поле допусков
соответственно 0,6 мм до 4,2 мм.
2.2.1 Расчет припусков на обработку.
Рассчитаем для примера припуск на один размер (Æ70 мм), а на остальные размеры
назначим припуски по таблице 22 (4, стр.143). Допуски назначим по таблице 23
(4, 147).
Минимальный припуск на обработку такого диаметра вычисляем по формуле:
, где
- высота
неровности профиля на предыдущем переходе (на штамповке);
-
глубина дефектного поверхностного слоя на предыдущем переходе (на штамповке);
- суммарные отклонения расположения поверхности и в
некоторых случаях отклонения формы поверхности штамповки;
- погрешность установки заготовки на черновом
переходе.
=160 мкм;
=200 мкм по таблице 12 (4, стр. 186)
=200 мкм
(0,2 мм) - погрешность установки на черновой операции по таблице 10 (4,
стр.184);
рассчитаем
по формуле:
, где
- общее
отклонение оси от прямолинейности, которое считают по формуле:
, где
-
отклонение оси детали от прямолинейности, мкм на 1 мм (далее кривизна);
=0,75 мкм
по таблице 16 (4, 186); l=48 мм - длина поверхности с Æ70 мм;
-
смещение оси заготовки в результате погрешности центрирования;
, где
- допуск на диаметральный размер базы заготовки;
= 2,5 мм
таблица 13 (4, стр. 184),тогда
;
Суммарное
отклонение:
Минимальный
припуск на обработку:
Рассчитаем
минимальный припуск на чистовую операцию по формуле:
, где
- высота
неровности профиля после черновой операции;
- глубина
дефектного поверхностного слоя после черновой операции;
-
погрешность установки заготовки на чистовом переходе;
-
остаточное отклонение расположения после черновой обработки, которое
рассчитывается по формуле:
, где
W - податливость
технологической системы:
Wст. - податливость станка:
по
таблице 12 (4, стр. 29);
Wзаг. - податливость заготовки вала:
- таблица 15 (4, стр.
).
Тогда
получаем:
Су,
у, n, x - коэффициенты, характеризующие условия резания;
Су
= 0,00027; у = 0,75; n = 2; х = 0,9 по таблице 45 (5, стр. 234).
S - подача на
черновом переходе: S = 2 мм/об;
НRC =
65 - твердость материала заготовки;
-
исходное отклонение заготовки:
t - глубина
резания на черновом переходе;
Приняв
припуск по диаметру на черновую обработку 2,2 мм, получим глубину резания t =
1,1 мм и, следовательно,
Тогда
припуск на чистовую операцию:
Общий
припуск на обработку:
Рассчитаем
максимальный припуск на каждый переход по формуле:
где TDi-1 -
допуск на предыдущий переход, а TDi - допуск на данный переход.
По
таблице 44 (4, стр.67) назначаем:
TDзаг.=620 мкм; TDчерн. =160 мкм; TDчист. =25 мкм.
Тогда:
2.2.2 Расчет режимов резания
Исходные данные: материал заготовки - высокопрочная сталь 43Х3СНМВФА с
временным сопротивлением σв=2000 МПа; чертеж заготовки; чертеж детали.
Операция 005 - токарная
) Сверление отверстия Æ21 мм
Подачу S назначаем по таблице 26 (4, стр.
277): S = 0,15 мм/об.
Скорость резания рассчитывается по эмпирической формуле:
где
Стойкость сверла: Т = 30 мин;
= 7,0; m =
0,20; y = 0,7; q = 0,4 (таблица 28 (5, с. 278));
;
Скорость
резания:
Тогда
частота вращения шпинделя:
.
2) Прорезание внутренней канавки с Æ21 мм до Æ24 мм .
Подача: S = 0,16 мм/об,
глубина резания t = 1,5 мм.
Скорость
резания равна:
где
=420; m=0,2;
x=0,15; y=0,2 (таблица 29 (5, стр. 279));
Т
= 30 мин;
;
(м/мин)
Тогда
частота вращения шпинделя:
3)
Нарезание резьбы М24´1,5.
Нарезание
резьбы М24´1,5.
Подача
S равна шагу Р: S = Р = 1, 5
мм/об;
Число
рабочих ходов реза: i = iчерн. + iчист., где iчерн. -
число черновых ходов
iчист. - число чистовых ходов.
iчерн. =3; iчист. =2 (таблица 46 (5, стр. 294));
i = iчерн. + iчист.=3 + 2 = 5;
Скорость
резания рассчитывается по эмпирической формуле:
где
- коэффициент, учитывающий способ нарезания резьбы:
= 0,75;
= 0,68;
=1 по таблице 55 (5, стр. 302);
=244; m=0,2;
y=0,3; х=0,23 (таблица 49 (4, стр. 296));
Скорость
резания:
Тогда частота вращения шпинделя:
.
4) Точение фаски 1,5´45°:
Для
удобства фаску будем точить на тех же оборотах, т. е.
, тогда скорость резания равна:
5)
Точение торца с d = 24 мм до D = 28
мм:
Назначим
глубину резания исходя из условий точности размеров и шероховатости поверхности
и припуска: t = 0,5 мм.
Подачу
S назначаем по таблице 49 (5, стр. 252): S =
0,2 мм/об.
Скорость
резания рассчитываем по эмпирической формуле:
где
-
коэффициент, зависящий от вида обработки;
T - стойкость
инструмента: Т = 30 мин;
m, x, y -
показатели степеней при стойкости, глубине резания и подаче соответственно;
-
поправочный коэффициент, равный
где
-
коэффициент, учитывающий качество обрабатываемого материала:
- для
сталей;
Здесь
- коэффициент, характеризующий группу стали:
=0,9 (таблица 2 (5, стр. 262)).
nv -
показатель степени: nv =1,0 (таблица 2 (4, стр. 262))
Тогда
;
-
коэффициент, отражающий поверхностное состояние заготовки:
=1,0 (таблица 5 (5, стр. 263));
- коэффициент,
учитывающий качество материала инструмента:
=1,15
(таблица 5 (5, стр. 263));
Подставив
эти значения получим:
;
=420, m=0,2,
x=0,15, y=0,2 (таблица 17 (5, стр. 269));
-
поправочный коэффициент, зависящий от разности диаметров при торцовом точении:
при
Þ
Рассчитаем
скорость резания:
Тогда частота вращения шпинделя:
.
6) Точение конуса с Æ28 по Æ36 мм:
Назначим глубину резания исходя из условий точности размеров и
шероховатости поверхности: t =
0,5 мм. Подачу S назначаем по
таблице 14 (4, стр. 268) для чистового точения наружных поверхностей: S = 0,16 мм/об.
Скорость резания рассчитывается по эмпирической формуле:
Рассчитаем
скорость резания:
Тогда
частота вращения шпинделя:

Назначим глубину резания исходя из условий точности размеров и
шероховатости поверхности: t =
0,5 мм.
Подачу S назначаем по таблице 14 (4, стр.
268): S = 0,15 мм/об.
Скорость резания рассчитывается по эмпирической формуле:
Рассчитаем
скорость резания:
Тогда
частота вращения шпинделя:
.
8) Точение торца с d = 36 мм до D = 70 мм:
Назначим глубину резания и подачу: t = 0,5 мм, S =
0,25 мм/об;
Скорость резания рассчитывается по эмпирической формуле:
где
-
поправочный коэффициент, зависящий от разности диаметров при торцовом точении:
при
Þ
Тогда
частота вращения шпинделя:
.
9) Точение Æ70 мм:
Назначим глубину резания и подачу: t = 0,3 мм, S =
0,2 мм/об;
Рассчитаем скорость резания:
Тогда
частота вращения шпинделя:
.
Рассчитаем основное операционное время То:
Путь резания равен 16 мм.
10) Точение торца с d = 40 мм до D = 74 мм:
Назначим глубину резания и подачу: t = 0,3 мм, S =
0,25 мм/об;
Скорость резания рассчитывается по эмпирической формуле:
где
-
поправочный коэффициент, зависящий от разности диаметров при торцовом точении:
при
Þ
Тогда
частота вращения шпинделя:
.
11) Точение сферической поверхности:
Назначим глубину резания и подачу: t = 0,5 мм, S =
0,2 мм/об;
Рассчитаем
скорость резания:
Тогда
частота вращения шпинделя:
.
12) Точение Æ35 мм:
Назначим глубину резания и подачу: t = 0,5 мм, S =
0,2 мм/об;
Рассчитаем
скорость резания:
Тогда
частота вращения шпинделя:
.
13) Точение торца с d = 36 мм до D = 70 мм:
Назначим глубину резания и подачу: t = 0,5 мм, S =
0,25 мм/об;
Скорость резания рассчитывается по эмпирической формуле:
где
-
поправочный коэффициент, зависящий от разности диаметров при торцовом точении:
при
Þ
14) Прорезание наружной канавки
t=4;
S =
0,16 мм/об;
Скорость
резания равна:
где
=420; m=0,2;
x=0,15; y=0,2 (таблица 29 (5, стр. 279));
Т
= 30 мин;
;
(м/мин)
Тогда
частота вращения шпинделя:
.
15) Прорезание наружной канавки
t=1.5;
s=0,16;
Скорость
резания равна:
где
=420; m=0,2;
x=0,15; y=0,2 (таблица 29 (5, стр. 279));
Т
= 30 мин;
;
(м/мин)
Тогда
частота вращения шпинделя:
.
16)
Сверление отверстия Æ8 мм:
Подачу
S назначаем по таблице 26 (4, стр. 277): S =
0,15 мм/об. Скорость резания рассчитывается по эмпирической формуле:
где
Стойкость сверла: Т = 30 мин;
= 7,0; m =
0,20; y = 0,7; q = 0,4 (таблица 28 (4, с. 278));
;
Скорость резания:
Тогда
частота вращения шпинделя:
.
17) Сверление отверстия Æ30 мм
Подачу S назначаем по таблице 26 (4, стр.
277): S = 0,15 мм/об.
Скорость резания рассчитывается по эмпирической формуле:
где
Стойкость сверла: Т = 30 мин;
= 7,0; m =
0,20; y = 0,7; q = 0,4 (таблица 28 (5, с. 278));
;
Скорость
резания:
Тогда
частота вращения шпинделя:
.
18)
Сверление отверстия Æ7 мм:
Подачу
S назначаем по таблице 26 (4, стр. 277) для сверления: S =
0,15 мм/об. Скорость резания рассчитывается по эмпирической формуле:
где
Стойкость сверла: Т = 30 мин;
= 7,0; m =
0,20; y = 0,7; q = 0,4 (таблица 28 (5, с. 278));
;
Скорость
резания:
Тогда
частота вращения шпинделя:
.
19)
Нарезание резьбы М8´1,5.
Подача
S равна шагу Р: S = Р = 1, 5
мм/об;
Число
рабочих ходов реза: i = iчерн. + iчист., где iчерн. -
число черновых ходов, а
iчист. - число чистовых ходов.
iчерн. =3; iчист. =2
(таблица 46 (4, стр. 294));
i = iчерн. + iчист.=3 +
2 = 5;
Скорость
резания рассчитывается по эмпирической формуле:
где
- коэффициент, учитывающий способ нарезания резьбы:
= 0,75;
= 0,68;
=1 по таблице 55 (5, стр. 302);
=244; m=0,2;
y=0,3; х=0,23 (таблица 49 (5, стр. 296));
Скорость
резания:
Тогда частота вращения шпинделя:
.
3. Конструкторская часть
3.1 Описание конструкции основных
узлов станка
3.1.1 Механизм главного движения
Показан на листе ДП.М4.151002.05.005 СБ.
На станке установлена шпиндельная бабка, обеспечивающая два диапазона
скоростей вращения
I
диапазон включает частоты вращения 20…315 мин-1 , II диапазон -
160..2500 мин-1.
В пределах каждого диапазона изменение чисел оборотов бесступенчатое.
В качестве электродвигателя главного движения, обеспечивающего вращение
шпинделя, выбран асинхронный частотно-регулируемый электродвигатель с
короткозамкнутым ротором фирмы SIЕMENS мощностью 11 кВт.
Передача вращения от электродвигателя на вал шпиндельной бабки
осуществляется поликлиновым ремнем 2240Л20.
Смазка шпиндельной бабки осуществляется от станции смазки, смонтированной
на основании станка.
3.1.2 Патрон с электромеханическим
приводом
Показан на листе ДП.М4.151002.05.006 СБ.
Передняя опора шпинделя поз. 26 представляет собой двухрядный
радиально-упорный роликоподшипник с коническими роликами, а задняя опора поз.
25 - однорядный радиально-упорный роликоподшипник с коническими роликами.
Зажим и разжим заготовки производится от электромеханического привода,
передающего вращение через тягу (поз. 4) на зубчатое колесо (поз. 5), поворот
которого приводит к смещению косозубой рейки (поз. 6), находящейся в зацеплении
с кулачками патрона (поз. 7). В зависимости от направления вращения привода
кулачки перемещаются вниз (зажим заготовки) или вверх (разжим заготовки).
В задней части шпинделя закреплена шестерня (поз. 14), вращение от
которой передается на оптоэлектрический датчик круговых перемещений ЛИР - 190А,
служащий для согласования вращения шпинделя и перемещения резца при нарезании
резьбы. Он осуществляют преобразование измеряемого перемещения в
последовательность электрических сигналов, содержащих информацию о величине и
направлении этих перемещений для последующей обработки в системах ЧПУ.
Датчик с основными характеристиками и размерами показан на рисунке 8.
Рис. 3.1. Датчик круговых перемещений ЛИР - 190А.
3.1.3 Основание станка
Основание станка представляет собой жесткую отливку, на которой
устанавливаются станина, электродвигатель главного движения, станции смазки
направляющих каретки шпиндельной бабки, насос подачи СОЖ. Средняя часть
основания служит сборником для стружки и СОЖ, отсек в нижней правой части
основания - резервуаром СОЖ.
3.1.4 Станина станка
Станина станка имеет коробчатую форму с поперечными ребрами П - образного
профиля, закаленные шлифованные направляющие. На станине устанавливаются
шпиндельная бабка, каретка, привод продольной подачи, задняя бабка. Для
базирования каретки на станине передняя направляющая имеет форму неравнобокой
призмы, задняя направляющая - плоская. Задняя бабка базируется на станине по
малой задней призматической направляющей и по плоскости - на передней
направляющей.
3.1.5 Приводы продольного и
поперечного перемещений
Показаны на листах ДП.М4.151002.05.007 СБ и ДП.М4.151002.05.008 СБ.
Перемещение суппорта обеспечивают приводы продольных и поперечных подач,
состоящий из высокомоментного двигателя ПБВ132М (поз. 1), муфты сильфонного
типа (поз. 2) и винтовой пары качения. Профиль гайки идентичен профилю резьбы
винта. В канавках винта и гайки расположены шарики, которые вращаются и
перемещаются вдоль канала. ШВП обладает высокой жесткостью, достаточной, а
также малым трением, отсутствием зазоров и возможностью создания
предварительного натяга.
3.1.6 Револьверная головка
Револьверная головка представлена двумя листами.
На листе ДП.М4.151002.05.009 СБ показан механизм вращения осевого
инструмента.
Приводится в действие только инструмент, находящийся в рабочей позиции.
Привод осуществляется от трехфазного асинхронного двигателя серии фирмы
1РH7103 - F-0 «SIEMENS»
номинальной мощностью 4 кВт через передачу зубчатым ремнем, карданную передачу
и шестеренчатый привод на ведущую шестерню и оттуда на инструмент.
При включении револьверной головки привод должен быть отключен. Привод
включается гидравлически путем перемещения зубчатого колеса 17 на шлицы вала
инструментов 18. Контроль осуществляется бесконтактным выключателем.
На листе ДП.М4.151002.05.010СБ показан механизм
переключения (поворота) револьверной головки.
Поворот резцедержателя осуществляется по команде программы управления
станка.
Перед поворотом инструментальный суппорт гидравлически деблокируется.
Гидравлический шаговый двигатель через карданную и зубчатую передачи
устанавливает инструментальный диск в требуемое положение.
Правильный выбор позиции контролируется кодирующим устройством.
Бесконтактный выключатель сигнализирует об окончании поворота на определенный
угол. Поворот револьверной головки на определенный угол в торцовых зубьях поз.
9 и 10 осуществляется гидравлически.
3.2 Описание конструкции датчиков
линейных перемещений ЛИР-8
В конструкцию датчика входит стеклянная линейка с штриховой шкалой,
дискретностью шага 20 мкм. Шкала выполнена в виде светонепроницаемых штрихов и
прозрачных межштриховых пробелов одинаковой ширины. В общий комплект
считывающей головки входят источник света, конденсатор, выпрямляющий свет в
параллельном направлении, а также ползунок со сканирующим растром и кремниевыми
фотоэлементами.
Технические характеристики ЛИР-8[15,109].
|
Длина измерения
|
до 320 мм
|
|
Габариты поперечного
сечения
|
49х20 мм
|
|
Точность
|
±3 мкм/м
|
В основе данной системы измерения линейных размеров лежит
фотоэлектрический принцип считывания штрихов шкалы линейки (рис. 3.2.).
Рис.3.2.
Конструкция оптической линейки
При перемещении линейки относительно считывающей головки проходящие
световые лучи попадают в отверстие растровой линейки и после усиления
оптической системой улавливаются фотодиодами, в которых световой поток
преобразуется в электрический сигнал. Поскольку отверстия растровой линейки для
каждой пары фотодиодов смещены на ¼ А периода, электрические выходные сигналы при взаимном
перемещении линеек сдвинуты по фазе на соответствующую величину. Синусоидальные
выходные сигналы в раздельных электронных блоках подвергаются интерполяции и
преобразованию в цифровую форму, а затем передаются к системе ЧПУ.
3.3 Описание устройства ЧПУ NC-200
Общие сведения
УЧПУ NC-200 предназначено для комплектования металлообрабатывающего
оборудования фрезерно-сверлильно-расточной и токарно-карусельно-револьверной
групп. Устройство ЧПУ представляет собой малогабаритное, моноблочное
устройство, в котором соединены в единое целое: блок управления, пульт
оператора и станочный пульт. Устройство предназначено для управления станками с
количеством осей не более 4-х и дискретными входами/выходами не более 64/48.
Заложенный принцип компактности сделал возможным получение в устройстве высокой
надежности и низкой цены. Программное обеспечение предоставляет возможность
использовать множество постоянных циклов, позволяющих эффективно решать задачи программирования
типовых движений, экономя при этом время на расчеты десятков кадров и объем
памяти.
Данное УЧПУ характерно следующими особенными функциями:
управление ускорением/замедлением - для улучшения динамических характеристик управления системой
УЧПУ-СТАНОК дополнительно к уже существующему линейному закону введены
S-образный и экспоненциальный законы разгона/торможения;
объемная защищенная зона - задание объемной защищенной зоны позволяет определить часть пространства,
где перемещения запрещены;
контролируемые зоны для каждой оси - задание контролируемых зон позволяет определить для
программы логики станка конкретное местоположение (зону размещения) оси;
компенсация дрейфа приводов - функция компенсации дрейфа приводов действительна для всех интерполируемых
осей, данная функция выполняется одновременно для всех осей;
функция контроля расстояния, пройденного осью - эти параметры предназначены для контроля расстояния,
пройденного осью;
вывод ошибки кругового контура - вывод ошибки кругового контура осуществляется в режиме
осциллографа в реальном времени при выполнении кадра круговой интерполяции;
компенсация трения - при
переходе из квадранта в квадрант по круговому контуру оси имеют точки смены
направления движения, в этих точках скорость движения оси равна нулю и
дальнейшее ее движение потребует преодоления силы трения покоя в механизмах
станка (в редукторах, в направляющих осей), что приведет в этот момент к
увеличению ошибки; правильно подобранная компенсация силы трения покоя уменьшит
эту ошибку и улучшит точность кругового контура; подбор параметров для
компенсации трения выполняется с помощью осциллографирования ошибки кругового
контура при выполнении кадра круговой интерполяции; это осуществляется в режиме
осциллографа;
сплайновая интерполяция - сплайновая интерполяция применяется, чтобы соединить заданную
последовательность отдельных точек в гладкий непрерывный контур, реализован
С-сплайн; С-сплайн обеспечивает гладкий контур с точным прохождением через все
точки сплайна, с непрерывной кривизной и возможностью задания условий на его
краях.
Технические характеристики УЧПУ
Число управляемых координат (со шпинделем) - 5
Число каналов датчика перемещений- 4
Число выходных аналоговых каналов ЦАП- 5
Число каналов электронного штурвала- 1
Число каналов датчика касания- 1
Число дискретных каналов входа/выхода- 32/24; 64/48
Емкость памяти:
ОЗУ (DRAM) - 4-8 Мб
ЗУ (Flash Disk) - 2-8 Мб
Интерфейс FDD- 3,5”; 1,44 Мб
Последовательный канал связи- RS-232.
Видеомонитор:
дисплей - TFT 10.4”
разрешающая способность - 640х480
цветность - 256 цветов
Алфавитно-цифровая клавиатура- 101 клавиша
Номинальное напряжение питания- ~220 В, 50 Гц
Потребляемая мощность (без периферии) - 45 ВА, не более
Потребляемый ток (без периферии) - 275 мА, не более
Степень защиты оболочкой:
лицевая панель - IP54
корпус - IP20
Габаритные размеры- 432х340х160 мм
Масса- 9 кг, не более
Температура окружающей среды при работе- 5…45°С
хранении- 5…50°С
Относительная влажность воздуха при работе- 40…95%
хранении - не более 80%.
Состав УЧПУ
УЧПУ состоит из следующих основных модулей: блок питания, модуль
центрального процессора, модуль ЦАП-Энкодер, модуль дискретных входов-выходов,
пульт оператора, внешнего модуля дискретных входов-выходов с релейной
коммутацией и индикацией
3.4 Конструкторские расчеты
3.4.1 Кинематический расчет привода
главного движения
Произведем выбор электродвигателя исходя из технологических возможностей
проектируемого станка.
Наибольший диаметр обработки деталей dmax=400 мм.
Наименьший диаметр обработки деталей dmin=5 мм.
Предельные частоты вращения шпинделя:
- для
обработки легкообрабатываемых материалов
- для
обработки труднообрабатываемых
материалов
В
качестве труднообрабатываемых материалов выбираем высокопрочную сталь (sв≥1600
МПа) 43ХСНМВФА, тип термообработки - закалка, sв=2000 МПа
Скорость
резания при нарезании резцом метрической резьбы:
V=8,5 м/мин
В
качестве легкообрабатываемых материалов выбираем алюминиевый сплав Д16, Д16Т,
тип термообработки - закалка + старение, sв=360 МПа.
Скорость резания при точении алюминиевых сплавов:
V=250
м/мин.
Вычисляем предельные частоты вращения шпинделя:
мин-1
мин-1
Частота
вращения nmax=15923 мин-1 не осуществима, т.к. ряд
технологических критериев не позволит безопасно работать на станке. При высоких
частотах значительно увеличиваются величины возникающего дисбаланса, вибраций.
Трехкулачковый патрон не даст надежной установки детали. Шпиндельные подшипники
не выдержат столь высоких частот.
Полученные
значения частот вращения могут быть реализованы лишь теоретически возможной
стойкостью режущего инструмента.
Принимаем
частоты вращения привода главного движения:
nmax=2500
мин-1, nmin=6,3 мин-1
Скорости
резания:
Vmax=250
мин-1, Vmin=8,5 мин-1
Проектируем
привод главного движения для получения на шпинделе следующих характеристик:
мин-1,
мин-1.
В токарно - винторезном станке с ЧПУ устанавливаем привод главного
движения с бесступенчатым регулированием. Основными достоинствами такого
привода являются:
·
повышение
производительности обработки за счет точной настройки оптимальной скорости
резания;
·
возможность
плавного изменения скорости резания во время рабочего цикла станка;
·
простота
автоматизации процесса переключения скоростей;
·
значительное
упрощение конструкции и снижение металлоемкости коробки скоростей в сравнении
со ступенчатым приводом.
Для бесступенчатого регулирования скорости в основном применяют
регулируемые электродвигатели:
1. Электродвигатели постоянного тока с тиристорной системой управления;
. Асинхронные электродвигатели, регулируемые за счет изменения частоты
тока. Выбираем асинхронный электродвигатель с короткозамкнутым ротором 1РН7 131
NF фирмы SIEMENS, технические характеристики которого:
Рном=11 кВт,
nном=500 мин-1,
nmax=6700 мин-1,
Мкр.ном.=70 Н*м
Рассчитаем его диапазон регулирования при постоянной мощности:
nэд.ном и nэд.max -
соответственно номинальная и максимальная частоты вращения электродвигателя.
Rд =13 (т.е. Rд>8);
2) Вычислим диапазон регулирования коробки скоростей:
- общий
диапазон регулирования привода.
Для данного станка будем применять привод с комбинированным
регулированием, для которого до условной расчетной частоты nр обеспечивается регулирование с
постоянным моментом в диапазоне Rm , а выше - регулирование с постоянной
мощностью в диапазоне Rр.
мин-1
или
мин-1
Принимаем
nр=37 мин-1 (рис. 10)
Рис.
3.3.
Рассчитаем число m
групп передач коробки скоростей:
Значение m можно округлить до 2.
) Принимаем стандартное значение знаменателя j=1,26 и определяем:
Определим число интервалов lgj, которые пересекают на графике частот вращения лучи,
изображающие передачи группы, а именно:
Однако
при j=1,26, число интервалов lgj, которые пересекают на графике
частот вращения лучи, изображающие передачи группы, не может превышать 9 (для
выполнения условия
). Поэтому принимаем
окончательно Кm =9.
Оставшиеся три интервала можно получить лишь в результате регулирования
электродвигателя в зоне постоянного крутящего момента.
)
Фактические диапазоны регулирования коробки скоростей и привода в целом:
Фактические диапазоны регулирования: Rф.к. =1,269*5.5=31; Rф.п. =402.
) Определим число К1 интервалов между максимальной частотой
вращения шпинделя и максимальной частотой вращения электродвигателя, а также
число К2 интервалов между максимальной и минимальной частотами
вращения шпинделя:
К1 =4.3 и К2 =26. Принимаем К1=4 и К2
=26, тогда Кобщ. =К1 +К2 =30
По нормали Н11-1 "Нормальные ряды чисел в станкостроении "
выбираем стандартный ряд частот вращения (мин-1): 8000;6300;5000;4000;3150;2500;2000;1600;1250;1000;800;630;500;400;315;
250;200;160;125;100;80;63;50;40;31,5;25;20;16;10;8;6,3 и строим график
частот вращения.
Рис.
3.4.
3.4.2 Расчет поликлиновой ременной
передачи
Поликлиновой ремень включает в себя несколько рабочих поверхностей
треугольной формы, что позволяет равномерно распределять нагрузку между ними и
обеспечить постоянство расчетных диаметров шкивов. В этом их основное
преимущество перед клиновыми ремнями. Небольшая высота и кордшнур из
химического волокна позволяет использовать их на шкивах малого диаметра с
передаточным числом до 8 и при скорости до 40 м/с. При равных условиях работы
данная передача более компактна, чем с клиновыми ремнями.
Определим сечение ремня.
Определяем момент на быстроходном валу
M = 9740
[Hм],
где N - мощность, передаваемая ремнем,
кВт; n1 - минимальная частота вращения быстроходного вала,
мин-1.
M = 9740
= 134 Hм.
Следовательно, сечение ремня Л. Его параметры:
Рис.
3.5. Ремень поликлиновой
H=9,5
мм;
t=4,8 мм; =4,85
мм;1=0,2 мм;2=0,7 мм.
Определяем
диметры шкивов.
Пусть
диаметр меньшего шкива d1=200 мм.
Диаметр
ведомого d2=i* d1=1*200=200 мм. Ближайшее значение из
стандартного ряда d2=200 мм.
Уточняем
передаточное значение с учетом относительного скольжения S=0,01.
.
Определяем межосевое расстояние:
amin=0,55(d1+ d2)+Н=0,55(200+200)+9,5=230 мм;
amax= d1+ d2=200+200=400 мм.
Принимаем промежуточное значение a=320 мм.
Определяем расчетную длину ремня:
Lp=

мм
Ближайшее стандартное значение Lp=1250 мм.
Уточняем межосевое расстояние:
где
- параметры нейтрального слоя.
Определяем
угол обхвата малого шкива d1:
180
.
Определяем
скорость ремня:
м/с.
Определяем
коэффициенты:
угла
обхвата
;
режима
работы
;
скорости
.
Определяем
наименьшее межосевое расстояние, необходимое для надевания ремня
аmin = а -
0,01L;
аmin = 320 -
0,01·1250= 307.5 мм.
Определяем
наибольшее межосевое расстояние, необходимое для вытяжки ремня
аmax = а +
0,02L ;
аmax = 320 +
0,02·1250 = 345 мм.
Принимаем
исходную длину L0 = 1600
мм и относительную длину L/L0 = 1,25.
Принимаем
коэффициент длины ремня СL = 0,9+0,1L/L0=1,025.
Определяем
число ребер поликлинового ремня:
z=10F/[F]10;
где:
[F]10
=(F10*
где F10 -
допускаемая окружная сила для передачи поликлиновым ремнем с десятью ребрами
при передаточном отношении i=1,
,
эталонной длине L0, работе
в одну смену с постоянной нагрузкой.
-
слагаемое, учитывающее влияние передаточного отношения.
0Нм.
[F]10
=(1190*0,97*0.98)*0,73=825
Определяем
исходную мощность
N0 = 11 кВт.
Определяем
поправку к моменту на передаточное число
ΔМ = 4 кг·м.
Определяем
поправку к мощности
ΔN = 0,001 ΔМin1;
ΔN = 0,001·4·1600
ΔN = 6.4 кВт.
Определяем
допускаемую мощность [N], кВт
[N] =
(N0CαCL + ΔNi)Cp;
[N] =
(22· 0,97· 0.98 + 6.4)0,73 = 18кВт.
Определяем
число ребер ремня
10N
z =
---;
[N]
z =
= 12.2 кВт.
Принимаем количество ребер z=13
Номинальная мощность, передаваемая ремнем:
, где
- к.п.д. механизма от вала ременной передачи до
шпинделя.
Определяем ширину шкива
В = (z - l)s + 2*f,
где s - шаг ребер, мм; f - длина свободной части шкива, мм.
В = (13 - 1)4,8 + 2· 5,5 = 68.6 мм.
Определяем окружное усилие, передаваемое ремнем (по номинальной
мощности):
Натяжение
ветвей ремня:
;
Усилие,
действующее на вал при работе станка: Q=S1+S2=6650+1900=8550
H.
Определим рабочий ресурс рассчитанной поликлиновой передачи:
3.4.3 Силовой и прочностной расчеты
коробки скоростей
При
определении чисел зубьев необходимо не только получить данное передаточное
отношение i1=z1:z2, но и
обеспечить постоянную сумму зубьев в пределах 2-х валовой передачи
z = z1+z2 = const.
Числа
зубьев шестерен выбираем по передаточному отношению по таблице 3, стр.122[16]:
Отсюда z1=33, z2=53.
Отсюда z2=58, z3=28.
Отсюда z2=17, z3=69
Определения модуля зубчатых колес
Крутящий момент на валу электродвигателя привода определяется по формулам
[6]:
где
Nн -
номинальная мощность электродвигателя привода, кВт;
ω - угловая скорость вала электродвигателя, рад/с; nн - номинальная частота вращения,
заданная в технической характеристике электродвигателя.
Крутящий
момент на первом валу привода:
n1 - частота вращения первого вала привода;
η1 - коэффициент полезного действия
передач от электродвигателя до первого вала, включая коэффициент полезного
действия ремённой передачи (η=0,94…0,96) и подшипников
качения первого вала (η=0,99).
η1=0,95*0,99=0,9405
При
определении крутящего момента на ІІ валу принимаем расчётную частоту вращения
вала, которая соответствует верхнему значению
. Т. е. n2=80 мин-1; η2=0,9405*0,98=0,9217
Тогда
крутящий момент на ІІ валу:
При
расчёте зубчатых передач станков модули определяются не только исходя из
прочности зубьев на изгиб mизг ,
но из усталости поверхностных слоёв (по контактным напряжениям) mпов.
Для
стальных прямозубых колёс модули определяются по формулам:
, где
z -
число зубьев лимитирующего колеса;
[σпов], [σизг] - соответственно допускаемые контактные напряжения по
усталости поверхностных слоёв и напряжения на изгиб, МПа;
N=Nн*ηi - номинальная передаваемая мощность,
кВт;
ηi - К.п.д. от электродвигателя до
рассчитываемой передачи;
n -
расчетная частота вращения меньшего колеса, об/мин;
y -
коэффициент формы зуба, при z=20..60,
y=0,243…0,268;
i -
передаточное отношение, всегда принимаем i≥1. Для замедлительных
передач берём величину, обратную передаточному отношению зубчатой
передачи;
, где
b -
ширина шестерни зуба;
dш - диаметр шестерни;
ψ0=0,7…1,6 - при симметричном
расположении и жёстких валах;
ψ0=0,4…0,6 - при
консольно-расположенной шестерни;
k -
коэффициент нагрузки; k=kд×kк×kр , где
kд - коэффициент динамической нагрузки; kд=1,1…1,2;
kк -
коэффициент концентрации нагрузки; kк=1,2…1,4;
kр -
коэффициент режима; kр=1,1…1,3.
Согласно [6]:
Допустимые контактные напряжения [σпов] определяют по формуле:
, где
σ0пов(1,2) - предел контактной выносливости
лимитирующего звена зубчатой передачи (шестерни или колеса);
Sn - коэффициент безопасности при расчёте зубьев на контактную
прочность;
индексы: 1-для шестерни, 2-для колеса.
В качестве материала для зубчатых колёс принимаем Сталь 40Х. Для неё в
качестве термообработки используется объёмная закалка. При этом твёрдость составляет
HRC 45..55. Sn=1,1.
Допускаемые
напряжения изгиба [σизг] определяют по формуле:
, где
σ0изг(1,2) - предел изгибной выносливости лимитирующего звена
зубчатой передачи;
Su
- коэффициент безопасности при расчёте зубьев на изгиб, Su=1,75.
Тогда
для передачи вал І-ІІ примем:
kд=1,15 ,kк=1,3 ,kр= 1,2
k=1,15×1,3×1,2=1,794
При
расчёте mпов k=1,794
kр= 1
k=1,15*1,3×1=1,495
При
расчёте mизг k=1,495
.
i=33/53 , y=0,243 , ψ=6, ψ0=0,6;
Принимаем m=2 мм.
2. i=58/28
Принимаем m=2 мм.
i=17/69
Принимаем m=2 мм.
Определение диаметров зубчатых колёс.
) Определим делительные диаметры зубчатых колёс:
)
Определим диаметр окружностей вершин зубьев:
)
Определим расстояние между осями валов:
)
Определим ширину зубчатых венцов:
Расчёт
валов на прочность.
При
работе валов коробки скоростей основными нагрузками являются силы, возникающие
в зубчатых передачах. Во вращающихся валах эти силы вызывают напряжения,
изменяющиеся по знакопеременному симметричному циклу.
Предварительно
расчёт на прочность определяет диаметр вала по условному расчёту на чистовое
кручение без учёта влияния изгиба.
, где
Т -
крутящий момент на расчётном валу, Н*мм;
[τкр] - пониженное допускаемое напряжение кручения, МПа.
При предварительном расчёте для валов из конструкционных углеродистых
сталей допускаемые напряжения кручения на выходных участках принимаем [τкр] =15…20 МПа. На остальных участках
валов диаметры назначаем исходя из конструктивных и технологических требований.
Вал
І:
Вал
ІІ:
Конструктивно
увеличиваем диаметры валов и принимаем:
,
После
предварительного определения диаметров валов произведём расчёт на выносливость
(усталостную прочность) вала І коробки скоростей и горизонтального шпинделя
станка. Данный расчёт отражает характер изменения напряжений, статические и
усталостные характеристики материалов, а также поверхностное упрочнение валов.
Расчёт
вала І на прочность.
Для
определения реакций в опорах составляем расчётную схему, при этом вал
рассматривается как балка на двух шарнирных опорах. При определении реакций
опор, а также эпюр изгибающих и крутящих моментов расчётную схему вала
представляем с графическим изображением сил, действующих на вал в различных
плоскостях (Рис.10).
Окружная
сила Р воздействует на вал в плоскостях ZOX и равна:
, где
Т
- крутящий момент на валу, Н*м;
D - диаметр делительной окружности зубчатого колеса, м.
Радиальная сила, воздействующая на вал в зубчатом зацеплении:
, где
Р -
окружная сила, воздействующая на вал, Н,
αw - угол зацепления,
αw=20º.
На
зубчатом колесе:
Тогда:
Для
шкива:
Тогда:
Рис.
3.6. Расчётная схема вала
По действующим на вал силам определяют в двух взаимно-перпендикулярных
плоскостях реакции опор и изгибающие моменты, после чего производят геометрическое
их суммирование в опасном сечении:
, где
Mux - максимальный изгибающий момент в опасном сечении,
действующий в горизонтальной плоскости, Н×м;
Muy - максимальный изгибающий момент в опасном сечении,
действующий в вертикальной плоскости, Н×м.
Составим расчётную схему вала І и определим опорные реакции.
В плоскости ZOY:
∑mB=0;
∑mA=0;
Проверка:∑y=0;
В
плоскости ZOX:
∑mB=0;
∑mA=0;
Проверка:∑X=0;
Строим
эпюры изгибающих моментов в плоскостях ZOX и ZOY
(рис.14) и определим суммарные изгибающие моменты в местах действия сил.
Рис.
3.7. Эпюры изгибающих моментов, действующих на вал
Уточнённый расчёт валов на выносливость произведём в форме проверки
коэффициента запаса прочности, который определим по формуле:
или
, где
[n] -
допускаемый предел прочности, обычно принимают: [n]=2…3;
nσ и nτ - коэффициенты запаса прочности по нормальным и
касательным напряжениям, которые определяют по формулам:
,
, где
σ-1 и τ-1 - пределы выносливости для материала
вала при симметричных циклах изгиба и кручения;
kσ и kτ - эффективные коэффициенты
концентраций напряжений при изгибе и кручении;
β - коэффициент, учитывающий влияние
шероховатости поверхности, при шероховатости Rz≤20мкм β=0,9…1,0;
σν и τν - амплитуды циклов нормальных и
касательных напряжений;
σm и τm - среднее значение нормальных и
касательных напряжений;
εσ и ετ - масштабные коэффициенты для
нормальных и касательных напряжений;
ψσ и ψτ - коэффициенты, отражающие соотношения пределов
выносливости при симметричном цикле изгиба и пульсирующем цикле кручения.
Значения σ-1 определяются в зависимости от
предела прочности материала вала. Примем материал вала 40Х. Тогда:
Предел
выносливости при симметричном цикле кручения:
Эффективные
коэффициенты концентрации напряжений kσ и
kτ зависят
от предела прочности σв
материала и при наличии галтелей или выточек выбираются по [7: табл. 1.2…1.3].
Примем:
kσ=1,9,
kτ=1,4.
Значения
масштабных коэффициентов εσ и ετ приведены в [7: табл.1.4.].
Примем: εσ=0,88, ετ=0,77.
Амплитуду циклов и средние значения нормальных напряжений σν и σm определим по формулам:
, где
Mu - суммарный изгибающий момент в рассматриваемом
сечении, Н×м;
Fa - осевая сила, действующая на вал, Н;
W -
момент сопротивления в рассматриваемом сечении в мм3, который равен
для круглого сплошного сечения:
d -
диаметр вала, мм,
b и t - ширина и глубина канавки, мм.
При передачи крутящего момента прямозубыми колёсами считают, что
отсутствует осевая нагрузка на вал, и нормальные напряжения, возникающие в его
поперечном сечении, изменяются по симметричному циклу, тогда σm=0.
Значения τν и τm определяем исходя из наиболее
неблагоприятного знакопеременного цикла изменения касательных напряжений, т.е.
считают, что напряжения кручения изменяются по отнулевому (пульсирующему)
циклу:
, где
T - крутящий момент, передаваемый валом;
Wk - момент сопротивления кручению рассматриваемого сечения:
для
круглого сечения:
Для
симметричного цикла изгиба и пульсирующего цикла кручения ψσ и ψτ приведены в [7: табл. 1.5.]. Примем ψσ =0,05 , ψτ =0.
Расчёт
для сечения 1.
Суммарный
изгибающий момент:
Момент
сопротивления:
Амплитуда
циклов:
Среднее
значение нормальных напряжений: σm=0;
Момент
сопротивления кручению:
Касательные
напряжения:
Коэффициенты
запаса прочности:
;
;
Расчёт для сечения 2:
Суммарный
изгибающий момент:
Момент
сопротивления:
Амплитуда
циклов:
Среднее значение нормальных
напряжений: σm=0;
Момент сопротивления кручению:
Касательные
напряжения:
Коэффициенты
запаса прочности:
;
;
Поэтому принимаем dІ=30 мм, тогда:
Расчёт для сечения 1:
Суммарный
изгибающий момент:
Момент
сопротивления:
Амплитуда
циклов:
Среднее
значение нормальных напряжений: σm=0;
Момент
сопротивления кручению:
Касательные
напряжения:
Коэффициенты
запаса прочности:
Расчёт для сечения 2:
Суммарный
изгибающий момент:
Момент
сопротивления:
Амплитуда
циклов:
Среднее
значение нормальных напряжений: σm=0;
Момент
сопротивления кручению:
Касательные
напряжения:
Коэффициенты
запаса прочности:
;
;
3.4.4 Расчёт шпинделя на жёсткость
Мощность
привода главного движения
, максимальная частота вращения шпинделя
модернизированного станка
, класс точности станка П. Для проектируемого
шпиндельного узла в качестве передней опоры выбираем двухрядный конический роликоподшипник
-607920
по ГОСТ 21512-76, а качестве задней опоры - однорядный конический
роликоподшипник 17716Л по ГОСТ 520-71.
Для
приближённого расчёта на жёсткость шпиндель рассмотрим в виде балки на упругих
опорах, нагруженную между опорами силой в зацеплении Q и
равнодействующей тангенциальной и радиальной составляющей силы резания Рр.
Рис.
3.8. Расчётная схема шпиндельного узла
Сила
зацепления Q определяется по формуле:
,
где
- окружная составляющая силы в зацеплении, Н;
- угол зацепления зубчатых колёс,
. Окружная составляющая
равна:
,
где
- тангенциальная составляющая силы резания, Н;
-
диаметр начальной окружности приводного колеса шпинделя, мм;
-
расчётный диаметр в мм, который равен:
,
где
- наибольший диаметр обрабатываемой заготовки в мм.
Радиальное
упругое перемещение шпинделя
в зоне
резания от силы
с учётом деформации шпинделя и деформаций его опор
определяется по формуле:
,
где
- расстояние между опорами шпинделя, мм;
-
расстояние от передней опоры до зоны резания, мм;
- длина
передней консоли шпинделя, мм;
-
расстояние от конца шпинделя до точки приложения силы
, мм;
-
расстояние от приводного колеса до передней опоры шпинделя, мм;
- модуль
упругости, который равен для стали
;
-
радиальные жёсткости передней и задней опор шпинделя, Н/мм;
-
осреднённый момент инерции сечения шпинделя в пролёте между опорами шпинделя, мм4;
-
осреднённый момент инерции сечения шпинделя на его консоли, мм4.
Радиальное
упругое перемещение шпинделя
в зоне
резания от силы
с учётом его собственных упругих деформаций и упругих
деформаций опор:

Суммарная деформация шпинделя равна:
.
Нагрузка
от сил резания:
.
,
где
- диаметр отверстия шпинделя, мм;
-
средний наружный диаметр шпинделя, мм.
Вычисляем
жёсткость передней опоры
. В передней опоре стоит подшипник качения серии
2-607920.
Устанавливаем
с предварительным натягом
.
Радиальная
податливость:
Относительный
предварительный натяг:
.
Коэффициент,
учитывающий натяг или зазор в подшипнике:
Вычисляем
радиальную податливость в контакте наиболее нагруженного тела качения с
дорожкой качения в подшипнике с предварительным натягом:
Определяем
радиальную податливость в контакте колец подшипника с посадочными поверхностями
вала и корпуса:
,
где
;
-
соответственно внутренний, наружный диаметры и ширина подшипника, мм.
Радиальная податливость в подшипнике равна:
Определим
жёсткость опоры
:
.
Вычисляем
жёсткость задней опоры
.
В
качестве задней опоры стоит однорядный радиальный роликоподшипник 17716Л.
Радиальная
податливость:
Относительный
предварительный натяг:
.
Коэффициент,
учитывающий натяг или зазор в подшипнике:
Вычисляем
радиальную податливость в контакте наиболее нагруженного тела качения с
дорожкой качения в подшипнике с предварительным натягом:
Определяем радиальную податливость в
контакте колец подшипника с посадочными поверхностями вала и корпуса:
,
где
;
-
соответственно внутренний, наружный диаметры и ширина подшипника, мм.
Радиальная податливость в подшипнике равна:
.
Определим
жёсткость опоры
:
.
Рассчитаем
радиальное упругое перемещение шпинделя
в зоне
резания от силы
с учётом деформации шпинделя и деформаций его опор:
Рассчитаем
радиальное упругое перемещение шпинделя
в зоне
резания от силы
с учётом его собственных упругих деформаций и упругих
деформаций опор:

Суммарная деформация шпинделя равна:
.
3.4.5 Расчёт подшипников
Подберём подшипники качения для вала І, имеющего частоту вращения n=1500 мин -1 с передачей крутящих моментов
прямозубыми колёсами. Привод работает с умеренными толчками. Суммарные реакции
опор:

В
качестве опор ориентировочно выбираем радиальные однорядные шарикоподшипники
208К ГОСТ 8338-75. Подшипники устанавливают на жёсткие двухопорные валы с
расстоянием между опорами Lоп≤10*d.
Прогиб вала под действием внешних сил не должен вызывать больших угловых
смещений его оси, а перекос наружных колец относительно внутренних не должен
превышать 10…15'.
Статическую
радиальную грузоподъёмность определяем по формуле:
, где
i - число рядов тел качения в подшипнике;
z - число тел качения в однорядном подшипнике, число тел качения в одном
ряду многорядного подшипника при одинаковом числе их в каждом ряду;
Dw - диаметр тела качения (шарика), мм;
α - номинальный угол контакта
подшипника для расчёта
грузоподъёмности, град. для радиальных подшипников α=0.
Тогда:
Эквивалентную
статическую радиальную нагрузку не определяем, так как частота вращения вала
n>1 мин-1.
Для
определения динамической радиальной грузоподъёмности выбираем значение
коэффициента fc , предварительно определив отношение
,где D0 - диаметр окружности комплекта шариков, мм.
Его
можно вычислить как среднее значение суммы наружного и внутреннего диаметров подшипника:
Тогда,
исходя из отношения
, используя линейную интерполяцию, по табл. 2.7. [7]
получим значение коэффициента fc=58,6.
Динамическую
радиальную грузоподъёмность определяем по формуле:
, где
fc - коэффициент, зависящий от геометрии деталей
подшипников, точности их изготовления и материала.
Тогда
:
Сравниваем
вычисленные значения статической и динамической радиальной грузоподъёмности:
,
которые
не превышают расчётных.
Т.к.
осевая нагрузка на подшипники отсутствует, то принимаем:
-
эквивалентная динамическая радиальная нагрузка, где
КБ - динамический коэффициент безопасности, учитывающий
влияние условий работы узла на долговечность подшипника;
КТ - коэффициент, учитывающий влияние температурного
режима работы узла на долговечность подшипника.
Примем:
.
Тогда
:
Долговечность
подшипников определяем по формуле:
, где
Lh -долговечность подшипников;
C - из справочника;
n -
частота вращения вала;
P - эквивалентная динамическая радиальная нагрузка.
Тогда:
Таким
образом, с вероятностью Pв=0,9 соответствующей уровню 90% -процентной надёжности
можно утверждать, что долговечность выбранных подшипников составляет 15174
часов. Фонд рабочего времени в часах при сорокачасовой рабочей неделе
составляет приближённо Ф2≈2000 ч. При двухсменном
режиме работы с коэффициентом использования Кu=0,7 годовой
фонд работы станка в часах составит:
.
Долговечность подшипников в календарных годах:
что вполне достаточно.
3.4.6 Расчёт тягового
усилия привода продольной подачи
Для расчета тягового усилия Q привода продольной подачи станка приведем расчетную схему (рис. 16). На
этой схеме представлены все действующие силы: составляющие сил резания, масса
узла, тяговая сила, реакции на рабочих гранях направляющих и соответствующих
сил трения.
Рис.
3.9. Схема действующих сил.
Где a = 30°, b = 60°;
G =570
Н (вес суппорта с револьверной головкой);
Рz = 4245 Н; Рy = 1692 Н; Рx = 2365 Н - составляющие силы
резания;
Q -
тяговое усилие привода продольной подачи;
А, В, С, fA - реакции на
рабочих гранях направляющих и соответствующих сил трения.
Н - высота центра станка (Н = 220 мм);
Во - расстояние между направляющими (В = 420 мм);
a, b, c - размеры направляющих (a = 50, b =
30, c =50);
zQ = 230 мм (расстояние от поверхности направляющих до оси ходового винта);
f -
коэффициент трения скольжения (f =
0,15);
Принимаем систему координат и по расчетной схеме составляем уравнения
равновесия подвижного узла:
SХ = 0 ; Рх + f(А +
В + С) - Q = 0;
SY = 0
; - Ру + В = 0;
SZ = 0
; - Рz - G + A + C = 0;
SМх = 0; Ру(Н + b/2) - Gd - Рz yp + CBo= 0;
Из этих четырех уравнений можно определить тяговое усилие Q.
Ру = В;
Q = Рх
+ f(А + В + С);
;
;
Подставив
значения получим: В = 396 Н;
(Н);
(Н);
Тогда
тяговое усилие равно:
(Н).
По
этому тяговому усилию будем рассчитывать передачу винт - гайка качения привода
продольной подачи станка.
3.4.7 Выбор электродвигателя и
определение мощности привода продольных подач
Мощность электродвигателей приводов подач определяется по формуле:
Ррасч = Мрасч × wрасч Вт,
где Мрасч-расчетный момент нагрузки на валу электродвигателя;
wрасч-расчетная
частота вращения вала электродвигателя.
Момент на валу двигателя затрачивается на преодоление силы трения между
столом и направляющими, а также на преодоление радиальной составляющей силу
резания Ру. Он определяется по формуле:
Мрасч
=
Нм, где
F-осевая сила, развиваемая гайкой винтовой пары;
h=0,92-КПД шариковой винтовой пары;=0,05 м-диаметр ходового винта.= N × f = ((mст + mзаг)
× g + P) × f (Н), гдест-масса стола;заг=40
кг-максимальная масса заготовки;=9,8 м/с2-ускорение свободного
падения;=0,1-коэффициент трения;
Р - усилие от сил резания; максимальное усилие (при фрезеровании
торцовыми фрезами) принимаем по результатам расчета технологической части;
Р = Рh + Рv;
Ррез подачи = Рh = (0,2-0,3) × РZ
= 0,3×2500 = 750 H
Ррез.отж. = Рy = (0,3-0,4) × РZ
= 0,4×4245 = 1698 H
P =
750+1698 = 1750 H
Масса стола определяется его объемом и плотностью материала, из которого
он изготовлен:ст = (0,8 × 0,4 × 0,15) × 7800 =
374 кг= ((374 + 40) × 9,8 + 2448) × 0,1 = 809 Н
Мрасч
=
Расчетная
частота вращения вала электродвигателя определяется максимальной скоростью
перемещения стола V и шагом ходового винта t.
1/c
Расчетная мощность электродвигателя:
Ррасч = 22 × 95,5 = 2101 Вт
Учитывая расчетную мощность, достоинства высокомоментных низкооборотных
электродвигателей выбираем для приводов подач электродвигатели ПБВ132М
мощностью 2,2 кВт.
3.4.8 Расчёт передачи винт-гайка
качения привода продольной подачи
Критериями работоспособности передач винт-гайка
качения являются:
· прочность поверхностных слоев контактирующих тел при действии
статической нагрузки;
· долговечность(по выносливости) поверхностных слоев при
действии переменной нагрузки;
· осевая жесткость;
· КПД;
· устойчивость винта (в случае работы на продольный изгиб);
· динамическая устойчивость винта при высокой частоте вращения
(отсутствие резонанса).
Расчеты по указанным критериям позволяют проверить правильность выбора
размеров передачи, назначить величину предварительного натяга, определить
потери на трение.
-
тяговое усилие привода продольной подачи;
-
диаметр винта;
- шаг
ходового винта;
- длина
ходового винта.
Рис.
2.10. Параметры передачи винт-гайка качения.
Для
этих значений
выбираем параметры ШВП:
1. Число рабочих шариков в 1 витке равно:
Число
рабочих шариков в гайке, имеющей 3 витка:
.
.
Твёрдость рабочей поверхности резьбы HRCэ 60/
)
Допустимая статическая нагрузка на 1 шарик определяется:
)
Допустимая статическая нагрузка
на винт
при отсутствии натяга:
,где
-
расчётное число шариков в гайке,
;
- угол
наклона винтовой линии,
.
.
Коэффициент долговечности К:
, где
-
коэффициент переменности нагрузки,
;
-
расчётный срок службы передачи в часах (обычно принимают
);
-
расчетная частота вращения в минуту винта (или гайки),
;
- число
циклов нагружения за один оборот винта (или гайки),
.
Здесь
- число рабочих шариков в одном витке гайки.
4.
Допускаемая нагрузка на 1 шарик Pдоп. при долговечности
:
5.
Допустимая нагрузка
на винт при отсутствии натяга при долговечности
:
6.
Определение КПД передачи
при отсутствии натяга:
, где
- шаг
винта;
- угол
подъёма винтовой линии резьбы винта;
-
приведённый угол трения.
, где
-
коэффициент трения качения в см,
;
- радиус
шарика в см,
.
.
Максимальная допустимая сила натяга
:
.
8.
Минимальная допустимая сила натяга
:
Дальнейшие
расчёты будем вести для двух значений величины натяга:
и
.
.
Допустимая нагрузка
на винт при натяге:
а)
При
:
;
б)
При
:
.
10.
Относительное осевое перемещение
двух
гаек, необходимое для создания натяга:
а)
При
:
;
б)
При
:
.
11.
Необходимое увеличение диаметра
шариков
для создания натяга:
а)
При
:
б)
При
:
12.
Осевое перемещение
гайки относительно винта в результате контактной
деформации при нагрузке
:
а)
При
:
б)
При
:
Т.к.
при этом нагрузки существенно меньше, чем предельно-допустимая, необходимо
уменьшить величину
. Согласно формуле 19(стр.23,(12)):
13.
Деформация растяжения (или сжатия) винта
:
- модуль
продольной упругости материала контактирующих тел,
;
-
наибольшая рабочая длина винта,
.
.
КПД передачи
при наличии натяга и нагрузки
:
, где
- сила,
действующая на шарики 1-ой гайки;
- сила,
действующая на шарики 2-ой гайки.
При
действии осевой нагрузки
шарики одной гайки дополнительно нагружаются, а
шарики другой - разгружаются, т.е.
По
графику на рис. 10.(стр.21,(12)) определяем значения:
;
;
;
.
а)
Определим
при
:
Следовательно,
при
будет
равно
.
б)
Определим
при
:
Следовательно,
при
будет
равно
.
.
Наименьшая нагрузка
, начиная с которой передача перестанет быть
самотормозящейся.
а)
При
:
;
б)
При
:
.
.
Момент холостого хода
определяется по формуле:
а)
При
:
б)
При
:
Выбираем
величину силы натяга в пределах
, исходя
из следующих соображений:
при
податливость соединения винт-гайка примерно в 2 раза
меньше, чем при
(соответственно
при
нагрузке
). Однако уменьшение податливости передачи с учётом
деформации винта составляет всего 36% (соответственно
и
), если
учесть податливость опор винта, то выигрыш окажется ещё меньше.
С
другой стороны, при
КПД передачи снижается до 0,93 против 0,94 при
(при нагрузке
), а
момент холостого хода повышается в 2 раза. Целесообразно поэтому назначить
величину
близкую к минимальной (т.е. к 130,5Н),
увеличив её в целях компенсации погрешностей изготовления и регулировки в 1,3-1,5
раза.
Выбираем
величину натяга
. Разноразмерность шариков не должна превышать 1-2 мкм,
а шероховатость поверхности резьбы не ниже 0,8мкм.
3.4.9 Выбор двигателя и определение
мощности привода вращения осевого инструмента револьверной головки
Минимальные обороты двигателя назначаем при фрезеровании заготовки из
высокопрочной стали 43Х3СНМВФА
Глубина фрезерования t = 10
мм.
Примем подачу на зуб Sz = 0.12 мм, при диаметре фрезы 20 мм.
Скорость резания:
V=
, м/мин
где V - скорость резания;
CV, q, m, x, y, u, p определяем по
табл. 39 (4, 358);
Т - период стойкости, мин;
t -
глубина резания, мм;
KV - общий поправочный коэффициент;
Sz - подача на зуб, мм;
B -
ширина фрезерования, мм;
z -
число зубьев фрезы.
KV = KMV´ KПV´ KИV, где KMV-коэффициент, учитывающий качество обрабатываемого материала,
KПV-коэффициент, учитывающий состояние
поверхности заготовки,
KИV - коэффициент, учитывающий материал
инструмента.
Тогда CV = 108, q = 0.3, m =
0.26, x = 0.3, y = 0.25, u = 0,
p = 0,
Т = 80 мин, t = 3,0 мм, В = 4
мм, z = 2, KMV = 0.95,KПV = 0.9,KИV = 1.0.
KV = 0,95´0,9´1,0 = 0,855 .
V =
= 9.149 м/мин.
np = V/(p´d)
=87.149/(p´0.076) = 1284.45 мин-1
Определим
силу резания
Рz=
, Н
Рz=
Н
Мощность резания
Nе=
, кВт
Nе=
кВт
Для подсчета максимальных оборотов двигателя осевого инструмент выбираем
материал заготовки Д16Т - алюминиевые сплавы.
Диаметр
сверла
Подачу
S назначаем по таблице 26 (4, стр. 277): S =
0,15 мм/об. Скорость резания рассчитывается по эмпирической формуле:
где
Стойкость сверла: Т = 30 мин;
= 7,0; m =
0,20; y = 0,7; q = 0,4,
;
Скорость
резания:
Тогда
частота вращения шпинделя:
.
Проектируем
привод вращения осевого инструмента для получения следующих характеристик:
максимальные обороты двигателя nmax = 3000 об/мин
минимальные обороты двигателя nmin = 1284 об/мин
Выбираем трехфазный асинхронный двигатель фирмы 1РH7103-F-0 «Siеmens»:
номинальная мощность 4 кВт;
достигаемая частота вращения при номинальной мощности n=3750 мин-1;
Мд=70 Н*м.
4. Исследовательская часть
Целью исследовательской части является разработка исходных данных на
проектирование гибкого резцедержателя применительно к адаптивной системе
управления модернизируемого станка.
4.1 Исследование жесткости токарных
станков с ЧПУ
Жесткость станков является одной из характеристик качества, так как
наряду с геометрической и кинематической точностью обуславливает точность
обработанных деталей.
Учитывая, что значительная номенклатура деталей изготавливается из
труднообрабатываемых материалов, в связи, с чем удельный вес погрешностей
обработки, вызываемых недостаточной жесткостью в балансе точности станка
возрастает.
Определение показателя жесткости является также актуальной задачей при
входном контроле вновь приобретаемого металлорежущего оборудования и для оценки
качества станков после ремонта и модернизации.
Узлы работающего станка подвергаются воздействию сил резания, трения,
инерции; сил, вызываемых весом обрабатываемых заготовок и технологической
оснастки; сил, возникающих при закреплении заготовок. Под действием этих сил
возникают упругие деформации деталей, входящих в узел, и деформации стыков.
Соответственно различают собственную и контактную жесткость. Узлы станка,
несущие заготовку и инструмент, являются основными узлами, определяющими их
взаимное расположение в процессе обработки под действием вышеуказанных сил, и
определяют точность обработанных деталей. Поэтому жесткость основных узлов
определяет жесткость станка в целом. Для станков токарной группы с ЧПУ ГОСТ
17-70 устанавливает в качестве показателя жесткости относительное перемещение
под нагрузкой закрепленной на шпинделе оправки относительно револьверной
головки. При статическом методе испытания на жёсткость нагрузки, действующие на
оправку в шпинделе и револьверную головку, имитируются приближенно, так как при
этом не создаётся крутящий момент и осевая составляющая силы резания.
Нагружение системы силой Р производится в плоскости, перпендикулярной оси
вращения шпинделя, под углом 60° к направлению поперечной подачи.
Метод определения жёсткости: при испытаниях токарных станков на
жесткость производят искусственное нагружение, имитирующее результирующую
составляющих сил резания Pz , Py, Px. Статическое нагружение создают специальным устройством, конструкция
и техническая характеристика которого должна соответствовать типу и размеру
станка.
Относительные перемещения измеряют индикатором часового типа (МИГ) с
ценой деления 1мкм и диапазоном измерения, превышающим в 1.5-2 раза предельно
допустимое значение этих перемещений.
Порядок проведения испытания на жёсткость: на шпинделе станка (см. рис. 2.1)
жестко закрепляют оправку, основные размеры которой даны в табл. 2.1. При
проверке в отверстии головки закрепляют устройства для создания нагружающих сил
Р1 и Р2. Для измерения сил используют рабочие динамометры.
Рис.
4.1. Схемы испытания
Перед
каждым испытанием револьверной головке сообщают перемещение с последующей
установкой (движением к шпинделю) в заданное положение, а шпинделю - поворот.
При проверке револьверную головку закрепляют.
Между
оправкой, закрепленной на шпинделе, и револьверной головкой создаются плавно
возрастающие силы Р1 и Р2, направление которых проходит через ось оправки и
составляет в первом случае угол 60° с направлением поперечной подачи и во
втором случае - угол a=30° между направлением поперечной подачи и проекцией
силы Р2 на горизонтальную плоскость и угол b=60° между
этой проекцией и самой нагружающей силой.
Одновременно с нагружением измеряются перемещения в направлении
поперечной подачи оправки, закрепленной на шпинделе, относительно револьверной
головки. Индикаторное устройство закрепляют на револьверной головке. При этом
измерительный наконечник индикатора устанавливают так, чтобы он касался боковой
образующей пояска оправки, а его ось была бы горизонтальна и перпендикулярна к
оси оправки.
За величину относительных перемещений принимают среднее арифметическое
результатов двух измерений.
Проверку револьверной головки производят не менее чем в двух ее позициях.
Параметры расположения узлов при испытании токарных станков на жесткость
указаны в таблице 4.3. Значения сил Р1 и Р2 указаны в таблице 4 для станков с
различными диаметрами обрабатываемой заготовки.
Согласно паспортным данным принятого типоразмера станка токарной группы,
в частности станка модели 16К20Т1 жесткость передней бабки составляет 3кН/мм,
задней бабки 1,5 кН/мм и суппорта 1,5 кН/мм.
4.2 Расчеты по проектированию
конструкции гибкого резцедержателя
В основе составления математической модели лежит динамический баланс
упругих перемещений и сил, возникающих в зоне резания, и упругие перемещения и
силы противодействия, предусмотренные в конструкции оправки.
,
где
кН/мм,
кН/мм ,
кН/мм,
(
,
мм,
мм,
МПа)
Н/мм
кН/мм.
кН/мм
мм
где
кН/мм,
кН/мм,
,
(
,
,
,
МПа)
мм
где
,
,
,
,
где
,
(
,
,
,
,
)
Вариант
без
,
где
,
,
.
где
,
,
Сердечник выполняем изстали ХВГ.
Назначаем:
диаметр сердечника
мм.
С
целью слежения за упругими деформациями устанавливаем два датчика ТД 50-450 МА.
5. Организационно - экономическая
часть
5.1 Технико-экономическая
эффективность внедрения нового технологического оборудования
Одним из главных показателей экономичности оборудования или
технологического процесса является себестоимость выпускаемой продукции.
Себестоимость продукции включает затраты на основные материалы,
заработную плату, электроэнергию, вспомогательные материалы (для
технологических целей), ремонт оборудования и амортизационные отчисления.
Эти составляющие себестоимости непосредственно зависят от основных
технических характеристик станка, улучшение которых приводит к уменьшению
себестоимости продукции. Кроме того себестоимость продукции включает также
цеховые и общезаводские расходы, содержащие затраты на содержание цехового и
общезаводского персонала, зданий и сооружений и др.
Одним из основных методов уменьшения себестоимости продукции является
повышение производительности станка и изменение технологического процесса.
Оснащение станка устройством автоматической смены режущего инструмента
сокращает tВ - вспомогательное время, затрачиваемое на установку и
смену режущего инструмента.
Так как расчет технико-экономической эффективности для нескольких деталей
затруднителен, то принимаем типовую деталь, обрабатываемую на данном
оборудовании с годовой программой выпуска N=50 шт.
5.2 Расчёт оптовой цены токарно -
винторезного станка с ЧПУ
На стадии проектирования установлены следующие исходные данные нового
станка:
Чистая масса станка - 3800 кг
Чистая масса без покупных изделий - 3665 кг.
Количество оригинальных деталей - 560 шт.
Количество всех деталей в станке - 1020 шт.
Количество литых деталей - 88 шт.
Чистая масса литых деталей - 2303 кг.
Чистая масса деталей из сортового проката - 1250 кг.
Цена покупных изделий, подсчитанная по известной номенклатуре и
соответствующим прейскурантам - 22770 руб.
5.2.1 Расчёт затрат на основные
материалы
На основании исходных данных известны:
Чистая масса чугунного литья - 2303 кг.
Чистая масса деталей из сортового проката - 1250 кг.
Согласно табл.2 определяем потребное количество этих видов материала на
один станок или норму расхода:
кг. или
2,8 т.
кг. или
2,2 т.
Согласно соответствующим прейскурантам средняя оптовая цена одной тонны
литейного чугуна равна 13000 руб., а тонны стали сортовой конструкционной
(сортового проката) - 21000 руб.
руб.
руб.
Цена
остальных материалов составляет 10-15% от цены чугунного литья и сортового
проката, т.е.
руб.
Реализуемые
отходы на данной стадии определения цены нового станка учитывать не будем
5.2.2 Расчёт трудоёмкости, основной и
дополнительной заработной платы с отчислениями на социальное страхование
Определяем трудоёмкость изготовления станка:
ч.
ч.
ч.
ч.
Общая трудоёмкость изготовления станка составит:
ч.
Основная
заработная плата:
руб.
Основная
и дополнительная заработная плата с начислениями на социальное страхование
руб.
5.2.3 Расчёт себестоимости и оптовой
цены проектируемого токарно-винторезного станка
Определяем оптовую цену станка:
руб.
5.2.4 Расчёт экономического эффекта
токарно-винторезного станка с ЧПУ
|
Наименование данных
|
Единица измерения
|
Обозначение
|
Базовый вариант
|
Новый вариант
|
|
Штучное время
|
мин.
|
15,8411,31
|
|
|
Принятый коэффициент загрузки -
0,8
Коэффициент приведения затрат базисного варианта к
годовому объёму производства деталей -
Годовое количество обрабатываемых деталей
шт.
|
|
|
|
|
|
Габариты станка (длина х
ширина)
|
м.
|
-
|
3,3х2,2
|
3,3х2,2
|
Площадь станка по габаритам
S
,26
Установленная мощность всех электродвигателей кВт.
Категории ремонтной сложности механической части
электрической части ремонтной сложности
|
16
|
|
|
|
|
Разряд работы: станочника
наладчика
|
- -
|
- -
|
5 5
|
5 5
|
Количество станков, обслуживаемых в одну смену:
станочником наладчиком шт. шт.
|
2
|
|
|
|
|
Срок службы
|
год.
|
T
|
12
|
12
|
|
Оптовая цена станка
|
руб.
|
48765305158032
|
|
|
Капитальные вложения потребителя:
а) оборудование
руб.
руб. -
новый вариант
руб. -
базовый вариант
б)
здания
руб.
руб.
в)
всего
руб.
руб.
Себестоимость
обработки годового объёма деталей:
а)
заработная плата производственных рабочих
руб. -
годовой норматив зарплаты станочника;
руб. -
годовой норматив зарплаты наладчика;
руб.
руб.
руб.
б)
силовая электроэнергия
-
норматив годовых затрат на силовую электроэнергию
руб.
руб.
руб.
в)
ремонт и техническое обслуживание
руб.
руб.
- т.к.
станок является повышенной точности (класс П)
руб.
руб.
г) амортизационные отчисления на реновацию станка
руб.
руб.
д)
годовые затраты на содержание и амортизацию здания цеха, занимаемого
оборудованием
руб.
руб.
ИТОГО:
руб.;
руб.
е)
определение годового экономического эффекта
руб.
Вывод: модернизация станка и принятие нового технологического процесса
позволяет получить при программе N=100 деталей в год экономический эффект
216342 рубля.
6. Промышленная экология и
безопасность
6.1 Обеспечение безопасности труда
при эксплуатации токарно-винторезного станка с ЧПУ модели 16К20Т1
6.1.1 Характеристика опасных и
вредных производственных факторов
Технологический процесс с использованием станка, осуществляется в
условиях механического цеха с железобетонным полом. В цехе имеется водяное
отопление, цеховая магистраль сжатого воздуха, осветительные и вентиляционные
установки.
В процессе трудовой деятельности оператор осуществляет процесс обработки
детали с помощью ЧПУ. При этом он производит ввод, отладку и корректировку
программы, управляет электро- и гидроагрегатами, включает и выключает станок,
осуществляет контроль за ходом технологической операции. Наладка и переналадка
станка осуществляется наладчиком.
В процессе эксплуатации станка на рабочего действует ряд источников
опасных и вредных факторов. Опасные и вредные производственные факторы
подразделяются по природе воздействия на группы (по ГОСТ 12.0.003-74):
. Физические опасные и вредные производственные факторы, такие как:
движущиеся части станка, вылетающая стружка и острые кромки детали;
повышенная запыленность и загазованность воздуха рабочей зоны;
повышенная температура поверхности заготовки и инструмента;
повышенный уровень шума на рабочем месте;
повышенный уровень вибрации;
опасный уровень напряжения в электрической цепи;
недостаточная освещенность рабочей зоны;
. Химические опасные и вредные производственные факторы.
. Биологические опасные и вредные производственные факторы.
. Психофизиологические опасные и вредные факторы :
физические перегрузки (установка заготовок на станок и снятие готовых
деталей со станка);
нервно-психические перегрузки, вызванные монотонностью труда;
Оценка механически опасных факторов.
К опасным механическим факторам относятся движущиеся элементы конструкции
станка (револьверная головка, пиноль), суппорт с установленным в нем режущим
инструментом, вылетающие в процессе резания стружка и осколки режущего инструмента.
Основными опасными механическими факторами, возникающими в процессе
токарной обработки детали, являются:
стружка «стальной вьюн», имеющая острые края и повышенную температуру;
вращающийся шпиндель с патроном и закрепленной заготовкой;
острые кромки заготовки, острие резца;
движущиеся элементы конструкции станка, требующие ограждения (шкивы и
ременные передачи, ходовой винт и вал, распределяющие движение в суппорте);
падающая заготовка.
Для безопасной эксплуатации станка и защиты обслуживающего персонала
предусмотрены защитные устройства, предназначенные для ограждения движущихся
механизмов, исключая возможность допуска к ним. Зона резания имеет защитное
устройство, включающее в себя щиток со смотровым окном из прочного стекла,
защищающего человека от вылета стружки брызг СОЖ и масел. Узлы и механизмы
станка, представляющие опасность, окрашены в различные цвета,
регламентированные ГОСТ 15548-70. Оценка безопасности при выделениях газов и
паров. Наиболее интенсивными источниками выделения вредных примесей
являются технологические операции.
Значения предельно допустимых концентраций вредных примесей в воздухе
рабочей зоны приводятся в ГОСТ 12.1.005-88 «Воздух рабочей зоны. Общие
санитарно-гигиенические требования» и СниП 2.04.05-86 «Отопление, вентиляция и
кондиционирование».
Процесс охлаждения зоны резания с помощью подачи СОЖ является источником
выделения в воздух аэрозолей и паров воды. СОЖ является также источником
микроорганизмов, представляющих биологическую опасность.
По технологическим и гигиеническим соображениям в качестве СОЖ
принимается эмульсия «Аквол-2», представляющая собой 3% водный раствор
эмульсола, состоящего из минерального масла ПАВ, мыла. Противозадирные и
противоизносные прокладки, содержащие серу и соду, фосфор и хлор, не используются,
что ликвидирует токсичность СОЖ.
Подача СОЖ в зону резания осуществляется с помощью сопла
гидродинамическим способом. Такая подача уменьшает выделения аэрозолей СОЖ. По
практическим и справочным данным интенсивность выделения аэрозолей эмульсола
для данной группы и мощности станков не превышает 100 мг/ч. Таким образом,
нормализация воздуха рабочей зоны может обеспечиваться общеобменной
вентиляцией.
Процесс обработки металла связан с выделением пыли. Нетоксичная пыль
обычно оказывает раздражающее воздействие на слизистые оболочки человека, а при
попадании в легкие-специфические заболевания. Для устранения этого опасного
фактора используется вытяжная вентиляция.
Оценка вибробезопасности.
Источником вибраций является работа электродвигателей, зубчатых передач,
а также сам процесс резания.
Нормы вибрации приведены в ГОСТ 12.1.012-90 «Вибрационная безопасность.
Общие требования безопасности».
Повышенный уровень вибрации оказывает вредное воздействие на нервную
эндокринную, мышечную, костно-мышечную, сердечно-сосудистую системы. При
некоторых частотах страдают внутренние органы, возникают спазмы сосудов,
появляется вибрационная болезнь.
Защита от вибрации осуществляется путем демпфирования, т.е. установкой
станка на специальные виброопоры. Снижение вибрации достигается также ха счет
увеличения жесткости системы СПИД.
Оценка источников шума, ультразвука и инфразвука.
Шум неблагоприятно воздействует на организм человека, вызывает
психические и физиологические нарушения, снижающие работоспособность и
создающие предпосылки для общих и профессиональных заболеваний и
производственного травматизма.
Процесс резания, работа электродвигателей, механизмов и систем станка
сопровождается возникновением акустических колебаний на ультразвуковых и
инфразвуковых частотах. При обработке и контроле качества изготовляемой детали
ультразвуковые установки не используются.
Все источники шума можно сгруппировать в конструкторские и
технологические. Конструкторские источники шума действуют при работе станка на
холостых режимах. К ним относятся электродвигатели, подшипники качения,
зубчатые передачи и неуравновешенные вращающиеся части. Технологические
источники связаны с самим процессом резания. На уровень технологического шума
оказывают влияние режим резания, конструктивные особенности и степень износа
режущего инструмента. Допустимые уровни звуковой мощности приведены в табл.1.
Табл.6.1.
|
Уровень Звука
|
Среднегеометрическая
частота, кГц.
|
|
6
|
9
|
12
|
18
|
24
|
36
|
48
|
72
|
96
|
|
Фактич.
|
101
|
89
|
86
|
80
|
77
|
73
|
70
|
70
|
68
|
|
Допуст.
|
107
|
95
|
87
|
82
|
78
|
75
|
73
|
71
|
69
|
Октавные уровни звукового давления и уровни на рабочем месте оператора
при работе станка под нагрузкой не должны превышать значений, указанных в ГОСТ
12.1.003 - 88.
Выбор соответствующего класса точности изготовления деталей станка и
балансировка вращающихся деталей, централизованная циркуляционная система
смазки позволяют улучшить шумовые характеристики станка.
Обеспечение электробезопасности.
Производственное помещение (механический цех), в котором эксплуатируется
модернизированный станок и осуществляется усовершенствованный технологический
процесс, характеризуется наличием токоведущих полов и возможностью
одновременного касания металлических конструкций, соединенных с землей, и
элементов электрооборудования, находящихся под напряжением. В соответствии с
ПУЭ механический цех с такими условиями относится к помещениям особо опасным по
поражению электрическим током. Следовательно, элементы оборудования, нормально
не находящиеся под напряжением, должны заземляться или зануляться при
номинальном напряжении от 220 В переменного тока и от 110 В постоянного тока в
соответствии с ГОСТ 12.1.030 - 81 «ССБТ. Электробезопасность. Защитное
заземление, зануление».
Электрифицированным оборудованием, кроме металлообрабатывающих станков,
являются грузоподъемные устройства, осветительная установка общего освещения,
вентиляционные установки общеобменной вентиляции.
Станок имеет ряд электроприемников различных напряжений и родов тока.
Привод главного движения осуществляется от асинхронного электродвигателя с
короткозамкнутым ротором 1РН7 131. На приводах продольных и поперечных подач
используются высокомоментные двигатели. Имеются электроприемники низкого
напряжения: светильники местного освещения (аппаратура управления и
сигнализации, система ЧПУ). В электрооборудование станка входит электрошкаф.
Светильники общего освещения питаются переменным током напряжением 220 В.
Питание электроприемников осуществляется от трехфазной четырехпроводной
сети с глухозаземленной нейтралью напряжением 380/220 В непосредственно через
понизительные трансформаторы и выпрямители.
Защита станочника от поражения электротоком соответствует ГОСТ
12.1.019-84 «Электробезопасность. Общие требования и номенклатура видов
защиты».
В станке 16К20Т1 осуществляется недоступность токоведущих частей их
надежной изоляцией и размещением в недоступных местах.
Электроустановки ограждены. Обеспечивается изоляция рабочего места.
Электрошкафы имеют исполнение по степени защиты по ГОСТ 14254-80.
По ГОСТ 12.1.038-82 допустимые уровни напряжений прикосновения и токов
при аварийном режиме производственных установок напряжением до 1000 В приведены
в табл.2.
Табл.6.2.
|
Номин.велич.
|
Пред. допустимые значения
при t, °C.
|
|
<0,1
|
0,1
|
0,2
|
0,3
|
0,4
|
0,5
|
0,6
|
0,7
|
0,8
|
0,9
|
1
|
>1
|
|
U,В
|
550
|
340
|
160
|
135
|
120
|
105
|
95
|
85
|
75
|
70
|
60
|
20
|
|
I,А
|
650
|
400
|
190
|
166
|
140
|
125
|
105
|
90
|
75
|
70
|
50
|
6
|
6.1.2 Расчет заземления
Для проведения расчета воспользуемся программой автоматического расчета.
Расчет заземления сводится к определению длины горизонтального
заземлителя (обвязка) и числа вертикальных заземлителей (стержней) при заданных
условиях.
Длина вертикального заземлителя (L) должна быть не менее 1,5 метра.
Если грунт не однородный заземлитель должен «прошивать» верхний слой
полностью.
Диаметр вертикального заземлителя (d) должен быть не менее 12 мм.
Заглубление вертикального заземлителя (t) должно быть не более 0,8 метра.
Сечение соединительной полосы должно быть не менее 48 мм2 , толщина - не
менее 4 мм; минимальный диаметр прутка-10 мм, минимальная толщина стенки уголка
- 4 мм, минимальная толщина стенки трубы - 3,5 мм.
Вывод результатов расчета:
Рис. 6.1. Исходные параметры для расчёта заземления.
Рис. 6.2. Схема устройства заземлителя
Рис.6.3.
Результаты расчёта
Произведён расчёт устройства заземлителя, который обеспечит
электробезопасность при длительной эксплуатации проектируемого
токарно-винторезного станка с ЧПУ.
Оценка пожаро- и взрывобезопасности.
Горючими компонентами при холодной обработке металлов резанием являются
промасленная ветошь, полимерная изоляция силовых и осветительных кабелей,
минеральные масла в период их замены в станции смазки и гидростанции.
Источниками зажигания может быть электрическая искра, электрическая дуга
при коротком замыкании в электроустановках, нагретая стружка. Электроустановки
являются не только источниками зажигания, но и источниками распространения
горения и горючими компонентами.
Основными причинами пожаров при холодной обработке металлов резанием
являются короткие замыкания в электрооборудовании и проводке, самовозгорание
промасленной ветоши и одежды, нарушение противопожарного режима и правил
обращения с горючими жидкостями.
При возникновении пожара на работающих могут воздействовать первичные и
вторичные опасные факторы пожара (ОФП): пламя и искры, повышенная температура
окружающей среды, токсичные продукты горения и термического разложения, дым,
пониженная концентрация кислорода, электрический ток, возникающий в результате
выноса высокого напряжения на токоведущие части конструкций, огнетушащие
вещества.
Пожарная безопасность обеспечивается системой предотвращения пожара,
противопожарной защитой и организационно-техническими мероприятиями в
соответствии с ГОСТ 12.1.004 - 91 «ССБТ. Пожарная безопасность. Общие
требования» и Типовыми правилами пожарной безопасности.
Средствами пожарной защиты являются огнетушители, установленные в
определенном месте цеха.
Оценка условий зрительной работы.
Для нормальной работы персонала необходима правильная организация
освещения. Нормальное освещение способствует тому, что человек длительное время
сохраняет способность устойчивой работы без утомления, так как от освещенности
зависит скорость, с которой глаз различает предметы.
Работа на станке связана с напряжением зрения во время контроля установки
изделия и режущего инструмента, промера детали, а также при контроле работы
системы ЧПУ.
Условия работы требуют не только достаточной освещенности, но и
рационального направления света, отсутствие резких теней и бликов, вызывающих
слепящее действие и снижающих работоспособность.
Для освещения производственного помещения используются открытые
светильники типа ОД (открытые, дневные). Станок имеет встроенный местный
светильник, имеющий лампу накаливания. Светильник обеспечивает направленность
светового потока для освещения зоны резания и контроля качества обработки
поверхностей (60°) и необходимую освещенность. Зона резания освещается слева и
сверху, что исключает направление света в глаза.
Контроль освещенности на рабочем месте производится в соответствии с ГОСТ
24940, чистка светильников местного освещения - ежедневно, чистка светильников
общего освещения - 4 раза в год.
Правильно спроектированное и выполненное освещение обеспечивает возможность
нормальной производительной деятельности, способствует росту производительности
труда и улучшению качества выпускаемой продукции.
Нормирование значения коэффициента естественной освещенности на рабочих
поверхностях при естественном и совмещенном освещении по СНиП-11-4-79 в табл.3.
Табл. 6.3.
|
Характер зрительной работы
|
Разряд зрит работы
|
искусственное
|
естественное
|
совмещенное
|
|
|
освещ., лк
|
КЕО,%
|
КЕО,%
|
|
|
комб.
|
общее
|
верхнее
|
боковое
|
верхнее
|
боковое
|
|
Высоко- точн.
|
2
|
1000
|
300
|
5
|
2
|
2-3
|
0,7-1,2
|
Оценка психофизиологических и эргономических факторов.
Психофизиологические опасные и вредные производственные факторы согласно
ССБТ делятся: физические перегрузки (статические, динамические) и
нервно-психические перегрузки (умственное перенапряжение, перенапряжение
зрительных анализаторов, монотония, эмоциональные перегрузки).
Станок с ЧПУ обслуживают оператор и наладчик. Наладку и переналадку
осуществляет наладчик, а подналадку, оперативную работу и контроль за работой -
оператор.
Функции оператора при эксплуатации станка сводятся к установке,
закреплению и выверке приспособления и инструмента на станке, установке
программоносителя и заготовок, замене инструмента, снятию деталей и наблюдению
за ходом работы станка.
Работа оператора связана с рабочей позой стоя, непостоянной ходьбой и
сопровождается временным незначительным физическим напряжением и
энергозатратами в пределах 121 - 150 ккал/ч (140 - 150 Вт). В соответствии с
ГОСТ 12.1.005 - 88 она относится к легкой физической работе. Основные
требования к рабочему месту при выполнении работы стоя приведены в ГОСТ
12.2.033-78 «ССБТ. Рабочее место при выполнении работы стоя. Общие
эргономические требования».
При работе оператора отсутствуют статические нагрузки, связанные с
удержанием грузов. В связи с работой в позе стоя и недостаточной ходьбой на
оператора действует гиподинамия и повышенная нагрузка на ноги. Для профилактики
предусмотрены производственная гимнастика, изменение рабочей позы в процессе
работы, общие меры по снижению утомляемости и монотонности труда.
По напряженности труда работа оператора характеризуется повышенной
ответственностью за технологический процесс и повышенной нервно-эмоциональной
нагрузкой при установке, закреплению, выверке приспособлений и установке
программоносителя. Режим труда станочника физиологически обоснован. Работа
осуществляется в две смены. Ночная смена исключается. Продолжительность
рабочего дня составляет 8 часов. Кроме обеденного перерыва продолжительностью
один час в первой и во второй половине дня предусматриваются двадцатиминутные
перерывы на отдых и физиологические потребности.
6.2 Экологическая безопасность при
эксплуатации станка
Обеспечение защиты окружающей среды от металлических отходов
и СОЖ
Технологические операции, выполняемые на станке (токарные), связаны с
источниками загрязнения водного бассейна нефтепродуктами и отработанной СОЖ,
возникновением металлических отходов, промасленной ветоши, производственного
мусора и других твердых отходов, представляющих опасность для территорий.
Интенсивность выделения аэрозолей СОЖ и других вредных примесей в удаляемом
воздухе незначительна, поэтому концентрация вредных веществ в вентиляционных
выбросах не превышает ПДК. В связи с этим мероприятия по очистке
вентиляционного воздуха не требуются. Шумовое воздействие станка на окружающую
среду предотвращается стенами цеха, обеспечивающими достаточную звукоизоляцию
источников шума от внешней среды. При отработке срока службы станка основные
его элементы конструкции становятся металлоломом. Его утилизация связана с
наличием ртутных выпрямителей. Все материалы конструкции могут утилизироваться.
Основными производственными отходами при технологическом процессе с
использованием модернизированного станка являются металлическая стружка и
отработанная СОЖ. Основным способом защиты окружающей среды от этих
производственных остатков является их переработка и утилизация, в результате
чего производство становится малоотходным, при котором его воздействие на
окружающую среду по отдельным факторам не превышает значений, установленных НТД
по охране природы.
Стружка, возникающая при обработке заготовки на станке 16К20Т1, поступает
в специальный стружкоприемник, выполненный в виде съемного корыта в основании
станка. Ниже приводится расчет количества стружки и способы ее утилизации. Для
выбора способов переработки отходов непосредственно на заводе или на
специализированных предприятиях необходимы данные по их объемам.
6.2.1 Расчет массы металлических
отходов при изготовлении комплексной детали
Расчет металлических отходов при обработке детали производится по
специальной методике, изложенной в учебном пособии, разработанном кафедрой
промышленной экологии и безопасности МГТУ им. Баумана [19]. Годовой объем при
изготовлении штуцера определяется с учетом подготовительных и токарных
операций. Затем, с учетом годовой программы выпуска, определяется суммарное
количество отходов данного вида.
Масса заготовки G=7.6 кг; масса детали после токарной обработки Gток=
6.9 кг; годовой объем выпуска m=100 шт.
Отходы на операции токарной обработки:
,
где G1 - исходная масса материала, кг;2 - масса
детали после обработки (в данном случае токарной), кг;
Кисп - коэффициент использования материала.
Поскольку исходными данными является масса заготовки и детали, а то масса
отходов на токарной обработке определяется:
Масса
отходов:
Суммарная масса отходов, возникающая при изготовлении 100 штуцеров,
определяется как произведение числа штуцеров на сумму отходов при изготовлении
одного штуцера:
.
Получаемые отходы высокопрочной стали, являются значительными как с точки
зрения охраны природы, так и с точки зрения экономики, и подлежат первичной
обработке непосредственно на предприятии с учетом других металлических отходов.
Первичная обработка включает сортировку по сортаментам, разделку (удаление
неметаллических включений) и механическую обработку, т.е. рубку, резку,
пакетирование или брикетирование на прессах.
Сортировка отходов осуществляется еще на стадии обработки с учетом
требований ГОСТ 2787-75 «Лом и отходы черных металлов. Шихтовые. Классификация
и технические требования» и ГОСТ 1639-78 «Лом и отходы цветных металлов. Общие
требования». Дальнейшая переработка осуществляется на специальном участке.
Стружка пакетируется с помощью специальных прессов и поступает после первичной
переработки на специальные металлургические предприятия.
Вывод: соблюдение вышеописанных мер по охране труда и защиты окружающей среды,
и использование перечисленных средств защиты позволяет обеспечить безопасность
и экологичность эксплуатации проектируемого станка, свести до минимума
опасность травматизма рабочих, снизить профессиональную заболеваемость и
выбросы вредных веществ в окружающую среду.
7.1 Обеспечение эргономических
требований к рабочему месту оператора
Эргономика - наука, изучающая взаимосвязи и взаимодействие человека с
машиной и окружающей его предметной средой в процессе труда.
Станок с ЧПУ обслуживают оператор и наладчик. Наладку и переналадку
осуществляет наладчик, а подналадку, оперативную работу и контроль за работой -
оператор.
Функции оператора при эксплуатации станка сводятся к установке,
закреплению и выверке приспособления и инструмента на станке, установке
программоносителя и заготовок, замене инструмента, снятию деталей и наблюдению
за ходом работы станка.
Трудовая функция наладчика включает в себя приемку и осмотр оборудования,
подготовку инструмента и приспособлений к наладке, подготовку программоносителя
к работе, наладку, переналадку, контроль работы оборудования, инструктаж
рабочего-оператора. Подналадку, включающую устранение неполадок в процессе
работы, связанных с износом и поломкой инструмента, оснастки, нарушением
синхронности работы агрегатов и механизмов, осуществляет оператор.
Наладка модернизируемого станка заключается в его подготовке, регулировке
и контроле готовности. Переналадка включает установку оснастки, регулировку и
контроль работы оборудования, связанную с переходом к изготовлению других
деталей. Работа оператора связана с рабочей позой стоя, непостоянной ходьбой и
сопровождается временным незначительным физическим напряжением и
энергозатратами в пределах 121 - 150 ккал/ч (140 - 150 Вт). В соответствии с
ГОСТ 12.1.005 - 88 она относится к легкой физической работе категории 16. В
связи с этим на рабочем месте обеспечиваются допустимые нормы температуры,
относительной влажности и скорости движения воздуха. При работе оператора
отсутствуют статические нагрузки, связанные с удержанием грузов. В связи с
работой в позе стоя и недостаточной ходьбой на оператора действует гиподинамия
и повышенная нагрузка на ноги.
По напряженности труда работа оператора характеризуется повышенной
ответственностью за технологический процесс и повышенной нервно-эмоциональной
нагрузкой при работе с грузоподъемной установкой, установке, закреплению,
выверке приспособлений и установке программоносителя. Грузоподъемное устройство
является устройством повышенной опасности.
Режим труда станочника физиологически обоснован. Работа осуществляется в
две смены. Ночная смена исключается. Продолжительность рабочего дня составляет
8 часов. Кроме обеденного перерыва продолжительностью один час в первой и во
второй половине дня предусматриваются двадцатиминутные перерывы на отдых и
физиологические потребности.
Рабочим местом оператора станка, оснащенного системой ЧПУ, является зона
управления процессом резания, в которой имеются два фронтально расположенных
пульта управления. Первый пульт расположен на передней панели шкафа
электрооборудования и предназначен для управления электро- и гидроагрегатами
станка. Второй - на передней панели шкафа ЧПУ и предназначен для ввода, отладки
и корректировки программы обработки детали.
Условия зрительной работы оператора на рабочем месте характеризуются
следующими показателями:
·наименьший размер объекта различения (риски шкал приборов и
измерительного инструмента) - 0,15 - 0,3 мм;
·разряд зрительной работы - 2 (работы очень высокой точности);
·фон - средний;
·контраст объекта с фоном - средний;
·требования к цветопередаче отсутствуют;
·в поле зрения имеются вращающиеся и движущиеся части;
·наличие в поле зрения отражений блесткости;
·характер зрительной работы - работа с повышенным напряжением
зрительного анализатора.
Исходя из зрительных условий труда и требований НТД определяются
следующие требования к освещению на рабочем месте оператора станка. В
соответствии с ГОСТ 12.3.025 - 80 и ГОСТ 12.2.009-80 при наладке, ремонте и
устранении сбоев на станках с ЧПУ освещенность должна быть 2500 лк. При
обработке на станках с ЧПУ освещенность может снижаться до 1000 лк. В
механических цехах следует принимать систему комбинированного освещения, в
котором общее освещение должно составлять не менее 300 лк.
Трудовая деятельность оператора связана с возможным действием следующих
вредных психофизиологических факторов: нервно-психических перегрузок,
гиподинамии, неудобной рабочей позы, перенапряжения зрительного анализатора,
эмоционального перенапряжения в связи с высокой ответственностью за технологический
процесс.
Обеспечение эргономичности и безопасности труда оператора связано с
правильной организацией рабочего места и трудового процесса, освещением рабочей
зоны, создание необходимого микроклимата и обеспечение защиты от вредных и
опасных факторов производственной среды.
Общие требования к рабочему месту даны в ГОСТ 12.2.033-78 «ССБТ. Рабочее
место при выполнении работ стоя. Общие эргономические требования.» ГОСТ
22269-76 «Система человек - машина. Рабочее место оператора. Взаимное
расположение элементов рабочего места. Общие эргономические требования.» ГОСТ
23000-78 «Система человек - машина. Пульты управления. Общие эргономические
требования». Требования к организации рабочих мест и размещению
производственного оборудования при обработке металлов резанием определяется
ГОСТ 12.3.025-80, а требования к пультам управления металлообрабатывающих
станков ГОСТ 12.2.009-80.
Рациональная организация рабочего места включает в себя эргономически
обоснованное взаимное расположение органов управления, средств отображения
информации, целесообразное размещение на производственной площади оборудования,
материалов, подъемно-транспортных средств и оснастки. Поскольку трудовые
действия оператора станка, оснащенного ЧПУ, заключаются в работе с органами
управления и средствами отображения информации, то главной задачей при
организации рабочего места оператора является размещение пультов в зоне
досягаемости и зоне зрительного наблюдения, обеспечение достаточной
освещенности и допустимых параметров микроклимата.
Рабочая поза определяется характером выполняемых операций и расположением
пультов непосредственно на станке. Работа оператора по энергозатратам относится
к легкой и по этому признаку подходит рабочее место для выполнения работ сидя.
Однако работа оператора требует свободного передвижения в рабочей зоне. Рабочая
зона, обусловленная технологически, превышает параметры рабочего места сидя.
При производстве станочных работ в таком случае оптимальной рабочей позой
является поза стоя. Она обеспечивает наилучшие условия для обзора, возможность
перемещений и движений с достаточным размахом.
Из конструкционных соображений передние панели пультов управления,
расположенных на шкафах электрооборудования и ЧПУ, имеют размеры: ширина 450
мм, высота 400 мм. Высота верхней линии пультов 1600 мм. Расстояние от края
рабочей поверхности шкафа 500 мм. Второй пульт более насыщен органами
управления и индикации. Частота выполнения операций на этом пульте выше, чем на
первом, поэтому он помещен в зоне действия правой руки оператора.
При работе на станке выполняются операции с временными характеристиками
«часто» (менее 2-х операций в минуту) и «редко» (не более 2-х операций в 1 ч),
поэтому расположение органов управления соответствует требованиям ГОСТ
12.2.033-78.
Общие требования к размещению средств отображения информации приведены в
ГОСТ 22269-76 и ГОСТ 12.2.033-78. Средняя высота их расположения для мужчины
должна составлять 1410 мм для мужчины и женщины - 1365 мм. Ширина пульта должна
быть меньше горизонтального размера второстепенной зоны расположения
индикаторов, ограниченной зоной периферического зрения, а высота пульта -
меньше вертикального размера второстепенной зоны индикаторов. При оценке
размещения индикаторов необходимо учитывать структуру поля зрения оператора,
прежде всего границы центральной и периферийной областей.
Перечень использованной
литературы.
1.Проектирование металлорежущих станков и станочных систем:
Справочник - учебник. В 3-х.: Проектирование станочных систем / Под общей ред.
А.С. Проникова М.: Изд - МГТУ им. Н.Э.Баумана.
.Металлорежущие станки и автоматы. Учебник для ВУЗов. Под
ред. А.С.Проникова - М.: Машиностроение. 1981г.
.Металлорежущие станки. Учебное пособие для ВУЗов. Колев
Н.С., Красниченко Н.В. и др.- М.: Машиностроение, 1980г.
.Художественное конструирование, проектирование и
моделирование промышленных изделий. Быков Э.Н., Крюков Г.В. и др. М. Высшая
школа, 1986г.
.Анурьев В.И. Справочник конструктора- машиностроителя. Изд.
4-е., - М.: Машиностроение, 1973г.
.Л.В. Сергиевский, В.В. Русланов. Пособие наладчика станков с
ЧПУ. - М.: Машиностроение, 1991. - 176с.,ил.
.Справочник технолога-машиностроителя. В 2-х т./ Под ред.
А.Г. Косиловой., Р.К. Мещеряковой.- 4-е изд., перераб. И доп.- М.:
Машиностроение, 1985.- 656с.
.Евгенев Г.Б Системология инженерных знаний: Учеб. Пособие
для ВУЗов.-М.: Изд-во МГТУ им. Н.Э .Баумана, 2001._ 376 с.: ил. ( сер.
Информатика в техническом университете).
.Норенков И.П. Основы автоматизированного проектирования:
Учеб. Для ВУЗов. - М.: Изд-во МГТУ им. Н.Э. Баумана, 2000. - 360 с. ил. ( сер.
Информатика в техническом университете).
.Васильев Г.Н. Автоматизация проектирования металлорежущих
станков. - М.: Машиностроение. 1987.- 280с., ил.
.Системы автоматизированного проектирования. Учебное пособие
для ВУЗов. В 9-ти кн. Под ред. И.П. Норенкова. - М.: Высшая школа, 1986г.
.Сергиенко А.Б. Цифровая обработка сигналов. - СПб.: Питер,
2003.- 608 с.: ил.
.Курс теоретической механики: Учебник для ВУЗов, В.И. Дронг,
В.В. Дубинин, М.М. Ильин и д.р.; Под общ. Ред. К.С. Колеснмкова. - 2-е изд.,
стереотип. - М.: Изд-во МГТУ им. Н.Э. Баумана, 2002. - 736 с., ил., /Сер.
Механика в техническом университете: Т. 1/.
.Балакшин Б.С. Теория и практика технологии машиностроения.
Книга 1., М.: Машиностроение, 1992, 240 с.
.Автоматизация испытаний и исследование металлорежущих
станков с ЧПУ. /Библиотека станочника, выпуск 7/, 1988г.
.Проников А.С. Программный метод испытания металлорежущих
станков 1985г.
.Проников А.С. Надежность машин - М.: Машиностроение,
1978.-598с.
.Решетов Д.Н., Иванов А.С. и Фадеев В.З. Надежность машин.
Учебное пособие для машиностроительных специальностей - М.: Высшая школа, 1988.
-238 с.
.Технологическая надежность станков. Коллектив авторов. Под
общ. Ред. А.С. Проникова, - М.: Машиностроение, 1971. -344 с.
.Кузнецов В.Т. приводы станков с программным управлением. -
М.: Машиностроение, 1983,-217с.
Ресурсы сети Internet.
.Кузнецов М.М., Усов Б.А., Стародубов В.С. Проектирование
автоматизированного производственного оборудования. - М.: Машиностроение, 1987-
288с.: ил.
.Москаленко В.В. Электрический привод: Учеб. Для электротехн.
Спец. Техн.-Высш.Шк., 1991.-430с.: ил.
. Сборники ГОСТов, ОСТов и СНиПов.
. Металлорежущие станки и станочные системы: Учебн. В 2 т. -
Т. Станки с числовым программным управлением. Гибкие производственные системы и
автоматические линии /Под общ. Ред. Ю.М. Свитковского.- Ижевск: Изд-во ИЖГТУ,
2001.-260 с.: ил.
.Шаумян Г.А. Комплексная автоматизация производственных
процессов. М.: Машиностроение, 1973.-639с.
.Технология машиностроения: Учебник для ВУЗов в 2 т /В.М.
Бурцев, А.С. Васильев, А.М. Дальский и д.р.: Под ред. А.М. Дальского М.: Изд-во
МГТУ им. А.Э. Баумана, 1997.