Гірничі машини та комплекси

  • Вид работы:
    Книга / Учебник
  • Предмет:
    Геология
  • Язык:
    Украинский
    ,
    Формат файла:
    MS Word
    1,14 Мб
  • Опубликовано:
    2015-07-08
Вы можете узнать стоимость помощи в написании студенческой работы.
Помощь в написании работы, которую точно примут!

Гірничі машини та комплекси

Змістовий модуль 1. Номенклатура гірничих машин

Тема 1.1 Вступ. Загальні відомості про гірничі машини

Збільшення обсягів видобутку різних корисних копалин на основі всебічного зростання продуктивності праці робітників гірничих підприємств найтіснішим чином пов'язано з оснащенням підприємств сучасною високопродуктивною і надійною гірською технікою.

Гірничі підприємства використовують велику номенклатуру машин різного функціонального призначення, які відносять до наступних груп :

-        власне гірські машини, призначені для видобування корисних копалин та проведення гірничих виробок;

-        гірничо - транспортні машини;

-        стаціонарні машини.

Гірничі машини підрозділяють на машини:

-        що проводять руйнування корисних копалин і порід;

-        що проводять навантаження ( навалювання ) на транспортні засоби;

-        які видають корисні копалини або породу за межі очисного або прохідницького вибою;

-        що здійснюють кріплення у підземних умовах очисних і прохідницьких виробок.

У зв'язку з виконуваними функціями розрізняють :

-        бурильні машини,

-        виїмочні ( видобувні і прохідницькі ) гірські машини,

-        вантажні машини і кріплення ( індивідуальні та механізовані ) .

До виїмкових гірських машин відносяться очисні та прохідницькі комбайни, вугільні струги, одно-і багатоковшеві екскаватори, бульдозери, скрепери, гідромонітори, земснаряди і драги .

Більшість зазначених машин комбіновані, що виробляють не тільки руйнування корисних копалин і порід, але також і їх навантаження на транспортні засоби . При цьому зазначені операції можуть виконуватися послідовно ( буро вантажні машини і одноковшеві екскаватори ) або, що більш прогресивно, поєднуватися в часі ( очисні та прохідницькі комбайни, вугільні струги, багатоковшеві екскаватори, земснаряди, драги ) .

Ряд гірських машин виробляють не тільки руйнування, а й транспортування або вантаження і транспортування гірничої маси на значні відстані (бульдозери, скрепери, вантажно - транспортні машини).

Найбільшу продуктивність при видобутку корисних копалин та проведенні гірничих виробок (розкривних робіт при відкритому видобутку корисних копалин ) забезпечує комплексне використання машин різного функціонального призначення.

На вугільних шахтах широке застосування отримали очисні комбайнові й стругові комплекси, що мають у своєму складі очисної вузькозахватний комбайн або вугільний струг, доставочну машину (забійний скребковий конвеєр ) і гідрофіцированну механізовану крепь . На відкритих гірничих роботах використовують комплекси машин безперервної дії, що мають у своєму складі потужні багатоковшеві (роторні ) екскаватори та стрічкові магістральні конвеєри.

У Радянському Союзі вперше у світі створено вугледобувні агрегати для виїмки вугілля без постійної присутності людей в очисному вибої. У агрегатах здійснюється більш жорстка, ніж в комплексах, конструктивна ув'язка окремих функціональних органів, що робить їх роботу більш організованою, скорочує число операцій очисного забійного обладнання і спрощує процес його автоматизації .

Гірські транспортні машини, які виконують великі обсяги робіт з видачі на поверхню з підземного простору або за межі кар'єра корисних копалин і порід, включають велику номенклатуру машин єдиного функціонального призначення, але відрізняються досить істотно по конструкції і принципу дії .

До таких машин відносяться різні:

-        засоби конвеєрного транспорту ( скребкові, стрічкові, стрічково - ланцюгові і пластинчаті конвеєри ),

-        засоби рейкового транспорту (локомотиви, вагонетки, великовантажні вагони ),

-        самохідні вагонетки, великовантажні автосамоскиди,

-        засоби канатного і трубопровідного транспорту.

Для відкачування води з гірничих виробок, подачі повітря в підземні виробки та вентиляції глибоких кар'єрів застосовують різні конструктивні типи насосів і вентиляторів . На гірничих підприємствах, де працюють машини, що використовують енергію стисненого повітря, використовують різні конструктивні типи компресорів.

Насоси, вентилятори, компресори, а також машини та обладнання шахтного підйому складають групу машин, званих стаціонарними .

Всі вище перераховані групи машин, що працюють на гірничих підприємствах, а в більшості випадків і машини, відносяться до однієї групи, мають не тільки різні основоположні принципи і теоретичні передумови обґрунтування і вибору їх основних конструктивних і режимних параметрів, але і відрізняються різноманіттям конструктивних рішень, тому в даній книзі, призначеної для учнів середніх спеціальних закладів, що навчаються за спеціальністю " Гірниче машинобудування " дані основи класифікації, викладені принципи дії та особливості конструкцій : бурильних машин і установок, гірничих машин і комплексів для підземного видобутку корисних копалин; гірничопрохідницьких машин і комплексів ; гірських машин і комплексів для відкритого видобутку корисних копалин; засобів гідромеханізації гірничих робіт; гірничотранспортні машин; машин шахтного водовідливу, вентиляції і компресорних установок; шахтного підйому. Показана область застосування різних машин, досить повно дано їх основні технічні дані, викладені методи оцінки продуктивності різної гірської техніки. Відображені найбільш прогресивні конструкторські рішення, використовувані при створенні гірських машин.

Домашне завдання

- Л.И.Кантович, В.Н. Гетопанов «Горные машины», стр. 3-5.

конспект.

Контрольні питання

1.Які номенклактури машин використовують гірничі підприємства?

.За якими функціональними призначеннями поділяютьсягірничі машини?

.які функції виконують машини?

.Що за техніка застосовується на вугольних шахтах?

.Яка техніка відноситься до виїмкових гірських машин?

Тема 1.2 Бурильні машини

. Інтенсивний розвиток техніки бурових робіт почалося в другій половині XIX в . з появою машинного буріння. У 1857 р. була сконструйована перша пневматична бурильна машина, а в 1859 р. пробурена перша нафтова свердловина паровим верстатом проф. Г.Д. Романовського . У 1862 р. починається буріння свердловин алмазними коронками і в 1899 р. - дробом .

Тільки після Великої Жовтневої соціалістичної революції з бурхливим зростанням гірничодобувної промисловості починається широке впровадження машинного буріння шпурів і свердловин.

У 1923 р. в СРСР створюється турбобур чл. -кор. АН СРСР М.А. Капелюшнікова і потім електробур А.П. Островського і Н.В. Александрова, в 1939 р. - високочастотний перфоратор. В кінці 20- х років широке застосування на кар'єрах Уралу і Дніпробуду отримують верстати канатно - ударного буріння і з 1940 р. на вугільних кар'єрах - верстати обертального буріння .

В даний час розтин родовищ, підготовчі та очисні роботи, розвідка родовищ та інші роботи з видобутку корисних копалин, пов'язані з вибуховим способом руйнації, який найбільш ефективний у породах підвищеної фортеці, звичайно засновані на бурінні шпурів і свердловин машинним способом.

Шпурамі прийнято називати циліндричні заглиблення у гірській породі глибиною до 5 м при діаметрі до 75 мм. Шпури великого діаметру (до 250 - 300 мм ) називають свердловинами, а при довжині, більшою 5м, - глибокими свердловинами .

.Гірничі машини, призначені для буріння шпурів і свердловин, називають бурильними машинами. Бурильні машини:

-        по області застосування можуть бути для відкритих і підземних робіт ;

-        за призначенням - машини для буріння шпурів і для буріння свердловин;

-        за родом споживаної енергії - пневматичні, електричні, гідравлічні, термічні та комбіновані ;

-        за способом руйнування гірської породи поділяються на широко вживані в даний час машини з механічним ( безпосереднім ) впливом руйнівної інструменту на породу і зі спеціальними фізичними методами впливу .

Бурильні машини з механічним впливом руйнівної інструменту на породу поділяють за способом буріння на машини обертальні, ударні, ударно - обертальні і обертальне - ударні .

До нових фізичних методів впливу відносять вогневе ( термічне), електрофізичних, ультразвукове, високочастотне та інші види буріння.

При обертальному бурінні порода руйнується спіральними шарами під дією різців, які одночасно вдавлюються в породу значними осьовими зусиллями і обертаються навколо осі шпуру або свердловини . Обертальний режим буріння застосовують в основному для порід слабких і середньої міцності ( ƒ < 8) і використовують в таких бурильних машинах, як гірські свердла - для буріння шпурів глибиною до 4-5 м при діаметрі 40-45 мм; верстати глибокого буріння - для буріння свердловин глибиною до 100 м і діаметром до 100 мм і гезенків - бурильні й буросбоечні машини - для буріння свердловин глибиною до 150 м при діаметрі, який досягає 1000-1500 мм.

При ударному способі буріння порода руйнується під дією ударів по інструменту, виконаному у вигляді клину, який після кожного удару відскакує від забою і повертається на деякий кут для нанесення удару за новим місцем на вибої . Ударний спосіб застосовується в перфоратора для буріння по породах з ƒ = 6 -20 і вище. За допомогою перфораторів бурять шпури і свердловини в підземних умовах і на поверхні глибиною до 5 м і більше та діаметром до 150 мм.

Ударно - обертальне буріння характеризується такими ж параметрами, як і ударне, проте на відміну від нього, удар наноситься по безперервно обертається бурового інструменту . Цей спосіб буріння застосовується для буріння свердловин діаметром до 150 мм і глибиною до 100 м в міцних породах ( з коефіцієнтом міцності ƒ = 6 - 20 ) важкими бурильними машинами та буровими агрегатами.

При обертальному - ударному способі буріння до породо - руйнівному інструменту прикладаються значні осьове зусилля, крутний момент і ударні імпульси .

Обертальне - ударне буріння найбільш ефективно для буріння шпурів і свердловин діаметром до 100 мм в породах з коефіцієнтом міцності ƒ= 6 -12 важкими бурильними машинами.

Фізичні способи руйнування гірської породи відносяться до нових методів буріння і в даний час знаходяться в процесі досліджень, промислових експериментів і впровадження окремих типів машин. Найбільш широке поширення з фізичних способів руйнування гірських порід отримало термічне буріння, за допомогою якого пропалюються свердловини глибиною до 25-30 м і діаметром до 250 мм на відкритих гірничих роботах.

З електрофізичних засобів руйнування пород найбільш відомі: ультразвукові, електроімпульсні та високочастотні.

При ультразвуковому способі гірська порода руйнується за рахунок високочастотних коливань, які створюються магнітострикційним вібратором.

В основі електроімпульсного способу лежить використання електро-гідравлічного ефекту, який дозволяє перетворювати енергію електричного розряду в механічну.

При високочастотному способі руйнування створюються електричні або магнітні поля високої частоти, під дією яких гірська порода нагрівається і розтріскується з відділенням тонких лусочок, що і може бути використано для буріння свердловин.

3.Руйнування та видалення з вибою порід у процесі гірничих робіт є дуже трудомісткими операціями.

Руйнування гірських порід може здійснюватися такими способами:

механічним, коли робочі органи безпосередньо відокремлюють породу від масиву. Витрата енергії на одиницю об'єму зруйнованої породи (енергоємність) становить приблизно 0,2 - 1,7 кВт-ч/м3;

гідравлічним, коли порода відділяється від масиву напірним струменем води, що подається з гідромонітора, або коли порода разом з водою всмоктується земснарядом з дна водойми. Енергоємність руйнування породи напірним струменем становить 0,4-4 кВт-ч/м3, а при роботі земснаряду 0,2-2 кВт-ч/м3;

вибуховим, коли порода руйнується під тиском газів, що виділяються вибуховими речовинами (ВВ). Енергоємність тільки буріння вибухових свердловин складає 0,8-1,1 кВтХ Хч/м3;

фізичним, коли руйнування або зменшення міцності гірських порід досягається за допомогою ультразвуку, струму високої частоти, теплового впливу ;

хімічним, коли для відділення порід від масиву їх переводять у рідкий або газоподібний стан ;

комбінованим, наприклад, гідравлічний спосіб може комбінуватися з механічним.

Механічний спосіб руйнування гірських порід може проводитися з різними швидкостями силового впливу . Прийнято вважати, що при швидкостях впливу до 2,5 м / с механічний спосіб називається статичним, а при швидкостях вище 2,5 м / с - динамічним .

До динамічному способу руйнування відносяться такі види:

вібраційний, коли для руйнування породи створюють примусове вібрування робочого органу, що призводить до зменшення сил внутрішніх зв'язків порід і відповідно до зниження тягового опору переміщенню машини;

ударний, коли руйнування породи проводиться за допомогою ударника, що володіє певною масою і швидкістю, тобто енергією удару;

високошвидкісний, коли руйнування міцних порід проводиться за допомогою високошвидкісних робочих органів ( швидкість різання вище 5 м / с);

імпульсний, коли руйнування порід проводиться за допомогою імпульсної техніки, заснованої на застосуванні енергії вибуху в машинах і механізмах. При цьому руйнування може проводитися рідкими, твердими і газоподібними передавальними середовищами, безпосередньо впливають на гірську породу і реалізують у імпульсної формі енергію вибуху .

На гірничих підприємствах найбільшого поширення набув механічний спосіб руйнування порід - до 85 % всього обсягу гірських і земляних робіт .

Домашне завдання

- Л.И.Кантович, В.Н. Гетопанов «Горные машины», стр. 6-8

В.А.Бритарев, В.Ф.Замышляев «Горные машины и комплексы», стр. 9-10

конспект.

Контрольні питання

1.В якому році була створена перша бурильна машина?

.В якому віку почався інтенсивний розвиток техніки бурових робіт?

.Що таке шпури?

.Дайте визначення для бурової машини?

.Як класифікуються бурильні машини, за якими ознаками7

.У які способи здійснюється руйнування гірничих порід?

Тема 1.3 Загальні фізико-механічні властивості гірничих порід

Гірські породи - це природні щільні або пухкі мінеральні агрегати, що виникли в результаті геологічних процесів і складають земну кору у вигляді самостійних геологічних тіл.

Фізико-механічними властивостями гірської породи називають сукупність фізичних і механічних властивостей, що визначають поведінку гірської породи в процесі її деформації і розробки.

Фізичні властивості - щільність, пористість, вологоємкість, теплопровідність, провідність звуку, електричного струму та ін..

Механічні властивості - міцність, пружність, пластичність, фортеця, твердість, контактна міцність, абразивність.

Фізичні властивості, якими характеризуються гірські породи, та їх визначення.

-        Щільність. Відношення маси породи до її об'єму при природній вологості. Позначається γп (кг/м³ або т/м³).

-        Зв'язність. Визначається зчепленням окремих часток породи між собою і характеризує здатність останньої чинити опір їх поділу.

-        Зчеплення. Сила зв'язків між частинками, обумовлена ​​молекулярними цементаційна, структурно-колоїдними, водоадсорбціонними механічними зв'язками і взаємодіями; визначається як дотичне напруження, необхідне для подолання безпосереднього зчеплення між частинками породи при зсуві См (МПа).

-        Липкість. Здатність породи прилипати до різних предметів. Характеризується питомим налипанням (Н / м ²).

-        Теплопровідність . Величина, що характеризує теплопровідні властивості породи і залежна від її хімічних властивостей і стану. Позначається λ (Вт / м·К).

-        Вологість. Відношення маси води у зразку до маси його твердих частинок. Характеризується коефіцієнтом вологості.

-        Пористість. Відношення обсягу, зайнятого порами, до всього обсягом породи. Характеризується коефіцієнтом пористості.

Найбільший вплив на конструкцію бурильних і гірських машин надають механічні властивості гірських порід.

-        Міцність - одне з основних механічних властивостей гірських порід, вона характеризує їх здатність в певних умовах сприймати ті чи інші силові дії, не руйнуючись .

-        Пружність - властивість гірської породи відновлювати свої початкові форму і об'єм з припинення дії зовнішніх сил. Пружні властивості характеризуються модулем пружності і коефіцієнтом Пуассона .

-        Пластичність на противагу пружності - властивість породи зберігати залишкову деформацію після припинення дії зовнішніх сил.

-        Міцність - здатність породи чинити опір руйнуванню від дії зовнішніх сил при різних технологічних процесах руйнування (буріння, різання, підривання та ін.) Міцність залежить від міцності, твердості, в'язкості, пружності, мінералогічного складу і структури породи, тріщинуватості та інших факторів. Характеризується коефіцієнтом міцності ƒ за шкалою проф. М. М. Протодьяконова.

-        Твердість - це здатність гірської породи чинити опір місцевим руйнуванню при вдавливании в неї інструменту або індентора, іншими словами здатність породи чинити опір проникненню в неї іншого, більш твердого тіла.

-        Абразивність - властивість гірської породи зношувати при терті об неї металів, твердих сплавів та інші тверді тіла.( Здатність породи інтенсивно зношувати руйнуючий її інструмент). Вона визначається за методом, запропонованим Л.І. Бароном і А.В. Кузнєцовим.

-        Разрихляємость. Відношення обсягу розпушеному породи до первісного її об'ємом (у цілику ) . характеризується коефіцієнтом розпушення Кр.

-        Опір породи вдавленню - Характеризується коефіцієнтом опору смятію р˳ ( Н/см³ або Н/м³ ), визначеним величиною навантаження, під дією якої стрижень з опорною поверхнею 1 см² впроваджується в породу на 1 см.

-        Тріщинуватість. Характеризується наявністю в гірській породі тріщин, утворених при розриві внутрішніх зв'язків в породному масиві.

-        Опір різанню. Здатність породи чинити опір механічному впливу, визваним певною сукупність напруг стиснення, розтягування і зсуву, подолання яких завершується руйнуванням породи і відділенням від масиву шматків або шарів.

Класифікуються гірські породи за кількома показниками : міцності, труднощі руйнування і буримости, ступеня труднощі екскавації і т. д. Кожна класифікація має суто прикладне значення, і тому зв'язати їх до якогось одного з показників не завжди представляється можливим.
Найбільшого поширення набула класифікація гірських порід по міцності, запропонована проф. М. М. Протодьяконовим ( табл. 1.1). Міцність породи оцінюється коефіцієнтом міцності ƒ= 0,3-20 .

Таблиця 1.1 Класифікація гірських порід за шкалою проф . М. М. Протодьяконова

Категорія

Ступінь

Порода

Коеффіцієнт міцності

І

У вищій ступеня міцності породи

Найбільш міцні, щільні і в'язкі кварцити і базальти . Виключні по міцності інші породи

20

ІІ

Дуже міцні породи

Дуже міцні гранітні породи. Найміцніші пісковики та вапняки

15

ІІІ

міцні породи

Граніт щільний, дуже міцні пісковики та вапняки

10

ІІІа

те ж

Вапняк міцний, неміцний граніт, міцний пісковик, мармур, доломіт, колчедан

8

ІV

Досить міцні породи

Звичайні пісковики, залізні руди

6

ІVа

те ж

Піскуваті сланці, сланцеві пісковики

5

V

Порода середньої міцності

Міцний глинистий сланець, неміцні пісковики та вапняки, конгломерати

4

те ж

Неміцні сланці, щільний мергель

3

Досить м'які породи

М'який сланець, дуже м'який вапняк, крейда, кам'яна сіль, гіпс, звичайний мергель, зруйнований піщаник, кам'янистий грунт

2

VІа

те ж

Щебенево грунт, зруйнований сланець, міцний кам'янистий вугілля, отверділа глина

1,5

VІІ

м'які породи

Щільна глина, міцні наноси, м'який кам'яне вугілля

1

VІІа

те ж

Легка пісчана глина, лес, гравій

0,8

VІІІ

Землисті породи

Рослинна земля, торф, м'який суглинок, вологий пісок

0,6

ІХ

сипучий породи

Пісок, осипи, насипна земля, дрібний гравій

0,5

Х

плавучої породи

Пливуни, болотистий грунт, розріджений лес і інші розріджені породи

0,3


Акад. В. В. Ржевський запропонував класифікацію гірських порід по відносній труднощі руйнування Пр і буріння Пб . Всі породи з цієї класифікації діляться на п'ять класів ( табл. 1.2), кожен з яких містить породи п'яти категорій, об'єднаних однією загальною ознакою . Таким чином, всі породи діляться на 25 категорій, а показник категорії збігається з величиною Пр або Пб, Рідко зустрічаються породи з Пр > 25 і Пб > 25 відносяться до внекатегорних .

Таблиця 1.2 Класифікація гірських порід за труднощами їх руйнування і буріння.

Руйнування

Буріння

Клас породи і його характеристика

показник Пр

Клас породи і його характеристика

показник Пб

І - напівскельні, щільні і зв'язкові м'які породи

1 ÷ 5

І - легкобуримі

1 ÷ 5

ІІ - легко руйнівні скельні породи

5,1 ÷ 10

ІІ - середньої буримости

6 ÷ 10

ІІІ - середньої важкості руйнування скельні породи

10,1 ÷ 15

ІІІ - важко буримі

11 ÷ 15

ІV - важко руйнівні скельні породи

15,1 ÷ 20

ІV - вельми важко буримі

16 ÷ 20

V - вельми важко руйнівні скельні породи

20,1 ÷ 25

V - виключно важко буримі

21 ÷ 25

Внекатегорні породи

˃ 25

Внекатегорні породи

˃ 25


Домашне завдання

- Л.И.Кантович, В.Н. Гетопанов «Горные машины», стр. 9-10

В.А.Бритарев, В.Ф.Замыішляев «Горные машины и комплексы», стр. 5-8

- конспект.

Контрольні питання

1.Гірські породи, дайте визначеня?

. Фізичні властивості, якими характеризуються гірські породи, та їх визначення.

. Механічні властивості, якими характеризуються гірські породи, та їх визначення.

.Дайте визначення фізико-механічними властивостями гірської породи?

Змістовий модуль 2. Бурові верстати.

Тема 2.1 Класифікація та принцип дії бурових верстатів

Для розвідки, розкриття або видобування твердих, рідких і газоподібних корисних копалин, а також для різних допоміжних цілей у гірських породах бурять вертикальні, горизонтальні або похилі шпури і свердловини.

Буріння - процес спорудження гірничої виробки циліндричної форми шляхом руйнування гірських порід у торцевому забої .

Шпуром прийнято називати штучне циліндрове поглиблення в гірських породах діаметром до 75 мм і глибиною до 5 м.

Свердловиною називають штучне циліндрове поглиблення в гірських породах діаметром більше 75 мм і глибиною більше 5 м.

Буріння проводиться за допомогою бурової установки - комплексу обладнання, що включає бурову вишку ( щоглу ), силовий привід, механізм пересування, обладнання для механізації спуско - підйомних операцій і очищення свердловин та ін.

Для ведення бурових підривних робіт бурять шпури або свердловини, в які поміщають вибухова речовина (ВВ ) .

У загальній технології відкритих гірничих робіт бурових вибухові роботи є одним з основних і трудомістких виробничих процесів . На частку бурових підривних робіт припадає в середньому від 16 до 32 % всіх витрат, необхідних для видобування твердих корисних копалин.

У нашій країні щорічно буряться десятки мільйонів метрів вибухових свердловин і шпурів, і з кожним роком обсяги буріння ростуть .

Від якості розпушування гірських порід залежать продуктивність навантажувального і транспортного устаткування, його довговічність і ефективність експлуатації .

Подальший розвиток бурової техніки передбачає :

-        створення верстатів для буріння свердловин діаметром до 400 мм шарошечні долотами ;

-        розробку нових способів буріння ;

-        вдосконалення автоматизації управління режимами буріння і допоміжними операціями ;

-        зниження часу на спуско -підйомні операції в 1,5-2 рази ;

-        здійснення буріння вибухових свердловин глибиною до 18-24 м без нарощування бурових штанг ;

-        розробку необертових бурових ставів ;

-        використання стабілізаторів і амортизаторів ;

-        вдосконалення та впровадження на верстатах шарошечного буріння електровібробуров ;

-        освоєння нових типів шарошечні доліт і додаткових пристроїв до них і більш інтенсивне застосування верстатів комбінованого буріння.

Класифікація бурових верстатів. Бурові верстати класифікуються за характером (способом) руйнування гірської породи, типу приводу і призначенням (рис.2.1).

Буріння гірської породи можна виробляти механічним і немеханічних способами. Механічний спосіб реалізується в машинах ударного, обертального, ударно-обертального буріння, коли руйнування гірської породи проводиться інструментом під дією докладаються до нього силових навантажень.

Ударний спосіб буріння здійснюється в результаті нанесення ударів інструменту по породі. Удари можна наносити по хвостовику бура, лезо якого, проникаючи, руйнує деякий обсяг породи. Після кожного удару буровий інструмент примусово повертається і поступово руйнує породу по всьому перетину свердловини. Цей спосіб буріння використовується в бурильних машинах - перфораторах.

Удари по породі для її руйнування можна наносити буровим інструментом, періодично падаючим з деякою висоти на забій під дією власної ваги.

Ударом створюються великі питомі навантаження на лезо коронки, що більш ефективно для руйнування крихких гірських порід. Поворот інструменту відбувається під дією пружних сил закручування каната, на якому підвішений буровий інструмент . Так здійснюється буріння верстатами ударно-канатного буріння.

При обертальному способі буріння руйнування вибою свердловини сколюванням, зминанням, стиранням здійснюється обертовим інструментом з додатком до нього значною осьового навантаження .















Рис. 2.1. Класифікація бурових верстатів для відкритих робіт.

Цей спосіб реалізується у верстатах обертального буріння шарошечні долотами і різцеву коронками .

При ударно - обертальному способі буріння буровий інструмент безперервно обертається навколо своєї осі і по ньому наносяться удари. Осьове зусилля прикладається до інструменту для нейтралізації сил віддачі, діючих на нього в момент удару . Цей спосіб застосовується у верстатах ударно - обертального буріння з зануреними пневмо - ударниками . Немеханічним ( фізичним) способом проводиться термічне, вибуховий, гідравлічне, електро - гідравлічне, ультразвукове і комбіноване буріння . При цьому способі буріння силові навантаження на гірську породу передаються через рідку або газоподібну середовище. Незважаючи на створення нових немеханічних способів буріння, механічний спосіб є переважаючим .

За типом приводу бурові верстати діляться на електричні і теплові, що працюють від двигуна внутрішнього згоряння (ДВЗ) .

За призначенням бурові верстати діляться на машини для буріння шпурів і невеликих свердловин і для буріння свердловин середнього та великого діаметру .

Основні параметри бурових верстатів - діаметр, глибина і кут нахилу пробурювання свердловини.

Діє ДСТУ ГОСТ на верстати для буріння вибухових свердловин на відкритих гірничих роботах, відповідно до якого передбачено створення і виробництво верстатів механічного та комбінованого способів буріння . Відповідно до ГОСТ 20078-74 бурові верстати повинні виготовлятися таких типів:

СБШ - верстати обертального буріння шарошечні долотами -п'яти типорозмірів з номінальними діаметрами буріння 160, 200, 250, 320 і 400 мм при / = 6- М8 ;

СБР - верстати обертального буріння різцеву коронками -двох типорозмірів з номінальними діаметрами буріння 125 і 160 мм при / = 2- т -6;

СБУ - верстати ударно -обертального буріння - чотирьох типорозмірів з номінальними діаметрами буріння 100, 125, 160 і 200 мм при / = 6ч -18.

Допускається виготовлення верстатів комбінованого буріння, що поєднують в собі механічний і Немеханічні способи буріння . Типорозмір таких верстатів встановлюється за того способу буріння, який є переважаючим. У табл. 2.1 наведені основні відомості про бурових верстатах для відкритих гірських робіт .

Найбільше поширення на відкритих гірничих роботах отримали верстати обертального буріння шарошечні долотами, якими виконується близько 80 % всіх обсягів буріння. Інші 20 % обсягу виконуються верстатами обертального буріння різцеву коронками, ударно -обертального і комбінованого буріння. Крім того, на відкритих гірничих роботах ще знаходяться в експлуатації верстати ударного буріння.

Таблиця 2.1 Бурові верстати для відкритих гірських робіт

Найменування

Ударне буріння

Обертальне буріння

Ударно-обертальне буріння

Комбіноване буріння



шарошечними долотами

різцевими коронками




Поєднання механічного та немеханічного способів буріння

типи верстатів

Ударно-канатного буріння

Обертального буріння шарошечні долотами (СБШ)

Обертального буріння різцеву коронками (СБР)

Ударно-обертального буріння (СБУ)

Комбіноване буріння

призначення

Для буріння свердловин в породах середньої міцності і міцних (ƒ≤20)

Для буріння свердловин в породах середньої міцності і міцних (ƒ= 6÷18)

Для буріння свердловин з вугілля та порід середньої міцності (ƒ≤6)

Для буріння свердловин в породах середньої міцності і міцних (ƒ= 6÷18)

Для буріння свердловин у складних гірничо-геологічних умовах з перемежованими породами різної міцності і структури

принцип руйнування породи

Під дією ваги інструменту з подальшим поворотом його при відході від вибою після кожного удару

Під дією ударів зубїв шарошок при обертанні притиснутого до вибою інструмента

За рахунок зрізаемої стружки при обертанні притиснутого до вибою інструмента

Під дією ударів, що наносяться по безупинно обертається інструменту

Шляхом поєднання якого механічного та термічного способів буріння

спосіб очищення свердловин

желонкою

Продувкою стисненим повітрям або водо-повітряною сумішшю

Шнеками або шнеко-пневматичної очистки

Продувкою стисненим повітрям

застосування верстатів

БС-1М

СБШ-160; 2СБШ-200; 2СБШ-200Н; СБШ-250МН; СБШ-320

1СБР-125; 2СБР-125; СБР-160; СВБ-2М; БМК-150

СБУ-100П; СБУ-100Т; СБУ-100Н; 1СБУ-125; СБУ-160; СБУ-200; БМК-УМ

СБШК-200; СБШ-250К (шарошечні-вогневої); СБТМ-20 (ударно-вогневої)


Домашне завдання

- В.А.Бритарев, В.Ф.Замышляев «Горные машины и комплексы», стр. 12-15

- конспект.

Контрольні питання

1.Що таке буріння та за допомогою чого воно проходить?

. Що передбачає подальший розвиток бурової техніки ?

.Як класифікуються бурові верстати?

.Що таке ударний спосіб буріння?

. Що таке ударно-обертальний спосіб буріння?

. Що таке обертальний спосіб буріння?

. На які машини ділять за призначенням бурові верстати?

.Які ви знаєте типи верстатів їх призначення?

Тема 2.3 Верстати ударного буріння

До верстатів ударного буріння відносяться верстати ударно-канатного буріння. Ударний спосіб буріння використовується також в перфоратора, які застосовуються на кар'єрах для буріння шпурів у негабаритних шматках гірської породи, при видобутку декоративного каменю та ін.

Верстати ударно-канатного буріння знаходять переважне застосування при проходці свердловин на воду, гідрогеологогічних, водопоніжающіх і вибухових свердловин, а також при геологічній розвідці розсипних та інших родовищ. Цими верстатами бурять вертикальні свердловини діаметром 200-900 мм на глибину 50 - 500 м в породах різних категорій міцності.

Верстати ударно -канатного буріння ( рис. 2.2 ) мають важкий ( 1000-3000 кг) буровий снаряд 1, підвішений на канаті 2 . Кривошипно -шатунний механізм 3 за допомогою відтяжного блоку 4 періодично піднімає і опускає буровий снаряд, який лезом долота, що має форму клина, завдає ударів по породі вибою. Накопичується при падінні кінетична енергія при ударі долота по породі витрачається на її руйнування . Привід всіх механізмів здійснюється через головний вал 5 від двигуна 6 за допомогою муфт і шківів, що дозволяє незалежно включати будь-який механізм верстата.

Для отримання свердловини круглого перерізу і рівномірного руйнування породи в забої долото з ​​ударною штангою після кожного удару під час його підйому над забоєм свердловини повертається на кут від 15 до 60 °. При підйомі бурового снаряда канат натягується і розкручується, що призводить до повертання бурового снаряда.

При ударі снаряда про забій натяг каната слабшає і замок, що з'єднує канат зі штангою ( долотом ), повертається під дією закручують зусиль каната.

Рис. 2.2. Конструктивна схема верстата ударно-канатного буріння.


Для отримання свердловини круглого перерізу і рівномірного руйнування породи в забої долото з ударною штангою після кожного удару під час його підйому над забоєм свердловини повертається на кут від 15 до 60 °. При підйомі бурового снаряда канат натягується і розкручується, що призводить до повертання бурового снаряда. При ударі снаряда про забій натяг каната слабшає і замок, що з'єднує канат зі штангою ( долотом ), повертається під дією закручують зусиль каната.

У міру поглиблення свердловини збільшують вільну довжину каната. Під час буріння в свердловину подається вода . Зруйнована порода знаходиться в підвішеному стані, утворюючи з водою шлам, що видаляється з свердловини за допомогою спеціального інструменту - желонки .

Чистка свердловин при бурінні міцних порід виробляється через 0,4-0,9 м, при бурінні слабких порід - через 0,9-1,5 м і більше.

Основний недолік верстатів цього типу - мала частота ударів ( 45-60 хв -1) обмежує їх продуктивність. Збільшити частоту ударів неможливо так як тривалість падіння бурового снаряда залежить від прискорення вільного падіння і висоти по'ема інструменту ( 0,8-1 м).


Верстати обертального буріння шарошечні долотами.

До верстатів обертального буріння відносяться верстати шарошечного буріння, призначені для буріння вертикальних і похилих свердловин в породах середньої міцності і міцних . Руйнування породи здійснюється шарошечним долотом, під час обертання якого при постійному зусиллі подачі зуби шарошок сколюють і розчавлюють гірську породу.

Верстати шарошечного буріння ( рис. 2.3 ) мають шарошечне долото 1, укріплене на кінці штанги 2 . Обертач 3 повідомляє штанзі обертання, а механізм подачі 4 подає її на забій. Зруйнована гірська порода віддаляється стисненим повітрям або водоповітряною сумішшю, що надходить у свердловину по пустотілим буровим штангах .

На верстатах є гідро-і пневмосистеми, пиловловлюючі установки, машинне приміщення, електрообладнання, кабіна машиніста з пультом керування і ходове обладнання . Верстати шарошечного буріння дозволяють бурити з високою продуктивністю в різноманітних гірничо - геологічних умовах. Відрізняються ці верстати між собою конструкцією обертально - подає механізму, що визначає частоти обертання і швидкості подачі інструменту, величинами осьових зусиль подачі, що крутять моментів і ін.

Рис. 2.3. Конструктивна схема верстата обертального буріння шарошечні долотами.

Сутність буріння цими верстатами полягає в наступному. Буровий інструмент обертається від двигуна через редуктор і одночасно подається на забій механізмом подачі або під дією ваги приводу обертача і бурового ставу, що складається з послідовно з'єднаних шнекових штанг і резцовой головки. Ці верстати часто називають верстатами шнекового буріння.

Шнековая штанга виконується у вигляді стрижня, до зовнішньої поверхні якого по гвинтових, лінії приварена сталева стрічка. Різцева головка представляє собою корпус з двома або кількома пір'ям і хвостовиком. Ріжучі кромки пір'я армуються пластинками твердих сплавів або наплавленням твердого сплаву. Хвостовик служить для приєднання резцовой голівки до шнековою штанзі.

Верстати обертального буріння різцеву коронками (рис. 2.4) мають обертач У, своїми лапами ковзає по вертикальних напрямних 2. Підйом обертача виробляється лебідкою за допомогою підйомного каната, що утворює поліспаст 3. У патроні обертача зміцнюється шнекова штанга 4 з прикріпленою до неї коронкою 5. Зруйнована порода віддаляється з свердловини на поверхню шнеком.

Такі верстати можуть бурити вертикальні, похилі і горизонтальні свердловини тільки по м'яких порід.

Існують верстати обертального буріння горизонтальних свердловин і машини для шнекобуровой виїмки вугілля з тонких пластів потужністю від 0,6 до 2 м. Основна їх особливість полягає в наявності механізму подачі. У нашій країні такі верстати поширення поки не отримали і є лише в одиничних екземплярах.

Рис. 2.4. Конструктивна схема верстата обертального буріння різцевими коронками.

Домашне завдання

- В.А.Бритарев, В.Ф.Замышляев «Горные машины и комплексы», стр. 16-19; 22-26

- конспект.

Контрольні питання

1.Де переважно застосувуються верстати ударно-канатного буріння?

. Поясніть принцип дії та що входить до складу верстата ударно-канатного буріння?

. Поясніть принцип дії та що входить до складу верстата шарошечними долотами?

.Для чого призначенні верстати обертального буріння шарошечні долотами?

. Поясніть які верстати називають верстатами шнекового буріння?

. Поясніть принцип дії та що входить до складу верстата обертального буріння різцевими коронками?

.Які ви знаете основні недоліки верстатів?


Тема 3.1 Загальні відомості про очисні комбайни

Очисний комбайн - це комбінована гірська машина, яка механізуються одночасно технологічні операції в очисному вибої по відділенню корисної копалини від масиву пласта і вантаження його на транспортну машину .

Основні функціональні елементи сучасних комбайнів ( рис. 2.2) : виконавчий орган 1, який здійснює руйнування (відділення від масиву пласта ) корисної копалини і, як правило, навантаження його на забійну транспортну машину ; механізм подачі 6 (переміщення вздовж лінії очисного вибою або на забій) комбайна і привід, що складається з одного або декількох електродвигунів 5 (або пневмодвигун ) і редукторів 4, 2, передавальних крутний момент від двигунів на вали виконавчого органу та ведучої зірочки (або цевочного колеса) механізму подачі. Комбайн має також опорні лижі 3 та навантажувальні щитки 8 (у робочому положенні) і 7 (у транспортному положенні).

По ширині захоплення В3 виконавчого органу ( див. рис. 2.2) розрізняють комбайни широко - і узкозахватний . Перші мають ширину захвату більш 1м ( 1,6,1,8,2 м), другі - до 1 м.

В даний час широкозахватні комбайни майже повністю витіснені сучасними вузькозахватними комбайнами .

Узкозахватний комбайн - основна машина сучасних очисних механізованих комплексів .

Залежно від кута падіння пласта розрізняють комбайни для пологопохила ( кут падіння до 35 °) і крутопохилих ( кут падіння більше 35 °) пластів. При кутах падіння пластів до 35 ° необхідне застосування механічних засобів доставки вугілля з очисного вибою. При кутах падіння понад 35 ° вугілля переміщається вниз по очисному забою під дією гравітаційних сил.

За потужністю виймаються пластів Нпл розрізняють комбайни для тонких пластів Н < 1,2 м, для пластів потужністю Нпл = 1,2 ÷2,5 м і пластів Нпл > 2,5 м.

Виконавчі органи очисних комбайнів працюють у важких умовах, так як їм доводиться руйнувати не тільки вугілля з опірністю різанню від 60 до 350 кН / м, але і породні прошарки і включення, що містяться в пластах і мають високі міцність і абразивність.


До виконавчих органів пред'являється ряд вимог:

-        руйнування масиву пласта вугілля на транспортабельні шматки з одночасним навантаженням гірничої маси на доставкові кошти при простих конструктивних рішеннях;

-        висока надійність і продуктивність з руйнування і навантаженні вугілля;

-        невелике подрібнення вугілля при малій питомій витраті енергії і мале пилоутворення ;

-        високий механічний коефіцієнт корисної дії ;

-        можливість здійснення самозарубкі виконавчого органу в пласт, зручності регулювання його за потужністю пласта в процесі роботи комбайна та забезпечення роботи комбайна як по човниковій, так і по односторонній схемі;

-        висока технологічність виготовлення, надійне кріплення різців у різцетримачі і зручність їх заміни при зносі або інших механічних пошкодженнях ;

-        безпечне застосування в шахтах, небезпечних по газу і пилу.

Зазначеним вимогам найбільшою мірою відповідають шнекові виконавчі органи з горизонтально розташованими осями обертання, які отримали переважне застосування в сучасних очисних узкозахватних комбайнах .

Шнек ( рис. 2.3 ) складається з труби 1, на яку приварені (або відлиті ) гвинтові лопаті 2, несучі кулаки 3 для закріплення в них різців. Гвинтові лопаті здійснюють вантаження відбитого різцями вугілля на забійний конвеєр . Випускаються шнеки у двох виконаннях, що відрізняються напрямком гвинтових лопатей, для роботи в правому і лівому забоях. З забійного торця шнека розташовується диск (лобовине ) 4, на якому встановлюється збільшене число різців 5 для обробки куткової частини вибою.


Щоб здійснити фронтальне впровадження шнеків у вугільний пласт, не виконуючи комбайном косих заїздів, в лобовине шнека робляться прорізи.

Конструктивні параметри шнекових виконавчих органів наступні: діаметр виконавчого органу Dш м (діаметр шнека по кінцях, встановлених на ньому різців); внутрішній діаметр навантажувальної лопаті (діаметр маточини шнека) dш, м; товщина гвинта шнека δш, м; число заходів шнека Nз (зазвичай два або три); кут підйому гвинта шнека аш, градус.

Корисна ширина захвату шнеків В3 становить: 0,5; 0,63; 0,8 м.

При виїмці потужних пластів застосовуються шнеки зазвичай з невеликою шириною захвату - 0,5 м. Для пластів потужністю до 1 м ширина захвату становить 0,8 м.

Основні переваги шнекових виконавчих органів: поєднання функцій відділення вугілля від масиву пласта і вантаження його на конвеєр; зручність регулювання за потужністю пласта; можливість здійснення самозарубкі; безвідмовність і досить високий технічний ресурс.

При правильно обраних конструктивних і режимних параметрах власне шнеками можна занурити до 60-70% відбиваної гірничої маси. Для збільшення повноти вантаження застосовують додатково навантажувальні пристрої 8 (див. рис. 2.2), що утримують відбитий вугілля в зоні роботи шнека.

Поряд зі шнековими застосовуються також барабанні виконавчі органи. Барабанний виконавчий орган з горизонтальною віссю обертання являє собою циліндр, на зовнішній поверхні якого в певній послідовності закріплені кулаки з різцями. Він простий за конструкцією, але не може вантажити вугілля на конвеєр і забезпечувати самозарубку комбайна у вугільний пласт. Тому барабанні виконавчі органи застосовують в очисних комбайнах для виїмки вугілля з крутих пластів при роботі за односторонньої схемою знизу - вгору, коли виключається вивантаження вугілля з уступу вибою.

Барабанні виконавчі органи з вертикальною віссю обертання застосовують на комбайнахМКб7М і КА80.

Робочим інструментом виконавчих органів очисних комбайнів є різці різної конструкції. По виду різці очисних комбайнів підрозділяють на радіальні і тангенціальні (рис. 2.4).

Рис.2.4. різці: а - радіальні, б - тангенціальні

Радіальні різці (рис. 2.4, а) встановлюються в різцетримача (кулаках) виконавчого органу по радіусу шнека або барабана. При цьому вісь державки різця перпендикулярна до лінії різання. Тангенціальні різці (рис. 2.4, б) встановлюються в різцетримача під гострим кутом до радіусу. Вони призначені для відділення вугілля стружками великого перерізу і тому застосовуються на очисних комбайнах при роботі на вугіллі не вище середньої міцності (з опірністю вугілля різанню до 200-250 кН / м).

Конструкції різців, що встановлюються на виконавчих органах очисних комбайнів, показані на рис. 2.5.

Різець радіальний однолезвійний РО-65 призначений для виконавчих органів комбайнів для виїмки тонких пластів будь абразивності з опірністю різанню до 350 кН / м для крихких і 300 кН / м для в'язких вугілля.

Різці ЗР4-80 і ЗР2-80 мають збільшений до, 80 мм виліт різця, призначені для очисних комбайнів, що мають підвищену енергоозброєність і працюють при великому перетині зрізу. Можуть працювати на вугіллі будь абразивності з опірністю різанню до 300 кН / м і міцність можливих породних включень ƒ ≤3 при їх сумарної потужності не більше 10% від виймаємо потужності пласта.

Різець тангенціальний ИТ125С з вильотом 125 мм призначений для шнекових виконавчих органів сланцевидобувних комбайнів при виїмці сланцю з опірністю різанню до 350 кН / м і вугледобувних комбайнів при виїмці вугілля з, опірністю різанню 300 кН / м.

Тангенціальний обертовий різець РКС1 призначено прохідницьких комбайнів, але застосовується і для установки на шнеках очисних комбайнів. Різці КБ-01 використовують в якості торцевих різців на шнеках, що дозволяють здійснювати фронтальну самозарубку комбайна у вугільний пласт.

Різець УМК-90 призначений для барабанних виконавчих органів з вертикальними осями обертання.

Домашне завдання

- Л.И.Кантович, В.Н. Гетопанов «Горные машины», стр. 63-66

конспект.

Контрольні питання

1.Дайте визначення, що таке очисний комбайн?

. Основні функціональні елементи сучасних комбайнів?

. Які вимоги пред’явленні до виконавчих органів?

.З чого складається шнек?

. Які основні переваги шнекових виконавчих органів?

. Що таке барабанний виконавчийорган?

. Робочим інструментом виконавчих органів очисних комбайнів є..?


Змістовий модуль 4. Гірничопрохідницькі машини

Тема 4.1. Загальні відомості про гірничопрохідницькі машини

Щорічно на вугільних шахтах країни проводиться близько 6000 км підготовчих виробок, споруджується близько 30 км вертикальних і капітальних горизонтальних гірських вироблень.

Проведення підготовчих виробок здійснюється прохідницькими комбайнами і комплексами з буропідривних способом руйнування і завантаженням зруйнованої гірської маси навантажувальними машинами.

З ростом комбайнового способу проведення виробок число навантажувальних машин на шахтах скоротилося, але продовжує залишатися ще досить великим. Таке положення пояснюється головним чином тим, що основний спосіб проведення підготовчих виробок по породах, а також з присіканням бічних порід з коефіцієнтом міцності ƒ ≥7 ÷8 - це буропідривний спосіб із застосуванням навантажувальних машин .

При проведенні підготовчих виробок розрізняють основні і допоміжні виробничі процеси . До основних відносяться : руйнування, вантаження гірничої маси, кріплення виробки, до допоміжних - настілка шляхів ( спорудження транспортних комунікацій), вентиляція, водовідлив, доставка устаткування та матеріалів.

Засоби механізації основних прохідницьких операцій: машини і механізми для буріння і зарядки шпурів і свердловин; навантажувальні машини; машини та механізми для тимчасового та постійного кріплення гірничих виробок; прохідницькі комбайни; комплекси для проведення горизонтальних і похилих виробок ; щитові прохідницькі комплекси та комплекси устаткування для спорудження тунелів . До засобів механізації допоміжних прохідницьких операцій відносяться: колієукладачі ; машини для спорудження водовідливних канавок, прокладки труб, кабелів; машини для дренажних робіт ; механічні гайковерти та ін.

Залежно від взаємозв'язку виконуваних процесів можуть бути дві основні технологічні схеми проведення виробок - циклічна і потокова

При циклічній технології основний процес виїмки гірської маси здійснюється з перервами, викликаними необхідністю виконання інших операцій, які не можуть бути суміщені з основними. До циклової технології відносяться всі випадки проведення підготовчих виробок буропідривних способом, а також комбайнова проходка виробок в умовах, коли для зведення тимчасової або постійної крепі потрібні перерви в роботі комбайна.

При потокової технології всі виробничі процеси поєднують в часі, що дозволяє практично безперервно витягувати гірську масу з забою виробки. Тому для прискорення темпів ведення гірничопрохідницьких робіт необхідна комплексна механізація не тільки основних, але і допоміжних процесів .

Спосіб проведення виробки та конструктивні параметри прохідницького обладнання залежать від міцності порід, по яких проводиться вироблення, розмірів, форми перерізу виробки і її протяжності. При породах з коефіцієнтом міцностіƒ> 8 застосовується, як правило, буропідривною спосіб проведення виробок. При повністю породному вибої і породах з коефіцієнтом міцності 6 <ƒ< 8 можуть застосовуватися прохідницькі комбайни бурового типу. Якщо ж доводиться прісекать породи зазначеної фортеці в обсязі до 30% площі вибою або породи фортецею 4 <ƒ< 6 в обсязі до 70 % площі вибою, то можуть використовуватися прохідницькі комбайни із стрілоподібним виконавчим органом важкого типу .

Виробки зі змішаним забоєм при міцності порід ƒ < 4 можуть проводитися комбайнами легкого типу із стріловидними виконавчими органами .

Міцність порід впливає також на вибір бурильних і навантажувальних машин при буропідривному способі проведення виробок.

Конструкції гірничопрохідницьких машин і комплексів повинні за своїми габаритами задовольняти вимогам правил безпеки; мати, як правило, дистанційне та автоматизоване управління ; забезпечувати заданий напрямок проведення виробки ; забезпечувати боротьбу з пилом, шум і вібрацію в межах санітарних норм .

Навантажувальні машини безперервної дії - це машини з нагортаючими лапами ; перевага їх - більш висока продуктивність, ніж у ковшових машин, але разом з цим вони мають складнішу конструкцію і вищу вартість .

Машини з нагортають лапами випускаються двох основних типорозмірів - 1ПНБ ( 1ПНБ2, 1ПНБ2У, 1ПНБ2Д ) і 2ПНБ ( 2ПНБ2, 2ПНБ2У) .

Машини першого типорозміру призначені для навантаження на транспортні засоби відокремленою гірничої маси з коефіцієнтом фортеці ƒ <6 і розміром кусків не більше 400 мм, а другого типорозміру - гірської маси з ƒ < 12 і крупністю шматків до 500 мм.

Машини 1ПНБ2, 1ПНБ2Д ( з дистанційним управлінням ) і 2ПНБ2 вантажать гірську масу у вагонетки, на конвеєр і інші транспортні засоби при проведенні горизонтальних і похилих (до 10 °) виробок. У виконаннях 1ПНБ2У і 2ПНБ2У машини випускаються в комплекті з запобіжними лебідками і використовуються при проведенні похилих з падіння з кутом до 18 ° виробок.

Всі вантажні машини з нагортають лапами мають гусеничне ходове обладнання, електричний привід і ідентичну компоновку.

Вантажна машина 2ПНБ2 ( рис. 3.3 ) складається з наступних основних елементів: робочого органу ( нагортають лап ) 1 зі столом живильника 14, ходового обладнання 7, конвеєра 17, електрообладнання 20, гідросистеми 4, рукояток управління 3 та зрошення 21 . Нагортають частина складається з рами 12, редукторів лап 13, проміжних редукторів 2, лап з лаштунками 1 і двигунів 77.

Ходова частина має редуктор з електродвигуном, раму 8, балансири 9 і гусеничні ланцюги 10 . Скребковий конвеєр виконаний у вигляді з'єднаних шарнірно поворотного столу 15, проміжної 5 і хвостовій 6 секцій, що дозволяє встановлювати розвантажувальний кінець стріли конвеєра в необхідне положення по відношенню до транспортних засобів. Привід конвеєра складається з редуктора 16 і приводний головки 19, з'єднаних між собою шарнірним телескопічним валом 18 .

Електрообладнання машини виконано в рудниковому вибухо - безпечному виконанні на напругу 380 або 660 В.

Основні технічні дані навантажувальних машин з нагортають лапами наведено в табл. 3.2.

Параметри

1ПНБ2

1ПНБ2У

2ПНБ2

2ПНБ2У

Продуктивність технічна, м³ / с (м³/хв), з кутом нахилу виробок, градус: від 0 до 10від 10 до 18

0,037 (2,2)-

0,037 (2,2) 0,021(1,25)

0,042 (2,5) -

0,042(2,5)  0,021(1,25) 

Встановлена ​​потужність, кВт

33,5

50,5

67

84*

Ширина захвату робочого органу,мм, не більше

1800

1800

2000

2000

Робоча швидкість переміщення машини, м / с

0,17

0,17

0,15

0,15

Найбільша висота кінця стріли конвеєра над грунтом, мм

2030

2030

2980

2980

Основні розміри машини в транспортному положенні, мм не більше: ширина  висота

1800 1250

1800 1350

2000 1450

2000  1450 

Маса, кг, не більше

7000

7500

12000

12500


До буровантажних відносяться вантажні машини, на які встановлюється навісне бурильне обладнання, і які по черзі можуть виробляти обурівання забою і навантаження породи.

Використання комбінованих буровантажних машин скорочує число застосовуваних у прохідницькому забої машин і необхідність обміну у вибоях підготовчих виробок бурильних установок і навантажувальних машин.

Буровантажні машини класифікуються за типом базових навантажувальних машин; за типом навісного бурильного обладнання - знімне або незнімна; за кількістю маніпуляторів і бурильних машин; за типом головки бурильної машини; по області застосування - для слабких, середніх і міцних порід; за родом енергії - електричні, пневматичні, гідравлічні.


Навісне обладнання складається з бурильних машин, гідравлічних маніпуляторів, поворотних пристроїв, пультів управління - загальних і маніпуляторами.

Особливість конструкцій маніпуляторів буровантажних машин - синхронізація рухів їх складання і повороту бурильної машини.

При складеному маніпуляторі бурильна машина має осі навантажувальної машини .

Незнімним навісним бурильних обладнанням зі складними маніпуляторами оснащуються в основному вантажні машини безперервної дії .

На ковшових навантажувальних машинах застосовується зазвичай знімне навісне бурильне обладнання, що встановлюється на час буріння шпурів .

Для проведення виробок у породах з коефіцієнтом міцності ƒ < 8 застосовують електричні бурильні машини обертального дії, в породах з ƒ= 8÷16 і більше - обертально - ударні та ударно - обертальні бурильні машини .

Буровантажні машини мають звичайно один або два маніпулятора і комплектуються однією, двома і чотирма бурильними машинами.

У СРСР в даний час випускаються буровантажні машини 1ПНБ2Б, 1ПНБ2Бс і 2ПНБ2Б забезпечені одним маніпулятором .

Буровантажні машини 1ПНБ2Б і 1ПНБ2Бс виконані на базі навантажувальної машини 1ПНБ2 і додатково оснащені бурильних обладнанням для буріння шпурів при буропідривному способі проведення виробок.

Машина 1ПНБ2Бс є модифікацією машини 1ПНБ2Б для сланцевих шахт і забезпечує процес фронтального і флангового буріння. Обидві Буровантажні машини оснащуються електричними бурильними машинами обертальної дії .

Система пилоподавлення при бурінні шпурів машини 1ПНБ2Б передбачає розводку промивального шланга для здійснення промивки шпуру, а в машині 1ПНБ2Бс в зоні буріння встановлена форсунка для зрошення устя шпуру . Машини комплектуються насосом системи зрошення.

Сумарна потужність двигунів Буровантажні машин 1ПНБ2Б і 1ПНБ2Бс становить відповідно 41 і 48,5 кВт:

Буровантажні машина 2ПНБ2Б (рис. 3.4 ) виконана на базі навантажувальної машини 2ПНБ2 і призначена для механізації процесів буріння шпурів і навантаження гірської маси з розміром шматків до 500 мм при проведенні горизонтальних і похилих (± 8 °) гірських виробок.

Навісне бурильне обладнання включає в себе опорну частину 5, стрілу маніпулятора 4, дві змінні бурові установки - електричну 3 обертального дії ( для порід з ƒ = 6 ÷ 8) і пневматичну 7 обертально - ударної дії ( для порід з ƒ = 8 ÷12 ), пульт управління 6, гідроразводка 2, систему зрошення 1 .

Гідравлічна система навісного обладнання отримує харчування від насосної станції навантажувальної машини . Стиснене повітря для пневматичної бурильної машини подається з магістрального трубопроводу, прокладеного у виробці. При бурінні шпурів пило- придушення здійснюється подачею води через порожнисту бурову штангу в шпур . Сумарна потужність двигунів Буровантажні машини становить 74,5 кВт .

Керування навантажувальним органом машини - двостороннє, навісним обладнанням - одностороннє .


Прохідницькі комбайни служать для механізованого проведення підготовчих виробок на вугільних шахтах, рудниках, а також тунелів при будівництві підземних споруд.

Комбайновий спосіб проведення виробок найбільш прогресивний, оскільки дозволяє поєднати в часі найбільш важкі і трудомісткі операції з руйнування вибою та прибирання з нього гірничої маси. Крім того при комбайновому способі проведення виробок істотно підвищується стійкість останніх, так як монолітність порід у масиві порушується меншою мірою, ніж при буропідривних роботах. Остання обставина дозволяє знизити витрати на підтримку виробок.

Прохідницькі комбайни за основними класифікаційними ознаками підрозділяються:

- за способом обробки вибою виконавчим органом - на виборчого ( циклічного) дії з послідовною обробкою поверхні забою і бурового ( безперервного ) дії з одночасною обробкою всій поверхні вибою;

по міцності порід руйнованого гірського масиву - для роботи по вугіллю і слабкою руді з прошарками і присіканням слабких порід ( ƒ < 4 ), для роботи по породах середньої міцності ( ƒ = 4÷8 ) і по міцних породах ( ƒ > 8);

по області застосування - для проведення основних і допоміжних підготовчих виробок по корисного викопні і змішаним забоєм, для проведення основних і капітальних виробок і тунелів по породі і для здійснення нарізних робіт по корисній копалині ;

за площею перерізу проведених виробок (у проходці ) - для проведення виробок від 5 до 16 м2, від 9 до 30 м2 і більше 30 м2.

Крім перерахованих основних ознак комбайни можуть також підрозділятися за встановленою потужності приводу конструкції виконавчого, навантажувального органів та органів переміщення.

Прохідницькі комбайни з виконавчими органами виборчого дії застосовуються переважно для проведення виробок по породах з коефіцієнтом міцності ƒ < 8, при необхідності зміни в широкому діапазоні розмірів і форми перерізів виробок, а також роздільного виймання корисної копалини і породи.

Прохідницькі комбайни з буровими виконавчими органами безперервної дії застосовуються для проведення виробок постійного перетину круглої або арочної форми.

Домашне завдання

- Л.И.Кантович, В.Н. Гетопанов «Горные машины», стр. 132 -133; 137-139; 141-146.

- конспект.

Контрольні питання

1. При проведенні підготовчих виробок розрізняють які виробничі процеси?

. Що входить до основних виробничих процесів?

. Що входить до допоміжних виробничих процесів?

. Що відбувається при циклічній технології?

. Що відбувається при потоковій технології?

. Навантажувальні машини безперервної дії, їх переваги?

. З яких основних елементів складається вантажна машина?

. Класифікація буро вантажних машин?

. Що входить до складу та для чого призначена буровантажна машина 2ПНБ2Б?

. Для чого використовують прохідницькі комбайни?

. За якими основними ознаками класифікуються прохідницькі комбайни?

Змістовий модуль 5. Гірничі машини та комплекси для відкритих видобуток корисних копалин

Тема 5.1 Екскаватори

КЛАСИФІКАЦІЯ ГІРНИЧИХ МАШИН.

Гірничодобувна промисловість характеризується інтенсивним розвитком відкритого способу розробки корисних копалин. Базою для підвищення продуктивності праці на відкритих розробках є механізація і автоматизація всіх основних і допоміжних робіт, зростання одиничних потужностей гірських машин, перехід від впровадження окремих машин до створення та запровадження взаємопов'язаних своїми робочими параметрами і технологічними функціями систем машин .

Основні типи гірських машин, що використовуються для видобування корисних копалин відкритим способом: бурові верстати, виемочно -навантажувальні і виемочно - транспортуючі машини . Бурові верстати, що входять до групи бурильних машин, використовуються для проведення робіт з підготовки гірських порід до виїмки .

До класу виемочно -навантажувальних машин відносяться екскаватори, поява яких походить від латинських слів " ех " і " саvео ", що означають " викапивателем " . Екскаватор - основний засіб механізації при відкритому видобутку вугілля, руди та будівельних матеріалів.

Екскаваторами називаються землерийні машини, призначені для копання (екскавації) і переміщення гірської маси у відвал або для навантаження в транспортні засоби.

Всі екскаватори діляться на дві великі групи: одноковшові періодичного (циклічного) дії та багатоковшеві безперервної дії.

Одноковшеві екскаватори виробляють копання малосвязних або черпання зруйнованих міцних порід і їх переміщення послідовно, перериваючи копання на час переміщення грунту; багатоковшеві екскаватори ці операції виконують одночасно. Одноковшеві екскаватори завдяки своїй універсальності отримали більш широке поширення, застосування ж багатоковшевих екскаваторів обмежено.

Будь екскаватор, одноківшовий або багатоковшовий, складається з наступних основних частин: робочого, механічного, ходового і силового обладнання, механізмів управління, платформи з рамою, надбудови і кузова.

Екскаватори призначені для зачерпування гірської маси, переміщення її на відносно невеликі відстані і навантаження в транспортні засоби або відсипання у відвал .

У створенні сучасних екскаваторів велику роль зіграли винаходи російських вчених та інженерів. Вперше у світі в 1809 р. був створений " копальні ківш " з ручним приводом, який застосовувався при розробці піску на Дніпрі і є прототипом сучасних екскаваторів.

У Росії в 1812 р. на Ижорском заводі за проектом інженера А.Бетанкура була побудована парова землечерпалка, що застосовувалася в Кронштадті.

Американський інженер В.Оттіс отримав в 1833 р. патент на " кранову лопату ", в 1836 р. за його кресленнями був побудований перший одноківшовий екскаватор .

Екскаватори діляться на дві великі групи: машини періодичної (циклічного) дії; машини безперервної дії.

Групу машин періодичної дії становлять одноковшові екскаватори, безперервної дії - багатоковшеві екскаватори .

Будь екскаватор, одно-або багатоковшовий, складається з наступних основних частин: робочого, механічного, ходового і силового обладнання, механізмів управління, рами і кузова.

Існуючі екскаватори класифікують за такими ознаками: призначенням і роду виконуваної роботи ; місткості ковша ( одноковшові ) або теоретичної продуктивності ( багатоковшеві ) ; видами робочого, ходового і силового обладнання ( табл. 4.1) .

Значення місткості ковша одноківшових екскаваторів і теоретичної продуктивності багатоковшевих роторних екскаваторів наведено в табл. 4.1 для вітчизняних Екскватори .

Одноковшеві екскаватори по конструкціях робочого обладнання діляться на дві групи. До першої належать екскаватори, у яких ківш закріплений на жорстких балках ( стріла і рукоять ) і поетів ¬ того має примусову траєкторію руху: пряма лопата, зворотна лопата.

До другої групи належать екскаватори, мають гнучку зв'язок ( канати ) ковша з машиною, - драглайни, грейфер, кран, копер . У цих екскаваторів траєкторія руху ковша визначається вагою ковша і властивостями гірських порід.

Багатоковшеві екскаватори за способом обробки вибою можуть бути верхнього копання, нижнього копання, верхнього і нижнього копання.

За характером руху робочого органу - поздовжнього копання, у яких напрямок робітничого руху збігається з напрямком переміщення екскаватора ; - поперечного копання, у яких напрямок робочого руху ( ротора, ланцюги, скребка ) перпендикулярно до напрямку переміщення екскаватора, радіального копання, у яких робочий орган ( ротор, ковшова ланцюг) повертається разом з верхньою будовою щодо бази машини.

Таблиця 4.1.


На відкритих гірничих роботах застосовуються переважно роторні і ланцюгові багатоковшеві екскаватори поперечного і радіального копання . До екскаваторів поздовжнього копання відносяться траншейні та фрезерні землерийні машини, призначені для прокладення траншей, будівництва каналів та інших земляних робіт.

На екскаваторах поздовжнього копання застосовується дизельне і дизель-електричне силове обладнання .

Виемочно - транспортуючими машинами (ВТМ ) називаються такі машини, які одночасно з відділенням (або після відділення ) гірської породи від масиву переміщують ( транспортують ) її, причому рух робочого органу в цей період здійснюється переміщенням всієї машини, як правило, за рахунок развиваемого нею тягового зусилля.

До групи ВТМ відносяться: бульдозери, скрепери, грейдери, фронтальні навантажувачі, розпушувачі .

Вважається економічним переміщати породу скреперами з гусеничними тягачами в межах 300-900 м, самохідними колісними скреперами - до 3-6 км, бульдозерами, при розташуванні відвалу під кутом 90 ° до осі руху, - на відстань не більше 150 м.

Фронтальні навантажувачі циклічної дії використовуються на вантаженні розпушених скельних порід в транспортні засоби або для доставки порід самостійно.

Одноковшові екскаватори. Одним з головних принципів відмінності одноківшових екскаваторів, визначають їх призначення та область застосування, є робоче обладнання. Залежно від призначення робоче обладнання одноківшових екскаваторів має різну конструкцію і кінематику. На універсальних екскаваторах можуть застосовуватися до 10 видів змінного устаткування. Однак екскаватори, вживані на відкритих роботах, мають, як правило, один основний вид спеціалізованого робочого обладнання.

Одноковшовий екскаватор складається з двох основних частин: нижньої ходової і верхній поворотній (рис. 5.1).

Ходова частина 1 сприймає і передає на підставу навантаження від ваги машини і виникають при роботі, а також забезпечує пересування екскаватора.

Поворотна частина складається з поворотної платформи 2 з механізмами та силовим обладнанням та робочого обладнання 3.

Поворотна платформа спирається через опорно - поворотний пристрій на ходовуюг раму і може повертатися в горизонтальній площині навколо вертикальної осі. Залежно від кута повороту поворотної платформи в горизонтальній площині екскаватори називають повноповоротними і неполнопо - воротними . Всі одноковшові екскаватори для відкритих гірських робіт робляться повноповоротними

Робочий процес одноківшевого екскаватора включає в себе робочий цикл і пересування екскаватора.

Робочий цикл складається з таких послідовних операцій:

копання породи і заповнення нею ковша ( черпання ) ;

виведення ковша із забою ;

поворот ковша до місця розвантаження;

розвантаження ковша в транспортний засіб або у відвал ;

поворот в забій ;

опускання ковша до місця наступної операції копання . Одноковшеві екскаватори за призначенням ділять на групи: будівельні універсальні, призначені для виробництва земляних і навантажувально-розвантажувальних робіт у будівництві, кар'єрні, розкривні і крокуючі ( драглайни ), застосовувані для відкритих гірських робіт .

Кар'єрні екскаватори призначені для роботи в кар'єрах на розробці рудних і вугільних родовищ, а також скельних порід. Екскаватори забезпечуються змінними ковшами для роботи в породах різної щільності.

Розкривні екскаватори призначені для проведення розкривних робіт з бестранспортной системі при розробці корисних копалин відкритим способом.

Крокуючі екскаватори ( драглайни ) призначені для розробки вибоїв, розташованих як нижче, так і вище горизонту установки екскаватора, і переміщення породи у відвал, а також переекскаваціі відвалів .

Типаж на одноковшові екскаватори передбачає створення екскаваторів наступних типів:

ЕО - будівельні гусеничні та пневмоколісні з ковшами місткістю 0,16-2,5 м3 ( шість базових моделей);

ЕКГС - кар'єрно -будівельні гусеничні з ковшами місткістю 1,25-8 м3 ( п'ять базових моделей);

ЕКГ - кар'єрні гусеничні з ковшами місткістю 2 - 20 м3 ( шість базових моделей);

ЕВГ - розкривні гусеничні з ковшами місткістю 15 - 100 м3 ( чотири базові моделі);

ЕШ - крокуючі драглайни з ковшами місткістю 4 - 125 м3 ( шість базових моделей).

В основу діючої системи індексації одноківшових екскаваторів закладена розмірна група машин, яка визначається місткістю ковша ( кар'єрні екскаватори ), а також довжиною стріли ( драглайни ) або радіусом черпання ( розкривні екскаватори ) .

Так, позначення ЕКГ -5А розшифровується : Е - екскаватор, К - кар'єрний, Г - гусеничний, 5 - місткість ковша в кубічних метрах ; А - індекс модернізації . Позначення ЕВГ-35/65 розшифровується : Е - екскаватор, В - розкривної, Г - гусеничний, 35 - місткість ковша в кубічних метрах, 65 - радіус черпання в метрах . Позначення ЕШ-100/100 розшифровується : Е - екскаватор, Ш - крокуючий, 100 ( чисельник) - місткість ковша в кубічних метрах, 100 ( знаменник ) - довжина стріли в метрах.

Основні види робочого обладнання одноківшових екскаваторів, застосовуваного на відкритих роботах, - пряма напірна лопата і драглайн. Більш обмежено використовують кран, грейфер, копер.
Випускають три види робочого обладнання прямої лопати: напірна пряма з висувною рукояттю, напірна колінно-важільна і безнапірна. Безнапірна лопата застосовується тільки в екскаваторах з невеликою (до 2 м³) місткістю ковша.

Пряма напірна лопата з висувною рукояттю (рис. 4.1) складається з ковша 7, рукояті 2, утримуваної сідловим підшипником 11 і деталям напірного механізму. Стріла 4 спирається на поворотну платформу з допомогою пятового шарніра 5 і підтримується в похилому положенні стріловим канатом 9, які проходять через блоки на кінці стріли і на двоногій стійці 8. Підйомний канат від лебідки Л1 проходить через головний блок 12 стріли і в точці В з підвіскою 13 ковша утворює рухливе ланка.

Залежно від системи напірного механізму та конструкції стріли розрізняють прямі лопати з зубчасто-рейковим механізмом напору і з канатним механізмом напору.

Зубчасто-рейковий механізм натиску (рис. 4.1, а) розташований на стрілі 4. Він передає зусилля на зубчасту рейку 3 рукояті 2 через кремальерного шестерню 10 з віссю обертання Оз і точки контакту А повзунів сідлового підшипника 11 з руків'ям.

Рукоять 2, поєднана зі стрілою сідловим підшипником 11, може повертатися навколо напорного валу Оз при підйомі і опусканні ковша і рухатися уздовж своєї осі - натиск і повернення ковша.

Поворотна платформа через роликовий коло 7 спирається на раму гусеничного ходового механізму 6. Під дією поворотного механізму платформа може повертатися навколо осі 0-0 в обидві сторони на будь-який кут.

На поворотній платформі змонтовані : підйомна Лх і стрілова Л2, лебідки, поворотний механізм ПМ, силове обладнання та механізми управління .

Ківш наповнюється при русі його під дією підйомного каната вгору по забою з положення I в положення II .

Потім екскаватор повертається на вивантаження . Ківш займає положення III, днище ковша відкривається і її вміст висипається . Після цього екскаватор повертається до вибою і ківш опускається у вихідне положення І .

У екскаваторах з канатним механізмом напору ( рис. 4.1, б) на поворотній платформі розташовується напірна лебідка 14 - Висування і повернення рукояті виробляються канатами 17 і 16, які огинають центральні блоки 19, закріплені на осі Ог і напівблоки 18 і 20, закріплені на рукояті .

Стріла 4 може бути нерозрізної або складатися з двох частин (верхній і нижній ), коли шарнір 0з ділить стрілу на дві частини. Стріла в цьому випадку підтримується підкосом 15 (пунктирна лінія на рис. 4.1,6 ) .

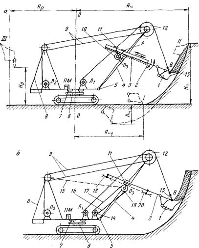
Розміри забою екскаватора і його положення щодо забою і транспортних засобів визначаються робочими розмірами екскаватора.

Основні робочі розміри прямої механічної лопати : Rч - радіус черпання (відстань від осі обертання екскаватора до ріжучої крайки зубів ковша ) ; Rч.у. - радіус черпання на рівні стояння екскаватора (відстань від осі обертання до кромки ковша при положенні його на рівні стояння екскаватора ) ; Rр - радіус розвантаження ( відстань від осі обертання до середини ковша ) ; Нч - висота черпання (відстань від горизонту установки екскаватора до ріжучої крайки зубів ковша ) ; hч - глибина черпання ; Нр - висота розвантаження ( відстань від горизонту установки екскаватора до нижньої кромки відкритого днища ковша ) .

Рис.4.1. Конструктивні схеми екскаваторів типу пряма напірна лопата з висувною рукояттю: а - з зубчасто-рейковим механізмом напору; б - з канатним механізмом напору.

Глибина черпання прямої лопати зазвичай має незначну величину, тому такі екскаватори працюють у вибоях, розташованих вище рівня стояння екскаватора. Робочі розміри екскаватора залежать від довжини стріли, рукояті і від кута нахилу стріли. У прямої лопати кут нахилу стріли зазвичай дорівнює 45, але може змінюватися за допомогою стрілової лебідки Л2 і канатів 9 ( рис. 4.1 ) від 30 до 60 °.

Прямі напірні колінно -важільні лопати ( мал. 4.2 ) мають рукоять, кінематично не пов'язаний із стрілою і переміщається між стійками Двобалочний нерозрізної стріли. Такі лопати поширені з двома системами подачі : зубчасто - рейкової ( рис. 4.2, а ) і канатної ( рис. 4.2, б). Елементи робочого устаткування : ковща 1, рукоять 2, стріла 3 з головними блоками 9 та п'ятою 4, балансир 5, підвіска 11 ковша, стріловий поліспаст 7, підйомний канат 10 . Сідловий підшипник А винесений на двоногу стійку, а подача рукояті - на забій здійснюється напірної балкою 8, переміщуваної допомогою або зубчасто - рейкової системи 6 (див. рис. 4.2, а) або системи канатів 12 і 13 ( див. рис. 4.2, б ) .

Рис.4.2. Конструктивні схеми коліно-важільних напірних лопат: а - з зубчасто-рейковим механізмом напору; б - з канатним механізмом напору.

Напірний механізм передає зворотно- поступальний рух балці 8, шарнірно з'єднаної з балансиром 5 . Рукоять і ківш образуюх обертальні пари в точках D і В. Ковш підвішується до підіймального канату 10 через підвіску 11 ковша. Колінно -важільний механізм відтворює рух прямої лопати в результаті обертового руху кремальерного шестерні навколо осі О1 і барабана підйомної лебідки Л1 (див. рис. 4.2, а) або в результаті обертання барабанів лебідок звелів і Л (див. рис. 4.2, б). Траєкторії копання визначаються в результаті поєднання поворотного щодо точки D і поступального щодо седлового підшипника А рухів напірної балки 10 рукояті .

Гідравлічні екскаватори обладнуються прямого і зворотного механічну лопатами. Траєкторія копання цих екскаваторів утворюється поєднанням переміщень не тільки ковша і рукояті, але і стріли. У кінематичному відношенні нерухомим ланкою виконавчого механізму екскаватора є поворотна платформа. Повороти і переміщення стріли, рукояті і ковша здійснюються гідродомкратами .

Ківш прямої лопати ( мал. 4.3 ) складається з днища 1, задньої 2 і передньої 6 стінок, двох обойм з блоками 4 і коромисла 3 .

Передня стінка ковша відливається з високомарганцовістой сталі, а задня - з вуглецевої сталі. Обидві стінки з'єднані стикових зва -ним швом і утворюють корпус ковша. Верхній і нижній пояси передній стінки наплавляються твердим сплавом, що дозволяє істотно підвищити термін її служби.

На верхній кромці передньої стінки встановлюються змінні зуби 5, виконані з високомарганцовістой сталі. Зуби виготовляються суцільнолитими або зі змінними наконечниками. Після затуплення зуб або наконечник знімають і повертають на 180 ° - Зуб вважається зносом, якщо кут його загострення перевищує 60.

За способом розвантаження розрізняють ковші із вільнопадаючою і маятниковим днищами . Найбільшого поширення отримала перша конструкція внаслідок менших втрат часу на розвантаження ковша. Друга конструкція днища застосовується при необхідності забезпеня поступової розвантаження.

Днище ковша являє собою плиту, відлиту з легованої сталі і посилену ребрами.

Рис.4.3. Ковш прямої напірної лопати

На плиті відлиті напрямні для кріплення засува і важелів механізму відкривання днища, а також припливи для кріплення петель днища. Засув відкривається за допомогою важеля і ланцюги .

Підвіска ковша здійснюється або за допомогою блоку, обойма якого кріпиться до вушка верхньої кромки задньої стінки ковша (будівельні екскаватори ), або за допомогою коромисла, вушка якого кріпляться до бічних стінок, або ж за допомогою блоків, обойми яких закріплені так само в бічних стінках .

Рукоять екскаватора служить для передачі на ківш напірного, а на гідравлічних Екскватори - і підйомного зусиль. Рукояті прямих лопат бувають Однобалочний (внутрішні ) і Двобалочний (зовнішні) .

Однобалочний рукоять складається з балки, до передньої частини якої приварена кінцева виливок .

Двохбалочна рукоять зовнішнього типу охоплює стрілу зовні і є зварною конструкцією з двох балок прямокутного або круглого перерізу, з'єднаних між собою кінцевий відливанням .

У передній частині кінцевих виливків одно-і двобалкових рукоятей є вушка для кріплення ковша.

Конструкція стріли екскаваторів типу пряма напірна лопата з висувною рукояттю визначається конструкцією рукояті . На екскаваторах, що мають Однобалочний внутрішню рукоять, стрілу роблять Двобалочний ; при зовнішній Двобалочний рукояті стріла Однобалочний .

Одно- і двобалочні стріли можуть бути круглого і прямокутного перетинів. Стріли мають розставлені опорні вушка, а для поліпшення їх стійкості іноді застосовують бічні відтяжки .

Домашне завдання

- Л.И.Кантович, В.Н. Гетопанов «Горные машины», стр. 168 -195.

В.А.Бритарев, В.Ф.Замышляев «Горные машины и комплексы», стр. 53-116.

конспект.

Контрольні питання

1.Які ви знаєте основні типи гірських машин?

. Дайте визначення, що називають екскаватором?

. Для чого призначенні одноковшеві екскаватори?

. На які групи діляться екскаватори? Опишить їх.

. З чого складається екскаватор?

. На які групи поділяються одноковшеві екскаватори за робочим обладнанням? Опишить їх.

. За характером руху екскаватори бувають?

. Що означає скорочення ВТМ, дайте визнаення?

. Що входить до групи ВТМ?

. З чого складається одноковшевий екскаватор?

. З яких операцій складається робочий цикл?

. Для чого призначенні кар’єрні екскаватори?

. Для чого призначенні крокуючі екскаватори?

.Які ви знаєте основні види робочого обладнання одноковшевого екскаватора?

. Склад та принцип дії екскаватора з канатним механізмом опору?

. Склад та принцип дії екскаватора з зубчато-рейковим механізмом?

Тема 5.2 Вилучно-транспортні машини

ЗАГАЛЬНІ ВІДОМОСТІ.

ВТМ призначені для розробки і переміщення малосвязних або добре розпушених скельних порід.

ВТМ складаються з базових тракторів, тягачів або спеціальних шасі і навісного, причіпного, напівпричіпного робочого обладнання .

До робочому обладнанню ВТМ відносяться: бульдозери, скрепери, грейдери- елеватори, струги (група робочого обладнання з індексом ДЗ - дорожнє землерийне обладнання ) ;

одноковшові навантажувачі (група робочого обладнання з індексом ТО - технологічне обладнання ) .

Робоче обладнання для машин з індексом ДЗ і ТО виконується : ножовим (більшість бульдозерів, грейдер -елеватори, струги ) і ковшовим ( скрепери, одноковшові навантажувачі та спеціальні бульдозери ) .

Для підготовчих робіт, розпушування міцних і мерзлих порід базові трактори (тягачі ) оснащують розпушувальним обладнанням ( група робочого обладнання з індексом ДП - шляхове обладнання для підготовчих робіт ) .

У більшості випадків всі потужні трактори (більше 150 - 160 кВт), що оснащуються бульдозерним обладнанням, також мають розрихлювальне обладнання .

До характерних особливостей ВТМ належать: розробка і переміщення порід за рахунок тягових зусиль ходових механізмів базових тракторів ( тягачів ), що забезпечують також рух самих базових машин разом з робочими органами ;

розробка порід тонкими горизонтальними або похилими шарами потужністю від декількох сантиметрів до 0,5-1 м;

порівняно легка автоматизація машин, так як вони мають прості, послідовно виконувані операції ; висока мобільність машин:

При рівній продуктивності в порівнянні з екскаваторами ВТМ мають у 3-10 разів меншу металоємність, в 3 - 5 і більше разів меншу вартість, а також забезпечують зниження витрат на виконання робіт в 3-4 рази. При використанні декількох типів ВТМ може бути забезпечена комплексна механізація основних і допоміжних робіт на кар'єрах . ВТМ дозволяють успішно відпрацьовувати складноструктурному родовища корисних копалин, а також здійснювати розробку родовищ зі складними гірничо -геологічними умовами, вести роботи в суворих кліматичних умовах, інтенсифікувати гірничі роботи при будівництві та експлуатації кар'єрів.

Бульдозери. Бульдозером називається виемочно - транспортує машина ( рис. 4.12 ), обладнана відвалом 3 з ножем 2, для шарового зрізання, переміщення і розрівнювання породи. Відвал з ножем закріплюється попереду тягового агрегату трактора або тягача на штовхає рамі 1 .

Бульдозери забезпечуються гідроциліндрами 4 підйому та опускання відвалу .

Бульдозери, що застосовуються на гірських роботах, в основному оснащені неповоротним відвалом, встановленим під кутом 90 ° до поздовжньої осі тягового агрегату. Штовхає рама 1 пов'язує відвал з базовою машиною і передає йому напірне зусилля . До задньої стейке відвалу 3 кріпляться кронштейни, в які вставляються пальці важелів 5, що з'єднують його з бічними брусами штовхає рами і допускають перег кіс відвалу в вертикальній площині.

У бульдозерів з поворотним відвалом останній можна встановлювати в горизонтальній площині під кутом до 27 ° в обидві сторони від поздовжньої осі або перпендикулярно до неї.

Трактори одночасно з відвалом оснащуються також розпушувачами, котрі представляють собою причіпний або навісне обладнання до трактора . Розрихлювачі застосовуються для руйнування порід, які не можуть бути ефективно і економічно зруйновані екскаваторами та бульдозерами . До таких порід відносяться: піщаник, глинистий сланець, вапняки, доломіт . Найбільшого поширення набули навісні розпушувачі .

Бульдозери серійно випускаються на базі гусеничних тракторів тягових класів 30, 40, 100, 150 і 250 кН і на базі колісних тягачів класів 14, 40, 100 і 250 кН.

Найбільше поширення на кар'єрах країни отримали бульдозерно - розпушувальні агрегати на базі тракторів Т- 130.1 . Г-1, Т- 180г, ДЕТ -250М і Т- 330 ( табл. 4.5) .

Найбільш потужним вітчизняним колісним бульдозером є бульдозер моделі ДЕ -113. Базовий тягач бульдозера ДЕ -113 - це спеціальне шасі з шарнірно -зчленованою рамою тягового класу 250 кН, потужністю двигуна 405 кВт і швидкістю пересування до 50 км / ч. Кут різання відвалу бульдозера 55 ° і можливість поперечного перекосу ± 15 °. Навісний розрихлювач має від одного до трьох зубів . Глибина розпушування до 200 мм. Для управління відвалом і розпушувачем використовується гідросистема базового трактора.

Рис.4.12. Бульдозери: а - на гусеничному тракторі, б - колісний

Скрепери - вилучно-транспортуючі машини, призначені для пошарового зрізання породи і транспортування її на відстань до декількох кілометрів з подальшою пошаровим укладанням в місці вивантаження.

Скрепер (рис. 4.13 ) являє собою буксируваний або самохідний ківш 4, що має ніж 6 по всій ширині передньої кромки днища ковша. За допомогою ножа відділяється шар породи. Ківш є робочим органом скрепера, який врізається в масив під дією тягового і напірного зусиль. Спереду він забезпечений заслінкою 3, за допомогою якої змінюється розмір щілини між ріжучої кромкою ( ножем ) ковша і нижньою кромкою заслінки. Розмір щілини розширюється залежно від товщини зрізаного шару, яка, у свою чергу, залежить від фізико -механічних властивостей породи. Після заповнення ковша заслінка закривається і ківш переводиться в транспортне положення. Порода, з скрепера вивантажується примусовим способом. Заслінка 3 відкривається і порода виштовхується з ковша рухомий задньою стінкою 5 .

Повороти заслінки, переклад ковша в робочий і транспортний положення, переміщення задньої стінки ковша виробляються за допомогою гідравлічних циліндрів, встановлених на скрепері .

Напівпричіпні і самохідні скрепери агрегатуються з тракторами та тягачами 1 за допомогою сідельно - зчіпного пристрою 2 .

Крім самохідних ( рис. 4.13, б) і напівпричіпного ( рис. 4.13, а ) випускаються також двовісні причіпні скрепери ( рис. 4.13, е).

Самохідні скрепери в порівнянні з причіпними і напівпричіпного мають при однаковій загальній масі великі зчіпний вагу, потужність, маневреність і швидкохідність .

Основні параметри скрепера : потужність двигуна тягача, конструктивна маса машини, габарити і максимальна товщина зрізаного шару грунту, колісна база, робоча і транспортна швидкості, навантаження на осі. Головний параметр - геометрична місткість ковша V ( м3).

Найбільш великі вітчизняні скрепери : причіпний - ДЗ -79, що агрегатується з базовим трактором Т -330 ; напівпричіпної - ДЗ -74, що агрегатується з двохосьовим трактором К -702 ; самохідний одномоторний, що агрегатується з одноосьовим тягачем БелАЗ -531 .

Найбільш потужним вітчизняним скрепером є розроблений двомоторний самохідний скрепер ДЗ- 107- 1 із загальною встановленою потужністю приводу 914 кВт, вантажопідйомністю 45 т і місткістю ковша з шапкою близько 30 м3. Маса навантаженого скрепера становить 115 т, а швидкість переміщення з повним навантаженням на горизонтальних ділянках дороги досягає 50 км / ч.

Рис.4.13. скрепери:

а - напівпричіпної; б - самохідний; в - причіпний

Домашне завдання

- Л.И.Кантович, В.Н. Гетопанов «Горные машины», стр. 200 -208.

В.А.Бритарев, В.Ф.Замышляев «Горные машины и комплексы», стр. 125 - 154.

конспект.

Контрольні питання

1.      Призначення вилучно транспортних машин (ВТМ)?

.        Що відносять до робочого обладнання ВТМ?

.        Які ви знаєте характерні особливості ВТМ?

.        Що таке бульдозери? Де вони застосовуються?

.        Що входить до складу бульдозера, з чого він складається?

.        Для чого призначенні скрепери?

.        З чого складаються скрепери?

.        У чому різниця причипного та напівпричипного самохідного скрепера?

.        Які ви знаєте основні параметри скрепера?

Тема 5.3 Драги


Драгою називають плавучу гірську машину для розробки розсипних рудних родовищ та відділення металу від порожньої породи.

Драгі можуть бути континентальними ( для розробки материкових родовищ) і морськими ( для розробки родовищ прибережної зони і в глибинній частині акваторії великих озер, морів і океанів),

За можливій глибині черпання (нижче рівня води) драги можуть бути малої глибини черпання (до 6 м), середньої (до 18 м), глибокої ( до 50 м) і надглибокої (більше 50 м).

Широке поширення отримали багаточерпакові драги ( рис. 5.5), що складаються з робочого, збагачувального, сортувального і відвал -утворюючого обладнання, понтона, металоконструкцій, механізмів пересування.

Черпаковая рама 3 являє собою масивну сталеву балку . Черпаки 1 зачерпують пісок при огибанием нижнього барабана 2, потім, пройшовши по черпаковой рамі 3, розвантажуються при обході приводного барабана 4 . Пісок потрапляє через завалочний люк 5 в бочку ( Бутари ) 6, яка являє собою сталевий циліндр з перфорованими стінками. Дрібні фракції піску ( Ефелі ) провалюються через отвори вниз і потрапляють на поперечні шлюзи 8 . Великі фракції ( гали ) через гальковий лоток 9 виводяться з бочки, потрапляють на стрічковий конвеєр 10 і далі прямують у відвал . Дрібні фракції ( Ефелі ) проходять через збагачувальні шлюзи, де від породи відділяється метал, і по хвостовим ефельним колодам 11 стікають у відвал .

Частина піску, який вивантажується з черпаків в завалочний люк 5, прокидається в зазор між черпаками і завантажувальним люком і потрапляє на подчерпаковий уловлювач 7 .

Все обладнання драги змонтовано на понтоні 12 . Черпаковая рама на канатах 13 підвішена до передній щоглі, відвальний конвеєр - до задньої .

Драга під час роботи маневрує за допомогою двох паль (свая)14 і лебідок 15 . Правий лебідка, навиваючи канат 16, повертає драгу щодо опущеною правою палі з положення І в положення II . Ліва паля при зтом піднята, а черпаковая ланцюг обробляє забій по дузі АОВ .

У положенні ІІ черпаковой ланцюга опускається ліва паля і піднімається права . За допомогою лебідки 15 і каната 17 драга повертається у зворотному напрямку навколо лівої палі. При цьому відбувається не тільки поворот, але й переміщення драги вперед (подшагіваніе) і обробка нової ділянки вибою.

Технічні дані багаточерпакових електричних драг з канатно-пальовим механізмом маневрування наведено в табл. 5.3.

За місткістю черпака драги можуть бути мало-(до 100 л), середньо-(100-250 л) і великолітражні (понад 250 л).

Продуктивність драги по породі розраховується так само, як і продуктивність багатоковшового екскаватора. Продуктивність по корисного викопні залежить від його процентного вмісту в породі і коефіцієнта вилучення.

Загальна чисельність обслуговуючого персоналу великих драг складає 55-65 чоловік при роботі в три зміни.

гірничий порода буровий копалина

Параметри

80Д

150Д у

2 5 ОДС

600Д

ОМ-431

ОМ-417

Місткість черпака, л

150

250

600

380

400

Число черпання в хвилину

32

30

35

35

22

28

Продуктивність драги, м³ / год

100

180

350

550

400

450

Глибина черпання, м, не більше

6

9

12

50

30

17

Підводна висота вибою, м

1

2

3

10

4

1

Параметри

80Д

150Д у

2 5 ОДС

600Д

ОМ-431

ОМ-417

встановлена потужність двигунів, кВт

392

800

1870

7300

2110

2494

потужність приводу черпаковой ланцюга, кВт

60

но

Н.д.

920

400

500

Середня осаду понтона, м

1,7

1,8

2,5

3,7

2,7

2,5

Середня водотоннажність драги, т

420

990

2105

10854

3480

3750


Домашне завдання

- Л.И.Кантович, В.Н. Гетопанов «Горные машины», стр. 220 - 222.

В.А.Бритарев, В.Ф.Замышляев «Горные машины и комплексы», стр. 253 - 259.

конспект.

Контрольні питання

1.         Драгою назівають …?

2.         Якірізновиди аг ви знаєте?

3.         Які драги отримали найбільш широке поширення?

4.         Що входить до складу багато черпакової драги?

5.         Принцип дії драги?

Змістовий модуль 6. Гірничо - транспортні машини

Тема 6.1. Загальні відомості про гірничо-транспортні машини

Машини, призначені для транспортування на гірничих підприємствах корисних копалин, породи до місць їх переробки чи складування (основні вантажі ), вибухових речовин, паливно-мастильних матеріалів, обладнання, запасних частин та ін ( допоміжні вантажі ) називають гірничо - транспортними машинами.

За принципом дії вони можуть бути безперервної і періодичної дії .

До транспортних машин безперервної дії відносять головним чином конвеєри всіх типів, а також гідро - і пнев- мотранспортние установки. Локомотиви зі складом вагонів, самохідні вагони, автосамоскиди, монорейкові і канатні дороги та інші машини, які транспортують вантаж окремими порціями і вимагають для завантаження і розвантаження зупинки або зниження швидкості руху, називають машинами періодичного (циклічного ) дії.

За способом переміщення вантажу розрізняють найпростіші транспортуючі пристрої, засновані на використанні сил гравітації ( похилі жолоби, спіральні вугле-і рудоспуски ), а також машини та установки, які переміщують вантаж : за грунті або жолобом примусовим волочінням ( скрепери, скребкові конвеєри) ; на рухомих грузонесущих Елементах (вагони, стрічкові і пластинчаті конвеєри, ковші вантажно -транспортних машин та ін); на гойдаються або вібруючих жолобах силами інерції ; по трубах і жолобах у водному середовищі або по трубах в повітряному середовищі (гідро - і пневмстранспортние установки).

Обладнання та механізми, що забезпечують роботу різних транспортних машин: бункери, живильники, затвори, штовхачі, вагоноо - лрокідивателі відносять до допоміжних транспортним пристроям і машинам .

При підземній розробці корисних копалин використовують гравітаційні транспортні пристрої, скребкові і стрічкові конвеєри, локомотивні склади, самохідні вагони, гідро-і пневмотранс - кравці установки, а на рудниках також скрепери і автосамоскиди ; на відкритих розробках - локомотивні склади, великовантажні автосамоскиди, стрічкові конвеєри і гідротранспортного установки.

Для транспортування людей і допоміжних вантажів використовують канатну відкатку, підвісні монорейкові, підлогові і канатні дороги, самохідні машини.

Основні транспортуються вантажі - корисна копалина і розкривні породи - відносяться до насипним .

Насипні вантажі характеризуються щільністю, коефіцієнтом розпушення, крупністю, кутом природного укосу .

Щільність вимірюється відношенням маси вантажу до займаному обсягу . Ставлення щільності γ ( т/м³) гірської маси в цілику до її щільності γ ( т/м³) у розпушеному стані називають коефіцієнтом розпушення, kр = γ´ / γ.

Крупність насипного вантажу характеризують кусковатості, або гранулометричним складом. Кусковатость, або гранулометричний склад, - це кількісне співвідношення вмісту шматків різної крупності в гірничій масі. За гранулометричним складом розрізняють рядові вантажі, у яких аmах/аmіn > 2,5, де аmіn ( мм) - розмір найменшого шматка в масі вантажу, і сортовані, для яких характерне співвідношення :

аmах/аmіn ≤ 2,5

Поряд з цим по крупності насипні вантажі підрозділяють на крупнокускові при шматках розміром більше 160 мм; среднекусковие - 60 ÷160 мм; мелкокусковие - 10 ÷60 мм ; зернисті - 0,5 ÷ 10 мм; порошкоподібні з розміром частинок 0,05÷ 0,5 мм і пилоподібні - менше 0,05 мм.

Для руди прийнята інша градація кусковатості : дуже велика руда - більше 600 мм; велика - 300÷600 мм; середньої крупності - 100 ÷ 300 мм; рудна дрібниця - менше 100 мм.

Кут природного укосу насипного вантажу визначається кутом нахилу бічної поверхні до основи конуса, утвореного при вільній насипанні вантажу на горизонтальну поверхню.

Розрізняють кут природного укосу р' - у спокої і р - в русі на транспортній машині . Через вібрації, що виникає при русі машини, матеріал починає розсипатися до тих пір, поки сили зовнішнього впливи не будуть врівноважені силами тертя між частинками вантажу . Кут природного укосу в русі р для більшості насипних вантажів становить 0,5-0,7 кута природного укосу в спокої р ' .

р = (0,5 ÷ 0,7 ) р' .

У табл. 6.1 наведені характеристики деяких насипних вантажів.

При виборі транспортних засобів для експлуатації на конкретному гірничому підприємстві слід також враховувати абразивність вантажу - властивість гірської маси стирати контактують з нею поверхні транспортних машин, вологість - вміст води у вантажі, вологоємність - схильність поглинати воду, що викликає злежуваність і смерзаемость, схильність до самозаймання, липкість, схильність до утворення склепінь над випускними отворами бункерів і рудоспусків .

Продуктивністю (т / год або м³ / ч) транспортної машини називають відношення кількості вантажу до часу його проходження через будь нерухоме перетин грузонесущего органу ( конвеєрної стрічки, вагонетки і т.д.).

Розрізняють теоретичну, технічну та експлуатаційну продуктивність.

Теоретичну продуктивність визначають за умови максимального заповнення теоретичного обсягу транспортуючого органу машини і без урахування можливих пауз в роботі.

Технічна продуктивність менше теоретичної . Вона залежить від ступеня заповнення теоретичного обсягу транспортуючого орга на, а також від кусковатості вантажу, технічних і технологічних умов завантаження і кута установки машини. Для машини періодичної дії враховують також витрати часу на рух порожняком, маневрові та вантажно - розвантажувальні операції .

Технічна продуктивність вказується в заводському паспорті машини.


Насыпная плот ность

Угол естествен ного

Коэффициент

Грузы

γ, т/м3

откоса в покое

разрыхления,



р', градус

кр

Антрацит мелкий, сухой

0,80 -

-0,95

45

1,4

Уголь каменный

0,65 -

- 0,80

30-45

1,4

Уголь бурый

0,85 -

- 1,00

27 - 30

1,3

Кокс

0,48 -

- 0,53

35 -50

1,3

Руда железная

2,1 -

3,0

30-50

1,4

Руда марганцевая

1,25 -

- 1,28

40

1,3

Известняк

1,2 -

1,5

40 -45

1,3

Глина

1,6


32 - 35

1,2

Песок

1,3

1

30

1,1

Скальные породы

1,8 -

2,0

40-45

1,6


Домашне завдання

- Л.И.Кантович, В.Н. Гетопанов «Горные машины», стр. 222 -223.

конспект.

Контрольні питання

1.яке призначення гірничо-транспортних машин (ГТМ)?

.Дайте визначення ГТМ?

. Які машини мають назву машин періодичної дії?

. Які ви знаєте класифікації ГТМ?

. Які пристрої використовують при підземній розробці корисних копалин?

. Які пристрої використовують для транспортування допоміжних вантажів та людей?

. Чим характеризується насипні вантажі?

. Дайте визначення продуктивності?

Тема 6.2 Стрічкові конвеєри

Теоретичні відомості

Стрічкові конвеєри являються основним типом машин безперервного транспорту, які набули широкого застосування в різних галузях промисловості, завдяки своїм високим експлуатаційним якостям: високій продуктивності, можливістю транспортування вантажів на велику відстань, простоти конструкції, високій надійності, відносно невеликій вазі.

Загальний вигляд стрічкового конвеєра показаний на рис.1

Рис.1 Загальний вигляд стрічкового конвеєра

Стрічкові конвеєри призначені для транспортування розрихлених гірських порід, сипучих матеріалів і штучних вантажів. Транспортування може здійснюватись по горизонтальним трасам, по нахилу - вгору, або вниз

Перевагами стрічкових конвеєрів являються : легкість обслуговування, відносно велика довжина транспортування від одного привода, безшумність при роботі, невелика питома витрата електроенергії, можливість автоматизації.

До недоліків цих конвеєрів відносяться : їх висока вартість, невеликий термін служби стрічки, обмежений кут нахилу.

Обмеження області застосування стрічкових конвеєрів пов’язано з наступними факторами:

1. Крупністю та абразивністю транспортуємого матеріалу

2. Обмеження кута підйому при використанні нормальної гладкої стрічки

( до 16 - 20° в залежності від властивостей транспортування матеріалу і конструкції роликового ставу).

3. Необхідність прямолінійного встановлення конвейерного става в плані, що не дозволяє використовувати конвеєри на криволінійних ділянках.

Принцип дії : У стрічкових конвеєрів стрічка служить водночас вантажонесучим та тяговим органом. Рух тягового органу (стрічки) конвеєра здійснюється за рахунок фрикційного зв’язку стрічки з приводним барабаном.

Cтрічка з лежачим на ній вантажем переміщується по стаціонарним роликоопорам

2. Класифікація стрічкових конвеєрів

Стрічкові конвеєри класифікуються :

1. За призначенням :

- для підземних гірничих роботах ( шахт, рудників);

- для відкритих гірничих робіт ( кар’єрів, розрізів );

- для інших галузей промисловостей.

2. За розташуванням несучої гілки стрічки:

- з верхньою несучою гілкою (основний тип);

- з нижньою несучою гілкою;

3. За способом розвантаження:

- з розвантаженням на кінцевому барабані;

- з проміжним розвантаженням.

4. За видом вантажів:

- для насипних вантажів;

- для штучних вантажів.

5. За формою поперечного розрізу:

- з плоскою стрічкою;

- з стрічкою у формі жолобу.

6. За конструкцією приводу і кількістю приводних барабанів

- з одним, двома, трьома приводними барабанами

3. Типи стрічкових конвеєрів

Букви в позначенні стрічкового конвеєра вказують на його тип, цифри справа від основного буквенного індекса показують ширину стрічки, в сантиметрах, цифра зліва - типорозмір конвеєра, характеризуючий потужність привода :

Л - стрічкові горизонтальні, Л - 80, 1Л -100, 2Л - 120;

Б - бремсбергові, 1ЛБ - 100, ЛБ - 160;

У - ухилові, 1ЛУ - 80, 2ЛУ - 100, ЛУ - 120;

Л - людські, ЛЛ - 100, ЛЛ - 120;

Т - телескопічні, 1ЛТ - 80, 2ЛТ - 100, ЛТ - 120.

Конструкція і основні вузли стрічкових конвеєрів

Загальний вигляд похилого стрічкового конвеєра і його основних вузлів показано на рис.1

Рис. 2. Стрічковий конвейер

1 - розвантажувальний пристрій; 2 - привод; 3 - конвеєрний став з роликоопорами; 4 - стрічка; 5 - завантажувальний пристрій; 6 - натяжний пристрій

Схема стрічкового конвеєра і його основних елементів наведена на рис.3. В комплект конвеєра окрім його основних вузлів входять : апаратура управління, контролю і сигналізації; пристрій для очистки стрічки та інші пристрої.

Рис. 3. Схема стрічкового конвеєра

1 - стрічка конвеєра, 2 - роликовий став, 3 - приводний барабан, 4 - натяжний пристрій, 5 - натяжний барабан, 6 - конвеєрний став, 7 - ролики з роликоопорами робочої гілки, 8 - завантажувальний пристрій, 9 - розвантажувальний пристрій, 10 - відхиляючий барабан

Стрічка. У стрічкових конвеєрів стрічка служить водночас вантажонесучим та тяговим органом. Рух тягового органу (стрічки) конвеєра здійснюється за рахунок фрикційного зв’язку стрічки з приводним барабаном. При роботі конвеєра, стрічка піддається значним навантаженням від натягу і переміщення вантажу, а також зносу від тертя робочих обкладок, руйнування при взаємодії з транспортуємим матеріалом, дії навколишнього середовища (вологи, тепла, повітря і т.д.), перегинами на барабанах і роликоопорах.

На рис 4. показані конструкції конвеєрних стрічок. На конвеєрах застосовуються стрічки з прокладками з бавовняних та синтетичнх тканин ( а,б), а також з тросовою основою (в) .

          а)                                б)                           в)

Рис. 4. Конструкції конвеєрних стрічок.

Для стрічкових конвеєрів найчастіше використовуються гумовотканинні і гумовотросові стрічки. Конструкції і будова стрічок показані на рис.5.

Рис. 5. Конструкції гумовотканинної (а), і гумовотросової (б) стрічок.

Основними частинами конвеєрної стрічки є каркас (1) і захисне покриття (2). Призначення каркаса - сприйняття поздовжніх і поперечних навантажень, а захисного покриття - захист каркасу від механічних пошкоджень.

Каркас гумовотканинних стрічок - Ш, 2Ш, ПВХ ( рис.5а) складається з пошарово прокладених прокладок 1. Призначення прокладок - передача тягового зусилля від приводного барабана. Захисний шар гуми (обкладка) 2 наноситься на каркас зверху, знизу і з боків. Верхній шар гуми - робочий, який товщий ніж нижній ( неробочий ).

Для транспортування гірської маси у вітчизняних легких конвеєрах використовують стрічки з каркасом, який містить 72 % бавовни і 28 % лавсану. Подовження ( розтягування ) таких стрічок при робочих навантаженнях складає 3,5-5,0 %.

Гумовотросові стрічки - РТЛ, РТЛО використовують на магістральних конвеєрах великої довжини. Вони мають високу міцність (до 30 кН/см і більше) і мале відносне подовження (до 0,25 %). В гумовотросовій стрічці ( рис.4, б) основою служать стальні канатики - троси 1. Недоліком гумовоотросових стрічок є велика маса і трудоємність з'єднання стиків при поривах та з’єднаннях стрічок.

Для з'єднання кінців високоміцних тканинних і гумовотросових стрічок на стаціонарних конвеєрах використовують гарячу вулканізацію.

Конвеєрний став. Середня частина стрічкових конвеєрів, яка називається ставом, складається з коротких, з’єднаних між собою проміжних секцій.

В конвеєрний став входять секції: головна, хвостова і лінійні (число яких залежить від довжини конвеєра). Загальний вигляд конвеєрного ставу ( зі знятою стрічкою) показаний на рис.6.

Рис.6 Загальний вигляд конвеєрного ставу зі знятою стрічкою

Роликоопора. Проміжна секція жорсткого конвеєрного става (рис.7) складається з роликоопор 1, і стійок 2 .Стрічка переміщується по роликоопорам конвеєрного става.

Рис. 7. Секція роликоопори конвеєрного става.

Для підтримки і переміщення стрічки на конвеєрах при ширині стрічки до 2 м, використовують трьохроликові опори ( рис. 8 а ), з кутом нахилу бокових роликів від 20° до 30°. а при ширині стрічки більше 2 м - п'ятироликові. Роликоопори придають стрічці оптимальну жолобчату форму. На нижній, неробочій гілці стрічки застосовують однороликові опори, Трьохроликова жорстка опора (рис.8 а) складається з швелера 1, двох бокових кронштейнів 2, двох середніх кронштейнів 3 і замків 4. На нижній, неробочій гілці конвеєра, використовують однороликові опори. Для запобігання бокового збігання стрічки, для конвеєрів великої довжини через вісім-дев`ять нерухомих роликоопор встановлюються поворотні центруючі роликоопори (рис.8.б,в)

Рис. 8. Роликоопори стрічкового конвеєра

а - жорстка трьохроликова; б - поворотна центруюча; в - двохроликова центруючи

В місцях завантаження конвеєра встановлюють опори на резинових амортизаторах . Конвеєрні ролики, виготовляються з відрізків сталевих труб, які обертаються на нерухомих осях на шарикопідшипниках .

Привод стрічкового конвеєра. Привoд конвеєра здійснює передачу тягового зусилля стрічці. Основними елементами приводу є приводні, розвантажувальні, відхиляючі барабани і силові агрегати. Елементи приводу, змонтовані на несучій конструкції, складають приводну станцію. В приводах знайшли широке застосування пускозапобіжні гідромуфти, які встановлюються між валом електродвигуна і вхідним валом редуктора, для плавного запуску і запобіганню від недопустимих перевантажень привода стрічкового конвеєра.

Приводна станція стрічкового конвеєра ( рис.8) складається з основної рами 1, приводного барабана 2, розвантажувального барабану 3, електродвигуна 4, редуктора 5, відхиляючого барабана 6.

Рис. 8. Конструкція та схеми приводу стрічкових конвеєрів.

а) - з одним приводним барабаном; б) - з двома приводними барабанами.

1 - рама, 2 - приводний барабан, 3 - розвантажувальний барабан, 4- електродвигун 5 - редуктор, 4 - відхиляючий барабан, 6 - електродвигун, 7 - натяжний барабан.

Приводні барабани. Приводні барабани призначені для передачі тягового зусилля від барабана до стрічки за рахунок фрикційного зчеплення.. Діаметр барабану залежить від довжини конвеєра, числа прокладок в стрічці,типу тканини. Ширина барабана приймається більше ширини стрічки на 150-200 мм..

Різні конструкції стрічкових конвейерів, в залежності від довжини, продуктивності, кута нахилу мають від одного до 3-х приводних барабанів.

Величина тягового зусилля, що передається cтрічці тертям шляхом огинання барабанів, залежить від натягу стрічки, коефіцієнту тертя, схемою та кутом обхвату барабанів стрічкою. Для максимальної передачі тягового зусилля, збільшують кут обхвату приводного барабану стрічкою, за допомогою відхиляючих барабанів ( рис. 9 ) . Чим більше натяг, кут обхвату та коефіцієнт тертя, тим більше зусилля передається конвеєрній стрічці .

Рис.9 Схеми передачі тягового зусилля від приводних барабанів до стрічки :

а і б - однобарабанна, в і г - двобарабанна, д - трибарабанна, е - двобарабанна в головній і однобарабанна в хвостовій частинах, 1 - приводний барабан, 2 - відхиляючий барабан.

Натяжний пристрій. Натяжний пристрій в стрічковому конвеєрі необхідний для оптимального натягу стрічки і запобігання пробуксовування приводних барабанів, обмеження провисання стрічки між роликоопорами і компенсації її видовження в процесі роботи. Основними параметрами натяжних пристроїв являються натяг стрічки, швидкість переміщення натяжного барабану і величина його ходу. Хід компенсує видовження стрічки, яке виникає в процесі її експлуатації, дає можливість вкоротити стрічку при стиковці після обриву.

Рис. 7. Натяжні пристрої стрічкового конвеєру

В конвеєрах невеликої довжини (до 80 м) натяжний барабан 1 (рис. 7а,б) ковзає корпусами підшипників 2 свого вала по направляючим 3 за допомогою лебідки 4 з ручним приводом або гвинта 5. На горизонтальних стаціонарних і напівстаціонарних конвеєрах довжиною більше 100м натяжний барабан 1 (рис. 7в) жорстко встановлюється на візку 2, який переміщується по рейкам 3 за допомогою електричної лебідки 4. Управління лебідкою автоматизують встановленням датчику контролю навантаження стрічки

Завантаження стрічкового конвеєра можна проводити в будь-якому місці.

Застосовуються різноманітні конструкції завантажувальних пристроїв, які повинні розподіляти та завантажувати транспортуємий матеріал рівномірно по ширині стрічки без просипів та втрат.

Очисні пристрої. Очисні пристрої призначені для очистки стрічки від налипаючого вантажу. Їх виконують у вигляді шкребків, армованих резиною і встановлюють на нижній гілці стрічки біля привода так, щоб вони притискувались до поверхні стрічки не пошкоджуючи її. Плужкові скидачі використовуються при транспортуванні неабразивних матеріалів при швидкості до 1,5 м/с. Застосовуються також циліндричні, капронові щітки, які приводяться в зустрічне обертання по відношенню до напрямку руху стрічки від самостійного приводу або барабану конвеєра.

Продуктивність стрічкового конвеєра. Розраховується за формулою :

Qk = 60 Spp ∙ Vs ∙ γ ∙ K 1 ∙ K2, т/хв

де: Spp - площа поперечного перерізу вантажу на стрічці; Vs - швидкість руху полотна стрічки, м/с; K 1 - коефіцієнт, який залежить від кута установки конвеєра, K 1 = 1, при кутах до 6 град, K 1 = 0,95 при кутах від 6 до 18 градусів; K2 - коефіцієнт, який враховує умови експлуатації; K2 = 1.0, для стаціонарних установок, К2 = 0,90 - для напівстаціонарних установок.

Домашне завдання

- Л.И.Кантович, В.Н. Гетопанов «Горные машины», стр. 226 - 231.

А. Ф.Базанов «Подъемно-транспортные машины», стр. 197 - 202.

М.П. Алексанлров «Подъемно-транспортные машины», стр. 378 -395.

конспект.

Контрольні запитання

1. Принцип роботи стрічкових конвеєрів;

2. Область застосування стрічкових конвеєрів;

3. Конструкція стрічкових конвеєрів;

4. Конструкції стрічок;

5. Привод стрічкових конвеєрів.

5. Обладнання муфт та їх призначення;

6. Продуктивність стрічкових конвеєрів;

7. Переваги та недоліки стрічкових конвеєрів.

Змістовий модуль 7. Машини для переміщення рідини

Тема 7.1 Загальні відомості про насоси

Насос (англ. <#"794851.files/image038.gif">

Рис. Класифікація насосів

Класифікація насосів

За принципом роботи. Усі насоси за принципом роботи можна розділити на два типи: динамічні та об'ємні <#"794851.files/image039.gif">

1 - вал

, 6, 8, 9, 10, 11 - робочі колеса

, 7 - кільцеві дифузори

- зворотний направляючий канал

- направляючий апарат

, 13 - канали для підведення газу з холодильників

- канал для всмоктування газу

Важливою особливістю відцентрових компресорів є залежність тиску стисненого газу, споживаної потужності, а також ККД від його продуктивності. Характер цієї залежності для кожної марки компресора відбивається на графіках, званих робочими характеристиками.

Робота відцентрових компресорів регулюється різними способами, в тому числі зміною частоти обертання ротора, дроселюванням газу на стороні всмоктування і ін.

Домашне завдання

- Л.И.Кантович, В.Н. Гетопанов «Горные машины», стр. 279 - 283.

- В.И. Киселёв «Насосы, компрессоры и вентиляторы», стр.224 - 226.

М.С.Семидуберский «Насосы, компрессоры, вентиляторы», стр. 131 -133.

Тема 8.3 Поршневі компресори

Поршневий компресор - тип компресора, принцип роботи якого базується на використанні механічного пристрою поршневого типу для збільшення тиску газу шляхом компресії (зменшення об'єму). Компресори даного типу широко застосовуються в машинобудуванні, енергетичному обладнанні, автомобілебудуванні, хімічній промисловості, холодильній та кріогенній техніці.

Компресор може використовуватись для створення тиску (газів) або для транспортування газу трубопроводом.

Будова та принцип роботи

Цикли роботи компресора

Будова

Поршневі компресори складаються з наступних елементів:

·              робочий циліндр;

·              поршень <#"794851.files/image040.jpg"> <#"794851.files/image041.gif">

Домашне завдання

- Л.И.Кантович, В.Н. Гетопанов «Горные машины», стр. 284 - 287.

конспект.

Тема 9.2 Підйомні машини

МАЛИЙ ВАНТАЖНИЙ ЛІФТ-ПІДЙОМНИК

Малий вантажний ліфт - це спеціальний вантажопідйомник (іноді їх називають технічними ліфтами), який зазвичай використовується для того, щоб усередині будови переміщати різні вантажі, зазвичай вагою не більше 250 кг Оскільки вони практично не представляють при експлуатації ніякої потенційної небезпеки для людей, вони не підлягають державній реєстрації в Держнаглядохоронпраці.

Малі вантажні ліфти встановлюються в ресторанах, кухнях, приміщеннях, де є необхідність піднімати/опускати малогабаритні предмети на інші поверхи. Сюди входять і котеджі, власникам яких часто необхідно піднімати сумки з гаража в їдальню (вітальню, кабінет і ін.);

особливості: малі вантажні ліфти відрізняють мінімальні габарити, максимальна зручність використання, плавність ходу (що дуже важливе для ресторанів при переміщенні блюд), мінімальна вартість. У таких ліфтах можлива установка додаткових обгороджувань в кабіні щоб уникнути попадання сторонніх предметів в шахту. Можливо також виготовлення усіх металоконструкцій з харчової нержавіючої сталі, що необхідно для ресторанів. Корисним нюансом стане і можливість завантаження з сервісної висоти 800мм, а не з рівня підлоги.

В принципі, ліфтову кабіну можна встановити в шахту, яка вже існує у будові. Проте існують рішення, коли кабіна ліфта монтується в металокаркасну самонесучу шахту,яка йде з ним в комплекті. До речі, така шахта значно економить використовуваний простір.

Кабіни ліфта робляться в двох видах - глухі і наскрізні. Наскрізні надають можливість для двостороннього завантаження (т. е. є двоє дверей), а глухі мають одні двері для завантаження.

Безпека таких ліфтів цілком продумана - двері порталів мають електричні блокування.

Якщо двері в шахту відкриті, то кабіна рухатися не буде. Природно, обладнані малі ліфти і ловцями на випадок обриву тросів. Є присутніми в цих виробах і аварійні кінцеві вимикачі: живлення автоматично відключається при проїзді зупинок і при обриві або послабленні троса.

Малі вантажні ліфти поділяються на:

·              ресторанні або кухонні;

·              малі медичні;

·              малі складські або магазинні.

Перераховані типи малих ліфтів відрізняються вантажопідйомністю, розміром кабіни, розташуванням приводу, обробкою.

КОНСОЛЬНИЙ ВАНТАЖНИЙ ПІДЙОМНИК

Консольні (щоглові) підйомники призначені для вертикального підйому-спуску вантажів, комплексної автоматизації транспортування, внутрішньоскладських вантажних операцій. Переміщення вантажів здійснюється вантажною платформою (кабіною) по направляючих самонесучої щогли (рами).

Вертикальні вантажні підйомники можуть бути однощогловими і двощогловими, мати висоту підйому 20 м, вантажопідйомність до 1,5 т, укомплектовані спеціальними облаштуваннями безпеки.

Підйомники вантажні консольного типу мають наступну комплектацію:

·              ловець різкого гальмування в цілях відвертання падіння вантажної платформи(таке можливе у разі обриву тягового каната);

·              блокування дверей (люків);

·              облаштування захисту від послаблення каната;

·              облаштування контролю фаз;

В якості електроприводу, який має вантажний електричний підйомник, може бути використана канатна або ланцюгова таль виробництва Болгарії. Іноді в цих же цілях застосовується і лебідка на базі мотор-редуктора.

ПІДЙОМНИК БУДІВЕЛЬНИЙ

Щоглові підйомники будівельні - це перша і найнеобхідніша складова будь-якого будівництва під час проведення монтажно-ремонтних робіт. Вони також широко поширені в складському і виробничому сегменті завдяки своїм безперечним перевагам:

·              щоглові підйомники дешевші в порівнянні з вантажними ліфтами, проте, не поступаються останнім за технічними характеристиками;

·              їх технічне обслуговування максимально спрощене;

·              можуть бути встановлені зовні або усередині будівлі, а їх розмір підганяється під особливості будов.

Основні характеристики будівельного підйомника:

1.      Вантажопідйомність - до 2 т, висота підйому до 12 м

2.      Управління підйомником здійснюється за допомогою кнопкових постів управління, розташованих на кожному поверсі

.        Швидкість руху платформи : постійна - 0,13, 0,26 м/с.

.        Напрями завантаження-вивантаження : з одного боку; з двох сторін(180°).

.        Облаштування безпеки для вантажних підйомників.

o     Ловець різкого гальмування для відвертання падіння вантажної платформи(кабіни) у разі обриву тягового каната

o     Блокування дверей (люків)

o     Облаштування контролю фаз

o     Облаштування захисту від послаблення каната

7.      Захист вантажу від сповзання, переміщення за межі вантажної платформи(кабіни) забезпечується:

o     Рулонними гратами

o     Розсувними гратами

o     Розсувними дверима

o     Поворотно-розсувними дверима

o     Роль віконницями (ролетами)

o     Знімними бортами

o     Шлагбаумами

o     Трапами

8.      Обгороджування робочої зони підйомника забезпечується:

o     Розпашними дверима

o     Розсувними дверима

o     Двостулковими доладними дверима

o     Роль віконницями

9.      Матеріал обгороджувань:

o     Забарвлений (оцинкований) листовий метал (гофрований, плоский)

o     Комбінований - забарвлений листовий металлосварная сітка.

o     Зварна сітка.

ПЛАТФОРМЕНИЙ ПІДЙОМНИК (КОНСОЛЬНИЙ)

Платформений підйомник від 100 кг до 3 тонн. Платформа пересувається по нахиленій рамі.Застосовується для перевезення вантажів з рівня кузова автомобіля або з рівня підлоги (землі) в підвал, вікна будівлі, між поверхами усередині будівлі на підприємствах громадського харчування, ресторанах, виробничих майстернях, магазинах, супермаркетах, складських багатоповерхових терміналах, складські комплексах. Особливості: універсальність, низьке споживання електроенергії, невисока ціна, продуктивна заміна підйомному столу.

·              Місце встановлення підйомника огороджується на висоту 2м., або на всю висоту підйому.

·              Платформа обладнана ловцями на випадок обриву канату.

·              Керування виконується з кожного поверху.

·              Швидкість 0,16, 0,32 м/с.

·              Привід-електротельфер в/п 250-5000 кг.

ПІДЙОМНИК ПАНТУСНИЙ

Призначений для переміщення вантажів вниз чи вверх по похилій площині, або існуючим сходам.

·              Швелерні направляючи підйомника розташовуються вздовж та паралельно сходам під нахилом до горизонту 30-60".

·              Платформа обладнуєтся ловцями що спрацьовують при обриві канату.

·              Вантажопідйомність пантусного підйомника 100 - 2000 кг.

·              Сходи відгороджуються від підйомника вздовж на висоту верхнього краю, (але не нижче 800 мм.) платформи металосітчатою огорожою.

·              Привід електротельфер в/п 250-3000 кг.

·              Керування здійснюється як з нижньої так і з верхньої зупинки.

·              Пульт керування кріпиться на стіні в зоні видимості платформи.

·              Підйомник обладнується кінечними вимикачами переспуску та перепідйому платформи.

ПІДЙОМНИК БАНКІВСЬКИЙ (НАСТІННИЙ)

Призначений для переміщення грошей, паперів,пакунків пошти, вздовж вузьких сходів.Відкидна платформа пересувається по нахиленим направляючим, які закріплені на стіні, вздовж сходів. В складеному вигляді платформа не заважає пересуватись по вузьким сходам.

·              Вантажопідйомність 30-100 кг.

·              Привід, - барабанна лебідка.

·              Обладнана кінечними вимикачами переспуску та перепідйому платформи.

·              Обладнана амортизатором канату, що забезпечує пересування без ривків.

·              Нахил пересування 30-60"

·              Розмір відкидної платформи ш/д 400х600 мм.

·              В складеному вигляді займає 10см. ширини проходу.

·              Швидкість 0,3 м/с.

Домашне завдання

- Л.И.Кантович, В.Н. Гетопанов «Горные машины», стр. 294 - 297.

конспект.

Змістовий модуль 10. Обладнання для дроблення та збагачення корисних копалин

Тема 10.1 Збагачення

Збагачення корисних копалин є галуззю промисловості, переробної тверді корисні копалини з метою отримання концентратів, тобто продуктів, якість яких вище якості вихідної сировини і задовольняє вимогам подальшого використання їх у народному господарстві .

Якість корисних копалин і продуктів збагачення визначається вмістом цінного ( корисного ) компонента, домішок, елементів-супутників, а також крупністю і вологістю матеріалу.

Цінним компонентом називають той елемент або природне з'єднання, для отримання якого видобувається корисна копалина . Наприклад, мідь, свинець, залізо, азбест, в мідних, свинцевих, залізних, азбестових рудах відповідно будуть цінними компонентами.

Домішки можуть бути корисними і шкідливими .

Корисними домішками називають елементи або природні сполуки, що містяться в невеликих кількостях в корисних копалин, які, примешиваясь до коштовного компоненту, покращують його якість або полегшують його виділення . Ванадій, вольфрам, марганець, хром в залізних рудах - корисні домішки, так як, потрапляючи в виплавляється з руди метал, покращують його якість.

Шкідливими домішками називають елементи або природні сполуки, що містяться в невеликих кількостях в корисних копалин, які, примешиваясь до коштовного компоненту, погіршують його якість або ускладнюють його виділення . Наприклад, сірка і фосфор у залізних рудах і коксівного вугіллі - шкідливі домішки.

Елементами - супутниками називають цінні елементи, які містяться в корисних копалин в невеликих кількостях, і їх вилучення з даного корисних копалин стає економічно доцільним тільки тому, що вони видобуваються з надр землі попутно з основним цінним компонентом.

Наприклад, благородні метали в поліметалічних рудах, кобальт та інші кольорові метали в деяких залізних рудах є елементами - супутниками. Елементи -супутники при збагаченні виділяють в самостійні продукти або в один продукт з основним цінним компонентом і надалі витягують в процесі металургійної або хімічної переробки .

Якість корисної копалини і виділяється з них концентрату тим вище, чим вище в ньому вміст корисного компонента, елементів -супутників і корисних домішок і чим нижче вміст шкідливих домішок. Чим вище якість продукту, тим він багатший, бо містить більше корисного компонента. Тому обробка корисних копалин, що призводить до отримання концентратів, продуктів більш багатих, ніж вихідна сировина, і галузь промисловості, що здійснює таку обробку називаються збагаченням корисних копалин.

У деяких випадках якість корисної копалини або продукту збагачення залежить від крупності шматків. Наприклад, якість вугілля зросте, якщо його розсортувати по крупності і кожен сорт спалювати окремо або якщо дрібне вугілля спресувати в брикети однакового розміру і форми. Таким чином, сортування та брикетування покращують якість палива і з цієї точки зору можуть вважатися збагачувальними процесами, хоча при цьому і не підвищується вміст корисного компонента

Безпосередня металургійна чи хімічна переробка корисної копалини доцільна лише в тому випадку, якщо вміст у ньому корисного компоненту не нижче деякого межі, що визначається головним чином рівнем розвитку техніки і технології виробництва. Основна частина корисних копалин у своєму природному вигляді не відповідає цій умові. Включення збагачення в цикл переробки корисних копалин дозволяє з до - буваєте корисних копалин виділити багаті продукти - концентрати і використовувати сировину з великим економічним ефектом.

При цьому досягається наступне:

збільшуються промислові запаси корисних копалин, так як стає можливою видобуток бідних руд і многобалластних вугілля ;

підвищується продуктивність праці і спрощуються системи розробки, тобто здешевлюються роботи при видобутку корисних копалин; тому що можна вести не вибіркову, а суцільну виїмку руди і повніше механізувати гірничі роботи ;

підвищується продуктивність праці і здешевлюється металургійна чи хімічна переробка корисних копалин, оскільки із збільшенням вмісту корисного компонента в продуктах, що надходять на металургійні або хімічні заводи, різко знижуються витрати палива, флюсів, коксу, електроенергії, хімічних реактивів, зростає продуктивність металургійних печей та хімічної апаратури, поліпшується якість кінцевої продукції і зменшуються втрати цінного компонента в відвальних продуктах ;

корисні копалини використовуються комплексно, так як збагачення дозволяє витягти з них все або майже всі цінні компоненти, що мають промислове значення ;

знижуються витрати на транспбртірованіе, так як на великі відстані будуть перевозитися тільки концентрати, а не весь обсяг видобутого викопного сировини.

Вимоги до якості концентратів називають кондиціями і встановлюють їх виходячи з технології та економіки переробки даної сировини з обов'язковим урахуванням можливостей збагачення і властивостей даного корисних копалин . Не можна встановлювати такі кондиції, які при сучасному розвитку техніки збагачення не можуть бути досягнуті. Кондиціями встановлюється нижня межа для утримання корисного компонента і верхня межа для вмісту шкідливих домішок, а також крупність і вологість концентрату.

Збагачення корисних копалин є важливою галуззю промисловості, розвиток якої диктується інтересами народного господарства . В даний час в Радянському Союзі збагачуються все видобуваються руди чорних, кольорових і рідкісних металів, руди неметалічних копалин і до 70 % всіх вугілля.

Корисні копалини - складний комплекс різних мінералів. Цінний компонент в корисному викопному найчастіше знаходиться у складі відповідних мінералів. Наприклад, медь в медных рудах входит в состав медьсодержащих минералов: халькопирита, борнита, ковеллина и др. Рідше цінний компонент присутній в корисному викопному в чистому ( самородному ) вигляді, наприклад благородні метали, алмази, графіт, сірка і т. п. Мінерали, які містять цінний компонент, називаються корисними мінералами. Мінерали, що не містять цінного компонента або корисних домішок, називаються порожньою породою . Зазвичай корисні мінерали вкраплені у вигляді зерен різної крупності в порожню породу, яку часто називають вміщає породою .

Слід відразу підкреслити відносність понять корисний мінерал, шкідлива або корисна домішка, порожня порода. Віднесення мінералу до одного з цих понять має силу тільки для даного конкретного корисної копалини при сучасному рівні розвитку техніки збагачення і технології подальшої переробки з урахуванням потреби народного господарства в цій сировині .

Один і той же мінерал у вихідній сировині може бути корисним, а в іншому - порожньою породою . Наприклад, кварц в сировині для керамічної промисловості є корисним мінералом, а в рудах кольорових або чорних металів - порожньою породою або навіть шкідливою домішкою .

У міру розвитку техніки збагачення і технології подальшої переробки продуктів збагачення, а також при збільшенні потреби народного господарства у певному сировину мінерали в тому чи іншому корисному викопному можуть бути переведені з розряду порожньої породи в розряд корисних мінералів. Наприклад, нефелін з апатито - нефелінових руди Кольського півострова раніше не витягувався, тобто вважався мінералом порожньої породи ; в даний час отримують сієніт концентрат і мінерал нефелін стад корисним мінералом .

Виділення цінного компонента з корисної копалини в кінцевому рахунку відбувається в результаті такої переробки, при котрій слагающие його мінерали піддаються хімічним перетворенням. З'являються нові хімічні сполуки : з мінералів виплавляються метали, апатит перетворюється на суперфосфат і т. п. Така обробка корисних копалин і продуктів їх збагачення здійснюється металургійної, хімічної, керамічної, скляної, цементної, лакофарбової та іншими галузями промисловості.

Збагачення корисних копалин - механічна обробка їх, не пов'язана з хімічними перетвореннями мінералів. Хімічний склад мінералів до і після збагачення залишається незмінним. Поліпшення якості корисної копалини при збагаченні досягається поділом мінералів. В одні продукти, звані концентратами, виділяється більша частина корисних мінералів і корисних домішок, в інші, звані хвостами, виділяється велика частина мінералів порожньої породи і шкідливих домішок. Хвости виводяться з процесу збагачення і складуються в хвостосховища, а концентрати направляються для подальшої переробки та використання.

Поліпшення якості корисної копалини при збагаченні досягається виділенням порожньої породи і концентрації корисних мінералів в меншому обсязі. При цьому збільшується вміст цінного компонента, так як майже всі його кількість виявляється зосередженим в концентраті .

При збагаченні використовуються відмінності фізичних і фізико -хімічних властивостей поділюваних мінералів..

Методи збагачення поділяються на процеси збагачення . Процес збагачення - це відділення одних мінералів від інших на підставі певним чином використовуваного відмінності у властивостях мінералів. Наприклад, різниця в щільності мінералів можна використовувати для їх поділу по- різному. Можна мінеральні зерна різної щільності розділяти за швидкостями падіння у в'язкому середовищі, але можна їх розділяти і у важких рідинах, в яких легкі мінерали спливають, а важкі тонуть. Обидва випадки поділу відносяться до гравітаційного методу, але є різними процесами збагачення.

Процеси збагачення складаються з операцій .

Збагачення рідко можна завершити в один прийом і виділити відразу концентрат і хвости. Частіше буває так, що після першого прийому збагачення концентрат ще недостатньо багатий, а хвости ще недостатньо бідні і повинні бути піддані повторному збагаченню . Для цього застосовуються перечистку концентратів та контрольне дозбагачення хвостів . Всі ці послідовні прийоми називаються операціями збагачення, а продукти, що надходять з попередньої операції збагачення в наступну, називаються промпродуктами ( проміжними продуктами) .

Корисні копалини на збагачувальних фабриках проходять ряд послідовних процесів обробки, які за своїм призначенням в технологічному циклі фабрики можна розділити на підготовчі, власне збагачувальні і допоміжні .

До підготовчих відносяться процеси дроблення, подрібнення, грохочення і класифікації, в яких досягається роз'єднання мінералів і поділ оброблюваного корисної копалини на класи по крупності, що необхідно для успішного здійснення збагачення.

До збагачувальним відносяться процеси поділу мінералів, що дозволяють виділити з корисної копалини концентрати і хвости .

До основних технологічних показниками збагачення відносяться: вміст компонентів у вихідній сировині і продуктах збагачення, ступінь концентрації корисного компонента, виходу продуктів збагачення, витяг компонентів в продукти збагачення і ефективність операцій розділення .

Змістом компонента називається відношення ваги компонента в продукті до ваги продукту . Зміст можна виражати у відсотках, в частках одиниці і в грамах на тонну.

Ступенем концентрації, що досягається при збагаченні корисних копалин, називається відношення вмісту корисного компонента в концентраті до змісту його у вихідній сировині . Ступінь концентрації показує, у скільки разів концентрат багатшими вихідної сировини.

Виходом продукту збагачення називається відношення ваги продукту до ваги переробленого вихідного матеріалу . Вихід прийнято виражати у відсотках або частках одиниці. Величина, зворотна виходу, виражена в частках одиниці, показує число тонн вихідного матеріалу, з яких при збагаченні виходить одна тонна продукту .

Витяганням корисного компонента в продукт збагачення називається відношення ваги компонента в продукті до ваги того ж компонента у вихідній сировині . Витяг прийнято виражати у відсотках або в частках одиниці. Витяг корисного компонента в концентрат показує, яка частина цього компонента перейшла при збагаченні з вихідного матеріалу в концентрат .

Ефективністю збагачення називається відношення приросту ваги цінного компонента в концентраті в даному випадку збагачення до збільшенню ваги компонента в разі ідеального збагачення, коли в концентрат виділяється тільки весь цінний компонент . Прирощення ваги цінного компонента в концентраті обчислюється як різниця між вагою компонента в концентраті і вагою компонента у вихідному матеріалі, взятому в кількості, рівній вазі концентрату. Ефективність збагачення прийнято виражати у відсотках або в частках одиниці. Ефективність збагачення оцінює ступінь наближення дійсного процесу збагачення до ідеального.

Виведемо формули для обчислення виходів, витягання і ефективності збагачення за відомими змістів цінного компонента в продуктах збагачення і у вихідному матеріалі .

Домашне завдання

- О.С.Богданов «Справочник по обогащению руд», том 2

стр. 5 - 29; 44 - 83; 132 - 198; 209 - 246.

конспект.

Тема 10.2 Дроблення

Процеси дроблення й подрібнення застосовуються для доведення мінеральної сировини (та інших матеріалів) до необхідної крупності, необхідного гранулометричного складу або заданої ступеня розкриття мінералів. При цих процесах шматки, зерна і частки гірських порід руйнуються зовнішніми силами. Руйнування (дезінтеграція) відбувається переважно по ослабленим перетинах, які мають тріщинуватості або інші дефекти структури, після переходу за межу міцності нормальних і дотичних напружень, що виникають в матеріалі при його пружних деформаціях - стиску, розтяганні, вигині або зсуві.

Різні способи дроблення й подрібнення відрізняються видом основної необоротної деформації. Застосовуються такі способи руйнування (рис. 11.1):

розчавлювання, наступає після переходу напружень за межу міцності на стиск;

розколювання в результаті розклинення (при цьому в матеріалі з'являються напруги від розтягування) і наступного розриву шматків;

злам в результаті вигину; срезиванія, при якому матеріал піддається деформації зсуву;

стирання шматків ковзної робочою поверхнею машини, при якому зовнішні шари шматка піддаються деформації зсуву і поступово зрізаються внаслідок переходу дотичних напружень за межі міцності.

Якщо матеріал піддається дією не статичних зусиль, адинамических навантажень (див. рис. II, 1, е), то в цьому випадку застосовують терміни «ударне дроблення» і «ударне подрібнення», однак деформації залишаються тут тими ж (стиснення, розтягнення, вигин і зрушення).

Перераховані способи руйнування є загальними для дроблення й подрібнення. Ці процеси відрізняються за своїм технологічним призначенням і місцем у ланцюгу послідовних операцій збагачувальної фабрики.

Рекомендується вважати дробленням такий процес руйнування, в результаті якого велика частина готового продукту виявляється крупніше 5 мм, а подрібненням - процес, весь продукт якого дрібніше 5 мм. Розмір граничного зерна (5 мм) прийнятий умовно і може коливатися в деяких межах залежно від типу оброблюваного мінеральної сировини (матеріалу).

Умовність розміру граничного зерна призводить в деяких випадках до невизначеності термінів. Проте відмінність між процесами дроблення й подрібнення може бути уточнено, якщо за основу поділу прийняти обладнання, за допомогою якого ці процеси здійснюються.

За технологічним призначенням всі машини, застосовувані для руйнування шматків, зерен і частинок мінеральної сировини та аналогічних матеріалів, діляться на дві основні різновиди: дробарки і млини (маються на увазі тільки механічні дробарки і млини). У дробарках між дроблять деталями завжди є деякий зазор, що заповнюється матеріалом при роботі під навантаженням і залишається вільним при роботі на холостому ходу (щокові, конусні, роторні та інші дробарки). У млинах подрібнюючі деталі відокремлюються один від одного шаром матеріалу тільки під навантаженням, а при роботі на холостому (а частково і на робочому) ходу вони стикаються (кульові, стрижневі, роликові та інші механічні млини).

У зв'язку з цим дробленням вважається процес руйнування кускового матеріалу, здійснюваний в дробарках, а подрібненням - руйнування матеріалу в млинах. Дробарки завдяки наявності того чи іншого «калібрує» зазору видають переважно кусковий продукт з переважанням великих фракцій і з відносно невеликою кількістю дрібних. Млини, де робочий зазор між измельчающими тілами стає близьким до нуля, видають переважно порошкоподібний продукт з переважанням дрібних фракцій.

При дробленні і подрібненні помітно позначається різноманітність властивостей гірських порід. Гірські породи розрізняються за структурою і текстурою. Перша в основному обумовлена ​​розміром і формою мінеральних агрегатів; друга - слоистостью, пористістю і трещиноватостью.

З текстурними особливостями гірських порід пов'язана анізотропія їх властивостей в поздовжньому і поперечному напрямках, а також масштабний фактор, яким пояснюється збільшення питомої міцності твердих тіл в міру зменшення їх лінійних розмірів. Виділяються структури повнокристалічні і неполнокрісталліческіе, різної зернистості, шаруваті, однорідні, пористі і ін.


Для процесів руйнування найбільш важливими характеристиками гірських порід є їх міцність (фортеця), дробильність, ізмельчаемость і абразивність [2, 11, 66]. Міцністю гірських порід називається здатність твердого тіла протистояти руйнуванню від дії зовнішніх сил. Вона характеризується граничними напруженнями, які можуть бути створені в небезпечному перерізі тіла при різних видах руйнуючих дій. У табл. 11.1 наведені відомості про відносну міцності гірських порід при різних видах напруг, а в табл. 11.2 дано фізико-механічні властивості деяких гірських порід.

Як видно з табл. 11.1 і 11.2, найвигоднейшім видом деформування для руйнування гірських порід є розтягнення, але з конструктивних міркувань в сучасній практиці дезінтеграції основним руйнівним впливом є розчавлювання.

Дробильність є узагальнюючим параметром багатьох механічних властивостей гірських порід (пружних, міцнісних, пластичних та ін) і висловлює енергоємність процесу дроблення породи.

Ізмельчаемость оцінюють по питомій продуктивності лабораторної млини по новоутвореному розрахунковому класу. Критерієм ізмельчаемості є ставлення продуктивності млина по новоутвореному класу при подрібненні досліджуваної руди до продуктивності тієї ж млини і по тому ж класу при подрібненні прийнятої для порівнянні руди. В обох випадках крупність вихідного матеріалу, зміст розрахункового класу в подрібненому Продукті і всі умови подрібнення повинні бути однаковими.

Абразивність характеризує здатність гірських. Порід зношувати робочі органи в процесі дроблення (подрібнення) при терті. Абразивність оцінюють по зносу матеріалу, що контактує з гірською породою.

Дробарки (млини) можуть працювати у відкритому циклі, при якому матеріал проходить дробарку (млин) один раз, або взамкнутом циклі з гуркотом (класифікаційною апаратом), надрешетного продукт (піски) якого безперервно повертається в дробарку (млин) на додрабливания (доізмельчеііе) ( див. рис. 1.2, б).

За основу класифікації дробильно-подрібнювальні машин і пристроїв приймають принцип їх дії, тобто спосіб руйнування, який визначається видом енергії, безпосередньо використовуваної для руйнування матеріалу. На рис. II.3 зображена схематична класифікація способів, застосовуваних для руйнування, і види енергію, перетворюється на роботу дроблення й подрібнення.

Домашне завдання

- О.С.Богданов «Справочник по обогащению руд», том 1

стр. 81 - 85; 90 - 125; 129 - 142.

конспект.



Тема 10.3 Здрібнювання

По режиму роботи подрібнювальні машини ділять на машини безперервного і періодичної дії, за способом подрібнення - на Машини мокрого або сухого подрібнення .

За принципом дії і по конструкції подрібнювальні машини поділяються на барабанні, ролико -кільцеві, чашкові (або бігуном ) і дискові.

Барабанні млини класифікуються на млини з обертовим барабаном, вібраційні і відцентрові . На збагачувальних фабриках і в рудопідготовчих відділеннях металургійних підприємств застосовуються обертові барабанні млини .

Обертові барабанні млини

Обертова барабанна млин ( рнс. IV . 1 ) являє собою порожнистий барабан 1, закритий, торцевими кришками 2 і 3, заповнений певною кількістю подрібнюючих тел 4 і обертовий навколо горизонтальної осі. При обертанні барабана подрібнюючі тіла завдяки тертю захоплюються внутрішньою поверхнею барабана і піднімаються на деяку висоту, потім вільно падають (або перекочуються ) вниз.

У безперервно працюючих млинах подрібнюється матеріал подається через центральний отвір в одній з кришок всередину барабана і, просуваючись уздовж нього, піддається впливу подрібнюючих тел. При цьому подрібнення частинок матеріалу відбувається ударом падаючих подрібнюючих тіл і стиранням і роздавлюванням частинок між тілами. Розвантаження подрібненого матеріалу проводиться або через центральний отвір в розвантажувальної кришці, або через грати з щілиновидними або круглими отворами, або через отвори на кінці циліндричної частини барабана.

У млинах періодичної ( дискретного ) дії подрібнений матеріал завантажується в барабан і вивантажується з нього періодично через люк в циліндричній частині барабана або в одній з торцевих кришок.

Класифікація обертових барабанних млинів за низкою основних ознак наведена иа рис. IV.2.

Залежно від форми барабана розрізняють млини циліндричні і циліндро -конічні Перші в свою чергу класифікуються на три типи: короткі, довгі і трубні . До коротких млинам відносяться такі, у яких довжина барабана менше або дорівнює його діаметру ; до довгих - у яких довжина барабана більше одного, але менше трьох його діаметрів, до трубних - млини з довжиною барабана більше трьох діаметрів.

Залежно від виду подрібнювальної середовища розрізняють млини кульові, стрижневі, галькові і рудногалечние, самоподрібнення і полусамоізмельченія .

У кульових млинів подрібнююча середу складається із сталевих або чавунних куль одного або декількох розмірів. Іноді використовуються порцелянові кулі або кулі з інших неметалічних матеріалів . У стрижневих млинів подрібнююча середу складається зі сталевих стрижнів одного або декількох діаметрів та довжини, близької до внутрішньої довжині барабана. Для га - Лєчна млинів Іспользуетс в якості подрібнювальної середовища окатана кремінна галька, для рудногалечних - крупнокускові фракції, виділені з подрібнюваної руди. У млинах самоподрібнення і полусамоізмельченія подрібнювальної середовищем служать відповідно великі кускн подрібнюваної руди і суміш великих шматків руди з деякою кількістю великих сталевих куль .

У ряді випадків в якості подрібнювальної середовища використовується сталевий або чавунний Цильпебси, що представляє собою тіла у вигляді циліндриків або зрізаних конусів . В якості подрібнювальної середовища знаходять застосування також металеві тіла, виконані у формі еліпсоїда, товстостінних трубок, дисків.

Обертові барабанні млини виготовляються з однією камерою подрібнення (короткі і довгі ) і з двома або кількома камерами (довгі і трубні ) .

Рнс . ІV.1 . Схема пристрою і принцип дії обертового барабанного млина : 1 - барабан ; 2 і 3 - завантажувальна і розвантажувальна кришки з порожнистими цапфами ; 4 - подрібнюючи тіла

Рис . IV.2. Класифікаційні ознаки і класифікація обертових барабанних млинів : а -ж - класифікаційні ознаки відповідно по : формі барабана, режиму роботи, довжині барабана, числу камер подрібнення, способу розвантаження подрібненого продукту, способу подрібнення, увазі подрібнюючих тел.

Відцентрові барабанні млини

До типу відцентрових барабанних млинів відноситься велика кількість подріблення машин різного конструктивного виконання. При обертанні вала відбувається розчавлювання частинок измельчающими тілами за рахунок впливу на них відцентрових сил. Подрібнення матеріалу в таких млинах ведеться сухим або мокрим способом послідовно у міру просування матеріалу уздовж поверхні барабана. Млини цього типу використовуються в керамічній, фармацевтичні та інших галузях промисловості. Спроби розробки млинів цього типу для гірничорудної промисловості виявили низьку зносостійкість роликів, підшипників та інших внутрішніх вузлів, необхідність періодичного калібрування поверхні барабана і роликів, великих витрат праці на ремонт.

У млинах ударної дії подрібнення проводиться внаслідок зіткнення часток робочими елементами швидкообертаючих роторів, розміщених в нерухомому циліндричному корпусі. До цього типу млинів відносяться дезінтегратори, дисмембратор і шахтні молоткові і бильні млини

Домашне завдання

- О.С.Богданов «Справочник по обогащению руд», том 1

стр. 206 - 233.

конспект.

Міністерство освіти та науки України

Національна металургійна академія України

Криворізький технікум

Комісія електротехнічних дисциплін

Конспект лекцій

з дисципліни

Гірничі машини та комплекси

спеціальність 5.01010401 «Професійна освіта. Енергетика»

напрям підготовки 010104 «Професійна освіта»

освітньо-кваліфікаційний рівень - молодший спеціаліст майстер виробничого навчання

м. Кривий Ріг, 2014 рік

Похожие работы на - Гірничі машини та комплекси

 

Не нашли материал для своей работы?
Поможем написать уникальную работу
Без плагиата!
Без нейросетей!