Техническая характеристика рельсобалочного стана 950/800/850
Введение
Выпуск высококачественной конкурентоспособной
продукции, удовлетворяющей непрерывно изменяющимся запросам потребителей и
обеспечивающей предприятию получение устойчивой прибыли - это девиз НТМК,
который также является стратегической целью и для рельсобалочного цеха.
Повышение качества проката в условиях старого
рельсобалочного цеха с каждым годом становится все сложнее: доля человеческого
фактора (точность настройки, своевременный контроль технологического процесса,
качества продукции) постепенно иссякает. Цех был пущен в эксплуатацию в 1949
году и с тех пор участок стана не подвергался серьёзной реконструкции, а это
может означать только одно, что материально-техническая база цеха давно уже
морально и технически устарела. Прокатные клети не могут обеспечивать
надлежащую точность выполнения профиля рельса и длину, которая сможет
соответствовать мировым стандартам качества.
Двухстадийный процесс изготовления
термоупрочненных рельсов увеличивает технологический поток. Большое количество
поперечных перемещений волоком ведет к образованию дефектов. А также до
недавних пор отсутствовал гидросбив окалины.
Контроль качества продукции должен обеспечивать
проверку проката исходя из современных требований, предъявляемых к ней. На
сегодняшний день, наличие ультразвукового и визуального контроля в РБЦ не может
обеспечить это в полной мере.
В данной работе я проанализировал состав
оборудования главной линии чистовой рабочей клети дуо 850 рельсобалочного
стана, и дал техническую характеристику вспомогательного оборудования клети.
Также мною были произведены расчёты валков чистовой клети на статическую,
циклическую прочность и расчёт жёсткости прокатных валков по оси катающего
калибра.
. Техническая характеристика рельсобалочного
стана 950/800/850
Рельсобалочный цех ОАО НТМК был введен в строй в
1949 году. Проектная мощность стана составляет 5000 тонн в сутки. Тип стана
линейный, в его составе 2 линии: обжимная и чистовая (рисунок 1).
Рисунок 1 - Схема расположения оборудования РБС
950/800/850
Обжимной стан - реверсивная двухвалковая клеть
со станиной закрытого типа. Диаметр валков - 950 мм, длина бочки - 2300 мм,
материал валков - сталь 50 кованая. Двигатель МП8700-60 мощностью 6400 кВт,
число оборотов 0-60-120. С передней и задней сторон клеть оборудована
манипуляторами. На правых линейках установлены кантователи крюкового типа.
Нажимное устройство - электромеханическое, уравновешивающее устройство -
гидравлическое. Смена валков осуществляется с помощью специального перевалочного
механизма.
Чистовая линия состоит из двух рабочих клетей
трио 850 с манипуляторами, кантователями и подъемно-качающимися столами с обеих
сторон клети и одна рабочая клеть дуо 850.
Обе трехвалковые клети одинаковой конструкции со
станиной открытого типа, диаметр валков - 800 мм, длина бочки - 1900 мм,
материал валков - сталь 60ХН кованая или чугун СПХН-45. Двигатель МПС 8000-100
мощностью 8000 кВт, число оборотов 0-110-220. С обеих сторон клети оборудованы
подъемно-качающимися столами (ПКС). Рольганги столов состоят из 9 роликов
диаметром 350 мм. Величина подъема стола 850 мм. Пределы регулировки ±
50 мм. На каждом столе установлены по два гидравлических манипулятора и по
одному кантователю. Нажимное устройство - ручное винтовое, уравновешивающее
устройство - пружинное.
Чистовая двухвалковая клеть - станина
открытого/закрытого типа, диаметр валков - 850 мм, длина бочки - 1200 мм,
материал валков - чугун СПХН-48. Двигатель МПС 3200-110 мощностью 3200 кВт,
число оборотов 0-110-230. С передней стороны клеть оборудована кантователем.
Нажимное устройство - ручное винтовое, уравновешивающее - пружинное.
Рельсобалочный цех специализируется на выпуске
проката транспортного назначения: рельсы типа Р50, Р65, Р65К (для службы в
кривых участках малого радиуса) и профили для вагоностроения и автотранспортной
промышленности. Он включает в себя следующие участки:
участок нагрева заготовок;
участок стана;
участок пил горячей резки;
участок печей изотермической выдержки;
центральный холодильник с роликоправильными
машинами;
участок отделки;
отделение термической обработки рельсов.
Номинальная производительность рельсобалочного
стана 1130000 тонн в год.
. Состав оборудования и режимы работы главной
линии чистовой рабочей клети 850
Клеть дуо 850 входит в состав чистовой линии рельсобалочного
стана и предназначена для придания рельсу окончательных геометрических размеров
и формы за один проход. Характеристика и параметры основных элементов главной
линии рабочей клети 850 приведены в таблице 1.
Таблица
1
Характеристика элементов главной линии рабочей
клети
|
Наименование
элемента главной линии
|
Характеристика
элемента и назначение
|
|
Главный
двигатель
|
Электродвигатель
постоянного тока МПС 3200-110, мощностью 3200 кВт, скорость вращения
0-110-230 об/мин.
|
|
Муфта
|
Предназначена
для передачи крутящего момента от главного двигателя к шестерённой клети.
Муфта - трефовая, максимальный крутящий момент 1МН·м, максимальная частота
вращения 400 об/мин, угол перекоса соединяемых валов 1-2°, несоосность
соединяемых валов 10 мм.
|
|
Шестерённая
клеть
|
Шестеренная
клеть дуо предназначена для передачи вращения (i=1) от
электродвигателя к валкам рабочей клети дуо и разделением крутящего момента
между ними. Максимальный крутящий момент 280 кН·м. Межосевое расстояние 850
мм. Шестеренная клеть дуо состоит из станины, крышки, комплекта подушек и
шестеренных валков. Станина и крышка клети - литые, чугунные. Шестеренные
валки изготовляются стальными, коваными, с шевронными фрезерованными зубьями.
Подушки клети из чугуна, а подшипники шестеренных валков имеют баббитовую
заливку. Смазка подшипников и зацепления шестеренных валков - жидкая,
циркуляционная, от центральной смазочной станции.
|
|
Шпиндельное
устройство
|
Устройство
трефового типа, предназначено для передачи крутящего момента от шестерённой
клети к рабочей клети с изменением угла наклона вала шпинделя. Максимальный
крутящий момент 1МН·м, максимальная частота вращения 400 об/мин, угол наклона
вала шпинделя 2-3°.
|
|
Рабочая
клеть
|
Клеть
дуо нереверсивная. Диаметр валков 850 мм, длина бочки 1200 мм. Станина
открытого типа, материал валки чугун СПХН-48. Нажимное устройство ручное,
уравновешивающее устройство пружинное.
|
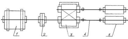
Шестеренная клеть, промежуточные шпиндели и
главная муфта предназначены для передачи крутящего момента от электродвигателя
к рабочим валкам клети, которые обеспечивают пластическую деформацию металла.
Кинематическая схема привода рабочей клети 850 приведена на рисунке 2.
Рисунок 2 - Кинематическая схема привода
чистовой клети 850: 1 - двигатель, 2 - муфта, З - шестеренная клеть, 4 -
универсальные шпиндели, 5 - рабочая клеть.
. Техническая характеристика чистовой рабочей
клети ДУО 850
Чистовая рабочая клеть дуо 850
предназначена для последней ручьевой прокатки рельсов от 43 до 75 кг/пог.м,
швеллеров от №20 до №40, двутавровых балок от №20 до №60, круглой заготовки
диаметром до 200 мм, квадратной заготовки сечением до 200
200 мм и
полосы шириной до 300 мм из профилированных полос, получаемых с чистовой линии
стана. Общая техническая характеристика рабочей клети 850 приведена в таблице
2.
Таблица
2
Техническая характеристика чистовой рабочей
клети 850
|
Наименование
узла (механизма, устройства)
|
Наименование
элементов узла
|
Характеристика
элемента
|
|
Валковый
узел
|
Валки
|
Рабочие
валки - литые, чугунные СПХН-48. Диаметр валков 850 мм, длина бочки 1200 мм.
Приводной конец имеет трефовидное сечение. Смазка шеек валков и их охлаждение
производится технической водой от водопроводной магистрали цеха.
|
|
Подшипники
|
Четырёхрядные
подшипники качения с коническими роликами. Коэффициент трения 0,001 - 0,005,
нагрузочная способность 15 - 20 МН, скорость прокатки 10 - 20 м/с.
|
|
Подушки
|
Материал
подушек - стальное литьё, с текстолитовыми вкладышами подшипников.
|
|
Нажимной
механизм
|
Нажимные
механизмы для верхнего и нижнего рабочих валков
|
Нажимные
механизмы - механические с ручным приводом, состоят каждый из двух винтов с
цилиндрической зубчатой передачей, обеспечивают вертикальную установку валка.
Ход нажимного винта 150 мм. Стальной винт (40ХН) вращается в бронзовой гайке
(Бр АЖМц 10-3-1,5), установленной в станине и крышке клети. Резьба
трапецеидальная, однозаходная. Наружный диаметр резьбы 280 мм , шаг резьбы
4,5 мм.
|
|
Уравновешивающее
устройство
|
УУ
для верхнего валка
|
Уравновешивающее
устройство - пружинное, через систему тяг, проходящих через крышку клети и
закрепляемых с помощью клиньев в бугелях.
|
|
Устройство
осевой регулировки и фиксации валков
|
Прижимы
|
Валки
в осевом направлении устанавливаются при помощи прижима, закрепленного на
станине болтами. Прижимы упираются в подушки, а в хвостовой своей части имеют
|
|
|
регулировочный
винт, который, в свою очередь, упирается через вставку в тело станины.
|
|
Узел
станин
|
Станины
и соединительные элементы
|
Станины
клети - открытой конструкции из стального литья. Крышка клети, из стального
литья, крепится к станинам при помощи специального клинового соединения.
Станины соединены между собой при помощи траверс и соединительных болтов.
|
. Расчёт на статическую прочность валков
чистовой рабочей клети дуо 850 рельсобалочного стана
Исходные данные
|
Название
параметра
|
Обозначение
|
Величина
|
|
Усилие
прокатки
|
P
|
300
кН
|
|
Рабочий
диаметр валка
|
Dр
|
678
мм
|
|
Диаметр
бочки валка
|
Dб
|
850
мм
|
|
Диаметр
шейки валка
|
dш
|
460
мм
|
|
Диаметр
приводного конца
|
dпк
|
420
мм
|
|
Крутящий
момент на приводном конце рабочего валка
|
Мпк
|
25
кН×м
|
|
Расстояние
от оси катающего калибра до края бочки
|
x1
x2
|
921
мм 919 мм
|
|
Ширина
ручья
|
b
|
190
мм
|
|
Модуль
упругости
|
Е
|
|
|
Длина
бочки валка
|
Lб
|
1200
мм
|
|
Расстояние
между осями нажимных винтов
|
|
1840
мм
|
|
Предел
прочности для чугунных валков
|
ув
|
350ч450
МПа
|
|
Допустимые
напряжения на изгиб для чугунных валков
|
[у]
|
70
ч 80 МПа
|
|
Допустимые
напряжения на кручение для чугунных валков
|
[ф]
|
|
|
Допустимая
величина коэффициента запаса
|
[n]
|
2
|
1) Определение реакций опор нажимных
винтов,
и
.
) Определение изгибающих моментов,
.
) Определение
крутящих моментов,
.
) Определение опасных сечений по
длине валка.
Сечение 1-1:
Сечение по максимальной глубине
ручья, в месте приложения нагрузки.
,
Сечение 2-2:
Сложное нагружение (
и
), сечение
шейки валка в месте её перехода в бочку со стороны привода.
,
,
Сечение 3-3:
Сечение приводного конца вала,
ослабление - треф.
,
Эпюры крутящих и изгибающих моментов
приведены в приложении А.
) Определение фактических напряжений
в опасных сечениях валка и сравнение с допустимыми значениями.
Сечение 1-1:
изг.б - момент сопротивления
поперечного сечения бочки валка при изгибе
Напряжение изгиба в сечении 1-1
равно:
Коэффициент нагрузки бочки:
Условия статической прочности в сечении 1-1
выполняются.
Сечение 2-2:
изг.ш - момент сопротивления
поперечного сечения шейки валка при изгибе
Напряжение изгиба в сечении 2-2
равно:
кр.ш - момент сопротивления поперечного
сечения шейки валка при кручении
Напряжение кручения в сечении 2-2
равно:
Считаем
-
результирующее напряжение, так как в сечении сложное нагружение.
Коэффициент нагрузки шейки:
Условия статической прочности в
сечении 2-2 выполняются.
Сечение 3-3:
кр.пк - момент сопротивления
поперечного сечения приводного конца валка при кручении.
Напряжение кручения в сечении 3-3
равно:
Коэффициент нагрузки приводного
конца:
Условия статической прочности в
сечении 3-3 выполняются.
Исходя из условий статической
прочности
и
, можно
сделать вывод, что условие
и
на сечении 1-1,2-2 и 3-3
выполняется. Эпюры напряжений изгиба и кручения приведены в приложении А.
) Для построения эпюр, дополнительно
определяем следующие величины.
- нормальное напряжение, левее
сечения 2-2;
- касательное напряжение на
приводном конце валка (трефовидное сечение);
- - касательное напряжение, левее
сечения 2-2.
. Расчёт на циклическую прочность валков
чистовой рабочей клети дуо 850 рельсобалочного стана
рабочий клеть рельсобалочный
прокатный
1) Определение коэффициента запаса
по нормальным напряжениям
и
касательным напряжениям (
)
Сечение 1-1:
Коэффициент запаса по нормальным
напряжениям
- коэффициент качества обработки
поверхности.
- масштабный фактор при действии
нормальных напряжений.
- эффективный коэффициент
концентрации нормальных напряжений.
- для чугунных валков СПХН-48
Сечение 2-2:
Общий коэффициент запаса
Коэффициент запаса по нормальным
напряжениям
- для чугунных валков СПХН-48
Коэффициент запаса по касательным
напряжениям
- коэффициент качества обработки
поверхности.
- масштабный фактор при действии
касательных напряжений.
- эффективный коэффициент
концентрации касательных напряжений.
- для чугунных валков СПХН-48
- коэффициент чувствительности
материала валка к асимметрии цикла касательных напряжений.
Сечение 3-3:
Коэффициент запаса по касательным
напряжениям
Расчеты статической и циклической
прочности показали, что в сечениях 1-1, 2-2 и 3-3 условия статической и
циклической прочности выполняются.
6. Расчёт на жёсткость валкового узла чистовой
клети 850 рельсобалочного стана
Общий прогиб валков:
- прогиб в результате действия
изгибающих моментов.
- прогиб в результате действия
поперечных сил.
) Определяем прогиб в результате
действия изгибающих моментов.
,
,
,
,
,
,
,
,
,
- модуль упругости.
- приведённый осевой момент инерции
- коэффициент приведения
) Определяем прогиб в результате
действия поперечных сил.
- модуль сдвига для чугунных валков
площадь поперечного сечения шейки
валка
- приведённая площадь поперечного сечения
валка
площадь поперечного сечения по дну
калибра
- коэффициент приведения
) Определяем общий прогиб валков.
) Определение модуля жёсткости
валковой системы.

Выводы
В данной работе была приведена техническая
характеристика рельсобалочного стана 950/800/850, проанализирован состав
оборудования и режимы работы главной линии чистовой рабочей клети дуо 850,
приведена общая техническая характеристика этой клети, а также произведены расчеты
статической, циклической прочности прокатных валков и модуля жесткости валковой
системы.
Чистовая клеть 850 полностью соответствует
назначению прокатного стана, но не может удовлетворять современным требованиям
производства рельсов высших категорий качества. Проанализировав техническую
характеристику рабочей клети видно, что все элементы удовлетворяют назначению
прокатного стана и могут обеспечить нормальную работу стана.
Расчеты статической и циклической
прочность показали, что в сечениях 1-1, 2-2 и 3-3 условия статической и
циклической прочности выполняются. Модуль жесткости валковой системы равен
МН/мм.
Список использованных источников
1. Машины и агрегаты для
производства и отделки проката. / А.И. Целиков, П.И. Полухин, В.М. Гребеник и
др. М.: Металлургия, 1987.
. Королев А.А. Конструкция и расчет
машин и механизмов прокатных станов. М.: Металлургия, 1985.
. ТИ 102-П.С-8-2006. Производство
рельсов. Технологическая инструкция.- Нижний Тагил: НТМК, 2006.